Hallo, ich weiß jetzt nicht so ganz ob das hier hin gehört aber ich würde gerne mit einem NE555 LEDs mit PWM dimmen also praktisch wenn ich an einem poti drehe sollen die LEDs heller oder eben dunkler werden weiß jemand ob bzw. wie man sowas bauen könnte? (Schaltplan währe auch net schlecht)
mach das ganze ganz einfach mit einem CMOS4000. 2 nand als astabile kippstufe mit Tastgrad 99%, den 3. mittels kondensator und poti als integrierglied antiparalell zum poti noch eine diode für schnelles entladen, und das vierte nochmals schnell zur Signalaufbereitung, hinten hin noch einen mosfet und fertig ist das pwm, passt als smd auf eine Briefmarke, ansonsten auf 2.
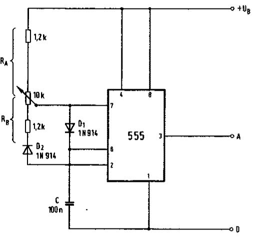
siehe Anhang - am Ausgang liegt die PWM an. Wenn es nur eine LED sein soll häng sie anfach so dran. mk
Sorry - ich hab den Vorwiderstand für die LED vergessen zu erwähnen. Der muß natürlich sein - sonst rauchts. ;) 5V genügen für die Schaltung. Wenn es mehr LEDs sein sollen, dann mit Transistor-Treiber (NPN E auf Masse, LEDs mit Vorwiderständen zwischen Plus und C, Basis über Vorwiderstand an Ausgang) mk
Mit einem 555 geht das schon. Du baust einen Astabilen Multivibrator auf und nimmst als ladewiderstand ein Poti. Mit dem Poti kannst du das laden des kondensator verändern und so das Puls-Pausenverhältnis ändern. Einfach mal versuchsweise aufbauen. Gruß, Florian
@Mario danke für die schaltung (wie nen Transistor arbeitet weiß ich aber trotzdem danke für die detaillierte beschreibung). Eigentlich kenn ich mich schon recht gut mit Elektronik aus hatte nur bis jetzt noch nix mit dem NE555 gemacht sonst hab ich die PWM halt immer mit dem Timer des AVR gemacht aber ich dachte das nen AVR irgendwie verschwendung ist für sowas simples...
Hi, mal ne kleine Frage, kann man die Schaltung ohne weiters zu Servo-positionierung verwenden? Ich kann mir vorstellen das der Tastgrad nicht immer exakt gleich ist (Bauteiltoleranzen, Temperatur,..). Was denkt ihr, bzw. hat jemand die Schaltung schon einmal für so etwas verwendet?
Ein AVR ist keine Verschwendung. Du sparst ne Menge Außenbeschaltung ein und kannst obenderein noch eine helligkeitsrichtige Kennlinie fahren (gleicher Potidrehwinkel bewirkt gleiche Änderung des Helligkeitseindrucks). Z.B. ein ATTiny15 sollte es tun. Peter
so isses, du hast die Schaltung besser, einfacher und vor allem schneller fertig. Flexibler bist du sowieso. Der Tiny15 kostet gerade mal ein Euro (wahrscheinlich ist ein NE555 bei Conrad teurer :-), dazu das Poti, mehr brauchst du nicht. Und wenn du eines Tages auf den Gedanken kommst, eine 2.Led anzuschliessen, die genau entgegengesetzt funktioniert (Überblendregler) ist das auch kein Problem oder anderen Krimskrams. MCs sind keine kleinen Heiligtümer, sondern Bauelemente wie jedes andere auch.
als Servoprüfer geht die Schaltung. Ich habe sie mit zwei 55ern aufgebaut. den ersten als Astabilen und den zweiten dann als monostabilen. Einfach die beiden Applikationsschaltungen, welche ich mal als bekannt vorraussetze, hintereinander schalten. Axel
http://www.volny.cz/mavit2/Elektro/Servotester/servotester.html Ist zwar hourvinek und spjebel sprache, aber die Schaltung sollte ma erkennen können. Axel
D steht für "dämlich". Das ist ein dämlicher Anschluss der dazu da ist Leuten, die weder logisch denken (wieder d!), noch richtig lesen und verstehen können, zu verwirren. Die dämlichen Datenblätter (sogar 2 Ds!) geben dahingehend keinerlei Infos. Das D dort dient der Demotivierung der DAUs. Das da genau D dort steht ist dermaßen wichtig, dass da definitiv auch 0 dortstehen darf. Das sagt, dass da auch GND sein darf.
Lach Five years later
1 | volný |
2 | |
3 | Chyba 404 |
4 | |
5 | |
6 | stránka nenalezena |
7 | |
8 | |
9 | požadovaná stránka byla pravděpodobně odstraněna, |
10 | změnil se její název nebo není dočasně dostupná. |
11 | |
12 | |
13 | Copyright © 2009 Volný, a.s. |
Die Seite gibt es schon gar nicht mehr und manche fragen immernoch. Was fürn "D"? BTW: letztendes ging es garnicht um Servotester im eigentlichen Sinne, sondern um LEDs in der Helligkeit zu regeln. Dafür ist der Servotester eher nicht geeignet, da der Einstellbereich sehr klein ist. 20 ms Wiederholrate und nur 1-2ms Einschaltdauer. So richtig hell wird die LED damit nicht leuchten. Axelr. http://www.tuug.fi/~isaarine/electronics/servo-test/ http://home.cogeco.ca/~rpaisley4/xServoTest555.html http://home.earthlink.net/~tdickens/68hc11/servo/servo.html http://homepage.sunrise.ch/mysunrise/aborel/aero/servo1.html http://web.quick.cz/PetrLBC/tester.htm
> Five years later... > Die Seite gibt es schon gar nicht mehr und manche fragen immernoch. Nochmal 9 Jahre später: > Im "electronica-Heftchen" 213/214 sind auch schöne Beispiele drin. Mal sehen, ob 2030 noch jemand etwas dazu beitragen möchte.
Hallo der 555 ist wie Unkraut - selbst wenn man es (ihn) mit der Wurzel rauszieht - irgendein Samen (Bauanleitung deren Ursprung 1975 ist...) findet seinen Weg und man wird mit neuen unerwünschten Grün (Oszillator mit 1001 Problemchen, einen Zoo von externen Komponenten und Platzbedarf in Bereich einer bezahlbaren Wohnung in München) beglückt. Der ATMega8 wird (ist) seinen Weg gehen, irgendwelche zeitgemäßen ICs und MOSFETs mit hervorragenden Eigenschaften und Leistungsfähigkeit werden schon ab gekündigt wenn sie gerade auf den Markt erschienen sind. Nur der 555 die 78XX und BC54X sind selbst 1,5 Generationen nachdem ich mit ihnen meine Bastellaufbahn begonnen hatte (und schon damals alles andere als wirklich aktuell und stand der Technik waren) immer noch "aktuell" und werden wohl auch 2040 den Elektronik interessierten bei den ersten Schritten begleitet - in einer schönen Mischung mit den fertigen µC Board, auf den der 64Bit µC mit 4Ghz Takt sitzt der beim indischen Versender für wenige Libra die umgerechnet aktuell 3Euro entsprechen bestellt werden kann (aber immer noch 8 Wochen braucht bis er zu hause liegt - den die 25 Zollreform hat es auch nicht geschafft das der Beamtete Zöllner ganz analog seine Nase in irgendwelche Pakete stecken muss...). Jemand
Krabbeltier schrieb: > Im "electronica-Heftchen" 213/214 sind auch schöne Beispiele drin. DDR 1984, meint Google. Gibt's auch einen Link dazu, von 1984 oder später? Oder müssen wir, ohne DDR-Literatur im Billy-Regal, dumm bleiben?
Dieter R. schrieb: > Gibt's auch einen Link dazu, von 1984 oder später? Oder müssen wir, ohne > DDR-Literatur im Billy-Regal, dumm bleiben? Ja sicher, es ändert sich praktisch nichts am Wesen des gemeinen Wessis, er bleibt einfach dumm.
Mich deprimiert wenn ich sehe dass es von 2004 ist aber heute 2019 ist, weil wir die Zeit nicht zurückdrehen können.
Beitrag "Re: PWM mit NE555?" Ich lese immernoch geduldig mit. Kinder, wie die Zeite ins Land geht... LG äxlr.
Stefanus F. schrieb: > Mal sehen, ob 2030 noch jemand etwas dazu beitragen möchte. Gibts beim 555 nicht ein "Jahr2100"-Problem?
Beitrag #5915400 wurde von einem Moderator gelöscht.
https://www.ebay.de/itm/213-214-electronica-DDR-Schlenzig/392344313572?hash=item Originalpreis war 3,80 DDR-Mark
Ja Toll! Als der 555 und dieses Heftchen etwa 1984 endlich auch in der Zone erhältlich waren, war das Teil im Rest der Welt schon seit mindestens 1000 Jahren ein alter Hut. Genosse Schlenzig wird wieder mal olle App-Notes aussn Westen beschafft, und in leicht veränderter Form für seinem Meisterwerk recycelt haben. Kaum anzunehmen daß dort besonderes Geheimwissen vermittelt wird.:-)
Jemand schrieb: > Hallo > > der 555 ist wie Unkraut - selbst wenn man es (ihn) mit der Wurzel > rauszieht - irgendein Samen (Bauanleitung deren Ursprung 1975 ist...) > findet seinen Weg und man wird mit neuen unerwünschten Grün (Oszillator > mit 1001 Problemchen, einen Zoo von externen Komponenten und > Platzbedarf in Bereich einer bezahlbaren Wohnung in München) beglückt. Also eine NE555 PWM-Schaltung ist selbst in der Dip-8 Bauform sehr kompakt möglich, kaum größer als der eigentliche IC selbst. Die größten Bauteile sind da der Potentiometer und Power Mosfet. Die kleinste von mir gebaute PWM-Schaltung war nur ~4 Kubikzentimeter groß, vergossen mit Epoxidharz. Wozu braucht man da einen MiC, wenn sich diese Aufgabe zuverlässig und kompakt hardwaremäßig lösen lässt? Kann diesen Microcontroller-Fetisch nicht ganz nachvollziehen. Aber ich lasse mich gerne belehren.
montag schrieb: > Ja Toll! > Als der 555 und dieses Heftchen etwa 1984 endlich auch in der Zone > erhältlich waren, war das Teil im Rest der Welt schon seit mindestens > 1000 Jahren ein alter Hut. Ja, leider. Für den gewöhnlichen sterblichen DDR-Bastler hatten diese Heftchen und die Eljabus allerdings fast Bibelstatus.
J. S. schrieb: > Wozu braucht man da einen MiC, wenn sich diese Aufgabe zuverlässig und > kompakt hardwaremäßig lösen lässt? Das wurde weiter oben bereits erklärt: Um eine LED zu dimmen, braucht man eine logarithmische Skalierung, deren unterer Bereich (< 1%) mit dem NE555 nur schwer realisierbar ist.
Stefanus F. schrieb: > J. S. schrieb: >> Wozu braucht man da einen MiC, wenn sich diese Aufgabe zuverlässig und >> kompakt hardwaremäßig lösen lässt? > > Das wurde weiter oben bereits erklärt: Um eine LED zu dimmen, braucht > man eine logarithmische Skalierung, deren unterer Bereich (< 1%) mit dem > NE555 nur schwer realisierbar ist. Ja ok, wenn man ein Dimmen in diesen Bereich aus irgendwelchen Gründen braucht. Für 99,9% der Fälle reicht ein einfacher Schalter (der meistens sowieso vorhanden ist) der die LED dann komplett ausschaltet, wenn einem 1% der Helligkeit noch zu viel sind.
Krabbeltier schrieb: > Für den gewöhnlichen sterblichen DDR-Bastler hatten diese > Heftchen und die Eljabus allerdings fast Bibelstatus. Ja, wir hatten ja sonst nichts...:-) Wobei Eljabus mir persönlich nun schon wieder viel zu viel Militärscheiß und Klassenkampf enthielten, als daß ich dafür meine sauer verdienten Aluchips übern Ladentisch gereicht hätte. Aber um mal zum Thema PWM mit 555 zurück zu kommen: Im Anhang zwei Varianten aus Schlenzigs "Schaltungssammlung für den Amateur". Bei der unteren Schaltung sollte der Amateur allerdings noch mal genau überlegen, ob er den Motor wirklich wie gezeichnet anklemmt. :-) Sorry für die Bildqualität, das Orwocolor Fotopapier in meinem Robotronhändie muß wohl schlecht geworden sein... :-)
Jemand schrieb: > der 555 ist wie Unkraut - selbst wenn man es (ihn) mit der Wurzel > rauszieht - irgendein Samen (Bauanleitung deren Ursprung 1975 ist...) > findet seinen Weg und man wird mit neuen unerwünschten Grün (Oszillator > mit 1001 Problemchen deswegen ist der 555 der am meist produziertesten IC in der ganzen Galaxy: ============= If you've played around with electronic circuits, you probably know[1] the 555 timer integrated circuit, said to be the world's best-selling integrated circuit with billions sold. Designed by analog IC wizard Hans Camenzind[2] in 1970, the 555 has been called one of the greatest chips of all time with whole books devoted to 555 timer circuits. ============= Ich hab den Timer 555 in vielen verschiedenen Produkten gesehen,wo er - im Gegensatz zu programmierbaren uCs zuverlaessig im Hintegrund seinen Dienst leistete. Z.B. wurde er in einem 21"-Roehrenmonitor als PWM-Regler zu Stabilisieung der 27KV-Hochspannungsstufe verwendet. Waehrend im gleichen Monitor EEproms die die momentanen Usereinstellungen wie Helligkeit abspeicherten und zudem die Abgleichinformationen fuer die Bildgeometrie enthielten etc..alle naselang ihre Daten - wegen elektronisch verseuchtem Umfeld - verloren und den Monitor damit komplett laehmlegten.
montag schrieb: > Ja Toll! > Als der 555 und dieses Heftchen etwa 1984 endlich auch in der Zone > erhältlich waren, war das Teil im Rest der Welt schon seit mindestens > 1000 Jahren ein alter Hut. Und im Westen hat niemand eine ähnliche, kompakte und praktische Publikation fertiggebracht. Und wird es in den nächsten 1000 Jahren auch nicht. Übrigens, du selbst hast doch gut daraus gelernt. Was beschwerst du dich? montag schrieb: > Genosse Schlenzig wird wieder mal olle App-Notes aussn Westen beschafft, > und in leicht veränderter Form für seinem Meisterwerk recycelt haben. > Kaum anzunehmen daß dort besonderes Geheimwissen vermittelt wird.:-) Wenn schon, mußt du auch noch über den Genosse Bläsing herfallen!
Toxic schrieb: > Ich hab den Timer 555 in vielen verschiedenen Produkten gesehen,wo er - > im Gegensatz zu programmierbaren uCs zuverlaessig im Hintegrund seinen > Dienst leistete. Und nervt jeden Morgen Millionen von Menschen, weil wieder mal die 2. Charge Toast angekokelt ist. :D
michael_ schrieb: > montag schrieb: >> Ja Toll! >> Als der 555 und dieses Heftchen etwa 1984 endlich auch in der Zone >> erhältlich waren, war das Teil im Rest der Welt schon seit mindestens >> 1000 Jahren ein alter Hut. > > Und im Westen hat niemand eine ähnliche, kompakte und praktische > Publikation fertiggebracht. > Und wird es in den nächsten 1000 Jahren auch nicht. https://www.amazon.de/555-timer-B%C3%BCcher/s?k=555+timer&rh=n%3A186606
Mußt du mir mein schönes Argument gegen den montag kaputt machen? Der hat sein Wissen nicht aus deinen Beispielen. Meckert aber über das electronica Heft. Trotzdem bleibe ich bei meiner Meinung zu den electronica Heften. Gerade Franzis, dicke Bücher, große Schrift, viel Papier.
michael_ schrieb: > Mußt du mir mein schönes Argument gegen den montag kaputt machen? Schreib einfach keinen Unsinn mehr.
Teo D. schrieb: > Und nervt jeden Morgen Millionen von Menschen, weil wieder mal die 2. > Charge Toast angekokelt ist. :D Was kann das arme Ding dafuer wenn die Mechanik als solches klemmt oder wieder mal zu fette Toastscheiben zwischen die Heizwaende reingequetscht wurden....
Der unschuldige 555 kommt mit den heutigen geplanten Obsoleszenzen einfach nicht klar. Der funktioniert ohne Murren, das kann für ihn nicht gut ausgehen.
Ich habe mal an der Entwicklung einer Steuerung mitgearbeitet, welche einen Cortex-M4, diverse Leistungselektronik, analoge Sensorauswertungen, SD-Karte, USB, CAN usw. enthielt. Welcher Teil der Schaltung machte die meisten Probleme? Richtig, der LED-Blinker, welcher aus Vorschrifts-Gründen mit 555 gemacht wurde, aus irgendwelchen Gründen heiß wurde und dabei die eigene Frequenz langsam aus dem erlaubten Fenster verschob. Hurra!
Krabbeltier schrieb: > Der unschuldige 555 kommt mit den heutigen geplanten Obsoleszenzen > einfach nicht klar. Der funktioniert ohne Murren, das kann für ihn nicht > gut ausgehen. Der 555 ist aber keineswegs das unkomplizierte IC, welches besonders für Anfänger geeignet ist. Insbesondere die starke Stromspitze beim Umschalten macht Anfängern oft Probleme. Der einzige Vorteil des 555 ist m.E. das er ohne zusätzliche Trasistoren 200mA schalten kann. Ansonsten verwendet man besser ICs aus der 4000er Reihe zur Lösung von Prblemen, für die man vor 40Jahren den 555 genommen hat.
Dr. Sommer schrieb: > aus irgendwelchen Gründen > heiß wurde Wenn man schon als Spezialist mit HighTech-uC-Komponenten umgehen kann,dann sollte es fuer dieselbigen Profis doch kein Problem sein bei einem simplen 555-Timer dessen Fehlverhalten zu analysieren,dokumentieren und diese Informationen dann Texas Instruments,Linear Technology etc. - die dieses "Miststueck" milliardenfach produzieren - zukommen zu lassen. Ich bin mir sicher,dass deine Firma als Belohnung viel Geld bekommen haette und der Herr Camenzind (der Entwickler des 555) in den USA mit Massenklagen ueberhaeuft worden waere. Chance verpasst Millionaer zu werden...
Toxic schrieb: > dieselbigen Profis Dein Nickname spricht Bände. Selbstverständlich war es ein Schaltungs/Design-Fehler - aber lustig, dass ausgerechnet so ein Problem auftrat.
Toxic schrieb: > Teo D. schrieb: >> Und nervt jeden Morgen Millionen von Menschen, weil wieder mal die 2. >> Charge Toast angekokelt ist. :D > > Was kann das arme Ding dafuer wenn die Mechanik als solches klemmt oder > wieder mal zu fette Toastscheiben zwischen die Heizwaende reingequetscht > wurden.... Eine Mechanik die IMMER ab dem 2. Toast klemmt, beim ersten NIE. Wie geht das den? Überlege noch mal, du kommst sicher drauf, warum von diesem Phänomen so viel Toaster betroffen sind!
Teo D. schrieb: > Eine Mechanik die IMMER ab dem 2. Toast klemmt, beim ersten NIE. Wie > geht das den? > Überlege noch mal, du kommst sicher drauf, warum von diesem Phänomen > so viel Toaster betroffen sind! Genau, ich will den alten Rowenta-Toaster der 60er..70er-Jahre wiederhaben. Der hatte eine zweifach wirkende Bimetallmechanik: Wenn warm genug, klack - aber der Toast blieb drin. Erst nach Abkühlung des Bimetalls wurden die Toastscheiben ausgeworfen, da hatten die Entwickler noch ernsthaft mitgedacht. Leider platzte da gelegentlich ein Keramikisolierblock weg oder eine Rastnase bekam eine runde Ecke - hatte ich als Leerling im Handwerk oft henug auf dem Tisch.
Manfred schrieb: > Genau, ich will den alten Rowenta-Toaster der 60er..70er-Jahre > wiederhaben. Falls Du so einen meinst, der steht bei mir noch im Keller: https://www.picclickimg.com/d/l400/pict/302528293916_/Alter-Rowenta-Toaster-E-5214-Chrom-Top-gepflegt.jpg
Harald W. schrieb: > Falls Du so einen meinst, der steht bei mir noch im Keller: Nein, ich spreche von einem Automatiktoaster, wie heute mit zwei Schlitzen und Auswurf. Ich suche mal Bilder ...
Harald W. schrieb: > Der 555 ist aber keineswegs das unkomplizierte IC, > welches besonders für Anfänger geeignet ist. Es gibt hier ein Gerät, gemeinsam mit einem Bekannten gemacht, wo dieser unbedingt einen 555 einsetzen wollte. Das ist bei mir die einzige Anwendung, ich mag den 555 nicht und komme seit rund 45 Jahren ohne aus. Eine PWM für einen Heizdraht an 12V (Kfz) habe ich vor Jahrzehnten mit zwei Transistoren (Multivibrator) und einem FET gemacht, allerdings langsam, bei etwa 0,5 Hz. Würde die Anwendung noch existieren, liefe die heute noch.
Der 555, er war schon (ist) nicht schlecht. Nur man muss ihn immer gut behandeln. Sonst wird er zickig. Versorgungsspannung gut abblocken war sehr wichtig. Und wenn es hochohmig wird, auf das Layout achten. Freiluftwerddrahtung mit langen Drähten mag er auch nicht so gerne. Steckbrett mit kurzen Drähten geht noch. Ich meine das Ding war auch schon mal auf dem Mond.
Man man man, der Thread ist ueber 15 Jahre alt, ewig lang und keiner hat 's geschafft mal klar und nuechtern aufzuschreiben, warum der 555 nun kacke oder toll ist. Dabei haben einige hier echt Ahnung. Dafuer ellenlange Polemik a la "555 ist wie Unkraut" ohne Alternativvorschlag, "als ich noch jung war ..." oder "mein Toaster kokelt".
John schrieb: > Man man man, der Thread ist ueber 15 Jahre alt, ewig lang und > keiner hat > 's geschafft mal klar und nuechtern aufzuschreiben, warum der 555 nun > kacke oder toll ist. Dabei haben einige hier echt Ahnung. > Dann versuche ich es mal ;) Ob es dann die Ahnung ist, die du dir erhoffst, muss du selber beurteilen. Früher war der NE555 eine supertolle Sache. Das ist er sicher heute auch noch. Aber µCs sind eine große Konkurrenz. Es geht viel mehr und alles viel leichter. Speziell bei PWM ist der NE555 je nach Beschaltung von kacke bis toll. Es gibt NE555-Schaltungen, da ändert sich nicht nur der Duty Cycle (der sich ändern soll) sondern die Frequenz gleich mit, was eigentlich nicht erwünscht ist. Es gibt NE555 Schaltungen aber auch mit stabiler Frequenz und nur Duty Cycle ändert sich. Hier siehst du so eine Schaltung nach ca. 9 Minuten https://www.youtube.com/watch?v=98si4uLcCpc
John schrieb: > Man man man, der Thread ist ueber 15 Jahre alt, und du musst ihn völlig ohne Not verwest und verrottet aus seinem Grab zerren. Bist echt ein ganz toller.
Seltsam. Ich habe noch nie verstanden, wozu man diesen 555 braucht. Ich habe ihn in meiner gesamten Elektronikgeschichte noch nie verwendet. Ich bin allerdings auch noch recht jung (40).
Früher war der Ne555 eine Zeitlang der meistverkaufte IC. Also so ganz schlecht kann er nicht gewesen sein. Selbst heute, ist er so in PKW Bereich zu benutzen. Alles für seinen Zweck. Aber wer nur einen Hammer kennt, für den ist alles ein Nagel.
John schrieb: > Man man man, der Thread ist ueber 15 Jahre alt, ewig lang und keiner hat > 's geschafft mal klar und nuechtern aufzuschreiben, warum der 555 nun > kacke oder toll ist. Dabei haben einige hier echt Ahnung. > > Dafuer ellenlange Polemik a la "555 ist wie Unkraut" ohne > Alternativvorschlag, "als ich noch jung war ..." oder "mein Toaster > kokelt". Oder die Unfähigkeit, Umlaute zu nutzen, oder gar einen eigenen Beitrag zu liefern, nich...!?!
555er? Zuviel Bauteile notwendig. Nimm einen Mikrocontroller. Der hat auch 8 Pin. Z. Bsp. https://www.ramser-elektro.at/pwm-regelung-von-ventilatoren-oder-motoren/
Udo S. schrieb: > Bist echt ein ganz toller. V. a. kritisierte er den schieren Umfang einer Diskussion, weil er beim (vermutlich ist er deswegen ANGEPl55T davon: "vollst. Durch-") Lesen nicht die erwarteten / gewünschten Infos finden hat können. Man fragt sich, weshalb genau er hier eigentlich sozusagen eine "Erörterung aller Vor- und Nachteile des NE555" - die sich auch nur unter Bezugnahme auf sämtl. mögl. Anwendungen realisieren hätte lassen - an dieser Stelle erwartet hatte? Nicht, daß das geforderte (der Ton macht ja eine Forderung daraus) nicht durchaus nützlich wäre - streitet keiner ab. Der TO aber hatte dies nicht erfragt/erbeten ===> Quatsch. "Freilaufende" Forumsdiskussionen verlaufen nach Zufall - wo so eine "Hoffnung auf gewolltes" herkommt ist fraglich. Pure Verzweiflung kann es nicht sein, diese Infos kriegt man ja auch durch Studium div. Hersteller-DaBlas/AppNotes und auf best. Websites (gibt welche, die den 555 wirklich weitschweifend abhandeln; man kombiniere mehrere, fertig). Notfalls gibt es sogar erschöpfende Lektüre in Buchform. Oder war das am Ende eh nur Getrolle (vers. Provokation)?
merkwürdige Logik, das schrieb: > Erörterung aller Vor- und Nachteile des NE555 > ... wäre durchaus nützlich Zumindest für Bastelanfänger, ansonsten doch begrenzt(er). @John: Eröffne doch einen entspr. Thread. (Unter anderem Nicknamen versteht sich - sonst könntest Du vielleicht mit nur recht wenig (positiver/informativer) Resonanz rechnen, nach diesem "Auftritt" hier. Obwohl auch die Suchfunktion zu "555" eine wahre Unzahl Threads mit Dir je nach "Glück" m.o.w. passenden Infos (direkt und verlinkt...) zutage fördern würde. Nur müßte man die halt durcharbeiten - laß mich raten: Das ist Dir zu viel Arbeit? ;) Tja...
Bitte melde dich an um einen Beitrag zu schreiben. Anmeldung ist kostenlos und dauert nur eine Minute.
Bestehender Account
Schon ein Account bei Google/GoogleMail? Keine Anmeldung erforderlich!
Mit Google-Account einloggen
Mit Google-Account einloggen
Noch kein Account? Hier anmelden.


