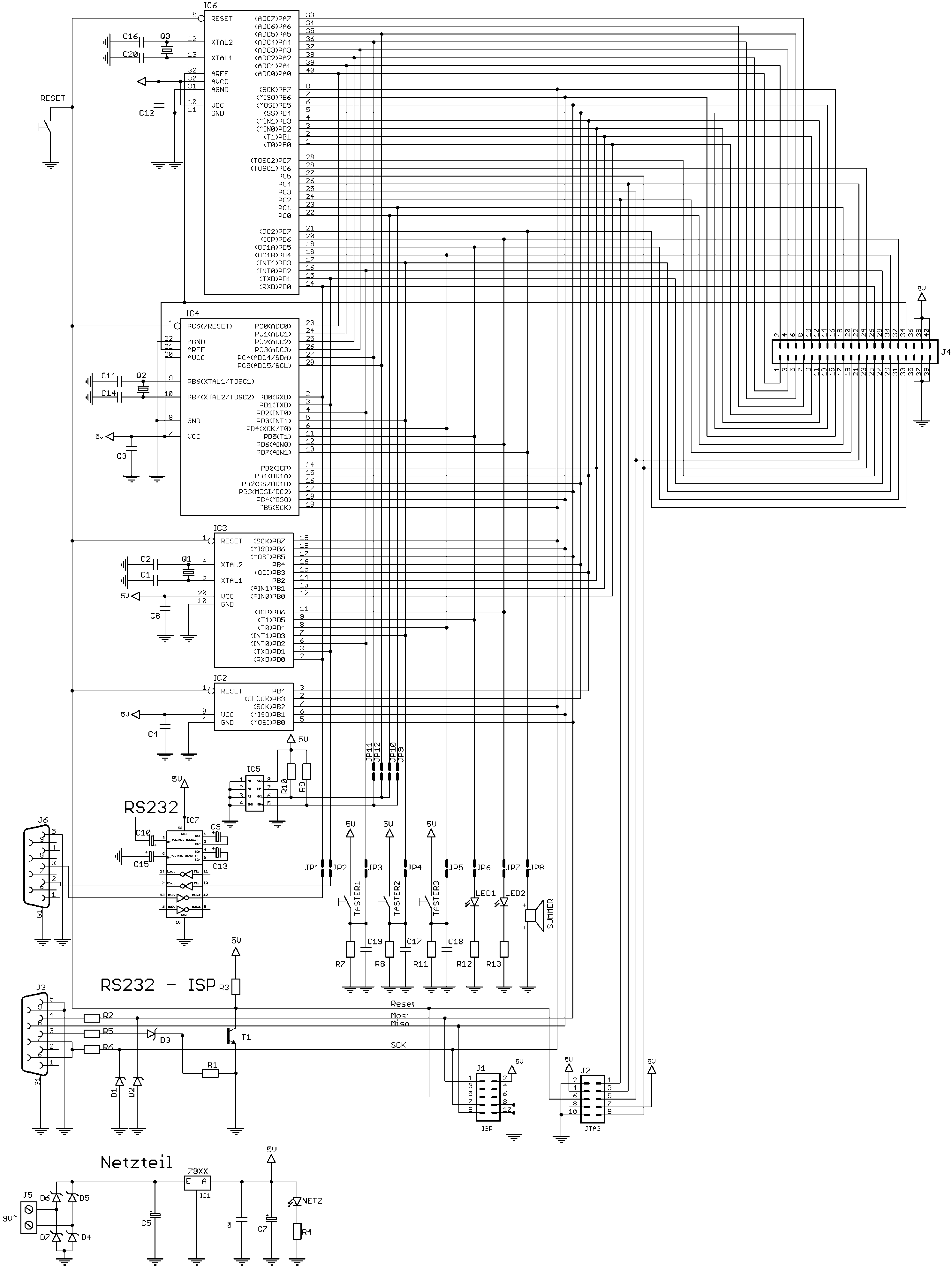
Hallo, ich bin neu hier und absoluter Anfänger... Ich habe mir das oben genannte Board bei Pollin bestellt und auch soweit zusammengebaut. Leider fehlen bei mir 2 Widerstände a 33 kOhm. Ich habe nun R8 und R11 einfach ausgelassen, da diese, soweit ich den Schaltplan lesen kann nur für die Taster wichtig sind. Ist das richtig so? Vielen Dank im Voraus und viele Grüße PS: Anbei der Schaltplan
@imk (Gast) > Pollin.png > 410,2 KB, 13 Downloads Wie schafft man es, so einen schlechten Schaltplan zu erzeugen? Tip Nr. 1 Bildformate >Ist das richtig so? Das Board hat einen Konstruktionsfehler. http://www.mikrocontroller.net/articles/Pollin_ATMEL_Evaluations-Board Beitrag "Pollin AVR Board Fehler beim drücken der Taster / Qualität der Bauteile" MFG Falk
@ ratlos Danke für die schnelle Antwort! Falk Brunner schrieb: > Wie schafft man es, so einen schlechten Schaltplan zu erzeugen? > Tip Nr. 1 Bildformate Das Bild ist recht hochauflösend, ja ich weiß, ich wollte aber nichts "abschneiden", da ich mir nicht 100 prozentig sicher war. Ich habe das Board jetzt in Betrieb genommen: Eine 9V Block Zelle angeklemmt. Serielles Kabel in den ISP Anschluss. Die Netz LED leuchtet auf, aber ich kann per avrdude nicht darauf zugreifen. ~# avrdude -p m16 -c ponyser -P /dev/ttyS0 avrdude: AVR device not responding avrdude: initialization failed, rc=-1 Double check connections and try again, or use -F to override this check. An der Verbindung kann es nicht liegen, das habe ich (doppelt) überprüft. Es steckt ein Atmega16 drin. Kann der defekt sein? Wird das Board auch ohne µC von avrdude gefunden? Viele Grüße
@imk (Gast) >Das Bild ist recht hochauflösend, ja ich weiß, ich wollte aber nichts >"abschneiden", da ich mir nicht 100 prozentig sicher war. Hochauflösend? Hast du dir das mal angesehen? Schon mal was von Bildschärfe gehört? Leute gibts . . .
Falk Brunner schrieb: > Hochauflösend? Hast du dir das mal angesehen? Schon mal was von > Bildschärfe gehört? Ich habe den Schaltplan nicht selbst gezeichnet. Das ist ein direkter Export aus dem PDF von Pollin. Ich habe nur die roten Markierungen hinzugefügt, dass man die 2 Widerstände sofort erkennt. Wenn du mir sagst, wie ich dort mehr Schärfe reinbekomme, nehme ich das gerne zu Herzen.
Falk Brunner schrieb: > Hochauflösend? Hast du dir das mal angesehen? Schon mal was von > Bildschärfe gehört? Das ist "Pollin" http://www.pollin.de/shop/downloads/D810038B.PDF wie soll man da noch was machen?
Moinsen... >Kann der defekt sein? jupp, kann er. ist der atmega16 richtigrum drin? alle pins in der fassung/nicht abgeknickt? >Wird das Board auch ohne µC von avrdude gefunden? nein! auf dem board ist ja sonst nichts weiter drauf was sich melden könnte.. >Serielles Kabel in den ISP Anschluss. was für ein serielles kabel??? standard, nullmodemkabel oder usb=seriell adapter. >Wie schafft man es, so einen schlechten Schaltplan zu erzeugen? Tip Nr. 1 Bildformate Pollin schaft das! aber ich glaube nicht das das eigentliche thema hier ist/sein soll! ;-) lg martin >(wer rechtschreibfehler findet, darf sie ohne zu fragen behalten!!!)
imk schrieb: > An der Verbindung kann es nicht liegen, das habe ich (doppelt) > überprüft. Wenn Du Zeit hast? Hier hatte das Board einen Fehler. Beitrag "Re: Problem Atmel Evaluationsboard 2.0.1"
@MarioT Ich benutze ein 1:1 gepoltes Serielles Verlängerungskabel von Pollin. Das hab ich schon durchgemessen. Alles in Ordnung. Angeschlossen ist es bei mir direkt auf dem Mainboard. Also kein USB... Ich denke ich werde weiter messen müssen. Der Atmega16 wirds wohl auch nicht sein - gerade nochmal mit einem Attiny2313 probiert, kommt das gleiche bei raus. Die µCs waren auf jeden Fall richtig im Sockel. Spannung stimmt auch. Aber weiterhin: avrdude: Device signature = 0x000000 avrdude: Yikes! Invalid device signature.
Der Transistor zum Schalten der Reset-Leitung (T1) sollte eine recht hohe Stromverstärkung haben. Ist sie zu gering, dann klappt der Zugriff nicht oder nur gelegentlich.
Kluchscheißender Kluchscheißer schrieb: > Der Transistor zum Schalten der Reset-Leitung (T1) sollte eine recht > hohe Stromverstärkung haben. Ist sie zu gering, dann klappt der Zugriff > nicht oder nur gelegentlich. Wie messe ich die Stromverstärkung am Besten? Was heißt eine recht hohe Stromverstärkung und wann ist sie zu niedrig?
Also der Transistor ist in meinem Fall ein BC546B. Datenblätter habe ich auch einige gefunden. Als Messwerkzeug steht mir nur ein Multimeter zur Verfügung. Ein Paar Widerstände, LEDs und (hoffentlich) gesunden Menschenverstand habe ich auch noch. Lässt sich damit feststellen, ob der Transistor in Ordnung ist?
hallo, wenn ich auch noch meinen senf dazu geben darf. wie kommt man nur darauf die taster so anzuschliesen... hab ich noch nicht gesehen sowas wie überflüssig ... schalter gegen masse fertig, ok einen pullup lass ich mir noch gefallen aber das geht auch intern. gruß sven
@sven Das mit den Tastern würde ich evtl. als nächstes in Angriff nehmen. Priorität hat für mich erstmal, das Board zum laufen zu bringen. So ist es schick und man könnte die Rückseite vielleicht dazu benutzen Zwiebeln oder ähnliches zu schneiden, ohne dass sie verrutschen - ist aber nicht Sinn der Sache! ;-)
spanunng hast ja drauf beim programmieren, vielleicht ein tod-gefuster avr?
imk schrieb: > Spannung habe ich. Das ist richtig. Aber gleich 3 tod-gefuste AVRs? Habe > alle bei Pollin bestellt.. Das kann es sein. Pollin ist ein Restpostenhändler. Da ist es durchaus möglich, dass die Ware nicht vom Hersteller oder Distributor stammt, sondern aus einem Restbestand eines Bestückers oder sogar aus dessen Konkursmasse. Und daher ist es ohne Weiteres möglich, dass die AVRs schon für einen bestimmten Zweck programmiert und umgefust wurden. Die AVRs sind dadurch ja nicht Schrott, auch nicht minderwertig, und wenn sie nur einmal programmiert wurden (aber nicht in einer Schaltung im Einsatz waren), dann gelten sie eigentlich auch noch als "Neuware". Es ist also kein Betrug. Was kann man nun tun? Wenn nur die Taktquelle verfust ist, dann hilft ein extern zugeführter Takt. Am besten eignet sich dazu ein Quarzoszillator mit 1 MHz (so ein Blechsarg mit 4 Beinen, der bei Anlegen der Versorgung selbstständig den Takt ausgibt). Ist der Reset-Pin weggefust oder der ISP-Mode deaktiviert, dann hilft nur noch ein vernünftiger Programmer, der auch Hochvolt-Programmierung kann. Ist ein geringer Takt eingestellt, dann reicht es meist, den ISP-Takt zu reduzieren. Zum Transistor: Stromverstärkung von etwa 500 sollte er schon haben. Der C-Typ ist also besser geeignet als der B-Typ. Messen kann man die mit vielen billigen Digital-Multimetern. Oder mit Markus' Transistortester aus der Codesammlung. Zur Stromversorgung: Eine 9V-Blockbatterie ist so ziemlich das Ungeeignetste, was ich diesbezüglich gesehen habe. Zum gesunden Menschenverstand: Das denken Viele von sich, z.B. Politiker. Doch hinterher betrachtet sieht Vieles anders aus. Auch braucht er lange Zeit zum Wachsen und Reifen... ;-)
Hast Du ein Steckbrett? Bei mir ging es auch auf einmal nicht mehr, hatte natürlich keine Ahnung wo der Fehler war. Um es einzugrenzen hab ich einfach einen µC auf ein Steckboard gesteckt die 5V vom Pollinboard die ich schon gemessen hatte dran 2*100nF an Versorgung MOSI 100k, SCK 100k, MISO 1k, Reset direkt auf Masse. Die Anschlüsse für die RS232 suchst Du Dir aus dem Schaltplan beim Pollinboard. Sollte eigetlich gut gehen. Bei mir habe ich dann festgestellt das es am Board liegen muß (Hardware!), eine Z-Diode (D1) war hin.
Hallo, den Transistor habe ich heute vorsichtshalber getauscht. Hat leider nichts bewirkt. @Kluchscheißender Kluchscheißer: Für den Transistortester bräuchte ich einen funktionierenden AVR, richtig?? Den Quarzoszillator hab ich mir heute besorgt. Stolzer Preis.. Werd mal schauen, ob sich damit was anfangen lässt. Die Batterie hatte ich sowieso gerade hier und einen Anschluss dafür auch. Ich werde mal nach einem geeignetem Netzteil suchen. - Könnte die Stromversorgung (Batterie) dafür verantwortlich sein?? @MarioT: Ein Steckbrett habe ich hier. Das werde ich als nächstes probieren. Hab nur noch nicht alle Teile dafür beisammen. Hat sonst noch jemand eine Idee? Viele Grüße, imk
> Ich werde mal nach einem geeignetem Netzteil suchen. Pollin hat da schöne kleine schnucklige 12V-Schaltnetzteile für 2 Euro. Das ist schon ein besseres Schnäppchen als dieses fehlkonstruierte Board. > - Könnte die > Stromversorgung (Batterie) dafür verantwortlich sein?? Warum nicht? 9V-Blockbatterien sind nicht gerade für ihre Leistungsfähigkeit berühmt.
MarioT schrieb: > Das ist "Pollin" > http://www.pollin.de/shop/downloads/D810038B.PDF > wie soll man da noch was machen? Martin G. schrieb: > Pollin schaft das! aber ich glaube nicht das das eigentliche thema hier 90% dateigröße eingespart. doppelte auflösung. wesentlich mehr schärfe. wie hab ich das nur geschafft!? völlig unglaublich!
Hi nun ja, mag sein, das die letzte Skizze besser ist, ich seh allerdings auch nur Strichmüll.... aber das ist ja nicht das Thema, daher werd ich mal was zum Board sagen. ich benutze es schon eine geraume Weile und habe keine Probleme damit. Da ich AVRDude nicht kenne, hab ich da mal nachgesehen, was Google so dazu sagt und da gibt es doch so einiges wohl zu beachten. Ich arbeite mit ARStudio und zum Flashen benutze ich PonyProg. Ich weiß, Pollin liefert nur Müll..... ich seh es anders und alle Anfangsschwierigkeiten lagen in meiner Begriffsstutzigkeit. Na ja, ist vielleicht nicht für jeden so einfach zuzugeben, aber ich bin mir gegenüber halt ehrlich und so komme ich auch weiter. Gruß oldmax
> Ich weiß, Pollin liefert nur Müll.....
Nein, da gibt es auch hochqualitative Artikel zum Schnäppchenpreis, also
die pauschale Aussage "Pollin = Müll" lasse ich nicht gelten.
Aber bei einigen Bausätzen hätte man Vieles besser machen können.
Hi So wie du mich zitierst, ist es aus dem Zusammenhang gezogen... lies doch mal hinter den Pünktchen. Es ist halt so, das wer sich dieses Board gekauft hat und Probleme hat, nicht wissen will, "das ist Müll" sondern wie es geht, das es geht. Und das es geht, hab ich geschrieben. Ich kenne nicht AVRDude und ich arbeite mit AVRStudio. Und das unter Windows. AVRDude erfordert lt. Wikipedia "GiveIO" unter Windows. Nur nehme ich an, an den Treibern liegt's nicht. Ich hab auch mal vor dem Board gesessen und geflucht, weil nach Umschaltung auf Quarz nix mehr ging. Hat ein bischen gedauert, bis ich gesehen habe, Quarzpin im Loch aber kein Lötzinn drumrum..... wo ich doch so stolz auf meine perfekte Löttechnik bin. Fazit: warum es nicht funktioniert, kann eigentlich nur der Besitzer feststellen. Wir sehen nicht mal die Platine, da kann man nur die "üblichen" Fehler andenken. Gruß oldmax
oldmax schrieb: > Hi > So wie du mich zitierst, ist es aus dem Zusammenhang gezogen... Ich weiß, aber Du hast das auf den Punkt gebracht, was von vielen Seiten kommt. > lies > doch mal hinter den Pünktchen. Hab' ich doch. > Es ist halt so, das wer sich dieses Board gekauft hat und Probleme hat, > nicht wissen will, "das ist Müll" sondern wie es geht, das es geht. Und > das es geht, hab ich geschrieben. Naja, es geht, das Konzept ist aber nicht zu Ende gedacht und die Zeiten der Bitbanging-Programmer sind eigentlich vorbei. Er wird immer so getan, als wäre es ein vollwertiger Ersatz für das (ach so teure) STK500. Ist es aber nicht. Beim richtigen Hinschaun erkennt man sogar, dass es schade um das eingesetzte Material ist. (leicht übertrieben) > Ich kenne nicht AVRDude und ich > arbeite mit AVRStudio. Ich auch. Allerdings kann ein halbwegs aktuelles AVR-Studio dieses Board nicht ansprechen. AVR-Studio4 unterstützt nämlich keine Bitbanging-Programmer mehr. Demnach musst Du zum Programmieren etwas Anderes benutzen (z.B. Ponyprog2000). Den Vergleich "AVR-Studio - AVR-Dude" lasse ich also nicht gelten. ;-) > Und das unter Windows. Ich auch, und ich schäme mich nichtmal dafür. > AVRDude erfordert lt. > Wikipedia "GiveIO" unter Windows. Ein Alternativprogramm wie Ponyprog2000 braucht aber auch einen Treiber, der Bitbanging ermöglicht, also das Betriebssystem umgeht. > Nur nehme ich an, an den Treibern > liegt's nicht. Es kann auch am Betriebssystem oder irgendeiner Anwendung liegen, das/die die Schnittstelle für sich beansprucht und Direktzugriffe darauf sperrt. > Ich hab auch mal vor dem Board gesessen und geflucht, > weil nach Umschaltung auf Quarz nix mehr ging. Hat ein bischen gedauert, > bis ich gesehen habe, Quarzpin im Loch aber kein Lötzinn drumrum..... Sowas kommt in den besten Familien vor. > wo > ich doch so stolz auf meine perfekte Löttechnik bin. Fazit: warum es > nicht funktioniert, kann eigentlich nur der Besitzer feststellen. Da (und nicht nur da) simme ich Dir voll zu. > Wir > sehen nicht mal die Platine, da kann man nur die "üblichen" Fehler > andenken. Eben. Den Verstärkungsfaktor des Reset-Transistors als Fehlerursache kenne ich auch nur vom Hörensagen (ein Bekannter hat diesen Fehler auf einem Ponyseriell-Programmer gehabt), habe ihn aber trotzdem genannt. > Gruß oldmax Wie Du siehst, sind unsere Meinungen recht nahe beieinander, Du rennst bei mir also offene Türen ein. Fühle Dich also bitte nicht angegriffen. Zurück zum Thema: Was kann man noch für Schritte empfehlen? - Anschaun aller Signale auf den ISP-Leitungen mittels Oszilloskop - Nachbehandeln aller Lötstellen mit Flussmittel und Lötkolben - Prüfen, ob der PC (dessen Software) Bitbanging-Nutzung der Schnittstelle überhaupt zulässt Mehr fällt mir jetzt im Moment, ohne die Möglichkeit, selbst am Board herumzumessen, auch nicht ein. MfG, Consulter
Hi ähhhmmm, Flussmittel ? Sorry. Kann man machen. Aber besser ist Elektroniklot. Übrigends, ich fühl mich nicht angegriffen. Auch wenn ich manchmal das Board verteidige, so weiß ich auch, das ein STK500 vermutlich die nächste Anschaffung sein wird. Aber für kleine Projekte ist das Pollin-Board gar nicht so schlecht und man kann auch gleich die Platine für's Endprodukt mit nutzen, wenn man nicht allzuviele Projekte hat. So, und nun wieder anne Arbeit.... Gruß oldmax
oldmax schrieb: > Hi > ähhhmmm, Flussmittel ? Sorry. Kann man machen. Aber besser ist > Elektroniklot. Naja, Stangenzinn nehme ich dazu auch nicht, ich verwende auch nur Lötdraht mit Flussmittelseele. ;-) > Übrigends, ich fühl mich nicht angegriffen. Auch wenn ich manchmal das > Board verteidige, so weiß ich auch, das ein STK500 vermutlich die > nächste Anschaffung sein wird. Ich benutze es eigentlich auch nur als Programmer. Software für eigene Projekte bringe ich auf geätzten Platinen zum Laufen. Kleinere Dinge für Andere teste ich aber meist auf dem Steckbrett. > Aber für kleine Projekte ist das > Pollin-Board gar nicht so schlecht und man kann auch gleich die Platine > für's Endprodukt mit nutzen, wenn man nicht allzuviele Projekte hat. Naja, mein Ding wäre das nicht. Dieses Board wäre mir zu klobig und auch zu unflexibel. Da ziehe ich eine (wenn auch grobe) selbstgeroutete Platine vor. > So, und nun wieder anne Arbeit.... > Gruß oldmax MfG, Consulter
Bitte melde dich an um einen Beitrag zu schreiben. Anmeldung ist kostenlos und dauert nur eine Minute.
Bestehender Account
Schon ein Account bei Google/GoogleMail? Keine Anmeldung erforderlich!
Mit Google-Account einloggen
Mit Google-Account einloggen
Noch kein Account? Hier anmelden.

