Hallo zusammen! Ich möchte (muss) 5m, 10m, 15m, 20m und 25m lange Schlauchleitungen (ungeschirmt) mit einem AVR verbinden. Am anderen Ende befindet sich ein einfacher Taster oder Schalter. Da das ganze im Freien verwendet werden soll, würde ich gerne wissen, ob ich die Eingangspins noch besonders schützen soll (R/C-Glied!?) oder noch auf etwas anderes achten soll. Der Worst-Case ist dabei wohl eine dicke HF-Sendeantenne oder ein Blitzeinschlag in der Nähe. Es soll durch sowas nicht zu Fehlauslösungen kommen. (Jaja, wenn der Blitz direkt einschlägt is mir schon klar das dann nicht mehr hilft...) Entprellung geschieht per Software. Danke für entsprechende Vorschläge!
Verzeihung, ich musste es sogar nochmal nachschlagen, meinst du wirklich sowas: http://de.wikipedia.org/wiki/Schlauchleitung?
:D Ehm ja fast xD. Genau gesagt eine Gummischlauchleitung.
Hä??? Ich denke als Schlauchleitung ist nicht ein fluidtechnischer Schlauch gemeint sondern ein normales Kabel mit Gummimantel. z.B. H07RN
@ Eule (Gast) >soll, würde ich gerne wissen, ob ich die Eingangspins noch besonders >schützen soll (R/C-Glied!?) Siehe Entprellung per Hardware. Der Tiefpass fängt schon mal das Gröbste ab. Zusätzlich kann eine 4,7V Z-Diode direkt am AVR für jedes Pin nicht schaden. >Entprellung geschieht per Software. Das hilft gegen Prellen, aber nicht gegen eingekoppelte Störungen, die ggf. andere Sachen machen. MFG Falk
Antwort zur Frage: Pullups/Pulldowns und Überspannungsschutzdioden + 100nF und Vorwiderstand sollten gegen Felder genügen. Schutz gegen direkten Blitzeinschlag ist schwierig. Hier gibt es ein paar schöne Schaltungen: http://www.rn-wissen.de/index.php/Schutzschaltungen
@ Sebastian: Der Michael hat sich wohl nen kleinen Gag erlaubt. Klar heissen die Kabel auch "Schlauchleitung". Bin grad schwer am lesen. Hab auch noch was gefunden: Beitrag "Re: Taster + sehr sehr langes Kabel" sogar mit Korrektur von Falk drunter :D 2km Kabel oO
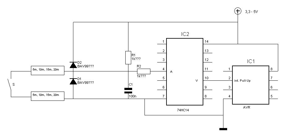
Was haltet ihr hiervon? @Falk: Auf Z-Dioden möchte ich aufgrund der Temperaturunterschiede verzichten. 2 zusätzliche Clampdioden BAV99/1N4148 (wechsel auf Transil??? P6KE!?), gefolgt von 2x 1k Widerständen und dem 100nF Kerko. Könnte ich nötigenfalls noch auf den 74HC14 verzichten? Des weiteren nehme ich sehr gerne Hinweise entgegen, was die Dimensionierung der Widerstände für meinen Fall betrifft. Schaltung je nachdem mit 3,3V oder 5V. Vielen Dank für eure Hilfe!
@Eule (Gast) >Was haltet ihr hiervon? Nicht viel. Die Diode müssen DIREKT an den Controller. Denn dann kann der Längswiderstand den Strompuls begrenzen. So hämmert er direkt in die Dioden, was sie u.U. killt. Der 100nF muss auch direkt an den IO-Pin. >@Falk: Auf Z-Dioden möchte ich aufgrund der Temperaturunterschiede >verzichten. ??? >2 zusätzliche Clampdioden BAV99/1N4148 (wechsel auf Transil??? P6KE!?), Es müssen schon Schottky sein, denn sie müssen DEUTLICH eher ansprechen als die internen Dioden. >Könnte ich nötigenfalls noch auf den 74HC14 verzichten? Ja. >Des weiteren nehme ich sehr gerne Hinweise entgegen, was die >Dimensionierung der Widerstände für meinen Fall betrifft. Schaltung je >nachdem mit 3,3V oder 5V. 10K. MfG Falk
Falk Brunner schrieb: > Es müssen schon Schottky sein, denn sie müssen DEUTLICH eher ansprechen > als die internen Dioden Ich habe auch schon normale Dioden verwendet allerdings mit einem zusätzlichen Serienwiderstand. Topologie: Leitung - 10K Serienwid. - Schutzdioden - 1K Serienwiderstand - IC. Den Kondensator kann man dann parallel zur Masseschutzdiode oder parallel zum Prozessoreingang hängen. Der Pull-up gehört dann direkt an die Leitung. Gruß Anja
@Falk: Schonmal vielen Dank für deine Mithilfe! Hast du Beruflich damit zu tun? Das mit den Dioden macht allerdings Sinn. Habe es nochmal neu gezeichnet. Ist das so in Ordnung oder gibt es noch Verbesserungsvorschläge?
Ups... kleiner Zeichenfehler am Portpin...is schon spät. Hier die Korrektur. Macht der 10K an der 5V Leitung dem internen Pullup keine Probleme?
Eule schrieb: > Macht der 10K an der 5V Leitung dem internen Pullup keine Probleme? mach den internen Pull-up aus, der macht nur Verdruss. Du hast eh einen externen. Gruß Anja
@ Eule (Gast) >Hast du Beruflich damit zu tun? Mit Strom ja, mit langen Kabel und Taster weniger. >Das mit den Dioden macht allerdings Sinn. Sinn wird nicht gemacht, er ist da oder nicht. http://www.seiberler.org/zwiebelfisch.htm ;-) >Habe es nochmal neu gezeichnet. Ist das so in Ordnung Ja. >Macht der 10K an der 5V Leitung dem internen Pullup keine Probleme? Der macht hier allerdings Probleme, denn jetzt hast du bei gedrücktem Taster einen Spannungsteiler aus R2 und dem internen Pull-Up, welcher zwischen 20..50K alles mögliche sein kann. Schalt ihn aus. MFG Falk
Dann bau ich das jetzt mal so auf und bedanke mich für die entgegengebrachte Hilfe! :)
Bitte melde dich an um einen Beitrag zu schreiben. Anmeldung ist kostenlos und dauert nur eine Minute.
Bestehender Account
Schon ein Account bei Google/GoogleMail? Keine Anmeldung erforderlich!
Mit Google-Account einloggen
Mit Google-Account einloggen
Noch kein Account? Hier anmelden.


