Hallo, habe ein kleines Problem mit meiner Dc-Motor-Umpolschaltung mit einem Relais und zwei Endtastern(Wechslern).Die Schaltung habe ich von http://www.strippenstrolch.de/1-4-8-polwender-3.html übernommen. Die Schaltung bzw der Motor(ca.15mA) und das Relais wird nicht mit 12Volt sondern mit 5 Volt betrieben.Die Polwendeschaltung funktioniert. Wie kann ich aber die ruckartige Umpolung am Motor bzw Relais kompensieren? Ich bräuchte für meine Anwendung(Pendelantrieb)dieser Motorumpolung einen sanften Übergang(Umpolung).
@Franz albert Weingärtner (suduuncle) >Die Schaltung bzw der Motor(ca.15mA) und das Relais wird nicht mit >12Volt sondern mit 5 Volt betrieben. 5V/15mA? Ist ein ziemlich kleiner Motor. Aber OK. >Wie kann ich aber die ruckartige Umpolung am Motor bzw Relais >kompensieren? >Ich bräuchte für meine Anwendung(Pendelantrieb)dieser Motorumpolung >einen sanften Übergang(Umpolung). Naja, da wird man wohl nicht über eine etwas aufwändigere Steuerung mit uC und PWM drum herum kommen.
Die Motoren sind in älteren CD Laufwerken.(1,25V-3V 15-25mA) Hatte mal vor diesen mit einen Controller direkt zu schalten(PWM) Werde es vielleicht doch noch mal versuchen.(Weichenansteuerung)
Dein erstes Ziel muss es sein, den Motor nicht einfach nur 'digital' zu betreiben (Vollgas - aus - Vollgas), sondern mit unteeschiedlichen Drehzahlen. Und da beginnt dann die Sache ein wenig aufwändiger zu werden, als die im Link angegebene Schaltung. Such mal nach Motortreibern. Bei deinen Motorströmen reicht wahrscheinlich eine einfache H-Brücke aus diskret aufgebauten 08/15 Transistoren, wie sie zb in kleinen Experimentier-Robotern gerne eingesetzt wird. Sieh dir zb mal an, wei der Asuro seine Motoren ansteuert.
Nimm statt des Relais eine Transistor Vollbrücke. Für die 15mA reichen BC547/557 oder als SMD-Version BC847/857 mit den dazugehörigen Freilaufdioden. Diese steuerst Du über PWM an. Wenn alles innerhalb der 5V-Grenze bleibt, kannst Du sowohl Controller, als auch die Brücke aus einer Spannung speisen und brauchst keine Treiberbausteine. Such Dir einen Controller aus, der mindestens 2 PWM-Ausgänge hat, das erspart externe Beschaltung. Eine Lösung für eine Voll-Brücke findest Du u.a. auch hier: Beitrag "Re: Preisgünstiger Heizungsregler bei Praktiker"
Wie kann ich aber die ruckartige Umpolung am Motor bzw Relais kompensieren? Motor stromlos machen ,warten ,umpolen und wieder einschalten .
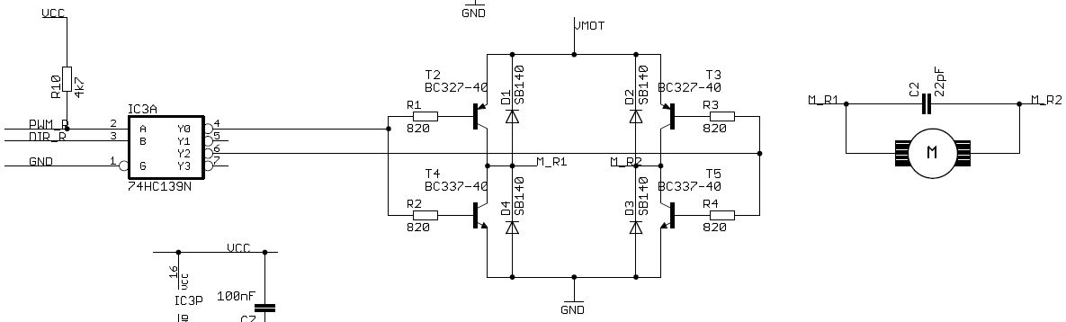
nefuas schrieb: > Wie kann ich aber die ruckartige Umpolung am Motor bzw Relais > kompensieren? > Gar nicht. > Motor stromlos machen ,warten ,umpolen und wieder einschalten . Wie willst du zb das warten mit einfachen Mitteln analog lösen? Ein Relais kennt nun mal nur 2 Zustände: entweder ein oder aus. Was dazwischen gibt es nicht. Wie gsagt: Wenn du das realisieren willst, ist es mit der Einfachheit deiner 2 Endschalter + Relais vorbei. zb so sieht der Motortreiber des NiBobee aus. Dei Steuereingänge sind links. Das Gebilde in der Mitte mit den 4 Transistoren ist die H-Brücke.
Angesichts der geringen Leistung könnte man auch eine analoge Ansteuerung mit einem (oder 2) etwas kräftigeren OP wählen. Das Langsame an / aus ließe sich dann per PC-gleid realisieren. Das sollte dann auch ohne µC noch gehen.
Für 15 mA braucht es keine extra Transistoren, da reicht ein 74HC04, wo man jeweils drei Gatter parallel schaltet. Fettig. Ein klitzekleiner AVR mit einem PWM-Ausgang reicht. Fertig ist die Mini H-Brücke. MFG Falk
Falk Brunner schrieb: > Für 15 mA braucht es keine extra Transistoren, Naja - ein blockierter bzw. unter Last anlaufender Motor braucht deutlich mehr. Transistoren sind da irgendwie sicherer.
@ Travel Rec. (travelrec) Benutzerseite >Naja - ein blockierter bzw. unter Last anlaufender Motor braucht >deutlich mehr. Transistoren sind da irgendwie sicherer. Denkst du in dem 74xx sind keine drin? nennen sich MOSFETs ;-)
mit einem Zeitrelais (da du Relaistechnik und nicht Mikrokontrollertechnik gewaehlt hast)kannst du etwas TOTZEIT fuer das Anhalten des Motors vor dem Wiedereinschalten schaffen ;-) Hier nur Eiwegdenker ? 8--!
@Karl heinz Buchegger (kbuchegg) (Moderator) Was passiert mit der Brücke wenn die Steuereingänge Hochohmig werden. Steuert die Brücke nicht beidseitig durch,oder irre ich mich.
Bei der oben gezeigten Brückenschaltung gibt es tatsächlich ein Problem, falls die Steuersignale zu den Transistoren wegfallen. Da ist allerdings ein normales Logic IC vor, und da werden die Ausgänge nicht hochohmig. Die Funktiondes ICs sollte man also nicht mit vom µC übernehmen.
Du könntest natürlich auch einfach einen Widerstand in Serie zum Motor hängen. Kommt halt auf die Last an, wenn es nur um etwas Reibungskompensation geht, könnte das funktionieren.
Bitte melde dich an um einen Beitrag zu schreiben. Anmeldung ist kostenlos und dauert nur eine Minute.
Bestehender Account
Schon ein Account bei Google/GoogleMail? Keine Anmeldung erforderlich!
Mit Google-Account einloggen
Mit Google-Account einloggen
Noch kein Account? Hier anmelden.
