Hi, sorry, ich weiß, dass das hier wohl der 1000ste Fred zu diesem Thema sein muss, ich habe aber doch noch einige Fragen und möchte ungern Leichen schänden :) Da ich langsam doch immer öfter ein Netzteil gebrauchen könnte, habe ich mir hier welche rausgesucht, wobei mir das aus der FS bisher am Besten gefallen hat. Nun konkret zu meinen Fragen; -Wie weit kann ich das Netzteil "tunen"? Könnte ich einen 2x30V Trafo nehmen, die Lastwiderstände und Transistoren durch Leistungsfähigere tauschen und dann z.B. ein 0-50V, 0-3A Netzteil bauen (mit Änderung der Poti-Werte) oder müsste ich sonst noch etwas beachten? -Duch welche Transistoren könnte ich den 2N3055 dann ersetzen? Worauf muss ich achten? evntl. MJW21196 (wenn auch eig. Audio)? -Anstatt dem 741, welche Typen würden sich hier anbieten um eventuelle eine Verbesserung erzielen zu können? -Worauf muss ich generell beim Tausch der Transistoren achten (also auch der kleinen)? Danke!
benutz einen modernen schaltplan. davon kursieren genug im netz.
Hab' hier eine Weile rumgesucht, das Problem ist, dass fast jeder Schaltplan neuerer Generation gleich zerrissen wird, nachdem er genannt wurde. Den hier erwähnten haben wohl schon einige nachgebaut und größtenteils gelobt, daher bin ich auf den gekommen ;)
grundsätzlich wird hier jeder schaltplan zerrissen weil immer irgendjemand meint es ginge anders oder besser. ich würd den von 1973 zerreißen... ;) google doch mal nach LM723, da findest du bestimmt bessere ansätze ohne große modifikationen.
Schaltung mit LM723 ist sicher eine gute Wahl. Mir gefällt am beste das HP Netzgerät. reza.net/files/hp-6236B.pdf Hat den Shunt in der Masseleitung. Einfache Bauelemente und ist im Rauschen super. (LM7805 rauscht mehr als 1mV) Bauen würde ich das Gerät aber nicht. Ist zu "fisselig".
Rob2e schrieb: > und dann z.B. ein 0-50V, 0-3A Netzteil P=U*I überlege Dir nochmals genau, ob Du bei 1V benötigter Spannung 49V verheizen möchtest. z.B. 50V*3A=150 W
Der Fall sollte nicht so oft vor kommen. und wenn doch wärens ja nur knappe 90 XD (29V*3A=87Watt wegen Umschaltung zwischen 2*30V) Das sollte also zur Not eine Weile gehen, Temperaturabhängige Abschaltung hätte ich eh vorgehabt. Dann muss man eben entweder einen riesen Kühlkörper verbauen oder das ganze einigermaßen vernünftig betreiben. Aber der Fall, dass man derartiges benötigt, sollte eher selten vorkommen. Der Vorteil an der Funkschauschaltung mit 2x30V wäre eben, dass ich dann den Trafo schon hier hätte ;).
Achja, "nur" sollte in Anführungsstrichen stehen..
Rob2e schrieb: > Hi, > > > Da ich langsam doch immer öfter ein Netzteil gebrauchen könnte, habe ich > mir hier welche rausgesucht, wobei mir das aus der FS bisher am Besten > gefallen hat. gute Wahl. > > -Wie weit kann ich das Netzteil "tunen"? Ich habe die dinger für so ziemlich alles zwischen 0-6V und 0-500V Aufgebaut: Absolut problemlos. > Könnte ich einen 2x30V Trafo > nehmen, die Lastwiderstände und Transistoren durch Leistungsfähigere > tauschen und dann z.B. ein 0-50V, 0-3A Netzteil bauen (mit Änderung der > Poti-Werte) ? Kannst Du problemlos. C statt 70V dann 4700u / 100 V, oder 10000uF 100V. > > -Duch welche Transistoren könnte ich den 2N3055 dann ersetzen? Worauf > muss ich achten? evntl. MJW21196 (wenn auch eig. Audio)? MJ11016 nehm ich da gern, falls nicht verfügbar: MJ11014 ggfs noch so gerade > > -Anstatt dem 741, welche Typen würden sich hier anbieten um eventuelle > eine Verbesserung erzielen zu können? OP27, OP37 zum Beispiel. NE553X ist auch nett. Aber warum solltest Du die nehmen? Um statt 200us Regelzeit 50 us zu erreichen? Benötigist du diese? > > -Worauf muss ich generell beim Tausch der Transistoren achten (also auch > der kleinen)? Uce muß deutlich über der Rohgleichspannung (bei 60V Trafo: Uce min. 120V) liegen wenn Du lange Freude am Gerät haben willst. > Danke! bitte ,-)
Rob2e schrieb: > Hi, > > sorry, ich weiß, dass das hier wohl der 1000ste Fred zu diesem Thema > sein muss, ich habe aber doch noch einige Fragen und möchte ungern > Leichen schänden :) > > Da ich langsam doch immer öfter ein Netzteil gebrauchen könnte, habe ich > mir hier welche rausgesucht, wobei mir das aus der FS bisher am Besten > gefallen hat. Nun konkret zu meinen Fragen; > > -Wie weit kann ich das Netzteil "tunen"? Könnte ich einen 2x30V Trafo > nehmen, die Lastwiderstände und Transistoren durch Leistungsfähigere > tauschen und dann z.B. ein 0-50V, 0-3A Netzteil bauen (mit Änderung der > Poti-Werte) oder müsste ich sonst noch etwas beachten? > Die Schaltung lässt sich ohne weiters "skalieren" Es müssen nur der Trafo, Längstransistoren/Treibertransistor, Messwiderstand, und Spannungsteilerwiderstände entsprechend angepasst werden. (R4 für Spannungsbereich muss entsprechend umgerechnet werden) (R5 und R27 für den Strombereich) > -Duch welche Transistoren könnte ich den 2N3055 dann ersetzen? Worauf > muss ich achten? evntl. MJW21196 (wenn auch eig. Audio)? MJE15015 im TO-3 Gehäuse ist gut für Ströme bis 15A und 120V VCE. Es ist immer günstig zwei oder mehr Längstransistoren (mit Emitterballastwiderständen) parallel zu schalten damit die Transistoren auch bei Kurzschluss im "Safe Operating Area" bleiben um eine Zerstörung der Transistoren bei Kurzschluss durch "second breakdown" zu verhindern. Hier nachlesen: http://en.wikipedia.org/wiki/Safe_operating_area MOSFETS haben das "Second Breakdown" Problem normalerweise nicht. > > -Anstatt dem 741, welche Typen würden sich hier anbieten um eventuelle > eine Verbesserung erzielen zu können? Z.B. TL071, TLC271, TL081, LM358, LM1458 usw. In dieser Art Schaltung funktioniert so ziemlich jeder "General Purpose" traditioneller OPV mit mindestens 30V Betriebspannung(!) > > -Worauf muss ich generell beim Tausch der Transistoren achten (also auch > der kleinen)? > Man muss beachten dass der maximale Basisstrom der Endstufe durch den Treibertransistor aufgebracht werden kann und ggf. Transistoren mit höheren hfe oder durch eine Kaskadenschaltung (Darlington) entsprechend zu dimensionieren. Die Stromverstärkung (hfe) sinkt bei die meisten Transistoren mit dem Belastungsstrom. Transistoren im TO-3 Gehäuse haben einen niedrigeren Thermischen Übergangswiderstand und lassen sich leichter kühlen. (Gebläsekühlung (mit Thermostat) ist bei großen Verlustleistungen vorteilhaft). Um die Verlustleistung der Längstransistoren zu verkleinern könnte man die Trafospannung durch automatische oder manuelle Umschaltung noch verringern. Wenn man den Trafo zwischen Serien und Parallelbetrieb umschaltet dann lässt sich übrigens bei niedrigen Ausgangsspannung im Parallelmodus doppelt so viel Strom entnehmen. Übrigens möchte ich hier noch bemerken dass das Prinzip dieser Funkschauschaltung bei den meisten professionellen Markengeräten auch heute noch immer Stand der Technik ist. (Siehe die Servicehandbücher moderner Labornetzgeräte von Agilent, HP, und vieler anderer). (Siehe Anhang) Abschließend wünsche ich noch viel Freude und Erfolg beim Bau! Gruß, Gerhard > Danke!
Hallo, könnte jemand die Spannungsregelung dieser Schaltung erklären? (anhand der Prinzipschaltung) Ganz klar ist mir noch nicht wie das Teil funktionieren soll. Was bringt die Referenz da wenn sie sowieso mit der variablen Ausgangsspannung in Serie geschalten ist? mfg
Hi, danke für die ganzen Antworten! @Ben: Der 723 ist aber auch nicht mehr der jüngste ;) Außerdem habe ich hier einige Erfahrungswerte von Usern, ist mir dann lieber als einen weniger bekannten Schaltplan nach zubauen. Ausserdem habe ich hier shcon die Trafoumschaltung dabei. Darum werde ich wohl bei dem aus der Funkschau bleiben, aber trotzdem danke! @Andrew Taylor und Gerhard: Was die OPs angeht; vermutlich werde ich (in nächster Zeit) keine derart schnelle Regelung benötigen, aber ich denke mal, das hier ein paar € mehr nicht weh tun. 1973 sah das preislich wohl noch anders aus ;) Muss ich dann bei den Transistoren nur auf entsprechend hohe Uce und Strom achten? Ansonsten egal ob normal oder Darlington? Kann ich dann einfach zwei parallel schalten (mit 0,2R Emitterwiderständen?) Bin leider was Transistoren angeht nicht wirklich fit :( Weitere Fragen; -Ich hab hier öfter etwas von durchbrennenden Potis bei 0V Ausgangsspannung gelesen, wie viel Leistung sollten die Spannungs- und Strompotis abkönnen? -Wie errechne ich den Maximalstrom, den ich aus meinem Trafo nehmen darf? X VA/Spannung_vor_Gleichtrichter oder nach Gleichrichter? (+ entspr. Sicherheitsabstand) -Wie groß sollte ich den Kühlkörper dimensionieren (bei 50V/2A oder 50V/3A)? -Bei den Lastwiderständen in dieser Bauförm ( http://de.farnell.com/vishay-dale/rh-25-10r00-1-0/power-resistor/dp/1653237 ); Ist hier die Leistungsangabe bezogen auf den Widerstand in "freier Luft/ am Gehäuse montiert" oder bei Montage auf Kühlkörper? Im Datenblatt steht nur "Mounts on chassis to utilize heat-sink effect", also benötige ich für die keinen eigenen Kühlkörper? Vielen Dank an alle für die Hilfe und die Geduld!
Du mußt schon selbst etwas an Grips beitragen. Wir werden dir doch nicht alle Berechnungen auf dem Silbertablett presentieren. Es ist doch alles gesagt.
Hallo, in der Funkschau-Schaltung von 12/73 sind zwei Fehler im Layout, die nie berichtigt wurden: C2 im Bestückungsplan ist verpolt gezeichnet IC A3 Pin 10 und 11 auf der Platine sind vertauscht Die Schmitt-Trigger-Schaltung zur Verlustleistungsbegrenzung läßt sich auch in andere Netzteilschaltungen integrieren. Ich würde die Netzteilschaltung aus ELEKTOR 12/82 nachbauen. Die arbeitet sehr ähnlich und ist gut anpassbar. Frohe Weihnacht
Schaue mal unter http://www0.fh-trier.de/~berres/Bauanleitungen%20Messtechnik/ Vielleicht ist da ja was dabei. Auch wenn erfahrungsgemäß der Veriss mit tödlicher Sicherheit kommt. Ralph Berres
Die Schaltung wurde auch im FUNKAMATEUR veröffentlicht. Sie arbeitet nach selbem Prinzip, wie die Schaltung aus der FUNKSCHAU. Leider ist der Plan etwas unübersichtlich. Unbedingt den Nachtrag beachten!!! MfG
Hallo, In Bild 1 ist beim Regelverstärker A1 der inv. und nicht inv. Eingang vertauscht. In Bild 2 passt es. mfg
Ich mein natürlich in Bild 1 passt es und 2 nicht. Sry Leute.
Hallo, Die Referenzen sind ja auch verkehrt rum eingezeichnet?! Für die Spgsregelung will man ja einen positiven Offset zur Ausgangsspannung haben also -Pol der Referenz zum +Pol der stabilisierten Ausgangsspannung (so steht es ja auch im Text).
klar, der jüngste ist der 723 auch nicht mehr, aber es ist eben ein auf diesen anwendungszweck optimierter schaltkreis der gute ergebnisse liefert. auf jeden fall ist der bestens geeignet um was über die funktion solcher netzteile zu lernen weil es für ihn schaltpläne wie sand am meer geben dürfte. wenns zur verlustleistung geht: 1V/10A aus einem netzteil was auch z.b. 50V/10A kann geht mit einer vorregelung durch einen schaltregler. der erzeugt bei 1V ausgangsspannung z.b. 3V für die lineare leistungsstufe und vermeidet so das verheizen von etwa 500W. ist etwas komplexer sowas zu bauen, aber so kriegt man die saubere regelung eines linearreglers mit der effizienz eines schaltreglers zusammen.
Ben _ schrieb: > aber so kriegt man die saubere regelung eines linearreglers > > mit der effizienz eines schaltreglers zusammen. Sofern man 1. die giftige Störstrahlung des Schaltnetzteiles in den Griff bekommt, und 2. das Schaltnetzteil nicht langsamer regelt als der lineare Teil dahinter. Treffen 1 und 2 zu, dann kann man auch gleich ein Schaltnetzteil komplett verwenden. Auch das Umschalten der Sekundärwicklung, um die Oberspannung anzupassen, hat so seine Tücken, und ist längst nicht so trivial wie man es zunächst glaubt, selbst wenn man es mit Triacs bewerkstelligt. Ralph Berres
> Sofern man 1. die giftige Störstrahlung des Schaltnetzteiles in den > Griff bekommt, ... Die bekommt man nur durch Filterung in der Griff, also Drosseln und Kondenssatoren. Dadurch wird dann aber die Regelung langsamer. > ... und 2. das Schaltnetzteil nicht langsamer regelt als der > lineare Teil dahinter. Bedingt durch das Ausgangsfilter muss das Schaltnetzteil relativ langsam regeln, allerdings hilft der Filter-Kondensator bei schnellen Laständerungen, so dass die Ausgangsspannung trotzdem einigermaßen stabil bleibt. Was bei Schaltnetzteilen ein Problem ist, sind schnelle Sprünge auf dem Spannungssollwert. Aber das kann man bei einem intelligenten programmierbaren Netzteil ja so machen, dass das Schaltnetzteil kurz vor dem Sollwertsprung schon mal auf eine hohe Spannung hochgefahren wird, der Linearregler hat dann kurzzeitig eine ziemlich hohe Verlustleistung. > Treffen 1 und 2 zu, dann kann man auch gleich ein > Schaltnetzteil komplett verwenden Dann hat man aber nicht die schnelle Strombegrenzung, die ein Linearregler bietet. Ein Schaltnetzteil braucht immer eine relativ große Ausgangskapazität und deren Strom kann man nicht begrenzen. Außerdem regeln Schaltnetzteile bei sehr kleiner Ausgangsspannung nicht mehr so gut, wenn man also die Ausgangsspannung bis 0V herunterregeln möchte, ist ein Linearregeler hinter dem Schaltregler schon sinnvoll.
...also wenn der Linearregler nicht allzu ungünstig dimensioniert und aufgebaut wurde, sollte der schon etliche -zig dB Dämpfung für der Eingangsspannung überlagerte Wechselspannungen bringen. Das reicht dann schon als Ausgangsfilter für den vorgeschalteten Switcher. Habe ich schon öfters für Audioschaltungen so gemacht. Und wenn man moderne Switcher mit hoher Schaltfrequenz (250-500kHz statt der 'alten' ~50kHz Reihen) nimmt, regeln die auch bei Lastsprüngen schnell genug. (Und die Ausgangsfilter erschöpfen sich in ein paar keramischen Kondensatoren im zweistelligen µF-Bereich.)
Stefan Wimmer schrieb: > ...also wenn der Linearregler nicht allzu ungünstig dimensioniert und > > aufgebaut wurde, sollte der schon etliche -zig dB Dämpfung für der > > Eingangsspannung überlagerte Wechselspannungen bringen. Am Ausgang wird man sie aber trotzdem noch sehen. Glaube es mir einfach mal. Stefan Wimmer schrieb: > Habe ich > > schon öfters für Audioschaltungen so gemacht. Ein Schaltregler mit den steilen Flanken ist aber kein Audioverstärker. Stefan Wimmer schrieb: > Und wenn man moderne Switcher mit hoher Schaltfrequenz (250-500kHz statt > > der 'alten' ~50kHz Reihen) nimmt, regeln die auch bei Lastsprüngen > > schnell genug. Mag sein . Dafür handelt man sich dann noch mehr EMV Probleme ein. Stefan Wimmer schrieb: > (Und die Ausgangsfilter erschöpfen sich in ein paar > > keramischen Kondensatoren im zweistelligen µF-Bereich.) Wenn das so einfach wäre! Hast du dir mal die Impedanzkurve eines Kondensators im Mikrofaradbereich angesehen? Schaltnetzteile verursachen EMV Müll bis weit in den Hundert Megaherzbereich. Und zwar mit erheblichen Amplituden. Es erfordert schon einen erheblichen Aufwand , um die Ausgangsbuchsen vollkommen frei von diesen Störungen zu halten. Es mag eine ganze Reihe Anwendungen geben wo dieses nicht stört. Aber hier wurde von einen Labornetzteil geredet. Das setzt man nun mal universell auch für Schaltungen ein, die eine sehr stabile und sehr saubere Spannung benötigen. Da würde ich von einen Schaltnetzteil in der Regel eher abraten. Ralph Berres
Ich hätte eine Frage zu der Schaltung im ersten Beitrag. Kann man die Stromregelung auch umbauen das sie mit der positiven Referenz arbeitet? Wenn ja wie?
>Mag sein . Dafür handelt man sich dann noch mehr EMV Probleme ein.
Unsinnige pauschalisierung, zur Dämpfung hoher Frequenzen sind
logischerweise kleiner Filterkomponeten notwendig, oder das Filter kann
komplexer(mehrstufig) werden.
Aber stimmt, hat am Ausgang eines Labornetzteils trotzdem nichts. Zb ein
einfaches LC Filter. Böses Problem gibts zb beim Lastabwurf wenn die
Energie des L in das C muss und die Spannung hebt. Ok man könnte die
charakteristische impedanz des Filters veringern, dann hat man ein
fettes C ohne jegliche Strombegrenzung am Ausgang.
Aber wie so oft spielt die Anwendung eine Rolle, will man damit einen
einen Brücke für einen DC-Motor Betreiben oder einen
Langwellenempfänger...
Fralla schrieb: > Unsinnige pauschalisierung, zur Dämpfung hoher Frequenzen sind > > logischerweise kleiner Filterkomponeten notwendig, oder das Filter kann > > komplexer(mehrstufig) werden. Du gehst offensichtlich davon aus, das sich das vom Schaltnetzteil erzeugte Störspektrum ausschliesslich über die Leitungen ausbreiten und somit vom Filter ferngehalten werden. Dem ist aber leider nicht so. Auserdem ist bei jeden Filter die Dämpfung des HF Mülls nur endlich. Man muss ein Schaltnetzteil schon verdammt gut abschirmen damit wenigstens die elektrischen Felder nicht direkt abgestrahlt werden. Bleibt dann noch das magnetische Feld welches wieder Ströme in auserhalb der Abschirmung liegende Leitungen induziert, die ihererseitz dann als Antenne wirken und den Müll abstrahlen. Wenn man mit dem Netzteil dann z.B. einen KW Empfänger oder empfindliche HF Baugruppen betreiben will, stören schon wenige 10 uV an HF Müll ganz beachtlich. Es gibt Schaltnetzteile für solche Anwendungen, die dann oft einen Einstellregler für die Wandlerfrequenz haben, damit man deren Oberwelle wenigstens von der Frequenz wegdrehen kann, die man empfangen will. Aber wie schon geschrieben sucht der Robe 2 ein Labornetzteil. Er muss schließlich beurteilen welche Spezifikationen das Netzteil erfüllen muss. Danach wird er wohl das Netzteil aussuchen. Ralph Berres
@woot An der Schaltung muss, außer den von mir genannten Änderungen, nichts umgebaut werden. Ohne die Änderungen brennt eine Zenerdiode und ein Einstellpoti durch. Die Anmerkungen bezogen sich auf die Prinzip-Schaltungen. Eine weitere Schaltungsvariante findet sich hier (mit Kühlkörperberechnung): http://stegem.de/Elektronik/Labornetzgeraet/ MfG
Wenn man mit dem Spannungszusammenbruch zufrieden ist... (Vergleiche mal mit einem 7805).
Ich wußte gar nicht, dass ein 7805 einen Strom von 5A liefern kann????????
kann er auch nicht. höchstens beim abrauchen vielleicht.
> Ich wußte gar nicht, dass ein 7805 einen Strom von 5A liefern > kann???????? > kann er auch nicht. höchstens beim abrauchen vielleicht. Doch kann "er" nennt sich 78H05. ;)
>> Sofern man 1. die giftige Störstrahlung des Schaltnetzteiles in den >> Griff bekommt, ... > Die bekommt man nur durch Filterung in der Griff, also Drosseln und > Kondenssatoren. Dadurch wird dann aber die Regelung langsamer. Wenn ich solche (Ab)Sätze wie den letzten hier lese, dann kommt es mir vor, als ob ein Schwaller aus der Marketingabteilung vom Pferd erzählt. Kaum einer hier ím Forum schafft es überhaupt einen guten eigenen Entwurf eines Linear-Netzteils vorzustellen. Aber mal eben so etwas höchst aufwendiges wie ein störtrahlungsarmes SNT selber zu entwicklen, dass soll plötzlich Zitat "durch Filterung in der Griff, also Drosseln und Kondenssatoren." zu machen sein. Ja ja na klar, so wie ein PCB-Layoutprogramm schon fast fertig ist wenn einer ein paar Funktionen mit dem Visual Assistenten zusammenklickt. Na klar, in der Theorie vielleicht. Aber praktisch gesehen braucht es dafür Geräte, die die Wenigsten hier im Forum zur Verfügung haben. Hier drängt sich der Eindruck auf, dass es allzu viel (ist nicht bös' gemeint ;)) "Maulhelden" unter uns gibt, die solche Phrasen selber erst mal praktisch mit leben füllen sollten, bevor sie (die Phrasen) anderen als Lösungsweg mit Selbstverständlichkeit bzw. als beinahe Trivialität unterbreiten. Ralph Berres hat also mit seinem Einwand besser davon Abstand zu nehmen vollkommen recht. Aber die Wundertüten, um nicht zu sagen Knalltüten, die das alles so für Trivial halten, könnten ja selber mal wenigstens EINEN guten Entwurf eines Linear Labornetzteils mit 30 V / 3 A vorstellen der a) nicht auf dem uralt LM 723 beruht und b) nicht schon bereits x mal im Netz zu finden ist (nein auch nicht von 1973 kopiert). Ach ja und wenn schon, dann bitte auch mit digitalen Spannungs/Stromanzeigen, bei denen was den Strom betrifft der Spannungsabfall über den Shunt ausgeregelt ist (ohne Sense). Das müsste doch ein Klacks sein für solche Genies oder?! Und falls doch nicht, dann das nächste mal bitte vorsichtiger um nicht zu sagen umsichtiger Formulieren. Sonst könnte der Nachwuchs den Eindruck kriegen, dass er völlig kenntnislos ist, weil ihm das nicht gelingen wird, obwohl doch wie so oft zu lesen alles sooo einfach ist für manche "Forengenies". Frohe Weihnachten und gut Bastel ;)
>>> Sofern man 1. die giftige Störstrahlung des Schaltnetzteiles in den >>> Griff bekommt, ... >> Die bekommt man nur durch Filterung in der Griff, also Drosseln und >> Kondenssatoren. Dadurch wird dann aber die Regelung langsamer. > Wenn ich solche (Ab)Sätze wie den letzten hier lese, dann kommt es mir > vor, als ob ein Schwaller aus der Marketingabteilung vom Pferd erzählt. > Kaum einer hier ím Forum schafft es überhaupt einen guten eigenen > Entwurf eines Linear-Netzteils vorzustellen. Aber mal eben so etwas > höchst aufwendiges wie ein störtrahlungsarmes SNT selber zu entwicklen, > dass soll plötzlich Zitat "durch Filterung in der Griff, also Drosseln > und Kondenssatoren." zu machen sein. Du hast meine Aussage falsch verstanden, ich wollte damit nicht sagen, dass das einfach zu machen ist. Was ich damit gemeint habe, ist, dass man für so etwas auf jeden Fall einen Filter braucht, der besteht üblicherweise aus den genannten Bauteilen. Durch diesen Filter verschlechtern sich die Regeleigenschaften des SNTs, so dass es durchaus sinnvoll sein kann, dahinter einen linearen Regler zu betreiben, wenn man unbedingt ein Schaltnetzteil haben will (wegen dem Wirkungsgrad). Für ein Labornetzteil mit 30V/3A ist ein Schaltnetzteil nicht wirklich sinnvoll, ein rein linear geregeltes Netzteil ist billiger und besser; es wird halt etwas warm. Aber bei einem Labornetzteil mit z.B 600 V Ausgangsspannung und >1 A Ausgangsstrom könnte ich mir schon vorstellen, dass eine Kombination aus Schaltnetzteil und Linearregler sinnvoll ist. Auch wenn man die Taktfrequenz des Schaltnetzteils am Ausgang immer irgendwie sehen wird, ist das immer noch besser als ein reines Schaltnetzteil.
Senfdazugeber schrieb: > Aber die Wundertüten, um nicht zu > > sagen Knalltüten, die das alles so für Trivial halten, könnten ja selber > > mal wenigstens EINEN guten Entwurf eines Linear Labornetzteils mit 30 > > V / 3 A vorstellen der a) nicht auf dem uralt LM 723 beruht und b) nicht > > schon bereits x mal im Netz zu finden ist (nein auch nicht von 1973 > > kopiert). Ach ja und wenn schon, dann bitte auch mit digitalen > > Spannungs/Stromanzeigen, bei denen was den Strom betrifft der > > Spannungsabfall über den Shunt ausgeregelt ist (ohne Sense). Das müsste > > doch ein Klacks sein für solche Genies oder?! Dann schaue bitte mal in http://www0.fh-trier.de/~berres/Bauanleitungen%20Messtechnik/Labornetzteil%200-30V%200-4Amp/ Johannes schrieb: > Für ein Labornetzteil mit 30V/3A ist ein Schaltnetzteil nicht wirklich > > sinnvoll, ein rein linear geregeltes Netzteil ist billiger und besser; > > es wird halt etwas warm. Selbst bei 30V 25Amp mag ich es lieber bei einen Linearnetzteil belassen. Besonders im Laboreinsatz. Eine Erweiterung des obigen Artikel auf 30V 25Amp ist unter http://www0.fh-trier.de/~berres/Bauanleitungen%20Messtechnik/Labornetzteil%200-30V%200-25Amp/ zu finden. Senfzugeber . Ich hoffe das du mich nicht zu den Knalltüten zählst. Obwohl genau von denselbigen in diesem Forum auch meine Netzteile schon verrissen wurde. Ralph Berres
Ralph Berres schrieb: > Obwohl genau von denselbigen in diesem Forum auch meine Netzteile schon > > verrissen wurde. Und das geschah stets zu Recht.
Andrew Taylor schrieb: > Ralph Berres schrieb: >> Obwohl genau von denselbigen in diesem Forum auch meine Netzteile schon >> >> verrissen wurde. > > Und das geschah stets zu Recht. Das sagt ausgerechnet einer, der noch nie eine eigene Kreation veröffentlicht hat.
@Aha: Das ist leider immer so und wird immer so bleiben. Hier gab es Leute welche ein Projekt völlig alleine durchgezogen haben und am Ende wird nur gemeckert das dies und das fehlen würde, oder bestimmte Dinge schlecht gelöst sind. Versucht man eine Projektarbeit zu starten sollen unzählige Features implementiert werden und das Projekt geht in einen Streit unter. Oder um es mal so zu sagen: Und selbst wenn Andrew Taylor das rund-um-glücklich-mach-Gerät designed hat, wird er sich dem Gemecker nicht entziehen können. Da würde ich auch nichts veröffentlichen.
Andrew Taylor schrieb: > Und das geschah stets zu Recht. Es ist schon erstaunlich woher Andrew diese Weisheiten nimmt. Andrew hast dus das Netzteil selbst schon mal aufgebaut? Ich unterstelle mal nein. Hast du das Netzteil schon mal selbst vermessen? Ich unterstelle mal ebenfalls nein. Hast du wenigstens die komplette Dokumentation mal gelesen und durchgearbeitet? Ich unterstelle mal wenn überhaupt hast du das Hauptschaltbild mal kurz quergeschaut, wie seinerseits das 25Amp Netzteil. Was hast du eigentlich gegen mich? Habe ich dir iregendwas getan? Oder warum diese Antiphatie und Hetzkampanien gegen mich? Oder kannst du es nur einfach nicht ab, das es auch mal andere Leute gibt die sich mit einer Materie auskennen? In deinem eigenen Interesse würde ich dir raten gegenüber anderen was objektiver aufzutreten. Sonst stehst du irgendwann mal mit deinen Meinungen alleine auf weiter Flur In diesem Sinne einen guten Rutsch ins neue Jahr. Ralph Berres PS ich habe das oben beschrieben Funkschau Netzteil einige Jahre selbst betrieben, bevor ich mein Netzteil entwickelt habe, weil ich zwischenzeitlich höhere Ansprüche an ein Netzteil stelle. Aber deswegen mache ich das Funkschaunetzteil noch lange nicht schlecht.
@Ralph Berres: Wie lange hast du für dein Netzgerät gebraucht? (Vollständige Entwicklung inklusiver der Mechanik) Ich selber entwickel schon seid über einen Jahr ein Netzgerät und Stellenweise gibt es Phasen wo ich am liebsten alles in den Müll werfen würde. Eine Teilleiterkarte musste ich schon mehrfach neu entwickeln. Gleichzeitig freut man sich riesig wenn einige Dinge auf anhieb funktionieren.
Ralph Berres schrieb: > Es ist schon erstaunlich woher Andrew diese Weisheiten nimmt. > > > > Andrew hast dus das Netzteil selbst schon mal aufgebaut? Ich unterstelle > > mal nein. > > Hast du das Netzteil schon mal selbst vermessen? Ich unterstelle mal > > ebenfalls nein. Das ich beides schon getan habe schrieb ich bereits vor Monaten hier im Forum. Ergebnis: Schlechtes Netzteil, mäßige Regeleigneschaften, unnötiger Bauteil Aufwand der zu wenig hoffungsvollen Ergebnissen führt. Ganz offensichtlich verdrängst Du stets beim Thema "Netzteil" die berechtigte Kritik anderer, und lobst Dein Bauprojekt. Und "vergißt dabei abischtlich" das alles hier im Forum zu Deinem Projekt bereits gesagt wurde. Das zeugt von mangelhafter Objektivität bei Dir. Das zeigt sich auch das Du völlig unberechtigt das als Hetze gegen Dich hier versuchst aufzutun. Vielleicht begreifst Du das ja mal in 2011. > andere Leute gibt die sich mit > einer Materie auskennen? Schön wäre es wenn das auf Dich zu treffen würde. Aber so ist es schlicht zielorientiertes Eigenlob das Du hier für dich verbreiten willst. Es mag sein das Du von irgendwas Ahnung hast, aber bei bei Netzteilen trifft "auskennen" definitv nicht zu.
Nachtaktiver schrieb: > Wie lange hast du für dein Netzgerät gebraucht? > > (Vollständige Entwicklung inklusiver der Mechanik) Für das 4Amp Netzteil ungefähr ein viertel Jahr. Abends in meiner Freizeit und am Wochenende. Das 25Amp Netzteil etwa ein halbes Jahr mit den gesamten Vorversuche wie primärseitige und Sekundärseitige Thyristorregelungen, sowie sekundärseitige Trafoumschaltung zur Begrenzung der Verlustleistung. Ungefähr ein Drittel der Zeit ging für die Dokumentation drauf. Ralph Berres
Nachtaktiver schrieb: > Ich selber entwickel schon seid über einen Jahr ein Netzgerät Das ist der Grund warum ich immer Netzgeräte kaufe statt selbst zu bauen. Gibt ja noch andere Hobbys im Leben xD. Ralph Berres schrieb: > Was hast du eigentlich gegen mich? Habe ich dir iregendwas getan? Du hast nur Andrews liebenswerte Aufmerksamkeit auf dich gezogen. Wenn auch ich Andrew nicht unbedingt leiden kann so muss ich doch zugestehen, dass er insbesondere (aber nicht nur) bei Netzteilen schon Ahnung hat wenn auch schon die Art wie er das rüber bringt nicht grade die, ich sag mal, Produktivste ist.
Nachtaktiver schrieb: > Dann mache ich irgendetwas falsch. :D Deine Wochenenden sind möglicherweise zu kurz .-)
Andrew Taylor schrieb: > Das ich beides schon getan habe schrieb ich bereits vor Monaten hier im > > Forum. Ergebnis: Schlechtes Netzteil, mäßige Regeleigneschaften, > > unnötiger Bauteil Aufwand der zu wenig hoffungsvollen Ergebnissen führt. Ich weis es handelte sich um die 25Amp Version die Raimund Rabe zwischenzeitlich sich auch persöhnlich angeschaut hat. Das du nicht mal die Anleitung gelesen hast beweist schon das du die Anzahl der Transistoren schon falsch angegeben hattest. Ich glaube dir einfach nicht das du das Netzteil schon mal nachgebaut hast. Dann veröffentliche doch mal Fotos von dem Aufbau und deine Messergebnisse. Auserdem hättest du mich anschreiben können um eventuelle Probleme gemeinsam aus der Welt zu schaffen. Was du da treibst grenzt hart an Rufmord. Ich wäre an deiner Stelle etwas vorsichtiger. Du könntest auch mal an den falschen geraten der dann mit der Keule einer Unterlassungserklärung zurückschlägt. Also unterlasse deine Kampanien zukünftig. Nicht nur ich auch andere in diesem Forum wären dir sehr verbunden. Ralph Berres
Michael schrieb: >> wenn auch schon die Art wie er das rüber bringt nicht grade die, ich sag > mal, Produktivste ist. Das Leben ist nun mal kein Waldorfkindergarten. Dinge, die mistig sind wie das Berres Netzteil bezeichne ich als solche. Ich überlasse es Politkern, mistige Wahrheiten der Allgemeinheit in wohlige Worte verpackt unterzujubeln.
Michael schrieb: > Du hast nur Andrews liebenswerte Aufmerksamkeit auf dich gezogen. Wenn > > auch ich Andrew nicht unbedingt leiden kann so muss ich doch zugestehen, > > dass er insbesondere (aber nicht nur) bei Netzteilen schon Ahnung hat > > wenn auch schon die Art wie er das rüber bringt nicht grade die, ich sag > > mal, Produktivste ist. Ich habe auch nie behauptet das er keine Ahnung hat. Nur lasse ich mir von Ihm nicht unterstellen keine Ahung zu haben. Ralph Berres
Ich meine ich habe ein halbes Jahr lang alles in der Ecke stehen lassen weil ich um ehrlich zu sein total deprimiert war das einiges nicht funktioniert hat aber selbst wenn ich sowas abziehe dann ist es noch eine lange Zeit. Meine Wochenenden sind kurz, und wenn man mich fragt ob ich Lust hätte xy zu machen dann lasse ich alles stehen. Somit @Micheal: Das heißt jetzt nicht das ich kein anderes Hobby hätte. Ich bin halt der Nachtaktive und beschäftige mich einige Stunden vorm Schlafen gehen mit sowas. @Andrew: Aber heute bin ich bis fast halb 2 wach geblieben und habe mich der Schieblehrere alles mögliche im Gehäuse ausgemessen und mir eine sinnvolle Anordnung von einigen Schaltungstechnischen Elementen zu überlegen. Kurze Wochenenden sind auch nur Relativ... :D Ich denke das ich in einen halben Jahr fertig sein werde, und dann wird es ein paar Fotos geben. Ich bin zwar noch weit davon entfernt, aber mit guten Mute schreite ich stetig voran. x)
Andrew Taylor schrieb: > Das Leben ist nun mal kein Waldorfkindergarten. > > > > Dinge, die mistig sind wie das Berres Netzteil bezeichne ich als solche. > > Ich überlasse es Politkern, mistige Wahrheiten der Allgemeinheit in > > wohlige Worte verpackt unterzujubeln. Noch mal im Klartext. Beweise deine Behauptungen, ich möchte "Deine !! " Messergebnisse dazu sehen, und zwar sauber dokumentiert, oder zeige uns das du es besser kannst, oder halt ganz einfach deine Klappe.
Ralph Berres schrieb: > Auserdem hättest du mich anschreiben können um eventuelle Probleme > gemeinsam aus der Welt zu schaffen. Wozu, es hat sich schon im Forum gezeigt: das ist Zeitverschwendung. Du versuchst Dein Nt als gut darzustellen. Das ist ein persönliches Faible von dir, leider weit ab von der Realität. > > Was du da treibst grenzt hart an Rufmord. Ich wäre an deiner Stelle > etwas vorsichtiger. Du könntest auch mal an den falschen geraten der > dann mit der Keule einer Unterlassungserklärung zurückschlägt. Rufmord, lieber Ralph, ist ganz was anderes. Allein das Du sowas hier reinbringst, zeugt eindeutig davon das Du jeglichen Realitätsbezug vermissen läßt. > > Also unterlasse deine Kampanien zukünftig. Nicht nur ich auch andere in > diesem Forum wären dir sehr verbunden. Es liegt keine Kampagne vor. Folglich besteht kein Grund, das Du hier in diese Richtung lenkst. Es zeigt lediglich Deine Ablenkungstaktik. Jedoch fehlt es Dir gewaltig an Kritikfähigkeit im Punkto Netzteil. Ich denke damit ist alles gesagt.
Andrew du schweifst wieder vom Thema ab. Aber es ist mir einfach zu doof mich mit dir zu unterhalten. Ich werde mich jedenfalls nicht mehr zu Wort melden. Ralph Berres
Andrew Taylor schrieb: > Das Leben ist nun mal kein Waldorfkindergarten. Richtig aber du weißt ja, der Ton macht die Musik. Deshalb versteh ich es schon wenn sich mancheiner auf den Schlips getreten fühlt bei der ein und anderen Aussage deinerseits. Man muss ja kein Politiker sein um freundlich Kritik zu üben ;)
HabNix schrieb: > @woot > An der Schaltung muss, außer den von mir genannten Änderungen, nichts > umgebaut werden. Ohne die Änderungen brennt eine Zenerdiode und ein > Einstellpoti durch. > > Die Anmerkungen bezogen sich auf die Prinzip-Schaltungen. > > Eine weitere Schaltungsvariante findet sich hier (mit > Kühlkörperberechnung): > http://stegem.de/Elektronik/Labornetzgeraet/ > > MfG Hallo, In meinem Beitrag auf unterstehendem Link wurde die FS12/73 Schaltung neben anderen Änderungen so modifiziert dass das Poti nicht mehr durchbrennen kann. Die Schaltung funktioniert bei mir ordnungsgemäß. Es wurden folgende Verbesserungen/Modernisierungen eingeführt: 1) Vereinfachte Referenzschaltung und Spannungseinstellungsschaltung 2) Einsparung der Relaisumschaltung mit einer speziellen Längstransistor Schaltung (die in einer ANATEK Schaltung eingesetzt wurde) 3) Modus-anzeige CV/CC mittels zweier LEDs 4) Behebung des Problems mit der Versagen der Reglung welches sich durch eine Spannungserhöhung kenntlich macht wenn die Netzspannung abgeschaltet wird. Im praktischen Betrieb ist in Bezug auf Stabilität, Rauschen, Lastausreglung kein nennenswerter Unterschied zu anderen kommerziellen Geräten festzustellen. Ich bin mit dem FS12/73 sehr zufrieden. Hier ist der Link: Beitrag "Re: Labornetzgerät als Projekt" Im Anhang habe ich noch die HP-Harrison Application Note 90 über das Design von Labornetzgeräten beigelegt. Noch etwas Senf von mir: Ich bin der Meinung dass man bei der Diskussion von Labornetzgeräten die technischen Merkmale eingrenzen sollte. Wie z.B. "Ich möchte mir ein LNG mit 0-30V und >0 bis 2A Bereich und Digitalanzeige bauen." Ich glaube es würde die Diskussion in eine bestimmte Bahn bringen weil z.B. ein LNG für 0-50V und 25A mit SNT Umwandlung doch ein grundverschiedenes Gerät ist. Wünsche Euch alles Gute zum Neuen Jahr! Gruß, Gerhard
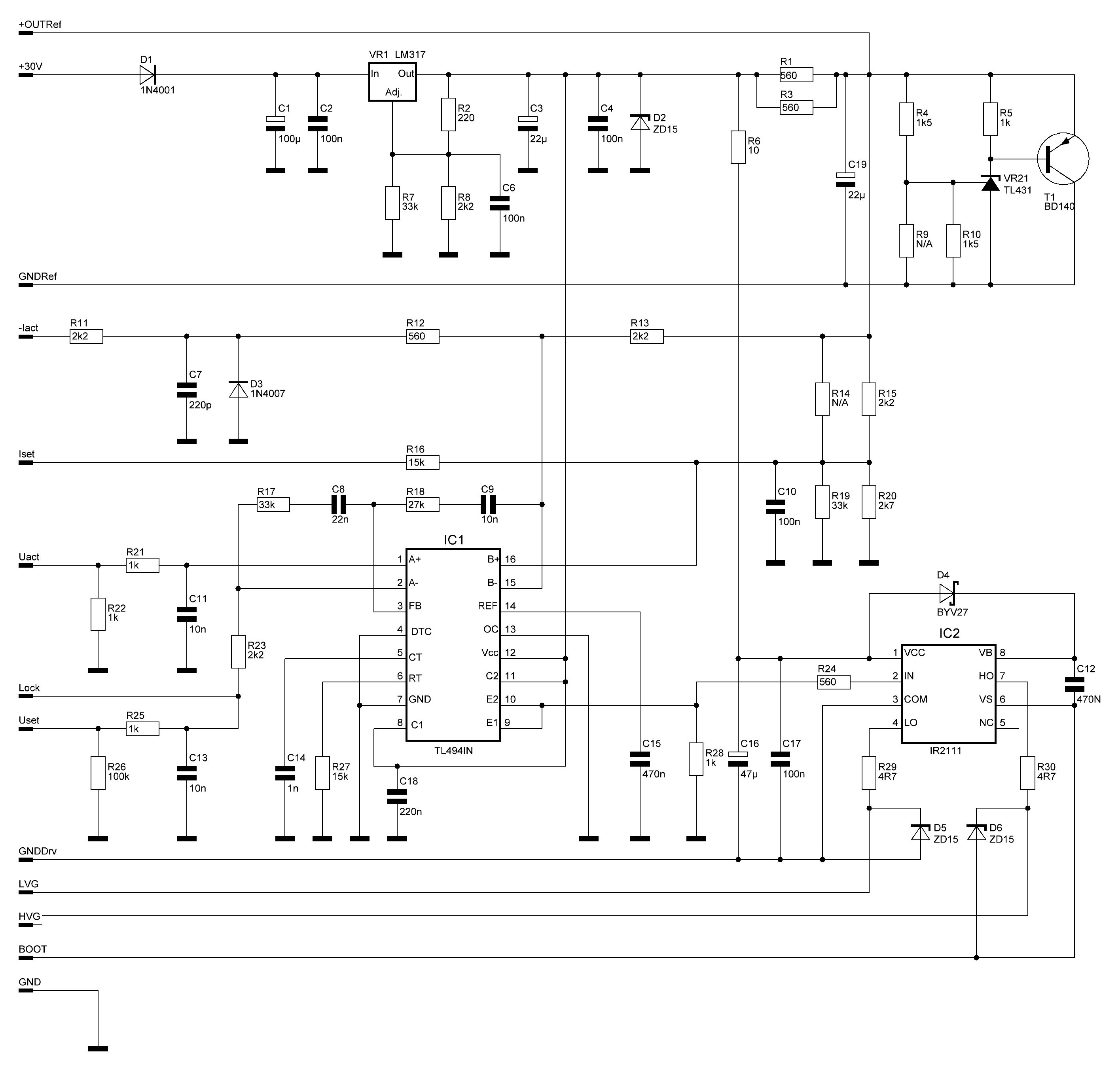
Hallo, Was bringt ein Kondensator parallel Kollektor-Basis? Er soll wohl dazu beitragen das die Schaltung stabil wird, aber wie? Mich würde allgemein Interessieren wie man solche Schaltungen kompensiert. Hat da jemand eine Appnote o.ä. wo sowas erklärt wird? Gerhard O. schrieb: > 3) Modus-anzeige CV/CC mittels zweier LEDs Wie soll die funktionieren der Stromregel OPV liefert ja immer den Strom? mfg
Das war mal eine eine Studienarbeit. Die Spannung lässt sich einfach erhöhen, wenn die Controllerplatine z.B. mit einem 24V Hilfsnetzteil oder einem diskreten Vorregler versorgt wird. Sonst wird der LM317 zu heiß. Das Konzepot erlaubt problemlos 50V bei 10A. Da es ein Zweiquadrantensteller ist, muss man beim Laden von Akkus eine Diode zwischenschalten. Sonst pumpt die Schaltung Energie in den Zwischenkreis, bis dieser platzt.
overflow schrieb: > Hallo, > > Was bringt ein Kondensator parallel Kollektor-Basis? Er soll wohl dazu > beitragen das die Schaltung stabil wird, aber wie? > Mich würde allgemein Interessieren wie man solche Schaltungen > kompensiert. > Hat da jemand eine Appnote o.ä. wo sowas erklärt wird? C3 und C3B , C10 und C14 sind zur Stabilität der Reglung notwendig und C10 verringert zusätzlich Reglungseinbrüche bei schlagartigen Laständerungen. > > Gerhard O. schrieb: >> 3) Modus-anzeige CV/CC mittels zweier LEDs > > Wie soll die funktionieren der Stromregel OPV liefert ja immer den > Strom? > Du hast 100% recht! Wie ich gerade sehe hat sich ein Zeichenfehler einschlichen; 8-((( . R16 darf nicht an R20/U2-6 sein sondern muss Anstelle an D4-C/U3-1 angeschlossen sein. (Siehe revidierten Anhang). Gruss, Gerhard > mfg
Okay. Noch ein paar Fragen: Mit ZD1 willst du verhindern das die Ausgangsspg beim Ausschalten hochläuft oder? Aber wer sagt das bei 3V3 der Spgsregel OPV den Strom noch abzieht, müsste da nicht mindestens eine 4V7 rein? R35 ist eigentlich nicht notwendig weil wenn das Poti kaputt geht der nicht inv. Eingang des Spgsregel OPV über R34 sowieso auf Masse liegt und somit das Netzteil auf 0V geht. mfg
overflow schrieb: > Okay. > Noch ein paar Fragen: > > Mit ZD1 willst du verhindern das die Ausgangsspg beim Ausschalten > hochläuft oder? Aber wer sagt das bei 3V3 der Spgsregel OPV den Strom > noch abzieht, müsste da nicht mindestens eine 4V7 rein? ZD1 hat sich günstig erwiesen um eine kleine Abschaltverzögerung zu verhindern. Unbedingt notwendig ist das Teil allerdings nicht. Dieses Verhalten hängt auch von den verwendeten OPV an. > > R35 ist eigentlich nicht notwendig weil wenn das Poti kaputt geht der > nicht inv. Eingang des Spgsregel OPV über R34 sowieso auf Masse liegt > und somit das Netzteil auf 0V geht. > Da gebe ich Dir recht. Den könnte man weglassen. > mfg
Hallo, ich habe das 4A Netzteil von Ralph Berres vor 4Jahren bereits als Doppelnetzteil nachgebaut. Das Netzteil ist gut und vor allem schnell. Ich verwende es unter anderem auch als Treiber für Laserdioden. Keine Ausfälle bisher. Auf Grund der schnellen Schaltung und meinem mech. Aufbau ergab sich eine Schwingneigung die wir durch erhöhen von C3 auf afaik 68pF aber gut in den Griff bekamen. Nachgerüstet wurde ein Relais das die Basen der Endtransistoren beim Abschalten auf Masse klemmt. Grund war das die Reglerspannnung schneller zusammenbrach als der Ladeelko, was den Ausgang dann hochriss. Es wurden zwar Lüfter vorgesehen, allerdings waren die noch nicht nötig für 4,5A Dauerkurzschluss und wurden deshalb wieder entfernt. Beharrungstemperatur der Kühlkörper war dabei kuschlige 95C°. Bilder (zwichen Tür und Angel) http://dnx9ir.homeip.net/?path=./netzteil/ Gruß Torsten
95° an berührbaren Stellen sind aber nicht gerade wenig ;)
Morimi schrieb: > 95° an berührbaren Stellen sind aber nicht gerade wenig ;) Sollste ja auch nicht anpacken. 230V ~ tun auch weh, packst du die dennoch an? Und Dauerkurzschlussbetrieb ist wohl nicht so die übliche Anwendung eines Netzteils, das ist ja quasi der Fehlerfall.
230V an berührbaren Stellen sind ja auch nicht erlaubt.. Aber die maximale Temperatur darf immerhin bis 85°C gehen, dachte es wären 60, die sind es allerdings nur bei Griffflächen, etc..
Morimi schrieb: > Aber die maximale Temperatur darf immerhin bis 85°C gehen, dachte es > wären 60, die sind es allerdings nur bei Griffflächen, etc.. Sag das mal meinen Heizstäben im Backofen ;). Ich mein, das Gerät schaut nicht wie ein Serienprodukt aus und für privat...naja, wenn man weiß wie heiß es wird find ich das OK. Dann weiß man, dass man da nicht anpackt wenn man das Netzteil dauerkurzschließt. Und wie schon gesagt, das ist ja auch nicht der Normalbetrieb sondern der Fehlerfall. ;)
Hallo, wie werden in professionellen Geräten die Standby Taster realisiert, mit Einstellung des maximalen Stroms? Wenn man das noch einfügen könnte so dass es vom Aufwand zum Konzept des FS Netzteil passen würde wär das genial. Ohne Relais, wenn man schon die Trafoumschaltung ohne Relais hat :D Mit einen Schalter zwischen eingestellter Referenz Spg vom Stromregler und der Spg über den Shunt auf die Stromanzeige legen würde gehen. mfg
> 95° an berührbaren Stellen sind aber nicht gerade wenig ;)
Man möge sich nicht so Anstellen! :-)
Wenn mans weis ist es gut.
Oben sind die Pläne für ein belastbares Konzept. Besser, als 50V an einem Längstransistor zu verbraten.
@ Wirehead(Thorsten) Schönes Netzteil hast Du da aufgebaut, was für ein Gehäuse hast Du da verwendet wenn ich fragen darf? @ Andrew Taylor hast Du einen Schaltplan für ein Netzteil dass Du uneingeschränkt empfehlen kannst? Ich würde demnächst nämlich selbst gerne ein Netzteil nachbauen, also nicht komplett selbst eines entwickeln. Gruß Jürgen
overflow schrieb: > Hallo, > > wie werden in professionellen Geräten die Standby Taster realisiert, mit > Einstellung des maximalen Stroms? > > Wenn man das noch einfügen könnte so dass es vom Aufwand zum Konzept des > FS Netzteil passen würde wär das genial. Ohne Relais, wenn man schon die > Trafoumschaltung ohne Relais hat :D > > Mit einen Schalter zwischen eingestellter Referenz Spg vom Stromregler > und der Spg über den Shunt auf die Stromanzeige legen würde gehen. Das würde mich auch interessieren, ob man eine solche Anzeige zur Darstellung des eingestellten Stromes noch in den Schaltplan von Gerhard einbauen könnte? @Gerhard O. könntest Du da noch etwas machen bzgl. einer solchen Darstellung des eingestellten Stromes? Ich hätte auch noch Fragen zu Deinem Schaltplan -was bedeudet SEL(10M) or 0MIT an R5? -gibt es auch ein Sense- ? -Welche Teile müssten bei anderen anderen Sekundärspannungen neu gewählt werden damit eine Umschaltung funktioniert? -Kann man das Netzteil auch ohne größere Änderungen für 35V/6A nutzen? Wird es noch ein Platinendesign geben? Kann man das Netzteil problemlos in Reihe und parallel als Doppelnetzteil betreiben? Danke Gruß Jürgen
Hallo, Im Anhang befindet sich eine überarbeitete Version von der FS12/73 Schaltung mit den gewünschten Erweiterungen. Jürgen F. schrieb: > overflow schrieb: >> Hallo, >> >> wie werden in professionellen Geräten die Standby Taster realisiert, mit >> Einstellung des maximalen Stroms? Siehe neues Schaltbild im Anhang. >> >> Wenn man das noch einfügen könnte so dass es vom Aufwand zum Konzept des >> FS Netzteil passen würde wär das genial. Ohne Relais, wenn man schon die >> Trafoumschaltung ohne Relais hat :D >> >> Mit einen Schalter zwischen eingestellter Referenz Spg vom Stromregler >> und der Spg über den Shunt auf die Stromanzeige legen würde gehen. > > Das würde mich auch interessieren, ob man eine solche Anzeige zur > Darstellung des eingestellten Stromes noch in den Schaltplan von Gerhard > einbauen könnte? > > @Gerhard O. > > könntest Du da noch etwas machen bzgl. einer solchen Darstellung des > eingestellten Stromes? > > Ich hätte auch noch Fragen zu Deinem Schaltplan > > -was bedeudet SEL(10M) or 0MIT an R5? Bitte FS Artikel lesen. Mit R5 kann man den Innenwiderstand innerhalb gewisser Grenzen optimieren. Bitte beachten dass bei zu niedrigen Wert von R5 (<10M ) Instabilität möglich ist. > > -gibt es auch ein Sense- ? Siehe neuen Anhang. > > -Welche Teile müssten bei anderen anderen Sekundärspannungen neu gewählt > werden damit eine Umschaltung funktioniert? Bei dieser Version vom FS Gerät ist die Umschaltung elektronisch durch die spezielle Schaltungsweise der Längstransistoren verwirklicht. Da ändert sich nichts. Nur müssen die Teile Spannungs- und Strommässig angepasst werden/ Bei größeren Strömen muss die Treiberstufe Q3 den gesamt Treiberstrom aufbringen können und gekühlt werden. Bei einem früheren Design von einem LNG schalte ich die Trafowicklungen mit entsprechender Logik in 6V Stufen auf Serien- und Parallelschaltung um. (6 mal 6V Wicklungen 5A) So dass im Bereich von 0-15V 10A entnommen werden können und von 15-30V nur 5A. Das ganze wird durch einen 4fach LM393 Comparator mit Hysteresis und CMOS Logik gesteuert und mit drei Relais umgeschaltet. (6,12,18V und parallel) Für 10A Ausgangsstrom sollten man mindestens eine 4 fach Parallelschaltung von Q1, Q2, D1, R39 vorsehen. Auch muss R8(B...) angepasst werden. Jeder eigene Längstransistorzweig sollte nicht mit mehr als 2.5A belastet werden damit die Transistoren im Moment eines Kurzschlusses nicht aus dem "safe operating area" geraten und durch "secondary breakdown" zerstört werden. Auch muss für genügend Kühlung gesorgt werden. (Wahrscheinlich erzähle ich hier nichts Neues - Sorry) > > -Kann man das Netzteil auch ohne größere Änderungen für 35V/6A nutzen? Ja. > > Wird es noch ein Platinendesign geben? Warscheinlich nicht. > > Kann man das Netzteil problemlos in Reihe und parallel als > Doppelnetzteil betreiben? Ja. Nur auf alle Fälle D3 einbauen damit bei Ausfall eines N.G. in Reihenschaltung der Strom durch D3 fließt und nicht durch die Schaltung. > > Danke > > Gruß Jürgen Gruss, Gerhard
Hallo Gerhard, vielen Dank fürs hochladen der neuen Version. Beim durchgehen der Schaltungen ist bei mir die Frage aufgekommen ob man die Hilfsspannungen anstatt mit dem 24V Regler und Z-Diode vielleicht mit Hilfe der Mittelpunktsanzapfung und zwei Spannungsreglern erzeugen sollte. (Chris hatte das in seinem Boardlyout so umgesetzt.)
Hi, interessantes Projekt! Aber was mich auch interessieren würde, welche Potis brauche ich denn für die ursprünglicher Version, was die Belastbarkeit angeht? thx
Danke für die Hammer-Hilfe.. Wenn du etwas mehr Beiträge zu dem netzteil gelesen hättest, wüsstest du, worum es mir geht ;)
Anbei der Vollständigkeit halber der im Funkschau-Artikel referenzierte Spannungs- und Stromregler aus den Applikationsbeispielen von Signetics.
Bitte melde dich an um einen Beitrag zu schreiben. Anmeldung ist kostenlos und dauert nur eine Minute.
Bestehender Account
Schon ein Account bei Google/GoogleMail? Keine Anmeldung erforderlich!
Mit Google-Account einloggen
Mit Google-Account einloggen
Noch kein Account? Hier anmelden.


