Ich wollte fragen, ob hier Leute daran interessiert sind mir ein Layout für eine Platine basierend auf einem Schaltplan zu erstellen und mir die Platine anschliessend auch noch zu ätzen/fräsen und mir dann zu schicken. Ich glaube manche Leute machen das hier sowieso jede Woche einmal, und könnten dabei auch meine machen. -> Natürlich gibts auch Geld dafür. Genaueres wird über e-mail besprochen. Der Schaltplan muss sowieso noch überarbeitet werden (bis jetzt ists ja mehr ne Skizze :-)), also bleibt noch genügend Zeit. Es wäre nett wenn ihr mir schon so Preisvorschläge machen könntet. mfg Whiterock Auftrag: Nur Layout und die Platine (40mm x 80mm) ohne Bauteile. PS: Ideal wäre wenn ihr in Österreich lebt sodass die Versandkosten gering bleiben.
Ich glaube, dass die Versandkosten im Vergleich zu den Gesamtkosten nicht ins Gewicht fallen...
-> Ich hätte mit Versandkosten von ungefähr 2-3EUR. Es reicht ja Brief versendung via Post. Innerhalb Österreich kann man einen großen Luftpolsterumschlag um 1,45€ bis 500g versenden. mfg Whiterock
> Ich hätte mit Versandkosten von ungefähr 2-3EUR. Es reicht ja Brief > versendung via Post. > Innerhalb Österreich kann man einen großen Luftpolsterumschlag um 1,45€ > bis 500g versenden. Wenn Du Dir ernsthaft Gedanken machst, ob die Versandkosten nun 1,45 oder 3,00 Wertlos-Euros betragen, darf die Platine inklusive Erstellung und Schaltplanüberarbeitung bestimmt nicht mehr als 10,00 Werlos-Euros kosten, was? Ich vermute, es wird schwer werden, jemanden für Deine Preisvorstellungen zu begeistern. Außerdem wäre es nett zu wissen, worum es überhaupt geht. Poste doch mal das, was bisher an Schaltplan vorhanden ist. Vielleicht findet sich ja ein menschenfreund mit Langeweile...
Hier ein Menschenfreund mit Langeweile - womöglich. Kommt darauf an was dein Ding so alles können soll, was vorhanden ist etc. Kann aber nicht selber fertigen - würde das als Prototyp über meine Firma fertigen lassen. Das kann allerdings dauern, da nur ca jedes Monat eine Prototypbestellung aufgegeben wird. Wenn dich das nicht stört dann sag bescheid
Hir noch ein menschenfreund, kommt drauf an wieviele Bauteile drauf sind und wie schnell du das ganze brauchst aber grundsätzlich kann ichs machen
Also hier einmal der Schaltplan (soweit). Hoffe ihr könnt mir daraufhin
Kostenvoranschläge machen.
Platinengröße: So klein wie ihr sie hin bekommt!(maximal 80x40mm).
Form: Ausschließlich P-DIP/DIP/Through-Hole.
Lagen: 1
Extras: -dieses schicke "Whiterock" auf der Platine aus Leiterbahn.
-zwei Extra Löcher (oben links) für mich zum anschließen an die
Spannungsversorgung.
Bauteile: Kaufe und löte ich ein.
Bitte Kostenvor(an)schläge hier posten!
mfg Whiterock
Die Schaltung ist so klein, die kann man ruhig auf einer Lochrasterplatine aufbauen.
Alex Weissenfels schrieb: > So klein wie ihr sie hin bekommt! > Form: Ausschließlich P-DIP/DIP/Through-Hole. Zwei gegensätzliche Forderungen. ;-) Wenn man klein werden will, nimmt man SMD, dann passt das alles ja schon fast auf die Rückseite einer Standard-USB-B-Buchse ... ach, ich habe den "Whiterock"-Schriftzug vergessen, der wird dann sicher doppelt so groß. :) Wenn du das sowieso schon in Eagle zusammenstellst, warum routest du das bisschen Board dann nicht gleich selbst und lässt die Platine bei Jakob Kleinens nächster Sammelbestellung mit anfertigen? Gerade eine Platine dieser geringen Komplexität bietet sich doch als Anfängerobjekt für ein Board-Routing regelrecht an.
Jörg Wunsch schrieb: > Wenn du das sowieso schon in Eagle zusammenstellst, warum routest > du das bisschen Board dann nicht gleich selbst und lässt die Platine > bei Jakob Kleinens nächster Sammelbestellung mit anfertigen? Gerade > eine Platine dieser geringen Komplexität bietet sich doch als > Anfängerobjekt für ein Board-Routing regelrecht an. -Weil ich keine Ahnung habe was routen heißt XD. mfg Whiterock
Zwar offtopic, aber evtl. trotzdem wichtig, bevor sich jemand ins Layouten stürzt: Woher bekommt der LM393 Strom? Ich sehe nicht, dass die Pins 4 und 8 irgendwo angschlossen wären. Wenn der Zweck der Schaltung sein sollte, die LED ab ca. 350mA USB-Strom zum Leuchten zu bringen, sollte das untere Ende von R4 direkt an Pin 4 der USB-Buchse angeschlossen werden. Hast du die Schaltung schon einmal auf dem Breadboard ausprobiert?
> Wenn der Zweck der Schaltung sein sollte, die LED ab ca. 350mA USB-Strom > zum Leuchten zu bringen, sollte das untere Ende von R4 direkt an Pin 4 > der USB-Buchse angeschlossen werden. wie kommst Du auf die 350 mA ?
Ich bin neu bei EAGLE, und bei dem LM393 hab ich nicht herausgefunden wie ich + und - anzeigen lasse. Also für alle: Pin 4 des IC's gehört an - und 8 an +! Danke Yalu :-) mfg Whiterock
Versorgungspins werden vom Pin-Namen bei eagle manchmal automatisch den Netznamen zugeordnet, also VCC=VCC GND=GND. Muss man mit dem ERC checken.
Alex Weissenfels schrieb: > Ich bin neu bei EAGLE, und bei dem LM393 hab ich nicht herausgefunden > wie ich + und - anzeigen lasse. Dazu gibt es den Invoke-Button (s. Anhang), mit dem du die restlichen Teile des ICs (zweiter Komparator und Stromversorgung) auswählen kannst.
Dietmar schrieb: > Hier ein erster Entwurf Die Pads von LED1 und X1 größer machen (wie b. Widerstände) weil sonst nach dem ätzen und bohren nichts mehr übrig bleibt. X1 würde ich näher an den Chip platzieren um die Leitung so kurz wie möglich zu halten um Störanfälligkeiten durch Einstreuungen schon im Vorfeld zu minimieren. Ansonsten macht es schon einen guten Eindruck.
Michael S. schrieb: > um die Leitung so kurz wie möglich Der Chip ist ca. 26mm vom USB Stecker entfernt. Was soll da großartig einstreuen? Hier geht es doch wohl nicht um 3GB/s wie bei USB3 oder? Es handelt sich, wie bereits geschrieben, um einen Entwurf. Die Leiterplatte ist 55*33mm groß. Die Led Augen können natürlich größer werden. Wer es besser kan, bitte.
Michael S. schrieb: > Die Pads von LED1 und X1 größer machen (wie b. Widerstände) > weil sonst nach dem ätzen und bohren nichts mehr übrig bleibt. Dazu bräuchte eagle mal was von der Flexibilität eines Diptrace. Pads beliebig EINZELN veränderbar in Größe und Form und das mit wenigen Klicks. ;)
g. c. schrieb: > Michael S. schrieb: > >> Die Pads von LED1 und X1 größer machen (wie b. Widerstände) >> weil sonst nach dem ätzen und bohren nichts mehr übrig bleibt. > > Dazu bräuchte eagle mal was von der Flexibilität eines Diptrace. Pads > beliebig EINZELN veränderbar in Größe und Form und das mit wenigen > Klicks. ;) Target kann das auch :)
Dietmar: Das Layout sieht meiner Meinung nach schonmal sehr gut aus! Großes Lob!
Nun, da Dietmar das Layout schon fertig hat, könntest Du mal DEINE Preisvorstellung nennen ! BOOOL
Ich weiß ehrlich gesagt nicht wie viel man für so eine mini-platine ohne bauteile verlamgen darf? 6€ exkl. Versand? mfg Whiterock
Die nicht benutzten Eingänge des LM393 sollten nicht offen bleiben. Also den -Eingang (Pin 6) mit Ausgang (Pin 7) oder GND verbinden, +Eingang (Pin 5) auf Vcc legen.
Mädchenkram... die Platine ist in 6 Minuten auf Lochraster gestrickt. BOOOL
Bei mir hat es nie was gemacht die PINS offen zulassen! Boool, ich will was bodenständig, und möglichst kleines. Es ist meine Sache, also reg dich über nen anderen Thread auf. Ich hab das ganze ja eh schon auf Lochraster.
Der LM393 hat keine C-MOS Eingänge. Daher sehe ich es nicht als zwingend erforderlich, die freien Eingänge auf Masse zu legen. Einer meint, der Chip muß näher an den Stecker. Ein anderer meint, die Led Augen sind zu klein. Wieder ein anderer meint, die unbenutzten Eingänge sollten auf Masse. Dazu meine ich, nicht meinen, sondern selbst machen. Die Datei kann ja jeder laden, verbessern, und hier veröffentlichen.
- Kann mir denn nun einer einen ersten Preis zu Dietmars Layout machen?- -Bitte - mfg Whiterock
Mein lieber Alex, ich habe mich nicht aufgeregt. Aber großspurig von Auftrag und Kostenvoranschlag reden... Schnapp Dir doch das BRD-File von Dietmar und ab nach platinenbelichter. Da bekommst Du dann sogar 2-3 Platinen. Glaube günstiger wirst du es nicht mehr bekommen, es sein denn Du fertigst deine Platine selber. Aber selber machen scheidet in Deinem Fall wohl aus. BOOOL
Lass es bei Platinenbelichter.de machen. Dann ist endliche Ruhe.
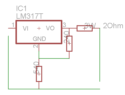
@Dietmar: Ein paar Fragen: 1) Woher nimmst du den Kondensator C1? (...aus dem nichts...) 2) Wäre es möglich, dass du einen weiteren (mini) Schaltplan unabhängig vom jetzigen Layout links daneben wirfst/tust/machst. Allerdings darf die Breite der Platine nicht über 40mm sein ;-). 3) Könntest du anschliessend das fertige Layout so oft wie möglich auf 100x80mm verteilen. :-) mfg Whiterock Notiz: Gnd ist Adj! (konnte den lm317 in EAGLE nicht finden)
Der C1 ist aus der Lib rcl. Den LM317 gibt es in der Lib v-reg. Was ist mit einem Kühlkörper? Keiner, stehend, (z.B. SK104) liegend? Strom? Befestigungs/Montagebohrungen? In der angegebenen Dimensionierung beträgt die Ausgangsspannung 4,06Volt. Ist das korrekt? Ist der USB Stecker korrekt? Die Platine kann auch größer sein. Ich habe eine kommerzielle, unbeschränkte Lizenz.
Dietmar schrieb: Spannungsstabilisierung? Gut zu wissen Ich ziehe 0,5 A um einen Lipo zu laden und mache aus 6V, 4,1V. Kühlkörper glaube ich brauch ich nicht. Stehend To220 umgebogen zu liegend 0,5A Möglicherweise für den Lm317 (Kühlkörperloch) Es sollte 4,1V sein um einen LiPo zu laden Sofern PIN 1 VCC und PIN 4 GND, Ja: http://de.m.wikipedia.org/w/index.php?title=Datei:USB.svg&filetimestamp=20090406174048 Sehr gut :-) mfg Whiterock
Hier ein erster Entwurf für den LM317 Den Schaltplan habe ich beigefügt, damit die, die es besser können wollen auch mal so machen.
Bei mir is es da :-). Könntest du diesen Schaltplan jetzt noch auf eine Platine mit dem Anderen geben? :-) mfg Whiterock
ein mobiles aufladegerät für das iphone (allerdings mit extras die es so noch nicht gibt) ;-) mfg Whiterock
Neuer Auftrag: Dietmar's Entwurf ist gut. Zur Größenminimiereung habe ich mich nun aber entscheiden es in SMD Ausführung zu machen. Ich suche Leute die mir helfen meinen Schaltplan zu entwerfen und mir ein Layout anfertigen :-) Schaltplan: Einen Teil habe ich schon selbst gemacht (siehe oben bzw. das dazugehörige Layout von Dietmar). Nun möchte ich zwischen LiIon Lademodus und iPhone (keine Sorge, es wird net hin) Lademodus mit einem simplen mechanischen Schalter wechseln können. Wenn man sich das im Schaltplan vorstellt ist der Schalter dann in der Mitte und kontrolliert ob geladen (links) oder entladen (rechts) werden darf. Das Laden möchte ich auf einem MAX1811 aufbauen. Ich hätte gehofft die dazugehörige Schaltung rundherum könnte mir jemand machen. -> Es geht nur um Schaltplan und Layout, kein Ätzen od. Sonstiges. -> Ich biete auch Geld für den Auftrag. (wv nach Absprache) mfg Whiterock
Alex Weissenfels schrieb: > ein mobiles aufladegerät für das iphone (allerdings mit extras die es so > noch nicht gibt) ;-) > > mfg Whiterock Warum dann so kompliziert? 230VAC frisch ab Dose (Bitte ohne Vor-Sicherung!) und das Problem ist aus der Welt geschafft! Dann muss man nur noch dafür sorgen, dass alle sich dieses "Ladegerät" kaufen! Grüsse, Microwave
Es geht um ein mobiles Aufladegerät! Das Aufladegerät soll einzigartig sein. Ich will es nicht verkaufen.
Wie meinst du? Macht mir Preisvorschläge :-). Mein Maximum ist 15€ (für Layout und Schaltplan). Hoffentlich findet sich jemand ;-). mfg Whiterock
Es könnte mich ja mal wer aufklären wie viel sowas kostet anstatt dumme Kommentare zu schreiben. Nochmal: Ich bin net aus der branche ! mfg Whiterock
Alex Weissenfels schrieb: > Es könnte mich ja mal wer aufklären wie viel sowas kostet anstatt dumme > Kommentare zu schreiben. Nochmal: Ich bin net aus der branche ! Pro Stunde Arbeit 50.- Euro (ohne Mwst)
Aus welcher Branche bist du ? Welcher Stundenlohn / Stundensatz ist bei dir üblich ? (Keine genauen Zahlen, nur eine Größenordnung)
Ich bin lediglich Hobbyelektroniker. Jetzt muss ich noch wissen wv Stunden so etwas in Anspruch nimmt! Dietmar hat mir 2Layouts gratis gemacht. mfg Whiterock
Alex Weissenfels schrieb: > Dietmar hat mir 2Layouts gratis gemacht. Ja, hast uns hier ja auch schön veräppelt. Erst etwas von DIP/Throughhole erzählen, dir schön Layouts basteln lassen, dich dafür nicht bedanken und dann am Ende erzählen, dass die Layouts eigentlich für die Katz wären weil du jetzt doch SMD haben willst. Dazu dann noch, dass du seit gut einem Monat mit dieser banalen Sache herumeierst, andere hätten sich in der Zeit längst in Eagle eingearbeitet, gelernt was "routen" heißt und den Mist selber entworfen und die Platine fertigen lassen. Dann auch noch die Frechheit zu besitzen ein MAXIMUM(!!!) von 15€ zu bieten wo man mit minimalem Aufwand online recherchieren könnte dass das zu dem Preis wohl eher nichts wird... sorry, aber ich bin der Meinung, dass dir hier schon genug geholfen wurde, du hast sogar schon fertige Schaltpläne so dass du diese nur noch auf SMD umbiegen müsstest. Warum du das nicht willst ist dein Geheimnis und ich für meinen Teil bin der Meinung, dass du dir heir schon genügend kostenlose Hilfe abgezogen hast.
Alex Weissenfels schrieb: > Ich bin lediglich Hobbyelektroniker. Nein, bist Du nicht. Du wärst es vielleicht gerne. Sonst würdest Du andere nicht deine Projekte erledigen lassen. Kannst Du uns hier mal bitte verraten, was Dich davon abhält Dich selbst mal einzuarbeiten?
Geh mal auf die Webseite von pcb-pool dann weißte was Platinenherstellung kostet. Nen regulären Indschenjöhr hier findeste nicht, aber vielleicht machts der Willhelm oder sonst irgenso n armer Teufel oder n Student. Würde die einfach mal direkt anhaun, mehr wie absagen könnense nicht.
1)Ich wollte hier keinen veräppeln. Die Idee es in SMD zu machen kam mir deswegen, weil es den MAX1811 nur in SMD gibt. Ich dachte mir also warum nicht alles in SMD machen, denn ich bin mir nicht sicher in wie fern man SMD überhaupt mit DIP verknüpfen kann. Am leibsten wäre mir persöhnlich DIP und den MAX1811 dann in SMD. -Wie gesagt keine Ahnung wie das geht-. 2)Ich hab mich bedankt?!. Ich habe nix gratis verlangt. Ich war ja bereit Geld auszugeben, gebt nicht mir die Schuld wenn jemand etwas dann gratis macht. 2)b) Das zweite Layout von Dieter konnte ich deshalb nicht verwenden weil ich 2Tage danach erfahren habe, dass das zu gefährlich sei. 4Tage zuvor hat mir jemand von der Community gepredigt, er mache das immer so. 3)Definiere "Hobbyelektroniker". 4)@Joachim: Du redest von Platinenherstellung, wir aber vom Layouten ;) mfg Whiterock Nochmal zum Auftrag: Wv würde es kosten Dietmars erstes Layout um den Schaltkreis für den MAX1811 zu erweitern?. Bitte Vorschläge
Kannst du den SMD Chip dann überhaupt einlöten ? SMD ist schon so fuzelig klein. Bist du dir sicher, dass du das hinbekommst ? Hast du die nötige Ausstattung dazu ? Ein Kurzschluss hier oder da und der Akku kann dir um die Ohren fliegen. Oder dein Handy geht in Rauch auf...das würde ich mir erst noch zweimal überlegen, ob es wirklich SMD sein soll !
Hier ein Beispielvideo, was bei Problemen mit dem Akku passieren kann: http://www.youtube.com/watch?v=RQjudHKh-bI Und wenn es dann doch mal passiert, überlege Dir vorher, wie du es am besten löscht: http://www.youtube.com/watch?v=ojGaAGDVsCc
um mal für einen eindruck vom potentiellen geschäftspartner zu bekommen: http://board.gulli.com/thread/1637467-coder-avenue-bgun-de-coder-avenue-dein-programmierer-board/ http://www.gm-d.de/wbb/game-maker/game-maker-programmierung/technische-fragen/17071-elekronik-simulation-simulation-von-simp/ Beitrag "Das perfekte Relais" und vor allem: Beitrag "LED soll beim aufladen leuchten" http://www.google.de/search?q=site:mikrocontroller.net+whiterock du meine güte... seit juni flausen im kopf und BIS heute keinen eigenen handstrich, der auch nur ein stück konkreten gedanken hätte. bleib doch lieber auf deinem minecraft-server.
@Noname: Hoffe schon. Ich hab mir extra ein 0.6mm dünnes Lötzinn gekauft und meine Augen funktionieren noch sehr gut :-). Ich kenne die Videos. Ich mache meine ersten Tests dann im Freien und überprüfe die Temperatur des Akkus mit einen IR-Termometer. Soweit der Plan. @michael_h45: 1) Ähm ja und? (btw: das Forum gibt es nicht mehr) 2) Ich fand das Thema interessant, ja und? 3) Regst du doch über den Thementitel auf? 4) Ich hab die Schaltung übrigens schon umgesetzt vor mir am Schreibtisch liegen. 5) Keine Ahnung was du hast? Die ganzen Themen ausserhalb spielen keine Rolle. Ist es wirklich so schwer sich in meinem Alter durchsetzen zu können und respektiert zu werden? mfg Whiterock
Alex Weissenfels schrieb: > Die ganzen Themen ausserhalb spielen keine Rolle. Ist es wirklich so > schwer sich in meinem Alter durchsetzen zu können und respektiert zu > werden? das hat rein gar nichts mit alter zu tun. denn woher sollen wir wissen, wie alt du bist??
Bitte melde dich an um einen Beitrag zu schreiben. Anmeldung ist kostenlos und dauert nur eine Minute.
Bestehender Account
Schon ein Account bei Google/GoogleMail? Keine Anmeldung erforderlich!
Mit Google-Account einloggen
Mit Google-Account einloggen
Noch kein Account? Hier anmelden.






