Hallo ich würd gerne eine verstärkerschaltung mit dem lm358 aufbauen. der Temperatursensor hat einen Spannungsbereich von 3-4v und soll um 0,3v verstärkt werden. nun meine Frage: reicht das wenn ich den opv mit 12v betreibe oder muss ich unbedingt eine negative spannung bereitstellen mfg marcel
Zwar kennen wie Deine "eine Verstärkerschaltung" nicht, Und das Datenblatt des LM358 sagt, das es eine Schaltung gibt die mit single supply 15V läuft. ergo...
es soll ein nicht inventierenter verstärker werden ist die schaltung bei 3v dann halbwegs zuverlässig
> Spannungsbereich von 3-4v und soll um 0,3v verstärkt werden.
Was willst du uns damit sagen
Ja - sollte mit 12Volt gut gehen. Der OPV kann eingangsseitig bis an Masse ran. Von daher kein Problem. Axelr.
>> Spannungsbereich von 3-4v und soll um 0,3v
<< verstärkt werden
Also ein Offset von 0,3V (V, nicht v) dazu addieren?
Blackbird
>nun meine Frage: reicht das wenn ich den opv mit 12v betreibe oder muss >ich unbedingt eine negative spannung bereitstellen Meinst du so eine Schaltung wie im Anhang?
Negative Spannungen gibt es eh nicht, resp. das ist alles relativ. DU alleine bestimmst, wo der Nullpunkt ist, und kannst somit sagen, dass Dein OpAmp mit -5V und +5V, 0V und 10V, -10V und 0V, 990V und 1000V oder 9999990V und 10000000V betrieben wird. Er wird mit allem glücklich sein und ohne Probleme funktionieren. Du musst einfach schauen, dass die Ein- und Ausgänge innerhalb der durch die Versorgung gegebenen Grenzen (mit den Abständen gemäss Datenblatt) bleiben. Dann passt das. Der Begriff "Single Supply" ist in diesem Zusammenhang ein Marketing-Gag. Gruäss Simon
>Negative Spannungen gibt es eh nicht,... ?? Natürlich gibt es die! Es ist ein Unterschied, ob du nur eine 12V Versorgung mit einem LM7812 brauchst oder eine +/-12V Versorung mit einem LM7812 und einem LM7912. >Du musst einfach schauen, dass die Ein- und Ausgänge innerhalb der durch >die Versorgung gegebenen Grenzen (mit den Abständen gemäss Datenblatt) >bleiben. Dann passt das. Du mußt vielmehr beachten: Wenn du eine Hilfsmasse erzeugst, dann muß sie auch stabil sein und Masseströme ausreichend sinken und sourcen können. Bei einer bipolaren Versorgung um eine echte Masse fällt das erheblich leichter als bei einer Single Supply Anwendung. >Der Begriff "Single Supply" ist in diesem Zusammenhang ein >Marketing-Gag. Nein, ist es nicht. "Single Supply" heißt hier, daß der OPamp bis zur Bezugsmasse seiner Versorgungsspanng herunter arbeitet. Das können OPamp für bipolare Speisung fast nie.
ktyi schrieb: >>Negative Spannungen gibt es eh nicht,... > > ?? Natürlich gibt es die! Es ist ein Unterschied, ob du nur eine 12V > Versorgung mit einem LM7812 brauchst oder eine +/-12V Versorung mit > einem LM7812 und einem LM7912. > Nein, da gibt es keinen prinzipiellen Unterschied. Ein OpAmp hat ZWEI Speisungseingänge. Und die Virtuelle Masse, die Du nennst, musst Du a) sowieso erzeugen, egal, ob Du sie "0V" oder "+2.5V" nennst, oder b) durch etwas Denken eliminieren. Dazu habe ich in einem anderen Thread mal was geschrieben. Siehe hier: Beitrag "PI-Regler mit Single Supply OPV möglich?" Das kostet einige wenige zusätzliche Widerstände und ist oft sogar die bessere Lösung als ein zusätzliches extern erzeugtes Potential >>Du musst einfach schauen, dass die Ein- und Ausgänge innerhalb der durch >>die Versorgung gegebenen Grenzen (mit den Abständen gemäss Datenblatt) >>bleiben. Dann passt das. > > Du mußt vielmehr beachten: Wenn du eine Hilfsmasse erzeugst, dann muß > sie auch stabil sein und Masseströme ausreichend sinken und sourcen > können. Bei einer bipolaren Versorgung um eine echte Masse fällt das > erheblich leichter als bei einer Single Supply Anwendung. Siehe obiger Link. > >>Der Begriff "Single Supply" ist in diesem Zusammenhang ein >>Marketing-Gag. > > Nein, ist es nicht. "Single Supply" heißt hier, daß der OPamp bis zur > Bezugsmasse seiner Versorgungsspanng herunter arbeitet. Das können OPamp > für bipolare Speisung fast nie. Der korrekte Begriff hierfür ist aber "Rail to Rail". DAS sagt das aus (aufpassen: Es gibt INPUT R2R und OUTPUT R2!) Single Supply? JEDER OpAmp mit zwei Speisungseingängen ist Single supply.
>Und die Virtuelle Masse, die Du nennst, musst Du a) >sowieso erzeugen, egal, ob Du sie "0V" oder "+2.5V" nennst... Nein, muß ich nicht! Bei einer bipolaren Spannungsversorgung wird mir die Masse freihaus geliefert. Bei einer unipolaren muß ich sie dagegen künstlich erzeugen. >Der korrekte Begriff hierfür ist aber "Rail to Rail". Nein, "Single Supply" meint, daß der OPamp eingangs- und ausgangsseitig bis zur Masse herunterkommt. Das ist nicht R2R! >Single Supply? JEDER OpAmp mit zwei Speisungseingängen ist Single >supply. Das ist einfach falsch. Ein LM324 ist "single supply", ein TLC277 ist "singe supply", aber ein TL052 ist nicht "single supply".
ktyi schrieb: >>Und die Virtuelle Masse, die Du nennst, musst Du a) >>sowieso erzeugen, egal, ob Du sie "0V" oder "+2.5V" nennst... > > Nein, muß ich nicht! Bei einer bipolaren Spannungsversorgung wird mir > die Masse freihaus geliefert. Bei einer unipolaren muß ich sie dagegen > künstlich erzeugen. > Freihaus? Musst Du die negative Spannung denn nirgends erzeugen? ;-) Genau das ist es ja, was ich meine: Es kommt auf das selbe raus! Nenn die doch +Vcc, Masse, -Vcc! Ich nenne sie dann halt 0V, 5V, 10V. Oder, wenn ich will, 900V, 905V, 910V! Es ist das selbe! Und plötzlich ist alles positiv! Und die 905V sieht der OpAmp nie! Nur die 900V und die 910V. Nein, eigentlich sieht er nur etwas, das 10V auseinander ist. >>Der korrekte Begriff hierfür ist aber "Rail to Rail" > > Nein, "Single Supply" meint, daß der OPamp eingangs- und ausgangsseitig > bis zur Masse herunterkommt. Das ist nicht R2R! > falsch. Kannst Du Englisch? (ist kein Pöbeln, ich frage nur) Bis zur Masse? Welche Masse jetzt? Bis zum Versogungspotential meinst Du vermutlich! Ob Du das Masse, +2.5V, -2.5V, +314234234V nennst, ist egal. >>Single Supply? JEDER OpAmp mit zwei Speisungseingängen ist Single >>supply. > > Das ist einfach falsch. Ein LM324 ist "single supply", ein TLC277 ist > "singe supply", aber ein TL052 ist nicht "single supply". Dann zeige mir doch bitte mal den dritten Speisungseingang! Richtig, vielleicht NENNEN sie es so! Single Supply = eine Versorgung (-sspannung). EINE Versorgungsspannung --> ZWEI Potentiale. Dual Supply = doppelte (zwei) Versorgungsspannung(en). ZWEI Spannungen --> DREI Potentiale. Wie gesagt: Du wirst mir ganz ganz sicher Datenblätter zeigen können, in denen "Single Supply" im Titel steht. Ich kann Dir nämlich auch ein Waschmittel zeigen, wo "Super-Schwarz-Formel" draufsteht! ;-)
>falsch. Kannst Du Englisch? (ist kein Pöbeln, ich frage nur) http://www.analog.com/static/imported-files/rarely_asked_questions/RAQ_singleSupplyAmps.pdf
@Marcel Ettenauer Du brauchst weder eine negative Spannung noch eine extra erzeugte "virtuelle Masse". Schau mal in obigen Link rein. Da siehst Du, wie's geht. Das funktioniert mit jedem OpAmp. Mehr noch, es funktioniert mit jeder erdenklichen Schaltung.
ktyi schrieb: >>falsch. Kannst Du Englisch? (ist kein Pöbeln, ich frage nur) > > http://www.analog.com/static/imported-files/rarely... Autsch! Eigentor! Ich habe zwecks Zeitmangel im Moment mal nur die erste Spalte gelesen. Und da sehe ich doch diesen Satz: "Any amplifier can be run on a single supply. Op amps don't have a ground pin and are equally happy..." :-) Aber ich lese es gelegentlich mal noch zu ende.
>Autsch! Eigentor! Ich habe zwecks Zeitmangel im Moment mal nur die erste >Spalte gelesen. Und da sehe ich doch diesen Satz: Ich habe eigentlich diesen Satz hier gemeint: "By definition, a true “single-supply” op amp operates on one supply, and the input common-mode voltage range of the amplifier includes the negative supply rail."
Und weiter unten erklärt er, dass das eigentlich keine Eigenschaft von OpAmps ist. Er spricht von "negative supply rail" und erklärt weiter unten, dass es eben KEINEN Masse-Input im OpAmp gibt. Dass der Begriff Rail to Rail mit Vorsicht genossen werden muss; dass es nicht "bis zu" sondern "annähernd bis zu" heisst, sollte jedem klar sein. Nicht nur Schriften zitieren, mal darüber nachdenken! Überlagerungsprinzip anwenden, lies doch mal den verlinkten Thread oben, dann wird's Dir klar!
ktyi schrieb: >>Negative Spannungen gibt es eh nicht,... > ?? Natürlich gibt es die! Es ist ein Unterschied, ob du nur eine 12V > Versorgung mit einem LM7812 brauchst oder eine +/-12V Versorung mit > einem LM7812 und einem LM7912. Du kannst Deine "negative Versorgung" genausogut auch mit einem 7812 aufbauen. Du brauchst dann nur eine getrennte Trafowicklung und Gleichrichter und verbindest anschliessend den postiven Ausgang Deines zweiten 7812 mit dem sog. "Masseanschluss" Deines ersten 7812. Ich garantiere Dir: Deine Schaltung wird den Unterschied nicht merken. :-) Gruss Harald
Ok, las es nochmals durchgelesen. Ich bin nicht so begeistert von dieser Schrift. Ja, richtig, er schreibt, dass man gemeinhin von "single supply" spricht, wenn die Eingänge bis an die "unteren" Speisung gehen können. Ich habe nie behauptet, dass die Hersteller diesen Begriff NICHT verwenden, nur, dass es ein Marketing-Gag ist. Und weiter unten spricht er plötzlich von Rail to rail. Und implizit meint er eben: Er spricht von DIESER Eigenschaft (weil eben der Begriff selbsterklärend ist!). Ich kann mich nur wiederholen: Zitiere nicht einfach etwas, was jemand geschrieben hat! Begriffe bedeuten inhärent etwas, und im Fall OpAmp wird "Single Supply" wohl im allgemeinen Verständnis quasi synonym zu R2R verwendet. Aber das ändert nichts an der Tatsache, dass es ein Mareting-Gag ist, weil es nämlich etwas völlig falsches suggeriert. Auch da wiederhole ich nochmals: Ich bin mir bewusst, dass viele Hersteller (und somit auch Kunden) diesen Begriff verwenden. Aber er macht dennoch nur sehr wenig Sinn! Tatsache ist, und das schreibt dieser Typ selber: JEDER OpAmp kann mit Single Supply betrieben werden.
Simon Huwyler schrieb: > Ich kann mich nur wiederholen: Zitiere nicht einfach etwas, was jemand > geschrieben hat! Genau! Vor allen nicht ohne Quellangabe. Da sind schon ganz andere drüber gestolpert. :-) Gruss Harald
Ich habe eine Weilde überlegt, ob das ein Hieb gegen mich ist, dann, ob gegen ktyi geht... beides konnte ich nicht versteheh... und erst nach einigen Sekunden schaltete ich. Ich denke halt manchmal ein bisschen langsam. ;-) ... Aber quellen wurden hier schon angegeben.
>Ja, richtig, er schreibt, dass man gemeinhin von "single supply" >spricht, wenn die Eingänge bis an die "unteren" Speisung gehen können. >Ich habe nie behauptet, dass die Hersteller diesen Begriff NICHT >verwenden, nur, dass es ein Marketing-Gag ist. >Auch da wiederhole ich nochmals: Ich bin mir bewusst, dass viele >Hersteller (und somit auch Kunden) diesen Begriff verwenden. Aber er >macht dennoch nur sehr wenig Sinn! Ich denke, du willst hier einfach nur Recht behalten. "Single Supply" im Zusammenhang mit OPamps meint etwas sehr Spezifisches. Jeder gute Elektroniker weiß, was damit gemeint ist und die Bezeichnung als reinen Marketing-Gag abzutun, wird der Sache nicht gerecht.
POPCORN ktyi schrieb: > Jeder gute > Elektroniker weiß, was damit gemeint ist Du bist also einer der wenigen guten Elektroniker? In einem Datenblatt von National steht: > The LM158 series consists of two independent, high gain, > internally frequency compensated operational amplifiers > which were designed specifically to operate from a single > power supply Wo genau ist der LM158 R2R? Eingangsseitig bis 0V, aber sonst?
Karl schrieb: > *POPCORN* > > ktyi schrieb: >> Jeder gute >> Elektroniker weiß, was damit gemeint ist > > Du bist also einer der wenigen guten Elektroniker? In einem Datenblatt > von National steht: >> The LM158 series consists of two independent, high gain, >> internally frequency compensated operational amplifiers >> which were designed specifically to operate from a single >> power supply > > Wo genau ist der LM158 R2R? Eingangsseitig bis 0V, aber sonst? M.W. gabs z.Z. der Entwicklung des 324 und seiner Abkömmlinge noch keine R2R-Verstärker. Da war man froh, wenn ein Verstärker schon ganz gut in der Nähe der negativen Schiene arbeitete. Ich halte die Bezeichnung "Single Supply" auch, wie bereits gesagt wurde, mehr für eine Marketing, als für eine Technische Aussage. In wie weit ein OPV noch in der Nähe der Betriebsspannungsschienen zuverlässig arbeitet, muss man sowieso für jeden Einzelfall prüfen. Die Angabe "Single Supply" kann höchstens bei einer groben Vorauswahl helfen. Gruss Harald
Bevor ihr euch zu sehr in die Haare kriegt, und der Threadstarter es überhaupt nicht mehr wagt, sich an der Diskussion zu beteiligen: Der Begriff "Rail-to-Rail", wenn auch schlecht gewählt, ist kein billiger Marketingtrick, sondern steht für einen bestimmten internen Aufbau und insbesondere die Anordnung der Ein- und Ausgangstransistoren. Gleiches gilt für "Single-Supply", nur dass dieser Begriff noch schlechter gewählt ist. Ein Single-Supply- oder ein Rail-to-Rail-Opamp von AD wird von einem Ingenieur der Konkurrenz LT ebenso als solcher bezeichnet werden und umgekehrt. Das wäre ganz sicher nicht so, wenn die Begriffe nur Marketing-Blenderworte wären. Leider habe ich in keiner Weise verstanden, was Marcel genau vor hat, sonst würde ich jetzt auch noch etwas on-topic schreiben. Marcel Ettenauer schrieb: > der Temperatursensor hat einen Spannungsbereich von 3-4v und soll um > 0,3v verstärkt werden. Eine Verstärkung hat keine Einheit, also können die "0,3v" höchstens ein Offset sein, der zur Eingangsspannung hinzuaddiert wird. Das ist aber vermutlich auch nicht der Wunsch, denn warum sollte die nachfolgende Schaltung mit 3,3..4,3V zurechtkommen, während sie es mit 3,0..4,0V nicht tut? Marcel, schreib doch mal, welche Ausgangsspannung bei 3V Eingangsspan- nung herauskommen soll und welche bei 4V. Dann kann man dir sicher fundiertere Tipps geben.
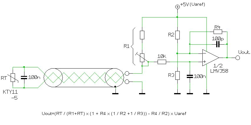
>Du bist also einer der wenigen guten Elektroniker? Es gibt viele gute Elektroniker... >Wo genau ist der LM158 R2R? Eingangsseitig bis 0V, aber sonst? Sage ich doch! Er ist kein R2R Typ, sondern ein "Single Supply" OPamp. Nochmals, "Single Supply" bedeutet: >"By definition, a true “single-supply” op amp operates on one supply, >and the input common-mode voltage range of the amplifier includes the >negative supply rail." R2R ist etwas anderes... >M.W. gabs z.Z. der Entwicklung des 324 und seiner Abkömmlinge noch >keine R2R-Verstärker. Da war man froh, wenn ein Verstärker schon >ganz gut in der Nähe der negativen Schiene arbeitete. Genau. "Single Supply" war der Vorläufer von R2R. >Leider habe ich in keiner Weise verstanden, was Marcel genau vor hat, >sonst würde ich jetzt auch noch etwas on-topic schreiben. Ich denke, daß der Temperatursensor Teil eines Spannungsteilers ist und dadurch die 3...4V entstehen. Deswegen habe ich auch die Schaltung mit dem KTY11-5 ins Gespräch gebracht.
ktyi schrieb: > Ich denke, du willst hier einfach nur Recht behalten. Nein. Der Fragesteller fragte, ob er einen bestimmten OpAmp auch ohne negative Spannung betreiben kann. Und dann wurde diskutiert, dass das gehe, weil irgendwas im Datenblatt stehe etc... Und ich machte mal klar, dass "Single Supply", in dem Sinne, was der Begriff halt einfach bedeutet, aufgrund der Wahl des Begriffs, aufgrund der Gesetze der Englischen Sprache, nämlich EINE Versorgungsspannung, mit JEDEM OpAmp möglich ist. Und dass das einzige, was er in diesem Zusammenhang machen muss, ist, im Datenblatt die Potentialgrenzen nachzuschauen, und die Schaltung entsprechend zu designen. Du widersprichst mir, indem Du einfach konstatierst, dass die was ganz anderes damit meinen. Ich wiederum bestätige, dass die Industrie wohl diesen Begriff verwendet, aber dass er eben irreführend sei. Und Du sagst wieder sinngemäss: "Nein, stimmt nicht, siehst Du, dieser Typ ist Single Supply und jener nicht! q.e.d!" Also wer will hier unbedingt recht behalten? ;-) Lies mal meinen allerersten Post hier. Und dann Deine allererste Antwort drauf. Dann verstehst Du hoffentlich endlich, was ich meine! Gruäss Simon
Ein bisschen pointiert könnte man folgenden Vergleich machen: Jemand fragt, ob er für grüne Unterhosen eigentlich auch normales Waschmittel verwenden kann, anstatt das "Super-Konzentrat-Unterwäsche-Waschmittel" von SauberMax. Ich antworte: "Super-Konzentrat" ist nur ein Marketingbegriff. Du musst einfach schauen, wieviel Du in die Maschine rein tun musst, gemäss Anleitung des jeweiligen Waschmittels. Dann siehst Du ürbigens auch, was denn nun eine Wäsche kostet. (Weil ja SauberMax damit wirbt, dass es günstiger ist, weil Super-Konzentrat). Prinzipielle Unterschiede gäbe es da nicht. Und schon gar nicht bezüglich der Art des zu waschenden Gewebes. Ob Unterhosen oder T-Shirt, das hat damit gar nichts zu tun. (Wobei ich mich hier als Laie in der Textilreinungsbranche oute, vielleicht macht's hier ja einen Unterschied. ;-)) Und Du sagst, dass das nicht bloss ein Marketing-Begriff sei! Das Waschmittel sei nämlich konzentriert! Und der gleiche Hersteller habe auch welches im Programm, das nicht konzentriert sei! Der Grund, warum mir tatsächlich recht wichtig ist, das mit dem "Single"/"Dual-Supply" klarzustellen, ist übrigens nicht Prinzipienreiterei, sondern die Tatsache, dass wirklich recht viele Entwickler die fixe Idee HABEN (wie Du ja auch), dass es für "Dual-Supply-Typen" zwingend eine negative Versorgungsspannung braucht. Deshalb meine Wortwahl "Marketing-Begriff". "Single Supply" hat natürlich was damit zu tun, dass man mit Single Supply oft(!) mit engeren Grenzen konfrontiert ist. Und darum gerne die Vorzüge von R2R nutzt. Aber eben: Auf die Wahl eines "Nicht-Single-Supply-Typen" zu verzichten, weil man keine negative Versorgung hat, ist Blödsinn. Und noch was: In meiner Studienzeit hat mich dieser Begriff wirklich verwirrt! Weil es mit meiner Logik einfach nicht in Einklang zu bringen war, warum es "Single Supply" und "Dual Supply" Typen gibt. Weil KEIN OpAmp zwei Speisungen benötigt. Und die Lösung dieser Verwirrung, die sich automatisch ergibt, wenn man ein bisschen nachdenkt ist nun mal: Der Begriff ist SEHR an den Haaren herbeigezogen und suggeriert schlicht etwas falsches. Wenn man das weiss, kann man sich dann wieder der Logik widmen.
>Der Begriff ist SEHR an den Haaren herbeigezogen und suggeriert schlicht >etwas falsches. Nein, tut er nicht. Du interpretierst einfach nur zu viel hinein. Nochmals, "Single Supply" meint nur folgendes: "By definition, a true “single-supply” op amp operates on one supply, and the input common-mode voltage range of the amplifier includes the negative supply rail." Nimm an, du hast eine +12V Spannungsversorgung (bezogen auf 0V) und willst die Schaltung im Anhang aufbauen. An die Schaltung soll sich ein Komparator anschließen, der erkennen soll, ob die Helligkeit unter oder über einem bestimmten Level liegt. Diese Schaltung wird mit einem herkömmlichen OPamp, wie beispielsweise vom Typ eines TL052 nicht funktionieren, solange du keine zusätzliche negative Versorgunsgspannung bereitstellst. Mit einem Single Supply OPmp wie beispielsweise dem LM324 wird sie dagegen funktioneren. Natürlich könnte man die Schaltung auch anders designen und natürlich könnte dann auch ein TL052 funktioneren, sogar ohne zusätzliche negative Versorgunsspannung. Die Schaltung wäre dann allerdings aufwendiger. Aber darum geht es hier überhaupt nicht. Es geht nur darum, daß die Schaltung im Anhang, wenn denn ein Entwickler das genau so machen wollte oder müßte, eben nur mit einem Single-Supply OPamp funktionieren würde, weil eben nur bei diesem der Gleichtakt-Eingangsspannungsbereich bis auf 0V herunterreicht. Das ist alles was "Single Supply" meint! Es ist ein völlig eindeutiger Begriff, der von jedem guten Elektroniker verstanden wird und der sich seit Jahrzehnten in der Elektronik etabliert hat. Jeder Hersteller verwendet diesen Begriff.
ktyi schrieb: > Nimm an, du hast eine +12V Spannungsversorgung (bezogen auf 0V) und > willst die Schaltung im Anhang aufbauen. An die Schaltung soll sich ein > Komparator anschließen, der erkennen soll, ob die Helligkeit unter oder > über einem bestimmten Level liegt. > > Diese Schaltung wird mit einem herkömmlichen OPamp, wie beispielsweise > vom Typ eines TL052 nicht funktionieren, solange du keine zusätzliche > negative Versorgunsgspannung bereitstellst. Doch, Du brauchst nur den Fusspunkt Deiner Diode an einen Spannungs- teiler mit einer etwas höheren Spannung zu legen. :-) Gruss Harald PS: Es gibt übrigens auch sogenannte single supply Verstärker, bei dem das Eigangspotential bis zur Plus-Schiene, nicht aber bis zur Minusschiene gehen darf. Gruss Harald
@ Simon und ktyi Ihr habt auf jeden Fall mit eurer Haarspalterei erreicht, daß der TO sich nicht mehr meldet. Solltet ihr darauf stolz sein?
>Doch, Du brauchst nur den Fusspunkt Deiner Diode an einen Spannungs- >teiler mit einer etwas höheren Spannung zu legen. :-) Was du dann auch mit dem "+" Eingang machen mußt und was auf jeden Fall mit erhöhtem Schaltungsaufwand verbunden ist. >PS: Es gibt übrigens auch sogenannte single supply Verstärker, bei >dem das Eigangspotential bis zur Plus-Schiene, nicht aber bis zur >Minusschiene gehen darf. Interessant. Kannst du mir einen nennen? >Ihr habt auf jeden Fall mit eurer Haarspalterei erreicht, daß der TO >sich nicht mehr meldet. Das weißt du doch garnicht. Wenn es dem Moderator zuviel wird, halte ich sofort meine Klappe. Aber wenn jemand schreibt, daß es keine negativen Spannungen gibt und daß die Bezeichung "Single Supply" ein Marketing Gag ist, wird es in einem öffentlichen Forum ja wohl noch erlaubt sein zu widersprechen.
ktyi schrieb: > Aber wenn jemand schreibt, daß es keine negativen Spannungen gibt Was ist eine Spannung? Eine Potentialdifferenz. Und ob die negativ ist hängt vom Bezugspotential ab. Ist alles relativ.
ktyi schrieb: > Wenn es dem Moderator zuviel wird, halte ich sofort meine Klappe. Aber > wenn jemand schreibt, daß es keine negativen Spannungen gibt und daß die > Bezeichung "Single Supply" ein Marketing Gag ist, wird es in einem > öffentlichen Forum ja wohl noch erlaubt sein zu widersprechen. Das "Problem" ist, wie mir so beim Überfliegen scheint, dass ihr beide aneinander vorbei redet.
ktyi schrieb: > Nimm an, du hast eine +12V Spannungsversorgung (bezogen auf 0V) und > willst die Schaltung im Anhang aufbauen. An die Schaltung soll sich ein > Komparator anschließen, der erkennen soll, ob die Helligkeit unter oder > über einem bestimmten Level liegt. Und jetzt vergleiche das mal mit Simon Huwyler schrieb: > Du musst einfach schauen, dass die Ein- und Ausgänge innerhalb der durch > die Versorgung gegebenen Grenzen (mit den Abständen gemäss Datenblatt) > bleiben. Dann passt das. Das ist doch das Wesentliche. Der eigentliche Ursprung der Diskussion (nein, es ist eben NICHT OT!) war die Frage: Marcel Ettenauer schrieb: > reicht das wenn ich den opv mit 12v betreibe oder muss > ich unbedingt eine negative spannung bereitstellen sowie die Antwort: Andrew Taylor schrieb: > Und das Datenblatt des LM358 sagt, das es eine Schaltung gibt die mit > single supply 15V läuft. Und meine Aussage ist: Lass Dich doch vor der Forderung nach "Dual Supply" nicht einschüchtern, das einzige, was Du beachten musst, ist das inzwischen mehrmals Gesagte, dass Du in den Grenzen bleiben musst. Ganz ganz viele Menschen haben nämlich wirklich die fixe Idee, dass ein Dual Supply OpAmp zwingend eine negative Versorgung braucht. Und Du hast das fleissig untermauert. Und das stimmt schlicht und einfach nicht. Die Definition von Single Supply nehme ich zur Kenntnis. Ich halte sie für nicht sehr gelungen, aber ich nehme sie zur Kenntnis. Allerdings lese ich lieber harte Fakten, sprich Angaben im Datenblatt. Wieviele mV denn nun? Gruäss Simon
>Die Definition von Single Supply nehme ich zur Kenntnis. Ich halte sie >für nicht sehr gelungen, aber ich nehme sie zur Kenntnis. Dann laß uns diesen Disput jetzt beenden, einverstanden?
ktyi schrieb: > Wenn es dem Moderator zuviel wird, halte ich sofort meine Klappe. Aber > wenn jemand schreibt, daß es keine negativen Spannungen gibt und daß die > Bezeichung "Single Supply" ein Marketing Gag ist, wird es in einem > öffentlichen Forum ja wohl noch erlaubt sein zu widersprechen. Solange Du akzeptierst, das es ausser Deiner persönlichen Meinung auch noch andere Meinungen gibt, darfst Du die gerne äussern. :-) Gruss Harald
>Solange Du akzeptierst, das es ausser Deiner persönlichen Meinung >auch noch andere Meinungen gibt, darfst Du die gerne äussern. :-) Danke, Harald... Ich verbeiße mich oft zu sehr in bestimmten Formulierungen, die ich dann gerne aus dem Zusammenhang reiße und darauf zu lange herumreite...
Bitte melde dich an um einen Beitrag zu schreiben. Anmeldung ist kostenlos und dauert nur eine Minute.
Bestehender Account
Schon ein Account bei Google/GoogleMail? Keine Anmeldung erforderlich!
Mit Google-Account einloggen
Mit Google-Account einloggen
Noch kein Account? Hier anmelden.

