Hallo! Ich bin durch zufall auf die Seite von http://www.smi-china.net/eng/index.html gestoßen und habe gleich ne Preisanfrage gemacht. LPSF096064A00-T3 65K Color Depth 96*64 / 1.01" / 9.6$(USD) LPST096096A00-T3 65K Color Depth 96*96 / 1.10" / 10$(USD) LPSF096096A00-T4 262K Color Depth 96*96 / 1.10" / 10.3$(USD) LPSF096063A00-GB / 128 Gray Scale(B, G, O) / 96*63 / 0.95" / 6.2$(USD) LPSF096063B00-GB / 128 Gray Scale(B, G, O) / 96*63 / 0.95" / 6.2$(USD) 6LPSF096039A00-AB / 2-Area Color( B, Y) / 96*39 / 0.83" / 5.4$(USD) LPST128064A00-AB / 2-Area Color( B, Y) / 128*64 / 1.02" / 6.2$(USD) LPST096063A00-AB / 3-Area Color(B,G,O) / 96*63 / 0.95" / 6.2$(USD) LPST132064A00-AB / 4-Area Color (B, G, Y,O) / 132*64 / 1.16" / 7.2$(USD) LPST096064A00-MB Mono Color-B 96*64 / 0.95" / 6.2$(USD) -Samples kosten nur 50% -Lieferzeit sind 2 Wochen -es kommen noch Steuern und sehr viel Versandkosten (Hong Kong) hinzu Die Displays werden Hergestellt von http://www.litearray.com/products-oled.php . mfg KennyOswald
Habe vergessen, es steht nichts von mindestabnahmemenge drin. mfg KennyOswald
Und, willst du da bestellen? Würde sich wohl lohnen, Gruppenbestellungen zu machen. Wo ist der Unterschied zwischen Sample und "normal", außer daß ersteres billiger ist? Übrigens hätte das Posting ins Forum "Markt" vermutlich besser gepasst.
Nein, eigentlich wollte ich nur die Information ins Forum posten. Für eine bestellung habe ich selber keinen nerv. Würde mich aber an einer Sammelbestellung beteiligen. Aber vorher muss noch geklärt werden ob die ansteuerung einfach oder kompliziert ist. Samples sind Probeexemplare, zum testen. Lohnt sich aber nicht da sehr hohe Versandgebühren noch drauf kommen. mfg KennyOswald
Update Ich habe mir jetzt die Datenblätter angefragt und werde mir 10 Samples (LPSF096096A00-T4), von einen Kollegen aus Hongkong mitbringen lassen. mfg KennyOswald
Hallo KennyOswald könntest du mir vielleicht 1-2 Displays verkaufen? MartinK
Kann ich machen, wenn ich weiss, ob sich der aufwand lohnt. mfg KennyOswald
Update: Habe vorhin mit dem Mr. Li gesprochen, es kann sein das es im Dezember 2005, die 2" grössen verfügbar sind mit einer höheren Auflösung. mfg KennyOswald
Die Preis sind ja echt super niedrig. Ich hätte auch interesse an zwei von den Displays.
Guten Morgen. Ich mache keine Sammelbestellung. Von den Samples (Ende November) kann ich, ein paar abgeben. Nur Zur Info die Display sind schon ein wenig zu klein für mein Projekt. Es ist kleiner als die "Active Area" vom Nokia 3310 LCD. Werde mir trotzdem die kleinen zum Testen bestellen und auf die größeren warten. mfg KennyOswald
Nur mal eine ganz dumme Frage: Wieso verkauft eigentlich noch kein Distributor sowas hier in Europa ? Die einzigen OLEDs die ich bisher kenne sind die OLEDs die LC-Design verkauft und die Pictiva Reihe von OSRAM. Beide kosten ein Vielfaches von diesen farbigen OLEDs. Viele Leute geben viel mehr Geld für einfache SW LCDs (z.B. mit KS0108) Controller aus. Eine Nachfrage für solche OLEDs gibt es auf jedenfall. Ich denke wenn man sich eine größere Menge der OLEDs kaufen würde (so an die 100 oder so), und diese z.B. bei Ebay für den doppelten Einkaufspreis anbieten würde, würden die bestimmt schnell weggehen (welcher Casemodder will denn kein Farbdisplay für wenig Geld in seinem PC haben ?) Hat denn noch Niemand Erfahrung mit der Bestellung aus China und würde eine Sammelbestellung machen ?
Hm, wuerde mich abhaengig von der Menge fuer eine Sammelbestellung bereit erklaeren. Hab gestern mal eine Email an SMI geschickt, um die Details zu klaeren, warte aber noch auf eine Antwort. Ich wuerde mich bei der Bestellung wahrscheinlich auf die LPSF096096A00-T4 mit 262k Farben beschränken, ihr koennt aber auch gern mal schreiben, an welchen ihr sonst so interessiert seid. Die Bestellung wuerde wahrscheinlich so laufen, dass ich fuer jeden bestelle, der den vorher ausgemachten Preis bis zu einem bestimmten Termin auf mein Konto ueberwiesen hat. Geht leider nicht anders, da auch aus meiner Klospuelung nur Wasser statt Geld kommt. Bitte alle ernsthaften(!!!) "Bestellungen" mit dem Betreeff "OLED" an rtc_oled-x[AT]yahoo.de . Je nachdem, wie das Interesse ausfaellt, kommt die Bestellung zustande oder eben nicht. MfG, André PS: Ich bitte die kleinen Kinder, die hier gelegentlich herumgurksen die Finger von diesem Thread zu lassen und das Geplaenkel von wegen Finanzamt und Vertrauen gegenueber anderen ihrem Erzieher an den Kopf zu schmeissen. Vielen Dank
Hallo, ich habe leider noch keine Erfahrungen mit OLEDs. Wie funktioniert denn die Ansteuerung? Ich würde ein solches Display gerne zusammen mit einem AVR betreieben? Danke für die Hilfe!
Interesse hätte ich, aber dazu bräuchte ich erstmal die Daten zu dem OLED. Gibt es irgendwo ein Datenblatt dafür ?
Hab ich zumindest angefordert. Ich vermute mal, dass ich es zusammen mit der Antwort bekommen werde. Ich hoffe man kann die Dinger wirklich zu 100% per SPI ansteuern. Dieses "and SPI" beim Interface kommt mir irgendwie komisch vor. Vllt hat ja auch Kenny das Datenblatt schon und rueckt es raus :) MfG
Aaaalso, hab heute endlich eine Antwort bekommen. Leider scheint Kenny da etwas missverstanden zu haben. Samples kosten 50% MEHR als bei einer spaeteren Bestellung großer Mengen (sowas ist mir auch neu...). Somit kostet das LPSF096096A00-T4 15,50$. Das Datenblatt ist angehaengt. Hab nur mal kurz reingeschaut. Nur SPI scheint moeglich zu sein. MfG, André
Wie lange ist denn die Lebensdauer von diesen O-LED Displays ? Vor einiger Zeit wurden diese Displays ja noch als stark experimentell gekennzeichnet. Grüße
So wie ich das verstehe, gibt es kein SPI, sondern nur paralleles 18bit Interface, entweder mit RD\, WR\ oder Enable, R/W\ Die Ansteuerung scheint ja ziemlich kompliziert zu sein, es gibt ja alleine 5 Seiten mit Befehle... Das ist Rev0.0 des Datenblatts, ich kenne andere OLED Module da hat in der ersten Version weder das Timing noch der zulässige Betriebspannungsbereich gepasst... Wie sieht es mit den Versandkosten aus, also wieviele Module müssen bestellt werden, damit sich das ganze lohnt ? Ab welcher Menge unterscheiden die zwischen Samples und normal ? Bei dem Preis hätte ich Interesse an 2-3 Stück.
"Die Ansteuerung scheint ja ziemlich kompliziert zu sein, es gibt ja alleine 5 Seiten mit Befehle... Das ist Rev0.0 des Datenblatts, ich kenne andere OLED Module da hat in der ersten Version weder das Timing noch der zulässige Betriebspannungsbereich gepasst..." Naja, es macht doch keinen Spass, wenns zu einfach ist ;D. Also so wie ich es verstanden hab, bekommt man die Dinger ab einer Menge von 240Stck fuer 10,30USD. Dass wir das jemals erreichen halte ich fuer ausgeschlossen, wir sollten uns daher mit dem Preis abfinden. Hab vorsichtshalber trotzdem nochmal gefragt, ob sich da noch was machen laesst. Antwort wegen der Versandkosten hab ich auch noch nicht. Werd mir das Datenblatt nu auch mal genauer ansehen. "Bei dem Preis hätte ich Interesse an 2-3 Stück" << schick ne Email mit Betreff "OLED" an rtc_oled-x[AT]yahoo.de , dann hab ich alles zusammen :) MfG
@Patrick M. >Wie lange ist denn die Lebensdauer von diesen O-LED Displays ? Das kann man so nicht sagen. Frühere OLEDs hatten wenige Tage Lebensdauer, da die Displays Feuchtigkeit gezogen haben und nach wenigen Tagen oder Monaten auch ohne Spannung kaputt gingen. Das Problem wurde aber mittlerweile gelöst. Heutige OLEDs sollten also einige Jahrzehnte (oder noch mehr) Lagerzeit haben. >Vor einiger Zeit wurden diese Displays ja noch als stark experimentell gekennzeichnet. Das trifft auf diese Farbdisplays warscheinlich auch zu. Zumindest beschäftigen sich viele Hersteller mit dem Thema und sind daher noch nicht besonders weit. Wenn man sich das Datenblatt mal anschaut, dann merkt man schnell dass man so ziemlich alles verstellen kann, um die ganzen Fehler des Displays zu kompensieren. Alleine schon die Unterteilung des Displays in 3 Gütebereiche zeigt, dass die Gleichmäßigkeit noch nicht so gut ist. Ich habe schon einige OLEDs von anderen Herstellern getestet (da die recht hohe Ausschussqouten haben), und da waren einige dabei bei denen man deutlich Flächen auf dem Display gesehen hat, die unterschiedlich hell waren. Nochmal zurück zur Lebensdauer. Ähnlich wie frühere Bildröhren gibt es bei OLEDs Einbrenneffekte. Wenn man Filme o.ä. darauf anzeigt gibt es keine Probleme, lässt man dagegen z.B. eine Temperatur tagelang auf dem Display stehen, wird man diese auch bei anderen Bildern noch erkennen können. Nach rund 10000-20000 Stunden hat ein Pixel halbe Helligkeit. Wenn alle Pixel gleichlange an sind, merkt man das nicht, aber wenn einer länger an ist als der danebenliegende, sieht das merkwürdig aus. Nicht umsonst baut ein Hersteller einen Bildschirmschoner ins Display ein ! Von diesem OLED würde ich mir auch nicht zuviel erwarten, denn es ist für Handys gedacht, und die haben heutzutage eine Lebensdauer von 1-2 Jahren. Bei dem Preis kann man aber nichts verkehrt machen... @Jan Die Ansteuerung per AVR sollte kein Problem sein. Sobald ich die Dinger habe werde ich ein paar C Programme dafür schreiben. @André K. Falls es doch Probleme geben sollte bei der Ansteuerung, ich kenne jemanden der hat Ansteuerungen für OLED Prototypen gebaut, der sollte sich damit auskennen.
Jupp. Mehr als schiefgehen kanns kaum. Mich wurmt nur, dass auf der Prduktseite des Displays etwas von SPI stand und im Datenblatt keine Spur davon ist. Gerade bei kleinen Applikationen ist es ja nicht ganz so toll, da 10 Bahnen zum Display fuehren zu duerfen. PS: Wo sind denn die ganzen Leute hin, die da oben nach den OLEDs gekraeht haben? Ich hab erst eine einzige Email bekommen :D MfG
Eingen Grund warum dieses OLED kein SPI hat könnte ich mir vorstellen: Für 18Bit benötigt man 3x 8bit Writes. Wenn man da jetzt noch 25fps haben möchte, ist man bei über 5 MHz SPI Takt. Ist zwar noch OK, aber ist trotzdem ziemlich viel. Bei 18bit parallel geht es eben schneller. Sind die 15,5$ eigentlich der Endbetrag oder kommen da noch 16% MwSt dazu ? Das wären dann entweder 12,5 oder 14,5 also durchaus OK. PS: Jetzt hast du schon mindestens 2 Emails. Du kannst ja auch mal im Markt Forum posten mit einem netten Titel wie "Farb OLEDs für 12,5" oder so...
Es werden sicher noch 16% EUSt (=MwSt) und eine Beteiligung am Versand fuer jeden dazukommen. Also wirds zumindest ein kleines bissl billiger, wenn sich noch Leute finden. Werd auch die Datenblaetter fuer die 65k Displays noch anfordern, vielleicht gibts da SPI. Werd nun mal noch nen Hinweis auf diesen Thread in den Markt klatschen. MfG, André
Ich habe mir das Datenblatt angeschaut. Leider ist es unvollständig, es fehlen die Initialisierungs- sequenzen, also welche Befehle ich an das Display schicken muss wenn ich es einschalte. Jeder Hersteller von Treiber-ICs macht diesbezüglich genaue Vorschriften, schon kleine Abweichungen führen dazu, dass auf dem Bildschirm nichts erscheint. Im Datenblatt steht, dass der Treiberbaustein ein HM16EP7002-03L ist. Leider habe ich unter Google nichts gefunden. Vielleicht hat der Verkäufer noch das Originaldatenblatt dazu. MartinK
Wenn du nähere Infos zu den 65k OLEDs hast, bekommst du von mir auch ne mail (ich gehe jetzt einfach mal davon aus, dass diese wegen der geringeren Farbtiefe leichter/schneller anzusteuern sind)
So, mal wieder ne Antwort. Wir sollten 2 Trays (=48 Stueck) jedes gewuenschten Modells nehmen, dann wird uns ein guter Preis gemacht. Wir sollten also versuchen uns auf ein Display zu einigen. Diejenigen, die dann einen "Sonderwunsch" haben, muessten den Samplepreis (+50%) zahlen. Auch wegen des Versands sollen wir uns keine Sorgen weiter machen, da sie sich bemuehen werden, das guenstig hinzubekommen. @MartinK: Werd deswegen nochmal fragen. MfG, André
Ich würde zum 65k OLED tendieren. So unausgereift wie die Displays noch sind, erkennt man zwischen 65k und 262k sowiso keinen Unterschied. Der Unterschied ist sowiso nur 1 bit mehr bei jeder Farbe. Außerdem lassen sich 16bit besser ansteuern als 18bit... @MartinK Dass google nichts zum Controller findet ist klar, denn der Controller ist höchstwarscheinlich speziell für das OLED gebaut worden. Daher wäre ich überrascht, wenn die das Datenblatt zum Controller herausgeben würden. Von allen OLEDs die ich gesehen habe, bekommt man das Datenblatt nur auf Anfrage, und das "echte" Datenblatt des Controllers nur über gute Beziehungen. Die Dinger sind eben noch ziemlich neu, und jeder Display Hersteller versucht sich daran, die einen eben etwas erfolgreicher als die anderen, daher will jeder Hersteller seine Tricks mit denen er die Probleme löst nicht gleich preisgeben. Ob man bei den Initialisierung wirklich auf die Reihenfolge achten musste bezweifle ich bei diesem Display. Abgesehen von den ganzen OLED spezifischen Zusatzfunktionen, scheint der Treiber nämlich ziemlich einfach gebaut zu sein.
Ich denke auch, dass die LCDs zum laufen zu kriegen sind auch mit dem Datenblatt ... nur not muss man halt rumprobieren ^^
Ich bin bei der bestellung auf jeden fall dabei. Um den dingern dann das leben einzuhauchen, können wir uns dann ja in einem neuen thread zusammenrotten. Ich werds auch mal mit nem FPGA probieren. Aber welches Display wir nehmen ist noch nicht klar oder? Ansonsten muss ich Benedikt zustimmen... a8 bit ist mir auch etwas unsympartisch :-)
@André K. Könntest du mal das Datenblatt von diesem OLED anfordern ? LPST096096A00-T3 65K Color Depth 96*96 / 1.10" / 10$(USD) Dieses würde mir persönlich am besten gefallen (maximale Auflösung, schönes 16bit Interface, mit etwas Glück auch SPI...) PS: Wieviele OLEDs haben wir bisher zusammen ?
"PS: Wieviele OLEDs haben wir bisher zusammen ?" Leider nur 5-6, ich hoffe das bessert sich etwas, wenn wir uns fuer ein SPI-faehiges entschieden haben. Das Datenblatt hab ich heut morgen bereits angefordert (fuer beide 65k Farbtypen). Ich weiss nicht was da drueben los ist, aber die Antworten kommen grundsaetzlich erst am naechsten Morgen. Das widerspricht sogar der Zeitverschiebung. MfG, André
^^ das kenn ich irgendwie sind die da voll komisch drauf (ich kenn nen chinesen so n bisschen) der is immer nachts wach und so naja komisch halt ^^
Schade das die Firma in China sitzt. Am Samstag fliege ich nach Thailand. Da hätte ich sie gut mitbringen können :-). Also ich nehm dir auch ein paar mehr ab als nur ein oder 2 denke ich. Aber SPi sollte wirklich möglich sein. Dann ist es mit nem FPGA auch einfacher anzusteuern.
Jo SPI wär schön, aber laut den Beschreibungsseiten der Displays hat das 65k LCD auch nen 8 bit interface (also man kann wählen 8 bit oder 16 bit) und so wär der verdrahtungsaufwand auch nicht mehr soo groß
Ich wäre evtl. auch dabei, abhängig davon, wieviel denn so ein Ding nun kostet. Stückzahlenmäßig aber eher gering, nur 1 oder 2.
Mal wieder das neuste vom Tage. Hab heute das DS des LPSF096064A00-T3 bekommen, das funzt nun aber wirklich per SPI. Man kann also davon ausgehen, dass auch das LPSF096096A00-T3 SPI mitmacht. http://mitglied.lycos.de/kolbe17/Product%20preview%20LPSF096064A00-T3(SSD1332).pdf So, und nu meldet euch endlich ;). Wegen des Controllers habe ich leider noch keine Antwort. MfG, André
Aber echt, wer will so ein Display nicht haben? Spott billig und sogar Farbe und dann auch ncoh per SPI ... also bitte
Ja, genau. Ein einfarbiges OLED das in Deutschland erhältlich ist kostet >50 ! Hier nur etwa 10 !!! Das Datenblatt sieht doch schonmal besser aus. Der Controller hat ja sogar das Netzteil für die Betriebsspannung eingebaut... Und sogar eine Art 2D Beschleunigung ist drin. @André K. Hast du schon einen mehr oder weniger festen Preis was das 96x96@65k OLED pro Stück etwas kostet wenn wir die 48Stück voll bekommen ? Ich meine jetzt mit Versandkosten aus China, Zoll usw. So grob 10 oder ?
Hallo! hätte auch interesse. Kann ich aber jetz nochmal ne kurze zusammenfassung haben: wie groß ist es? welche auflösung? Wie teuer? Danke
Naja, ein kleines bissl mehr wird es sicher werden. Ich denke so 12-15EU. Das mindeste, was wir pro Display zahlen werden sind und bleiben die 10$, die ja eigentlich fuer groessere Bestellungen gedacht sind. Das entspricht erstmal 8,15EU. +16% macht 9,45EU. 1,30EU mehr, den der Staat in Schulden stecken kann ;) Ob sie uns die 10$ wirklich zugestehen, ist auch noch fraglich. Es waer allerdings tolle Werbung fuer deren Verein, das Argument werd ich sicher noch hervorbringen :) Nun haengts natuerlich auch stark davon ab wie viele Leute etwas bestellen, auf wie viele der Versand also verteilt wird. Uebrigens: Weiss jemand zufaellig welche Connectoren man am besten benutzt bzw. wo man die bekommt? Sonst muesst ich mal nachfragen. MfG, André
@Bernhard: Absolute Aufloesung: 96*96 oder 96*64, je nach Wahl (haettest selbst drauf kommen koennen, nachdem es im ersten Post dieses Threads steht ;)). Die relative Aufloesung und die Groesse kannst dem Datenblatt entnehmen. Ein Preis steht noch nicht fest, 12-15EU werden angestrebt. MfG
Nebenbei, ich denke wir koennten uns auf das 96*96 Display einigen, da die 40cent wohl nicht die Masse ausmachen werden. Wir sollten uns darauf konzentrieren moeglichst viele Bestellungen eines Typs zusammenzubekommen. Ich hab mich jetzt mal getraut, den Preis fuer 48 LPST096096A00-T3 anzufragen ;D. MfG, André
>Ich hab mich jetzt mal getraut, den Preis fuer 48 LPST096096A00-T3
anzufragen ;D.
Du hättest schreiben müssen: Vorerst 48 Stück. Wenn die für das Produkt
geeignet sind, dann würdest du mehr bestellen... (die brauchen ja nicht
zu wissen, dass dies nicht stimmt.)
Naja die wissen von der Sammelbestellung. Es klingt doch irgendwie etwas doof, wenn ich mir jetzt ueberlege, doch alle zu behalten *g. MfG PS: 3 + (2 bis 3) + (1 bis 2) So viele haben wa nun.
Ich werd auf jeden Fall auch 4-5 Stück bestellen. Evtl auch mehr. Wär halt klasse wenn es SPI hat. Dann nehmich auch mehr. Ich muss nur zusehen, das ich im Urlaub mitbekomme wie es nun wietergeht. Aber da gibt es ja auch Internet... also die rechnung erweiter mal um 5 :-)
Wenn der Preis niedrig genug wird, nehm ich auch ein paar mehr, muss mal noch etwas rumfragen, vielleicht bekomme ich noch ein paar zusammen.
Ich muss ja sagen, das mich das 2" Display noch viel mehr interessiert, aber die Ansteuerung wird ja gkleichbleiben. Dann ist der Wechsel immer noch möglich .
Tjo, nur wer weiss, ob die dann immer noch per SPI steuerbar sind. Das is, denke ich zumindest, das wichtigste Kriterium fuer die meisten hier. Mfg
Jupp, wobei das beim FPGA (also für meine Anwendung) nicht ganz so wichti9g ist. Da habe ich ja genug IO´s dran :-).
Hi, 5 Stueck wuerde ich von den 96x96 nehmen, aber wie soll das mit der Bezahlung laufen? Gruß, Dirk (www.myevertool.de)
@Benedikt: Autor: KennyOswald Datum: 08.08.2005 15:02 ------------------------------------------------------------------------ -------- Update: Habe vorhin mit dem Mr. Li gesprochen, es kann sein das es im Dezember 2005, die 2" grössen verfügbar sind mit einer höheren Auflösung. mfg KennyOswald MfG
"aber wie soll das mit der Bezahlung laufen?" Joah, wie es oben steht. Erstmal versuche ich den Preis des Displays ermitteln. Dann bekommt jeder eine Email, mit dem Betrag, der bis zu einem festgesetzten Termin auf meinem Konto zu sein hat. Anschliessend geht die Bestellung raus, eben fuer all diejenigen, die rechtzeitig bezahlt haben. Es wird auf jeden Fall genug Zeit sein, um zu ueberweisen, d.h. ich werde zum Wohle der anderen nicht weiter warten/Geld auslegen oder dergleichen. Ist natuerlich auch eine Sache des Vertrauens. Ich gebe zu, dass ich hier vielleicht nicht unbedingt jedem bekannt bin; evtl. lesen auch manche in diesem Thread zum ersten mal von mir. Als Sicherheit kann ich ausser meiner Kontodaten, Adresse und evtl. Telnr. nix weiter bieten. Aufgrund des Risikos (das bei der Menge wohl unweigerlich besteht, denn 40*12EU sind auch nich wenig...) habe ich mir auch schon ueberlegt, einen kleinen Betrag (1EU oder sowas) auf jedes Display aufzuschlagen und die an alle zurueckzuueberweisen, wenn alles gutging. Quasi als eine Art Versicherung. MfG, André
> Naja die wissen von der Sammelbestellung.
Wieso erzählst du denen sowas? KOPFSCHÜTTEL
Mist die Hälfte vergessen, also von den 65K-Teilen würde ich 15-20 Stück nehmen. Genaue Stückzahl steht noch nicht fest.
Weil ich nix von Luegen halte. Ausserdem wirkt es sicher besser auf die, wenn sie wissen, dass da viele Leute bestellen, die Displays also evtl. Freunden oder so gezeigt werden und die dann auch Interesse haben. "Wie sieht es den mit Zoll und P&P aus?" Oehm, ja.... Mal schauen. Darueber machen wa uns spaeter Gedanken. Es wird mit Sicherheit nicht so sein, dass nun 30EU Versand auf jede Bestellung gekracht werden ;). Allerdings moechte ich alle folgenden, die mir eine Email schreiben, bitten ihr Herkunftsland mit anzugeben, da das ganze dann ja auch auf dem Erdball verteilt werden soll :) MfG, André
Also ich würde bis jetzt ca 4 Displays mitbestellen, kann aber sein, dass es noch mehr werden G Aber wie soll ich dir ne Mail schreiben? vielleicht solltest du deine Mailadresse angeben dann fällt das leichter :p
Zitat Andre "Bitte alle ernsthaften(!!!) "Bestellungen" mit dem Betreeff "OLED" an rtc_oled-x[AT]yahoo.de . ""
Oh hab ich wohl in dem ganzen getummel in diesem langen Thrad übersehen ... bekommst ne mail, wenn ich wieder zuhause bin
Im Moment 13-15. Mit Thomas haben wir also schon etwas mehr als ein Tray (24Stck) voll. Weiter, weiter *g. Hat denn mal jemand irgendwelche Infos bzgl. der Connectoren? Oder wollt ihr das alle anloeten? Hab vorsichtshalber schonmal gefragt, aber mit Antwort ist wieder erst morgen zu rechnen. MfG
Sind die Displays wirklich nur 2,3cm breit ? Das ist ja winzig :( Sonst haette ich evtl auch interesse...
"Sind die Displays wirklich nur 2,3cm breit ? Das ist ja winzig :( Sonst haette ich evtl auch interesse..." Tjo, aber selbst davon werden die Dinger in D nicht billiger :) MfG, André
Connectoren ? Die Displays haben Lötkontakte, das ist bei solchen Displays normal. Die Displays werden einfach auf die Platine gelötet. Der Pinabstand beträgt 0,7mm wenn ich das richtig gesehen habe. Ist zwar nicht ganz ohne das Löten, solle mit etwas Übung aber auch kein Problem sein. Ich ätze mir dafür warscheinlich eine Platine von OLED auf 16poligen Stecker. Auf diese Platine packe ich die ganzen Spannungsversorgungen usw. so dass von außen nur 3V und der 8bit Datenbus bzw. SPI angeschlossen werden müssen. Das Display wird dann auf die Platine geklebt und mit dieser irgendwo eingebaut.
Wegen dem Anschluss eines solchen Displays; es ist die Absicht des Herstellers, dass in der sog. "bending area" das Teil mit dem Chip nach hinten umgebogen und mit einem Trägerboard verschraubt wird. Die Kontaktierung erfolgt durch Gummi-Leisten. Das sind diese Gummi-Leisten, mit denen auch andere LCD-Displays kontaktiert werden. Stephan.
Hm, echt? Ich war es aus Handys egtl. bisher immer gwoehnt, dass die irgendwo drinstecken. Naja, wenigstens eine Sorge weniger :). MfG
Hi André, ich bestelle auch gerne so ca. 10 Stück mit! Die 18V für's OLED an sich muß ich selber liefern, oder?!? Bei LCDs werden die ja meist mit ein paar anschließbaren Cs erzeugt... Sebastian
Wir sind bei min. 28-31 + Thomas Bestellung. Geht schneller als ich dachte :) MfG, André
Soweit ich das gelesen habe, erzeugt das Display sich die hohe Betriebsspannung selber. Stephan.
Hallo, also ich würde mich auch mit 3 Stück beteiligen. Mail geht raus. MfG, Daniel
hey wir sind schon bei max 39 +Thomas Bestellung ^^ das geht ja schneller als erwartet G
Genau. 35-39 + Thomas'. Hab heut mal wieder eine Antwort bekommen. Es lag ein Bild bei, auf dem man sehen konnte, dass das Displays wirklich angeloetet wird (bzw. das Kabel). Ausserdem wurde mir der Preis genannt (faelschlicherweise fuer das 96*64er): 10,50USD. Muss nochmal nachfragen. Mir stellt sich nun die Frage, ob wir evtl ein drittes Tray voll bekommen, also 72. Alle die eine von-bis-Stueckzahl <5 angegeben haben, bitte ich, sich in den naechsten Tagen moeglichst festzulegen. Denen, die groessere Stueckzahlen nehmen, lass ich damit noch etwas Zeit. Nur damit wir genauer wissen, wie viele es nun werden. Den Preis fuer die 96*96er werde ich dann morgen posten. MfG, André
@André K. (andre)
Wann geht die Bestellung raus ?
Bevor ich mich entgültig festlege, möchte ich zumindest so grob den
entgültigen Preis wissen. Auch das, was an Versandkosten aus China dazu
kommen.
Werden die Versandkosten gleichmäßig auf die Leute verteilt (meiner
Meinung nach das bessere), oder pro OLED draufgerechnet ?
Der letzte Stand war: 12-15 werden angestrebt.
Nicht dass es dann am Ende mit Zollgebühren, Steuern usw. dann doch
>20 pro Stück werden...
Also bisher hat keiner ein einzelnes Display bestellt. Damit sollte es unwahrscheinlich sein, dass eines ueber 20EU liegt. Das waeren 100% Gebuehren, so schlimm wirds nicht werden. +16% EUSt ist klar. Ob auf OLEDs Zoll erhoben wird, weiss ich nicht, hab ich aber gefragt. Der Versand wird durch die Anzahl der Besteller geteilt, also im Moment durch 11. Versandkosten wurden ebenfalls erneut angefragt. Mr. Lin hat angeboten einen guenstigen Expressversand zu arrangieren, was ich ihm auch irgendwie glaube. Es koennten noch Gebuehren fuer den Transfer des Geldes erhoben werden, jedoch werde ich die wahrscheinlich umgehen, indem ich einen Freund in China bezahlen lasse und ihm das Geld auf sein Deutsches Konto ueberweise. Mit 20EU fuer ein Display zu rechnen halte ich fuer utopisch - keine Sorge. Eher wird das ganze abgeblasen :). @Benedikt: Ich nehme mal an, dass du aus D kommst. Wenn nicht, Email :) MfG, André
Ahrg, wieder die haelfte vergessen. Je nachdem, wie schnell jetzt Versand, Steuern, etc. geklaert werden, in 2-3 Wochen. Es muss ja auch noch Zeit fuer alle bleiben, zu ueberweisen. MfG, André
Hi, hast du ein Gewerbeschein? Man koennte versuchen den Zoll zu sparen wenn die Firma die Display's als Prototyp (Samples) verschickt. Gruß, Dirk
Gewerbeschein hab ich leider keinen, aber evtl. geht das trotzdem. Mal fragen. MfG, André
Tja, das war wohl nix. Mit Antwort kann ich dann wahrscheinlich am Montag rechnen - Geschwindigkeit pur... Bisher hat sich auch niemand weiter gemeldet, ich denke also dass die Zahl der Displays sich nich unbedingt noch verdoppeln wird. MfG, André
Hi, jupp, nur wollte mich der Server nicht posten lassen: Leider gibts nur weniger tolle Neuigkeiten: Also die Pins des 96*96 brechen zu schnell, weshalb es vom Markt genommen wird. Wir sollen stattdessen lieber 96*64 kaufen (bzw. haben keine andere Wahl). Der Preis betraegt dann 10,50$/Stck, wie schon oben geschrieben. Gluecklicherweise wurde mir nun erneut die Moeglichkeiten des Versands mitgeteilt, der Preis aber wieder nich. So langsam...... Also werd ich nun nochmal nachfragen, zum vierten Mal. Wer seine Bestellung aufgrund der kleineren Displaygroesse stornieren moechte (ich hoffe nicht zu viele), moege das bitte umgehend(!) per Email tun. Von Thomas hab ich bisher auch nix neues gehoert, so dass wir noch immer bei 37-40 rumduempeln :( Danke und mfG, André
Könntest du auch mal anfragen, ob die noch ein anderes Datenblatt haben ? Ich habe heute nachmittag mal versucht die Befehle zu verstehen, komme aber mit einigen Sachen nicht so ganz klar. So wie ich das verstanden habe, kann man per SPI nur Werte schreiben, aber keine lesen. Demzufolge scheint der Controller kein Busy zu haben. Was bedeutet aber "Command Lock" im Status Register ? Ich hätte auf so ne Art Busy getippt, aber wenn man das per SPI nicht lesen kann, macht es wenig Sinn. Außerdem steht nichts über die Speicherorganisation drin. Was fehlt sind die Infos, welchen Wert ich wohin schreiben muss, wenn ich z.B. an Position x,y, die Farbe r,g,b anzeigen möchte...
Nuja, das ganze scheint recht einfach gestrickt zu sein, dem 33xx LCD wohl sehr aehnlich. Lesen gibts generell erstmal gar nicht, d.h. der RAM muss vom Controller kommen, da man auf den des Displays nicht lesend zugreifen kann. Busy gibts auch nicht. Stattdessen wird jedes Pixel "live" angezeigt. Es gibt 2 Modes. 1. Nachdem ein Pixel ankam, wird die Zeilenadresse erhoeht. Ist die Zeile voll, gehts eine Spalte rueber 2. Nachdem ein Pixel ankam, wird die Spaltenadresse erhoeht. Ist die Zeile voll, gehts eine Zeile runter (oder rauf, je nach Einstellung) Ansonsten kann man den Punkt (0,0) hinsetzen, wo man moechte, Kontrast und dieses ganze Zeug einstellen. So hab ich das nu verstanden. Werd mal fragen ob es noch was Datenblatt-aehnliches gibt. MfG, André
Ahrg 2. Nachdem ein Pixel ankam, wird die Spaltenadresse erhoeht. Ist die SPALTE voll, gehts eine Zeile runter (oder rauf, je nach Einstellung). Nu aber. MfG
Das ist ja soweit klar (wie bei einem LCD auch), aber wie werden die einzelnen Farben den einzelnen Speicheradressen zugeordnet ? Man kann ja zwischen 256 und 65536 Farben umschalten. Beim 262144 Farben Display war es im prinzip ja klar: 6bit pro Farbe, aber wie sind die Farben hier angeordnet ?
Das 96x64 ist mit seinen 2,8cm x 2,1cm leider etwas sehr klein. Wenn im Winter ein 2" Display rauskommt wird das auf jeden Fall sehr interessant sein. Grüße
Ein Datenblatt zum Controller SSD1332 gibt es unter http://www.alldatasheet.com/datasheet-pdf/pdf/90339/ETC/SSD1332U1R1.html MartinK
Hi ich würde mich bei einer Sammelbestellung auch beteiligen, wenn es soweit ist, grad ne mail an unbekannt-x(at)arcor.de.
Dnake, ich wäre garnicht auf die Idee gekommen danach zu suchen, da ich dachte es wäre wieder so ein Spezialteil wie beim 262k Farben Display.
Hm, das wird so leider kaum gehen, da wir auf die 48 Stueck "hinarbeiten" und ich eine genaue Stueckzahl braeuchte. Daher bitte eine Email mit Stueckzahl und Herkunfstland an rtc_oled-x[AT]yahoo.de Danke und mfG, André
Moin mal wieder. Es ist zum andiedeckehuepfen. Nun soll ich doch mal schreiben, wie viele 96*96 ich haben will (ich denke die gibts nicht mehr?). Es wird dann berechnet, was der Versand usw. kosten wird. Also wir brauchen noch 8. Jemand, der schon bestellt hat, kann die Stueckzahl auch gern erhoehen, ich hab nix dagegen ;). MfG, André
Eventuell nehme ich ein paar mehr (so etwa 5) als die bisherigen 2-3, aber erst möchte ich mal den Preis wissen. Frag einfach mal an, was es mit den 8 Stück mehr kosten wird, ich denke wenn hier im Forum steht (irgenwann in hoffentlich nicht allzuferner Zukunft): Ein OLED kostet xx,x, dazu kommen noch x,x pro Bestellung, dann werden sich noch ein paar melden. Und frag auch nochmal nach dem Datenblatt zum 96x96....
Hallo Leute, mein Chef kennt jemand, der für Bosch in Stuttgart arbeitet und die haben bei SMI mal kleinere Mengen Displays gekauft. Der Kollege meinte, die Versandkosten würden in der Größenordung von 200$ liegen, es wurden damals 75 Displays bestellt. Solange die tatsächlichen Versandkosten nicht feststehen, kann ich auch nichts definitives sagen. Rechnet aber besser mal nicht mit mir, denn mein Chef hat durchblicken lassen, daß er von der Idee nicht so begeistert ist. Gruß Thomas
Wenn ich mir die Kosten fuer ein Paket D > China ansehe, kann das eigentlich nur Panikmache gewesen sein. Wir sind momentan 15 Besteller. Bezahlt jeder 5Eu (50ct mehr als das Porto einer Bestellung bei Reichelt), haben wir bereits 75EU, was so ungefaehr hinkommen duerfte (schaetz ich einfach mal). "Frag einfach mal an, was es mit den 8 Stück mehr kosten wird" Hab ich heut frueh bereits gemacht, Antwort dann wieder morgen. Wegen des Datenblattes hab ich auch nachgefragt. MfG
Hm, irgendwie antwortet da keiner mehr. Abwarten... Wir braeuchten immer noch 6-7 Bestellungen. MfG, André
48Stck 96*96 > Stck zu 11$. Versandkosten mal wieder vergessen. So langsam reg ich mich schon nedmal mehr drueber auf, man gewoehnt sich an alles. So, also gibts nun doch die 96*96. Morgen bekomm ich dann noch das Datenblatt und die Versandkosten (ich hoffe es zumindest). MfG, André
Hi, ich dachte es werden keine 96x96 weil die Pins zuschnell brechen. >Leider gibts nur weniger tolle Neuigkeiten: >Also die Pins des 96*96 brechen zu schnell, weshalb es vom Markt >genommen wird. Wir sollen stattdessen lieber 96*64 kaufen (bzw. haben >keine andere Wahl). Langsam sollte es mal konkreter werden! Ansonsten trete ich von meiner Bestellung lieber zurueck. Gruß, Dirk
1. Sind die Pins am Display selbst gemeint. Die brechen oft bei der Montage des Folienleiters. Wenns einmal haelt, haelts. 2. Sind von den 96*96 noch welche auf Lager, es werden aber keine neuen hergestellt. Was soll ich machen? Mal kurz rueberlaufen und die zusammenfalten? Es liegt nicht an mir... MfG
Ich denke es bringt wenig, wenn du den Hersteller mit Mails bombardierst. Das hat eher nervenden Charakter zumal bei der geringen Stückzahl. Setze einen Stichtag für alle Interessenten fest, dann kannst du eine konkrete Anfrage an SMI stellen. Wer danach noch Displays haben will, hat leider Pech gehabt. So würde ich das jedenfalls machen.
Naja es geht ja eher darum, vorher alle Fragen zu klaeren. Ich kann nicht erwarten, dass jemand verbindlich bestellt, ohne vorher einen genauen Preis inkl. aller Kosten genannt und Informationen ueber das Display gegeben zu haben. Und um die Klaerung dieser Fragen geht es eben in den Emails. Wuerde es SMI nur ein eintiges Mal gelingen, ALLE in einer Email von mir gestellten Fragen zu beantworten, waere ich masslos gluecklich. Leider wird das ein Wunschtraum bleiben und mir bleibt nichts anderes uebrig, als die Fragen immer und immer wieder zu wiederholen, bis ich eine Antwort erhalte. MfG
Ich habe von den Chinesen nichts anders erwartet, diese Vorgehensweise ist für Asiaten typisch: Erstmal alles anbieten, wenn es aber um genauere Infos geht muss man denen Wochenlang auf die Füse treten. Außerdem ist es meistens so, dass die Leute die die Datenblätter keine Ahnung von Elektronik haben, und die Leute die die Hardware entwickeln kein Wort Englisch können... @Jens Wir haben noch nichtmal ein Datenblatt zu dem Display, da wäre es etwas verfrüht einfach so fest zuzusagen.
Naja sie werden es sicher irgendwann schaffen alle offenen fragen zu beantworten ^^ (hoffe ich zumindest jetzt ma)
So, es ist angerichtet: Frachtkosten = 42EU Also fuer jeden ca. dreifuffzisch :). Nu fehlen nur noch die Paar Bestellungen Das Datenblatt kommt noch (mir wurde versehentlich nochmal das des 262k color Typs geschickt). MfG, André
Hallo, wie viele Displays fehlen denn jetzt definitiv ? Wenn es nur wenige sind, dann bestellt vielleicht der Eine oder die Andere auch eines mehr.... MfG, Daniel P.S.: Hoffentlich klappt's !
Also mein Vorschlag wäre ja, auf die 2" Displays zu warten. Die jetzigen sind ja schon wirklich sehr klein.
"Definitiv" ist leider etwas schwierig, da ich von manchen nur von-bis-Werte habe. 7-9 waeren schon angebracht. Das sind dann 1-2 Reserve falls doch noch einer in letzter Minute abspringt/nicht ueberweist. MfG, André
@Jens Du siehst wie schwer es jetzt schon ist, mit Asiaten über in Produktion befindliche OLEDs zu verhandeln. Der Angabe "ab .... verfügbar" heißt nur, dass es geplant wurde. Bis es die wirklich gibt (wenn es die überhaupt gibt), kann es noch dauern... Außerdem glaube ich nicht, dass die dann noch SPI haben wenn die eine höhere Auflösung haben. @andre 42 Versand klingt doch schonmal gut. Hast du auch einen Displaypreis ?
"42 Versand klingt doch schonmal gut. Hast du auch einen Displaypreis ?" 11$/Stck, 528$ gesamt bei 48Stueck. MfG
Hm, mir fallen in der Berechnung gerade gewissen Unstimmigkeiten(?) auf: Total for goods: US$544.00 Bank Charge: US$545.00 FREIGHT CHARGE: US$42.00 TOTAL: US$1,131.00 Kann mir vielleicht jemand sagen, welche Bank auf dieser Welt >100% Gebuehren nimmt? Hab mal gefragt, ob das ein Fehler ist. Ich hoffe es sehr.... MfG
Wenn hier ein Preis steht den man für ein Display überweisen muss werde ich es mir überlegen :-)
Das wird kaum passieren, da du ja nicht nur das Geld fuer das Display bezahlst sondern auch den Versand (und den nur einmal, nicht fuer jedes Display einzeln) MfG
Ja klar, aber wir gehen ja jetzt von einer Menge von ca. 48 Stück aus oder ? Wenn man das mal grob zusammen rechnet und hier nen Preis reinstellt finden sich bestimmt noch einige Leute.
Hallo, ich muss schon eines sagen - wenn sich tatsächlich ein Gesamtpreis von 1131 US$ ergibt, dann würde das pro Display mit 23,56 US$ zu Buche schlagen. Dazu käme dann noch der Inlandsversand in Deutschland. Das heißt dann, man muss pro Display mit über 20 Euro rechnen. Das bin ich nicht bereit auszugeben. Meine Schallgrenze liegt wirklich bei 20 Euro pro Display. Sollte der Preis tatsächlich an 20 Euro oder darüber liegen, dann werde ich leider von einer Bestellung Abstand nehmen müssen. Bitte klärt das. Dann könnte man ja mal einen ca-ungefähr-Preis hier nennen und konkret noch ein paar Mitbesteller suchen. MfG, Daniel.
Ich denke nicht dass die Bank sich soviel abzwackt. Oder die hängen mit den SMI-Entwicklern zusammen und zocken so die Leute ab Verschwörung Verschwörung
Hi, bei den Preis wuerde ich auch meine Bestellung zurueck ziehen, dafuer kriegt man schon gute Handheld Display's fuer. Gruß, Dirk
Nanana, hiergebleibten. Sie haben einen "very terrible" Fehler gemacht. Total for goods: US$544.00 Bank Charge: US$30.00 FREIGHT CHARGE: US$42.00 TOTAL: US$616.00 Ich kann den Preis nicht wirklich genau ausrechnen. Dazu muss ich erst noch schauen wie ich die Bezahlung regele, d.h. mit meinem Bekannten in China reden. Steigt der Preis pro Display auf ueber 15EU (exkl. Versand zu euch), blase ich das ganze in jedem Fall selbst ab. http://mitglied.lycos.de/kolbe17/Product%20preview%20LPST096096A00-T3.pdf MfG
Kannst du das Datenblatt mal auf einen anderen Server packen ? Nach 10 Versuchen mit iexplorer und Downloadmanagern habe ich die Datei immer noch nicht komplett runterladen können. Mein Rekord lag bei 369kB von den >1MB...
Hallo wieder, das ist schön, ca 10,70 Euronen bis zu Dir - dann noch mal ein wenig Inlandspost - schön. Übrigens, falls die Preise so aussehen und es knapp mit den Bestellern, dann nehme ich auch 5 Stück statt wie bisher angesagt 3. Schreib mich dann noch mal per EMail an, wenn es nötig ist (Guru79(et)web.de). MfG, Daniel.
Das mit der Anzahl gilt auch für mich: Wenn es insgesamt bei etwa 10-12 + Versand bleibt nehme ich auch 5 Stück (statt bisher 2-3).
Hallo nochmal, der im aktuellen Datenblatt dargestellte Controller hat aber einige nice-to-have-features nicht : - interner DC/DC-Wandler (zumindest keine Schaltung zu sehen) - Grafikbeschleuniger Naja, dann mach mer's halt selbst ;-) MfG, Daniel
Hm wo upp ich das denn mal schnell hin. Will mich nicht unbedingt erst irgendwo registrieren., bekomm schon genug Spam. Hat einer ein paar MB Webspace ueber? Dann schick ich ihm das per Email. Danke und mfG, André
Unter http://www.leadis.com/ ist eine oberflächliche Beschreibung des Controllers LDS516 zu finden. Irgendwie können noch zusätzlich Icons dargestellt werden. Doch leider findet man auf der Seite kein Datenblatt. Vielleicht weiß einer hier im Forum, wie man es am geschicktesten anstellt, von denen ein Datenblatt zu erhalten? MartinK
So, nun sind wir genau bei 50 - nachdem ich Daniels und Benedikts Bestellungen auf 5 erhoeht habe (ich hoffe das passt so. Wenn nicht, Email). Werde nun versuchen erstmal den in China zu erreichen oder zu meiner Bank dackeln und fragen, was die Ueberweisung denn ca. kosten wird. Wenn das geklaert ist, werden die Preise berechnet und an alle rausgeschickt. MfG, André
Wenn es bei 15 Euronen bleibt plus Versand nach D, bin ich auch mit einem Display 96x96 dabei. Frag doch mal nach, ob die evtl Paypal unterstützen, machen viele Firmen in Hongkong, bestelle selbst öfter ;) Auf jeden Fall sollte es ein Expressversand (trackbar)werden, habe gerade erst 8 Wochen auf ein Paket gewartet, über das keinerlei Informationen zur Verfügung standen. Ganz schön nervenaufreibend, wenn man keine Ahnung hat, wo es steckt...
Hm, hatte schonmal nach Paypal gefragt, aber das gehoerte leider zu den Fragen, die elegant ueberlesen wurden. Werds nochmal versuchen. MfG
Wäre besonders ärgerlich, wenn ihr 2 Monate auf das Packet wartet und zum gleichen Zeitpunkt das 2" Display rauskommt. Habe gerade mal bei meiner Bank geschaut: bei dem hier genannten Betrag von $616 wären es Überweisungsgebühren von ca. 23$.
Hallo, apropos Datenblatt und leadis.com. Ich habe einfach mal eine Anfrage nach hingeschickt - ich denke, die werden mich am Arbeitsplatz kontaktieren. MfG, Daniel
Moin, man kann tatsaechlich per Paypal zahlen. Nach den Gebuehren muss ich mich nacher mal umschauen, laeuft gerade alles etwas stressig hier. MfG, André
Bin gerade aus dem Urlaub zurück, und hab mal ein Povray Bild erstellt.
PS:Den CODE hab ich im Flugzeug geschrieben, ist also ein wenig
unsauber und sehr langsam.
mfg
KennyOswald
//POYRAY ANFANG
#include "colors.inc"
#include "textures.inc" // pre-defined scene elements
#include "shapes.inc"
#include "glass.inc"
#include "metals.inc"
#include "woods.inc"
background { color Gray60 }
light_source { <500, 0, 0> color White}
light_source { <0, 500, 0> color White}
light_source { <0, 0, 0> color White}
light_source { <-500, 0, 0> color White}
light_source { <0, -500, 0> color White}
light_source { <0, 0, 0> color White}
camera {
location <0, 0, 35>
look_at <0, 0, 0>
rotate <0, 0, 0>
translate <0, 0, 0>
}
#declare LPST096096A00T4 =
union{
//KORPUS
box { <-13.85, -12.55, 0>, <13.85, 12.55, -0.7> pigment {
Col_Glass_General } } //GLASS
box { <-13.85, -14.55, -0.7>, <13.85, 12.55, -1.45> pigment {
Col_Glass_General } } //OLED
box { <-13.35, -12.05, -1.45>, <13.35, 12.05, -1.7> pigment {
Gray10 } finish {ambient 1 diffuse 0 phong_size 250}} //POL
//ANZEIGEFLAECHE RED
#declare PIXEL =
box {<-0.023, -0.0905, -0.7>, <0.023, 0.0905, -0.9>
texture{pigment{Col_Red_01} finish {ambient 1 diffuse 0
phong_size 250 }}}
#declare DistanceX = (0.207);
#declare DistanceY = (0.207);
#declare NrX = -9.9015; // startX
#declare EndNrX = NrX + 95 * DistanceX; // endX
#while (NrX <= EndNrX) // <-loop X
#declare NrY = -9.8325; // startY
#declare EndNrY = NrY + 95 * DistanceY; // end
#while (NrY <= EndNrY)//<- loop Y
object{PIXEL translate<NrX,NrY,0>}
#declare NrY = NrY+(0.207);// next NrY
#end // ----------- end of loop Y
#declare NrX = NrX+(0.207); // next NrX
#end // ------- end of loop X ---
//ANZEIGEFLAECHE Green
#declare PIXEL =
box {<-0.023, -0.0905, -0.7>, <0.023, 0.0905, -0.9>
texture{pigment{Col_Green_01} finish {ambient 1 diffuse 0
phong_size 250 }}}
#declare DistanceX = (0.207);
#declare DistanceY = (0.207);
#declare NrX = -9.9015-0.069; // startX
#declare EndNrX = NrX + 95 * DistanceX; // endX
#while (NrX <= EndNrX) // <-loop X
#declare NrY = -9.8325; // startY
#declare EndNrY = NrY + 95 * DistanceY; // end
#while (NrY <= EndNrY)//<- loop Y
object{PIXEL translate<NrX,NrY,0>}
#declare NrY = NrY+(0.207);// next NrY
#end // ----------- end of loop Y
#declare NrX = NrX+(0.207); // next NrX
#end // ------- end of loop X ---
//ANZEIGEFLAECHE Blue
#declare PIXEL =
box {<-0.023, -0.0905, -0.7>, <0.023, 0.0905, -0.9>
texture{pigment{Col_Blue_01} finish {ambient 1 diffuse 0
phong_size 250 }}}
#declare DistanceX = (0.207);
#declare DistanceY = (0.207);
#declare NrX = -9.9015-2*0.069; // startX
#declare EndNrX = NrX + 95 * DistanceX; // endX
#while (NrX <= EndNrX) // <-loop X
#declare NrY = -9.8325; // startY
#declare EndNrY = NrY + 95 * DistanceY; // end
#while (NrY <= EndNrY)//<- loop Y
object{PIXEL translate<NrX,NrY,0>}
#declare NrY = NrY+(0.207);// next NrY
#end // ----------- end of loop Y
#declare NrX = NrX+(0.207); // next NrX
#end // ------- end of loop X ---
}
object{ LPST096096A00T4 translate <0,0,0>}
//POYRAY ENDE
Hi, sorry, dass keine Antworten weiter kamen, ich war uebers WE weg (Ja, es gibt noch Orte ohne Inet...). Danke fuer die zusaetzlichen Bestellungen, werde mich noch drum kuemmern. MfG, André
Gibt es jetzt schon irgendwelche neuen Infos was das ganze nun kostet usw. ?
Hi, sorry, dass es etwas dauert. Ich hab im Moment etwas Stress und bin noch nicht wirklich zu etwas gekommen. MfG
Ach jetzt auf einmal abo'n alle hier, hmm ;) Ich wollte eigentlich nur noch hinzufügen das ich auch noch interesse an zwei Displays hätte... evtl. auch mehr - sofern es mit der Bestellung knapp werden sollte.
Knapp wird es nicht mehr, wir haben genug Bestellungen. Wenn trotzdem Interesse besteht, email (Addi steht weiter oben im Thread). Ich bin jetzt so weit, dass ich meinen Freund ich China bezahlen lassen kann und ihm das Geld dann ueberweise. Allerdings muss ich noch die ganzen Preise zusammenrechnen und schauen, wie ich das ueberhaupt einigermassen sicher zu euch bekomme (Vorschlaege?). Paket ist irgendwie overkill find ich. MfG
Hallo, auch wenn ich keins haben möchte, Versand ginge über Hermes für 3,90 versichert... MfG Christoph
Ich hab auch schonmal von nem kleineren Elektronikladen ein relativ kleines "Päckchen" bekommen - so 15x12x3cm... 3,80 Euro stand auf dem Deutsche Post Stampit Aufkleber drauf und es war "Einschreiben" angekreuzt - also versichert (?)
"also versichert (?)" das hab ich mich auch schon gefragt. Aber das Design der Post-HP ist derart durchdacht, dass ein Verstehen voellig(!) ausgeschlossen ist. Hermes waere eine Alternative, stimmt. Ist dabei sogar noch guenstiger als das unversicherte Postpaeckchen. MfG, André
Also ein Paket von mir zu mir kostet lt. Tarifrechner bei Hermes 6,90EU. Liegts an mir? MfG
> Aber das Design der Post-HP ist derart durchdacht, dass ein > Verstehen voellig(!) ausgeschlossen ist. Ich finde, der Portokalkulator ist ausgezeichnet, er beantwortet doch (fast) alle Fragen.
Ob eine Sendung versichert ist oder nicht, eben nicht. Ich habs zumindest nicht hinbekommen. MfG
Und vorgeschlagen wird nur das ach so tolle Päckchen ;) Morgen muss ich eh zur Post, da könnte ich zur Not nochmal nachfragen. Geht nämlich auch um verschollene Dinge. Grüße
Ist die Bestellung schon raus?? Man kann die Dinger doch in nem Maxibrief schicken oder?
Versichert würde ich es schon verschicken lassen. Die paar Euro für jeden machen den Kohl nun nicht fett und die Gewissheit ist doch schon ganz nett. Grüße
Der Preis richtet sich bei Hermes nach der Größe des Päckchens, nicht nach dem Gewicht, wie bei der Post. Ein kleines Päckchen (ca. 30x25x15cm³) kostet 3,90 und ist auch gleich bis 500 Euro versichert. Das dürfte in jedem Fall die günstigste Variante für einen versicherten Versand sein.
Hallo, wisst ihr das Hermes Samstag nichts ausfährt, mir wäre das z.b. wichtig wenn ich gegen Ende der Woche was bestelle das es mit der Post verschickt wird. Ich handhabe das auch immer so, Sachen mit niedrigem Wert per Einschreiben zu verschicken.
Das ist bei so ner langen Lieferzeit der Displays doch nun wirklich wurscht ob die nun Samstags oder Montags ankommen...
ja wenn man so lange aus China drauf wartet schon wollte das nur kurz sagen mit Hermes denn es ist schon ärgerlich wenn man wie gesagt gegen Ende der Woche was bestellt und es nicht mehr bekommt und dann evtl. Montags keiner angetroffen wird usw.
Das wird wohl bei der langen Lieferzeit aus China wirklich schnuppe sein, aber danke für die Info :-) Grüße
Ahh, 3,90EU bei Abgabe im Paketshop. Hba mal gesucht, in 7km Entfernung soll wohl einer sein. Dann also 3,90EU mit Hermes, Pasta. MfG, André
"Pasta ?!" Aber isch wollt' doch 'n Display und keine Nudeln ! ;-) Wir werden wahrscheinlich in Lobpreisungen ausbrechen müssen, wenn die Bestellung gelaufen ist, bei dem Haufen Arbeit und Gerödel, was Du hinter Dich gebracht hast, um hier Displays zu beschaffen. Danke schon mal. MfG, Daniel
Wie geht es weiter... Joah... Ich werd mich erst nochmal daran machen, jedem Besteller noch eine Bestaetigung zuzuschicken. Wenn die weg ist, werde ich das hier posten. Wenn sie zu dem Zeitpunkt dann jemand nicht bekommen hat, muessen wir nochmal schauen wo es haengt Dann muss ich mal die Tabelle fertig machen. D.h. Umrechnung HK$ > EU, +16% und +1EU (zur Sicherheit, siehe oben) fuer jedes Display. Dazu den Versand geteilt durch die Anzahl der Besteller + 3,90EU Hermes + Verpackung. Weiss jemand, ob ein Luftpolsterumschlag bei Hermes als Paket durchgeht? Sonst muss ich mich mal schnell bei ebay nach Kartons umschauen. MfG, André
@Hermes: Kann ich dir leider nicht weiterhelfen. @all: Habt ihr euch schon Gedanken um den Anschluss des Displays an eine Platine gemacht ? Momentan suche ich einen Steckverbinder passend zu dem Display. Bin aber bisher noch nicht fündig geworden. Vielleicht hat da ja jemand schon was. Grüße
Luftpolsterumschlag sollte kein Problem sein. Habe ich zwar noch nicht gemacht, aber schon bei anderen gesehen. PS: Bei Hermes bietet es sich an, bei denen auf der Homepage Adress-"Aufkleber" zu generieren. Das sieht ordentlich aus (z.B. mit durchsichtigem Klebeband auf das Päckchen kleben), du hast gleich die Nummer zur Nachverfolgung im PC und eine ordentliche Quittung. Und macht natürlich auch deutlich weniger Arbeit, als auf jedes Päckchen seine Adresse einzeln schreiben zu müssen.
@Sanic Für das OLED gibt es keine pasenden Stecker: Man kann es nur einlöten.
Und wie soll man das ohne zu pfuschen einlöten ? Für ne Stiftleiste o.ä. sind doch gar keine Löcher vorhanden und einfach mittels SMD Pad anlöten ist wohl auch nicht drin. Grüße
>und einfach mittels SMD Pad anlöten ist wohl auch nicht drin.
Warum ? Das geht wunderbar, und wird immer so gemacht (siehe Foto)
http://cgi.ebay.de/ws/eBayISAPI.dll?ViewItem&item=8219567048 Leadtek X-EYE XEYE 800 x 600 OLED Brille Da kommt ja noch einiges auf uns zu.
So, bin heute mal dazu gekommen, den Shop hier anzurufen. Die kuerzeste und laengste Seite zusammen muessen < 50cm ergeben, was bei einem Luftpolsterumschlag wohl gegeben sein sollte. Werde mich dann so langsam mal daran machen, die Tabelle zu vervollstaendigen, da ich nun ja so ziemlich alles noetige wissen muesste. MfG, André
Habe soeben ALLEN nochmal die bestellte Stueckzahl geschrieben. Der Text ist nich besonders lang, waer auch zu viel Schreibarbeit geworden :D Sollte es Abweichungen geben oder jemand KEINE Email bekommen haben, bitte eine Email mit Betreff "Korrektur" an rtc_oled-x[AT]yahoo.de Als Inhalt bitte den VOLLSTAENDIGEN Namen und Stueckzahl angeben. Vielen Dank und mfG, André Kolbe
Hmm. Ich hab leider keine Mail bekommen. Habe Dir gerade nochmal eine mail geschickt - ist die angekommen? Falls nein - ich bin mit ZWEI Stück dabei.
@Dominik --------------------------- Du hattest eine Email bekommen. Sie ist abgeschickt und kam nicht zurueck. Bitte korrigiere das mal falls moeglich, da sich sich verlaufende Emails nacher bei der Bezahlung etwas unguenstig machen. MfG, André --------------------------- Das gleiche habe ich dir eben nochmals an Email geschickt. MfG
Hah - ja entschuldige aber die Mail war für meinen Spamfilter leider ein gefundenes fressen ;) Und ich konnte die nun auch nicht unbedingt Dir zuordnen wegen dem doch sehr kurzen Text ;)
+ 16% ? 9 kommen mir nämlich so billig vor... Ich meine jetzt den entgültigen Preis, den jeder pro Stück zu bezahlen hat (einschließlich Bank und Zollgebühren usw.)
Dazu muss ich eben erst die Tabelle fertigmachen. Die 9Eu sind exkl. 16%. Das schicke ich dann in den naechsten Tagen raus, da das doch etwas laenger dauern koennte. MfG
Wie schaut's aus mit den Platinen? Vorschlag: wir einigen uns auf ein Layout, einer kümmert sich um die Realisierung und schickt die Adapter direkt zu André, der sie gleich mit den Displays verschickt. Noch besser wäre, wenn einer gleich die Displays mit den Platinen verlötet (Übung macht den Meister!). Die Frage ist: nur eine Adapterplatine auf z.B. Pfostenstecker oder DIL-Stecker, oder gleich mit Prozessor drauf. Da die meisten hier mit AVR arbeiten, bitte ich um Vorschläge. Auch eine Kombi-Platine wäre denkbar, entweder man bestückt nur das gewünschte, oder sägt den unbenötigten Rest ab. Benedikt, Du hast doch schonmal sowas angedacht... zeig mal, wie weit Deine Überlegungen gediehen sind. Damit die Sache jetzt endlich ins Laufen kommt, spendiere ich demjenigen, der das mit den Platinen in die Hand nimmt und erfolgreich abschließt, 2 Displays. Außerdem würde ich evtl. einen Vorschuß leisten, damit wir auf 72 Stück kommen, ich denke, mit den Adaptern oder Prozessorplatinen werden sicher andere Leute Interesse zeigen...
Die Idee mit der gemeinsamen Platine hatte vor einer Stunde auch. Nur wollte ich andre nicht noch zusätzlich damit belasten (auch wenn es das einfachste wäre). Wo wir aber schon beim Thema sind: Die Software zur Ansteuerung habe ich schon angefangen. Eine passende Windows Software ist auch kein problem. Das ganze läuft über einen FT245 mit 300kByte/s. Damit sollten 33fps bei 256Farben bzw. 16fps bei 65536 Farben möglich sein: Schnell genug für einen Film. Also eine passende C Lib für das OLED schreibe ich gerne. Aber erstmal zur Hardware: Ich würde eine Platine bevorzugen, die sowohl SPI als auch den 8bit Bus unterstützt. Beides über getrennte Anschlüsse bzw. 2 Versionen der Platine: Eine für SPI, eine für 8bit. Auf der Platine sollte sich auf jedenfall der StepUp Wandler befinden (die könnten wir auch irgendwie gemeinsam kaufen, denn nicht jeder kommt so einfach an die SMD Spulen und ICs ran). Hat jemand eine Idee, welches IC man verwenden könnte ? Eine Möglichkeit wäre der ZXLB1600 aber der ist warscheinlich etwas zu gut für so ein OLED. Was auch eventuell gut wäre: Ein 5V -> 3V Regler und ein Puffer (Pegelkonverter) für die Datenleitungen. Mir würde es zumindest besser gefallen, wenn das OLED an 5V laufen würde, um es zusammen mit anderen ICs betreiben zu können.
Naja, solang ihr euch darum kuemmert, belastet ihr mich nicht weiter damit. Das gemeinsame Verschicken etc. bekommen wir dann schon auf die Reihe, nur sollten die Platinen evtl. fertig sein, bevor die OLEDs ankommen (auch wenn der Zeitpunkt noch recht ungewiss ist). MfG
Wie wär´s wenn jemand ein Referenzdesign macht ? Ich werd für das Display eh was eigenes machen wo ich dann andere Ideen einfließen lasse. Grüße
@Profi: Da hier aber nicht JEDER mit AVRs arbeitet wäre es IMHO besser keinen Controller auf die Platine zu machen. Nur ein Adapter - mehr besser nicht. Das mit nem StepUp Wandler ist hingegen eine gute Idee.
Ich würde zu 2 Versionen tendieren, einmal damit das geanze an 5V funktioniert und einmal damits auch an 3V läuft ...
Ihr habt es ja gut! Ich muss gleich 8 Stück an ein ARM9 (CirrusLogic EP9302)hängen, und versuche es schon seit 2 Wochen, eine Lösung zu finden. mfg KennyOswald
sorry ich hab nicht mitgekriegt, ob eure bestellung schon weg ist. wenn nicht, checkt doch mal actron.de aus. hab ein 132*64 oled von denen. bin aber auch noch nicht zum ansteuern gekommen..
Reicht eigentlich jedem SPI als Ansteuerung ? Dann würde ich jetzt mal versuchen, einen ersten groben Schaltplan zu zeichnen. Wenn man anstelle des 3V Reglers einfach einen Lötpunkt setzt, kann man die Schaltung mit 3V statt mit 5V betreiben.
Ich würde sowas in der Art bevorzugen: Einfach, klein, sowohl für 5V als auch 3V geeignet. Die 16bit Daten wird wohl sowiso keiner verwenden. Der SPI Bus ist mit rund 700kByte/s aber nicht unbedingt der schnellste.
Hallo, ich gehöre auch zu den Bestellern - es wäre schon toll, wenn jemand noch eine Platine als Adapter dazu designt. Den Vorschlag von Benedikt finde ich sehr gut - liegt wohl an seiner Erfahrung... MfG, Daniel Braun
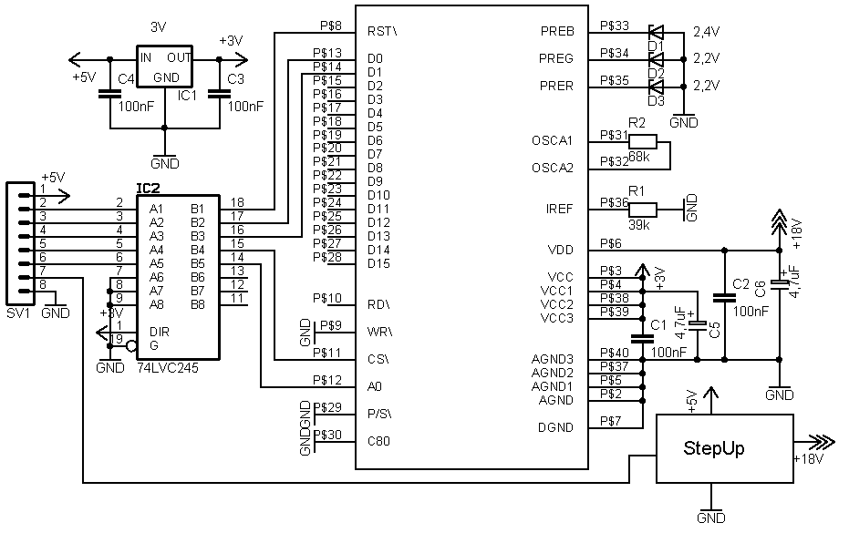
Obwohl ich selber Platinen ätzen kann, würde ich auch ein paar fertige für das OLEDs nehmen. Beim Ätzen der Platine für ein 0,5mm Raster habe ich nämlich deutlich gemerkt, wo die Grenzen sind. Vor allem lötet sich auf selbst geätzen Platinen mit stark variierenden Abständen zwischen den Pads auch schlecht.. Meine Idee zu den Platinen wäre: Wie machen eine Platine so in etwas wie mein Schaltplan (der zum größten Teil aus dem Datenblatt stammt), jeder kann dann entweder die Platine dazubestellen oder Platine + ICs + Spule für den StepUp (den 74LVC245 und den StepUp Regler und die Spule gibt es bei Reichelt nämlich nicht) bestellen. Den 8 poligen Anschluss könnte man so auslegen, wie auf einigen LCDs: Im Layout sowohl Löcher für 2,54mm als auch Pads für ein 1,27mm Folienkabel oder eine Nullkraftbuchse für ein Folienkabel. Leider ist sowas organisieren + Platinen irgendwo anfertigen lassen nicht mein Fachgebiet... Hat eigentlich jemand irgendeinen besseren Vorschlag für den StepUp als der orginale im Datenblatt ?
"Recently, we have got another very competitive model available.(LPSF096064A01-T3)." Hab mir das jetzt nicht weiter angesehen, aber irgendwas wird sich da schon geaendert haben. Vllt moechte davon ja noch jemand Muster, es bleibt jedenfalls bei den 96*96. MfG, André
@André: Kann es sein das dieses Display was Du gerade gepostet hast schon nen integrierten DC/DC Regler hat? Man muss wohl nur noch die Spule und nen Mosfet plus paar kleinteile extern anschließen um den DC/DC Wandler zu komplettieren...
Bitte melde dich an um einen Beitrag zu schreiben. Anmeldung ist kostenlos und dauert nur eine Minute.
Bestehender Account
Schon ein Account bei Google/GoogleMail? Keine Anmeldung erforderlich!
Mit Google-Account einloggen
Mit Google-Account einloggen
Noch kein Account? Hier anmelden.

