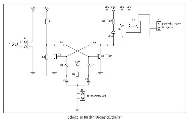
Habe eine Taster Steuerung gefunden und nachgebaut. Funktion: Taster drücken -> Relais ein und hält, Taster drücken -> Relais aus. Also ein Taster wird zum Schalter. Die Schaltung funktioniert auch auf den ersten Blick, dh Relais schaltet und Kontrolle LED leuchtet bei Tastendruck, bei neuerlichem Tastendruck geht die LED aus und das Relais kehrt in der ursprünglichen Zustand zurück. NUN das Problem: wenn ich einen Verbraucher an des Relais hänge (das ist ja Sinn der Sache, ich möchte etwas auf Tastendruck ein/ausschalten) schaltet sich dieser auf Tastendruck ein, jedoch bei neuerlichem Tastendruck, nicht mehr aus. man hört das Relais arbeiten, dieses zieht jedoch sofort wieder an, also der Verbraucher läßt sich nicht mehr ausschalten. Ohne Verbraucher funktioniert es. Was könnte an dieser Schaltung falsch sein? Bauteile sind i.o., habe die Schaltung 2x aufgebaut. r1,2,6,7,8 : 1 kohm r3,5 : 10 kohm r4 : 22 kohm c1,2 : 47 uf d1,2,3 : 1N4936 q1,2 : bc548
>Ohne Verbraucher funktioniert es. Was könnte an dieser >Schaltung falsch sein? Zeige mal am besten die gesamte Schaltung einschliesslich des Verbrauchers. Vor allem muss klar sein, woher der Verbraucher versorgt wird.
Dann wird wohl der Verbraucher das Problem sein ;) In der Schaltung steht ja auch "potentialfreier Ausgang". Ist dein Verbraucher potentialfrei?
Der Verbraucher ist ein weitere Relais. Grund: das erste Relais ist für 3A ausgelegt, sodaß dieses ein weiteres, welches für 7A ausgelegt ist schaltet. Ich brauche mehr als 3A im KFZ. Warum nicht gleich das 7A Relais verwenden? Der Schaltstrom ist für das 7A Relais zu wenig. Was heißt potentialfrei?
Dietmar schrieb: > Der Verbraucher ist ein weitere Relais. Dann würde ich über selbiges, eine Freilaufdiode (wie D3 in deinem Schaltplan) schalten, das könnte schon genügen. mfG vom ingo
der verbraucher wird aus dem gleichen Stromkreis versorgt, wie das Relais. Ist das das Problem? Wie kann ich das trennen?
Ingo Wendler schrieb: > Dietmar schrieb: >> Der Verbraucher ist ein weitere Relais. > Dann würde ich über selbiges, eine Freilaufdiode (wie D3 in deinem > Schaltplan) schalten, das könnte schon genügen. > mfG vom ingo also eine weitere diode antiparallel zum 2. Relais? Hab ich das richtig verstanden?
Dietmar schrieb: > also eine weitere diode antiparallel zum 2. Relais? Hab ich das richtig > verstanden? Genau, das meinte ich.
> Habe eine Taster Steuerung gefunden und nachgebaut. Oh je, flankengetriggerter bistabiler Multivibrator. Stammte das Buch von 1965 ? > jedoch bei neuerlichem Tastendruck, nicht mehr aus Klar, EMV, elektromagnetische Störung. Kann man nicht immer ignorieren, zumal wenn Funkeninduktoren ins Spiel kommen, und öffnende Relaiskontakte ziehen Funken wenn noch irgendwo eine Spule im Spiel ist. Man muß also Funkentstörung betreiben, auf Senderseite schon die Funken verhindern (Freilaufiode RC-Snubber), und auf Empfangsseite die Einstreuung (kurze Kabel, Kondensatoren an Steuerleitungen).
MaWin schrieb: > Oh je, flankengetriggerter bistabiler Multivibrator. > Stammte das Buch von 1965 ? ne, von Pollin geklaut.
Dietmar schrieb: > Der Verbraucher ist ein weitere Relais. Grund: das erste Relais ist für > 3A ausgelegt, sodaß dieses ein weiteres, welches für 7A ausgelegt ist > schaltet. Ich brauche mehr als 3A im KFZ. Ohje......Kfz-Anwendung. Dann sind die 12V betriebsspannung Deines "Stromstossschalters" bestimmt identisch mit der Lastversorgung. Du solltest MINDESTENS einen Kondensator ueber die Betriebsspannung des SSS legen und davor einen kleinen Widerstand zum Filtern. Sonst hast Du bei dedem Schaltvorgang einen Puls auf der Versorgung, der die Kippstufe zurueckkippt. Was passiert, wenn Du das starke Relais nicht anschliesst? Funktioniert es dann bzw. bleibt das kleine Relais dann in der jeweiligen Position stehen? Gruss Michael
habs bislang noch nicht im auto verwendet, nur im Trockentraining mit 12V Akku. Ohne das größere relais ist alles stabil, aber auch wenn ich ein kleines relais nachschalte klappts schon nicht mehr. Ich werde mal eine diode mit widerstand in sperrichtung parallel zum 2. Relais einbauen. Sonstige Vorschläge? zur stabilisierung der eingangsspannung im kfz kommt ein dc-dc Konverter rein.
Dietmar schrieb: > MaWin schrieb: >> Oh je, flankengetriggerter bistabiler Multivibrator. >> Stammte das Buch von 1965 ? > > ne, von Pollin geklaut. nein, gekauft
Was für eine riesige Schaltung, um aus einem Taster einen Schalter zu machen...ist hier evtl. der Weg das Ziel?
0815 schrieb: > Was für eine riesige Schaltung, um aus einem Taster einen Schalter zu > machen...ist hier evtl. der Weg das Ziel? Ja, das hab ich mich auch grad gefragt beim Lesen. Riesen Gezuppel nur um nen bistabilen Multivibrator als Stromstoßschalter zu missbrauchen. Als gäbe es sowas nicht schon fertig für 5,80€...wenn hier der Weg nicht das Ziel ist dann hat man definitiv das falsche Ziel im Visier ;)
Michael Köhler schrieb: > 0815 schrieb: >> Was für eine riesige Schaltung, um aus einem Taster einen Schalter zu >> machen...ist hier evtl. der Weg das Ziel? > > Ja, das hab ich mich auch grad gefragt beim Lesen. Riesen Gezuppel nur > um nen bistabilen Multivibrator als Stromstoßschalter zu missbrauchen. > Als gäbe es sowas nicht schon fertig für 5,80€...wenn hier der Weg nicht > das Ziel ist dann hat man definitiv das falsche Ziel im Visier ;) Fertig? Wo? 5,80? mit der Freilaufdiode klappst, aber nur ohne vorwiderstand.
Dietmar schrieb: > Fertig? Wo? 5,80? OK, sind 6:95 € http://www.pollin.de/shop/dt/OTcwOTQ0OTk-/Haustechnik/Installationsmaterial/Schaltgeraete/Stromstoss_Schalter_12_V_1_Schaltkontakt.html
das ding ist aber dann, wenn eingeschaltet, immer an. Der Vorteil der Schaltung ist, daß bei KFZ-Zündung aus, der Verbraucher abgeschaltet wird bis man erneut drückt.
Dietmar schrieb: > das ding ist aber dann, wenn eingeschaltet, immer an. Der Vorteil der > Schaltung ist, daß bei KFZ-Zündung aus, der Verbraucher abgeschaltet > wird bis man erneut drückt. Und wo schreibt der TE, dass er genau dieses Verhalten wünscht? Er schreibt ja noch nicht mal wo im KFZ er die Schaltung braucht und wo er die Versorgungsspannung klaut. Geht er direkt an die Batterie kann die Zündung doch machen was sie will, lässt die Schaltung relativ unbeeindruckt.
Dietmar schrieb: > das ding ist aber dann, wenn eingeschaltet, immer an. Der Vorteil der > Schaltung ist, daß bei KFZ-Zündung aus, der Verbraucher abgeschaltet > wird bis man erneut drückt. Ich sehe in der Schaltung nichts, was das sicherstellt. Also wird der Zustand beim Einschalten wohl zufaellig sein. fonsana
fonsana schrieb: > Ich sehe in der Schaltung nichts, was das sicherstellt. > Also wird der Zustand beim Einschalten wohl zufaellig sein. nein. denk mal die ff schaltung bleibt dauerhaft an der batt. nur die versorgung für das relais geht über das zündschloß. meine cb fuke hat auch ne getrennte versorgung. eine für die funke an sich und eine für den cmos speicher im gerät. der cmos speicher wird direkt vom akku versorgt.
0815 schrieb: > Was für eine riesige Schaltung, um aus einem Taster einen Schalter zu > machen...ist hier evtl. der Weg das Ziel? scheint so. ansonsten nen cd4013 und wenige be dazu und schon hat man zwei einheiten.
dolf schrieb: >> Also wird der Zustand beim Einschalten wohl zufaellig sein. > > nein. > denk mal die ff schaltung bleibt dauerhaft an der batt. > nur die versorgung für das relais geht über das zündschloß. Nein. Laut Schaltplan oben gibt es nur eine Versorgung mit 12V. Aber so wuerde man es natuerklich machen, allerdings muss man dann auf den Stromverbrauch achten. fonsana
Also zum besseren Verständis: Die Schaltung hängt über einen Dc/dc Konverter (um die Spannungsspitzen im KFZ abzufangen und die Schaltung zu schützen) am Zündungsplus der Auto-Batterie. Dh. Strom nur vorhanden bei Zündung an. Mit dem Taster möchte ich die Monitore für die Kinder auf der Rückbank einschalten (haben in Summe + Videosplitter + Player = 7A Stromaufnahme). Da das erste Relais für 3 A ausgelegt ist und der Schaltstrom für das 7A Relais zu gering ist, muß das kleine Relais das große Schalten. Nun möchte ich, daß bei Verlassen des Autos die Monitore von selbst ausgehen (deshalb Anschluß an Zündungsplus). Wenn ich nun des Auto wieder starte, dann sollen die Monitore NICHT wieder angehen, sonder aus bleiben bis man wieder drückt. Das geht mit dieser Schaltung, denn wenn der Steuerstrom erst mal weg ist, dann merkt sich die Schaltung der Zustand "ein" nicht mehr, die Monitore bleiben aus bei Zündung an. Mit dem oben erwähnten Stromstoßrelais geht das nicht, da sich dieses den Schaltzustand mechanisch merkt.
ich hab mir auch diese Schlatung http://www.eevblog.com/2012/03/30/eevblog-262-worlds-simplest-soft-latching-power-switch-circuit/ angesehen. Die ist zwar viel einfacher, hat aber den Nachteil, daß bei zu langem Drücken des Tasters, die Stromzufuhr oszilliert (also ständig an/aus) -> unbrauchbar. Eine andere einfache Schaltung wäre mit IC: http://www.modding-faq.de/index.php?artid=2510&page=2 Gefällt mir eigentlich gut bis auf die zusätzliche Trimmfunktion mit dem Poti. Gibt's alternativen?
Herrlich, "Alte Bekannte" wieder zu treffen. Damit meine ich die Problemchen mit Flip-Flop- u. Monoflop-Schaltungen im Kfz, die mich vor gut 40 Jahren schon beschäftigten. Damals hießen die Transistoren noch BC 107, BC 237, heute BC 547 o. ä., aber die Probleme waren die gleichen. Erfahrung: Ohne total saubere Entkopplung v. 12V-Kfz-Netz machen die angesprochen Schaltungen im Auto was sie wollen. Nur ein Beispiel: Lichthupe oder Tritt auf´s Bremspedal. Die Lampen haben Kaltwiderstände gg. 0 Ohm. Da gibts satte Spannungseinbrüche im milli-Sekunden Bereich auf der Kfz-Betriebsspannung. Da flippt jedes Flip-Flop aus!
Dietmar schrieb: > zu gering ist, muß das kleine Relais das große Schalten. Nun möchte ich, > daß bei Verlassen des Autos die Monitore von selbst ausgehen (deshalb > Anschluß an Zündungsplus). Wenn ich nun des Auto wieder starte, dann > sollen die Monitore NICHT wieder angehen, sonder aus bleiben bis man > wieder drückt. Das geht mit dieser Schaltung, denn wenn der Steuerstrom > erst mal weg ist, dann merkt sich die Schaltung der Zustand "ein" nicht > mehr, die Monitore bleiben aus bei Zündung an. Genau das ist eben mit dieser Schaltung nicht sichergestellt. Aber nachdem (wie immer) nun im zigsten Post herauskommt, was eigentlich bezweckt wird: Relais mit Selbsthaltung und fertig.(Punkt) fonsana
fonsana schrieb: > Dietmar schrieb: >> zu gering ist, muß das kleine Relais das große Schalten. Nun möchte ich, >> daß bei Verlassen des Autos die Monitore von selbst ausgehen (deshalb >> Anschluß an Zündungsplus). Wenn ich nun des Auto wieder starte, dann >> sollen die Monitore NICHT wieder angehen, sonder aus bleiben bis man >> wieder drückt. Das geht mit dieser Schaltung, denn wenn der Steuerstrom >> erst mal weg ist, dann merkt sich die Schaltung der Zustand "ein" nicht >> mehr, die Monitore bleiben aus bei Zündung an. > > Genau das ist eben mit dieser Schaltung nicht sichergestellt. > > Aber nachdem (wie immer) nun im zigsten Post herauskommt, was eigentlich > bezweckt wird: > > Relais mit Selbsthaltung und fertig.(Punkt) > > fonsana Relais mit Selbshaltung? Dann kann ich es aber nicht mehr ausschalten, bis die Zündung weg ist. Das ist nicht elegant. Und doch, die obige Schaltung erfüllt die Anforderungen. Die Frage ist nur, ob der DC-DC Konverter die Spannung gut genug glättet, damit das FlipFlop nicht ausflippt bei Verwendung anderer Verbraucher.
Dietmar schrieb: > Dann kann ich es aber nicht mehr ausschalten, > bis die Zündung weg ist. Das ist nicht elegant. Und wieder noch eine neue Anforderung - wie immer! fonsana
Das geht auch ohne Transistoren: Beitrag "Einmal drücken ein, nochmal drücken aus" da hatten wir vor einigen Jahren mal einen kleinen Wettbewerb.
Hallo liebe Gemeinde. Ich bin ein absoluter Neuling auf dem Gebiet und wollte jetzt mal diese Schaltung nachbauen. Soweit, so gut. Ich habe sie auf meiner Steckplatine nachgebaut und wollte sie nun testen. Leider musste ich festellen, dass sobald ich ein Relais betreiben will die Schaltung nur kurz aufflackert und dann sofort wieder ausgeht. Wenn ich das Relais weglasse funktioniert sie einwandfrei. Habt ihr vielleicht einen Tipp, oder einen Lösungsvorschlag für mich. Ich bin die Schaltung mehrmals durchgegangen und habe sie mindestens vier mal neu aufgebaut, leider ohne Erfolg. Wenn ich ein großes KFZ Relais anhänge schaltet sie gar nicht. Wenn ich ein kleines, in meinem Fall ein finder 41.52.9.012.0010, schaltet es zwar, aber wie gesagt nur für den Bruchteil einer Sekunde. Bin echt ein wenig am verzweifeln :-/
Ich benutze ein Labornetzgerät. Daran sollte es eigentlich nicht liegen. Ich habe jetzt mal versucht eine relativ kleine Last anzuhängen und habe dazu einen Widerstand mit 470 Ohm und eine LED drangehängt. Selber effekt. Flackert kurz auf und geht geht dann wieder in den Ruhezustand. Wenn ich jedoch zuerst die Schaltung scharf schalte und dann die LED dranhänge bleibt sie leuchten. Wenn ich jedoch in der selben Methode das Relais benutze, dann bricht die Schaltung wieder zusammen. Das mit der Leistung habe ich mir auch schon gedacht. Aber man hört ja das Relais deutlich schalten, aber eben nur kurz klack und das wars dann. Ich habe daher auch einen Elko mit 330 qF vor die Last geschaltet, dann klackt es auch nur kurz, jedoch die Status-LED leuchtet etwas nach.
Diese Schaltung möchte ich nicht kommentieren, außer dass sie für A & F ist... Nimm ein 12 Volt Stromstossrelais für 12VDC, oder auch eines für 12VAC, vielleicht geht es auch mit 24VAC Relais - Taster dran und fertig... 12 VAC Relais wird nicht sonderlich belastet bei kurzen Ein/Aus Impulsen, ist aber sicher leicht erhältlich... Dann gibt es keine Probleme mit der Triggerung, die bei Deiner Schaltung unterm Hund ist... Und kommt ohne Elektronik aus...
Ich habe mich jetzt ein wenig gespielt und habe noch eine Frage. Ich habe gedacht man benutzt einen Transistor um eine kleine Ausgangspannung um eine größere Last dann zu schalten. Also meine Idee war am Kollektor die zu schaltende Spannung, am Emitter die Last -zu-> Masse und die Basis wird dann zum Schalten benutzt. Ich hab mir das dann mal aufgebaut und habe festgestellt, dass ich am Emitter eine relativ kleine, aber doch vorhandene Spannung anliegt. Sobald ich dann die Basis beschalte liegt die volle Spannung am Emitter an, jedoch wenn ich die Basis wieder Stromlos mache, hält der Emitter trotzdem die Spannung. Sprich: Ich kann die Schaltung nicht mehr ausschalten. Wo liegt mein Denkfehler? Und vor allem wie bekomme ich diese kleine Spannung am Emitter weg im Ruhezustand?
Michael B. schrieb: > Wo liegt mein Denkfehler? Zu denken, also frei über die angebliche Funktion von Elektronikbauteilen herumzuphantasieren ohne es für nötig zu halten, einfach Mal die Grundlagen zu lesen. Du nimmst sicher auch prinzipiell irgendwelche Geräte in Betrieb ohne jemals in die Bedienungsanleitung zu gucken.
Danke für deine völlig unnütze und inkompetente Antwort. Wie man sieht kann man das Forum hier knicken. Den Aufwand hätte ich mir sparen können.
Michael B. schrieb: > Sprich: Ich kann > die Schaltung nicht mehr ausschalten. Wo liegt mein Denkfehler? Und vor > allem wie bekomme ich diese kleine Spannung am Emitter weg im > Ruhezustand? Schaltplan.....
Michael B. schrieb: > Danke für deine völlig unnütze und inkompetente Antwort. Vielleicht unnütz, aber inkompetent? Da bist du mit deinem Halbwissen gerade der Richtige. Michael B. schrieb: > Ich habe mich jetzt ein wenig gespielt und habe noch eine Frage. Ich > habe gedacht man benutzt einen Transistor um eine kleine Ausgangspannung > um eine größere Last dann zu schalten. Also meine Idee war am Kollektor > die zu schaltende Spannung, am Emitter die Last -zu-> Masse und die > Basis wird dann zum Schalten benutzt. Kollektorschaltung? Hört das Elend eigentlich nie auf?
Generell gilt zu sagen, dass die Bauteile generell angepasst werden müssen wenn man die Schaltung verändert. Auch beim Nachbau muss natürlich ein spezielles Relais verwendet werden, nämlich genau das für welches die Schaltung ausgelegt wurde. Also ich würde das Relais mit einem Transistor auslagern, dann kann man auch ein größeres Relais verwenden.
Hier noch ein Querverweis für alle die das Ding hier wieder ausgraben. Beitrag "Re: Toggle mit Relais"
Bitte melde dich an um einen Beitrag zu schreiben. Anmeldung ist kostenlos und dauert nur eine Minute.
Bestehender Account
Schon ein Account bei Google/GoogleMail? Keine Anmeldung erforderlich!
Mit Google-Account einloggen
Mit Google-Account einloggen
Noch kein Account? Hier anmelden.

