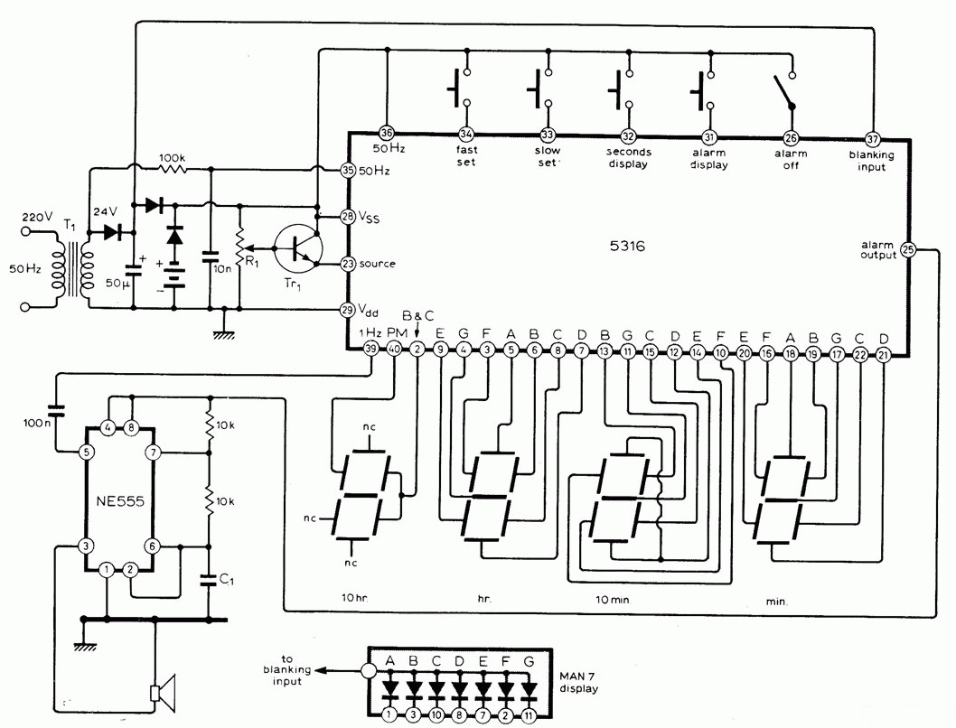
Morgen Jungs und Männer.. Bin gerade am Datenblatt studieren. Ich möchte mit meinem beiden Vintage IC eine sprechende Uhr basteln. Ich sehe im Datenblatt, der MM5316 braucht eine Versorgungsspannung von ca 24V. Soweit so gut. Der UAA braucht 5V wäre auch noch kein Problem. Ich sehe im Datenblatt vom MM nicht wie hoch die Spannung ist an den Segmenten Pins. Für eine Ansteurung des UAA muss man die Uhrensegmente vom MM5316 mit dem UAA verbinden. Da wird wahrscheinlich ein Problem geben wegen dem Spannungspegel ? Desweiteren es wird nicht nur VFD Röhren für die Anzeigen benutz sondern stinknormale 7 Segmentanzeigen. Ohne Vorwiderstände bei der Segmenten bei 24V VSS ?
Thomas der Bastler schrieb: > Ich sehe im Datenblatt vom MM nicht wie hoch die Spannung ist an den > Segmenten Pins. Wenn ein Segment eingeschaltet ist, legt der Ausgangstreiber die Spannung am Pin 23 an das entsprtechende Segment, siehe Fig. 4. Der minimale Strom ist mit 1,5mA angegeben. Den maximalen Strom habe ich beim Überfliegen des Datenblattes auch nicht gefunden. Den Betrieb von LED-Anzeigen ohne Vorwiderstand halte ich aber für abenteuerlich. Wenn man Display-Treiber verwendet und die Spannung am Pin 23 unter 10V hält, könnte man vermutlich den UAA damit ansteuern. Man muss aber noch prüfen, ob die Logik (high/low) stimmt, eventuell ist das am UAA einstellbar, ansonsten invertieren. gk
Hier hat jemand schon etwas ähnliches gefrickelt... Hier wurde ein MM5387 verwendet, braucht aber auch 21 V..also irgendwas stimmt mit der Schalltung nicht... "Eines der vielen Projekte, die nie fertig wurden." Beitrag "Applikationsschaltung UAA 1003" Die Gernzewerte von UAA sind 10V ( wer will das teil im Grenzbereich betreiben ?? ) Beim MM5316 ist minimum 21 V..also geht nicht Ich möchte die beiden seltene und teuere IC nicht grillen...
Aber lesen könnt ihr noch? Da steht deutlich: Versorgungsspannung des MM5316 von 8V bis 29V
Lesen schon, was Du meinst ist der "counter Operations Volate 8 bis 29V Power Supply Min 21 max 29 V
Der UAA1003 ist dummerweise für eine andere LED_Beschaltung ausgelegt
LED
Uhr --+--|>|-- GND
|
UAA1003
als der MM5316
+24V --|>|--+-- Uhr
|
Autsch
also musst du die Spannung wandeln.
Ein Transistor pro Segment
+24V --+--4k7--+--|>|-- MM5316
E| | LED
BC557 >|------+
|
10k
|
+-- UAA1003
|
1k
|
GND
würde gehen, die Schaltung invertiert auch gleich die Spannugslage.
Ersetzt man übrigens die 1k durch eine common Kathode 7 Segment Anzeige
statt der LED und die 10k durch 2k2 bekommt man eine 10mA HELLE und
GLEICHMÄSSIG HELLE Anzeige aus dem MM5316, der ist nämlich immer durch
eher dunkle Anzeigen mit Segmenten unterschiedlicher Helligkeit
aufgefallen.
Danke MaWin.... Gibt es noch eine andere Lösung mit weniger Material ? Nicht weil man geizig ist, aber pro Segment ist es schon ein haufen Holz...
Ich verstehe etwas an MaWins Plan nicht. Für jedes Segment sollte das obige verwendet werden. "LED" sollte ein Segment sein. Die Anzeigen haben aber gemeinsame Anode. Habe mal angefangen einen Plan zu zeichen...Bitte um Hilfe
Thomas der Bastler schrieb: > Ich sehe im Datenblatt vom MM nicht wie hoch die Spannung ist an den > Segmenten Pins. Maximal so hoch wie man an Pin 23 anlegt. Häng den also an die 5V Versorgung und schon passt alles. Die Siebensegmentanzeigen müssen übrigens gemeinsame Kathode haben, das ist im Schaltplan falsch gezeichnet. Die vermissten Segmentvorwiderstände sind übrigens im Uhrenchip drin, in Form des Bahnwiderstands der p-MOSFETs.
Danke Hinz, analog dazu ist der im Netz gefunde Schaltplan MM5316-Clock.jpg auch falsch ?
Thomas der Bastler schrieb: > Danke Hinz, analog dazu ist der im Netz gefunde Schaltplan > MM5316-Clock.jpg > auch falsch ? Auf den hab ich mich bezogen.
> Die Anzeigen haben aber gemeinsame Anode. Hmm, das ist ein Problem :-( Anzeige wegpassen ? Anzeige wie geschildert als common Kathode umbauen ? LED +24V --+--|>|--+-- Uhr | | +--47k--+ | | 1k | E| | BC557 >|------+ | +-- UAA1003 | 2k7 | GND Diese Schaltung arbeitet mit der Spannung an der LED (1.6V bei den alten roten) als Konstantstromquelle (1k = ca. 1mA) so daß am 2k2 nur ezwa 2.2V abfallen, was für den UAA1003 ausreicht. Wenn aber die LED kaputt geht oder versehentlich nicht angechlossen ist, kommen volle 24 an den UAA1003, was der wohl nicht aushalten wird. Daher ist die Schaltung zwar möglich, aber nicht 100% sicher. Ich würde noch mehr Aufwand treiben: LED +24V --+--|>|--+-- Uhr | | | 10k | | +--47k--+ E| | BC557 >|------+ | 22k | +-- UAA1003 | 2k7 | GND Du fragtest, wie man den Aufwand reduzieren kann. Eventuell mit einem open collector Komparator wie LM339, da sind immerhin 4 in einem Gehäuse, und die pull ups könnte man als SIL9 Netzwerke aufbauen, macht 4 IC + 2 RSIL. VCC UAA1003 +24V --+--|>|--+-- Uhr | | | 4k7 1k +--|-\ | | | >--+-- UAA1003 +----------|+/ | 22k (Spannungsteiler nur ein mal für alle) | (kann man optimal an die LEDs anpassen) GND
MaWin schrieb: > LED > +24V --+--|>|--+-- Uhr Ähm, der MM5316 hat p-Kanal Open Drain Ausgänge. Gemeinsame Source der Segmentausgänge ist an Pin 23 separat herausgeführt.
> Ähm, der MM5316 hat p-Kanal Open Drain Ausgänge Dann wäre die Schaltung MM5316-Clock.jpg falsch. Ein Blick ins Datenblatt bestätigt das. Damit reicht es, 5V an BI anzulegen und die LEDs nach Masse zu legen, und direkt an den UAA1003 anzuschliessen.
Ah.....ich Depp.. super Danke Jungs, aber , weil die ICs selten sind, kommt man nicht drumherum das zeug mal auf dem Steckbrett schnell zusammenzufrickeln. Kommt wenn ich meine 30W RGB 9 Modus Moodlampe vom Steckbrett ins Gehäuse verfrachte...
Aus der Erinnerung heraus an damalige Zeiten, (mit dem Recht auf Irrtum) meine ich, das der MM5316 nur für Fluoreszenzanzeige gewesen ist.
> Hinz und MaWin.. was ist jetzt wie richtig ? Hinz. Dein Scheiss-Schaltplan war ja falsch (wo man immer so einen Mist im Internet auftreibt, unglaublich). Du kannst 5V an BI anlegen und das Ausgangssignal direkt in den UAA1003 stopfen, ohne LED. Oder du legst 24V an BI, machst common Kathode Anzeigen an den MM5316, und greifst das Signal direkt an den LEDs ab. Wenn ein LED kaputt oder ab geht, könnte das sogar der UAA1003 überlegen, denn es fliessen maximal 1mA aus den 24V in ihn hinein.
Jungs, lest mal das Datenblatt. Der MM5316 treibt keine Leds.
und hier steht : http://www.ferromel.de/tronic_301.htm MM5316 = TMS1951 (Texas Instr.) mit Treibern für direkten Anschluß von Fluoreszenz- und LCD (Liquid Crystal)-Displays. Also sollte LED auch gehen.. spannend : http://www.decodesystems.com/clock-ics.html oder sogar hier : http://www.tmworld.com/electronics-news/4385672/Home-Made-Digital-Clock-Keeps-on-Ticking The MM5316 is a remarkable chip—it drives LEDs directly, with no need for additional transistors or additional power. Verwirrung Total...
Thomas der Bastler schrieb: > MM5316 = TMS1951 (Texas Instr.) mit Treibern für direkten Anschluß von > Fluoreszenz- und LCD (Liquid Crystal)-Displays. > Also sollte LED auch gehen.. Ja, genauso wie Dein Wohnzimmerverstärker Dein Wohnzimmer verstärkt hat. LOL Mensch, wenn Du schon ein Datenblatt postest, dann lies es Dir doch wenigstens selbst durch, dann siehst Du mögliche Ausgangströme von 1000-1500µA für die Segmente. Wenn's low-current 7-Segment Anzeigen werden, bzw. entsprechend klein oder groß und funzelig, dann mag das gehen. Alles andere benötigt Treiber, wenn's denn dieser Baustein sein soll.
> MM5316 = TMS1951 (Texas Instr.) mit Treibern für direkten Anschluß von > Fluoreszenz- und LCD (Liquid Crystal)-Displays. Also sollte LED auch > gehen.. Wie kommst du auf die falsche Annahme, daß VFD/LCD-Treiber auch immer LEDs könne ? Eine LED braucht viel mehr Strom aber weniger Spannung. > The MM5316 is a remarkable chip—it drives LEDs directly, with no need > for additional transistors or additional power. Wie schon geschrieben kann der MM5316 auch LEDs, aber mit erkennbaren Nachteilen: Schummriges Licht, ungleichmässige Helligkeit. Für einen ordentlichen Eindruck sollte man Treiber spendieren. > http://www.decodesystems.com/clock-ics.html Hier kommt also der falsche Plan her. Idiotenseite.
MaWin schrieb: > Für einen ordentlichen Eindruck sollte man Treiber spendieren. Danke MaWin, Du weißt ja, schätze Dein Wissen hoch ein. könnte einen ULN2803 oder sowas nehmen..
Jetzt schauen wir mal zusammen ins Datenblatt:
Output Currents , 1Hz Display = 1,5 mA (Blinkender Doppelpunkt)
10'ers off hours = 1 mA (Segment b und c = Zahl 1)
all other Display = 0,5 mA (alle anderen Segmente)
0,5 Milliampere steht für jedes einzelne Segment zur Verfügung. Da geht
auch mit Low Current Leds nichts mehr.
Astro-Ganove schrieb: > Da geht auch mit Low Current Leds nichts mehr. Aber klar geht das. www.vishay.com/docs/81199/tdsr1050.pdf Kommt eben nur auf die Ansprüche, Größe und Umgebungshelligkeit an.
MaWin schrieb: > Wie schon geschrieben kann der MM5316 auch LEDs, aber mit erkennbaren > Nachteilen: Schummriges Licht, ungleichmässige Helligkeit. Genau so ist es.
Thomas der Bastler schrieb: > könnte einen ULN2803 oder sowas nehmen.. Mit drei solchen kommts hin. Die Displays müssen dann natürlich Common Anode haben, und Vorwiderstände brauchts auch.
Danke hinz für Deine freundliche Tipps und unterstützung.
> So etwa ? Die Anoden des SA08 natürlich noch an +(5V) Natürlich nicht den UAA1003 mit den verstärkten Signalen aus dem ULN2803 braten, sondern vor dem ULN abgreifen. Da haben sie netterweise auch noch die richtige Polarität. Obwohl der ULN2803 mit seinen 500mA für 20mA gnadenlos überzogen ist, hat er den Vorteil, daß er seine Eingangsspannung bei 500uA/1000uA auf ca 3V begrenzt, was für den UAA1003 passt, und leicht nach Masse hin ableitet, was für den MM5316 schön ist. Ohne diese Anforderung täte es natürlich auch ein 74HC240, aber die Vorwiderstände spart der auch nicht.
MaWin....SUPPA THX...auf Dich ist echt verlass !!!
Noch etwas...also wenn ich im Datenblatt richtig lese, ist die minimale Versorgungsspannung vom MM5316 8 V oder ?
Thomas der Bastler schrieb: > Noch etwas...also wenn ich im Datenblatt richtig lese, ist die > minimale > Versorgungsspannung vom MM5316 8 V oder ? Nein, siehe 'power fail indication'.
Bitte melde dich an um einen Beitrag zu schreiben. Anmeldung ist kostenlos und dauert nur eine Minute.
Bestehender Account
Schon ein Account bei Google/GoogleMail? Keine Anmeldung erforderlich!
Mit Google-Account einloggen
Mit Google-Account einloggen
Noch kein Account? Hier anmelden.



