Hallo, ich suche gerade nach einer Konstantstromquelle für Niedrigspannungsanwendung. Strom 0,3... 2 mA Versorgungsspannung möglichst niedrig (300 mV wären gerne gesehen) Ich habe eine gefunden die braucht aber min. 1V Gibt's da welche die genügsamer sind? Danke. Kurt
Das Prinzip der Stromquelle beinhaltet, das diese auch den gewünschten Strom treiben kann. 0,3 V reichen bei 2 mA gerade für einen 150 Ohm Lastwiderstand, bei 0,3 mA dürfen es auch 1 KOhm sein. In allen anderen Fällen meckert der Herr Ohm. Hinzu kommt noch, dass in den meisten Fällen, eine vernünftige Regelung, nicht mit 0,3 V auskommt. So bleibt Dir nur: Rauf und Runter. Oder anders ausgedrückt: Erst Step-Up, auf mehr als 0,3V und dann ev. Regulate down.
Was willst du erreichen? Willst du wirklich nur eine Stromquelle mit so einer niedrigen maximalen Ausgangsspannung, oder meinst du (Glaskugel an) ein Aufwärtswandler, der aus der niedrigen Spannung eine höhere macht und gleichzeitig stromgeregelt ist? Muss die während des Betriebs einstellbar sein (Poti) oder soll sie konstant sein (ein mal abgleichbar) in dem genannten Strombereich? Bitte Netiquette zur Problembeschreibung beachten.
Kurt Bindl schrieb: > Versorgungsspannung möglichst niedrig (300 mV wären gerne gesehen) Meinst du jetzt wirklich Versorgungsspannung oder die Drop-Spannung über der Schaltung? Letzteres ist einfach, falls die Versorgungsspannung nicht zu klein ist.
ArnoR schrieb: > Kurt Bindl schrieb: >> Versorgungsspannung möglichst niedrig (300 mV wären gerne gesehen) > > Meinst du jetzt wirklich Versorgungsspannung oder die Drop-Spannung über > der Schaltung? Letzteres ist einfach, falls die Versorgungsspannung > nicht zu klein ist. Ich habe eine Last von ca. 4 k_Ohm Eine Versorgungsspannung von 2,5...5,5V Die 4k ergeben bei 0,5 mA eine Spannung von 2V dazu kommt nun die Stromquelle. Wenn sie sich mit 0,5V zufrieden gibt dann hab ich mein Ziel, den Verbraucher mit 0,5 mA, bei einer Versorgungsspannung von 2,5V zu versorgen, erreicht. Wenn mehr am Konstanter abfallen dann muss ich Abstriche von den 2,5V machen. Kurt
LM344 braucht 0,8V. Darunter kenn ich nix, wird auch eng für Bipolartechnik mit 0,7V an jedem PN-Übergang. Allerdings ist der lM344 temperaturabhängig, für die Kompensation braucht man eine normale Diode, die braucht dann 0,7V mehr.
Kurt schrieb: > Wenn sie sich mit 0,5V zufrieden gibt dann hab ich mein Ziel, den > Verbraucher mit 0,5 mA, bei einer Versorgungsspannung von 2,5V zu > versorgen, erreicht. Die Schaltung im Anhang kann das, wenn du mit 5% Stromänderung über den Spannungsbereich und etwas an zusätzlichem Stromverbrauch leben kannst.
@ ArnoR (Gast) >Die Schaltung im Anhang kann das, wenn du mit 5% Stromänderung über den >Spannungsbereich und etwas an zusätzlichem Stromverbrauch leben kannst. Ach so, wenn man die Versorgungsspannung anzapfen kann ist es natürlich einfach. Da kann man ggf. sogar noch was deutlich besseres und sparsameres bauen, mit einem R2R OPV.
Falk Brunner schrieb: > Ach so, wenn man die Versorgungsspannung anzapfen kann ist es natürlich > einfach. Sag ich doch, und da er es nicht ausgeschlossen hat, hab ichs halt gemacht. > Da kann man ggf. sogar noch was deutlich besseres und > sparsameres bauen, mit einem R2R OPV. Na klar wirds mit richtiger Referenz und OPV besser, aber einfacher dürfte schwer werden. Viel sparsamer gehts natürlich auch noch, schließlich ist der "Referenzstrom" größer als der Laststrom. Bloß was soll man denn vorschlagen, wenn wie hier üblich, viele wichtige Angaben fehlen und mühsam erfragt werden müssen (Spannungs- und Temperaturstabilität, Last an Masse?, verfügbarer Platz, Energieverbrauch...).
ArnoR schrieb: > Falk Brunner schrieb: >> Ach so, wenn man die Versorgungsspannung anzapfen kann ist es natürlich >> einfach. > > Sag ich doch, und da er es nicht ausgeschlossen hat, hab ichs halt > gemacht. > >> Da kann man ggf. sogar noch was deutlich besseres und >> sparsameres bauen, mit einem R2R OPV. > > Na klar wirds mit richtiger Referenz und OPV besser, aber einfacher > dürfte schwer werden. Viel sparsamer gehts natürlich auch noch, > schließlich ist der "Referenzstrom" größer als der Laststrom. > > Bloß was soll man denn vorschlagen, wenn wie hier üblich, viele wichtige > Angaben fehlen und mühsam erfragt werden müssen (Spannungs- und > Temperaturstabilität, Last an Masse?, verfügbarer Platz, > Energieverbrauch...). Natürlich fehlt da noch vieles, ich muss mir ja selber erst klar werden was ich will. Es ist eine Versorgung mit 3 Zellen a 1,5V vorhanden, die möchte ich bis auf <1V/Zelle nutzen, denn der angehängte AVR kann bis 2,xx runter. Der "Verbraucher", eine Brückenschaltung, hängt an Masse, die Brückenspannung wird vom externem A/D Wandler umgesetzt. Das "Problem" ist die Temperaturabhängigkeit der Brückenschaltung, der Lieferent hat einen eingeprägten Strom empfohlen weil dann die Tempänderung nicht mehr ins Gewicht fällt, ist dann aber nicht weg. Darum mein Anliegen eine Stromquelle zu finden die mir in Bezug zu meinen angestrebten 2,5V Schlussspannung der Batterien nicht weh tut. Die mit den 0,8V hatte ich schon im Visier, will aber genau wissen obs nicht noch was -besseres- gibt. Andereseits ist gerade diese Stromquelle selber temperaturabhängig, somit habe ich mir wiederum diese Abhängigkeit eingehandelt. Und von einer Kompensation der Sensordrift gehe ich nicht unbedingt aus. Natürlich könnte ich mit dem AVR eine Spannungspumpe aufbauen, aber das -kostet- Batkapazität. Ich werde den Hersteller fagen wieweit die Temperaturänderung sich auf den Messwert auswirkt, ist das gering dann wird die Brücke einfach mit der Referenzspannung des A/D-Wandlers versorgt. Das probier ist gerade aus und es klappt ganz gut, allerdings muss erst noch der Föhn und Kältespray dran. Kurt
Korrekturilum: Das "Problem" ist die Temperaturabhängigkeit der Brückenschaltung, der Lieferent hat einen eingeprägten Strom empfohlen weil dann die Tempänderung nicht mehr ins Gewicht fällt, ist dann aber nicht weg. Das "Problem" ist die Temperaturabhängigkeit der Brückenschaltung, der Lieferent hat einen eingeprägten Strom empfohlen weil dann die Tempänderung nicht mehr ins Gewicht fällt, verschwindet. Kurt
Das Problem ist, dass deine erstgemachten Angaben schlichtweg falsch sind. Deine Versorgungsspannung beträgt 2.5V Minimum und du suchst nun eine Low Drop 2mA Konstantsstromquelle. Das ist nichts besonderes sobald du einen MOSFET verwendest. Mit Hilfe eines OpAmp hast du auch keine Probleme mit der Temperaturstabilität: http://www.mikrocontroller.net/articles/Konstantstromquelle Wenn du nun noch sagst wofür du die Stromquelle brauchst, so besteht vielleicht auch die Möglichkeit noch eine besser geeignete Lösung zu finden. (Bspw. könntest du auch deine gesamte Schaltung mit einem effizienten Buck-Converter versorgen, sodass du eine stabile Spannung hast und dann anstatt einer KSQ einen simplen Widerstand verwenden.)
oder einen Step-Up-Konverter, der aus 2 Zellen 3 Volt liefert.
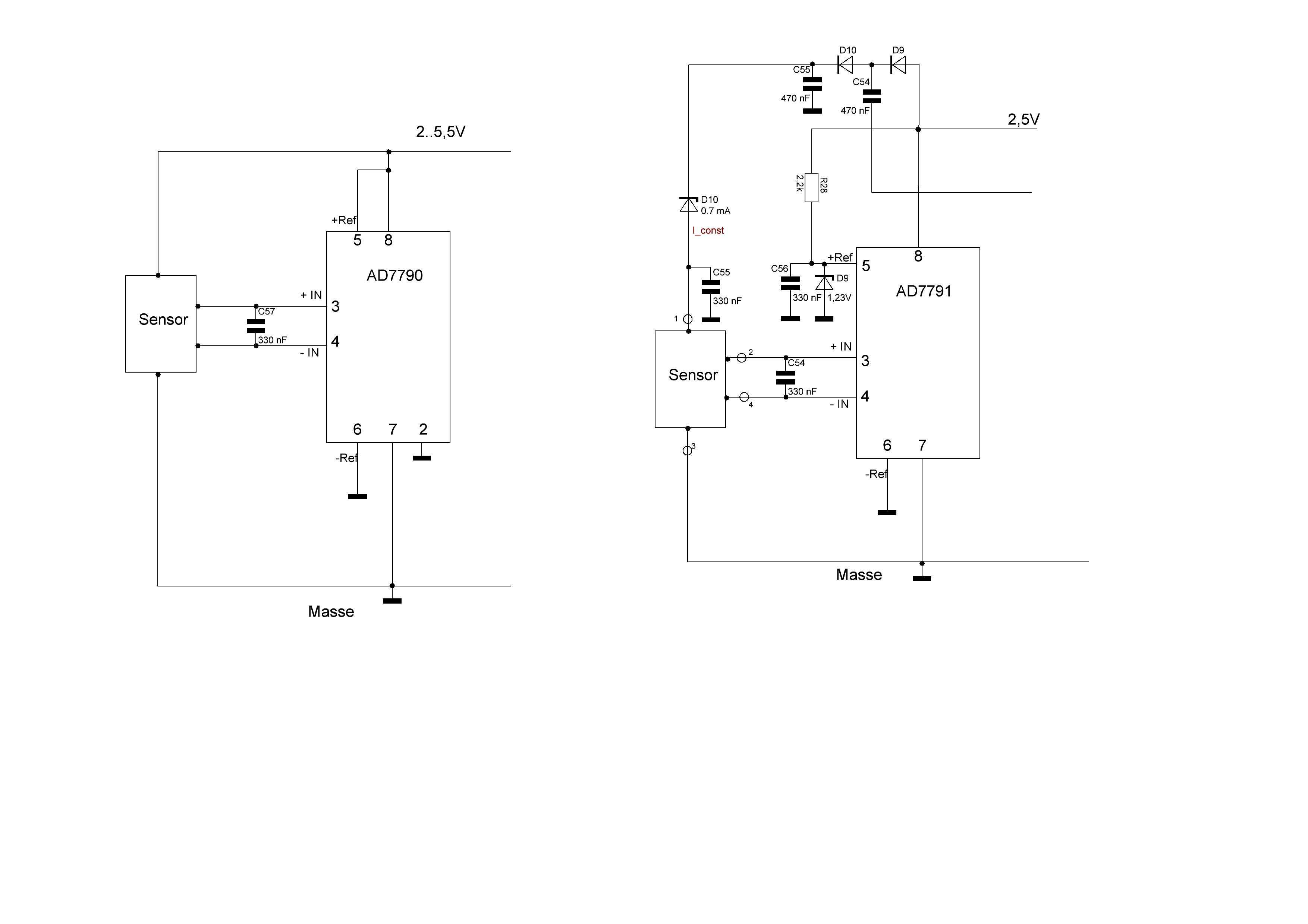
noreply schrieb: > oder einen Step-Up-Konverter, der aus 2 Zellen 3 Volt liefert. Das ist nicht so einfach, der Platz auf der Platine ist begrenzt, und eigentlich schon ausgelastet. Es handelt sich um eine Druckmessung zur Wasserhöhenbestimmung. Der Sensor ist eine Differenzdruckmesszelle mit einem Bereich von 1 Bar. Diesen Sensor hatte ich schon mal eingesetzt, nun, da ich wieder welche brauche wurde genau der gleiche wie damals bestellt. Nunja, es kam halt anders, dieser Typ wird nicht mehr hergestellt. Der Ersatztyp ist auf "Stromspeisung" ausgelegt weil sich dadurch die Temperaturkompensation vereinfacht. Meine Schaltung ist aber für den "Spannungstyp" ausgelegt (linker Schaltungsauszug). Bei dieser Beschaltung (AD/Wandlerrefenz geht mit der Versorgungsspannung mit) kommt immer die gleiche -Zahl- raus. Ging perfekt. Ich habe nun den neuen Sensor so angeschlossen, die Spannung variiert und schon wars klar, das geht nicht. Naja, deswegen nicht weils ein stromgesteuerter ist. Ich hab ihn, und die Referenz für den Wandler, mit einer konstanten Spannung versorgt, das geht, aber die Tempkompensation ist nun nicht mehr gegeben. Heute Nacht habe ich ein "Temperaturprofil" aufgenommen. Im interessierendem Bereich 5...15 Grad C war die Nullpunktdrift ca. 7 mm. Ich muss nun noch schauen wie sich die Sache bei 1 Bar verhält, obs da auch so gering ist. Wenn ich damit leben kann dann ists OK, wenn nicht dann halt der wurmige Apfel und der Versuch mit der/einer Konstantstromquelle und der festen Referenz für den AD. Da ich bis auf die 2,5 runter, den 334 einsetzen, keine grosse Schaltung integrieren kann/will, hab ich mich mit der Pumpschaltung angefreundet. Die kann ich notfalls in die Zuleitung zum Sensor reindrücken und sogar dann noch die Kompensationsdiode mit dazu setzen. Es schmerzt ein wenig wegen den höherem Stromverbrauch, aber naja, man kann nicht alles haben. Kurt
Wäre der ADS1220 statt des eine AD7791 eine Option? Der arbeitet ab 2.3V und hat interne Stromquellen die auch zusammengeschaltet werden können. Wenn's auch ein anderer Controller sein darf: ADuCM360/361 ab 1.8V, u.a. zwei/ein 24-Bit-AD-Wandler, Stromquellen und einen DAC (wenn mit einem externen OpAmp etc. eine Stromquelle aufgebaut werden soll) integriert...
Bitte melde dich an um einen Beitrag zu schreiben. Anmeldung ist kostenlos und dauert nur eine Minute.
Bestehender Account
Schon ein Account bei Google/GoogleMail? Keine Anmeldung erforderlich!
Mit Google-Account einloggen
Mit Google-Account einloggen
Noch kein Account? Hier anmelden.

