Schlaf Schön :D! Und bleibst du noch ein wenig wach Axel :)? Was soll ich als nächstes anstreben? Also welches Projekt. Nezogen auf die Bauteile die ich hier habe... Könnte ich noch einen Tongenerator bauen? Aber den den du erstellt hast?
Erol Be schrieb: > Was soll ich als nächstes anstreben? Vielleicht solltest Du als nächstes mal das Heierbettchen anstreben? Morgen geht' weiter !
Hier sind meine bescheidenen Ergbenisse. Ohne Kupfer drunter ists schon etwas anderes ;) Beim Softwareschreiben ist es das gleiche. Plan machen, nochmal nachdenken, alles aufschreiben und : Handwerk : edit ich habe die Platine absichtlich verkehrt rum genommen. Ich hatte nichts OHNE kupfer...
RoJoe schrieb: > Erol Be schrieb: >> Was soll ich als nächstes anstreben? > > Vielleicht solltest Du als nächstes mal das Heierbettchen anstreben? > > Morgen geht' weiter ! Okey geht klar <.< Gute Nacht die Herren!
Hier sind noch ein paar... Übrigens habe ich die Gegenkopplung nicht mit angelötet, aber aufgeschrieben, das das noch zu tun sei ;)
Axel R. schrieb: > Hier sind noch ein paar... > > Übrigens habe ich die Gegenkopplung nicht mit angelötet, aber > aufgeschrieben, das das noch zu tun sei ;) Sehr interessant! Du bist zu schnell/gut für mein Niveau der Elektrotechnik >.<" Habe übrigens genau den Lautsprecher. Also den Rechteckigen... Von den Alten Boxen die ich einst erwähnt hatte... Wieso ist im Hintergrund der Plan von deinen Schaltungen? Oder hast du es nur als Untergrund genommen... Naja egal :) Du sagst Gegenkopplung... Mein Lehrer hat das einst erwähnt als er versuchte 2 Generatoren zu schalten jedenfalls ging es nicht beides über 1nen Speaker abzuspielen udn er sagte er schaffe es nicht die generatoren gegenzukoppeln.... Ist es das?
Axel R. schrieb: > hier bei mir aufm Tisch machts auch piiieep - Piept's jetzt bei euch beiden? Erol Be schrieb: > Habe übrigens genau den Lautsprecher. Also den Rechteckigen... Rechteck-Schwingungen und rechteckige Lautsprecher, das passt doch gut zusammen ... ;-D Axel R. schrieb: > Übrigens habe ich die Gegenkopplung nicht mit angelötet Erol Be schrieb: > jedenfalls ging es nicht beides über > 1nen Speaker abzuspielen udn er sagte er schaffe es nicht die > generatoren gegenzukoppeln.... Ist es das? Das nennt man ENTkopplung Erol Be schrieb: > Was soll ich als nächstes anstreben? => Heierbettchen ! > Also welches Projekt. => Projekt "erholsamer Tiefschlaf" ...
Ich empfehle dir wirklich, Lochrasterplatinen mit Lötaugen zu verwenden. So kannst du die Platine keinem zeigen...
Erol Be schrieb: > Was soll ich als nächstes anstreben? > Also welches Projekt. Du hast jetzt 1 funktionierenden Tongenerator und der Amp läuft auch. Wie wär's, mal die 1. Lichtschranke in Angriff zu nehmen? Laserpointer besorgen und Rahmen für die Harfe. Als Rahmen könntest Du zB. ne alte Holzschublade organisieren. Möglichst solide, also Massivholz verzapft. Wenn der Boden dünn ist und nichts zur Stabilität beiträgt, kannste den auch rauskloppen: => freie Sicht auf die Alpen. Motto ist also nicht: Lötauge sei wachsam, sondern: Holzauge sei wachsam ;-D In die Seite mit dem dicksten Holz (Vorderseite) kämen dann Löcher, in denen die Laserpointer dann STRAMM und SPIELFREI drinsitzen. Auf der Seite gegenüber würden die LDRs dann genau unter ihren zugehörigen Laserpoint geschoben und dann fixiert. Motto: Wenn der Brunnen (der Laserpoint) nicht zum Durstigen (dem LDR) kommt, dann geht der Durstige halt zum Brunnen. > Könnte ich noch einen Tongenerator bauen? Würd ich in den Wartepausen machen, wenn Du auf irgendwelche Teile o.ä. wartest. > Aber den den du erstellt hast? Der Tongenerator vom Axel klingt anders. (symmetrisches Rechteck) Kannste ja dann mal bauen und mit dem 1. vergleichen. Frage: Wieviel Zeit ist denn noch bis zur Premiere?
Ich denke ich habe im Keller noch 1-2 Holzbretter mit einer Dicke von 2-3cm.... Werde gleich mal nachsehen.... Laserpointer bestelle ich mal heute von Amazon... Die Vorstellung beginnt am: Keine Ahnung :'D Ich weiß aber, dass ich noch nächste & übernächste Woche SICHER habe. Eventuell in 3 Wochen also am 27. Februar? Ich denke aber ich habe noch mehr zeit. Ich muss dann noch einen Ordner erstellen. Der Ordner muss den Schaltplan enthalten. Die Auflistung der Bauteile. Erklärung der Bauteile (Was kann das Bauteil) Funktionsweise der Schaltung Erklären (& ich muss es verstehen :o!) Ähm ja denke das ist alles. Ist ja normal das man einen Ordner / Ausarbeitung bei einer Prüfung vorlegen muss :)
Erol Be schrieb: > Eventuell in 3 Wochen also am 27. Februar? Komisch, auf meinem Rechner ist es schon März ... (?) > Funktionsweise der Schaltung Erklären (& ich muss es verstehen :o!) Ja, die Funktionsweise der Schaltung must Du natürlich auch mir erklären, ich habe nämlich KEINEN SCHIMMER ... Übrigens: Sobald Du die erste Lichtschranke fertig hast und das 1. Tonhöhen-Poti befestigt ist, kannst Du - mit etwas Übung - "Smoke on the Water" auch mit nur 1 Tongenerator spielen. Indem Du, vor Spielen des Tones, das Tonhöhen-Poti ruckartig auf den richtigen Ton verstellst...
Ja... Ich hing noch im Februar fest :'D Ouh :X Das wird wohl der schwerste Teil. Schaltung verstehen & erklären :o Das ist mir zu hektisch das rumgedrehe... Ich muss aber auch sagen, dass ich die Töne nicht wirklich schön finde die der Generator von sich geben kann bzw. gibt...
Erol Be schrieb: > Das ist mir zu hektisch das rumgedrehe... War nur gedacht für den Fall, dass die Zeit nicht reichen sollte. > Ich muss aber auch sagen, dass ich die Töne nicht wirklich schön finde > die der Generator von sich geben kann bzw. gibt... Na, dann gibt es ja mal nen Grund, was über Klangfarben zu lernen. Und wie man mit einfachen Mitteln am Klang basteln kann. Wie Du dem Generator zB. die Flötentöne beibringen kannst :D Leg doch mal 100k in die Leitung vom Generator zum Lautstärke-Poti. (Es muss ja sowieso von jedem Generator ein 100k-R zum Summieren der Signale UND Entkoppeln der Generatoren an den Summationspunkt geführt werden) Dann löte zB. 10nF über die äusseren Anschlüsse des Potis. => Es klingt jetzt weicher ... Du hast der Rechteck-Schwingung jetzt einen Teil ihrer Oberwellen geklaut. Mit einem RC-Tiefpass-Filter bestehend aus dem 100k-R und dem 10nF-C. Du könntest ja auch mal versuchsweise den Frequenzbereich des Generators erhöhen, indem Du (mindestens) einen der beiden frequenzbestimmenden Cs im Generator verkleinerst. Schubladen gibts übrigens auch in der Bucht. Der Rahmen MUSS STABIL sein, sonst wird es nicht klappen. > Das wird wohl der schwerste Teil. > Schaltung verstehen & erklären :o Habt ihr in der Schule ein Scope, so dass Du Dir die Signale an verschiedenen Punkten der Schaltung mal ansehen kannst?
@RoJoe bei allem Respekt: mal ihm das auf. @Erol wie stehts?
So gestern war ich total UNPRODUKTIV. Heute aber habe ich ein Holzgestell errichtet aus 2x Rechteckigen Platten und 1nem gleichseitigen viereck... Dann zusammengeschraubt und lá perfekto! Nun muss ich gucken wie ich die Löcher positioniere für die Pointer,ect. Und wo ich was verstauen will...
Morgen kommt ein voraussichtlich ein Bild von dem Holzgestell :)
Erol Be schrieb: > Morgen kommt ein voraussichtlich ein Bild von dem Holzgestell :) Bin gespannt ... Sind die Pointers schon da? Wäre interessant zu wissen, wie niedrig der Widerstand der LDRs wird, wenn sie genau unter dem Laserpoint plaziert sind.
RoJoe schrieb: > Erol Be schrieb: >> Morgen kommt ein voraussichtlich ein Bild von dem Holzgestell :) > > Bin gespannt ... > > Sind die Pointers schon da? > > Wäre interessant zu wissen, wie niedrig der Widerstand der LDRs wird, > wenn sie genau unter dem Laserpoint plaziert sind. http://puu.sh/7qzYw.png Braucht noch ein wenig...
Erol Be schrieb: > Braucht noch ein wenig... Uiii .. könnte knapp werden. Jedoch: Wir haben ein paar Tage richtig SONNE. Das Sonnenlicht wird reichen für die LDRs. Du kannst Dich also nach draussen setzen in die Sonne und schon mal ein paar Lieder einüben ...
RoJoe schrieb: > Erol Be schrieb: >> Braucht noch ein wenig... > > Uiii .. könnte knapp werden. > > Jedoch: Wir haben ein paar Tage richtig SONNE. > Das Sonnenlicht wird reichen für die LDRs. > > Du kannst Dich also nach draussen setzen in die Sonne > und schon mal ein paar Lieder einüben ... Habe doch erst einen Generator. Ich löte später noch den 2ten Generator an die Platine vom 1ten Generator. Habe ja diese Lichtharfen-Set 2x bestellt gehabt... Kann ich mit den Teilen die ich von Axel habe & von Reichelt den gleichen Tongenerator nachbauen? Problem ist ja das ich nicht die selben Kondensatoren/Transistoren habe... Wobei die Kondensatoren egal sind da ich ja eh verschiedene Töne will pro Generator...
Dafür habe ich dir doch extra die durchkontaktierte Leiterplatte, die ganzen Transistoren, die styroflexkondensatoren und das alles geschickt. Klar kannst Du das damit bauen.
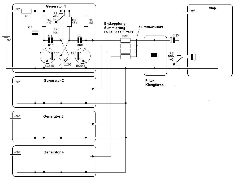
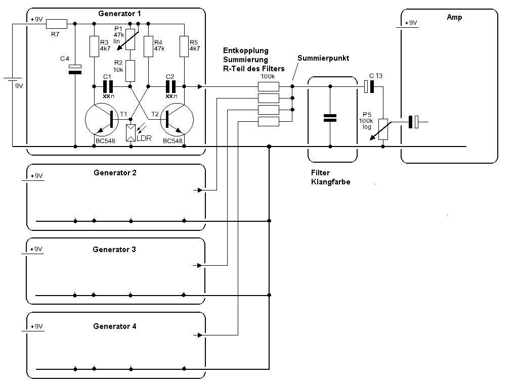
Erol Be schrieb: > Kann ich mit den Teilen die ich von Axel habe & von Reichelt den > gleichen Tongenerator nachbauen? Ja. > Problem ist ja das ich nicht die selben Transistoren habe... Ist kein Problem; BC 547, 548, 549, 550, gehen alle. > Wobei die Kondensatoren die Frequenz (mit)bestimmen. Probiere einfach verschiedene aus. Experimentiere. Dann lernst Du am meisten. T3 und R6 enfallen bei allen Generatoren. Die waren nur da, um den Lautsprecher anzutreiben. Unsere astabilen Freunde würden nämlich die Grätsche machen, wenn wir da direkt Lautsprecher anschliessen würden. C3 brauchen wir auch nur 1mal, zwischen Summenpunkt der 100k-Widerstände und dem Lautstärke-Poti. 4,7µF... 47µF reichen dann. Die LDRs sollten je auf eine kleine Extra-Platine und mit Schirmkabel angeschlossen werden. Die müssen ja verschiebbar sein. Wenn Du pro Platine 2 Löcher 3 ... 4mm reinbohren würdest, könntest Du sie nach Justage mit je 2 kleinen Schrauben festschrauben.
das sieht ja sehr ordentlich aus. Eine gute Zeichnung. @Erol die Transistoren mit dem Blechtopf kannst Du gern verwenden. Der kleine Schniepel am Gehäuse ist Emitter, gegenüber ist Kollektor und in der Mitte die Basis.
Mein Lehrer war so fest davon überzeugt das er sagte ich soll die Holzkonstruktion wegwerfen & es mit Plexiglas machen :'D Habe um 13:30Uhr Technik (Mittagschule). Muss blöderweise auch die ganzen Sachen auf eine Platine löten. Die Begründung sei das die Projekte von einem 2t Prüfer benotet werden und die Richtlinien dazu seien angeblich eine Kupferplatine -.-" Muss heute dann erstmal die Platinen erstellen mit dem Schulprogramm & dann fresen & löten... Ich melde mich nach der Schule wie es gelaufen ist... EDIT1: Werde es logischerweise niemals schaffen heute shcon ans fräsen zu kommen. Muss ja erstmal die ganzen Schaltpläne auf Papier bringen also in dem Format in dem ich sie in dem Platinenprogramm übernehmen kann. Muss außerdem die Brücken rausbringen :o Kann ich ja auf einer Platine nicht stehen lassen. Ich lasse mir etwas einfallen :) Ich mache auch 1-2 Bilder damit irh seht wie weit ich bin, später.
Wie schließe ich den LOG an den AMP an?? Der hat ja nicht 3 sondern 6 Beinchen :o Und habe nun Probleme mit der Platinenerstellung :(
Ich gehe nun nach hause... Hier nochmal ein Bild der Platinen simulation...
Ich würde gern weiterhelfen. Was bedeutet LOG an den AMP anschliessen? mit sechs Beinen? Meinst Du eventuell das stereopoti, welches Du bestellt hattest? Davon (wenn es das ist, was wir beide meinen) nimmst Du nur die vordere Reihe. Da sind einfach zwei von den Reglern drinnen. Ist doch ein stereosteller. Einder für den rechten und einer für den linken Kanal. Du hast aber nur einen Knal, also schliesst Du auch nur einen an. Dem Entwurf fehlen die eingezeichneten Bauteile. so steige ich leider auch nicht dahinter. Was ist das für ein Programm? Berechnet das gleich die Fräswege? Musst Du eine eigene Platine fräsen oder darfst Du auch (m)eine Lochrasterplatine verwenden?
Das Programm nennt sich nncad7 Ist schon alt. Gibts als Free oder Kostenpflichtige Version im Internet. Es ist ein Programm mit dem man direkt fräsen kann, wenn man die Fräse angeschlossen hat. Man erstellt die Platine in dem Programm also die Löcher & Leiterbahnen & dann kann man fräsen... Er sagte die Lötstellen seien zu schlecht auf der Lochrasterplatine... Eine Frechheit für die Arbeit die ich da mache. Andere machen nur ein kleines Lauflicht oder einen Klatschschalter wobei der AMP = Verstärker schon um einiges komplizierter ist -.-" Der log ist der Logarithmische Potentiometer mit 2 Bahnen also 2x 3 Pin Aschlüssen. Da er ein Stereo Sound verarbeiten kann denke ich mal... Stereo = 2 Wege / Mono = 1 Weg EDIT1: Auf dem Bild sind "Die Roten Dreiecke = Rot" NICHT ROT sondern BEIGE!!!
Habe mir die Software für den Heim-PC runtergeladen... Da die Zeit wohl echt knapp wird in der Schule denke ich mal mit Löten, ect.... Wie findet ihr diesen Generator?? Habe mit Paint die Widerständ eudn Transistoren und Kondensatoren/ELKOS reinzeigezeichnet... Im Bild ist außerdem die Schaltung zu sehen... Man sollte die gleichheit direkt sehen.. Ich musste logischerweise bei der Überkreuzung der Basis Anschlüsse der Transistoren die Bahnen verlegen da sie sich nicht kreuzen dürfen... Mir hat sich nun aber ein Problem dargestellt wie ich den POTI der so Rot hingezeichnet wurde mit dem Schwarzen Pfeil hinstellen soll... Ich habe die Mitte des Potis nach außen verlegt wie es auf dem Schaltplan zu sehen ist als der Pfeil der durch den Widerstand geht... Ich hoffe es ist verständlich...
weiss ich auch nicht. Ich erkenne wiedermal das Problem nicht. Ich habe mal versucht, das in dem Plan rein zu malen. Wenn Du nur auf den Platten lötest, wo kein Kupfer drauf ist, ists doch klar, das die alten die Nase rümpfen. Hast Du mal probehalber mal die durchkontaktierte Platine probiert?
Axel R. schrieb: > weiss ich auch nicht. Ich erkenne wiedermal das Problem nicht. > Ich habe mal versucht, das in dem Plan rein zu malen. > Wenn Du nur auf den Platten lötest, wo kein Kupfer drauf ist, ists doch > klar, das die alten die Nase rümpfen. Hast Du mal probehalber mal die > durchkontaktierte Platine probiert? Die scheint mir zu wertvoll als das ich sie bei meinem Wissenstand mit Lochrasterplatinen besudeln wollen würde :x
Hat sich überschnitten... generator sieht doch gut aus. dreh Dir das Poti so hin, das Du später an die Achse drann kommst zum einstellen. Weiterso!
Quatsch, wenn Sie wertvoll wäre, hättest Du die niemals von mir bekommen :) Entwurf machen, Bauteile durchstecken, als wenn die Platine fertig wäre. Kurz den Kolben drann, etwas Zinn hinzu und erstmal gut. alles unten abschneiden, bis Ordnung herrscht. Und dann mit dünnem Schaltdraht als Leiterbahnersatz verdrahten. Also: so würde ICH das machen. Bin immer zu faul zum ätzen/fräsen/usw.
Axel R. schrieb: > Hat sich überschnitten... > > generator sieht doch gut aus. dreh Dir das Poti so hin, das Du später an > die Achse drann kommst zum einstellen. Weiterso! Was hat sich überschnitten, die Beiträge? Ist der Poti denn so nicht in Ordnung? Ich will das er auf der Platine ist daher habe ich auch versucht da wo der Griff ist zum drehen möglichst keine Bauteile unterzubringen... Ich finde es wäre nicht so schön wenn bei jeder Platine ein Poti raushängt... Wobei ich das gerne auch machen kann.. Ihr habt mehr Erfahrung als ich und wisst was gut ist :P
Musst Du wissen, ob das Poti drüber hängen soll oder nicht:) DU willst drann drehen, oder? Ja - die Beiträge haben sich überschnitten.
Hi Erol, ich habe nicht den Eindruck, dass dieser Lehrer sich Dir gegenüber konstruktiv, ermutigend und unterstützend verhält. > er sagte ich soll die Holzkonstruktion wegwerfen > Er sagte die Lötstellen seien zu schlecht auf der Lochrasterplatine... (Immerhin funktioniert dieser Amp mit diesen Lötstellen, von dem er > Als er den Schaltplan gesehen hat sagte er schon selber, > das das niemals gehen wird.) usw. Ich fürchte, dass Dir das Interesse und der Spass an der Elektronik durch diese Demoralisierungsmethoden genommen werden könnte. Damit das möglichst nicht passieren kann, folgende Idee: Du hast einen funktionierenden Generator, der bei Sonneneinstrahlung abgeschaltet ist. Und Du hast einen funktionierenden Verstärker. Beides zusammen ergibt eine elektronische Mückenscheuche, die sich vollautomatisch erst bei Dämmerung einschaltet, nämlich genau dann, wenn die Mücken kommen. (Du brauchst nur die beiden frequenzbestimmenden Cs zu verkleinern, um auf eine entsprechend hohe Tonhöhe zu kommen.) Auch das ist noch ein anspruchsvolleres Projekt als > nur ein kleines Lauflicht oder einen Klatschschalter Und Deine LASER-Harfe baust Du Dir dann nebenbei und danach und zwar genau so, wie DU sie haben möchtest, mit Holzrahmen usw. (dann, wenn in 4 Wochen die Pointer kommen - deswegen - leider - jetzt "nur" die Mückenscheuche) > Da die Zeit wohl echt knapp wird in der Schule Auf jeden Fall solltest Du Dich RECHTZEITIG noch theoretisch schlau machen: - wie funktioniert ein astabiler Multivibrator? - welche Bauteile bestimmen die Frequenz? - wie funktioniert ein Spannungsteiler? - wie funktioniert die Multivibrator-Abschaltung mit dem LDR? - wie funktioniert ein Gegentakt-Verstärker? PS: Wenn Du mal wissen möchtest, wie kreative Elektronik-Profis ihre Prototypen aufbauen, dann schau Dir mal die Titelseite dieses Buches an: http://www.amazon.de/Troubleshooting-Analog-Circuits-Series-Engineers/dp/0750694998 (Aber zeig das nicht dem Lehrer, sonst kriegt der noch die Krise ...)
@AXEL Nun gut. Dann guckt der Poti eben raus :) @LaserLehrer Naja es geht. Nun habe ich schon 80€ ausgegeben, dann will & werde ich diese Bauteile verbrauchen für schöne Dinge die ich mir selber erarbeitet habe :D! Ich denke ich belasse es dann bei 1-2 Generatoren & 1nem Amp für die Schule... Und es sollen einfach nur 2 Töne sein fertig... Privat aber erweitere ich das ganze Projekt... Mückenscheucher macht schon jemand daher auch nicht möglich das zu bauen. Außerdem forderte der Lehrer das derjenige ein Kollege sich Mückenlarven/Mücken beschaffen soll damit der Lehrer sieht ob das Ding funktioniert :'D Das ist mit Abstand crazy... Aber nun gut... Der Lehrer ist eigentlich weitestgehed nett, wenn man das macht was er sagt & denkt... Aber kaum macht man etwas was er nicht führen konnte passt es ihm nicht. Ich kam zum Beispiel 30min. zu spät zum Technik-Unterricht... Die haben in dem Zeitraum den Thrystor durchgenommen. Kurz vor ende des Technik-Unterrichts sagte er ich würde eine schlechte Note schreiben weil ich nicht gekommen bin (er dachte ich hatte keine Lust) Er sagte ich hätte FALSCHEN Ergeiz... Echt großer Mist was ihm da einfällt... Aber nun gut soll er doch meinen das ich es nicht schaffe die Funktionsweise eines Thrystors zu verstehen :'D Nächste Woche Technik Arbeit! Schaffe ich :3
Erol Be schrieb: > Außerdem forderte der Lehrer das derjenige ein Kollege sich > Mückenlarven/Mücken beschaffen soll damit der Lehrer sieht ob das Ding > funktioniert :'D UNGLAUBLICH !!!! ROFL !!!! > Das ist mit Abstand crazy... YEAHH!!! > weitestgehed nett, wenn man das macht was er sagt & denkt... wenn ... > Aber kaum macht man etwas was er nicht führen konnte passt es ihm nicht. Da haben wirs ... > die Funktionsweise eines Thrystors zu verstehen Siehe: Nachbildung eines Thyristors, ist leichter zu verstehen, zB. hier: http://www.elektronikpraxis.vogel.de/design-tipps/power/articles/366195/ > Er sagte ich hätte FALSCHEN Ergeiz... IHM ist doch alles nicht gut genug / zu einfach > Ich denke ich belasse es dann bei 1-2 Generatoren & 1nem Amp für die > Schule... Und es sollen einfach nur 2 Töne sein fertig... Genau! > Privat aber erweitere ich das ganze Projekt... Das find ich sehr gut! Dann kannst Du zB. nen MOS4093 4-fach-Schmitt-Trigger nehmen für 30cent und damit gleich 4 Generatoren aufbauen und brauchst nur 1 Kondensator, 2Rs, 1 Poti und 1 LDR pro Generator. Es gibt übrigens ein Lied für nur 2 Generatoren: "Da Da Da" von Trio Geht die ganze Zeit "Ti-Tü-Ti-Tü-Ti-Tüt" Du kannst das Ganze auch automatisieren, indem Du nen Einblatt-Ventilator (*) zwischen die beiden Laser stellst, der sich gelangweilt vor sich hindreht, und wechselweise einen der 2 Laser-Strahlen unterbricht: Ti-Tü-Ti-Tü-Ti-Tü-Ti-Tü-Ti-Tüt (*) nen Einblatt-Ventilator stellst Du Dir selbst her, indem Du nem 2-Blatt-Ventilator einen Flügel ausreisst. Du kannst Dich dann voll auf den Sprechgesang konzentrieren: Bei der Stelle "ich lieb dich nicht - du liebst mich nicht - aha" kannste dann wahlweise entweder an eine bestimmte Lehrkraft oder auch an die komplette Schule denken ... ;-)
Kann ich nur zustimmen LaserLehrer ;D Habe keinen Ventilator zur Hand bzw. in Reichweite (Schule,zu Hause) Ich bleibe dann bei den 2 Generatoren... Soll ich nun die Generatoren mit den 2 Sets bauen oder nach deinem Schaltplan also den den ich schon im Platinenprogramm erstellt habe. Ich gehe nun raus in die Stadt... Bin ab 21Uhr wieder hier aktiv :)
Erol Be schrieb: > Soll ich nun ... den den ich schon im Platinenprogramm erstellt habe. Ja. Einfangen, copy, paste - (fast) fertig. VORHER könntest Du aber noch einige Verbesserungen machen: Beachte: Schaltplan und Bestückungsplan sind 2 unterschiedliche Dinge. Wenn man die Bauteile im Bestückungsplan genauso anordnet wie im Schaltplan, kann man sich einige Fallen einbauen, in die man dann hineintappt. Im Schaltplan "schauen sich die beiden Transistoren an". Im Bestückungsplan bis jetzt auch. Das verführt dazu, den rechten(*) falsch herum einzusetzen (C an Minus statt E an Minus) (*) falls das die Sicht auf die Bauteilseite sein sollte. Oder man muss - unüblicherweise - die Basis nach vorne biegen. Besser wäre es also, die Leiterbahn für die Basis des rechten Transistors entspr. länger zu machen. Potis: Die Achse des Poti sollte aus der Platine herausragen, damit man es leichter bedienen kann. Ich würde es also um 90° drehen (Achse nach oben). Entscheidend ist immer nur die richtige Verdrahtung auf der Platinen-Unterseite. Wenn Du nicht sicher bist, wie Du's anschliessen musst, nimm das Ohmmeter und miss Schleifer gegen einen äusseren pin. In einer Endstellung hast Du 0 Ohm. Das Tonhöhen-Poti sollte bei Rechtsanschlag den höchsten Ton haben: Falls das die Sicht auf die Bauteilseite sein sollte, ist es richtig verdrahtet. Das Lautstärke-Poti sollte bei Linksanschlag Lautstärke null haben, also Linksanschlag = 0 Ohm gegen Minus / Masse. Rastermaße: Bauteile haben meist Standard-pin-Abstände: nennt man Rastermaß, abgekürzt "RM". normale Widerstände haben RM 10(mm) die Tonhöhen-Kondensatoren RM 5 oder 7,5 (=> 1 Lötauge mehr und Du hast beide Möglichkeiten offen) die Transistoren sollten so bleiben wg. leichter Lötbarkeit (Beinchen auseinanderbiegen) kleinere Elkos stehend (C4) können 2,5 / 3,5 oder 5 haben. (schau also nach, was die Elkos haben) Denke dran, dass Minus, das Bezugspotential, (auch "Masse" oder "GND" genannt) an jeden Generator und an ALLE anderen Schaltungsteile geht. (Lautstärke-Poti, Filter, Amp) dass Batterie plus an alle Generatoren geht. (der Amp hat ja seine eigene Batterie) dass von jedem Generatorausgang ein Summierwiderstand auf eine Sammel-Leiterbahn geht. Erol Be schrieb: > Er sagte ich hätte FALSCHEN Ergeiz... Was ist denn "FALSCHER" Ehrgeiz? Na, hoffentlich hat er keine exorzistische Ader und will Dir jetzt den "FALSCHEN" Ehrgeiz austreiben ... Also: Lerne, wie die Dinge funktionieren. Wenn Du erstmal verstanden hast, wie alles funktioniert, erst dann kannst Du anfangen, Schaltungen zu verbessern, zu erweitern, zu erfinden, etc. Erst dann fängt Elektronik an, richtig Spass zu machen ... Tu's also für DICH! Und wie schon gesagt, ich habe KEINE AHNUNG, wie das alles funktioniert. Ich baue darauf, dass DU mir das nächste Woche mal erklären kannst ... @axelr: tolles Foto aus Jim Williams' Oeuvre ...
Netter langer Text :D Kann allem nur zustimmen! Morgen am Donnerstag werde ich die Platinen fräsen. Muss jetzt nochmal anfangen die Platine in dem NCCAD7 zu erstellen da sie durch ein unsachgemäßes schließen nicht abgespeichert wurde... Ich baue ja nun 2 Generatoren Wie verbinde ich diese 2 Generatoren? Also von jedem Generator geht ein 100k Widerstand aus. Diese 2 Widerstände sind verbunden (Summierpunkt) an einen einfachen Kondensator und einem Elko (siehe Bild) Ich frage mich nun welche Werte der Kondensator den wir zur Filter-Klangfarbe nutzen. Oder kann ich da rumspielen also von 4,7 - 47nf ?? Das wird sicherlich 1h brauchen die Platine anzufertigen also in dem Programm :(
Erol Be schrieb: > Also von jedem Generator geht ein 100k Widerstand aus. > Diese 2 Widerstände sind verbunden (Summierpunkt) an einen einfachen > Kondensator und einem Elko Ja. Elko geht jeder ab 1µF. > Ich frage mich nun welche Werte der Kondensator den wir zur > Filter-Klangfarbe nutzen. > Oder kann ich da rumspielen also von 4,7 - 47nf ?? Genau! 4,7 - 47nf sind sehr gute Werte zum Rumspielen und Experimentieren. Du kannst zB. auch noch nen Widerstand in Reihe mit dem Kondensator legen. Bereich 10k...100k. Klingt dann wieder anders. > Das wird sicherlich 1h brauchen die Platine anzufertigen also in dem > Programm :( Ich hasse dies genau wie Du :((
Bin gerade dabei den Verstärker nochmals auf Papier zu zeichnen um es dann schnell zu übernehmen... Mich stört ein wenig die Verbindung bei dem 100k LOG http://puu.sh/7BJZa.png der Pfeil ist ja der Schelifer.. der Ist verbunden mit dem Elko... Bei meinem derzeitigen Verstärker ist der äußere Pin aber verbunden mit dem Elko und nicht der (mittlere Schelifer)
Bin gerade dabei den Verstärker nochmals auf Papier zu zeichnen um es dann schnell zu übernehmen... Mich stört ein wenig die Verbindung bei dem 100k LOG http://puu.sh/7BJZa.png der Pfeil ist ja der Schelifer.. der Ist verbunden mit dem Elko... Bei meinem derzeitigen Verstärker ist der äußere Pin aber verbunden mit dem Elko und nicht der (mittlere Schelifer) http://puu.sh/7BJZa.png
Bin gerade dabei den Verstärker nochmals auf Papier zu zeichnen um es dann schnell zu übernehmen... Mich stört ein wenig die Verbindung bei dem 100k LOG der Pfeil ist ja der Schelifer.. der Ist verbunden mit dem Elko... Bei meinem derzeitigen Verstärker ist der äußere Pin aber verbunden mit dem Elko und nicht der (mittlere Schelifer) http://puu.sh/7BJZa.png
Erol Be schrieb: > der Pfeil ist ja > der Schelifer.. der Ist verbunden mit dem Elko... Ja. Der Schleifer wird verbunden mit dem Elko, der im Amp sitzt. Der äußere "heisse" Pin des Ptis wird verbunden mit dem Elko, der von den 2 100k Summier-Widerständen kommt.
http://puu.sh/7BSoP.png <--- Verstärker Platine... Muss mich nun noch an die Tongeneratoren ransetzen... Bin aber am überlegen ob ich die nicht ganz normal lasse... Sprich die POTIS weglasse genauso wie den Ton-Filter... Ist auch so schon Niveauvoller als alle anderen Projekte :) Würde gerne für mich Privat eine ERWEITERTE Platine erstellen mit den ganzen Tollen Extras :D Bleibt aber 1ne weitere Sache. Wenn ich die ganzen Extra weglasse, dann kann ich ja nur 1nen Generator verbinden an den Poti des Verstärkers... Denn, wenn ich 2 Generatoren verbinde habe ich eine Rückkopplung... Wie kann ich diese umgehen bei den 2 ganz einfachen Generatoren? Einmal mit einem 100k Widerstand der nach jedem Generator geschaltet wird, welche dann verbunden sind an den Anschluss des Potis...
Erol Be schrieb: > Denn, wenn ich 2 Generatoren verbinde habe ich eine Rückkopplung... Nein. Je einen 100k-Widerstand von jedem Generator ... Das schaffst Du, die wiegen ja keine 100 Kilo :D Wozu die Widerstände da sind, steht im Schaltplan. > Sprich die POTIS weglasse Kein einstellbares wohlklingendes Verhältnis? (Quinte, Quart, ...) Kannst die Potis ja auch mit Kabeln an die Platine anschliessen und auf ne Frontplatte schrauben. > genauso wie den Ton-Filter... Den (einen!) Kondensator kannste auch erstmal weglassen. Obwohl, der wiegt ja auch keine 47 Kilo :D
Kam heute leide rnicht zum fräsen. Waren ein paar Kameraden vor mir dran >.> Nächste Woche aber... Verstärker: http://puu.sh/7CHVi.png Generator: http://puu.sh/7CI0g.png Was haltet ihr davon? Generatoren mache ich 2x und den Verstärker 1x...
Erol Be schrieb: > http://puu.sh/7CHVi.png > http://puu.sh/7CI0g.png Du weißt schon, dass man Bilder auch hier im Forum hochladen kann?
Ich hätte eine Frage die hier nicht wirklich dazu passt. http://www.amazon.de/Severin-KP-1091-Kochplatte-wei%C3%9F/dp/B007HMQO18/ref=sr_1_1?s=kitchen&ie=UTF8&qid=1395587187&sr=1-1&keywords=kochplatte http://www.amazon.de/Einzelkochplatte-wei%C3%9Fem-Geh%C3%A4use-Camping-Herdplatte/dp/B00GLPB9US/ref=pd_cp_k_0 Zum betreiben eine dieser Kochplatte wird eine Steckdose benötigt. Wie schaffe ich es das ganze aber mit Batterien/ Autobatterien zu versorgen? Blödes Beispiel: auf einem Trip mit Kollegen. Kann 1ne Autobatterie überhaupt so eine Leistung erzielen die benötigt wird für 1-2h Nutzung dieser Kochplatte? Das andere ist das das Gerätdoch mit Wechselstrom läuft eine Batterie aber nur Gleichstrom liefert... Lässt sich da etwas machen? EDIT1: http://www.amazon.de/Spannungswandler-300-Watt-f%C3%BCr-auf/dp/B009NRMUGS/ref=sr_1_10?s=kitchen&ie=UTF8&qid=1395587969&sr=1-10&keywords=Wandler So ein Umwandler wird doch gebraucht oder?
Erol Be schrieb: > Kann 1ne > Autobatterie überhaupt so eine Leistung erzielen die benötigt wird für > 1-2h Nutzung dieser Kochplatte? Du meinst, ob sie die Energie für 1-2 Stunden liefen kann und nicht die Leitung! 1 Stunde lang 1.5kW entsprechen einer Energie von 1.5kWh und des entspricht einer Ladung von 125Ah + Verluste. Erol Be schrieb: > Lässt sich da etwas machen? Ein 1.5kW Wechselrichter kann da was machen. Erol Be schrieb: > http://www.amazon.de/Spannungswandler-300-Watt-f%C3%BCr-auf/dp/B009NRMUGS/ref=sr_1_10?s=kitchen&ie=UTF8&qid=1395587969&sr=1-10&keywords=Wandler > So ein Umwandler wird doch gebraucht oder? Nein, der hat nur 300W und deine Kochplatte brauch 1.5kW (=1500W)
Gibt es eine Möglichkeit essen zuzubereiten ohne offene Flamme? Und mit einer Autobatterie? Also etwas was man tragen kann und keine 50kg wiegt... Es reicht, wenn es nur ca.60°C heiß wird. Genügt um Gemüse & dünnes Fleisch anzubraten/dünsten :) EDIT1: Welche Energiequelle bräuchte ich um diese Mini-Kochplatte zu betreiben: http://www.amazon.de/ROMMELSBACHER-RK-501-AUTOMATIC-REISEKOCHPLATTE/dp/B0007VH7Q2/ref=pd_sim_la_1?ie=UTF8&refRID=1CKCCVV3X60DW9BV1B9G ?? Also 1ne Autobatterie oder wie?
Man könnte es mit einem Wechselrichter aus den USA (115V) versuchen. Dann hätte die Kochplatte nur 1/4 der Leistung (375W). Es würden dann 75Ah + Verluste für 2 Stunden reichen. Ob das genug Leistung zum Kochen ist, kann ich nicht sagen, da ich eigentlich nur auf einem Gasherd koche. Erol Be schrieb: > Welche Energiequelle bräuchte ich um diese Mini-Kochplatte zu betreiben: z.B. einen 500W Wechselrichter (230V) + Batterie mit 42Ah+Verluste @12V (für 1 Stunde kochen) Und du musst darauf achten, dass deine Batterie die 500W (42A @12V) bzw. 375W (32A @12V) auch liefern kann.
Ich verfolge den Thread von Anfang an. Aufgrund deines Verhaltens und Wissenstandes: Lass die Finger von so hohen Leistungen. Probierts hiermit: http://www.amazon.de/Campingkocher-Gaskocher-Kartuschenkocher-Nurgaz-Gaskartuschen/dp/B003H1A1C6/ref=sr_1_16?s=kitchen&ie=UTF8&qid=1395591746&sr=1-16&keywords=gaskocher+camping
hmm -fällt mir langsam so richtig auch nichts mehr zu ein - -nimm den Gaskocher, den Tim vorschlug. Sind die Laserpointer schon da? Lässt sich mit einem dieser Laserpointer mittlerweile der Ton EINES Generators unterbrechen, wenn Du die Hand in den Strahl hältst? Schade: mit dem Material, was ich Dir geschickt hatte, hättest Du eigentlich schon fertig sein können, das nur am Rande. OK, wenn euer Lehrer heiss darauf ist, die Platinen zu fräsen... Die durchkontaktierten 2.54mm Punktrasterkarten sind ja fast besser, was die Haltbarkeit bei Lötungelenkheit (Löt-ungelenkheit) betrifft. Hast Du dein Wissenstand schon entsprechend geskillt? Was macht ein Transistor wann und (etwas) warum? Warum piept der astabile Mulktivibrator überhaupt? Sowas alles. Will dein Lehrer bestimmt alles wissen. Liest er hier mit? Axelr.
Werde mich wohl für einen Gas-Kocher entscheiden >.< So viel dazu... Wenn mein lehrer hie rmitlesen würde, dann lege er sicherlich im Krankenhaus mit einem Herzinfarkt :'D Laserpointer sind da 4 stück... Wenn der Laser draufstrahlt ist ruhe :) Wenn mans unterbricht kommt ein Ton! Funktioniert wunderbar... Muss nurnoch fixiert werden eigentlich... Funktionsweise habe ich zu 80% verstanden
Wegen unserem Lehrer der Donnerstag frühzeitig schluss gemacht hatte. Kam ich nur dazu den Verstärker auf die Platine zu fräsen... Ich fotografier es ab und lad es gleich hoch wie sie aussieht. Sollte alles hoffentlich richtig gefräst sein :D! EDIT1: Bild ist hochgeladen ;)
Erol Be schrieb: > Ich fotografier es ab und lad es gleich hoch wie sie aussieht. 1MB ... stöhn ... (schon mal was von Bildformaten gehört?) > Sollte alles hoffentlich richtig gefräst sein :D! Das kannst nur DU wissen ! Ich sehe nur Punkte und Leiterbahnen ... Du hast hoffentlich einen Bestückungsplan gemacht. Anhand diesem vergleichst Du mit dem Schaltplan. Knotenpunkt für Knotenpunkt. Dann weisst Du. Was macht die Lichtschranke? Wann wirst Du nen Kondensator über das Lautstärke-Poti löten, um mal einen angenehmeren Klang zu haben? Um ihn dann mit dem Lautstärke-Poti kontrolliert wieder verzerren zu können. Hast Du schon mal einen tieferen Frequenzbereich (C1 & C2) probiert ? Wann wirst Du erstmalig mit gespreizten Fingern durch den Laserstrahl wedeln, um einen netten Mandolineneffekt zu herbeizuzaubern?
Alles zu seiner Zeit... Erstmal das Schul-Projekt weg... Habe übrigens in der Klassenarbeit eine 2,0 bekommen... Soviel zum Thema falscher Ergeiz... Ich verstehs doch weitestgehend :D Habe das Bild doch extra 1min. später verkleinert hochgeladen >.> Laser sind ja da... Aber sind unpassend dafür. Ich warte auf meinen nächsten Lohn kaufe mir dann diese 20€ Bauteile-Laser mache noch einen eigenen Plan für die Laser damit die sich sogar eventuell abwechseln im Schritt um eine Pieps melodie zu erhalten die sich wieder und wieder wiederholt. Freue mich sehr ;D
Erol Be schrieb: > Erstmal das Schul-Projekt weg... Genau! > Habe übrigens in der Klassenarbeit eine 2,0 bekommen... > Soviel zum Thema falscher Ergeiz... Ich verstehs doch weitestgehend :D Wow, Prima! :-) > Habe das Bild doch extra 1min. später verkleinert hochgeladen >.> Ich lese: 1 MB, 17 Downloads; 200 KB, 11 Downloads Vielleicht mögen die Leute ja auch keine kleinen Bilder ... ;-) > Laser sind ja da... Aber sind unpassend dafür. Schade, wieso? > mache noch einen eigenen Plan für die Laser damit die > sich sogar eventuell abwechseln im Schritt um eine Pieps melodie zu > erhalten die sich wieder und wieder wiederholt. Interessant... > Freue mich sehr ;D Ich mich auch! :-)
Habe nun in der Schule die Platine für den Generator gefräst :) Morgen wird gelötet & dann verbunden mit dem bereits fertigen Verstärker... Dann kommt ein Testdurchlauf & kleinere weitere Extras...
Meine Herren! Hier geht es weiter, falls noch Bedarf daran besteht mir zu helfen: Beitrag "Re: Funktionsbeschreibung (Ton-Generator & Verstärker)"
Bitte melde dich an um einen Beitrag zu schreiben. Anmeldung ist kostenlos und dauert nur eine Minute.
Bestehender Account
Schon ein Account bei Google/GoogleMail? Keine Anmeldung erforderlich!
Mit Google-Account einloggen
Mit Google-Account einloggen
Noch kein Account? Hier anmelden.















