Besuche die 10te Klasse einer Realschule. Haben momentan Zeit unsere Technik Prüfungen vorzubereiten. Ich habe mich auf eine Laserharfe beschlossen. Habe nun 2 Modelle (siehe Bilder) die ich 4-8x aufbauen will für je verschiedene Töne. Welchen würdet ihr empfehlen? den aus dem 1ten Bild oder aus dem 2ten Bild? Sind beide Modelle mit dem Addierer + Verstärker kompatibel? Nachdem ich mich entschiedne habe 4-8 Schaltungen zu bauen die Parallel geschalten sind sollte ein Addierer/Summierverstärker kommen um die 4-8 Analogen Audiosignale zu bündeln die dann weitergehen an den Verstärker der mit einem 8 Ohm Lautsprecher verbunden ist als Ausgabegerät. Das Besondere an der Laserharfe ist, dass wenn der Laser draufscheint auf den LDR kein Ton zu hören ist aber wenn man es unterbricht der Ton erklingt. Habe mir 2x Das Licht-Harfen Kit aus dem "dieelektronikerseite SHOP" gekauft was die Tage ankommen sollte und ich dieses zuhause aufbauen und testen will. Nun brauche ich aber noch Hilfe bei dem Verstärker und dem Addierer. Ich sollte eig. keine ICs verwenden. wenn die Schaltung aber zu groß wird ohne, dann darf ich einen nutzen. Habe bereits Bausätze für Verstärker gefunden auf Amazon siehe Links unten. Welcher Bausatz ist besser? Nun noch ein problem Aber bzgl. des Addierer/Summierverstärkers... Wie schließe ich die Schaltungen an den Verstärker an die verschieden Punkte des Addierers an? Wie man unten auf dem Bild der Schaltung sieht hat dieser Addierer 4 Verbindungspunkte links und 2 rechts... Die 2 rechts verbindet man mit dem Verstärker und den Verstärker mit dem Lautsprecher... Und die letzte Frage wäre welchen Opperationsverstärker ich einbauen sollte in den Addierer dessen Link ihr unten seht und wie ich diesen Verbinde mit den Schaltungen? Links: http://www.dieelektronikerseite.de/Circuits/Lichtharfe.htm http://www.amazon.de/Pollin-Bausatz-NF-Verst%C3%A4rker/dp/B00ALXUY7A/ref=sr_1_fkmr0_1?ie=UTF8&qid=1392917989&sr=8-1-fkmr0&keywords=1W+Verst%C3%A4rker+Bausatz http://www.luedeke-elektronic.de/products/Elektronik-Bausaetze/Verstaerker/1-Watt-Verstaerker-6V-9V-Kemo-Bausatz-B182.html http://www.elektronik-kompendium.de/sites/slt/0210152.htm
Vergiss nicht, den Operationsverstärer neben der positiven auch mit einer negativen Versorgungsspannung zu versorgen. z.B. ein 9V Block für +9V und ein 9V Block für -9V.
Erol Be schrieb: > Das Besondere an der Laserharfe ist, dass wenn der Laser draufscheint > auf den LDR kein Ton zu hören ist aber wenn man es unterbricht der Ton > erklingt. Da wirst du mit den Schaltungen aber Schwierigkeiten bekommen. Denn die schwingen immer. Evtl. kann man die so dimensionieren, dass der Ton im Ultraschallbereich ist, solange der Laser draufscheint.
Max H. schrieb: > Verstärker, kannst du beide verwenden. Welcher ist aber passender? Und ich wollte ja mehr als nur 2 Lichtharfen Schaltungen angeschlossen haben. So wie du das in dem Bild dargestellt hat entnehme ich, das sich noch 1ne Schaltung dranhängen könnte. Mir würde noch einfallen je einen weiteren Widerstand Parallel zu den 3 zu schalten um eine weitere Schaltung anschließen zu können. Oder liege ich da etwa falsch? Autor: MaWin (Gast) > Vergiss nicht, den Operationsverstärer neben der positiven auch mit > einer negativen Versorgungsspannung zu versorgen. z.B. ein 9V Block für > +9V und ein 9V Block für -9V. Okey ich verstehe. Bedeutet, dass jeweils + und - die vollen 9 Volt brauchen und ich daher 2 9-Volt Blockbatterien nutzen muss. Autor: ArnoR (Gast) Erol Be schrieb: > Das Besondere an der Laserharfe ist, dass wenn der Laser draufscheint > auf den LDR kein Ton zu hören ist aber wenn man es unterbricht der Ton > erklingt. >> Da wirst du mit den Schaltungen aber Schwierigkeiten bekommen. >> Denn die schwingen immer. >> Evtl. kann man die so dimensionieren, dass der Ton im >> Ultraschallbereich ist, solange der Laser draufscheint. Habe es mit der ersten Schaltung des ersten Bildes meines Startpost (siehe Bild hier erneut) geschafft, dass wenn die Sonne draufscheint kein Ton kommt aber wenn man die hand sprich Schatten/Dunkelheit erzeugte der Ton ertönte. Die 2te Schaltung der elektronikerseite habe ich noch nicht nachgebaut. Ich befürchte, dass diese nicht mit dieser umgekehrten LDR Funktion funktionieren wird...
Du solltest dir nochmal überlegen, ob Du pro Generator wirklich zwischen 2 Tonhöhen umschalten willst oder nicht besser zwischen 2 Lautstärken. (Laut bzw. fast unhörbar leise) Das Letztere könntest Du dann mit einem Spannungsteiler machen am Ausgang jedes Generators, wobei einer der Widerstände ein LDR wäre...
LaserLehrerAnalyzer schrieb: > Du solltest dir nochmal überlegen, > ob Du pro Generator wirklich zwischen 2 Tonhöhen umschalten willst > oder nicht besser zwischen 2 Lautstärken. > (Laut bzw. fast unhörbar leise) > Das Letztere könntest Du dann mit einem Spannungsteiler machen > am Ausgang jedes Generators, > wobei einer der Widerstände ein LDR wäre... Wie soll ich das verstehen mit den 2 Tonhöhen? 1 Tongenerator die ich Schaltungen nenne soll nur 1nen gleichbleibenden Ton von sich abgeben. Auf die LDR leichtet ein GRÜNER 1-5mW Laser Pointer drauf der festgemacht ist an der Decke bzw an einem 1m entfernten Stativ. Nun sollte ich beim unterbrechen der grünen Laserstraheln je nach schaltung den Ton hören den ich der Schaltung durch verändern der Widerstände und Kondensatoren zugeteilt habe hören. Wo sind nun die 2 Tonhöhen? Ich rede gerade von dem Modell 2 als Schaltugn siehe Bild in diesem Post.
Durch welche Bauteile in der Schaltung wird die Tonhöhe bestimmt ? Ist da ein Bauteil dabei, das durch Licht verändert wird?
LaserLehrerAnalyzer schrieb: > Durch welche Bauteile in der Schaltung wird die Tonhöhe bestimmt ? > Ist da ein Bauteil dabei, das durch Licht verändert wird? Da ist doch ein LDR klar und deutlich zu sehen :o Der wird konstant mit dem Laserpointer bestrahlt. Und wenn man den Strahl unterbricht ertönt der Ton. Aber ich denke, dass das so nicht gehen würde. Denn laut Modell 2 tritt ein Ton auf wenn es beleuchtet wird da der Widerstand der LDR dann sehr gering wird. Ich diese Funktion aber umkehren will. Kann man verstehen was ich will? Die Tonart Tief oder Hoch konnte ich laut dem Simulationsprogramm (Yenka & Crocodile Clips für den PC) und dem was mein Lehrer sagt durch verstellen der Werte von den Kondensatoren & Widerständen erreichen. Ich will ja verschiedene Töne nebeneinander. Hoch 1 > Hoch 2 > Hoch 3 > Tief 3 > Tief 2 > Tief 1 Die oben genannten 6 Töne Hoch 1 bis Tief 1 Werden alle mit jeweils einem Grünen Laser beleuchtet. und nun kann das Spielen beginnen wie in diesem Video: http://www.youtube.com/watch?v=WkkhcwXpYy4
Du könntest den LDR zw. Basis und Emitter von T1 plazieren. (wahlweise auch zw. Basis und Emitter von T2) Wenn LaserLicht auf den LDR fällt, ist er niederohmig, schließt Basis und Emitter kurz und macht T1 damit funktionslos. Der Generator kann dann nicht schwingen. Erst wenn der Laser unterbrochen wird, wird der LDR hochohmig und der Generator fängt an zu schwingen. Für R1 nimmst Du ein Trimmpoti, mit dem Du die Frequenz genau einstellen kannst. T3 und R6 können entfallen; das Signal geht ja nicht auf einen niederohmigen Lautsprecher, sondern auf einen Addierer.
LaserLehrerAnalyzer schrieb: > Du könntest den LDR zw. Basis und Emitter von T1 plazieren. > (wahlweise auch zw. Basis und Emitter von T2) > Wenn LaserLicht auf den LDR fällt, ist er niederohmig, > schließt Basis und Emitter kurz und macht T1 damit funktionslos. > Der Generator kann dann nicht schwingen. > Erst wenn der Laser unterbrochen wird, wird der LDR hochohmig > und der Generator fängt an zu schwingen. > > Für R1 nimmst Du ein Trimmpoti, > mit dem Du die Frequenz genau einstellen kannst. > > T3 und R6 können entfallen; > das Signal geht ja nicht auf einen niederohmigen Lautsprecher, > sondern auf einen Addierer. Wie soll ich mir das vorstellen? Den LDR zwischen Emitter und Basis :o? So wie es oben im Bild ist? Würde um eine kleine Zeichnung bitten. Zum sicherstellen :) > Der Generator kann dann nicht schwingen. > Erst wenn der Laser unterbrochen wird, wird der LDR hochohmig > und der Generator fängt an zu schwingen. Und wenn das Licht wider draufscheint wird es wider niederohmig und kein Ton kommt. Oder bleibt es durch den vorherigen Schritt auf der Funktion hängen und spielt den Ton dann non-stop ab bis ich einen reset mache sprich stromquelle trennen und wieder verbinden? Soweit so gut. wenn der Bausatz kommt versuche ich es so zu machen. Welchen Verstärker-Bausatz soll ich nun kaufen? Oder empfiehlst du mir etwa einen anderen? Und welchen Operationsverstärker soll ich nun für den Addierer verwenden?
Die Basis von T1 ist da, wo R2 und C2 sich küssen. Dort den einen Anschluss des LDR dran und den anderen Anschluss an Minus (was identisch ist mit dem Emitterpotential)
Deine Erklärungen sind nichts für Laien mit meinem Wissen. Ich weiß wo der Emitter und die Basis ist. Habe nun verschiedene Farben genutzt um zu zeigen wie ich denke, dass ich sie verbindne könnte laut deiner Erklärung. Der Grüne Bobbel/Kugel/Kreis ist der Punkt wo sich R2 und C2 küssen/treffen. Soll nun zwischen dem Grünen Strich der LDR versetzt werden? Oder soll er auf den Orangen Strich der vom Kusspunkt zur Basis geht mitten drin aber die LDR drinne ist welche einfach runtergezeichnet auf die Emitter Linie ist? Oder auf den braunen Strich was garkeinen Sinn machen würde... Der Pinke Strich hat nun keinen sonderlichen sinn den kannst du dir wegdenken... Und um sicherzugehen ich versetze die LDR ich tue da nicht eine neue hin sondern bewege sie vom alten zum neuen standort zwischen Emitter und Basis? Ich denke irgendwie immernoch, dass es nicht so richtig ist wie du es meintest. Ich verstehe nicht wie man Basis und Emitter mit einem LDR verbinden soll :/ Sag mir nicht du meinst es genauso wie du es sagst. Habe dazu noch ein 2tes Bild geuppt. EDIT1: Besteht Kontaktmöglichkeit via Skype,Facebook,WhatsApp oder SMS zu ihnen?
Erol Be schrieb: > Ich weiß wo der Emitter und die Basis ist. Du hattest den LDR aber zw. Emitter und Kollektor eingezeichnet. Ich aber sagte, zw. Emitter und Basis. Also zeichne ihn zw. Emitter und Basis ein. > Ich verstehe nicht wie man Basis und Emitter mit einem LDR verbinden soll :/ Gemeint ist, einfach parallel dazu: Es küssen sich jetzt: R2,C2,Basis von T1 und LDR Der andere Anschluss des LDR geht an Minus: der küsst sich jetzt mit allem, was an Minus angeschlossen ist. Du solltest Dich mal damit vertraut machen, wie ein Transistor funktioniert. Nennenswerter Kollektorstrom kann nur fliessen, wenn zw. Basis und Emitter mehr als ca. 0,6 Volt liegen. Die kriegt T1 von der 9V-Batterie über R1 und R2. Wenn Du jetzt noch einen Widerstand von der Basis nach Minus/Emitter legst, hast Du einen Spannungsteiler. Wenn dieser Widerstand zw. Basis und Emitter so niederohmig ist, dass weniger als ca. 0,6V daran abfallen, kann T1 nicht mehr einschalten, der Generator stoppt. Du kannst ja mal ausrechnen, wie hoch die Spannung zwischen Basis und Emitter noch ist, wenn der beleuchtete LDR zB. 500 Ohm hat.
Das war ein kleiner Denkfehler mit dem Emitter Kollekter verdreher. Wir haben noch nie Spannungen vom Transistor berrechnet. Nur, dass der Transistor 0,7V benötigt. Und die Faktoren berechnung. Bzw wenn ein normaler Widerstand vor dem transistor ist zu errechnen wie viel strom fliest aber nicht von Emitter zu Basis. So wie du das sagst mit: Es küssen sich jetzt: R2,C2,Basis von T1 und LDR Der andere Anschluss des LDR geht an Minus: der küsst sich jetzt mit allem, was an Minus angeschlossen ist. Klingt ziemlich stark nach dem Orangenen Pfad im bild 1 was ich vorher geuppt habe. Oder wo ist denn dieses Minus, dass du meinst? Tut mir leid für mein unwissen. Mehr haben wir nicht gelernt. Könntest du nicht deine Paint skills walten lasse bitte :/
LaserLehrerAnalyzer schrieb: > Dimensionday schrieb: >> Könntest du nicht deine Paint skills walten lasse >> bitte > > bitteschön ... Vielen Dank! Die Bilder sind ziemlich klein geraten. Jedenfalls dneke ich aus ihnen heraussehen zu können, dass du den LDR mit einem Trimmpotentiometer oder einem einfachen verstellbaren Widerstand ersetzt hast. und den LDR dafür Parallel geschaltet hast wie man es einigermaßen auf dem Bild erkennen kann. Bzw. wie bei mir die Orangene Spur. In dem Bild 2 Beiträge davor. So sollte das sicher gehen? Ich bedanke mich erneut für die Tolle Hilfe :D!!!
Hier die Schsltung nochmal grösser R1+R2 und R4 hab ich vertauscht, damit besteht der Spannungsteiler jetzt aus R4 und dem LDR und ist unabhängig von der Tonhöheneinstellung C3 geht ja auf einen Addierer-Widerstand und darf wesentlich kleiner sein. Möglicherweise funktioniert die Schaltung nicht mehr mit mehr als 7V Betriebsspannung. Du solltest also für alle Generatoren gemeinsam noch einen 78L05 (mit Abblock-Kondensatoren) vorsehen. Die laufen dann mit 5V. Die Tonhöhen sind dann auch stabiler.
LaserLehrerAnalyzer schrieb: > Hier die Schsltung nochmal grösser > > R1+R2 und R4 hab ich vertauscht, > damit besteht der Spannungsteiler jetzt aus R4 und dem LDR > und ist unabhängig von der Tonhöheneinstellung > > C3 geht ja auf einen Addierer-Widerstand und darf wesentlich kleiner > sein. > > Möglicherweise funktioniert die Schaltung nicht mehr > mit mehr als 7V Betriebsspannung. > > Du solltest also für alle Generatoren gemeinsam > noch einen 78L05 (mit Abblock-Kondensatoren) vorsehen. > Die laufen dann mit 5V. > > Die Tonhöhen sind dann auch stabiler. http://www.reichelt.de/ICs-A-A-/-A-78L05/3/index.html?;ACTION=3;LA=446;ARTICLE=23470 Das wäre dann dieses Bauteil? Ein Abblockkondensator? Das höre ich das erste mal. Wo soll denn der 78L05 und der/die Abblockkondensator/en hin? Etwa auf eine eigene kleine Platine? Sprich es kommen die Schaltungen, dann der 78L05, dann der Addierer dann der Verstärker und zu guter letzt der Lautsprecher? Was mich außerdme verwirrt ist, dass ich nun 3 Endungen habe die ausgehen. Und wo soll ich die nun verbinden? 1mal vom Kondensator ausgehend. dann 1mal + und 1mal - Gemeint ist die Rechte Seite der Schaltung die du bearbeitet hast. Du sagtest außerdem, dass du die Widerstände vertauscht hättest aber die sind doch immernoch gleich auf dem Bild von dir?
Erol Be schrieb: > Der wird konstant mit dem Laserpointer bestrahlt. Und wenn man den > Strahl unterbricht ertönt der Ton. Nö. Deine Schaltung ändert die Tonhöhe, wenn der LDR mehr oder weniger hell beschienen wird. Neben dem Laserlicht zählt natürlich auch die Umgebungshelligkeit dazu. Du hast also die vollkommen falschen Schaltungen. > Youtube-Video "Tetris Theme on Laser Harp - Theremin Hero LIVE! Finale - > Gamecity 5 Nottingham" Das Ding funktioniert vollkommen anders. Erstens funktioniert es nur im dunklen Raum. Zweitens funktioniert es NICHT in dem der Laser einen LDR oder Lichtsensor bestrahlt, an der Decke sind KEINE Sensoren. Es funktioniert durch Reflektion, der Sensor ist unten und sieht das von der Hand reflektierte Licht. Drittens ist der Sensor schnell, also kein LDR sondern eine Photodiode. Die ist so schnell, dass sie die schnell NACHEINANDER aufblitzenden Strahlen erkennen kann. Es werden also die 13 Strahlen nacheinander aufblitzen und die Diode sieht das einzelne Aufblitzen des Strahls in dem die Hand steckt genau in dem Moment und weiss daher welcher Strahl unterbrochen wurde. Bleibt die Frage, wie die Strahlen erzeugt werden. Sicherlich aus einem Laser und einem rotierenden Spiegel. Damit hätte man aber einen gleichmässigen Lichtvorhang. Also wird der Laser in den Momenten, in denen der Spiegel an der richtigen Stelle steht, kurz aufblitzen, er strahlt also mit der 10-fachen Lichtleistung die man sieht. Wenn man so etwas billig selber bauen will, kann man den Drehspiegel eines Laserdruckers verwenden, muss aber die Infrarotdiode durch eine grüne Laserdiode ersetzen und die Optik nachjustieren. Wenn man 13 einzelne Laser verwendet, wird es deutlich teurer, aber elektronisch einfacher zu lösen, zumindest wenn die modulierbar sind, also schnell ein/ausschaltbar. Da wäre es billiger, eienn Show-Laser einzusetzen. Das haben vermutlich die Leute in dem Video auch getan. http://www.thomann.de/de/laserworld_el60g_60mw_green.htm?gclid=CPql5cn23LwCFSTMtAod6HgApQ Wenn man so einen Laser verwendet (ich denke, er kennt einen Strahlenfächer als Muster) dann steuert man ihn per Taktsignal auf einer Audioleitung, also mit jedem kurzen Ton springt der Laser von einer Linie zur nächsten und irgendwann zurück zur ersten. Diesen Ton erzeugt sinnvollerweise dieselbe Schaltung, die auch die Harfentöne erzeugt. Am einfachsten wird das mit nur einem Chip wenn man dafür einen Microcontroller verwendet. Dafür bist du hier im richtrigen Forum. Allerdings kannst du vermutlich keinen Microcontroller programmieren. Nur mal um zu sehen, welcher Aufwand nötig ist, wenn man keinen Mikrocontroller einsetzt, hier ein Blockschaltbild mit IC-Typennummern. Photodiode | +-----+ MonoFlop +--|NE555|--+ | +-----+ | CLK | EN | VCO +-----+ +------+ +-------+ +------+ +-----+ +-----+ |NE555|--+--|CD4526|--|CD40175|--|CD4067|--|NE555|--|LM386|-- Lautsprecher +-----+ | +------+ +-------+ +------+ +-----+ +-----+ | | Lasertakt einstellbare Widerstände für Frequenz
MaWin schrieb: > Erol Be schrieb: >> Der wird konstant mit dem Laserpointer bestrahlt. Und wenn man den >> Strahl unterbricht ertönt der Ton. > > Nö. > > Deine Schaltung ändert die Tonhöhe, wenn der LDR mehr oder weniger hell > beschienen wird. > > Neben dem Laserlicht zählt natürlich auch die Umgebungshelligkeit dazu. > > Du hast also die vollkommen falschen Schaltungen. > >> Youtube-Video "Tetris Theme on Laser Harp - Theremin Hero LIVE! Finale - >> Gamecity 5 Nottingham" > > Das Ding funktioniert vollkommen anders. > > Erstens funktioniert es nur im dunklen Raum. > > Zweitens funktioniert es NICHT in dem der Laser einen LDR oder > Lichtsensor bestrahlt, an der Decke sind KEINE Sensoren. Im bestem Willen, dass hat nichtsmehr mit 10te Klasse Elektrotechnik Stoff zu tun. Haben ja nichtmal die ICs durchgenommen. Und werden wir auch nicht. Mir ist bewusst, dass das Gerät im Video anderst funktioniert... Aber die Licht/Laserharfe ist da eine tolles Fake was zwar anderst funkntioniert aber auf selbe rauskommt und zwar Tonerzeugung (durch bestrahlen des LDR - Diese Funktion muss umgekehrt werden) Ich will doch nur 4 Schaltungen mit je 1nem Ton. Einen Addierer mit einem IC und einen Verstärker Bausatz haben. Sprich der Verstärker ist geklärt. Offen bleibt welche Teile ich für den Addierer verwenden soll und wie ich die Schaltung jetzt umbauen soll um auf die umgedrehte Funktion der LDR zu kommen, dass wenn man den Laser unterbricht der Ton ertönt. Der User LaserLehrerAnalyzer hat ja bereits die Schaltung umgebaut, dass sie so gehen sollte wie ich es wollte. Muss nurnoch abwarten bis der Bausatz ankommt ihn dementsprechend dem LaserLehrers bearbeiteten Schaltplan aufbauen und versuchen ob es geht, wenn ein konstanter Laser im dunklen raum draufscheint und wenn man diesne unterbricht ob der Ton ertönt :)
Und Du glaubst wirklich das das dann als Ergebnis für die Technik Prüfung akzeptiert wird? Einen vorgekauten Schaltplan und ein gekaufter Bausatzes? Mal nebenbei, einen Verstärker kann man auch mit Transistoren bauen, da braucht man kein IC dafür. Aber dafür müsste man ja selbstständig denken.
Lehrer schrieb: > Und Du glaubst wirklich das das dann als Ergebnis für die Technik > Prüfung akzeptiert wird? Einen vorgekauten Schaltplan und ein gekaufter > Bausatzes? > > Mal nebenbei, einen Verstärker kann man auch mit Transistoren bauen, da > braucht man kein IC dafür. Aber dafür müsste man ja selbstständig > denken. Ja genau so ist es! Wir dürfen fertige Schaltpläne benutzen und nachbauen. Benotet wird: Funktioniert das Endprodukt? Schriftliche Ausarbeitung der Bauteile & Erklärugn der Funktion. Mehr ist es nicht. Das ist nur die Realschule kein Elektornik-Studium!
Erol Be schrieb: > Mir ist bewusst, dass das Gerät im Video anderst funktioniert... > Aber die Licht/Laserharfe ist da eine tolles Fake was zwar anderst > funkntioniert aber auf selbe rauskommt Eben nicht. Du verwendest die falschen Schaltungen und deren Zusammengefrickel funktioniert eben NICHT. > dürfen fertige Schaltpläne benutzen und nachbauen. > Benotet wird: Funktioniert das Endprodukt? Dann sollte man schlauerweise mit den PASSENDEN Schaltungen anfangen. Suchwort Lichtschranke.
Wie wär‘s mit einem NE555 als Oszillator und die Lichtschranke Steuert den Reset, oder einem Schmittrigger Oszillator aus NAND und die Lichtschranke steuert den zweiten Eingang: http://www.netzmafia.de/skripten/digitaltechnik/st-takt.gif Wenn du den Widerstand nicht ausrechnen willst/kannst, kannst di ihn durch einen Trimmer ersetzt, und die Frequenz experimentell einstellen. Die Lichtschanke könnte man mit einem Fototransistor + Widerstand lösen. Im CD4093 sind 4 dieser NAND drinnen.
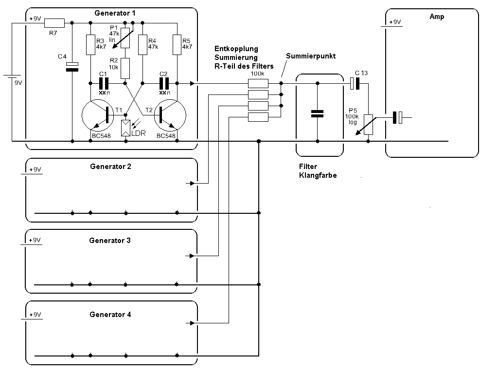
Die Tongeneratoren sollten einen Veränderbaren Widerstand bekommen, der auf BEIDE Transitoren "gleichförmig wirkt". Also der Basisstrom sollte für beide Transistoren in gleichem Maße verändert werden. Sonst veränderst Du in erster Linie das Tastverhältnis(und ja: auch die Frequenz). Also beide Widerstande gleich groß machen 2x22K und dann über ein gemeinsames Poti (auch 22K) gegen Plus. Die Generatorschaltungen lass immer laufen. Die Betriebsspannungsanschlüsse auf jeden Fall mit 47 Ohm und 100µF voneinander entkoppeln, sonst schwingen die auf einmal alle auf der gleichen Frequenz oder der eine auf der Oberwelle des anderen. Die LDRs bau so in die Ausgänge der Generatoren, dass diese die Lautstärke beeinflussen, NICHT die Tonhöhe (wurde ja oben schon gesagt). 10K in Reihe zum Ausgang und dahinter den LDR gegen Masse. Dann wieder 10K in Reihe und auf den Summierpunkt vom Addierer. Wichtig ist, das jeder Generator seine "eigene Betriebsspannung" bekommt. Viel Erfolg, mach auch mal 'n paar Fotos :) Axelr.
MaWin schrieb: > Erol Be schrieb: >> Mir ist bewusst, dass das Gerät im Video anderst funktioniert... >> Aber die Licht/Laserharfe ist da eine tolles Fake was zwar anderst >> funkntioniert aber auf selbe rauskommt > > Eben nicht. > > Du verwendest die falschen Schaltungen und deren Zusammengefrickel > funktioniert eben NICHT. > >> dürfen fertige Schaltpläne benutzen und nachbauen. >> Benotet wird: Funktioniert das Endprodukt? > > Dann sollte man schlauerweise mit den PASSENDEN Schaltungen anfangen. > > Suchwort Lichtschranke. Die falschen Schaltungen? Zusammengefrickel? Die Lichtharfe produziert einen Ton, wenn der Laser angestrahlt wird. An dieser Schaltung kann ich die Funktion der LDR umkehren dann noch einen Addierer und Verstärker + Lautsprecher dranhängen. Wieso sind denn die Schaltungen falsch? Ich will keine Laserharfe wie im Originallen sondern eine einfache die ich nachbauen und nachvollziehen kann. Okey nun gut ich weiß aus dem Physik Unterricht das eine Lichtschranke aus Sender und Empfänger besteht. Wie sollte denn so ein schaltplan bitte aussehen bei dem ein Empfänger den Ton abspielt bei Unterbrechung des Strahls der vom Sender kommt? Vielen dank! Ich will 4 verschiedene Töne die ich gleichzeitig spielen kann. Max H. schrieb: > Wie wär‘s mit einem NE555 als Oszillator und die Lichtschranke > Steuert > den Reset, oder einem Schmittrigger Oszillator aus NAND und die > Lichtschranke steuert den zweiten Eingang: > http://www.netzmafia.de/skripten/digitaltechnik/st-takt.gif > Wenn du den Widerstand nicht ausrechnen willst/kannst, kannst di ihn > durch einen Trimmer ersetzt, und die Frequenz experimentell einstellen. > Die Lichtschanke könnte man mit einem Fototransistor + Widerstand lösen. > > Im CD4093 sind 4 dieser NAND drinnen. Die Grundschaltung muss ohne ICs aufgebaut sein. lediglich der Addierer und Verstärker darf aus ICs bestehen. Sprich die Schaltung die den Ton erzeugt bei Unterbrechung des Laserstrahls muss komplett analog und ohne ICs auskommen. Was kann ich da nun noch machen? Ich will 4 verschiedene Töne die ich gleichzeitig spielen kann.
Da ihr sicher englisch in der Schule habt, empfehle ich Dir diese Seite, damit Du die Verstärkerstufe auch mit Transistoren bauen kannst und nicht etwa eine Note Abzug wegen mir, durch die Verwendung von Integrierten Schaltkreisen in Form eines Operationsverstärkers, bekommst (^.^) http://hackaweek.com/hacks/?p=332
Axel R. schrieb: > Uffm Kopp issit ooch noch (T.T) Naja, zwei Handgriffe mit dem Gimp, und schon ist dein Bild nicht nur viel kleiner, sondern statt grau in grau auch noch leserlich …
Axel R. schrieb: > So evtl? > Bild ist wieder 2Mb groß. Achtung! > Axel Ich bedanke mich erstmal für die ganze Arbeit! :) Ich arbeite nun ein paar viele Fragen durch. Mir ist bewusst, dass das so alles nur theoretisch und vorallem Konzeptmäßig ist. Da du ja nicht die Zeit hast & es auch nicht deine Aufgabe ist mir einen Perfekten á la Schritt 1 - 3 Schaltplan anzufertigen. Zu wie viel % wird die komplette Schaltung funktionieren? Zum Bild 1 Was ist das an sich genau? Ich sehe 1nen Transistor, dann 2 parallelgeschaltete Elkos & 1nen normalen Kondensator außerdem eine Zenerdiode und 1nen Widerstand. Könntest du mir kurz & knapp die Funktion erläutern? Mir sagen solche Schaltpläne nichts aus. Ich kann ihnen nicht ansehen was sie Tun können. Ich würde eventuell raten, dass es ein Verstärker wäre >.< Zum 2ten Bild Das sieht ganzklar wegen des Opperationsverstärkers nach einem Addierer aus. Weswegenn ist der Lautsprecher am Addierer? Oder ist bereits der Addierer + Verstärker + Lautsprecher auf dem 2ten Bild zu sehen? Und wenn das der Fall sein sollte, dann würde ich doch sagen, dass im Bild 1 kein Verstärker sondern ein Empfänger zu sehen ist? Und zu guter letzt das 3te Bild Das ist die Schaltung die den Ton erzeugt. Bestehend uas einem für mich seltsam angeordneten Multivibrator wobei der LDR zu diesem Parallel geschaltet ist. Wenn das wirklich so funktioneren würde, dann hätte ich noch gerne genauere Angaben bzw Hilfe um so einen Schaltplan selber zu erstellen. Nicht komplett neu sondern einfahc nur für mich verständlich. Ich bedanke mich erneut für das Aushalten meiner Unwissenheit & die tolle Hilfe!!!!!! EDIT1: Ich darf für den Verstärker einen IC verwenden genauso wie für den Addierer. Aber der link mit dem Verstärker scheint sehr gut zu sein. Wenig Bauteile und schaffbar für mich. Gibt sicherlich extra Punkte :D Welche Werte muss denn der Lautsprecher dann haben bei diesem Verstärker? http://hackaweek.com/hacks/?p=332
Erol Be schrieb: > Zu wie viel % wird die komplette Schaltung funktionieren? Die gute Nachricht: Wirst Du hinkriegen, es geht jetzt nur noch darum, wie gut sie funktionieren wird. Habe mal 2 Realitätstests gemacht: 1. Realitätstest nen LDR aus nem Bewegungsmelder mit nem roten Laserpointer angestrahlt. Der LDR hat dann bei optimaler Justage einen Widerstand von 0,55 kOhm. Wenn Du den LDR, wie von Axel R und auch mir im 1.post vorgeschlagen, zur Amplitudenregelung benutzt, mußt Du den Vorwiderstand von 10k auf mehrer 100k erhöhen - und trotzdem wird der Generator noch leise zu hören sein. 2. Realitätstest Den LDR wie gestern beschrieben zw. Basis und Emitter von T1 und ihn bei abgedunkeltem Raum mit dem roten Laserpointer angestrahlt. Funktioniert! Wenn man zB. die Hand mit gespreizten Fingern durch den Laserstrahl bewegt, macht es piep - piep - piep - piep (ohne Daumen 4x, mit Daumen 5x) Du hast also die Wahl und am Besten probierst Du beide Möglichkeiten mal aus.
Da hab ich ja was angerichtet °.° image_2 erzeugt stabile Spannung so wie auch der LM7805 das machen würde. Die Z-Diode macht ca 7.5V und der Transistor arbeitet als Spannungsfolger ( Emitterfolger), am Ausgang sinds dann ca. 6komma8 Volt relativ stabil. image_3 ist tasächlich der Addierer. die beiden zusätzlichen Transistoren sorgen für mehr Strom am Ausgang, sodass gleich ein kleiner Lautsprecher angeschlossen werden kann. ( ?8Ohm/2Watt? ) Irgendwas kleines ausm Taschnradio, was Du eben an kleinen Lautsprechern da hast... image_4 ist ein astabiler Multivibrator mit Tastverhältnis 1 zu 1 also 50%. Da ist nicht merkwürdig drann. Der läuft immer und wenn Licht aufn LDR fällt, wird der Ton kurzgeschlossen. >dann hätte ich noch gerne genauere Angaben bzw Hilfe um so einen Schaltplan >selber zu erstellen. Versteh ich nun wieder nicht, siehste - so ist das manchmal. Löte Dir einen Tongenerator zusammen und als Verstärker nimmst Du erstmal eine billige, preiswerte aktivbox vom PC. Dort kommt das erstmal drann. Du könntest auch erstmal inears direkt drannstecken, ohne Addierer. Und dann bprbioertste erstmal, wie weit sich der Ton in der Höhe einstellen lässt. dann erst den LDR mit bestücken und draufleuchten. Wirds leiser? sollte es... Dann den Verstärker von der Seite, den mit den drei Transistoren. Finger an den Eingang, sollte er leise brummen. Jetzt den Tongenerator da drann und es sollte piepen. Den Laser einschalten, drauf halten und der Ton ist aus. Ich denke nicht, das es nicht funktioniert. Jetzt die anderen vier oder fünf Generatoren zusammen löten und am Eingang des Verstärkers zusammenschalten. Kaputzgehen kann eigentlich nichts. Viel Spass. Axelr. Zum Thema " Schaltplan selber erstellen " fällt mir nichts ein. Blatt Papier, Filzschreiber oder Kugelschreiber und Smartphone zum abfotografieren. Besser Android und kein Eierphone, damit nicht IMMER WIEDR der Mod rann muss und die 2MB runter rechnen muss.
>Wenn man zB. die Hand mit gespreizten Fingern durch den Laserstrahl >bewegt, >macht es piep - piep - piep - piep (ohne Daumen 4x, mit Daumen 5x) Sehr gut! Das ist Community, so stellt man sich das vor. Jeder macht mit :) Du kannst Die LDRs also auch gern zwischen Basis und Emitter packen. Probiers aus. @ LaserLehrerAnalyzer (Gast) Gehts "hart" an und aus?
LaserLehrerAnalyzer schrieb: > Erol Be schrieb: >> Zu wie viel % wird die komplette Schaltung funktionieren? > > Die gute Nachricht: > Wirst Du hinkriegen, es geht jetzt nur noch darum, wie gut sie > funktionieren wird. Ich werde beides auspropieren. Zuerst aber will ich den Verstärker bauen von der Seite: http://hackaweek.com/hacks/?p=332 Auf dieser Seite sind ja die benötigten Bauteile: 2 – 2N3904 NPN transistors 1 – 2N3906 PNP transistor 1 – 47 uF electrolytic capacitor 1 – 470 uF electrolytic capacitor 1 – 100K ohm resistor 1 – 1K ohm resistor 2 – 1N4148 diodes Nun wollte ich wissen ob diese Bauteile genau die sind die ich im Warenkorb bei Reichelt habe? Siehe Bild, dass ich geuppt habe. Der Verstärker scheint sehr einfach zu gehen als Einstiegs Home-Projekt. Hbae nen Löt-Set da. Habe ganz alte PC-Lautsprecher sind sicherlich 10 Jahre alt. so dieses alte beige farbenen die sind ultra leicht kaum technik drinne. Daher wäre so ein Lautsprecher passend denke ich. Oder diesen Lautsprecher hier: http://www.reichelt.de/Breitbandlautsprecher/VIS-K-50-8/3/index.html?&ACTION=3&LA=5&ARTICLE=66792&GROUPID=3579&artnr=VIS+K+50-8 ___________________ So viel dazu. Ich bräuchte noch eine genaue Liste der Bauteile die ich bräuchte für eure beiden Schaltungen (von Laser Lehrer & AxelR) die ihr mir erstellt habt. Oder wie kann ich die selber herausfinden :o? Ich will alles bestellen und jede Schaltung ausprobieren. ___________________ Jedenfalls würde mich interessieren, wenn ich den Class AB AMP gebaut habe wo ich den bei deinem Addierer dranhängen sollte Axel? ___________________ Welche Platine soll ich nutzen? Habe ja keine Fräse zuhause >.< Da gibt es doch diese Steckplatinen oder soetwas... Oder soll ich etwa so ein Lochraster nehmen wie dieses hier?? http://www.reichelt.de/Lochraster-Loetpunkte/HPR-100X100/3/index.html?&ACTION=3&LA=2&ARTICLE=8636&GROUPID=3372&artnr=HPR+100X100
Axel R. schrieb: > Das ist Community, so stellt man sich das vor. Jeder macht mit :) Ja, in konstruktiver Weise - jeder - :) Axel R. schrieb: > Gehts "hart" an und aus? Von der Amplitude her - ja. Von der Frequenz her macht der Multivibrator einen Sekundenbruchteil lang nen sweep. Liegt wohl daran, dass ein LDR recht lahm reagiert und eine endliche Zeit braucht, um einen Widerstandswert zu erreichen, der so groß ist, dass er - nach gestartetem Multivibrator - auf die Frequenz keinen Einfluss mehr hat. Habe 33k als Basis-Widerstand. Könnte man bei diesem LDR auf 10k verkleinern. Klingt andererseits möglicherweise sogar etwas interessanter / lebendiger :-)
LaserLehrerAnalyzer schrieb: > Axel R. schrieb: >> Das ist Community, so stellt man sich das vor. Jeder macht mit :) > Ja, in konstruktiver Weise - jeder - :) > > Axel R. schrieb: >> Gehts "hart" an und aus? > > Von der Amplitude her - ja. > Von der Frequenz her > macht der Multivibrator einen Sekundenbruchteil lang nen sweep. > Liegt wohl daran, dass ein LDR recht lahm reagiert > und eine endliche Zeit braucht, um einen Widerstandswert zu erreichen, > der so groß ist, dass er - nach gestartetem Multivibrator - > auf die Frequenz keinen Einfluss mehr hat. > Habe 33k als Basis-Widerstand. > Könnte man bei diesem LDR auf 10k verkleinern. > Klingt andererseits möglicherweise sogar etwas interessanter / > lebendiger :-) Was heißt das für mich? Und hoffentlich habt ihr nicht meinen großen Post direkt über deinem übersehen <.<
>Klingt andererseits möglicherweise sogar etwas interessanter /
lebendiger :-)
Das dachte ich mir doch glatt ;)
Axel R. schrieb: > Das dachte ich mir doch glatt ;) Hoffentlich erfinden wir hier nicht aus Versehen ein neues Effektgerät ... :-))
Reichelt Warenkorb: Ist ja nun auch schon wieder ein weilchen her, das ich mit astabilen Multidigens rumgepiept habe. Da würde ich schonmal BC547 hierfür vorschlagen. Die Transistoren im Verstärker würde ich eher mit BD135/136 "rechts" und BC337-40 als Treiber, also den "linken" Transistor im Bild verwenden. Bei den LDRs its es tatsächlich so, das der angebotene "LDR 07" bei reichelt 4-11Kohm bei 10Lux hat und vielleicht 2K bei 100Lux. Das ist nicht schön. Da bleibt nur der Verbau zwischen Emitter und Basis. Ich mach Dir mal nen Warenkorb voll und stelldas mal auf "öffentlich" mitm Link dazu... Ich persönlich würde einen Fototransistor in den Ausgang gegen GND hängen sind die beiden 10K dazwischen, die Amplitude also nicht sehr hoch, sollte auch gehen...
Axel R. schrieb: > http://www.reichelt.de/?ACTION=20;AWKID=874711;PROVID=2084 Dieser Warenkorb. Für welche Schaltungen ist der denn jetzt genau? Ich würde gerne den Verstärker von der Seite bauen... Ich hätte gerne einen Warenkorb mit allen Dingen die ich nun brauche für den Addierer/Verstärker/Tonerzeuger & 1-2 Lautsprecher undzwar von dir Axel & von LaserLehrer. Ich komme da nicht mit was du nun zusammengepfeffert hast >.< EDIT1: Und was soll ich nun als Plattine nehmen? Etwa diese Lochplatinen die auch auf Reichelt angeboten werden?
Erol Be schrieb: > Dieser Warenkorb. Für welche Schaltungen ist der denn jetzt genau? > Ich hätte gerne einen Warenkorb mit allen Dingen die ich nun brauche für > den Addierer/Verstärker/Tonerzeuger & 1-2 Lautsprecher undzwar von dir > Axel & von LaserLehrer. Na, DAS solltest Du jetzt aber selber machen! Wir sind nicht Deine Angestellten. Du brauchst doch nur die Bauteile in der Liste den Schaltungen zuzuordnen. Wir helfen Dir da, wo Du festhängst, nicht weiterweisst, aber wir machen nicht Deine Arbeit. Axel R. schrieb: > Ich persönlich würde einen Fototransistor ... Gute Idee ! Ein BP101 zw. Basis und Emitter und es funzt! Ist - klar - sehr schnell. Leider ist der musikalisch wertvolle sweep-effekt jetzt dahin ... Außer den LDR 07ern also unbedingt die Fototransistoren mitbestellen. Ich würde auch noch kleine Schalter mitbestellen, um die Generatoren einzeln abschalten zu können bis auf denjenigen, der abgeglichen werden soll (Justage Laserstrahl - LDR/Fototransistor und Abgleich Tonhöhe) Erol Be schrieb: > Und was soll ich nun als Plattine nehmen? > Etwa diese Lochplatinen die auch auf Reichelt angeboten werden? Ja Es gibt auch Lochrasterplatinen mit Lötpunkten. Die sind teurer, aber es geht einfacher damit.
Erol Be schrieb: > Ich hätte gerne einen Warenkorb mit allen Dingen die ich nun brauche für Hättest du auch gerne, das dir jemand Schaltplan+Layout zeichnet, die Platine Atzt, Bestückt, Funktionstest macht, eventuelle Fehler korrigiert und danach die Arbeit drüber Schreibt? Du musst auch etwas Eigeninitiative Zeigen. Den Schaltplan hast du, was hindert dich daran, die eingezeichneten Bauteile zu suchen? P.S.: Ich erkenne das Forum nicht wider. Jemand mit fast 0 Ahnung kommt und will ein Projekt mit Laser für die Schule bauen. Nachdem seine Idee mit einem „Burning Laser“ abgelehnt wird, weil's zu gefährlich ist, bekommt er einen fast fertigen Schaltplan + Reichelt Bestellliste vorgesetzt… Erol Be schrieb: > Etwa diese Lochplatinen die auch auf Reichelt angeboten werden? Wenn dir keiner das Layout zeichnet und ätzt, dann ja.
LaserLehrerAnalyzer schrieb: > Erol Be schrieb: >> Dieser Warenkorb. Für welche Schaltungen ist der denn jetzt genau? > >> Ich hätte gerne einen Warenkorb mit allen Dingen die ich nun brauche für >> den Addierer/Verstärker/Tonerzeuger & 1-2 Lautsprecher undzwar von dir >> Axel & von LaserLehrer. > > Na, DAS solltest Du jetzt aber selber machen! > Wir sind nicht Deine Angestellten. > Du brauchst doch nur die Bauteile in der Liste den Schaltungen > zuzuordnen. > > Wir helfen Dir da, wo Du festhängst, nicht weiterweisst, > aber wir machen nicht Deine Arbeit. Meinst du diese Platine: http://www.reichelt.de/Lochraster-Loetpunkte/RE-200EP/3/index.html?&ACTION=3&LA=2&ARTICLE=53280&GROUPID=3372&artnr=RE+200EP ?? Jedenfalls ist das Problem nun das ich immenroch nicht weiß welche Bauteile für welche Schaltung der Axel zusammengestellt hat. Habe bereits die Schaltungen verglichen. Komme aber nicht auf übereinstimmungen. Und was ist nun mit dem Verstärker von der Seite? geht der Problemlos mit beiden Schaltungen also mit dem Tonerzeuger von dir und von Axel? Und kann ich genau die Teile für den Verstärker nutzen wie vorgeschrieben? Oder soll ich die Transistoren nehmen die du Axel vorher genannt hast wie nun im Quote... > Die Transistoren im Verstärker würde ich eher mit BD135/136 "rechts" und > BC337-40 als Treiber, also den "linken" Transistor im Bild verwenden.
Erol Be schrieb: > Jedenfalls ist das Problem nun das ich immenroch nicht weiß welche > Bauteile für welche Schaltung der Axel zusammengestellt hat -Hier ist der Schaltplan mit eingetragenen Bauteilwerten: Axel R. schrieb: > So evtl? - Hier Empfehlungen für die Transistoren: Axel R. schrieb: > Da würde ich schonmal BC547 hierfür vorschlagen. Axel R. schrieb: > Die Transistoren im Verstärker würde ich eher mit BD135/136 "rechts" und > BC337-40 als Treiber, also den "linken" Transistor im Bild verwenden. Oben rechts die Suchfunktion: http://www.reichelt.de/ Wer oder was hindert sich daran, dir den Warenkorb selbst zusammenzustellen?
Bei mir brummt das jetzt mit zwei Generatoren vor sich hin. Ich kann die Finger davor machen und die beiden "Brummer" gehen nacheinander an und/oder aus. Lustich :)
(Gast) schrieb: > Erol Be schrieb: >> Jedenfalls ist das Problem nun das ich immenroch nicht weiß welche >> Bauteile für welche Schaltung der Axel zusammengestellt hat > -Hier ist der Schaltplan mit eingetragenen Bauteilwerten: > Axel R. schrieb: >> So evtl? > - Hier Empfehlungen für die Transistoren: > Axel R. schrieb: >> Da würde ich schonmal BC547 hierfür vorschlagen. > Axel R. schrieb: >> Die Transistoren im Verstärker würde ich eher mit BD135/136 "rechts" und >> BC337-40 als Treiber, also den "linken" Transistor im Bild verwenden. > > Oben rechts die Suchfunktion: http://www.reichelt.de/ > Wer oder was hindert sich daran, dir den Warenkorb selbst > zusammenzustellen? Board war down bei mir konnte nicht rechtzeitig editieren..... Konnte den Warenkorb von Axel nun klar seiner Schaltung zuordnen... Hatte noch andere Sachen bei mir beim Übernehmen udn das hat mich verwirrt. Bedeutet es isnd die Bauteile für 5 Tonerzeuger für den Addierer und für den Verstärker drinne. 2 Fragen nun: Welchen Verstärker hat sih Axel nun ausgesucht den ich bauen soll? Den den er selber erstellt hat oder den von der Seite: http://hackaweek.com/hacks/?p=332 Ich bin verwirrt da im Warenkorb 2 Zenerdioden sind die man ja auch als die Dioden von dem Class AB AMP nutzen könnte. Die Anzahl stimmt ja. Oder er hat zur sicherheit 2 Zener dioden reingepackt statt 1ner und dann würde es auf seinen Verstärker zutreffen der 1ne Zenerdiode enthält und nicht so wie der Class AB AMP normale Dioden... ____________ Muss nun nurnoch die Bauteile von LaserLehers Schaltplan zusammentragen... Morgen aber erst.... ____________ Welche Platine ist nun besser für mich?? Habe ein großes Lötgerät wie so ein Akkubohrer keinen kleinen lötkolben wie man ihn sonst hat/benutzt... 1: http://www.reichelt.de/Lochraster-Loetpunkte/UP-832EP/3/index.html?&ACTION=3&LA=2&ARTICLE=23950&GROUPID=3372&artnr=UP+832EP 2: http://www.reichelt.de/Lochraster-Loetpunkte/RE-200EP/3/index.html?&ACTION=3&LA=3&ARTICLE=53280&GROUPID=3372 3: http://www.reichelt.de/Lochraster-Loetpunkte/HPR-100X100/3/index.html?&ACTION=3&LA=3&ARTICLE=8636&GROUPID=3372
Erol Be schrieb: > Welche Platine ist nun besser für mich?? Habe ein großes Lötgerät wie so > ein Akkubohrer Dann am besten ein Steckboard. Oder das hier: http://www.reichelt.de/Diverse-Loetkolben/KOLBEN-FP-30/3/index.html?&ACTION=3&LA=2&ARTICLE=89497&GROUPID=4136&artnr=KOLBEN+FP+30 Für 4.13€ kannst du keinen Top Lötkolben erwarten, aber viieel besser als dein Dachrinnenlötkolben… Ich würde eine Lochraster mit Cu Beschichtung (1|2) verwenden.
ich habe für die Generatoren folgende Bauteile verwendet: Transistoren.....BC550B Widerstände......4.7K, BsisvW. 27K Einstellpoti.....22K Kondensatoren....100n ( zu groß -> Frequ. zu tief ->33nF verwenden ) Vorwiderst.......100R Abblock-C........47µf/16V Fototransistor... CNY70 (Reflexoptokoppler) Ja - auf Lochraster aus der Sammelbestellung 2013. Beitrag "[V]10x Lochraster 160x100 aus Sammelbestellung" Frequenz lässt sich zwischen 110 und 240 Hz einstellen, 100n Hatte ich gerade da, sind aber zu groß. Die roten Dinger aufm Tisch sind 47nF, damit ists dann schon etwas besser. Den Fototransistor habe ich zwischen Emitter und BAsis des jeweils "linken" Transistors gelötet. Viel Spass noch.
dieses kack Eifohn macht etweder 2MB Bilder oder besch.. kleine Bilder, dazu muss man die sich vorher per Mail nach Hause schicken. Nur, um die Größe zu wählen. I Love my HTC-Desiré(Z)(mit ausklappbarer Tastatur) !
Max H. schrieb: > Erol Be schrieb: >> Welche Platine ist nun besser für mich?? Habe ein großes Lötgerät wie so >> ein Akkubohrer > Dann am besten ein Steckboard. > Oder das hier: > http://www.reichelt.de/Diverse-Loetkolben/KOLBEN-FP-30/3/index.html?&ACTION=3&LA=2&ARTICLE=89497&GROUPID=4136&artnr=KOLBEN+FP+30 > Für 4.13€ kannst du keinen Top Lötkolben erwarten, aber viieel besser > als dein Dachrinnenlötkolben… > Ich würde eine Lochraster mit Cu Beschichtung (1|2) verwenden. Ist dieser Lötkolben für die Steckdose? Scheint ja mit 230V/50Hz sprich Haushaltsstrom zu laufen. Platinen mit dieser Cu Beschichtung sind doch die ersten 2 die ich oben gepostet habe laut dne infos: Beschichtung Cu-Auflage 35 µm Oder um noch genauer zu sein geht dieses hier aus EPOXYD + CU: http://www.reichelt.de/Lochraster-Loetpunkte/UP-832EP/3/index.html?&ACTION=3&LA=2&ARTICLE=23950&GROUPID=3372&artnr=UP+832EP oder aus HARTPAPIER + CU: http://www.reichelt.de/Lochraster-Loetpunkte/H25PR100/3/index.html?&ACTION=3&LA=2&ARTICLE=8270&GROUPID=3372&artnr=H25PR100 oder etwa mit EPOXYD + CU + VERZINNT: http://www.reichelt.de/Lochraster-Loetpunkte/RE-200EP/3/index.html?&ACTION=3&LA=2&ARTICLE=53280&GROUPID=3372&artnr=RE+200EP
Erol Be schrieb: > Ist dieser Lötkolben für die Steckdose? Ja Erol Be schrieb: > Platinen mit dieser Cu Beschichtung sind doch die ersten 2 die ich oben Ja, deswegen auch das (1|2).
Axel R. schrieb: > ich habe für die Generatoren folgende Bauteile verwendet: Was heißt das für mich? Welche Bauteile soll ich nun in dem Warenkorb ändern?
Als Verstärker meinte ich schon den ausm Netz, den mit den drei Transistoren. den BC337 als Ersatz für den Q3=2N3904. Den BD135 als Ersatz für den Q1=2N3904. Den BD136 als Ersatz für den Q2=2N3906. Die 1N4148 habe ich vergessen, in den Korb zu legen. Man möge mir verzeihen. Die Z-Dioden sind für den Teil der Schaltung, den ihr in der Schule noch nicht hattet: den Spannungsstabilisator. Dafür auch der zweite BD135. http://www.mikrocontroller.net/attachment/208486/image_2.jpg
Axel R. schrieb: > Als Verstärker meinte ich schon den ausm Netz, den mit den drei > Transistoren. > den BC337 als Ersatz für den Q3=2N3904. > Den BD135 als Ersatz für den Q1=2N3904. > Den BD136 als Ersatz für den Q2=2N3906. > Die 1N4148 habe ich vergessen, in den Korb zu legen. Man möge mir > verzeihen. > > Die Z-Dioden sind für den Teil der Schaltung, den ihr in der Schule noch > nicht hattet: den Spannungsstabilisator. Dafür auch der zweite BD135. > http://www.mikrocontroller.net/attachment/208486/image_2.jpg ACHSOOO... Das war garkein Verstärker sondenr von vornerein ein Spannungsstabilisator? Stimmt dieses Bauteil als 1N4148: http://www.reichelt.de/1N-4148/3/index.html?&ACTION=3&LA=446&ARTICLE=1730&artnr=1N+4148&SEARCH=1N4148
Mein Warenkorb bis jetzt: https://secure.reichelt.de/index.html?&ACTION=20&LA=5010&AWKID=874768&PROVID=2084 Um noch auf etwas zurückzukommen, dass du vorher gesagt hast: > Kondensatoren....100n ( zu groß -> Frequ. zu tief ->33nF > verwenden ) Bedeutet ich soll aus dem Warenkorb die 100nF raushauen und 33nF dafür rein?
Axel R. schrieb: > die beiden "Brummer" gehen nacheinander an > und/oder aus. Lustich :) Axel R. schrieb: > Den Fototransistor habe ich zwischen Emitter und BAsis des jeweils > "linken" Transistors gelötet. @ Axel R. Mach doch mal probeweise nen LDR rein, um den kurzen musikalisch wertvollen Hawaii-glide-sweep-sound zu geniessen ... :-)
Erol Be schrieb: > Stimmt dieses Bauteil als 1N4148: > http://www.reichelt.de/1N-4148/3/index.html?&ACTION=3&LA=446&ARTICLE=1730&artnr=1N+4148&SEARCH=1N4148 Nein. Das ist eine Si-Schaltdiode. Du brauchst eine Z-Diode für den Spannungsstabilisator: http://www.reichelt.de/ZD-7-5/3/index.html?&ACTION=3&LA=446&ARTICLE=23099&artnr=ZD+7%2C5&SEARCH=7.5V+z+diode
Oh weh, da hatt ich jetzt den falschen nick ... :-)
Erol Be schrieb: > Axel R. schrieb: >> ich habe für die Generatoren folgende Bauteile verwendet: > > Was heißt das für mich? Welche Bauteile soll ich nun in dem Warenkorb > ändern? Für die Generatoren sind die BC547 drinnen, passt. ich habe nur 550er zu Hause. Basisvorwiderstände sind 22K drinnen passt. ich hatte nur 27K. Drehpoti ist ein 25K drinnen passt. ich hatte nur 22K. METALL 100 :: Metallschichtwiderstand 100 Ohm pack Dir noch dazu 20 Stück. 1N 4148 :: Planar Epitaxial Schaltdiode, DO35, 100V, 0,15A 10 Stück Da wird dann schon noch das eine oder andere fehlen - keine Angst. Flussmittelstift wäre zu empfehlen. verbleites 1mm Lötzinn. STANNOL X32-10I :: Stannol Flussmittelstift X32-10i 10 ml LÖTZINN 250GR :: Lötdraht, 250g Rolle, 1mm SCHERE 570 :: Elektronikschneider 130mm was weiss ich? eine kleine Spitzzange (ZANGE 3334 hab ich u.a.) usw.
EnglischDenglischKauderwenglisch schrieb: > Axel R. schrieb: >> die beiden "Brummer" gehen nacheinander an >> und/oder aus. Lustich :) > > Axel R. schrieb: >> Den Fototransistor habe ich zwischen Emitter und BAsis des jeweils >> "linken" Transistors gelötet. > > @ Axel R. > Mach doch mal probeweise nen LDR rein, > um den kurzen musikalisch wertvollen Hawaii-glide-sweep-sound zu > geniessen ... > :-) ooch menno - hab keinen LDR(T.T)
Axel R. schrieb: > hab keinen LDR Hat Dein Nachbar keinen Bewegungsmelder, den Du Dir mal ausleihen kannst?
EnglischDenglischKauderwenglisch schrieb: > Axel R. schrieb: >> die beiden "Brummer" gehen nacheinander an >> und/oder aus. Lustich :) > > Axel R. schrieb: >> Den Fototransistor habe ich zwischen Emitter und BAsis des jeweils >> "linken" Transistors gelötet. > > @ Axel R. > Mach doch mal probeweise nen LDR rein, > um den kurzen musikalisch wertvollen Hawaii-glide-sweep-sound zu > geniessen ... > :-) Ihr macht mich ganz kirre :P Im Warenkorb sind doch LDR' drinne diese Fotowiderständ eide ud bereits 5 Stück von reingetan hast oder häää :D?! Warenkorb: https://secure.reichelt.de/index.html?&ACTION=20&LA=5010&AWKID=874775&PROVID=2084 > Erol Be schrieb: > Stimmt dieses Bauteil als 1N4148: > >> http://www.reichelt.de/1N-4148/3/index.html?&ACTIO... >> Nein. Das ist eine Si-Schaltdiode. Du brauchst eine Z-Diode >> für den >> Spannungsstabilisator: >> http://www.reichelt.de/ZD-7-5/3/index.html?&ACTION... Habe 5 Stück von den Zener Dioden in den den Korb getan. Sollte reichen denke ich?
Axel R. schrieb: > Erol Be schrieb: >> Axel R. schrieb: >>> ich habe für die Generatoren folgende Bauteile verwendet: >> >> Was heißt das für mich? Welche Bauteile soll ich nun in > >> dem Warenkorb >> ändern? > > Für die Generatoren sind die BC547 drinnen, passt. ich habe > nur 550er zu > Hause. Basisvorwiderstände sind 22K drinnen passt. ich hatte > nur 27K. > Drehpoti ist ein 25K drinnen passt. ich hatte nur 22K. > METALL 100 :: Metallschichtwiderstand 100 Ohm pack Dir > > noch dazu 20 > Stück. > 1N 4148 :: Planar Epitaxial Schaltdiode, DO35, 100V, 0,15A > 10 Stück > > Da wird dann schon noch das eine oder andere fehlen - keine > Angst. > Flussmittelstift wäre zu empfehlen. verbleites 1mm Lötzinn. > STANNOL X32-10I :: Stannol Flussmittelstift X32-10i 10 ml > LÖTZINN 250GR :: Lötdraht, 250g Rolle, 1mm > SCHERE 570 :: Elektronikschneider 130mm > was weiss ich? eine kleine Spitzzange (ZANGE 3334 hab ich > u.a.) usw. Diese Kosten oh neeeein ~.~ & da geht der Tank für den nächsten Monat drauf. Ich hoffe ich bin nicht zu inkompetent um das Projekt auf die Beine zu bekommen -.-" Mein neuer Warenkorb: https://secure.reichelt.de/index.html?&ACTION=20&LA=5010&AWKID=874779&PROVID=2084 Habe nun alle Teile hinzugefügt die rein sollten. eine kleien Spitzzange habe ich. Einen Elektronikschenider auch evtl. aber habe ihn zur Sicheheit mit reingenommen...
Ja: Z-Dioden waren aber schon drinnen (PositionNr.3). Du musst 1N4148 mit reintun. Den Spannungsstabilisator habe ich nicht gebnraucht. Der Generator läuft bei mir hier von 1.5Volt bis 24 Volt. Ab 14-15Volt wird die Frequenz deutlich höher, vorher sehr stabil. 9Volt-Block reicht eigentlich.
Hast Du fütr den 9Volt Block diese Batterieklipse?? 100K Metallschicht für die gegenkopplung im Verstärker!
Denk an die Laserdioden und deren Ansteuerung! Oder hast Du die schon? Hast Du ein Multimeter?
Erol Be schrieb: > EnglischDenglischKauderwenglisch schrieb: >> Axel R. schrieb: >>> die beiden "Brummer" gehen nacheinander an >>> und/oder aus. Lustich :) >> >> Axel R. schrieb: >>> Den Fototransistor habe ich zwischen Emitter und BAsis des jeweils >>> "linken" Transistors gelötet. >> >> @ Axel R. >> Mach doch mal probeweise nen LDR rein, >> um den kurzen musikalisch wertvollen Hawaii-glide-sweep-sound zu >> geniessen ... >> :-) > > Ihr macht mich ganz kirre :P > Im Warenkorb sind doch LDR' drinne diese Fotowiderständ eide ud bereits > 5 Stück von reingetan hast oder häää :D?! > .... Ich habe keinen ZU HAUSE ZUM SPIELEN! Jetzt und hier... (Ich habe schon überall nachgesehen, Mist)
Axel R. schrieb: > Ja: Z-Dioden waren aber schon drinnen (PositionNr.3). Du musst > 1N4148 > mit reintun. > Den Spannungsstabilisator habe ich nicht gebnraucht. Der Generator läuft > bei mir hier von 1.5Volt bis 24 Volt. Ab 14-15Volt wird die Frequenz > deutlich höher, vorher sehr stabil. 9Volt-Block reicht eigentlich. Sind bereits drinne die Z-Dioden (5stk.) genauso wie die 20 x Schaltdioden... > Hast Du fütr den 9Volt Block diese Batterieklipse?? > 100K Metallschicht für die gegenkopplung im Verstärker! Bist du da irgendwie daovn ausgegangen, dass ich dir diese Frage stelle & du sie gleich beantwortet hast :D? Habe 10x Vertikal Klipser für 9-Voltbatterie in WK reingetan +2 9-Volt VARTA Batterien... > Denk an die Laserdioden und deren Ansteuerung! > Oder hast Du die schon? > Hast Du ein Multimeter? Laserdioden und ihre Ansteuerung? Bezogen auf deine oder Axel seine Schaltung? Mein Lehrer sagt es reicht wenn ich grüne Laiserpointer kaufe und die fixiere auf einem Balken und die dann fest sind... Multimeter? Klingt ja so High-Tech... Das sind sicherlich diese Volt & Ohm messdinger... Eventuell darf ich mir einen von der Schule leihen... Scheinen mir recht teuer aber notwendig um auf Fehlerquellsuche zu gehen später... Oder liege ich da falsch <.< EDIT1: http://www.reichelt.de/Multimeter-digital/PEAKTECH-1070/3/index.html?&ACTION=3&LA=2&ARTICLE=67138&GROUPID=4058&artnr=PEAKTECH+1070 Wie ist dieser Multimeter??
Ich fühle mich seltsam durch diese Fortgeschrittene Technik die ich hier kaufen kann für mein Projekt. Ich mache aber keinen RÜCKZIEHER. Gehe nur bis 100€ max. Das ist die absolute Schmerzgrenze wobei ich eig. nichts kaufen müsste da eig. alles von der Schule gestellt wird insofern ich es in der Schule mache... Daher bitte Rücksicht. Ich interessiere mich schon ziemlich für das ganze hier sprich die Elektrotechnik. Aber ich kann nichts daüfr, dass ich nicht sonderlich viel weiß. Und schließlich will ich ja dazu lernen. Und wneigstens habe ich dann noch Restteile mit denen ich weitere Projekte machen kann :)
>... wenn ich grüne Laiserpointer kaufe Gehst Du auf ne Privatschule? http://www.reichelt.de/LED-Taschenlampen-Leuchten/POINTER-LP11/3//index.html?ACTION=3&GROUPID=3948&ARTICLE=83749&SEARCH=laserpointer%20gr%FCn&SHOW=1&OFFSET=16& Kaufen wa mal n paar von die dinger. Kost ja nüscht ;))
Erol Be schrieb: > EDIT1: > > http://www.reichelt.de/Multimeter-digital/PEAKTECH-1070/3/index.html?&ACTION=3&LA=2&ARTICLE=67138&GROUPID=4058&artnr=PEAKTECH+1070 > > Wie ist dieser Multimeter?? Diese_s_ Multimeter reicht erstmal aus. Gib nicht dein ganzes Taschengeld aus!
Axel R. schrieb: >>... wenn ich grüne Laiserpointer kaufe > > Gehst Du auf ne Privatschule? > > http://www.reichelt.de/LED-Taschenlampen-Leuchten/POINTER-LP11/3//index.html?ACTION=3&GROUPID=3948&ARTICLE=83749&SEARCH=laserpointer%20gr%FCn&SHOW=1&OFFSET=16& > > Kaufen wa mal n paar von die dinger. Kost ja nüscht ;)) Ich gehe auf eine ganz normale Realschule undzwar in die 10te Klasse... Das ganze in BaWü...
Die "UP 832" kann raus, wenn du die verzinnte Variante drinnen hast. Die Lochrasterkarte ohne Kupferauflage kostet 70Cent, kann drinnbleiben.
Erol Be schrieb: > Axel R. schrieb: >>>... wenn ich grüne Laiserpointer kaufe >> >> Gehst Du auf ne Privatschule? >> >> > http://www.reichelt.de/LED-Taschenlampen-Leuchten/POINTER-LP11/3//index.html?ACTION=3&GROUPID=3948&ARTICLE=83749&SEARCH=laserpointer%20gr%FCn&SHOW=1&OFFSET=16& >> >> Kaufen wa mal n paar von die dinger. Kost ja nüscht ;)) > > Ich gehe auf eine ganz normale Realschule undzwar in die 10te Klasse... > Das ganze in BaWü... Ist mir klar gewesen. Du wirst doch für den Schulkram kein 5 grünen Laserpointer kaufen, oder doch?
Erol Be schrieb: > wobei ich eig. > nichts kaufen müsste da eig. alles von der Schule gestellt wird insofern > ich es in der Schule mache Erol Be schrieb: > Mein Lehrer sagt es reicht wenn ich grüne Laiserpointer kaufe Axel R. schrieb: > Kaufen wa mal n paar von die dinger. Kost ja nüscht ;)) Artikel-Nr.: POINTER LP11 69,95 € !!! Also wenn Dein Lehrer Dich zwingt, teure grüne Laserpointer statt billigen roten zu verwenden, dann soll das gefälligst er selber bezahlen oder die Schule! Experimentieren kannst Du zuhause dann ja mit billigen roten... Pack das PEAKTECH-Multimeter noch mit in den Warenkorb Tut's doch und ist preiswert. Ohne Multimeter bist Du blind wie ein Maulwurf! Wie willst Du ohne Multimeter etwas lernen? Hat das Dein Lehrer nicht auf dem Schirm? Komischer Typ. Bin noch dabei, ihn zu analysieren...
Axel R. schrieb: nz normale Realschule undzwar in die 10te Klasse... >> Das ganze in BaWü... > > Ist mir klar gewesen. > Du wirst doch für den Schulkram kein 5 grünen Laserpointer kaufen, oder > doch? Ja doch :DD http://www.amazon.de/UKOUTLET-KATZENSPIELZEUG-LASERPOINTER-VERSCHIEDENE-FARBEN/dp/B00HH4W2ZS/ref=sr_1_1?s=pet-supplies&ie=UTF8&qid=1393019779&sr=1-1&keywords=laserpointer Genau die da um genau zu sein.oder andere mal sehen :'D Wieso denn? Taschengeld? Das gibts nicht. Habe einen 200€ Nebenjob wo Tankgeld + Versicherung + Kleidung usw, abgezogen werden muss.. Es geht schon an die Ersparnisse das Vorhaben hier...
LaserLehrerAnalyzer schrieb: > Erol Be schrieb: >> wobei ich eig. >> nichts kaufen müsste da eig. alles von der Schule gestellt wird insofern >> ich es in der Schule mache > > Erol Be schrieb: >> Mein Lehrer sagt es reicht wenn ich grüne Laiserpointer kaufe > > Axel R. schrieb: >> Kaufen wa mal n paar von die dinger. Kost ja nüscht ;)) > > Artikel-Nr.: POINTER LP11 69,95 € !!! > > Also wenn Dein Lehrer Dich zwingt, > teure grüne Laserpointer statt billigen roten zu verwenden, > dann soll das gefälligst er selber bezahlen oder die Schule! > > Experimentieren kannst Du zuhause dann ja mit billigen roten... > > > Pack das PEAKTECH-Multimeter noch mit in den Warenkorb > Tut's doch und ist preiswert. > Ohne Multimeter bist Du blind wie ein Maulwurf! > Wie willst Du ohne Multimeter etwas lernen? > > Hat das Dein Lehrer nicht auf dem Schirm? > Komischer Typ. > Bin noch dabei, ihn zu analysieren... Nein. haha. Das war Axels Vorschlag mit dne 70euro pointern :D Mein Lehrer ist schwer in Ordnung hat shcon die 60 erreicht.. Meine Klassenkameraden machen solche Dinge: http://dieelektronikerseite.de/Circuits/Lauflicht.htm http://dieelektronikerseite.de/Circuits/Polizeiblitzer.htm http://dieelektronikerseite.de/Circuits/Batteriewaechter.htm Die mussten an ihrer Schaltugn nichts verändern & konnten sie so direkt übernehmen. Ich bin aber immer so ein Extra-Würstchen das sich Extra viel Arbeit macht & vorallem Extra viel Hilfe von solch netten Menschen wie euch benötigt :D EDIT1: WK: https://secure.reichelt.de/index.html?&ACTION=20&LA=5010&AWKID=874806&PROVID=2084
Erol Be schrieb: > Extra viel Arbeit > Extra viel Hilfe von solch netten Menschen wie euch ... und demnächst auch extra viel Hilfe von einem netten Multimeter und die große Chance, extra viel bei diesem Projekt zu lernen und auch extra viel Spass zu haben ... :-)
Ich hab Dir mal ne kurze email geschrieben. Mach mal ganz langsam und hau nicht dein ganzes Taschengeld aufm Kopf. Du weisst doch sicher selbst, wie schwer es ist, sich ein paar Euro nebenher zu verdienen. Ich krame mal in meinen Kisten. ein paar "miniplast"transistoren und so Zeuchs werden sich finden für Dich. Nur LDR habe ich keine. Die musst Du kaufen. >Komischer Typ. >Bin noch dabei, ihn zu analysieren... ich habe schon nachgesehen. Scheint mir nicht komisch, iss n lieber ;)
LaserLehrerAnalyzer schrieb: > Erol Be schrieb: >> Extra viel Arbeit >> Extra viel Hilfe von solch netten Menschen wie euch > > ... und demnächst auch extra viel Hilfe von einem netten Multimeter > und die große Chance, extra viel bei diesem Projekt zu lernen > und auch extra viel Spass zu haben ... > :-) Ehrlich gesagt interessiert mich die Elektrotechnik zu 50% sprich wie etwas funktioniert und ob ich es sleber machen könnte. und die anderen 50% sind IT... Ich mag IT viel lieber da man da nicht so viel überlegen muss >.< Aber ich denke Elektrotechnik gehört einfach zu IT und vorallem Man hat praktischen Spaß wie du sagst :D > Ich hab Dir mal ne kurze email geschrieben. > Mach mal ganz langsam und hau nicht dein ganzes > Taschengeld aufm Kopf. > Du weisst doch sicher selbst, wie schwer es ist, sich ein paar > Euro > nebenher zu verdienen. > Ich krame mal in meinen Kisten. ein paar > "miniplast"transistoren und so > Zeuchs werden sich finden für Dich. > Nur LDR habe ich keine. Die musst Du kaufen. >Komischer Typ. >Bin noch dabei, ihn zu analysieren... >> ich habe schon nachgesehen. Scheint mir nicht komisch, iss >> n lieber ;) Ich schaue gleich mal nach :D Das Klingt nach einer großen Schenkung :o! Ist auch weitestgehened nett der Gute Alte Hr.Schäfer!
Hast Du Dir mal überlegt, wie Du die Laserstrahlen präzise auf die LDRs oder Fototransistoren kriegen kannst, ohne Verrenkungen oder nervigem Rumgefummle? Der Chip im Fototransistor ist nur ca. 1mm x 1mm und der Laserstrahl soll ja exakt möglichst mittig da draufleuchten. Ist also sub-Millimeterarbeit. Wie könntest Du das elegant lösen?
Soll er die High-Power Grünen LEDs kaufen, die ich schon bei der Stromzähler-Geschichte vorschlug und ne kleine Linse davor in ein Pappröhrchen. Ist auch ganz schön hell. http://www.reichelt.de/LEDs-super-ultrahell/LED-5-22000-GN/3//index.html?ACTION=3&GROUPID=3019&ARTICLE=96897&SEARCH=LED%205-22000%20GN&SHOW=1&OFFSET=16&
Ich dachte es wäre leicht einen laser pointer zu nutzen um ihn ohne großes tun präzise auf die LDR einzustellen. Dann habe ich das so wie Axel es vorschlägt. LED + Knopfzelle zusammenkleben in Papierrolle befestigen und davor eine schöne Linse... Meine Fantasie ist nicht so schön
Kriegst Du denn noch gute Noten, wenn Du KEINEN Laser verwendest?
Kondensator: 10nF Folie - Tongebend im Multivibrator 33nF Folie - Tongebend im Multivibrator 1µF Elko - Auskoppelkondensator für den Ton 22µF Elko - Abblock- und Koppelkondensator für Multivibrator 470µF Elko - AuskoppelKondensator Verstärkerausgang Widerstand: 3K6 Kollektorarbeitswiderstand Multivibrator 27K Basisvorwidertsand Multivibrator 47K Spindeltrimmpoti gemeinsamer Basisvorwiderstand Multivibr. Tonhöhe 2x 1.8K parallel als Ersatz für 1K im Verstärker (ergibt 890 Ohm) 110K sind die 100K für die Gegenkopplung (hab kein 100K) 26R1 Vorwiderstand Betriebsspannung für Multivibrator zur Entkopplung (100R hatt ich nicht) Halbleiter: SF129D npn 500mA für Tongeneratoren und Treibertransistor im Verstärker SD349 NPN Endstufentransistor (BD237) SD350 PNP Endstufentransistor (BD238) 1N4148 Diode Sonstiges: Epox-Lochraster 100x160 ( aus der Sammelbestellung, siehe oben ) ideal für den Anfänger, weil Durchkontaktiert und verzinnt. 1.5er Lötzinn verbleit Die Anschlussbelegung der Transistoren gilt es in jedem Fall zu beachten. Was brauch er'n noch? Hoffentlich hat der SF129"D" bei den geringen Kollektorströmen eine ausreichend hohe Stromverstärkung... edit: ich habe keinen kleinen Karton, Mist :(
Habs in einen Luftpolsterumschlag gesteckt und gerade abgeschickt.
so würde ich die fünf Oszillatoren anordnen. Mischen passiv über die 4K7 Widerstände. edit: statt den 47µF sind 22µF in der Tüte edit2: wenn man vom SF129 den Deckel "absägt" (vorsichtig), kann man den auch als Fototransitor missbrauchen.
Auch wenn ich nicht gut heiße das du dir gerade von den beiden die Hausaufgaben hast machen lassen. Wenn dich Informatik und Elektrotechnik interessiert solltest du dir mal Mikrocontroller anschauen, dort kannst du beide Interessen gut verbinden.
So gerade erst von der Arbeit zurück >.< Und bin gestern deswegen auch schon schlafen gegangen nach meiner letzten Nachricht. Habe deine E-mail bekommen Axel :D Hat mich sehr gefreut!!! Was brauche ich nun noch aus Reichelt? Aufjedenfall die Werkezuge sprich Lötkolben,Multimeter,Zange Wie siehts mit den Bauteilen aus? @LaserLehrer Ist nicht festgeschrieben an Lasern. Macht das ganze aber sehenswert und denke auch einfacher da es nur einfache Laserpointer sind. Lasse mich aber gerne auch umstimmen auf etwas Technisch besseres wie Photodioden ect. oder was auch immer dir vorschwebt :) @ Axel Das mit dem aufschneiden wusste ich zufälligerweise da mir mein Lehrer ein son aufgeschnittenes Ding gezeigt hat :D Jedenfalls wider mal ein toller Schaltplan. Mit Buchstabenbennenungen die ich nicht verstehe. Der Schaltplan sieht jetzt an ein Lochraster angepasst aus. Ich könnte zu 99% schwören diese Buchstabenbennnenung der Sektoren irgendwo bereits gesehen zu haben... Hatten es aber bisher nicht im Unterricht. Oder ich lehne mich mal weit aus dem Fenster und dneke das das CBE und EBC für Kollektor Basis & Emitter steht :D Bild 1: welches ich geuppt habe sehe ich neuartige 5 zueinander Parallelgeschaltete Tongeneratoren. Bild 2: Keine Ahnung was das ist :'D Bild 3: Ich sehe Kondensatoren und ELKOS. Die Funktion erkenne ich natürlich nicht >.< EDIT1: @Anon - Ja tut mir Leid. Ich kann es nicht. Und wie bereits gesagt machen meine Klassenkameraden total einfache Dinger wo alles schon vorgegeben + getestet wurde. Ich aber will etwas großes. Mehr oder weniger selpst rumexperimentiert und vorallem durch Große Hilfe der 2 User hier. Wenn alles ankommt was ich dazu brauche, dann werde ich mir sicherlich selber Gedanken machen wie soetwas geht usw. und werde nichtmehr so unwissend sein. Niemand lernt etwas ohne Grundwissen. Und die 2 User bringen mir auch dieses näher vorallem durhc ihre tollen Schaltungen und Erklärungen :) Ich will das alles begreifen und keine große Last mehr sein bis dahin aber braucht es noch einiges an Hilfe. Und ich hoffe, dass Menschen wie du es bis dahin aushalten, dass unwissende Menschen die sich davon aber begeistert fühlen Große Hilfe brauchen & nunmal auch da es so nette User sind die fertigen Schaltpläne dazu.
> ... sehe ich neuartige 5 zueinander
Was?!? Da ist doch nichts "neuartiges". CBE sind sehr wohl die
Bezeichnungen Collektor Basis Emitter.
Das ist exakt die Schaltung von oben mit den überkreuzten
Kondensatoren(33n) zwischen den Transistoren.
Kollektorarbeitswiderstände nach Plus (3K6), Basisvorwiderstände(27K),
1µF zum Auskoppeln und 4K7 zum addieren, am Punkt "OUT" zusammengefasst.
Die Standardschaltung schlechthin, so wie ich sie oben schon dargestellt
hatte.
Ob das nicht doch etwas zu groß ist? Sehn wir mal weiter...
Die Laserpointer werden eh nicht zu sehen sein, es sei denn, alle
rauchen.
Was brauchst Du noch von reichelt.de?
Das Werkzeug, was Dir wohl fehlt. Pinzette, kleine Spitzzange,
Saitenschneider(klein!), Flussmittelstift, kleiner geregelter
Lötkolben...
Beachte, das - wenn Dich das tatsächlich interessiert - überlege Dir, ob
die Werkzeuge später noch weiter verwenden willst. zum
Netzwerkeinrichten braucht man keinen Saitenschneider, kein Lötzinn uund
sowas.
Da hab ich jetzt so ein Bisschen Bauchschmerzen mit Deinem
Kenntnisstand. Ich dachte tatsächlich, Du wärst da anders aufgestellt
und schon weiter.
Als Erstlingswerk ist das schon hoch gegriffen, oder wie sehen die
anderen das?
Die drei Bilder stellen jeweils das gleiche dar. einmal der Generator einzeln und einmal alle fünf zusammen dargestellt. Du wolltest Doch wissen, WIE man so etwas zeichnet. erst ein Grundmodul und dann zusammenfügen. Den Verstärkerbaustein machst Du genauso und verbindest dann den einen Entwurf mit dem anderen.
bild_3 und bild_4 sind quasi die Entwürfe für bild_2 Schaltung etwa http://www.mikrocontroller.net/attachment/208491/image_4.jpg Am Ausgang keinen LDR, sondern 4K7 und 1µF, den Du ja sicher im Entwurf findest. Ich hätte auch alles mit 10K machen können, habe ich aber nicht. Sonst hättest Du garkeinen Durchblick mehr :) Deshalb sind hier alle Werte an unterschiedlichen Stellen auch anders ausgeführt. Normalerweise versucht man NATÜRLICH, so wenig unterschiedliche Bauteile zu verwenden, wie möglich.
Axel R. schrieb: >> ... sehe ich neuartige 5 zueinander > > Was?!? Da ist doch nichts "neuartiges". CBE sind sehr wohl die > Bezeichnungen Collektor Basis Emitter. > Das ist exakt die Schaltung von oben mit den überkreuzten > Kondensatoren(33n) zwischen den Transistoren. > Kollektorarbeitswiderstände nach Plus (3K6), Basisvorwiderstände(27K), > 1µF zum Auskoppeln und 4K7 zum addieren, am Punkt "OUT" zusammengefasst. > Die Standardschaltung schlechthin, so wie ich sie oben schon dargestellt > hatte. > > Ob das nicht doch etwas zu groß ist? Sehn wir mal weiter... > > Die Laserpointer werden eh nicht zu sehen sein, es sei denn, alle > rauchen. > > Was brauchst Du noch von reichelt.de? > Das Werkzeug, was Dir wohl fehlt. Pinzette, kleine Spitzzange, > Saitenschneider(klein!), Flussmittelstift, kleiner geregelter > Lötkolben... > > Beachte, das - wenn Dich das tatsächlich interessiert - überlege Dir, ob > die Werkzeuge später noch weiter verwenden willst. zum > Netzwerkeinrichten braucht man keinen Saitenschneider, kein Lötzinn uund > sowas. > > Da hab ich jetzt so ein Bisschen Bauchschmerzen mit Deinem > Kenntnisstand. Ich dachte tatsächlich, Du wärst da anders aufgestellt > und schon weiter. > > Als Erstlingswerk ist das schon hoch gegriffen, oder wie sehen die > anderen das? Ich sehe leichte gleichheit zwischen den Schaltungen aber keine Eindeutige... Groß ist das Projekt sicherlich. Aber das Gute daran ist, dass es nicht 1 großer Schaltplan ist sondern viele kleine mit denen es leichter ist zu Arbeiten. Wieso habe ich in Erinnerung, dass man einen Grünen Strahl sieht <.< Wird wohl stimmen, wennd du das sagst. Soll ich nun Photodioden nutzen statt Laserpointer? Ich werde mir mal diese Werkezuge zusammenstellen & kaufen. Habe paar RC Modellautos an denen ich rumschraube im Sommer. Ist ein kleines Hobby. Daher kommt auch die Begeisterung für die Elektrotechnik. Bin aber nie dazu gekommen Grundwissen zu erweitern also mehr/vertiefter zu lernen als das was ich in der Schule habe. Bauchschmerzen :D? Achwaaaas! Wenn alles ankommt, dann experimentier ich ein wenig herum & dann wird es mir definitiv leichter fallen alles zu verstehen sprich die Funktionen usw.... Erstlingswerk in der Elektrotechnik ja... Bekanntlich greift der Mensch nach den Sternen! Lass es mich versuchen & dich überzeugen, dass ich es (auch wenn mit Hilfe) schaffen werde und es kein komplettes Chaos wird. Der Verstärker z.B sollte garkeine Probleme darstellen. Schaltplan vorgegeben und wenig Bauteile.
Axel R. schrieb: > bild_3 und bild_4 sind quasi die Entwürfe für bild_2 > Schaltung etwa > http://www.mikrocontroller.net/attachment/208491/image_4.jpg > > Am Ausgang keinen LDR, sondern 4K7 und 1µF, den Du ja sicher im Entwurf > findest. Ich hätte auch alles mit 10K machen können, habe ich aber > nicht. Sonst hättest Du garkeinen Durchblick mehr :) Deshalb sind hier > alle Werte an unterschiedlichen Stellen auch anders ausgeführt. > Normalerweise versucht man NATÜRLICH, so wenig unterschiedliche Bauteile > zu verwenden, wie möglich. Jetzt mach das ganze auch mehr Sinn... Du hast 2 Entwürfe aufgestellt und zwar Bild_3 & Bild_4 Und die dann zusammengetan (das beste rausgenommen?) als 1ne Schaltung was den Tongenerator ergibt und diesen dann 5x genommen und parallelgeschaltet was dann das Bild_2 ergibt
genau! Nur, das man das, wenn man es am PC mitm Programm macht, meist nicht mehr sieht, WIE das ganze entstanden ist. Als ich Nachmittags im Hort meine ersten Dämmerungsschalterpltinen entworfen habe, gab es noch keine Computer!
Axel R. schrieb: > genau! Nur, das man das, wenn man es am PC mitm Programm macht, meist > nicht mehr sieht, WIE das ganze entstanden ist. Als ich Nachmittags im > Hort meine ersten Dämmerungsschalterpltinen entworfen habe, gab es noch > keine Computer! Das Simulationsprogramm, dass ich nutze hat nicht alle Transistoren sondenr nur die die man auf dem Bild sieht... Welcher der Transistoren trifft am ehesten den den ich an der Roten stelle einbauen sollte & welchen Verstärkungsfaktor GENAU hat der / brauche ich?? Es handelt sich hierbei um dem Class AB AMP... Im Bild 2 dasselbe. Da handelt es isch aber um einen PNP Transistor. Welcher von denen in der List trifft den dne ich brauche am Besten und welchen Verstärkungsfaktor hat er genau? Übrig bleibt noch 1 NPN Transistor... Der kann ja wie der Transistor vom 1ten Bild gewählt werden oder? EDIT1: 2 – 2N3904 NPN transistors 1 – 2N3906 PNP transistor Das sind die, die eigentlich vorgegeben sind aber nicht in der Liste vom Programm aufteten.
1. BC548 oder BC639 2. BC640 oder TIP32(noch mehr zur Auswahl in der Liste?) 3. BC639 oder TIP31 Zieh Dir gleich dazu die Datenblätter ausm Netz und vergleiche Kollektorstrom, Verlustleistung usw. edit : wasn das fürn Programm?
Erol Be schrieb: > EDIT1: > > 2 – 2N3904 NPN transistors > 1 – 2N3906 PNP transistor > > Das sind die, die eigentlich vorgegeben sind aber nicht in der Liste vom > Programm aufteten. Mal drauf klicken, geht umgehend das Datnblatt auf 200mA maximalstrom steht da. Also BC547, BC557 in der Art. Eher bisschen wenig. Viel kommt zwar nicht raus aus dem Ding. Aber ein wenig mehr Reserve schadet nicht. daher die Empfehlung auf 500mA oder 1Ampere-Typen zumindest in der Endstufe BC639 BC640 .
Axel R. schrieb: > 1. BC548 oder BC639 > 2. BC640 oder TIP32(noch mehr zur Auswahl in der Liste?) > 3. BC639 oder TIP31 > > Zieh Dir gleich dazu die Datenblätter ausm Netz und vergleiche > Kollektorstrom, Verlustleistung usw. > > edit : > wasn das fürn Programm? Nennt sich YENKA: http://www.yenka.com/de/Yenka_Elektronik/ Die Zuhause Lizenz ist kostenlos Schulen müssen zahlen :D Mehr Transistoren gibt es LEIDER nicht zur Auswahl... Was bringt es mir genau die Werte zu vergleichen? Außer du meinst, dass ich BC548 oder BC639 einen dieser Transistoren mit dem EIGENTLICHEN VORGEGEBENEN Transistor Vergleichen soll, dann würde es Sinn macht :)
DU wolltest was lernen und hast uns gefragt, WIE. SO lernt man beispielsweise, die wichtigsten Parameter eines Bauteils mit dem Verwendungszweck abzugleichen. Das ergibt in det Tat Sinn :)
Axel R. schrieb: > DU wolltest was lernen und hast uns gefragt, WIE. SO lernt man > beispielsweise, die wichtigsten Parameter eines Bauteils mit dem > Verwendungszweck abzugleichen. Das ergibt in det Tat Sinn :) Wird eh nicht gehen in dem Simulationsprogramm da ich der Schaltung kein Signal aussenden kann, dass Verstärkt & wideregeben werden soll.Obwohl eigentlich könnte ich so eine einfache Schaltung mit LDR machen wo einfahc ein Piepsen kommt welches am Verstärker dran ist . Mit ein wenig überlegen geht alles. Die Umsetzung ist aber etwas anderes >.< Habe sie nun verglichen. weichen nicht stark voneinander ab. Bzw ein weitere sProblem ist, dass laut Wikipedia beide der bereits vorgegebenen Transistoren einen Verstärkungsfaktor von 100x haben... Und das scheint mir doch ziemlich seltsam...
In dem Bild handelt es sich um einen Multivibrator. Das Problem? - Die LED' leuchten dauerhaft es sollte ja aber hin und her schalten. Die 2 Transistoren die ich in dem Programm verwendet habe sind die BC548B mit einem Verstärkungsfaktor von 320. Die Schaltung kommt von dieser Seite: http://dieelektronikerseite.de/Lections/Astabiler%20Multivibrator%20-%20Eine%20unruhige%20Schaltung.htm WICHTIG: In dem Bild sind die mittleren Widerstände auf 25k Ohm habe damals etwas mit den Werten gespielt gehabt. Sind nun wider auf 47k Ohm. Geht denoch nicht.
Erol Be schrieb: > Sind nun wider auf 47k Ohm Mach mal (nur!) einen der Widerstände etwas grösser oder kleiner ...
keine Toleranzen in den Modellen? Das Ding fängt tatsächlich erst dann an zu "kippen", wenn eine Seite "schlechter dasteht" als die andere. Aber dann kippt es hin und her. BTW:LASERHARFE http://www.stephenhobley.com/blog/laser-harp-2009/
LaserLehrerAnalyzer schrieb: > Erol Be schrieb: >> Sind nun wider auf 47k Ohm > > Mach mal (nur!) einen der Widerstände etwas grösser oder kleiner ... Passiert nichts. Liegt definitiv an diesem inkompetenten Simulationsprogramm -.- EDIT1: Kenne die Seite bereits. Der Kerl verlangt aber Hunderte von Dollar für die ganze Anleitung + Bauteile die man benötigt... Echt eine Frechheit -.-"
dann pole mal die beiden Elkos um. Der fette Balken im Elko-Symbol ist der Minuspol.
LaserLehrerAnalyzer schrieb: > dann pole mal die beiden Elkos um. > Der fette Balken im Elko-Symbol ist der Minuspol. Siehe da. Es geht. Mit genau dne gegebenen Werten. Musste die Schaltung aber noch zum Kippen bringen. Widerstandsveränderung rbauchte nichts. Habe daraufhin eine Bahn weggenommen udn wider eingezeichnet und BOOM Es kippt hin und her :D
Lustiges Simu. Leider zu heftig für mein Netbook. Der Lautsprecher ist automatisch an die Soundkarte gekoppelt. Man hört also sofort, ob es geht. Transistoren explodieren nett animiert, wenn zu viel Strom fliesst. "klicken Sie auf den Schraubenschlüssel, um mit der Rearatur zu beginnen". Aber extrem Resourcefressend. Keine Haptik, unbedienbar mit meinem Netbook, schade.
Axel R. schrieb: > Lustiges Simu. Leider zu heftig für mein Netbook. > Der Lautsprecher ist automatisch an die Soundkarte gekoppelt. Man hört > also sofort, ob es geht. Transistoren explodieren nett animiert, wenn zu > viel Strom fliesst. "klicken Sie auf den Schraubenschlüssel, um mit der > Rearatur zu beginnen". > Aber extrem Resourcefressend. Keine Haptik, unbedienbar mit meinem > Netbook, schade. Versuch mal dieses Programm: http://www.youtube.com/redirect?q=http%3A%2F%2Fwww.mediafire.com%2F%3Ff3rdpc89p8tpm3o&session_token=nEydIzH6JyhFQuGl5QiG4BSmiyZ8MTM5MzE4MTY3NUAxMzkzMDk1Mjc1 Hat nur die wesentlichen Bauteile. Sollte aber reichen :) Ist nur knapp 1,5MB groß und installiert sich in 10 sek & kann direkt gestartet werden.
Erol Be schrieb: > Habe daraufhin eine Bahn weggenommen udn wider eingezeichnet und BOOM Es > kippt hin und her :D Coool! Axel R. schrieb: > extrem Resourcefressend Danke für den Hinweis, dann lass ich's lieber ...
LaserLehrerAnalyzer schrieb: > Erol Be schrieb: >> Habe daraufhin eine Bahn weggenommen udn wider eingezeichnet und BOOM Es >> kippt hin und her :D > > Coool! > > Axel R. schrieb: >> extrem Resourcefressend > > Danke für den Hinweis, dann lass ich's lieber ... Versucht das hier: http://www.mediafire.com/download/f3rdpc89p8tpm3o/crocodile+clips+v3.5.rar
Ich will kein Spielverderber sein, aber darf ich bitte bei LTSpiceIV bleiben? Sicher, lange nicht soo spektakulär mit explodierenen Transistoren oder falsch gepolte Elkos...
Axel R. schrieb: > Ich will kein Spielverderber sein, aber darf ich bitte bei LTSpiceIV > bleiben? Sicher, lange nicht soo spektakulär mit explodierenen > Transistoren oder falsch gepolte Elkos... Kein Problem :D
Axel R. schrieb: > darf ich bitte bei LTSpiceIV > bleiben? Ich auch? > falsch gepolte Elkos... fliegen die einem denn auch so schön um die Ohren wie im richtigen Leben? Hier hat so ein Ding mal ein Stück Putz von Deckenbalken weggeschossen... :D
LaserLehrerAnalyzer schrieb: > Axel R. schrieb: >> darf ich bitte bei LTSpiceIV >> bleiben? > > Ich auch? > >> falsch gepolte Elkos... > > fliegen die einem denn auch so schön um die Ohren wie im richtigen > Leben? > Hier hat so ein Ding mal ein Stück Putz von Deckenbalken > weggeschossen... > :D Ja du auch :P Wir haben im Physik Unterricht immer die LED' mit dem Netzgerät und einer extra Spule zum wortwörtlichen explodieren gebracht ;D
Welche Bauteile & Werkzeuge soll ich nun noch kaufen um das ganze Projekt fertigstellen zu können?
Erol Be schrieb: > Welche Bauteile & Werkzeuge soll ich nun noch kaufen um das ganze > Projekt fertigstellen zu können? Das weisst Du frühestens dann, wenn Du alle offenen Fragen geklärt hast und Dich entschieden hast, wie Du's jeweils machen willst. Zu Deiner Frage Erol Be schrieb: > Soll ich nun Photodioden nutzen > statt Laserpointer? Du meinst LEDs statt Laserpointer. Wenn Du weisst, wie Du die Lichtschranken einfach und präzise installieren kannst, kannst Du die Laserpointer schon nehmen. Sonst wäre es ja auch keine Laserharfe mehr... Dimensionday - Handy schrieb: > Ich dachte es wäre leicht einen laser pointer zu nutzen um ihn ohne > großes tun präzise auf die LDR einzustellen. Ich habe festgestellt, dass es sehr frickelig wäre, ohne Spezialmechanik einen Laserpointer präzise auf einen zB 1m entfernten 1x1mm kleinen Phototransistor-Chip auszurichten. Es ist aber kinderleicht, es genau umgekehrt zu machen: den Laserpointer, der ja nach unten strahlt, einfach solide zu befestigen und dann ... Es gibt jedoch mehrere Laserpointer und entsprechend mehrere Phototransistoren bzw LDRs und die elegante Lösung wäre nicht mehr möglich, wenn diese Phototransistoren bzw LDRs alle auf der gleichen Platine wären ...
erstmal muss er löten üben. und wenigstens einen Generator zu piepen bringen. DANN sehen wir weiter ;)
Ich baue den Verstärker von der Seite. Nun die Frage welchen Tongenerator ich nehmen soll. Und welchen Addierer. Dann ist es ja soweit fertig & ich kann die Teile bestellen.
Ich warte immer noch auf Deine Idee(n), wie Du es mit den Lichtschranken machen willst. Ich habe absichtlich etwas drumrumgeredet, weil DU doch auf die Ideen kommen sollst. Nur wenn Du wirklich nicht weiterkommst, dann sag ich Dir, wie ich's mache würde. Erol Be schrieb: > Und welchen Addierer. Ist leider sehr verwirrend für Dich. Als Addierer bezeichnet man zB. Schaltungen aus der Analogrechentechnik. Die Schaltung mit dem Op-Amp ist so eine. Um Audiosignale zusammenzuführen, brauchst Du die Schaltung mit dem Op-Amp aber garnicht. Beim Zusammenführen von Audiosignalen schaltet man einfach an jede Quelle (hier: jeden Generator) einen Widerstand und verbindet sämtliche Anschlüsse auf der anderen Seite. Nennt man dann Summationspunkt. Genau das hat Axel schon erledigt: Axel R. schrieb: > 1µF zum Auskoppeln und 4K7 zum addieren, am Punkt "OUT" zusammengefasst. Der Punkt "OUT" ist der Summationspunkt, an dem alle Signale zusammengefasst sind. Von dort geht's dann zum Verstärker.
Man muss aber wesentlich hochohmiger auskoppeln, habe ich eben bemerkt. Sonst ziehen sich die astabilen gegenseitig. Auch mit 100=hm und 47µF in der Zuleitung zu jedem Generator. Gut - wenn eh immer nur einer an ist, mag es gehen. >Nun die Frage welchen Tongenerator ich nehmen soll. Den evtl.? rolleyes http://www.mikrocontroller.net/attachment/208567/Laserharfe_5x_astab_2.png edit: bin jetzt mit je 330K auf den 1M Innenwiderstand vom Rigol drauf. Das geht! edit2: da wird man noch einiges finden, was man anders machen kann. Und manches noch "anderser" ;)
Axel R. schrieb: > da wird man noch einiges finden, was man anders machen kann. > Und manches noch "anderser" ;) Normal ey, anders geht's nicht. Und sonst wär's ja auch langweilig :-) Erol Be schrieb: > Nun die Frage welchen Tongenerator ich nehmen soll. Erol meint wahrscheinlich die ursprüngliche mit dem unsymmetrischen Tastverhältnis versus Deiner mit dem symmetrischen Tastverhältnis. Naja, die Frage ist aus einem ganz anderen Grund nicht ganz uninteressant, nämlich, was die unterschiedlichen Spektren betrifft. Die Schaltung mit dem symmetrischen Tastverhältnis macht nur ungeradzahlige Oberwellen, deren Spektrallinien wie die Orgelpfeifen mit zunehmender Ordnung in der Amplitude abfallen. Die unsymmetrische Schaltung macht, je nach Tastverhältnis, andere Spektren und die klingen dementsprechend auch anders... Wobei wir jetzt auch beim Thema "Filtern oberwellenreicher Laserharfensignale zwecks Soundkosmetik" angekommen wären.
@LaserLehrer Oh Okey. Siehste wider was dazu gelernt :D! Ich weiß, dass ich einen Sender & Empfänger brauche... Der Sender kann eine Infrarot LED sein also IR undzwar gleich 5 stück davon... Und der Empfänger müsste dann bei den Tongeneratoren liegen & mit diesen Vebrunden sein... Mehr fällt mir nicht ein. Wüsste nicht wie ich einen zusammenbauen soll ohne einen schaltplan gesehen zu haben. Und was noch schwerer sein würde den Tongenerator mit dem Empfänger zu verbinden & eine Schaltugn daraus zu machen...
Erol Be schrieb: > Und der Empfänger müsste dann bei den Tongeneratoren liegen & mit diesen > Vebrunden sein... Verbunden sein, ja "bei den Tongeneratoren liegen" ? Sollte er nicht genau unter "seinem" Laserstrahl liegen? > Wüsste nicht wie ich einen zusammenbauen soll > ohne einen schaltplan gesehen zu haben. Hast Du schon gesehen: der Empfänger, also wahlweise der LDR oder auch der Phototransistor, es funzt ja beides, wird schlicht und einfach zwischen Basis und Emitter von T1 angeschlossen > Und was noch schwerer sein würde > den Tongenerator mit dem Empfänger zu verbinden & eine Schaltugn daraus > zu machen... siehe einen Absatz höher. Es ist also viel einfacher als Du denkst: Jeder Empfänger sonnt sich unter "seinem" Laserstrahl und ist elektrisch mit Basis und Emitter von "seinem" T1 verbunden.
auwei - die Fototransistoren habe ich garnicht mehr mit eingezeichnet. Ich dachte, das wäre längst klar. Sorry...
Axel R. schrieb: > die Fototransistoren habe ich garnicht mehr mit eingezeichnet man gut so! die sollen ja auch nicht auf die Platine die sollen an die "lange Leine"
Edit: bleibt die Frage, ob man dafür (dünnes) Schirmkabel nehmen sollte
Wo Kommt die LDR hin? - Habe sie mal zwischen Basis & Emitter Richtung Emitter ausgerichtet eingebaut... Habe aus verstanden, dass sie nicht unter den Transistor komtm sondern auf langer leine sprich höher stehen soll als der Transistor da sie ja das Licht abbekommen soll. Und mit den Kabel Dingens da meintest du, dass ich die Kabel die drüber hinaus gehen von der LDR abschirmen soll damit es nicht mti anderen Bauteilen in Kontakt kommt oder? Denkt ihr es gibt bessere Ergebnisse mit dem Phototransistor oder mit der LDR?
Erol Be schrieb: > Wo Kommt die LDR hin? - Habe sie mal zwischen Basis & Emitter Richtung > Emitter ausgerichtet eingebaut.. Der LDR ... zwischen Basis & Emitter ist korrekt LDR ist die Abkürzung für Light Dependent Resistor Ist ein Widerstand, dessen Wert mit zunehmendem Lichteinfall geringer wird. Ist egal, wie rum Du ihn anschliesst. Wie bei nem normalen Widerstand auch. Das Schaltplan-Symbol sieht auch ähnlich wie ein Widerstand aus. Wenn Du den Phototransistor ausprobierst, bei dem ist es nicht egal: Dessen Kollektor kommt an die Basis und Emitter kommt an Emitter. > sprich höher stehen > soll als der Transistor da sie ja das Licht abbekommen soll. ganz woanders stehen muss als die Platine, da er ja den Laserstrahl abbekommen soll, genau. Also pro Empfäger ein Kabel, zB. 1 Meter lang. Am Besten Schirmkabel, das ist störunanfälliger. Zum Beispiel klebst Du den Empfänger, also wahlweise LDR oder Phototransistor, auf ne Streichholzschachtel drauf, Gesicht nach oben. Lötest an die beiden Anschlüsse das Kabel. Andere Seite des Kabels lötest Du zwischen Basis & Emitter des T1 im zugehörigen Generator auf der Platine. Jetzt packst Du noch irgendwas Schweres in die Schublade der Streichholzschachtel (Steine, Schrauben, Münzen, ...) Jetzt schiebst Du die Streichholzschachtel exakt unter den Laserstrahl. Kannst Du jetzt leicht millimetergenau justieren. Da das Kabel zB. 1 Meter lang ist, kann die Platine mit den Generatoren in diesem Beispiel bis zu 1 Meter entfernt sein. Das gleiche Spiel mit den anderen Empfängern und den zugehörigen Lasern und Generatoren auf der Platine. > Denkt ihr es gibt bessere Ergebnisse mit dem Phototransistor oder mit > der LDR? Probiere beides aus, funktionieren beide, hören sich aber unterschiedlich an. Nimm das, was Dir besser gefällt. Ok, ich bin für heute raus...
http://www.mikrocontroller.net/articles/L%C3%B6ten http://www.reichelt.de/Mikrofon-Videoleitung/ML-108-5/3//index.html?ACTION=3&GROUPID=3330&ARTICLE=13305&SHOW=1&OFFSET=16& Schirmkabel und wissenswertes zum Thema Löten. Schirmkabel: Schirm an Emitter, innen an Basis. Eigene Zeichnung? Sehr gut! Nimm Dir kariertes Papier, dann hast Du gleich die Volrage für die Leiterkarte und gerade wirds am Ende auch. UND: ALLES aufschreiben! Nachdem die LEDs in der Simulation blinken, empfehle ich Dir, auch gleich eine Tüte "Low current red" mit zu bestellen. Dann kannst Du das am lebenden Objekt besser testen.
@LaserLehrer Okey gut, dazugelernt :P Das mit dem Streichholz klingt zwar gut ist die Platine aber nicht größer als so eine Schachtel? Was ergibt denn einen schöneren Ton? Phototransistor oder Transistor + LDR ? @Axel Selbstverständlich meine Zeichnung. Natürlich abgezeichnet von deiner . Okey, kariertes Papier sollte ich irgendwo haben. Welche LED' von welcher Simulation :mein du die von dem Multivibrator? Die Simu läuft ja wie bereits gesagt. Meinst du ich soll rote LED' dazunehmen um den Multivibrator einmal in echt auszuprobieren? Wenn ja, dann mache ich das :D Haben es in der Schule nur theoretisch durchgearbetet.
Du sollst nur den LDR/Fototransitor in die Streichholzschachtel tun. bzw. oben drauf und mit den Beinchen durchpieken. Dann das ganze beschweren, damit es nicht gleich abhaut. Das war gemeint. Ich habe eben mit der Optik gespielt: LED kannst Du vergessen. Optik davor - ok kommt am LDR als grüner kleiner, erstaunlich heller Fleck an. Aber niemand sonst sieht den grünen Strahl :( T.T Im Video wird (nur mal so nebenbei) ein richtig fetter halbwatt-Laser verwendet. Das man DEN dann im Zimmer sieht, ist selbst mir dann klar. Da kann ich nur hoffen, das Du beim nächsten Markttag auch tatsächlich fünf(!) Halbleiterlaser der 20mW-klasse billig erwerben kannst. Mit LEDs ginge es auch, das sieht aber niemand. Kein Show-Effekt. Dafür sicher! Da baust Du Dir sicher aus Holz so eine Art Galgen, wo dann oben am Querbalken die Laserpointer mit Gaffa-Band fest gemacht werden? Oder eher wie ein Kasperle Theater? Wo oben am Vorhang die Laserpointer festgemacht werden und unten ( da, wo sonst der Kasper rauskuckt ) kommen die Streichholzschachteln auf ein Brett mit selbstklebendem Klettkrepp, oderwie? Ich kann mich da "LaserLehrer" nur anschliessen. auch wenn die Elektronik im Augenblick das spannensde ist, wie willst Du den Rest checken? edit: (^.^) https://www.youtube.com/watch?feature=player_embedded&v=utnXke2ay7c
so in etwa? http://www.andrewkilpatrick.org/img/projects/frame_normal_view.gif edit http://www.andrewkilpatrick.org/img/projects/optical_section_detail.gif
Ich mache 2 Holzkästchen. Verbunden mit kleinen Holzbalken. Im unteren Holzkästchen sind die 5 Tongeneratoren + Verstärker. Auf der Oberseite des unteren Kästchens sind genau 6 Löcher. 5 für je eine LDR' und das 6te große für den Lautsprecher.... Das obere Holzkästchen soll entweder MASSIV aus Holz sein mit 5 reingebohrten Löchern durch die die einfachen Laserpointer gesteckt sind, die auf die LDR' gerichtet sind. Oder was ich nun doch lieber machen würde wie im Unteren Kästchen sprich Schaltungen mit 5 LED' oder Laserdioden (scheinen aber zu teuer) die dann jeweilsauf eine LDR gerichtet sind. Probleme die sich mir dabei aufstellen sind: 1. Wie schaffe ich es, dass die unteren und oberen Löcher ganz genau übereinander sind? - Ich dachte daran die jeweiligen platten überinander zu legen und so zu bohren, dass es durch beide bohrt. Ich denke es reicht es im Miniformat zu machen da ich den Show-Effekt nicht habe wegen der Schwäche. Fällt euch eventuell eine andere Konsturktion ein die Nicht aus Holz ist oder so. Also eine wo ich den Tongenerator/Empfänger verstecken und eine Konstruktion für den Sender... Habe für den Sender eine kleine Schaltung gemacht. Was haltet ihr davon? Das Licht + Buzzer habe ic nur reingemacht wegen dem Show-Effekt, dass wenn man es startet ein Licht + Buzzer angeht. Was ich gerne haben würde eine Zetverzögerung. Nach dem Betätigen des 1ten Schalters geht ja direkt die Lampe + Buzzer an. Nun wäre es noch cooler wenn die Lampe erst nach 1-2sek angeht und dann irgendwann der Buzzer summt. Was dann bedeuten würde (als Spaß) System hochgefahren ;D Und was ich auch überlegt habe ist die 2 Schaltungen zu kombinieren also die äußere und innere. Sprich nur 1 Schalter. Man drückt dne 1ten Schalter 2 sek später geht die Lampe an, dann summt es & nach 5 sek geht das ganze aus und die LED' gehen an in den Betriebsmodus. Scheint mir aber hinter einem für mich unmöglichen System zu stecken... EDIT1: Ich glaube sowas nennt man Zeitschaltung. Erst geht das eine anderen an und danach das andere also die LED' EDIT2: Was meintest du mit: > auch wenn die > Elektronik im Augenblick das spannensde ist, wie willst Du den > Rest checken?
Erol Be schrieb: > 6 Löcher. > 5 für je eine LDR' > Probleme die sich mir dabei aufstellen sind: > > 1. Wie schaffe ich es, dass die unteren und oberen Löcher ganz genau > übereinander sind? Genauer gesagt: Wie schaffe ich es, dass die Laserstrahlen exakt auf die Lichtsensoren fallen. Das ist das Problem. Daher nochmal genauer meine Problemlösungs-Idee: Es werden 5 Laserpointer an der Decke oder an einer Art Galgen befestigt, die dann halbwegs sekrecht nach unten auf eine Tischplatte strahlen. Auf dieser Tischplatte siehst Du dann 5 Leuchtpunkte, die ungefähr gleich weit voneinander entfernt sind und ungefähr in einer Linie angeordnet sind. Ungefähr - genauer wirst Du's nicht hinkriegen. Brauchst Du auch nicht. Wir brauchen aber millimetergenaue Justage der Lichtsensoren. (LDR oder Phototransistor) Das machen wir, indem wir jeden der 5 Lichtsensoren auf der Tischplatte genau unter "seinen" Laserstrahl schieben. Die 5 Lichtsensoren müssen also unabhängig voneinander und unabhängig von der Platine verschiebbar sein. Deswegen ist jeder Lichtsensor mit einem flexiblen Kabel verbunden, das zur Platine geht. Wenn man nun einen 1 Gramm leichten LDR oder Phototransistor, an dem ein Kabel angelötet ist, unter dem Laserstrahl plaziert, dann wird das Kabel das leichte Bauteil sowohl verdrehen als auch zB. 1mm verschieben - was 1mm zuviel wäre. Oder es kommt jemand versehentlich an das Kabel ... Dann würde der Generator lostönen, weil er irrtümlicherweise glaubt, Du hättest Deine Hand in den Strahlengang gehalten. Damit das nicht passieren kann, brauchen wir also Lichtsensoren, die mindestens mehrere 100 Gramm wiegen. Bei Firma Reich..t gibt's sowas aber nicht. Was machen wir also? Wir kleben die Lichtsensoren auf irgendetwas drauf, was schwer ist. Die beschwerten Streichholzschachteln waren nur ein Beispiel. Du kannst auch 5 Gläser mit Deiner Lieblingsmarmelade nehmen und die Lichtsensoren auf die Deckel kleben. Die Gläser rückst Du dann so über die Tischplatte, daß die 5 Laserstrahlen jeweils genau auf die lichtempfindlichen Flächen der Sensoren fallen. Wäre in diesem Falle eine Laserharfe mit Gläserrück-Technologie. :D
Erol Be schrieb: > So in etwa? Genau! Mach das Blei aber in die Gläser. Der Deckel muss frei und plan sein, damit Du die Sensoren draufkleben kannst. Es muss auch nicht Blei sein. Steine sind auch schwer genug. Erol Be schrieb: > da ich den Show-Effekt > nicht habe Du brauchst nur dafür zu sorgen, dass etwas Rauch in die Laser-Strahlengänge gerät und schon kann man die Strahlen sehen.
LaserLehrerAnalyzer schrieb: > Erol Be schrieb: >> So in etwa? > > Genau! > Mach das Blei aber in die Gläser. > Der Deckel muss frei und plan sein, > damit Du die Sensoren draufkleben kannst. > Es muss auch nicht Blei sein. > Steine sind auch schwer genug. > > > Erol Be schrieb: >> da ich den Show-Effekt >> nicht habe > > Du brauchst nur dafür zu sorgen, > dass etwas Rauch in die Laser-Strahlengänge gerät > und schon kann man die Strahlen sehen. Meinst du solche LDR' http://www.reichelt.de/LDR-07/3/index.html?&ACTION=3&LA=446&ARTICLE=10208&artnr=LDR+07&SEARCH=LDR Soll ich die Beinchen umknicken den LDR dann festkleben auf den deckel und die Beinchen dann jeweils mit einem Kabel verlöten oder denkst du an flache LDR'? > Rauch in die Laser-Strahlengänge gerät Wieso sagst du jetzt schon Laser? Ich werde doch LED' nutzen... Oder geht es mit denen nicht?
LaserLehrerAnalyzer schrieb: > Rauch in die Laser-Strahlengänge Mit 4 Generatoren kannst Du übrigens schon das Intro von "smoke on the water" spielen ...
LaserLehrerAnalyzer schrieb: > LaserLehrerAnalyzer schrieb: >> Rauch in die Laser-Strahlengänge > > Mit 4 Generatoren kannst Du übrigens schon > das Intro von "smoke on the water" spielen ... Ouuuh. Habe mir noch garnicht überlegt was ich spielen will. Etwas ganz einfaches :D Smoke on the Water klingt nach mehr als 4 Tönen. Hätte noch eine offene Frage oben.
Mein absoluter Lieblingsthread zum mitlesen im Moment :) Echt Klasse wieviel Mühe sich Axel R. und der LaserAnalyzer hier machen. Ich bin schon gespannt was am Ende dabei rauskommt und ob der TE das auch wirklich alles so umsetzen kann! Erol Be schrieb: > Wieso sagst du jetzt schon Laser? > Ich werde doch LED' nutzen... Oder geht es mit denen nicht? Bleib lieber bei deiner ursprünglichen Idee mit den Laserpointern! Kommt doch erstens tausend mal cooler und ausserdem hättest du mit LEDs und Linsen ungeheur viel mehr Aufwand beim ausrichten!
Ich ziehe das aufjedenfall durch! :D http://www.conrad.de/ce/de/product/816476/Punktlaser-Rot-Laserfuchs-LFD650-1-129x20-Rot-Leistung-1-mW-Ausfuehrung-Punkt?ref=searchDetail Notfalls kann ich doch 3-4 von diesen Lasern kaufen. Die sind eigentlich perfekt. Ein rundes Loch in Massives Holz reinbohren und die Laser einfach reinstecken und festmachen. Dachte auch daran LED' zu fokussieren mit so einem Aufsatz den es vieleicht gibt. Naja egal. Ich hätte aber gerne so einen Schaltkreis wie ich oben gezeichnet habe mit einer Glühlampe und Summer das den Betriebsmodus: SYSTEM STARTET ausdrückt. Und nach wenigen Sekunden geht der Summer und die Lampe aus aber dafür die Laser/LED an... Mit Laserpointern geht das aber blöderweise nicht. Kann ich nicht die Laserpointer auseinanderbauen???
Erol Be schrieb: > Ich werde doch LED' nutzen... Dachte Du wolltest eine Laser-Harfe bauen Mit Laser-Pointern wird es doch gehen. Du musst nur dafür sorgen, daß Du genug Ersatz-Knopfzellen hast. Vor der Vorführung dann neue Knopfzellen reinmachen. Bei LEDs brauchst Du Optik davor. Sonst leuchtet eine LED auf mehrere Sensoren. Das ist doch das Gute an den Laser-Pointern, daß jeder Laser-Pointer exakt NUR auf "seinen" Sensor leuchtet. > Soll ich die Beinchen umknicken den LDR dann festkleben Besser wäre, den LDR auf ein Stück Lochrasterplatine zu löten (Lötaugen nach oben, Anschlüsse nicht ganz durchstecken) und auch das Kabel auf die Platine löten und dann die Platine festkleben. Es sollten keine Zugkräfte an den LDR-Anschlüssen auftreten können. Die Anschlusskabel sollten lang genug sein und locker liegen können. Was Du noch brauchst: Poti + Knopf als Lautstärke-Regler zwischen Summationspunkt "OUT" und Verstärker-Eingang. 100k Ohm LOG (für logarithmisch) Besser: Frage Deinen Lehrer, ob Du nicht einen fertigen Verstärker nehmen darfst. (Kofferradio, Ghettoblaster, Stereo-Verstärker o.ä) Dein Projekt ist wirklich seehr aufwendig, anspruchsvoll, zeitraubend, etc Du solltest Deine Zeit und Energie auf den Kern der Sache konzentrieren dürfen. Und das sind die Generatoren und vor allem die Präzisionslichtschranken. Verstärker gibt es mittlerweile mehr als es Menschen gibt... Voll Laser wie ihr hier abgeht schrieb: > Bleib lieber bei deiner ursprünglichen Idee mit den Laserpointern! Kommt > doch erstens tausend mal cooler und ausserdem hättest du mit LEDs und > Linsen ungeheur viel mehr Aufwand beim ausrichten! Eben Voll Laser wie ihr hier abgeht schrieb: > Mein absoluter Lieblingsthread zum mitlesen im Moment :) Echt Klasse > wieviel Mühe sich Axel R. und der LaserAnalyzer hier machen. Ich bin > schon gespannt was am Ende dabei rauskommt Danke!
LaserLehrerAnalyzer schrieb: > Verstärker gibt es mittlerweile mehr als es Menschen gibt... Ich hätte noch einen - momentan ungetesteten - Monoverstärker mit A210K. Der bringt bei 12-17V etwa 3-5W an 4ohm. Echte Watt, keine PMPO. Waren früher in Fernsehern verbaut.
Besser wäre, den LDR auf ein Stück Lochrasterplatine zu löten (Lötaugen nach oben, Anschlüsse nicht ganz durchstecken) und auch das Kabel auf die Platine löten und dann die Platine festkleben. Die Lochrasterkarte, die er Montag in der Post hat, ist durchkontaktiert :) Vogelsand im Glas tut es auch. Sieh halt zu, das die Sensoren keinen Kurzschluss vom Metalldeckel bekommen. Alles muss man nicht erklären, oder? Es gibt Piezos, die von selbst piepen. So ein Ding klemmst Du an die Batterie. Nach dem Einschalten piept der, logisch ;) Damit das nun nicht den ganzen Abend piept, schaltest Du einen Elko in Reihe davor. Der muss sich aufladen. In jener Zeit, wo Ladestrom fliesst, muss der auch durch den Buzzer. Solange piept der.
Aber der Verstärker ist doch so leicht. Und den würde ich so gerne machen. Und er braucht nicht lange maximal 2h rumgelöte. Ich kaufe einfach 3-4 dieser Laser-Fuchs Punktlaser von Conrad. Ist die Zeitschaltung die ich will mit der Glühlampe dem summer und den 4 Lasern überhaupt realisierbar? > Du solltest Deine Zeit und Energie auf den Kern > der Sache konzentrieren dürfen. > Und das sind die Generatoren und vor allem die > Präzisionslichtschranken. Wieso nennst du es jetzt Präzisionslichtschranken? Sind sind doch nur LDR' und PunktLaser. Ich denke ich mache sie nicht mehr stehend sondern liegend. Das würde es um einiges leichter machen. Ich kann sie ja eh nicht zum leuchten bringen durch Rauch da wir so etwas nicht haben geschweige denn nutzen dürfen. Dann unterbreche ich die einfach aufm Tisch liegend. Dadurch engehe ich der schwereren Justierung der Laser die von oben runter strahlen. Oder ihr habt gute Ideen, dann wurde ich dabei bleibe sie auf ein Stativ oder ähnliches anzubringen. Eine Frage des Materials....
Dimensionday - Handy schrieb: > Aber der Verstärker ist doch so leicht. > Und den würde ich so gerne machen. Wenn Du ihn so gerne machen möchtest, dann mach ihn! > Und er braucht nicht lange maximal 2h rumgelöte. Wenn er auf Anhieb funktioniert, hast Du Glück gehabt. > Wieso nennst du es jetzt Präzisionslichtschranken? > Sind sind doch nur LDR' und PunktLaser. Wenn der PunktLaser den LDR genau trifft, ist es ja gut. > Ich denke ich mache sie nicht mehr stehend sondern liegend. Wenn Du zB ein U-förmiges (Holz)gestell baust, dann brauchst Du die Lichtschranken nur 1-malig (etwas zeitaufwändig) auszurichten. Könnte klappen. > Rauch da wir so etwas nicht haben > geschweige denn nutzen dürfen. kein Trockeneis? keine Räucherstäbchen? kein Weihrauch? Tja, die Schule ist halt keine Kirche... :-(
Wieso sollte er nicht auf Anhieb funktionieren :o Wie meinst du das mit dem U-Förmigen Gestell? Das klingt so als, wenn die pointer an das Gestell kommen sich die LDRs ziemlich nahe befinden müssen wegen dem Winkel der Anordnung der Laser..... Eventuell darf ich es draußen vorführen. Räucherstabchen klingt da gut.
Dimensionday - Handy schrieb: > Wieso sollte er nicht auf Anhieb funktionieren :o Da fallen mir einige Gründe ein: -Falscher Schaltplan -Bauteile verpolt -Bauteile falsch verbunden oder Verbindung vergessen -Kalte Lötstellen -...
Dimensionday - Handy schrieb: > Wieso sollte er nicht auf Anhieb funktionieren :o Du hast es nun nicht mehr mit der grauen Theorie zu tun, oder einem Simulationsprogramm, sondern mit der rauhen Wirklichkeit. Es gibt da so einen ganz ganz winzig kleinen Unterschied... Dimensionday - Handy schrieb: > Wie meinst du das mit dem U-Förmigen Gestell? Dachte, die Strahlen sollen jetzt waagerecht sein. Die Pointers auf der einen U-Seite und die LEDs auf der anderen U-Seite gucken sich jetzt halt an. Und die Bodenplatte hält das Ganze zusammen.
Dimensionday - Handy schrieb: > Wie meinst du das mit dem U-Förmigen Gestell? Vermutlich so was: ╔══════════════════════════ ║ Laser Laser Laser Laser ║ | | | | ║ | | | | ║ | | | | ║ | | | | ║ LDR LDR LDR LDR ╚══════════════════════════ Edit: LaserLehrerAnalyzer schrieb: > Dachte, die Strahlen sollen jetzt waagerecht sein. Dann stell es dir um 90° gedreht vor.
Schaltplan habe ich. Ich werde sie schon richtig Polen :P Ich bin ziemlich gut im löten. Glänzen zwar nicht immer die Lötstellen sind aber sauber und gingen bisher immer. Achwas LaserLehrer :P Theorie und Praxis sind bei mir Zwillinge :'D Ist ja egal wie ich es hinstelle bzw aufbaue das "U". Bleibt ja noch ein wenig Zeit für die Konstruktion. Würde morgen gerne die Bestellung bei Reichelt abgegeben aber ich weiß immer noch nicht was ich alles genau brauche an Bauteile. Könntest du nur die Bauteile nennen? Ich suche sie mir dann raus. Danke Max hat geholfen zum vorstellen! Luke wundervolle Photoshop skills ;D Das sieht ganz gut aus es so anzuordnen. Werde mir morgen ein wenig den Kopf darüber zerbrechen ~.~
Dimensionday - Handy schrieb: > Achwas LaserLehrer :P > Theorie und Praxis sind bei mir Zwillinge :'D Ha! Das nenn ich mal ein Selbstbewusssein ! Du wolltest bestellen: Überlege Dir schon mal, ob Du statt der Trimmer für die Tonhöhen richtige Potis + Knopf nehmen willst. Du möchtest ja vielleicht unterschiedliche Sachen spielen und mußt dazu einzelne oder auch alle Generatoren umstimmen. Desweiteren kannst Du, während Du einen Ton spielst, diesen "ziehen", ähnlich dem Jammerhaken an der E-Gitarre, indem Du an dem zugehörigen Knopf drehst. Oder ein Vibrato machen ... ansonsten warte, brb
Ich kann Dir hier nur Teile aufzählen, die mir ad hoc noch eingefallen sind, ohne Anspruch auf Vollständigkeit. Ich habe KEINEN Überblick über DEIN Projekt. Den kannst nur Du haben. Also: Nen Lastwiderstand, der VOR erstmaligem Einschalten der neugebauten Endstufe in die Plus-Leitung gelegt wird. Falls was nicht stimmen sollte, rauchen nicht gleich die Transistoren ab, sondern nur der Lastwiderstand wird heiss. zB. Bestell-Nr. 5W AXIAL 18 die Summierwiderstände 4k7 sollten, wie Axel ja auch geschrieben hat, durch höhere Werte ersetzt werden. Nimm zB. 100k, mindestens 5Stck 100k-Widerstände braucht man ständig, kannste also auch mehr bestellen. Bestell-Nr. METALL 100K Der Abtimmbereich der Generatoren mit den Trimmern/Potis ist (gewollt) eingeschränkt. Könnte aber sein, dass sich die Harfe besser anhört, wenn alle Generatoren viel höher oder tiefer tönen. Das würde man man dann mit kleineren / grösseren Kondensatoren machen. Überlege Dir also, ob Du noch je 10 Stck Kondensatoren mit etwa doppeltem bzw halbem Wert mitbestellst. Ersatz-Knopfzellen für die Pointers hatte ich schon gesagt Ach ja, Räucherstäbchen! Um die Laserbeams sichtbar zu machen. Ausführung: einpolig, Printausführung, Rastermaß 2,54mm, 5Watt, 1% Duftnote entweder "ausgelaufener Elko" oder "durchgebratener Gleichrichter" :DD Ok, das war jetzt Geflachse ... Wir wollen ja auch was Spass haben ...
wiedr mal : unscharf aufm Kopp und reisengroß. Eierfohn Na egal. Ich habe fünf kleine Plexiglasstückchen auf ein Brett gepackt und von links mit dem Laserpointer drauf geleuchtet. So wie ich das hier schon einmal verlinkt hatte. http://www.andrewkilpatrick.org/img/projects/optical_section_detail.gif Geht astrein!
Fünf mW angeblich. Wird aus 2x LR3 Batterien betrieben. Könnte wohl passen. Der andere hat wohl an die 200 mW. Den hab ich jetzt nicht zur Hand.
So komme gerade aus der Schule und lese natürlich wieder wunderbare Beiträge von meinen 2 Meistern :D Ich setze mich später ran und gehe alle Posts durch und mache eine Liste der Bauteile die ich heute noch bestellen will. @LaserLehrer Ich denke ich mache einen Poti + Knopf scheint ja besser zu sein so wie du es sagst statt nur mit einem Trimmer. Was mich aber verwirrt ist, das ein Poti (=Potentiometer) doch fast dasselbe ist wie ein Trimmer? Trimmer: http://www.reichelt.de/Miniaturtrimmer/76-40-100K/3/index.html?&ACTION=3&LA=2&ARTICLE=3499&GROUPID=3131&artnr=76-40+100K Poti: http://www.reichelt.de/6mm-Potis-mono/PO6M-LIN-1-0M/3/index.html?&ACTION=3&LA=2&ARTICLE=88213&GROUPID=3135&artnr=PO6M-LIN+1%2C0M Potiknopf: http://www.reichelt.de/Potiknoepfe/OKW-TK-16-4-GR/3/index.html?&ACTION=3&LA=2&ARTICLE=90527&GROUPID=3139&artnr=OKW+TK-16-4+GR Meintest du übrigens die Knöpfe? Sind ja irgendwie ganz einfache Aufsätze damit der Poti komfortabler ist zum verstellen. Oder meinst du andere Schalter/Knöpfe ? @Axel Das sieht ja ganz witzig aus. Sprich 1 Laser wird 5x gebrochen an den schräg gestellten wahrscheinlich im 45° Plexiglasscheiben... FOLGT GLEICH MEHR TEXT
Erol Be schrieb: > Was mich aber verwirrt ist, das ein Poti (=Potentiometer) doch fast > dasselbe ist wie ein Trimmer? Das Poti kannst du mit der Hand verstellen, für den Trimmer brauchst du ein Werkzeug wie z.B. einen Schraubenzieher. Abgesehen davon sind beide einstellbare Widerstände.
EDIT zum vorigen Post über Max seinem __________________________________ @Axel Das sieht ja ganz witzig aus. Sprich 1 Laser wird 5x gebrochen an den im 45° Winkel gestellten Plexiglasscheiben. Dabei zu beachten was man auch wunderbar sieht ist, dass die Leistung des Lasers abnimmt. Nun die Frage: Reicht das Licht das von der 4ten ( wegen den 4 Tongeneratoren die ich bauen will) Plexiglasscheibe gebrochen wird noch aus um einen LDR zu aktivieren? Wären ja imense Kosten die ich einsparen könnte. Reicht der Laser hier: http://www.conrad.de/ce/de/product/816476/Punktlaser-Rot-Laserfuchs-LFD650-1-129x20-Rot-Leistung-1-mW-Ausfuehrung-Punkt?ref=searchDetail ?? Eine weitere Frage ist an welchen Punkten ich die Tongeneratoren verbinde an den Verstärker von der Seite: http://hackaweek.com/hacks/?attachment_id=333 Also ein anschluss kommt an den oberen Freien Anschluss des Lautsprechers und was ist mit dem anderen Anschluss der Tongeneratoren? Oder habe ich das ganze falsch gesehen und kommt da unten wo steht Audio In die Tongeneratoren ran und oben an den 1nen Anschluss des Lautsprechers der +Pol einer 9V Blockbatterie? @Max Das war mir bewusst. Ich dachte es wäre irgendwas mit der Funktionsweise weswegen sich der Herr LaserLehrer zu den 2 geäußert hatte, dass er den Poti + Knopf bevorzugen würde... Aber da siehtman mal das etwas ganz einfaches gemeint war :D
Neues Problem: Auf dem Bild sehen wir nun farbig bemalte Bauteile.... 6 Widerstände wovon einer ein Lastwiderstand ist. ____________________ - 3,6K Ohm - 3,6K Ohm - 27K Ohm - 27K Ohm - 4,7K Ohm - 26R // Lastwiderstand ____________________ Nun habt ihr doch vorgeschlagen statt den 4,7K Ohm Widerstand 100K Ohm zu nehmen. Aber das ist ein 20-facher Unterschied. Müssten sich dabei nicht auch die anderen Widerstände verändern? Also ich bräuchte genaue Werte. Für dei Widerstände UND den Lastwiderstand. Oder soll ich für den Lastwiderstand den von LaserLehrer vorgeschlagenen nehmen: http://www.reichelt.de/5-Watt-axial/5W-AXIAL-18/3/index.html?&ACTION=3&LA=5&ARTICLE=2604&GROUPID=3117&artnr=5W+AXIAL+18 ?? Dann haben wir 2 Kondensatoren und 3 ELKOS ____________________ - 47microF // Elko - 1microF // Elko - 33nF // Kondensator - 33nF // Kondensator ____________________ Ich erinnere mich gelesen zu haben, dass ich doppelte oder halbfache Kondensatoren nehmen soll. Ist damit gemeint 24microF Elkos 2microF Elko 66nF Kondensator... Bräuchte wider genaue Werte. Will nun eine große Bestellung abgeben. Fehlt noch der LDR http://www.reichelt.de/LDR-07/3/index.html?&ACTION=3&LA=446&ARTICLE=10208&artnr=LDR+07&SEARCH=LDR Dieser oder doch lieber den hier: http://www.reichelt.de/LDR-05/3/index.html?&ACTION=3&LA=446&ARTICLE=10207&artnr=LDR+05&SEARCH=LDR Und zu guter letzt die Transistoren die ich so groß auf dem Bild gezeichnet habe. Sollte ich da nicht die BC548er nehmen?
Erol Be schrieb: > 6 Widerstände wovon einer ein Lastwiderstand ist. Der Lastwiderstand für den Generator ist z.Zt der 4,7K Ohm. 4,7K Ohm ist in der Grössenordnung des einen Kolletor-Arbeitswiderstandes 3,6K Ohm, belastet den Generatorausgang. > Aber das ist ein 20-facher Unterschied. Richtig, und da freut sich der Generator. Wenn Dir dieses tolle Bildungssystem ein Scope zur Verfügung stellen würde, dann könntest Du sehen, dass das Ausgangssignal bei 4,7K Ohm Lastwiderstand keine 5V mehr schafft, bei 100k aber praktisch 9V (bei 9V Ub) Die 100k Summationswiderstände werden mit dem 100k log Lautstärkepoti belastet, was ok ist. Der 5-Watt-axial/5W-AXIAL-18 Schutzwiderstand hat NICHTS mit den Generatoren zu tun, sondern dient EINMALIG zum Schutz des Verstärkers. Wenn der Verstärker sich als auf Anhieb funktionierend herausstellt, kannste diesen Widerstand wieder rausnehmen und an die Wand nageln. > Dann haben wir 2 Kondensatoren und 3 ELKOS > ____________________ > > - 47microF // Elko > - 1microF // Elko > - 33nF // Kondensator > - 33nF // Kondensator > ____________________ > > Ich erinnere mich gelesen zu haben, dass ich doppelte oder halbfache > Kondensatoren nehmen soll. Damit sind die frequenzbestimmenden Kondensatoren gemeint, also die beiden 33nF Kannste dann also 15nF und 68nF nehmen. > Fehlt noch der LDR > http://www.reichelt.de/LDR-07/3/index.html?&ACTION... > Dieser Ja, in der Hoffnung, dass er klein genug ist. (Meiner ist 4,5mm im Durchmesser) Idealerweise sollte er die Grösse des Laserpunktes haben. Bestelle daher die Phototransistoren mit, die sind klein genug. > http://www.reichelt.de/LDR-05/3/index.html?&ACTION... Dieser ist zu gross > Und zu guter letzt die Transistoren die ich so groß auf dem Bild > gezeichnet habe. Sollte ich da nicht die BC548er nehmen? Ja, sollen BC548er sein, mit auseinandergebogenen Beinchen. Es ist jetzt 17'00, warte noch mit der Best. bis morgen früh. Vielleicht ändert sich noch was.
>6 Widerstände wovon einer ein Lastwiderstand ist. welcher? hier ist kein Lastwiderstand... die 3K6 sind gewissermaßen die Lastwiderstände. der 26R dient nur zum Entkoppeln der einzelnen Generatoren. Hier fliesst aber kein riesen Strom in dem Sinne.. Nein der rote "Conrad" Laser reicht nicht aus. Der Grüne war aber auch nicht viel teurer. Sollte auf dem WochenMarkt beim freundlichen Inder zu bekommen sei. Da hab ich ja meinen ja auch her, danke nochmal für den Tip dahingehend. Der hat (angeblich) 5mW (sind minimum 50mW)- hatte ich oben schon geschrieben... Aufpassen hier an der Stelle mit de Augen, nicht direkt hineinsehen!! Welche Kondensatoren sind denn deiner Meinung nach Tongebend? Der 47µF, der 1µF? Vergleich doch mal die Werte mit denen aus deiner Simulation mit den LEDs. bau erst mal die 10nF ein und dann kannst Du noch mal je 10nF oben drüber löten. hast Du schon 20nF und den ganz linken Tongenerator bestückst Du gleich mit 33nF. 100K statt 4k7 klingt komisch - stimmt aber bis hierher. Der Signalmix geht (natürlich) bei Audio_in rein und nicht beim Lautsprecher. Dein mp3 schliesst du ja auch am AUX an und nicht hinten bei den LautsprecherBoxen. Das ist hier nichts anderes. Die 47µF höchstens als 16Volt, sind sonst riesengroß und passen da am Ende mechanisch nicht zwischen die anderen Teile zwischen. Axelr. edit: >Es ist jetzt 17'00, warte noch mit der Best. bis morgen früh. >Vielleicht ändert sich noch was. Ja - Du wirst Post im Kasten haben, wo die meisten Teile schon drinn sind, die Du brauchst :))
Beitrag "Re: Laserharfe Schaltplan & mehr - Benötige Hilfe" Beitrag "Re: Laserharfe Schaltplan & mehr - Benötige Hilfe" Das war kein Spaß ;)
Wie ist dieser Warenkorb für den Verstärker?? http://hackaweek.com/hacks/?p=332 https://secure.reichelt.de/index.html?&ACTION=20&LA=5010&AWKID=876186&PROVID=2084 Habe eure letzten Post ausgewertet und mache nun gleich noch einen Warenkorb für die Tongeneratoren + Werkezuge die ich benötige. Brauche 5-10min. für den 2ten Warenkorb. EDIT1: @Axel Ich bin doch niemals davon ausgegangen, das du Lügen solltest. Ich glaube dir doch. Braucht wahrscheinlich noch 1 Tag. Wohne wohl weiter weg :) Morgen kommts sicherlich an.
Erol Be schrieb: > wunderbare > Beiträge von meinen 2 Meistern :D Ich finde es grosse Klasse, dass weitere konstruktive Menschen wie zB. Max H. (hartl192), "Luke Skywalker" und "Voll Laser wie ihr hier abgeht" hier mitmachen. Das gibt diesem Thread nen superguten Spirit. Luke Skywalker schrieb: > Ich denke er meint es ungefähr so Ganz genau! Diese tolle Zeichnung wird demnächst sehr nützlich sein, um meine nächste Idee zu erklären... Erol Be schrieb: > der Herr LaserLehrer HaHa, ich lach mich schlapp :DDD Ich bin eher jemand, der Lehrern und anderen noch wichtiger sich wähnenden Leuten recht kritisch auf die Finger schaut: _Analyzer! Werd mir jetzt mal nen neuen nick geben und ab sofort unter "RoJoe" hier aufkreuzen. zu den Potis: 47k lin nehmen. Wennste 1M nimmst, haste zwar nen riesigen Einstellbereich, kannste aber nicht mehr vernünftig ne bestimmte Tonhöhe einstellen. (Drehen dann um Millimeterbruchteile) Wennste n Poti mit 6mm Achse nimmst, musste auch nen Knopf für 6mm nehmen. (Oder 4mm zu 4mm) Was ich ganz hilfreich finde: Abgreifklemme (Krokoklemme) zum Aufstecken auf die Multimeter-Prüfspitzen: 1 x schwarz + 1 x rot à 1,15€ Da hat man plötzlich beide Hände frei... MA 1 SW MA 1 RT
LaserLehrerAnalyzer schrieb: > Das gibt diesem Thread nen superguten Spirit. So kenne ich das Forum nicht... Aber von mir aus sollte es so bleiben...
https://secure.reichelt.de/index.html?&ACTION=20&LA=5010&AWKID=876212&PROVID=2084 Wie ist dieser Warenkorb? Er ist nur für die Generatoren + Werkzeuge. Zu beachten bitte ob ich die richtigen Potis genommen habe. 1x Drehpoti. logarithmisch, 6mm, stereo 100 k-Ohm 1x Drehpoti. linear, 4mm, mono 47 K-Ohm + 4mm Knopf Außerdem bitte gucken ob alle Kondensatoren + Widerstände richtig sind. Hatte auch Probleme bei den Kondensatoren. Irgendwie habe ich nur ELKOS gefunden und keine normalen Kondensatoren :o
Erol Be schrieb: > 1x Drehpoti. linear, 4mm, mono 47 K-Ohm + 4mm Knopf Ich habe ein wenig dem Überblick verloren, aber ich denke du brauchst für jeden Oszillator ein Drehpoti
Max H. schrieb: > Erol Be schrieb: >> 1x Drehpoti. linear, 4mm, mono 47 K-Ohm + 4mm Knopf > Ich habe ein wenig dem Überblick verloren, aber ich denke du brauchst > für jeden Oszillator ein Drehpoti Glaube ich auch. 1x LOG und 4x LIN :D
'Nabend: HPR 100x100 hat keine Kupferlötaugen. Da musst Du dann die Beinchen der Bauteile als Verbindung nehmen... UP 914EP passt besser.
Axel R. schrieb: > 'Nabend: > HPR 100x100 hat keine Kupferlötaugen. Ich habe mal aus Versehen eine ohne Cu bestellt. Seit dem habe ich immer ganz gut aufgepasst, dass ich eine mit Cu bestelle, die ohne haben mir gar nicht gepasst.
BC547C habe in der Regel recht hohe Stromverstärkungen. Klingt jetzt zwar nach "alter Mann" aber nimm lieber "B" Typen. Wozu noch die BC548C? Versuch einmal den Unterscheid zwischen BC547C und dem BC548C herauszufinden. Siehe auch hier: http://www.gutefrage.net/frage/unterschied-zwischen-bc547-und-bc-548 Deshalb solltest Du Dich immer mit dem aktuellen Datenblatt der jeweiligen Halbleiter befassen. Die 2.0mm Abgreifklemme passt wo drauf?
Max H. schrieb: >> Das gibt diesem Thread nen superguten Spirit. > So kenne ich das Forum nicht... Ich auch nicht. Deswegen hab ich zu den meisten Threads auch keine Lust. > Aber von mir aus sollte es so bleiben... Von mir aus ebenso ! @ Erol 4x Knopfdeckel? Lautstärke: Stereopoti für MonoAmp? 1 x Knopf + Deckel für Lautstärkepoti ? 5W AXIAL 18 haste schon im anderen Korb und brauchste nur einen. Soll der Amp mit ner 9V-Batterie betrieben werden? Brauchste keinen! Kondensatoren: 10nF & 33nF kriegste schon von Axel Kannste ja auch parallelschalten zu 20n, 43n, 66n, ... Wennste trotzdem noch welche bestellen willst: wären dann MKS-2 (und Wert) Haste schon nen Laserpointer? Sonst vielleicht EINEN billigen für erste real-world-Versuche in Sachen LDRs oder gar Phototransistoren anpeilen und so ... Erol Be schrieb: > Nun die Frage: Reicht das Licht das von der 4ten ( wegen den 4 > Tongeneratoren die ich bauen will) Plexiglasscheibe gebrochen wird noch > aus um einen LDR zu aktivieren? Gute Frage! "aktiviert" wird der LDR schon, d.h. der wird seinen Widerstand verkleinern. Aber ob das reicht, dass die Ube unter 0,6V geht ... Wir könnten dann den 27k vergrössern und bräuchten statt dem 47k-Poti dann ... naja, ein anderes halt ... 100k ... 250k ... So geht das halt, wenn man Entwicklungsarbeit macht. Normal, ey 'Nabend Axel ! Axel R. schrieb: > Die 2.0mm Abgreifklemme passt wo drauf? Auf die normalen 2mm Multimeter-Prüfspitzen
Max H. schrieb: > Axel R. schrieb: >> 'Nabend: >> HPR 100x100 hat keine Kupferlötaugen. > Ich habe mal aus Versehen eine ohne Cu bestellt. Seit dem habe ich immer > ganz gut aufgepasst, dass ich eine mit Cu bestelle, die ohne haben mir > gar nicht gepasst. Pff: man kann auch Pappe nehmen (die letzte Seite vom Collegeblock) und da die Bauteile durchpieken und von unten alles verdrahten. Fast auf jeder Schuldisco wurden früher so die Bässe geregelt und Licht georgelt. !THIS IS A LICHTORGEL! ..It's orgelt Licht.. https://lh5.googleusercontent.com/-DGp-iJGkptI/TpxSXQs75NI/AAAAAAAACAQ/san_3nOQKBE/s500/thumbs_hornoxe.com_picdump227_020.jpg
Axel R. schrieb: > https://lh5.googleusercontent.com/-DGp-iJGkptI/Tpx... Dat is doch jenau dat wat wa broochen um de Beams sichtbar zu mache! :-))
https://secure.reichelt.de/index.html?&ACTION=20&LA=5010&AWKID=876280&PROVID=2084 Wie ist es nun? Habe die Klemmen auf 4mm gewechselt da die bei dem Multimeter den ich drinne habe unten in der Liste standen & ich daher denke, dass der nur 4mm dinger trägt.
meist sind bei den Multimetern solche Messstrippen dabei, die vorn so ganz dünne Spitzen drann haben. Dort passen die 2.0mm Abgreifklemmen wohl genau drauf. Lass die ruhig drinnen.
Das (ein / fast jedes) Multimeter hat 4mm Buchsen. Die Meßstrippe hat daher nen 4mm Stecker am einen Ende und am anderen Ende Axel R. schrieb: > vorn so > ganz dünne Spitzen drann > Dort passen die 2.0mm Abgreifklemmen > wohl genau drauf. So isses.
Soll ich nun 4mm und 2mm in den Korb tun? EDIT1: Wenn euch noch etwas einfällt. Irgendein Bauteil, dann bitte direkt sagen. Ich schaue morgenfrüh nochmal vorbei und schicke die Bestellung ab damit sie hoffentlich Mittwoch ankommt :o Ich denke aber nicht :(
mit "Sicherheit" und so brauchst Du nicht. Die sind für den Elektriker super. Aber für unsereins sind die zu klobig. Nimm die 2mm Dinger.
Axel R. schrieb: > mit "Sicherheit" und so brauchst Du nicht. Die sind für den Elektriker > super. Aber für unsereins sind die zu klobig. Nimm die 2mm Dinger. Erledigt :D
Schaltlitze? für Plus: http://www.reichelt.de/Kupferlitze-isoliert/LITZE-RT/3//index.html?ACTION=3&GROUPID=4487&ARTICLE=10297&SHOW=1&OFFSET=16& Für Minus: http://www.reichelt.de/Kupferlitze-isoliert/LITZE-BL/3//index.html?ACTION=3&GROUPID=4487&ARTICLE=10292&SHOW=1&OFFSET=16& für Tonsignal: http://www.reichelt.de/Kupferlitze-isoliert/LITZE-GE/3//index.html?ACTION=3&GROUPID=4487&ARTICLE=10294&SHOW=1&OFFSET=16& grün, braun, grau gibt es auch. Kleiner Kippschalter? http://www.reichelt.de/Kippschalter/MS-500A/3//index.html?ACTION=3&GROUPID=3275&ARTICLE=13150&SEARCH=KIPPSCHALTER&SHOW=1&OFFSET=16& Hast Du eigentlich Holzbohrer, Dremel oä. usw? oDer machst Du das in der Schule?
Alle 4 Sachen hinzugefügt :) Habe einen Bohrer da mit einem Aufsätze-Satz von meinem Vater. Will es ungern in der Schule machen. Sonst mischt sich mein Lehrer ein, dass das so nicht geht bla bla :D Oder übernimt die Arbeit gar selbst :'D EDIT1: Einen Dremel habe ich nicht. Nur wie gesagt einen großen Akkubohrer/schraubenzieher gedöns ding da :D
http://www.ebay.de/itm/2-tlg-Set-Rueckensaege-300mm-Gehrungslade-45-90-Schneidlade-Handsaege-/360818189168?_trksid=p2054897.l4275 braucht man zB um die Plexiglasstückchen EXAKT im 45°Winkel auf das Brett zu kleben.
Bisher hast Du einen Lötkolben und einen kleinen Elektronik-saitenschneider auf Deiner Liste... Bei Netto ein kleines Zangenset kaufen? Irgentwas in Richtung "Feinmechaniker-Set" oder so. wirst Du brauchen... Du willst ja auch die Knöpfe am Poti festschrauben. Also ein kleinen Satz schraubendreher vielleicht?
Axel R. schrieb: > Bisher hast Du einen Lötkolben und einen kleinen > Elektronik-saitenschneider auf Deiner Liste... Bei Netto ein kleines > Zangenset kaufen? Irgentwas in Richtung "Feinmechaniker-Set" oder so. > wirst Du brauchen... > Du willst ja auch die Knöpfe am Poti festschrauben. Also ein kleinen > Satz schraubendreher vielleicht? @Axel Soetwas habe ich glücklicherweise. Ich weiß aber nicht ob es aus Aluminium oder Kunststoff ist wer weiß. Ich bleibe aber lieber bei 5 Lasern der Leichtigkeits halber... Habe ein kleines Schrauebenset für mein RC Auto. Und eine große Werkzeugkiste meines Vaters. Da wird schon etwas nützliches zu finden sein hoffe ich
Gehrungssäge bzw. Holzklotz im Winkel eingesägt kann man mit'm geodreieck auch selbst basteln für paar Schnitte.. Zumindest kenne ich so ein Holzstück von schreinern...
Alles bestellt. 85€ - Das nenne ich Kosten für ein eigentlich kleines Projekt >.< Freue mich schon auf die Teile die heute hoffentlich ankommen von Axel. Dann kann ich schon ein wenig anfangen zu löten und so :D
Der Brief kam zurück. Die Briefmarke hat wohl nicht gehalten. So ein Kack! Da meint man es mal gut und zieht es durch. Dann sowas. Schade!
Axel R. schrieb: > Die Briefmarke hat wohl nicht gehalten. @Axel Der Brief ist aber abgestempelt! Werden Briefe ohne Marke abgestempelt? Ich denke nicht, denn woher soll ein Stempelautomat wissen, wo er stempeln soll? Liegt die Marke jetzt irgendwo auf postalischem Hoheitsgebiet auf dem Fussboden? Oder sie blieb an dem Stempel von dem Stempelautomat kleben und klebt jetzt auf irgendeinem anderen Brief.... Ich bin der Meinung, die Marke ist im Augenblick des Gestempeltwerdens noch da gewesen und die Post hätte ein Auge zudrücken müssen. Du hattest wahrscheinlich auch nicht zufällig ganz klein Deinen Absender auf die Marke geschrieben? Ach, hättest Du sie mal UNTER die Transparenzfolie geklebt. Dann wäre sie 1. noch da und 2. recycelfähig (joke!) Das Blöde ist jetzt, dass der Erol Be bestimmte Teile bei REI nicht bestellt hat. Eine deutsche Briefmarke hält also nicht auf moderner Transparenzfolie. Darf man eine Marke antackern? Ich weiss nicht weiter .... :)
Jabe bereits vor 2 Tagen bestelt.. Gerade angerufen um zu fragen wieso sich in der Bestellung noch nichts berändert hat sagt der nette Mann: Ist gerade beim verpacken & wird dann versendet :D @Axel Ist doch kein Thema. Nicht so schlimm. Musst es auch nicht wider versenden wegen den unnötigen Umkosten die für dich entstehen :/ @LaserLehrer <-- Der bleibst du für mich immer :'D So wirds wohl gewesen sein. Noch schlimmer finde ich es das wenn man Geld versendet in einem Brief das zu 100% NICHT ankommt. Beginnt schon bei kleinen Beträgen vom 5€ Schein (spreche aus Erfahrung) Jedenfalls. Ich klebe sie immer mit sekundenkleber an. Denn diese dünne klebeschicht die die da haben hält nur auf dene ihren überteurten Papierbriefen... EDIT: Mist bedeutet ja, das ich nun auf diesen Hartpapier Lochrastern löten muss :o Ich hoffe ihr kennt da paar gute Tipps wie man das macht ;D Dann sollte das damit auch wunderbar klappen!
Da ja hier mittlerweile doch eine Unmenge an Text entstanden ist, bitte ich um Verzeihung, dass ich nochmal ganz blöd frage (da ich nur mal quer gelesen habe). Der Plan ist es, das Signal durch eine "normale" Lichtschranke zu realisieren? Der Empfänger wird also gegenüber von dem Laser benötigt? So habe ich das momentan bei mir Testweise auch mal angeschlossen und erzeuge meinen Ton mit einem AVR. Lieber wäre es mir aber, das ganze als Reflexlichtschranke auszuführen, sodass ich die Laserstrahlen ins unendliche laufen lassen kann trotzdem eine Detektion möglich ist. Ich habe nur leider das Gefühl, dass ein Laser nen bissel schwer ist in eine Reflexlichtschranke unterzubringen ;/ Da muss es schon verdammt dunkel sein und ich muss mit der Hand sehr nah an den Laser rangehen, damit der LDR merklich seine Widerstand ändert...
Ich soll möglichst keine ICs nutzen :/ Ich danke dir vielmals aber ich will erst die Sachen die meine 2 Meister da zusammengebrüht haben versuchen :)
Erol Be schrieb: > wegen den unnötigen Umkosten die für dich entstehen :/ Ich muss jetzt wohl einen halben Döhrner weniger essen, oder dem Currywurstmann weniger Trinkgeld geben. Ich werds überleben ;)
So lala schrieb: > damit der LDR merklich seine Widerstand ändert... Mit einem LDR wird das dann auch nichts mehr. Die Änderung wäre viel zu klein und zu träge. Hier kommt dann nur noch ein Fotodiode+Transimpendanzverstärker in Frage, deren maximale Empfindlichkeit auf dem Spektrum entsprechend angepasst ist. Dann geht das sehr gut. Der normalfall siht ja auch so aus, das der µC ja den Strahl selbst ein und ausschaltet und auch ablenkt und somit das Strahlenbündel, welches ja im eigentlichen nur aus einem einzigen Strahl besteht selbst erzeugt. Somit brauchst Du auch nur eine (schnelle) Fotodiode, die dann die Reflexion wahrnimmt. Welcher Ton zu spielen ist, bestimmt der Zeitpunkt, an dem die Reflexion auftrat relativ zum Zeitpunkt T_0, an dem der Strahl das erste aufgetastet wurde und am linken Spiegelrand erschien. Tonerzeugung sind drei Bytes mit 38400 auf die COM1 vom PC. Dort hängt der Yamaha-Treiber drann, der das dann wiederum der Soundkarte weitergibt. Das ist einfach! Spiegelablenkung, Positionsrückmeldung des Strahls und Strahldunkeltastung und dessen Reproduzierbarkeit ist schon eher die Herausforderung, die sich teiles auf mechanischen, regeltechnischen und elektronischen "Skills" aufbaut. Für einen 10.Klässler-NICHT-Nerd zu viel, denke ich mal, ohne es böse zu meinen. Da passen die vier-Fünf Laserpointer und die astabilen Multivibratoren besser zum Thema. Zumal der Lehrer damit eher etwas anfangen kann und somit die Sache besser nachvollziehen kann, WAS Erol da gelötet hat. Bis dann Axelr.
Verstärker von der Seite geht nicht. Gerade mit meinem Lehrer versucht
Sollte aber gehen, habt ihr mal die Schaltung überprüft? Nachgemessen?
Dimensionday - Handy schrieb: > Verstärker von der Seite geht nicht. Gerade mit meinem Lehrer versucht Ist auch eine grausam minimalistische Konstruktion. Wie hoch ist die Spannung zw. den Emittern der Endtransistoren? Werden sie (einer oder beide) warm? heiss?
Mein Lehrer wollte sich garnicht die Arbeit machen nachzumessen. Als er den Schaltplan gesehen hat sagte er schon selber, das das niemals gehen wird. Es kamen beim verstellen des Poti 1-2 sek knirschgeräusche mehr auch nicht. Haben keinen Generator sondern einen lautsprecher angeschlossen und dann draufgeklopft und so... Jedenfalls was er sagte gehört zu haben Menschen stimmen. Haben dann eine anderen Verstärker gebaut aus seinem alten Technikbuch der Verstärker war recht gleich. 2 dioden 3 transistoren 1-2 Kondenswatoren. aber ein wenig anderst angeordnet usw. Ich lade später ein Bild hoch. Er hat logischerweise nicht genau die Bauteile die da standen. Sondern er nutzt immer nur Standard modelle. Also Kondensator haben wir 47uf und 470uf genutz. Wir hatten aber die gleichen Widerstände. Die Dioden waren leicht anderst waren so A4001/A4003 glaube ich...
Sie wurden NICHT heiß/warm! Es passierte einfach garnichts.
Dimensionday schrieb: > Mein Lehrer wollte sich garnicht die Arbeit machen nachzumessen. Der wird ja auch so bezahlt. Wenn man es SO macht, also noch nicht mal eine Messung, dann wird man also niemals herausbekommen, woran es gelegen hat und deshalb wird man niemals etwas dazulernen. Man wird niemals wissen, ob man beim Aufbau einen Fehler gemacht hat und kann nicht lernen, diesen Fehler beim nächstenmal zu vermeiden. Und man kann niemals herausfinden, ob und welchen Konstruktionsfehler das Ding vielleicht hat. Also auch da nichts dazulernen.
Auf dem Bild des verstarkerd . kommt an audio in ein mic oder der generator. An die Erdung diese Striche kommt der Minuspol und an das + des Lautsprechers der +Pol der block Batterie. Mein Lehrer sagte das es nur so sein kann das die Erdung mit dem -pol verbunden wird... Was haltet ihr davon?
Am Ausgang muss immer zirka halbe Betriebsspannung anliegen.
Ich bin nicht ganz mitgekommen. Welchen Verstärker wolltest du jetzt aufbauen?
> Mein Lehrer sagte ... Was unterrichtet dein Lehrer? Die Minüsse muss schon verbunden sein. Der strom muss ja auch wieder zurück fliessen. Das man mit einem niederohmigen Kleinstlautsprecher am Eingang bei diesem Verstärker nichts hört, liegt einfach daran, das er dafür nicht genug Verstärkung hat. Der Lautsprecher am Ausgang muss hier unbedingt gegen PLUS angeschlossen werden. Wenn ich die BD139/140 (wegen den dicken Beinchen) ins Steckbrett bekomme, probier ich das nachher mal aus. Das sollte aber schon laufen. Evtl. ist der Ruhestrom etwas wenig, was sich im Klang negativ(kratzend) bemerkbar machen könnte - aber sonst? BTW: ich habe unserem Azubi beim täglichen Gang zur Post (Postausgang bearbeiten) das Briefchen nochmal aufgeben lassen (*.*) Axelr.
Der weltweit erste Class AB ohne Emitterwiderstände, ohne thermischen Kontakt der Dioden mit den Endtransistoren und ohne Einstellmöglichkeit für den Ruhestrom ...
Axel R. schrieb: > das Briefchen nochmal aufgeben lassen (*.*) Du hast die Marke jetzt hoffentlich festgetackert? ;-)
Briefmarke sollte man mit Sekundenkleber ankleben:) Verstärker: Lautsprecheer als Teil der Bootstrap-Schaltung, der obere Transistor wird halbwegs durchsteuern. Emitterwiederstände 0R5 könnten rein, stimmt. ich habe mal in Pink drinn rumgemalt. die dritte Diode dazu und evtl. über alle Dioden ein 470R-Trimmer, oder? edit: der 1k erscheint mir auch etwas groß, den auch halbieren.
Axel R. schrieb: > über alle Dioden ein 470R-Trimmer, oder? Emitterwiderstände rein, dann in Reihe mit den 2 Dioden 'nen Trimmer für den Ruhestrom. Die 2 Dioden in therm. Kontakt mit den Endtransistoren: D1 küsst Q1, D2 küsst Q2 Dann noch ein Netzteil besorgen, damit nicht ständig die Blockbatterie leer ist. Daran kann dann auch noch die Generatorplatine angeschlossen werden. Axel R. schrieb: > 700mWatt in der Simulation. :) Cool! Du musst aber einen Fehler gemacht haben: Sein Lehrer hat nämlich gesagt, der Verstärker geht nicht! ;-) Dimensionday - Handy schrieb: > Verstärker von der Seite geht nicht. Gerade mit meinem Lehrer versucht
RoJoe schrieb: > Du musst aber einen Fehler gemacht haben: > Sein Lehrer hat nämlich gesagt, der Verstärker geht nicht! Dann hat sein Lehrer nicht besonders viel Ahnung? Da hatte ich mehr Glück: Mein Lehrer hatte auch schon Schaltnetzteil im kW Bereich entwickelt...
Ich steck das nachher zu Hause mal zusammen. Wär ja wohl gelacht. Wenn da 200-300mWatt rauskommen, reicht das ja locker aus... SF129/SF119 habe ich auch noch da. Kühlstern drauf - fertig.
Max H. schrieb: > Dann hat sein Lehrer nicht besonders viel Ahnung? Dimensionday schrieb: > Als er den Schaltplan gesehen hat sagte er schon selber, das das niemals > gehen wird. > Haben keinen Generator sondern einen lautsprecher > angeschlossen und dann draufgeklopft und so... Ein Lautsprecher als Mikrofon an einen einstufigen Spannungsverstärker ... und dann nichts gehört ... Nicht die Mittelpunktspannung nachgemessen ... Max H. schrieb: > Dann hat sein Lehrer nicht besonders viel Ahnung?
So. Bin nun zuhause muss aber gleich weiter in die Fahrschule. Um es mal kurz zufassen: Ich werde es ja nochmal ausprobieren wenn die Teile Samstag ankommen von Reichelt. Muss halt gucken ob es geht mit einem Lautsprecher aus den alten Boxen (Muss die noch aufbrechen/schraueben). Wie ich nun gelesen habe habt ihr die Teile verändert da beim AUDIO IN nun ein verstellbarer Widerstand rein soll. Ich hoffe aber denoch das ich es mit den alten teilen schaffe^^ Was soll ich denn dann als AUDIO IN verwenden? Habe noch kein AUX KABEL zum verbinden. Kein Micro. Kann ich eventuell eine kleine Schaltung bauen die irgendeinen kleinen Ton generiert? Eventuell einen einfachen Multivibrator?
>Kann ich eventuell eine kleine Schaltung bauen die irgendeinen kleinen >Ton generiert? Eventuell einen einfachen Multivibrator? Ob das wohl eine gute Idee ist? am Ende gar vier oder fünf von denen ... (Ich glaubs langsam auch)
Ruhestromtest mit einer Diode: kaum Ruhestrom, massive Übernahmeverzerrungen. -n-µ-n-µ- Mit zwei Dioden: ruhestrom 70mA, schönes Signal. Aber Thermischer Weglauf, Ruhestrom geht langsam hoch. bei 300mA hab ich die Strombegrenzung greifen lassen. Kühlstern wirkt etwas dagegen, wenn man die 1N4148 da mit reinklemmt (Diode mit Krokoklemme am Kühlstern festklipsen). Fazit - Schaltung funktioniert prinzipiell, läuft aber thermisch weg. Wurde ja schon geasgt.In beide Emitter 1R0 einfügen. testen. Wieso ist dem Typ im Netz das Ding nicht expoldiert? Axelr.
Nein ich meinte zum testen ob der Verstärker geht! Da ich denke das ich es nicht so schnell hinbekomme einen Tongenerator zu machen um diesen mit dem Verstärker zu probieren. Ich bleibe bei deiner Schaltung Insofern sie funktioniert ;D
EXPLODIERT xD?! Was muss ich bei dem Verstärker nun dazutun damit er gefahrenlos funktioniert undzwar so wie ich es will sprich Handy Lautstärke lauter macht. Und dann natürlich auch den Ton der Tongeneratoren verstärken....
Axel R. schrieb: > Wieso ist dem Typ im Netz das Ding nicht expoldiert? Auf seinem Plan steht nur "SPEAKER" In den comments schreibt einer: " I noticed on your whiteboard in the video you labelled the speaker at 25 ohms" Ein anderer: "I added an additional 9v battery to the circuit and it raises the volume about 3 times. Really loud and crystal clear. The problem is that both the NPN and PNP transistor become extremely hot." :D
Das Bedeutet was für mich? Das die Schaltung viel zu schwach oder zu stark ist für einen 8Ohm 0,3W Lautsprecher??
http://www.hobby-bastelecke.de/projekte/verstaerker_gegentakt.htm Das ist der Verstärker den mein Lehrer hitnerher aufgebaut hat circa. So sah der ungefähr aus...
Axel R. schrieb: > Aber Thermischer > Weglauf, Ruhestrom geht langsam hoch. bei 300mA hab ich die > Strombegrenzung greifen lassen. Das Einzige, wozu dieses Ding taugt, ist, während der Vorführung anzufangen zu qualmen und die Laserstrahlen sichtbar zu machen ... ;-)
Och Leute >.< Jetzt habe ich genau die Bauteile für das Ding mitbestellt...
ist doch alles beherrschbar. ich habe jetzt 10 ohm Last drann. in die Emitter habe ich je 1 Ohm reingebaut. geht jetzt. in der Gegenkopplung sind 110K drinnen, der 1K sind jetzt 2x1K8 parallel. 70mA Strom, sauberes Signal mit ca.1V rms an 10 Ohm Last bei 9Volt. Ich schicke mir jetzt eine email mit zwei drei _Bildern.
Axel R. schrieb: > ist doch alles beherrschbar. ich habe jetzt 10 ohm Last drann. in die > Emitter habe ich je 1 Ohm reingebaut. geht jetzt. in der Gegenkopplung > sind 110K drinnen, der 1K sind jetzt 2x1K8 parallel. 70mA Strom, > sauberes Signal mit ca.1V rms an 10 Ohm Last bei 9Volt. > Ich schicke mir jetzt eine email mit zwei drei _Bildern. Danke! Habe aber keine 1 / 10Ohm Widerstände geschweige denn 1,8k :D
Erol Be schrieb: > Das ist der Verstärker den mein Lehrer hitnerher aufgebaut hat circa. > So sah der ungefähr aus... Ist auf andere Weise schrottig Aber lies mal die Seite gründlich durch, um zu verstehen, wie ein Verstärker funktioniert. > Jetzt habe ich genau die Bauteile für das Ding mitbestellt... Schon ok, Axel schickt Dir ja stärkere Transistoren. > Was muss ich bei dem Verstärker nun dazutun damit er gefahrenlos funktioniert Was Du besorgen musst: 2 gleiche Widerstände, Wert: zwischen 1 und 10 Ohm Und mach das, was ich über die Dioden geschrieben habe. @Axel: Wie hoch ist die Spannungsverstärkung?
Hier meinen bescheidenen Bilder :) Die Kühlsterne sind wieder unten. Ich habe ein STECKBRETT verwendet - ICH! Sieht Spassig aus und geht halbwegs :) 10R als Lastwiderstand, weil für einen Lautsprecher, 1Khz und 1V RMS ist es jetzt schon etwas spät. einen 8R Widerstand hatte cih nicht zur Hand.
Was eine fortschrittliche Technik :D Welche Teile soll ich nun noch bestellen? Nun habe ich ja schon fast 90€ ausgegeben. Dann kann ich auch 10-15€ mehr ausgeben.. Versand inkl...
Sei froh, das WIR das hier im Forum für Dich testen...
Axel R. schrieb: > Sei froh, das WIR das hier im Forum für Dich testen... Wie kommst du denn darauf das ich das nicht zu schätzen weiß? Es war so gemeint das es ja nun recht egal ist ob ich noch 10€ draufzahle oder nicht. Ihr könnt ja nichts dafür :P Man muss doch nicht gleich davon ausgehen, das ich böse bin >.<
Bist Du ja auch nicht. Hatte ich oben aber schon geschrieben. Was hältst Du von der Idee, mal einen Elektrionker aus deiner Stadt zu befragen, ob er Dir mit ein zwei Teilen aushelfen kann. Dann musst Du nicht alles online bestellen? http://www.goyellow.de/home/sonstige-gewerbe-hausch-sindelfingen.html
Axel R. schrieb: > Bist Du ja auch nicht. Hatte ich oben aber schon geschrieben. > > Was hältst Du von der Idee, mal einen Elektrionker aus deiner Stadt zu > befragen, ob er Dir mit ein zwei Teilen aushelfen kann. Dann musst Du > nicht alles online bestellen? > http://www.goyellow.de/home/sonstige-gewerbe-hausch-sindelfingen.html In meiner Gegend sind die Menschen weitestgehend ausländerfeindlich * danke an meine ausländischen mitmenschen für ihr super toller verhalten -.-" * - Und daher ist die Sache auch schon fertig. Da bringt mir mein gutes Deutsch * Muttersprache: Deutsch * auch nichts wenn das Aussehen Südländisch ist. Vorallem ist es verbreitet bei den älteren Menschen. Ich weiß echt nicht woran das liegt. Daher bestehe ich drauf mir die Teile zu kaufen. Ist ja nicht so als hätte ich keinen Elektroniker fragen wollen. Die sind aber alle idR ziemlich alt (ein wenig ausländerfeindlich) oder sie verlangen Geld (habe den Elektriker vor Ort vor knapp 1x Jahr um einen einfachen 5-10cm Kupferdraht + kleinen Tippschalter gefragt. Der wollte mir dafür doch echt 5€ haben -.- Kannst du meine Lage verstehen, Axel?
Axel R. schrieb: > @Erol > Ahja... Ja tut mir Leid ist aber so in meiner Umgebung! Denkst du nicht ich würde mir Kosten sparen wollen und einen Elektroniker fragen? - Natürlich würde ich das! Jederzeit sogar. Aber wenn es nicht geht, dann gehts halt nicht. Den Umständen entsprechend. EDIT1: Mal ganz davon abgesehen das es nicht viele gutherzige Menschen gibt die etwas spenden/vergünstigen würden. Ihr seid da aber eine wunderbare Ausnahme :3
Erol Be schrieb: > In meiner Gegend sind die Menschen weitestgehend ausländerfeindlich > Vorallem ist es verbreitet bei den älteren Menschen Oh weh... übel übel Ich kenne diese Gegend, die sind da feindlich gegenüber jedem, der IRGENDWIE anders ist. Frage an Dich, Erol: Kannst Du Dir nicht irgendwelche defekten Geräte zum Ausschlachten besorgen? Hat mir immer viel genützt. Da könntest Du jetzt nach den 2 Widerständen suchen und hättest sie 1. umsonst und 2. - viel wichtiger - sofort
Nun, wenn er erstmal nur eine Diode nimmt und die Emitter mangels dasein weglässt? Ist eh volle Pulle Rechteck, was die Multivibratoren erzeugen.
Axel R. schrieb: > Mit knapp drei Volt etwas niedrig weil der BC548 ein hohes B hat. Also den 100k grösser machen.
> Nun, wenn er erstmal nur eine Diode nimmt und die Emitter mangels dasein > weglässt? Ja, würde gehen > Ist eh volle Pulle Rechteck, was die Multivibratoren erzeugen. Rechteck macht ganzzahlige (ungerade) Oberwellen, auch Harmonische genannt, die klingen harmonisch. Die Übernahmeverzerrungen hingegen klingen grauslich, weil disharmonisch.
Der Lautsprecher den ich habe ist rechteckig. Nicht rund. Und hat die Werte: - 4Ohm 3W -
4 ohm gehen auch. Ob der nun rechteckig oder rund ist, spielt ja nun echt keine Rolle. Du kannst zwei von den 26R1 parallel schalten und die dann im Emitter deiner Endstufen-Transistoren einbauen. Das sind dann zwar stolze 13 Ohm statt 1 Ohm, wird aber immer noch laut genug sein. In die Gegenkopplung nimmst Du einen oder zwei von den 110K rein. Am Ausgang ( hinter den Emitterwiderständen sollen so 4-5Volt anliegen). Den 1K ersetzt Du durch einen 1K8. So passt das bei mir hier und klingt auch ganz gut. Lautstärke ist ok. 26R1 sollten genug in der Tüte drinnen sein, denke ich. Axelr.
http://www.hobby-bastelecke.de/projekte/verstaerker_gegentakt.htm Habe ich mir (leider jetzt erst) angesehen. Ganz gut erklärt, wie ich finde. kannst Du dich drann halten
Komme gerade von der Schule. Paket von Reichelt ist angekommen. Paket von dir Axel ist angekommen. Paket vom Elektronikershop ist angekommen mit dem Bauteileset: 2x Lichtharfe (enthalten sind anscheinend genau die Teile die auf der Seite genutzt werden sollten) Was soll ich nun zuerst machen :D??
Erol Be schrieb: > Was soll ich nun zuerst machen :D?? Du kannst mal ein interessantes Spiel spielen: Auf der Blockbatterie steht: 9V Ist mathematisch gesehen dassselbe wie 9,00V Jetzt machst Du eine Schätzung, wieviel Volt die Batterie wohl tatsächlich haben wird (mit 2 Ziffern hinterm Komma) Diese Zahl schreibst Du auf (damit Du Dich nicht selbst betuppen kannst ;-)) Jetzt schaltest Du das neue Messgerät auf den 20V-Bereich und misst mal nach. Du hast jetzt 3 verschiedene Werte ...
Habe geschätzt auf 6V. Auf der Packung stand 9V Und gemessen habe ich 9,75V
Erol Be schrieb: > Habe geschätzt auf 6V. > Auf der Packung stand 9V > Und gemessen habe ich 9,75V Da ist noch ne 2. Blockbatterie im Karton Schätze nochmal und messe nochmal ... @ Axel: Axel R. (eierfon mobil) schrieb: > 4 ohm gehen auch. Ob der nun rechteckig oder rund ist, spielt ja nun > echt keine Rolle. Für Rechteckschwingungen darf man auch runde Lautsprecher nehmen? Wusst ich noch garnicht ... ;-) Axel R. (eierfon mobil) schrieb: > Du kannst zwei von den 26R1 parallel schalten und die dann im Emitter > deiner Endstufen-Transistoren einbauen. Das sind dann zwar stolze 13 Ohm > statt 1 Ohm, wird aber immer noch laut genug sein. Er kann als Emitterwiderstände ja auch noch 2 kleine 8-Ohm-Lautsprecher nehmen ;-)
Der 2te Block hatte 9,73V sind ja beide von Varta. Bei dem Bauteileset von: http://dieelektronikerseite.de/Circuits/Lichtharfe.htm Enthalten sind auch 2 kleine Lautsprecher. Ich denke es sind die hier: Lautsprecher 0,5W/8 Ohm Es steht nichts auf ihnen auf den ersten Blick darauf. Ich schaue später genauer hin :) Es sollten alle Teile Doppelt verfügbar sein von der Seite. Da ich es ja 2x bestellt habe! __________________________________________ Was soll ich als nächstes tun :D?
Habe sie bisher nur in das normale Lochraster ohne Lötaugen gesteckt. Wie soll ich die verbinden. Löten geht ja anscheinend nicht auf diesem seltsamen Plastik (ist irgendwie kein Hartpapier)...
Erol Be schrieb: > Lochraster ohne Lötaugen Erol Be schrieb: > Löten geht ja anscheinend nicht Weil du keine Lötaugen hast... Ohne Lötaugen kannst du nur die Bauteile miteinander verlöten, aber nicht an der Platine festlöten.
Okey. soll ich das mit diesem Ritze machen? Oder so einem Kupfer Kabel?
Wenn di die Bauteile nicht so weit voneinander entfernt in die Platine Stecken würdest, könntet die Füßchen verbiegen und direkt miteinander verlöten. Wenn sie zu kurz sind: Kupferdraht.
Ja so wie früher. dicht beieinander durchstecken, die Beinchen umbiegen in die Richtung, wo eigentlich auch der Leiterzug langgehen würde. Und dann miteinander verlöten. Da wo es nicht reicht, mit Kabel verlängern. Axelr.
auf dem komischen FR2(?) Material lösen sich die Lötaugen sowieso recht schnell. Gerade, wenn man keine Erfahrung mit der Handhabe hat. Von daher ist das gar nicht soo schlecht, wenn erst gar kein Kupfer drauf ist :)
Man kann aber die Bauteile, recht kurz abgeschnitten, auf die durchkontaktierte Platine löten und dann die abgeschnittenen "Reste" als Leiterbahnverbindungsstücke verwenden.
Hat nicht geklappt. Das Löten ist so ungewöhnlich mit einem großen Lötkolben. Habe dein Lötdraht genutzt Axel. Hatte die totalen Probleme gescheit zu löten. Der Lötzinn brauche ewig bis zum festwerden und rutschte dann oft runter auf diese Plastik-Platine. Die Lötstellen sind FÜRCHTERLICH. Hatte keine Hilfsmitteln sprich Klammern oder soetwas. Als ich fertig war. habe ich dei Battereie angeschlossen dann kan ein Knistern. Dann ein kurzer Ton. habe dann kurz den Blitz auf den LDR gehalten und dann ertönte ein Ton für knappe 2-5sek. und er verschwand wider. Seitdem passiert nichtsmehr. Wie soll ich nun mit dem Multimeter testen wo das Problem liegt? EDIT1: Die 2 rechten Transistoren von der Vorder-Seite des Bildes paar Posts höher habe ich natürlich umgedreht um 180°.
> Der Lötzinn brauche ewig > bis zum festwerden Den Kolben wegnehmen, sobald es flüssig wird, also kürzere Zeit dranhalten. > Wie soll ich nun mit dem Multimeter testen wo das Problem liegt? Wir brauchen jetzt den exakten Schaltplan. Du hast uns noch nicht mal gesagt, WAS Du nun zusammengelötet hast. Auf dem Schaltplan sollten die Werte der Widerstände eingetragen sein und die Transistoren durchnumeriert: T1, T2, T3
Ich mache diese Lichtharfe: http://dieelektronikerseite.de/Circuits/Lichtharfe.htm Mit genau den Teilen die da stehen da die im Bauset enthalten waren.
Miss mal und schreibe uns hin jeweils gegen minus gemessen, die Spannung an: CT1 BT1 BT2 CT2 CT3 C bedeutet Collector, B bedeutet Basis
RoJoe schrieb: > Miss mal und schreibe uns hin > jeweils gegen minus gemessen, die Spannung an: > CT1 > BT1 > BT2 > CT2 > CT3 > > C bedeutet Collector, B bedeutet Basis 20V Einstellungs Bereich gewählt. Was bedeutet gegen Minus? Schwarzes Kabel an den - Pol der der Batterie und Rotes Kabel an Basis/Collector ??
Erol Be schrieb: > Schwarzes Kabel an den - Pol der der Batterie und Rotes Kabel an > Basis/Collector ?? Ja!
Na ok. scheint ja nicht so einfach zu sein :( Wie kann man da aus der Ferne helfen? nicht wirklich... Was sagt der Ortsverein Sindelfingen? Meld dich doch da mal. http://www.darc.de/distrikte/p/42/ Die sollten eigentlich am Nachwuchs interessiert sein. Ich kann in Worten nicht erklären, WIE man das jetzt mit der Löterei anstellt. Durchstecken, umbiegen. Das andere Bauteil auch und das Bein in die Richtung des ersten Bauteils. So, das die Beinchen beieinander liegen. Dann kurz mit dem Kolben und dem Lötzinn ein Beinchen verzinnen und gleich wieder loslassen. Jetzt mit dem Flussmittelstift noch mal drüber"malen". Mit der Spitze des kleinsten Kreuzschlitzschraubendrehers kann man veruchen, das zweite Beinchen etwas auf das erste zu drücken. Jetzt mit dem Kolben nochmal kurz erhitzen. Die Kabels VORHER von der Isolation befreien. Mit einer kleinen Zange den Draht festhalten und mit dem kleinen Saitenschneider verletzt Du die Isolation und ziehst die nach vorne ab. Dabei aufpassen, keine Äderchen bei der Aktion zu verletzen. !!Schwierig!! Üben! Axelr,
T1 B = 0,7V T2 B = 0,63V T2 C = 0,3V T3 C = 3,0-3,5V T3 B = 0,3V Im Anhang ein Bild wie ich sie nummeriert habe... Im Bild sind die Transistoren noch um 180° falsch gedreht also keine Angst habe es richig gedreht kurz vorm Löten..
T3 C = 3,0-3,5V T3 B = 0,3V passt nicht zusammen! wenn T3 B = 0,3V, müsste T3 C etwa +Ub (= die Spannung der 9V-Batt) sein T1 C fehlt überbrücke doch mal den LDR (schliesse R2 direkt an +Ub an) und miss die Werte nochmal. Falls Du was hörst (Ton), dann müssen wir das wissen.
T3 C = 3,0-3,5V T3 B = 0,3V passt nicht zusammen! es sei denn, Du hörst was hörst Du was?
RoJoe schrieb: > T3 C = 3,0-3,5V > T3 B = 0,3V > > passt nicht zusammen! > > wenn T3 B = 0,3V, müsste T3 C etwa +Ub (= die Spannung der 9V-Batt) sein > > T1 C fehlt > > > überbrücke doch mal den LDR (schliesse R2 direkt an +Ub an) > und miss die Werte nochmal. > > Falls Du was hörst (Ton), dann müssen wir das wissen. T1 C = 0,00V Daher habe ich es ausgelassen. Habe gerade gemerkt, das ich den + Pol der Batterie an die falsche Seite der LDR gelötet habe. Ich löte es kurz um... EDIT1: ES GEHT DOCH:D Wenn ich das Lich aus mache. Braucht e snoch knapp 5sek bis es ausgeht. Also geht nun :D
Erol Be schrieb: > ES GEHT DOCH:D > > Wenn ich das Lich aus mache. > Braucht e snoch knapp 5sek bis es ausgeht. > Also geht nun :D SUPER ! LDRs sind halt Lahm-ärsche :D Statt dem LDR kannste jetzt mal ein 47k lin Jammerhaken-Poti anschliessen und die Tonhöhe verstellen.
Ich habe mal versucht, mit paint.net, die Schaltung in die Platinen unterseite zu malen. Kann leider nicht alles deuten. Stimmt das so in etwa? Versuch das nächste mal ruhig, alles noch exakter anzuordnen, wie es auch im Schaltbild zu sehen ist, ja? Axel.r
RoJoe schrieb: > Erol Be schrieb: >> ES GEHT DOCH:D >> >> Wenn ich das Lich aus mache. >> Braucht e snoch knapp 5sek bis es ausgeht. >> Also geht nun :D > > SUPER ! > LDRs sind halt Lahm-ärsche :D > > Statt dem LDR kannste jetzt mal ein 47k lin Jammerhaken-Poti > anschliessen > und die Tonhöhe verstellen. Wie baut man so ein Ding ein :'D? Der gute Poti hat wie alle anderen 3 Beine. Nur bin ich noch nie dazu gekommen zu Fragen mit was die verbunden sein müssen :o
mitte und links anschliessen edit: oder mitte und rechts oder nur aussen oder fragen
Erol Be schrieb: > Der gute Poti hat wie alle anderen 3 Beine. Auf jeden Fall den mittleren und dann einen der seitlichen. Kannst ja dann mal den anderen seitlichen nehmen und gucken, was sich geändert hat.
Habe den LDR zu schlecht verlötet mit dem 10kWiderstand und dem -Pol. Sprich habe sie verzwirlt (2 drähte gedreht) und bekomme sie nichtmehr auseinander >.< EDIT1: Nunja egal. Nächstesmal Löte ich es richtig :D Was könnte ich als nächstes nachbauen? Den einen Verstärker von der HackaWeek Seite? Oder wo war nun das Problem bei dem?
Den 10k-Widerstand abknipsen und notfalls opfern. Den LDR schonen, den brauchen wir noch. Wenn der 10k-Widerstand abgeknipst ist, das Drahtende am LDR heiss machen und versuchen den Drahtrest abzustreifen. Haste ne Pinzette?
Haste das Jammerhaken-Poti angelötet? Könntest Du uns gnädigerweise mal berichten, was passiert, wenn Du daran drehst?
Mitte und Rechts angeschlossen also aus der sicht von: Das drehstäbchen zeigt auf mich. Beimv erändern des Widerstandes wandert der Ton von Tief zu Niedrig :D EDIT1: Wenn Rehcts + Links angeschlossen dann lässt sich der Ton nicht veränder. und wenn Links + Mitte Dann mus sich es in die entgegengesetzte Richtung drehen (als bei Rechts + mitte) um einen Hohen Ton zu bekommen... Klang auch ein wenig so als wäre Links + Mitte ein höherer Ton als Rechts + Mitte aber weiß nicht mehr ganz genau :D
Erol Be schrieb: > Wenn Rehcts + Links angeschlossen dann lässt sich der Ton nicht > veränder. Kannst Du Dir erklären, warum das so ist? > und wenn Links + Mitte > Dann mus sich es in die entgegengesetzte Richtung drehen (als bei Rechts > + mitte) um einen Hohen Ton zu bekommen... Kannst Du Dir erklären, warum das so ist? Frage1: Haste schon nen Laserpointer da? Oder ne Taschenlampe? Oder sonst was, womit du den LDR anleuchten kannst? Frage2: Ist der LDR jetzt mindestens einseitig abgelötet? Also ohne elektrische Verbindung zum Rest der Schaltung? (Den wollen wir nämlich gleich mal durchmessen, während er angeleuchtet wird.) Und dann wollen wir den Generator per Licht ein- / und ausschaltbar machen ...
RoJoe schrieb: > Erol Be schrieb: >> Wenn Rehcts + Links angeschlossen dann lässt sich der Ton nicht >> veränder. > > Kannst Du Dir erklären, warum das so ist? > >> und wenn Links + Mitte >> Dann mus sich es in die entgegengesetzte Richtung drehen (als bei Rechts >> + mitte) um einen Hohen Ton zu bekommen... > > Kannst Du Dir erklären, warum das so ist? > > > Frage1: > Haste schon nen Laserpointer da? > Oder ne Taschenlampe? > Oder sonst was, womit du den LDR anleuchten kannst? > > Frage2: > Ist der LDR jetzt mindestens einseitig abgelötet? > Also ohne elektrische Verbindung zum Rest der Schaltung? > (Den wollen wir nämlich gleich mal durchmessen, > während er angeleuchtet wird.) > > Und dann wollen wir den Generator per Licht > ein- / und ausschaltbar machen ... Ich denke die äußeren also rechts + links sind für die Bestimmung des Widerständs was aber nur mit der Mitte funktioniert weil die den Strom mit kontrolliert? Rechts + Links hat ja die gleiche Wirkung. Logischerweise ist der Poti so aufgebaut das er je von der Seite mit der er betrieben wird von aus gesteuert wird. A1: Habe von meinem Handy das helle Blitzlicht was ich auf Dauer ON stellen kann. A2: Konnte den LDR komplett herauslöten :) Problem. 1 Beinchen ist nurnoch 1-1,5cm lang. und das andere noch die ganzen 2,5-3cm... Habe es wohl unbemerkt abgeschnitten gehabt mit der kleinen Zange.... Wie soll ich nun vorgehen?
Erol Be schrieb: > wohl unbemerkt abgeschnitten gehabt beim nächsten Gang aufs Klo lässt Du die Zange bitte auf dem Tisch liegen
Poti zwischen rechts + links ist die (gebogene) Bahn, die hat 47 kOhm. An dem mittleren Anschluss ist der Schleifer angeschlossen, der beim Drehen über die Bahn schleift. Du kannst ja morgen mal das Messgerät in den 200kOhm-Bereich schalten und ein anderes 47k-Poti messen, während Du dran drehst. Erol Be schrieb: > Konnte den LDR komplett herauslöten Nee, lass den mal drin. Es ist 23'06, Du hast viel erreicht heute, willste Feierabend machen?
Axel R. schrieb: > beim nächsten Gang aufs Klo lässt Du die Zange bitte auf dem Tisch > liegen LoL @Axel: Du meinst, damit er sich nicht unbemerkt was anderes abschneidet?
RoJoe schrieb: > Poti > zwischen rechts + links ist die (gebogene) Bahn, die hat 47 kOhm. > An dem mittleren Anschluss ist der Schleifer angeschlossen, > der beim Drehen über die Bahn schleift. > > Du kannst ja morgen mal das Messgerät in den 200kOhm-Bereich schalten > und ein anderes 47k-Poti messen, während Du dran drehst. > > Erol Be schrieb: >> Konnte den LDR komplett herauslöten > Nee, lass den mal drin. > > Es ist 23'06, Du hast viel erreicht heute, > willste Feierabend machen? Okey mache ich. Bin schon gespannt welche Werte herauskommen. Ich meitnte damit das ich den LDR bereits komplett herausgelötet habe. Ich habe noch 1nen Identischen da ich das Bauteileset ja 2x bestellt gehabt hatte. Und dann habe ich noch 5 LDR' von Reichelt... Würde ich Sehr gut heißen. Muss um 6:30Uhr aufstehen & um 8e ist Arbeitsbeginn bis 14 Uhr. Hätte gerne noch ein wenig schlaf :/
Wie gesagt, Du hast viel erreicht heute! :-) Gute Nacht! Gute Nacht Axel!
RoJoe schrieb: > Wie gesagt, Du hast viel erreicht heute! > :-) > > Gute Nacht! > > Gute Nacht Axel! Ich bedanke mich vielmals bei euch Beiden!! Bin ein klein wenig Stolz auf mich. Morgen gehts dann hoffentlich weiter :D Ich wünsche noch einen Wunderschönen Abend! Schlaf gut Meister :)
Erol Be schrieb: > Bin ein klein wenig Stolz auf mich. Das kannst Du auch sein! > Morgen gehts dann hoffentlich weiter :D Ja! > Ich wünsche noch einen Wunderschönen Abend! > > Schlaf gut Meister :) Danke! :) Denke dran, den 9V-Clip abzuziehen und das Multimeter auszuschalten.
Multimeter ist AUS und 9V Batterie getrennt vom Clip :) Nun aber wirklich: Schlaft gut & wünsche noch einen erholsamen schlaf!!
Poti messen: RoJoe schrieb: > Du kannst ja morgen mal das Messgerät in den 200kOhm-Bereich schalten > und ein anderes 47k-Poti messen, während Du dran drehst. Bei Potis haste 3 verschiedene Möglichkeiten, das Messgerät anzuschliessen. Jeweils am Poti drehen und schauen, was passiert. Du brauchst das hier nicht hinzuschreiben, es geht darum dass DU etwas lernst. Dann lerne mal was über Fertigungstoleranzen oder Exemplarstreuungen: Miss bei dem Poti zw links und rechts: (Das ist der Widerstand der gesamten Bahn, auf der der Schleifer entlangschleift, wenn Du die Achse drehst.) Auf dem Poti steht: 47k Was misst Du? Nimm die beiden andern "47k". Wieviel k haben sie wirklich? Transistor messen: Ich schrieb: Bei Potis haste 3 verschiedene Möglichkeiten, das Messgerät anzuschliessen. Jetzt nimm mal nen Transistor, der hat auch 3 Beinchen... Messe, aber vertausche die Prüfspitzen und miss nochmal ... Also zB. BE, dann EB BC, dann CB brb
Okey interessante Werte... Schwanken sehr voneinander beim einstellen des Potis. Die Werte vom Transistor verändern sich auch wenn ich den Poti drehe. Interessant :D
Ich meinte die 3 andern noch nicht angeschlossenen "47k" aus der Reichelt-Kiste. Zwischen den äusseren Anschlüssen gemessen: Wieviel k haben sie wirklich? Draufstehen tut 47k ... Schreib mal die 3 Werte hier hin. > Jetzt nimm mal nen Transistor, der hat auch 3 Beinchen... > Messe, aber vertausche die Prüfspitzen und miss nochmal ... > Also zB. BE, dann EB > BC, dann CB Ich meinte einen "frischen" Transistor aus der Tüte... Was ist der Unterschied zB. zwischen BE und dann EB? Nimm mal ne Diode (normale oder Zener ist hier egal) Ist das bei ner Diode auch so?
Zum Ohm-Messen brauchste / darfste NUR das Messgerät anschliessen, sonst nichts ...
Bekomme 48,8k Ohm angezeigt beim 47k Poti Beim SD350 bekomme ich für Basis und Emitter oder Kollektor über 2M Ohm heraus... Egal wie ich es auch drehe und die Fühler tausche... Entweder zeigt es 0 Ohm an oder es schnellt in die 2M Ohm... Beim BC574B wenn ich da die Basis und Emitter oder Kollektor messe erscheint 45,8k Ohm und andersherum kommt 46,6k Ohm heraus :) Bei der ZenerDiode bekomme ich 51,8k Ohm raus,
> Bekomme 48,8k Ohm angezeigt beim 47k Poti
Damit wollte ich Dir mal zeigen,
dass mann nicht unbedingt immer das glauben sollte, was draufsteht.
Was bekommst Du bei den andern beiden?
Das Messgerät - wir nennen es ab jetzt DMM -
(DMM - *D*igitales *M*ulti *M*eter)
hat eine Dioden-Test-Funktion: da ist ne Diode hingemalt
Miss damit mal die ZenerDiode
und dann vertausch die Strippen und miss nochmal.
Diode mit dem DMM auf Dioden-Modus erhalte ich die Zahl 780 angezeigt. Wenn ich sie tausche passiert das erwartete das die Diode sperrt und der DMM logischerweise nichts messen kann. :D
Erol Be schrieb: > erhalte ich die Zahl 780 angezeigt. > Wenn ich sie tausche passiert das erwartete das die Diode sperrt Ahaaaa! die 780 sind, vermute ich mal, die Millivolt, wenn der Teststrom da durchfliesst. Mach dasselbe mal mit nen Transistor: Miss mal BE mit dem DMM-Dioden-Test und dann vertausch die Strippen und miss nochmal... Zwischenfrage: Haste eventuell irgendwelche Kumpels, von denen eventuell einer nen Laserpointer hat, den Du Dir eventuell ausleihen kannst?
Transistor BC547B: Bei BE kommt nichts heraus wenn das Rote Kabel an den Emitter geht und das Schwarze an die Basis. Andersherum aber kommt 762 heraus. EDIT1: Kenne leider keinen mit einem Laser. Habe auch schon nachgefragt :/ Muss mir wohl einen kaufen auf Amazon oder in der Stadt am Montag :)
Erol Be schrieb: > Andersherum aber kommt 762 heraus. Wenn die rote Strippe an B war, schätze ich mal. 762 bedeutet 762 Millivolt = 0,762 Volt Durchlass-Spannung Bei der Zener waren es 0,78 Volt Ähnlich also Jetzt machen wir mal weiter mit nem LDR Nimm Dir einen. Die lichtempfindliche Fläche sollte halbwegs nach oben zeigen Klipse das DMM an, zB 200k-Ohm-Bereich (Du darf auch auf andere Bereiche umschalten) Wieviel kOhm bei normalem Umgebungslicht? Was passiert, wenn du mit hohler Hand abdeckst? Auf wieviel kOhm oder Ohm kommst Du runter, wenn Du mit was hellem draufleuchtest?
Hey, cooler Thread :D Falls du günstige Laserdioden brauchst: http://www.ebay.de/itm/Neu-650nm-6-mm-DC-5V-5mW-Mini-Laserdiodenmodul-Laser-Head-Laser-Diode-Modul-Rot-/291034572699?pt=Licht_Effekte&hash=item43c303279b Glaube die sind sogar aus DE, und recht billig. Hast du dir eigentlich auch mal das hier angesehen?: http://www.instructables.com/id/Frameless-Laser-Harp/?lang=de http://www.instructables.com/id/Simple-Arduino-Laserharp/?lang=de
3,68k Ohm mit eingeschaltetem Deckenlicht... Wenn ich die Hand 3cm flach darüber halte komme ich auf 24,7k Ohm Wenn ich meine Hand ganz draufdrücke dann komme ich auf 164,9k Ohm Wenn ich mit dem Blitzlicht meines Handys ganz nah also draufdrücke dann komme ich auf 34-100 Ohm jenachdem wie sehr ich verrutsche mit dem Handy... Es war ganze Zeit das Licht an...
Max N. schrieb: > Hey, cooler Thread :D Merci! :D Kannst gerne mitmachen Erol Be schrieb: > Wenn ich mit dem Blitzlicht meines Handys ganz nah also draufdrücke dann > komme ich auf 34-100 Ohm Super. Das wird uns dicke reichen. Jetzt löte doch mal den LDR zw. B und E von T1 auf der Platine von gestern. Tatatataaaaa Wir müssten jetzt einen lichtgesteuerten Start/Stop-Multivibrator haben ... Mit Jammerhaken ...
Ich esse noch geschwind fertig. Und da wo der LDR ursprünglich war soll der 47k Poti hin??
Erol Be schrieb: > Und da wo der LDR ursprünglich war soll der 47k Poti hin?? Ja. Dachte, das ist da schon angelötet ... (?) Erol Be schrieb: > Ich esse noch geschwind fertig. Lass Dir Zeit! Ich muss auch noch n paar Sachen erledigen, kann also n bisschen dauern, bis ich antworte.
Habe es gestern nur durchgesteckt und die Drähte draufgehalten und ganz leicht dran verhackt. Hat wunderbar geklappt. Müsste es jetzt endgültig dranlöten :)
Es geht :D Wenn das HandyBlitzlicht direkt draufstrahlt dann ist RUHE :D Und wenn das Licht unterbrochen wird durch handy wegziehen kommt der Ton ;D EDIT1: Wieso sind auf dem Lautsprecher 15,2 Ohm messbar?
Erol Be schrieb: > Es geht :D Coool ! :-)) Erol Be schrieb: > Wieso sind auf dem Lautsprecher 15,2 Ohm messbar? Gute Frage! Es gibt (idR) Lautsprecher mit 4 Ohm, 8 Ohm und 16 Ohm. Ist dann wohl ein 16 Ohm-Lautsprecher. Steht da zufällig 16 Ohm drauf? Bei Lautsprechern wird der "Widerstand" mit Wechselstrom gemessen Deshalb spricht man dann auch nicht mehr von Widerstand, sondern von "Impedanz". Der Lautsprecher hat ja ne Schwingspule, also eine Induktivität. Es sind der ohmsche Widerstand des Kupferdrahtes, den Du grad gemessen hast, und der Wechselstrom-Widerstand der Induktivität der Schwingspule hintereinandergeschaltet. Du kannst mit dem DMM nur den ohmschen Widerstand des Kupferdrahtes messen: 15,2 Ohm Mit dem induktiven Anteil, der hier dann wohl bei 0,8 Ohm liegt, käme man dann auf die 16 Ohm.
Achso! Okey :) Aber kann ein so kleiner Lautsprecher wirklich 16Ohm haben? Ist echt klein. Ist 1,5-fach so lang wie ein Batterie-Clip also 3-4 cm MAXIMAL
Erol Be schrieb: > Aber kann ein so kleiner Lautsprecher wirklich 16Ohm haben? Es gibt zB. Mikrofone, die mit einer Spule in einem Magnetfeld funktionieren. Dynamische Mikrofone. Die sind noch viel kleiner als Dein Lautsprecher. Und die haben meist 200 Ohm. Gaaanz dünner Draht ...
Achso Okey :D Meine nächste Aufgabe ist? Brauche bestimmt zuerst einen Pointer >.<
Erol Be schrieb: > Meine nächste Aufgabe ist? Was ist denn mit dem Verstärker, der angeblich niemals funktionieren kann? Den der Axelr an EINEM Abend simuliert, aufgebaut, getestet und auch noch die groben Schnitzer des Herrn Chefkonstrukteurs beseitigt hat?
Wir könnten den Verstärker so umkonstruieren, dass er während der Vorführung anfängt, ein bisschen zu rauchen. Und der Rauch macht dann die Laserstrahlen sichtbar ... ;-)
Den könnte ich versuchen zu bauen :) Habe aber genau die Teile die von der Seite verlangt wurde bis auf die Transistoren, denn da habe ich die geakuft die Axel vorgeschlagen hat... Obwohl habe glaube auch andere Kondensatoren drinne hmm... Soll ich mich ran machen ?
Auf dem Bild von Axel haben sich mir nun doch Fragen aufgestellt. Er hat tu dem Audio In einen Poti parallel geschaltet. Der Strich der davon weggeht ist doch der Schleifer... Wo geht denn der Schleifer hin? Verstehe/erkenne nicht genauw as das darstellen soll. Außerde hat er zu dem R1 Widerstand hingeschrieben 470R... Ich habe aber keinen 470 Ohm Widerstand nur die 1k Ohm Widerstände... Außerdem hat er ein - Pol eingezeichnet also oben. Und diese - Pol ist an eine Erdung angeschlossen. Wie soll ich das machen mit der Erdung? Und was ist mit der 2ten Erdung ganz unten auf der Bahn?
Erol Be schrieb: > Soll ich mich ran machen ? Wenn Du Lust hast, klar > habe glaube auch andere Kondensatoren drinne ist nicht kritisch Erol Be schrieb: > Der Strich der > davon weggeht ist doch der Schleifer... > Wo geht denn der Schleifer hin? Verstehe/erkenne nicht genauw as das > darstellen soll. Ungewöhnlich, was er da gemacht hat. Mach den Schleifer an C2! > Außerde hat er zu dem R1 Widerstand hingeschrieben 470R... Ich habe aber > keinen 470 Ohm Widerstand nur die 1k Ohm Widerstände... Schaltest Du 2 Stück 1k Ohm Widerstände parallel, hast Du 500 Ohm. > Außerdem hat er ein - Pol eingezeichnet also oben. Und diese - Pol ist > an eine Erdung angeschlossen. Wie soll ich das machen mit der Erdung? > Und was ist mit der 2ten Erdung ganz unten auf der Bahn? Versteh ich auch nicht. Wenn Du den Generator anschliesst, müssen halt einfach auch Minus des Generators und Minus des Verstärkers verbunden werden. Es bleibt bei 2 Dioden. Solange keine Emitterwiderstände drin sind, wird eine der Dioden überbrückt. Da sollten eigentlich Emitterwiderstände rein. Hast du zZt nicht. Macht nix. Machst Du stattdessen Drahtbrücken hin. Als Platzhalter. Statt der Drahtbrücken kommen dann später irgendwann Emitterwiderstände rein, wenn Du welche hast. Die Dioden auf jeden Fall in thermischen Kontakt mit den Endtransistoren: Wenn der Transitor warm wird, muss auch die Diode warm werden. Warum? Mach ein Experiment: Miss nochmal die Zenerdiode mit dem DMM Diodentest (die 780 mV) Dann halte den heissen Lötkolben an die Zenerdiode. Was passiert mit den 780 mV? Ne andere Frage: Hast Du noch ein (Stecker-)Netzteil von einem mittlerweile verstorbenen Gerät rumfliegen? Dann könnten wir sowohl den Amp als auch die Generatoren damit betreiben. Brauchste nicht dauernd 9V-Blocks zu kaufen. ok, bin für ca. 1/2 Std weg ...
vergiss die Erdung. Man malt das nunmal so. Anstatt einen langen Draht über die geasmte Seite zu malen, kann man sich dieses Erdezeichen bedienen und überall so ein zeichen hinmalen. die muss man sich verbunden denken. Pti ist falsch rum sorry. die mitte an den 47µF und das linke Ende an die Ausgänge der Generatoren, das rechte Ende an "Erde"/Minus. Als Emitterwiderstände nimmst du jeweils 2x26R1 und schaltest die parallel. Hast Du dann 13 Ohm und baust das in die Emitterleitung. Statt den 470 Ohm kannst Du auch 1K nehmen oder 1,8K. geht auch.
Bereite gerade die Tile vor. Ich stecke sie dann testweise ins 2te Brett und fotografier es dann mal ab...
weil Du nichts mehr von Dir hast hören lassen, hab ich mich schon gefragt, ob das wirklich eine Zenerdiode war, wo Du den Lötkolben drangehalten hast und nicht etwa das Wasserbett ... ;-) Was ist denn mit den 780mV passiert? Erol Be schrieb: > Bereite gerade die Tile vor. > Ich stecke sie dann testweise ins 2te Brett und fotografier es dann mal > ab... Denke dran, dass es schon wieder nach 23'25 ist ... Für heute hast Du genug erreicht ...
Wo sollen da die Emitterwiderstände hin? Soll nun noch die 3te Diode rein? Sind die Transistoren richtig rum ? Lautsprecher vom Tongenerator weg löten und die Kabel zum POTI des Verstärkers ans Rechte + Linke Beinchen löten? EDIT1: 626mV (andere Zener Diode, die von Axel) und mit Lötkolben Hitze sinkt es stetig um ca. 2-3mV/sekunde. Habe es nur 10sek laufen lassen.
Du bist ja richtig arbeitswütig ... Erol Be schrieb: > Wo sollen da die Emitterwiderstände hin? so wie in der Schaltung hier: http://www.hobby-bastelecke.de/projekte/verstaerker_gegentakt.htm > Soll nun noch die 3te Diode rein? Nein. > Sind die Transistoren richtig rum ? kommt drauf an, wie Du sie auf der Rückseite verdrahtest Die Anschlüsse sind bei beiden Typen ECB NPN und PNP nicht verwechseln. > > Lautsprecher vom Tongenerator weg löten und die Kabel zum POTI des > Verstärkers ans Rechte + Linke Beinchen löten? Axel R. schrieb: > das linke Ende an > die Ausgänge der Generatoren, das rechte Ende an "Erde"/Minus. Erol Be schrieb: > mit Lötkolben Hitze sinkt es stetig Aha !
Alle Teile enger zusammenschieben Die Dioden mit langen Drähten (1...2 cm) aus der Platine rausstehen lassen und an die Endtransistoren kleben -> thermischer Kontakt! RoJoe schrieb: > Die Dioden auf jeden Fall in thermischen Kontakt mit den > Endtransistoren: > Wenn der Transitor warm wird, muss auch die Diode warm werden. > Warum? > Mach ein Experiment ....
Haha :D Morgen keine Arbeit daher kann ich heute in die Nacht rein arbeiten! Die Emitterwiderstände sind die 2x 10Ohm R3 & R4 oder? Ich könnte doch gleich die Schaltung von der Seite nutzen. Mir fehlen aber diese 10Ohm widerstände genauso wie ein 470 Ohm Widerstand den ich aber anscheinend durch parallelschaltung von 2x1k Ohm Widerständen erreichen kann. dann ein 6,8k Ohm und 47k Ohm fehlt... Genauso wie ein 10mF ELKO habe ja nur 47mF. Und habe andere Transistoren... Liegt wohl daran das eine Zener Diode ja auch ein Halbleiter ist die Temepratur abhängig sind... :P
Erol Be schrieb: > Morgen keine Arbeit daher kann ich heute in die Nacht rein arbeiten! Du bist ja DIE HÄRTE ! > > Die Emitterwiderstände sind die 2x 10Ohm R3 & R4 oder? Ja. > Ich könnte doch gleich die Schaltung von der Seite nutzen. Die hat keinen bootstrap Nimm die Schaltung von Axel! > Mir fehlen aber diese 10Ohm widerstände Eben Aber: Axel R. schrieb: > Als Emitterwiderstände nimmst du jeweils 2x26R1 und schaltest die > parallel. > Hast Du dann 13 Ohm und baust das in die Emitterleitung. > genauso wie ein 470 Ohm > Widerstand den ich aber anscheinend durch parallelschaltung von 2x1k Ohm > Widerständen erreichen kann. Axel R. schrieb: > Statt den 470 Ohm kannst Du auch 1K nehmen oder 1,8K. geht auch. > dann ein 6,8k Ohm und 47k Ohm fehlt... Nimm die Schaltung von Axel! > Genauso wie ein 10mF ELKO habe ja nur 47mF. 47mF ist 4,7 mal 10mF Ausserdem muss es µ heissen (Taste Alt Gr + M) > Und habe andere Transistoren... Macht nix, die von Axel sind besser! > Liegt wohl daran das eine Zener Diode ja auch ein Halbleiter ist die > Temepratur abhängig sind... :P Jep.
Erol Be schrieb: > Stimmt die Anordnung? Ja. Entscheidend ist die Verdrahtung auf der Unterseite! Die Dioden willste nicht an die Transistoren kleben? Und alles etwas zusammenrücken? Dann brauchste nicht so lange Drähte zum Verbinden.
Ich wollte mir mal mehr Platz lassen zum löten. War so unkomfortabel beim Generator auf so einem kleinen Raum zu löten ohne Hilfsmittel... Oder soll auf die Platine noch etwas drauf? Soll ich nun diesen 4 Ohm 3W Lautsprecher (recht groß und schwer, rechteckig) für den Verstärker nutzen oder doch diesen Mini-Lautsprecher?
Erol Be schrieb: > Oder soll auf die Platine noch etwas drauf? Nee > Soll ich nun diesen 4 Ohm 3W Lautsprecher (recht groß und schwer, > rechteckig) für den Verstärker nutzen oder doch diesen > Mini-Lautsprecher? Egal Wechseln kannste ja jederzeit. Hab mir grad die Zähne geputzt und hau mich jetzt in die Falle. Sollteste auch machen. Morgen ist auch noch ein Tag. Es müssen 2 von den 26 Ohm parallelgeschaltet werden. Gute Nacht!
Okey geht klar. Wünsche eine Schöne Nach! :) Vielen dank erneut ihr 2 :P Stimmt... Müssen Parallel und nicht in Reihe sein...
Bin bereit weiterzumachen. Ich schalte die 26R Emitterwiderstände nun Parallel und beginne dann zu löten. Ich hoffe aber echt das die Transistoren richtig rum sind :D Könnten die nicht eventuell kaputt gehen ? Habe leider kein netzteil <- bezogen auf deine frage dpaar posts oben..
Tach, Ich hatte oben entsprechende Datenblätter zu den Transistoren gepostet. Wenn die Beinchen nach unten zeigen und du die Schrift lesen kannst, ist links der Emitte, Mitte der Kollektor und rechts die Basis. Der SD350 ist der PNP (Emitterpfeil zeigt nach innen) das Datenblatt vom BD238 ist gleich. Da steht das auch drinnen. Rück die Teile enger damit sich die umgebogenen anschlussdrähte berühren...
Tach Axel, Erol Erol Be schrieb: > Ich schalte die 26R Emitterwiderstände nun > Parallel und beginne dann zu löten. Es sind dann insgesamt 4 Stück ... > Ich hoffe aber echt das die Transistoren richtig rum sind Wie rum Du die reinsteckst, ist egal! Entscheidend ist die Verdrahtung auf der Unterseite! Du musst natürlich die Anschlussfolge beachten: ECB (auf die bedruckte Seite draufgeschaut) Der 1. pin ist also der Emitter, an den die Emitterwiderstände drankommen. Der mittlere ist der Collector. C vom NPN an plus, C vom PNP an minus.
So in etwa. Beim SD349 das gleich nur Pfeil nach außen (NPN) Auch wenn Clarence Melvin da mal was in der Richtung entdeckt hat, sind das nicht alles zehner-Dioden.
Erol Be schrieb: > Stimmt das so? Ja. Wie gesagt, Entscheidend ist die Verdrahtung auf der Unterseite. Eierfon Axel schrieb: > Auch wenn Clarence Melvin da mal was in der Richtung entdeckt hat, sind > das nicht alles zehner-Dioden. @Axel: Er hat glaub ich viel mehr ZF 7V5 als normale 4148. Sind ja richtig rum gepolt ...
Die Zener Dioden die ich nutze sind die 4148 von Axel... Ich fange dann mal an zu löten... Wetten ich verlöte es falsch :P
Erol Be schrieb: > Ich fange dann mal an zu löten... Kinder, betet, der Erol lötet... :D Nein, joke! > Wetten ich verlöte es falsch :P Ich glaube, dass Du es richtig machst !
Okey habe nun ein Problem. Diese 4x R26er müssen die 2x parallel und 1x in reihe geschaltet werden?
Erol Be schrieb: > Diese 4x R26er müssen die 2x parallel und 1x in reihe geschaltet werden? Wie auf der rechten Zeichnung. Mittig kommt dann der Elko dran. Würde anders ja auch keinen Sinn machen.
Der Elko wird da doch überbrückt?! Ich verlöte doch nicht den Elko mit den R26ern Der ELko wird mitm 100k verbunden :o? EDIT1: Obwohl das macht doch Sinn :D Dann benutze ich die R26er gleich als Verbingsstück von den 2 Emittern zu dem ELKO :)
Bin fast fertig. Habe mich auch nun ein wenig beim Löten verbessert. Ich lege die Bahnen nun auf die Platte und nicht über die Luft ;D! Muss nur noch die R26er entweder mit dem ELKO zusammenlöten oder halt getrennt löten... Aber ich bin mir zu 98% sicher, dass ich nurnoch ein löttropfen machen muss auf diese verzwirrlung der 4 R26er Drähte um den ELKO.. Oder? EDIT1: Habe das 1te Bild nochmal gespiegelt !!!! Nun kann man es mit dem Schaltplan von der Seite vergleichen :) bzw. ich lads hier auchnochmal hoch...
Erol Be schrieb: > nurnoch ein löttropfen machen > muss auf diese verzwirrlung der 4 R26er Drähte um den ELKO.. Jep. Wennste fertig bist, mach den 9V-Block dran und miss mal die Spannung an diesem verzwirrlungs-punkt (gegen minus).
Das mittlere Beinchen der Endtransistoren ist übrigens der Kollektor! (und nicht die Basis) Das ist nur im Schaltsymbol so. C vom NPN an Batterie-Plus, C vom PNP an Batterie-Minus.
Ergibt es Sinn, in Zukunft Datenblätter raus zu suchen, bildschirmfotos der eigentlichen Information zu machen und EXAKT diese Info zu posten? Kollektor ist in der Mitte!! Beim SD350 kommt das mittlere Beinchen an Minus, beim SD349 kommt das mittlere Beinchen an Plus. Der Rest ergibt sich (dachte ich bislang)
Bedeutet das ich sie Falsch gelötet habe?? EDIT1: Wie kommst du dnen immer auf diesen SD350? Ich habe BD135,BD136 & den BC337 genutzt...
Der 9V Block des Verstärkers ist warm geworden... Habe irgendetwas falsch verpolt. Habe auch schon versucht die batterie umzudrehen also 180° Drehung aber nichts.. Es kam auch anfangs ein Ton beime ersten anschließen der war aber unterdurchschnittlich leise. Habe dann Batterieverbindung 1x getrennt vom verstärker und wd verbunden und seitdem kommt kein Ton mehr... Außerdem weiß ich nicht ob ich den Tongenerator richtig angeschlossen habeam POTI des verstärkers.. EDIT1: Bilder enut aber kleiner und geschnitten hinzugefügt..
Erol Be schrieb: > Der 9V Block des Verstärkers ist warm geworden... > Habe irgendetwas falsch verpolt. Nee, Du hast nen riesigen Strom durch die armen Dioden gescheucht. > Habe auch schon versucht die batterie > umzudrehen also 180° Drehung aber nichts.. *Sowas tut man nicht!!!* Am BD 135 NPN haste die Diode und den 1k drangelassen, die kommen aber beide an die Basis. Die Basis beim BD 135 ist der Äussere pin (pin3). An diese Basis (pin3) haste den Lautsprecher angeschossen, der kommt aber an Batterie plus (an den Collector, da ist der Batterieclip (rot) jetzt korrekt dran) am BD 136 PNP ist der Batterieclip (schwarz) jetzt auch korrekt dran. Aber die Diode und C vom BC337 kommen an die Basis vom BD 136 Die Basis beim BD 136 ist der Äussere pin (pin3). Das rote Kabel (minus) muss da ab und an den Collector dran, wo auch schon der Batterieclip (schwarz) jetzt korrekt dransitzt. Miss mal die Dioden mit Diodentest durch, ob Du in einer Richtung die ca. 700mV +/- 100mV messen kannst. (einseitig ablöten, das musste ja sowieso)
Ich kann das alles nicht ganz so nachvollziehen... Ich habe nun das + Kabel des Lautsprechers vom Transistor weg gelötet... Dann habe ich diesen zwirl auseinander gelötet und getrennt vom elko... Am ELKo trifft nun nurnoch der 1k Widerstand an... Du nennst öfters das Wort Diode... Welche Dioden denn? Die Zener Dioden stehen in keiner Verbindun zu den Transistoren :o EDIT1: Oder habe ich etwa die R26er an die Basis statt an den Emitter gelötet bezogen auf die 2 Transistoren BD135 & 136. EDIT2: UPS... dann habe ich ja alle Verbindungen die zu den Transistoren falsch gesetzt weil ih nicht wusste, dass zuerst die Basis dann der Kollektor und dann der Emitter kommt :o
Erol Be schrieb: > Ich habe nun das + Kabel des Lautsprechers vom Transistor weg gelötet... Von der Basis (pin3) abgelötet und hoffentlich an pin2 (Kollektor = Batterie-Plus) drangelötet. > Dann habe ich diesen zwirl auseinander gelötet und getrennt vom elko... > Am ELKo trifft nun nurnoch der 1k Widerstand an... > > Du nennst öfters das Wort Diode... > Welche Dioden denn? Die beiden kleinen roten Dingerchen ... Erol Be schrieb: > Die Zener Dioden die ich nutze sind die 4148 von Axel... > Die Zener Dioden stehen in keiner Verbindun zu den Transistoren :o Auf dem Bild sind sie aber immer noch an die Kollektoren angelötet. Die beiden hintereinandergeschalteten Dioden, die an die Basen gehören, hattest Du fatalerweise an den Kollektoren drangelassen. Du hast also den 9V-Block an 2 in Durchlassrichtung gepolte, hintereinandergeschaltete Dioden angeschlossen. Ne Silizium-Diode fängt bei 0,8 Volt an, nennenswert Strom durchzulassen. Bei 2 hintereinandergeschaltete Dioden also 2 X 0,8 Volt = 1,6 Volt. Du hast da aber ganze 9V angeschlossen! Da ist soviel Strom durchgeflossen, dass die Batterie WARM wurde !! Jetzt löte die beiden kleinen roten Dingerchen mal von den Kollektoren ab und Miss mal die Dioden mit dem DMM-Diodentest durch, und schreibe hier hin, was das DMM Dir sagt.
Erol Be schrieb: > dass zuerst die Basis dann der Kollektor > und dann der Emitter kommt Es kommt zuerst der Emitter !!!!! dann der Kollektor und dann die Basis !!!!! von der Beschriftungsseite aus betrachtet. Erol Be schrieb: > Dann habe ich diesen zwirl auseinander gelötet und getrennt vom elko... Das war völlig UNNÖTIG, weil es korrekt war!
Auf Deinem Bild
IMG_20140302_125256.jpg
sind die Emitter korrekt an die 26 Ohm -Rs angeschlossen.
Du hast dann allerdings Kollektor und Basis verwechselt,
dann haste den Batterie-Clip richtig angelötet (an die Kollektoren),
aber VERGESSEN, die Dioden (und was da dranhängt) abzulöten
und an die Basen dranzulöten.
Und das, was an den Basen fälschlicherweise dran war,
an die Kollektoren zu löten.
Beide haben so circa: 640-660mV Habe bevor du den Post abgeschickt hast noch ein wenig dran rumgelötet und die Verbindungen zu den Transistoren getauscht & erneut versucht... Ging nun aber garnicht, kein Ton... Habe es diesmal nur wenige Sekunden getestet damit die Batterie nicht warm wird... EDIT: Ich versuche es jetzt richtig zu löten :DD
Wie siehts jetzt aus?? EDIT1: So wie es gerade gelötet ist wird der 9V block nicht mehr WARM aber es kommt auch kein Ton... Beim ELKO (also + und - ) mal gemessen mit Dioden Modus und da fings an von 900mV zu steigen bis auf ca. 1800mV und dann konnte es nichtmehr gemessen werden..
Erol Be schrieb: > mit Dioden Modus NIEMALS UNTER SPANNUNG MESSEN !!! LIES DIE BEDIENUNGSANLEITUNG ! Dioden-Test und Widerstand NIEMALS UNTER SPANNUNG MESSEN ! Erol Be schrieb: > Beide haben so circa: 640-660mV Erol Be schrieb: > Wie siehts jetzt aus?? Wert ist ok. und in der anderen Richtung gemessen keinen Durchgang? Dann scheinen sie es ja überlebt zu haben. > Wie siehts jetzt aus?? Die Emitter beider Ts WAREN richtig angeordnet, WEIL Du den BD136 gedreht hattest, Falls der immer noch gedreht drinsitzt, hast Du's jetzt falsch angelötet. So wie Du sie ursprünglich drin hattest, auf Deinem Bild IMG_20140302_125256.jpg, da haben die Emitter zu den 26 Ohm-Rs gezeigt, und die Basen haben nach aussen, gezeigt. Du hättest also nur alles, was an die Basen dran muss, an die pins, die nach aussen zeigen, anlöten müssen. Und alles, was an die Kollektoren dran muss, an die mittleren pins. Du darfst halt nicht Transistor-Schaltplan-Symbol gleichsetzen mit dem Transistor in Deiner Hand. Beim Transistor-Schaltplan-Symbol ist die Basis immer in der "Mitte". Beim Transistor in Deiner Hand ist das je nach Typ unterschiedlich. Beim BC 337 ist die Basis sogar der mittlere Anschluss-Pin, Bei den BD 135/136 ist es Pin3. Wenn Du die Platine umdrehst, musst Du möglicherweise spiegelverkehrt denken, je nachdem, WIE Du die Platine umdrehst. RoJoe schrieb: > Wennste fertig bist, mach den 9V-Block dran > und miss mal die Spannung an diesem verzwirrlungs-punkt > (gegen minus). im 20 V DC- Bereich Was sagt das DMM? Sag es uns ...
Also an den BD136 habe ich gerade gelötet: Außen (Zeigt auf die Seite der Platine) = 2x 26R er Drähte Kollektor = (-) Pol des Clips Innen (Zeigt auf die 26er) = Diode und 100k Widerstand An den BD135 ist gelötet: Außen (Zeigt auf die Seite der Platine) = 2x 26R er Drähte Kollektor = (+) des LAUTSPRECHERS & (+) des Clips Innen (Zeigt auf die 26er) = Diode und 1k Widerstand Zu beachten: Die seite mit der Schrift des BC337 und BD135 zeigen auf die Schriftfläche des Potis wo die Marke und die Ohm-Zahl draufstehen. Der BD136 aber ist um 360° gedreht somit zeigt auf den Poti nicht die Schriftfläche sondern die Seite mit dem kleinen Silber-Metallfeld rund ums Loch.
Du machst jetzt folgendes: Du nimmst Dir 2 kleine Klebe-Etiketten. Oder 2 kleine Zettel und Klebstoff. Die sind zum Aufkleben auf die LÖTSEITE der Platine. Auf den einen schreibst Du: B C E BD135 NPN Auf den anderen schreibst Du: E C B BD136 PNP Die klebst Du so hin, dass die Buchstaben zu den Beinchen zeigen und "NPN" bzw "PNP" nach aussen zum Rand der Platine zeigen. Den richtigen Zettel jeweils zu dem zugehörigen Transistor. Dann prüfst Du 3 mal, ob das jetzt stimmt. Ob die Beinchen richtig bezeichnet sind. Dann überprüfst Du die Verdrahtung und verbesserst die Verdrahtungsfehler.
ich erlaube mir mal zum Ende das Sonnatgs mal meine Stimme zu erheben. Auch wenn das alles neu für Dich ist, so wird es doch möglich sein, sich in Ruhe hinzusetzen und exakt die *acht*(?) Bauteile, gern unter Zuhilfenahme des jeweiligen Datenblattes aneinander zu pfrimeln. (löten/tüdeln sonstewas). Mal Dir vorher einen Plan auf Papier und vergleiche anschliessend mit den Datenblättern. Auch wenn Du vielleicht noch nicht verstehst, wie alles bis ins letzte Detail funktionieren mag, kann man doch glauben, das Du das hin bekommst... Das Du nun BD135 / BD136 verwendest, wusste ich nicht, tut mir leid. Die Belegung ist aber - nebenbei - genau die gleiche. Aufmalen vorab hilft aber auf jeden Fall, glaubs ! Axelr.
Liebe Herren! Habe nun kleine Zettel genommen wie LaserLehrer wollte :P Das mit der Zeichnung mache ich ab der nächsten Schaltung! Ich verspreche es :D Habe gerade keine Möglichkeit den Lötkolben zu nutzen. Alles belegt wegen meinen Eltern. Die laden ihre Handys -.- Kann es erst später versuchen, wenn die schlafen gehen.
Erol Be schrieb: > Habe nun kleine Zettel genommen wie LaserLehrer wollte :P COOL ! :P Ich glaube, Du hattest am Anfang ALLES richtig, ausser, dass Du bei beiden Endtransistoren Basis und Kollektor verwechselt hattest. Die Emitter waren RICHTIG an die 26 Ohm-Rs angeschlossen. Jetzt hast Du, fürchte ich, Basis und Emitter vertauscht. Aber das werden wir sehen, wenn die Zettel dran kleben. Erol Be schrieb: > Kann es erst später versuchen, wenn die schlafen gehen. Nix da! Ich werde heute nicht mehr so lange machen und DU auch nicht, denn du musst morgen zur Arb. oder Schule.
Hochlebe BaWü! Wir haben Schulferien :'P Oh Gott! Jetzt schauen die doch ernsthaft das was auf Pro7 mit diesen Oscars läuft -.-" - Befinde mich ja im Wohnzimmer da der Tisch da eine Steinplatte ist & ich sonst keien andere Unterlage habe außer Stein.. ich denke das wird heute nichtsmehr... Dann eben morgen früh gegen 7 Uhr. Der Frühe Vogel fängt den Wurm!
Erol Be schrieb: > Dann eben morgen früh gegen 7 Uhr. > Der Frühe Vogel fängt den Wurm! Genau! Und der späte Bär fängt meistens mehr! Und wenn wir uns zusammentun ... Gute Nacht!
Gute nacht! :) Ich begebe mich dann auch ins Bett & les noch ein wenig in dem Buch: Technik - Grundwissen http://ecx.images-amazon.com/images/I/51Ydt-cUC2L._BO2,204,203,200_PIsitb-sticker-arrow-click,TopRight,35,-76_AA300_SH20_OU03_.jpg
@Axel: Du meinst, Handy laden und dabei löten? Man kann sich doch nicht aufs Löten konzentrieren, wenn Pro7 läuft! Erol Be schrieb: > Oh Gott! Jetzt schauen die doch ernsthaft das was auf Pro7 ... Da wird man doch kirre im Kopp und verwechselt die Beinchen ...
Endlich! Ich habe wider Internet -.-" Unser Netzanbieter hatte Probleme wie so manchmal. Waren komplett ohne Telefon & DSL! Jedenfallshabe ich das jetzt so umgelötet wie es gefordert war. Es geht aber immernoch nicht :/ Die Dioden sind immernoch in Ordnung mit 625mV...
Erol Be schrieb: > Es geht aber immernoch nicht :/ Kannste mal ein Foto posten von der Lötseite (mit den aufgeklebten Zettelchen)? Hab übrigens neue Ideen für den Rahmen der Harfe ...
Hi, mal Dir einen Plan und bau danach! Den Plan kannst Du hier posten und anhand dessen deine Frage stellen.
Was denkt ihr? EDIT1: Dachte zuerst das der Generator nicht geht nachdem ich ihn weggelötet habe vom Verstärker.. Aber es lag an dem Batterie Clip der shceint wohl probleme zu haben. Geht nur wnen ich draufdrücke... Habe es jedenfalls wd versucht und draufgedrückt auf den clip vom generator geht denoch nicht der generator...
Erol Be schrieb: > Was denkt ihr? 1) Dimensionday - Handy schrieb: > Ich bin ziemlich gut im löten. Erol Be schrieb: IMG_20140304_213058.jpg Das sieht mir nicht so aus... 2) Wird die Platine nach m² benotet?
Thomas schrieb: > Erol Be schrieb: >> Was denkt ihr? > > 1) > Dimensionday - Handy schrieb: >> Ich bin ziemlich gut im löten. > Erol Be schrieb: > IMG_20140304_213058.jpg > Das sieht mir nicht so aus... > > 2) > Wird die Platine nach m² benotet? Ich habe noch NIE auf solchen Lochrastern gelötet und erst recht ohne irgendeine HAFTENDE Fläche... Da ist es doch glasklar das das aussieht wie von einem Anfänger^^ Ich bin es nur gewohnt auf Ganz-Kupfer Platinen zu löten... EDIT1: Und anfangs sah es auch besser aus musste ja aber mehrmals fälschlicherweise umlöten was zur folge trug das es so schlecht aussieht <.<
Ist zT schwer erkennbar. was ist jetzt an B von BD136 angeschlossen? Da muss / darf nur C von BC 337 und K der "unteren" Diode dran sein. Ist das so? Wenn ja: Miss mal die Spannung (gegen minus) an E von BD135 und an E von BD136.
RoJoe schrieb: > Ist zT schwer erkennbar. > was ist jetzt an B von BD136 angeschlossen? > Da muss / darf nur C von BC 337 und K der "unteren" Diode dran sein. > Ist das so? > Wenn ja: > Miss mal die Spannung (gegen minus) an E von BD135 und an E von BD136. Ouh stimtm Drähte vom BD136also Emitte rund Basis waren falsch verlötet... Nun ist es richtig... Der BatterieClip vomg enerator hatte hänger habe nun einen neuen drangelötet... Nun höre ich auch einen Ton vom Verstärker de aber 3x LEISER ist als wenn der speaker direkt am generator dran ist... EDIT1: BD136 Messung Rotes Kabel am - Pol vom verstärker und Schwarzes Kabel am Emitter ergibt = 5,35V BD135 " - - - " = 5,29V Wenn ich das Rote Kabel zum + Pol des Verstärkers führe und dann zu Emitter messe bekomme ich raus beim BD136 = 3,85V & beim BD135 = 3,82V Ergibt zusammengerechnet ca. 9V die Spannung der Batterie...
Bitte mal Lautstärke auf Null und dann: Miss mal die Spannung (gegen minus) an E von BD135 und an E von BD136. sowie die Spannung (gegen minus) an B von BD135 und an B von BD136. sowie die Spannung (gegen minus) an B von BC 337 und auch noch die +9V. Und schreib alle Werte hier hin.
BD136 E = 0,63 V B = 0,00 V C = (-) 0,05 V BD135 E = 0,73 V B = 1,36 V C = 8,94 V EDIT1: BC337 B = 0,41 V E = 0,00 V C = (-) 0,05 V Diese Ergebnisse wurden so gemessen wie man es auf dem Bild sieht. Schwarzes Kabel an den Minus Pol und das Rote an den E,C,B
B = 0,00 V -> da stimmt was nicht: Kurzschluss mit minus? Miss noch die Spannung (gegen minus) an B von BC 337 und an C von BC 337
Hier 2 hochauflösende Bilder... Bild 0003 & 0002 sind 300-400kb klein... Das Bild 0009 aber ist 6-7MB groß also aufpassen ;D DIESER EDIT IST KOPIERT VON MEINEM VORHERIGEN POST >>EDIT1: >>BC337 >>B = 0,41 V >>E = 0,00 V >>C = (-) 0,05 V >>Diese Ergebnisse wurden so gemessen wie man es auf dem Bild >>sieht. >>Schwarzes Kabel an den Minus Pol und das Rote an den E,C,B
Erol Be schrieb: > Das Bild 0009 aber ist 6-7MB groß also aufpassen Bist Du IRRRE? RoJoe schrieb: > was ist jetzt an B von BD136 angeschlossen? > Da muss / darf nur C von BC 337 und K der "unteren" Diode dran sein. > Ist das so? RoJoe schrieb: > B = 0,00 V -> da stimmt was nicht: Kurzschluss mit minus? ->>>> Ich sehe B von BD136 DICK UND FETT AN MINUS! Ich schrieb aber: > Da muss / darf nur C von BC 337 und K der "unteren" Diode dran sein. Wenn B von BD136 AN MINUS angelötet ist, statt an C von BC 337 und K der "unteren" Diode und nur C von BC 337 und K der "unteren" Diode, dann ..... Ich bin raus für heute good night.
Axel R. schrieb: > Poti ist falsch drann! > Der BD136 scheint mir auch noch nicht ganz richtig, oder? Habe eine Nahaufnahme vom BD136 hochgeladen... Es sah nur so schlecht auf dem Bild aus antürlich sind die Beinchen voneinander klar & deutlich getrennt. Werde mich gleich ans Löten ranmachen habe da wohl etwas nicth ganz richtig kappiert mit dme DIREKTEN MINUS POL...
Letzter Versuch für heute: 1. Das rote Kabel, das fälschlicherweise an B von BD136 geht, da ablöten und an C von BD136, da wo der schwarze Batt-clip sitzt, anlöten. An das schwarze Batt-clip-Kabel mit anlöten. 2. Ein neues Kabel nehmen und an C von BC337 anlöten, das andere Ende von dem neuen Kabel an B von BD136 anlöten.
ich habe 23:50 angefangen: Plan malen, Bauteile raussuchen, Platine ohne Kupfer suchen, Bauteile nach Plan raufstecken, Beinchen umbiegen und abschneiden. Jetzt ist es 00:17
Habe nun das erledigt was du gesagt hast. Das eine Kabel von B zu C gelötet... Dann an die leere Stelle von B ein neues Kabel zu C vom BC337 verbunden... Siehe Bild... EDIT1: Das ist mein erstes eigenständiges Projekt Axel! <.<
Ist da nicht noch eine blanke Drahtbrücke von C von BC337 nach C von BD136? Falls ja, wennste die noch durchkneifen würdest ...
Ich mein ja nur, Tschuldigung - Du machst das sehr gut! JA - der glänzende Knick muss noch weg :)
RoJoe schrieb: > Ist da nicht noch eine blanke Drahtbrücke von C von BC337 nach C von > BD136? > Falls ja, wennste die noch durchkneifen würdest ... ES GEHT :D! Dieser eine Draht wird es wohl gewesen sein...
Erol Be schrieb: > Habe nun das erledigt was du gesagt hast. > Das eine Kabel von B zu C gelötet... KORREKT! > Dann an die leere Stelle von B ein neues Kabel zu C vom BC337 > verbunden... KORREKT! RoJoe schrieb: > Ist da nicht noch eine blanke Drahtbrücke von C von BC337 nach C von > BD136? > Falls ja, wennste die noch durchkneifen würdest ... Weil: C von BC337 und C von BD136 dürfen nicht verbunden sein. Axel R. schrieb: > JA - der glänzende Knick muss noch weg :) wennste den glänzende Knick netterweise noch durchkneifen würdest ... dann, mit etwas Glück .... Erol Be schrieb: > ES GEHT :D! > Dieser eine Draht wird es wohl gewesen sein... JuHuuuuuuuuuuuuuuuuuuuuuuuuuuuuuuuuuuu ! Es ist jetzt 0:38 GUTE NACHT!
Schlaf Schön :D! Und bleibst du noch ein wenig wach Axel :)? Was soll ich als nächstes anstreben? Also welches Projekt. Nezogen auf die Bauteile die ich hier habe... Könnte ich noch einen Tongenerator bauen? Aber den den du erstellt hast?
Erol Be schrieb: > Was soll ich als nächstes anstreben? Vielleicht solltest Du als nächstes mal das Heierbettchen anstreben? Morgen geht' weiter !
Hier sind meine bescheidenen Ergbenisse. Ohne Kupfer drunter ists schon etwas anderes ;) Beim Softwareschreiben ist es das gleiche. Plan machen, nochmal nachdenken, alles aufschreiben und : Handwerk : edit ich habe die Platine absichtlich verkehrt rum genommen. Ich hatte nichts OHNE kupfer...
RoJoe schrieb: > Erol Be schrieb: >> Was soll ich als nächstes anstreben? > > Vielleicht solltest Du als nächstes mal das Heierbettchen anstreben? > > Morgen geht' weiter ! Okey geht klar <.< Gute Nacht die Herren!
Hier sind noch ein paar... Übrigens habe ich die Gegenkopplung nicht mit angelötet, aber aufgeschrieben, das das noch zu tun sei ;)
Axel R. schrieb: > Hier sind noch ein paar... > > Übrigens habe ich die Gegenkopplung nicht mit angelötet, aber > aufgeschrieben, das das noch zu tun sei ;) Sehr interessant! Du bist zu schnell/gut für mein Niveau der Elektrotechnik >.<" Habe übrigens genau den Lautsprecher. Also den Rechteckigen... Von den Alten Boxen die ich einst erwähnt hatte... Wieso ist im Hintergrund der Plan von deinen Schaltungen? Oder hast du es nur als Untergrund genommen... Naja egal :) Du sagst Gegenkopplung... Mein Lehrer hat das einst erwähnt als er versuchte 2 Generatoren zu schalten jedenfalls ging es nicht beides über 1nen Speaker abzuspielen udn er sagte er schaffe es nicht die generatoren gegenzukoppeln.... Ist es das?
Axel R. schrieb: > hier bei mir aufm Tisch machts auch piiieep - Piept's jetzt bei euch beiden? Erol Be schrieb: > Habe übrigens genau den Lautsprecher. Also den Rechteckigen... Rechteck-Schwingungen und rechteckige Lautsprecher, das passt doch gut zusammen ... ;-D Axel R. schrieb: > Übrigens habe ich die Gegenkopplung nicht mit angelötet Erol Be schrieb: > jedenfalls ging es nicht beides über > 1nen Speaker abzuspielen udn er sagte er schaffe es nicht die > generatoren gegenzukoppeln.... Ist es das? Das nennt man ENTkopplung Erol Be schrieb: > Was soll ich als nächstes anstreben? => Heierbettchen ! > Also welches Projekt. => Projekt "erholsamer Tiefschlaf" ...
Ich empfehle dir wirklich, Lochrasterplatinen mit Lötaugen zu verwenden. So kannst du die Platine keinem zeigen...
Erol Be schrieb: > Was soll ich als nächstes anstreben? > Also welches Projekt. Du hast jetzt 1 funktionierenden Tongenerator und der Amp läuft auch. Wie wär's, mal die 1. Lichtschranke in Angriff zu nehmen? Laserpointer besorgen und Rahmen für die Harfe. Als Rahmen könntest Du zB. ne alte Holzschublade organisieren. Möglichst solide, also Massivholz verzapft. Wenn der Boden dünn ist und nichts zur Stabilität beiträgt, kannste den auch rauskloppen: => freie Sicht auf die Alpen. Motto ist also nicht: Lötauge sei wachsam, sondern: Holzauge sei wachsam ;-D In die Seite mit dem dicksten Holz (Vorderseite) kämen dann Löcher, in denen die Laserpointer dann STRAMM und SPIELFREI drinsitzen. Auf der Seite gegenüber würden die LDRs dann genau unter ihren zugehörigen Laserpoint geschoben und dann fixiert. Motto: Wenn der Brunnen (der Laserpoint) nicht zum Durstigen (dem LDR) kommt, dann geht der Durstige halt zum Brunnen. > Könnte ich noch einen Tongenerator bauen? Würd ich in den Wartepausen machen, wenn Du auf irgendwelche Teile o.ä. wartest. > Aber den den du erstellt hast? Der Tongenerator vom Axel klingt anders. (symmetrisches Rechteck) Kannste ja dann mal bauen und mit dem 1. vergleichen. Frage: Wieviel Zeit ist denn noch bis zur Premiere?
Ich denke ich habe im Keller noch 1-2 Holzbretter mit einer Dicke von 2-3cm.... Werde gleich mal nachsehen.... Laserpointer bestelle ich mal heute von Amazon... Die Vorstellung beginnt am: Keine Ahnung :'D Ich weiß aber, dass ich noch nächste & übernächste Woche SICHER habe. Eventuell in 3 Wochen also am 27. Februar? Ich denke aber ich habe noch mehr zeit. Ich muss dann noch einen Ordner erstellen. Der Ordner muss den Schaltplan enthalten. Die Auflistung der Bauteile. Erklärung der Bauteile (Was kann das Bauteil) Funktionsweise der Schaltung Erklären (& ich muss es verstehen :o!) Ähm ja denke das ist alles. Ist ja normal das man einen Ordner / Ausarbeitung bei einer Prüfung vorlegen muss :)
Erol Be schrieb: > Eventuell in 3 Wochen also am 27. Februar? Komisch, auf meinem Rechner ist es schon März ... (?) > Funktionsweise der Schaltung Erklären (& ich muss es verstehen :o!) Ja, die Funktionsweise der Schaltung must Du natürlich auch mir erklären, ich habe nämlich KEINEN SCHIMMER ... Übrigens: Sobald Du die erste Lichtschranke fertig hast und das 1. Tonhöhen-Poti befestigt ist, kannst Du - mit etwas Übung - "Smoke on the Water" auch mit nur 1 Tongenerator spielen. Indem Du, vor Spielen des Tones, das Tonhöhen-Poti ruckartig auf den richtigen Ton verstellst...
Ja... Ich hing noch im Februar fest :'D Ouh :X Das wird wohl der schwerste Teil. Schaltung verstehen & erklären :o Das ist mir zu hektisch das rumgedrehe... Ich muss aber auch sagen, dass ich die Töne nicht wirklich schön finde die der Generator von sich geben kann bzw. gibt...
Erol Be schrieb: > Das ist mir zu hektisch das rumgedrehe... War nur gedacht für den Fall, dass die Zeit nicht reichen sollte. > Ich muss aber auch sagen, dass ich die Töne nicht wirklich schön finde > die der Generator von sich geben kann bzw. gibt... Na, dann gibt es ja mal nen Grund, was über Klangfarben zu lernen. Und wie man mit einfachen Mitteln am Klang basteln kann. Wie Du dem Generator zB. die Flötentöne beibringen kannst :D Leg doch mal 100k in die Leitung vom Generator zum Lautstärke-Poti. (Es muss ja sowieso von jedem Generator ein 100k-R zum Summieren der Signale UND Entkoppeln der Generatoren an den Summationspunkt geführt werden) Dann löte zB. 10nF über die äusseren Anschlüsse des Potis. => Es klingt jetzt weicher ... Du hast der Rechteck-Schwingung jetzt einen Teil ihrer Oberwellen geklaut. Mit einem RC-Tiefpass-Filter bestehend aus dem 100k-R und dem 10nF-C. Du könntest ja auch mal versuchsweise den Frequenzbereich des Generators erhöhen, indem Du (mindestens) einen der beiden frequenzbestimmenden Cs im Generator verkleinerst. Schubladen gibts übrigens auch in der Bucht. Der Rahmen MUSS STABIL sein, sonst wird es nicht klappen. > Das wird wohl der schwerste Teil. > Schaltung verstehen & erklären :o Habt ihr in der Schule ein Scope, so dass Du Dir die Signale an verschiedenen Punkten der Schaltung mal ansehen kannst?
@RoJoe bei allem Respekt: mal ihm das auf. @Erol wie stehts?
So gestern war ich total UNPRODUKTIV. Heute aber habe ich ein Holzgestell errichtet aus 2x Rechteckigen Platten und 1nem gleichseitigen viereck... Dann zusammengeschraubt und lá perfekto! Nun muss ich gucken wie ich die Löcher positioniere für die Pointer,ect. Und wo ich was verstauen will...
Morgen kommt ein voraussichtlich ein Bild von dem Holzgestell :)
Erol Be schrieb: > Morgen kommt ein voraussichtlich ein Bild von dem Holzgestell :) Bin gespannt ... Sind die Pointers schon da? Wäre interessant zu wissen, wie niedrig der Widerstand der LDRs wird, wenn sie genau unter dem Laserpoint plaziert sind.
RoJoe schrieb: > Erol Be schrieb: >> Morgen kommt ein voraussichtlich ein Bild von dem Holzgestell :) > > Bin gespannt ... > > Sind die Pointers schon da? > > Wäre interessant zu wissen, wie niedrig der Widerstand der LDRs wird, > wenn sie genau unter dem Laserpoint plaziert sind. http://puu.sh/7qzYw.png Braucht noch ein wenig...
Erol Be schrieb: > Braucht noch ein wenig... Uiii .. könnte knapp werden. Jedoch: Wir haben ein paar Tage richtig SONNE. Das Sonnenlicht wird reichen für die LDRs. Du kannst Dich also nach draussen setzen in die Sonne und schon mal ein paar Lieder einüben ...
RoJoe schrieb: > Erol Be schrieb: >> Braucht noch ein wenig... > > Uiii .. könnte knapp werden. > > Jedoch: Wir haben ein paar Tage richtig SONNE. > Das Sonnenlicht wird reichen für die LDRs. > > Du kannst Dich also nach draussen setzen in die Sonne > und schon mal ein paar Lieder einüben ... Habe doch erst einen Generator. Ich löte später noch den 2ten Generator an die Platine vom 1ten Generator. Habe ja diese Lichtharfen-Set 2x bestellt gehabt... Kann ich mit den Teilen die ich von Axel habe & von Reichelt den gleichen Tongenerator nachbauen? Problem ist ja das ich nicht die selben Kondensatoren/Transistoren habe... Wobei die Kondensatoren egal sind da ich ja eh verschiedene Töne will pro Generator...
Dafür habe ich dir doch extra die durchkontaktierte Leiterplatte, die ganzen Transistoren, die styroflexkondensatoren und das alles geschickt. Klar kannst Du das damit bauen.
Erol Be schrieb: > Kann ich mit den Teilen die ich von Axel habe & von Reichelt den > gleichen Tongenerator nachbauen? Ja. > Problem ist ja das ich nicht die selben Transistoren habe... Ist kein Problem; BC 547, 548, 549, 550, gehen alle. > Wobei die Kondensatoren die Frequenz (mit)bestimmen. Probiere einfach verschiedene aus. Experimentiere. Dann lernst Du am meisten. T3 und R6 enfallen bei allen Generatoren. Die waren nur da, um den Lautsprecher anzutreiben. Unsere astabilen Freunde würden nämlich die Grätsche machen, wenn wir da direkt Lautsprecher anschliessen würden. C3 brauchen wir auch nur 1mal, zwischen Summenpunkt der 100k-Widerstände und dem Lautstärke-Poti. 4,7µF... 47µF reichen dann. Die LDRs sollten je auf eine kleine Extra-Platine und mit Schirmkabel angeschlossen werden. Die müssen ja verschiebbar sein. Wenn Du pro Platine 2 Löcher 3 ... 4mm reinbohren würdest, könntest Du sie nach Justage mit je 2 kleinen Schrauben festschrauben.
das sieht ja sehr ordentlich aus. Eine gute Zeichnung. @Erol die Transistoren mit dem Blechtopf kannst Du gern verwenden. Der kleine Schniepel am Gehäuse ist Emitter, gegenüber ist Kollektor und in der Mitte die Basis.
Mein Lehrer war so fest davon überzeugt das er sagte ich soll die Holzkonstruktion wegwerfen & es mit Plexiglas machen :'D Habe um 13:30Uhr Technik (Mittagschule). Muss blöderweise auch die ganzen Sachen auf eine Platine löten. Die Begründung sei das die Projekte von einem 2t Prüfer benotet werden und die Richtlinien dazu seien angeblich eine Kupferplatine -.-" Muss heute dann erstmal die Platinen erstellen mit dem Schulprogramm & dann fresen & löten... Ich melde mich nach der Schule wie es gelaufen ist... EDIT1: Werde es logischerweise niemals schaffen heute shcon ans fräsen zu kommen. Muss ja erstmal die ganzen Schaltpläne auf Papier bringen also in dem Format in dem ich sie in dem Platinenprogramm übernehmen kann. Muss außerdem die Brücken rausbringen :o Kann ich ja auf einer Platine nicht stehen lassen. Ich lasse mir etwas einfallen :) Ich mache auch 1-2 Bilder damit irh seht wie weit ich bin, später.
Wie schließe ich den LOG an den AMP an?? Der hat ja nicht 3 sondern 6 Beinchen :o Und habe nun Probleme mit der Platinenerstellung :(
Ich gehe nun nach hause... Hier nochmal ein Bild der Platinen simulation...
Ich würde gern weiterhelfen. Was bedeutet LOG an den AMP anschliessen? mit sechs Beinen? Meinst Du eventuell das stereopoti, welches Du bestellt hattest? Davon (wenn es das ist, was wir beide meinen) nimmst Du nur die vordere Reihe. Da sind einfach zwei von den Reglern drinnen. Ist doch ein stereosteller. Einder für den rechten und einer für den linken Kanal. Du hast aber nur einen Knal, also schliesst Du auch nur einen an. Dem Entwurf fehlen die eingezeichneten Bauteile. so steige ich leider auch nicht dahinter. Was ist das für ein Programm? Berechnet das gleich die Fräswege? Musst Du eine eigene Platine fräsen oder darfst Du auch (m)eine Lochrasterplatine verwenden?
Das Programm nennt sich nncad7 Ist schon alt. Gibts als Free oder Kostenpflichtige Version im Internet. Es ist ein Programm mit dem man direkt fräsen kann, wenn man die Fräse angeschlossen hat. Man erstellt die Platine in dem Programm also die Löcher & Leiterbahnen & dann kann man fräsen... Er sagte die Lötstellen seien zu schlecht auf der Lochrasterplatine... Eine Frechheit für die Arbeit die ich da mache. Andere machen nur ein kleines Lauflicht oder einen Klatschschalter wobei der AMP = Verstärker schon um einiges komplizierter ist -.-" Der log ist der Logarithmische Potentiometer mit 2 Bahnen also 2x 3 Pin Aschlüssen. Da er ein Stereo Sound verarbeiten kann denke ich mal... Stereo = 2 Wege / Mono = 1 Weg EDIT1: Auf dem Bild sind "Die Roten Dreiecke = Rot" NICHT ROT sondern BEIGE!!!
Habe mir die Software für den Heim-PC runtergeladen... Da die Zeit wohl echt knapp wird in der Schule denke ich mal mit Löten, ect.... Wie findet ihr diesen Generator?? Habe mit Paint die Widerständ eudn Transistoren und Kondensatoren/ELKOS reinzeigezeichnet... Im Bild ist außerdem die Schaltung zu sehen... Man sollte die gleichheit direkt sehen.. Ich musste logischerweise bei der Überkreuzung der Basis Anschlüsse der Transistoren die Bahnen verlegen da sie sich nicht kreuzen dürfen... Mir hat sich nun aber ein Problem dargestellt wie ich den POTI der so Rot hingezeichnet wurde mit dem Schwarzen Pfeil hinstellen soll... Ich habe die Mitte des Potis nach außen verlegt wie es auf dem Schaltplan zu sehen ist als der Pfeil der durch den Widerstand geht... Ich hoffe es ist verständlich...
weiss ich auch nicht. Ich erkenne wiedermal das Problem nicht. Ich habe mal versucht, das in dem Plan rein zu malen. Wenn Du nur auf den Platten lötest, wo kein Kupfer drauf ist, ists doch klar, das die alten die Nase rümpfen. Hast Du mal probehalber mal die durchkontaktierte Platine probiert?
Axel R. schrieb: > weiss ich auch nicht. Ich erkenne wiedermal das Problem nicht. > Ich habe mal versucht, das in dem Plan rein zu malen. > Wenn Du nur auf den Platten lötest, wo kein Kupfer drauf ist, ists doch > klar, das die alten die Nase rümpfen. Hast Du mal probehalber mal die > durchkontaktierte Platine probiert? Die scheint mir zu wertvoll als das ich sie bei meinem Wissenstand mit Lochrasterplatinen besudeln wollen würde :x
Hat sich überschnitten... generator sieht doch gut aus. dreh Dir das Poti so hin, das Du später an die Achse drann kommst zum einstellen. Weiterso!
Quatsch, wenn Sie wertvoll wäre, hättest Du die niemals von mir bekommen :) Entwurf machen, Bauteile durchstecken, als wenn die Platine fertig wäre. Kurz den Kolben drann, etwas Zinn hinzu und erstmal gut. alles unten abschneiden, bis Ordnung herrscht. Und dann mit dünnem Schaltdraht als Leiterbahnersatz verdrahten. Also: so würde ICH das machen. Bin immer zu faul zum ätzen/fräsen/usw.
Axel R. schrieb: > Hat sich überschnitten... > > generator sieht doch gut aus. dreh Dir das Poti so hin, das Du später an > die Achse drann kommst zum einstellen. Weiterso! Was hat sich überschnitten, die Beiträge? Ist der Poti denn so nicht in Ordnung? Ich will das er auf der Platine ist daher habe ich auch versucht da wo der Griff ist zum drehen möglichst keine Bauteile unterzubringen... Ich finde es wäre nicht so schön wenn bei jeder Platine ein Poti raushängt... Wobei ich das gerne auch machen kann.. Ihr habt mehr Erfahrung als ich und wisst was gut ist :P
Musst Du wissen, ob das Poti drüber hängen soll oder nicht:) DU willst drann drehen, oder? Ja - die Beiträge haben sich überschnitten.
Hi Erol, ich habe nicht den Eindruck, dass dieser Lehrer sich Dir gegenüber konstruktiv, ermutigend und unterstützend verhält. > er sagte ich soll die Holzkonstruktion wegwerfen > Er sagte die Lötstellen seien zu schlecht auf der Lochrasterplatine... (Immerhin funktioniert dieser Amp mit diesen Lötstellen, von dem er > Als er den Schaltplan gesehen hat sagte er schon selber, > das das niemals gehen wird.) usw. Ich fürchte, dass Dir das Interesse und der Spass an der Elektronik durch diese Demoralisierungsmethoden genommen werden könnte. Damit das möglichst nicht passieren kann, folgende Idee: Du hast einen funktionierenden Generator, der bei Sonneneinstrahlung abgeschaltet ist. Und Du hast einen funktionierenden Verstärker. Beides zusammen ergibt eine elektronische Mückenscheuche, die sich vollautomatisch erst bei Dämmerung einschaltet, nämlich genau dann, wenn die Mücken kommen. (Du brauchst nur die beiden frequenzbestimmenden Cs zu verkleinern, um auf eine entsprechend hohe Tonhöhe zu kommen.) Auch das ist noch ein anspruchsvolleres Projekt als > nur ein kleines Lauflicht oder einen Klatschschalter Und Deine LASER-Harfe baust Du Dir dann nebenbei und danach und zwar genau so, wie DU sie haben möchtest, mit Holzrahmen usw. (dann, wenn in 4 Wochen die Pointer kommen - deswegen - leider - jetzt "nur" die Mückenscheuche) > Da die Zeit wohl echt knapp wird in der Schule Auf jeden Fall solltest Du Dich RECHTZEITIG noch theoretisch schlau machen: - wie funktioniert ein astabiler Multivibrator? - welche Bauteile bestimmen die Frequenz? - wie funktioniert ein Spannungsteiler? - wie funktioniert die Multivibrator-Abschaltung mit dem LDR? - wie funktioniert ein Gegentakt-Verstärker? PS: Wenn Du mal wissen möchtest, wie kreative Elektronik-Profis ihre Prototypen aufbauen, dann schau Dir mal die Titelseite dieses Buches an: http://www.amazon.de/Troubleshooting-Analog-Circuits-Series-Engineers/dp/0750694998 (Aber zeig das nicht dem Lehrer, sonst kriegt der noch die Krise ...)
@AXEL Nun gut. Dann guckt der Poti eben raus :) @LaserLehrer Naja es geht. Nun habe ich schon 80€ ausgegeben, dann will & werde ich diese Bauteile verbrauchen für schöne Dinge die ich mir selber erarbeitet habe :D! Ich denke ich belasse es dann bei 1-2 Generatoren & 1nem Amp für die Schule... Und es sollen einfach nur 2 Töne sein fertig... Privat aber erweitere ich das ganze Projekt... Mückenscheucher macht schon jemand daher auch nicht möglich das zu bauen. Außerdem forderte der Lehrer das derjenige ein Kollege sich Mückenlarven/Mücken beschaffen soll damit der Lehrer sieht ob das Ding funktioniert :'D Das ist mit Abstand crazy... Aber nun gut... Der Lehrer ist eigentlich weitestgehed nett, wenn man das macht was er sagt & denkt... Aber kaum macht man etwas was er nicht führen konnte passt es ihm nicht. Ich kam zum Beispiel 30min. zu spät zum Technik-Unterricht... Die haben in dem Zeitraum den Thrystor durchgenommen. Kurz vor ende des Technik-Unterrichts sagte er ich würde eine schlechte Note schreiben weil ich nicht gekommen bin (er dachte ich hatte keine Lust) Er sagte ich hätte FALSCHEN Ergeiz... Echt großer Mist was ihm da einfällt... Aber nun gut soll er doch meinen das ich es nicht schaffe die Funktionsweise eines Thrystors zu verstehen :'D Nächste Woche Technik Arbeit! Schaffe ich :3
Erol Be schrieb: > Außerdem forderte der Lehrer das derjenige ein Kollege sich > Mückenlarven/Mücken beschaffen soll damit der Lehrer sieht ob das Ding > funktioniert :'D UNGLAUBLICH !!!! ROFL !!!! > Das ist mit Abstand crazy... YEAHH!!! > weitestgehed nett, wenn man das macht was er sagt & denkt... wenn ... > Aber kaum macht man etwas was er nicht führen konnte passt es ihm nicht. Da haben wirs ... > die Funktionsweise eines Thrystors zu verstehen Siehe: Nachbildung eines Thyristors, ist leichter zu verstehen, zB. hier: http://www.elektronikpraxis.vogel.de/design-tipps/power/articles/366195/ > Er sagte ich hätte FALSCHEN Ergeiz... IHM ist doch alles nicht gut genug / zu einfach > Ich denke ich belasse es dann bei 1-2 Generatoren & 1nem Amp für die > Schule... Und es sollen einfach nur 2 Töne sein fertig... Genau! > Privat aber erweitere ich das ganze Projekt... Das find ich sehr gut! Dann kannst Du zB. nen MOS4093 4-fach-Schmitt-Trigger nehmen für 30cent und damit gleich 4 Generatoren aufbauen und brauchst nur 1 Kondensator, 2Rs, 1 Poti und 1 LDR pro Generator. Es gibt übrigens ein Lied für nur 2 Generatoren: "Da Da Da" von Trio Geht die ganze Zeit "Ti-Tü-Ti-Tü-Ti-Tüt" Du kannst das Ganze auch automatisieren, indem Du nen Einblatt-Ventilator (*) zwischen die beiden Laser stellst, der sich gelangweilt vor sich hindreht, und wechselweise einen der 2 Laser-Strahlen unterbricht: Ti-Tü-Ti-Tü-Ti-Tü-Ti-Tü-Ti-Tüt (*) nen Einblatt-Ventilator stellst Du Dir selbst her, indem Du nem 2-Blatt-Ventilator einen Flügel ausreisst. Du kannst Dich dann voll auf den Sprechgesang konzentrieren: Bei der Stelle "ich lieb dich nicht - du liebst mich nicht - aha" kannste dann wahlweise entweder an eine bestimmte Lehrkraft oder auch an die komplette Schule denken ... ;-)
Kann ich nur zustimmen LaserLehrer ;D Habe keinen Ventilator zur Hand bzw. in Reichweite (Schule,zu Hause) Ich bleibe dann bei den 2 Generatoren... Soll ich nun die Generatoren mit den 2 Sets bauen oder nach deinem Schaltplan also den den ich schon im Platinenprogramm erstellt habe. Ich gehe nun raus in die Stadt... Bin ab 21Uhr wieder hier aktiv :)
Erol Be schrieb: > Soll ich nun ... den den ich schon im Platinenprogramm erstellt habe. Ja. Einfangen, copy, paste - (fast) fertig. VORHER könntest Du aber noch einige Verbesserungen machen: Beachte: Schaltplan und Bestückungsplan sind 2 unterschiedliche Dinge. Wenn man die Bauteile im Bestückungsplan genauso anordnet wie im Schaltplan, kann man sich einige Fallen einbauen, in die man dann hineintappt. Im Schaltplan "schauen sich die beiden Transistoren an". Im Bestückungsplan bis jetzt auch. Das verführt dazu, den rechten(*) falsch herum einzusetzen (C an Minus statt E an Minus) (*) falls das die Sicht auf die Bauteilseite sein sollte. Oder man muss - unüblicherweise - die Basis nach vorne biegen. Besser wäre es also, die Leiterbahn für die Basis des rechten Transistors entspr. länger zu machen. Potis: Die Achse des Poti sollte aus der Platine herausragen, damit man es leichter bedienen kann. Ich würde es also um 90° drehen (Achse nach oben). Entscheidend ist immer nur die richtige Verdrahtung auf der Platinen-Unterseite. Wenn Du nicht sicher bist, wie Du's anschliessen musst, nimm das Ohmmeter und miss Schleifer gegen einen äusseren pin. In einer Endstellung hast Du 0 Ohm. Das Tonhöhen-Poti sollte bei Rechtsanschlag den höchsten Ton haben: Falls das die Sicht auf die Bauteilseite sein sollte, ist es richtig verdrahtet. Das Lautstärke-Poti sollte bei Linksanschlag Lautstärke null haben, also Linksanschlag = 0 Ohm gegen Minus / Masse. Rastermaße: Bauteile haben meist Standard-pin-Abstände: nennt man Rastermaß, abgekürzt "RM". normale Widerstände haben RM 10(mm) die Tonhöhen-Kondensatoren RM 5 oder 7,5 (=> 1 Lötauge mehr und Du hast beide Möglichkeiten offen) die Transistoren sollten so bleiben wg. leichter Lötbarkeit (Beinchen auseinanderbiegen) kleinere Elkos stehend (C4) können 2,5 / 3,5 oder 5 haben. (schau also nach, was die Elkos haben) Denke dran, dass Minus, das Bezugspotential, (auch "Masse" oder "GND" genannt) an jeden Generator und an ALLE anderen Schaltungsteile geht. (Lautstärke-Poti, Filter, Amp) dass Batterie plus an alle Generatoren geht. (der Amp hat ja seine eigene Batterie) dass von jedem Generatorausgang ein Summierwiderstand auf eine Sammel-Leiterbahn geht. Erol Be schrieb: > Er sagte ich hätte FALSCHEN Ergeiz... Was ist denn "FALSCHER" Ehrgeiz? Na, hoffentlich hat er keine exorzistische Ader und will Dir jetzt den "FALSCHEN" Ehrgeiz austreiben ... Also: Lerne, wie die Dinge funktionieren. Wenn Du erstmal verstanden hast, wie alles funktioniert, erst dann kannst Du anfangen, Schaltungen zu verbessern, zu erweitern, zu erfinden, etc. Erst dann fängt Elektronik an, richtig Spass zu machen ... Tu's also für DICH! Und wie schon gesagt, ich habe KEINE AHNUNG, wie das alles funktioniert. Ich baue darauf, dass DU mir das nächste Woche mal erklären kannst ... @axelr: tolles Foto aus Jim Williams' Oeuvre ...
Netter langer Text :D Kann allem nur zustimmen! Morgen am Donnerstag werde ich die Platinen fräsen. Muss jetzt nochmal anfangen die Platine in dem NCCAD7 zu erstellen da sie durch ein unsachgemäßes schließen nicht abgespeichert wurde... Ich baue ja nun 2 Generatoren Wie verbinde ich diese 2 Generatoren? Also von jedem Generator geht ein 100k Widerstand aus. Diese 2 Widerstände sind verbunden (Summierpunkt) an einen einfachen Kondensator und einem Elko (siehe Bild) Ich frage mich nun welche Werte der Kondensator den wir zur Filter-Klangfarbe nutzen. Oder kann ich da rumspielen also von 4,7 - 47nf ?? Das wird sicherlich 1h brauchen die Platine anzufertigen also in dem Programm :(
Erol Be schrieb: > Also von jedem Generator geht ein 100k Widerstand aus. > Diese 2 Widerstände sind verbunden (Summierpunkt) an einen einfachen > Kondensator und einem Elko Ja. Elko geht jeder ab 1µF. > Ich frage mich nun welche Werte der Kondensator den wir zur > Filter-Klangfarbe nutzen. > Oder kann ich da rumspielen also von 4,7 - 47nf ?? Genau! 4,7 - 47nf sind sehr gute Werte zum Rumspielen und Experimentieren. Du kannst zB. auch noch nen Widerstand in Reihe mit dem Kondensator legen. Bereich 10k...100k. Klingt dann wieder anders. > Das wird sicherlich 1h brauchen die Platine anzufertigen also in dem > Programm :( Ich hasse dies genau wie Du :((
Bin gerade dabei den Verstärker nochmals auf Papier zu zeichnen um es dann schnell zu übernehmen... Mich stört ein wenig die Verbindung bei dem 100k LOG http://puu.sh/7BJZa.png der Pfeil ist ja der Schelifer.. der Ist verbunden mit dem Elko... Bei meinem derzeitigen Verstärker ist der äußere Pin aber verbunden mit dem Elko und nicht der (mittlere Schelifer)
Bin gerade dabei den Verstärker nochmals auf Papier zu zeichnen um es dann schnell zu übernehmen... Mich stört ein wenig die Verbindung bei dem 100k LOG http://puu.sh/7BJZa.png der Pfeil ist ja der Schelifer.. der Ist verbunden mit dem Elko... Bei meinem derzeitigen Verstärker ist der äußere Pin aber verbunden mit dem Elko und nicht der (mittlere Schelifer) http://puu.sh/7BJZa.png
Bin gerade dabei den Verstärker nochmals auf Papier zu zeichnen um es dann schnell zu übernehmen... Mich stört ein wenig die Verbindung bei dem 100k LOG der Pfeil ist ja der Schelifer.. der Ist verbunden mit dem Elko... Bei meinem derzeitigen Verstärker ist der äußere Pin aber verbunden mit dem Elko und nicht der (mittlere Schelifer) http://puu.sh/7BJZa.png
Erol Be schrieb: > der Pfeil ist ja > der Schelifer.. der Ist verbunden mit dem Elko... Ja. Der Schleifer wird verbunden mit dem Elko, der im Amp sitzt. Der äußere "heisse" Pin des Ptis wird verbunden mit dem Elko, der von den 2 100k Summier-Widerständen kommt.
http://puu.sh/7BSoP.png <--- Verstärker Platine... Muss mich nun noch an die Tongeneratoren ransetzen... Bin aber am überlegen ob ich die nicht ganz normal lasse... Sprich die POTIS weglasse genauso wie den Ton-Filter... Ist auch so schon Niveauvoller als alle anderen Projekte :) Würde gerne für mich Privat eine ERWEITERTE Platine erstellen mit den ganzen Tollen Extras :D Bleibt aber 1ne weitere Sache. Wenn ich die ganzen Extra weglasse, dann kann ich ja nur 1nen Generator verbinden an den Poti des Verstärkers... Denn, wenn ich 2 Generatoren verbinde habe ich eine Rückkopplung... Wie kann ich diese umgehen bei den 2 ganz einfachen Generatoren? Einmal mit einem 100k Widerstand der nach jedem Generator geschaltet wird, welche dann verbunden sind an den Anschluss des Potis...
Erol Be schrieb: > Denn, wenn ich 2 Generatoren verbinde habe ich eine Rückkopplung... Nein. Je einen 100k-Widerstand von jedem Generator ... Das schaffst Du, die wiegen ja keine 100 Kilo :D Wozu die Widerstände da sind, steht im Schaltplan. > Sprich die POTIS weglasse Kein einstellbares wohlklingendes Verhältnis? (Quinte, Quart, ...) Kannst die Potis ja auch mit Kabeln an die Platine anschliessen und auf ne Frontplatte schrauben. > genauso wie den Ton-Filter... Den (einen!) Kondensator kannste auch erstmal weglassen. Obwohl, der wiegt ja auch keine 47 Kilo :D
Kam heute leide rnicht zum fräsen. Waren ein paar Kameraden vor mir dran >.> Nächste Woche aber... Verstärker: http://puu.sh/7CHVi.png Generator: http://puu.sh/7CI0g.png Was haltet ihr davon? Generatoren mache ich 2x und den Verstärker 1x...
Erol Be schrieb: > http://puu.sh/7CHVi.png > http://puu.sh/7CI0g.png Du weißt schon, dass man Bilder auch hier im Forum hochladen kann?
Ich hätte eine Frage die hier nicht wirklich dazu passt. http://www.amazon.de/Severin-KP-1091-Kochplatte-wei%C3%9F/dp/B007HMQO18/ref=sr_1_1?s=kitchen&ie=UTF8&qid=1395587187&sr=1-1&keywords=kochplatte http://www.amazon.de/Einzelkochplatte-wei%C3%9Fem-Geh%C3%A4use-Camping-Herdplatte/dp/B00GLPB9US/ref=pd_cp_k_0 Zum betreiben eine dieser Kochplatte wird eine Steckdose benötigt. Wie schaffe ich es das ganze aber mit Batterien/ Autobatterien zu versorgen? Blödes Beispiel: auf einem Trip mit Kollegen. Kann 1ne Autobatterie überhaupt so eine Leistung erzielen die benötigt wird für 1-2h Nutzung dieser Kochplatte? Das andere ist das das Gerätdoch mit Wechselstrom läuft eine Batterie aber nur Gleichstrom liefert... Lässt sich da etwas machen? EDIT1: http://www.amazon.de/Spannungswandler-300-Watt-f%C3%BCr-auf/dp/B009NRMUGS/ref=sr_1_10?s=kitchen&ie=UTF8&qid=1395587969&sr=1-10&keywords=Wandler So ein Umwandler wird doch gebraucht oder?
Erol Be schrieb: > Kann 1ne > Autobatterie überhaupt so eine Leistung erzielen die benötigt wird für > 1-2h Nutzung dieser Kochplatte? Du meinst, ob sie die Energie für 1-2 Stunden liefen kann und nicht die Leitung! 1 Stunde lang 1.5kW entsprechen einer Energie von 1.5kWh und des entspricht einer Ladung von 125Ah + Verluste. Erol Be schrieb: > Lässt sich da etwas machen? Ein 1.5kW Wechselrichter kann da was machen. Erol Be schrieb: > http://www.amazon.de/Spannungswandler-300-Watt-f%C3%BCr-auf/dp/B009NRMUGS/ref=sr_1_10?s=kitchen&ie=UTF8&qid=1395587969&sr=1-10&keywords=Wandler > So ein Umwandler wird doch gebraucht oder? Nein, der hat nur 300W und deine Kochplatte brauch 1.5kW (=1500W)
Gibt es eine Möglichkeit essen zuzubereiten ohne offene Flamme? Und mit einer Autobatterie? Also etwas was man tragen kann und keine 50kg wiegt... Es reicht, wenn es nur ca.60°C heiß wird. Genügt um Gemüse & dünnes Fleisch anzubraten/dünsten :) EDIT1: Welche Energiequelle bräuchte ich um diese Mini-Kochplatte zu betreiben: http://www.amazon.de/ROMMELSBACHER-RK-501-AUTOMATIC-REISEKOCHPLATTE/dp/B0007VH7Q2/ref=pd_sim_la_1?ie=UTF8&refRID=1CKCCVV3X60DW9BV1B9G ?? Also 1ne Autobatterie oder wie?
Man könnte es mit einem Wechselrichter aus den USA (115V) versuchen. Dann hätte die Kochplatte nur 1/4 der Leistung (375W). Es würden dann 75Ah + Verluste für 2 Stunden reichen. Ob das genug Leistung zum Kochen ist, kann ich nicht sagen, da ich eigentlich nur auf einem Gasherd koche. Erol Be schrieb: > Welche Energiequelle bräuchte ich um diese Mini-Kochplatte zu betreiben: z.B. einen 500W Wechselrichter (230V) + Batterie mit 42Ah+Verluste @12V (für 1 Stunde kochen) Und du musst darauf achten, dass deine Batterie die 500W (42A @12V) bzw. 375W (32A @12V) auch liefern kann.
Ich verfolge den Thread von Anfang an. Aufgrund deines Verhaltens und Wissenstandes: Lass die Finger von so hohen Leistungen. Probierts hiermit: http://www.amazon.de/Campingkocher-Gaskocher-Kartuschenkocher-Nurgaz-Gaskartuschen/dp/B003H1A1C6/ref=sr_1_16?s=kitchen&ie=UTF8&qid=1395591746&sr=1-16&keywords=gaskocher+camping
hmm -fällt mir langsam so richtig auch nichts mehr zu ein - -nimm den Gaskocher, den Tim vorschlug. Sind die Laserpointer schon da? Lässt sich mit einem dieser Laserpointer mittlerweile der Ton EINES Generators unterbrechen, wenn Du die Hand in den Strahl hältst? Schade: mit dem Material, was ich Dir geschickt hatte, hättest Du eigentlich schon fertig sein können, das nur am Rande. OK, wenn euer Lehrer heiss darauf ist, die Platinen zu fräsen... Die durchkontaktierten 2.54mm Punktrasterkarten sind ja fast besser, was die Haltbarkeit bei Lötungelenkheit (Löt-ungelenkheit) betrifft. Hast Du dein Wissenstand schon entsprechend geskillt? Was macht ein Transistor wann und (etwas) warum? Warum piept der astabile Mulktivibrator überhaupt? Sowas alles. Will dein Lehrer bestimmt alles wissen. Liest er hier mit? Axelr.
Werde mich wohl für einen Gas-Kocher entscheiden >.< So viel dazu... Wenn mein lehrer hie rmitlesen würde, dann lege er sicherlich im Krankenhaus mit einem Herzinfarkt :'D Laserpointer sind da 4 stück... Wenn der Laser draufstrahlt ist ruhe :) Wenn mans unterbricht kommt ein Ton! Funktioniert wunderbar... Muss nurnoch fixiert werden eigentlich... Funktionsweise habe ich zu 80% verstanden
Wegen unserem Lehrer der Donnerstag frühzeitig schluss gemacht hatte. Kam ich nur dazu den Verstärker auf die Platine zu fräsen... Ich fotografier es ab und lad es gleich hoch wie sie aussieht. Sollte alles hoffentlich richtig gefräst sein :D! EDIT1: Bild ist hochgeladen ;)
Erol Be schrieb: > Ich fotografier es ab und lad es gleich hoch wie sie aussieht. 1MB ... stöhn ... (schon mal was von Bildformaten gehört?) > Sollte alles hoffentlich richtig gefräst sein :D! Das kannst nur DU wissen ! Ich sehe nur Punkte und Leiterbahnen ... Du hast hoffentlich einen Bestückungsplan gemacht. Anhand diesem vergleichst Du mit dem Schaltplan. Knotenpunkt für Knotenpunkt. Dann weisst Du. Was macht die Lichtschranke? Wann wirst Du nen Kondensator über das Lautstärke-Poti löten, um mal einen angenehmeren Klang zu haben? Um ihn dann mit dem Lautstärke-Poti kontrolliert wieder verzerren zu können. Hast Du schon mal einen tieferen Frequenzbereich (C1 & C2) probiert ? Wann wirst Du erstmalig mit gespreizten Fingern durch den Laserstrahl wedeln, um einen netten Mandolineneffekt zu herbeizuzaubern?
Alles zu seiner Zeit... Erstmal das Schul-Projekt weg... Habe übrigens in der Klassenarbeit eine 2,0 bekommen... Soviel zum Thema falscher Ergeiz... Ich verstehs doch weitestgehend :D Habe das Bild doch extra 1min. später verkleinert hochgeladen >.> Laser sind ja da... Aber sind unpassend dafür. Ich warte auf meinen nächsten Lohn kaufe mir dann diese 20€ Bauteile-Laser mache noch einen eigenen Plan für die Laser damit die sich sogar eventuell abwechseln im Schritt um eine Pieps melodie zu erhalten die sich wieder und wieder wiederholt. Freue mich sehr ;D
Erol Be schrieb: > Erstmal das Schul-Projekt weg... Genau! > Habe übrigens in der Klassenarbeit eine 2,0 bekommen... > Soviel zum Thema falscher Ergeiz... Ich verstehs doch weitestgehend :D Wow, Prima! :-) > Habe das Bild doch extra 1min. später verkleinert hochgeladen >.> Ich lese: 1 MB, 17 Downloads; 200 KB, 11 Downloads Vielleicht mögen die Leute ja auch keine kleinen Bilder ... ;-) > Laser sind ja da... Aber sind unpassend dafür. Schade, wieso? > mache noch einen eigenen Plan für die Laser damit die > sich sogar eventuell abwechseln im Schritt um eine Pieps melodie zu > erhalten die sich wieder und wieder wiederholt. Interessant... > Freue mich sehr ;D Ich mich auch! :-)
Habe nun in der Schule die Platine für den Generator gefräst :) Morgen wird gelötet & dann verbunden mit dem bereits fertigen Verstärker... Dann kommt ein Testdurchlauf & kleinere weitere Extras...
Meine Herren! Hier geht es weiter, falls noch Bedarf daran besteht mir zu helfen: Beitrag "Re: Funktionsbeschreibung (Ton-Generator & Verstärker)"
Bitte melde dich an um einen Beitrag zu schreiben. Anmeldung ist kostenlos und dauert nur eine Minute.
Bestehender Account
Schon ein Account bei Google/GoogleMail? Keine Anmeldung erforderlich!
Mit Google-Account einloggen
Mit Google-Account einloggen
Noch kein Account? Hier anmelden.


























































































