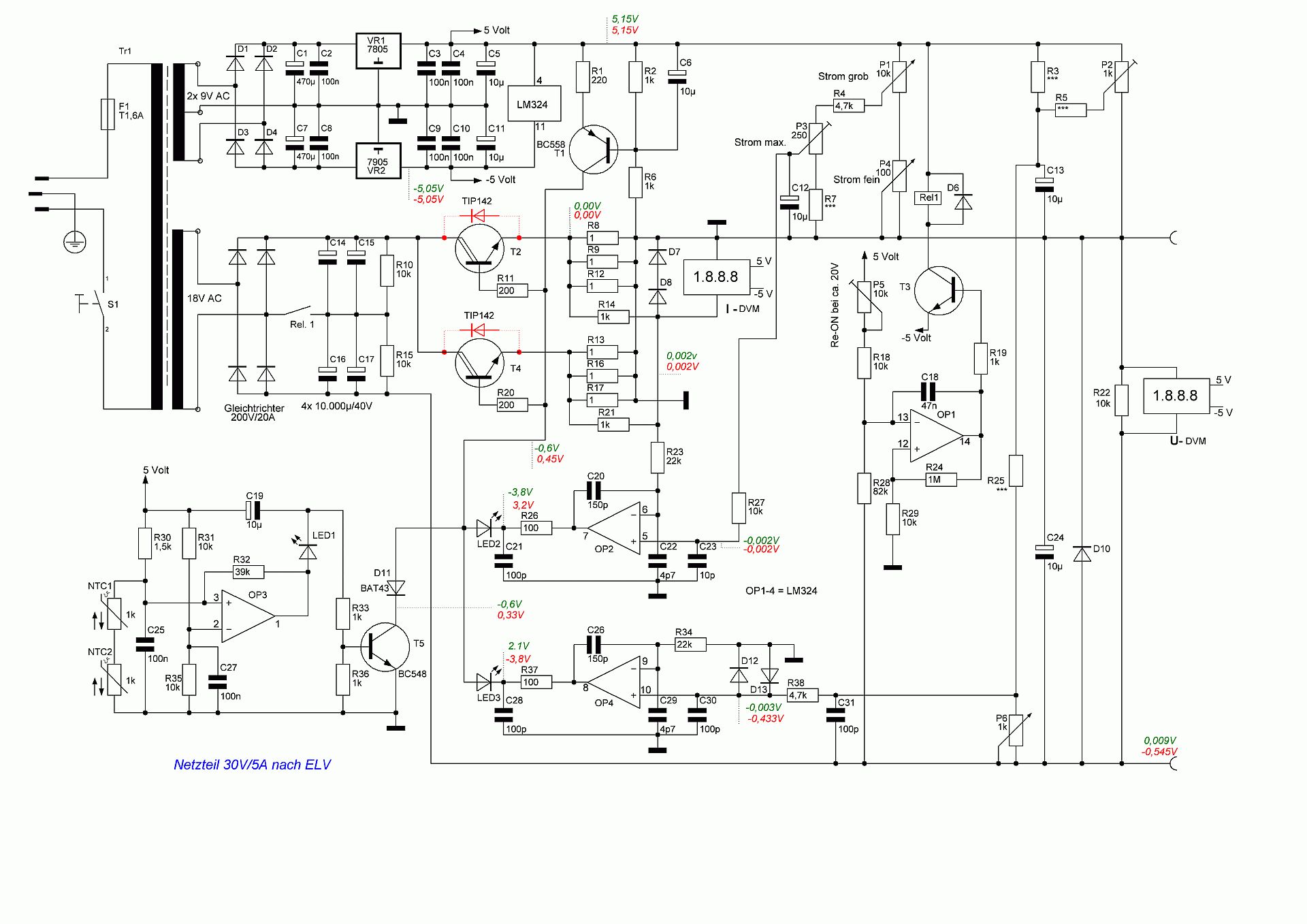
Hallo Leute, zunächst mal die besten Wünsche zum neuen Jahr. Meins beginnt nicht erfreulich! Vor gut 20 Jahren habe ich mir ein Labornetzteil gebaut. Dazu habe ich damals einen Bausatz von ELV gekauft (nö, sogar 2), dieser schien mir durchaus brauchbar. Das Ding habe ich für 30V und 5A ausgelegt und so hat es mir bisher immer gute Dienste geleistet. Bis vorgestern: Ich hatte einen Akku geladen (wie schon hundert mal vorher) und später die Spannung zurück geregelt. Dabei war der Akku noch dran, hatte ich übersehen. Am Display zur Stromanzeige stand dabei irgendwas von etwa -800mA. Soweit auch klar, den Akku habe ich sofort abgezogen. Ich bin mir sicher, sowas ist mir früher bestimmt auch mal passiert, ohne Folgen ;-) Jetzt aber schon! Wenn ich Strom und Spannung auf Null stelle (Ausgang offen) springt die Stromregelung an, am Voltdisplay stehen rund -0,050V. Also negativ. Zunächst hatte ich die Endstufentransistoren im Verdacht, sind ok. Ich habe dennoch neue eingesetzt, brachte natürlich nichts. Dann den OPV getauscht, nix... Alle Dioden getauscht, nix, der Fehler bleibt! Die Elkos (außer Ladeelko) getauscht, nix.... Alle Rs nachgemessen, sind ok. Natürlich habe ich auf Schwingungen getestet, alles stabil! Irgendwie stehe ich jetzt auf dem Schlauch. den Schaltplan habe ich rauf und runter verhirnt, jetzt habe ich einen Knoten im Kopf und muss passen! Ich brauch mal einen Anschieber ;-) Was kann denn überhaupt passiert sein, wenn die externe Spannung höher ist als die eingestellte? Anbei der Plan. Old-Papa
Old Papa schrieb: > Dann den OPV getauscht, nix... > Alle Dioden getauscht, nix, der Fehler bleibt! > Die Elkos (außer Ladeelko) getauscht, nix.... > Alle Rs nachgemessen, sind ok. LM324 tauschen.
Peter Xuang schrieb: > Old Papa schrieb: >> Dann den OPV getauscht, nix... >> Alle Dioden getauscht, nix, der Fehler bleibt! >> Die Elkos (außer Ladeelko) getauscht, nix.... >> Alle Rs nachgemessen, sind ok. > > LM324 tauschen. Aha, und der LM324 ist was? Richtig! Ein OPV.... ;-) der Neue ist auch drin geblieben. Old-Papa
Old Papa schrieb: > Wenn ich Strom und Spannung > auf Null stelle (Ausgang offen) springt die Stromregelung an Das ist bei meinem LNT aber auch so. Viel interessanter ist doch aber, was passiert, wenn du eine Last an den Ausgang anschliesst und dann mal ein paar dutzend mA da reinschickst. Lässt sich die Spannung noch regeln? Welche Spannungen hast du wo schon mal nachgeprüft? Also z.B. die +/- 5Volt, oder die Hauptspannung am Trafo und nach dem GR. Machen die Opamps auch, was sie sollen? Siehe Artikel über Opamps: http://www.mikrocontroller.net/articles/Operationsverst%C3%A4rker-Grundschaltungen Beachte dabei, das IC3B und IC3C als Komparatoren geschaltet sind.
> Am Display zur Stromanzeige stand dabei irgendwas von > etwa -800mA. Soweit auch klar, Ja wirklich? Mir ist das keineswegs klar. Mein Labornetztel hat kein Problem, wenn man Ausgang eine Fremdspannung anliegt. Diese Situation ist alltäglich, selbst ein Kondensator im angeschlossenen Verbraucher würde dieses Szenario auslösen. Dabei sollte kein so hoher Strom fließen. Bei weitem nicht. Ich sehe auch im Schaltplan keinen Pfad, der die 800mA erklären könnte.
Old Papa schrieb: > Ich brauch mal einen Anschieber ;-) Hast du nun eigentlich ein Problem, mal abgesehen von den -50mV? So recht steht das nicht drin. Funktioniert es bei mittlerer Ausgangsspannung mit etwas Last ohne Strombegrenzung? Wenn nicht, dann könntest du mal den Plan gründlich mit gemessenen Spannungen verzieren, vorzugsweise gegenüber Masse - also Vout+ - nicht gegenüber Vout-.
@Old Papa: Was sprechen denn die beiden Leuchtdioden D12 (Strombegrenzung) und D13 (Spannungsbegrenzung)?
A. K. schrieb: > Hast du nun eigentlich ein Problem, mal abgesehen von den -50mV? So > recht steht das nicht drin. Es wird immer obskurer.
Hi, Sind alle Hilfsspannungen OK? Schau dir mal T1, D9, D10 und die umliegende Schaltung an, sowie D17 und T4. Was passiert, wenn du D17, D12, D13 entfernst? Welches Potenzial ist dann an den Basen der Leistungstransistoren (bzgl. ST8)? Welche Spannung liegt an den Kollektoren an, was fällt über der CE-Strecke ab. Eigentlich müssten die Transistoren volle Pulle aufsteuern und du müsstest am Ausgang max. Spannung haben, natürlich ungeregelt. An sonsten ist die schaltung nicht so anspruchsvoll, dass sie unwiederbringlich kaputt ist. Evtl. auch auf durchgebrannte Leiterbahnen checken. Beste Grüße, Marek
Falls dich die -50mV stören: Die sind nicht weiter erstaunlich, da die negative Versorgung der OPVs -5V gegenüber Vout+ beträgt, also ohne Ausgangsspannung auch negativ gegenüber Vout- ist. Wenn einer der U/I OPVs abschaltet besteht ein Strompfad über die Emitterwiderstände, R30/31, D9/10 und den betreffenden OPV gegen -5V bzgl. Masse/Vout+.
Stefan Us schrieb: > Dabei sollte kein so hoher Strom fließen. Bei weitem nicht. Ich sehe > auch im Schaltplan keinen Pfad, der die 800mA erklären könnte. War auch das erste wonach ich suchte. Und nichts fand. Ausser natürlich wenn Vout+ negativ gegenüber Vout- wird. Da Vout- praktisch nirgends in der Schaltung auftaucht kann es nur die -5V Versorgung der OPVs gewesen sein, die für die -800mA sorgten. Aber wo ist der Strompfad, der 800mA aushält ohne dass die halbe Schaltung abgeraucht ist?
Oha, muss erstmal sortieren ;-) Also, die beiden Hilfsspannungen stehen 1A gemessen habe ich natürlich gegen Masse (also +Ausgang) Das da eine negative Spannung steht ist nervig, vor allem, weil auch ein Strom fließt (laut Stromdisplay etwa -600mA) Bei Ausgangsbelastung mit 5 Ohm, geht der etwas zurück. Am zweiten Kanal (ist ein Dualnetzteil) ist alles so wie immer! Alles auf Null bei Nullstellung. Die beiden LEDs leuchten korrekt, also je nach Funktion mal Spannung, mal Strom. Habe beide auch schon getauscht. Wenn ich das Strompoti etwas aufregel, springt alles auf Null und steht wie immer. Nur in Nullstellung entstehen die Negativwerte. D16 habe ich auch schon getauscht oder auch weg gelassen, der Fehler bleibt. Einzig D17 könnte ich übersehen haben. Testweise habe ich auch die beiden DVMs entfernt. Eins liegt mit Spannungsteiler über D10/D9 für Strom und eins über R29 für Spannung. Spannungsversorgung für die DVMs umgebaut auf +/-5V. Funktioniert ja auch seit über 20 Jahren. Mich irritiert halt, das da überhaupt eine negative Spannung entsteht und dadurch der negative Strom fließt. Ich werde morgen mal die jeweiligen Spannungen eintragen, auch die vom intakten Kanal. Vielleicht löst sich ja heute Nacht noch mein Kopfknoten ;-) Old-papa
Old Papa schrieb: > Mich irritiert halt, das da überhaupt eine negative Spannung entsteht > und dadurch der negative Strom fließt. Die Spannung irritiert mich nicht. Nochmal: Die negative Hilfsspannung ist stets negativ gegenüber Vout+ und diese 600-800mA kann der 7905 vermutlich auch liefern. Nur wo dieser Strom fliesst ist das Rätsel.
Ich würde übrigens D16 durch eine ersetzen, die 5A verdauen kann. Diese Diode kriegt ggf. Arbeit, wenn die Kanäle deines Doppelnetzteils irgendwie zusammengeschaltet werden, und muss dann die vollen 5A verkraften können.
Oups, habe zum Strommesser Blödsinn geschrieben! Der liegt vom Knotenpunkt R30/31 und D10 nach Masse. Es wird also der Spannungsabfall der Emitterwiderstände gemessen. In der Vergangenheit habe ich mehrfach versucht, beide Kanäle parallel zu schalten. das gelang nie wirklich, zumindest im Leerlauf ist immer ein Strom von einem in den anderen Kanal geflossen, wenn ich nur ein paar Millivolt Spannungsunterschied hatte. Allerdings ist nie ein Schaden entstanden. Ich mach morgen weiter, heute sehe ich eh nur noch Nebel ;-) Old-Papa D16 ist eine Schottky mit 10A ;-)
Old Papa schrieb: > habe zum Strommesser Blödsinn geschrieben! Der liegt vom Knotenpunkt > R30/31 und D10 nach Masse. Es wird also der Spannungsabfall der > Emitterwiderstände gemessen. Nicht ganz. ;-) Du misst nämlich auch die Spannung über R30/31 mit, und dank D9/10 fliesst der Ableitstrom der OPVs da durch. Den Strom durch D9/10 kriegst du immer mit auf die Rechnung, wenn einer der OPVs runterzieht. Deine -600-800mA sind eine Scheinanzeige, nicht der echte Strom. Weshalb die auch sofort verschwindet, wenn beide Regler aufmachen.
Mal in der Bauanleitung nachschauen, wie die Ausgangsspannung von 0V eingestellt wird, da gibt es ein paar Einstellregler. Kann sein, dass der Fehler schon eine Weile vorhanden ist, selten wird eine Spannung von 0V eingestellt.
Hmmm, das ich den Ableitstrom mit messe stimmt wohl.... Aber ist erstmal egal, am anderen Kanal funktioniert das auch genau so. Die Einstellregler dienen nur zur Maximaleinstellung. Der Nullpunkt wird nirgends eingestellt. In den Darlingtons liegen noch Dioden von E nach C, und Rs von B nach E (ca. 8k) die muss man virtuell noch einzeichnen. Old-Papa
Muss nicht der U-Regler sein, kann auch der I-Regler sein, einschliesslich Offset-Spannung/Strom vom LM324. Kann dazu führen, dass in einem deiner Netzteile die beiden OPVs nicht gänzlich abregeln und im anderen dank Toleranzen schon.
Old Papa schrieb: > Wenn ich das Strompoti etwas aufregel, springt alles auf Null und steht > wie immer. Dann würde ich mal das Poti überprüfen, nicht das da die Kohleschicht beschädigt ist.
lutz h. schrieb: > Mal in der Bauanleitung nachschauen, wie die Ausgangsspannung von 0V > eingestellt wird, da gibt es ein paar Einstellregler. Kann sein, dass > der Fehler schon eine Weile vorhanden ist, selten wird eine Spannung von > 0V eingestellt. Den I-Regler kannt man mit R7 so einstellen, dass er bei Nennstrom 0 gerade noch nicht abschaltet. Denn sobald der I-Regler seinen Ausgang auf Minimum stellt spinnt die I-Anzeige und die Ausgangsspannung wird leicht negativ. Im U-Regler dürften R8-10 ein ähnliche Rolle spielen => "Siehe Text". Im ursprünglichen Szenario mit dem Akku lief das ähnlich. Der U-Regler hat bestimmungsgemäss seinen Ausgang auf Minimum gezogen und dadurch hat die I-Anzeige gesponnen. Der Strom ist nie geflossen und es war danach vermutlich noch alles in Ordnung. Diese -50mV mit spinnerter Stromanzeige bei Einstellung 0/0 waren auf dieser Seite des Netzteils möglicherweise vorher schon da. Nur nie ausprobiert, aber dieses Mal schon...
Das beide Regler OPs bis zum neg Anschlag gehen könnte je nach Offset der OPs passieren. Der OP vom Stromregler sollte auf den scheinbaren negative Strom ansprechen und entsprechend nur begrenzt weit runter gehen, vielleicht -1..-10 mA, was halt der OP als Offset hat. Der OP von der Spannung könnte weiter runter gehen und dürfte dann auch den scheinbaren negativen Strom verursachen. Das sollte auch bei einer intakten Schaltung passieren. Man könnte sich einen OP mit passenden Offset aussuchen, so dass die eingestellte Spannung nie negativ wird. Alterantiv könnte man ggf. einen Abgleich nachrüsten, etwa als kleiner Widerstand in reihe zu R28. Oder man sorgt wie beim Stromregler dafür das der OP nie so weit runter geht das D9,D10 leitend werden, ggf. mit 2 oder 3 Diode von - Eingang zur LED.
Zwei Korrekturen: 1. Die Ausgangsspannung ist -0,54x Volt, der Strom derzeit "nur noch" -4mA. Die -600 bis -800mA waren nach der Akkuorgie, danach habe ich als erstes den LM324 getauscht (da Fassung). Der hatte wohl doch einen weg.... 2. Ich habe jetzt testweise D16 raus genommen (war handwarm) und ohne stehen -1,7x Volt am Ausgang (ohne Last) Mit 5 Ohm Last bricht die Spannung auf 0,0 zusammen, die -4mA bleiben. Die lassen sich mit dem Strompoti auch auf Null wegregeln, wenn ich dieses leicht öffne. Das Ding bau ich morgen mal aus. Blöd, weil es in die Frontplatte geklebt ist... Old-Papa PS: Ich werde die ganze Schaltung mal neu aufzeichnen, da ich die Rohspannung mit Verdopplerschaltung (umschaltbar auf einfach oder ab 20V Out auf doppelt) erzeuge. Das sollte hier aber zumindest diesen Fehler nicht verursachen.
So, die letzte Aktion heute: Das Strompoti habe ich testweise durch ein externes ersetzt, der Fehler bleibt. Hätte mich auch gewundert, ist eins aus der "guten alten Zeit" ;-) Old-Papa
Gibts etwas zu R7-R10 beizutragen? Weder stehen Werte dran, noch der Text dazu.
Zu den Widerständen gab es eine Tabelle, je nach gewünschter max. Spannung und max. Strom wählt man die aus. Ich trage dann die realen Werte ein. Das mit den -50 mV war halt ein Schreibfehler.... In wirklich halt -0,5x Volt. Die -1,7x Volt stehen nur bei ausgelöteter Schutzdiode an. Warum ich die über -600 mA noch im Kopf hatte, weiß ich nicht richtig, bei der ganzen Verhirnerei hatte sich das wohl so festgesetzt ;-) Wie schon geschrieben, ich zeichne das morgen neu und trage auch die sehr unterschiedlichen Spannungen beider Kanäle mal ein. Old-Papa
Spannungswerte an diversen Punkten bei 0V/0A wären hilfreich: C10-11 IC3/5-7 IC3/8-10 Basis T2/3 Idealerweise von beiden Kanälen.
Old-Papa, überschlaf die ganze Sache erst mal. Und geh das dann mit System ran. Erstmal ohne Strombegrenzung. Der Effekt kann durch den Fehler eigentlich nicht entstanden sein. Die Vorwiderstände des OPV sind doch sehr groß. ich bedaure aber niemanden, der sein NT zerschießt, weil er einen Akku lädt und dazu die interne Strombegrenzung benuzt. Wenn, dann mit einem fetten Regelwiderstand am Ausgang.
michael_ schrieb: > Der Effekt kann durch den Fehler eigentlich nicht entstanden sein. Die > Vorwiderstände des OPV sind doch sehr groß. Naja, den realen Strom kennen wir nicht. Nur eine Anzeige mit eingebauten Messfehler in dieser Situation. > ich bedaure aber niemanden, der sein NT zerschießt, weil er einen Akku > lädt und dazu die interne Strombegrenzung benuzt. Wobei mir an dieser Schaltung nichts auffällt, das sich ernsthaft dran stören sollte. Der übliche Kandidat B-E-Strecke passt hier nicht. Allerdings könnte die nicht gezeigte tatsächliche Eingangsspannungs-Schaltung die Situation vielleicht noch ändern.
Old Papa schrieb: > PS: Ich werde die ganze Schaltung mal neu aufzeichnen, da ich die > Rohspannung mit Verdopplerschaltung (umschaltbar auf einfach oder ab 20V > Out auf doppelt) erzeuge. Trotzdem wäre interessant, wie hoch die Akkuspannung war und welchen Wert du anschliessend eingestellt hast.
A. K. schrieb: >> ich bedaure aber niemanden, der sein NT zerschießt, weil er einen Akku >> lädt und dazu die interne Strombegrenzung benuzt. > > Wobei mir an dieser Schaltung nichts auffällt, das sich ernsthaft dran > stören sollte. Der übliche Kandidat B-E-Strecke passt hier nicht. Manche Sachen macht man eben nicht! Harmlos ist noch das Zerschießen der Schutzdiode durch die Akkuspannung. Ich hab aber schon mehrere NT reparieren müssen, wo auch der FET oder die Transis dran glauben mußten. Wenn man einen externen Widerstand benutzt, ist der Rückstrom ungefährlich, wenn man das NT abschaltet und der Akku ist noch dran.
A. K. schrieb: > Trotzdem wäre interessant, wie hoch die Akkuspannung war und welchen > Wert du anschliessend eingestellt hast. Hmmm, Akkuspannung etwa 20 Volt, 900mAh-NiCad. Dieser aber schon halb tot, also liefert keine hohen Ströme mehr. Netzteilkanal von 22V auf unter 15Volt runter geregelt. Ich wollte eigentlich das "Strompoti" regeln. Habe ich immer so gemacht: Strom auf Null um die Leerlaufspannung des "geladenen" Akkus zu sehen. Blöd, wenn man das falsche Poti erwischt. Ich stell das Ding erstmal in die Ecke, zeichne den Plan und dann sehen wir weiter. Old-Papa
Richtig! Und leiste dir auf deine alten Tage noch mal ein Ladegerät!
Oooch, Ladegeräte habe ich ein halbes Dutzend ;-) Das LNT nehm (nahm) ich nur für halbtote Akkus. Damit habe ich im Laufe der Jahre viele wieder zum Leben erweckt. Manche aber nur kurzzeitig... ;-) Ich hol erstmal meinen 723er Doppelbrocken aus der anderen Werkstatt, die jetzige Halbleiche wird weg gestellt. Old-Papa (Der mal wieder nicht schlafen konnte. Sowas dreht sich noch im Bette durch die Birne...)
Sind die Sekundärwicklungen des Trafos noch vollständig isoliert?
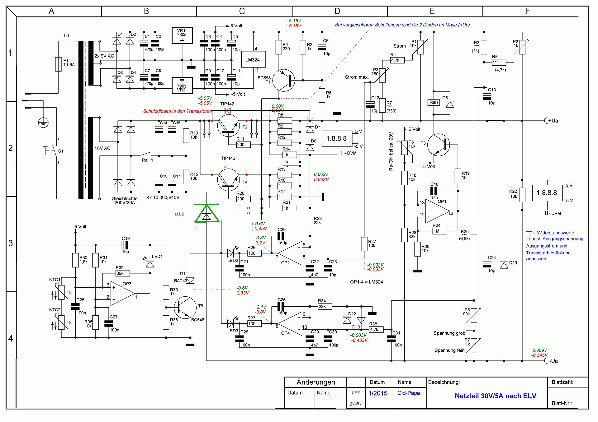
Guten Morgen! Trafo? Auf den würde ich zuletzt kommen. Zumindest von der Primärwicklung ganz sicher, es sind zwei Kammern. Jeder Kanal hat einen eigenen Trafo, ich mess mal nach.... Die Dinger habe ich sekundär selber gewickelt, eigentlich war ich damals sehr gründlich. Ich habe jetzt noch andere Schaltungen von ELV verhirnt und mir ist was aufgefallen: Die Schutzdioden D9/10 sind dort immer nach Masse gelegt (also Parallel der Emitterwiderstände), hier nach C von T1. Nach Masse hat wohl eher Sinn. Ich muss nachher mal sehen, ob die Platinen anders als der gezeichnete Plan sind. Damals habe ich das Ding bestückt, etwas verändert (Rohspannung...) und gut. Hat alles funktioniert, da überlegt man ja nicht tiefgründig ;-) Jetzt konnte ich mir die Anschaltung an T1 nicht recht erklären.... Old-Papa
Ich hatte mal einen Trafo, bei dem war im Laufe der Jahrtausende die Isolation (Lack) zwischen den Sekundärspulen schlechter geworden, vielleicht wurden die Lackdrähte auch mal zu warm. Das Gerät verhielt sich jedenfalls warm anders als kalt, man konnte sich scheckig suchen.
Misst Du die Spannungen/Ströme mit einem Multimeter oder liest Du von der eingebauten Digitalanzeige ab? Du könntest die ICL7107 zerschossen haben. Die vertragen nicht allzu viel!
Hallo, Ich lese sowohl die eigenen LCD-DVM ab, als auch, dass ich extern messe. Beides in der Toleranz gleich. Die ICL7106 habe ich schon getauscht, nix. Auch wenn ich beide DVMs komplett abklemme, der Fehler bleibt. @AK, warum? Die Anzeigen brauchen max 0,199Volt für Vollausschlag. Oder wie meinst Du das? Old-Papa
Old Papa schrieb: > @AK, warum? Die Anzeigen brauchen max 0,199Volt für Vollausschlag. Oder > wie meinst Du das? Nö. Fehler meinerseits.
Hallo Old Papa, zunächst ein gutes neues Jahr. Ich habe mir den Schaltplan angesehen und ein wenig darüber nachgedacht. Als gestresste Bauteile sehe ich C9 und T1. Immer wenn das Netzteil abgeschaltet wird, und die 5Volt Hilfsspannung wegfällt während die Haupt- oder Ausgangsspannung noch ansteht, fließt ein Rückwärtsstrom über R30/31, D9/10 C-B von T1 und durch C9. Der Strom wird durch die Widerstände R30/31 zwar begrenzt, aber auf lange Zeit könnte er die Basis von T1 oder C9 beschädigen. Ist zwar eher unwahrscheinlich, aber nicht unmöglich. Gruß. Tom
Genügend Strom in Rückrichtung das die Diode D16 merklich warm wird, aber gleichzeitig ein zusammenbrechen der Spannung auf unter 0,1 V mit 5 Ohm Last (d.h. weniger als 20 mA) passt irgendwie nicht zusammen. Von daher hätte ich den Verdacht, dass die Schaltung doch schwingt, und der 5 Ohm Widerstand schon ausreicht um das zu stoppen. Die Gefahr für Schwingungen ist am größten, wenn der Spannungsregler auf 0 steht. Einen Einfluss auf die Schwingungsneigung könnten Alterung bei Ausgangs- und Lade- Elkos haben. Wenn man die Schaltung vorher getestet, angefasst, ggf. sogar was gelötet hat, kann man sich mit dem Handwarm auch getäuscht haben. Die Schaltung sollte eigentlich recht robust gegen Spannung vom Akku sein: Der Elko C11 bekommt je nach Werten von R8,R9,R10 eventuell eine leicht negative Spannung, aber der ist nicht so wirklich kritisch für die Schalung und der Schaden wäre ein anderer. Die LED D12 könnte eine grenzwertige Sperrspannung bekommen, mehr als 7 V sollten es aber auch nicht werden, eher weniger je nach Ausführung vom LM324. R27 und D15 dürften deutlich mehr als 20 V Vertragen. Ein kleiner Strom (vielleicht 0,5 mA) in die falsche Richtung könnte ggf. auftreten, über die Ref. Spannungsquelle. Die etwa -0,5 V bzw. -1,7 V ohne die Diode könnte man damit ganz gut erklären. Ein Offset bei der Stromeinstellung verhindert dass die Spannungsregelung nichts gegen die negative Spannung tut.
So, heute habe ich die Krücke mal stehen gelassen und stattdessen den Plan gezeichnet. Sowas hält dann doch länger auf, als geplant ;-) Ich habe in grün die Spannungswerte des intakten Kanals und in rot halt die vom defekten eingetragen. Gemessen gegen die Plusbuchse mit gutem Tischmultimeter (Kontron). Ich hoffe mich nicht vertan zu haben, hab ja gestern Nacht per Hand alles eingetragen (da war ich noch konsterniert ;-))) Alle Werte bei eingelöteter Schutzdiode (D16, neu D10). Die beiden Dioden (D9/10 alt, neu D7/8) habe ich nach Masse gezeichnet. Ich muss aber noch nachsehen, ob das auch wirklich so ist. Wie schon geschrieben, zum T1 erscheinen die mir nicht sinnvoll. Im gezeichneten Plan sind die BE-Nummern leider auf der Strecke geblieben, alles händisch nummerieren wollte ich dann doch nicht. Die fehlenden R-Werte an den Einstellreglern muss ich erst ausmessen. Über die Tip142 habe ich die eingebauten Dioden angedeutet, hilft beim Schaltungsverstehen ,-) Old-Papa
Vergleich mal die Spannung an der Basis T2/3 (0,45V) mit der an LED3 (-3,8V). Demzufolge läuft die LED mit 4,25V!
A. K. schrieb: > Demzufolge läuft die LED mit 4,25V! Folge: OP4 ist am unteren Anschlag und schafft es wg. der zu hohen Durchlass-Spannung von LED3 dennoch nicht, T2+T4 ausreichend zuzumachen, so dass der Ausgang 0V werden kann. => Schalte mal testweise parallel zur LED3 eine weitere LED.
Hallo, für mich ist der "Fehler" im Spannungsregelpfad. Hat C16/C26 einen Kurzschluß? Ansonsten: Ich finde es mutig einem TIP142 2,5A bei 30-40V zu betreiben. Ich hätte da mindestens die doppelte Anzahl TIPs verwendet. Gruß Anja
Anja schrieb: > Ansonsten: Ich finde es mutig einem TIP142 2,5A bei 30-40V zu betreiben. > Ich hätte da mindestens die doppelte Anzahl TIPs verwendet. Ist mit rund 50W pro Transistor an der Grenze, sollte aber noch funktionieren. Thermoschutz hat er ja. Vergiss die Eingangsspannungsumschaltung nicht. In der SOA liegt er auch ohne diese Umschaltung noch, 40V/2,5A sind zulässig.
Anja schrieb: > Hat C16/C26 einen Kurzschluß? Wie kommst du auf C16? Wenn C26 einen Kurzschluss hätte, dann würde OP4 einfach als Spannungsfolger arbeiten, seine Ua wäre dann -0,43V.
T1 ist eine Stromquelle die den Basisstrom für T2 und T4 liefert. Sind die Transistoren i.O.? möglicherweise ist auch eine Gleichrichterdiode defekt.
lutz h. schrieb: > T1 ist eine Stromquelle die den Basisstrom für T2 und T4 liefert. > Sind die Transistoren i.O.? Denke schon, denn die -3,8V sind genau das, was der LM324 laut Datasheet bei 10mA als Mindestausgangspannung liefert. Bei höherem Strom würde er das nicht mehr schaffen. Nö, entweder ist LED futsch, oder er hat statt der blauen LED (I-Regler anderer Kanal) 2 rote/grüne in Serie drin. Dafür reicht die Spannung nicht.
A. K. schrieb: > die -3,8V sind genau das, was der LM324 laut Datasheet > bei 10mA als Mindestausgangspannung liefert Du musst aber noch 1V an R37 addieren.
ArnoR schrieb: > Du musst aber noch 1V an R37 addieren. Stimmt. Allerdings kriege ich den Eindruck, dass die Schaltung für rote/grüne LEDs (~2,1V) dimensioniert wurde und mit blauen LEDs (~3,2V) nicht mehr viel Spielraum hat.
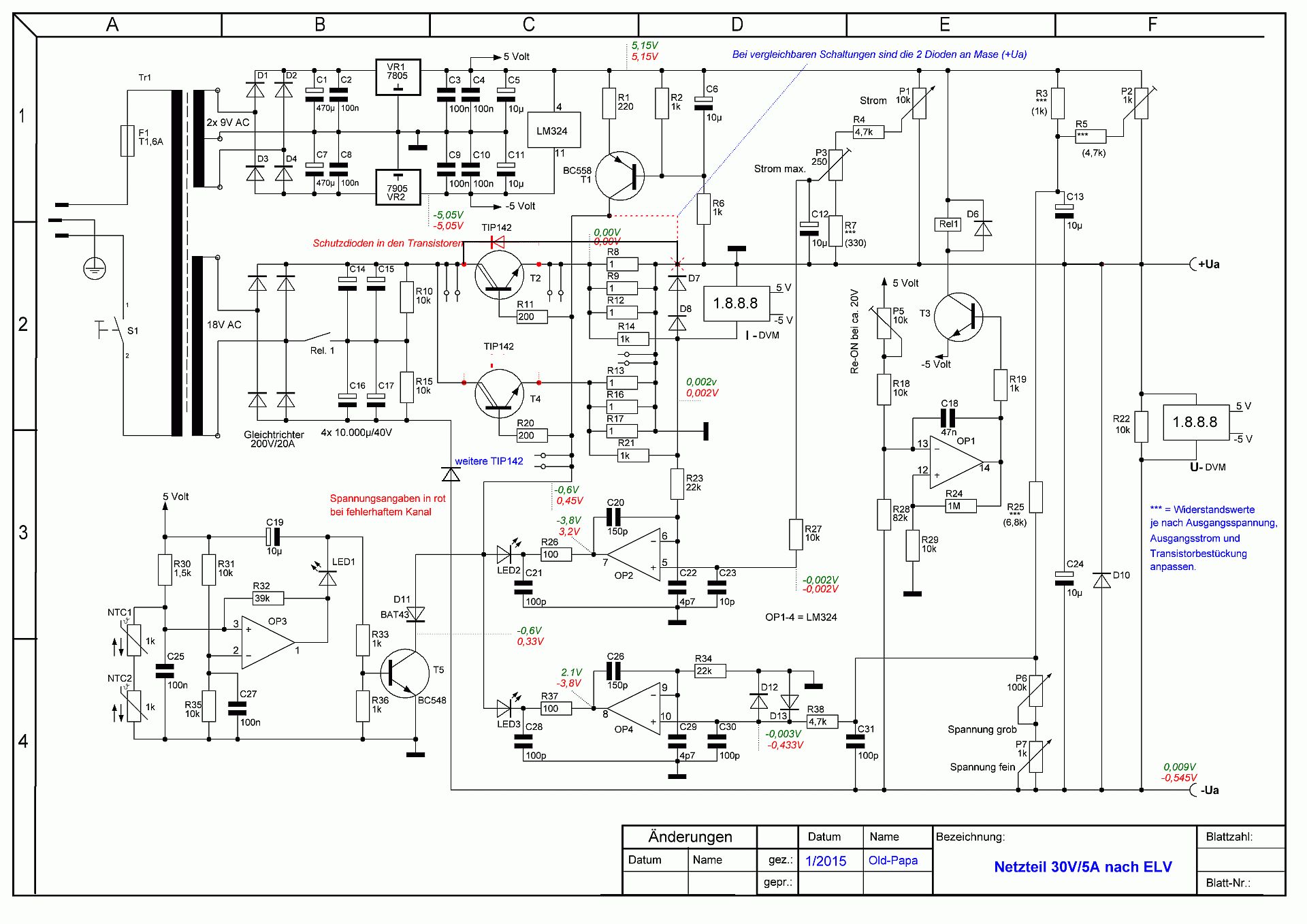
Hallo, es ist in wirklich so, dass ich ursprünglich je 4x TIP142 verbaut hatte. Jetzt beim Komplettausch habe ich zunächst nur je 2 verbaut, hatte einfach nicht mehr ;-) Kommt aber (wenn ich diesen Drahtverhau nicht endgültig beerdige) wieder auf 4x Tip142. Die beiden Dioden (neu D7/8) gehen auf der Platine tatsächlich an C von T1, wie in der Originalschaltung gezeigt. Wat nu? Alle Anzeige-LEDs sind rot, Blau kommt mir an kein Werkstattgerät! Alle Kondensatoren hatte ich gestern zumindest auf Kurzschluss getestet, sind iO. Bevor ich weiter mache, muss ich den Drahtverhau mal besser ordnen. Das ganze Gerät habe ich damals in einem Bretterverschlag auf meinem Dachboden "gezimmert". Ich brauchte dringend ein Netzgerät und wollte selber bauen. Dabei habe ich die ELV-Platinen genommen und wie im neuen Schaltplan zu sehen, umgebaut. Die Änderungen aber nur skizzenhaft im Originalplan aufgepinselt, manchmal war man(n) halt faul. Die ganzen Leitungen von DVMs, Potis, LEDs, Netzschalter usw. zur Frontplatte sind zwar halbwegs gruppiert, aber relativ lang. Vor allem, damit ich die Platinen und die Frontplatte abklappen kann. Dann noch die Leitungen zur separat aufgebauten Rohspannung, zu den Relais und zu den Endtransistoren, das ergibt zusammen mit dem vorhandenen (engen) Gehäuse einen veritablen Drahtigel ;-) Herzeigen unmöglich! ;-) Heute würde ich dafür je Kanal eine Platine entwerfen. Vorne Potis und LEDs, hinten die Transistoren, seitlich die Stromversorgung und die Anzeigen separat. Ich würde auch passend ein eigenes Gehäuse fertigen, Werzeug und Maschinen sind inzwischen ja da. Inzwischen ist der Bretterverschlag auch einem kompletten Dachausbau mit Heizung und Gedöhns gewichen. Werkzeug, Messmittel und Kenntnisse sind auch gewachsen. So, ich geh nochmal auf die Suche, schau nachher nochmal rein.... Old-Papa
Bei so einer nicht ganz so einfachen Schaltung würde ich einige Funktionsgruppen abkoppeln, weil man sonst nicht systematisch suchen kann. Die Temperaturschutzschaltung würde ich über D11 erst mal abklemmen, dann die LEDs von der Stromregelung und der Spannungsregelung auch und dann die Kreise zu den Anzeigen. So das man im Ausschlussverfahren, versuchen kann, den Fehler besser einzukreisen. Teile der Schaltung haben rückwirkende Eigenschaften und da ist es eben nicht so einfach die Funktion nachzuvollziehen.
Old Papa schrieb: > Alle Anzeige-LEDs sind rot, Blau kommt mir an kein Werkstattgerät! Beim funktionierenden Kanal gibts -0,6V am einen und -3,8V am anderen Ende von LED2. Bisschen viel für eine rote LED. Miss nochmal direkt an allen LEDs deren Spannung. Wenn da etwas anderes rauskommt, dann solltest du mal kontrollieren, ob das nicht zufällig eine Playstation-Platine statt der gedachten Netzteil-Platine ist. Wenn das alles keinen Sinn ergibt, dann schwingt da vielleicht doch was.
A. K. schrieb: > Beim funktionierenden Kanal gibts -0,6V am einen und -3,8V am anderen > Ende von LED2. Bisschen viel für eine rote LED. Das werden wohl Spannungen gegen Masse gemessen worden sein. Welche Spannung(bis zur Flussspg.) an der LED abfällt und welcher Strom jeweils durch die Dinger fließt ist entscheidend. Die OP`s liefern dann den LED-Strom und ziehen die Steuerspannung darüber für die TIP`s runter.
Oha, Vielleicht habe ich bei den LEDs auch hinter den 100 Ohm gemessen. Vorhin habe ich nochmal die LM324 getauscht (habe davon noch etliche in den Schachteln) und siehe da: Der Kanal tut so, als hätte er nie einen Fehler! Ich werde morgen die verdächtigen nochmal zurück stecken, dann sollte der Fehler ja wieder da sein. Wenn nicht, dann muss nochwas sein. Schwingen kann ich zumindest ausschließen, ich habe in allen Lastbereichen und an allen möglichen Punkten getestet, da war nichts. Old-Papa
Old Papa schrieb: > Vielleicht habe ich bei den LEDs auch hinter den 100 Ohm gemessen. Das ergibt deutlich mehr Sinn.
Old Papa schrieb: > Wenn ich das Strompoti etwas aufregel, springt alles auf Null und steht > wie immer. Nur in Nullstellung entstehen die Negativwerte. Vielleicht hat das Poti genau da keinen Schleiferkontakt, kommt vor... Gruß Mani
Old Papa schrieb: > Vorhin habe ich nochmal die LM324 getauscht (habe davon noch etliche in > den Schachteln) und siehe da: Der Kanal tut so, als hätte er nie einen > Fehler! Old Papa schrieb: > Peter Xuang schrieb: >> Old Papa schrieb: >>> Dann den OPV getauscht, nix... >>> Alle Dioden getauscht, nix, der Fehler bleibt! >>> Die Elkos (außer Ladeelko) getauscht, nix.... >>> Alle Rs nachgemessen, sind ok. >> >> LM324 tauschen. > > Aha, und der LM324 ist was? Richtig! Ein OPV.... ;-) > > der Neue ist auch drin geblieben. > > Old-Papa Danke für deine Rückmeldung... :-)
So Männers, nu geht das Monster wieder. So richtig bin ich noch nicht schlauer, aber es geht. Letztlich geht die Kiste wohl nur mit ganz bestimmten OPVs, ich habe wahllos welche aus der Schachtel versucht. Den ersten (der Jahre drin war) hatte ich vorgestern schon entsorgt. Der unbenutzte, den ich danach versuchte, der wollte nicht so richtig. Dann noch einen und noch einen.... Dann einer der geht! Ich habe nochmal auf Schwingungen getestet (mit Oszi und 1:10-Kopf), nichts! Egal welche Last oder Spannung, auch beim Potidrehen, nichts. Anbei noch ein paar Fotos, ich zeige sogar den Drahtverhau ;-))) Sieht schlimmer aus als es in wirklich ist. Zwei M102B-Trafos, die 8x 10.000µ Elkos und die beiden Graetzbrücken nehmen gut die Hälfte an Platz ein. Auf der Frontplatte ist auch alles eng, eine Beschriftung hat die nie bekommen ;-) Das Ganze bringt mich wohl dazu, mir Gedanken über einen kompletten Neubau zu machen. Wollte ich eh irgendwann (weil das Teil doch arg verbastelt ist), doch solange was geht... ;-) Das Thema LNT ist ja hier im Forum schon sehr kontrovers diskutiert worden. Die ultimative Lösung habe ich nicht herauslesen können ;-) Ich will: Keine Schaltnetzteillösung! 2x 30Volt bei max. 2x 2-3A. Spannung und Strom möglichst stabil und HF-fest. Displayanzeige ist selbstverständlich, LCD- und LED-Lösungen hätte ich dutzendweise hier. Baugröße minimal, vor allem Tiefe ist knapp im Regal. Habt ihr Tipps? Gruß und Dank für die Denkanstöße Old-Papa Update. hier nochmal der plan, ich hatte in Gedanken Strom- und Spannungspoti vertauscht.
Old Papa schrieb: > Gemessen gegen die Plusbuchse mit gutem Tischmultimeter (Kontron). Mmmh... klingt nach einer Kiste aus den 80er/90ern mit 7segment LED Displays... DAS waren noch Zeiten ;) (Habe damals bei Kontron meine Ausbildung genießen dürfen) Wärst Du evtl. so nett ein Foto des (Tisch-)Multimeters zu posten?
Hallo, das Kontron ist nichts besonderes, halt ein DMM-4020. Fotos davon gibt es dutzendfach im Netz ;-) Hier meins und mein Prema 6000. Das ist sozusagen mein Werkstattnormal. Old-Papa
Anja schrieb: > Old Papa schrieb: >> Habt ihr Tipps? > > 2 * KA3005 bei Reichelt? > > Gruß Anja Ach nööö... Ich wollte mal wieder selber bauen ;-) Old-Papa
Old Papa schrieb: > Ach nööö... Ich wollte mal wieder selber bauen ;-) Lohnt sich wahrscheinlich nur wenn Du die Trafos und das Gehäuse bereits hast. Gruß Anja
Old Papa schrieb: > Habt ihr Tipps? Na, mit Mikrokontroller würde ich mal sagen. Man muss sich nur Gedanken darüber machen, was der machen soll.
Michi schrieb: > Na, mit Mikrokontroller würde ich mal sagen. Man muss sich nur Gedanken > darüber machen, was der machen soll. Längsregelung? ;-D
Vom Aufbau her würde ich heute die Umschaltung der Trafospannung eher Elektronisch machen, nicht mehr per Relais, das erlaubt auch den Überlang über die Stufe ohne Störungen. Ein Versorgung in 2 Stufen ist schon eine gute Idee, weil man damit Kühlkörper spart. Man braucht nicht einmal unbedingt mehr Transistoren, weil die Spannung je Transistor kleiner wird. Es ist also eher die Frage 2 in Reihe oder 2 parallel. Vom Schaltungstyp hat man die Wahl: So wie beim alten Gerät mit Hilfsspannung und fliegendem Regler: Das ist im Prinzip eine low Drop Schaltung und damit etwas schwieriger von der Stabilität, bzw. weniger gut von der Regelung wenn man sich nicht anstrengt. Dafür ist die Schaltung sehr flexibel, auch für hohe Spannungen. Die mehr klassische Schaltungvariante mit Emitterfolger und ggf. negativer Hilfsspannung ist weniger flexibel, bis gut 30 V reichen die normalen OPs aber noch aus. Deutlich darüber wird es schwieriger. Eine negative Hilfsspannung ist ggf. hilfreich. Dafür ist auch bei einer recht langsamen Regelschaltung die Ausregelung noch akzeptabel. Bei sehr schneller Regelung könnten die Vorteile abnehmen. Die Stromregelung ist ggf. etwas schlechter / schwieriger als bei der Low drop Variante, wenn man den Shunt auf der high side haben will. Auf alle Fälle sollte man einen Drahtverhau vermeiden. Eine schneller Regelschalung reagiert ggf. auf die Induktivitäten der Zuleitungen zu den Elkos und Endstufen-Transistoren.
@Anja, Trafos habe ich noch in allen Leistungsklassen (max 1500W) Auch Ringkerne, die würde ich bevorzugt einsetzen. Ich habe da 2 Stück mit 2x18V/6A also fast ideal ;-) Anzeigemodule mit bis zu 4,5 Stellen gammeln hier auch noch im Rudel im Schrank, die müssen verbaut werden! ;-) Gehäuse ist überhaupt kein Problem das würde ich eh passend zur Tiefe des Regals bauen (also nicht sehr tief). Wozu hat man(n) denn Tafelschere, Abkantbank und Punktschweißgerät? und die ganze Mechanikerwerkstatt? Hatte ich alles vor 20 Jahren noch nicht, da wurde halt improvisiert. @Michi, MC fällt definitiv aus! Was soll der denn bringen? Das ich mit Tipptasten oder Enkoder die Werte eingeben kann? Macht ein gutes Poti auch und vor allem absolut intuitiv. Wenn ich versehentlich eine Spannung zu hoch habe, genügt ein Griff und alles ist iO. Keine Böcke dann auf den Tasten rumzuklöppeln ;-) Ja, moderne Teile haben eine Paniktaste (Out-Off).... Ich hatte vor Jahren mal ein Projekt mit MC angefangen (aus den Weiten des Netzes) doch bei 10Bit waren minimal 30mV Schrittweite möglich, das hat mich irretiert. Letztlich hatte das Ding nur die Werte digital vorgegeben, aber nicht selbst geregelt. @lurchi, Diese Relaisumschaltung hat sich absolut bewährt. Bisher hatte ich noch keinen Anwendungsfall, wo das gestört hätte. Wie würde denn eine elektronische Variante aussehen? Triacschaltung? Bis auf die Macke der letzten Tage war ich eigentlich mit dem Schaltungskonzept zufrieden. 30-40Volt wären die angestrebte Obergrenze. Dieses "Low-Drop-Geraffel" habe ich zumindest halbwegs verstanden, bei anderen Konzepten muss ich neu verhirnen ;-) Das mach ich natürlich auch, wenn ich Vorteile davon habe. Stabilität und HF-Festigkeit sollten schon ordentlich sein. Mein Drahtverhau ist erstaunlich stabil, HF-Fest aber fast gar nicht! Das liegt garantiert (auch) am Drahtverhau ;-) Die wichtigen Leitungen sind aber schon kurz und knapp gehalten. Die ganzen Steuerleitungen, die zu den vier Anzeigen, zu den Potis und den LEDs machen den Hauptsalat aus. Auf jeden Fall würde ich alles auf ein bis 2 Platinen layouten, separate Leitungen wären fast auf Null. Na mal sehen, erst müssen noch andere Projekte zuende gebracht werden (Ein halbfertiger Wohnwagen steht auch noch auf dem Hof und zwei Drehbänke warten seit Jahren auf Restauration...) Rentner müsste man sein;-) Old-Papa
Old Papa schrieb: > Dieses "Low-Drop-Geraffel" habe ich zumindest halbwegs verstanden, bei > anderen Konzepten muss ich neu verhirnen ;-) Quatsch! Bei so einem NT braucht man nie ein Low Drop. Ob da 15V oder 15,5V verheizt werden, interessiert niemanden. Old Papa schrieb: > Rentner müsste man sein;-) Ich dachte du bist das :-)
michael_ schrieb: > Quatsch! Bei so einem NT braucht man nie ein Low Drop. > Ob da 15V oder 15,5V verheizt werden, interessiert niemanden. > Das ist wohl war ;-) > Old Papa schrieb: >> Rentner müsste man sein;-) > > Ich dachte du bist das :-) Nö, nur wenn ich (endlich) auf meinen Doc höre, dann vielleicht :( Old-Papa
@old-Papa Das Bild vom Innenleben, gefällt mir, zeigt echte Kreativität Super.. Kannst vielleicht noch deine Werkstatt zeigen..also paar Bilder machen ?
Old Papa schrieb: > HF-Festigkeit sollten > schon ordentlich sein. Wenn Du sowieso ein Metallgehäuse hast würde ich an jede Ausgangsklemme einen Kondensator 4,7-100nF kurz! ans Gehäuse anschließen. Dadurch kommen die Störungen erst gar nicht ins Gerät sondern nehmen den "Highway" zum Netzfilter hinten. Notfalls noch ein paar Angstkondensatoren an den LM324-Eingängen vorsehen. Einen etwas größeren vom positiven Eingang (Setpoint) nach negativer Versorgung und einen etwas kleineren (auch kleiner als der Feedback-Kondensator vom Ausgang nach negativem Eingang) zwischen positivem und negativem Eingang. Gruß Anja
Bei der Frage Low Drop oder nicht, geht es nicht um den Spannungsverlust, sondern mehr mehr um die Archtitektur der Schaltung. Eigentlich also um die Frage ob die Ausgangsstufe als Emitterschaltung (so wie in der Schalung hier) oder in Kollektorschaltung arbeitet. Die Kollektorschaltung (= Emitterfolger) hat den Vorteil, dass die Endstufe schon eine gewisse Regelung übernimmt. Auch wenn die Regelung um den OP extrem langsam ist, bleiben die Fehler im Rahmen. Wenn man sowieso sehr schnell nachregelt, macht es nicht mehr viel Unterschied. Da kann man dann auch bei dem Schaltungskonzept bleiben.
Ulrich H. schrieb: > Kollektorschaltung (= Emitterfolger) hat den Vorteil, dass die Endstufe > schon eine gewisse Regelung übernimmt. Und es ist deutlich einfacher, die Schaltung stabil zu kriegen. Insbesondere wenn man - wie in Labornetzteilen - keine Einschränkungen in Bezug auf die Art der Last haben will.
Anja schrieb: > Old Papa schrieb: >> Habt ihr Tipps? > > 2 * KA3005 bei Reichelt? Ist das rückstromfest? Ihr wisst ja, Old Papa will wieder Akkus quälen äh laden :-)
Udo Schmitt schrieb: >> 2 * KA3005 bei Reichelt? > > Ihr wisst ja, Old Papa will wieder Akkus quälen äh laden :-) Ist das nicht jenes Teil, bei dem der skurrile Australier in seinem Videoblog schier überschnappte?
Udo Schmitt schrieb: > Ist das rückstromfest? Hat mittlerweile jemand rausgefunden, was genau an seinem bisherigen Netzteil nicht rückstromfest ist? Ich finde da nämlich nichts.
Hallo, Akkus quälen ist ein Hobby von mir ;-) Warum auch nicht mit LNT laden? Zumindest auffrischen geht in Ordnung. Und wenn richtig böse kommt, brenn ich mit meinem Punktschweißer (Kondensatorbank) auch mal interne Schlüsse weg. Ist aber ein anderes Thema. Diesen "verückten Australier" hatte ich bisher in Amerika verortet... Egal, ich finde seine Videos genial, werden ja auch fleißig von Nachahmern kopiert. Dennoch unerreicht, auch wenn ich absolut nix davon verstehe. Irgendwie bekommt man schon mit was er meint. In seinem Video ist ja der mickrige Trafo schön zu sehen, der soll 30V/5A machen? Ich habe je einen M102B verbaut, der ist knapp doppelt so groß. Diese Teile gibt es ja unter anderen Namen deutlich preiswerter im Netz, kauf ich dennoch nicht. Old-Papa
Udo Schmitt schrieb: > Ist das rückstromfest? Habe ich noch nicht getestet. Ich verwende immer eine P600D (gibts auch bei Reichelt) zum Laden von Akkus. A. K. schrieb: > Ist das nicht jenes Teil, bei dem der skurrile Australier in seinem > Videoblog schier überschnappte? Klar da gibt es auch einen langen Thread dazu, inzwischen wohl mit verstärkten Endstufentransistoren. http://www.eevblog.com/forum/blog/eevblog-315-korad-ka3005p-reviewfail/msg129787/#msg129787 Der einzig wirkliche Nachteil ist meiner Meinung nach der deutlich hörbare Lüfter. Aber das ist wohl der Preis für den kleinen Bauraum. Wobei ich behaupte: mit entsprechender (taktender) Last kriege ich jedes Netzteil mit Eingangsspannungsumschaltung in einem bestimmten Betriebspunkt kaputt. Das Einsparen an Kühlkörper/Endstufentransistoren rächt sich irgendwo. Gruß Anja
Old Papa schrieb: > Diesen "verückten Australier" hatte ich bisher in Amerika verortet... "David L. Jones is an electronics design engineer based in Sydney Australia." http://www.eevblog.com/about/ Und ich habe ihn nicht als "verrückt" bezeichnet, sondern als "skurril". Das ist schon ein Unterschied.
A. K. schrieb: > Und es ist deutlich einfacher, die Schaltung stabil zu kriegen. > Insbesondere wenn man - wie in Labornetzteilen - keine Einschränkungen > in Bezug auf die Art der Last haben will. Da wär ich aber mal gespannt wie das funktionieren soll. Man hat in der Regelschleife, unabhängig von der Schaltungsart, nämlich mindestens 2 relevante Pole. Zum einen den Regel-OPV selbst, mit einem eigenen natürlichen Pol bei einigen Hz, der idR durch einen Integrationskondensator weiter verringert wird. Dieser Pol ist unbedingt nötig, um die Schleifenverstärkung auf <1 zu bringen, bevor die gesamte Phasendrehung in der Rückkoppelschleife zu groß wird. Und zum anderen den durch die Lastkapazität und Ausgangswiderstand gebildeten Ausgangspol, der im wesentlichen unbekannt ist, weil er von der beliebigen Last bestimmt wird. Die Schaltung wäre mit 2 Polen zwar gerade noch "stabil", allerdings ist eine Phasenreserve von --> 0 für Netzteile nicht praktikabel, weil das Überschwingen einfach viel zu groß ist. Außerdem wäre das der idealisierte Fall, praktisch treten weitere Pole auf, die durch die Schaltung und die eingesetzten Bauteile gegeben sind. Ob der Leistungstransistor als Emitterfolger oder Emitterschaltung arbeitet, beeinflusst die Schleifenverstärkung und die Anzahl und Lage der Pole in der Regelschleife. Emitterschaltungen führen zu höheren Verstärkungen und haben (je nach Dimensionierung) einen zusätzlichen relevanten Pol. Sie sind daher tatsächlich schwieriger zu stabilisieren als Emitterfolger. Aber letztlich ist mit diesen Schaltungen immer nur ein Kompromiss aus Regelgeschwindigkeit und Stabilität in einem rel. kleinen Bereich der Lastkapazität möglich.
Schau Dir mal den Abstand zwischen dem dicken Elko und dem 230V Anschluss des Transformators (links oben) an. Auf dem Foto sieht es so aus, als ob da weniger als 8mm Luft zwischen sind. Wenn ich recht habe, ist das eine gefährliche Stellle. Isoliere das mal ordenlicher. Notfalls mit einer Plastik-Folie dazwischen.
Old Papa schrieb: > So Männers, > nu geht das Monster wieder. So richtig bin ich noch nicht schlauer, aber > es geht. > Letztlich geht die Kiste wohl nur mit ganz bestimmten OPVs, ich habe > wahllos welche aus der Schachtel versucht. ... > Habt ihr Tipps? > > Gruß und Dank für die Denkanstöße > > Old-Papa Die Stromquelle mit T1 ist aber ok? Nicht, dass die OPs gegen den 220R arbeiten müssen und nur manche das schaffen. LG oldeurope
Bei der alten Schaltung konnte ich auch keinen Teil finden der nicht unbedingt Rückstromfest ist. So wie ich es sehe war es wohl eine Frage des Offsets am OP - das unschöne Verhalten ohne Last und Stromregelung bis 0 ist ggf. sonst nur nicht aufgefallen. Die Stabilität der Netzteilschaltungen ist unabhängig von der Schaltungsart nicht trivial. Kritisch ist vor allem ein großer Kondensator (einige mF) mit geringem tan Delta und sehr geringem ESR im mOhm Bereich und drunter. Allerdings sind solche Kondensatoren selten bis kaum zu realisieren. Die klassische Bauart mit Emitterfolger ist etwas einfacher, aber das Prinzipielle Problem ist ähnlich. Die Einfachere Regelschleife hilft auch nur bei nicht so extremer Last oder nicht so hohen Ansprüchen. Dafür muss man gesondert auf so etwas wie Rückspeisung achten.
Ulrich H. schrieb: > Die Stabilität der Netzteilschaltungen ist unabhängig von der > Schaltungsart nicht trivial. Kritisch ist vor allem ein großer > Kondensator (einige mF) mit geringem tan Delta und sehr geringem ESR im > mOhm Bereich und drunter. Allerdings sind solche Kondensatoren selten > bis kaum zu realisieren. Dann bräuchte man ja C22 nicht. Ein grosser Kondensator am Ausgang macht die Sache eigentlich einfacher. Die hohe Kunst des Labornetzteilbaus besteht ja darin ohne einen Ausgangskondensator auszukommen und ohne das dabei etwas schwingt. Dann kannst Du auch in Stellung 30V Z-Dioden geringerer Spannung testen, ohne dass sie nach der Prüfung "geänderte technische Daten" haben. LG old.
Ulrich H. schrieb: > Kritisch ist vor allem ein großer > Kondensator (einige mF) mit geringem tan Delta und sehr geringem ESR im > mOhm Bereich und drunter. Allerdings sind solche Kondensatoren selten > bis kaum zu realisieren. Ja, die Nullstelle, die sich durch den ESR ergibt, stabilisiert den Regler. D a r i u s M. schrieb: > Ein grosser Kondensator am Ausgang > macht die Sache eigentlich einfacher. Wie kommst du denn darauf? Ohne den Kondensator hätte man einen Pol weniger in der Regelschleife, das wäre einfacher. > Die hohe Kunst des Labornetzteilbaus besteht ja darin ohne > einen Ausgangskondensator auszukommen und ohne das dabei etwas schwingt. Das ist nur die halbe Wahrheit. Das eigentliche Problem ist nicht, ohne einen Ausgangskondensator auszukommen, sondern gleichzeitig mit üblichen Lastkapazitäten stabil zu sein.
ArnoR schrieb: > Wie kommst du denn darauf? Ohne den Kondensator hätte man einen Pol > weniger in der Regelschleife, das wäre einfacher. Vielleicht, weil bei LDOs (Emitterschaltung) ein Ausgangskondensator unverzichtbar zu sein scheint? Die Situation scheint abhängig von der Schaltungsart zu sein, denn die ursprünglichen 78xx (Kollektorschaltung) kommen ohne aus. Aber Polarforscher bin ich nicht.
ArnoR schrieb: > Wie kommst du denn darauf? Praktische Erfahrung. Habe ja erst neulich mein Labornetzteil befummelt. Demnächt kommt mein 0...24V Netzteil nochmal dran. Ich habe jetzt einen Trick gefunden der das ermöglicht. Die Spannungsregler ICs brauchen auch einen Kondensator am Ausgang, sonnst schwingen sie. OK, beim 7812 kann man Glück haben, der low drop LM341T+5.0 schwingt garantiert ohne Kondensator. Da es hier keine reaktionsschnelle Strombegrenzung gibt, stört der Kondensator aber auch nicht weiter. In LTS funktionieren Regelschaltungen die real schwingen. LG old.
D a r i u s M. schrieb: > OK, beim 7812 kann man glück haben, der low drop LM341T+5.0 > schwingt garantiert ohne Kondensator. LM341=78Mxx. Seit wann ist der low drop? Beim Original (NS/TI) steht auch dort der berühmte Satz: "Optional for improved transient response."
Stefan Us schrieb: > Schau Dir mal den Abstand zwischen dem dicken Elko und dem 230V > Anschluss des Transformators (links oben) an. Auf dem Foto sieht es so > aus, als ob da weniger als 8mm Luft zwischen sind. Hallo Stefan, das täuscht! 1. Der Elko liegt ca. 15mm tiefer 2. Da ich die (meist) 230Volt AC nach so vielen Jahren recht persönlich kenne (die geben immer kribbelne Grüße), habe ich die Netzanschlüsse an den Trafos mit Heißkleber verpappt. Nicht unbedingt VDE-Fest, aber hilft gegen berühren ;-) Da der Trafo an der Stelle nie warm wurde, hat das auch gut 20 Jahre überstanden. Ausgerechnet den von Dir genannten Anschluss hatte ich "die Tage" freigelegt und abgelötet, ich habe den Wicklungswiderstand gemessen. Old-Papa
A. K. schrieb: > Vielleicht, weil bei LDOs (Emitterschaltung) ein Ausgangskondensator > unverzichtbar zu sein scheint? Die Situation scheint abhängig von der > Schaltungsart zu sein, denn die ursprünglichen 78xx (Kollektorschaltung) > kommen ohne aus. Ja so ist das. Ich hatte es oben schon angesprochen: ArnoR schrieb: > Ob der Leistungstransistor als Emitterfolger oder Emitterschaltung > arbeitet, beeinflusst die Schleifenverstärkung und die Anzahl und Lage > der Pole in der Regelschleife. Emitterschaltungen führen zu höheren > Verstärkungen und haben (je nach Dimensionierung) einen zusätzlichen > relevanten Pol. Sie sind daher tatsächlich schwieriger zu stabilisieren > als Emitterfolger. Man nutzt bei LDOs bewusst den Ausgangspol, um die hohe Verstärkung mit größerer Steilheit über die Frequenz abzusenken. Der ESR hebt den Pol wieder auf, bevor die Phase zu groß wird (deshalb ist der unbedingt nötig, bei zu kleinem ESR schwingt die Schaltung). Dadurch kann der erste Pol bei höherer Frequenz liegen und der Regler wird nicht sehr viel langsamer als die Emitterfolger-Regler.
Die 7805 können mit einem kleinen Kondensator so um 100pF am Ausgang auch zu schwingen anfangen. Das muss nicht bei jedem Exemplar so sein, aber man muss damit rechnen. Deshalb ist es schon besser 100nF oder so als Kapazität dran zu haben. Ein Low ESR Kondensator am Ausgang hilft auch etwas gegen HF Einkopplung und stabilisiert die Spannung bei schnellen Stromänderungen. Die Low drop Regler ICs sind wirklich wählerisch dagegen. Da muss nicht nur die Kapazität stimmen auch beim ESR muss man in erlaubten Grenzen bleiben. Von einem Netzteil sollte man verlangen, dass sie mit jedem externen Kondensator (oder anderer passiver Schaltung) stabil ist, und das kann auch erreicht werden. Bei ungünstiger, extremer Last ist halt die Dämpfung gering, aber immer noch vorhanden. Eine LED oder Zenerdiode mit kleinem Konstantstrom zu testen ist so ein großes Labornetzteil aber sowieso nicht das richtige. Im Zweifelsfalls sieht man für so etwas 2 extra Buchsen vor: eine mit 1 K als Vorwiderstand und eine mit Diode zum Akku laden.
A. K. schrieb: > D a r i u s M. schrieb: >> OK, beim 7812 kann man glück haben, der low drop LM341T+5.0 >> schwingt garantiert ohne Kondensator. > > LM341=78Mxx. Seit wann ist der low drop? Sorry, meinte LM2940T. LG old.
Ulrich H. schrieb: > Im Zweifelsfalls > sieht man für so etwas 2 extra Buchsen vor: eine mit 1 K als > Vorwiderstand und eine mit Diode zum Akku laden. Wenn man es nicht ohne Kondensator schafft und die Strombegrenzung zu träge reagiert, muss man das leider so machen. LG old.
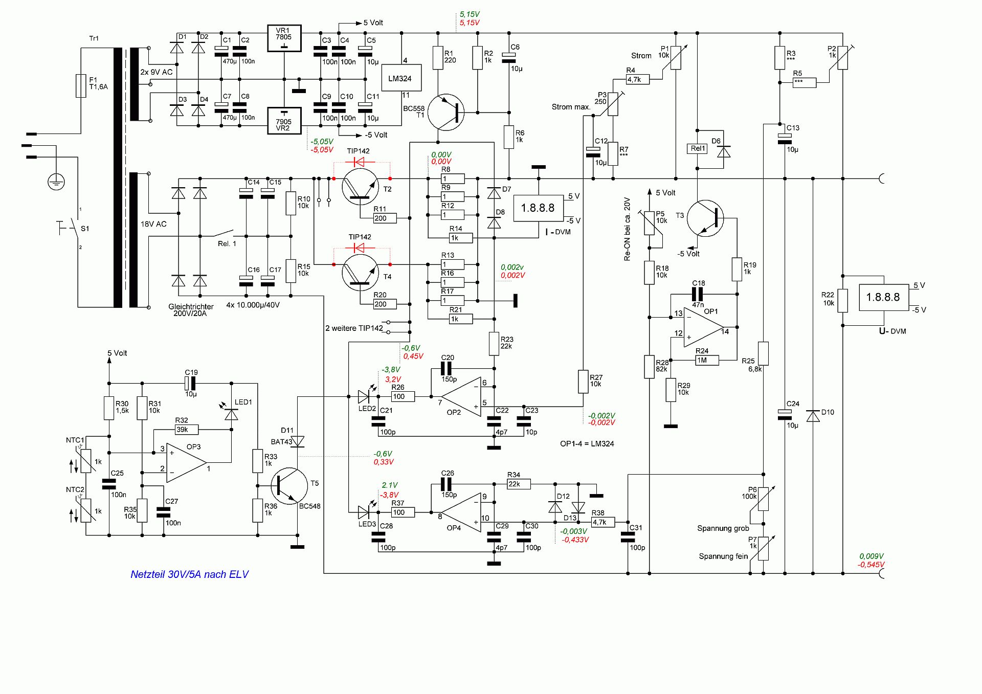
Hallo, ich habe den neu gezeichneten Schaltplan nochmal überarbeitet (und hoffentlich keine neuen Fehler verbockt). Eingefügt habe ich (theoretisch) noch eine Rückstromdiode (D14). Geht das so überhaupt an dieser Stelle? Zumindest geht das Teil seit dem Wechsel auf den x-ten LM324 wieder wie gewohnt. Ein Neubau ist aber sehr wahrscheinlich, nur welches Konzept ist noch immer nicht klar. Auch hier wurden ja wieder Vor und Nachteile diskutiert, wobei das immer sehr schnell ins sehr Theoretische gleitet. ;-) Außer von Ralph Berres habe ich noch keinen wirklich realisierten Aufbau gefunden. Vielfach wird auf das legendäre ELO-NT verwiesen, aber im nächsten Beitrag gleich wieder verrissen..... :-( Old-Papa
Old Papa schrieb: > Eingefügt habe ich (theoretisch) noch eine Rückstromdiode (D14). Geht > das so überhaupt an dieser Stelle? Ich glaube nicht. Da ist ja eigentlich GND und P2 zieht den auf +5V. Wenn ich das richtig blicke, muss die Diode in die Leitung zwischen R15 und C31 mit der Anode richtung C31. Kann das Jemand so bestätigen? LG old.
Hmmm, Mist! Also würden (im Leerlauf) bei Ua immer +5V anliegen....? Die Diode hinter P2 würde also gehen, der Spannungsabfall würde aber nicht berücksichtigt? Also Schnapsidee :-( Old-papa
Ich fürchte Du hast das Schaltungsprinzip noch nicht verstanden: Wenn dann gehört die Verpolschutzdiode in den negativen Zweig. P7 natürlich an die Ausgangsklemme. Gruß Anja
Die Diode gegen Rückstrom sollte eigentlich bei der Schaltung nicht nötig sein, denn an sich sollte die Schaltung eine Fremdspannung am Eingang vertragen. In der Position von Darius wäre die Diode weniger störend - der Vorteil wäre aber auch eher da wenn dauerhaft eine Spannung in falscher Richtung anliegt, und das Netzteil aus ist. Die extra Diode sollte man sich lieber sparen. D10 sollte aber größer werden. Wenn man an der Schaltung noch was kleines verbessern will, dann eher 4 kleine Dioden in Reihe von der Basis der Ausgangstransistoren, bzw. hinter den LEDs nach GND. Damit wird zusätzlich der Strom noch einmal begrenzt und kann auch kurzzeitig nicht viel zu groß werden.
Ulrich H. schrieb: > Die Diode gegen Rückstrom sollte eigentlich bei der Schaltung nicht > nötig sein, Und wenn die Spannung an den Ladekondensatoren kleiner als die Rückspannung ist? Ausgeschalteter Zustand, niedriger Spannungsmodus. LG old.
Anja schrieb: > Ich fürchte Du hast das Schaltungsprinzip noch nicht verstanden: > Gruß Anja Das fürchte ich inzwischen auch ;-) Aber bin lernfähig. Die Lösung von old ist fast doppelt gemoppelt, da die Dioden bereits in den Darlingtons enthalten sind. Bisher bin ich ja auch ohne ausgekommen, Rückstrom hatte es ja bei jeder Parallelschaltung gegeben. Zumindest wurde was im Leerlauf angezeigt. Das wird aber an der Anordnung der DVMs liegen. Bisher ist ja nie ein Defekt aufgetreten. Blöd, dass ich den ursprünglichen LM324 weggeworfen hatte, den hätte ich jetzt gerne mal genauer nachgesehen. Im Moment tendiere ich dazu, eine vergleichbare Schaltung erneut zu verwenden, allerdings mit einzelnen OPVs. Da ist man flexlibler in der BE-Wahl und könnte sogar noch mögliche Ofsets wegbügeln. Old-Papa
Old Papa schrieb: > Die Lösung von old ist fast doppelt gemoppelt, da die Dioden bereits in > den Darlingtons enthalten sind. ??? LG old.
D a r i u s M. schrieb: > > ??? > > LG > > old. Dein Vorschlag legt die Dioden vor die Emitterwiderstände nach C, hinter diesen gibt es aber schon welche ;-) Die hatte ich in rot ja angedeutet. Ich seh aber ein: D14 ist ne Schnapsidee ;-) old-Papa
Jetzt stehe ich wohl auf der Leitung. Wir sprechen von diesem Bild? http://www.mikrocontroller.net/attachment/243071/oldpapa_Plan-30V-5A_4_.gif LG old.
Old Papa schrieb: > Außer von Ralph Berres habe ich noch keinen wirklich realisierten Aufbau > gefunden. Vielfach wird auf das legendäre ELO-NT verwiesen, aber im > nächsten Beitrag gleich wieder verrissen..... :-( Ich hatte vor 15 Jahre (fast)gleiche Gerät wie du gebaut und noch kurzem noch benutzt. Auf dieses Schaltungsprinzip habe ich nun optimiert, erweitert mit LEDs Anzeige und MC: - 0...36V , 10mV schrittweise über Encode einstellbar - 0...4A geteilt über 2 Bereiche: 0...400mA und 0...4A. Umschaltung mit MOFET. Einstellung 100µA(1mA) /Schritt ebenfalls über Encode. - Umschaltung der Trafowicklung mit Relais (Parallel /seriell) - Ein einzige MOSFET - Netzteil über Taster abschaltbar (Spannung und Strom auf 0) - Abmessung ohne Front und Trafo ca. 170x170x110 mm Das Gerät ist fast fertig. Nun kann ich endlich meine Fräsmaschine weiterbauen :-) Gruß
Old Papa schrieb: > Die hatte ich in rot ja angedeutet. Ich seh aber ein: D14 ist ne > Schnapsidee ;-) Kann es sein, dass Du die D14 in ihrer neuen Position im Bild noch nicht entdeckt hast? Das wäre eine Erklärung. D a r i u s M. schrieb: > Wenn ich das richtig blicke, muss die Diode in die Leitung zwischen > R15 und C31 mit der Anode richtung C31. LG old.
D a r i u s M. schrieb: > Jetzt stehe ich wohl auf der Leitung. > Wir sprechen von diesem Bild? > > http://www.mikrocontroller.net/attachment/243071/oldpapa_Plan-30V-5A_4_.gif > > LG > > old. Jou ;-) Da hast Du ja fix die roten Dioden ausradiert, im Wirklich wird das schwer fallen. ;-) @Tany, LED Anzeigen plus Dotmatix warum? Ist der MC auch für die Regelung zuständig oder fragt er nur Encoder ab und füttert die Anzeigen? Old-Papa
Old Papa schrieb: > LED Anzeigen plus Dotmatix warum? Ist der MC auch für die Regelung > zuständig oder fragt er nur Encoder ab und füttert die Anzeigen? > > Old-Papa Nein, der MC überträgt nur der Sollwert über DAC an NT. Er regelt nicht.
Auch im ausgeschalteten Zustand wäre eine Frendspannung nicht so dramatisch: Über die Dioden in den Transistoren und die Shunts werden die Ladeelkos geladen - nicht weiter dramatisch bis etwa 40 V oder was die Elkos / Transistoren aushalten. Über R25 würde C13 eine negative Spannung sehen - da könnt man ggf. einen Diode parallel spendieren um die Spannung auf -0,6 V zu begrenzen, ggf. auch weniger wenn man R25 noch aufteilt. Das ist zwar nicht gut für den Elko, aber auch kein Drama, so lange es nicht wochenlang anliegt. Über R28 (OP für Relais) fließt ggf. etwas Strom zur -5 V Versorgung und würde die leicht negativ machen. Bei 82 K ist das aber nicht viel Strom, und auch da könnte eine Diode vom OP Eingang nach GND noch viel davon abfangen. Der Poti P2 mit 1 K sollte schon für genügend Grundlast an den 5 V sorgen, dass da keine nennenswert negative Spannung anliegt. Die anders eingezeichnete Diode würde auch bei keinem der beiden kleinen Schwachstellen weiterhelfen, nur die Lade-elkos blieben leer. Wenn man sich also mit Dioden schützen will, dann je eine 1N4148 oder ähnlich parallel zu C13 und vom Pin 13 des OPs (Kathode) nach GND.
hallo old-papa, hast du von dem nt noch das layout der lp oder die bauanleitung von elv??? wenn ja könnte ich es bekommen? scan? vielen dank!
Tany schrieb: > > Nein, der MC überträgt nur der Sollwert über DAC an NT. Er regelt nicht. Hatte ich befürchtet ;-) Der macht also das Gleiche wie ein(zwei) Potis.... @old, ich glaube, wir reden aneinander vorbei ;-) Old-Papa
Ulrich H. schrieb: > nicht weiter dramatisch bis etwa 40 V oder was > die Elkos / Transistoren aushalten. Haut vielleicht einen Shunt weg oder ein Stück Metall an der Buchse. [ironie]Ist ja nicht weiter dramatisch.[/ironie] Old Papa schrieb: > @old, ich glaube, wir reden aneinander vorbei ;-) Kein Problem, passiert mir öfters. LG old.
Ulrich H. schrieb: > Auch im ausgeschalteten Zustand wäre eine Frendspannung nicht so > dramatisch: Über die Dioden in den Transistoren und die Shunts werden > die Ladeelkos geladen - nicht weiter dramatisch bis etwa 40 V oder was > die Elkos / Transistoren aushalten. das hat damit nicht zu tun, vielmehr möchte man bei Versuchsaufbau das ständige Ausziehen/ Reinstecken bzw. kompl. Abschaltung des Netzteil ersparen.
matze schrieb: > hallo old-papa, > > hast du von dem nt noch das layout der lp oder die bauanleitung von > elv??? > wenn ja könnte ich es bekommen? scan? > > vielen dank! Möchte mich ja nicht unbeliebt machen (bei ELV...) ;-) Die PDF kursiert aber vielfach jm Netz, einfach nach Universalnetzteilplatine ELV suchen (oder so...). Ist mir gelegentlich unter gekommen. Allerdings kann man das Platinenlayout nur ahnen. Wie auch auf meinem "Original" von ELV... Mein Papier ist inzwischen so bemalt, das kann ich eh nicht mehr vorzeigen ;-) @old, aha... ;-) Old-Papa Update: Sehe gerade, bei ELV kannst Du diesen uralten Bausatz noch immer kaufen, für rund 25 Ocken hast Du alles zusammen. Preiswerter geht ja fast nicht. Ich staune, dass es das Ding noch gibt.
Bitte melde dich an um einen Beitrag zu schreiben. Anmeldung ist kostenlos und dauert nur eine Minute.
Bestehender Account
Schon ein Account bei Google/GoogleMail? Keine Anmeldung erforderlich!
Mit Google-Account einloggen
Mit Google-Account einloggen
Noch kein Account? Hier anmelden.










