Im FUNKAMATEUR 9/15 S.958 wird vom DARC-Ortsverband I40 Sulingen ein bundesweites Projekt beworben, das auch für Anfänger den Selbstbau eines modernen QRP-Transceivers ermöglicht. Das Gerät ist autonom, d.h. es benötigt keinen zusätzlichen PC, es ist leicht, portabel und für unter 400€ zu erstellen. Ich habe mir die Videos auf Youtube angesehen und bin von dem Gerät sehr angetan. Ja, es gefällt mir im ersten Hinsehen besser als der KX3. Natürlich kann der erste Eindruck täuschen. Darum rufe ich alle HF-Freaks auf: Schaut Euch das Gerät bitte mal gut an und lasst uns drüber diskutieren. Weitere Infos: http://www.amateurfunk-sulingen.de/mchf-projekt http://www.amateurfunk-sulingen.de/forum http://www.m0nka.co.uk mehrere Videos auf Youtube unter mcHF, sowie eine Yahoo-Gruppe: https://uk.groups.yahoo.com/neo/groups/m0nka-mchf/info Ich würde mich über einen sachlichen Thread ohne die vielfach geübte Häme freuen. [Mod: Bitte Links vollständig angeben, also mit URL-Schema.]
dl2jmb schrieb: > Das Gerät ist autonom, d.h. es benötigt keinen zusätzlichen PC Das allein finde ich schon mal interessant. Allerdings wäre natürlich auch der Energieverbrauch noch interessant, gerade für QRP (damit das Teil auch portabel bleibt). Wenn das Teil nur zum Empfang 10 W oder mehr braucht, dann kann ich auch den vorhandenen TS50 rumtragen … Artikel im FA muss ich mir noch ansehen.
Das Ding sieht nett aus. Was mich allerdings etwas wundert ist die Handhabung von jeglichen Digi-Modes: geht soweit ich das verstanden habe ausschließlich über den analogen Line-in/-out. Die Firmware kann wohl momentan selbst noch keine Digi-Modes handhaben und der Prozessor ist wohl auch schon relativ gut ausgelastet wenn man die verschiedenen Tipps im Handbuch ( https://github.com/cctbcn/mchf_github ) zur Reduktion der Prozessorlast so liest. Als SDR liegen dem µC die IQ-Daten doch digital vor und ne USB-Device-Buchse ist auch dran. Warum emulieren die dann nicht ne USB-Soundkarte direkt auf dem µC, die man dann bequem in fldigi etc. einbindet? Dann spart man sich den Umweg über D/A, Line, A/D.
Jörg W. schrieb: > Allerdings wäre natürlich auch der Energieverbrauch noch interessant, > gerade für QRP Ich habe den Artikel auch durch Zufall erst heute gelesen. MCU ist ein STM32F407 - wahnsinnig stromhungrig sollte er auch nicht sein. Und reichen sollte das auch: Im Fifi-SDR ist ja auch "nur" ein Cortex-M3. Allerdings hat man ihn auch nicht auf besonders sparsam getrimmt - es wird alles per Längsregler versorgt. Auf jeden Fall ein nette Idee für lange Winterabende.
Walter T. schrieb: > Und > reichen sollte das auch: Im Fifi-SDR ist ja auch "nur" ein Cortex-M3. Aber braucht der FiFi SDR nicht einen PC? Der mcHF ist stand-alone!
klausr schrieb: > Aber braucht der FiFi SDR nicht einen PC? Der mcHF ist stand-alone! Viel problematischer finde ich am FiFi SDR, daß es ein reiner Empfänger ist und kein Transceiver wie der mcHF. Beim mcHF brauchst Du für die Digi-Modes auch einen PC. Oder eben nen Tablet oder Notebook. Das ist dann weiterhin gut transportabel und mobil nutzbar. Finde ich gar nicht so problematisch.
klausr schrieb: > Aber braucht der FiFi SDR nicht einen PC? Nur zum steuern (da kein Bedienteil eingebaut). Die On-Board-MCU (LPC 1758) kann auch selbst AM , FM und SSB demodulieren. Über die USB-Soundkarte oder die Kopfhörerbuchse geht dann NF. (Das ist optional - meistens wird über USB das I/Q-Signal ausgegeben und per PC-SDR-Software gearbeitet. Aber quasi-standalone geht auch.) Es gab Überlegungen, das Gerät komplett standalone und per Smartphone fernsteuerbar zu machen (per Bluetooth), aber das ist am Preis passender Bluetooth-Module gescheitert. Aber das ist jetzt wirklich OT.
Moin .... Hab vor etwa einem Jahr mit dem mcHF angefangen, hatte mir nur Platinen und Display von M0NKA geordert, den Bausatz gibt es erst seit kurzem. Man bekommt alle Bauelemente aber auch ganz gut von den üblichen Apotheken. Bin nach Unterbrechungen jetzt bei etwa 75%Aufbau und will ihn dieses Jahr noch fertig bekommen. Grüße
Eine Frage an die Amateur Funker. Was übermittelt ihr so ausser das? https://www.youtube.com/watch?v=67ZD6Wecm9I
Seit Achtzehnhundertluftpumpe ist bei Amateurfunkern der Weg das Ziel. Anfänglich waren diese die treibende Kraft beim Thema Funk. Ruck-zuck kam dann das Militär dazu und später der bekloppte Gröfatz mit seinem Schreihals und anderen Goldfasanen. Bis heute geht es den Amateuren beim Übermitteln von Nachtichten eher um technische Informationen. Gelegentlich auch mal dämliches Gequatsche über Sahnetorte oder Karnickel ;-) Old-Papa
Old P. schrieb: > Bis heute geht es den Amateuren beim Übermitteln von Nachtichten eher um > technische Informationen. Gelegentlich auch mal dämliches Gequatsche > über Sahnetorte oder Karnickel ;-) ...oder als Budgetschonende Möglichkeit um beim nächsten Segeltörn auch unterwegs E-Mails verschicken zu können ...oder die etwas Leistungsfähigeren Handfunkgeräte beim Wandern/Gleitschirmfliegen/was-auch-immer ...oder die Möglichkeit mal was auszuprobieren ohne sich gleich mit dem Gilb wegen Frequenzzuteilungen herumärgern zu müssen Walter T. schrieb: > Allerdings hat man ihn auch nicht auf besonders sparsam getrimmt - es > wird alles per Längsregler versorgt. Verständlich. Kurzwellenempfänger und direkt daneben ein Schaltregler macht nur begrenzt Spaß.
pegel schrieb: > Was übermittelt ihr so ausser das? Rufzeichen und Signalstärke-Rapport. ;-) Schreiber schrieb: > Kurzwellenempfänger und direkt daneben ein Schaltregler macht nur > begrenzt Spaß. Sagen wir so: es ist eine Herausforderung mehr …
pegel schrieb: > Was übermittelt ihr so ausser das? > Bin da, wer noch? So kann nur ein arroganter, besserwisserischer, totaler Ignorant schwafeln. Es gibt kein Gebiet der modernen Elektronik und Informationstechnik, das nicht auch im Amateurfunk seine Anwendung findet. Da könntest Du gugeln wonach Du willst, Du wirst immer reichlich finden. Oder schau mal im Supermarkt in den FUNKAMATEUR. Aber wahrscheinlich ist das alles schon zu anstrengend, wenn Augen und Finger wehtun vom stundenlangen Handytippen.
DL2JMB schrieb: > So kann nur ein arroganter, besserwisserischer, totaler Ignorant > schwafeln. Aua, nicht so feste hauen. War doch nur die Frage eines Unwissenden. Auf einem Lehrgang habe ich mal einen Kennengelernt der immer seine "Handfunke" - war seine Bezeichnung - dabei hatte. Dem habe ich die Frage auch gestellt und ich durfte mal mithören. Es ging immer "nur" darum wer erreichbar ist, aber bis auf eine Frage wer zum Funkertreffen kommt konnte ich weiter keine relevante Info erkennen. Genau dieses brachte mich dazu die Frage zu stellen. DL2JMB schrieb: > Es gibt kein Gebiet der modernen Elektronik und Informationstechnik, das > nicht auch im Amateurfunk seine Anwendung findet. email hatten wir schon. Datenübertragung? "geheimes Datennetz"? Ich denke es ist doch hauptsächlich der Wettbewerb, oder? DL2JMB schrieb: > wenn Augen und Finger wehtun vom stundenlangen Handytippen. Muss ich passen. Habe nicht mal ein Handy. Also nichts für Ungut. Wenn Du noch eine Anwendung hast die für Otto nützlich sein könnte, her damit.
pegel schrieb: > Also nichts für Ungut. Wenn Du noch eine Anwendung hast die für Otto > nützlich sein könnte, her damit. Es geht selten um Informationen austauschen, eher darum mit möglichst wenig Leistung und technischer Optimierung weit zu kommen. Aber auch der Notfunk ist sehr interessant. Ankerum macht der Amateurfunk es möglich, dass Schulklassen mit der ISS reden können. Im Grunde gibt es eine vielzahl. Würde es Dich nicht auch mal interessieren, wie das Leben im Irak zur Zeit ist? Amateurfunk macht die Welt kleiner und kennt keine Vorurteile. Grenzen gibt es da nicht. Grüsse, René
Rene H. schrieb: > Ankerum macht der Amateurfunk es möglich, dass Schulklassen mit der ISS > reden können. Na das ist doch was! Rene H. schrieb: > Grenzen gibt es da nicht. Das ist auch gut, gilt aber dann natürlich nur für den Kreis der Lizensierten.
pegel schrieb: > Wenn Du noch eine Anwendung hast die für Otto > nützlich sein könnte, her damit. Telemetriedaten aus der Stratosphäre [1] Zitat: "Wenn man nicht gerade eine Amateurfunklizenz besitzt, reduzieren sich die möglichen Frequenzen und Sendestärken, auf denen man Koordinaten vom Ballon auf die Erde funken kann, doch sehr [2]" [1] http://www.mb.fh-jena.de/page/de/fachgebiete/mechatronik/studium/stroke1 [2] http://www.stratosphaere.net/index.php/en/en-home-2/9-high-altitude-ballooning/konstruktion/10-funken
pegel schrieb: > Das ist auch gut, gilt aber dann natürlich nur für den Kreis der > Lizensierten. Natürlich, das ist auch gut so. Ich dürfte mit 1kW und selbstgebasteltem Gerät senden. Da sollte man schon Wissen was man macht. Ich weiss nicht wie das in DL ist.
Rene H. schrieb: > Da sollte man schon Wissen was man macht Mit den "Lizensierten" meinte ich nicht unbedingt nur die technischen Möglichkeiten, sondern das auch jeder seinem Lizensgeber "verpflichtet" ist. Also ist die grenzenlose Information auch relativ.
pegel schrieb: > Also ist die grenzenlose Information auch relativ. Mag sein. Das ist allerdings einer Diskussion müssig und wurde schon zu oft geführt. Und auch etwas off topic ;-)
Hat einer eine Idee, wie und wo man diese recht netten Frontplatten für den mcHF günstig fertigen lassen kann?
pegel schrieb: > Eine Frage an die Amateur Funker. > Was übermittelt ihr so ausser das? Funkamateur bitte, nicht Amateurfunker... Nun ja, hinter so mancher Gretchenfrage steckt ein etwas größeres Problem. Wenn wir mal von den abendliche Quasselrunden auf 80m absehen, besteht das Funkamateur-Leben aus dem Sammeln von Verbindungen (je seltener, desto begehrter) und dem Punkten in Contesten -wovon es durchaus viele gibt. Worked all: alte Burgen, Bergspitzen, Leuchttürme.. man ist da durchaus erfinderisch. Aber: Es geht dabei eigentlich immer nur um Nachweis und Beleg von Funkverbindungen unter festgesetzten Konditionen. Das Standard-QSO besteht aus nicht viel mehr als Rufzeichen-Austausch und gegenseitigem Rapport und ist damit - mal ganz prosaisch gesagt - nur eine Art Konversations-Hülse und kein echter gegenseitiger Ideenaustausch. Dieser ist in der Regel auch eher schwierig, wieviele Fremdsprachen beherrscht man als durchschnittlicher Funkamateur denn so fließend, daß man damit mit 2.7 kHz Bandbreite ne echte Konversation betreiben könnte? Bei CW sehe ich das knappe Gekürzel ja ein, aber sonst ist es eben doch nur Hülse zwecks Kartentausch und Contestpunkstand. Da ist die Frage "was beredet ihr denn dort so?" durchaus verständlich, ist keine Arroganz und sollte ehrlich mit "fast nix, nur die Verbindung als solche zählt" beantwortet werden. Nach dem Ende des gewöhnlichen Funkamateur-Lebens stehen dann Anzeigen im FA zum würdevollen Archivieren der QSL-Sammlung. W.S.
W.S. schrieb: > Anzeigen im FA zum würdevollen Archivieren der QSL-Sammlung. Wenn man die Welt auf den eigenen Horizont beschränkt, mag das alles richtig sein, aber schon das Thema dieses Threads weist sehr viel weiter. Sorry, dass ich diese beschränkte Diskussion angestoßen habe. Wenn Euch das bisher Gesagte nicht reicht, dann macht einen eigenen Thread draus. Aber hier gehört das nicht hin und wer zum eigentlichen Thema nichts beizutragen hat, der sollte seinen Mund halten.
Ich finde das Projekt interessant, nur der Preis..... Der Sinn liegt für mich im Lernen und eventuell auch im Hören (senden eher nicht, keine Lizens) Über Sinn und Unsinn muss man hier nicht streiten, da hat doch jeder andere Prioritäten. Für mich sind Tofuwürste Unsinn, für andere Lebensinhalt. Für mich sind Twitter und Instergram Unsinn, für andere hochwichtig. So hat jeder seins.... Ob ich meine Millionen (oups) für Ferrari oder Ferrero ausgebe, ist noch immer meine Sache ;-) Old-Papa
B e r n d W. schrieb: > Dann schaut euch das mal an: > Youtube-Video "MCHF SDR tranceiver 3 to 30mhz homebrew 3D printed case" Sieht doch gut aus. Noch etwas Finish und gut ist. In Alu dürfte das deutlich zu teuer sein. Das Projekt überzeugt mich, aber mein K3 finde ich noch immer besser. Das KX3 hatte mich nie so recht angelacht.
W.S. schrieb im Thread 'Funkgerät für Amateurfunkeinsteiger' einen guten Beitrag zum mcHF. Hallo W.S., willst Du den Text nicht hierher übertragen? Oder die gleiche Frage an den Moderator.
DL2JMB schrieb: > W.S. schrieb > im Thread 'Funkgerät für Amateurfunkeinsteiger' einen guten Beitrag zum > mcHF. > > Hallo W.S., willst Du den Text nicht hierher übertragen? > Oder die gleiche Frage an den Moderator. Es geht wohl um Beitrag "Re: Funkgerät für Amateurfunkeinsteiger" Da ist keine Frage formuliert. Lediglich eine Feststellung.
Rene H. schrieb: > Da ist keine Frage formuliert. Natürlich nicht. Ist es so schwer zu kapieren, dass ich den Moderator bitten wollte, den Beitrag hierher zu schieben ?
Rene H. schrieb: > pegel schrieb: >> Das ist auch gut, gilt aber dann natürlich nur für den Kreis der >> Lizensierten. > > Natürlich, das ist auch gut so. Ich dürfte mit 1kW und selbstgebasteltem > Gerät senden. Da sollte man schon Wissen was man macht. Ich weiss nicht > wie das in DL ist. hier sind nur 750W PEP (bei hohen Frequenzen nur 75W) erlaubt. Hinsichtlich Richtantennen gibts keine Beschränkung Joe G. schrieb: > Rene H. schrieb: >> Das schreit nach 3d Druck ;) > > In Alu? Schwierig. Edelstahl oder Titan dürfte einfacher sein.
W.S. schrieb: > Aber: Es geht dabei eigentlich immer nur um Nachweis und Beleg von > Funkverbindungen unter festgesetzten Konditionen. Das Standard-QSO > besteht aus nicht viel mehr als Rufzeichen-Austausch und gegenseitigem > Rapport und ist damit - mal ganz prosaisch gesagt - nur eine Art > Konversations-Hülse und kein echter gegenseitiger Ideenaustausch. Dieser > ist in der Regel auch eher schwierig, wieviele Fremdsprachen beherrscht > man als durchschnittlicher Funkamateur denn so fließend, daß man damit > mit 2.7 kHz Bandbreite ne echte Konversation betreiben könnte? Bei CW > sehe ich das knappe Gekürzel ja ein, aber sonst ist es eben doch nur > Hülse zwecks Kartentausch und Contestpunkstand. Da ist die Frage "was > beredet ihr denn dort so?" durchaus verständlich, ist keine Arroganz und > sollte ehrlich mit "fast nix, nur die Verbindung als solche zählt" > beantwortet werden. Ich warte noch auf die Entwicklung eines Contestomaten, der alle Funkverbindungen automatisch abwickelt. Dann müsste man nur noch den Contestomaten starten, warten und das nächste DX-Diplom beantragen. Vermutlich wird es Contestomaten zuerst für Morseverbindungen geben. Den Contest-Papagei gibts ja schon lange, da ist es doch ein logischer Schritt den Rest auch noch zu automatisieren.
DL2JMB schrieb: > Ist es so schwer zu kapieren, dass ich den Moderator bitten wollte, den > Beitrag hierher zu schieben ? Was soll der unfreundliche Ton? Nein, die Forensoftware erlaubt es nicht, einzelne Beiträge umher zu schieben.
Schreiber schrieb: > > Joe G. schrieb: >> Rene H. schrieb: >>> Das schreit nach 3d Druck ;) >> >> In Alu? > Schwierig. Edelstahl oder Titan dürfte einfacher sein. Oha, Titan im 3D-Druck dürfte anspruchsvoll sein. ;-) In 3D-Fräsen ginge zumindest in Alu sehr gut, Edelstahl dagegen schlecht. Hat irgendwer die Datei zum 3D-Druck? Old-Papa
Old P. schrieb: > Oha, Titan im 3D-Druck dürfte anspruchsvoll sein. ;-) > In 3D-Fräsen ginge zumindest in Alu sehr gut, Edelstahl dagegen > schlecht. Titan drucken ist problemlos möglich, man braucht nur den richtigen Drucker. Druckverfahren der Wahl ist hier das selektive Elektronenstrahlschmelzen, passende Drucker gibts schon seit langem zu kaufen, das nötige Kleingeld (Größenordnung: reicht für ein schönes Einfamilienhaus) vorausgesetzt. Old P. schrieb: > In 3D-Fräsen ginge zumindest in Alu sehr gut, Edelstahl dagegen > schlecht. Stimmt. Wenns günstig und aus Metall werden soll, muss man entweder fräsen oder gießen. Metall und 3D-Druck ist eine recht teure Kombination, das lohnt sich nur wenn man exotische Anforderungen (Form, Material) hat und/oder kompliziert geformte Kleinteile in Kleinstserie fertigen will.
Schreiber schrieb: > selektive Elektronenstrahlschmelzen, Nun, ich weiß ja nicht, wie es euch geht, doch ich wollte in einer realistischen Zeitspanne zu realistischen Kosten mit einem überschaubaren Aufwand tatsächlich ein Gehäuse oder eine Kleinserie auf die Beine stellen. Anregungen wie das selektive Elektronenstrahlschmelzen oder Titandruck halte ich in diesem Zusammenhang für unpassend.
Joe G. schrieb: > Nun, ich weiß ja nicht, wie es euch geht, doch ich wollte in einer > realistischen Zeitspanne zu realistischen Kosten mit einem > überschaubaren Aufwand tatsächlich ein Gehäuse oder eine Kleinserie auf > die Beine stellen. Anregungen wie das selektive > Elektronenstrahlschmelzen oder Titandruck halte ich in diesem > Zusammenhang für unpassend. Das ist dann so. Ich denke aber, wenn sich hier genug melden, dann kann man da schon einen klein Auftrag zusammen bekommen. Ich wäre zum Beispiel dabei. vy 73 de René PS: ich habe mich entschieden, dass Teil zu bauen.
Joe G. schrieb: > Schreiber schrieb: >> selektive Elektronenstrahlschmelzen, > > Nun, ich weiß ja nicht, wie es euch geht, doch ich wollte in einer > realistischen Zeitspanne zu realistischen Kosten mit einem > überschaubaren Aufwand tatsächlich ein Gehäuse oder eine Kleinserie auf > die Beine stellen. Anregungen wie das selektive > Elektronenstrahlschmelzen oder Titandruck halte ich in diesem > Zusammenhang für unpassend. Dann muss man halt bei Optik und Haptik des Gehäuses Abstriche machen. Das ganze auf einem guten 3D-Drucker aus ABS gedruckt und man hat ein passables Ergebniss bei geringen Kosten. Alternativ eben ein Alugehäuse aus Winkeln/Fertigprofilen und einer gefrästen Frontplatte. Druckguss, Tiefziehen oder Spritzgießen lohnt sich nur bei Großserien, Komplizierte Frästeile sehen zwar schön aus, sind aber viel zu teuer. Joe G. schrieb: > Hat einer eine Idee, wie und wo man diese recht netten > Frontplatten für > den mcHF günstig fertigen lassen kann? Nirgends! Diese lässt sich nicht mit vertretbarem Aufwand fertigen (Umspannen erforderlich und ein viel zu hohes Zerspahnungsvolumen), bei Kleinserienfertigung wird die mindestens 200€ kosten. Entweder das Design ändern oder zahlen. Es hat schon seinen Grund, weshalb Frontplatten meist flach sind...
Schreiber schrieb: > und ein viel zu hohes Zerspahnungsvolumen) Sehe ich eigentlich auch so. Aber ohne die Rückseite gesehen zu haben, lässt es sich nur erahnen, aber nicht beurteilen.
Schreiber schrieb: > Old P. schrieb: >> Oha, Titan im 3D-Druck dürfte anspruchsvoll sein. ;-) >> In 3D-Fräsen ginge zumindest in Alu sehr gut, Edelstahl dagegen >> schlecht. > Titan drucken ist problemlos möglich, man braucht nur den richtigen > Drucker. Druckverfahren der Wahl ist hier das selektive > Elektronenstrahlschmelzen, passende Drucker gibts schon seit langem zu > kaufen, das nötige Kleingeld (Größenordnung: reicht für ein schönes > Einfamilienhaus) vorausgesetzt. "Einfamilienhaus" und dass nennst Du problemlos? Ich nenn das wohl richtigerweise "anspruchsvoll" ;-) Ein 3D-Drucker kommt mir zum Winter ins Haus, nur die passende Datei fehlt... ;-) Old-Papa
Old P. schrieb: > "Einfamilienhaus" und dass nennst Du problemlos? Ich nenn das wohl > richtigerweise "anspruchsvoll" ;-) Shapeways macht das bezahlbar im Auftrag.
Rene H. schrieb: > Old P. schrieb: >> "Einfamilienhaus" und dass nennst Du problemlos? Ich nenn das wohl >> richtigerweise "anspruchsvoll" ;-) > > Shapeways macht das bezahlbar im Auftrag. Zahlen, Fakten? Bezahlbar ist ja immer relativ ;-) Old-Papa
Leute, was regt ihr euch bloß so auf. Wenn es nicht das grandiose gefräste oder geplottete Gehäuse sein kann, weil zu schwer zu machen oder zu kriegen, dann guckt doch einfach bei tme.eu mal gründlich nach Gehäusen. Ich würde mir enfach eines suchen, was hinreichend groß ist, so daß man diesen Sandwich aus Leiterplatten hinter die Frontplatte kriegt - eventuell ein Stück breiter, damit man nen nach vorn abstrahlenden Lautsprecher einbauen kann und dann eine schlichte Alublech-Frontplatte dafür machen. Die Löcher muß natürlich ein jeder auf seine Weise hineinkriegen. Entweder nach Maßzeichnung (woher???) auf der Fräse oder ausmessen, anreißen, bohren, feilen. Geht alles. Für die eigentliche Ansichtsseite mache ich das dann so: Ansicht mit CAD-Programm konstruieren (wegen der Maßhaltigkeit) - am besten weiß auf schwarz, dann spiegeln und auf durchsichtige Folie ausdrucken. Wenn was bunt werden soll, dann die betreffenden Stellen auf der bedruckten Seite mit Filzstift beglücken. Dann die Alu-Platte mit breitem dünnem doppelseitigem weißem Klebeband bekleben. Die zweite Schutzschicht erstmal drauf lassen und alle Löcher mit Skalpell ausschneiden. Man hat ja die Aluplatte als Schablone.. Anschließend die gedruckte Folie mit der bedruckten Seite aufkleben. Das ist dann eine Sache für die ruhige Hand. Fertig. Die Bedruckung ist durch die Folie geschützt. Ach ja, ich hatte bei erster Durchsicht der herunterladbaren Dokus noch kein Maßbild o.ä. gefunden. Aber ich schätze mal, das Ganze beläuft sich auf ca. 10x20 cm W.S.
Rene H. schrieb: > Schreiber schrieb: >> und ein viel zu hohes Zerspahnungsvolumen > > Sehe ich eigentlich auch so. Aber ohne die Rückseite gesehen zu haben, > lässt es sich nur erahnen, aber nicht beurteilen. Das Problem fängt schon damit an, dass man die Rückseite überhaupt bearbeiten muss. => umspannen, Maschine neu einrichten,...
Rene H. schrieb: > Schreiber schrieb: >> umspannen, Maschine neu einrichten,... > > Das lässt sich aber machen. ...dauert aber und Zeit ist Geld! sollte man daher vermeiden wenns nicht zu teuer werden soll. Man muss das Werkstück ja nicht nur schnell umdrehen sondern auch noch kratzerfrei einspannen, sorgfältig (mit der Messuhr) ausrichten und die Maschine für die Rückseite programmieren.
Schreiber schrieb: > ...dauert aber und Zeit ist Geld! > sollte man daher vermeiden wenns nicht zu teuer werden soll. Man muss > das Werkstück ja nicht nur schnell umdrehen sondern auch noch > kratzerfrei einspannen, Schon klar. Wenn man das Alu vorher eloxiert ist das kratzfrei entschärft. Das Umdrehen und der Abfall besteht natürlich immer noch.
Old P. schrieb: > Hat irgendwer die Datei zum 3D-Druck? Siehe http://www.m0nka.co.uk/?page_id=626 und Yahoo Group.
Ok, die Situation in der Schweiz gestaltet sich so, ich zitiere einen Freund: "Du brauchst es digital. Dann kann man das im CAM machen. Aufwand. Programmierung: 6-8h Masterteil-Prototyp: 600CHF Serie: 50CHF"
Rene H. schrieb: > Schon klar. Wenn man das Alu vorher eloxiert ist das kratzfrei > entschärft. Also fräsen -> ausspannen -> eloxieren -> kratzerfrei wiedereinspannen ?
DL2JMB schrieb: > Old P. schrieb: >> Hat irgendwer die Datei zum 3D-Druck? > > Siehe > http://www.m0nka.co.uk/?page_id=626 > > und Yahoo Group. Danke, mal sehen ob was im Winter geht. 3D-Fräsen mit umspannen ist auch nicht sooo ein Problem, selbst ohne CNC geht das. Ist halt eine elende Kurbelei und man darf sich nicht verzählen ;-) Eigentlich müsste man gar nicht umspannen... Eloxiert wird selbstverständlich erst nach Endbearbeitung und polieren. Old-Papa
Eine .dxf Datei der Frontplatte existiert (siehe Anhang), damit kann mittels CAD das 3D Modell erstellt werden, und auch die CAM Daten für die CNC Maschine erzeugt werden. Die Programmierkosten werden dadurch schon mal minimiert, billig wird die Sache dadurch aber noch nicht. Wenn ich soweit bin werd ich mal eine Anfrage an verschiedene Zulieferer stellen. Allerdings mach ich mir die Gedanken über das Gehäuse immer erst wenn die Elektronik fertig ist. Grüße
Meine Überlegungen gehen mehr in „Pseudo 3D“. Es gibt ja Frontplattendienstleister die unterschiedliche Materialstärken in sehr guter Qualität bearbeiten. Eine 3D Frontplatte könnte ja auch aus einem Laminat von 2-3 Einzelplatten bestehen. Diese können recht günstig gefertigt werden und die oberste Platte bekommt gleich einen Untereloxaldruck.
Könnte ein Teil des Digitalteils auch durch ein fertiges Board (discovery) ersetzt werden.
Joe G. schrieb: > Meine Überlegungen gehen mehr in „Pseudo 3D“. Es gibt ja > Frontplattendienstleister die unterschiedliche Materialstärken in sehr > guter Qualität bearbeiten. Eine 3D Frontplatte könnte ja auch aus einem > Laminat von 2-3 Einzelplatten bestehen. Diese können recht günstig > gefertigt werden und die oberste Platte bekommt gleich einen > Untereloxaldruck. Eigentlich braucht man überhaupt kein 3D... ;-) 2D fräsen reicht völlig. Dann könnte man auch prima eloxiertes Alu nehmen und die Beschriftung gravieren. Frontplatte, Rückwand und gut ist. Dazwischen fertige Meterware aus Gehäusesystemen. Wofür diese Zwischenwand gut ist, erschließt sich mir noch nicht richtig. Für welches (Standard)Gehäuse ist diese 3D-Druckdatei eigentlich entworfen worden? Old-Papa
Es gibt doch auch Giessharz und Silikon in verschiedenen Härtegraden. Wäre es nicht möglich eine Form aus glattem Holz oder Gips zu fräsen und dann eine Kleinserie zu giessen? Oder auch 3D Filament einschmelzen?
hp-freund schrieb: > Es gibt doch auch Giessharz und Silikon in verschiedenen Härtegraden. > Wäre es nicht möglich eine Form aus glattem Holz oder Gips zu fräsen und > dann eine Kleinserie zu giessen? > > Oder auch 3D Filament einschmelzen? Machbar ist alles. Sinnvoll und bezahlbar sind andere Dinge ;-) Die Muster die ich bisher in Foren gesehen habe, waren alle mit 2D-Frontplatten. Nicht alle, aber viele sahen auch gut aus. Old-Papa
Joe G. schrieb: > Der Bausatz ist nun da, jetzt kann der Spaß losgehen :-) Damit wäre das Wochenende schon einmal verplant. Viel Spaß dabei!
Joe G. schrieb: > Der Bausatz ist nun da, jetzt kann der Spaß losgehen :-) Cool. Darf ich fragen (natürlich könnte ich auch auf der Homepage suchen) welche Grösse die SMD Widerstände haben (0805/0603)? Die Frage kommt, weil sich das Bestücken je nach dem verzögert :-) Grüsse, René
Rene H. schrieb: > 0805/0603 So grobschlächtiges Zeug? ;-) Habe jetzt einige Reparaturen mit 0201er „Feinstaub“ machen müssen …
Es lässt sich sehr entspannt an. Was ich gerade auf dem Tisch habe sieht alles nach 1206 und 0805 aus.
Joe G. schrieb: > Es lässt sich sehr entspannt an. Was ich gerade auf dem Tisch habe sieht > alles nach 1206 und 0805 aus. Danke :-). Dann werde ich wohl auch den komplett Bausatz ordern. 0805 habe ich hier, die meisten IC's auch aber 1206 nicht. Spart Beschaffungsstress :) Grüsse, R.
Welchen Stand hat der angebotene Bausatz? Im Forum "der Sulinger" war ja einiges von stark veränderter Bestückung zu lesen. Old-Papa Den es auch mal wieder juckt...
Old P. schrieb: > Welchen Stand hat der angebotene Bausatz? > Im Forum "der Sulinger" war ja einiges von stark veränderter Bestückung > zu lesen. Hmm... Hast Du einen direkt Link? Frontplatten: Kann mir jemand aus der dxf Datei eine IGES oder STEP Datei generieren? Dann würde ich hier mal unter der Hand eine Anfrage für 20 Stück starten. Edit: Ich kenne mich da nicht aus.
Old P. schrieb: > Welchen Stand hat der angebotene Bausatz? Das UI Board und das RF Board haben beide Rev 0.4. Der Bausatz bezieht sich genau darauf. Die beiden Endstufen Transistoren sind nicht mit dabei.
Joe G. schrieb: > Old P. schrieb: >> Welchen Stand hat der angebotene Bausatz? > > Das UI Board und das RF Board haben beide Rev 0.4. Der Bausatz bezieht > sich genau darauf. Die beiden Endstufen Transistoren sind nicht mit > dabei. Ist das Display dabei?
Rene H. schrieb: > Old P. schrieb: >> Welchen Stand hat der angebotene Bausatz? >> Im Forum "der Sulinger" war ja einiges von stark veränderter Bestückung >> zu lesen. > > Hmm... Hast Du einen direkt Link? Der steht doch ganz oben im Startposting.... Old-Papa
Jörg W. schrieb: > Habe jetzt einige Reparaturen mit 0201er „Feinstaub“ machen müssen … Machbar, aber ein fünf Jahres Projekt muss daraus nicht werden. Ein Winter muss reichen :)...
Hallo Forum, hallo OMs, was haltet Ihr, sofern Ihr mit der ARM und STM32F4 Thematik befasst seid, den MC durch einen STM32F439VIT6 zu ersetzen? Bietet mehr RAM/Flash/CPU-Takt und ist PIN-Kompatiebel zum ..407GVT6. Würde mehr Reserve für weitere Features lassen. Gruß Markus DL8MBY PS.: Habe gerade gesehen, dass der WM8731 bei Farnell nicht mehr lieferbar ist (ob temporär oder überhaupt??) - gibt es da Alternative Quellen?
Markus W. schrieb: > STM32F439VIT6 interessant würde ich eine Variante mit dem Stm32f429i disco board finden,(reicht die Rechenleistung?) http://de.rs-online.com/web/p/product/7892815/?grossPrice=Y&cm_mmc=DE%7CShopping-_-Google+PLA-_-STMicroelectronics%7CEntwicklungskits+Prozessor+%26+Mikrocontroller-_-7892815&kpid=&kpid=7892815&istCompanyId=52a64cda-ce26-40e3-8e0a-3440bb7baaa2&istItemId=xrmlwttrm&istBid=tztx&gclid=CPqmtuv7h8gCFRcTGwod0g4Gxw Würde das gehen? Habe mir weder Hard- noch Software näher angesehen.
Zwei sehr merkwürdige Fragen.... "kann man das so und so ändern - ich habe mir die Konstruktion allerdings noch nicht angesehen" Vermutlich bin ich einfach naiv, daß ich davon ausgehe, daß der/die Konstrukteure eines Projekts die Anforderungen am besten kennt/kennen und deswegen für die Konstruktionsentscheidungen grundsätzlich immer eine bessere Argumentation haben, als jemand, der "Verbesserungen" vorschlägt, ohne das Projekt überhaupt durchdrungen zu haben.
Hallo Walter, hast meine Frage wohl nicht richtig verstanden. Wenn ich mir die Platinen für den Zusammenbau des TRXs zulege und mir meine Bauteile selber ordere, also nicht die Kit-Version bevorzuge, dann kann ich mir wohl Gedanken machen, ob es nicht gleich besser ist einen leistungsstärkeren MC zu nehmen, zumal man im Github-Repository Hinweise findet, dass die jetzige Firmware bereits die Resourcen des MCs sehr gut ausnützt. Was spricht dagegen, den RAM um 64k und das Flash um 1MB zu vergrößern und den Takt auf 180 MHz erhöhen. Die Projektentwickler haben ja schon vor Jahren den TRX konzipiert, da hat man halt den 407 statt den 439 genommen. Heute ist die Nächste Familie der ARMs nur 2-3€ teurer, da kann man doch getrost gleich den neueren MC nehmen, zumal der ja gleiche Pinbelegung aufweist und wohl softwarekompatiebel ist. Die Motivation von Open-Source-HW ist ja gerade die Möglichkeit dauernd Veränderungen/Verbesserungen, die durch die Community einfließen, aufzunehmen und sie umzusetzen. Ich hoffe Du kannst mir nun in diesem Punkt zustimmen. Gruß Markus DL8MBY
Hallo Martin, da benötigt man einen externen Rechner zum Betrieb und man braucht einen Up-Converter um 0-30MHz zu empfangen. Oder habe ich da was übersehen. Für die Bänder ab 6m ist das sicherlich ein nettes Spielzeug. Leider ist die Palette der Möglichkeiten so groß, dass es nicht leicht fällt sich auf etwas einzuschießen. Ich persönlich brauche ab und zu noch den Geruch von Lötzinn und Kalophonium ;-) Markus DL8MBY
Hallo Markus, ich erlaube mir mal, Deinen Beitrag etwas umzusortieren, bevor ich darauf antworte: Markus W. schrieb: > Heute ist die Nächste Familie der ARMs nur 2-3€ teurer, > da kann man doch getrost gleich den neueren MC nehmen, > zumal der ja gleiche Pinbelegung aufweist und wohl > softwarekompatiebel ist. Markus W. schrieb: > Was spricht dagegen, den RAM um 64k und das Flash > um 1MB zu vergrößern und den Takt auf 180 MHz erhöhen. Markus W. schrieb: > Die Motivation von Open-Source-HW ist ja gerade die Möglichkeit > dauernd Veränderungen/Verbesserungen, die durch die > Community einfließen, aufzunehmen und sie umzusetzen. Es sah zunächst nicht danach aus, als hättest Du Dich schon mit der Firmware beschäftigt - das obige Post sah nach einem typischen "ich will mehr Leistung!!!!!" aus. Generell spricht erst einmal nichts dagegen, seine eigene Hardware anders aufzubauen und seine Weiterentwicklungen vom ursprünglichen Strang abzuspalten. Denn um mehr Leistung zu nutzen, müßtest Du Deine Firmware ja weiterentwickeln - für die jetzige Firmware reicht ja die alte MCU. Entwickelst Du Deine Firmware für eine andere Hardware weiter, wird es natürlich schwieriger, Verbesserungen, die Du entwickelst, wieder zurückfließen zu lassen, damit alle davon profitieren können - denn der Großteil anderer Nutzer hat die unpassende Hardware. Es läuft mal wieder auf die alte Binsenweisheit hinaus, daß es generell nicht unbedingt förderlich, die Anzahl der Hardware-Varianten, die im Umlauf sind, zu vervielfachen. Sollten diese Varianten zwecks "Support" bei den ursprünglichen Entwicklern aufschlagen, belastet das die eigentlichen Entwickler überdimensional und schadet letztendlich der Weiterentwicklung des Kernprojekts. Dann lieber wenige Varianten. ... Dieser Einwand bezieht sich insbesondere auf Komponenten, die die Firmware beeinflussen. Entwickelt ein Bastler Verbesserungen beispielsweise des HF-Teils, der ohne großartige Kopplung mit den restlichen Teilen steht, ist es a) entweder eine Sackgasse, weil die Variante im Kosten-/Nutzenverhältnis nicht besser als die aktuelle Version ist oder b) es ist eine Verbesserung, die in das Ursprungsprojekt zurückfließen kann. Es ist eben nicht so wie bei Änderungen, die in der Firmware weitergepflegt werden müssen. ... Aber dieser Einwand ist nur meine persönliche Meinung. Es kann durchaus sein, daß andere diese "Varianten-Hölle" als notwendiges Übel für den Fortschritt sehen.
Markus W. schrieb: > Was spricht dagegen, den RAM um 64k und das Flash > um 1MB zu vergrößern und den Takt auf 180 MHz erhöhen. Wenn der Hard- und Softwarekomatibel ist: EIGENTLICH nichts. ...man müsste nur Config-Dateien leicht anpassen (entv. gibts jetzt ein zusätzliches Register), die Software auf die höhere Taktfrequenz anpassen und das ganze mal ausprobieren. Solange man sich davon keinen zusätzlichen Nutzen erhofft, wird das keiner machen. Wenn sich doch jemand die Mühe macht das umzusetzen und zu dokumentieren, dann werden viele den schnelleren µC verwenden. Sobald aber für den schnelleren µC eine neue Firmware erscheint, die mehr Funktionen bietet, wird fast jeder zum Lötkolben greifen und den µC austauschen. Das gibts auch in anderen Bereichen, selbst heute werden noch Geräte mit 8051 oder Z80 gebaut. Läuft ja, ist erprobt, zuverlässig und erfüllt auch noch heute seinen Zweck. Wozu also ändern? P.S. In manchen Büros gibt es noch immer eine uralte Kugelkopfschreibmaschine zum schnellen und ordentlichen Ausfüllen von Formularen. Seit mindestens 50 Jahren sind die schon veraltet, aber solange sie laufen...
Ich wollte oben noch an den zweiten Absatz ein Post Scriptum setzen: *) Flash 90% voll ist für mich übrigens alleine kein Indix, daß die aktuelle MCU bald am Ende ist. Genausogut kann es sein, daß einfach noch nicht aufgeräumt wurde, weil es bislang einfach noch nicht nötig war. Mein Bastelzimmer ist auch immer zu 90% voll, und es gehen jedes Jahr mehr Klamotten rein.
Hallo Walter, der Hinweis, ist mit auch klar. Meistens lässt sich nach einer erfolgreichen FW Entwicklung Balast aus der FW entfernen, so dass dann wieder mehr Flash zur Verfügung steht. Ob der freigewordene Platz dann noch für z.B. eine PSK31 Implementierung oder andere Digi-Modes reicht ist eine andere Frage. Im Prinzip stimme ich aber Deinen Argumenten zu, den Mainstream-Zweig nicht unnötig aufzufächern, aber in diesem Fall galube ich, dass die aktuelle FW auf beiden MCs laufen wird. (Werde es ja spätestens nach Einbau des 439 selber an eigener Haut erfahren.) Wenn man aber selber spielt und seinen eingenen Trampelpfad geht ist das auch für mich ok, auch wenn man sich dabei verlaufen kann. Man darf dann nur nicht die Schuld dem Projekt geben, wenn es dann nicht laufen will. Gruß Markus DL8MBY
Markus W. schrieb: > da benötigt man einen externen Rechner zum Betrieb > und man braucht einen Up-Converter um 0-30MHz zu > empfangen. Hackrf one kann zwischen 1MHz und 6 GHz mit bis zu 20MHz Bandbreite. Mit dem PortaPack(http://www.sharebrained.com/2014/05/28/portapack-h1-imminent/) ist auch ein Betrieb ohne PC möglich. Die Ausgangsleistung ist allerdings einiges geringer als die von dem hier vorgestellten. P.s.: Ist übrigends auch opensource hardware...
Markus W. schrieb: > Hallo Forum, > hallo OMs, > > was haltet Ihr, sofern Ihr mit der ARM und STM32F4 Thematik > befasst seid, den MC durch einen STM32F439VIT6 zu ersetzen? > > Bietet mehr RAM/Flash/CPU-Takt und ist PIN-Kompatiebel zum ..407GVT6. > > Würde mehr Reserve für weitere Features lassen. > > Gruß > Markus > DL8MBY > > PS.: Habe gerade gesehen, dass der WM8731 bei Farnell nicht mehr > lieferbar > ist (ob temporär oder überhaupt??) - gibt es da Alternative Quellen? Bei http://www.amateurfunk-sulingen.de/forum/index.php?board=15;action=display;threadid=242;start=30 nahmen sie den STM32F405VGT6V als Ersatz für mehr Speicher (spätere Modifikationen). Grüsse, René
Auf einmal so ruhig geworden hier ..... Deshalb hier mal ein Bild vom heutigen "First Light" meines zu 80% fertigen mcHF. Muß noch die ganzen Ringkerne wickeln und zwei Teile von DigiKey fehlen mir noch. Die Programmierung des STM ging problemlos nach Anleitung von Chris M0NKA, http://www.m0nka.co.uk/. Firmware gibt es in der Yahoo Group M0NKA-mcHF inzwischen von mehreren Leuten, die Modifikationen oder Verbesserungen eingebaut haben. Was dort für Arbeit drin steckt, läßt das Konfigurationsmenü mit fast 100 Einträgen ahnen. Gruß Thomas
Thomas K. schrieb: > Auf einmal so ruhig geworden hier ..... Es löten alle fleißig ;-) Ich bin gerade mit Artur (SP3OSJ) im Kontakt. Er fertigt Gehäuse in Alu blank und Alu schwarz (siehe Bilder). Preise: Gehäuse komplett mit allen Knöpfen und Tastern: 42,5 Euro Versand 5 Euro / 1 Stück; 8 Euro / 2-3 Stück; 10 Euro/ 4 Stück
Joe G. schrieb: > Ich bin gerade mit Artur (SP3OSJ) im Kontakt. Er fertigt Gehäuse in Alu > blank und Alu schwarz (siehe Bilder). Kompliment. Sieht Spitze aus!
npn schrieb: >> Ich bin gerade mit Artur (SP3OSJ) im Kontakt. Er fertigt Gehäuse in Alu >> blank und Alu schwarz (siehe Bilder). > > Kompliment. Sieht Spitze aus! kann ich mich nur anschließen ...., das sieht echt gut aus.
Hallo Joe, wie kann man den OM SP3OSJ kentaktieren. Währe auch an zwei schönen Gehäusen in schwarz interessiert. Danke für Deinen hinweis im Voraus. PS.: Was mir noch einfällt. Habe gerade gelesen, dass man beim Aufbau der Bandfilter auf jeden Fall die SMD Kondensatoren nachmessen sollte, da diese zum Teil über 30% deneben liegen können (100pF sind dann 130pF), was die Filter sehr ungünstig ausfallen läßt und manche Enpfindlichkeitsverluste im RX erklärt. Gruß Markus DL8MBY
Markus W. schrieb: > Habe gerade gelesen, dass man beim Aufbau der > Bandfilter auf jeden Fall die SMD Kondensatoren > nachmessen sollte, da diese zum Teil über 30% > deneben liegen können (100pF sind dann 130pF), Wo hast Du die denn hergeholt? NP0 hat in der schlechtesten Selektion (K) +/-10%. Für HF nimmt man eher 5% oder 1%, nicht den Billigdreck vom Ali. X7R, wo solche Toleranzen eher üblich sind, gehört hier definitiv nicht rein.
soul e. schrieb: > X7R, wo solche Toleranzen eher üblich sind, gehört hier definitiv nicht > rein. Dürfte es auch kaum als 100 pF geben. ;-)
Markus W. schrieb: > wie kann man den OM SP3OSJ kentaktieren. An der Info bin ich auch interessiert. 73 Edit: habs gefunden. http://youtu.be/9Wtqy9TITz8 In den Kommentaren steht seine Mail.
Um für Artur den Aufwand etwas zu minimieren, würde ich eine Sammelbestellung bei ihm machen. Ich erfasse hier den Bedarf und verteile dann weiter. 73 Joe (DL3AKB)
Joe G. schrieb: > (SP3OSJ) im Kontakt. Er fertigt Gehäuse in Alu > blank und Alu schwarz (siehe Bilder). Gewiss solide Gehäuse, aber wie bringe ich auf der geriffelten Oberfläche eine Beschriftung an ?
eric schrieb: > > Gewiss solide Gehäuse, > aber wie bringe ich auf der geriffelten Oberfläche > eine Beschriftung an ? Das frage ich mich auch.... Wenn wenigstens die Knöpfe graviert wären.... Old-Papa
Joe G. schrieb: > m für Artur den Aufwand etwas zu minimieren, würde ich eine > Sammelbestellung bei ihm machen. Ich erfasse hier den Bedarf und > verteile dann weiter. > > 73 Joe (DL3AKB) Gute Idee..., ich würde auch eins nehmen. Was mir noch aufgefallen ist, ein Ausschnitt o.ä. für den Lautsprecher im hinteren Gehäuseteil fehlt. Gruß Thomas
Thomas K. schrieb: > Gute Idee..., ich würde auch eins nehmen. > Was mir noch aufgefallen ist, ein Ausschnitt o.ä. für den Lautsprecher > im hinteren Gehäuseteil fehlt. Stimmt. Auch Stromstecker, USB etc. Da muss man nachbearbeiten. Ohne CNC Fräse sehr mühsam. Ich wäre aber grundsätzlich an einem in Silber interessiert. 73
pegel schrieb: > Mit den "Lizensierten" meinte ich nicht unbedingt nur die technischen > Möglichkeiten, sondern das auch jeder seinem Lizensgeber "verpflichtet" > ist. > Also ist die grenzenlose Information auch relativ. Was willst du eigentlich mit deinem Geschwafel? Du versuchst ständig gezielt zwischen den Zeilen zu provozieren. Wenn dir der Amateurfunk zu leer ist dann beschäftige dich mit was anderem. Ohne Amateurfunk würdest du heute noch trommeln. Dass es mal andere Zeiten gab in denen "funken" nur, und das sehr schwierig über selber bauen funktionierte ist dir völlig fremd. Mit der Leistung eines Handys kann man einige hundert Kilometer weit kommen und nicht nur bis zum nächsten Handymasten um die Ecke.Auf Kurzwelle einige Tausend...Amateurfunk ist allerdings für "Steckdosen Funker" nur der halbe Spaß.dahdahdah dahdidah dididahdahdidit
Hallo Zusammen, falls interesse besteht, Chris hat vor 5 Stunden Bescheid gegeben, dass er wieder Full Kits hat. Es scheint noch zu geben zur Zeit. Grüsse, René
pegel schrieb: > Eine Frage an die Amateur Funker. > Was übermittelt ihr so ausser das? Hallo, als Tipp: nutze im Internet vorhandene Web-SDR und lausche ein bischen "was sie dort bereden", im 80m-Bereich ist immer was los, dann weißt du Bescheid. Wenn du mehr Interesse an KW hast, kann man sich einen relativ günstigen Empfänger kaufen der SSB beherrscht und mit eigener Empfangstechnik (ohne PC) zuhören. Solche Empfänger kosten heute nicht die Welt.
Es scheint mal wieder ein paar Kits zu geben. Konnte gerade eins ordern!
Habe mir auch einen Komplettbausatz geordert. Bin schon gespannt wie ein Flitzebogen ...
Hallo Forum, hallo OM's, ich bin gerade dabei den o.g. TRX zusammen zu bauen und habe noch ein Problem beim Flashen der Firmware. Möglicherweise könnte mir ein ARM und ST Spezialist von Euch auf die Sprünge helfen. Vorweg einige Besonderheiten bei meinem Gerät, die von der Mainstream abweichen, weshalb ich nicht im Yahoo- und auch nicht im mcHF-Forum vom OV Sulingen frage. 1) ich verwende als MC den STM32F439VI (größerer Flash und RAM und 180MHz CPU Takt) 2) Ich programmiere den MC via ST-Link Stick (SW_CLK, SW_DIO, NRST, GND) unter Linux. Der Bootloader wird über das Kommando: st-flash write ./bootloader.dfu 0x08000000 auf der Kommandozeile programmiert, die zugehörige FW ebenso mit: st-flash write ./mchf-20160325.bin 0x08010000 Beide Kommandos geben einen OK-Status zurück: 2016-03-25T20:20:46 INFO src/stlink-common.c: Loading device parameters.... 2016-03-25T20:20:46 INFO src/stlink-common.c: Device connected is: F42x and F43x device, id 0x10076419 2016-03-25T20:20:46 INFO src/stlink-common.c: SRAM size: 0x40000 bytes (256 KiB), Flash: 0x200000 bytes (2048 KiB) in pages of 16384 bytes 2016-03-25T20:20:46 INFO src/stlink-common.c: Attempting to write 23201 (0x5aa1) bytes to stm32 address: 134217728 (0x8000000) 2016-03-25T20:20:46 WARN src/stlink-common.c: unaligned len 0x5aa1 -- padding with zero EraseFlash - Sector:0x0 Size:0x4000 Flash page at addr: 0x08000000 erasedEraseFlash - Sector:0x1 Size:0x4000 Flash page at addr: 0x08004000 erased 2016-03-25T20:20:47 INFO src/stlink-common.c: Finished erasing 2 pages of 16384 (0x4000) bytes 2016-03-25T20:20:47 INFO src/stlink-common.c: Starting Flash write for F2/F4/L4 2016-03-25T20:20:47 INFO src/stlink-common.c: Successfully loaded flash loader in sram enabling 32-bit flash writes size: 23202 2016-03-25T20:20:48 INFO src/stlink-common.c: Starting verification of write complete 2016-03-25T20:20:48 INFO src/stlink-common.c: Flash written and verified! jolly good! und 2016-03-25T20:20:58 INFO src/stlink-common.c: Loading device parameters.... 2016-03-25T20:20:58 INFO src/stlink-common.c: Device connected is: F42x and F43x device, id 0x10076419 2016-03-25T20:20:58 INFO src/stlink-common.c: SRAM size: 0x40000 bytes (256 KiB), Flash: 0x200000 bytes (2048 KiB) in pages of 16384 bytes 2016-03-25T20:20:58 INFO src/stlink-common.c: Attempting to write 245356 (0x3be6c) bytes to stm32 address: 134283264 (0x8010000) EraseFlash - Sector:0x4 Size:0x10000 Flash page at addr: 0x08010000 erasedEraseFlash - Sector:0x5 Size:0x20000 Flash page at addr: 0x08020000 erasedEraseFlash - Sector:0x6 Size:0x20000 Flash page at addr: 0x08040000 erased 2016-03-25T20:21:01 INFO src/stlink-common.c: Finished erasing 3 pages of 131072 (0x20000) bytes 2016-03-25T20:21:01 INFO src/stlink-common.c: Starting Flash write for F2/F4/L4 2016-03-25T20:21:01 INFO src/stlink-common.c: Successfully loaded flash loader in sram enabling 32-bit flash writes size: 32768 size: 32768 size: 32768 size: 32768 size: 32768 size: 32768 size: 32768 size: 15980 2016-03-25T20:21:07 INFO src/stlink-common.c: Starting verification of write complete 2016-03-25T20:21:13 INFO src/stlink-common.c: Flash written and verified! jolly good! Die FW wurde mit folgenden Linker Einstellungen gebaut - siehe arm-gcc-link.ld Nun zu meinem Problem: Nach dem Flashen der FW startet das Programm automatisch, und alles sieht sehr gut aus. Schalte ich den TRX aus, kommt nach dem erneuten PowerOn (via Netzteil) nur ein weißer Bildschirm, d.h. nur die Hintergrundbeleuchtung leuchtet. Nach meinem jetzigen ARM/ST Wissensstand, bin ich der Meinung, dass der MC von irgendeiner Startadresse im Flash (irgendwo bei Range 0xFFFFFFF) die Adresse 0x08000000 anspringt und von dort der Bootloader zu 0x08010000 springt. Was mir jedoch nicht klar ist, ob der Sprung aus dem Bereich 0xFFFFFFF zu 0x08000000 automatisch erfolgt, wenn der MC nicht auf den internen Bootloader von ST gejumpert ist, oder vorab dieser Wert 0x8000000 irgendwo an der Start-Vektortabelle eingetragen werden muss. Bedeutet das, das ich noch eine Start-Adresse im 0xFFFFFFF Adressrange via ST-Link setzen muss damit der MC den Bootloader bei 0x08000000 findet. Ich hoffe mich soweit verständlich ausgedrückt zu haben, damit Ihr mir bei meinen ersten ARM Projekt unter die Arme greifen könnt. Vielen Dank für Eure Hilfe. Markus DL8MBY
Markus W. schrieb: > Ich hoffe mich soweit verständlich ausgedrückt zu haben, damit Ihr mir > bei meinen > ersten ARM Projekt unter die Arme greifen könnt. Oha! Für ein erstes ARM-Projekt hast Du Dir aber einen ordentlichen Brocken vorgenommen. Schon mit dem Original-ARM hätte ich Bammel das Ding zum laufen zu bringen. Du haust gleich noch einen anderen µC aufs Brett.... Respekt! Und Nein, zum Problem selber kann ich kaum was beitragen, bin nur verblüfft wie man so was angehen kann. Old-Papa
Hallo Old-Man, ;-) ja ich weiss, bin immer etwas neben dem Mainstream, aber die UI-Platine des mcHF TRX ist universell einsetzbar und kann sicherlich noch mit anderen Frontends verwendet werden. Da ich im Forum gelesen habe, dass der MC, wenn auch noch nicht mit optimiertem Code, schon recht voll ist, lag es nahe gleich den größeren MC zu nehmen, der aber Pin kompatibel ist. Wie weit sich das auf die jetzige FW noch auswirkt, muss ich noch sehen, Der Preisunterschied zu der 405, 407 Version ist nicht so groß und den MC kann man leicht mit einem Heißlötkolben vom Board entfernen, wenn es Probleme geben sollte. Auf der anderen Seite hat man etwas mehr Leistungs- und Speicher-Reserven zur Verfügung. Meine ersten Tests mit der FW waren zumindest was die reine Bedienung der UI Oberfläche angeht ganz zufriedenstellend. Zudem habe ich schon meine Crosscompiler Umgebung, zumindest auf der Kommandozeile zum Laufen gebracht und kann somit mit dem Sourcen selber spielen. Da ich das RF Board noch nicht aufgebaut habe, kann ich aber noch nichts zu den SW-DSP Funktionen des MC's sagen, die ja die eigentliche Arbeit des SDR- TRX's ausmachen. Dazu bald mehr, wenn auch noch die zweite Platine bestückt ist. vy73 Markus DL8MBY
Markus W. schrieb: > Was mir jedoch nicht klar ist, ob der Sprung aus dem Bereich 0xFFFFFFF > zu 0x08000000 > automatisch erfolgt, wenn der MC nicht auf den internen Bootloader von > ST gejumpert ist, > oder vorab dieser Wert 0x8000000 irgendwo an der Start-Vektortabelle > eingetragen werden > muss. Ich würde an deiner Stelle einen separaten Thread dafür in „Mikrocontroller & Elektronik“ öffnen. Die Chance, dass die Experten für STM32-Programmierung gerade in diesem Thread mitlesen, ist recht gering, und dein Problem hast du ja controllerseitig schon ganz gut eingegrenzt und vom eigentlichen SDR abstrahiert, als dass du dort eine Hilfe bekommen können solltest.
Hallo Jörg, Du hast soweit Recht, wobei meine Überlegung zielte dahin auch der mcHF Gemeinde meine Schritte und eventuelle Problemlösungen zugänglich zu machen. Ich lese dieses Forum nur beim Suchen nach bestimmten Problemen partiell, ansonsten sehe ich jeden reinkommenden Beitrag von der Forumswurzel unabhängig von der Thematik. Deshalb dachte ich, dass auch die Spezialisten permanent die Seite im Blickfeld haben. Aber ich denke auch, dass Du recht hast und nicht jeder anhand der Subject Zeile sich gleich angesprochen fühlt. Ich werde Deinem Rat folgen und nochmals unter "µC & Elektronik" posten. vy73 Markus DL8MBY
Hallo Forum, hallo OM's, Problem gelöst, und wie so oft ein eigener Fehler, der das Problem hervorgerufen hat. Näheres siehe unter: Beitrag "Frage zum STM32F439 Boot-Vorgang und zum Flashen." vy73 Markus DL8MBY
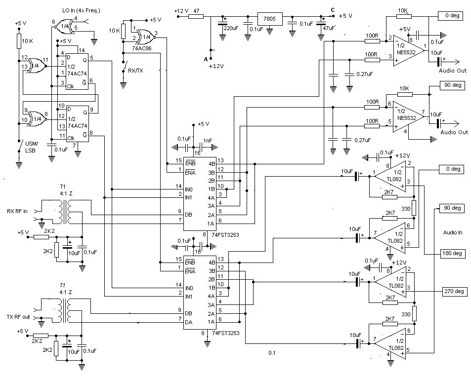
Hallo Forum, hallo OM's, beim Aufbau der RF-Platine sind mir einige Dinge aufgefallen, die ich hier zur Diskussion bringen möchte. Der mcHF hat das Problem, dass er nicht immer die gewünschte Ausgangsleistung von > 10Watt HF bis ins 10m Band bringt (30MHz). Daraufhin wurden einige Verbesserungsvorschläge verbreitet, die mal mehr mal weniger Erfolg zeigen. - Das sind z.B. der Austausch von Übertragern in der PA und im Treiber. - Verwendung anderer Treibertransistoren statt DXT3150 z.B. BFQ18A. - Verbindung der Spannungsregler mit den Endstufentransistoren über eine gemeinsame Kupferschiene, um eine bessere Masse wie auf dem PCB vorhanden zu erreichen (und auch bessere Wäreabfuhr). Daraufhin habe ich mir den Schaltplan durchgesehen und meine eigenen Überlegungen angestellt und wollte von Euch wissen, ob ich soweit richtig gerechnet und abgeschätzt habe. Im ersten Anhang seht Ihr den Sendemischer, der mit den vier Phasen vom Audio-Amp (0,90,180,270)° versorgt wird und im Takt des Oszillators auf den Übertrager T4 geschaltet wird. Dieses Signal wird 1:4 transformiert und erscheint am Ausgang des Übertragers als eine Signalquelle mit ca 300 Ohm Impedanz. Der Überlegung zugrunde liegt pro Phase die Summe aus den Widerständen R66 (47Ohm) + R68 (47 Ohm) + der Spannungsteiler, der die 2,5V aus den 5V Versorgung für den Pin zwei von T4 macht. Nicht berücksichtigt habe ich die Kondensatoren C84-C87, da so ein 22nF Kondensator bei 3kHz immer noch 2,4 kOhm aufweist. Ich hoffe soweit mich verständlich ausgedrückt zu haben. Im zweiten Bild ist der Übertrager dargestellt, wie ihn der Hersteller Puls im Datenblatt beschreibt. Dieses Gemisch aus dem zerhackten Audio im Rythmus des Oszillatortakts gelangt an T5 und wird auf die beiden Endstufentreiber aufgeteilt. Siehe Bild #3. Eine Modifikation der Treiberschaltung versorgt die Basisspannungs- teiler der Transistoren Q3/Q4 mit 5V (PTT), die ein und aus geschaltet wird, statt der ursprünglichen Variante diese Versorgung über die 12V Schiene permanent zu halten. Deshalb wurden die Basisspannungsteiler auf 2k2+2k2 umdimensioniert. Bei dieser Version fließt mit dem Re von 56 Ohm ein Strom von etwas über 30mA durch die Treibertransistoren. In einer LT-Spice Simmulation schwankt er nur um +-8mA und die Spannungsverstärkung ist nur etwa zwei !!!. Die Frage, die ich mir stelle ist nun, ob die Transistoren genügend Leistung erzeugen um die Gates der beiden RD16HHF1 Transistoren anzusteuern. Diese haben laut Datenblatt bei 30MHz einen Eingangswiderstand von (20 - j90) Ohm. Mit der Bias-Vorspannung von ca. 4V-6V (am R81/R82) wird über den Controller via Adj Eingang vom LM2931 die Ausgangsleistung eingestellt. Laut Datenblatt braucht der RD16HHF1 eine Spannung von ca. 4V-10V um die volle Kennlinie im Linearen Bereich durchzufahren. Reicht die Spannung an den RFC5/6 Drosseln um die Transistoren ausreichend aus zusteuern? (Ich meine nicht!) Ich habe die Endstufentransistoren noch nicht bestückt und mir statt dessen zwischen Gate und Source eine (20 Ohm || 68pF) Last gelötet. Werde die Spannung bei 30MHz am Wochenende oszillographieren. Habt Ihr zu den Schaltplan irgendwelche Anmerkungen, was die Leistungsausbeute angeht. Den Originalscaltplan (Ver. 0.4) vindet Ihr hier: http://www.m0nka.co.uk/wp-content/uploads/2013/12/rf__0_4_schem.pdf Danke für Euren Input. Gruß Markus DL8MBY
Hallo Markus IMO dienen die beiden R69 = R70 = 2k2 nur der DC-Versorgung Vcc/2 der Schaltung. Der Übertrager T4 wird durch das Differenzsignal aus dem Schaltmischer angesteuert. Oft wird (jedenfalls für mich) nicht auf Anhieb klar, wie der Übertrager funktioniert. Die Anzapfung befindet sich laut Datenblatt auf der Sekundärseite. Bei 1:4 gibt es ein Windungsverhältnis 1:2. Also hat jede der Wicklungen eine identische Windungszahl, sekundär sind jedoch zwei davon in Reihe geschaltet. In dieser Schaltung wird primär und sekundär vertauscht. Erst wird mit 4:1 übertragen, später mit 1:4. Für die HF bilden C84-C87 einen Kurzschluss. Die Impedanz beträgt also pro Zweig ~3 Ohm für den Analogschalter und R67 = R68 = 47 Ohm. Zwei dieser Gebilde steuern den Übertrager, 3 + 47 + 47 + 3 = 100 Ohm werden also auf 25 Ohm runtertransformiert. Erst mal bis hier, kannst du das so bestätigen? Freundliche Grüße, Bernd
Hallo Bernd, danke für den Hinweis. Die C's C84-C87 sind zwar für den Oszillator-Takt ein Kurzschluß, aber es wird doch die AF auf die HF umgesetzt (da Sendemischer). Bei dem Übertrager bin ich mir eben nicht sicher, die das 1:4 zu verstehen ist. Bild #2 zeigt die Darstellung aus dem Puls-Datenblatt. Pri:Sec 1:4 bezieht sich das auf Anschluß 6 u. 4 zu 1 u. 2 (oder auf 6 u. 4 zu 1 u. 3). Wenn man von Transistor- Endstufen ausgeht, so haben doch oft die Kransistoren si um die 12 Ohm Eingangsimpedanz. Um nun auf 50 Ohm zu kommen braucht man 1:4 im Windungsverhältnis und das für beide Transistorzweige. Somit würde ich daraus folgern, dass 1:4 sich auf Anschluß 4 u. 6 zu Anschluß 1 u. 2 bezieht. Leider habe ich den genannten Übertrager nicht in meinem Vorrat und muß mir aus Doppellochkernen selber einen Wickeln. Mein erster Versuch gestern hat bei einem BN-XXX (Irgendwas)-Kern bei zwei symetrischen Windungen mit mit Mittelabzapfung (nach dem Schema vom CX2074 Übertrager) an Pin 1 u. 3. bei 1MHz ein Z von 100 Ohm und bei 24 MHz über 2400 Ohm betragen, bevor der Pol der Eigen- resonanz kam. Ich hoffe bei meinem zweiten Versuch über die 30 MHz zu kommen. Mir ist auch aufgefallen, das bei einigen alten Epcos-Übertragern, aus meiner Bastelkiste, wo man das Innenleben noch einfach sieht, die Windungen beidseitig um die Ränder des Doppellochkerns gewickelt sind. (siehe die notdürftige Skizze) Durch die Mitte des Kerns geht dann die Primärwicklung. Auf diese Weise sind die Wicklungen am weitesten voneinander entfernt und haben dadurch wohl die geringste kapazitive Kopplung zur Primärseite. Nun ist die Frage, ob der Schaltmischer mit dem 3253 bei 100 Ohm oder bei 50 Ohm dimensioniert werden sollte (Halbierung der Widerstände R66 und R68. Bekommt man größere Dämpfung und im Empfangszweig mehr Rauschen? Bei den Alten 4066 mit 50-80 Ohm Ron hat man immer so auf 300 Ohm dimensioniert (im RX zweig). Bei 4 Ohm Ron müssten die Werte doch kleiner sein. Es gab mal da eine Abhandlung zu Schaltmischern von einem Engländer, die ich jetzt auf die Schnelle nicht finde. Ich habe aber eine GIF mit einem ähnlichem Entwurf angehängt. Da wird außer den Übertragern und dem OP-Amp mit seinem Ausgangswiderstand nichts durch Widerstände im TX-Zweig begrenzt. Gruß Markus DL8MBY
Habe noch eine Anmerkung, S0 und S1 werden doch gegen gleich vom Oszillatortakt auf und zu gemacht. Somit sieht die Ausgangsseite des Übertragers immer nur ein Windung, die bestromt wird. Der Spannungsteiler für die Mittenanzapfung ist aber nicht mittig, sondern am 5V Speisepunk mittels C's auf Masse gelegt. So daß doch der Spannungsteiler für die Mittenspannung voll in Reihe zu der Windung 1-2 oder 2-3 liegt. Dann hätte Doch sein Widerstand 2k2 || 2k2 wohl einen Einfluß. In meinem angehängten Beispiel ist der Mittenanschluß mit der Biasspannung mittels 100nF auf Masse gelegt. Gruß Markus DL8MBY
Ergebnis der Simulation: Bei einer Last von 165 Ohm sinkt das Ausgangssignal um 6 dB ab. Wird die NF niederohmig eingespeist, sinkt dieser Wert auf 135 Ohm ab. Eigentlich wären 100 Ohm zu erwarten, jedoch ist der Schaltmischer zum Umschaltzeitpunkt hochohmig und der Rest wird vermutlich vom Koppelfaktor der Übertrager verursacht. Jetzt könnte noch untersucht werden, wie sich das Signal bei höheren Frequenzen verhält. Jedoch hat der "echte" Übertrager laut Datenblatt bei hohen Frequenzen geringere Verluste, als jener in der Simulation. Die Schaltzeit der Analogschalter fällt bei hohen Frequenzen stärker ins Gewicht. Im Datenblatt gibt es ein Bild vom Übertrager, da ist der Draht verdrillt und alle Windungen befinden sich auf dem inneren Schenkel. Gruß, Bernd
Hallo Bernd, eine schöne Simulation. Da Du schon Fleißarbeit betrieben hast, könntest Du bitte noch an der Mittenanzapfung ein C plazieren, um die Spannungsquelle auf Masse wehselstrommäßig zu legen. Die Spannungsquelle selber ist ja hochohmig. Wie sehen dann die Verhältnisse aus? Danke! Gruß Markus
Markus W. schrieb: > Die Spannungsquelle selber ist ja hochohmig. Eine ideale Spannungsquelle ist niederohmig.
Hallo Jörg, nicht aber die, die mittels eines Spannungsteilers gebildet wird. In der Simulation kann man bei V einen Serienwiderstand angeben. Ich habe auch mir nach dem Vorbild von Bernd in LT-Spice die Schaltung des Taylor-Mischers angelegt. Bei mir hat V9 einen Innenwiderstand von 1k1 Ohm. Gruß Markus DL8MBY
Hallo Bernd, laut der Simulation ist in C5, wenn an der Mittenanzapfung gesetzt, kein Stromfluss vorhanden, wie schon von Dir behauptet. Gruß Markus
Hallo Markus Die Blockkondensatoren im Tayloe-Mixer-Schaltplan befinden sich am Übertrager, beim mcHF-SDR jedoch auf der anderen Seite. Ob das Absicht war, denn ansonsten sieht der Schaltplan wie eine 1:1 Kopie aus? Im Hinblick der Symetrie bin ich mir nicht auf Anhieb sicher, welche Variante das bessere Ergebnis liefert. Der Übertrager wird ja schon von einem symetrischen Signal gespeist. Möglicherweise sollen die beiden Kondensatoren nur Störungen aus der Betriebsspannung wegfiltern, ob die Impedanz hoch oder niedrig ist, ist möglicherweise egal. Dies würde für den Tayloe-Schaltplan sprechen. Dein Ausgangssignal enthält zwei identisch große Signale, die Seitenbandunterdrückung funktioniert nicht. Mach mal eine FFT und schau den Bereich um 10 MHz an. Die Schalter im "1-OF-4 FET MULTIPLEXER" dürfen IMO jeweils nur 1/4 der Zeit angesteuert werden, es kann immer nur einer der vier Schalter an sein. Bei Verwendung eines Sinus für V5...V8 ist jedoch jeder Schalter die Hälfte der Zeit leitend. Gruß, Bernd
Hallo Bernd, ich bin leider nicht so ein Spezialist in Sachen LTSpice. Ich habe nach Deinem Vorbild angenommen, dass das CBT Modell bei Vt die Schwelle von ON/OFF angibt, und dass man sich nicht die Mühe machen muss ein phasenverschobenes Rechteck den Schaltern anzubieten. Sollte ich mit meiner Annahme falsch liegen, so muss ich doch wohl eine Rechteck definieren. Aus Deiner Simulationsdarstellung ist leider nicht hervorgegangen, wie die Oszillatortakte definiert sind. Kannst Du mal deine .asc Datei von LTSpice dranhängen. Ich habe mal meine drangehängt. Sie beinhaltet den Taylor-Mischer gleich zwei mal, um besser die Auswirkungen von Bauteiländerungen in einer Simulation darstellen zu können. vy73 Markus DL8MBY PS.: ich habe Dich erst jetzt verstanden. SW darf nur eine viertel Periode der Sinusschwingung an sein und nicht von Nulldurchgang zum Nulldurchgang (d.h. T/2). Werde dass anpassen. Markus
Hallo Bernd, hast Du eine Ahnung, wie man unter LTSpice zwei FFT Fenster öffnet, oder zwei FFT's in einem Fenster darstellt. Ich habe jetzt die Ansteuerung der Schalter auf Rechteck um- gestellt. Markus
> hast Du eine Ahnung, wie man unter LTSpice zwei FFT Fenster öffnet Ja, einfach das erste nicht zumachen und erneut mit rechter Maustaste auf die Kurve. > Kannst Du mal deine .asc Datei von LTSpice dranhängen. Die hängt zwar dran: Beitrag "Re: mcHF-SDR Selbstbau-Projekt" Inzwischen hab ich jedoch die Frequenz einstellbar gemacht.
Hallo Bernd, danke für das modifizierte LTSpice File. Bin gestern nicht mehr dazu gekommen damit zu spielen. Werde übers WE mal andere Widestands- und Übertrager- werte simulieren. Gruß Markus
gestern beim Chris ein Full Kit Rev 0.5 bestellt..... freue mich schon auf den Zusammenbau, wobei ja offensichtlich die Platinen teilbestückt ausgeliefert werden 73! Thomas, DL8EBD
Hallo Thomas, dann viel Spaß beim Aufbau. Ich habe schon mein UI-Board fertig und bin gerade dabei den RX-Teil des RF-Boards abzuschließen. Gestern wollte ich schon meinen ersten Empfangstest machen, hatte aber noch keinen Erfolg mein eingespeistes Generator- signal auf 10.1MHz zu hören. Habe Gerade im Forum vom OV-Sulingen um Rat nachgefragt. Die Einstellungen in den diversen Menus müssen bestimmte Werte aufweisen, damit der TRX funktioniert. Gruß Markus DL8MBY
Hallo Markus, danke danke.....bin schon sehr gespannt! Deinen Thread im Forum verfolge ich mit - ich kann da leider noch nicht mitreden - mangels Hardware. aber das wirst Du schon in den Griff bekommen. Viel Erfolg! 73 aus JO31KK Thomas, DL8EBD
Hallo Thomas, ich wünsche Dir auch viel Spaß beim Aufbau. Bin schon gespannt, wie der RX das erste auf einer QRG empfängt. Z.Z habe ich nur Rauschen am Lautsprecher bzw. Kopfhörer. Aber das Wochenende ist ja diesmal länger ;-) vy73 Markus DL8MBY
Thomas V. schrieb: > gestern beim Chris ein Full Kit Rev 0.5 bestellt..... > > freue mich schon auf den Zusammenbau, wobei ja offensichtlich die > Platinen teilbestückt ausgeliefert werden Da hatte ich Pech, als ich bestellt hatte waren sie noch nicht vorbestückt. Das bedeutet, ich bin immer noch am UI-Board :-) vy, 73 de René HB9FRH
mein full kit ist heute eingetroffen. Rev 0.5 mit teilbestückten Platinen.... eigentlich ja schade, ich löte so gesehen gerne. Na gut, so geht es eventuell etwas schneller mit dem Zusammenbau. 73! Thomas, DL8EBD
Hallo OM's, kann mir einer von Euch sagen, von welchem Hersteller, der RX-Switch CBT3253 U15 bei eurem Kit ist (NXP, Faichld oder TI) Danke Markus DL8MBY
Hallo Thomas, hallo OM's, danke für die Info. Bei mir habe ich auch TI Muxe bestückt, allerdings habe ich den Verdacht, dass diese nur bis ca. 7.3MHz funktionieren. Ohne bestückte Filter, bei Einspeisung von vom Generatorsignal an C64, d.h. Basis von Q1 alias BRF93A, kann ich nur bis ca. 7,3 MHz das Signal am Display sehen und im KH wahrnehmen und das bei -50dBm. ein 10.1MHz Signal ist bereits nicht wahrnehmbar, wenn man von dem Rauschen absieht. Heute oder morgen sollte die Lieferung mit CBT3253 von NXP, bei Farnell bestellt, kommen. Da werde ich sehen, ob die Empfangs- frequenz sich nach oben verschiebt. Ich habe schon zwei dieser CBT3253 von TI bestückt und leider klappt es mit dem Empfang nicht oberhalb von 7,3 MHz. So wie ich das verstanden habe, wird der Tayloe-Sampler mit einer Frequenz, die der Empfangsfrequenz entspricht, reihum von Schalter #1 bis Schalter #4 umgeschaltet, wobei die Schrittfrequenz 4x höher sein muss wie die Empfangsfrequenz. D.h. der einzelne Analogmux-Schalter wird zwar jedes vierte Mal geschaltet, aber die Einschaltdauer entspricht der Einschaltdauer eines 4x so hohen Frequenz wie die Empfangsfrequenz. Somit muss der Mux (CBT3253) z.B. im 10m Band Taktflanken eines 112MHz Clocks ab können, was scheinbar nicht jedes Fabrikat kann. Kann Jemand hierzu was beitragen. Liege ich mit meiner Annahme richtig, oder habe ich da noch ein Verständnisproblem? Markus DL8MBY
Markus, hast Du mal ins TI Datenblatt geschaut? Ich meine mich zu erinnern dass die unter 8ns angeben. Das müsste doch genügen?? Ich bin leider noch nicht soweit um das an meinem Board zu verifizieren EDIT: http://www.ti.com/lit/ds/symlink/sn74cbt3253.pdf
Hallo Thomas, hallo OM's auf Seite 4 unten steht in der Anmerkung zum den Flanken-Zeiten Note: ... E. tPLZ and tPHZ are the same as tdis. F. tPZLand tPZH are the same as ten. G. tPHL and tPLH are the same as tpd. H. All parameters and waveforms are not applicable to all devices. Somit muss man die 7.5ns zweimal für Anstieg und Abfall rechnen. Das sind 15ns im schlechtesten Fall. Gib den Highpegel nach 5ns für ein halbwegs gutes "Rechteck", so haben wir 20ns für die halbe Periode. Das ganze mal zwei, sind wir bei 40ns d.h. 25MHz. Nimmt man die angegebenen 1.6 und 1.3 ns als "best case" und 2ns fürs Dach, so hat die halbe Periode eine Dauer von ca. 5ns und die ganze 10ns und somit ca. 100MHz. Wie nun die Streuung innerhalb der Produktion aussieht, immerhin ist das Datenblatt von "SCDS018O − MAY 1995 − REVISED JANUARY 2004", ist natürlich uns nicht bekannt. Deshalb habe ich mir vor einiger Zeit, als der Tayloe-Sampler in der AFU-Literatur diskutiert wurde, die CBT3253 von Fairchlid in der TSSOP Variante bestellt. Diese Muxe werden wohl neuerer Fertigung abstammen und sind bestimmt schneller. Ich habe mir nur nicht die Mühe gemacht diese mit Fädeldraht auf die mchf Platine zu löten um den Unterschied zu sehen. Sollten aber die NXP IC's nicht eine Besserung bringen, so werde ich diesen Versuch machen. Markus DL8MBY
.....hab jetzt in der Projektgruppe noch längst nicht alles gelesen, aber wurde schon mal so eine Problematik bei den anderen festgestellt? Um ehrlich zu sein würde mich das wirklich sehr wundern wenn dem so wäre. Ich meine aber gelesen zu haben dass einige wohl mal kaputte CBT3253 hatten. Markus, hast Du die selber eingelötet oder hast Du auch ein teilbestücktes full kit vom Chris bezogen? Bei mir hat Chris die ja schon auflöten lassen. Nichtsdestotrotz werde ich mir mal 10 Stück NXP Typen bei Farnell bestellen. Wollte ohnehin die Taster und Kappen dort holen. Falls die TIs tatsächlich so massiv streuen habe ich schnell Ersatz zur Hand. Gruß Thomas, DL8EBD
Hallo Thomas, falls es nicht klappt mit der Bestellung, ich habe gerade eine Stange geliefert bekommen. Ist just beim Schreiben der letzten Antwort gekommen. CBT3253 von NXP in SO16. Kannst Mir dann eine PN schicken. Bin schon auf das Ergebnis heute Abend bei meinem mchf gespannt. Markus DL8MBY PS.: Die Muxe die die Bandfilter schalten sind natürlich nicht betroffen, sondern nur der RX und TX Schalter des Tayloe-Samplers, d.h. U15 und U17, die schnell schalten müssen.
Danke Markus, bin schon auf Deinen Bericht gespannt! Farnell wird schon klappen....wir kaufen dort ja regelmäßig (QRL). Privat würde ich dann HBE bevorzugen, komme aber leider selten über die 30€...
Hallo Thomas, kannst Du mir auf die Sprünge helfen. Für was steht HBE. Google liefert irgendwelche Pharma-Corp's. Ich habe auch Treffer für "home brew electronics" gefunden, die sind aber nicht in DE. Oder ist das ein internationaler Lieferant wie Mouser. Danke für die Erleuchtung ;-) Markus DL8MBY
Klaus war schneller.... bei HBE kannst Du als Privatmann mit Farnell-Bestellnummern direkt kaufen.
Hallo Thomas, habe auch gesehen, dass HBE auch ein Teilepaket für den mchf anbietet. Könnte auch für andere von Interesse sein, falls nicht schon bekannt. Siehe Link: https://hbe-shop.de/Art-3111-MCHF-Bausatz-MCHF-SDR-Transceiver-aktualisiert-von-DL1NCZ-96-Teile und https://hbe-shop.de/hbedata/titel/Teileliste18_02_16.pdf Markus DL8MBY
Markus, yesss.... :-) siehe auch Projektgruppe Sulingen: http://www.amateurfunk-sulingen.de/mchf-projekt/materialbeschaffung#start Etwas versteckt im Text ist der Link auf das HBE Teilepaket
Hallo Thomas, somit habe ich nun auch meine Antwort, auf die Frage von gestern ans Forum, durch welchen noch besseren OPV man den OPA2350 von TI ersetzen könnte, der noch weniger rauscht. Ergebnis AD8652ARZ. Schade, dass ich das man meine Farnell Bestellung nicht mehr dranhängen konnte. Gruß Markus
Hallo Markus, hattest Du mit den CBT3253 von NXP Erfolg gehabt? Meine sind heute von Farnell eingetroffen, plus einiges andere an Zeug, so dass ich jetzt mit dem Bau endlich beginnen kann. Ich muss mir nur etwas ausdenken um die SMD Taster absolut gerade aufzulöten, also in einer Flucht.... Jemand eine Idee? Gruß und 73! Thomas, DL8EBD
> Ich muss mir nur etwas ausdenken um die SMD Taster absolut gerade > aufzulöten, also in einer Flucht.... s. Sulinger Forum: mit Lineal. 73 de Stephan HB9ocq
danke Stephan, das schaue ich mir doch gleich an. Gruß Thomas, DL8EBD
Hallo Thomas, ich hatte keine Erfolg, trotz der neu eingebauten NXP IC's. Ab 7.3 MHz habe ich kein Empfang. Habe ein paar Bilder gemacht, die ich eventuell heute Abend hochladen werde. Ich will noch den OPA2053 durch einen AD8652 ersetzen, ist auch heute angekommen (nur 4.5nV/Sqrt(Hz) Rauschen). Markus DL8MBY
so ein Mist Markus..... das ist bestimmt wieder irgend so eine Kleinigkeit die man aktuell noch übersieht. Ich hoffe das ich am Wochenende endlich mal mitreden und auch die eine oder andere Messungen durchführen kann. Ich drücke Dir die Daumen dass Du das Problem in den Griff bekommst. 73! Thomas
Kann mir nicht vorstellen, daß sich die CBT3253 von verschiedenen Herstellern so unterschiedlich verhalten. Die 30 MHz oder sogar 50 MHz sollten kein Problem darstellen, das muss was anderes sein.
Hallo Thomas, hallo Bernd, habe gestern Abend und noch heute um fünf morgens einige Messungen auf der Suche nach dem vermeintlichem Fehler gemacht, leider ohne Erfolg. Ich habe den Eingangstransistor getauscht (BFR93AW), obwohl dieser laut Messung ok war - präventiv. Hat einen Strom um die 13mA bei etwas über 10dB Verstärkung im Bereich 1-30MHz (Schnellmessung via Oszi für fünf Frequenzen). Dann habe ich den CBT vin TI durch einen von NXP ersetzt. Auch kein Resultat. Weil ich gesehen habe der der Sulinger OV für den OPV für die I/Q Kanäle den AD8652, statt des OPV2350 nimmt (rauscht etwas weniger 5 zu 7 nV) habe ich den ebenfalls getauscht. Nachdem das ebenfalls Nichts gebracht hat, habe ich die beiden Kondensatoren C68/C69 (bei mir 48nF bestehend aus 3x 15nF) ausgelötet und mit dem VNA vermessen. Zuvor hatte ich die Kondensatoren nur mit dem G328 Transistor- tester auf gleiche Kapazität selektiert, nicht aber den Xc Verlauf gemessen. Laut VNA haben die so gestapelten Kondensatoren bis ca. 1MHz ihre kapazitive Wirkung mit einem Phi von 87° ab dieser Frequenz fällt Phi langsam und erreicht bei 3.8MHz 0°, d.h. ab da wirkt der Kondensator mehr induktiv und ist ab 6MHz auch von der Phase bei etwas über 80°. Gemessen habe ich von 50kHz bis 30MHz. Um Euch die Wirkung auf den Empfänger zu zeigen, habe ich einige Bilder angehängt. 1. Schaltplan vom RX-Sampler, um den es hier geht. 2. Aufbau der RF-Platine, wo der CBT3253 sitzt. (noch von TI) 3. Vorbereitung zum Entlöten mit Heißluft. nun der Empfang. 4. & 5. Empfang auf 40m VNA generiert einen 10kHz Sweep und wird um 80dB abgeschwächt. Einspeißung erfolgt via RG-174 an C64 der Basis von Q1 - DC entkoppelt. Q1 kann auf 1.5Vss ausgesteuert werden, ohne die Amplitude zu kappen, wenn die Dämpfungswerte reduziert werden. 6. & 7 Empfang auf 30m (10.100 MHz), kein Signal sichtbar bei Dämpfungswerten von 80 - 20. erst bei Stellung -10dB, also etwa -15dBm am Transistor Q1 sieht man am Display eine Rampe aber mit Spiegelbild im Spektrum. 8. Ebenso verhält es sich auf 20m (14MHz). Da habe ich nur des starke Signal mit -15dBm abgebildet. So nun konstruktive Vorschläge, wo der Hund begraben liegt. Ich hoffe die Bilder werden auch Hochgeladen. Habe sie runter- skaliert und auf 50% gepackt. Ich hoffe es sind die Details noch gut zu erkennen. In allen Fällen liefert der Si570 saubere Signale und die stehen entsprechend dem Teiler 1:4 an Pin #2 & #14 vom CBT3253 als saubere Rechteck mit 4,2V H-Pegel an. Leider kann ich an den Kondensatoren und am OPV keine Signale messen, die mein Oszi mit bis zu 5mV/div darstellen könnte. (TB 1ms/2ms/5ms - nix???) Danke für Eure Mühe und Grübelei. Markus DL8MBY
Markus, Dein Signalgenerator funktioniert aber korrekt? Nicht dass der > 7MHz ein Problem hat???? 73! Thomas, DL8EBD
Hallo Thomas, ich habe den VNA (50kHz - 160MHz) und einen Marconi (10kHz - 1GHz) dran geschlossen, mit selben Effekt. Gleiches gilt, wenn die Antenne dran ist. Ich muss mir mal die Schaltung Transistor, Übertrager, Lastwiderstände auf einer Lochrasterplatte aufbauen und schauen, was da so durch kommt und wie belastbar die ganze Kette ist. Ich habe bei mir ja 2x 50 Ohm vor und nach dem CBT dran, statt 2x 100 Ohm (wegen geringerem Rauschen). Auch ist die Kapazität ca. 47nF groß und nicht 22nF wie im Original. Sollte die NF-Bandbreite etwas reduzieren 0 - 50Khz, statt der ursprünglichen 100 - 200 kHz. Markus
Die beiden /OE des CBT3253 sind nullaktiv, hast du die mal nachgemessen? Die Amplitude ruhig so groß machen, daß am Kollektor von Q1 ein Signal von 100mVss anliegt. Dieses muss mit minimal kleinerer Amplitude auch an Pin 1 und Pin 3 des Übertragers erscheinen. Die DC-Spannung an den drei Sekundärpins sollte 2,5V betragen. Der theoretische Mischverlust beträgt 3dB, da sich die Eingangsleistung auf zwei Frequenzen aufteilt. In der Praxis betragen die Mischverluste eher 4..5dB. Also sollte das NF-Signal an C68 und C69 noch ca. 50mVss groß sein. Diese Spannung kann leicht mit Oszilloskop nachgewiesen werden. NF-Frequenzen bis 10kHz sollten ohne zusätzliche Dämpfung passieren. Erst wenn diese beiden Signale funktionieren, überprüfen, ob die OPVs 22-fach verstärken. Als günstigen, rauscharmen OPV verwende ich gerne den LM833 mit 4,5nV/sqrt(Hz). Es gibt jedoch deutlich bessere mit <1nV/sqrt(Hz), einer davon ist der LT1028.
Hallo Bernd, ich habe die Amplitude vom Generator so hoch gedreht, dass am Kollektor von Q1 1.5Vss erscheinen. Ich wollte sehen ob der Transistor schon sein Ausgangssignal kappt und ob der AP gut positioniert ist. Kappung tritt so ab 2Vss auf. Beide Üb.-Wicklungen zweigen im Prinzip das selbe Signal - etwa 0.1V weniger bei den 1.5Vss. Bernd Ich habe auch noch Nachholbedarf, was die Theorie vom Tayloe-Sampler angeht und war auch der Meinung, dass das Ding zwischen drei uns sechs dB Verlust macht, da es aber kein Mischer ist, sondern ein SC-Abtastfilter, beträgt der Verlust weniger als 1dB im besten Fall. Siehe dazu: http://www.norcalqrp.org/files/Tayloe_mixer_x3a.pdf Ich habe die OE_ Eingänge noch nicht nachgemessen, ist eigentlich naheliegend, wenn alles Andere nichts bringt. Werde ich heute Abend machen. Danke und schöne Pfingsten. Markus
Hallo Markus Bei der Simulation hat sich ein Problem herausgestellt. Ich bezweifle, daß die Schaltung (vom Schaltplan) wie gewünscht funktioniert. Stell dir mal vor, SW_A1 und SW_B2 wären an. Dann fließt ein Ausgleichsstrom zwischen C68 und C69. Bei der nächsten Phase das Selbe. Der Ausgleichsstrom zwischen den Kondensatoren ist größer, als der Strom vom Übertrager. Je besser die Analogschalter, desto weiter nähern sich die Phasen des Ausgangssignals an. Baut man dagegen die beiden Widerstände R41 und R42 nach dem Schaltmischer ein, sieht es deutlich besser aus. Beim KX3 z.B. wird beim Empfangsmischer ein deutlich höherer Aufwand betrieben. Laut Simulation betragen die Mischverluste 3,3dB. Gruß, Bernd
Hallo Bernd, um die Schaltung besser zu Verstehen, musst Du dir den rf-Schaltplan von der Webseite von M0NKA (engl. Funkamateur) unter http://www.m0nka.co.uk/ herunterladen. Der Schaltplan liegt unter http://www.m0nka.co.uk/wp-content/uploads/2013/12/rf__0_4_schem.pdf in der Version 0.4, die meinem Aufbau entspricht. Die Schaltreihenfolge ist wie in der Tabelle im Anhang dargestellt. Es wird nur ein Schalter alle Virtel-Periode geschaltet, so daß niemals zwei Schalter gleichzeitig an sind, zumindest in der Theorie. Wie sehr die einzelnen Schaltimpulse an S0 und S1 überlappen, hängt von der Signalqualität der Rechtecke, die S0 und S1 erreichen, und die sollte eindeutig sein. Der Interne Adressdecoder lässt ja nur jeweils einen geschlossenen Schalter zu. Die Schaltung wurde ja bereits von vielen Amateurfunkern aufgebaut und ihre Wirkungsweise ist gut in Youtube zu verfolgen - Stichwort mchf und SDR. Mein Problem ist mittlerweile eingekreist, dank Deinem Hinweis "Die beiden /OE des CBT3253 sind nullaktiv, hast du die mal nachgemessen?" die OE_ Signale zu überprüfen. Hätte ja eigentlich selber drauf kommen können. Es war nur nicht sofort logisch, da die Funktion bis zu 7MHz gewährleistet ist, weshalb ich eher an der Güte der Schalter gezweifelt habe als an der Tatsache, dass sie trotz aktiver S0 und S1 Signale garnicht enabled werden. Das PTT Signal, das vom MC bereitgestellt wird, wird mittels eines HCT02 von 3.3V nach 5V hochgesetzt und da ist wohl noch ein Wurm drin, denn ab 30m Bandeinstellung wird dieses Signal nicht mehr Low. Das habe ich aber erst mittels Messung am Oszi heute Morgen herausgefunden. Danke also für Deinen Tipp und ich werde weiter über meinen Aufbau- fortschritt berichten. Wenn Dich noch mehr Details zu dem Projekt "mchf" und SDR interessieren, so kann ich Dir den Link zum Sulinger OV Forum wärmstens empfehlen. Siehe erster Thread. Schöne Pfingeten und bis zum nächsten Mal ;-) Markus DL8MBY
> Es wird nur ein Schalter alle Virtel-Periode geschaltet
Ok, ich nehm alles zurück. Es ist tatsächlich immer nur ein Schalter an.
Hallo Bernd, hallo Thomas, hallo OMs, Fehler ist gefunden, siehe Anhang, zwei Widerstände R5 & R8 af der RF-Platine sind während meiner nächtlichen Lötorgie um 90° verdreht auf die zugehörigen Felder gelötet worden. Just jene, die die Band- select Signale weiterleiten, deshalb das durcheinander in der Logik. Nun geht der Empfänger wie er soll. Maximale Empfangsfrequenz liegt bei etwas über 39.900 KHz. Schöne Pfingsten und viel Spaß allen anderen mchf Enthusiasten. vy73 Markus DL8MBY
schön zu lesen Markus! Was ein krasser Fehler - da kann man unter Umständen lange suchen. Ich habe auch erste Erfolge zu verbuchen.... UI-Board läuft.... Bootloader und Firmware drauf und es ist Leben auf dem Display. Das halb bestückte RF Board funktioniert auch soweit. Jetzt fange ich mit den ersten Modifikationen an. SPI fürs Display :-) Da ich ja Rev 0.5 Boards habe, muss ich mich erst einlesen. Ach so, ich habe mich bewusst dazu entschieden dem Chris seinen Bootloader zu verwenden. Updates mache ich dann via USB Strippe und nicht per Stick. wünsche allen schöne Pfingsten! Das kalte Wetter ist ja geradezu dafür gemacht am mcHF zu löten Thomas, DL8EBD
Hallo Thomas, hallo OM's Es war noch einges Grübeln und Nachdenken nötig, bis ich dahintergekommen bin, warum der mchf nach Aufbau der Filter- Bypässse und dem Aufbau des Pindioden-Antennen-Umschalters über 30dB an Empfindlichkeit verloren hat, gegenüber der direkten Einspeißung eines Generator Signals am Eingangs- Transistor. Die beiden PIN-Dioden D3 und D4 werden leider nur aus einer 5V Logik-Quelle mit Strom versorgt, der dazu noch auf maximal 20 bis 30 mA bedrenzt ist. Der gesamte IC ein 74HCT02, der die PIN-Dioden durchsteuert, kann maximal 50mA liefern. Bei meinem Aufbau, siehe Bild #1, ergab sich die folgende Eingangs- impedanz, siehe Bild #2 von der Antennenbuchse aus gesehen. Wie bereits geschrieben,sind die Band- und Tiefpässe noch nicht bestückt und Ihre Leiterbahnen sind mit kurzen Drähten bzw. 0 Ohm Widerständen überbrückt. Bei dieser Auslegung konnte ich erst Signle mit -90dBm am Antennen- eingang detektieren, obwohl direkt am Eingangstransisttor Signale mit -120dBm gut hörbar und im Wasserfall gerade noch sichtbar waren. Nach einiger Überlegung und Messung an den Pindioden sowie dem Durchlesen des MA4P Appnote und Datenblätter habe ich die Widerstände noch mehr reduziert, wie auch die Dioden verdoppelt. An Stelle von D3 wurde einer Parallelschaltung aus zwei PIN-Dioden eingebaut und an Stelle von D4 eine Serienschaltung von den selben zwei PIN-Dioden eingeführt. Mit diesen Aufbau siehe Bild #4 ist der folgende Eingangsimpedanz- verlauf, siehe Bild #5, am Antenneneingang erzielt worden. Fortsetzung im nächsten Thread Markus DL8MBY
Fortsetzung PIN-Antennen-Schalter. So wie sich die Sache darstellt, sollte man vor dem Aufbau der Filter (Bandpässe und Tiefpässe, die auch für den Empfang verwendet werden) unbedingt den Antennen-PIN-Schalter aufbauen und sofern Messmittel vorhanden durchmessen. Auf der einen Seite sind die Drosseln RFC2 und RFC3 sorgfältig auszuwählen, damit sie nicht das RX-Siganl ableiten und damit zusätzlich dämpfen, und auf der anderen Seite muss der Serien- widerstand vorallem von D4 im Empfangsfall im gesperrten Zustand groß genug sein, um das Empfangssignal nicht übermäßig zu verringern. Welche Auswirkung meine Modifikation auf den TX-Betrieb hat, muss ich noch nach dem Aufbau der Endstuffe sehen und Hoffe, dass das Sperrverhalten fpr das PA Signal, das auf den RX-Eingang gelangen kann ausreichend ist. Jedenfalls habe ich jetzt auf allen Bändern eine Empfindlichkeit, die ein Signal kleiner -120 dBm im Kopfhören hörger macht und es auch im Wasserfalldiagram Sichtbar macht. Die größte Sensitivität ist im 10m-Band, die geringste im 80m-Band gegeben. Das 160m-Band habe ich bei meinen Messungen nicht berücksichtigt. Die anehängten Bilder zeigen die Darstellung der schwachen Signale auf einigen Bändern. Erst, wenn man mit dem Durchlassverhalten des PIN-Sende-Empfangs- Schalters zufrieden ist sollte man an den Aufbau der Bandfilter und Tiefpässe gehen. Markus DL8MBY
Hallo, mal eine Frage zum verwendeten µC : Wo kann man den als privatler günstig kaufen ? Gruß lg
Lutz G. schrieb: > Hallo, > > mal eine Frage zum verwendeten µC : > > Wo kann man den als privatler günstig kaufen ? > > Gruß lg Ich gebe mir mal selbst die Antwort : - z.B. bei https://hbe-shop.de/ Vielen dank an den DARC-Ortsverband I40 Sulingen :-)
Beitrag #5855639 wurde von einem Moderator gelöscht.
Bitte melde dich an um einen Beitrag zu schreiben. Anmeldung ist kostenlos und dauert nur eine Minute.
Bestehender Account
Schon ein Account bei Google/GoogleMail? Keine Anmeldung erforderlich!
Mit Google-Account einloggen
Mit Google-Account einloggen
Noch kein Account? Hier anmelden.





































