Hallo! Ich bastle gerade an einer kleinen Schaltung herum und habe dabei das folgende Problem: * Beim erstem Impuls soll der Ausgang dauerhaft angeschaltet werden * Beim nächsten Impuls soll der Ausgang dauerhaft ausgeschaltet werden * Beim nächsten wieder an * Beim nächsten wieder aus * u.s.w. Der Impuls ist eine positive Spannung für mindestens 0,1 Sekunden von einem Logikchip. Kenn hier jemand eine einfache Lösung dafür?
Nennt sich neudeutsch "toggeln" und wird mit einem einfach FLipFlop ala 74HC74 erreicht. Ausgang !Q auf Eingang D verbinden.
!Q ist der Versuch "nicht Q" (also den invertierten Ausgang) darzustellen.
Ich meine Q quer, den invertierten Ausgang. !Q ist eine von vielen Schreibweisen, das "!" bedeutet Invertierung, sowohl in C als auch in CUPL und anderen Logikbeschreibungssprachen.
Achso, ich dachte du meinst 1Q (! und 1 sind auf der selben Taste)
Pinbelegung (aus Datenblatt): 7 - 14 + 5 mit einem NOT zu 2 Was soll ich mit 3 und 4, und wo soll ich den Ausgang hernehmen?
@ Paul Schmitz (paul_s856) >Pinbelegung (aus Datenblatt): >7 - >14 + Zeichne einen Schaltplan, der diesen Namen verdient unv vergiss diese Lyrik. >5 mit einem NOT zu 2 Nö, dafür gibt es doch schon Q_quer an Pin 6. Man braucht keine Zusatz-IC. >Was soll ich mit 3 und 4, und wo soll ich den Ausgang hernehmen? ??? Vom Ausgang Pin 5?
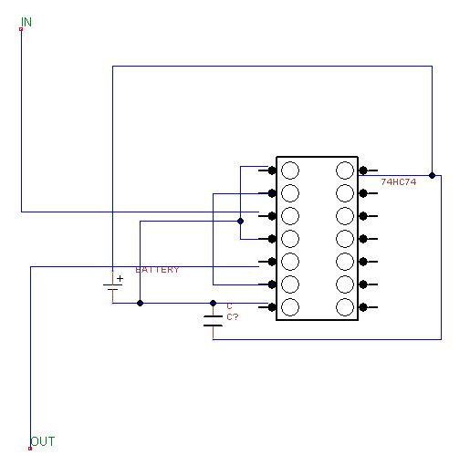
Auf dem Plan sieht man was ich meine: Pin 7 ist an -, Pin 14 an +. 6 ist mit 2 verbunden. 5 ist der Ausgang. Was soll ich mit Pin 1, 3 und 4 und dem Eingang machen?
Unbenutzte Eingänge müssen je nach Logikfunktion mit LOW oder HIGH verbunden werden, sie dürfen nicht offen bleiben! Ein 100nF Entkoppelkondensator wäre auch nicht schlecht. https://www.mikrocontroller.net/articles/Kondensator#Entkoppelkondensator
Falk B. schrieb: > Unbenutzte Eingänge müssen je nach Logikfunktion mit LOW oder HIGH > verbunden werden, sie dürfen nicht offen bleiben! Und welche brauchen was (aus dem Datenblatt werde ich nicht schlau)? Falk B. schrieb: > Ein 100nF Entkoppelkondensator wäre auch nicht schlecht. Habe ich jetzt im Plan eingebaut.
@ Paul Schmitz (paul_s856) >> Unbenutzte Eingänge müssen je nach Logikfunktion mit LOW oder HIGH >> verbunden werden, sie dürfen nicht offen bleiben! >Und welche brauchen was (aus dem Datenblatt werde ich nicht schlau)? Dann lies es nochmal. Wenn du das schon allein nicht rauskriegst, wirst du andere Probleme auch nicht lösen.
Brauche ich denn einen "asynchronous reset-direct input" oder einen "asynchronous set-direct input"? Wenn ja, auf -, sonst auf +. Und was ist mit dem "clock input (LOW-to-HIGH, edge-triggered)"?
@ Paul Schmitz (paul_s856) >Brauche ich denn einen "asynchronous reset-direct input" oder einen >"asynchronous set-direct input"? Das musst du doch wissen? Wahrscheinlich nicht, denn du willst ja nur mit jeder steigenden Taktflanke umschalten. > Wenn ja, auf -, sonst auf +. Genau. >Und was ist mit dem "clock input (LOW-to-HIGH, edge-triggered)"? Was wird wohl der "clock input" bei einem FlipFlop sein?
https://www.mikrocontroller.net/articles/Flipflop Jetzt weiß ich es: der Impuls! Ist die Beschaltung im Bild so richtig?
@ Paul Schmitz (paul_s856) >https://www.mikrocontroller.net/articles/Flipflop >Jetzt weiß ich es: der Impuls! 10 Punkte. >Ist die Beschaltung im Bild so richtig? Immer noch grausam. Ein namenloser IC ohne Pinnummern. Das ist kein Schaltplan, nicht mal ein Layout. Pin 1 +4 müssen auf HIGH, nicht LOW, denn sie sollen ja INaktiv sein. Die Eingänge das anderen FLipFlops im gleichen Gehäuse sollte man auch auf definerte Potentiale legen, sonst können komische Dinge passieren. Der Rest ist OK.
Falk B. schrieb: > namenloser IC gar nicht, steht an der Seite Falk B. schrieb: > Die Eingänge das anderen FLipFlops im gleichen Gehäuse sollte man auch > auf definerte Potentiale legen, sonst können komische Dinge passieren. Aber die sind doch gar nicht miteinander verbunden (außer + und -)
Eine Herausforderung gibt es noch: Der Ausgang soll einen 555 mit Strom versorgen. Der Ausgang wechelt aber von + auf - und nicht von + auf nichts, was in diesem Fall doof ist, weil der Pin 8 am 555 zur Spannungsversorgung dann - erhält, worauf der Timer nicht gut reagiert. Was dagegen tun?
@ Paul Schmitz (paul_s856) >Der Ausgang soll einen 555 mit Strom versorgen. Ob das so sinnvoll ist? > Der Ausgang wechelt aber >von + auf - und nicht von + auf nichts, was in diesem Fall doof ist, >weil der Pin 8 am 555 zur Spannungsversorgung dann - erhält, worauf der >Timer nicht gut reagiert. >Was dagegen tun? Einen P-Kanal MOSFET nachschalten, der kann VCC schalten und im ausgeschalteten Fall ist er hochohmig.
Falk B. schrieb: >>Der Ausgang soll einen 555 mit Strom versorgen. > > Ob das so sinnvoll ist? Wie denn sonst? Der 555 ist astabil verdrahtet und soll nur bei einem positiven Ausgang zählen.
@ Paul Schmitz (paul_s856) >> Ob das so sinnvoll ist? >Wie denn sonst? Der 555 ist astabil verdrahtet und soll nur bei einem >positiven Ausgang zählen. Schon mal was von einem RESET-Eingang gehört?
Falk B. schrieb: > Schon mal was von einem RESET-Eingang gehört? Ja, Pin 4. Der ist dazu da um Pin 3 auf - zu schalten.
Paul S. schrieb: > Falk B. schrieb: >> Schon mal was von einem RESET-Eingang gehört? > > Ja, Pin 4. Der ist dazu da um Pin 3 auf - zu schalten und den Timer zurückzusetzen.
@ Paul Schmitz (paul_s856) >> Schon mal was von einem RESET-Eingang gehört? >Ja, Pin 4. Der ist dazu da um Pin 3 auf - zu schalten. Du hast eine merkwürdige Sprache. Kein Elektroniker redet von Pinnummer, er redet von Pinnamen! Ausserdem spricht man nicht von + un - sonder von LOW (0V) und HIGH (VCC, meist 5 oder 3,3V). Also, RESET macht genau das was du willst, er hält den NE555 an sodass er keine Takte mehr erzeugt, obwohl er noch mit Strom versorgt wird.
Das heißt, der 555 soll die ganze Zeit mit Strom versorgt werden aber nur Signale an den Ausgang (Pin 3) legen, wenn ein positives Signal an den Reset-Pin 4 kommt.
Bitte melde dich an um einen Beitrag zu schreiben. Anmeldung ist kostenlos und dauert nur eine Minute.
  
  Bestehender Account
  
  
  
  Schon ein Account bei Google/GoogleMail? Keine Anmeldung erforderlich!
Mit Google-Account einloggen
Mit Google-Account einloggen
  Noch kein Account? Hier anmelden.

