Hallo, wollte einmal testen, ob die Orientierungslampe am Tag, wenn sie nicht leuchtet, auch tatsächlich "Strom" spart. Jetzt muss ich leider feststellen, dass sie im "Tagbetrieb" - also ohne Lichtabgabe - sogar ca. 1 mA mehr Strom zieht, als wenn die LEDs leuchten. Der Dauerstrom beläuft sich auf etwa 15 mA. Habe mal das Schaltbild untersucht und stelle fest, dass "tagsüber" der Transistor die LEDs "kurzschliesst" und somit quasi "ausschaltet", dabei aber natürlich Strom zieht. Dann kann man ja die LEDs immer leuchten lassen. Einen dem Kunden sugerrierten "Energiespareffekt" durch "Quasi-Abschaltung" der LEDs kann ich hierbei nirgends entdecken. Würde ich jetzt die Schaltung so abändern, dass die LEDs zum Beispiel im Kollektorkreis des Transistors lägen, bekäme ich Probleme mit dem "Kondensator"-Netzteil, weil die Spannung dann wohl im unbelasteten bzw. schwach belasteten Zustand höher ging (-bis auf maximal Netzspannung-). Das hiesse wiederum, dass dann eine Stabilisierungsschaltung eingefügt werden müsste, die ihrerseits wieder Strom zieht. Im jetzigen Originalzustand des Orientierungslichtes mit Dämmerungssensor werden nur die LEDs geschont aber kein "Strom" gespart. ciao gustav
Es ist zu berücksichtigen, dass Strom und Spannung nicht in Phase sind. Es ist also die Frage, ob es tatsächlich so ist, dass bei abgeschalteten LEDs die Energieentnahme aus dem Netz höher ist.
Lothar schrieb: > Es ist also die Frage, ob es tatsächlich so ist, dass bei abgeschalteten > LEDs die Energieentnahme aus dem Netz höher ist. Naja, wenn ich ganz blöd die LEDs kurzschliesse, wird das sicher keine Energie sparen, denn die landet dann im kurzschliessenden Transistor. Eine Schaltung, die wirklich Strom spart, habe ich mal im Q&D Thread publiziert: Beitrag "Re: Quick&dirty - schnelle Problemlösungen selbst gebaut"
Wenn Du in einer Reihenschaltung aus Blindwiderstand und Wirkwiderstand den Wirkwiderstand kuzschließt, steigt zwar die Scheinleistung, aber die Wirkleistung sinkt.
Karl B. schrieb: > Habe mal das Schaltbild untersucht und stelle fest, dass "tagsüber" der > Transistor die LEDs "kurzschliesst" und somit quasi "ausschaltet", dabei > aber natürlich Strom zieht. Tja, Strom ist nicht gleich Leistung, Blindstrom wird von deinem Haushaltszähler nicht gezählt, und der Spannungsbedarf sinkt durch die überbrückten LEDs, also auch die reale Leistungsaufnahme. Pfiffige Schaltung. Du musst schon mit einem richgigen (Mikroleistungs-)Energiezähler messen.
MaWin schrieb: > Blindstrom wird von deinem > Haushaltszähler nicht gezählt Woher weißt Du das? OK, noch ist's so. Aber dieses Jahr schon sollen "unsere" Haushaltsstromzähler gegen "intelligente" ausgetauscht werden. Beim für die nächsten Jahre geplanten "Smartmetering" wird so manchem Stromkunden bei Lesen der Rechnung der grosse Wutanfall ins Haus stehen. Denn bei der geplanten Austausch der Haushaltszähler sollen alle "Stromentnahmearten" gezählt werden. Also auch "Blindstrom". Auf ersten Blick scheint's gleichgültig, ob der Strom nun durch den Transistor oder das Leuchtdioden-Array fliesst. Jedenfalls muss der Transistor die Spannung an den LED-Anschlüssen soweit reduzieren, dass diese nicht mehr leuchten. (Ist quasi wie bei einer Zenerdiodengrundschaltung: Entweder fließt Strom durch den Lastwiderstand oder durch die Z-Diode. Energie wird immer verbraten.) (Muss mal gucken, wie sich die Phasenverschiebungen bei obiger Schaltung tatsächlich ausmachen.) danke für die Antworten! ciao gustav
> Denn bei der geplanten Austausch der Haushaltszähler sollen alle > "Stromentnahmearten" gezählt werden. Also auch "Blindstrom". Kannst du eine Quelle nennen?
Karl B. schrieb: > Im jetzigen Originalzustand des Orientierungslichtes mit > Dämmerungssensor > werden nur die LEDs geschont aber kein "Strom" gespart. Es wird zwar kein Strom gespart, aber (Wirk-)Leistung (siehe andere Antworten). Das war bei den "alten" Orientierungslichtern mit Glimmlampe und Fotowiderstand anders. Da wurde tagsüber tatsächlich mehr Leistung als Nachts verbraucht
Harald W. schrieb: > Karl B. schrieb: > >> Im jetzigen Originalzustand des Orientierungslichtes mit >> Dämmerungssensor >> werden nur die LEDs geschont aber kein "Strom" gespart. > > Es wird zwar kein Strom gespart, aber (Wirk-)Leistung > (siehe andere Antworten). Das war bei den "alten" > Orientierungslichtern mit Glimmlampe und Fotowiderstand > anders. Da wurde tagsüber tatsächlich mehr Leistung als > Nachts verbraucht Hast du eine Schaltung, Harald?
Matthias S. schrieb: > Lothar schrieb: >> Es ist also die Frage, ob es tatsächlich so ist, dass bei abgeschalteten >> LEDs die Energieentnahme aus dem Netz höher ist. > > Naja, wenn ich ganz blöd die LEDs kurzschliesse, wird das sicher keine > Energie sparen, denn die landet dann im kurzschliessenden Transistor. Blödsinn. Wieviel Spannung fällt am durchgeschalteten Transistor ab und wieviel an den drei in Reihe geschalteten LED? Selbst wenn wir mal als gegeben annehmen, daß sich der Strom von 15mA auf 16mA erhöht, fällt am Transistor weniger Leistung an. Zumindest wenn er voll durchschaltet. Wenn man etwas an der Schaltung kritisieren möchte, dann die fehlende harte Schaltschwelle.
Lothar schrieb: > Kannst du eine Quelle nennen? "Google" Zitat: Bei vielen stromverbrauchenden Geräten, die auf dem physikalischen Prinzip der elektrischen Induktion beruhen ..tritt ein "induktiver Blindstrom" auf. ... Einen derartigen Strom möchte man reduzieren oder vermeiden, da er an den ohmschen Widerständen des Netzes eine Verlustleistung bewirkt und dadurch die Übertragungsverluste erhöht. Einfach gesprochen, man verschwendet durch Blindstrom Energie und stört das Stromnetz. Daher stellen die Energieanbieter Ihren Kunden die vom B l i n d s t r o m verursachte Blindarbeit ("Blindleistungsverbrauch") in Rechnung...." "...Die Bundesnetzagentur (BNetzA) hat in einer Festlegung vom 21.10.2008 (Az: BK6-08-006) die Rahmenbedingungen zur ....Bestimmung der Netzverluste erlassen...." In "meinen" TAB steht: "...die Anschlussnutzung hat zur Voraussetzung, dass der Gebrauch der Elektrizität mit einem Verschiebungsfaktor zwischen cos Phi = 0,9 kapazitiv und 0,9 induktiv erfolgt..." " ...die baulichen Voraussetzungen für den Einbau von Messeinrichtungen zu schaffen, die dem jeweiligen Anschlussnutzer den tatsächlichen Energieverbrauch und die tatsächliche Nutzungszeit widerspiegeln...." "...der Netzbetreiber ist berechtigt, in Form von Technischen Anschlussbedingungen weitere technische Anforderungen an den Netzanschluss ... festzulegen..." u.s.w. Das nur nebenbei..... ....sollte aber nicht zu einer Grundsatzdiskussion "Blindstromberechnung" führen. Fest zu stehen scheint im Dschungel der Infos der EVUs, dass im Rahmen von Smartmetering ein "Leistungsprofil" erstellt wird über den tatsächlichen Verbrauch. ciao gustav
Lothar schrieb: >> Das war bei den "alten" >> Orientierungslichtern mit Glimmlampe und Fotowiderstand >> anders. Da wurde tagsüber tatsächlich mehr Leistung als >> Nachts verbraucht > > Hast du eine Schaltung, Harald? Schaltung? Da waren Glimmlampe und Widerstand in Reihe an 230V angeschlossen und der FW parallel zur Glimmlampe.
Harald W. schrieb: > Lothar schrieb: > >>> Das war bei den "alten" >>> Orientierungslichtern mit Glimmlampe und Fotowiderstand >>> anders. Da wurde tagsüber tatsächlich mehr Leistung als >>> Nachts verbraucht >> >> Hast du eine Schaltung, Harald? > > Schaltung? Da waren Glimmlampe und Widerstand in Reihe > an 230V angeschlossen und der FW parallel zur Glimmlampe. Prosa geht auch ;)
Die oder so eine ähnliche ist's wohl, bitte einem Moment Geduld bis zum Vorliegen des Ergebnisses der "nicht zerstörungsfreien Materialprüfung". Diese Lampe nervt allein schon durch unkontrolliertes Geflackere. (Da ist die andere schon besser.) ciao gustav
Die Orientierungslampe von oben benötigt natürlich weniger Leistung, wenn der Transistor links durchgeschaltet ist. Weil am Transistor, ist er ganz durchgesteuert, nur ca. 0,7 V abfallen, statt der 8,5 V an den 3 LED. Diese "Einsparung" beträgt daher satte ca. 7,8 V * 15 mA = 0,12 W ... (Der 1k-Widerstand rechts "verbrät" ca. zweimal soviel, immer.) Karl B. schrieb u.a.: > "...die Anschlussnutzung hat zur Voraussetzung, dass der > Gebrauch der Elektrizität mit einem Verschiebungsfaktor > zwischen cos Phi = 0,9 kapazitiv und 0,9 induktiv > erfolgt..." Dies trifft natürlich auf ein Kondensatornetzteil allein nie zu. Im Normalfall hängen aber noch andere Verbraucher am Niederspannungsnetz. Z.B. die Spannungsspule eines Ferraris-Zählers (deren Verbrauch aber nicht mitgezählt wird). - Durch das Kondensatornetzteil wird der Leistungsfaktor ggf. besser! ;-)
Karl B. schrieb: > (Muss mal gucken, wie sich die Phasenverschiebungen bei obiger Schaltung > tatsächlich ausmachen.) Tja, also ich bemerke nur einen verschwindend geringen Phasenverschiebungsunterschied zwischen LEDs voll eingeschaltet und LEDs ganz aus, bzw. Transistor gesperrt oder leitend. Interessant ist noch der Spannungsverlauf an den Leuchtdioden. In Dunkelstellung ist's tatsächlich fast Null Volt, konnte dann nicht mehr triggern. Es gibt einen sehr gleitenden, (fast flackerfreien) Übergang dazwischen. Bei Vollbeleuchtung die ca. 8,5 Volt und die "Peaks". Viel Spass noch. (Also, die Schaltung gefällt mir immer besser. Im Vergleich zu anderen... und das Ganze für nur 3,99 Euro) ciao gustav P.S.: Der Verstärkungsfaktor ist für beide Kanäle natürlich unterschiedlich, die 5V beziehen sich auf den "schönen" Sinus.
Ich würde dafür kein Fass aufmachen, denn die Alternative wäre ein wie auch immer geartetes Netzteil und das hätte dann wahrscheinlich schon eine Ruhestromaufnahme die höher ist, als die gesamte Stromaufnahme dieser Lampe. Selbst die batteriebetriebenen Nachtlichter mit Bewegungsmelder (die äußerst wenig Strom verbrauchen) sind unterm Strich nicht sparsamer, weil Batterien teuer sind bzw. Akkus geladen werden müssen, was auch wiederum beträchtliche Verluste mit sich bringt.
> ... also ich bemerke nur einen verschwindend geringen > Phasenverschiebungsunterschied zwischen LEDs voll eingeschaltet und LEDs > ganz aus, bzw. Transistor gesperrt oder leitend. Muss ja so sein, grob gerechnet (Formfaktor etc. aussen vorgelassen) erhält man ca.: Die gesamte bezogene Scheinleistung beträgt: S= 230V * 15 mA = 3,5VA Die Wirkleistung ist ein Zehntel davon bzw. noch weniger: Dunkel: P= 0,13W + 0,22W = 0,35W 3 LED R1 Hell: P= 0,8V*15mA + 0,22W = 0,23W Transistor R1 Bei reinem Sinus wären das: Dunkel: cos φ = 0,35W/3,5VA => φ= 84° Hell: cos φ = 0,23W/3,5VA => φ= 86°
Es ist doch schon von der Schaltung her nicht möglich den Strom wesentlich zu verändern. Wenn der Transistor die Leds abschalten würde, dann müsste er doch etwa 300V zwischen Kollektor und Emitter aushalten.
Hubert G. schrieb: > Wenn der Transistor die Leds abschalten würde, > dann müsste er doch etwa 300V zwischen Kollektor und Emitter aushalten. Solche Transistoren kosten heutzutage auch nur noch wenige Cent.
@Karl B. (gustav) >Beim für die nächsten Jahre geplanten "Smartmetering" wird so manchem >Stromkunden bei Lesen der Rechnung der grosse Wutanfall ins Haus >stehen. Denn bei der geplanten Austausch der Haushaltszähler sollen alle >"Stromentnahmearten" gezählt werden. Also auch "Blindstrom". Kommt drauf an, was man unter "Stromentnahmearten" versteht. Könnte auch Tag- und Nachtstrom sein ... >"Google" Zitat: >Bei vielen stromverbrauchenden Geräten, die auf dem >physikalischen Prinzip der elektrischen Induktion beruhen >..tritt ein "induktiver Blindstrom" auf. ... >Einen derartigen Strom möchte man reduzieren >oder vermeiden, da er an den ohmschen Widerständen des >Netzes eine Verlustleistung bewirkt und dadurch die >Übertragungsverluste erhöht. >Einfach gesprochen, man verschwendet durch Blindstrom Energie >und stört das Stromnetz. >Daher stellen die Energieanbieter Ihren Kunden >die vom B l i n d s t r o m verursachte Blindarbeit >("Blindleistungsverbrauch") in Rechnung...." Was soll das - "Google" Zitat ... Nenne doch mal den Link. Ich bin mir rel. sicher, daß das nur für gewerbliche Kunden gilt, und das möglicherweise auch nur für die Großverbraucher ... Auch steht da nirgends, daß das erst kommen würde ...
Es gibt sogar schon einen Blindstromtarif, 1kBWh kostet hier 0,30 B€.
Harald W. schrieb: >> Wenn der Transistor die Leds abschalten würde, >> dann müsste er doch etwa 300V zwischen Kollektor und Emitter aushalten. > > Solche Transistoren kosten heutzutage auch nur noch wenige Cent. Jup, gibts in jeder ESL paarweise. Aber warum sie die Schaltung so gebaut haben, ist ja schon klar, es sollte eben billig sein - und ist es ja auch. Bei dem Preis kann man nicht mehr erwarten. Axel S. schrieb: > Selbst wenn wir mal als > gegeben annehmen, daß sich der Strom von 15mA auf 16mA erhöht, fällt am > Transistor weniger Leistung an. Zumindest wenn er voll durchschaltet. Dafür wird allerdings der 1k/1W im Eingang wärmer. Nimmt sich vermutlich nix.
Karl B. schrieb: > Denn bei der geplanten Austausch der Haushaltszähler sollen alle > "Stromentnahmearten" gezählt werden. Also auch "Blindstrom". Zählen oder zahlen? Am Ende löten manche aus allen Geräten die Entstörkondensatoren aus.
Matthias S. schrieb: > Axel S. schrieb: >> Selbst wenn wir mal als >> gegeben annehmen, daß sich der Strom von 15mA auf 16mA erhöht, fällt am >> Transistor weniger Leistung an. Zumindest wenn er voll durchschaltet. > > Dafür wird allerdings der 1k/1W im Eingang wärmer. Nimmt sich vermutlich > nix. Das mit dem Rechnen mußt du noch üben. 9V * 15mA vs. 1V * 16mA ist ein deutlicher Unterschied. Im Beitrag "Re: Energiespareffekt vorgegaukelt" hat ein Vorposter ja auch schon die Gesamtleistung überschlagen.
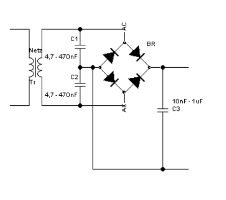
Hi, es ist tatsächlich ein NF-Kleinleistungstransistor S9014C331 (mit Vertauschung von Pin E und C) verbaut. Das Schaltbild muss dahingehend noch korrigiert werden - also entgegen der gezeigten Schaltung ein NPN. siehe auch hier: Beitrag "vergleichstypen für S9012 und S9014" Bin dabei, die Schaltung zu modifizieren, mir einen passenden Transistor rauszusuchen (der BF259 in der Bastelkiste hat aber zu wenig Hfe), dann sehen, dass der Basis-Spannungsteiler richtig dimensioniert wird. Die "Peaks" auf der VLED-Seite sollten auch noch weg. (Kommen von den 1N4007-ist ja rein garnichts an Siebung/Entstörung drin.) ciao correctamente gustav P.S.:Hatte mich gewundert, dass die Funktion genau verkehrt ist, das heisst, wenn Licht auf den LDR fällt, leuchten LEDs, und umgekehrt, als ich den BC308 (PNP) testweise eingelötet hatte. Die ganze Aktion deswegen, weil ich noch den leisen Verdacht hegte, dass es evtl. ein Triac oder sowas sein könnte wegen der starken "Peaks". Es ist "nur" das Pinout des Transistors: E und C vertauscht. Sorry
batman schrieb: > Es gibt sogar schon einen Blindstromtarif, 1kBWh kostet hier 0,30 B€. kBWh = kleiner Batmann will heulen? Die Einheit für Blindleistung heisst VAr.
Karl B. schrieb: > Es ist "nur" das Pinout des Transistors: E und C vertauscht gewesen. Ok, hier das korrigierte Schaltbild. (An der Funktion ändert sich im Prinzip bislang nichts => Transistor "schließt kurz".) Bleibe dran ciao gustav
Bei mir wurde am Donnerstag ein EasyMeter Q3BA1200 eingebaut. Der zeigt auch die aktuelle Leistung an. Habe eben 60uF entspricht etwa 1Kvar über einen Schiebewiderstand an eine Steckdose geklemmt. Die aktuell angezeigte Leistung steigt dabei um 12W. Blindleistung wird also nicht gezählt. PS: Danke für die Schaltung vom Nachtlicht. LG old.
Karl B. schrieb: > Fest zu stehen scheint im Dschungel der Infos der EVUs, dass im Rahmen > von Smartmetering ein "Leistungsprofil" erstellt wird über den > tatsächlichen Verbrauch. Tja, werden mal sehen, was da noch auf einen zukommt. Es gibt auch "Tarif"-Unterschiede, ok, ok, ok. Aber alles, was in die Energieerzeugung und Fortleitung reingesteckt wird, zahlt letztendlich der Endverbraucher. Gibt noch ein schönes Beispiel: In der Schweiz sollen Leuchtstofflampen in Duo-Schaltung von den EVUs verboten werden, da summa summarum das E-Werk um ca. 12% mehr leistet, als berechnet wird. Wusste ich auch nicht. In Deutschland gibt's die noch. Also eine Röhre mit Drossel (induktiv) eine Röhre mit Drossel und Kond. in Reihe (überkompensiert kapazitiv) - nach außen fast ohmsch. (Quasi zwei Röhren zum Ein-Röhren "Wirkstrom"-Preis.) Zitat: http://www.elektropraktiker.de/ep-2003-11-870-875.pdf?eID=tx_nawsecuredl&falId=6465&hash=9581058eff351d9248bd2eeda78fcaa2 ".....Leider ist zu allem Überfluss in letzter Zeit die Duo-Schaltung etwas in Verruf geraten [4]. Bei vorverdrahteten neuen Leuchten soll sie sogar verboten werden. Dies ist besonders befremdlich, da die Schweiz gerade den umgekehrten Weg geht und die Parallel-Kompensation verbieten will ....." bis dann... ciao gustav
Karl B. schrieb: > Gibt noch ein schönes Beispiel: > > In der Schweiz sollen Leuchtstofflampen in Duo-Schaltung von den EVUs > verboten werden, da summa summarum das E-Werk um ca. 12% mehr leistet, man kvg sind generell nicht mehr Zulässsig bei Neubau. Bei EVGs besteht das Problem gar nicht mehr. https://de.wikipedia.org/wiki/Vorschaltger%C3%A4t > Der Verkauf von KVG mit der Energieeffizienzklasse D ist in der EU seit > dem 21. Mai 2002 verboten, der von Geräten aus Klasse C seit dem 21. > November 2005.
Peter II schrieb: > man kvg sind generell nicht mehr Zulässsig bei Neubau. Bei EVGs besteht > das Problem gar nicht mehr. Wenn ich so überlege, was hier im Haus am Netz hängt - da sollte sich der Versorger doch über jede induktive Last freuen? Rechner, Fernseher, LED, fast jedes Gerät hat heutzutage ein Schaltnetzteil = kapazitiv. Wenn ich mir allerdings den Sinus ohne Spitze aus der Steckdose angucke, danke an die beschissenen Stromflußwinkel der ganzen Kleinverbraucher.
Manfred schrieb: > fast jedes Gerät hat heutzutage ein Schaltnetzteil = kapazitiv. deswegen gibt es die Anforderung nach einen PFC im Netzteil.
Peter II schrieb: > Manfred schrieb: >> fast jedes Gerät hat heutzutage ein Schaltnetzteil = kapazitiv. > > deswegen gibt es die Anforderung nach einen PFC im Netzteil. Aber erst ab einer bestimmten Mindestgrösse.
Manfred schrieb: > Rechner, Fernseher Harald W. schrieb: > Aber erst ab einer bestimmten Mindestgrösse. ja, ich glaube 75W - das damit müssten die meisten PCs und Fernseher einen haben.
Peter II schrieb: > ja, ich glaube 75W - das damit müssten die meisten PCs und Fernseher > einen haben. Bei den Monitoren und TVs kann man dann PFC wieder weglassen: http://www.medion.com/de/shop/tv-performance-medion-led-backlight-tv-medion-life-s16003-md-31114-30020777a1.html http://www.medion.com/de/shop/pc-monitore-medion-68-6-cm-27-led-backlight-monitor-medion-30020493a1.html Nur je ein Bsp., und keine Ahnung ob PFC vorhanden oder nicht. Und auch der kleine Surf-PC käme gesetzlich ohne aus.
Hallo, zunächst vielen Dank für die zahlreichen Posts. Hier noch ein Update. Habe die Schaltung wie hier jetzt gezeigt abgeändert. (Hatte nur einen BF257 in der Bastelkiste, der wird aber bedrohlich warm. Ok. Fahre ja in den "verbotenen" Bereich rein. Nur wenn Taschenlampe direkt auf LDR, dann erlischt LED-Array vollständig. Übergang sehr weich. Ist noch eine Bauteiledimensionierungsfrage.) Das Auffällige ist nun, dass tatsächlich der angezweifelte "Stromspareffekt" bei Nichtleuchten der LEDs aufzutreten scheint. Die Spannung Vb schwankt zwischen ca. 95V "an" und 150 V "aus", (damit auch die Phasenverschiebung am Kond.) bleib dran. ciao gustav
> Wenn ich so überlege, was hier im Haus am Netz hängt - da sollte sich > der Versorger doch über jede induktive Last freuen? Früher war das jedenfalls andersrum. Ein paar 3~Motoren gibt es ja noch; Transformatoren, stark belastete Freileitungen u.a. benötigen ebenfalls induktive Pendelleistung. (Auch) für die Industrie gibt es ausführliche Anleitungen, wie sie mit ihrem "Blind"leistungsbezug umgehen sollen, z.B.: http://www.eskap.de/downloads/blindleistungskompensation/ESKAP_Blindstromkompensation_Grundlagen.pdf
Dann mach doch gleich Nägel mit Köppen und setz einen Präzisionsshunt ein.
Karl B. schrieb: > zunächst vielen Dank für die zahlreichen Posts. > Hier noch ein Update. > Habe die Schaltung wie hier jetzt gezeigt abgeändert. > (Hatte nur einen BF257 in der Bastelkiste, der wird aber bedrohlich > warm. Du hast es nicht verstanden, dann lass' doch einfach die krummen Finger aus der Schaltung und betreibe das Gerät, wie es ist. Dein BF257 wird warm, Dein Umbau ist von der Wirkleistungsaufnahme her schlechter als das Original.
Manfred schrieb: > Du hast es nicht verstanden, dann lass' doch einfach die krummen Finger > aus der Schaltung und betreibe das Gerät, wie es ist. Blablabla, warum soll Karl denn nicht basteln? Mein Gott, geh doch weg, wenns dir nicht gefällt. Karl, passende Transistoren finden sich in jeder ESL Elektronik (Energiesparlampen), da sind paarweise Hochvolt Transistoren drin, die Netzspannung locker mitmachen. Wenn du die als Darlington verschaltest, sollte die Schwelle auch recht hart werden.
Matthias S. schrieb
> Blablabla, warum soll Karl denn nicht basteln?
Applaus, Applaus - Genau deiner Meinung...
..Tschuldigung, zurück zum Thema!
  Hallo, Natürlich darf er da besteln solange er aufpasst, was er da macht. 1k ist eigentlich sinnlos groß dimensioniert, ein Sicherungswiderstand 150 Ohm täte es sehr wahrscheinlich auch, dann müßte man aber vermutlich bei den LEDs was gegen Spannungsspitzen usw. machen. Z-Diode knapp über der LED-Spannung wäre vielleicht möglich, war aber vermutlich zu teuer. 150 Ohm würden die Wirkleistung auf ca. 0,2W bei ein und ca. 0,05W bei aus ändern. Gruß aus Berlin Michael
Matthias S. schrieb: > Naja, wenn ich ganz blöd die LEDs kurzschliesse, wird das sicher keine > Energie sparen Du hast das mit der Blindleistung offenbar auch nicht erfasst. Weshalb haben sich hier einige die Mühe gemacht, das zu beschreiben, wenn es denn ignoriert wird? Ich gebe zu, dass Blindleistung für Elektroniker ein eigentlich fremdes Thema ist, der Elektromeister hingegen kann das fließend aufsagen, musste er nämlich lernen. Harald W. schrieb: > Es wird zwar kein Strom gespart, aber (Wirk-)Leistung > (siehe andere Antworten). Das ist genau der tolle Trick an dem Teil, dunkel weniger Wirkleistung, obwohl der Strom am Netz gleich bleibt. Matthias S. schrieb: > Karl, passende Transistoren finden sich in jeder ESL Elektronik > (Energiesparlampen), da sind paarweise Hochvolt Transistoren drin, die > Netzspannung locker mitmachen. Klasse Idee, die laufen dann im Übergang durch den analogen Betrieb und werden warm - worüber Karl sich beklagte. Was warm wird, erzeugt WIRKleistung, genau das, was man in der Anwendung nicht haben will. Wenn ich das richtig überschlage, hat die gesamte Leuchte aus ca. 300 mW und aktiv an 450 mW - da gibt das keine sinnvolle Optimierung. Der Hauptverbraucher ist der 1 kOhm im Eingang - bei 16 mA erzeugt der 256 mW Wärme. Leider braucht man den, damit nicht bei mehrfachem Schalten der Versorgung die LEDs durchbrennen. Der Ansatz muß sein, diesen 1 k an eine andere Stelle im Stromkreis zu verlagern und kurz nach dem Einschalten zu überbrücken.
Manfred schrieb: > Klasse Idee, die laufen dann im Übergang durch den analogen Betrieb und > werden warm - worüber Karl sich beklagte. Du hast auch nur das zitiert, was dir gerade gepasst hat. Es geht weiter: Matthias S. schrieb: > Wenn du die als Darlington verschaltest, sollte die Schwelle auch recht > hart werden.
Michael U. schrieb: > 1k ist eigentlich sinnlos groß dimensioniert, ein Sicherungswiderstand > 150 Ohm täte es sehr wahrscheinlich auch, dann müßte man aber vermutlich > bei den LEDs was gegen Spannungsspitzen usw. machen. Machen wir mal eine Betrachtung des ungünstigsten Falles: Stromausfall genau im negativen Maximum der Netzspannung = 325 Volt, auf diesen Wert ist der Kondensator geladen. 10 ms später Strom wieder da, positives Maximum der Netzspannung - schon gibt das 650 Volt oder 650 mA an 1 kOhm :-( In der Realität wird das selten vorkommen, weil der 0,22 µF mit seinen 510 k parallel um 110 ms Zeitkonstante hat und sich schon etwas entlädt. An genau diesem Pfusch, zu kleiner Vorwiderstand, sind beim Kollegen diverse China-Strahler von Pearl abgekackt, nachdem mehrfach geschaltet wurde. Wirtschaftlich ging das gut aus, Pearl musste die Strahler aus anderem Grund zurückrufen.
Matthias S. schrieb: > Wenn du die als Darlington verschaltest, sollte die Schwelle auch recht > hart werden. die Schwelle bleibt schon deshalb weich, weil die Ansteuerspannung des Transistors (bzw. des Darlingtons) direkt aus der Versorgung der LEDs stammt. Sobald der Transistor zu sperren beginnt steigt die Spannung am Basisspannungsteiler so weit an, dass der Transistor weiter grade am Durchschalten gehalten wird (und am Köcheln).
Matthias S. schrieb: > Du hast auch nur das zitiert, was dir gerade gepasst hat. Es geht > weiter: > Matthias S. schrieb: >> Wenn du die als Darlington verschaltest, sollte die Schwelle auch recht >> hart werden. Der klassische Darlington hat durchgeschaltet leider eine Restspannung deutlich oberhalb 1 Volt, die ich im Hellbetrieb mit Wirkleistung füttern muß. Wir brauchen eine Erfassung der Zeiten, um errechnen zu können, ob sich das wirklich lohnt.
Achim S. schrieb: > Matthias S. schrieb: >> Wenn du die als Darlington verschaltest, sollte die Schwelle auch recht >> hart werden. > > die Schwelle bleibt schon deshalb weich, weil die Ansteuerspannung des > Transistors (bzw. des Darlingtons) direkt aus der Versorgung der LEDs > stammt. Sobald der Transistor zu sperren beginnt steigt die Spannung am > Basisspannungsteiler so weit an, dass der Transistor weiter grade am > Durchschalten gehalten wird (und am Köcheln). Achim - danke! Mein Bauchgefühl spricht gegen den Erfolg des Darlingtons, eine theoretische Herleitung dafür ist mir nicht eingefallen - Du hast sie gerade geliefert.
Dann statt Darlington vielleicht Schmitt-Trigger mit gut Hysterese? Geht nicht gibts nicht. :)
batman schrieb: > Dann statt Darlington vielleicht Schmitt-Trigger mit gut Hysterese? Geht > nicht gibts nicht. :) Klar gibt es das alles. Ein gewisses Problem besteht darin, dass man für den Komparator dann wieder eine Versorgungsspannung braucht. Soll man die über ein Kondesatornetzteil erzeugen (damit man das Kondensatornetzteil zur Versorgung der LEDs abschalten kann)? Unmöglich ist nichts, aber ob es clever ist? Die Originalschaltung ist übrigens schon eine recht clevere Variante.... Man muss auch bedenken, dass ein sperrender Transistor im Lastkreis nicht nur die nominelle Netzspannung aushalten muss sondern auch nicht gleich beim ersten Netzspike durchschlagen sollte. Der 1kOhm heizt zwar ein wenig, kommt aber mit kurzzeitiger Überspannung deutlich besser klar als ein Transistor, der grade mal so die Netzamplitude erträgt.
2/3 Stromverbrauch im Standby? Clever ist für mich was anderes. Z.B. Otto Schmitts Schaltung modifiziert auf eine variable Versorgungsspannung 8,5-320V. Das wär clever. :)
Michael U. schrieb: > 1k ist eigentlich sinnlos groß dimensioniert, ein Sicherungswiderstand > 150 Ohm täte es sehr wahrscheinlich auch Nöö. Der 1k begrenzt den Ladestrom beim Anlegen der Versorgungsspannung auf max. 325mA. Deine 150R würden aber bis zu 2,2A ergeben. Da dieser Strom auch durch die LEDs fließt, wäre das ein typisches "20.000 Stunden Betriebsdauer, aber nur 1-mal Schalten"-Gerät.
batman schrieb: > Z.B. Otto Schmitts Schaltung ... Was ist denn das jetzt wieder für eine? Wenn du einen konkreten Vorschlag für eine zuverlässige, robust, preiswerte Netzteilschaltung hast, die unter den Leerlaufverlusten der Originalschaltung bleibt: gratuliere. Bis ich den gesehen habe ist für mich die Originalschaltung noch immer die deutlich cleverste Variante, die in diesem Thread vorkommt. Wenn das Viertel Watt am 1kOhm tatsächlich jemanden stört, kann er ja in doppelt so viele LEDs investieren und den Nominalstrom durch einen halb so großen Kondensator halbieren. batman schrieb: > Das wär clever. :) Ob sie clever ist entscheidet sich nicht daran, was man sich von der Schaltung wünscht, sondern daran, was sie tatsächlich macht.
Manfred schrieb: > Dein BF257 wird warm, Dein Umbau ist von der Wirkleistungsaufnahme her > schlechter als das Original. So ist es. Die Wirkleistung an R1 sinkt leicht, aber R3 (220k) zieht an 150V schon 100mW mehr.
Manfred schrieb: > Das ist genau der tolle Trick an dem Teil, dunkel weniger Wirkleistung, > obwohl der Strom am Netz gleich bleibt. Hi, bezogen auf die "Originalschaltung": Den Oszillogrammen nach zu urteilen bleibt der Phasenwinkel zwischen "LEDs ein" und "LEDs aus" bei ca. 90 Grad fast konstant. Wenn sich etwas an der Wirkleistung ändern sollte, sollte man das am Phasenwinkel doch merken? Meine Überlegung: Also, die Spannung am Kondensator läuft (nach dem Einschaltvorgang) netzfrequenzsynchron mit dem für seinen Xc bestimmten "Umladestrom". Rges = Rohmsch + XL + XC Angenommen Rohmsch = 0 und XL = 0 Maximal können bei dieser Anordnung hier bei 0,22uF und 50 Hz ca. 15 mA fließen, mehr nicht. Es wird dann der Stromfluß alleine durch das XC bestimmt. (Allerdings ist ein Phasenwinkel zwischen Spannung und Strom in Form von (ca.) 90 Grad vorhanden.) Ein Vor-Widerstand in Reihe mit dem Kondensator nimmt den Stromfluß ebenfalls auf. (Dieser beträgt immer noch ca. 15 mA.) Entsprechend dem Widerstandswert fällt da dann Spannung ab. Bei 1k sinds eben 15 V. Mit dem Rest wird der "Verbraucher", hier die Leuchtdioden gespeist. 2 x 0,7 V an den Gleichrichterdioden plus 3 x ca. 2 V an den LEDs ergibt: ca. 7,5 Volt. Diese müssten dann nach Adam Riese mit 230 V - 15 V = 215V Spannung laufen. Die Spannung "bricht" aber bei Stromfluss auf den für die LEDs "ungefährlichen" Wert zusammen, weil der Gesamtstrom im Wesentlichen durch das XC des Konds. bestimmt wird. (Bei Leerlauf würde sie wieder fast Netzspannung erreichen.) Die Originalschaltung hält die Spannung an LEDs niedrig. Der Transistor (LEDs aus) arbeitet quasi anstelle der LEDs als ohmscher Verbraucher (Wirkleistung). Also ergibt sich kein wesentlicher Unterschied im Stromfluß. Und kapazitiv bleibt es auch. Siehe Oszillogramme. Meine weitere Überlegung war nun, wie kann man den tatsächlich gezogenen Strom, egal ob kapazitiv oder ohmsch ändern? Abgeänderte Schaltung: Die durch Emitterschaltung des Transistors gespeisten LEDs würden immer noch "ihre" Spannung begrenzen. Die Spannung geht aber im Übergang vom leitenden zum Sperrzustand des Transistors - wie gesagt - auf so hohe Werte, dass dieser in den Kennlinienbereich rutscht, den man keinesfalls nehmen sollte. Auch zieht die steigende Ub den Transistor über den Basispannungsteiler selbstverständlich "mit". Überschlagsrechnung: (Bei Ub 95V) IC = 15mA R2 = 220 k => IB = 0,43 mA (LDR vernachlässigt) B = ca. 35 UCE = 87 V Ptot = (IC x UCE) = 1,3 Watt Das war mir von vorne herein klar. Es ging hier zunächst nur um das Experiment, ob es tatsächlich funktionieren würde, ohne dass es sofort scheitert. Es geht. Jetzt schaue ich mal, wie es mit den Oszillogrammen aussieht. Bleibe dran. ciao gustav
Die (Original-)Schaltung ist nur dann umökonomisch, wenn der Transistor gerade so weit leitend wird, dass die LEDs nicht mehr leuchten. Da kein Ladekondensator vorhanden ist, könnte man für den Transistor einen Thyristor einsetzen. Achim S. schrieb: > Wenn das > Viertel Watt am 1kOhm tatsächlich jemanden stört NTC LG old.
Hallo, Manfred schrieb: > Machen wir mal eine Betrachtung des ungünstigsten Falles: Stromausfall > genau im negativen Maximum der Netzspannung = 325 Volt, auf diesen Wert > ist der Kondensator geladen. 10 ms später Strom wieder da, positives > Maximum der Netzspannung - schon gibt das 650 Volt oder 650 mA an 1 kOhm > :-( In der Realität wird das selten vorkommen, weil der 0,22 µF mit > seinen 510 k parallel um 110 ms Zeitkonstante hat und sich schon _etwas_ > entlädt. 10V Z-Diode hinter den Brückengleichrichter und 100 Ohm vor die LEDs dürften reichen. Wäre aber eben teurer als ein 1k Widerstand für den Hersteller. Der Transistor müßte den Impuls auch überleben, das dürfte aber das kleinere Problem sein. Letztlich machen die Funksteckdosen ähnliche Kompromisse und leben durchaus ziemlich lange. Gruß aus Berlin Michael
Achim S. schrieb: > batman schrieb: >> Dann statt Darlington vielleicht Schmitt-Trigger mit gut Hysterese? Geht >> nicht gibts nicht. :) > > Klar gibt es das alles. Ein gewisses Problem besteht darin, dass man > für den Komparator dann wieder eine Versorgungsspannung braucht. Welchen Komparator denn? Man kann einen Schmitt-Trigger ganz prima auch ohne Komparator bauen. Man braucht nur 2 Transistoren und ein paar Widerstände dazu. Witzigerweise dient die anno dazumal von mir bereits gepostete Schaltung dem gleichen Zweck: als Dämmerungsschalter. Beitrag "Re: LDR Schaltung" (dort statt des Relais natürlich die LED einsetzen) > Man muss auch bedenken, dass ein sperrender Transistor im Lastkreis > nicht nur die nominelle Netzspannung aushalten muss sondern auch nicht > gleich beim ersten Netzspike durchschlagen sollte. Das ist viel eher ein Argument. IMHO ist die Originalschaltung mit den kurzgeschlossenen LED kaum zu toppen bezüglich Preis/Leistung und vor allem Zuverlässigkeit. Das einzig wirklich kritische Bauteil ist da der Vorkondensator.
Axel S. schrieb: > Welchen Komparator denn? Man kann einen Schmitt-Trigger ganz prima auch > ohne Komparator bauen. Man braucht nur 2 Transistoren und ein paar > Widerstände dazu. Witzigerweise dient die anno dazumal von mir bereits > gepostete Schaltung dem gleichen Zweck: als Dämmerungsschalter. > > Beitrag "Re: LDR Schaltung" > > (dort statt des Relais natürlich die LED einsetzen) Mit halbwegs konstanter Versorgungsspannung klappt das prima (dann ginge ja auch ein Komparator ;-). Aber kannst du deine Schaltung auch so dimensionieren, dass ihr sowohl die 8V bei leuchtenden LEDs ausreichen, als auch dass sie nach dem Umschalten mit dem Spannungsanstieg auf 150V klarkommt und noch sperrt? Und dann möglichst auch irgendwann mal wieder zurückschaltet, wenn der LDR hochohmig wird? An R3 riesige Spannungen abfallen zu lassen um den Sprung er Versorgungsspannung gegenzukoppeln passt ja auch wieder nicht so recht zum Energiespargedanken, für den die Schaltungsänderung eigentlich gedacht war. Dann wäre es eine Option zum harten Umschalten. Ich sehe aber noch nicht, wie dafür die Dimensionierung aussehen könnte. Wobei mir offen gesagt auch nicht wirklich klar ist, wieso bei Karl (bzw. Gustav) die Spannung hinter dem Gleichrichter nur auf 150V steigt wenn die LEDs dunkel sind. 150V hinter dem Gleichrichter bedeutet ja gleichzeitig, dass vor dem Gleichrichter noch deutlich Spannung abfällt (und dementsprechend Strom fließt). Wo fließt der hin, wenn nicht durch die LEDs? Über die Gleichrichterdioden kanns kaum sein (wenn es denn wirklich 1N4007 sind). Und über die 220k reicht der Stromfluss bei 150V auch nicht aus. 150V ist ungefähr die Durchbruchspannung des BF257, den er verwendet hat. Aber wenn der durchbrechen würde, sollten die LEDs nicht ausgehen sondern leuchten (zumindest für einen kurzen, hellen Moment). Axel S. schrieb: > IMHO ist die Originalschaltung mit den > kurzgeschlossenen LED kaum zu toppen bezüglich Preis/Leistung und vor > allem Zuverlässigkeit. Da sind wir uns einig. Und wie schon geschrieben: wer noch an den letzten 100mW sparen will, kann mehr LEDs in Reihe setzen und den Vorkondensator halbieren. Annähernd selbe Helligkeit bei halbem Strom, und der Mehrpreis für die LEDs kommt vielleicht teilweise über den kleineren Vorkendsator wieder rein. Vielleicht braucht es nur wenige Jahre, bis sich der Umbau durch eingesparte Standby-Leistung amortisiert ;-)
Achim S. schrieb: > Über die Gleichrichterdioden kanns kaum sein der Klarheit halber: gemeint war "über die Gleichrichterdioden in Sperrrichtung kann es kaum sein"
Hi, erst einmal vielen Dank für die zahlreichen Antworten! Habe oszilloskopiert. Ergebnis: Nicht die Phase wird verändert, sondern der Betrag. Genauer: Oberes Oszillogramm zeigt die Spannungsverläufe am Netzanschluss direkt (Kanal A) und am Vor-Widerstand 1k (Kanal B). Wobei der Spannungsfall am Widerstand den Strom darstellen soll. Dieser hat ja eine Phasenverschiebung von ca. 90 Grad. Daran ändert sich auch wesentlich nichts, wenn jetzt der Transistor sperrt. (Oszillogramm unten) Aber: Dann nimmt - wie erwünscht - der Stromfluß ab, so dass der Betrag der Spannung - sprich Strom - abnimmt. Vorteiler 10V , 2ms Ablenke OK. Das nur in Kürze. (Auf die anderen angeschnittenen Erläuterungen möchte ich dann später noch eingehen.) ciao gustav
Karl B. schrieb: > Hi, > bezogen auf die "Originalschaltung": > Den Oszillogrammen nach zu urteilen bleibt der Phasenwinkel zwischen > "LEDs ein" und "LEDs aus" bei ca. 90 Grad fast konstant. > > Wenn sich etwas an der Wirkleistung ändern sollte, sollte man das am > Phasenwinkel doch merken? Wow, jetzt gehst es aber richtig an - finde ich gut. Gehen wir von 15 mA x 230 V aus = 3,45 VA. Als Wirkleistung hatte ich um 300 - 430 mW überschlagen. Jetzt kommt leider meine gestörte Beziehung zur Mathematik in der Art Sinus und Kollegen zum Tragen. Aus dem Bauch heraus denke ich, dass das am Scope nur wenig Veränderung gibt, weil das im steilen Bereich des Sinus stattfinet. Es dürfte noch ein weiterer Effekt stören: Strom kann erst fließen, wenn die Quellspannung höher die der Last ist. In einem Fall 0,7 V des Transistors, im anderen Falle gut 8 Volt der drei LEDs - schiebt also den Beginn des Stromflusses um rund 7 V nach oben. Karl B. schrieb: > Ptot = (IC x UCE) = 1,3 Watt und deshalb wird der BF259 warm und Deine Leistungsbillanz kippt ins Negative. Die von jemand anders genannte Idee gefällt mir: Halbiere den C, verdoppele die Anzahl der LEDs und am 1 kOhm verschwindet nur noch ein Viertel!
Naja von wegen 1,3 Watt. Für den Stromverbrauch ist eher die mittlere Leistung relevant als der schlechteste Momentanwert.
Hi zusammen, um nochmals auf die eigentliche "Aufgabe" zu sprechen zu kommen: Warum fließt fast genausoviel Strom auch dann, wenn die LEDs am Tage ausgeschaltet sind? Womit der "Energiespareffekt", den das Abschalten jeglichen Verbrauchers, wenn er nicht gebraucht wird, suggerieren möchte, zunichte gemacht wird. Dann kann ich mir ja die Abschaltautomatik, den Transistor, den LDR, den Basisvorwiderstand - also auch Bauteile - schenken, wenn zwischen "Lampe aus" und "Lampe ein" kein Unterschied im Energieverbrauch festzustellen ist. So sollte die Thematik zu verstehen gewesen sein. Die weitere Diskussion ging nun einen Schritt weiter, indem die Schaltung so modifiziert werden sollte, dass die LEDs tatsächlich "vom Netz" genommen werden, also "keinen" Strom mehr verbrauchen, wenn sie nicht benötigt werden. Hier geht es dann um eine evtl. schaltungstechnische Realisation mit allen Vor- und Nachteilen. Die Berechnung muss die komplexen Grössen berücksichtigen: Nochmals zur Erinnerung: Wirkleistung: p=U x I x cosphi Das hieße: P=230[V] x 0,015[A] x cos90Grad, cos von 90 Grad = 0 P=0 Blindleistung: q=230[V] x 0,015[A] x sin90Grad, sin von 90 Grad = 1 q=3,45[var] Scheinleistung: s= U x I = dasselbe wie die Blindleistung hier = 3,45W Es wird messtechnisch nun der "reaktive" Strom von 15mA betrachtet. Den will ich nun verändern oder sogar ganz wegbekommen, weil ja auch Blindstrom nicht erwünscht ist bei den Energieversorgungsunternehmen. Also, die Transistorlösung scheint machbar bei Verwendung eines geeigneten Bauteils (z.B. BUL38D evtl. BF259 als "Quasi-Darlington" davor noch). Es stellte sich bei der Versuchsanordnung heraus, dass tatsächlich eine Stromflussreduktion möglich ist und damit auch die Reduktion der Blindstrombelastung. (Die "Verluste" bei Zustand "LEDs ein" gehen so wie so auf Konto Blindstrom. Es ist dann noch eine Dimensionierungsfrage, evtl. wird der Vorwiderstand noch angepasst.) Mit der Reduktion des "Leerlaufstromes" ist das gewünschte Ziel erreicht. Dann sind da noch entsprechende Sicherheitsmassnahmen für alle Eventualitäten erforderlich, klaro. (z.B. Widerstand 1kOhm bleibt- VDR mit Thermosicherung am Eingang, Mikrofuse am Eingang) ciao gustav
Karl B. schrieb: > Die Berechnung muss die komplexen Grössen berücksichtigen: Nochmals zur > Erinnerung: Wenn du es schon genau machen willst: mit komplexen Zeigern kannst du nur dann rechnen, wenn alle Größen sinusförmig sind und die selbe Frequenz haben. Denn solche Zeitfunktionen lassen sich auf eine komplexe e-Funktion abbilden und dann sehr einfach berechnen (eben mit cos(phi)). Das würde funktionieren, wenn deine Last z.B. ein einfacher Widerstand wäre. Wenn eine der Zeitfunktionen nicht sinusförmig ist (z.B. aufgrund von nichtlinearen Elementen wie LEDs und Transistoren in der Last), dann kannst du sie mit komplexen Zeigern in dieser einfachen Form schlicht nicht beschreiben. Z.B. der Stromfluss lässt sich nicht durch eine einzelne komplexe e-Funktion darstellen lässt. Auch dann kommt es zu Blindleistung, aber die muss sich nicht mehr durch einen einzelnen Faktor cos(phi) berechnen lassen (Verzerrungsblindleistung zusätzlich zur Blindleistug durch Phasenverschiebung). Um das richtig zu berechnen musst du entweder die Zeitfunktionen in ihre verschiedenen Spektralanteile zerlegen (also alle Harmonischen betrachten). Einfacher ist wie von Abdul vorgeschlagen eine Simu zu Hilfe zu nehmen. Die angehängte Simu zeigt z.B., dass die LEDs erst dann dunkel werden sollten, wenn praktisch die gesamte Spannung am Transistor abfällt (also ~320V Spitzenwert). Ein DC-Messgerät sollte dann den Mittelwert 325V*2/pi anzeigen (also 50V mehr, als du gemessen hast). Andererseits ist der von dir verwendete BF257 auch nicht in der Lage, 300V zu sperren - ich verstehe also immer noch nicht, wieso in deiner Schaltung mit BF257 die LEDs bei gemessenen 150V dunkel wurden. Aber der Vergleich von Simu zu Messung kann dir auch helfen, die Messung besser nachzuvollziehen. (Beim Berechnen von Verlustleistungen hilft es sowieso.) Karl B. schrieb: > Womit der "Energiespareffekt", den das Abschalten > jeglichen Verbrauchers, wenn er nicht gebraucht wird, suggerieren > möchte, zunichte gemacht wird. Nochmal zur Erinnerung: durch das Kurzschließen der LEDs in der Originalschaltung wird real Energie eingespart! (auch wenn der Strom dabei nicht kleiner wird).
Moin, Karl B. schrieb: > Es wird messtechnisch nun der "reaktive" Strom von 15mA betrachtet. > Den will ich nun verändern oder sogar ganz wegbekommen, weil ja auch > Blindstrom nicht erwünscht ist bei den Energieversorgungsunternehmen. Ja, ganz einfach: Per Kompensation mit einer Drossel. Schalte einfach eine moeglichst ideale Drossel mit 48.8H (sicher tut's auch der naechste E6 Wert: 47H) parallel zu deiner Kondensatorlampe. Sollte halt schon eine ziemlich ideale Drossel sein, nicht dass durch Kupfer- oder Eisenverluste nochwas vom "kostbaren Strom" verschuett' geht. SCNR WK
Karl B. schrieb: > Mit der Reduktion des "Leerlaufstromes" ist das gewünschte Ziel > erreicht. > Dann sind da noch entsprechende Sicherheitsmassnahmen für alle > Eventualitäten erforderlich, klaro. > (z.B. Widerstand 1kOhm bleibt- VDR mit Thermosicherung am Eingang, > Mikrofuse am Eingang) Hm, Komisch - ich kann ueberhaupt nicht verstehen, warum China in Sachen Elektronikentwicklung gerade so dermassen an uns vorbeizieht... Gruss WK
Karl B. schrieb: > Warum fließt fast genausoviel Strom auch dann, wenn die LEDs am Tage > ausgeschaltet sind? Wie schon mehrfach erwähnt: Hier kommt es nicht auf den Strom an, sondern auf die Wirkleistung. Diese Wirkleistung ist im kurzgeschlossenem Zustand schon in der Originalschaltung geringer als bei leuchtenden LEDs. > weil ja auch Blindstrom nicht erwünscht ist bei den > Energieversorgungsunternehmen. Eine Bindleistung im mW-Bereich interessiert keinen Menschen, auch ncht die EVUs.
zur Ergänzung: eine Simu der Originalschaltung. Gezeigt sind der Verlauf der Momentanleistung p(t) und im Popup-Fenster deren Mittelwert (d.h. die Wirkleistung).
Der MMBTA42 ist mit max. 300 V spezifiziert. Wie sieht UCE in der Simulation aus?
Sproge schrieb: > Der MMBTA42 ist mit max. 300 V spezifiziert. Wie sieht UCE in der > Simulation aus? V(vb) ist im Bild ja dargestllt, U_CE liegt eine Handvoll Volt darunter (Spannungsabfall an drei LEDs). Der MMBTA42 ist einfach nur der Bipolar-Transistor mit der größten Spannungsfestigkeit, die ich in meinem LTSpice zur Verfügung hatte - dass er für die reale Anwendung nicht reichen würde ist mir auch klar (wobei ich ja auch schon die ganze Zeit versuche zu erklären, dass diese Anwendung nicht wirklich sinnvoll wäre). Der Druchbruch wird in diesem Transistormodell nicht beschrieben. Ich kann den MMBTA42 in der Simu auch durch einen 2N5550 ersetzen (150V Spannungsfestigkeit), auch der bricht nicht durch (obwohl er es in der Realtität tun würde).
Karl B. schrieb: > um nochmals auf die eigentliche "Aufgabe" zu sprechen zu kommen: > Warum fließt fast genausoviel Strom auch dann, wenn die LEDs am Tage > ausgeschaltet sind? Womit der "Energiespareffekt", den das Abschalten > jeglichen Verbrauchers, wenn er nicht gebraucht wird, suggerieren > möchte, zunichte gemacht wird. Falsch. Strom != Leistung > So sollte die Thematik zu verstehen gewesen sein. Wir haben das schon verstanden. Insbesondere haben wir verstanden, daß du (bis dahin) den Unterschied zwischen Wirk- und Scheinleistung nicht kanntest. Alles weitere hier sehe ich nur als Täuschungsmanöver, um von deiner eigenen Unfähigkeit abzulenken. Ist es eigentlich so schwer, zu sagen: "Stimmt, da habe ich mich verrannt. Danke für die Aufklärung." ? ... > Es wird messtechnisch nun der "reaktive" Strom von 15mA betrachtet. > Den will ich nun verändern oder sogar ganz wegbekommen, weil ja auch > Blindstrom nicht erwünscht ist bei den Energieversorgungsunternehmen. Blödsinn. Der Gesetzeslage nach muß ein Verbraucher erst ab einer Leistungsaufnahme von 75W gewisse Mindestwerte für den Leistungsfaktor einhalten. Dein Nachtlicht mit seinen 3.5VA fällt da nicht darunter. Deine Behauptung, Energiezähler würden jetzt oder in Kürze auch Blindleistung erfassen und abrechnen, konntest du nicht belegen.
Karl B. schrieb: > Es stellte sich bei der Versuchsanordnung heraus, dass > tatsächlich eine Stromflussreduktion möglich ist und damit auch die > Reduktion der Blindstrombelastung. Warte auf den Beweis des Gegenteils. Nicht nur in einer wie auch immer gearteten Computersimulation, sondern im realen Testaufbau. ciao gustav
Ja wenn man den Strom abschaltet, fließt er nicht mehr. Ich glaube, das hast du jetzt glaubwürdig belegt.
Karl B. schrieb: > Karl B. schrieb: >> Es stellte sich bei der Versuchsanordnung heraus, dass >> tatsächlich eine Stromflussreduktion möglich ist und damit auch die >> Reduktion der Blindstrombelastung. > > Warte auf den Beweis des Gegenteils. Nicht nur in einer wie auch immer > gearteten Computersimulation, sondern im realen Testaufbau. Dass das so ist hatte doch gar niemand bezweifelt. Es wurde nur festgestellt, dass diese Zielsetzung, die du dir vorgenommen hast, von vielen nicht unbedingt für sinnvoll gehalten wird. Und Aussagen wie: Karl B. schrieb: > ... Womit der "Energiespareffekt", den das Abschalten > jeglichen Verbrauchers, wenn er nicht gebraucht wird, suggerieren > möchte, zunichte gemacht wird. sind halt eindeutig falsch, und darum wurde dem zurecht widersprochen.
Axel S. schrieb: > Alles weitere hier sehe ich nur als Täuschungsmanöver, um von deiner > eigenen Unfähigkeit abzulenken. Ist es eigentlich so schwer, Ja schade! Nach Karls Kommentaren von gestern dachte ich eigentlich, dass er auf dem Weg ist, es begreifen zu können.
Schon wieder ein Zweifler von SPICE, tse tse. Hm, aber warum der Vorschlag von Karl die Transe als Längstransistor zu benutzen, um die LEDs abzuschalten, nicht im Originaldesign verwendet wurde, erschließt sich mir nicht. Würde nur einen billigen Hochvolttransistor benötigen. Man könnte nun argumentieren, daß die LEDs kurz überhöhten Saft bekommen wenn der Transistor eingeschaltet wird. Aber das ist eher theoretisch, denn ein LDR ist immer recht langsam, so daß der Spitzenstrom der durch den Kondensator sich ergibt, begrenzt ist. Also warum das umständliche Design??? So dumm sind doch selbst die Chinesen nicht.
Abdul K. schrieb: > Also warum das umständliche Design??? So dumm sind doch selbst die > Chinesen nicht. Stimmt, die wissen, dass ein Hochwolttransistor teurer wie ein 0815-Transistor ist. Besonders dann, wenn letzterer auch 3. Wahl sein kann.
Auch wissen sie, daß man so ein kleinen Transistor ohne Kühlung nicht längere Zeit mit 1 Watt beheizen sollte.
Manfred schrieb: > An genau diesem Pfusch, zu kleiner Vorwiderstand, sind beim Kollegen > diverse China-Strahler von Pearl abgekackt, nachdem mehrfach geschaltet > wurde. Wirtschaftlich ging das gut aus, Pearl musste die Strahler aus > anderem Grund zurückrufen. Hi, habe wieder den ursprünglichen Zustand der Nachtleuchte hergestellt. Aber: Mir ist immer - auch vor dem "Versuch" - schon aufgefallen, dass jedesmal beim Einstecken in die Steckdose die LEDs kurz sehr hell aufblitzen. Ok. Aus der Schule wissen wir: Der Ladestrom eines Kondensators ist prinzipiell am Anfang für einen kurzen Moment theoretisch unendlich hoch und wird nur durch parasitäre Bauteile-Eigenschaften und einen wie auch gearteten Leitungs- bzw. Vor-Widerstand begrenzt. Überschlagsrechnung für hier: Worst case: Einschaltmoment beim Scheitelwert der Netzspannung: 322V / 1k = 322 mA (und wenn kurz hintereinander geschaltet wird ist's u.U. doppelt so hoch.) Hält das eine Leuchtdiode auf Dauer aus? Nein. Es ist nur Frage der Zeit, wann die Lampe nach einigen Ein- und Ausschaltzyklen endgültig kaputt ist. ciao gustav
Moin, Dann haeng' halt noch 10µF parallel zu den LEDs. Oder rammel deine olle Lampe immer nur waehrend des Nulldurchgangs in die Steckdose. Gruss WK
Abdul K. schrieb: > Hm, aber warum der Vorschlag von Karl die Transe als Längstransistor zu > benutzen, um die LEDs abzuschalten, nicht im Originaldesign verwendet > wurde, erschließt sich mir nicht. Würde nur einen billigen > Hochvolttransistor benötigen. Wie sähe ein konkreter Schaltungsvorschlag dazu aus? Wie schafft man insbesondere die harte Umschaltschwelle, die verhindert, dass man im Zwischenbereich den Transistor verheizt? Im Vorschlag von Karl muss der LDR seinen Widerstand um fast 2 Größenordnungen ändern, damit man von "sauber durchgeschaltet" bis zu "sauber gesperrt" kommt, und im Zwischenereich kann es dem Transistor ausgesprochen warm werden (wie er ja auch selbst gemessen hat). Die andere Frage bleibt weiterhin: worin soll der Vorteil liegen? Wenn es um den Energiespareffekt geht: mit Karls Schaltung spart man sich im Standby ~250mW am 1kOhm Vorwiderstand. Dafür verbrät man ~180mW am 220kOhm Basiswiderstand. Und man hat im aktiven Zustand höhere Verluste (und ein Nachtlicht kann ja durchaus längere Zeit aktiv sein), und im Zwischenbereich viel höhere Verluste im W-Bereich. Wenn man unbedingt einen Hochvolttransistor verbauen möchte um die Energieeffzienz der Schaltung zu erhöhen, dann wäre vielleicht ein aktiver Stromlimiter anstelle des 1kOhm Vorwiderstands sinnvoll, der im Normalbetrieb deutlich weniger Spannungsabfall benötigt als der 1kOhm. Würde ich aus Zuverläsigkeitsgründen aber auch nicht machen. Karl B. schrieb: > 322V / 1k = 322 mA (und wenn kurz hintereinander geschaltet wird ist's > u.U. doppelt so hoch.) > > Hält das eine Leuchtdiode auf Dauer aus? > Nein. > Es ist nur Frage der Zeit, wann die Lampe nach einigen Ein- und > Ausschaltzyklen endgültig kaputt ist. Tja, so ist das bei Kondensatornetzteilen nun mal. Wenn man will, kann man fast jedes davon mit häufigem Umschalten kaputt kriegen. Dafür sind sie billig, und die Energieeffizienz von Standardnetzteilen ist in diesem Leistungsbereich meist schlechter. Die LEDs müssen diesen Peakstrom übrigens nur im 100µs-Bereich aushalten und der Stromanstieg wird auch von den parasitären Induktivitäten der Leiterbahnen gebremst, aber Stress bleibt es natürlich trotzdem. Karl B. schrieb: > Irreführung des Verbrauchers bezüglich Stromsparens während des > "Lampe-aus-Zustandes". Diese Aussage bleibt auch weiterhin falsch ;-) Karl B. schrieb: > Mangelhaft. Keinerlei "Sicherungen" drin. Das mag stimmen. Muss aber nicht: der 1kOhm Vorwiderstand kann ein fusible Typ sein, der bei Überlast definiert schmilzt ohne zu einem Brand zu führen und so eine gewisse Sicherungsfunktion erfüllt. Wenn du unbedingt die Lampe "optimieren" wolltest - ein Vorschlag, der in deinem Sinn wirken würde, wurde schon lange gemacht: Achim S. schrieb: > Wenn das > Viertel Watt am 1kOhm tatsächlich jemanden stört, kann er ja in doppelt > so viele LEDs investieren und den Nominalstrom durch einen halb so > großen Kondensator halbieren. Das würde sowohl die Verluste reduzieren (Standby-Verbraucht um Faktor 4), als auch den Stress für die LEDs beim Einschalten reduzieren (weil jede LED nur noch ein Viertel der Energie wegstecken müsste). Aber wenn du stattdessen die Originalschaltung einfach eingesteckt (und stecken gelassen) hättest, dann hätte sie eventuell auch in 10 Jahren noch ihren Job gemacht (und in der ganzen Zeit vielleicht 10€ an Stromkosten verursacht). Ach ja: bei uns zuhause läuft das schaltbare Nachtlicht übrigens mit zwei LEDs, einem 9V-Akku plus Untespannungserkennung (damit der Akku nicht kaputt geht) und etwas Hühnerfutter aus der Krabbelkiste. Wenn es nicht durchleuchten sondern nur im Bedarfsfall kurz angeschaltet werden soll, finde ich das keine schlechte Lösung. Dergute W. schrieb: > Dann haeng' halt noch 10µF parallel zu den LEDs. Stimmt: kein Einschaltstress mehr für die LEDs. Und empfindsame Naturen müssen sich keine Sorgen mehr wegen des 100Hz-Flackerns machen ;-)
Abdul K. schrieb: > Hm, aber warum der Vorschlag von Karl die Transe als Längstransistor zu > benutzen, um die LEDs abzuschalten, nicht im Originaldesign verwendet > wurde, erschließt sich mir nicht. Die höhere Spannung im ausgeschalteten Zustand kriegt ja nicht nur der Transistor zu sehen. Auch die Halbbrücke aus LDR und Widerstand. Die Leiterplatte muß dann ebenfalls größere Kriechstrecken einhalten. Die Sache mit der Schaltschwelle ist auch nicht mehr so einfach, denn die Basis-Emitter Flußspannung des Transistors ist konstant. Die Spannung über LDR und Widerstand aber nicht. Der wichtigste Grund aber: der Chinese muß zwar die BOM zahlen, aber nicht deine Stromrechnung. Das legt ganz klar die Prioritäten fest.
Karl B. schrieb: > Mir ist immer - auch vor dem "Versuch" - schon aufgefallen, dass > jedesmal beim Einstecken in die Steckdose die LEDs kurz sehr hell > aufblitzen. Da man solche Nachtlichter eher selten ein- und aussteckt, werden sie das wohl überleben.
Axel S. schrieb: > Der wichtigste Grund aber: der Chinese muß zwar die BOM zahlen, aber > nicht deine Stromrechnung. Das legt ganz klar die Prioritäten fest. richtig. Übrigens: Den Aspekt Funkstörungen hatten wir noch nicht. In dieser Original- Minimalbeschaltung sieht's auch da nicht so gut aus. Siehe Oszillogramm. Wundere mich garnicht, dass es im Radio daneben knattert. Das nur ganz unwichtig nebenbei. ciao gustav P.S.: Polung war am Oszi verkehrt-
Sind das nicht die Pulse, wegen denen man die Kondensatoren über die Gleichrichterdioden lötet?
batman schrieb: > Sind das nicht die Pulse, wegen denen man die Kondensatoren über die > Gleichrichterdioden lötet? Ganz genau. Gut gesprochen. Alles was nicht unbedingt zur Funktion des Teils notwendig ist, wurde vom Hersteller fortgelassen. Auch die Entstörkonds. (Wenn man mal genau hinguckt, sind die Dioden-"Spikes" noch nicht einmal gleich - Bauteiletoleranzen.) ciao gustav
So gehts auch. (Man braucht nicht sklavisch 4 Stück Konds. zu verwenden.) nur zum Beispiel ciao gustav
Karl B. schrieb: > Aus der Schule wissen wir: Der Ladestrom eines Kondensators ist > prinzipiell am Anfang für einen kurzen Moment theoretisch unendlich hoch > und wird nur durch parasitäre Bauteile-Eigenschaften und einen wie auch > gearteten Leitungs- bzw. Vor-Widerstand begrenzt. > > Überschlagsrechnung für hier: > Worst case: Einschaltmoment beim Scheitelwert der Netzspannung: > > 322V / 1k = 322 mA (und wenn kurz hintereinander geschaltet wird ist's > u.U. doppelt so hoch.) Genau da greift der 1kOhm schon verdammt knapp und an genau diesem Problem versterben diverse Chinapfuschlampen - ich glaube, das schrieb ich schon. Ein Ausweg wäre, den Widerstand erheblich größer zu wählen und durch einen Transistor zu überbrücken. Die Idee habe ich im Kopf, aber bislang noch nirgendwo umsetzen müssen.
Manfred schrieb: > Genau da greift der 1kOhm schon verdammt knapp und an genau diesem > Problem versterben diverse Chinapfuschlampen - ich glaube, das schrieb > ich schon. > > Ein Ausweg wäre, den Widerstand erheblich größer zu wählen und durch > einen Transistor zu überbrücken. Die Idee habe ich im Kopf, aber bislang > noch nirgendwo umsetzen müssen. Aus genau diesen getätigten Einsparungen wird es diese "Chinapfuschlampen" noch lange geben. Anders würden sie wohl das doppelte kosten. Wonach greift der unbedarfte Käufer? "Geiz ist geil" Wer sich auskennt und Spaß hat am Basteln, kauft sich so ein Billigding und baut sich seine eigene Elektronik hinein. Das Risiko trägt jeder selbst.
Hi, ok, ok, ok. Hatte die benötigte zusätzliche Steuerleistung des Transistors nicht berücksichtigt. Die Jahres-Energiebilanz sieht dann in etwa so aus: Sommer -> spare mehr Winter ->spare weniger Den Transistor weglassen und LEDs direkt mit Big-LDR (siehe Bild!) "schalten". Grosses "Aber": Halt! Das Problem liegt in der Invertierung. Brauche also einen invertierenden LDR. (Sowas gibt es IMHO nicht - oder doch?) Idee: Statt Bipolartransistor vielleicht IRF. (IGBT) OK. Hole Teil wieder aus Sonder-Mülltonne - Basteln geht weiter. ciao gustav
Hallo, ich sehe das so, diese Schaltung spart tatsächlich Energie. Sind die 3 Led 'so durch den Transistor kurzgeschlossen fließt lediglich Blindstrom. Den musst du nicht bezahlen. Dies kannst du mit einem Energiekosten - Messgerät nachprüfen. Meine Antwort bezieht sich auf den Original Post. Die (bis jetzt 93) Antworten habe ich nicht gelesen. Hau mich nicht!
Karl B. schrieb: > Den Transistor weglassen und LEDs direkt mit Big-LDR (siehe Bild!) > "schalten". > Grosses "Aber": > Halt! > Das Problem liegt in der Invertierung. > Brauche also einen > invertierenden LDR. (Sowas gibt es IMHO nicht - oder doch?) Ja, "früher" war alles besser. :-) Beitrag "Re: Energiespareffekt vorgegaukelt"
Karl B. schrieb: > invertierenden LDR. (Sowas gibt es IMHO nicht - oder doch?) > Idee: > Statt Bipolartransistor vielleicht IRF. (IGBT) Ja genau Karl, sehr schön. Du entwickelst ein High-Tec-Nachtlicht bei dem allein die Bauelemente nebst Quali-PCB mindestens 5 Euros kosten, lässt es nicht von kleinen Chinesen sondern von deutschen Tariflohnbeschäftigten zusammenbauen und verramschst es nicht an der Kasse im Blödmarkt sondern vertreibst es ausschließlich über den qualifizierten Elektrofachhandel. Mal sehen bei welchem Endkundenpreis du rauskommst und wie viele ökologisch orientierte Sozialpädagogen du für dieses Luxusteil als Käufer findest... Oh, http://www.manufactum.de/home.html hat noch kein Nachtlicht im Programm, vielleicht findest du dort ein Publikum das 50 Euro für ein deutsches Qualitätsnachtlicht zu zahlen bereit ist.
V0A schrieb: > Mal sehen bei welchem Endkundenpreis du rauskommst und wie viele > ökologisch orientierte Sozialpädagogen du für dieses Luxusteil als > Käufer findest... "Sparen" war schon immer etwas teurer. :-)
Harald W. schrieb: > Ja, "früher" war alles besser. :-) > Beitrag "Re: Energiespareffekt vorgegaukelt" Hihi... "eingelocht". ^^ Alter Lateiner schrieb: > ich sehe das so Wie die meisten hier. Lieber Karl B., ich denke, ich weiß jetzt, "wo der Hase im Pfeffer liegt" (und bitte versteh das nicht als Vorwurf der Dummheit o. ä. - denn folgendes gilt für die allermeisten Menschen): ---------------------------------------------------------------------- "Blindstrom" bzw. "Blindleistung" wird in diversen Artikeln immer wieder (oberflächlich) so abgehandelt: 1. Die "alte" (besser gesagt: sich nur auf Sinusförmige Größen beziehende) Definition sei nur Phasenverschiebung zw. Spannung und Strom. Die "modernere" (allgemeine) sei nun unter Einbeziehung aller Spannungs- und Stromformen, etc. 2. Obwohl vom Energieversorger nicht meßbar, entstehen auch durch ohmsche Widerstände Verluste in den Leitungen, durch den ja "in echt" fließenden Strom. (Weshalb die Leitungen auch für die Scheinleistung ausgelegt sein müssen.) ---------------------------------------------------------------------- Nun hat man, falls einem (wie den meisten Menschen) das Talent für die abstrakte Vorstellung fehlt, oder man es etwas falsch versteht, den Eindruck, Punkt 2. würde beschreiben, daß "doch unsichtbar die gleichen Verluste (oder zumindest eine Vergleichbare Größenordnung daran) entstehen". Dem ist aber nicht so - es handelt sich zumeist um mehrere Größenordnungen geringere Verluste, also für alle außer dem Versorger (und seit einiger Zeit auch Großabnehmern), und natürlich den Leitungen, tatsächlich bedeutungslose Dinge. Wenn man sich das aber anfangs mal "falsch eingeprägt" hat, bleibt die Vorstellung des Verhältnisses der Größenordnungen gerne bestehen, sogar wenn man später tiefer in die Materie eintaucht. Das liegt, wie gesagt, nicht an Dummheit o. ä. - sondern eher daran, daß ein Mensch kein Computer ist, und "einmal erlerntes (also fälschlich verifiziertes) Wissen" nicht einfach wieder gelöscht werden kann. Um so schwerer, wenn es sich nicht um einfache, sondern um "abstrakte" Denkweisen handelt(e), also dem Versuch, mittels einfacher Zusammenhänge kompliziertere zu verstehen - das prägt sich leider um so tiefer ein, siehe "Eselsbrücke" u. ä. Also, bitte, glaub den Vorrednern: Diese minimale Blindleistung ist schlicht "egal".
V0A schrieb: > Mal sehen bei welchem Endkundenpreis du rauskommst ... >... verramschst es nicht an der Kasse im Blödmarkt sondern vertreibst es > ausschließlich über den qualifizierten Elektrofachhandel. Hi, OK. Es ist auch im Pollin Katalog drin. (Ziemlich gleicher Preis.) "...Zu unserem 125-jährigen Jubiläum möchte ich denjenigen Danke sagen, die Pollin erfolgreich gemacht haben: Ihnen, unseren treuen Kunden.... die Familie und das Unternehmen Pollin (steht) für E n g a g e m e n t und Wachstum in der Region..." Zitat Seite 3 Pollin Jubiläumskatalog 3-2016 Hoffe, dieses Zitat darf ohne vorherige Genehmigung der Firma hier gepostet werden. Ansonsten: @Mod bitte löschen Hier steht zwar der Begriff "Energiesparen" nicht explizit in der Artikel-Beschreibung, deswegen kann man dem Händler keinen Vorwurf machen. Doch suggeriert einem die Abschaltbarkeit einen Energiespareffekt. Würde doch jeder so denken, oder? Getreu dem Motto:" Lichtschalter an->Strom wird gebraucht- Lichtschalter aus ->Strom wird nicht gebraucht" Jetzt hat das Ding eine Automatik drin, die die Funktion des Lichtschalters übernimmt. Gedanklich ändert sich aber bei den meisten Leuten da wohl nichts an der obigen Annahme. Allenfalls "ja, ein bisschen wird wohl noch - aber nicht genauso viel, als ob die Lampe brennen würde." Das war die Kernüberlegung für den Thread hier. Über Preis und Vertrieb geht es nicht, nur um diese "komische" Energiespardiskussion. Da haben sie uns doch ständig mit in den Ohren gelegen. Alle "Standby"-Geräte auf "aus". Das wäre doch so ein "Standby"-Gerät oder? OK. Ich baue aus purer Frackigkeit jetzt einen Netz-Schalter ein. Dann habe ich wieder ein Problem, das hier diskutiert wurde: auf Dauer schädliche "Einschaltstromspitze", die sich nicht förderlich auf die Lebensdauer auswirkt. Bin sozusagen gezwungen... Harald W. schrieb: > Da man solche Nachtlichter eher selten ein- und aussteckt, > werden sie das wohl überleben. ...die dauernd am Netz zu lassen. Der Rest geht jetzt über die ursprüngliche Thread-Thematik hinaus: "Wie kann ich die Schaltung nach meinen Wünschen verändern." Das diesbezügliche Echo freut mich sehr. Bleibe dran ciao gustav P.S.: Harald W. schrieb: >>> Das war bei den "alten" >>> Orientierungslichtern mit Glimmlampe und Fotowiderstand >>> anders. Da wurde tagsüber tatsächlich mehr Leistung als >>> Nachts verbraucht >> >> Hast du eine Schaltung, Harald? > > Schaltung? Da waren Glimmlampe und Widerstand in Reihe > an 230V angeschlossen und der FW parallel zur Glimmlampe. Der LDR in der "Glimmlampen"-Lampe überbrückt dieselbige. Der Vorwiderstand liegt bei 120 kOhm, also deutlich weniger Standby-Strom als bei dem hier vorgestellten "Nachtlicht" mit LEDs.
Da wurden per copy-and-paste zwei, drei Dinge falsch platziert. Ich hoffe, der Sinn erschließt sich trotzdem noch.
Homo Habilis schrieb: > entstehen auch durch ohmsche Widerstände Verluste in den Leitungen, Ich vermute, Du wolltest sagen: "entstehen auch durch Blindwiderstände Verluste in den Leitungen" oder?
Karl B. schrieb: > Das wäre doch so ein "Standby"-Gerät oder? Puh... bei v. D. g. Diskussion geht es eher darum, ob ein Gerät im Standby 20W, oder 3W (Realleistung) verbraucht. (Mein Nachtrag zuvor bezog sich natürlich auf eigenen Post zuvor.) Karl B. schrieb: > ...die dauernd am Netz zu lassen. Was praktisch kein Problem darstellt - die Wirkleistung ist microminimal.
Harald W. schrieb: > Du wolltest sagen: "entstehen auch durch Blindströme Verluste am ohmschen Widerstand der Leitung" Ja, dieses copy-and-paste kann (relativ unauffällig - auffällig sind primär grobe Rechtschreibfehler) den Sinn völlig verkehren.
Karl B. schrieb: > "Wie kann ich die Schaltung nach meinen Wünschen verändern." Der Wichtigste Vorschlag dazu war: "mehr LEDs in Reihe und weniger Strom". Dann ist der Unterschied zwischen "Ein" und "Aus" wesentlich grösser. > Der LDR in der "Glimmlampen"-Lampe überbrückt dieselbige. Der > Vorwiderstand liegt bei 120 kOhm, also deutlich weniger Standby-Strom > als bei dem hier vorgestellten "Nachtlicht" mit LEDs. Ich muss mich leider wiederholen: Nicht der fliessende Strom ist von belang, sondern allein die Wirkleistung. Und mit meiner Beschreibung wollte ich nur darauf hin- weisen, das bei der Glimmlampenlösung die entstehende Wirkleistung im ausgeschaltetem Zustand grösser als im eingeschaltetem ist, während bei Deiner Lampe immerhin im ausgeschaltetem Zustand etwas weniger Leistung, wenn auch nicht soviel weniger wie erwartet anfällt. Übrigens, mit der durch diesen Thread "verschwendeten" Leistung könnte an Deine Lampe vermutlich viele Monate, wenn nicht Jahre, betreiben...
Homo Habilis schrieb: > Diese minimale Blindleistung ist schlicht "egal". Glaube, hatte in einer Answer vorher schon versucht, diese Diskussion in die richtigen Bahnen zu lenken - weg vom Thema "Blindstrom"... Karl B. schrieb: > Das nur nebenbei..... > ....sollte aber nicht zu einer Grundsatzdiskussion > "Blindstromberechnung" führen. Muss doch was dazu sagen, es drängt sich mir förmlich auf: Gegenbeispiel: Ein El-Monteur erzählte mir mal an der Kneipentheke, wie eine ganze Büroetage mit Leuchtstofflampen bestückt, sich nicht in Betrieb nehmen ließ, es lösten immer wieder die LS aus. Fazit: Überstunden. Überall, wo die Komp.konds. fehlten, welche anklemmen. Dann erst ließ sich die Beleuchtung ohne Probs. einschalten.(Dou-Schaltungen) Oder.. für den Aufzugmotor Kabel wieder rausreißen - Querschnitt zu dünn. Der "Meister" hatte den Anlauf- und "Blindstrom" nicht richtig berechnet. > Das nur nebenbei..... > ....sollte aber nicht zu einer Grundsatzdiskussion > "Blindstromberechnung" führen. > Diese minimale Blindleistung ist schlicht "egal". Das mag für den Privathaushalt momentan noch gelten. In der Summe (-Kleinvieh macht auch Mist-) bleibt alles, was Verlust bringt, unerwünscht. Dem Draht ist es egal, welcher Strom fließt, er erwärmt sich bei Stromfluss. Ob blind oder nicht. Blindstrom kommt nur noch dazu zu den sonstigen Belastungen. Im Endeffekt zahlt der Kunde. Die Gewichtung nach Privathaushalt und Großabnehmer dient der "Tarifpolitik". Da werden momentan noch Unterschiede gemacht, mir schwant aber Böses, sind die Smart-Meter erst eingebaut. ciao gustav
Karl B. schrieb: > Gegenbeispiel: > ... Das zeigt doch nur das Du nicht der einzige bist, der mit dem Thema "Blindleistung" nicht zurecht kommt. >> Diese minimale Blindleistung ist schlicht "egal". > > Das mag für den Privathaushalt momentan noch gelten. Zur Zeit ist wohl gerade in privaten Haushalten nach wie vor der induktive Anteil der Blindleistung deutlich grösser als der kapazitive. Da würde sich die Verwendung von Kondensator- netzteilen sogar positiv bemerkbar machen. > > In der Summe (-Kleinvieh macht auch Mist-) bleibt alles, was Verlust > bringt, unerwünscht. Dem Draht ist es egal, welcher Strom fließt, > er erwärmt sich bei Stromfluss. Ob blind oder nicht. Blindstrom kommt > nur noch dazu zu den sonstigen Belastungen. Im Endeffekt zahlt der > Kunde. Die Kompensation findet schon innerhalb der Wohnung statt. Nach aussen gibt es keine erhöhte Leitungsbelastung. Und eine kapa- zitive Blindleistungsbelastung im kW-Bereich wirds auch in Zukunft nicht geben.
Karl B. schrieb: > Das mag für den Privathaushalt momentan noch gelten. Ja ... noch . Durch die elektronischen Stromzähler haben sie aber die Möglichkeit diese Werte einfach zu ermitteln und wenn es dann mal so weit ist dass jeder Haushalt solch ein Gerät sein Eigen nennen muss, dann denken sie auch daran den Blindstrom zu berechnen. Man kann ja nicht sagen dass das unfair sei. Ideal wäre es wenn wir 230V Gleichstrom bekommen würden, aber dann müsste in jeder Steckdose ein MosFET sein der die Spannung abschaltet bevor man den Stecker zieht. Solch eine Art Softstart wäre auch ganz nett, also dass der MosFET den Strom langsam zuschaltet und dort keine 100A kurzzeitig in den Kondensator des Laptop-Netzteils fließen. (passiert bei meinem Netzteil ständig, ich finde fast nie den Nulldurchgang) > Dann kann man ja die LEDs immer leuchten lassen. > Einen dem Kunden sugerrierten "Energiespareffekt" durch >"Quasi-Abschaltung" der LEDs kann ich hierbei nirgends entdecken. Ich habe hier eine 12V Versorgung in meinen Räumen die über Koaxialkabel (nicht für Antennen, sondern Strom) zu den einzelnen LED-Lampen führt. Außerdem sind dort Bewegungsmelder installiert (9 Euro im 10er Pack bei eBay) die nur 35µA (pro Stück) ziehen. Das 12V Netzteil verbraucht selbst unter 1W wenn es nicht belastet wird. Das Signal des Sensors geht zu dem Gate eines MosFETs und der schaltet dann eine der 10W LEDs (werden mit 2,5W betrieben) an. Die LEDs werden passiv gekühlt, sie wurden auf CPU-Kühlkörper geschraubt/geklebt. Am Gate befindet sich ein kleiner Kondensator der über einen Widerstand geladen wird und einem anderen entladen wird, so habe ich einen kleinen Softstart beim angehen (1s) und beim ausgehen (20s). Das reicht um sich gut orientieren zu können und das Licht brennt nicht ständig, sondern nur wenn sich ein Mensch oder die Katze durch die Räume bewegt. Man müssen zwar ein paar Kabelkanäle verlegen, aber ich finde es lohnt sich.
Mike J. schrieb: > Durch die elektronischen Stromzähler haben sie aber die Möglichkeit > diese Werte einfach zu ermitteln und wenn es dann mal so weit ist dass > jeder Haushalt solch ein Gerät sein Eigen nennen muss, dann denken sie > auch daran den Blindstrom zu berechnen. Machen sie das nicht schon immer, indem der Aufwand zur Kompensation sowieso in den Arbeitspreis mit einfließt? Es bekommt nur kein Endkunde separat ausgewiesen.
MM schrieb: > Es bekommt nur kein Endkunde separat ausgewiesen. Schon möglich, irgendwie müssen sie es ja kompensieren.
Harald W. schrieb: >> entstehen auch durch ohmsche Widerstände Verluste in den Leitungen, > > Ich vermute, Du wolltest sagen: "entstehen auch durch Blindwiderstände > Verluste in den Leitungen" oder? Hi, das kommt davon, wenn man sich auf den Wikipedia-Quatsch verlässt: Da geht diese Nonsens-Diskussion nämlich weiter. Zitat: https://de.wikipedia.org/wiki/Blindstrom "...der Blindstrom steht somit für den Transport von Energie, die zwischen Erzeuger und Verbraucher pendelt. Diesen Strom möchte man auf den Leitungen reduzieren oder vermeiden, da er an deren o h m s c h e n Widerständen eine Verlustleistung bewirkt...." .... Vereinfachung der Sprache! Der Artikel ist leider ziemlich leserunfreundlich geschrieben! Das versteht so doch nur jemand, der sich sowieso schon mit der Thematik auseinander gesetzt hat. Bitte vereinfachen. Danke. xx.xxx.xx.xxx 20:xx, 1. Feb. 2013 (CET) Deine Kritik mag berechtigt sein, aber so pauschal ist sie nicht hilfreich. Fang doch bitte einmal mit einem konkreten Beispiel an. --d.S. 10:xx, 2. Feb. 2013 (CET) ... Stromrechnung „stellen die Energieversorgungsunternehmen Großabnehmern die vom Blindstrom verursachte Blindarbeit („Blindleistungsverbrauch“) in Rechnung.“ Heißt das, daß die Blindarbeit separat vom sonstigen Verbrauch erfaßt werden kann und als Posten auf der Rechnung erscheint? xxx.xxx.xxx.xxx 00:xx, 23. Mai 2016 (CEST)? Siehe Energiezähler#Abrechnung --d.S. 09:xx, 23. Mai 2016 (CEST) ... Zitat Ende @Mod bitte löschen, falls verlangt wird, dass zur Veröffentlichung im Forum hier vorher Genehmigung von Wiki eingeholt werden muss.. ........... ciao gustav
Karl B. schrieb: > "...der Blindstrom steht somit für den Transport von Energie, die > zwischen Erzeuger und Verbraucher pendelt. Diesen Strom möchte man auf > den Leitungen reduzieren oder vermeiden, da er an deren > o h m s c h e n Widerständen eine Verlustleistung bewirkt...." Dieser Satz ist für mich eindeutig und richtig. > „stellen die Energieversorgungsunternehmen Großabnehmern die vom > Blindstrom verursachte Blindarbeit („Blindleistungsverbrauch“) in > Rechnung.“ > Heißt das, daß die Blindarbeit separat vom sonstigen Verbrauch erfaßt > werden kann und als Posten auf der Rechnung erscheint? xxx.xxx.xxx.xxx > 00:xx, 23. Mai 2016 (CEST)? Meines Wissens ja. Insbesodere, wenn dieser Wert einen vereinbarten Höchstwert überschreitet. Übrigens geht es hier praktisch immer um induktive Blindleistung. Ich habe noch nie gehört, das der Verbrauch von kapazitiver Blind- leistung irgendwo Probleme macht.
> Übrigens geht es hier praktisch immer um induktive Blindleistung. > Ich habe noch nie gehört, das der Verbrauch von kapazitiver Blind- > leistung irgendwo Probleme macht. "Verbrauch" von 'Blind'leistung geht natürlich gar nicht ...- Wir hatten mal gelernt (in Energieerzeugung und Verteilung), dass man in ausgedehnten Kabelnetzen eben diese kapazitive Blindleistung durchaus beachten muss. Auch das Zusammenschalten von Freileitungen (oft im induktiven Bereich, mit mehr als der sog. "natürlichen Leistung" belastet) und Kabeln (eben kapazitiv) ist alles andere als trivial.
Elektrofan schrieb: >> Ich habe noch nie gehört, das der Verbrauch von kapazitiver Blind- >> leistung irgendwo Probleme macht. > > "Verbrauch" von 'Blind'leistung geht natürlich gar nicht ...- Das habe ich zugegebenermaßen etwas ungeschickt formuliert. > Wir hatten mal gelernt (in Energieerzeugung und Verteilung), dass man in > ausgedehnten Kabelnetzen eben diese kapazitive Blindleistung durchaus > beachten muss. Das ist aber der Hochspannungsbereich, mit dem ich mich nicht besonders gut auskenne. Mir ging es eher um den Niederspannungsbereich bis 400V~ bei dem unerwünschte Blindleistung wohl nach wie vor über- wiegend induktiv anfällt.
Homo Habilis schrieb: > Das liegt, wie gesagt, nicht an Dummheit o. ä. - sondern eher daran, daß > ein Mensch kein Computer ist, und "einmal erlerntes (also fälschlich > verifiziertes) Wissen" nicht einfach wieder gelöscht werden kann. "Du bist doof", wolltest Du damit sagen. Eine Formulierung die nicht mehr und nicht weniger Deine eigene Starrköpfigkeit in der Behandlung dieses Themas widerspiegelt. Deine Ausführungen können leicht durch zahllose Beiträge in den "Pflichtenheften" der EVUs widerlegt werden. Praktischer Bezug: Hi, wir hatten gestern mittag hier etwa für eine Stunde eine Netzspannung zwischen 237 und 253 Volt. Wie das? (Photovoltaik! Siehe weiter unten.) EVUs hätten es gerne, wenn erst g a r k e i n Blindstrom entsteht: Zitat Quelle: http://bochyweb.de/Netzrueckwirkungen/Netzrueckwirkungen_N otstrombetrieb.html 7) Zusammenfassung: "...Anlagen zur Blindstromkompensation sollten nach Möglichkeit a b g e s c h a l t e t werden, weil Resonanzen im Netz auftreten können. Oberschwingungen können mit Drosseln oder mit elektrischen Filtern bedämpft werden. Werden ohmsche Verbraucher parallel betrieben, wirken diese ebenfalls dämpfend. Werden hingegen Kondensatoren parallel betrieben, so entsteht eine zusätzliche Belastung durch unkalkulierbare Resonanzeffekte. Werden die beschriebenen Verhaltensweisen der Verbraucher, der Netze und der Generatoren berücksichtigt, kann ein Netz bei Generatorspeisung einen Anteil an Geräten, die Oberschwingungen selbst produzieren, verkraften und dabei die vorgeschriebene Netzqualität halten..." Zitat Quelle: http://www.solarserver.de/solar-magazin/solar- standpunkt/solarstrom-und-das-502-hertz-problem-warum- die-energieversorger-doch-nicht-so-boese-sind.html Ist genug Lesestoff, um mit den diesbezüglichen Unwahr- und Halbwahrheiten aufzuräumen. Fest steht: "Wir schaffen das..." Was ist DAS? Die Energiewende! Es wird quietschen, aber es ist machbar. Erst mal vor der eigenen Tür kehren und keine "Schrott"- Geräte, die der Consumersektor parat hat, kaufen und nutzen. Auch solche nicht, die etwas vorgaukeln, was sie nicht halten. Eine kritischere Konsumentenhaltung sollte man sich wünschen. ciao gustav
Links nochmal: http://bochyweb.de/Netzrueckwirkungen/Netzrueckwirkungen_N otstrombetrieb.html http://www.solarserver.de/solar-magazin/solar- standpunkt/solarstrom-und-das-502-hertz-problem-warum- die-energieversorger-doch-nicht-so-boese-sind.html
Links nochmal: http://bochyweb.de/Netzrueckwirkungen/Netzrueckwirkungen_Notstrombetrieb.html http://www.solarserver.de/solar-magazin/solar-standpunkt/solarstrom-und-das-502-hertz-problem-warum-die-energieversorger-doch-nicht-so-boese-sind.html Hoffentlich gehts jetzt
Moin, Solange die EU noch nicht vorschreibt, dass jeder installierte Rauchmelder sowie Staubsauger und Gluehlampen <1.2GW von mindestens 5 LED-Nachtlichtern beleuchtet werden muessen um Unfaelle zu vermeiden, musst du dir glaub' ich noch nicht so grosse Sorgen um die dadurch verursachte Blindleistung im Netz machen. Gruss WK
Wenn man das so liest, was diese Energieversorger alles für uns tun, ohne dafür einen Cent Geld zu verlangen - es gibt doch noch gute Menschen auf dieser Welt. :-)
> Erst mal vor der eigenen Tür kehren und keine "Schrott"- > Geräte, die der Consumersektor parat hat, kaufen und > nutzen. Auch solche nicht, die etwas vorgaukeln, was sie > nicht halten. Eine kritischere Konsumentenhaltung sollte > man sich wünschen. Sollte man, nützt nur erst mal wenig. Wie soll Otto-normalabgezockter-Verbraucher das alles, was ihm erzählt (d.h. oft: vorgelogen) wird, denn bewerten können? Ohne Siegel (A+, A++, A++++++ ...) geht ohnehin erstmal gar nichts! (Wie mühselig ist es dabei, zu eruieren, wer für solch ein angeblich grünes-/Öko-/sonstwie- Siegel bezahlt?)
Michael U. schrieb: > 1k ist eigentlich sinnlos groß dimensioniert, ein Sicherungswiderstand > 150 Ohm täte es sehr wahrscheinlich auch, dann müßte man aber vermutlich > bei den LEDs was gegen Spannungsspitzen usw. machen. Z-Diode knapp über > der LED-Spannung wäre vielleicht möglich, war aber vermutlich zu teuer. > 150 Ohm würden die Wirkleistung auf ca. 0,2W bei ein und ca. 0,05W bei > aus ändern. Der Transistor wirkt eigentlich auch als einstellbare Zenerdiode. Es wäre nur noch ein Widerstand parallel zum Fotowiderstand nötig, um die LEDs gegen Überspannung zu schützen. Der Transistor selbst müsste aber auch robust genug dafür sein. Ein Kondensator oder Elko parallel zu den LEDs würde auch die Spannungsspitzen reduzieren.
gustav schrieb: > "Du bist doof", wolltest Du damit sagen. Wollte ich nicht. Ich habe beschrieben, wie imperfekt nun mal der "Wissensspeicher Gehirn" in Bezug auf Korrekturen ist. Das scheinst Du weder zu wissen, noch scheint Dich das zu interessieren, oder ... was weiß ich. gustav schrieb: > Eine Formulierung die nicht > mehr und nicht weniger Deine eigene Starrköpfigkeit in der Behandlung > dieses Themas widerspiegelt. Also (offensichtlich) ganz im Gegensatz zu Dir bin ich nicht starrköpfig. Du hast meine im Beitrag enthaltene ernsthaft nett gemeinte, höflichstmöglich (!) formulierte, und nach bestem Wissen und Gewissen verfaßte (potentielle) "Aufklärung" völlig falsch aufgefaßt (und das trotz meines doppelten Ausschlusses dieser möglichen Richtung, es aufzufassen) - so weit, so gut. Vielleicht hat ja meine (ebenfalls enthaltene) Annahme, wie es zu Deinem Miß- oder Un-Verständnis (und dem unzähliger anderer - unter anderem auch meines solchen, bevor ich es später klären konnte) kommen konnte, Ihre Lücken, oder trifft schlicht auch teils oder gar nicht zu. Das aber ist kein legitimer Grund für so eine Reaktion. Also mach und denk zukünftig, wie und was Du willst - mein Interesse daran ist Geschichte.
Bitte melde dich an um einen Beitrag zu schreiben. Anmeldung ist kostenlos und dauert nur eine Minute.
  
  Bestehender Account
  
  
  
  Schon ein Account bei Google/GoogleMail? Keine Anmeldung erforderlich!
Mit Google-Account einloggen
Mit Google-Account einloggen
  Noch kein Account? Hier anmelden.















