Hallo zusammen Vor ca 10-20 Jahren war ein LM723 eine gute Wahl um ein einstellbares Labornetzgerät zu bauen. Was nimmt man heute zur Hand, um ein zweifaches (+ - plus gnd) Netzteil zu bauen? Danke schonmal
Moin, Holger K. schrieb: > Was nimmt man heute zur Hand, um ein zweifaches (+ - plus gnd) Netzteil > zu bauen? Entweder wie beim Bau einer Pizza: Das, was eh da ist und was weg muss. Oder wenn nix da ist oder nix weg muss: Garnicht. Dann kauft man das Netzteil. Ein Smartfon baut man auch nicht selber. Obwohl man da sicherlich noch viel mehr lernen koennte als beim Bau eines Netzteils (Der "Lerneffekt" wird von eingefleischten Netzteilbauern ja immer noch als letzte Bastion angefuehrt). Gruss WK
Dergute W. schrieb: > Moin, > > Holger K. schrieb: >> Was nimmt man heute zur Hand, um ein zweifaches (+ - plus gnd) Netzteil >> zu bauen? > > Entweder wie beim Bau einer Pizza: Das, was eh da ist und was weg muss. > > Oder wenn nix da ist oder nix weg muss: Garnicht. Dann kauft man das > Netzteil. > Ein Smartfon baut man auch nicht selber. Obwohl man da sicherlich noch > viel mehr lernen koennte als beim Bau eines Netzteils (Der "Lerneffekt" > wird von eingefleischten Netzteilbauern ja immer noch als letzte Bastion > angefuehrt). > > Gruss > WK Nur kostet auch ein Chinesisches bereits 75 Euro. Und wenn ich mir anschaue, wie das da drinn aussieht, dann gefällt mir ein kleines mit einem herkömmlichen 50Hz Transformator doch besser. Hier der link zum Produkt: https://www.aliexpress.com/item/Voltage-Regulators-K305D-30V-5A-Switch-laboratory-DC-power-supply-0-1V-0-01A-Digital-Display/32887887679.html Und was brauchbares kostet dann auch schnell mal gegen 200 Euro
Im Amateurbereich wird üblicherweise die gleiche Technik wie vor 50 Jahren genommen. Zum Beispiel der erwähnte LM723, der von 1967 ist, oder ein klassischer Aufbau mit Operationsverstärkern. Das Ergebnis ist dann wie vor 50 Jahren. Wem das ausreicht, nur zu, den Elektronen ist es egal. Im unteren kommerziellen Billig-Bereich findet sich die Technik ebenfalls. Im High-End Bereich sind Labornetzteile heutzutage embedded Netzwerk-Computer, die, wenn nicht direkt als Schaltnetzteil ausgelegt, eine analoge Leistungsstufe steuern.
LM723-basierte Schaltungen haben oft den Nachteil, dass eine negative Hilfsspannung erzeugt wird, die beim Abschalten ohne große Last schneller einbricht als die ordentlich gepufferte Lastversorgung. Wenn das schaltungstechnisch nicht berücksichtigt wurde, steigt beim Ausschalten des Netzgeräts die Ausgangsspannung zunächst kräftig an, nämlich betragsmäßig bis zur Höhe der Hilfsspannung. Und plötzlich bekommt das mit 3,3V gespeiste Microcontrollerboard z.B. 10V ab... Bei hoher Last hingegen wird man den Effekt nicht beobachten.
Holger K. schrieb: > Nur kostet auch ein Chinesisches bereits 75 Euro. Fünfundsiebzig Euro?! Das ist ja Wucher! Das bekomm ich doch in ner Woche Arbeit und 50€ BE viel billiger zusammengebaut...
Was soll sich denn geaendert haben ? -Man will die grossen Kuehlkoerper nicht mehr, die schweren Trafos. Ist aber im Gegenzug nicht so zickig wegen Stoerungen -Man moechte das Supply remote kontrollieren koennen. Das war's dann im Wesentlichen. Als Alternative nimmt man festnetzteile, als Steckernetzteile. Ich tu mir keine Netzteile an, die sind zu guenstig. 5 Euro fuer 5V/3A.
Holger K. schrieb: > Nur kostet auch ein Chinesisches bereits 75 Euro. Selbstbauer unterschätzen immer die Kosten der nicht elektronischen Teile und des Drumherum. Rechne einmal Gehäuse, Trafo, Kühlkörper, Polklemmen, Mehrgang-Potentiometer und Anzeige zusammen, dann wirst du schnell sehen, dass ein Selbstbau nicht lohnt. Jens
Hannes J. schrieb: > Im Amateurbereich wird üblicherweise die gleiche Technik wie vor 50 > Jahren genommen. Nur im Ich-will-nichts-Dazulernen-Amateurbereich. Im Netz gibt' massig Schaltungen, einfach mal googlen, ebay bietet zahlreiche module, meistens muss man nur noch einen Trafo anknüppern, oder man schaut mal in den app-note-sektor der übliuchen Verdächtigen (AD, TI, Maxim). mfg Achim
Hajo schrieb: > Das bekomm ich doch in ner > Woche Arbeit und 50€ BE viel billiger zusammengebaut... Aber nur unter günstigen Bedingungen: -Du bist (Früh)Rentner und langweilst Dich fürchterlich. -Du hast Trafo und Gehäuse usw in der Grabbelkiste. -Du hast einen perfekten Schaltplan. -Du bist begnadeter Elektroniker und Mechaniker(!).
J. Zimmermann schrieb: > Hannes J. schrieb: >> Im Amateurbereich wird üblicherweise die gleiche Technik wie vor 50 >> Jahren genommen. > > Nur im Ich-will-nichts-Dazulernen-Amateurbereich. > > Im Netz gibt' massig Schaltungen, einfach mal googlen, ebay bietet > zahlreiche module, meistens muss man nur noch einen Trafo anknüppern, > oder man schaut mal in den app-note-sektor der übliuchen Verdächtigen > (AD, TI, Maxim). > > mfg > Achim Ach? Inwiefern lernt man beim Zusammenknüppern eises Trafos mit einer Fertigbaugruppe dazu? Hajo "spasste": Holger K. schrieb: >> Nur kostet auch ein Chinesisches bereits 75 Euro. >Fünfundsiebzig Euro?! Das ist ja Wucher! Das bekomm ich doch in ner >Woche Arbeit und 50€ BE viel billiger zusammengebaut... Wahnsinnig lustig. Wer nicht erst seit gestern dabie ist, hat so viele brauchbare Teile von Ausschlachtaktionen zu Hause, daß er davon mehrere Netzteile bauen könnte, die seinen Ansprüchen genügen. Mancher hat keine 75 Euro auf Tasche -aber er hat Zeit und Wissen. Nicht jeder braucht ein Netzteil das bei Lastschwankungen zwischen 0 und 10 Ampere auf das Millivolt genau ausregelt.
Alles, was man kaufen kann, ist billiger, als Selbstbau. Das ist ja nichts Neues. Es geht aber darum, was zu lernen und das geht nicht ohne Ausprobieren. Das ist z.B. was Interessantes: Beitrag "Re: Womit baut man heute Speisungen? LM723?"
Holger K. schrieb: > Was nimmt man heute zur Hand, um ein zweifaches (+ - plus gnd) Netzteil > zu bauen Mal wieder ein Labornetzteilfred. Meinst du wirklich Labornetzteil mit einstellbarer Strombegrenzung so dass es nicht nur als Spannungsquelle sondern auch als Stromquelle einsetzbar ist ? Dafür war der uA723 noch nie gut geeignet, weil seine Strombegrenzung eher weich eingreift und nicht genau ist. Der uA723 war eigentlich der Vorläufer vom LM317 und der uA78xx Festspannungsregler und ist schon seit deren Erscheinen obsolet. Für ein Labornetzteil mit Spannungs- und Stromregelung braucht man 2 OpAmps wie MC34071 (also einen MC34072), und der uA723 hat nur einen, und eine Referenzspannungsquelle wie TL431. Aber du willst ja plus und minus, willst du die mit einem Knopf einstellbar haben der beide Spannungen regelt, also einen tracking-Regler oder willst du 2 unabhängig einstellbare Quellen, und hat deine Spannungsversorgung schon gemeinsame Masse so dass ein Reglerzweig wirklich negativ aufgebaut werden muss oder kannst du 2 unabhängige Schaltungen aus 2 unabhängigen Trafospannungen versorgen ? Schaltungsvorschläge in http://www.dse-faq.elektronik-kompendium.de/dse-faq.htm#F.9.1
Moin, Holger K. schrieb: > Und was brauchbares kostet dann auch schnell mal gegen 200 Euro Naja - dafuer kriegst du auch einen Karton, eine Betriebsanleitung, ein CE Kennzeichen, ein Netzkabel, ein Gehaeuse mit Volt- und Amperemetern, Potis/Inkrementalgeber mit Knoepfen, Netzschalter, Bananenbuchsen, Trafo und evtl. Kuehlkoerper (Und - nicht ganz unwichtig - einen Haendler, dem du das alles an den Kopf schmeissen kannst, wenns gleich nach dem Einschalten abraucht). Wenn du jetzt mit deinem 723 (oder was "Modernes") anfaengst, musst du das alles extra kaufen - und du glaubst, das wird billiger als 200 EUR? Gruss WK Edit: huups, zu langsam getippert...
Blubb schrieb: > Wenn’s ein analoges Netzteil sein soll: LM317 oder L200? Die sind eher für Festspannungsnetzteile konzipiert und erlauben normalerweise keine hohen Ströme.
J. Zimmermann schrieb: >> Im Amateurbereich wird üblicherweise die gleiche Technik wie vor 50 >> Jahren genommen. > > Nur im Ich-will-nichts-Dazulernen-Amateurbereich. > > Im Netz gibt' massig Schaltungen, einfach mal googlen, ebay bietet Da gibts leider auch viel "Schrott ab Werk", z.B. 30V/3A Netzteile, die angeblich mit einem 24V/3A-Trafo auskommen.
Man nimmt ein übriggebliebenes Laptop-Netzteil und baut mit leistungs-FET ( bspw, BUZ11A ) und elektronischen Poti (bspw MCP42010 ) was "drumherum": https://www.heise.de/select/make/2016/5/1476711279985652
Holger K. schrieb: > Vor ca 10-20 Jahren war ein LM723 eine gute Wahl um ein einstellbares > Labornetzgerät zu bauen. > > Was nimmt man heute zur Hand, um ein zweifaches (+ - plus gnd) Netzteil > zu bauen? Kommt drauf an. Mein Eigenbau-Netzteil von vor 20 Jahren hat zwei unabhängige Blöcke 20V/1A, die sich bei Bedarf in Reihe schalten lassen. Natürlich muß man beide Spannungen getrennt einstellen. Wenn man ein "Tracking" Netzteil bauen will, bei dem die negative Spannung der positiven folgt, dann kann man z.B. den positiven Zweig wie gehabt aufbauen und den negativen mit einem einzelnen OPV, der die beiden Spannungen auf Gleichstand nachregelt. Oder man nimmt ein Päärchen LM317/337, die kann man auch so verschalten, daß ein einzelnes Poti zur Spannungseinstellung reicht. Siehe im Datenblatt zum LM337: http://pdf1.alldatasheet.com/datasheet-pdf/view/257427/LINER/LM337.html
MaWin schrieb: > Aber du willst ja plus und minus, willst du die mit einem Knopf > einstellbar haben der beide Spannungen regelt, also einen > tracking-Regler oder willst du 2 unabhängig einstellbare Quellen, und > hat deine Spannungsversorgung schon gemeinsame Masse so dass ein > Reglerzweig wirklich negativ aufgebaut werden muss oder kannst du 2 > unabhängige Schaltungen aus 2 unabhängigen Trafospannungen versorgen ? Der Einfachheithalber würde ich zwei Trafowicklungen oder, im schlimmsten Fall, zwei Trafos spendieren. Funkensammler schrieb: > Man nimmt ein übriggebliebenes Laptop-Netzteil und baut mit > leistungs-FET ( bspw, BUZ11A ) und elektronischen Poti (bspw MCP42010 ) > was "drumherum": > https://www.heise.de/select/make/2016/5/1476711279985652 Sieht gut aus. Hat jemand eventuell den Artikel? Es soll nicht um einen "super duper Rohde und Schwarz Nachbau" gehen. Es genügt mir ein Netzteil mit etwa 20-30V bzw. +- 10-15V und 0.5A - 1A Zumeist für digitale Aufbauten aber auch mal für ein OpAmp Schaltung. Bezüglich Regelung: Mir genügen auch zwei separate Potis. Ich kann auch die beiden Anschlüsse mit einem Laborkabel verbinden. Dies ist kein Problem für mich. Wenn sich das ganze, wie im Make Artikel offensichtlich gemacht wurde, noch Digital mittels Arduino einstellen lässt (z.b. DAC für Referenz der Analogen Schaltung) bin ich wunschlos glücklich. Ich möchte in diesem Thread vorallem Ideen sammeln.
Harald W. schrieb: > Da gibts leider auch viel "Schrott ab Werk", z.B. 30V/3A Netzteile, > die angeblich mit einem 24V/3A-Trafo auskommen. Na und? Da hat man doch erst mal die Kiste und die Anzeigen. Ein anderes Platinchen ist dann leicht ausgewechselt. Man sollte nicht beim LM723 o.ä. anfangen, sondern am Gehäuse. Und seine mechanischen Möglichkeiten real einschätzen.
Holger K. schrieb: > bin ich wunschlos glücklich. Ich hätte da ein paar andere Prioritäten: -Halbwegs flotte Regelung. -genaue und stabile Referenz, daß die Werte über Stunden mindestens genau genug bleiben um z.B. einen LiIon Akku zu laden. -Keine (wenig) Überschwinger auch bei kapazitiven und induktiven Lasten bei Lastwechsel -Keine bösen Überaschungen durch Peaks beim Ein oder Ausschalten, sowohl beim -Betrieb Als Spannungs als auch als Stromquelle -Kleine Ausgangskapazität -Rückstromfest (laden von Akkus) Und als (weniger wichtige) optionale Goodies: - 1 Kanal optional umschaltbar als Tracking Regler für symmetrische Versorgung - Sense Anschlüsse - Digitale Sollwertsteuerung ... to be continued
Holger K. schrieb: > noch Digital mittels Arduino einstellen lässt Das ist Spielkram, bleib bei den Potis. Beim Auto hat sich Gasgeben und Bremsen über Hoch/Runter Tasten auch nicht so recht durchgesetzt. Mit dem Poti kannst Du schnell große Spannungsbereiche überfahren, wo Du Dir bei den Digitalen nen Wolf tipperst. Das Poti kannst Du bei ausgeschaltetem Gerät auf Null drehen und sicher sein, dass beim Einschalten Null Volt anstehen. Die Tasten oder der Drehencoder funktionieren nur eingeschaltet.
Karl K. schrieb: > Beim Auto hat sich Gasgeben und > Bremsen über Hoch/Runter Tasten auch nicht so recht durchgesetzt. Aber immerhin gabs da schon Schaltungen, die mit Hoch/Runter Tasten gearbeitet haben. Ansonsten natürlich ACK.
Der 723 hat schon noch seine Berechtigung nach dem LM317: bei den meisten Ausführungen ist das Rauschen relativ gering und weil die Referenz und der Leistungstransistor getrennt sein können hat man auch weniger thermische Drift. Auch kann man das Stromlimit je nach Anforderung wählen. Für ein Labornetzteil war der 723 aber nie eine gute Wahl. Die üblichen Schaltungen für Labornetzteile nutzen OPs und eine extra Referenz. Bis ca. 25 V geht es noch ganz gut mit einem Trafo, darüber wird es oft einfacher mit einer extra Versorgung für einen fliegenden Regler. Für eine +- Versorgung ist immer noch zu überlegen 2 getrennte Netzteile aufzubauen, die man dann bei Bedarf zusammenschaltet. Gekoppelte Spannungen wären dann ein eher kleiner Zusatz. Einen extra +- Regler aus einer gemeinsamen Rohspannung könnte man aufbauen (etwa so wie 78xx und 79xx), hat da aber das Problem dass man die Strommessung an der fliegende High side hat, was die Sache etwas komplizierter macht, vor allem wenn man den Sollwert und Anzeige digital machen will. Eine Einstellung per Poti ist meist einfacher und hat Vor- und Nachteile.
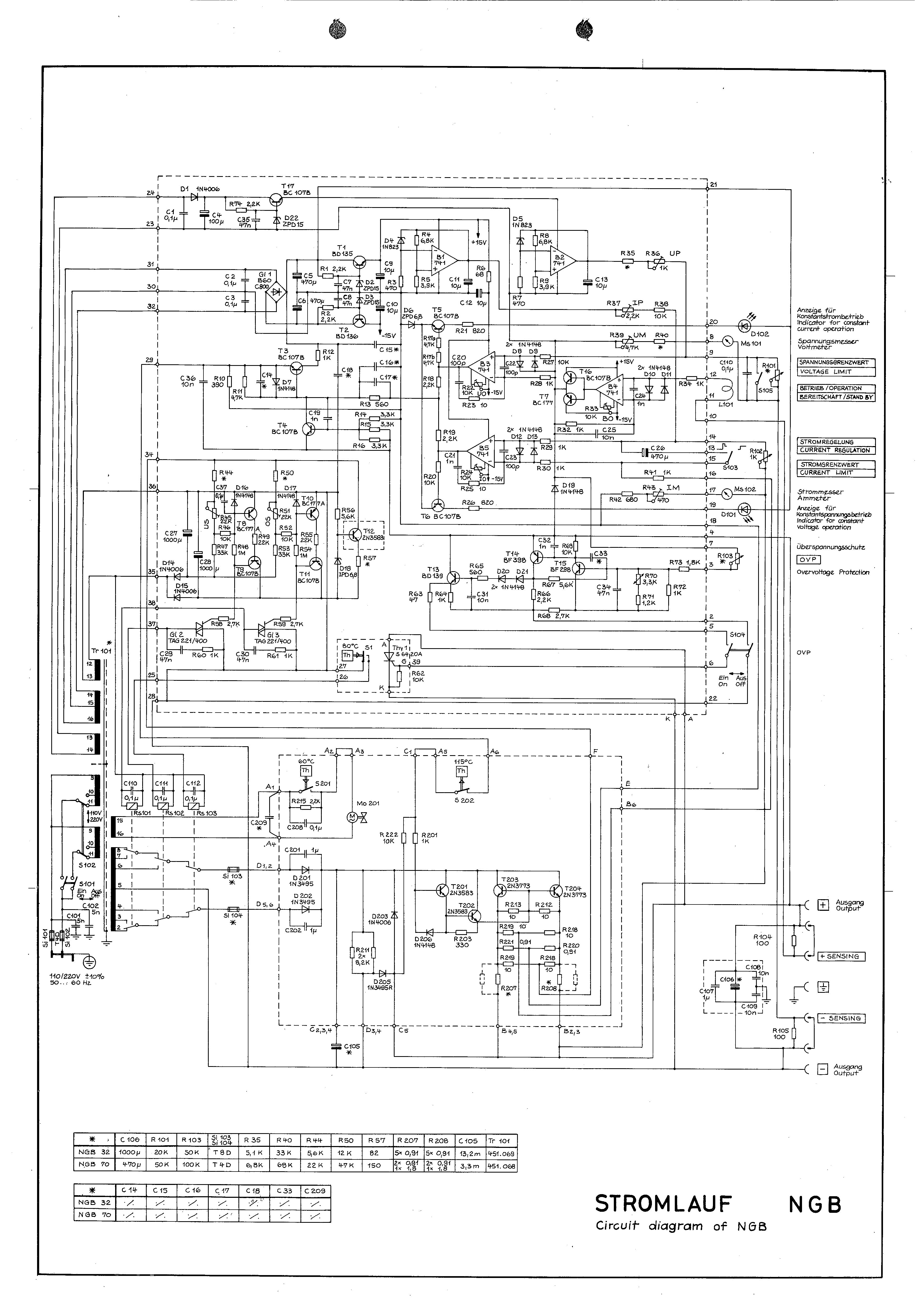
Holger K. schrieb: > Es soll nicht um einen "super duper Rohde und Schwarz Nachbau" gehen. Warum eigentlich nicht? So ein NGA oder NGB ist keine Raketentechnik, und das NGK ist sogar explizit für den Betrieb als Konstantstromquelle spezifiziert. Übliche Labornetzteile sind meist Spannungsquellen mit einstellbarer Strombegrenzung, d.h. die Güte der Stromregelung ist deutlich schlechter.
Der alte R&S Plan ist etwas verwirrend, aber im Prinzip wohl die klassische Schaltung mit fliegendem Regler. Für die Relais/Schütze würde man heute eher keine Thyristoren mehr nutzen. Für die Hilfsspannungen hat man heute auch 7805/7905 usw. d.h. eine moderne Schaltung wird eher einfacher. Die Gleichrichtung mit nur 2 Dioden und geteilten Windungen ist in Europa auch nicht mehr so in Mode - vor allem nicht wenn man die Spannung noch umschalten will. Auch die billigen Netzteile aus China nutzen heute oft eine ähnliche Schaltung, nur halt modernere Teile und die Auslegung bis an die Grenzen der Belastbarkeit und etwas drüber, damit das ganze nicht so lange hält. D.h. aber auch dass die Stromregelung nicht schlechter sein muss - ggf. etwas weil der Shunt eher etwas kleiner ist weil es billiger wird.
Lurchi schrieb: > Der alte R&S Plan ist etwas verwirrend, aber im Prinzip wohl die > klassische Schaltung mit fliegendem Regler. Ich würde gerne mal wissen, von wann diese Schaltung ist. > Für die Relais/Schütze würde man heute eher keine Thyristoren mehr > nutzen. Wenn man sie an AC betreibt, ist ein Triac (Gl.2 / Gl.3) eine durchaus sinnvolle Wahl. > Für die Hilfsspannungen hat man heute auch 7805/7905 usw. d.h. > eine moderne Schaltung wird eher einfacher. In den NGM35, die ich schon vom Anfang der 70er kenne, nutzt R&S LM340T5 sogar als Referenz, und die Geräte sind stabil! Ich musste neulich mal ein paar Elkos ersetzen und auch die Zehngangpotis leben leider nicht ewig, aber sowohl in der Firma als auch hier zuhause laufen die Dinger noch immer klaglos. Mein Lieblings-Labornetzteil habe ich etwa Mitte der 80er gebaut, mit einem 723 für die Spannungsreferenz und ein paar OPs, müsste auf einer Funkschau-Schaltung basieren - auch das Ding rennt heute noch. Aktuell würde ich den 723 nicht mehr einsetzen, es gibt Spannungsreferenzen, die damals noch nicht verfügbar waren. Unbenommen dessen ist die Referenz des ollen 723 garnicht mal schlecht. Aber : Was man leicht übersieht, ist die Tatsache, dass der Eigenbau eines ordentlichen Labornetzgerätes eine sehr anspruchsvolle Aufgabe ist! Und egal, was andere Bastler so schreiben: Als Labornetzgerät will ich kein Schaltnetzteil haben.
Manfred schrieb: > > Und egal, was andere Bastler so schreiben: Als Labornetzgerät will ich > kein Schaltnetzteil haben. Das will NIEMAND, der noch bei Trost ist.
Manfred schrieb: > Und egal, was andere Bastler so schreiben: Als Labornetzgerät will ich > kein Schaltnetzteil haben. Allein schon wegen der nötigen großen Ausgangs-Elkos. Eine gute Variante sind dagegen Schaltnetzteile mit ausgangsspannungsgeführtem Zwischenkreis und Linearregler als Ausgangsregler. Und egal, was andere Bastler so schreiben: Das funktioniert.
soul e. schrieb: > So ein NGA oder NGB ist keine Raketentechnik, > und das NGK ist sogar explizit für den Betrieb als Konstantstromquelle > spezifiziert. Aua! Das hat 1000µ am Ausgang (C106). Weisst Du was die LED sagt, wenn Du die da im "Konstantstrombetrieb" dranhängst. Genau: Aua! Ein Labornetzteil mit 1000µ ist schon arg --- naja ich würd das nicht für Mikroelektronik nehmen.
Karl K. schrieb: > soul e. schrieb: >> So ein NGA oder NGB ist keine Raketentechnik, >> und das NGK ist sogar explizit für den Betrieb als Konstantstromquelle >> spezifiziert. > > Aua! Das hat 1000µ am Ausgang (C106). Weisst Du was die LED sagt, wenn > Du die da im "Konstantstrombetrieb" dranhängst. > > Genau: Aua! > > Ein Labornetzteil mit 1000µ ist schon arg --- naja ich würd das nicht > für Mikroelektronik nehmen. Naja, 1mF sind auch bei den meisten professionellen Netzgeräten eher selten anzufinden. Das HP6024B Schalt-NT hat 15mF am Ausgang. Natürlich ist dieses Gerät hauptsächlich nur für die Versorgung kompletter Schaltungen gedacht. Interessanterweise bezeichnete HP viele ihrer Netzteile nur als "DC Power Supply" (DCPS) und nicht als "Laboratory Power Supply". Die wußten schon warum:-) Das immer (noch) zu findende Beispiel mit der ungeschützen LED ist hahnebüchen und verliert langsam an Schockeffekt! Keinem erfahrenen Entwickler würde es im Traum einfallen eine ungeschützte LED absichtlich so zu betreiben wollen. Da ist einfach ein lächerliches Beipiel! Außer in wirklich teuren exotischen Spezial Multiquadranten Geräten sind in normalen professionellen Geräten wie von HP, R&S u.a. "Konstantern" bzw. DCPS üblicherweise immer noch standardmäßig 50-470uF Ausgangs Cs eingebaut. Solche Netzteile sind nicht dazu in die Welt gesetzt worden um total ungeschütze Lasten zu betreiben, sondern gezielte Betriebsbedingungen für komplette Geräte oder Teilbaugruppen zu schaffen wo man den statischen Ausgangsstrom und Spannung definiert einstellbar haben will und sie so betreiben will. Es wäre extrem fahrlässig eine teure LASER Diode ohne ihre sorgfältig entwickelte und voll funktionierende und getestete Betriebsschaltung nackt direkt von irgendeinen Netzteil nur so mal betreiben zu wollen. Daß Netzteile bein Ein- oder Ausschalten keine Spannungs- und Stromausflüge machen dürfen sollte mittlerweile selbstverständlich sein. Es gibt noch genug öffentlich zugängliche Schaltungen einigermaßen moderner DCPS um sich selber ein Bild machen zu können wie gute DCPS konzipiert sind und braucht sich nicht unbedingt auf ältere Funkschau oder Elektor Beschreibungen beschränken. Die HP E3611 u.ä. Series Geräte für jene es noch Schaltbildunterlagen gibt sind relativ nachbaufreundlich. Viele moderne digital gesteuerte und überwachte NT sind letzten Endes bis auf wenige Ausnhmen analogmäßig auch nur relativ konventionell konzipierte Geräte deren Poties mit DACS ersetzt worden sind und sich fernsteuern lassen. Wer das braucht ist mit so einem modernen Gerät gut bedient. Sonst genügen die meisten Geräte der vorherigen Generation die die Erwartungen der in der HP Appnote 90 gestellten Anforderungen genügen. Auch sind gute Zehngang Poties für Spannung- und Stromeinstellung einer Drucktasten Bedienung vorzuziehen. Es dauert länger ein Zehngang Poti von 3V uf 30V zu drehen als sich bei Drucktasteneingabe um eine Kommastelle zu irren und versehentlich eine zu hohe Spannung einzutippen. Diejenigen die Fernsteuerung und Systemfähigkeit benötigen, arbeiten meistens in Firmen wo es notwendig ist und das Budget nur eine untergeordnete Rolle spielt. Der Hobbyist braucht das nur in relativ selten vorkommenden Einzelfällen. Abgesehen davon lassen sich auch viele professionelle DCPS der älteren Generation für Fernsteuerung einsetzen. Dazu waren viele HP Geräte mit Anschlußstellen für diesen Zweck erhältlichen HPIB Programmiergeräten versehen. So etwas läßt sich heutzutage leicht mit uC mittels USB oder TCP/IP Schnitttellen selber bauen. Wem's Spass macht DCPS bauen zu wollen, sollte man nicht abhalten. Was mich betrifft, bevorzuge ich entweder gebrauchte Geräte namhafter Hersteller einigermaßen einfacher Konzeption die sich noch einigermaßen vernünftig warten lassen und komplette Service Unterlagen zur Verfügung stehen. In anderen Worten: Diejenigen Hersteller die es nicht länger für notwendig halten für ihre Geräte vollständige Service Unterlagen zur Verfügung stellen wollen, können sich ihre Geräte an den Hut stecken. Viele der asiatischen Importgeräte sind ziemlich Service unfreundlich und in vielen Fällen gibt es keine ausführlichen Unterlagen. Auch sind viele Niedrigpreisgeräte in kritischen Punkten unterdimensioniert. Auch die Kompliziertheit moderner Import Schalt-DCPS machen die meisten Reparaturen ohne Service Unterlagen zur Qual. Mit den meisten modernen, undokumentierten Geräten kann man mich jagen. Zum Glück gibt es noch genug gebrauchte professionelle Geräte namhafter Herkunft im Zweithandel. Ein DCPS ist typisch eine Langzeitinvestition für die man die richtige Wahl treffen sollte. Da ist Reparierbarkeit und Freiheit von unnötiger Komplexität wichtiger als übertriebener Bedienkomfort und falsch interpretierte Modernität.
Holger K. schrieb: > Was nimmt man heute zur Hand, um ein zweifaches (+ - plus gnd) > Netzteil zu bauen? Das kommt doch auf die gewünschten Leistungsdaten und Funktionen an.(!) Und dann hätte man noch diverse Realisierungsmöglichkeiten zur Auswahl. "zweifach (+ - plus gnd)" legt ja nur einen einzigen Punkt fest. Also ist das genaugenommen Unsinn. Da kann man ja 1000 Jahre diskutieren, und dabei das, was Du eigentlich wolltest, treffsicher verfehlen. :) Nicht, daß ich gegen universal gestaltete Diskussionen zum Thema LNG etwas hätte, aber ob so eine nun wirklich Dir etwas nutzt, Holger? Karl K. schrieb: > Eine gute Variante ... Linearregler als Ausgangsregler. > > Und egal, was andere Bastler so schreiben: Das funktioniert. Mich stört bei "LNG mit Vorregler"-Konzepten eigentlich nur eines: Nein - nicht, daß man zumindest vor dem Längstransistor einen Elko auf höherem Spannungslevel hat, wenn plötzlich niedrige Spannung gefordert wird (bzw. am extremsten beim Kurzschluß). Also nicht, daß man trotzdem einen halbwegs zähen Längstransistor braucht. Sondern daß man (umgekehrt) erst mal das Hochregeln des Vorreglers "abwarten" muß... Im Falle eines Thyristor-Vorreglers halt in anderen Zeit-Dimensionen als beim Buck. Ich habe noch keine fertige Vorlage gesehen, wo es anders ist. Obwohl das doch durchaus machbar wäre. Stört das etwa außer mir gar keinen? :)
Ich habe einige Thyristor vorgeregelte HP DCPS bei mir im Betrieb und habe noch nie irgendein nachteiliges Verhalten in der Praxis bemerkt. Sie funktionieren winfach so wie man es erwartet. Mir stehen im Augenblick zum Vergleich keine Buck vorgeregelten Geräte zur Verfügung. Ich könnte mir kurzzeitige Spannungseinbrüche am Zwischenregler bei sprungartigen Belastungsänderungen aber vorstellen. Was bei Buck geregelten Geräten auch nicht klar ist wie gut der Linearteil den vorkommenden Schaltripple bei den hohen Frequenzen noch ausregeln kann. Bei 50-200kHz ist die Schleifenverstärkung deutlich weniger wie im unteren Bersich. Ohne gut dimensioniertes passives LC Filter zwischen Buck und Linearregler wird man da Grenzen von Störfreiheit am Ausgang finden. Der Netzfrequenz Ripple ist beim Thyristorvorregler leichter zu kompensieren.
Bummsfallerafiderallarallarallallalll... schrieb: > Also nicht, daß man trotzdem > einen halbwegs zähen Längstransistor braucht. Was kein Problem ist, weil der Transistor sowieso wenigstens die volle Spannungs- und Stromfestigkeit braucht und kurzzeitig auch die volle Leistung abkönnen muss. Der Witz ist halt, dass man deutlich an Kühlkörper spart, weil die volle Verlustleistung nur kurzzeitig verbraten werden muss. Bummsfallerafiderallarallarallallalll... schrieb: > Sondern daß man > erst mal das Hochregeln des Vorreglers "abwarten" muß... > ... Stört das etwa außer mir gar keinen? :) Du meinst, mehr als ein Labornetzteil, was beim Hochregeln die Trafowicklung umschaltet und erstmal abwartet, bis ein paar Halbwellen aus dem Trafo den Ladekondensator nachgeladen haben?
Gerhard O. schrieb: > Das immer (noch) zu findende Beispiel mit der ungeschützen LED ist > hahnebüchen und verliert langsam an Schockeffekt! Keinem erfahrenen > Entwickler würde es im Traum einfallen eine ungeschützte LED absichtlich > so zu betreiben wollen. Warum sollte ich ein Netzteil mit Konstantstromquelle brauchen, wenn ich die Konstantstromquelle dann nicht als solche nutzen kann? Da reicht schon ein kleiner Wackler, um eine LED abzuschießen. Wie soll ich denn Power-LED ausmessen? Indem ich eine Konstantstromquelle baue, weil ich der gekauften Konstantstromquelle nicht trauen kann? Es geht nicht nur um LED. Auch auf einem µC-Board kann es über Tod oder Leben entscheiden, ob sich bei einem Kurzschluss 10µF oder 1000µF entladen, bevor die Strombegrenzung greift.
Karl K. schrieb: > Bummsfallerafiderallarallarallallalll... schrieb: >> Also nicht, daß man trotzdem >> einen halbwegs zähen Längstransistor braucht. > > Was kein Problem ist, weil der Transistor sowieso wenigstens die volle > Spannungs- und Stromfestigkeit braucht und kurzzeitig auch die volle > Leistung abkönnen muss. > > Der Witz ist halt, dass man deutlich an Kühlkörper spart, weil die volle > Verlustleistung nur kurzzeitig verbraten werden muss. > > Bummsfallerafiderallarallarallallalll... schrieb: >> Sondern daß man >> erst mal das Hochregeln des Vorreglers "abwarten" muß... >> ... Stört das etwa außer mir gar keinen? :) > > Du meinst, mehr als ein Labornetzteil, was beim Hochregeln die > Trafowicklung umschaltet und erstmal abwartet, bis ein paar Halbwellen > aus dem Trafo den Ladekondensator nachgeladen haben? Und wie oft ist das in der Praxis so wichtig? Bei Analog einstellbaren Potigeräten braucht man zum Drehen des Spannungseinsteller deutlich länger... Bei ferngesteuerten Netzteilen sind natürlich möglicherweise in Einzelfällen andere Maßstäbe zu setzen. Die meisten Netzteile regeln da ohne besondere Maßnahmen aber bedeutend schneller hoch als in die andere Richting wenn da nicht entsprechende Schaltungsmaßnahmen zum schnellen Runterfahren existieren. Es fragt sich also wie wichtig dieser Einwand überhaupt ist und ob man möglicherweise überspannte Vorstellungen diesbezüglich haben könnte. In den meisten Fällen dauert eben es eben so lange wie es dauern muß. Basta! Auch keine Weltkatastrophe für 99% der Anwender. Der 1% Anteil kann es sich leisten entsprechende Geräte für die Anwendungen wo es zwingend notwendig ist zur Verfügung zu haben. Ist es denn wirklich immer notwendig nach dem maximal Erreichbaren zu gelüsten?
Karl K. schrieb: > Gerhard O. schrieb: >> Das immer (noch) zu findende Beispiel mit der ungeschützen LED ist >> hahnebüchen und verliert langsam an Schockeffekt! Keinem erfahrenen >> Entwickler würde es im Traum einfallen eine ungeschützte LED absichtlich >> so zu betreiben wollen. > > Warum sollte ich ein Netzteil mit Konstantstromquelle brauchen, wenn ich > die Konstantstromquelle dann nicht als solche nutzen kann? Du brauchst ja nur das NT vorsichtig nach Einstellung der Strombegrenzung hochfahren. Ich rege mich nur auf wenn jemand verlangt das LED bei 30V Voreinstellung anzuschließen anstatt langsam hochzufahren und sich auf ein meist nicht vorhandene schnelle Strombegrenzung zu verlassen und den Ausgangs-C plötzlich zu entladen. Abgesehen davon ist es eine schlechte Polizie sich auf ein bestimmtes Netzteil mit superkleinen Ausgangs C verlassen zu wollen wenn die meisten Geräte namhafter Hersteller traditionell mindestens 33-500uF am Ausgang haben. Auch ein 33uF C würde bei 30V das LED abschießen. > > Da reicht schon ein kleiner Wackler, um eine LED abzuschießen. Das stimmt. Manche NT haben schlechte Poties... > > Wie soll ich denn Power-LED ausmessen? Indem ich eine > Konstantstromquelle baue, weil ich der gekauften Konstantstromquelle > nicht trauen kann? Wenn man ein ordnungsgemäß arbeitendes Gerät ohne Einstellungsprobleme hat ist das ja auch kein Problem und mache es ja auch selber indem von Dir erwähnten LED Leistungsbereich. Nur eben nicht von 30V geladenen Ausgangs-C. Da fahre ich eben die Spannung kontrolliert hoch. Es ist eine Sache eine ungeschützte 100W LED am LNG zu betreiben und eine andere einen nackten $5000 Laser anzuschließen. > > Es geht nicht nur um LED. Auch auf einem µC-Board kann es über Tod oder > Leben entscheiden, ob sich bei einem Kurzschluss 10µF oder 1000µF > entladen, bevor die Strombegrenzung greift. Die meisten vernünftigen Netzteile von HP haben zwischen 50-500uF am Ausgang. 500uF hat keines meiner HP Geräte oder die selbstgebauten. Ich arbeite jetzt schon seit über 20 Jahren mit uC Schaltungen und hatte noch nie so ein Szenario. Die meisten größeren uC Schaltungen haben obendrein oft LM2596T oder ähnliche Buckregler die da auch satte paar Ampere liefern könnten. Solche Katastrophen wie von Dir erwähnt kommen nur sehr selten vor. Natürlich wenn man CMOS-Latchup verursacht, dann ist eine schnellwirkende Strombegrenzung lebenserhaltend. Es fragt sich aber, ob die in der uC Gesamtschaltung schon vorkommenden Cs zusammen nicht sowieso den zu hohen Strom liefern würden... Aber viele praktische Schaltungen an die wir arbeiten haben meistens sehr viel mehr Strom zur Verfügung und Latchup ist auch so immer eine Realität die man tunlichst durch vorsichtiges Arbeiten vermeiden und durch sachgemäße Beschaltung und IO Schutz von vornherein unterbinden sollte.
Holger K. schrieb: > Funkensammler schrieb: >> Man nimmt ein übriggebliebenes Laptop-Netzteil und baut mit >> leistungs-FET ( bspw, BUZ11A ) und elektronischen Poti (bspw MCP42010 ) >> was "drumherum": >> https://www.heise.de/select/make/2016/5/1476711279985652 > > Sieht gut aus. Hat jemand eventuell den Artikel? Ich hab das Heft vorliegen, es sollte auch beim Verlag nachbestellbar sein. Anbei ein Foto aus dem Artikel das den Gesamtaufbau zeigt. > Ich möchte in diesem Thread vorallem Ideen sammeln. Gute Idee, die Nutzung eines handelsüblichen Hochstromnetzteils wie das eines Laptops ist IMHO gerade für Bastler die sichere Variante statt Print-Trafo. Und ggf kann man dazu auch Alt-Elektronik wiederwenden statt zu verschrotten.
Gerhard O. antwortete auf berechtigte Einwendungen: > Das immer (noch) zu findende Beispiel mit der ungeschützen LED ist > hahnebüchen und verliert langsam an Schockeffekt!... > Und wie oft ist das in der Praxis so wichtig?... > Es fragt sich also wie wichtig dieser Einwand überhaupt ist und ob man > möglicherweise überspannte Vorstellungen diesbezüglich haben könnte. Es ist genau wie immer. Das, was man nicht kann, wird einfach für unnötig erklärt und die miesen Eigenschaften der bekannten Lösungen für gut. Man soll mit dem bekannten Krempel zufrieden sein.
Manfred schrieb: > Mein Lieblings-Labornetzteil habe ich etwa Mitte der 80er gebaut, mit > einem 723 für die Spannungsreferenz und ein paar OPs, müsste auf einer > Funkschau-Schaltung basieren - auch das Ding rennt heute noch. Das klingt so ein bisschen wie ein bekanntes "präzisions" Elektor-Netzteil von 12/1982. Ein 723 als Referenz, zwei OPs in der bekannten Konfiguration zur Strom- und Spannungseinstellung und mehrere 2N3055 als Längstransistoren. Da damals wie heute jeder von jedem kopiert hat kann es natürlich sein, dass es so ein Netzteil auch in der Funkschau gab. > Aktuell würde ich den 723 nicht mehr einsetzen, es gibt > Spannungsreferenzen, die damals noch nicht verfügbar waren. Auch als reine Spannungsreferenz kann ich ihn mir in einem Amateur-Netzteil noch vorstellen. Er ist billig und leicht erhältlich. Wenn der eingebaute OP genutzt wird, also nicht nur als reinen Spannungsreferenz, dann finde ich den in einem Amateur-Netzteil sogar noch immer absolut hoffähig. > Unbenommen > dessen ist die Referenz des ollen 723 garnicht mal schlecht. Und rauscharm, das wird immer vergessen. Immerhin bekommt man direkt >100mA aus ihm raus ohne zusätzlichen Längstransistor. Das kann für manche Anwendungen als Spannungsreferenz interessant sein. Je nach Anwendung kann es hilfreich oder extrem unhandlich sein, dass der 723 eine hohe Betriebsspannung verträgt, bzw. braucht. Moderne Referenzen und OPs kriechen ja eher an der Grasnarbe rum. > Und egal, was andere Bastler so schreiben: Als Labornetzgerät will ich > kein Schaltnetzteil haben. Ich gehe mittlerweile dazu über Schaltungen, die im fertigen Zustand mit einem Schaltnetzteil betrieben werden (also fast alle), schon frühzeitig auch mal mit einem Schaltnetzteil zu betreiben. Grade wegen der Störungen die durch Schaltnetzteile zu erwarten sind.
Axel S. schrieb: > Oder man nimmt ein Päärchen LM317/337, die kann man auch so verschalten, > daß ein einzelnes Poti zur Spannungseinstellung reicht. Siehe im > Datenblatt zum LM337: > http://pdf1.alldatasheet.com/datasheet-pdf/view/257427/LINER/LM337.html Die Schaltung ist ja wirklich hübsch, nur leider wohl so eine Art "Selbstmörder-Schaltung". Denn wenn der Potischleifer mal kratzt, also abhebt, dann liegen an den Ausgängen die maximal einstellbaren Ausgangsspannungen. Normalerweise sollte man eine Schaltung so auslegen, dass kratzende Potis die Ausgangsspannung absinken lassen.
Bummsfallerafiderallarallarallallalll... schrieb: > Sondern daß man > (umgekehrt) > erst mal das Hochregeln des Vorreglers "abwarten" muß... Im Falle eines > Thyristor-Vorreglers halt in anderen Zeit-Dimensionen als beim Buck. > > Ich habe noch keine fertige Vorlage gesehen, wo es anders ist. Obwohl > das > doch durchaus machbar wäre. Stört das etwa außer mir gar keinen? :) Ehrlich, mich stört es nicht(*), es klingt für mich mehr nach einem hypothetischen Problem, aber nehmen wir mal an es ist wichtig. Was genau stellst du dir vor? Eine zusätzliche Spannungsquelle, die beim Hochregeln statt des Vorreglers an den Eingang des Ausgangsreglers geschaltet wird? Damit es anständig "Bummsfallerafiderallarallarallallalll" macht? (*) Das umgekehrte Problem, siehe auch die Diskussion um Ausgangelkos, ist für mich eher relevant. Runter regeln, aber die Ausgangsspannung sinkt nicht sofort. Das war früher manchmal in automatischen Testsystemen ein Problem, weil es Zeit gekostet hat. Man hat versucht seine Tests so zu arrangieren, dass mit der niedrigsten Spannung angefangen wurde, weil Hochregeln schneller als Runterregeln war. Irgendjemand hat dann "active down programming" erfunden. Das ist ein stromfester Transistor o.ä. parallel zum Ausgangselko. Die Netzteilregelung entlädt darüber beim Runterregeln schnell den Ausgangselko. Nebeneffekt, die oben diskutierte, gefährdete, arme LED überlebt auch.
ArnoR schrieb: > Die Schaltung ist ja wirklich hübsch, nur leider wohl so eine Art > "Selbstmörder-Schaltung". Denn wenn der Potischleifer mal kratzt, also > abhebt, dann liegen an den Ausgängen die maximal einstellbaren > Ausgangsspannungen. Normalerweise sollte man eine Schaltung so auslegen, > dass kratzende Potis die Ausgangsspannung absinken lassen. RC-Glied ist dein Freund wenn dich so etwas wirklich stören sollte. Wirklich problematisch ist es aber nicht, viele, ich sag mal, konventionelle LNG-Schaltungen arbeiten so.
M. K. schrieb: > RC-Glied ist dein Freund Du meinst, so ein Abheben ist immer zeitlich begrenzt? Na dann... > wenn dich so etwas wirklich stören sollte. Nöö, natürlich stört es mich nicht, wenn die Versorgungsspannung für den µC von 5V auf 20V springt. > Wirklich problematisch ist es aber nicht Nöö, natürlich nicht, genausowenig wie hochspringende Ausgangsspannungen beim Ein- und Ausschalten mieser Stromversorungsgeräte.
Man kann sich auch Probleme machen, wo keine sind. Und ja, das Abheben des Schleifers ist zeitlich begrenzt beim Kratzen, erst recht bei einem von Menschenhand betätigten Poti. Ein passendes RC-Glied ums Poti stricken, sodass ein Kratzen des Potis keine Auswirkung in der von dir beschriebenen Art hat, überlasse ich dir. Mir fehlen dazu u.a. konkrete Angaben zur Schaltung.
C. A. Rotwang schrieb: >>> https://www.heise.de/select/make/2016/5/1476711279985652 >> Hat jemand eventuell den Artikel? > Ich hab das Heft vorliegen, es sollte auch beim Verlag nachbestellbar > sein. Anbei ein Foto aus dem Artikel das den Gesamtaufbau zeigt. Obiger Link bietet auch gleich eine Bestellmöglichkeit. Wer das Geld nicht bezahlen will, kann sich den Artikel ja in einer Leihbücherei besorgen. > Gute Idee, die Nutzung eines handelsüblichen Hochstromnetzteils wie das > eines Laptops ist IMHO gerade für Bastler die sichere Variante statt > Print-Trafo. Man sollte aber nicht vergessen, das ein solches Netzteil nicht unbedingt zur Versorgung von empfindlichen Vorverstärkern oder Meßverstärkern geeignet ist. > Und ggf kann man dazu auch Alt-Elektronik wiederwenden Gut geeignet sind da z.B. grössere Verstärker. Da hat man schon mal ein stabiles Gehäuse, einen meist passenden Netztrafo und fertig auf Kühlkörpern montierte Leistungstransistoren. Gut ge- eignet für viele Anfänger ist auch die fertige 230V-Verdrahtung. Eine neue, passende Frontplatte kann man sich auch ohne grössere eigene Werkstatt leicht selbst anfertigen.
M. K. schrieb: > Man kann sich auch Probleme machen, wo keine sind. Ich sage da eher, man ignoriert ein potentielles Problem. Früher oder später kratzen alle Potis. Dabei gibt es stellenweise auch dauerhafte Unterbrechungen. Und ein RC-Glied kann man gar nicht so dimensionieren, dass ein kratzendes Poti keine Auswirkungen hat, denn die Spannung steigt sofort an, man kann nur bestimmen wie schnell. Man braucht da Zeitkonstanten, die eine normale Spannungseinstellung behindern, weil man ja ein Echtzeitverhalten haben will, die Spannung also nicht noch weiter ansteigen soll, wenn man nicht mehr am Poti dreht.
Karl K. schrieb: > Warum sollte ich ein Netzteil mit Konstantstromquelle brauchen, wenn ich > die Konstantstromquelle dann nicht als solche nutzen kann? Die wenigsten Labornetzteile sind für den Betrieb als Konstantstromquelle spezifiziert. Das sind Spannungsquellen mit einstellbarer Strombegrenzung. Die ist eine Schutzfunktion und nicht als Betriebsfall gedacht. Es gibt Netzteile, die explizit für Konstantstrombetrieb gedacht sind. Rohde & Schwarz NGK, Keithley 2400, Agilent B29xx.
Holger K. schrieb: > Was nimmt man heute zur Hand, um ein zweifaches (+ - plus gnd) Netzteil > zu bauen? Sehr einfach: GELD. Entweder direkt, also zwei fertige Netzteile kaufen - oder man baut sich sowas selber, dann wird ein Teil des Geldes durch eigenes Basteln und ein weiterer Teil des Geldes durch bereits in der Bastelkiste vorhandene Bauteile ersetzt - aber wirklich viel ist es nicht. Das Bild zeigt, wie sowas an der unteren Grenze aussieht: nominell 15 Volt und 1 Ampere. Und die Teile: - Gehäuse ABS-106 von TME, einzeln 4.56€ - Printtrafo von Ebay, war ca. 12€ - Zehngangpoti von Aliexpress, war 1€ - Digitalanzeige etwa 4.60€ - Kühlkörper: Hamradio 2018, Teil davon, ca. 2€ - Netzbuchse+Kabel+Schalter: Pollin, ca. 2€ zusammen - LP: JLCPCB ca. 9€ für 10 LP+Versand, also einzeln ca. 1€ Der Rest: Bastelkiste. Macht also fast 30€ an Teilen plus Bastelzeit aus. Nun kosten fertige Einfach-Netzteile mindestens ca. 35..40€, was die Ersparnis doch relativ gering werden läßt. OK, wenn man sich gleich 2 Stück oder noch mehr bauen will oder eben wie oben geschrieben ein Doppelnetzteil, dann sinken die Preise wegen Staffelung etwas. Und wer bei Schukat einkaufen kann, der zahlt für nen 16 VA Printtrafo von Myrra netto unter 7€ - oder ein Trafo 30VA (MT45064), 2x15V/1A für 10.61€ netto. Kurzum, für ein Doppelnetzteil sind bei Selbstbau mindestens 60€ fällig oder bei Kauf geschätzt 70..130€ W.S.
ArnoR schrieb: > Und ein RC-Glied kann man gar nicht so dimensionieren, dass ein > kratzendes Poti keine Auswirkungen hat, denn die Spannung steigt > sofort an Dann ist das RC-Glied falsch ausgelegt. Die Spanung über einen Kondensator kann sich eben nicht sofort ändern. W.S. schrieb: > Sehr einfach: GELD. > > Entweder direkt, also zwei fertige Netzteile kaufen - oder man baut sich > sowas selber, dann wird ein Teil des Geldes durch eigenes Basteln und > ein weiterer Teil des Geldes durch bereits in der Bastelkiste vorhandene > Bauteile ersetzt - aber wirklich viel ist es nicht. Beim selber Basteln aber nicht die Arbeits-/Entwicklungszeit vergessen. Dann sieht es nämlich recht mau aus ;) Ich mein, du hast ne schöne Rechnung ohne Arbeitszeit gemacht und bist preislich schon quasi auf kommerziellen Niveau. Arbeitest du wirklich für 10 Euro/h? Und man braucht sicher mehr als nur 1h.
M. K. schrieb: > Ich mein, du hast ne schöne Rechnung ohne Arbeitszeit gemacht und bist > preislich schon quasi auf kommerziellen Niveau. Arbeitest du wirklich > für 10 Euro/h? Und man braucht sicher mehr als nur 1h. Der Begriff "Hobby" sagt Dir sicher nichts. Im Ausschlußverfahren kann man sagen: Es handelt sich nicht um das Zusammenkaufen fertiger Geräte.
ArnoR schrieb: > Gerhard O. antwortete auf berechtigte Einwendungen: > >> Das immer (noch) zu findende Beispiel mit der ungeschützen LED ist >> hahnebüchen und verliert langsam an Schockeffekt!... > >> Und wie oft ist das in der Praxis so wichtig?... > >> Es fragt sich also wie wichtig dieser Einwand überhaupt ist und ob man >> möglicherweise überspannte Vorstellungen diesbezüglich haben könnte. > > Es ist genau wie immer. Das, was man nicht kann, wird einfach für > unnötig erklärt und die miesen Eigenschaften der bekannten Lösungen für > gut. Darum geht es nicht. Ich kann genauso wie Du Regler züchten, die mit minimalen C auskommen. > Man soll mit dem bekannten Krempel zufrieden sein. Mein Argument geht davon aus, daß auch wenn es möglich ist, so wie Du in der Vergangenheit bewiesen hast, Spannungsregler mit sehr niedrigen Ausgangs-C zu konzipieren und bauen, das in der Regel nicht bei DCPS/LNG der Fall ist. Handelsübliche Geräte von HP, Agilent und R&S und alle anderen die mir bekannt sind haben alle die Ausgangs-C im Bereich von 33-470uF. Wenn man davon ausgeht ist es generell LED tötend, das NT absichtlich auf 30V zu stellen und hoffen das die LED das überlebt. Auch wenn Dein(ArboR) NT das kann, ist es nicht anzuraten sich darauf zu verlassen weil man ja nie weiß was das betreffende Gerät diesbezüglich kann. Es ist einfach ein fahrläßiges Umgehen mit der Last. Deshalb geht man in der Praxis umgekehrt vor und erhöht die Ausgangsspannung langsam bei korrekt voreingestellten Strom bis die Stromreglung einsetzt und das LED wie gewünscht leuchtet. Abgesehen davon werden LEDs bekanntlich strombegrenzt betrieben. Deshalb ist es grundfalsch eine LED an einer Spannungsquelle ohne der ihr zustehenden Beschaltung mit Vorwiderstand oder stromreglenden Elektronik zu betreiben. Ja. Man kann es prinzipiell mit einem DCPS/LNG tun, aber man verläßt sich jetzt total auf die Eigenschaften und Qualität des Gerätes. Ein LNG ist in der Hauptsache eine stromgeregelte/begrenzte Universalspannungsquelle und kein LED Vorschaltgerät. Ja. Wenn man sich richtig anstellt, geht das. Aber es ist m.M.n. Nach eine Unsitte LEDs ungeschützt so zu betreiben. Ich habe noch nie ein LED Datenblatt gesehen welches ein LED als Spannungslast dokumentiert:-) Deshalb finde ich das übliche Argument, man könne ein LED am LNG ungeschützt zu betreiben, immer noch hahnebüchen. Ihr könnt mich deshalb verdammen, Teeren und Federn und was sonst noch, aber ich sehe diese Sache einfach so. Ich bitte jetzt keine weitere Diskussion loszulassen um den Thread nicht weiter zu kapern. Also lasst uns diese leidige Streiterei um des LEDs Bart endlich gut sein lassen. Ich sehe es so und manche von Euch eben anders. Deshalb brauchen wir uns nicht zu zerfleischen und auf Teufel komm raus jeder immer für sich recht haben zu müssen. Ich glaube, daß meine Argumente dagegen fundamental stichhaltig sind. In diesem Sinne, Schöne Feiertage noch, Gerhard
      Beitrag #5668108 wurde von einem Moderator gelöscht.
  
      
      
Das Problem mit springender Spannung durch kratzende Poties ist in manchen Schaltungen so gelöst, daß der Spannungsteiler am Ausgang mit Festwiderständen realisiert ist und man die Referenzspannung am Eingang des Vergleichsverstärker einstellbar macht. Wenn der Greifer des Spannungseinstellpoti eine offene Position erreicht kann die Spannung nicht hochgehen wenn z.B. Noch ein C paralellel am Eingang des Vergleichers liegt und vielleicht noch ein sehr hochohmiger Ableitwiderstand nach Schaltungsnullpunkt.
Rattenfänger schrieb: > Der Begriff "Hobby" sagt Dir sicher nichts. Doch, das war in den 1960er Jahren mal eine Technikzeitschrift. :-)
Rattenfänger schrieb: > Der Begriff "Hobby" sagt Dir sicher nichts. Im Ausschlußverfahren kann > man sagen: Es handelt sich nicht um das Zusammenkaufen fertiger Geräte. Dagegen ist ja auch nichts zu sagen. Aber es ist einfach Unsinn zu sagen, dass ein Eigenbau preiswerter ist als was zuzukaufen. Und auch beim Hobby muss man abwägen ob der Eigenbau wirklich Sinn macht. Wenns einem nicht darum geht, auch was zu lernen sondern nur darum, dass man eine einstellbare Spannungsquelle hat, dann macht das einfach keinen Sinn sich das LNG selbst zu kaufen. Wer gern Fahrrad fährt wird auch kaum selbst ein Fahrrad selber bauen. Gerhard O. schrieb: > Deshalb finde ich das übliche Argument, man könne ein LED am LNG > ungeschützt zu betreiben, immer noch hahnebüchen. Das finde ich auch, vor allem vor dem Hintergrund dass das auch ein Szenario ist, in dem man eine LED nie im Feld einsetzen würde, wie du auch schon geschrieben hast. Völlig blödsinnig, so ein LED-Test.
Liebe Forumsfreunde Ich finde es immer wieder schön, wie eine kleine Frage eine so schöne Diskussion auslöst. Es freut mich immer wieder, die vielen Kommentare, auch wenn diese nicht immer zum Thema passen, zu lesen. (Ernsthaft, keine Ironie) Mein Wunsch nach einem dualen "Labor"netzgerät ist weiterhin ungetrübt. Ein Kauf eines chinesischen Geräts erachte ich weiterhin als Unding, da ich da nun wirklich nicht genau weiss, was ich bekomme. Nach weiterem Nachdenken sieht die Anforderungsliste inzwischen so aus: Spannungsbereich: 2x 0-15V (oder fast Null) galvanisch getrennt Strombereich: 2x 0-0.5A mit Strombegrenzung Anzeige: Digitalmodule z.B. von Aliexpress für Strom und Spannung Einstellung: Analog mittels potentiometer Steuerung: mittels RS232 (USB zu UART) für Spannung und Strom
Gerhard O. schrieb: > Ich habe einige Thyristor vorgeregelte HP DCPS bei mir im Betrieb und > habe noch nie irgendein nachteiliges Verhalten in der Praxis bemerkt. > Sie funktionieren winfach so wie man es erwartet. In vielen Fällen stört das ja auch gar nicht. Aber nehmen wir doch mal an, daß doch - mir geht es darum, daß nicht eine existierende Vorlage diesen Punkt berücksichtigt. Karl K. schrieb: > Du meinst, mehr als ein Labornetzteil, was beim Hochregeln die > Trafowicklung umschaltet Natürlich nicht. Ist dahingehend natürlich noch problematischer. Mein Post war nicht als sinnlose Beschwerde an die Welt gedacht (doch kann man es so auffassen, habe das falsch formuliert). Auch nicht so, daß ich es als "für LNGs prinzipiell nötig" erachten würde. Aber wenn jemand das haben möchte, gibt es unter 1000(0)en keine Vorlage dafür. Auch laufen hier ja schon wieder eine Menge Grundsatzdiskussionen (wird es immer geben - ich habe grundsätzlich auch nichts dagegen), und die Kosten des Selbstbaus werden aufgeführt (ebenso berechtigt, tatsächlich meist unterschätzt), aber der TO liefert kaum konkrete Angaben, was er denn will/braucht. Wer sich für einen Selbstbau entscheidet, macht das häufig auch, weil dabei "sein Wunschgerät" (Funktionen, Bedienbarkeit, Leistungsdaten) herauskommen soll. Da trotz meiner Aufforderung an Holger bzgl. Wunschdaten/-funktionen nichts kommt (wenige Vorgaben, aber der Ruf nach "Ideen"): Mit der einzigen Vorgabe "+/-" wäre es doch prinzipiell auch möglich, alles über DC-Kopplung bei linearen (Gegentakt-) Verstärkern zu machen. 2 parallel nötig, aber: Dafür ganz ohne Ausgangskondensator. Und auch bei Bedarf leicht mit einer Umschaltung zum 4Q zu machen, wer will. (Im hohen Leistungsbereich wieder mit Kühlproblem, aber da schon für den einfachsten Buck-Vorregler Hannes J. schrieb: > Eine zusätzliche Spannungsquelle nötig scheint statt eines simplen Highside Schalters zur Rohspannung, sage ich dazu lieber nichts mehr.) Frohes Fest! :)
Bummsfallerafiderallarallarallallalll... schrieb: > aber der TO liefert kaum konkrete > Angaben, was er denn will/braucht. > > Wer sich für einen Selbstbau entscheidet, macht das häufig auch, weil > dabei "sein Wunschgerät" (Funktionen, Bedienbarkeit, Leistungsdaten) > herauskommen soll. > > Da trotz meiner Aufforderung an Holger bzgl. Wunschdaten/-funktionen > nichts kommt (wenige Vorgaben, aber der Ruf nach "Ideen"): Stimmt so ja garnicht. Schaue doch mal hier: Beitrag "Re: Womit baut man heute Speisungen? LM723?" Zitat: Holger K. schrieb: > Spannungsbereich: 2x 0-15V (oder fast Null) galvanisch getrennt > Strombereich: 2x 0-0.5A mit Strombegrenzung > Anzeige: Digitalmodule z.B. von Aliexpress für Strom und Spannung > Einstellung: Analog mittels potentiometer > Steuerung: mittels RS232 (USB zu UART) für Spannung und Strom Oder welche Angaben fehlen dir denn noch?
Gerhard O. schrieb: > Ich kann genauso wie Du Regler züchten, die mit minimalen C auskommen. Ach ja? Du meinst so wie z.B. in diesem Beitrag?: Beitrag "Re: Labornetzgerät Selbstbau Vorschlag von Linear Technologies" Meine Meinung dazu steht gleich darunter. Gerhard O. schrieb: > ist es generell LED tötend, das NT absichtlich auf 30V zu > stellen und hoffen das die LED das überlebt. M. K. schrieb: > Völlig blödsinnig, so ein LED-Test. Die LED-Argumentation ist doch nur stellvertretend für die NT-Betriebsart Konstantstrom. Ein Netzteil mit großem Ausgangskondensator und langsamer Regelung ist eben keine verlässliche Stromquelle, sondern liefert je nach eingestellter Spannung, Last und Netzteileigenschaften eine unkalkulierbar große Ladung in die Last, die dort nichts zu suchen hat. Das ist direkt vergleichbar zu Spannungsüberschwingern beim Ein- und Ausschalten oder Lastsprüngen. Die will man genauso wenig wie Stromüberschwinger. > Auch wenn Dein(ArboR) NT > das kann, ist es nicht anzuraten sich darauf zu verlassen Wer sagt denn, dass ich das mache? Mein NT regelt bei hartem (unendlich schnellem) Ranschalten einer Überlast in 300ns ab und ist im Konstantstrombetrieb. Parallel dazu muss der Ausgangskondensator entladen werden. Das mute ich keiner LED zu. Für LEDs habe ich eine kondensatorlose Schaltung die bis 50V und 500mA liefert und noch 10-mal schneller regelt.
M. K. schrieb: > Dann ist das RC-Glied falsch ausgelegt. Die Spanung über einen > Kondensator kann sich eben nicht sofort ändern. Darüber willst du vielleicht noch mal nachdenken? Evtl. hilft das Bild im Anhang. Die Spannung über dem Kondensator (rot) steigt sofort mit maximaler Steilheit an.
ArnoR schrieb: > Gerhard O. schrieb: >> Ich kann genauso wie Du Regler züchten, die mit minimalen C auskommen. > > Ach ja? Du meinst so wie z.B. in diesem Beitrag?: > Beitrag "Re: Labornetzgerät Selbstbau Vorschlag von Linear Technologies" > Meine Meinung dazu steht gleich darunter. Du mußt es ja wissen:-) > > Gerhard O. schrieb: >> ist es generell LED tötend, das NT absichtlich auf 30V zu >> stellen und hoffen das die LED das überlebt. > > M. K. schrieb: >> Völlig blödsinnig, so ein LED-Test. > > Die LED-Argumentation ist doch nur stellvertretend für die > NT-Betriebsart Konstantstrom. Ein Netzteil mit großem > Ausgangskondensator und langsamer Regelung ist eben keine verlässliche > Stromquelle, sondern liefert je nach eingestellter Spannung, Last und > Netzteileigenschaften eine unkalkulierbar große Ladung in die Last, die > dort nichts zu suchen hat. Das ist direkt vergleichbar zu > Spannungsüberschwingern beim Ein- und Ausschalten oder Lastsprüngen. Die > will man genauso wenig wie Stromüberschwinger. Dann ist es aber eigenartig, daß ausgenommen gewisser Spezial NT, alle handelsüblichen LNGs bekannter renommierter Hersteller diesen von Dir beanstandeten Fehler aufweisen. Für viele LNG Benutzer ist das eben kein wirkliches Problem mit dem man sich befassen müßte. Für mich ist es eben auch kein Problem. Dann müßten ja allesamt, Hersteller von Keysight bis R&S Idioten sein, die diesen Punkt von Dir nicht sehen wollen und deren Kundschaft in derselben Kategorie. Wie gesagt, die von Dir beanstatteten Mängel sind für die meisten Benutzer kaum oder niemals ein Problem. > >> Auch wenn Dein(ArboR) NT >> das kann, ist es nicht anzuraten sich darauf zu verlassen > > Wer sagt denn, dass ich das mache? Mein NT regelt bei hartem (unendlich > schnellem) Ranschalten einer Überlast in 300ns ab und ist im > Konstantstrombetrieb. Parallel dazu muss der Ausgangskondensator > entladen werden. Das mute ich keiner LED zu. Für LEDs habe ich eine > kondensatorlose Schaltung die bis 50V und 500mA liefert und noch 10-mal > schneller regelt. Das ist sehr schön. Aber wer legt den darauf wirklich wert darauf außer ein paar Extremisten und Theoretiker? Ist das in der Arbeitspraxis so wichtig, daß Du Deinen ganzen Fokus auf diese schnelle Reglung legst? Wer weiß, vielleicht benimmt sich Dein LNG in anderen Regionen nicht so perfekt. Ich sehe jedenfalls keine angebotenen 0815 LNGs auf dem Markt die deswegen vermarktet werden. Ganz abgesehen davon nimmt man in solchen Fällen exakt funktionierende LED Treiberschaltungen und keine LNG außer für deren Versorgung her. LNGs sind für die Versorgung von Schaltungsbaugruppen und kompletten Geräten gedacht und sind keine exotischen LED Treiber wo kurzzeitige Ausschweifungen im Strom die Last zerstören könnte. Ich bin halt nur vorsichtig und stelle mein NT von niedrig nach höher ein bis die Strombegrenzung einsetzt, wie es halt alle vernünftigen Menschen tun würden. Auch ein 1uF Ausgangs-C kann bei 30V ein LED richtig beuteln. Man tut das einfach nicht! LNGs nimmt man in der Regel für die Versorgung von Schaltungen und Geräten her und nicht als nahezu perfekte Stromquelle. Was soll immer diese blöde LED LNG Geschichte? Können wir uns nicht mal einigen, daß kein Hahn in der restlichen Welt nach Deinen Kriterien und paar Leuten in diesem Forum danach kräht? Wie gesagt, wir brauchen uns deswegen nicht öffentlich zu zerfleischen. Es ist mir hinreichend bekannt was Du von meinen Fähigkeiten denkst und das ist mir gelinde gesagt, ziemlich gleichgültig. So gut kennst Du mich nun auch wieder nicht um das wirklich beurteilen zu können. Meine Firma sieht das auch anders, und die bezahlt mich schon seit über zwanzig Jahren für meine Kenntnisse und Fähigkeiten. Trotzdem wünsche ich Dir angenehme Feiertage und gutes nächstes Jahr. Gruß, Gerhard
ArnoR schrieb: > Die LED-Argumentation ist doch nur stellvertretend für die > NT-Betriebsart Konstantstrom. Ein Netzteil mit großem > Ausgangskondensator und langsamer Regelung ist eben keine verlässliche > Stromquelle, sondern liefert je nach eingestellter Spannung, Last und > Netzteileigenschaften eine unkalkulierbar große Ladung in die Last, die > dort nichts zu suchen hat. Das ist direkt vergleichbar zu > Spannungsüberschwingern beim Ein- und Ausschalten oder Lastsprüngen. Die > will man genauso wenig wie Stromüberschwinger. Das ist bei keinem LNG unkalkulierbar: Der Kondensator am Ausgang ist bekannt, die Ladung kann damit immer berechnet werden. Für den Test der Strombegrenzung macht es viel mehr Sinn einen 5-100 Ohm Widerstand zu benutzen und das LNG damit gezielt in die Strombegrenzung zu treiben statt den Unsinn mit der LED zu machen. ArnoR schrieb: > Darüber willst du vielleicht noch mal nachdenken? Evtl. hilft das Bild > im Anhang. Die Spannung über dem Kondensator (rot) steigt sofort mit > maximaler Steilheit an. Ich hab wohl was am Auge, ich mein jedenfalls, dass die grüne Kurve deutlich steiler ist. Und ich würde auch eher folgendes RC-Glied einsetzen wenn das wirklich relevant wäre: VCC + | | .-. _ | |<-----o---|___|---o | | | | '-'R1 .-. R3 | | | | --- | | | --- | '-' R2 | C1 | | | | | | === === === GND GND GND ArnoR schrieb: > Wer sagt denn, dass ich das mache? Mein NT regelt bei hartem (unendlich > schnellem) Ranschalten einer Überlast in 300ns ab und ist im > Konstantstrombetrieb. Da interessiert mich die konkrete Schaltung und die Testbedingung dazu. So schnell ist nicht mal mein Keithley 2440 auf der Arbeit.
Holger K. meinte im Beitrag #5668216 so etwas wie: >> Aufforderung an Holger bzgl. Wunschdaten/-funktionen >> erfolglos (wenige Vorgaben, aber der Ruf nach "Ideen"): > > Stimmt so ja gar nicht. > Schaue doch mal hier: Mea culpa. Unterbrechung beim Schreiben, dann vergessen, Tab zu aktualisieren. Holger K. schrieb: >> Spannungsbereich: 2x 0-15V (oder fast Null) galvanisch getrennt >> Strombereich: 2x 0-0.5A mit Strombegrenzung Recht geringe Leistung also, ein Vorregler wird kaum nötig sein. >> Anzeige: Digitalmodule z.B. von Aliexpress für Strom und Spannung Kein Problem. >> Einstellung: Analog mittels potentiometer Vernünftig und praktisch. >> für Spannung und Strom "Spannung" ist mehr oder weniger klar "Konstantspannung". "Strom" kann Strombegrenzung oder Konstantstrom meinen. (Für manche ist "Labor-Netzteil (o. -Netzgerät)" automatisch CV+CC.) Symmetrisch getrackt (nur U oder auch I), und/oder anders gewünscht? (So etwas wie "auch als AC-Leistungsverstärker" bezweifle ich mal.) >> Steuerung: mittels RS232 (USB zu UART) Moment - also Potis PLUS (fern-)steuerbar? Da müßte irgendwo eine Art von Veroderung und/oder Priorisierung her. Stell es Dir mal vor: Die Potis sind ja (vorläufig mal) elektrisch fest verbunden mit den Regler-OPVs. Wie löst man das, und welche Einstellung "zählt" wann? Das kann ganz unterschiedlich gewollt sein (und gebaut werden). Dafür (konkret) also hättest Du gerne Ideen, das umzusetzen, oder?
Gerhard O. schrieb: > Wie > gesagt, die von Dir beanstatteten Mängel sind für die meisten Benutzer > kaum oder niemals ein Problem. Nur weil die Netzteilhersteller es nicht besser hinbekommen haben, heisst das nicht, dass es kein Problem wäre - und dass man das ewig so weitermachen müsste. Es gibt mittlerweile gute ICs, die mit 10, 22 oder 47µF am Ausgang regeln können. Da muss man sich nicht an alten Schaltungen aufhalten, nur weil man das vor 100 Jahren mal so gemacht hat. Gerhard O. schrieb: > Auch ein 33uF C würde bei 30V das LED abschießen. Und ein 1000µ C schießt die LED schon bei 2V über der Durchlassspannung ab. Der Verlauf einer LED-Kennlinie ist Dir bekannt? Es geht hier nicht um Extremfälle, es geht darum eine Konstantstromquelle als Konstantstromquelle zu betreiben, ohne irgendwas drumrumbauen zu müssen, weil jemand glaubt er muss da riesige Elkos verbauen. Andere Schaltungen schaffen das auch mit wenigen µF.
Bummsfallerafiderallarallarallallalll... schrieb: > kann Strombegrenzung Weiter oben steht "Strombegrenzung" Bummsfallerafiderallarallarallallalll... schrieb: > Symmetrisch getrackt (nur U oder auch I), und/oder anders gewünscht? Beide Ausgänge sollen galvanisch getrennt sein (steht weiter oben) Somit nichts getrackt. Für jeden Ausgang gibts auch jeweils ein Poti Paar Bummsfallerafiderallarallarallallalll... schrieb: > Stell es Dir mal vor: Hab ich, Digitalpoti mit Relais zur umschaltung. z.B. auch SSR Habe mal versucht, das Rad nicht neu zu erfinden. Angehängt ist ein LT-Spice ASC. Es zeigt einen Ausschnitt aus diesem PSU: https://sites.fas.harvard.edu/~phys191r/Bench_Notes/A1/agilent_e3610a.pdf Habe mir gedacht, warum nicht einfach ein solches, einfaches, nachbauen? Die Schaltung dann zweimal ausführen. Für +- 12V ein Tracopower Modul (Galvanisch getrennt) plus LDOs. Trafo mit zwei Ausgängen (2x22V z.B.) Was meint ihr? Sieht machbar aus denke ich. Materialkosten auch sehr gering. Leider läuft das ganze nicht wie gedacht im LT-Spice. Laut Service Manual ist für die kleinste Version (3610A) JP1 offen und JP2 zu. Wie regelt denn der Voltage Error amplifier dann? So gibts ja gar kein Feedback mehr.
M. K. schrieb: > Ich mein, du hast ne schöne Rechnung ohne Arbeitszeit gemacht und bist > preislich schon quasi auf kommerziellen Niveau. Arbeitest du wirklich > für 10 Euro/h? Und man braucht sicher mehr als nur 1h. Was soll der Quatsch, den du da beisteuerst? Also, wenn ich sowas beruflich machen würde, dann nicht nur ein Teil, sondern wenigstens ne 3 stellige Stückzahl pro Fertigungslos. Dann kostet der Trafo auch keine 12 Euro mehr und all die andern Teile ebenfalls nicht. Dann läge die gesamte Fertigungszeit unter 10 Minuten nach REFA. Aber ich habe hier nur ein Rechenbeispiel über die Materialkosten für's Hobby gemacht. Ich hab da mal ein Beispiel: vor etwa 80 Jahren betrug die komplette Arbeitszeit zum Fertigen eines 8x40 Feldstechers bei Zeiss rund 23 Minuten. Also Sand für's Glas und andere Zutaten rein, 23 Minuten Arbeitszeit dazu und Fernglas raus. So. Und das alles ohne CNC und ohne Computer und Zeiss hatte dabei auch noch guten Profit gemacht. W.S.
Holger schrieb: > Habe mir gedacht, warum nicht einfach ein solches, einfaches, nachbauen? > Die Schaltung dann zweimal ausführen. Nur warum? Damit kannst Du 30V 3A erledigen, so grob über den Daumen. Für Deine 15V 0.5A reicht sowas wie der LT3086 oder seine Brüder locker aus.
Gar keine schlechte idee! Leider aber geht dieser chip nicht bis 0v sonder beginnt bei 0.4v
Holger schrieb: > Leider aber geht dieser chip nicht bis 0v sonder beginnt bei 0.4v Welche Deiner Schaltungen arbeitet mit <0.4V, dass Du da eine stabile Spannung zur Verfügung stellen müsstest? In der Strombegrenzung geht er auch bis 0V runter. Nachteil des LDO ist, dass er prinzipbedingt etwas langsamer ausregelt als "normale" Längsregler. Wenn Du wirklich µC-gesteuert Spannung und Strom einstellen willst, solltest Du Dir mal den OPA548 ansehen. Braucht aber eine leicht negative Vss wenn er wirklich auf Null runter soll. Dann aber Potis per µC einlesen und den OPA per DAC steuern. Theoretisch kannst Du mit dem auch 30V und 3A bauen, aber praktisch nur mit nachgeführter Eingangsspannung, sonst wird die Verlustleistung zu hoch.
      Beitrag #5668701 wurde von einem Moderator gelöscht.
  
      
      
Marek N. schrieb: > Auf jeden Fall die Knalldiode nicht vergessen. Ah, ein Insider... Auch Volker - geschädigt?
W.S. schrieb: > Was soll der Quatsch, den du da beisteuerst? Sorry aber grade meine private Zeit ist mir mega kostbar. Die ersetzt mir keiner. Wenn ich mir da für 5 Euro 10h erkaufen kann dann ist das prima. Es macht also keinen Sinn jemanden fürs Hobby zu erzählen, er kann mit einem Eigenbau Geld sparen. In deiner Beispielrechnung hast du auch die Platine aufgeführt, das ist löblich aber du rechnest da um, x Platinen kosten da 9 Euro und eine dadurch 1 Euro und du rechnest mit dem einem Euro weiter. Ist auch klar warum, mit den 9 Euro kämst du dann doch etwas dichter an die 35-40 Euro ran um nicht zu sagen, dass du damit mitten drin wärst. Verkaufst du die Platinen etwa, die du nicht gebraucht hast? Was man beim Hobby auch gern macht: Was in der Bastelkiste liegt kostet nichts. Stimmt aber auch nicht wirklich: In meiner Bastelkiste sind noch nie Teile aufgetaucht, die ich nicht irgend wann mal irgendwie gekauft habe. Und wenn der Trafo aus einem ausrangierten Verstärker kommt so hab ich irgendwann mal den Verstärker gekauft. Das Fazit bleibt: Ein Eigenbau ist nie preiswerter als die kommerzielle Lösung. Wenn Geld die treibende Kraft für den Eigenbau ist dann sollte man immer die kommerzielle Lösung erwägen.
Bummsfallerafiderallarallarallallalll... schrieb: >>> Steuerung: mittels RS232 (USB zu UART) > > Moment - also Potis PLUS (fern-)steuerbar? Da müßte irgendwo eine > Art von Veroderung und/oder Priorisierung her. Stell es Dir mal vor: > Die Potis sind ja (vorläufig mal) elektrisch fest verbunden mit den > Regler-OPVs. Wie löst man das, und welche Einstellung "zählt" wann? > Das kann ganz unterschiedlich gewollt sein (und gebaut werden). Das habe ich bei mir mit nem Atmega gelöst: Potis gehen auf den Atmega, dieser steuert einen MCP4822 (DAC) welche an den Regler-OPVs hängen. Ist eigentlich sehr leicht umzusetzen. Der Atemga kann auch gleich ein Display steuern und Strom und Spannung des LNGs messen. Auch dann wird er sich langweilen. Wenn man lustig ist kann man den Atmega das LNG auch regeln lassen wobei ich denke, dass ein Atmega mit dem internen ADC fürs Regeln eines LNGs zu langsam ist.
M. K. schrieb: > Ein Eigenbau ist nie preiswerter als die kommerzielle Lösung Gewagte Aussage, in der Allgemeinheit falsch.
MaWin schrieb: > Gewagte Aussage, in der Allgemeinheit falsch. Na dann, mach mal. Ich biete: 0-30V mit 0-3A, kommerziell für rund 40 Euro: https://www.pollin.de/p/regelbares-labornetzgeraet-quatpower-ln-3003-0-30-v-0-3-a-351425?&gclid=CjwKCAiA3vfgBRB9EiwAkfpd3BZCyogjnWFOjv9eal7wdV73EuXTDvat8r6tOTSYk9R0O9aWAtgxuRoCSrcQAvD_BwE Bitte einmal preislich schlagen.
M. K. schrieb: > Bitte einmal preislich schlagen M. K. schrieb: > Ein Eigenbau ist nie preiswerter > als die kommerzielle Lösung bezog sich nicht nur auf ein Labornetzteil, sondern jeglichen Selbstbau Ich biete Dynavox CS-PA1 mit TDA2004 und 13.5VA Trafo, lässt sich für deutlich weniger als 50 EUR aufbauen, von esoterischen Röhrenverstärkern ganz abgesehen. Und ja: Auch 30V/3A Netzteile lassen sich in ebenso zweifelhafter Qualität wie dein Quatpower-Netzteil aufbauen ohne in die Ausschlachterestekiste greifen zu müssen: Bei Pollin ein Festspannungs-Schaltnetzteil mit mehr als 30V/3A erstehen, die Banggood 30V/3A Labornetzteilplatine dran, ein chinesisches LED-Volt/Amperemeter dazu und man hat noch reichlich Geld für ein kühlendes Metallgehäuse übrig.
MaWin schrieb: > Und ja: Auch 30V/3A Netzteile lassen sich in ebenso zweifelhafter > Qualität wie dein Quatpower-Netzteil aufbauen ohne in die > Ausschlachterestekiste greifen zu müssen: Bei Pollin ein > Festspannungs-Schaltnetzteil mit mehr als 30V/3A erstehen, die Banggood > 30V/3A Labornetzteilplatine dran, ein chinesisches LED-Volt/Amperemeter > dazu und man hat noch reichlich Geld für ein kühlendes Metallgehäuse > übrig. Ich sagte ja, nen konkreten Vorschlag mal dazu. Das Netzteil in dieser Varianten schlägt mit rund 15 Euro zu Buche, der Bausatz mit 5 Euro. Es fehlen Gehäuse, KK, Anzeigen, Buchsen und Co. Wird eng unter 40 Euro zu bleiben damit.
M. K. schrieb: > Wird eng unter 40 Euro zu bleiben damit. Konkret, warum eng ? 20 EUR für M. K. schrieb: > Gehäuse, KK, Anzeigen, Buchsen und Co ist üppig: eBay 332924064888 sind 2.31, Blech 1mx0.25m 4.95 bei Hornbach, Pollin Polklemmen 65ct, einen Kühlkörper hat dein Quatpower auch nicht sondern ein scharf vom klapprigen Lüfter angeblasenes Blech, Lüfter bei Pollin 0.95, da spendiere ich sogar noch einen 2SD1047 mit Stromverteilungswiderständen damit der Banggoog wenigstens etwas seriöser die 3A kann. Da ist vom gesparten Geld noch locker ein Restaurantbesuch beim Italiener drin. Also: selbst in deinem Beispiel ist die von dir gemachte Aussage widerlegt, in der Allgemeinheit in der du sie aufgestellt hast war sie sowieso falsch.
geeignetes Netzteil kostet übrigens bei Pollin 4.95, nicht 15 https://www.pollin.de/p/schaltnetzteil-bosch-f-016l69-116-42v-3-5a-schukostecker-352316 Macht nochmal 10 EUR für den Italiener.
M. K. schrieb: > Sorry aber grade meine private Zeit ist mir mega kostbar. Die ersetzt > mir keiner. Wenn ich mir da für 5 Euro 10h erkaufen kann dann ist das > prima. Für 5€ --> 10h? Ja, das ist billige Zeit. Für die meisten. Das von Dir genannte Verhältnis ist so extrem, daß sogar ein mit 22 zum Frührentner gewordener (soll heißen, jemand mit ziemlich viel Zeit, aber sehr wenig Geld) überlegen dürfte, sich die 10h zu "kaufen". (Merkwürdig stark übertrieben also... war doch gar nicht nötig?) > Es macht also keinen Sinn jemanden fürs Hobby zu erzählen, er > kann mit einem Eigenbau Geld sparen. Kommt drauf an. Darauf, ob es einem eher an Zeit oder an Geld mangelt. > Was man beim Hobby auch gern macht: Was in Bastelkiste liegt kostet > nichts. Stimmt aber auch nicht wirklich: In meiner Bastelkiste sind > nie Teile aufgetaucht, die ich nicht irgend wann irgendwie gekauft > habe. Und wenn der Trafo aus einem ausrangierten Verstärker kommt hab > ich irgendwann mal den Verstärker gekauft. Nur, daß die rumliegenden Teile ansonsten eher geringe Chancen haben, wieder irgendeine Art (Geld-)Gegenwert zu werden, wenn man sie nicht verbaut. Versuch doch mal, Deine Transistoren und Ausbau-Trafos zu verkaufen stattdessen... viel Spaß. (Andere Leute bauen übrigens auch Trafos aus Geräten aus, die nicht zuvor selbst gekauft wurden... Leute mit Zeit ohne Geld nämlich.) > Wenn Geld die treibende Kraft für den Eigenbau ist dann sollte > man immer die kommerzielle Lösung erwägen. Erwägen? Ja, natürlich. Erwägen auf jeden Fall! ;) > Das Fazit bleibt: > Ein Eigenbau ist nie preiswerter als die kommerzielle Lösung. ---möööp--- Das stimmt wirklich nicht. Träfe zwar für eine Mehrheit aller evtl. zu - imnmerhin, die Mehrheit der Menschen hat einen Job... aber von der anderen Seite aus gesehen: Grade Leute mit viel Zeit könnten sich leicht (zufällig...) für die Idee Selbstbau erwärmen. So recht also die Leute haben, die selbstbauwillige Bastler erst mal auf die eventuell (oder gar häufig) unterschätzten Teilekosten hinzuweisen - so Unrecht hast Du mit Deiner Verallgemeinerung. M. K. schrieb: > Das Netzteil in dieser Varianten schlägt mit rund 15 Euro zu Buche, der > Bausatz mit 5 Euro. Es fehlen Gehäuse, KK, Anzeigen, Buchsen und Co. > Wird eng unter 40 Euro zu bleiben damit. Vergleiche von irgendwelchen Versorgungen (mit (angenommen) Aufbau sowie Qualität unbekannt) bezüglich des Preises sind hierbei wenig nützlich. Man müßte schon auf Äquivalenz achten - schwierig. Von spezielleren Umständen (1/3 = "habe diese Transistoren", 1/3 = "fand am Schrott dazu diesen Trafo" und 1/3 "möchte dabei auch was lernen" ... wobei sich auch jemand mit mehr Geld und weniger Zeit für Selbstbau entscheiden könnte) gar nicht anzufangen. Ich finde das irgendwie zu schlicht gedacht, und halte es für falsch. (Und wie ich grade lese, tue das nicht nur ich.)
Bummsfallerafiderallarallarallallalll... schrieb: > Von spezielleren Umständen (1/3 = "habe diese Transistoren", 1/3 = > "fand am Schrott dazu diesen Trafo" und 1/3 "möchte dabei auch was > lernen" ... wobei sich auch jemand mit mehr Geld und weniger Zeit für > Selbstbau entscheiden könnte) gar nicht anzufangen. Bei diesen Randbedingungen halte ich den Selbstbau auch durchaus für gerechtfertigt. Bummsfallerafiderallarallarallallalll... schrieb: > Vergleiche von irgendwelchen Versorgungen (mit (angenommen) Aufbau sowie > Qualität unbekannt) bezüglich des Preises sind hierbei wenig nützlich. > Man müßte schon auf Äquivalenz achten - schwierig. Richtig, aber genau aus diesem Grund muss man auch für die Teile aus der Bastelkiste Preise benennen denn man kann/darf ja nicht davon ausgehen, dass jeder, der ein LNG bauen will, die entsprechenden Teile in der Bastelkiste liegen hat. Ich halt mal fest: Netzteil: 5 Euro Bausatz: 5 Euro Anzeigen: 2.31 Euro Blech: 4.95 Euro Polklemme: 0.65 Euro Lüfter: 0.95 Euro Gesamt: < 20 Euro Ja, ist preiswerter. Vielleicht sollten wir dazu mal einen Artikel schreiben mit Bezugsquellen und Co. Dann machen wir aus der Hobbyecke der Industrie auf jeden Fall Konkurenz.
Habe mir den LT3086 nochmals näher angeschaut. Leider gibts bei LT nur diesen einen "brauchbaren" typ. Das problem bei dem ist jedoch, dass er zum regeln der Ausgangsspannung eine Stromquelle integriert hat. Diese zieht bzw liefert immer 50uA. Nun ergibt sich mit dem Widerstand aussen ein interner Spannungsabfall. Grundsätzlich schön, da nur ein Widerstand gebraucht wird. Schlecht, da ich das Verhältnis nicht einstellen kann und somit fix gebunden bin. Für 15V Vout bräuchte ich 300kOhm. Ein solches digitales Poti habe ich nicht gefunden. Und dann müsste es auch noch relativ viele Stufen haben. Damit fällt die LDO Variante wohl aus. Bleibt nach wie vor der Bau eines Längsreglers mittels OP. So z.B. das Design von HP einige Posts weiter oben. Oder hat noch jemand einen Vorschlag?
Moin, Nachdem ja weiter oben schon mit 0.25m² Blech als fertigem Gehaeuse kalkuliert wurde: Bisschen Eisenerz und Kohle aus den Bergwerken irgendwelcher "shithole contries" wird noch billiger. Und wenn man schon dabei ist, kann man sich seine Halbleiter auch aus Sand vom Baustoffhaendler sehr guenstig selber schmelzen... Holger schrieb: > Oder hat noch jemand einen Vorschlag? Logo: Du nimmst einen attiny13a, dessen einer ADC-Eingang misst die Spannung nach einem geeigneten Laengstransistor, ein anderer ADC-Eingang die Spannung ueber einen geeigneten Shunt (z.b. 2.2Ohm, macht dann bei 0.5A 1.1V Spannungsabfall, also ADC-Maximalaussteuerung) in der Masseleitung. Aus der Differenz der beiden Werte gibts die tatsaechliche Ausgangsspannung. Aus diesen Werten und aus den Infos die via Software-UART fuer gewuenschte Spannung und max. Strom in den attiny gemorst wurden, wird ein PWM/Sigmadelta Signal erzeugt, das tiefpassgefiltert und verstaerkt den Laengstransistor geeignet ansteuert. Mit einem 2. attiny13 werden 2 Potis fuer Spannung und max. Strom abgefragt, deren Position in ein UART Signal verwerwandelt... Aengstliche Gemueter bauen in das UART-Telegramm noch irgendwelche Pruefsummen ein. Das killt nackige LEDs, die ueberraschend im Konstantstromberieb angeschlossen werden sicherlich genauso zuverlaessig wie viel teurere Netzteile :-) Gruss WK
ist den Leuten die hier über wegen eines guten Selbstbaus fragen mal aufgefallen, das hier alle Klugscheißen, es aber bis heute nicht DIE Empfehlung für einen Selbstbau gibt. Stattdessen kommen 10 neue die um Hilfe bitten und 200 die dazu durchweg unbrauchbare dumme Kommentare abgeben. Es wird aber nie auf ein, wo sich alle "Experten" LACH einig sind brauchbares Layout vorgeschlagen..eigentlich IMMER nur Kritik an JEDEM LAYOUT...sobald ein Vorschlag kommt von jemand meint er könnte es...kommen 10 andere die sagen das sein Beispiel kacke ist... Ich denke das sagt sehr viel über die Sinnhaftigkeit aus, hier technische Dinge zu besprechen, wenn die sogenannten "Experten" nicht mal in der Lage wären, in einer Gruppe ein brauchbares Labornetzteil zu entwickeln.... Alles was über die Frage ob eine LED mit oder ohne Vorwiderstand bedeint werden sollte...führt in diesem Forum zu absolut nichts...
Thomas M. schrieb: > ist den Leuten die hier über wegen eines guten Selbstbaus fragen mal > aufgefallen, das hier alle Klugscheißen, es aber bis heute nicht DIE > Empfehlung für einen Selbstbau gibt. Du bist nicht der erste, dem das auffällt. Ich meine, es liegt daran, daß nur Anfänger und solche, die dieses Stadium nie überwunden haben, überhaupt ein Labornetzteil brauchen. Ich für meinen Teil bastle Schaltungen, die auf Anhieb an der dafür vorgesehenen Stromversorgung funktionieren. Das ist meistens die Steckdose.
M. K. schrieb: > Sorry aber grade meine private Zeit ist mir mega kostbar. Die ersetzt > mir keiner. Wenn ich mir da für 5 Euro 10h erkaufen kann dann ist das > prima. Wenn du SO denkst, dann ist das Elektronik-Basteln definitiv nicht dein Hobby. Und dann sind auch alle Betrachtungen über's Geld und die Zeit sinnlos. Versteh das mal richtig: Es ist keine Schande, KEIN Elektronikbastler zu sein. Und das gilt für ALLE Hobbies. Jeder möge bittesehr seine Lebenszeit mit dem verbringen, was ihm eben so liegt - aber IRGEND ETWAS sollte dies schon sein, simple Faulheit und eigene Nabelschau gelten nicht. Auf der anderen Seite muß ich hier mal sagen, daß dieses Thema auch für den Beruf gilt: Wer zu seinem Beruf keine innere Beziehung hat, der ist immer fehl am Platze. Nur noch ne Frage: Was MACHST du denn in deiner mega-kostbaren privaten Zeit? W.S.
W.S. schrieb: > Nur noch ne Frage: Was MACHST du denn in deiner mega-kostbaren privaten > Zeit? Vielleicht fährt er Fahrrrad. Das ist aber auch vollkommen unrentabel. Mit dem Auto wäre man viel schneller da. :-)
W.S. schrieb: > Wenn du SO denkst, dann ist das Elektronik-Basteln definitiv nicht > dein Hobby. Und dann sind auch alle Betrachtungen über's Geld und die > Zeit sinnlos. Du hast mich eindeutig falsch verstanden. Viele Elektronikbastler brauchen ein LNG, ihnen ist es aber gleich, wie genau es im Inneren funktioniert. Bei einem Selbstbau sollte man auch immer überlegen, warum will man nix Fertiges sondern den Eigenbau. Und wenn da bei rum kommt: Ich brauch ein LNG weil ich unterschiedlich einstellbare Spannungen und Co brauche, es mich aber nicht interessiert, wie es eigentlich funktioniert, dann bin ich eigentlich mit dem Selbstbau schlecht beraten denn, das weis jeder von uns, der schon ein LNG gebaut hat, der Selbstbau eines LNG frisst einfach ohne Ende Zeit und die fehlt einem dann für andere Elektronikprojekte denn wie du schon sagst: Elektronik als Hobby frisst immer Zeit ;) W.S. schrieb: > Auf der anderen Seite muß ich hier mal sagen, daß dieses Thema auch für > den Beruf gilt: Wer zu seinem Beruf keine innere Beziehung hat, der ist > immer fehl am Platze. Voll und ganz meine Meinung ;) W.S. schrieb: > Nur noch ne Frage: Was MACHST du denn in deiner mega-kostbaren privaten > Zeit? Zu vielen Hobbies fröhnen, daher bin ich um jede Minute dankbar, die ich Zeit sparen kann. Aber wie schon gesagt, LNG hab ich auch schon gebaut, nicht weil ich es braucht sondern weil es mich interessierte ;)
Wenn ich diesen Beitrag hier lese: "Der Krieg der Träume hat längst begonnen" Oh wie wahr. Ich persönlich habe hier allerlei Netzteile rumfliegen, Schaltnetzteile, Trafonetzteile, regelbare Netzteile. Wenn ich was messen oder ausprobieren will, benutze ich einfach eins von den Netzteilen, die meinen Erwartungen am nächsten kommen oder modifiziere eins. In der Regel arbeite ich ohnehin mit 3,3V, 5V, 9V, 12V, 15V, 24V, 36V, 48V oder +-15V. Ansonsten gibt es manch gute Labornetzteile mittlerweile in Indien günstiger als in China: http://www.dedl.co.in/products.html
Harald W. schrieb: > Vielleicht fährt er Fahrrrad. Mag sein. Oder fährt ins Gebirge, um auf Skiern den Hang herunter zu rutschen. Macht auch nur Kosten und keinen pekuniären Gewinn. Die Quintessenz von allem Gerede über den Preis der eigenen Freizeit ist ganz einfach: Freizeit kann man nicht in Euro oder Dollar messen und damit einen Handel aufmachen. Deswegen war auch der Beitrag von M.K. von Anfang an Unsinn: M. K. schrieb: > Beim selber Basteln aber nicht die Arbeits-/Entwicklungszeit vergessen. > Dann sieht es nämlich recht mau aus ;) Mir fällt da ein uralter Spruch ein: "Die Ruhe ist dem Edlen heilig, nur der Pöbel hat es eilig." Und hier will jemand sogar die Entwicklungszeit in Euro messen. Mannomann, was für ein Schmarrn. Mir schwirren immer irgendwelche Geräte-Ideen durch den Kopf und drängen danach, wenigstens zu Papier gebracht und durchgerechnet zu werden - sowohl technisch als auch kostenmäßig. Das drängt danach, auch schlußendlich aufgebaut und zu einem echten Gerät gemacht zu werden. Nee, nicht Steckbrett sondern richtiges Gerät. Und bei dem gezeigten kleinen Netzteil war mir dran gelegen, was zierliches flaches zu haben, was man mal abseits vom Basteltisch auf den Schreibtisch stellen kann. Ich brauche das gelegentlich. Und sowohl das Grundig- als auch das Statron-Netzteil vom Basteltisch sind dafür viel zu groß und klobig. Und von den 10 Leiterplatten hab ich bislang zwei selber verbaut und mehrere bestückt verschenkt. Aber sowas stößt bei Leuten, die ihre Freizeit in Euro zu kalkulieren versuchen, vermutlich auf totales Unverständnis. Noch ein Wort zu den auseinander driftenden Ansichten über das "beste" Labornetzteil: Viele Angeber-Typen hier im Forum schreien zu allererst nach höher+schneller+weiter+mehr Bässe, so nach dem Motto "unter 30V/5A fange ich ja garnicht an". Das ist nicht nur vollkommen unprofessionell, sondern schlichtweg pubertäres Großmaul - manche werden eben nie erwachsen. Als Professioneller weiß man, daß man die Mittel dem Zweck gemäß einsetzt. Und da ist an ganz vielen Stellen eben nicht das Allergrößte gefragt, sondern zwei Nummern kleiner tut's auch. Abgesehen davon ist auch der Einsatzzweck wichtig: wer mit Elektrotechnik arbeitet, also Motoren und Bleiakkus und dergleichen, der wird ein Schaltnetzteil zu 13.8V/10A weitaus wichtiger finden als jemand, der seinen Mikrocontroller mit 3.3V versorgen will und dafür 200mA benötigt oder jemand, der HF baut und deshalb auf Störarmut der Versorgung achten muß. Daher die sehr unterschiedlichen Ansichten. W.S.
@W.S. ja viele hier merken es halt einfach nicht mehr. Aber auch bei deiner Lösung fällt mir sowas was ein, das noch mega gut wäre.. Den Trafo ausreichend dimensioniert oder einen unbenutzten Ausgang der Wicklung.....könnte man auf das eine ein weiteres "Erweiterungsnetzteil" Stecken, um ein Doppelnetzteil zu erhalten, braucht man es nicht, hat man nur den einen winzing sonst eben noch ein zweites und man spart sich das GEfummel mit den vielen kaltgerätekabelns..anderseits, ist Deine Lösung total gut, im Plastikgehäuse, dann kann man einfach Rasierapparate Anschlusskabel immer griffbereit liegenlassen...ist vermutlich die sinnvollere Lösung..ich ziehe meinen Verbesserungsvorschlag daher zurück ;-)
Sven S. schrieb: > Ich meine ... > daß nur Anfänger und solche, die dieses Stadium nie überwunden haben, > überhaupt ein Labornetzteil brauchen. > Ich für meinen Teil bastle Schaltungen, die auf Anhieb an der dafür > vorgesehenen Stromversorgung funktionieren. Da ist was dran. Auch wenn das natürlich nicht gegen ein "Labornetzteil" spricht. Die Anführungszeichen deswegen, weil man in der Praxis sogar mit weniger auskommt. Spannung ab 0 einstellbar? Wozu? Ab 1.2V reicht dicke - mit weniger läuft sowieso nix. Stufenlose Strombegrenzung? Nett, aber eine feste Begrenzung bei sagen wir mal 1A reicht auch. Fernsteuerbar? Braucht kein Schwein. Ein Zehngangpoti hingegen ist ein Segen. Genauso wie Panelmeter (gern auch analog). Und dann der Größenwahn bei Spannung und Strom. Wenn man an so einem Universal-Bastelnetzteil mehr als 2x 18V/1A braucht, dann macht man was falsch. Bzw. verwendet das falsche Netzteil. Wenn man Akkus laden will, soll man ein Akkuladegerät nehmen. Wenn man einen Verstärker baut, der ±50V @400W braucht, dann sollte man damit anfangen, das Netzteil zu bauen. Früher, zu Zeiten der TTL-Gräber brauchte man noch feste 5V mit 3 oder besser 5A. Das ist vorbei.
W.S. schrieb: > Deswegen war auch der Beitrag von M.K. von Anfang an Unsinn: > M. K. schrieb: >> Beim selber Basteln aber nicht die Arbeits-/Entwicklungszeit vergessen. >> Dann sieht es nämlich recht mau aus ;) > > Mir fällt da ein uralter Spruch ein: > "Die Ruhe ist dem Edlen heilig, > nur der Pöbel hat es eilig." > > Und hier will jemand sogar die Entwicklungszeit in Euro messen. > Mannomann, was für ein Schmarrn. Hm, das zeigt eigentlich nur, dass du die Aussage schlicht und einfach nicht verstanden hattest. Nicht mehr und auch nicht weniger. Axel S. schrieb: > Und dann der Größenwahn bei Spannung und Strom. Wenn man an so einem > Universal-Bastelnetzteil mehr als 2x 18V/1A braucht, dann macht man was > falsch. Bzw. verwendet das falsche Netzteil. Nunja, man kann sich für jede Gelegenheit ein Netzteil ins Regal stellen oder man hat zwei ggf. drei LNGs die die verschiedenen Bereiche abdecken. Es kommt halt drauf an was man machen möchte. Da muss man nicht gleich was falsch machen ;)
M. K. schrieb: > Axel S. schrieb: >> Und dann der Größenwahn bei Spannung und Strom. Wenn man an so einem >> Universal-Bastelnetzteil mehr als 2x 18V/1A braucht, dann macht man was >> falsch. Bzw. verwendet das falsche Netzteil. > > Nunja, man kann sich für jede Gelegenheit ein Netzteil ins Regal stellen > oder man hat zwei ggf. drei LNGs die die verschiedenen Bereiche > abdecken. Das ist genau die Denkweise, die zu Netzteil-Anfragen a'la "0-50V, mindestens 25A, besser 40A" führen. Und ich habe keineswegs propagiert, sich Spezialnetzteile für das Regal anzuschaffen. Aber wenn man ein Projekt mit - sagen wir mal - einem Motor baut, der 24V braucht und 10A Anlaufstrom hat, dann sollte man nicht davon ausgehen, daß das Labornetzteil "für den täglichen Bedarf" das kann. Sondern man baut dann das Netzteil für dieses Projekt (also das Netzteil. Für dieses Projekt. Das man für den Betrieb sowieso braucht) zuerst. Und schon entschärfen sich die Anforderungen an des Universalnetzteil ganz erheblich.
Öhm, nö. Nicht wirklich. Ich zumindest käme nicht auf die Idee bei so einem Spezialgebiet wie einem 24V/25A Motor ein Universal-LNG 0-50V/0-40A zu bauen. Das wäre da doch völliger Blödsinn. Was ich aber sehr häufig habe: Weniger als 12V und weniger als 1A. Und häufig habe ich: Weniger als 30V und weniger als 3A. Daher halte ich die genannten zwei Netzteilvarianten durchaus nicht für unvorteilhaft.
M. K. schrieb: > Sorry aber grade meine private Zeit ist mir mega kostbar. Die ersetzt > mir keiner. Wenn ich mir da für 5 Euro 10h erkaufen kann dann ist das > prima. Da hast Du irgendwie nicht geschnallt, was "Hobby" bedeutet. Hobby kostet immer Zeit, die Dir keiner ersetzt. Die Modellbahnplatte aufbauen? Wozu, fertig kaufen ist doch günstiger. Thomas M. schrieb: > es aber bis heute nicht DIE > Empfehlung für einen Selbstbau gibt. Was schlichtweg daran liegt, dass es hunderte Lösungen gibt, die alle ihre Vor- und Nachteile haben und wo der TO halt selbst entscheiden muss, was ihm wichtig ist. Ich hab mit dem LT3086 ein Netzteil für µC-Schaltungen gebaut, mit Strombegrenzung und Foldback, so dass das Netzteil 2A liefern kann, im Kurzschlussfall aber auf 200mA begrenzt wird. Der TO kann den LT3086 nicht nehmen, weil er kein 300k-Poti findet. Nun, wenn er daran schon scheitert, dann sollte er vielleicht doch was Fertiges kaufen. Sven S. schrieb: > Ich für meinen Teil bastle Schaltungen, die auf Anhieb an der dafür > vorgesehenen Stromversorgung funktionieren. Kann man machen, wenn man nur mit Arduino bastelt. Aber wenn ich einen Motor oder eine Leistungs-LED ausmessen will, dann ist es einfacher, die an ein einstellbares Netzteil zu hängen als erstmal eine H-Brücke aufzubauen, mit der ich dann die Motordaten finde, um die H-Brücke zu dimensionieren. Wohl dem, der nie Fehler macht, aber bei der Inbetriebnahme einer neu gelöteten Leiterplatte kann langsames Hochfahren mit Strombegrenzung und "Moment, stop, da stimmt was nicht." oder sofort volle Spannung drauf und "Bumm, scheisse, warum ist der Controller explodiert. Und wie bekomme ich das BGA-Gehäuse da wieder runter." den Unterschied zwischen fehlerhafter Lötstelle und komplett neumachen bedeuten.
W.S. schrieb: >> Was nimmt man heute zur Hand, um ein zweifaches (+ - plus gnd) Netzteil >> zu bauen? > LNG_15V_1A.jpg > Das Bild zeigt, wie sowas an der unteren Grenze aussieht: nominell 15 > Volt und 1 Ampere. Und was für eine Schaltung hast Du bei diesem Netzteil verwendet? M.E. sollte sich dafür gut ein L200 eignen. Man darf nur nicht den Fehler begehen zur Strombegrenzung ein Poti zu verwenden. Das wird nämlich tzpisch überlastet. Besser ist ein Stufenschalter.
Karl K. schrieb: > Da hast Du irgendwie nicht geschnallt, was "Hobby" bedeutet. Hobby > kostet immer Zeit, die Dir keiner ersetzt. Die Modellbahnplatte > aufbauen? Wozu, fertig kaufen ist doch günstiger. Und noch einer, der mich nicht versteht. Ich hab oben schon geschrieben, was ich unter Hobby verstehe und mir ist das klar, dass ein Hobby Zeit kostet. Die Frage ist doch aber eine andere: Baue ich ein LNG, weil es ein Hobby von mir ist oder baue ich ein LNG, weil ich es für ein Hobby brauche? Das ist ein himmelweiter Unterschied. Und wenn ich ein LNG lediglich für ein Hobby brauche so finde ich es durchaus legitim meine Zeit für den Bau eines LNGs monetär zu bewerten damit ich es eben mit kommerziellen Lösungen vergleichen kann denn wie du schon sagtest: Zeit ersetzt einem Keiner.
M. K. schrieb: > Öhm, nö. Nicht wirklich. Ich zumindest käme nicht auf die Idee bei so > einem Spezialgebiet wie einem 24V/25A Motor ein Universal-LNG > 0-50V/0-40A zu bauen. Das wäre da doch völliger Blödsinn. Ach. Hast du überhaupt gelesen, was ich geschrieben habe? Ich zitiere extra für dich den relevanten Teil nochmal: Axel S. schrieb: > man baut dann > das Netzteil für dieses Projekt (also das Netzteil. Für dieses > Projekt. Das man für den Betrieb sowieso braucht) zuerst.
M. K. schrieb: > Bau eines LNGs monetär zu bewerten damit ich es eben mit kommerziellen > Lösungen vergleichen kann Wenn Du es dann mit der obigen Billigstlösung für 40 Eur vergleichst, mag das sein. Wenn Du es mit einer Lösung vergleichst, die den Anforderungen des TO entspricht, bist Du ganz schnell beim Hameg Doppelnetzteil für 500 Eur oder zwei USB-steuerbaren Einzelnetzteilen für je 200 Eur. Ich hab mir ein Netzteil mit mehreren Ausgangsspannungen gebaut, weil es das so eben nicht gibt: 3.3V und 5V für µC mit Foldback, einzeln zuschaltbare Ausgänge. Das ersetzt mir dennoch nicht meine (gekauften) Labornetzteile, es ist aber praktisch für den µC nicht das Labornetzteil zu blockieren, das ich dann für die 12V oder 24V-Teile der Testschaltung nehmen kann. Ich brauche das, nutze es oft und will es nicht mehr missen. Andere mögen sagen: Brauch ich nicht.
Thomas M. schrieb: > ist den Leuten die hier über wegen eines guten Selbstbaus fragen mal > aufgefallen, das hier alle Klugscheißen, es aber bis heute nicht DIE > Empfehlung für einen Selbstbau gibt. Siehe weiter unten von mir. > Stattdessen kommen 10 neue die um Hilfe bitten und 200 die dazu durchweg > unbrauchbare dumme Kommentare abgeben. > Es wird aber nie auf ein, wo sich alle "Experten" LACH einig sind > brauchbares Layout vorgeschlagen..eigentlich IMMER nur Kritik an JEDEM > LAYOUT...sobald ein Vorschlag kommt von jemand meint er könnte > es...kommen 10 andere die sagen das sein Beispiel kacke ist... Siehe meinen nächsten Komment. > > Ich denke das sagt sehr viel über die Sinnhaftigkeit aus, hier > technische Dinge zu besprechen, wenn die sogenannten "Experten" nicht > mal in der Lage wären, in einer Gruppe ein brauchbares Labornetzteil zu > entwickeln.... Es gibt im Forum eigentlich schon genug nachbauwürdige Netzteil Threads und Beschreibungen oder Unterlagen wenn man danach suchen würde. Auch nachbauwürdige Service Unterlagen namhafter LNG Hersteller gibt es hier. Auch wenn jetzt einige schreien werden, zu alt, auch Dinosaurier LNG Beiträge wie von diversen Funkschau oder Elektor Designs führen zum Teil zu brauchbaren Ergebnissen. (FS73/12, und, und, und...) viele Designs funktionieren sogar ausgezeichnet wenn man nicht voreingenommen ist und sich Mühe gibt. Auch alte 741er und LM324, LM308 tun es hier noch gut auch wenn es heutzutage auch bessere OPVs gibt. Sie sind zumindest robuster Silikon. Aber das kann jeder halten wie er will. Letztes Jahr hat Erwin ein billiges China Design verbessert und eine eigene neue LP entwickelt die ganz vorzüglich funktioniert. Auch andere Designs mit CAD Unterlagen wurden hier publiziert. Auch das HP E3611A ist ein nachbauwürdiges Design. > > Alles was über die Frage ob eine LED mit oder ohne Vorwiderstand bedeint > werden sollte...führt in diesem Forum zu absolut nichts... Richtig. Aber das Thema ist ja nicht tot zu kriegen. Naja, es führt zu nichts hier immer um des Kaisers Bart zu streiten. Genau wie gestern die Kritik an industriemäßigen LNG Kriterien die in der App Note 90 von Hewlett Packard deutlichst behandelt worden sind und schlichtweg der Goldstandard der Industrie ist, die die maßgeblichen Kennwerte kommerzieller, professioneller Netzteile bestimmen. Statt dessen wird immer diese leidige LED Sache zum nten Mal als Kritik aufgebracht. Es ist absolut lächerlich und unnötiger Blödsinn. Ich werde wahrscheinlich kaum noch jemals über das LNG Thema was bringen. Erstens wurde hier im Forum das Thema ausführlichst behandelt und zweitens gibt es genug Leute die alles viel besser wissen wie ich und möchte nicht weiter das Forum "zumüllen". Leider uferte sich das gestern aus und es wäre mir lieber wenn diese (meine) Thread Teile von der Moderation entfernt werden könnten. OK. Das wars dann. Noch viel Erfolg mit was immer auch hier möglicherweise auf die Beine gestellt wird. Da bleibt mir also nur noch Euch frohe Weihnachten zu wünschen und ein gutes Neues Jahr für alle.
Gerhard O. schrieb: > Auch wenn jetzt einige schreien werden, zu alt, auch Dinosaurier > LNG Beiträge wie von diversen Funkschau oder Elektor Designs führen zum > Teil zu brauchbaren Ergebnissen. (FS73/12, und, und, und...) viele > Designs funktionieren sogar ausgezeichnet wenn man nicht voreingenommen > ist und sich Mühe gibt. Auch alte 741er und LM324, LM308 tun es hier > noch gut auch wenn es heutzutage auch bessere OPVs gibt. Das sehe ich auch so, aber Schaltungen ohne OPV nur mit einzelnen Transistoren und mit Z-Dioden sollte man für einen Neubau nicht mehr verwenden.
Harald W. schrieb: > Das sehe ich auch so, aber Schaltungen ohne OPV nur mit einzelnen > Transistoren und mit Z-Dioden sollte man für einen Neubau nicht > mehr verwenden. Und warum nicht? Kann man da nix lernen?
Holger K. schrieb: > Vor ca 10-20 Jahren war ein LM723 eine gute Wahl um ein einstellbares > Labornetzgerät zu bauen. Der 723 war noch nie eine gute Wahl gewesen. Man hatte ihn nur genommen, weil es noch nichts besseres gab. Insbesondere seine Referenz war ziemlich stabil. Aber heutzutage gibt es bessere Referenzen. Er ist als sehr schwingfreudig bekannt. Ich hab ihn mal in einem Programmiergerät für die Erzeugung der Programmierspannung gesehen. Darauf war ein großer Warnaufkleber, bei eingestecktem EPROM nicht ein- oder ausschalten. Dabei wurden die EPROMs gekillt, weil die Spannung hochlief. Für Festspannungen bis max 100mA nimmt man die üblichen 78xx/79xx, darüber bis 1A die Traco TSR-Serie. Für Labornetzteile nimmt man die Standardschaltung mit 2 OPVs mit eigener +/- Versorgung auf dem +Ausgang schwimmend. Für größeren Strom dann mit Schaltvorregler oder Trafoumschaltung.
Wenn man sich etwas anstrengt und einen Abgleich vorsieht, bekommt man auch ohne OP's noch ein stabile Netzteilschaltung hin. Um etwas daraus zu lernen ist das nicht einmal so schlecht - praktischer ist es aber schon mit OPs. Die oben angesprochene Idee mit Schaltnetzteil und dem Bandgood Bausatz ist übrigens keine so gute Idee, weil der übliche Bausatz sich eine negative Spannung per Ladungspumpe herstellt, also wirklich AC braucht. Auch ist die Leistungsangabe noch etwa mehr übertrieben als bei den üblichen fertigen Billig-netzteilen aus China. Um direkt mit eine billigen Gerät zu konkurrieren baut man ein Netzteil in der Regel auch nicht selber. Der Hintergrund ist da eher, dass man was lernen will, oder Anforderungen / Wünsche hat, die die günstigen Geräte gerade nicht gut erfüllen. Das kann ggf. auch einfach eine geringe Leistung sein, z.B. +-15 V bis 100 mA für Experimente auf dem Steckbrett.
Peter D. schrieb: > Holger K. schrieb: >> Vor ca 10-20 Jahren war ein LM723 eine gute Wahl um ein einstellbares >> Labornetzgerät zu bauen. > > Der 723 war noch nie eine gute Wahl gewesen. Man hatte ihn nur genommen, > weil es noch nichts besseres gab. Insbesondere seine Referenz war > ziemlich stabil. Aber heutzutage gibt es bessere Referenzen. > Er ist als sehr schwingfreudig bekannt. Ich hab ihn mal in einem > Programmiergerät für die Erzeugung der Programmierspannung gesehen. > Darauf war ein großer Warnaufkleber, bei eingestecktem EPROM nicht ein- > oder ausschalten. Dabei wurden die EPROMs gekillt, weil die Spannung > hochlief. In aller Fairness hatte das aber wahrscheinlich ausschließlich mit der diskreten (unvollkommenen) Spannungsprogrammier-Zusatzbeschaltung des EPROMMERS zu tun. Ich habe früher öfters LM723 als interne Spannungsregler für Geräte Schaltungsversorgung eingesetzt und sie hatten das von Dir erwähnte Hochlaufproblem in den üblichen Schaltungsweisen absolut nicht. > > Für Festspannungen bis max 100mA nimmt man die üblichen 78xx/79xx, > darüber bis 1A die Traco TSR-Serie. > > Für Labornetzteile nimmt man die Standardschaltung mit 2 OPVs mit > eigener +/- Versorgung auf dem +Ausgang schwimmend. Für größeren Strom > dann mit Schaltvorregler oder Trafoumschaltung. ...
udok schrieb: > Und warum nicht? Kann man da nix lernen? Nein, aber wenn Du willst, kannst Du Dein Labornetzteil natürlich auch mit Röhren bauen. Auch mit Transduktoren wäre es theoretisch denkbar. Zur Vorregelung wären auch steuerbare Quecksilberdampfgleichrichter möglich.
Na ja, alle schreiben hier billig, Billig, BILLIG... Da sind Transistoren schon mal kein schlechter Anfang. Quecksilberdampflammpen, und Transduktoren (was ist dass überhaupt?) sind wahrscheinlich eher teuer?
Axel S. schrieb: > Axel S. schrieb: >> man baut dann >> das Netzteil für dieses Projekt (also das Netzteil. Für dieses >> Projekt. Das man für den Betrieb sowieso braucht) zuerst. Gerade für fertige Projekte greift man auf fertige (Schalt)Netzteile zurück. Hier lohnt sich der Eigenbau nur in extrem speziellen Fällen. Das Labornetzteil ist vor allem für den Testaufbau interessant, wo man noch nicht genau weiss wo man mit Strom und Spannung landen wird, oder wie die Schaltung auf veränderte Spannung reagiert. Zum Beispiel habe ich einen Motorcontroller mit Unterspannungsabschaltung. Um die einmalig zu testen, brauche ich das einstellbare Labornetzteil. Es wäre aber bescheuert, dafür extra ein einstellbares Netzteil zu bauen, wenn der Controller sonst mit 24V läuft. Beim Kunden kommt da ein fertiges 24V Netzteil dran.
Ich habe bei mir ein altes HP LNG in diskreter Transistortechnik im (häufigen) Betrieb und die LNG Eigenschaften bewegen sich dem Handbuch nach in normalen Grenzen. Stabilität ist innerhalb einiger mV nach 10 Minuten nach dem Einschalten. Load Recovery unter 50us. Normale Umschaltung zwischen CV und CC Betrieb wie bei allen anderen Geräten von HP auch. Machbar ist es also schon mit 60er Technik. Hatte noch nie Probleme mit dem Teil. Benimmt sich absolut zuverläßig und ist unkapputtbar. Also warum nicht diskret wenn es jemand Freude macht, mal was mit einzelnen Transistoren zu bauen?
Harald W. schrieb: > Das sehe ich auch so, aber Schaltungen ohne OPV nur mit einzelnen > Transistoren und mit Z-Dioden sollte man für einen Neubau nicht > mehr verwenden. Kannste so pauschal nicht sagen: Ich hab letztens einen Regler von >40V auf 3.3V mit extrem niedrigem Verbrauch gesucht. Die üblichen LDO haben niedrigen Iq, können aber die >40V nicht ab. Die Regler, die >40V können, haben erheblichen Iq. Letztlich bin ich bei einer Schaltung mit Zenerdiode, Konstantstromquelle und als Regeltransistor einen Mosfet gelandet. Ist aber schon speziell.
Karl K. schrieb: > Ich hab letztens einen Regler von >40V > auf 3.3V mit extrem niedrigem Verbrauch gesucht. Wieso braucht man bei Ue >40V einen LDO? > Letztlich bin ich bei einer Schaltung mit > Zenerdiode, Konstantstromquelle und als Regeltransistor einen Mosfet > gelandet. Ist aber schon speziell. Nun, wenn man mit den Schwächen einer solchen Schaltung leben kann, ist das ja auch i.O. In diesem Thread ging es aber um Labornetzteile.
Sven S. schrieb: > Ich meine, es liegt daran, > daß nur Anfänger und solche, die dieses Stadium nie überwunden haben, überhaupt ein Labornetzteil brauchen. Selten so gelacht. > Ich für meinen Teil bastle Schaltungen, die auf Anhieb an der dafür vorgesehenen Stromversorgung funktionieren. Die Betonung liegt auf Basteln , vermutlich zusammenkopieren von A*-Code und Shields draufstecken. Jemand, der eigene Schaltungen entwickelt , braucht ein Labornetzgerät, oftmals auch zwei oder drei. W.S. schrieb: > Viele Angeber-Typen hier im Forum schreien zu allererst nach > höher+schneller+weiter+mehr Bässe, so nach dem Motto "unter 30V/5A fange ich ja garnicht an". Diese Behauptung ist einfach nur dumm. Natürlich genügt für sehr viele Dinge das klassische Design bei 1A bis 30 Volt, aber oft genug auch nicht. Hier steht ein 42V / 5A auf dem Tisch, das habe ich nicht genaut, weil mir langweilig war - allerdings schon um 1985 herum. Gerhard O. schrieb: > Auch das HP E3611A ist ein nachbauwürdiges Design. Auch schon über 25 Jahre alt! Dein Vorschlag gefällt mir, das Servicemanual incl. Stromlauf findet man im Internet. Vor wenigen Jahren hatte ich zwei davon auseinander, nach nur 22 Jahren an sabbernden Elkos verstorben. Das ist Simpeltechnik und mit üblichen Bauelementen nachbaubar.
Manfred schrieb: > Auch schon über 25 Jahre alt! Das rührt leider daher, daß nach 1996+ kaum noch Service Handbücher mit Schaltbildunterlagen von den Hauptherstellern noch zur Verfügung gestellt wurden. Auch neuere E36xx Geräte haben mittlerweile keine Schaltbilder im Handbuch. Kein Wunder dann wenn der "Amateur" Nachbauer auf dieser Generation Technik stehen bleibt, außer er versucht selber was total Neues selber zu entwickeln. Und es bedarf beträchtlichen Einsatzes, was Modernes, das sich mit den neuesten Produkten von Keysight messen darf, selber zu entwickeln. Ganz abgesehen davon haben alle diese Geräte ein beträchtliches Maß an Software Funktionalität die es wegen des Zeitaufwandes für ein Einzelgerät nicht sinnvoll macht, selber nachzuvollziehen. Vergleichbare Geräte in jeder Hinsicht selber zu konzipieren, die komplexe Software zu schreiben, das Testen ist für viele zu aufwendig und lohnt sich nicht wirklich. Da kauft man sich so ein Gerät wenn man es mit moderner Schnittstelle und Protokoll fernsteuern will. Ich glaube aber, als Bastler und Hobbyisten, müssen wir in der Regel auf praktische Dinge achten und landen letzten Endes doch wieder bei den einfacheren Konzepten vor 1995. ob man es analog oder digital mit einem uC steuert spielt konzeptmäßig keine Rolle. Industrielle LNG, designmäßig nach 1970 von namhaften Herstellern konzipiert, sind in der Regel so lange sie noch ordnungsgemäß funktionieren, allesamt noch nutzvoll daheim einsetzbar. Die extrem komplexen HP High-End Geräte scheiden für den Nachbau sowieso in den meisten Fällen aus und man muß sich auf einfachere Konzepte beschränken. Auch der letzte Schrei von Keysight, die E36100 Serie, verwendet netzteilmäßig immer noch die üblichen traditionellen Konzepte und die Leistungsmerkmale sind überhaupt nicht herausstehend. Nur hat es sehr komfortablen Bedien- und Fernsteuerkomfort. https://www.keysight.com/main/redirector.jspx?action=ref&cname=EDITORIAL&ckey=2633187&lc=eng&cc=US&nfr=-536902299.1138232.00 https://www.keysight.com/main/redirector.jspx?action=ref&cname=EDITORIAL&ckey=2662235&lc=eng&cc=US&nfr=-536902299.1138232.00 Die eigentliche Leistungs- und Regeltechnik hat sich schon Jahrzehnte in dieser Geräteklasse, von den wenigen Exoten abgesehen, wenig verändert. Allesamt stützt man sich auf das übliche fliegende geORte Dual OPV Konzept mit Ausgangsbezugpunkt. Nur wird alles digital vorgegeben und gemessen. Die vielen Billiggeräte aus dem Fernosten sind in den Leistungsmerkmalen oft nur schwer mit traditionellen Industriegeräten vergleichbar und überstehen oft keinen Vergleich in den wichtigen Merkmalen. Deshalb kosteten jene 10 bis 20+ mal so viel wie heute diese Billiggeräte aus dem fernen Osten. Ob die Billiggeräte gut genug für den praktischen Gebrauch sind stellt sich leider sehr oft nach dem Kauf heraus. Allerdings lassen sich einige Geräte durch relativ einfache Maßnahmen doch beträchtlich verbessern wie ein Forumsartikelthread vor ein paar Wochen bewies. Oft ist die Elektronik brauchbar, nur die Dimensionierung der Kühlung, Gleichrichter, Qualität der Einsteller läßt zu wünschen übrig und sind oft vom Hersteller sehr optimistisch in der Werbung dargestellt. Aber diese Probleme lassen sich vom geübten Hobbyisten mit etwas Gehirnschmalz und niedrigen Kostenaufwand meist selber gut lösen. Anything goes!
Gerhard O. schrieb: > Ich werde wahrscheinlich kaum noch jemals über das LNG Thema was > bringen. Das wäre sehr, sehr schade. :-/ > Erstens wurde hier im Forum das Thema ausführlichst behandelt Das mag sein, allerdings: Eine Möglichkeit für absolute Anfänger, sich aus den (zugegeben schon vielen) Threads darüber halbwegs effizient das nötige Wissen zu ziehen, gibt es absolut nicht. Die Forums-Suchfunktion muß dazu ausgiebigst und nicht all zu ungeschickt genutzt werden. (Man braucht hier durchaus m.o.w. viel Zeit, und muß sich außerdem über unterschiedliche Suchworte vorarbeiten - für (fast) alle Infos dazu.) Das ist nun mal so, ist eine reine Beschreibung der Lage: So lange das so schwierig (ok, nicht schwierig - aber eben auch nicht wirklich leicht, genau betrachtet) ist, können die Suchenden über jeden weiteren Thread, der sich ausführlich_ und _detailliert mit LNGs beschäftigt, wirklich froh sein - denn das steigert ihre Chancen, die benötigten Infos zu finden, doch sehr! Man kann also argumentieren, daß viele Infos mehrfach in Threads stehen, man ständig Wiederholungen produziert (und wie nutzlos diese doch im Grunde seien deshalb). Aber mit den Ratsuchern, die halt doch von jedem Thread potentiell profitieren, weil sie fast nie alle (bei weitem nicht, eigentlich...) davon finden, ... ...ist doch die Meinung, solche Threads seien nutzlos, realitätsfern? (Der potentielle Nutzen jeder neuen Hilfestellung dürfte klar sein. Und fast jeder neue Thread enthält etwas woanders nicht genanntes.) > und zweitens gibt es genug Leute die alles viel besser wissen wie > ich und möchte nicht weiter das Forum "zumüllen". Wie gesagt: Wäre sehr schade. Ich für meinen Teil bin froh über Deine Beiträge, sie sind fundiert, umfangreich, detailliert... = hilfreich. Und so lange es keine Möglichkeit gibt, die verteilten Infos einfacher zusammenzutragen, sind ausführliche Einzelbeiträge eine der wenigen richtig guten Wissensquellen für besagte Anfänger. Von genannter Möglichkeit ist nämlich leider (evtl. "noch"?) keine Spur zu sehen, geschweige denn z.B. von einem richtigen LNG-Wiki. Zweiteres, das sehe ich ein, wird wohl in einem "µC-Forum" (haupts.) schwer werden - man würde wohl nur wenige Unterstützer finden. Jedoch zumindest ersteres wäre doch alles andere als unmöglich - das würde zumindest ich (in meinem vielleicht naiven Leichtsinn) denken. Nun werden einige wieder sagen: "Ach, nicht einmal das ist nötig. Bald wird kein Mensch mehr ein LNG bauen wollen." Gut, ich werde dabei sein. Bei den nächsten 999 Anfragen zu "LNG"... (die Bauwilligen werden genau hier her kommen - trotz ÜS "µC-Net").
Gerhard O. schrieb: > Manfred schrieb: >> Auch schon über 25 Jahre alt! > Das rührt leider daher, daß nach 1996+ kaum noch Service Handbücher mit > Schaltbildunterlagen von den Hauptherstellern noch zur Verfügung > gestellt wurden. Auch neuere E36xx Geräte haben mittlerweile keine > Schaltbilder im Handbuch. Ich finde es sehr ärgerlich, dass keine Schaltbilder mehr veröffentlicht werden. Für eine Fehlersuche braucht man sie, ein eventueller Nachbau kann kein Argument sein. > Kein Wunder dann wenn der "Amateur" Nachbauer auf dieser Generation Technik stehen bleibt, Ich sehe keinen Grund, bewährte Technik als "stehen bleiben" zu kritisieren. > außer er versucht selber was total Neues selber > zu entwickeln. Viele Leute, die hier fragen, bekommen noch nicht einmal zwei Transistoren richtig herum zusammen oder gar noch einen OP als Regelkreis dran - da entfällt 'entwickeln', Bausatz ist gefragt. Als ich begonnen habe, mit Elektronik zu basteln, war eines der ersten Projekte ein Labornetzteil, das hat viel Schaden gegeben, weil ich es zu der Zeit einfach noch nicht konnte. > Und es bedarf beträchtlichen Einsatzes, was Modernes, das > sich mit den neuesten Produkten von Keysight messen darf, > selber zu entwickeln. Nicht ohne Grund laufen auf der ganzen Welt Meßgeräte von nur wenigen Herstellern. > Ganz abgesehen davon haben alle diese Geräte ein > beträchtliches Maß an Software Funktionalität die es wegen des > Zeitaufwandes für ein Einzelgerät nicht sinnvoll macht, selber > nachzuvollziehen. Vergleichbare Geräte in jeder Hinsicht selber zu > konzipieren, die komplexe Software zu schreiben, das Testen ist für > viele zu aufwendig und lohnt sich nicht wirklich. Da kauft man sich so > ein Gerät wenn man es mit moderner Schnittstelle und Protokoll > fernsteuern will. Für mich brauche ich kein Labornetzgerät mit Software und Fernsteuerung, ich will meine zwei Drehknöpfe und einen analogen Stromzeiger! Die steuerbaren Netzgeräte sehe ich in der Fertigung, wenn dort teil-automatisierte Prüfabläufe benötigt werden. > Ich glaube aber, als Bastler und Hobbyisten, müssen wir in der Regel auf > praktische Dinge achten und landen letzten Endes doch wieder bei den > einfacheren Konzepten vor 1995. ob man es analog oder digital mit einem > uC steuert spielt konzeptmäßig keine Rolle. Industrielle LNG, > designmäßig nach 1970 von namhaften Herstellern konzipiert, sind in der > Regel so lange sie noch ordnungsgemäß funktionieren, allesamt noch > nutzvoll daheim einsetzbar. Nicht nur daheim, auch in der Servicewerkstatt sind diese 'alten Schätzchen' noch heute im Einsatz. Hier hatten wir das HP-3611, die noch etwas älteren R&S NGM35 sind ebenso brauchbar. > Auch der letzte Schrei von Keysight, die E36100 Serie, verwendet > netzteilmäßig immer noch die üblichen traditionellen Konzepte und die > Leistungsmerkmale sind überhaupt nicht herausstehend. Nur hat es sehr > komfortablen Bedien- und Fernsteuerkomfort. Bedienkomfort liegt im Auge des Benutzers, ich will keine Tasten drücken und mich durch Menüs hangeln. Man kann drüber streiten, aber ich sehe keinen Grund, Regelkreise mit Gewalt digital abbilden zu müssen. Bei meinem Akkutester regele ich digital, steuere einen FET als Stromsenke per D/A-Wandler. Da habe ich viel Zeit, die Spannung ändert sich im Bereich von Sekunden. Für ein Labornetzteil würde ich mich das nicht trauen, das muß innerhalb oder unterhalb von Millisekunden nachregeln. Ach ja: Bevor ich die Stromsenke gelötet habe, habe ich einen IRF540 an zwei alte Labornetzgeräte geklemmt und per drehen an den Knöpfen ermittelt, ob mein gewünschter Arbeitsbereich machbar ist. Das hätte man auch per PC-Software an gesteuerten Netzgeräten machen können, die Erstellung der Prüfsoftware hätte vermutlich länger gedauert als Knöpfe drehen und Werte manuell aufzuschreiben. > Die eigentliche Leistungs- und Regeltechnik hat sich schon Jahrzehnte in > dieser Geräteklasse, von den wenigen Exoten abgesehen, wenig verändert. > Allesamt stützt man sich auf das übliche fliegende geORte Dual OPV > Konzept mit Ausgangsbezugpunkt. Ja, die Physik ändert sich nicht. > Die vielen Billiggeräte aus dem Fernosten sind in den Leistungsmerkmalen > oft nur schwer mit traditionellen Industriegeräten vergleichbar und > überstehen oft keinen Vergleich in den wichtigen Merkmalen. Deshalb > kosteten jene 10 bis 20+ mal so viel wie heute diese Billiggeräte aus > dem fernen Osten. Ob die Billiggeräte gut genug für den praktischen > Gebrauch sind stellt sich leider sehr oft nach dem Kauf heraus. Eine Frage der Anforderungen, die man erst merkt, wenn man Ärger hat. > Allerdings lassen sich einige Geräte durch relativ einfache Maßnahmen > doch beträchtlich verbessern Ich finde den Gedanklen doof, ein gekauftes Gerät erst noch verbessern zu müssen, dann doch besser garnicht erst kaufen. Mir fällt es schwer, mich wirklich in den Bastler hinein zu denken. Im Beruf standen von Anfang R&S und HP auf dem Tisch, das Zeug funktionierte einfach. Später habe ich dann Prüftechnik für die Serienfertigung konzipiert und gebaut, da war Zuverlässigkeit höher gewichtet als der Preis.
Bummsfallerafiderallarallarallallalll... schrieb: > Nun werden einige wieder sagen: "Ach, nicht einmal das ist nötig. > Bald wird kein Mensch mehr ein LNG bauen wollen." > > Gut, ich werde dabei sein. Nur, wenn man jung ist und sich 3 Jahre Bauzeit leisten will, geht das nicht, weil man die Erfahrung nicht hat. Ist man alt, hat man zwar die Erfahrung, schafft man das aber nicht im Restleben. Oder man hat genügend Altgeräte, welche einem zugelaufen sind. Und was ist mit Wechselspannung? Ich habe gerade meines von ELV benutzt, welches ich seit 20 Jahren habe. 5 - 250V~, 250W und Trenntrafo. Ist mir lieber als ein Super-LNT, dessen Werte ich niemals gebraucht habe. Für kritische Sachen baut man sich eine Testschaltung.
Manfred schrieb: > Ich finde es sehr ärgerlich, dass keine Schaltbilder mehr veröffentlicht > werden. Für eine Fehlersuche braucht man sie, ein eventueller Nachbau > kann kein Argument sein. Den Nachbau schafft man nicht mit vernünftigen Aufwand.
Harald W. schrieb: > Wieso braucht man bei Ue >40V einen LDO? Braucht man nicht, aber LDO sind die Regler, die oft auch einen kleinen Iq haben. Unter "normalen" Reglern findet man das nicht. Wird ja normalerweise auch nicht gebraucht, denn wo viel Spannung vorhanden, ist meist auch genug Strom dahinter, so dass man keinen Iq im unteren µA Bereich braucht. Manfred schrieb: > Ich finde es sehr ärgerlich, dass keine Schaltbilder mehr veröffentlicht > werden. Aber gerade zu Netzteilen gibt es massenhaft Schaltbilder der unterschiedlichsten Varianten. Angefangen von Schaltbildern zu Bausätzen vom ELV (waren früher mal frei auf der ELV Seite), Bausätzen von Pollin oder Conrad, AppNotes der Hersteller, diverse Eigenbauten. Da ist es eher die Kunst, eine für seine Bedürfnisse passende Schaltung zu finden und nicht über die Fallstricke schlechter Schaltungen zu stolpern (zu großer Ausgangselko, keine Trafoumschaltung...).
Bummsfallerafiderallarallarallallalll... schrieb: > Man kann also argumentieren, daß viele Infos mehrfach in Threads > stehen, man ständig Wiederholungen produziert (und wie nutzlos diese > doch im Grunde seien deshalb). Man muß sich eben immer wieder vor Augen halten, daß es hier auch so ähnlich ist wie in der Schule/Lehre/Uni: jedes Jahr wächst eine neue Generation von Unbedarften heran, die genau so wie die vorherige zunächst erstmal lernen muß. Dieses Spiel geht ewig und deshalb wird es auch ewig nötig sein, den Neulingen etwas beizubringen - in immer wieder neuen Threads. ------------------------ Manfred schrieb: > Hier steht ein 42V / 5A auf dem Tisch, das habe ich nicht genaut, > weil mir langweilig war Erwartest du, daß ein Anfänger des Elektronik-Bastelns dem gewachsen ist? Ich nicht. Also wäre da das Backen etwas kleinerer Brötchen angesagt. Manfred schrieb: > Ich finde den Gedanklen doof, ein gekauftes Gerät erst noch verbessern > zu müssen, dann doch besser garnicht erst kaufen. Nicht doof, sondern eher etwas ärgerlich. Aber das hat auch seine guten Seiten: Man hat als Bastler dann wenigstens erstmal ein passendes Gehäuse und einen hoffentlich ausreichenden Netztrafo. Gerade Elektronik-Bastel-Anfänger haben meistens Probleme mit Mechanik. W.S.
Bitte melde dich an um einen Beitrag zu schreiben. Anmeldung ist kostenlos und dauert nur eine Minute.
  
  Bestehender Account
  
  
  
  Schon ein Account bei Google/GoogleMail? Keine Anmeldung erforderlich!
Mit Google-Account einloggen
Mit Google-Account einloggen
  Noch kein Account? Hier anmelden.






 Thread beobachten
 Thread beobachten Seitenaufteilung abschalten
 Seitenaufteilung abschalten