Hallo, ich habe ein neues Projekt... bin momentan noch bei der Planung und habe da ein paar Fragen: Es geht um ein Schaltnetzteil bestehend aus PFC und Vollbrücken-Gegentaktwandler (VGW). Eingang: 230 V AC Ausgang: 100 V DC * 30 A = 3 kW Der Plan ist noch nicht ganz fertig, also bitte nicht an den offensichtlich noch nicht vollendeten Stellen rumnörgeln. Die Regelung mit µC ist natürlich noch nicht fertig, es geht erst einmal nur um den Leistungsteil. Schaltplan im Anhang, Layout gibts noch nicht. Fragen: 1) Ich habe bei der PFC als Diode D7 eine V30202C ausgesucht, da sie den Strom von 14 A laut Datenblatt dauerhaft abkann (bei entsprechender Kühlung natürlich...). Im Datenblatt habe ich leider aber keine Angabe zur Reverse Recovery Time gefunden, weiß da jemand etwas? 2) Der Trafo im VGW: Was für ein Trafo muss das genau sein? Anforderungen: Er muss die Leistung von 3 kW übertragen können, galvanische Trennung und möglichst besten Wirkungsgrad (= kleine Streuinduktivität und wenig Wirbelstromverluste und wenig Leitungsverluste, richtig?) Wo kann man solche Trafos (natürlich möglichst günstig) kaufen? 3) Der Gleichrichter D2, D4, D5, D6: Eignen sich diese Dioden als Gleichrichterdioden? 4) Fallen euch sonst noch Fehler/mögliche Problemquellen auf? Grüße Leopold Nützel
Hab noch eine Frage: Wie berechne ich den Strom durch Diode D7? Das ist doch eigentlich der Strom, der fließt, sobald ich den T3 abschalte. Aber wie groß ist dieser Strom genau, bzw. welchen zeitlichen Verlauf hat er? Grüße Leopold Nützel
Leopold N. schrieb: > Weiß keiner, wie man so etwas berechnet? Ich kann auf dem Handy kein *.sch öffnen. Ein Screenshot des Schaltplans als PNG wäre da wesentlich besser...
Ben B. schrieb: > Ist das ein Hobby-Projekt? Jip. Lothar M. schrieb: > Ich kann auf dem Handy kein *.sch öffnen. Ein Screenshot des Schaltplans > als PNG wäre da wesentlich besser... Kein Problem.
Leopold N. schrieb: > 4) Fallen euch sonst noch Fehler/mögliche Problemquellen auf? Ja, wirst Du aber nicht hören wollen. Deine Fragen zu Diode, Übertrager etc. lassen darauf schliessen das Du nicht die leiseste Vorstellung davon hast was bei einem 3KW Vollbrückenwandler mit PFC auf Dich zukommt. Fange kleiner an, VIEL kleiner, sammel Erfahrung und dann skalierst Du das langsam hoch. Kleiner Tip: Der effektive Strom durch Deine Halbleiter ist überhaupt nicht das Problem. Ach, hier ist er ja der Schaltplan .... Lass mich raten, das soll wieder eines dieser totgeborenen direkt MCU gesteuerten Schaltnetzteile werden ? So Leistungsklasse Arduino? Ströme im Leistungspfad messen, Schutzschaltungen, Filter etc. sind für Mädchen ? Super, das steht ja garnichts drin. Gröbsten Grundprinzip des Leistungsteils der Wandlertopologien nur leider mit Fehlern und ohne alles was drumherum notwendig ist um daraus auch Funktion zu machen. (Was soll der Elko C2, wo ist die Strommessung des PFCs?) Mach doch mal ne kleine Überprüfung z.B. von deiner 423uH PFC Drossel. 3kW/400V = 7,5A x 2 = Spitzenstrom Also eine Drossel die bei 15A noch min. 80% Ihrer Nenninduktivität hat, Kapazitätsarm auf einem Kernmaterial gewickelt ist, das bei Deiner (geheimen) Schaltfrequenz noch effizient genug ist nicht zu Schlacke zu verbrennen und die dabei noch mindestens 400V Spannungsfest ist. Eisenpulver Ringkerne kannst Du vergessen. Das wird was speziell gewickeltes auf einem E-Kern Leistungsferrit. Keine Erkennung des Strom-Null, also festfrequente DCM PFC, hart geschaltet? Ja, das wird bestimmt immer sehr spektakulär beim Test ;-) Mosfet, Diode und C3 real auszuwählen wird ein Traum. Führe mal die einschlägigen Bechnungen durch und dann ziehe los und versuche das zu kaufen. Bei 30A hast Du locker 1,5V Spannungsabfall über jede Diode, wenn nicht mehr. das sind dann mal bummelige 45W pro Diode, 180W für die ganze Vollbrücke. DC Betrachtung, und die DC Ströme sind noch nichtmal das Problem ... So geht das weiter, Bauteil für Bauteil ein zäher Kampf mit Formeln und real verfügbaren Bauteilen. Na, dann viel Spaß damit.
Ich hab nur die Anordnung der sekundären Gleichrichterdioden gesehen... und bin damit raus. Willst Du nicht lieber erstmal ein paar LEDs leuchten lassen oder einen 12V/24V-Wandler mit 2..3A bauen oder so? Damit helfe ich Dir gerne. Müssen es immer gleich 230V aufwärts und 3kW Leistung sein?
Michael K. schrieb: > Was soll der Elko C2, wo ist die Strommessung > des PFCs?) Den Elko habe ich drin, weil er in der Schaltung in Bild 12.2 A auch eingezeichnet ist. http://www.joretronik.de/Web_NT_Buch/Kap12/Kapitel12.html#12.2 Die ganzen Schutzmechanismen, Strom- und Spannungsmessungen sind noch gar nicht gezeichnet, die kommen, wenn ich die Grundschaltung erst mal fertig habe (Ja, die beiden Spannungsteiler habe ich schon drin...ist aber alles noch nicht final) Michael K. schrieb: > Lass mich raten, das soll wieder eines dieser totgeborenen direkt MCU > gesteuerten Schaltnetzteile werden ? Nun, ganz ohne HW-Schutzschaltungen kommt das ganze natürlich nicht aus, aber die Steuerung sollte per MCU sein, das stimmt. PWM-Frequenz: Geplant sind 78,125 kHz, ist aber nach unten offen (je nachdem was am besten ist). Einen eingangsseitigen passiven Filter vor der PFC hatte ich schon geplant, die gibts es ja von Schurter und die kann man mit Flachsteckern vor der Platinen in Reihe schalten. Du hast nun viel Kritik geübt, aber kannst Du mir auch meine Fragen beantworten? Die MOSFETs und die Dioden habe ich schon ausgesucht, mir geht es darum, ob die Werte (Sperrspannungen, Flusspannungen, RDSon, ...) auch sinnvoll sind oder ob ich irgendwo mich verrechnet, bzw. vertan habe. Grüße Leopold Nützel
Leopold N. schrieb: > 1) Ich habe bei der PFC als Diode D7 eine V30202C ausgesucht, da sie den > Strom von 14 A laut Datenblatt dauerhaft abkann Na du bist ja ein Witzbold. Mit der kommst du nie auf 400V am Ausgang des PFC. Warum darfst du selbst überlegen. Leopold N. schrieb: > 3) Der Gleichrichter D2, D4, D5, D6: > Eignen sich diese Dioden als Gleichrichterdioden? Im Prinzip ja, aber für 30A zu knapp. Man betreibt Bauelemente nicht auf den Grenzdaten. Leopold N. schrieb: > 4) Fallen euch sonst noch Fehler/mögliche Problemquellen auf? D4 und D6 würde ich mir nochmal genauer ansehen. Leopold N. schrieb: > Wie berechne ich den Strom durch Diode D7? > > Das ist doch eigentlich der Strom, der fließt, sobald ich den T3 > abschalte. Ja. > Aber wie groß ist dieser Strom genau, bzw. welchen zeitlichen > Verlauf hat er? Spulengleichung integrieren. Ich seh` auch schwarz.
Ben B. schrieb: > Ich hab nur die Anordnung der sekundären Gleichrichterdioden gesehen... > und bin damit raus. Ah ja, solche Fehler meinte ich. Danke, da habe ich mich um 2 Uhr nachts wohl verzeichnet. Grüße Leopold Nützel
ArnoR schrieb: > Na du bist ja ein Witzbold. Mit der kommst du nie auf 400V am Ausgang > des PFC. Warum darfst du selbst überlegen. Dankeschön, habs auch gerade gepeilt. Werde wohl eine andere raussuchen müssen. Grüße Leopold Nützel
ArnoR schrieb: >> Aber wie groß ist dieser Strom genau, bzw. welchen zeitlichen >> Verlauf hat er? > > Spulengleichung integrieren. Das habe ich mir auch gedacht und auch mal gerechnet: u = L * di/dt Beide Seiten integrieren (Annahme: Ausgangsspannung ist konstant) (U_eingang - U_ausgang) * t_off = L * i(t) i(t) = (U_eingang - U_ausgang) * (t_off / L) Mit U_eingang = 325V, U_ausgang = 400V, t_off = 10,4µs und L = 423µH komme ich auf i(t) = -1,84 A Mich verwirrt hier die Polarität des Stroms. Beim Aufladevorgang fließt der Strom von +325V nach GND, hat somit also positives Vorzeichen. Jetzt sperrt T3 und der Strom in der Spule dreht um und speist zurück? Kann mir bitte jemand den Fehler erklären? Grüße Leopold Nützel
Leopold N. schrieb: > Mich verwirrt hier die Polarität des Stroms. > Beim Aufladevorgang fließt der Strom von +325V nach GND, hat somit also > positives Vorzeichen. > Jetzt sperrt T3 und der Strom in der Spule dreht um und speist zurück? > Kann mir bitte jemand den Fehler erklären? Der Strom behält seine Richtung bei, die Spannung wechselt die Polarität.
Leopold N. schrieb: > Den Elko habe ich drin, weil er in der Schaltung in Bild 12.2 A auch > eingezeichnet ist. Nö, ist er nicht. Dafür ist eine Hilfswicklung für die Nullstromerkennung und R3 eingezeichnet, was Du geflissentlich ignoriert hast. Leopold N. schrieb: > Du hast nun viel Kritik geübt, aber kannst Du mir auch meine Fragen > beantworten? Nein, weil Du ja garnicht liest was ich Dir geschrieben haben, nämlich das Dir noch unglaubich viel Wissen fehlt um auch nur mal auf den Level zu kommen fachlich über spezielle Problemstellungen zu reden. Ich kenne diese Diskussion. Ich habe die schon ein dutzend mal geführt. Das ist vollkommen witzlos weil der Anfänger mit einem mürrischen Schulterzucken Probleme ignoriert vor denen ein Profi gehörigen Respekt hat, weil er noch nichtmal versteht das es da überhaupt ein Problem gibt. Laxe Wunschvorstellung und unverstandene Grundschaltungen abpinseln ersetzt jegliche Berechnung, auf welcher Basis sollten wir das diskutieren? Am Ende bleibt der Vorwurf das niemand Deine Genialität erkennt und sowieso alle gegen Dich sind und nur mit ihrer scheinbaren Fachkompetenz prahlen wollen statt Dir zu helfen. Dann gehts um die Unfreundlichkeit in diesem Forum und das wir doch alle mal klein angefangen hätten etc. pp. bla bla. Kurz danach hört man niemals wieder etwas von dem Projekt. Dein Problem sind nicht nächtliche Flüchtigkeitsfehler. Dein Problem ist das Du nicht weist wie das Funktioniert, was da im Detail passiert und warum, was die parasitären Effekte sind und warum schon Deine Grundschaltung ungeeignet ist. In der bis 100W Klasse ist das alles nicht so wild. Wenn da mal 2% Leistung an einem Bauteil abfällt sind das gerade mal 2W. Bei Dir sind das dann aber 60W. 400V / 0,5A(peak) mit 80Khz abzuwürgen ist schon ziemlich sportlich für das erste SNT Projekt. 15A mit 80Khz? Ich schmeiss mich wech ... Schon nicht mit konventioneller Bauweise, selbst wenn Du wüsstest was Du da tust. Als direkt MCU gesteuert sowas von illusorisch ... Aber wie gesagt: Viel Spaß
Das ist kein Konzept, bei dem nur noch Fehler korrigiert werden müssen. Du bist weit davon entfernt, auch nur ansatzweise zu ahnen, welche 1000 Probleme noch auf Dich zukommen - auch, wenn Du Hilfe von hier bekommst. Wieso hast Du keine zig AppNotes und Abschlußarbeiten etc. zu den Themen durchgeackert? So macht man das (als Minimum), um wenigstens die Theorie zu erfassen, wenn man schon praktisch mit Leistungselektronik nichts hat. Ehrlich, mit dem bißchen Wissen darüber braucht man hier und jetzt gar nicht weiterzumachen. Ob Du das nun glaubst, oder nicht, ist egal. Es ist nicht einmal mit viel Aufwand bei der Unterstützung machbar. Du verdrehst ja nicht nur Dioden - das wäre harmlos. Sondern Du hast nicht die geringste Ahnung von der Funktionsweise der Schaltungen. Ein Elko nach dem Eingangsgleichrichter der PFC, vor dem Schalter? Hättest Du mal wenigstens den Text im Link gelesen. Nicht, daß Dich das gleich befähigen würde, das dort beschriebene selbst zu bauen, aber es wäre nützlich gewesen... Anscheinend glaubst Du wirklich, man könne einfach die grundsätzliche Topologie (eine der möglichen) so eines Gerätes hinstellen, und mittels Hilfe aus dem Forum ohne weiteres einen funktionierenden 2-stufigen Wandler für 3kW hinkriegen - ohne jegliche (eigene) Grundkenntnisse. Das kannst Du vergessen. Freiweg. Beschäftige Dich eingehend mit Offline- bzw. HV- / HP- Konvertern, eigne Dir eine passable Menge Grundwissen an, und starte dann erneut. Auch schlage ich mindestens einen Vor-Versuch mit 10-100VA vor - und das ganz unabhängig von Deiner Wissensmenge zu dem Zeitpunkt. Denn diesen min. 1 Versuch braucht fast jeder, um einiges dann erst noch richtig zu verinnerlichen, bevor man sich an ein Multi-kW-Gerät wagt.
Jetzt habe ich doch glatt das selbe gesagt - nur später. Zu langsam...
Leopold N. schrieb: > Das habe ich mir auch gedacht und auch mal gerechnet: > > u = L * di/dt Damit bekommst du jedoch nur den Stromrippel. Dieser wird dem Strommittelwert pro Schaltperiode (moving average) überlagert. Gruß,
Ich verstehe eure Kritik durchaus, ich baue aber Projekte aus zwei Gründen: 1) Damit ich am Ende etwas gebaut habe, was funktioniert 2) Damit ich etwas lerne Der Vorwurf mit Appnotes, etc. ist m.M. nach ungerechtfertigt. Ich lese seit einem Jahr Diplomarbeiten, Bachelorarbeiten, sonstige Websites zu diesem Thema durch und habe auch bereits einen Schaltregler für 200W Ausgangsleistung (allerdings nicht am Stromnetz sondern akkubetrieben) gebaut und programmiert. Und ob ihrs glaubt oder nicht, der ist direkt MCU-gesteuert. Dieses Projekt hier möchte ich eben gerade wegen dieser großen Ströme und Spannungen sehr sorgfältig durchplanen und -rechnen. Doch ich habe nicht auf alle meine Fragen eine Antwort im Netz gefunden. Deshalb frage ich hier nach. Mich würde interessieren, warum diese Topologie anscheinend vollständig ungeeignet ist. Von den parasitären Effekten in dieser Leistungsklasse habe ich natürlich keine Ahnung, aber es steht euch frei, mich darüber aufzuklären. Ich bitte sogar darum. Übt bitte sinnvolle Kritik mit Verweisen im Netz, wo ich das ganze detailliert nachlesen kann, denn das bringt mich dann weiter. Grüße Leopold Nützel
Nochmal ein gutgemeinter Rat an den TE, aus eigener Erfahrung. Versuchs für den Anfang mit weniger. Bleib unter 12V, danach so vielleicht 48V, versuch sowas mit 2A zu bauen, dann mit 10A..20A ... Alles andere führt zu kräftigen Leuchterscheinungen, Brandflecken im Basteltisch, Geruchsbelästigung, teils imposanter Rauch- und Geräuschentwicklung, teurem Verschleiß von FETs... alles mit stark negativem WAF. Edit: Die meisten hier werden wohl die fehlenden Schutzschaltungen bemängeln. Du gehst davon aus, daß alles wie geplant funktioniert, genau wie ein Programm in einem µC. Vergiss das ganz schnell. So ein µC kann mal abstürzen, vor allem wenn man ihn in solchen Umgebungen betreibt, der Ausgang kann kurzgeschlossen sein, irgend ein Bauteil im Regelkreis könnte versagen (z.B. der obere Spannungsteilerwiderstand bei der PFC-Ausgangsspannung), dann wird's lustig.
Leopold N. schrieb: > Der Vorwurf mit Appnotes, etc. ist m.M. nach ungerechtfertigt. > Ich lese seit einem Jahr Diplomarbeiten, Bachelorarbeiten, sonstige > Websites zu diesem Thema durch Das kann ich kaum glauben. Zu welchen Themen genau? Du sagst ja nicht einmal, wofür der Wandler sein soll. Dabei bestimmt die Last, die gesamte Anwendung, was die dazugehörige Versorgung mit welcher Qualität und Quantität sowie Geschwindigkeit können soll/muß. Danach richtet sich unter anderem auch, welche Topologie genau man wählen sollte, mit welcher Art der Steuerung/Regelung/Betriebsart. Jemand mit Grundwissen hätte zwar vielleicht die Sekundärgleichrichter genau so falsch gezeichnet, aber hätte bzgl. PFC ein komplettes Konzept vorgelegt. Unter anderem entweder mit SiC Schottky oder als Bridgeless. Und der DC-DC wäre wohl wahrscheinlicher eine PSFB oder ein LLC. (ZVS entschärft sowohl das Parasiten-/Layout- als auch das EMV-Problem.) Hart schaltende Wandler sind mittklerweile auf dem Rückzug - mit Recht. Du aber kommst mit 2 kombinierten Prinzipschaltbildern an, allein die Gate-Treiber sind dabei. Und willst unbedingt eine MCU-Regelung. (Die man doch nur macht, wenn man sie braucht.) Das ist kein Konzept, und Du weißt viel zu wenig, um das zu erkennen. Wüßtest Du etwas mehr, würde Dir das evtl. schlagartig klar werden.
Vorhaben in kleinere Subblocks aufteilen und diese vorher mit LTspice simulieren.
Leopold, irgendwie kann ich deiner Rechnung nicht ganz folgen. Vin = 230V Iin = 13A Vout = 400V Iout = 7,5A Um die ganze Rechnung mal zu vereinfachen, sei ein perfekter PFC angenommen, dh cos(phi) = 1. eta = Pout/Pin*100% = (400V*7,5A)/(230V*13A)*100% = 100,3% Was ist hier passiert? Oder anders ausgedrückt: Wie bist du auf deine Ströme gekommen? Gruß,
Michel M. schrieb: > Vorhaben in kleinere Subblocks aufteilen und diese vorher mit > LTspice > simulieren. Wie willst du das bei einem digital geregelten PFC machen? Oder anders ausgedrückt: Was genau willst du simulieren? Gruß,
mit State machine und dem LTspice Profi Helmut S. (helmuts) :-)
Zumindest in der PFC ist es Quatsch, das mit einem µC zu machen. Das ist eine einfache und konstante Aufgabe, das überlässt man einem spezialisierten PFC-Regler-IC und bekommt eine sehr zuverlässige Lösung. Mit allen möglichen Extras wie Abschaltung bei Standby oder Softstart, ganz ohne den µC-Aufwand. 3kW mit einer einzelnen PFC-Stufe ist übrigens sportlich, besseren wäre ein Design mit zwei parallel arbeitenden Strängen. Sowas habe ich selbst schon mit einem StepUp-Wandler gemacht, der etwas "mehr Bumms" haben sollte. Ohne Probleme, hat mich überrascht wie problemlos das gelaufen ist und wieviel Wirkungsgrad das Ding erreicht hat. Wenn er seinen Hauptwandler unbedingt µC-geführt bauen will... wieso nicht. Bei moderneren Solarwechselrichtern ist das üblich, dort werden die Leistungsstufen alle über DSPs geführt. Aber die haben alle Schutzschaltungen, die zumindest dem DSP signalisieren, daß es gleich knallt wenn er nichts unternimmt. Das braucht man ja nicht unbedingt in Hardware zu bauen, aber ganz ohne Schutzschaltungen ist mindestens riskant.
Leopold N. schrieb: > Mich würde interessieren, warum diese Topologie anscheinend vollständig > ungeeignet ist. Dann rechne doch mal was z.B. der PFC Elko an Ripplestrom aufnehmen muss, was das an seinem ESR macht und wie lange der unter den Betriebsbedingungen hält. Berechnung und Dimensionierung steht in jeder PFC Applikation also frage ich mich was Du da seit einem Jahr liest. Leopold N. schrieb: > und habe auch bereits einen Schaltregler > für 200W Ausgangsleistung (allerdings nicht am Stromnetz sondern > akkubetrieben) gebaut und programmiert. Ist bei konstanten Ein und Ausgangsbedingungen nicht so schwer, weil Du massig Zeit hast auf Ereignisse zu reagieren. Wie ist denn der Wirkungsgrad bei 10, 50, 100% bei Deinem 200W Wandler, und welche Last betreibt der? Sinnlos wie jede dieser Diskussionen. Bin raus.
Leopold N. schrieb: > Ich verstehe eure Kritik durchaus, ich baue aber Projekte aus zwei > Gründen: > Nein, die verstehst Du nicht. > 1) Damit ich am Ende etwas gebaut habe, was funktioniert Na dann. Wenn Deine Akzeptanzkurve weiterhin so flach ist wird es wohl nach Deiner Pensionierung so weit sein. > 2) Damit ich etwas lerne Dann fang nicht mit sowas an. Du hast _keine_Ahnung, ziemlich sicher auch nicht das Equipment um auch nur annäherd sichere Messergebnisse zusammenzubringen (Stromzange mit 10MHz minimum? Differenztastköpfe (beachte die Mehrzahl)), Feuerlöscher? Trenntrafo? Gehöhrschutz? Schutzbrille? Not-Aus-vorrichtungen? Kollege oder Partner, der im Raum ist wenn Du einschaltest - und der weiß was zu tun ist wenn es knallt - inkl. 1. Hilfe?) Nein, das ist kein lustiges Scherzen. Ich mach solche Dinge mit 25kW und mehr Abgabeleistung und da sind das Grundvoraussetzungen für alle Kollegen. Erstinbetriebnahme nur mit Gehörschutz und Schutzbrille! > > Der Vorwurf mit Appnotes, etc. ist m.M. nach ungerechtfertigt. Ja eh. > Ich lese seit einem Jahr Diplomarbeiten, Bachelorarbeiten, sonstige > Websites zu diesem Thema durch Verstehst Du die auch? Denn das lesen ist das eine, das verstehen was anderes. Und darauf kommt es an. > und habe auch bereits einen Schaltregler > für 200W Ausgangsleistung (allerdings nicht am Stromnetz sondern > akkubetrieben) gebaut und programmiert. Und ob ihrs glaubt oder nicht, > der ist direkt MCU-gesteuert. Gut. EMV bestanden? Ausgangsripple im grünen Bereich? Kurzschlußfest? Die Ausgangsspannung ist stabil unter allen Lastzuständen, das Bodediagramm ist über alle Zweifel erhaben? und das thermische hast Du auch unter Kontrolle? Gratulation. Du versteckst das aber ziemlich gut in Deinen Posts... Camouflage damit niemand weiß wer Du bist? > > Dieses Projekt hier möchte ich eben gerade wegen dieser großen Ströme > und Spannungen sehr sorgfältig durchplanen und -rechnen. Dann fange an damit und präseentiere Dein erlesenes Wissen. > > Doch ich habe nicht auf alle meine Fragen eine Antwort im Netz gefunden. > Deshalb frage ich hier nach. Mutig. > Mich würde interessieren, warum diese Topologie anscheinend vollständig > ungeeignet ist. Erkläre Du warum sie Deiner Meinung nach geeignet ist. > Von den parasitären Effekten in dieser Leistungsklasse > habe ich natürlich keine Ahnung, Mußt Du aber haben. Und zwar vor dem ersten Einschalten. > aber es steht euch frei, mich darüber > aufzuklären. Ich bitte sogar darum. Übt bitte sinnvolle Kritik mit > Verweisen im Netz, wo ich das ganze detailliert nachlesen kann, denn das > bringt mich dann weiter. Dann fang einmal an ernsthaft abzuschätzen wie sich zB. diverse Streukapazitäten und -induktivitäten, Einschaltverzögerungen, etc etc auswirken wenn zB. 30A in den Dioden umkommutieren... Viel Spaß und Erkenntnis. Und einen guten Gesprächspartner, der sich damit auskennt mit dem Du tüffteln kannst. Langer Rede kurzer Sinn: ja, es geht - natürlich. Und vielleicht kannst du das auch machen. Aber Deine Eröffnung ist... verbesserungswürdig. Viel Erfolg MiWi
Leopold N. schrieb: > Die ganzen Schutzmechanismen, Strom- und Spannungsmessungen sind noch > gar nicht gezeichnet, die kommen, wenn ich die Grundschaltung erst mal > fertig habe Um es mal daran zu erklären... eine Grundschaltung ist was genau? Das Prinzipschaltbild einer Boost-Stufe nach einer Graetz-Brücke? Dann nämlich wärst Du mit der Grundschaltung durch, und das längst. Was genau gedenkst Du "zuvor erst mal fertig (zu) machen", was wäre denn Deiner Ansicht nach die Grundschaltung (sagen wir mal die der PFC)? Ich sag Dir was: Ohne festgelegtes Regelung(-sprinzip) kann da gar nichts gehen. Der Informationsgehalt der reinen Grundtopologie ist wie Blockschema... Ohne Messung der Spannung arbeitet nicht mal ein Transition Mode Regler. Und für Current Mode (Voraussetzung für kontinuierlichen Modus) geht es nicht ohne Strommessung. Von der ebenfalls davon abhängigen Größe des/r induktiven BE (der/n Drossel/n) mal ganz zu schweigen. Ich sag Dir noch was: Das wird (ohne eine Menge Vor-Arbeit) eine Tortur für Dich. Weil sich eine Wissenslücke nach der anderen auftun, und die paar Wissensbrocken verschlucken wollen wird. Ohne die nötigen fachl. Voraussetzungen wird so ein Projekt meist einschlafen. Das passiert spätestens, wenn der anfänglich frohgemute Planer völlig irre wurde.
Ben B. schrieb: > Die meisten hier werden wohl die fehlenden Schutzschaltungen bemängeln. > Du gehst davon aus, daß alles wie geplant funktioniert, genau wie ein > Programm in einem µC. Vergiss das ganz schnell. So ein µC kann mal > abstürzen, vor allem wenn man ihn in solchen Umgebungen betreibt, der > Ausgang kann kurzgeschlossen sein, irgend ein Bauteil im Regelkreis > könnte versagen (z.B. der obere Spannungsteilerwiderstand bei der > PFC-Ausgangsspannung), dann wird's lustig. Dazu hatte ich bereits geschrieben, dass ich diese Schaltungen NOCH NICHT im Schaltplan habe, sie aber noch geplant sind. Al3ko -. schrieb: > eta = Pout/Pin*100% = (400V*7,5A)/(230V*13A)*100% = 100,3% > > Was ist hier passiert? Oder anders ausgedrückt: > Wie bist du auf deine Ströme gekommen? Die Zahlenwerte sind gerundet... Um auf eine Ausgangsleistung von 3000W zu kommen brauche ich laut P = U * I bei 400 Volt 7,5 A. Da hier ja reichlich gescherzt wird über 3kW und diverse Ausstattungen betreffend Brandschutz, Explosionsschutz, etc. möchte ich mal anmerken, dass ich momentan (und vorraussichtlich noch eine kleine Weile) nur den Schaltplan entwerfe. Ich baue noch nichts auf, zünde nichts an, lasse nichts explodieren... Deshalb fände ich es angebracht, wenn solcherlei Anmerkungen in Zukunft erstmal weggelassen würden. Michael K. schrieb: > Dann rechne doch mal was z.B. der PFC Elko an Ripplestrom aufnehmen > muss, was das an seinem ESR macht und wie lange der unter den > Betriebsbedingungen hält. Ich habe einen Spulenripplestrom von 1,84 A errechnet. Diesen Ripplestrom müsste der Elko verkraften können, was meiner Ansicht nach erreichbar ist. MiWi schrieb: > Nein, das ist kein lustiges Scherzen. Ich mach solche Dinge mit 25kW und > mehr Abgabeleistung und da sind das Grundvoraussetzungen für alle > Kollegen. Erstinbetriebnahme nur mit Gehörschutz und Schutzbrille! Mag sein, aber ich mache das ganze privat. Und ich arbeite nicht mit 25kW. Außerdem habe ich nicht vor, gleich beim ersten Anschalten den Ausgang kurzzuschließen, um maximale Explosion zu erreichen, sondern ich würde das Ganze erst mit kleinen Leistungen testen, um mich dann langsam zu steigern... MiWi schrieb: > Dann fang einmal an ernsthaft abzuschätzen wie sich zB. diverse > Streukapazitäten und -induktivitäten, Einschaltverzögerungen, etc etc > auswirken wenn zB. 30A in den Dioden umkommutieren... Hast du mir einen Link oder Ähnliches, wo ich mich darüber informieren kann? MiWi schrieb: > Langer Rede kurzer Sinn: ja, es geht - natürlich. Und vielleicht kannst > du das auch machen. Aber Deine Eröffnung ist... verbesserungswürdig. Mag sein, aber ihr macht euch ja auch einen Spaß daraus, euch an eurem super duper Fachwissen aufzugeilen, mich herunterzuputzen, was für ein Anfänger ich angeblich sei und mir abschließend um die Ohren zu hauen, dass das Ganze ja eh gleich in die Luft geht und meine gesamte Wohnung gleich dazu. Das trägt nicht gerade zu einer gelungenen Diskussion bei. Klar, 3kW ist nicht ohne und es wird sicherlich auch nicht billig, es wird auch sicherlich die erste Version abrauchen, wahrscheinlich auch die zweite, aber irgendwann wird es funktionieren. Ich habe ganz nebenbei die Erfahrung gemacht, dass bei allen Projekten, die ich hier im Forum vorgestellt und bei denen ich um Hilfe gefragt hatte, prinzipiell erstmal laut Forum auf keinen Fall funktionieren könnten. Komischerweise laufen diese Projekte aktuell einwandfrei... o.j.e. schrieb: > Um es mal daran zu erklären... eine Grundschaltung ist was genau? Das > Prinzipschaltbild einer Boost-Stufe nach einer Graetz-Brücke? Dann > nämlich wärst Du mit der Grundschaltung durch, und das längst. > > Was genau gedenkst Du "zuvor erst mal fertig (zu) machen", was wäre denn > Deiner Ansicht nach die Grundschaltung (sagen wir mal die der PFC)? Ich meinte mit Grundschaltung die Schaltungsteile, die vom Leistungsfluss betroffen sind, also alle Bauteile, die Leistung führen, schalten, etc... Messschaltungen sind darin nicht enthalten, ebensowenig Schutzschaltungen (ich habe die beiden Spannungsteiler bereits eingezeichnet, obwohl sie keine Leistungsteile sind). Am Beispiel der PFC: Kernbauteile sind die Graetzbrücke, die Spule, der MOSFET (mit Treiber, da dieser ja direkte Auswirkung auf die Verlustleistung des MOSFET hat), die Diode und die Elkos, wobei ich die Elkos noch nicht genau dimensioniert habe. Ich möchte aktuell einfach nur von euch wissen, ob diese Topologie grundsätzlich sinnvoll ist (ohne auf fehlende Schutzschaltungen, die später erst entworfen werden, einzugehen) und ob die Grundbauteile (sofern gekennzeichnet) passend sind. Wenn ihr einen Fehler entdeckt oder etwas zu bemängeln habt, dann bitte nur mit Begründung und evtl. einem Verweis auf eine Quelle, wo ich mich darüber informieren kann. Ich bin in dieser Leistungsklasse tatsächlich ein Anfänger, möchte das aber ändern. In diesem Sinne freue ich mich auf eure Hilfe. Grüße Leopold Nützel
Leopold N. schrieb: > Ich habe einen Spulenripplestrom von 1,84 A errechnet. Diesen > Ripplestrom müsste der Elko verkraften können, Nein, es gilt dieser Strom (so ungefähr): Leopold N. schrieb: > bei 400 Volt 7,5 A. Wenn der Mosfet eingeschaltet ist, muß der Elko den Ausgangsstrom alleine liefern.
Sven S. schrieb: > Leopold N. schrieb: >> Ich habe einen Spulenripplestrom von 1,84 A errechnet. Diesen >> Ripplestrom müsste der Elko verkraften können, > > Nein, es gilt dieser Strom (so ungefähr): > > Leopold N. schrieb: >> bei 400 Volt 7,5 A. > > Wenn der Mosfet eingeschaltet ist, muß der Elko den Ausgangsstrom > alleine liefern. Ich bin vom unbelasteten Fall ausgegangen. Grüße Leopold Nützel
Leopold N. schrieb: > Mag sein, aber ich mache das ganze privat. > Und ich arbeite nicht mit 25kW. > Außerdem habe ich nicht vor, gleich beim ersten Anschalten den Ausgang > kurzzuschließen, um maximale Explosion zu erreichen, sondern ich würde > das Ganze erst mit kleinen Leistungen testen, um mich dann langsam zu > steigern... Ich habe von den 25kW geschrieben um zu sagen das ich weiß wovon ich rede. > > MiWi schrieb: >> Dann fang einmal an ernsthaft abzuschätzen wie sich zB. diverse >> Streukapazitäten und -induktivitäten, Einschaltverzögerungen, etc etc >> auswirken wenn zB. 30A in den Dioden umkommutieren... > > Hast du mir einen Link oder Ähnliches, wo ich mich darüber informieren > kann? Ich suche Dir sicher nicht die Literatur über Streu- was auch immer heraus. Das Netz ist voll davon. > MiWi schrieb: >> Langer Rede kurzer Sinn: ja, es geht - natürlich. Und vielleicht kannst >> du das auch machen. Aber Deine Eröffnung ist... verbesserungswürdig. > > Mag sein, aber ihr macht euch ja auch einen Spaß daraus, euch an eurem > super duper Fachwissen aufzugeilen, mich herunterzuputzen, was für ein > Anfänger ich angeblich sei und mir abschließend um die Ohren zu hauen, > dass das Ganze ja eh gleich in die Luft geht und meine gesamte Wohnung > gleich dazu. Ich habe nix davon gesagt das alles auf anhieb explodiert. Ich habe Dir ausführlich geschrieben welche sekundären Maßahmen nötig sind das sowohl Messgeräte als auch Du selber eine Chance hast sowas halbwegs heil und gesund zu überstehen. Das ist kein Scherz sondern Erfahrung, die im Laufe der Jahre entstanden ist. 400VDC sind nix womit man ein bischen herumspielt, denn da klebt man fest... Und - ich mach mir keinen Spaß daraus Dich herunterzuputzen. Deine Visitenkarte (=Erstauftritt) hier in dieser Sache ist - wie bereits geschrieben - ziemlich mißlungen und die wiederholten Korrekturen als auch Ideen zeugen - entschuldige bitte - nicht von bereits erfolgreich absolvierten Schaltungen. Es lieht an Dir das Du zeigst das Du es besser kannst und der Ton wird sich sofort ändern. > Das trägt nicht gerade zu einer gelungenen Diskussion bei. Stimmt. Leider gibt es nix zu Diskutieren, da Du keine Lösungsvorschläge, über die man diskutieren könnte machst. Da kommen irgendwelche Blockschaltbilder, die halt leider keine Diskussion erlauben sondern ein "ja eh" sind. Nochmals: es liegt an Dir eine gelungene Diskussion zu beginnen. Das was von Dir bisher gekommen ist ist nicht diskussions_fähig_. > Klar, 3kW ist nicht ohne und es wird sicherlich auch nicht billig, es > wird auch sicherlich die erste Version abrauchen, wahrscheinlich auch > die zweite, aber irgendwann wird es funktionieren. solange Du nicht verstehst warum es abraucht wird auch die X-te Version nicht funktionieren. Dazu habe ich Dir den Messgerätepark genannt, der zwingend nötig ist. Wenn Deine Brücke mit ein paar kV/us schaltet müssen die Messergebnisse passen. Und sie dürfen nicht durch ein Oszi verfälscht werden. Und Du mußt die Signale auch verstehen, die da sichtbar sind. So eine Vollbrücke bei 78kHz ist eine ziemlich dynamische und auch gewalttätige Angelegenheit. Da kommutierten die FETs, die Freilaufdioden und die Snubber wollen auch noch herumpfuschen, der Trafo klingelt bei Gelgenheit auch fröhlich vor sich hin, vor allem wenn die Deadtime ein Trafoende herumfliegen läßt... Wenn sich der Stromfluß plötzlich umdreht oder aus dem Nichts bei zB. 80% Nennleistung bei 10% Unterspannung ein Spannungspuls mit ein paar 10ns auftaucht... Viel Spaß. Und über allem lauert die Ladung eines vollegeladenen Zwischenkreiskondensators - und seien es auch nur 1000µF - nur darauf einen Fehler (und wenn er auch nur 100ns lang dauert) zu finden und auszunutzen. BTDT. Gottseidank mit Gehörschutz. > Ich habe ganz nebenbei die Erfahrung gemacht, dass bei allen Projekten, > die ich hier im Forum vorgestellt und bei denen ich um Hilfe gefragt > hatte, prinzipiell erstmal laut Forum auf keinen Fall funktionieren > könnten. ich habe ausdrücklich geschrieben das es machbar ist, das Du es vielleicht auch kannst - aber dein Entree war - und ist bisher - nicht so überzeugend oder vertrauenerweckend das es gelingen wird... > Komischerweise laufen diese Projekte aktuell einwandfrei... Das freut mich für Dich (nein, das ist kein Scherz und nicht ironisch gemeint) > Ich meinte mit Grundschaltung die Schaltungsteile, die vom > Leistungsfluss betroffen sind, also alle Bauteile, die Leistung führen, > schalten, etc... Da fehlt noch einiges das Leistung "führt", die ganze Snubberei ist noch nicht vorhanden und das Layout ist bei Deiner Schaltfrequenz auch ein wesentliches Bauteil. > Messschaltungen sind darin nicht enthalten, ebensowenig > Schutzschaltungen (ich habe die beiden Spannungsteiler bereits > eingezeichnet, obwohl sie keine Leistungsteile sind). > > Am Beispiel der PFC: > Kernbauteile sind die Graetzbrücke, die Spule, der MOSFET (mit Treiber, > da dieser ja direkte Auswirkung auf die Verlustleistung des MOSFET hat), > die Diode und die Elkos, wobei ich die Elkos noch nicht genau > dimensioniert habe. Äh... ja... ok. > > > > > Ich möchte aktuell einfach nur von euch wissen, ob diese Topologie > grundsätzlich sinnvoll ist (ohne auf fehlende Schutzschaltungen, die > später erst entworfen werden, einzugehen) und ob die Grundbauteile > (sofern gekennzeichnet) passend sind. Du bist - nach Deinen Worten - mit etlichen Diplomarbeiten und APP-Notes belesen, erkläre Du warum Du diese Topologie gewählt hast. Doch das habe ich Dir schon geschrieben. iaW: Du(!) bist in der Bringschuld, nicht das Forum. Oder anders gesagt: Wenn Du der Meinung bist das Du das so zum Laufen bringst dann mache das einfach. Es wird schon funktioneren wenn Du die SW in den Griff bekommst. Allerdings möchte ich sowas nicht mit einer Zykluszeit von 12,8us in Echtzeit (und die wirst Du für manche Vorgänge brauchen) rechnen und regeln müssen. Mit reicht 1/3 davon um es mit einem Cortex Mx @ 72MHz CPU-Clk zu schaffen... Viel Erfolg
>> Wenn der Mosfet eingeschaltet ist, muß der Elko den Ausgangsstrom >> alleine liefern. > Ich bin vom unbelasteten Fall ausgegangen. Ähh hallooo ... Willst Du ein Netzteil für 3000 Watt bauen oder eines für Null Watt? Übrigens denke auch an die Verlustleistung. Wenn Dein Netzteil wirklich 3kW bringen kann ohne daß der 16A Automat fliegt, liegst Du immerhin bei 83% Wirkungsgrad unter Vollast. Das ist erstmal gar nicht soooo schlecht. Industriell oder im Server-Bereich würde man so ein Netzteil aber auf einen mit 20A abgesicherten Stromkreis auslegen, oder gleich auf 400V.
Ben B. schrieb: > 83% Wirkungsgrad Naja, 93% sollten schon drin sein. Mit Synchrongleichrichtern statt Dioden auf der Sekundärseite. Es gibt noch viel zu tun.
Nun, da bei Erwähnung von 3kW Leistung ja hier heftiger Gegenwind aufkommt, habe ich mich entschlossen, das Ganze erstmal nur für 500 Watt zu berechnen. Dafür soll der Wirkungsgrad aber sehr gut sein. Den Vollbrücken Gegentaktwandler habe ich deswegen ausgesucht, weil mit ihm der magnetische Kern des Trafos besser ausgenutzt werden kann als mit anderen Topologien. Außerdem ist die übertragbare Leistung höher.
Hm, die Leistung nimmt Dir keiner übel oder so. Daß das ein ambitioniertes Projekt ist, weißt Du selber... Du sollst es halt einfach nur gleich richtig machen und nicht "erstmal ohne Schutzschaltung" weil mir passiert schon nichts, ich mache keine Fehler. Das geht in die Hose. Einige mögen halt direkt-µC-gesteuerte Wandler nicht, na und...? Hat eben alles Vor- und Nachteile. Die Wandlertopologie ist eine reine Glaubensfrage. Gegentaktwandler macht wegen der Leistung schon Sinn, aber in der QSC PLX3402 Endstufe z.B. ist ein 3kW Halbbrückenwandler mit zwei IGBTs drin. Ungeregelt, 6x 2200µF 200V Zwischenkreiskondensatoren, keine PFC. Einfach und dreckig, nicht mehr den heutigen Bestimmungen entsprechend, aber funktioniert. Sekundärseitig ist's egal ob Du 12V/30A oder 100V/30A haben willst. Bis auf ein paar Windungen auf dem Trafo und ggf. der Speicherdrossel ändert sich nichts, auch nicht an der Verlustleistung oder Beherrschbarkeit. Die hohe Leistung merkst Du nur im Primärkreis, die PFC-Stufe und die Endstufe für den Trafo (egal welche Wandlertopologie) muß den Strom abkönnen ohne heiß zu werden. Die Fehlerfolgen wenn Du bei der Ansteuerung Mist baust sind auch identisch. Es macht peng und die FETs haben keinen Deckel mehr. Das schwerste wird sein, daß das Ding in allen Betriebsbereichen von 0..100V und 0..30A stabil läuft und auch nicht zum Störsender mutiert. Das ist auch der Punkt, an dem Simulationen versagen. Da ist ein gutes Layout das wichtigste. Ansonsten entstehen Verluste, Schwingungen oder Spannungsspitzen und die Transistoren verspritzen mit einem hässlichen Geräusch ihre Eingeweide über die Platine, ohne daß Du weißt wieso.
Ben B. schrieb: > Du sollst es halt einfach > nur gleich richtig machen und nicht "erstmal ohne Schutzschaltung" weil > mir passiert schon nichts, ich mache keine Fehler. Das geht in die Hose. Ich glaube, hier liegt ein Missverständnis vor. Ich habe aus meinem ersten Schaltregler gelernt, dass Schutzschaltungen ein absolutes Muss sind. Ich hatte hier auch zu keinem Zeitpunkt vor, diese wegzulassen. Nur wollte ich hier erst einmal den Leistungsteil berechnen und den zugehörigen Schaltplan zeichnen, bevor ich dann die restlichen Schaltungsteile wie Schutzschaltungen oder Messschaltungen für die Regelung entwerfe. Aufgebaut wird am Ende aber auf jeden Fall alles kombiniert, also der Leistungsteil mit Schutzschaltungen, mit Messschaltungen und mit Regelung.
Leopold N. schrieb: > Ich habe bei der PFC als Diode D7 eine V30202C ausgesucht....Im Datenblatt habe ich leider aber keine Angabe > zur Reverse Recovery Time gefunden, weiß da jemand etwas? Schottky-Dioden haben keine Reverse Recovery.
Die vergleichbare Angabe fehlt meistens oder wird weggelassen, weil der schaltende Halbleiter bereits deutlich langsamer ist. Die Aussage Sven bezieht sich auf SiC Schotty Dioden ab der 5. Generation.
Dieter schrieb: > Die Aussage Sven bezieht sich auf SiC Schotty Dioden ab der 5. > Generation. Meine Aussage bezieht sich auf ALLE Schottky-Dioden.
Leopold N. schrieb: > Den Vollbrücken Gegentaktwandler habe ich deswegen ausgesucht, weil Klar nimmt man keinen Flyback in der Leistungsklasse aber so war die Frage ja nicht gemeint. Worauf wir hinauswollen ist das Du bei Deinem Recherchen doch mal über resonante Technologien gestolpert sein solltest. EMI & Schaltverluste sind da deutlich besser. Deine super Effizienz kannst Du ohne Synchrongleichrichtung vergessen. Am besten Synchrongleichrichtung + geteilte Sek Wicklung um eine 'Diodenstrecke' einzusparen. Ein einstufiger, hart geschalteter DCM PFC ist die simpelste Form einer aktiven PFC und denkbar ungeeignet für 3KW. Warum hast Du Dich für diese Ausführung entschieden? Direkt MCU gesteuert tut man sich nur an wenn die Aufgabenstellung besonders trivial ist oder besonders herausfordernd. Im zweiten Fall muss man z.B. über einen weiten Leistungsbereich eine hohe Eff + Powerfaktor erreichen und bedient sich sehr spezieller Tricks. Sehr Hardwarenah auf DSPs geschrieben und ganz bestimmt nichts für den kleinen Hobby Enthusiasten ohne eingehende Erfahrung. Warum also hast Du diesen Ansatz gewählt? Eine PFC direkt MCU gesteuert ist ein ganz großer Spaß weil es keinen konstanten Punkt gibt. Quelle und Last ändern sich permanent und Du kannst nicht einfach ziehen was Du willst, sondern must dabei eine Ohmsche Last nachbilden. 100V hört sich nach Audio an. Dann Prost Mahlzeit, denn Du trägst ein wildes Sammelsurium an Störungen in die nachfolgende Stufe und die sind auch mit ein paar Filtern nicht zu stoppen. Sven S. schrieb: > Schottky-Dioden haben keine Reverse Recovery. Selbst SIC Dioden haben eine Reverse Recovery und die sind das schnellste das mir bis dato untergekommen ist. Leopold N. schrieb: > Nun, da bei Erwähnung von 3kW Leistung ja hier heftiger Gegenwind > aufkommt, habe ich mich entschlossen, das Ganze erstmal nur für 500 Watt > zu berechnen. Nett aber falscher Ansatz. Du bist noch nicht in der Lage zu erkennen warum Dein ganz spezielles Design das einfach nicht hergibt. Natürlich kann man eine 3KW Stufe mit PFC bauen, aber nicht so. Entweder Multiphasen DCM PFC oder CCM. Für beides gibt es tolle Controller von z.B. TI die auch mittels Appnotes super erklärt und gerechnet werden. Vergiss den MCU Ansatz, das ist was für Leute die das seit Jahren jeden Tag machen und genau wissen an welchen Parametern sie drehen wollen und bei einem analogen Design nicht können. Fang mal mit der PFC an. Teste die an einem Lastwiderstand und nehme die 'Scherze' die keine sind ernst was Splitterschutz und Gehörschutz angeht. Du hast keine blasse Vorstellung mit welcher Wucht sich Bauteile in einen Splitterregen verwandeln wenn die Energie nur hoch genug ist. 400Vdc sind final ohne Change auf Wiederholung. Davor keine Angst zu haben und sich nicht entsprechend vorzubereiten ist Dummheit. > Dafür soll der Wirkungsgrad aber sehr gut sein. Warum ? Definiere doch mal endlich harte Werte die die erreichen musst. Warum müssen die so gut sein? 'Sehr gut' ist so bei 94% und das packst Du nicht. Rechne doch endlich mal realistisch. Du wirfst hier irgendwelche Wunschvorstellungen als Prosa in den Raum ohne das mal zu verifizieren. z.B. Netzgleichrichter: 3KWout x 1,1 (90% eff) = 3,3Kw 3,3KW/230V = 15A Si-Bridge hat ca 1V pro Diode bei 15A => 15A * 2V = 30W ! 1% sind schon weg, bleiben Dir noch 5% für EMI Filter, PFC Stufe, Vollbrücke, Übertrager, Vollweggleichrichtung, Ausgangsfilter und aktive Kühler um 300W Verlustleistung wegzubekommen.
Michael K. schrieb: > Sven S. schrieb: >> Schottky-Dioden haben keine Reverse Recovery. > Selbst SIC Dioden haben eine Reverse Recovery und die sind das > schnellste das mir bis dato untergekommen ist. Weshalb haben Schottky Dioden und SiC Dioden eine reverse recovery? Gruß,
Michael K. schrieb: > Selbst SIC Dioden haben eine Reverse Recovery Was es nicht gibt, kann im Datenblatt auch nicht angegeben werden.
Michael K. schrieb: > Ein einstufiger, hart geschalteter DCM PFC ist die simpelste Form einer > aktiven PFC und denkbar ungeeignet für 3KW. > Warum hast Du Dich für diese Ausführung entschieden? Ok, fangen wir mal vorne an, also bei der PFC. Wenn wir die durch haben, gehen wir weiter zum VGW. Ehrlich gesagt habe ich mich dafür entschieden, weil alle PFCs, die ich im Netz gefunden habe, anhand dieser Schaltung gezeigt wurden. Ich habe dies deshalb als gegeben genommen. Gefragt habe ich mich schon allerdings, ob man die PFC auch z.B. als Buck-Converter ausführen könnte, da es ja eigentlich nur eine Frage der Regelung ist, richtig? Das wäre mir ehrlich gesagt ganz recht, denn dann würden die Bauteile billiger und die Spannungen ungefährlicher. Michael K. schrieb: > 100V hört sich nach Audio an. > Dann Prost Mahlzeit, denn Du trägst ein wildes Sammelsurium an Störungen > in die nachfolgende Stufe und die sind auch mit ein paar Filtern nicht > zu stoppen. Eine Anwendung sollte tatsächlich Audio sein, eine andere einfach ein programmierbares Netzteil. Michael K. schrieb: > Definiere doch mal endlich harte Werte die die erreichen musst. > Warum müssen die so gut sein? > 'Sehr gut' ist so bei 94% und das packst Du nicht. Was den Wirkungsgrad angeht, gibt es keine konkrete Vorgabe. Ich will einfach nur beim Planen darauf achten, dass ich nirgendwo unnötig Energie verliere. Generell gilt natürlich: je höher desto bessser, aber konkrete Zahlen habe ich mir nicht als Vorgabe gemacht, schließlich bin ich froh, wenn das Teil überhaupt funktioniert. Grüße Leopold Nützel
Leopold N. schrieb: > ob man die PFC auch z.B. als > Buck-Converter ausführen könnte Finde einen Weg, und Du wirst mit Preisen überhäuft. (Nein, geht nicht).
Leopold N. schrieb: > Michael K. schrieb: >> Ein einstufiger, hart geschalteter DCM PFC ist die simpelste Form einer >> aktiven PFC und denkbar ungeeignet für 3KW. >> Warum hast Du Dich für diese Ausführung entschieden? > > Ok, fangen wir mal vorne an, also bei der PFC. Wenn wir die durch haben, > gehen wir weiter zum VGW. > > Ehrlich gesagt habe ich mich dafür entschieden, weil alle PFCs, die ich > im Netz gefunden habe, anhand dieser Schaltung gezeigt wurden. Ich habe > dies deshalb als gegeben genommen. > Gefragt habe ich mich schon allerdings, ob man die PFC auch z.B. als > Buck-Converter ausführen könnte, da es ja eigentlich nur eine Frage der > Regelung ist, richtig? Weißt Du eigentlich wozu eine PFC nötig ist? Und wenn ja - warum sie defakto immer als Stepup ausgeführt wird? Erkläre einmal Deine Gedanken dazu wie Du auf den Pfad des Buck kommst wenn Du von PFC redest. > Das wäre mir ehrlich gesagt ganz recht, denn dann würden die Bauteile > billiger und die Spannungen ungefährlicher. meinst Du. Spannung ist normalerweise kein Problem, denn durch die nötigen Abstände sinken die Streukapazitäten. Das, was in einer Schaltung wie Deiner wehtut ist der Strom. Der braucht Kupfer, da schmerzen die Ls, die in der Gegend herumlümmeln. Daher - ich würde mit der Spannung im Zwischenkreis vor der H-Brücke hinaufgehen soweit es wirtschaftlcih geht (Elkospannungen etc) damit der Strom weniger wird. > > Michael K. schrieb: >> 100V hört sich nach Audio an. >> Dann Prost Mahlzeit, denn Du trägst ein wildes Sammelsurium an Störungen >> in die nachfolgende Stufe und die sind auch mit ein paar Filtern nicht >> zu stoppen. Naja, wenn er mit 78kz arbeitet und die Regelung nicht im Audiobereich schwingt sollte das eigentlich keine Probleme machen, wenn der konstruktive Aufbau kapazitive Kopplungen verhindert. Denn jedes Mischungsprdukt von Schaltfrequenz und Audio ist immer noch im selbst für Audioesotheriker unhörbaren Bereich. Das sollte also kein Problem sein. iaW: ein paar unhandliche Ferrite für 30A, einige SMD-Kerkos in 1812 mit viel C, clever berechnet und gestackt und das Thema ist für eine ausreichend laute Heimanlage gegessen. > > Eine Anwendung sollte tatsächlich Audio sein, eine andere einfach ein > programmierbares Netzteil. kleiner Hinweis bevor Du mit der SW anfängst: denke daran, das Du für die unterschiedlichen Regelkreise normalerweise nicht mit nur einem Parametersatz auskommst. der PID, der die Ausgangsspannung regelt wird also je nach Spannung und Laststrom mit unterschiedlichen P, I oder D-Parametern arbeiten müssen. Nicht gerade trivial das während dem Betrieb in der SW unfallfrei hin und herzuschalten... @ Leopold - wenn Du im Grenzbereich AT(OÖ)/Bayern daheim bist sags, dann biete ich Dir den "Sparingpartner" an damit Du Dein Werkl zum Laufen bekommst. MiWi
Sven S. schrieb: > Leopold N. schrieb: >> ob man die PFC auch z.B. als >> Buck-Converter ausführen könnte > > Finde einen Weg, und Du wirst mit Preisen überhäuft. > (Nein, geht nicht). https://www.google.com/url?sa=t&rct=j&q=&esrc=s&source=web&cd=1&cad=rja&uact=8&ved=2ahUKEwiQ3Kr-tdHfAhWFmbQKHe0CCQwQFjAAegQICRAC&url=https%3A%2F%2Fwww.ti.com%2Fseclit%2Fml%2Fslup264%2Fslup264.pdf&usg=AOvVaw1sTU_qBnVKvMrj4PbYQj6w Weiß nicht, aber machen die da nicht genau das? Oder habe ich den Text missverstanden? MiWi schrieb: >> Das wäre mir ehrlich gesagt ganz recht, denn dann würden die Bauteile >> billiger und die Spannungen ungefährlicher. > > meinst Du. Spannung ist normalerweise kein Problem, denn durch die > nötigen Abstände sinken die Streukapazitäten. Das, was in einer > Schaltung wie Deiner wehtut ist der Strom. Der braucht Kupfer, da > schmerzen die Ls, die in der Gegend herumlümmeln. Daher - ich würde mit > der Spannung im Zwischenkreis vor der H-Brücke hinaufgehen soweit es > wirtschaftlcih geht (Elkospannungen etc) damit der Strom weniger wird. Stimmt, allerdings wäre es mir im Augenblick tatsächlich lieber, erstmal mit der Leistung herunterzugehen. Wenn die Schaltung dann prinzipiell funktiniert (vor allem der Regelalgo) dann kann ich das Ganze ja wieder hochdimensionieren. Also ab jetzt bitte von einer Ausgangsleistung von 500 Watt ausgehen. MiWi schrieb: >> Eine Anwendung sollte tatsächlich Audio sein, eine andere einfach ein >> programmierbares Netzteil. > > kleiner Hinweis bevor Du mit der SW anfängst: denke daran, das Du für > die unterschiedlichen Regelkreise normalerweise nicht mit nur einem > Parametersatz auskommst. der PID, der die Ausgangsspannung regelt wird > also je nach Spannung und Laststrom mit unterschiedlichen P, I oder > D-Parametern arbeiten müssen. Nicht gerade trivial das während dem > Betrieb in der SW unfallfrei hin und herzuschalten... Für die beiden Anwendungen wird nicht die gleiche Platine hergenommen. Ich baue für jede eine eigene Platine, die einen eigenen Regelalgo, bzw. Parametersatz hat. MiWi schrieb: > @ Leopold - wenn Du im Grenzbereich AT(OÖ)/Bayern daheim bist sags, dann > biete ich Dir den "Sparingpartner" an damit Du Dein Werkl zum Laufen > bekommst. Bin ich :) Grüße Leopold Nützel
Sven S. schrieb: > Was es nicht gibt, kann im Datenblatt auch nicht angegeben werden. Anbei was von ROHM. Quelle: https://www.google.com/url?sa=t&rct=j&q=&esrc=s&source=web&cd=1&cad=rja&uact=8&ved=2ahUKEwj1lvaltdHfAhUPzaQKHWQHAtsQFjAAegQICRAB&url=https%3A%2F%2Fwww.rohm.de%2Fproducts%2Fsic-power-devices%2Fsic-schottky-barrier-diodes&usg=AOvVaw3Fpjm7V8xvGuDCXXgoR91F Bei der SIC Diode SCS240KE2AHR werden noch 18ns angegeben. Bei neueren Modellen wird mehrheitlich tatsächlich von 'No Reverse Recovery gesprochen' Ab ein paar ns ist das wohl einfach Erbsenzählerei das noch anzugeben. Buck PFC geht natürlich, wie das TI PDF zeigt. Funzt aber nur für relativ kleine Ausgangsspannungen. Ob das sinnvoll ist, ist genauso zu prüfen wie die zahlreichen anderen Möglichkeiten das anzupacken. Was ist das für eine Audio Endstufe die 3KW Sinusleistung braucht? Auf jegliches Analog gefriggel solltest Du dann aber in der Endstufe verzichten und das rein digital aufbauen. Die Störungen aus dem SNT werden sonst ins Analoge eingekoppelt und mitverstärkt. Programmierbares Netzteil: von __V bis __V von __A bis __A max. Ripple von __mV Effizienz und Power Faktor bei 10%, 50%, 100% ? Die Sprungantwort wird spannend. Wie weit und lange darf die Spannung einbrechen bei Lastsprüngen 0% - 100%? Wie weit darf sie überschwingen bei Lastsprung 100% - 0% Zum PFC schau Dir das mal an: https://www.microchip.com/DevelopmentTools/ProductDetails/Digital-Power-Interleaved-PFC Die dsPICs bringen spezielle Hardware mit um das zu packen. Ich war vor ein paar Jahren beim einem Microchip Seminar und das ist schon ziemlich extrem was ein PFC für Anforderungen an die MCU stellt. Microchip bekommt mit einem 350W Interleaved PFC gerade mal 95% hin. Jedes Prozent mehr bedeutet Materialschlacht. Ein 300W bridgeless PFC mit >98% von Onsemi: https://www.google.com/url?sa=t&rct=j&q=&esrc=s&source=web&cd=2&cad=rja&uact=8&ved=2ahUKEwjjtdP4xtHfAhWCmLQKHdRiApQQFjABegQICBAC&url=https%3A%2F%2Fwww.onsemi.com%2Fpub%2FCollateral%2FAND8481-D.PDF&usg=AOvVaw0UKZl77E1-pGkEH9RQGChd
Michael K. schrieb: > Was ist das für eine Audio Endstufe die 3KW Sinusleistung braucht? > Auf jegliches Analog gefriggel solltest Du dann aber in der Endstufe > verzichten und das rein digital aufbauen. > Die Störungen aus dem SNT werden sonst ins Analoge eingekoppelt und > mitverstärkt. > > Programmierbares Netzteil: > von __V bis __V > von __A bis __A > max. Ripple von __mV > Effizienz und Power Faktor bei 10%, 50%, 100% ? Das sollte ein Modul nach dem Ganzen hier werden. Diese Schaltung wollte ich separat aufbauen. Hier geht es ledidglich darum, eine stabile Spannungsversorgung aufzubauen, aus der sich der programmierbare Teile dann speist. Und der Audioverstärker sollte natürlich ein Class D Verstärker werden. Mit FFT und diversem anderem Schnickschnack, aber das ist erstmal unwichtig. Grüße Leopold Nützel
Leopold N. schrieb: > Weiß nicht, aber machen die da nicht genau das? > Oder habe ich den Text missverstanden? Da kann natürlich nur Strom fließen, wenn die momentane Netzspannung höher ist, als die Ausgangsspannung. Je höher die Ausgangsspannung, desto weiter weg bist du von "Power Faktor Control". Bei kleiner Ausgangsspannung schwindet der Wirkungsgrad dahin.
Michael K. schrieb: > Die dsPICs bringen spezielle Hardware mit um das zu packen. > Ich war vor ein paar Jahren beim einem Microchip Seminar und das ist > schon ziemlich extrem was ein PFC für Anforderungen an die MCU stellt. > Microchip bekommt mit einem 350W Interleaved PFC gerade mal 95% hin. > Jedes Prozent mehr bedeutet Materialschlacht. dsPICs haben wir hochkant hinausgeschmissen weil die Gfraster von Microchip bei einem der dsPICs einen Bug im Silizium hatten, der dazu geführt hat das die Deadtime gelegentlich vergessen wurde. Kommt gut und sehr laut bei etlichen 15000uF, die auf 600V geladen sind und Hi- als auch Lowside der Brücke auf einer Seite ohne Deadtime umgeschalten werden. ich sagte doch schon BTDT... Sowohl Fehlerhandling seitens Microchip als auch unsere Probleme mit anderen Microchipteilen (ich hab hier schon mehrmals darüber gschrieben) haben dazu geführt das die bei uns - zumindest solange ich Entwickler bin - gesperrt sind. Wenn ich das in SW machen muß dann mit irgendwelchen DSPs von TI, Cortex Mx von ST oder einen Cortex irgendwas von NXP, der ausreichend SCTs hat verwenden. PS: Ich würde ja in dem Leistungsbereich die PFC noch passiv ausführen. Denn die Filterwirkung einer passiven PFC für Störungen aus dem Netz (Lastabwurf...) ist nicht zu unterschätzen und dient der Lebensdauer. Der H-Brücke ist es bei ausreichend guter Regelung egal ob da ein 100Hz Ripple drauf ist oder nicht... @ Leopold Du bekommst demnächst eine PM.
Hallo, ich habe mir jetzt noch einmal Gedanken gemacht und mir noch ein paar Texte zu PFCs durchgelesen. Grundsätzlich scheint sich jeder Converter als PFC zu eignen, solange die Regelung den Eingangsstrom richtig steuert. Aus Gründen der Effizienz habe ich meinen Schaltplan geändert und eine Synchrongleichrichtung hinzugefügt. Um den Eingangsstrom zu glätten, kommt noch ein Filter vor den Eingang, der nicht im Schaltplan ist. Was haltet ihr davon? Grüße Leopold Nützel
Leopold N. schrieb: > Grundsätzlich scheint sich jeder Converter > als PFC zu eignen Naja, PFC ist ein dehnbarer Begriff. Leopold N. schrieb: > Was haltet ihr davon? Wie ein Satz Winterreifen ohne Auto.
Leopold N. schrieb: > Grundsätzlich scheint sich jeder Converter > als PFC zu eignen, solange die Regelung den Eingangsstrom richtig > steuert. Und grundsätzlich kann man mit einem Fahrrad zum Mond fliegen wenn man die Geschwindigkeit hoch genug ist mit dem man die Rampe trifft. > Synchrongleichrichtung hinzugefügt. Nein, hast Du nicht. Du hast 4Fets eingetragen. Der Clou liegt ja eben in der Ansteuerung und die fehlt komplett. Selbst die Diode, die zu jeder Speicherdrossel gehört, über die FETs ? Du must der Gott der Hochleistungsdspprogrammierung sein. > der nicht im Schaltplan ist Wie auch die anderen 98,5% der Bauteile die das ganze zu einer funktionierenden Schaltung machen. > Was haltet ihr davon? Nix Einstufig PFC inkl. Forward Converter. Nimmst Du dann sinusförmig Strom auf oder hälst Du Deine Ausgangsspannung bei jedem Strom konstant ? Beides geht nämlich nicht. 1Jahr gelesen? Hör auf zu lesen und bau mal ne PFC, egal welcher Leistung und verifiziere das auch mit Messungen. Du wirst Bauklötze staunen was Du alles noch nicht verstanden hast.
Leopold N. schrieb: > Ich meinte mit Grundschaltung die Schaltungsteile, die vom > Leistungsfluss betroffen sind, ... Bauteile, die Leistung führen, > schalten, etc... Da übersiehst Du aber immer noch etwas ausschlaggebendes - Zitat: o.j.e. schrieb: > Ohne festgelegtes Regelung(-sprinzip) kann da gar nichts gehen. Der > Informationsgehalt der reinen Grundtopologie ist wie Blockschema... > > Ohne Messung der Spannung arbeitet nicht mal Transition Mode Regler. > Und Current Mode (Voraussetzung für kontinuierlichen Modus) geht es > nicht ohne Strommessung. Von der ebenfalls davon abhängigen Größe > des/r induktiven BE (der Drossel/n) mal ganz zu schweigen. Ganz zuletzt steht, daß der Drossel L-Wert und Größe davon abhängig ist, welche Art_der_Regelung man wählt. (Und von der Frequenz natürlich.) Außerdem bestimmen die Regelung(-sart) und die Drossel-(&/oder Trafo-) Induktivität zusammen mit der Frequenz (die kann auch variabel sein) den Transistor-Spitzenstrom - für deren Auswahl elementar wichtig. Also wird man i.A. auch die Leistungsschalter erst "danach" auswählen. (Auch gibt es heutzutage immer spezialisiertere Mosfets. Du hast zwar gute Fets gewählt, die diese Leistung wohl auch komplett packen, aber wer weiß, ob Du nicht ganz woanders landest, wenn die reale Topologie mal feststeht.) Michael K. schrieb: > Keine Erkennung des Strom-Null, also festfrequente DCM PFC, hart > geschaltet? Auch kein Spannungsteiler, also keine Art der Regelung möglich. Es ginge einzig ein reiner Steller im DCM, über festen Tastgrad (gering genug dazu, abhängig von L) den Wechsel auf kontinuierlichen Modus auch bei Vollast vermeidend. Eine andere Möglichkeit sehe ich nicht. Davon abgesehen paßt der Wert der Drossel doch aber dafür sicher nicht - die Induktivität wäre sogar für 80kHz im CCM noch etwas hoch gewählt? Und deshalb sage ich noch mal: Ohne Festlegung auf ein Regelprinzip hat man keinerlei Anhaltspunkt bzgl. der Induktivität, und deshalb braucht es (noch) keinerlei Angabe dafür... (auch noch keine Mosfet-Auswahl). _Graetz+Boost_ (ohne weitere, nötige Beschaltung) = Prinzipschaltbild - denn auch woanders haben konkrete BE(-Werte) einfach noch keinen Sinn. Und genau darauf hatte ich Dich dringend aufmerksam machen wollen - das ist einer der Punkte zum dringend merken: Immer erst die Regelung/ Betriebsart (noch nicht allein die prinzipielle Topologie) macht aus dem Konverter das, was er schlußendlich dann ganz genau ist. Macht mal mehr, mal weniger aus, aber Anteil daran hat das Regelprinzip immer. Ein Prinzipschaltbild ist eben noch kein Schaltplan. Zu einem solchen gehört offensichtlich mehr als das. Leopold N. schrieb: > Mag sein, aber ihr macht euch ja auch einen Spaß daraus, euch an eurem > super duper Fachwissen aufzugeilen, mich herunterzuputzen, was für ein > Anfänger ich angeblich sei und mir abschließend um die Ohren zu hauen, > dass das Ganze ja eh gleich in die Luft geht und meine gesamte Wohnung > gleich dazu. Das lag/liegt sicher nicht in meiner Absicht. Weder halte ich mich für klüger, noch habe ich besonderen Spaß daran, Leute auf die Art zu quälen. Ganz im Gegenteil wollte/will ich Dir einfach bewußt machen, wo ich offensichtliche Schwächen entdeckt hatte (welche solch einem Bau aktuell heftigst entgegenstehen könnten - also arbeite besser daran...). Und ich empfehle weiterhin, Dich am besten schnell einige Stunden lang mit den diversen PFC-Varianten zu beschäftigen. (Ja, ich bin überzeugt: Das wäre hilfreich. Obwohl @MiWi Dich schon gut beraten würde, hilft jede Einzelheit, die Du selbst voll verstehst.) Du kannst bei Bedarf einfach nach "(ZVS) Bridgeless PFC", "Continuous Current Mode", "Transition Mode", "Triangular Current Mode" etc. suchen - und da mehreres Verschlingen. In jedem Dokument finden sich Begriffe zum Weiterrecherchieren. Man lernt recht schnell recht viel. Leopold N. schrieb: > Hallo, > > ich habe mir jetzt noch einmal Gedanken gemacht und mir noch ein paar > Texte zu PFCs durchgelesen. Grundsätzlich scheint sich jeder Converter > als PFC zu eignen, solange die Regelung den Eingangsstrom richtig > steuert. Äußerst begrenzt. Mit Einschränkung(en), mal diese, mal jene. "Gut" ist einfach nur eine Topologie, die Aufwärtswandeln kann. Boost/Step-Up ist amgebräuchlichsten für hohe Leistung, für niedrigere aber gibt es den Buck-Boost (invertierend), und zwar als isolierte Version: Flyback. Google das, was ich oben schrieb, mal. Da erfährst Du schneller mehr nützliches. Unbekannte Begriffe zwecks Verständnis sofort googlen/übersetzen. Dann noch zu den genannten Grundprinzipien einige Controller-ICs suchen, deren Datenblätter und Appnotes ebfs. verarbeiten. Leopold N. schrieb: > Aus Gründen der Effizienz habe ich meinen Schaltplan geändert und eine > Synchrongleichrichtung hinzugefügt. Um den Eingangsstrom zu glätten, > kommt noch ein Filter vor den Eingang, der nicht im Schaltplan ist. > > Was haltet ihr davon? Ganz ähnliches, wie bisher auch: Du denkst immer noch, Du hättest Dich mit einigen Grundbauteilen für irgend etwas konkretes entschieden. Doch die topologische und auch Betriebsart-Vielfalt ist weit, weit größer, als Du denkst. Informiere Dich gründlicher, viel gründlicher. Michael K. schrieb: > 1Jahr gelesen? Entweder nur sehr geringe Mengen, oder (großteils) das Falsche. Ohne ausgiebige Lektüre fehlt da einfach der Großteil einer Basis. Bis jetzt weißt Du nicht, was Du wieso wählen könntest / solltest. Du scheinst Dich mit Programmierung etwas auszukennen, und hast - wie Du sagst - schon einen Konverter (allerdings als einstufigen, nichtisolierten DC-DC-Konverter, wenn ich das richtig verstehe) gebaut, mitsamt MCU-Steuerung/Regelung. (Wobei ich Ben zustimme: Für die PFC würde sogar dann ein Shutdown reichen, wenn das Gesamtgerät über µC steuerbar sein soll?) Das hilft Dir aber zum Verständnis anderer Leistungstopologien (sowie der Arten, sie zu betreiben - und dann noch gleich für mehrere kW) wirklich nicht weiter. Da hilft nur lesen, verstehen, recherchieren, lesen, (nicht aufhören...). Aber ich fürchte, Du willst und wirst mir nicht glauben. Nun, hilft nix. Nebenbei: Daß hier auch ein Netzanschluß ins Spiel kommt, noch gefährlicher 400VDC, ist "heiß" - achte auf Dich, Du bist vermutlich mit Abstand noch viel, viel zu jung zum Sterben. (Wende Dich für dahingehende Tipps ganz besonders eindringlich an @MiWi - der nämlich weiß, und das genauestens, wie man damit umzugehen hat.)
Leopold N. schrieb: > MiWi schrieb: >> @ Leopold - wenn Du im Grenzbereich AT(OÖ)/Bayern daheim bist sags, dann >> biete ich Dir den "Sparingpartner" an damit Du Dein Werkl zum Laufen >> bekommst. > > Bin ich :) > > Grüße > Leopold Nützel Wenn Du nicht auf PNs reagierst dann wird das nix.
MiWi schrieb: > Wenn Du nicht auf PNs reagierst dann wird das nix. Ich habe dir doch zurückgeschrieben. Ich habe mir nun noch einmal Gedanken gemacht. Das mit der Buck-PFC wird nicht so funktionieren, wie ich es mir vorgestellt habe, deshalb komme ich wieder auf die Boost Topologie zurück. Außerdem möchte ich das Ganze erstmal mit kleinen Spannungen und Strömen qualitativ ausprobieren. Deshalb habe ich mir einen Ringkern gekauft, um eine kleine Wechselspannung zu haben. Das ganze wird nun wieder zweistufig, also PFC (Boost-Topologie) und Vollbrücken-Gegentaktwandler zur Regelung der Ausgangsspannung und galvanischen Trennung. Dabei möchte ich am Eingang eine aktive Gleichrichtung und nach dem Trafo des Vollbrückengegentaktwandlers auch. Das Problem, vor dem ich jetzt gerade stehe ist die Ansteuerung der MOSFETs der aktiven Gleichrichtung der "Netzspannung". Da das Netz mit 50Hz schwingt ist die Periodendauer 20ms. Ich wollte die MOSFETs mit dem IR2104 ansteuern, aber das ist ja ein Bootstrapteil und der kann die Gatespannung des oberen MOSFETs nicht so lange halten soweit ich weiß. Gibt es Halbbrückentreiber, die das können? Kann man die maximale ON-Time durch Vegrößern des Bootstrapkondensators noch großartig erhöhen? Oder habt ich noch andere Lösungsvorschläge? Grüße
Leopold N. schrieb: > MiWi schrieb: >> Wenn Du nicht auf PNs reagierst dann wird das nix. auf der Dir angegebenen Mailadresse ist nix angekommen. > Das Problem, vor dem ich jetzt gerade stehe ist die Ansteuerung der > MOSFETs der aktiven Gleichrichtung der "Netzspannung". Da das Netz mit > 50Hz schwingt ist die Periodendauer 20ms. Ich wollte die MOSFETs mit dem > IR2104 ansteuern, aber das ist ja ein Bootstrapteil und der kann die > Gatespannung des oberen MOSFETs nicht so lange halten soweit ich weiß. > Gibt es Halbbrückentreiber, die das können? > Kann man die maximale ON-Time durch Vegrößern des Bootstrapkondensators > noch großartig erhöhen? Au Weia. Entschuldigung die klaren Worte: Da fehlen Grundlagen der untersten Schublade, so auf der Ebene des Ohmschen Gesetztes oder so. Von FETs und wie die Funktionieren scheint auch keine wesentliche Erkenntnis vorhanden zu sein und wie man solche "Probleme" löst... nun, die Kreativität um ca. 0,25° um die Ecke zu denken ist auch nicht ausgeprägt. > Oder habt ich noch andere Lösungsvorschläge? Ja. Nicht nur lesen sondern die Chips kaufen und es einfach mal zusammenlöten und dann verstehen. So ein IR2104 kostet nicht die Welt, ein FET ist auch schnell wo ausgelötet und die Netzfrequenz ist auch nix exotischen.
MiWi schrieb: > Au Weia. Entschuldigung die klaren Worte: Da fehlen Grundlagen der > untersten Schublade, so auf der Ebene des Ohmschen Gesetztes oder so. > Von FETs und wie die Funktionieren scheint auch keine wesentliche > Erkenntnis vorhanden zu sein und wie man solche "Probleme" löst... nun, > die Kreativität um ca. 0,25° um die Ecke zu denken ist auch nicht > ausgeprägt. Ich fände dich sehr viel sympathischer, wenn du mir neben dieser Antwort auch noch sagen würdest, was mir denn genau so an Grundwissen fehlt. Dann könnte ich mich darüber informieren und hätte etwas dazugelernt. So aber stehe ich jetzt da, habe mir anhören dürfen wie strunzblöd ich doch eigentlich bin und bereue jetzt schon wieder, mich überhaupt in diesem Forum angemeldet zu haben. Grüße
Nachdem im Netz so viel zu finden ist, hätten Viele angenommen, dass Du einige ähnliche Schaltungen näher ansehen würdest, die dortigen Erklärungen versuchst zu verstehen und zu diesen konkreten Fällen nachfrägst, was da nicht verstanden wurde. Da gibt es ein gutes Buch von Jörg Rehrmann, http://www.joretronik.de/Web_NT_Buch/Vorwort/Vorwort.html und die Erwartung ist, dass man sowas liest und versucht zu verstehen, oder zumindest aufmerksam durchblättert und ab und zu was darin liest. Ohne dem, hätte das Ganze eine Chance zum längsten Blog der Geschichte zu mutieren!!! Ohne dieses eigene Zutun, steht man als TO eigentlich immer da wie ein Schüler der fast nie selbst was nachschaut mit der Einstellung der Lehrer wirds schon richten.
Leopold N. schrieb: > Dabei möchte ich am Eingang eine aktive Gleichrichtung und nach dem > Trafo des Vollbrückengegentaktwandlers auch. Das macht man (zumindest am Eingang) anders. Richtig erkannt hast Du das Problem der Verluste an einer Dioden-Brücke. Meine Ratschläge, Dich mit "Bridgeless PFC" zu befassen, hast Du aber definitiv in den Wind geschlagen. FETs sind Dioden überlegen, allerdings bringt es auch nicht viel, statt einer Diode und (z.B.) 5 FETs nun 6 FETs im Gesamt-Strompfad zu haben (vor allem beim Eingangsgleichrichter mit den "erträglichen" Strömen.) Stattdessen macht man "Bridgeless PFC". Statt einer Graetz-Brücke geht der Strom in der Positiven HW über einen, in der negativen HW über eine andere Boost-Stufe ... genial, google es endlich!!! Leopold N. schrieb: > So aber stehe ich jetzt da, habe mir anhören dürfen wie strunzblöd ich > doch eigentlich bin Das verstehst Du falsch. MiWi sagt nur (aus Deiner Sicht rücksichtslos - das verstehe ich schon) die Wahrheit. Du mußt erst mal bei den Grundlagen anfangen. Welche das sind, kannst Du auch selbst herausfinden (das war auch mein Ansatz, ich bin ebenfalls reiner Autodidakt...(*)). Alles, was man baut, hat Einzelteile - und die muß man gut genug kennen (sowie natürlich das Verhalten von ganzen Schaltungen). MiWi nannte das Ohmsche Gesetz, ich erweitere auf die Eigenschaften (die nutzbaren wie die Parasitären) aller passiven und aktiven Bauteile. Was macht man, wenn Bootstrap Gate Drive versagt? Hilfsspannung. Das sollte bei den Quellen, aus denen Du hast, daß es "bei 50Hz nicht (nur sehhhr schwer) ginge", ebenfalls teilweise dabei stehen, diese Lösung. Solche Konverter zu bauen, liegt für Dich Wissens- (und je nach täglichem Einsatz auch Zeit-) mäßig sozusagen in weiter Ferne. (*): Meinen ersten DC-DC baute ich auch recht schnell (ich kannte allerdings die Bauteile und elektrische Gesetze schon). Aber die erste PFC verlangte (aus eigenem Antrieb, ich wollte alles perfekt verstehen) über 40GB an selektierten Daten (! durchgearbeitet vor der Entscheidung, ob speichernswert, hatte ich weit mehr !). Du hast höchstens diue Möglichkeit, mit möglichst viel Hilfe etwas zu bauen, von dem Du aber null verstehst, wenn Du dieser großen Menge an Lern-Arbeit aus dem Weg gehen willst. Willst Du das? Oder hast Du nun vor, alles zu lernen? Falls letzteres: Dabei kann ich Dich sehr umfangreich unterstützen. Sag es einfach.
o.j.e. schrieb: > Was macht man, wenn Bootstrap Gate Drive versagt? Hilfsspannung. Bzw. schließt man an den Bootstrap einen Rechteck-Gen. --- schwupps, Ladungspumpe. Möglichkeiten gibt es viele. (Und mit den nötigen Grundlagen ergeben sich diese von allein. Ohne diese ist keine "fachliche" Kreativität in dem Sinne möglich. (Das geht auch an Dich, lieber @MiWi... :))
Dieter schrieb: > Da gibt es ein gutes Buch von Jörg Rehrmann, Das kennt er längst (siehe oben - oder siehst Du schlecht?...:). Allerdings findet man auch dort wenige absolute Grundlagen. Die sollte man schon haben, bevor man JT durcharbeitet. Dann kann man die Seite zum Nachschauen nutzen (hatte ich auch mal gemacht). Dieter schrieb: > Ohne dem, hätte das Ganze eine Chance zum längsten Blog der Geschichte > zu mutieren!!! Zum längsten Thread (einen Blog macht 1 Person, über gewisse Zeit), aber ansonsten... ja. Dieter schrieb: > Ohne dieses eigene Zutun, steht man als TO eigentlich immer da wie ein > Schüler der fast nie selbst was nachschaut mit der Einstellung der > Lehrer wirds schon richten. Mag sein, aber darüber sollte sich Leopold weniger sorgen - Arbeit wartet.
Leopold N. schrieb: > MiWi schrieb: >> Au Weia. Entschuldigung die klaren Worte: Da fehlen Grundlagen der >> untersten Schublade, so auf der Ebene des Ohmschen Gesetztes oder so. >> Von FETs und wie die Funktionieren scheint auch keine wesentliche >> Erkenntnis vorhanden zu sein und wie man solche "Probleme" löst... nun, >> die Kreativität um ca. 0,25° um die Ecke zu denken ist auch nicht >> ausgeprägt. > > Ich fände dich sehr viel sympathischer, wenn du mir neben dieser Antwort > auch noch sagen würdest, was mir denn genau so an Grundwissen fehlt. > Dann könnte ich mich darüber informieren und hätte etwas dazugelernt. man Parallelschalten von Kapazitäten. So ein Fet verliert in 10ms (es sind übrigens 10ms, da eine Diode nur die halbe Periodendauer leiten muß) nicht seine Gateladung, wenn der speisende C ausreichend groß ist. > > So aber stehe ich jetzt da, habe mir anhören dürfen wie strunzblöd ich > doch eigentlich bin und bereue jetzt schon wieder, mich überhaupt in > diesem Forum angemeldet zu haben.
Leopold N. schrieb: > Kann man die maximale ON-Time durch Vegrößern des Bootstrapkondensators > noch großartig erhöhen? Was soll denn dagegen sprechen??
Zur Veranschaulichung, welcher Aufwand zwischen einem Schaltungskonzept und einem ausentwickelten, marktfähigen und einsatztauglichen Produkt steht, einige Innenansichten eines Labornetzteils (Elektro-Automatik PS9000 Serie) der 2kW-Klasse. Also noch ein wenig unterhalb dessen, was Leopold Initial vorschwebte. Das Grundprinzip ist eigentlich einfach: Eine Boost-PFC mit UC3854 und dahinter ein Eintakt-Flußwandler (Current Mode Regelung) mit UC3845. Zwei Nebenbedingungen führen aber dann doch zu einer elaborierten Gesamtschaltung: 1. Die Leistung von 2 Kilowatt (36 V / 60A) erfordert eine entsprechende Dimensionierung und besonderes Augenmerk auf Verlustleistungen. Der PFC-Schalttransistor ist 4-fach parallel, die Fangdiode an gleicher Stelle doppelt. Der Flußwandler schaltet (eintaktig) an beiden Enden des Trafos, einmal masseseitig und am anderen Wicklungsende Richtung Zwischenkreisspannung. Das halbiert die Spannungsbelastung auf jeder Seite. Gleiches für die Freilaufdioden. Jeweils zwei Transistoren parallel. Alle Wickelgüter sind entsprechend massiv dimensioniert. Materialschlacht... 2. Ein Labornetzeil muß mit jeder Last funktionieren, "eklige" eingeschlossen. Resistiv, reaktiv, gemischt, gerne auch zeitvariant. Unter allen Bedingungen muß sauber geregelt werden, und kaputt gehen darf das Netzteil natürlich unter keinen Umständen. Ausgangsspannung und Strom von 0 bis max., Konstantspannungs- oder Konstantstrombetrieb. Daher ist die ganze Regelung sehr aufwendig diskret mit vielen OPAMPs und Komparatoren aufgebaut. Sollte die Regelung jemals dennoch außer Tritt kommen, gibt es eine Überspannungsdetektion am Ausgang, die (verriegelnd) die Ansteuerung der Schalttransistoren sperrt. Zu guter Letzt muß auch EMV eingehalten werden, was ziemlich aufwendige Filter am Netzeingang und Kleinspannungsausgang erfordert. So wird aus einer einfachen Schaltung (Applikationsvorschläge UC3854 und UC3845) ein 19-Zoll-3HE Klotz mit kuchenblechgroßen Platinen...
Leopold N. schrieb: > Das ganze wird nun wieder zweistufig, Je nach Anforderungen wäre das nicht zwingend. Entweder, wenn (sehr) hoher Power Faktor + (sehr) niedrige THD 2trangig, oder etwas überlagerter 100Hz-Restripple am Ausgang nicht störte ("der Last egal", oder weiterer Regler dahinter, egal ob Schalt-/Linear-). In dem Leistungsbereich z.B. ein Stromgespeister Gegentaktwandler (für 3kW gern Current Fed Full Bridge), oder ein 3-Level-Resonanzkonverter: http://citeseerx.ist.psu.edu/viewdoc/download?doi=10.1.1.122.9693&rep=rep1&type=pdf Im Dokument ist sozusagen ein fast kompletter Bauplan. Sowohl eine LCC als auch eine LLC Version. (Zusätzlich eine kl. Abhandlung über Single Stage Medium Power Converter.) Wollte ich Dir nur mal zeigen, ist natürlich erst "am Schluß dran". (Mir kam der Gedanke, weil Du von einer Art überdimensionalem Labor- Netzgerät sprachst - und ein Linearregler dahinter möglich wäre.) Solche Abschlußarbeiten sind oft genug pures Gold für Lernwillige. Von der vielen Arbeit, die der Verfasser hineingesteckt hat, kann man als Anfänger besonders profitieren. Denn darin stehen Zusammenhänge, Daten, die man ansonsten gar nicht, oder nur durch ähnlichen Aufwand wie der Verfasser selbst erarbeiten könnte. Meist eine echte "Spitzen-Lektüre". Doch vorerst, wie gesagt: Widerstand und ohmsches Gesetz, induktive und kapazitive Bauteile, Diode, Bipolartransistor, Mosfet (Igfet), etc. Hilfreich wäre Dir sicherlich, AOE mal gründlich zu studieren. https://www.mootoo.co/uploads/ENEE%20303/Textbook/Paul%20Horowitz%2C%20Winfield%20Hill-The%20Art%20of%20Electronics-Cambridge%20University%20Press%20%282015%29.pdf
o.j.e. schrieb: > Richtig erkannt hast Du das Problem der Verluste an einer Dioden-Brücke. > Meine Ratschläge, Dich mit "Bridgeless PFC" zu befassen, hast Du aber > definitiv in den Wind geschlagen. Wobei die Ströme durch die geringere Leistung jetzt wesentlich moderater sind, und der Wirkungsgrad bei ihm in erster Linie keine Rolle spielt. Die Verluste kann er leicht mit einem dickeren Kühlkörper in den Griff bekommen. Ich würde in der ersten Iteration bei gewöhnlichem Diodengleichrichter mit nachgeschaltetem Boost Wandler (1 FET und 1 Diode - keine 2 FETs) bleiben. Auch würde ich im ersten Schritt auf eine analoge PFC Regelung mit einem gewöhnlichen PFC Chip setzen, zu dem es massig Informationen und Application Notes gibt. Somit kann man wenigstens die Regelung (Multiplier, R/S Latch etc.) in andere Hände geben, und sich auf die Auslegung der Komponenten konzentrieren. Das ist immer noch genug Herausforderung für den TE. Steht die PFC mit analoger Regelung, kann man die Boost Diode durch einen FET ersetzen - falls gewünscht. Steht das, kann man dann auf eine digitale Regelung umsteigen. Steht die PFC mit digitaler Regelung, kann man den nachgeschalteten DC/DC Wandler in Angriff nehmen. Als Leistungsklasse für dieses Projekt würde ich die 100W nicht überschreiten. Schönes Projekt für einen Anfänger. Gruß,
Schaltnetzteil schrieb: > Der Flußwandler schaltet (eintaktig) an beiden Enden des > Trafos, einmal masseseitig und am anderen Wicklungsende Richtung > Zwischenkreisspannung. Es ist also ein 2-Transistor- Eintakt- Flußwandler. Der Riesen-Vorteil: Auch ein durchlegierter Schalter auf der Primärseite führte zu keiner Gefahr, da immer noch eine Diode in Sperrrichtung vor der ZK-Spannung liegt - mal davon abgesehen, daß das Durchlegieren so sehr viel unwahrscheinlicher sein dürfte. Die Art Schaltstufe ist wirklich sehr beliebt, wo es auf sichere Funktion / Ausfallsicherheit ankommt. Auch im Militär- bzw. (Raum-)Flug-Bereich. Diese Schaltstufe geht ja auch auch für Flyback, gleicher Vorteil. Einzig der Aufwand ("Materialschlacht") ist, sagen wir mal: Bemerkenswert. ;-) Eintakt = großer Trafo, Eintakt-Forward = auch noch heftige Drossel. Aber die Eigenschaften sprechen natürlich für sich. Mittlerweile käme evtl. auch "Active Clamping" oder andere Möglichkeiten weiterer Reduktion der nötigen Sperrspannung in Frage. Aber ein tolles Gerät - vielen Dank!
Ich habe mir jetzt mal ein paar Artikel zu Bridgeless PFC durchgelesen und finde die Totem Pole Version am besten. Deshalb möchte ich die in meiner Testversion aufbauen, allerdings noch mit normalen MOSFETs, nicht mit GaN (geht doch oder?) Ansonsten danke für den Link zu AoE, werde ich in der nächsten Zeit studieren (nicht jede Seite, aber alles was mich anspringt :D) Ich bin gerade dabei den Schaltplan für die Testversion umzumalen und wenn er soweit fertig ist, lade ich ihn hier hoch. Grüße
Ach ja, @Schaltnetzteil danke für die Bilder und deine Mühe. Sieht klasse aus das Teil. Das ist noch ein langer Weg bis dahin, aber ich mach das ja eh nur zum Spaß, von daher... Grüße
Leopold N. schrieb: > Ich habe mir jetzt mal ein paar Artikel zu Bridgeless PFC durchgelesen > und finde die Totem Pole Version am besten. Deshalb möchte ich die in > meiner Testversion aufbauen, allerdings noch mit normalen MOSFETs, nicht > mit GaN (geht doch oder?) Mit "normalen" Mosfets hast Du da keine Chance. Mit Sic-Mosfets sollte das gehen. Die Body-Diode des SCT3017AL von Rohm hat eine trr = 30nS. Wenn es etwas mehr Widerstand sei darf, sind noch kürzere Zeiten drin.
Hallo, so jetzt habe ich soweit den Grundriss. Werte für L und C kommen noch, aber die Messungen sollten soweit fertig sein. Das ganze ist erst mal für den Betrieb an einem Ringkern mit 20 VAC_eff und Strömen von maximal 4A gedacht. Bin mal gespannt auf eure Antworten :) Grüße PS: Anhang als Bild macht keinen Sinn mehr...ist einfach zu groß geworden.
Achja, nicht wundern über das Netz XV_PRI, habe ich nur so genannt, weil ich mir noch nicht sicher bin, welcher Trafo genau für die Hilfsspannung da hinkommt.
Habe die Hilfsspannungserzeugung etwas geändert. Geht das so, oder mache ich damit irgendwo einen kurzen, etc? Grüße
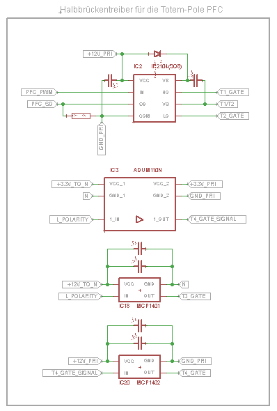
Hier nochmal das Gesamtpaket, habe jetzt auch die Spulen- und Kondensatorwerte berechnet (hoffe, dass alles stimmt). Wichtig ist mir, dass ihr euch mal die Treiberschaltung für die MOSFETs T3 und T4 anschaut. Außerdem die Erzeugung der Hilfsspannungen und die galvanisch getrennten Übertragungen mit dem ADuM261N, dem ADuM110N und dem SI8902. Grüße
Leopold N. schrieb: > Wichtig ist mir, dass ihr euch mal die Treiberschaltung für die MOSFETs > T3 und T4 anschaut. Wenn Dir das wirklich wichtig wäre, würdest Du die Schaltung als PNG posten. (.sch habe ich nicht auf der Festplatte. Was ist das überhaupt?)
Sven S. schrieb: > Wenn Dir das wirklich wichtig wäre, würdest Du die Schaltung als PNG > posten. > (.sch habe ich nicht auf der Festplatte. Was ist das überhaupt?) Habs versucht, zur Sicherheit auch noch mal als PDF. Grüße PS: .sch = Eagle Schaltplan
Ich glaube Du willst uns foppen. Das ist doch kein Schaltplan, das ist ein Puzzle-Spiel. Mit einem ATMega644 wird das sowieso ein sehr spannendes Unterfangen.
Ben B. schrieb: > Das ist doch kein Schaltplan, das ist > ein Puzzle-Spiel. Dabei habe ich mir extra die Arbeit gemacht, es alles einzurahmen und zu beschriften. Ben B. schrieb: > Mit einem ATMega644 wird das sowieso ein sehr > spannendes Unterfangen. Stimmt, und wenn er nicht ausreicht, werde ich wahrscheinlich einen STM32 benutzen. Grüße
Sieht auf den ersten Blick so aus, als würde ein Dioden-Paar fehlen (Totem-Pole PFC). Und ich sehe keine Snubber!
Cyborg schrieb: > Sieht auf den ersten Blick so aus, als würde ein Dioden-Paar fehlen > (Totem-Pole PFC). > > Und ich sehe keine Snubber! Welche Dioden genau? Ich habe den groben Plan hierher: https://www.nxp.com/docs/en/reference-manual/DRM174.pdf Brauche ich bei der Schaltfrequenz von 78,125 kHz schon Snubber?
Leopold N. schrieb: > Cyborg schrieb: >> Sieht auf den ersten Blick so aus, als würde ein Dioden-Paar fehlen >> (Totem-Pole PFC). >> >> Und ich sehe keine Snubber! > > Welche Dioden genau? > Ich habe den groben Plan hierher: > > https://www.nxp.com/docs/en/reference-manual/DRM174.pdf > > Brauche ich bei der Schaltfrequenz von 78,125 kHz schon Snubber? JA! Ich befürchte das Du das ebenso schlacksig aufbaust wie Du Deine Schaltpläne zeichnest. Da mußt du Snubber nehmen. Direkt am FET, keine 2cm entfernt. Weglassen kannst Du sie dann immer noch. Viel Glück.
Super Infos und Bilder great thanks .... :-) Frage: Gibt es einen frei zugänglichen Betrachter für die .sch Versionen ?! Hier noch Helmut S. Simu vom IR2104 falls jemand simulieren will :-) Beitrag "BLDC LTSpice Simulation"
MiWi schrieb: > Da mußt du Snubber nehmen. Direkt am FET, keine > 2cm entfernt. > > Weglassen kannst Du sie dann immer noch. Ok, werde ich heute oder morgen dann machen. Und der restliche Plan? Grüße
Michel M. schrieb: > Frage: Gibt es einen frei zugänglichen Betrachter > für die .sch Versionen ?! Ich glaube Eagle bietet eine kostenlose Version an: https://www.autodesk.de/products/eagle/free-download Einschränkungen: max. 2 Seiten Schaltplan, max. 2 Signallayer und max 80cm² Board. Grüße
Bei den Versuchen unbedingt eine Schutzbrille tragen, besser wäre eine Glasscheibe mit 1cm Dicke, die bei einem Versuch zwischen Baugruppe und Beobachter gefahren wird. Wegen der Sichflammen, die können bei 3kW eine erschreckende Länge erreichen. Ein Feuerlöscher in unmittelbarer Nähe wäre auch nicht verkehrt.
CPU Historiker schrieb: > Wegen der Sichflammen, die können bei 3kW eine erschreckende Länge > erreichen. Er ist schon längst von den 3kW weg...
Al3ko -. schrieb: > Er ist schon längst von den 3kW weg... Erfreulich/begrüßenswert, aber die grundlegende Einstellung hat sich imho nicht wesentlich verändert. Statt empfohlenener Vorgehensweisen - erst mal PFC fast beliebiger Topologie für max. 100W, mit schlicht analogem Controller, egal ob TM oder TCM oder CCM - sollen nun 20VAC @ 4A in eine Totem-Pole PFC. [Für mich sieht es fast aus, als ob nun die gewünschte 3kW Topologie "erst mal nur mit 40VAC und weniger Leistung ausprobiert werden soll". Möglicherweise sogar nur, um den Ratgebern (...) entgegenzukommen... Aber grundsätzlich sofort schnellstens in Richtung Implementierung dessen, was von Anfang an geplant war. Völlig egal, was wir sagen. Doch im Weiteren erst mal von einem "Zufall" ausgegangen:] Der Grund für diese Topologie erschließt sich mir nicht. Andere Arten hätten z.B. lauter GND-referenzierte aktive Schalter, und auch teils andere/einfachere Verhältnisse bzgl. Störaussendung: http://orbit.dtu.dk/files/4593912/Li.pdf Auf Seite 4 ganz unten sieht man die weit günstigeren CM-Verhältnisse (auch der traditionellen, aber ich meine speziell...) des "Two-Boost". Die Bezeichnungen variieren von Verfasser zu Verfasser (d. Dokumente), doch just diese Schaltung ließe sich ganz einfach mit einem furchtbar gewöhnlichen Transistion-Mode-Controller verwirklichen: http://www.ti.com/lit/an/slyt599/slyt599.pdf Das war übrigens meine erste PFC, damals für 350VA zum DC-DC, und 300VA am Ausgang dimensioniert (Effizienz mit Hausmitteln gemessen 30VA/80%; 100VA/90%; 250VA/95% - die Fets hätten auch mehr gepackt). Standard-Netzfilter, EMV nie gemessen (keine Möglichkeit) - deshalb von Anfang an Topologie mit diesbezüglich geringen Problemen gewählt. Nun aber zurück zur aktuellen Auswahl, und dem allgemeinen Vorgehen: Mir kommt es so vor, als würde der Großteil der Ratschläge einfach in den Wind geschlagen, ohne auch nur geringste Beachtung. Leopold N. schrieb: > Ansonsten danke für den Link zu AoE, werde ich in der nächsten Zeit > studieren (nicht jede Seite, aber alles was mich anspringt :D) Schade. Meine Empfehlung wäre gewesen, Dich erst_mal auf Grundlagen zu konzentrieren (wegen der offensichtlichen Schwächen). Und das AOE zwar nicht vollständig durchzuackern, aber zumindest alles potentiell nützliche gründlich zu studieren - und das wiederholt, bis es sitzt. Und vielleicht sogar erst einmal das Projekt beiseite zu lassen. Du wirst noch bereuen, die Wichtigkeit jener Grundlagen so dermaßen zu unterschätzen, das garantiere ich Dir. Die Zeit wird es zeigen. Immerhin scheinst Du einen starken Willen zu haben, fest entschlossen zu sein - doch das ist eben nicht in jeder Beziehung immer vorteilhaft. Man neigt dazu, gewachsene Vorstellungen mit aller Kraft festzuhalten. Nützlich allerdings später, wenn Du irgendwann bereit bist, zuzuhören. Leopold N. schrieb: > Ich habe mir jetzt mal ein paar Artikel zu Bridgeless PFC > durchgelesen und finde die Totem Pole Version am besten. Allmählich denke ich, Du hast noch_nie zu einer umfangreichen sowie komplexen Thematik recherchiert - und bist Dir gar nicht bewußt, daß es zwar anfänglich schwierig ist, nützliches zu finden, man aber schnell eine Art System entwickelt, eine Art "positive Rückkopplung" geschieht. Du solltest nicht "einige Artikel durchlesen", und Dich dann (eher aus "Gefühl" denn irgendwelchen praktischen Gründen) schwupps entscheiden, sondern (wo nötig, und das sind viele Bereiche) von Grund auf lernen, was warum wie funktioniert. Dann haben Entscheidungen auch einen Sinn. Das soll nicht heißen, daß Du Dich nicht gleichzeitig mit Grundlagen wie auch fortgeschrittenem befassen kannst - aber Du willst auf Dinge verzichten, die Dir unnötig erscheinen, nicht wahr? Und das meiste davon, was ich Grundlagen nenne, gehört für Dich dazu, scheint es... Viel Spaß, denn ohne Kenntnisse hast Du keinen Schimmer, welche der vielen Grundlagen Du vielleicht (nur vielleicht) nicht bräuchtest. Du wirst noch sehr viele unvorhergesehene Klippen umschiffen müssen, und vieles (mehr als nötig, allein wegen dieser Einstellung) falsch machen. Eventuell mußt Du wirklich erst (durch mehrere unangenehme Vorfälle - die aber endlich "überzeugen") lernen, daß Dir ein Großteil der aller- simpelsten (und hier UNABDINGBAREN) Grundlagen in Analogtechnik fehlt. (So lange Du Ratschläge, die Hinweise auf Wissenslücken (ob nun ganz alllgemein, oder grundlegend und akut wie hier) enthalten, weiterhin beleidigend statt hilfreich auffaßt, stellst Du Dir selbst ein Bein.) Sei es, wie es ist - ich wünsche Dir viel Glück und Erfolg.
o.j.e. schrieb: > Und vielleicht sogar erst einmal das Projekt beiseite zu lassen. Ich finde es sehr nett, dass du versuchst, zu vermitteln. Das Projekt (zumindest erst einmal die Version mit verringerter Leistung) ist aber ein Projekt, an dem ich lernen möchte. Ich möchte es erst einmal planen (da bin ich gerade dabei), dann aufbauen und dann sehe ich schon, wo es hakt. Dann schaue ich nach, wo es hakt und warum, informiere mich dann darüber und verbessere den Schaltplan entsprechend (oder das Layout, oder ...). Ich frage bloß hier, damit ich auf offensichtliche Fehler im Schaltplan aufmerksam werde. Nützliche Tipps auf andere Topologien, etc. sind mir willkommen und ich versuche auch, die dann zu verstehen und Vorteile / Nachteile abzuwägen. Zu den grundlegenden Sachen: Könntest du mir die Kapitel in AoE nennen, die ich auf jeden Fall durchlesen sollte? Grüße
Leopold N. schrieb: > Ich möchte es erst einmal planen (da bin ich gerade dabei), dann > aufbauen und dann sehe ich schon, wo es hakt. Das ist genau Deine Vorgehensweise, die von allen Seiten - auch meiner - kritisiert wird. Mit Deinem derzeitigen Wissensstand kannst Du nicht ernsthaft "planen".
Willst Du wirklich den IRF3205 mit 3,3Volt am Gate ansteuern? Leopold N. schrieb: > Welche Dioden genau? Man muß Mosfets keine Dioden parallelschalten.
Sven S. schrieb: > Leopold N. schrieb: >> Welche Dioden genau? > > Man muß Mosfets keine Dioden parallelschalten. Er hat gesagt, es fehlen zwei Dioden, nicht dass zwei zu viel sind. Sven S. schrieb: > Willst Du wirklich den IRF3205 mit 3,3Volt am Gate ansteuern? Ups, da habe ich wohl einen Treiber vergessen. Besser so? Habe noch die 12V Hilfsspannung gegen GND_PRI stabilisiert.
> Er ist schon längst von den 3kW weg...
Niemand hat die Absicht, einen 3kW Spannungswandler zu errichten!
Leopold N. schrieb: > Er hat gesagt, es fehlen zwei Dioden, Die fehlen eben nicht, weil überflüssig.
Sven S. schrieb: > Die fehlen eben nicht, weil überflüssig. Wenn einem die Eigenschaften der parasitären Body-Dioden ausreichen..., klar dann kann man sie weglassen. Mit ext. Dioden kann man u.U. bessere Eigenschaften erreichen.
Cyborg schrieb: > Mit ext. Dioden kann man u.U. bessere Eigenschaften erreichen. Welche Eigenschaften? Du meinst Reverse Recovery, stimmts? Es wäre schon ein Kunststück, dem Mosfet eine Schottky-Diode parallel zu schalten, die während der kurzen Totzeit den Strom vollständig übernimmt. Einfacher ist es, einen Mosfet zu nehmen, dessen Body-Diode eine möglichst kleine trr hat. In dieser Hinsicht ist der IRF3205 nicht mehr ganz up to date, aber auch nicht wirklich schlecht. Bei hoher Spannung bringt eine parallele Diode nichts mehr, weil deren Flussspannung nicht niedriger ist, als die der Body-Diode. Da wäre dann eine zusätzliche Diode nötig, siehe Bild. Besonders elegant wirkt das nicht, ist mit modernen Halbleitern aber auch nicht nötig: Sven S. schrieb: > Die Body-Diode des SCT3017AL von Rohm hat eine trr = 30nS. > Wenn es etwas mehr Widerstand sein darf, sind noch kürzere Zeiten drin.
Cyborg schrieb: > Wenn einem die Eigenschaften der parasitären Body-Dioden ausreichen..., > klar dann kann man sie weglassen. Ich denke, für die Testschaltung kann ich diese Dioden weglassen. Wenn das Ganze dann in Groß aufgebaut wird, kommen solche Schutzmaßnahmen natürlich wieder hin. Wenn ich schon dabei bin, die anderen beiden Dioden (D16 und D17) kann ich ja eigentlich vorerst auch weglassen, oder? Grüße
Leopold N. schrieb: > Wenn das Ganze dann in Groß aufgebaut wird, kommen solche > Schutzmaßnahmen natürlich wieder hin. Vor was schützen diese Dioden denn?
Al3ko -. schrieb: > Leopold N. schrieb: >> Wenn das Ganze dann in Groß aufgebaut wird, kommen solche >> Schutzmaßnahmen natürlich wieder hin. > > Vor was schützen diese Dioden denn? Überspannung am MOSFET durch induktive Lasten, außerdem vor Zerstörung des MOSFETs (genauer: der Body-Diode des MOSFETs) durch zu hohe Ströme. Habe ich etwas vergessen? Grüße
Leopold N. schrieb: > Könntest du mir die Kapitel in AoE nennen, die ich auf jeden Fall > durchlesen sollte? Durchlesen? Kapitel 1-5 sollten Dir in Fleisch und Blut übergehen (!). Daß Du wiederum mich fragst... Recherche liegt Dir ja echt gar nicht. Wie soll man dann aber dazulernen? Ich sehe schwarz, immer schwärzer. Leopold N. schrieb: > Ich finde es sehr nett, dass du versuchst, zu vermitteln. ETWAS, und DIR. Leopold N. schrieb: > Das Projekt (zumindest erst einmal die Version mit verringerter > Leistung) ist aber ein Projekt, an dem ich lernen möchte. > Ich möchte es erst einmal planen (da bin ich gerade dabei), dann > aufbauen und dann sehe ich schon, wo es hakt. Dann schaue ich nach, wo > es hakt und warum, informiere mich dann darüber und verbessere den > Schaltplan entsprechend (oder das Layout, oder ...). Und das ist für Dich nun mal die grundlegend falsche Taktik. o.j.e. schrieb: > Solange Du Ratschläge, die Hinweise auf Wissenslücken (ob nun ganz > allgemeine, oder grundlegende und akute wie hier) enthalten, > auch weiterhin beleidigend statt hilfreich auffaßt, ...und/oder einfach nicht glaub(en will)st, ... > stellst Du Dir selbst ein Bein. Mir könnte es ja egal sein, aber wenn ich an die falsch genutzte Zeit, die fehlerproduktive Arbeit, und dazu noch die weiterhin falschen ans Gehirn gesendeten Infos denke, daß Dir also dieses Vorgehen in jeglicher Hinsicht einfach nur schadet (zur kaum vorhandenen Basis gesellen sich falsche Zusammenhänge, in falscher Reihenfolge, alles rein negativ), Du nur sehr wenig nützliches lernen wirst (bis auf das, daß Du eben besser gleich "auf uns gehört" hättest), und es eventuell noch lange dauert, bis das mal "besser wird"... dann tut das schon beim Zusehen weh. Also: Aua. (Ach, ich war anfänglich auch ähnlich drauf. Dachte, mach dies, mach das. Daß das Ganze aber nur in einer gewissen Reihenfolge funktioniert, man sich erst dann weiterentwickeln kann, wenn das bisherige SITZT, das hatte ich damals auch erst nach ein paar Monaten planloser Planungen lernen können/müssen. Also verstehe ich das - doch um so schlimmer... Wahrscheinlich sollte ich mich besser einfach raus halten, bis (...))
Leopold N. schrieb: > Überspannung am MOSFET durch induktive Lasten, Nö, tun sie nicht. Wie sollten sie? > außerdem vor Zerstörung > des MOSFETs (genauer: der Body-Diode des MOSFETs) durch zu hohe Ströme. Wieder nö. Wie und wodurch sollten diese hohen Ströme denn zustande kommen? > Habe ich etwas vergessen? Oh ja, so vieles ...
Leopold N. schrieb: >> Vor was schützen diese Dioden denn? > > Überspannung am MOSFET durch induktive Lasten, außerdem vor Zerstörung > des MOSFETs (genauer: der Body-Diode des MOSFETs) durch zu hohe Ströme. > Habe ich etwas vergessen? Ja, Du hast vergessen, den inneren Aufbau eines Leistungsmosfet anzuschauen. Der ist nämlich selber eine Diode. In Sperrrichtung eine Leistungs-Z-Diode, siehe Datenblatt-Ausschnitt des IRF3205. Schau Dir die Daten dieser Diode mal an, und überleg Dir, vor was, und wie Du die schützen willst.
o.j.e. schrieb: > Leopold N. schrieb: >> Könntest du mir die Kapitel in AoE nennen, die ich auf jeden Fall >> durchlesen sollte? Maine Antwort habe ich dem Leopold erspart, sie wäre etwas... knackiger ausgefallen. > Durchlesen? Kapitel 1-5 sollten Dir in Fleisch und Blut übergehen (!). > Daß Du wiederum mich fragst... Recherche liegt Dir ja echt gar nicht. > Wie soll man dann aber dazulernen? Ich sehe schwarz, immer schwärzer. > @ o.j.e.: ich finde es eh sehr bemerkenswert welche Geduld Du in dem Fall hast... Leopold hat einen ziemlichen Verschleiß an Supportern... Naja.
Ich habe eine Frage zu AoE: Bin bei 2.3.1 Transcoductance Amplifier auf Seite 124 von 1225: Es werden zwei Gleichungen vorgestellt (eine für I_c und eine für V_be). Beide Gleichungen sind ja ein und dasselbe, nur umgeformt. Im Fließtext beschreibt er dann, welches Formelzeichen was bedeutet. Erst sagt er, I_s(T) ist der Sättigungsstrom des Transistors und ca. 10 Zeilen drunter sagt er, I_s(T) nähert den Reverse Leakage Strom an. Was davon stimmt jetzt? Wegen meines Projekts: Ich muss es momentan auf Eis legen, weil ich im nächsten Monat keine Zeit mehr dafür habe. Danach hört ihr diesbezüglich wieder von mir. Grüße
MiWi schrieb: > Geduld Habe ich viel, aber zum Threadthema sage ich vorerst nichts mehr. Mir ist die unselbständige Arbeitsweise etwas zu viel, und auf die bisherigen Ratschläge wird ja (sagte ich schon) nicht reagiert. Schreibe erst dann wieder, wenn die Tipps brauchbare Früchte tragen. Leopold N. schrieb: > Ich habe eine Frage zu AoE: (...) Errata überprüft? Auch woanders wird das Thema behandelt (auch hier #) - Google hilft. Wenn es keine andere Lösung gibt, die mittels vertretbarem Aufwand zu finden ist, eröffnet man für so etwas gerne einen neuen Thread. Somit finden eventuell auch andere das Problem / die Lösung. (#: https://www.mikrocontroller.net/search?query=Transconductance+Amplifier&forums%5B%5D=1&forums%5B%5D=19&forums%5B%5D=9&forums%5B%5D=10&forums%5B%5D=2&forums%5B%5D=4&forums%5B%5D=3&forums%5B%5D=6&forums%5B%5D=31&forums%5B%5D=17&forums%5B%5D=34&forums%5B%5D=11&forums%5B%5D=8&forums%5B%5D=14&forums%5B%5D=12&forums%5B%5D=7&forums%5B%5D=5&forums%5B%5D=15&forums%5B%5D=13&forums%5B%5D=18&forums%5B%5D=16&max_age=-&sort_by_date=1 ) MfG
Bitte melde dich an um einen Beitrag zu schreiben. Anmeldung ist kostenlos und dauert nur eine Minute.
Bestehender Account
Schon ein Account bei Google/GoogleMail? Keine Anmeldung erforderlich!
Mit Google-Account einloggen
Mit Google-Account einloggen
Noch kein Account? Hier anmelden.


















