Problemstellung: ein batteriebetriebenes Messgerät sollte um eine "alive" Schaltung erweitert werden - eine LED, die alle paar Sek. mal kurz aufblitzt. Lösung: simpler 74HC1G14 Schmitt-Trigger Oszillator mit 10uF Kerko, 1M Entladewid. mit parallelen 1N4148 + 10k Ladewiderstand. Aufgebaut, funktioniert, eingebaut, Gerät ausgeliefert. 1 Wo. später kam das Gerät zurück, Batterie leer. Berechnete Lebensdauer war 20 Wo. ! Ursache nach einigem Suchen: der 74HC1G14 hatte, schwankend, bis 15mA Stromaufnahme !!! Im SN74LVC1G14 Datenblatt von TI, welches ich beim entwickeln vor mir hatte, stand etwas von 10uA Icc über den Temp.bereich, aber nix von 15mA ! Erster Verdacht war fake Ware aus China, wobei ich mit zig Bestellungen über Aliexpress noch nie Probleme hatte. Also, Testaufbau gemacht und Stromaufnahmen gemessen , während die Eing.spannung von 0 auf 5V (händisch langsam) hochgefahren wurde: Hab irgendwie nicht erwartet, das beim Schmitt-Trigger, genau wie beim simplen CMOS Inverter, in der Nähe von VDD/2 der Querstrom - bis zum Erreichen der Schaltschwelle - dramatisch ansteigt ! Mann kann also definitiv KEINE low power RC Oszillatoren damit bauen, weil deren Arbeitsbereich der Eingangsspannung zu 100% im "tödlichen" Bereich der hohen Icc Querströme liegt und NIE bei querstromfreien 0 oder 5V ! Dann Datenblätter anderer 'HC14 Hersteller angeschaut : Hätte ich gleich zu Beginn bei NEXPERIA reingeschaut, wäre ich vlt. nicht reingefallen: im 74HC1G14 pdf gibt es schöne Grafiken, die Icc als Funktion der Eingangsspannung zeigen. Die Werte gehen dort allerdings nur bis rund 1mA hoch. Für low power immer noch zuviel, aber deutlich kleiner wie die von mir gemessenen 15mA. Also in der Schublade nach anderen Chips gesucht und gemessen: 74HC14 DIP: alle Eingänge auf GND bis auf den zu messenden: Stromaufnahme geht bei VDD=5V je nachdem, ob man von unten oder oben anfährt, bis über 2mA hoch ! CD4093 DIP: 1 NAND gemessen mit verbundenen Eingängen, andere 3*2 Eing. auf GND : Stomaufnahme geht bis max.200uA hoch ! Man sieht, je neuer(schneller) die Technologie, um so übler die Querströme; ist ja nix Neues bei komplementären Gattern, aber für Schmitt-Trigger Anwendungen find ich es überraschend und unbrauchbar. Zudem sind die Stromaufnahme-über-Taktfrequenz Angaben völlig irreführend: die gelten nur bei steilflankigen Eingangssignalen, keinesfalls für analoge Signale - aber genau dafür kauft man doch den Schmitt-Trigger und nimmt nicht den 'HC04er ! Werde jetzt mit 2..3 Einzeltransistoren (diskrete o. CD4007) eine komplementärtransistorfreie einfache low power Lösung machen. Zu guter Letzt noch in die Runde gefragt : kann jemand die extrem hohe Stromaufnahme bei der statischen Kennlinie des 74HC1G14 bestätigen ? Oder ist es vielleicht doch fernöstliche Ausschussware ?
Ja. Dafür sind die nicht gebaut. Es hilft, mit vcc runterzugehen... oder gleich einen komparator zu verwenden...
Das Datenblatt zum SN74LVC1G14 nennt zu den Icc=10 uA auch noch ΔIcc=500 uA. Letzteres sollte IMO der Schaltstrom sein, wenn ein Eingang nicht ganz VCC bzw. GND ist (z.B. VCC-0.6V, s. Datenblatt). Vielleicht ist auch die Ladung an deinem Ausgang zu groß und muss immer wieder umgeladen werden?
Schau mal, welche Stromaufnahme der 7555 hat. Oder einen MC programmieren, z.B. Attiny4.
Manchmal ist die klassische Schaltung mit diskreten Bauelementen eben die bessere Lösung und auch nicht aufwändiger wie ein IC. R1=330kOhm R2=6,8kOhm C zw. 47µ und 100µ
Zeno schrieb: > Manchmal ist die klassische Schaltung mit diskreten Bauelementen eben > die bessere Lösung und auch nicht aufwändiger wie ein IC. Unsinn, Steinzeit, braucht ausserdem hohe Spannung wegen dem nachgebauten UJT. Moderne integrierte Oszillatoren kommen mit 35nA aus: TPL5010.
Unjunktion Transistor. Ja, die gibt es immer noch zu kaufen. https://electricalfundablog.com/unijunction-transistor-ujt-construction-working-characteristics-curve-applications/amp/
Michael B. schrieb: > Unsinn, Steinzeit, > braucht ausserdem hohe Spannung wegen dem nachgebauten UJT. Du machst Deinem Namen wieder mal alle Ehre. Was ist bei Dir hohe Spannung? Die Schaltung funktioniert ab 3V und da der TO mit 5V arbeitet ist das völlig egal. Ob das nun Steinzeit ist oder nicht ist auch völlig egal. Entscheident ist ob die Schaltung den Zweck erfüllt und das tut sie.
Brobiere es damit, laesst sich umdimensionieren... http://www.elektronik-labor.de/Notizen/Blitzi.html
elektrouwe schrieb: > Aufgebaut, funktioniert, eingebaut, Gerät ausgeliefert. 1 Wo. später kam > das Gerät zurück, Batterie leer. Berechnete Lebensdauer war 20 Wo. ! > Ursache nach einigem Suchen: der 74HC1G14 hatte, schwankend, bis 15mA > Stromaufnahme !!! Hehe, schön reingefallen ;-) > Im SN74LVC1G14 Datenblatt von TI, welches ich beim entwickeln vor mir > hatte, stand etwas von 10uA Icc über den Temp.bereich, aber nix von 15mA Ja, wenn die Eingangsspannung nahe 0V oder VCC liegt. Mitten drin zieht das Ding VIEL Strom! > Hab irgendwie nicht erwartet, das beim Schmitt-Trigger, genau wie beim > simplen CMOS Inverter, in der Nähe von VDD/2 der Querstrom - bis zum > Erreichen der Schaltschwelle - dramatisch ansteigt ! Mann kann also > definitiv KEINE low power RC Oszillatoren damit bauen, weil deren > Arbeitsbereich der Eingangsspannung zu 100% im "tödlichen" Bereich der > hohen Icc Querströme liegt und NIE bei querstromfreien 0 oder 5V ! Genau. > keinesfalls für analoge Signale - aber genau dafür kauft man doch den > Schmitt-Trigger und nimmt nicht den 'HC04er ! Aber nicht zum Strom sparen sondern zur Entprellung. Und von Millisekunden und mehr im "verbotenen" Bereich redet da auch keiner. > Werde jetzt mit 2..3 Einzeltransistoren (diskrete o. CD4007) eine > komplementärtransistorfreie einfache low power Lösung machen. Unsinn, es gibt tonnenweise fertige, ultra low power Oszillatoren, u.a. RTCs. > Zu guter Letzt noch in die Runde gefragt : kann jemand die extrem hohe > Stromaufnahme bei der statischen Kennlinie des 74HC1G14 bestätigen ? #Metoo > Oder ist es vielleicht doch fernöstliche Ausschussware ? Nö.
Zeno schrieb: > Manchmal ist die klassische Schaltung mit diskreten Bauelementen eben > die bessere Lösung und auch nicht aufwändiger wie ein IC. Diese Situation ist heutzutage SEHR selten. > R1=330kOhm > R2=6,8kOhm > C zw. 47µ und 100µ Schöner Käse mit so einem Riesenkondensator. Es gibt fix und fertige, kleine, ultrastromsparende Oszillatoren.
Hauptsache der Artikel über den UJT wurde von einer Fachkraft verfasst: Abinayaa B Abinayaa is an ME Graduate in Embedded System Technologies, BE graduate in ECE and has work experience in teaching in private engineering college. She is an Author, Editor and Partner at Electricalfundablog. Früher hätte man dafür ein passendes Buch suchen müssen. MFg
Dieter schrieb: > Brobiere es damit, laesst sich umdimensionieren... > > http://www.elektronik-labor.de/Notizen/Blitzi.html Wie kannst Du nur diese Schaltung vorschlagen? Frag mal Laberkopp - für so etwas nimmt man nämlich einen TPL5010.
Falk B. schrieb: > Diese Situation ist heutzutage SEHR selten. Ja in diesem Forum schon - unter µC geht da nichts. Und ja der Kondensator ist so riesig, das man ihn aus Platzgründen neben der Leiterplatte positionieren muß. Dieter schrieb: > http://www.b-kainka.de/bastel59.htm Auch'ne Variante, aber so lange solche Leute wie Laberkopp und FB hier unterwegs sind geht so etwas gar nicht, da muß es schon was Modernes sein - koste es was es wolle.
Falk B. schrieb: > Schöner Käse mit so einem Riesenkondensator. Es gibt fix und fertige, > kleine, ultrastromsparende Oszillatoren. Die schwingen dann aber auch oft bei einer wesentlich höheren Frequenz und erledigen den Rest über einen Teiler.
elektrouwe schrieb: > Werde jetzt mit 2..3 Einzeltransistoren (diskrete o. CD4007) eine > komplementärtransistorfreie einfache low power Lösung machen. Ich würde die Schmitt-Triggerfunktion mit zwei Invertier (wenn ich mich richtig erinnere CD 4049), die in Serie geschaltet realisieren. Ein Widerstand mit einem Anschluß am Eingang des ersten Invertiers und den zweiten Anschluß am Ausgang des zweiten Inverters bewirkt die Rückkopplung. Der Augang des ersten Invertiers ist mit dem Eingang des zweiten Invertiers verbunden. Das Signal wird über einen zweiten Widerstand eingespeist, dessen anderes Ende mit dem Eingang des ersten Invertiers verbunden ist. Das Kippen kann auch durch ein langsames Eingangssignal nicht eingebremst werden, da die Rückkopplung durch den Eingangswiderstand entkoppelt ist. Bei Bedarf liefere ich gerne die Schaltung nach. MFG GEKU
>Bei Bedarf liefere ich gerne die Schaltung nach.
Und braucht die auch deutlich weniger Strom?
GEKU schrieb: > Bei Bedarf liefere ich gerne die Schaltung nach. Ne du, lieber nich. Über diese Grundschaltungen, gibt's schon mehr als genug Seiten im Netz. Ein Link würde reichen. Wäre aber hier, trotzdem Fehl am Platz.
Jens G. schrieb: > Und braucht die auch deutlich weniger Strom? Der Bereich der hohen Querströme der beiden Inverters wird konstruktionsbedingt sehr rasch durch die Rückkopplung durchlaufen. Ein langsames Durchlaufen kann vom Eingangssignal nicht aufgezwungen werden. Die Schaltung stammt aus der Anfangszeiten der Cmos Technologie 1972, wo noch keine Schmitt-Trigger direkt in der Cmos Familie verfügbar waren und man langsam Eingangssignale hatte. MFG GEKU
Zeno schrieb: > aber so lange solche Leute wie Laberkopp und FB hier > unterwegs sind geht so etwas gar nicht, da muß es schon was Modernes > sein - koste es was es wolle. Hmm.. Kann man so sehen. Kann man auch Fortschrittsverweigerung nennen. Gerade der Laberkopp hat mir mit einem Problem wirklich weiter geholfen und mich dazu bewegt mein bisheriges Design umzuwerfen und ein "modernes" Bauteil zu verwenden. Das war zu 100% der richtige Weg und ich bin mit dem Ergebnis mehr als zufrieden. Und viel wichtiger: Ich habe mich fachlich nach vorne bewegt, auch wenn ich das zuerst nicht wollte. Über die Art und Weise der Meinungsäußerung von den beiden genannten kann man geteilter Meinung sein. Über die Fachkompetenz jedoch in den seltensten Fällen.
Teo D. schrieb: > GEKU schrieb: >> Bei Bedarf liefere ich gerne die Schaltung nach. > > Ne du, lieber nich. Über diese Grundschaltungen, gibt's schon mehr als > genug Seiten im Netz. Ein Link würde reichen. Wäre aber hier, trotzdem > Fehl am Platz. Mea Culpa. Entweder Google ist mittlerweile zu intelligent, oder ich .... Keine Seiten mehr zu finde, die sich nicht nur mit dem Grundprinzip beschäftigen.
elektrouwe schrieb: > Oder ist es vielleicht doch fernöstliche Ausschussware ? Nope, wie bereits von anderen Foristen beschrieben ist das bei allen Cmops so. Je schneller die Schaltkreise, desto schlimmer der Effekt. Bei kleinerer Versorgungsspannung geht die Geschwindigkeit / max. Taktfrequenz runter, die Stromaufnahme beim durchqueren der logischen zustände ebenso. HC ist hier so ziemlich die schlechteste Wahl, die du treffen konntest. Anbei (das darf nicht fehlen!) eine meiner berühmt-berüchtigten links: https://www.instructables.com/id/Listen-to-a-led-tea-light/
GEKU (Gast) schrieb: >Jens G. schrieb: >> Und braucht die auch deutlich weniger Strom? > >Der Bereich der hohen Querströme der beiden Inverters wird >konstruktionsbedingt sehr rasch durch die Rückkopplung durchlaufen. Ein >langsames Durchlaufen kann vom Eingangssignal nicht aufgezwungen werden. Wieso nicht? Was Du beschreibst, ist doch einfach eine Mitkopplung. Einen C vermisse ich übrigens in Deiner Beschreibung. Vielleicht interessiere ich mich doch für Deine Schaltung in Form eines Plans ... ;-)
Thomas S. (selli69) schrieb: >Über die Art und Weise der Meinungsäußerung von den beiden genannten >kann man geteilter Meinung sein. Über die Fachkompetenz jedoch in den >seltensten Fällen. Ist schon richtig. Kompetent sind sie schon. Aber manchmal vergessen/verwechseln die den Unterschied privat(Gebastel) <-> kommerziell. Man muß nicht immer alles mit einem µC erschlagen - rein materiell zwar sicherlich unschlagbar, aber für einen Gelegenheitsbastler eher ein riesen Aufwand.
Jens G. schrieb: > Man muß nicht immer alles mit einem µC erschlagen - rein materiell zwar > sicherlich unschlagbar, aber für einen Gelegenheitsbastler eher ein > riesen Aufwand. Kommt wohl auch darauf an aus welcher "Ecke" der heutige junge Gelegenheitsbastler kommt, also welche Erfahrungen und Voraussetzungen vorliegen. Da wird jede Generation eigene Erfahrungen sammeln müssen. Ich alter Sack sag dazu mal: -Alle meine "CPU-freien "Basteleien" rennen auch nach 40 Jahren noch sorglos und zuverlässig. (Ok, von analogen Leistungsendstufen und Akkugeräten mal abgesehen) -alle alten "CPU-basierten "Basteleien" sind "out of service". Klar, heutzutage muss (oder soll?) nichts mehr lange halten. Meine aktuellen µC-Projekte haben eine gute Chance mich zu überleben.
Jens G. schrieb: > Aber manchmal > vergessen/verwechseln die den Unterschied privat(Gebastel) <-> > kommerziell. Ich denke, dass es hier um letzteres geht, denn: elektrouwe schrieb: > Aufgebaut, funktioniert, eingebaut, Gerät ausgeliefert. 1 Wo. später kam > das Gerät zurück, Batterie leer. Das lässt auf Gewerbe schließen. Das schöne an einem Forum wie diesem ist, dass hier die verschiedensten Wege nach Rom vorgeschlagen werden. Weniger schön ist, dass vieles zu persönlich genommen wird. Mir sind die State-of-the-Art Lösungen immer am liebsten, denn diese erschlagen zumeist viele Probleme, welche bei den Bastellösungen erst mal gar nicht ins Blickfeld geraten, später jedoch dazu führen, dass man alles über den Haufen werfen muss. Siehe das Problem des TO.
Thomas S. schrieb: > Das schöne an einem Forum wie diesem ist, dass hier die verschiedensten > Wege nach Rom vorgeschlagen werden. Weniger schön ist, dass vieles zu > persönlich genommen wird. > > Mir sind die State-of-the-Art Lösungen immer am liebsten, denn diese > erschlagen zumeist viele Probleme... 100% Ack! Aber "State-of-the-Art" ist auch abhängig von der Generation: siehe oben, die Auffindbarkeit von Links aka "vergessenes Wissen", oder der dazugehörigen Halbleiterbeschaffungsproblematik.
GEKU schrieb: > Der Bereich der hohen Querströme der beiden Inverters wird > konstruktionsbedingt sehr rasch durch die Rückkopplung durchlaufen. Ein > langsames Durchlaufen kann vom Eingangssignal nicht aufgezwungen werden. > Die Schaltung stammt aus der Anfangszeiten der Cmos Technologie 1972, wo > noch keine Schmitt-Trigger direkt in der Cmos Familie verfügbar waren > und man langsam Eingangssignale hatte. Lege eine funktionierende Schaltung auf den Tisch. Prosa überzeugt mich nicht.
elektrouwe schrieb: > Aufgebaut, funktioniert, eingebaut, Gerät ausgeliefert. 1 Wo. später kam > das Gerät zurück, Batterie leer. SSKM. Zu einer Entwicklung gehört auch die Inbetriebnahme. Stromaufnahmen berechnet man zwar schon, aber da muss ein Abgleich mit der Relaität erfolgen. Wer nicht misst, baut Mist. Was das Thema angeht: Wenn man Low-Power will, wird man wohl auch auf Low-Power-Logik zurückgreifen. Das ist kein 74HC, das ist leicht angegrauter Standardkram. Dafür gibts die AUP-Serie. Da hätten wir 74AUP1G14: https://assets.nexperia.com/documents/data-sheet/74AUP1G14.pdf Der Peak einigermaßen irgenwo bei 240µA oder so. Schon ziemlich Batterietauglich. Viel einfacher wäre natürlich ein MEMS-Oszillator: http://ww1.microchip.com/downloads/en/devicedoc/20005625b.pdf Beides ist natürlich kein wüstes Gefrickel mit Vintage-Elektronik wie irgendwelcher 4000er Kram, also weiß ich nicht, obs den Geschmack trifft...
GEKU schrieb: > Der Bereich der hohen Querströme der beiden Inverters wird > konstruktionsbedingt sehr rasch durch die Rückkopplung durchlaufen. eben nicht ! das gilt nur für den 2ten Inverter. Der erste hat das Querstromproblem vollständig, da die langsame Eingangsspannung - trotz Sprüngen beim Kippen des Ausgangs - IMMER im querstromproduzierenden Hystereseband bleibt. @Zeno : Ja, so eine Schaltung schwebte mir vor. Da kann man beim 10uF Kerko bleiben und mit Megohm R arbeiten. @Michael B.: der TPL5010 ist interessant, allerdings lohnt sich die Beschaffung wegen 1 Stück nicht für mich. Der Gesamtaufwand ist auch nicht kleiner wie bei einer 2 Trans.schaltung, da ich die (zu lange) 320ms reset puls Dauer mit R+C auf "Blitzdauer" verkürzen müsste um ein stromsparendes Puls/Pausenverhältnis zu bekommen. @Dieter: UJT muss nun wirklich nicht mehr sein :-)
Nicht messen ist Mist schrieb: > Stromaufnahmen > berechnet man zwar schon, aber da muss ein Abgleich mit der Relaität > erfolgen jawoll Herr Oberlehrer! > Da hätten wir 74AUP1G14...Der Peak einigermaßen irgenwo bei 240µA oder so. Oder so - ich sehe 800uA bei 3V im Datenblatt. Das schafft ein CD4xxx auch, aber der AUP schafft keine 5V. > Viel einfacher wäre natürlich ein MEMS-Oszillator: 2kHz - 80MHz Blinkfrequenz schaffen meine alten Augen nicht mehr, dann doch lieber "wüstes Vintagegefrickel"
Nicht messen ist Mist schrieb: > Da hätten wir 74AUP1G14: > https://assets.nexperia.com/documents/data-sheet/74AUP1G14.pdf > Der Peak einigermaßen irgenwo bei 240µA oder so. > Schon ziemlich Batterietauglich. Nein eben nicht. Der Querstrom wird üblicherweise nicht in der Mitte bei der Schaltschwelle gemessen, sondern bei klassischen TTL Pegeln. TTL High liegt ja 2 Dioden Spannungen oder so unter VCC. Dagegen hilft nur, mit der Versorgungsspannung drastisch runterzugehen, so dass im Eingangsinverter nur mehr einer der zwei P/N Mosfets leitet. Die Schaltung von GEKU mit den zwei Invertern hat das selbe Problem, wird halt nie dazugesagt, weil es jeder vom anderen abschreibt. Wie oben schon geschrieben, haben ganz simple 10 Cent LM339 Komparatoren das Problem nicht, oder man baut es halt diskret mit einem Mosfet.
Wie viel LowPower darf den die LED eigentlich haben? Hier noch so ne Hi-Tech Lösung: https://www.elv.de/kingbright-blink-led-l-56bgd-5mm-gruen.html
elektrouwe schrieb: > @Zeno : Ja, so eine Schaltung schwebte mir vor. Da kann man beim 10uF > Kerko bleiben und mit Megohm R arbeiten. So groß muß der R da gar nicht werden. Notfalls 2 Kerkos parallel.
Udo K. schrieb: > Dagegen hilft nur, mit der Versorgungsspannung drastisch runterzugehen, > so dass im Eingangsinverter nur mehr einer der zwei P/N Mosfets leitet. ... > haben ganz simple 10 Cent LM339 Komparatoren das Problem nicht, oder man >baut es halt diskret.. Danke, so seh ich das auch.
elektrouwe schrieb: > @Dieter: UJT muss nun wirklich nicht mehr sein :-) Sehr schade, da so wenig Bauteile und auch Beinchen ... Eine simple Lösung wäre: http://www.b-kainka.de/bastel59.htm Das geht mit nur zwei Transistoren an 5V: Siehe unter: 10.3 Langsamer Blinker http://www.b-kainka.de/Experimente/Experimentiersystem.htm Kleiner Tip noch dazu, verwende Transistoren mit hohem Beta, zB. 2SD2704. Dann arbeitet die Schaltung noch sparsamer. Noch eine Variante: http://www.b-kainka.de/bastel29.htm Die beste diskrete Lösung wäre der "Langsame Blinker" nach meiner Einschätzung.
Udo K. schrieb: > Wie oben schon geschrieben, haben ganz simple 10 Cent LM339 Komparatoren > das Problem nicht, Stimmt, die brauchen immer deutlich mehr als ein paar uA, so um die 800uA/Komparator. Dazu kommt der selten dämliche Open Kollektor Ausgang. Nene, den kanst du für Low Power im Jahr 2019 vergessen. > oder man baut es halt diskret mit einem Mosfet. Oder man nimmt den richtigen IC! Selbst ein TLV3702 braucht da DEUTLICH weniger, 20uA/Komparator und CMOS-Endstufe. Es gibt aber noch deutlich sparsamere.
Falk B. schrieb: > Udo K. schrieb: >> Wie oben schon geschrieben, haben ganz simple 10 Cent LM339 Komparatoren >> das Problem nicht, > > Stimmt, die brauchen immer deutlich mehr als ein paar uA, so um die > 800uA/Komparator. Dazu kommt der selten dämliche Open Kollektor Ausgang. > Nene, den kanst du für Low Power im Jahr 2019 vergessen. Dafür hast du dann aber auch vier Komparatoren :-) Aber wenn 0.8 mA zu viel sind, dann gehe ich mal davon aus, das der Hinweis dem TO reicht, um einen mit weniger Ic zu finden...
Teo D. schrieb: > Wie viel LowPower darf den die LED eigentlich haben? -1? Eher -10 Bei 2Hz, 1mA, 1ms..... OK lassen wir die LED mal außen vor. :) Trotzdem würde ich das gerne mal mit einer Blink-LED vergleichen. Die wird ja sicher auch nicht ständig 20mA ziehen. Nur aus Neugier, mit ~50µA im Schnitt, wird das nich getan sein.
Wenn man sucht findet man auch sowas: Der Operationsverstärker TLV9061 und die Komparatoren TLV7011 und TLV7021 von Texas Instruments mit einer Stromaufnahme von nur 335 nA. Die Kippschaltung ist dabei sehr simpel.
2 Cent schrieb: > -alle alten "CPU-basierten "Basteleien" sind "out of service". oh ja, kein System mehr um Z80 6502 6522 LH8503 zu bedienen, GAL Prommer und EPROM Brenner ausser Betrieb..... Aber ich habe noch jede Menge EPROM EEPROM und SRAM im DIP 24/28, nur wer mag die heute noch händisch auf Lochraster verdrahten, ich nicht.
Sebastian schrieb: > Das Datenblatt zum SN74LVC1G14 nennt zu den Icc=10 uA auch noch ΔIcc=500 > uA. Letzteres sollte IMO der Schaltstrom sein, wenn ein Eingang nicht > ganz VCC bzw. GND ist (z.B. VCC-0.6V, s. Datenblatt). > > Vielleicht ist auch die Ladung an deinem Ausgang zu groß und muss immer > wieder umgeladen werden? Wieso gibt es denn eigentlich diese Diskrepanz von ΔIcc=500 uA zu 15 mA des TO?
Sebastian schrieb: > Wieso gibt es denn eigentlich diese Diskrepanz von ΔIcc=500 uA zu 15 mA > des TO? Layoutfehler? Dimensionierungsfehler? ich lese 24-mA Output Drive at 3.3 V das Teil schwingt oder schaltet zu oft, Idyn != Istat
elektrouwe schrieb: > GEKU schrieb: >> Der Bereich der hohen Querströme der beiden Inverters wird >> konstruktionsbedingt sehr rasch durch die Rückkopplung durchlaufen. > > eben nicht ! das gilt nur für den 2ten Inverter. AUTSCH. Es gibt keine rasche Rückkopplung, TO benutzt RC-Glied. Es blieb ihm im Voraus wohl nichts anderes sinnvolles übrig. Egal wie: Irgendein Eingang wird "langsam" den Pegelwechsel im "unerlaubten" Bereich durchlaufen. EDITH erinnert: DOPPELAUTSCH welcher "2ten Inverter"?=??? Leben die Antworter und Foristen hier (oder sind nur BOTs und Volldioten hier) in (m)einer Traumwelt??? Bitte ausdrücklich um Korrektur, falls ich meine Fragen "zu straff" stellen sollte! On top: hier wird shnuller geshr ("shnuller geshr":= Abk. f. "schneller geschrieben") als ich Popkorn frssen (und nchpltzen) lssen kann ((JJ, mein "a" ist auch schwergngig))..... zo (das "zo" ist auf meiner TT auch nicht ereichbar.)............. i will be back.
Vielleicht noch erwähnenswert, dass mit Kerkos (Ausnutzung der Nichtlinearität) und einer Diode die Schaltungsblinkfrequenz noch eine verstärkte spannungsabhängige Komponente bekommen würde. Die Pausen zwischen dem Blinken werden mit abnehmender Spannung merklich länger, falls sowas noch erwünscht sein sollte. Beitrag "Re: low-power Oszillator mit 74HC1G14 : Reinfall !" Beitrag "Re: low-power Oszillator mit 74HC1G14 : Reinfall !"
Aufgebaut, funktioniert, eingebaut, ERPROBT, Gerät ausgeliefert.
2 Cent schrieb: >> GEKU schrieb: >>> Der Bereich der hohen Querströme der beiden Inverters wird >>> konstruktionsbedingt sehr rasch durch die Rückkopplung durchlaufen. >> >> eben nicht ! das gilt nur für den 2ten Inverter. > AUTSCH. Es gibt keine rasche Rückkopplung, TO benutzt RC-Glied. Es blieb > ihm im Voraus wohl nichts anderes sinnvolles übrig. Egal wie: Irgendein > Eingang wird "langsam" den Pegelwechsel im "unerlaubten" Bereich > durchlaufen. > > EDITH erinnert: DOPPELAUTSCH welcher "2ten Inverter"?=??? > > Leben die Antworter und Foristen hier (oder sind nur BOTs und > Volldioten hier) in (m)einer Traumwelt??? lies doch einfach,statt zu meckern ! (sollte es am Osterferienbier liegen,was dein Schreibstil vermuten lässt, sei es dir gegönnt) GEKU wollte den einen HC1G14 durch zwei Inverter mit externen Mittkopplungs-R ersetzen, in der falschen Annahme,dass das Querstromproblem dann nicht auftaucht. Der kürzere Icc peak des 2ten Inverters kommt halt leider noch dazu. Die Begründung schrieben ich und andere bereits, deine Wiederholung macht es nicht einleuchtender. Sebastian schrieb: >> Das Datenblatt zum SN74LVC1G14 nennt zu den Icc=10 uA auch noch ΔIcc=500 >> uA. Letzteres sollte IMO der Schaltstrom sein, wenn ein Eingang nicht >> ganz VCC bzw. GND ist (z.B. VCC-0.6V, s. Datenblatt). > Wieso gibt es denn eigentlich diese Diskrepanz von ΔIcc=500 uA zu 15 mA > des TO? wurde doch mehrfach breit ausgetreten: der SN74LVC1G14-oszillator arbeitet IMMER im Bereich der hohen Icc Querströme; er kommt am Eingang NIE in den Bereich VCC-0.6V oder GND+0.6V, wo die ΔIcc Datenblattangaben gelten. Die 15mA wurden bei mehreren SN74LVC1G14 gemessen. Eine Bestätigung könnte letztendlich nur vom Hersteller kommen, aber wieso sollte der eine ungeeignete Applikation kommentieren ? Selbst wenn man in den Bereich von 1mA kommen würde (andere Logikfamilie, niedrigere Betriebsspg.) bleibe ich bei meiner Anfangsausssage, dass man mit CMOS-Logik keinen langsamen low-power oszillator bauen kann. Paradoxerweise kann man für low power einen schnellen Oszillator bauen und den Takt dann runterteilen, was der Chip macht, den die Digikeykatalogentwicklerfraktion vorgeschlagen hat. Leute, lassen wir es hiermit gut sein ! Immerhin haben ja 2 auf meine explizit gestellte Frage geantwortet und bestätigt, dass meine chips ok sind, und dass 15mA Dauerquerstrom sein können, auch wenn manche Datenblätter (TI) dazu nichts sagen und manche (NXP) zu optimistisch sind. Habe jetzt halt mal trotz rund 45J Elektronikerfahrung ins Klo gegriffen, weil ich einer trivialen Blinkschaltung keine Aufmerksamkeit geschenkt habe. Die Problembegründung , das C im CMOS ist schuld, und die ebenfalls triviale Lösung mit einer 2..3 Transistorschaltung hatte ich anfangs schon beschrieben. Da wären auch keine,im Forum leider übliche, besserwisserische Hinweise und Schnellschüsse ohne Datengrundlage nötig gewesen. Trotzdem Danke für die gutgemeinten Vorschläge.
Bitte nicht vergessen zu posten, welche Lösung letztendlich wirklich verwendet wurde. Angemerkt sei noch, dass für langsame Oszillatoren mit CMOS es noch einen Trick mit Dioden (alternativ rote low power LED) gab, um genau das Problem abzuschwächen, aber für Deine Anwendung wäre das nicht ausreichend genug.
Dieter (Gast) schrieb: >Wenn man sucht findet man auch sowas: >Der Operationsverstärker TLV9061 und die Komparatoren TLV7011 und >TLV7021 von Texas Instruments mit einer Stromaufnahme von nur 335 nA. Wie kommst Du auf diese Typen. TLV9061 braucht ein halbes mA TLV7011 und TLV7021 wollen 5µA Was Du meinst, das ist wohl der TLV7031 mit 335nA ...
>Die 15mA wurden bei mehreren SN74LVC1G14 gemessen. Eine Bestätigung >könnte letztendlich nur vom Hersteller kommen, aber wieso sollte der >eine ungeeignete Applikation kommentieren ? Haste wenigstens Abblock-Cs vorgsehen? Denn die 15mA kommen mir trotzdem etwas sehr reichlich vor (parasitäre Schwingungen?). >Selbst wenn man in den Bereich von 1mA kommen würde (andere >Logikfamilie, niedrigere Betriebsspg.) bleibe ich bei >meiner Anfangsausssage, dass man mit CMOS-Logik keinen langsamen >low-power oszillator bauen kann. Auch für schnelle Oszillatoren geht das damit nicht besser, denn die Signalverläufe mit dem Timingverhältnissen am C bzw. CMOS-Eingang sind dieselben, nur eben schneller.
Jens G. schrieb: > TLV7011 und TLV7021 wollen 5µA > Was Du meinst, das ist wohl der TLV7031 mit 335nA Ja, letzterer, aber bei 1,8V. Und es gibt noch eine Schaltung, da wird genau der Peak des Stromverbrauchs fuer die LED verwendet.
elektrouwe schrieb: > lies doch einfach,statt zu meckern ! (sollte es am Osterferienbier > liegen,was dein Schreibstil vermuten lässt, sei es dir gegönnt) Sorry, sehe ich auch so, ...jetzt. Danke! Jens G. schrieb: > Auch für schnelle Oszillatoren geht das damit nicht besser, denn die > Signalverläufe mit dem Timingverhältnissen am C bzw. CMOS-Eingang sind > dieselben, nur eben schneller. Genau, das braucht dann halt kürzer, aber dafür öfter strom. Man kann mit Standard CMOSlogikbausteinen keine sparsamen Oszillatoren bauen. Jens G. schrieb: > Haste wenigstens Abblock-Cs vorgsehen? Denn die 15mA kommen mir trotzdem > etwas sehr reichlich vor (parasitäre Schwingungen?). Bei HC (also Highspeed CMOS) halte ich die 15mA für durchaus realistisch.
Sollte der Kondensator nach am Eingang des Schmitt-Triggers liegen? MFG GEKU
Look here: https://www.allaboutcircuits.com/technical-articles/how-to-design-schmitt-trigger-oscillators/
Jens G. schrieb: > Haste wenigstens Abblock-Cs vorgsehen? die Frage wurde zum 2ten Mal nicht beantwortet!
elektrouwe schrieb: > der 74HC1G14 hatte, schwankend, bis 15mA > Stromaufnahme !!! Glaub ich gern. Hatte da mal eine sehr ähnliche Erfahrung gemacht: Beitrag "Micropower Pulsgenerator" Hier würde jetzt stehen, wie du es mit nur 2 weiteren Hühnerfutter-Bauteilen löst...ist total simpel, billigst und platzsparend! Allerdings nicht mehr in DIESEM Forum, tut mir leid...die ganzen Möchtegern-Profi-Entwickler suchen dir sicherlich noch weitere Edel-Schaltkreise heraus...;-)
2 Cent (Gast) schrieb: >Jens G. schrieb: >> Haste wenigstens Abblock-Cs vorgsehen? Denn die 15mA kommen mir trotzdem >> etwas sehr reichlich vor (parasitäre Schwingungen?). >Bei HC (also Highspeed CMOS) halte ich die 15mA für durchaus >realistisch. Ich halte das beim anfangs gewählten 74HC1G14 nicht für realistisch. Einfach mal die Kurven in dessen DB anschauen. Auch so konnte ich bis jetzt keinen CMOS-Trigger finden, der über 1 oder 2 mA kommt.
Amper runterskillen schrieb: > elektrouwe schrieb: >> der 74HC1G14 hatte, schwankend, bis 15mA >> Stromaufnahme !!! > > Glaub ich gern. Hatte da mal eine sehr ähnliche Erfahrung gemacht... ok!, irgendwie tröstlich :-) > Hier würde jetzt stehen, wie du es mit nur 2 weiteren > Hühnerfutter-Bauteilen löst...ist total simpel, billigst... ich liebe Schaltungsrätsel :-) gib doch noch einen Hinweis, indem du dieser Fragen mit ja oder nein beantwortest ;-) ist eins der Hühnerfutter passiv u. das andere ein diskreter Halbleiter ? liegt VDD des HC1G14 direkt an der Betriebsspg. ? > Allerdings nicht mehr in DIESEM Forum, tut mir leid. wäre hier FB, würde hier ein like stehen ;-)
So ein Gatter einzusetzen, ist eine Fehlentscheidung. Gut, könnte mir auch passieren. Aber die sind zur Flankenauffrischung im MHz-Bereich gedacht. Und nicht in sehr langsamen Änderungen im eigentlich verbotenen Bereich. Eher noch die HEF4xxx Reihe könnte da gehen. Obwohl ich auch gern für diskrete Lösungen bin, würde ich hier einen stromsparenden MC nehmen. Schon weil man da in der Perioden- und Impulsdauer frei ist. Aber was soll das für eine ausgelieferte Elektronik sein? Welche heute keinen MC hat. Der kann doch locker so einen Blitz nebenbei machen.
Falls du hier mal angemeldet postest, sende ich dir ne PN, wie und warum es geht. Den frechen Vollzeit-Hochstaplern hier gönne ich nicht mal mehr solch kleine Ideen. elektrouwe schrieb: > ist eins der Hühnerfutter passiv u. das andere ein diskreter Halbleiter > ? Nein elektrouwe schrieb: > liegt VDD des HC1G14 direkt an der Betriebsspg. ? Ja
Im Datenblatt werfe man mal einen Blick auf Input Leakage Current 1uA. Zweitens steht für den Ausgang max 12mA, Versorgung 25mA. Drittens Hysterese bei 4V ca 1,4 & 2,2;
Es gibt, wie beim NE555 einen Bereich in denen R & C liegen dürfen, bzw. in einigen Datenblättern und Zeitschriftenartikeln.
elektrouwe schrieb: > ein batteriebetriebenes Messgerät sollte um eine "alive" Schaltung > erweitert werden - eine LED, die alle paar Sek. mal kurz aufblitzt. Von der gezeigten Schaltung einfach die überflüssigen Bauteile R1, R3 und R4 weglassen: http://mino-elektronik.de/Powerbank/powerbank.htm#pbw4 Wenn man das Signal von PB4 invertiert kann auch Q1 entfallen. Das Programm "PBW-wdt.c" (weiter unten) erzeugt alle 4 s Impulse von ca. 0,3 s, die man noch deutlich verkürzen kann. Ohne aktive LED werden ca. 6 - 8 µA @ 5 V aufgenommen.
Jens G. schrieb: > 2 Cent (Gast) schrieb: > >>Jens G. schrieb: >>> Haste wenigstens Abblock-Cs vorgsehen? Denn die 15mA kommen mir trotzdem >>> etwas sehr reichlich vor (parasitäre Schwingungen?). >>Bei HC (also Highspeed CMOS) halte ich die 15mA für durchaus >>realistisch. > > Ich halte das beim anfangs gewählten 74HC1G14 nicht für realistisch. > Einfach mal die Kurven in dessen DB anschauen. Jens, um deiner sachlichen Hartnäckigkeit willen: Obwohl ich Hochglanzwerbebroschüren hasse (weil sie nur die "heile Welt" zeigen) habe ich das eben getan: Erstbester Treffer "Nexperia Rev. 6 — 27 December 2012", und dort in der Tat "typische Kurven" gefunden; hier meine Vermutung zur Entstehung der "typische Kurven" in der Werbebroschüre: - typisch kalter Chip, also 25 Grad Celsius als Hausnummer - einmaliges durchqueren des verbotenen Bereichs in kurzer Zeit, schnell genug um den Chip nicht allzusehr zu erwärmen. - wiederholtes durchqueren des verbotenen Bereichs erst nach Abkühlung bzw Verteilung der eingebrachten thermischen Leistung Also alles in allem: Die im erlaubten Bereich verbrachte Zeit ist, im Verhältnis zur verbrachten Zeit im verbotenen Bereich, gross. Bei den meissten "typischen" Anwendungen eines Schmitt-Triggers zeigt die Werbebroschüre also glaubhafte Bilder. Werbung lügt nicht! elektrouwe schrieb: > Dann Datenblätter anderer 'HC14 Hersteller angeschaut : Hätte ich gleich > zu Beginn bei NEXPERIA reingeschaut, wäre ich vlt. nicht reingefallen: > im 74HC1G14 pdf gibt es schöne Grafiken, die Icc als Funktion der > Eingangsspannung zeigen. Die Werte gehen dort allerdings nur bis rund > 1mA hoch. Für low power immer noch zuviel, aber deutlich kleiner wie die > von mir gemessenen 15mA. Womöglich dasselbe erstbeste Dabla? Egal, deine Anwendung ist auch weniger Werbetauglich. Beim Oszillator wird in jeder Periode verhältnissmässig viel Zeit im verbotenen Bereich verbracht; dadurch heizt sich das Silizium auf, der Querstrom in der Eingangsstufe steigt, dadurch heizt sich das Silizium weiter auf...Strom steigt... irgendwann ist ein thermisches Gleichgewicht (Wärmeabgabe an die Umgebung) erreicht, ab hier ist die Stromaufnahme konstant hoch. [[[CMOSlogik eher unpassender LED+Rv-vergleich: thermal runaway - gehört nicht hier her]]] tl;dr elektrouwe schrieb: > Testaufbau > gemacht und Stromaufnahmen gemessen , während die Eing.spannung von 0 > auf 5V (händisch langsam) hochgefahren wurde Und damit die Höchststrafe: das Festhalten im verbotenen Bereich. Neben den oben beschriebenen rein statischen, thermischen Effekten, kommt immer Rauschen dazu, dieses regt den Gesamtaufbau zur Oszillation an. Deswegen die absolut berechtigte Frage nach Abblock-Cs! Falls das Ding bei jedem (nur einmalig gewünschtem) umschalten "komplett furzt und pfeift"...dann geht heftig etwas daneben. Entweder war dem TO die Frage zu trivial, oder unangenehm, lol. Werden wir es jemals erfahren?
Die Schaltung war: > simpler 74HC1G14 Schmitt-Trigger Oszillator mit 10uF Kerko, 1M > Entladewid. mit parallelen 1N4148 + 10k Ladewiderstand. Da sind noch Varianten und der Wertebereich angegeben: https://www.electronics-tutorials.ws/waveforms/generators.html Und es kann die LED so angeschlossen werden, dass entweder die Einphase oder die Ausphase für den Leuchtpuls verwendet wird. Das hat übrigens auch eine Auswirkung auf den Übergangsstromverbrauchspeak. Der TO hat anscheinend zusätzlich auch die ungünstigere Variante erwischt.
elektrouwe schrieb: > eine LED, die alle paar Sek. mal kurz aufblitzt. > Lösung: > simpler 74HC1G14 Schmitt-Trigger Oszillator mit 10uF Kerko, 1M > Entladewid. mit parallelen 1N4148 + 10k Ladewiderstand. > > Aufgebaut, funktioniert, eingebaut, Gerät ausgeliefert. 1 Wo. später kam > das Gerät zurück, Batterie leer. Berechnete Lebensdauer war 20 Wo. ! > Ursache nach einigem Suchen: der 74HC1G14 hatte, schwankend, bis 15mA > Stromaufnahme !!! hättest Anwalt werden sollen, viel Prosa, kein Schaltbild. elektrouwe schrieb: > lies doch einfach,statt zu meckern ! du meckerst doch > Habe jetzt halt mal trotz rund 45J Elektronikerfahrung ins Klo > gegriffen, also bist du 60+ und schon im Altersstarsinn? (etwas früh wie mir scheint) Verdammt noch mal warum zeigst du nicht deinen Schaltplan und deinen Aufbau? Aufbau und Layoutfehler haben sich schon ganz andere geleistet. Du anscheinend nie, sonst wärst du ja nicht so überzeugt das der Fehler nicht bei dir liegt. Nur der Narr ist sich immer sicher, der Weise zweifelt auch öfter mal an sich selbst.
Joachim B. schrieb: > Nur der Narr ist sich immer sicher, der Weise zweifelt auch öfter mal an > sich selbst. Das sagte schon Mark Twain: "It ain't what you don't know that gets you into trouble; it's what you know for sure that just ain't so."
2 Cent (Gast) schrieb: >>>Bei HC (also Highspeed CMOS) halte ich die 15mA für durchaus >>>realistisch. >> >> Ich halte das beim anfangs gewählten 74HC1G14 nicht für realistisch. >> Einfach mal die Kurven in dessen DB anschauen. >Jens, um deiner sachlichen Hartnäckigkeit willen: Obwohl ich >Hochglanzwerbebroschüren hasse (weil sie nur die "heile Welt" zeigen) >habe ich das eben getan: Erstbester Treffer "Nexperia Rev. 6 — 27 >December 2012", und dort in der Tat "typische Kurven" gefunden; hier >meine Vermutung zur Entstehung der "typische Kurven" in der >Werbebroschüre: >- typisch kalter Chip, also 25 Grad Celsius als Hausnummer >- einmaliges durchqueren des verbotenen Bereichs in kurzer Zeit, schnell >genug um den Chip nicht allzusehr zu erwärmen. >- wiederholtes durchqueren des verbotenen Bereichs erst nach Abkühlung >bzw Verteilung der eingebrachten thermischen Leistung >Also alles in allem: Die im erlaubten Bereich verbrachte Zeit ist, im >Verhältnis zur verbrachten Zeit im verbotenen Bereich, gross. Bei den >meissten "typischen" Anwendungen eines Schmitt-Triggers zeigt die >Werbebroschüre also glaubhafte Bilder. Werbung lügt nicht! Was willst Du uns damit erzählen? Daß es bei wenigen 10°C wärmerem Chip eine um Faktor 10 höhere Stromaufnahme gibt? Wo hast Du das her? Selbst Tabelle 7 zeigt bis 85°C nur 500µA an, die Diagramme sind paar 10% "günstiger", die aber wohl auch nur die Sache bei nur 25°C beleuchten (ist also nicht unplausibel). Was willst Du uns also mit Temperatur und Werbe... damit sagen? Plausibel sind die 15mA jedenfalls nicht, deswegen ja die Frage nach evtl. fehlendem Abblock-C in unmittelbarer Nähe als mögliche Ursache für zu hohe Stromaufnahme, aber diese Frage wurde ja bis jetzt wohl nie beantwortet.
Es fehlt auch die Info, ob die Schaltung wn 5V haengt, oder an einer Li-Zelle direkt, dh. 3...4,2V. Vermutet, aber nicht bestaetigt.
Bevor es ausartet, sollte auf den TO gewartet werden.
Joachim B. schrieb: > Verdammt noch mal warum zeigst du nicht deinen Schaltplan und deinen > Aufbau? Wenn man nicht gerade noch die Grundschulbank drückt, dürfte die Schaltung doch klar sein.
Jens G. schrieb: > Was willst Du uns damit erzählen? Daß es bei wenigen 10°C wärmerem Chip > eine um Faktor 10 höhere Stromaufnahme gibt? Nunja, mein thermischer Erklärungsversuch heute zielte eher auf einige 10 Grad...Mit dem DaBla hab ichs jetzt nochmal mal vorwärts und rückwärts überschlagen. Das kann so nicht sein. >Wo hast Du das her? Volltreffer, versenkt! Das stammt aus einer alten Erinnerung an eigene Messungen (in Ermangelung eines Dablas) LOL vielleicht hab ich damals ja selbst einen Abblock-C vergessen. Hmmm, das wohl eher nicht...Aua...viel besser: folgendes sichert mir den Award auf den Trottel des Monats: Das wird damals sicherlich ein 74HC14 gewesen sein. Ohh, mir wird gerade etwas warm an den Ohren; sicherlich mit allen seinen 6 Gattern, um das Maximum rauszufinden. > Selbst Tabelle 7 zeigt bis 85°C nur 500µA an bei VI = VCC-2.1 V. OK, das errreichbare Maximum liegt wowöglich leicht drüber, aber bestimmt nicht so extrem. In diesem DaBla wird sogar "Padd=additional power dissipation" zur Berechnung beim Einsatzt als RC-Oszillator vorgeschlagen; Vorbildlich. Danke fürs Nachhaken, Jens! Ich geh dann mal in die Ecke :D
@TO: lass dich bloß nicht dumm anmachen! Keiner von denen gehört zum Kreis der Helfenden, denn sie sind schon in "meinem" Thread nicht auf diese einfache Lösung gekommen. Und jetzt mit Hilfestellung klappts immer noch nicht! Wahrscheinlich könnte ich den Schaltplan sogar posten, sie würden es immer noch anzweifeln/nicht verstehen. Also wenn du Halbwissen hast, dann wissen die "Fachleute" hier gleich gar nichts.
elektrouwe schrieb: > Problemstellung: > ein batteriebetriebenes Messgerät sollte um eine "alive" Schaltung > erweitert werden - eine LED, die alle paar Sek. mal kurz aufblitzt. Einen Astabilen Multivibrator mit Komplementärtransistoren halte ich hier für geeignet. Die Funktion ist gut beschrieben auf: https://www.elektronik-kompendium.de/public/schaerer/pvtest.htm
m.n. schrieb: > Wenn man nicht gerade noch die Grundschulbank drückt, dürfte die > Schaltung doch klar sein. Joachim B. schrieb: > Aufbau und Layoutfehler haben sich schon ganz andere geleistet.
@Amper Wenn es schon einen Thread mit einer Lösung gibt, dann setzt man als Helfender den Link auf den Thread und schreibt kaum noch etwas. @TO Meistens ist das "Aufziehen" nicht so negativ gemeint, sondern liegt in der Ungeduld der hier Postenden. Nebenbei warf ich auch die Suchmaschine an. In einer Elektor oder Elrad im letzten Jahrtausend stand mal eine simple Lösung. Unter den Suchergebnissen war diese nicht. Es gibt eine Schaltung, da wird der Schmitt Trigger als CMOS-Gatter als "Verstärker" mißbraucht. Es hängt mit dem langsamen Übergang zusammen. Übrigens den Kondensator, oder einen zusätzlichen, kann auch statt zur Masse auch zum Plus gelegt werden. Ein kleiner Widerstand im Massepfad kann einen der Übergänge deutlich reduzieren. In Verbindung mit einer Drossel durchaus auch möglich. Der andere Übergang sollte nur wenig ungünstiger werden.
Hi, Jens G. schrieb: > Kompetent sind sie schon. Aber manchmal > vergessen/verwechseln die den Unterschied privat(Gebastel) <-> > kommerziell. Da gebe ich dir recht. Jedoch klingt es hier zum einen kommerziell, zum anderen hat der TO ja selbst geschrieben das seine Lösung nicht funktioniert und so ein anderer Weg gegangen werden muss... Jens G. schrieb: > Man muß nicht immer alles mit einem µC erschlagen - rein materiell zwar > sicherlich unschlagbar, aber für einen Gelegenheitsbastler eher ein > riesen Aufwand. ICh wundere mich auch so manches Mal für welch Trivialen Aufgaben manchmal ein µC verbraten wird, für dessen Betriebsumgebung dann auch noch zusätzlicher Aufwand (Extra LDO usw)getrieben wird und es am Ende doch nicht so zuverlässig funktioniert wie mit der diskreten Lösung. (Letztes Kopfschüttelbeispiel: Ein µC nur um das Schaltsignal für ein Relais -bzw. dessen Schalttransistor- zu negieren) Aber genau so wie man nicht alles zwingend mit einem µC erledigen muss sondern ruhig auch diskrete Lösungen einsetzen sollte wenn diese überlegen sind, so gibt es aber auch die Fälle wo ein richtig ausgewählter µC selbst für einfach Aufgaben die bessere Wahl ist und die diskrete Lösung nur unnötig kompliziert oder fehleranfällig ist. Zumal das mit dem "riesen Aufwand" für einen Gelegenheitsbastler eher nicht mehr stimmt. Klar, es gibt noch die alten Analoghasen die nie Ambitionen für einen Blick in die Digitale hatten und somit weder Ausrüstung noch wissen für die Programmierung von µC haben. Aber was es heute viel häufiger gibt, das sind die Bastler die zwar funktionierende µC Firmware schreiben können (sogar komplexere Dinge), es jedoch nur mit Mühe hinbekommen eine einfache Schaltstufe oder auch nur einen LED Vorwiderstand korrekt zu berechnen sobald die "Standardwerte" mal nicht das gelbe vom Ei sind... michael_ schrieb: > Obwohl ich auch gern für diskrete Lösungen bin, würde ich hier einen > stromsparenden MC nehmen. > Schon weil man da in der Perioden- und Impulsdauer frei ist. Naja, Wenn es wirklich nur eine "i´m Alive" Signalisierung sein soll und keine speziellen Vorgaben sonst zu beachten sind, dann wäre das maximal ein netter Nebeneffekt, aber kein ausschlaggebendes Kriterium. Zumal die Werte auch bei diskreter Auslegung beeinflusst werden können. Das Kriterium wäre hier das es bei Berücksichtigung aller Fakten wohl mit Abstand die EINFACHSTE Lösung für einen heutigen "Durchschnittsbastler" und vor allem für einen beruflichen Entwickler bei einem Einzelstück/Kleinstückzahl sein dürfte. Man nehme den billigsten stromsparenden Controller der gut Verfügbar ist und den man (selbst) programmieren kann. (WEr ab und an etwas mit µC macht sollte da ja seine Standardtypen in der Lade haben) Dann ist die ganze Schaltung mit vier Bauteilen auf wenigen mm^2 und definierter Stromaufnahme abgefrühstückt. Und von den vier Bauteilen ist eines die LED selbst, eines deren Vorwiderstand, dann noch der Abblockkondensator (Stützkondensator) für den µC und der µC selbst. Nimmt man beispielsweise den Attiny10, so bekommt man diesen im SOT-23/6 Gehäuse mit einer Zulässigen Eingangsspannung bis zu 5,5V. Dieser kostet als Einzelstück etwa 30ct und ist fast überall verfügbar! Umd as möglichst Stromsparend zu programmieren würde ich das -als Hüftschuss, ohne jetzt alles , wie ich es bei einer echten Entwicklung natürlich machen würde, mit dem Datenblatt gegenzuchecken- folgendermaßen umsetzen. Der Attiny läuft mit etwa 130 KHz aus dem internen LowFrequ. Oszillator. Direkt nach dem Start wird der PortPin mit der LED auf Ausgang -High gesetzte und der Timer (für die Leuchtdauer, z.b. 100ms) gestartet. Danach wird sämtliche nicht benötigte Hardware bis auf timer1 und WDT abgeschaltet. Als nächstes wird der WDT für (Beispielsweise) 4s Initialisiert. Dann wird und der µC in den Idle Mode geschickt. Wird der TimerInterrupt ausgelöst erfolgt das Löschen der LED und der µC wird in den PowerDown Modus versetzt. Nach etwa 4 Sek. schägt der WDT zu und das Spiel beginnt von neuem. Ergebnis: alle 4 Sekunden leuchtet die LED für 100ms. Sind jetzt überschlagen vielleich 10 Befehle. Der Stromverbrauch (ohne LED) liegt damit pro 4 Sekundeneinheit bei: *Etwa 1ms (sehr sehr großzügig aufgerundet, zusammengenommen) Normalbetrieb mit 100µA (Int. Osc 128kHz) Etwa 99ms Idle Betrieb mit 20µA Und 3,9s PowerDown mit 8µA Im Mittel also ~8,3µA Stromaufnahme! Also ~10 Befehle, zwei Bauteile (µC + Kondensator, LED +Vorwiderstand ist ja immer erforderlich) im Wert von 30ct für eine Stabile Lösung ohne exotische Bauteile die im Mittel 8,3µA benötigt. Und der Attiny ist nur ein Beispiel eines Herstellers. Man kann natürlich in der Familie suchen die einem am meisten liegt. Und bei einem Einzelstück nimmt man was gerade sowieso in der Lade liegt. Was ist daran jetzt übermäßig kompliziert oder Überdimensioniert? Und wenn man sich dann noch die Kosten der Alternativen anschaut: Der Billigste bei Mouser lieferbare MC74HC1G14 kostet 25 ct. https://www.mouser.de/ProductDetail/ON-Semiconductor/MC74HC1G14DFT2G?qs=sGAEpiMZZMutXGli8Ay4kCjEW2OiEZsZd6j67doqV9s%3D Der Attiny kostet 28ct. also drei Cent mehr. Beide kommen in demselben Gehäuse SOT23/6! Jedoch ist es mit dem Logikgatter alleine ja nicht getan. Wie der Attiny wird noch der Abblockkondensator benötigt. Der kürzt sich aus der Rechnung raus. Aber es werden auch noch die Bauteile für die eigendliche Funktion benötigt. Ein 10µF Kerko kostet als Einzelstück alleine schon 20ct und mehr. Selbst in 1000er Stückzahl ist man mit 3-5ct pro Stück nur durch dieses Bauteil zusammen mit dem Gatter schon teurer als die µC Lösung. Und es kommen ja noch eine Diode und zwei Widerstände dazu... Sicher, einen µC für eine einfache Blinkschaltung zu verwenden klingt im ersten Moment wirklich erst einmal nach Overengineering, Und vor 20 Jahren war es das auch definitiv. Aber heute sind die Zeiten anders. Aber es ist auch keinesfalls so das man das nicht immer noch anders lösen könnte oder dürfte. Nur darf man sich dann nichts vormachen. Man spart durch die andere Lösung weder Zeit, noch Platz, noch Geld. (Mit Ausnahme von Geld bei einem volldiskreten Aufbau -Einzeltransistoren- bei sehr hoher Stückzahl vielleicht, müsste man durchkalkulieren) Davon abgesehen kann es sogar sehr stichhaltige technische Gründe für eine Volldiskrete Lösung geben. Beispielsweise wenn man aus EMV Gründen jegliche Bauteile mit Takterzeugung im KHz/MHz Frequenzbereich aus der Schaltung fernhalten will. (Selbst wenn es auf die Funktion keinen Einfluss hat. Das kann den Testumfang bei EMV Tests beeinflussen. Natürlich nur wenn nicht sowieso solche Bauteile schon vorhanden sind) Daneben gibt es auch noch nichttechnische, aber dennoch logische Nachvollziehbare Gründe: Beispielsweise weil man selber einfach keine Ahnung von µC Programmierung hat und auch nichts neues mehr dazu lernen will. Auch dann ist es legitim eine auf µC basierende Lösung auszuschließen. Nur sollte man bei solchen oder anderen "nichttechnischen" Gründen dann auch dazu stehen das man sich bewusst gegen die aus rein technischer Sicht mittlerweile sinnvollste Lösung entschlossen hat und schon gar nicht gegen diejenigen Stänkern die darauf hinweisen das es "bessere" Wege gibt. (Ausnahme: Man hat bereits nachvollziehbar dargelegt das und warum die angepriesene Lösung für einen nicht in Frage kommt. Dann ist es in der Tat nur noch Lächerlich/besserwisserisch da immer wieder darauf rumzureiten) Hat (oder nennt) man solche nachvollziehbaren Gründe jedoch nicht, dann erscheint das für die Aussenstehenden einfach nur wie ein stures Festhalten an einer unnötig Aufwändigen und meist auch teureren Lösung nur um des REchthabens willen. Und dann kommen halt auch mal die entsprechenden Kommentare. Besonders wenn im ersten Beitrag der Eindruck entsteht das es eine Auftragsdienstleistung war... Gruß Carsten
@Carsten Die Investitionen für das µC Zubehör wurden nicht berücksichtigt. Zweitens kann auch ein µC, wie der ATtiny sich aufhängen, bzw. nach vielen Jahren anfangen dass der Flash bits vergißt. Es gibt Lösungen das Auszugleichen, aber das sind auch Aufwände. Das kann für Jahrzehnte einfach analog gelöst werden. Darum werde ich den TO nicht zu einer anderen Lösungsrichtung (hier µC) überreden oder zu überzeugen versuchen.
Dieter schrieb: > Zweitens kann auch ein µC, wie der ATtiny sich aufhängen Klaro. Bei einer Anwendung, die den Watchdog nutzt... > nach > vielen Jahren anfangen dass der Flash (B)its vergi(ss)t. Oh ja... Kann auch sein, dass ein Lastwagen in das Gebäude reinrauscht in dem das Gerät steht... Oder gar ein Meteorit? > Darum werde ich > den TO nicht zu einer anderen Lösungsrichtung (hier µC) überreden oder > zu überzeugen versuchen. Brauchst ja nicht. Doch sich Scheinargumente da raus ziehen, wo die Sonne nie scheint, lässt Dich in deiner Argumentation nicht besonders gut da stehen. Wie wäre es, wenn Du einfach einsiehst, dass viele Wege nach Rom führen und alle ihre Vor- und Nachteile haben. Aber wenn natürlich der ach so wichtige Stolz ein sooo großes Gewicht hat, dass man einfache Grundsätze wie "Leben und leben lassen" aus dem Blick verliert, dann mach weiter so. Hauptsache gewinnen... Manman...
Die haben es auch nicht hinbekommen: https://hackaday.io/project/11864-tritiled/log/62761-cmos-relaxation-oscillator-fail "consume a lot of power when biased into the linear region, which the relaxation oscillator is always in"
Dieter schrieb: > @Carsten > Die Investitionen für das µC Zubehör wurden nicht berücksichtigt. In der Tat! Aber ich denke wir können doch wohl getrost davon ausgehen das ein Elektroniker der Wissen über die µC Programmierung hat mindestens für eine gängige Familie ein Programmieradapter in der Schublade hat. (der tiny10 war ja nur ein Beispiel, ich schrieb ja von "seiner" bevorzugten Familie) Genauso wie wir davon ausgehen können das jemand der gewillt ist sich mit µC Programmierung zu beschäftigen um das zu lernen die Ausrüstung nicht nur für das eine Projekt verwendet sondern es wie Lötkolben und Oszilloskop in Zukunft als Laborbestand für immer neue Projekte verwendet. Und wenn das Realisieren mit µC für jemanden nicht in Frage kommt, dann liegt es sicher nicht an den paar Euro für einen Programmieradapter sondern daran das er sich nicht Einarbeiten will. Was man dann getrost unter dem von mir genannten Grund " Keine Ahnung von µC Technik" als Argument gegen die Verwendung von µC gelten lassen kann. BTW: Zu den Kosten für Programmieradaptern- Für eine ganze Reihe von µC reichen einfachst-Programmieradapter die man aus Teilen die fast jeder in der Bastelkiste hat in wenigen Minuten selbst zusammenstricken kann. Oft ist das nicht viel mehr als ein Pegelwandler, heute vielleicht noch zusätzlich ein USB Seriell Wandler. Dementsprechend billig sind einfache Adapter. Für den AVR kostet eine einfache Version ganze DREI Euro. Für die Pic ab ungefähr FÜNF Euro. Was man natürlich als Argument gelten lassen könnte, das wäre die Tatsache das man sich bei einem Produkt mit hoher Stückzahl den zusätzlichen Programmierschritt in der Produktion sparen will und auch keine vorprogrammierten Bausteine ordern will. (Aber das ist wieder ein Rechenexempel. Bei hohen Stückzahlen rechnet man aber sowieso mit ganz spitzen Bleistift) > Zweitens kann auch ein µC, wie der ATtiny sich aufhängen, bzw. nach > vielen Jahren anfangen dass der Flash bits vergißt. Es gibt Lösungen das > Auszugleichen, aber das sind auch Aufwände. Die Lösung gegen Aufhängen -was tatsächlich immer mal vorkommen kann- ist der Watchdog. Der ist hier ja schon aktiviert. Null Aufwand. Gegen vergesslichen Flash könnte man Softwaremäßig was machen. Selbstüberwachung des Speicherinhalt und dann entweder Sprung an eine andere Speicherstelle wo der Inhalt gespiegelt ist und noch korrekt ist, oder bei selbstschreibfähigen Controllern nach Überprüfung zurückschreiben des Flash Inhalts. Beides jetzt nicht kompliziert wenn man sich auskennt, steht jedoch in ABSOLUT KEINEM Verhältnis zum Risiko. Nicht weil es so kompliziert zu realisieren wäre, sondern weil es die "On Time" bei JEDEM Zyklus deutlich verlängern würde. Also mehr Stromverbrauch. Bei einem Risiko das nicht höher ist als anderes Hardwareversagen. > > Das kann für Jahrzehnte einfach analog gelöst werden. Also ich würde sogar darauf wetten das wenn man jetzt 1k Schaltungen mit rein analoger Realisierung bauen würde und 1k Schaltungen mit der µC Ausführung, dann wär die Ausfallquote bei den µC nach 20 Jahren geringer! Ja, Bits im Speicher können kippen. Auch im Flash. Bei vorgestresstem Flash Speicher (Schon viele Schreibvorgänge) ist das jetzt auch nicht so aussergewöhnlich. Ist mir auch schon ein paar mal untergekommen. Wobei dann meist auch andere Ungewöhnlichkeiten festzustellen sind - wie das erst nach dem zweiten Mal schreiben der Verify gelingt usw. Aus diesem Grund würde ich auch niemalals einen µC der möglicherweise schon viele male beschrieben wurde (Entwicklungszyklus) in einem Gerät belassen das nach aussen geht. Aber nach einem (oder zwei, oder drei) Schreibvorgängen ist das für den Flash alles noch kein Problem. Da ist das nicht nennenswert problematischer als andere Bauteildefekte. Und wenn man dann auch noch ein Programm hat das nur eine Handvoll Befehle hat und der Rest des Speichers ist einfach leer (oder mit einem Rücksprung an PRG Anfang gefüllt), dann ist die Wahrscheinlichkeit das eine Schaltung deswegen ausfällt sehr sehr gering. Selbst wenn da schon mehrere Bits gekippt sind. Es muss ja schon eines in erner der wenigen genutzten Speicherzellen sein! Da halte ich ein mechanisches Versagen, insbesondere des 10µF MLCC Kondensators, in den 20 Jahren für viel wahrscheinlicher. Wobei auch die anderen Bauteile davor nicht gefeilt sind. Und da die µC Schaltung weniger Bauteile hat... Dieter schrieb: > Darum werde ich den TO nicht zu einer anderen Lösungsrichtung (hier µC) > überreden oder zu überzeugen versuchen. Von "Überreden" spricht hier ja auch keiner. Hier geht es darum Argumente Pro und Contra zu bringen um den aus der jeweils eigenen Sicht sinnvollsten Lösungsvorschlag herauszuarbeiten. Der TO kann sich der Meinung anschließen oder auch nicht. Er ist zwar auf jeden Fall gut beraten wenn er die Argumente offen zur Kenntniss nimmt und mit seinen eigenen Anforderungen abgleicht ob es für seinen Fall ebenfalls stimmt, dazu zwingen kann und will ihm aber keiner. Wenn er einfach stur nicht will, dann will er nicht. (Wobei es wie geschrieben ja auch nachvollziehbare Argumente geben kann) Wobei ich jetzt ein "Ich will nicht" noch nicht weinmal in der Form gesehen habe. Durch den Gastnick weiß man ja nie ob wirklich immer derselbe schreibt oder auch ob nicht einer unter mehreren Namen Selbstgespräche führt. Aber das Eröffnungspostung verstehe ich so das der TO festgestellt hat das er aus Gedankenlosigkeit/routine für eine scheinbar einfache Aufgabe einen Dicken FEhler gemacht hat und das er davon berichten will um zum einen die Rückmeldung zu bekommen ob er wirklich konzeptzuell falsch lag und nicht nur ein Bauteildefekt das Problem ist, zum anderen aber auch als Hinweis an andere Forenteilnehmer das auch hinter einfachen Dingen manchmal böse Fallstricke lauern können. (Und mal ehrlich: Wer von uns der schon länger im Job ist -oder zumindest intensiver Hobbybastler ist- hat nicht schon mal einen schlechten Tag gehabt wo er sich mit einem richtig dummen Fehler ins Knie geschossen hat...) Ausserdem bin ich mir sicher das von denjenigen die diesen Thread mittlerweile gelesen haben, und die vielleicht demnächst mal vor einem ähnlichen Problem stehen, so einige dieses Verhalten bei den CMOS Gattern bisher noch nicht kannten. Vielleicht wird dieser Anteil sogar wieder größer. Denn auch wenn dieses Verhalten wirklich altbekannt ist und bei weitem nicht nur die "Atandard-Logik" betrifft, so werden damit durch den immer mehr auf wenige Spezialanwendungen beschränkten Einsatz dieser Logikbausteine immer weniger derart offensichtlich damit konfrontiert. (Und das obwohl das einer der Gründe ist warum µC Eingänge -auch unbenutzte- immer auf definiertem Potential liegen sollten.) Ich habe davon das erste Mal in der Ausbildung gehört und dann noch einmal im Studium im Rahmen des Laborpraktikums Digitaltechnik (wenn da auch nur am Rande beim Thema CMOS) Aber nie als es um µC oder andere IC mit manchmal ähnlichen Eingangschaltungen ging. Gruß Carsten
Die beiden Skizzen beeinflussen ähnlichen Effekt auf eigentlich gleich Art und sind hier unterschiedlich technisch umgesetzt.
Carsten S. schrieb: > Als nächstes wird der WDT für (Beispielsweise) 4s > Initialisiert. Dann wird und der µC in den Idle Mode geschickt. Ein entsprechendes Programm hatte ich ja oben gezeigt. Dieter schrieb: > Die Investitionen für das µC Zubehör wurden nicht berücksichtigt. Ich biete dem TO an, einen µC passend zu programmieren. Die Invenstitionskosten liegen demnach bei € 0,00. > Das kann für Jahrzehnte einfach analog gelöst werden. Bevor ein µC ausfallen sollte, ist die Stromversorgung schon lange in den ewigen Jagdgründen.
elektrouwe schrieb: > Aufgebaut, funktioniert, eingebaut, Gerät ausgeliefert. > > ! Erster Verdacht war fake Ware aus China, wobei ich mit zig > Bestellungen über Aliexpress noch nie Probleme hatte. Stoert eigentlich nur mich diese Kombination? wendelsberg
wendelsberg schrieb: > Stoert eigentlich nur mich diese Kombination? Passt schon, gugst du seine Webseite. Baut ja nichts für AKWs oä.
Modifiziert. Hinweis, die Diode ist falsch herum.
Oder auch nicht. ;) Der Kniff dahinter, vielleicht das heutige analoge Osterrätsel, oder auch nicht.
Dieter schrieb: > vielleicht das heutige analoge Osterrätsel, Das Osterrätsel bei der Schaltung ist die Frequenz ;-) Ja nach Hersteller des Schmitttriggers, je nach Kondensatortyp und seiner eff. Spannung und der Umgebungstemperatur ist die Ausgangsfrequenz die große Unbekannte. Sobald man es genauer oder reproduzierbar braucht, taugt die Schaltung nicht die Bohne. Das ist so - da kann man nichts Schönreden.
Dieter (Gast) schrieb:
CMOS_UebergangsStromspitzen_03.png
Was ist denn jetzt der Zweck dieser Übung?
Z.B. im Datenblatt zum 74HC14 & 74HCT14, Hex inverting Schmitt trigger, wurde der Übergangsstrompeak unter 6ns gemessen. Das ist die maximale "Geschwindigkeit des Bausteins". Anhand des Verlaufes, d.h. der Spitze deutlich zu sehen, dass die Geschwindigkeit des Anstieges den Verlauf nach oben auch "abreißen" läßt (also geht noch etwas mehr). Es gibt Chips, die haben das intern besser gelöst (in µC mit hochzuverlässigen Watchdogs befindet sich genau diese Lösung integriert mit auf dem Chip), es wird über die Aussenbeschaltung abgemildert, oder es wird diskret eine bessere Lösung realisiert. Oder eine andere Lösungsrichtung mit µC eingeschlagen.
>Z.B. im Datenblatt zum 74HC14 & 74HCT14, Hex inverting Schmitt trigger, >wurde der Übergangsstrompeak unter 6ns gemessen. Das ist die maximale >"Geschwindigkeit des Bausteins". Anhand des Verlaufes, d.h. der Spitze >deutlich zu sehen, dass die Geschwindigkeit des Anstieges den Verlauf >nach oben auch "abreißen" läßt (also geht noch etwas mehr). Ich verstehe immer noch nicht. Wo steht im DB irgend etwas zu einem 6ns-Strompeak? Vielleicht haste ja eine konkrete Referenz. Bei Nexperia sehe ich jedenfalls noch nix dazu. Ich finde nur eine Transitiontime von (u.a.) 6ns, aber das betrifft ja nur die Ausgangsstufe. Mit der Eingangsstufe und der langsamen Spannungsänderungen daran durch den C hat das ja nix zu tun.
Datenblatt von Nexperia, 12 Waveforms, Table 9. Das sind die Messbedingungen, hier der Flanken zu den Diagrammen mit den Überstrompeaks beim Kippen gehoeren.
>Datenblatt von Nexperia, 12 Waveforms, Table 9. Das sind die >Messbedingungen, hier der Flanken zu den Diagrammen mit den >Überstrompeaks beim Kippen gehoeren. Was hat "12 Waveforms" (bei mir ist es übrigens "13 Waveforms") mit den "Diagrammen mit den Überstrompeaks beim Kippen" zu tun? Ich sehe nur Diagramme, die die Stromaufnahme in Abhängigkeit von der Eingangsspannung und deren Richtung zeigen. Von irgendeiner Geschwindigkeits- bzw. Schaltzeitabhängigkeit kann ich da nix sehen. Und daß der Eingang mit dem C eine sich langsam ändernde Spannung sieht, und damit dieses Gatter ständig im "Hochstrommodus" ist, ist ja sicherlich unstrittig.
Für schnelle Anwendungen, die in der Regel überwiegen, interessiert das Verhalten (auch die Schwellen) bei hoher Frequenz und daher die Flanken von 6ns und die Kapazitätswerte in pF. Daher sind das auch "test conditions", die extra im Kapitel beschrieben werden.
Wir haben es hier aber mit langsamen Anwendungen zu tun, noch dazu mit längerem Aufenthalt im Bereich zw. L und H. Insofern verstehe ich immer noch nicht, was diese Übung soll.
Im Datenblatt wird meist der Stromverbrauch fuer schnelle Übergaenge angegeben. Der vom langsamen Übergang wich davon ab. Zum Teil erheblich, nach dem was der TO schrieb. Nach dem der Wert so hoch ging, Kann vermutet werden ein interner latch- up, oder unguenstiges verlaengertes Umschalten durch Miller-Effekte. Testschaltung aufgebaut und nachgemessen hat noch keiner um der Sache wirklich auf den Grund zu gehen.
Vor etwa 5 Jahren hatte ich so eine Blitzer-Schaltung aufgebaut. Der verwendete DIL Baustein CD4093BE muss wohl ein Glücksgriff gewesen sein, denn die gemessene mittlere Stromaufnahme inkl. LED lag bei 18µA. Sicher ist, dass der Baustein bestimmt 20-30 Jahre alt war und offenbar die Stromaufnahme im Übergangsbereich nur minimal vorhanden war. Spätere Versuche mit neuen Bausteinen haben genau den Effekt des TO gezeigt: Querstrom ohne Ende mit deutlich erhöhter Stromaufnahme.
Dieter schrieb: > Nach dem der Wert so hoch ging, Kann vermutet werden ein interner latch- > up, oder unguenstiges verlaengertes Umschalten durch Miller-Effekte. Oder die Mondstellung... Wie wärs sich mal anzusehen wie solch ein Schmittriger realisiert wird?
Dieter schrieb: > Im Datenblatt wird meist der Stromverbrauch fuer schnelle Übergaenge > angegeben. Ja, das ist halt die "übliche" Betriebsweise. Zudem kennt man es ja doch recht gut das eher unvorteilhafte Angaben gerne "vergessen" werden. Insbesondere wenn das für den Großteil der Anwendungsfälle irrelevant ist. > Der vom langsamen Übergang wich davon ab. Zum Teil erheblich, nach dem > was der TO schrieb. Nicht verweunderlich. Schließlich ist das eine altbekannte Eigenschaft bestimmter Eingangstopologieen. Je schneller und "stromsparender" der IC um so größer ist meist der Aussreisser. > Nach dem der Wert so hoch ging, Kann vermutet werden ein interner latch- > up, oder unguenstiges verlaengertes Umschalten durch Miller-Effekte. Im allgemeinen: Weder noch! Es sind einfach zwei Transistorelemte gleichzeitig in gewissen Umfang leitfähig die im statischen Betrieb nicht gleichzeitig leitfähig sein sollten. (Der eine leitet so gerade noch etwas, der andere fängt gerade an zu leiten) > Testschaltung aufgebaut und nachgemessen hat noch keiner um der Sache > wirklich auf den Grund zu gehen. Wozu auch? Es handelt sich um einen seit Jahrzehnten bekannten Effekt von dem auch noch bekannt ist das die konkreten Auswirkungen (wie hoch der Strom genau ist) auch noch von einer Vielzahl weiteren Faktoren abhängen. Das sind die Betriebsspannung, die konkrete Eingangsspannung, die Umgebungstemperatur und vor allem auch die jeweilige Produktionscharge! Daher ist es auch definitiv keine Lösung einfach mal ein wenig nach dem "Try und Error" Prinzip rumzuprobieren bis man meint eine Lösung gefunden zuhaben die dennoch auf diesem Konzept basiert. Denn es kann durchaus vorkommen das man bei bestimmten Kombinationen von IC, Temperatur, Spannung und Mondstand die Schaltung tatsächlich mit ein bis niedrigen zweistelligen µA Zahlen ans Laufen bekommt. Nur kann es dummerweise bereits wenige Stunden später mit exakt derselben Schaltung an demselben Netzteil/Batterie wieder ganz anders aussehen! Und aus demselben Grund ist es auch witzlos einfach mal drauf los zu messen. Der Erkenntnisgewinn im heimischen Labor wäre, bis auf die Tatsache das es diesen Effekt gibt und die Werte stark schwanken können, absolut marginal! Da müsste man ganz andere Geschütze auffahren (100% reproduzierbare Umgebung, messung auf dem Die selbst usw) um weitergehendes verlässlich zu ermitteln. Etwas anderes wäre natürlich das Nachstellen um das vorhandensein dieses Effektes überhaupt erst einmal zu verinnerlichen... Gruß Carsten
Da gibt es im Netz viele verschiedene Innenschaltungen im Netz zu finden. Die eine oder andere schon, vor allem spuckte die Suche auch ein paar nicht uninteressante Patente aus. Die höheren Querströme schneinen auch mit Erweiterung der Betriebsbereiche zu niedrigeren Spannungen einherzugehen. Aus gleichem Grund, wie Bernd, empfehle ich daher dem TO eine Schaltung mit sparsamen Operationsverstärker zu verwenden. Einen schönen Reinfall hatte ich einmal mit der Schaltung, wie bei diesem Schaltplan: Beitrag "Re: low-power Oszillator mit 74HC1G14 : Reinfall !" Eine Kipprichtung wollte einfach gar nicht zuverlässig funktionieren. Der Grund war, dass beim langsamen Umschaltvorgang auch gleichzeitig die Ausgangsspannung der Ausgangsbrücke sich änderte und somit die Spannungsdifferenz am Rückkopplungswiderstand geringer wurde. Der so gesunkene Ladestrom auf den Kondensator verlangsamte den Umschaltvorgang noch mehr. In einer Schaltrichung blieb der Schmitt-Trigger in dem Zustand ab und zu sogar hängen. Die folgenden Modifikation konnten das Problem umgehen: Beitrag "Re: low-power Oszillator mit 74HC1G14 : Reinfall !" Beitrag "Re: low-power Oszillator mit 74HC1G14 : Reinfall !" Nachdem es nicht möglich ist im inneren des Chips an den verdächtigen MOSFETs oder Transis zu messen, bleiben nur die Vermutungen, und natürlich die "Mondstellung", wie hinz treffend anmerkte.
>Nachdem es nicht möglich ist im inneren des Chips an den verdächtigen >MOSFETs oder Transis zu messen, bleiben nur die Vermutungen, und >natürlich die "Mondstellung", wie hinz treffend anmerkte. Was willst Du immer an Vermutungen anstellen? Das sind ganz einfach Querströme zwischen "oben und unten", wenn der Eingangspegel irgendwo zw L und H im eigentlich verbotenen Bereich liegt. Und aus diesem Bereich kommst Du bei solchen Oszis nun mal schlecht bzw. gar nicht raus.
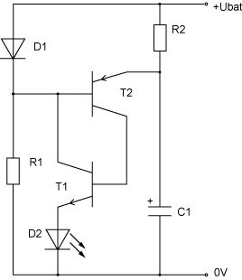
ui, soviele Beiträge über die 4 Feier/Urlaubstage. Ich hoffe ihr seid trotzdem auch mal in die Sonne rausgegangen. Zum Abschluss noch diese Anmerkungen Lösung mit Microcontroller Danke m.n, für das freundliche Angebot mir einen Attiny zu flashen. Die Controllerlösung benötigt zwar die wenigsten Bauteile und hat weitere Vorteile, aber für mich überwiegen die Vorteile der diskreten analogen Schaltung (reparaturfreundlich, langzeitverfügbar,...) Die stromfressenden Schmitt-Trigger damit manche wieder normalen Blutdruck erreichen: klar war ein Abblock Kerko direkt am Chip. Da HF-oszilliert aber nichts, sogar ohne C: hab ihn extra wieder ausgelötet, weil ich ihn des Kurzschlusses verdächtigte. Laut Nexperia 74LVC1G14 Datenblatt Fig. 13 geht der Querstrom bei 5V Vcc Richtung 10mA. Ich hatte zwar den TI chip drin, aber die Größenordnung passt halt. Dieter, ich glaube da helfen auch tricks nicht weiter. Das Osterrätsel mit den 2 zusätzlichen Bauteilen konnte ich nicht lösen. Vlt. können wir noch erfahren, wie hoch die Stromaufnahme dieser Schaltung war ? Die " vintage Gefrickel" Lösung die vorgeschlagenen diskreten Lösungen benutzen teilweise 2 NPNs als ST. Das hat den Nachteil, dass immer einer leited u. einer sperrt. Es fliesst also immer (Kollektor-)strom in den Blitzpausen, wenn auch wenig (1..6uA)). Zeno's UJT Blitzer hat zwar sehr wenige Bauteile, die grossen C's und die niederohmige Dim. haben mir aber nicht so gefallen. Meine Schaltung ist nun ein einfacher komplementärer ST, der in den Pausen, wenn beide Transistoren sperren, <=400nA zieht - simuliert u. auf dem Steckbrett getestet. Die LED blitzt bei dieser Dim. gut sichtbar auf, zieht 1mA bei Tastverhältnis von <1:20, also im Schnitt <50uA. Das passt zu meiner Strombilanz.
Das Osterraetsel, steht hier der Hinweis: Beitrag "Re: low-power Oszillator mit 74HC1G14 : Reinfall !" Die Breite der Stromspitze wird reduziert, da die Verweildauer im Umschaltpunkt verkleinert werden konnte.
elektrouwe (Gast) >Laut Nexperia 74LVC1G14 Datenblatt Fig. 13 geht der Querstrom bei 5V Vcc >Richtung 10mA. Ich hatte zwar den TI chip drin, aber die Größenordnung Ja was denn nun? 74HC1G14, oder 74LVC1G14? Was hast Du jetzt wirklich im Einsatz gehabt?
Also Leute, seit Jahren wird zu diversen Fragen darauf hingewiesen, dass die Fets, Mos, Igbt, was auch immer, nicht für linearen Betrieb geeignet sind! Wenige Ausnahmen ausgenommen...und es werden auch keine mehr für diesen Einsatzbereich gebaut!!! Beispiel die legendären Igbts von Toshiba (die Analogfreunde haben Tränen in den Augen...) Also was wundern... Gruß Rainer
Rainer V. schrieb: > Also Leute, seit Jahren wird zu diversen Fragen darauf hingewiesen, dass > die Fets, Mos, Igbt, was auch immer, nicht für linearen Betrieb geeignet > sind! Wenige Ausnahmen ausgenommen...und es werden auch keine mehr für > diesen Einsatzbereich gebaut!!! Da ist man bei Exicon anderer Meinung.
hinz schrieb: > Da ist man bei Exicon anderer Meinung. Hallo Kunz, kenne Exicon jetzt nicht, aber wenn sie wieder sowas wie die geilen IGBT's von Toshiba herstellen sollten, dann aber nix wie hin!!! Ansonsten bleibt die Erkenntniss, dass alle genannten Bauteile keinen linearen Betrieb mögen! Gruß Rainer
hinz schrieb: > Hallo Depp. > >> kenne Exicon jetzt nicht, > > Das ist ja blöd. Also wirklich...lateral Mosfets...Digikey kennt die zumindest nicht...
Rainer V. schrieb: > hinz schrieb: >> Hallo Depp. >> >>> kenne Exicon jetzt nicht, >> >> Das ist ja blöd. > > Also wirklich...lateral Mosfets...Digikey kennt die zumindest nicht... Rainer, lass dich doch bitte nicht von einem billigen Namensfaker provozieren. Ich kenne/kannte Exicon auch nicht, aber Exicon scheint es wohl einmal zu geben. Den hinz in diesem Thread gibt es nicht einmal, sondern offensichtlich zweimal. Bitte meine Betrag (zwecks Löschung) bei den Mods melden, danke!
elektrouwe schrieb: > Meine Schaltung ist nun ein einfacher komplementärer ST, der in den > Pausen, wenn beide Transistoren sperren, <=400nA zieht - simuliert u. > auf dem Steckbrett getestet. Die LED blitzt bei dieser Dim. gut sichtbar > auf, zieht 1mA bei Tastverhältnis von <1:20, also im Schnitt <50uA. Das > passt zu meiner Strombilanz. Interessante Schaltung. Du hast also den Triggeroszillator beibehalten, aber den Trigger anders aufgebaut. Die Schaltung ist sehr ähnlich der Pulsgeberschaltung, die manchmal auch als astabiler Multivibrator mit Komplementärtransistoren benannt wird. Ich hab sie vor jahrzehnten öfter verwendet, zB als Pulsgenerator für Stroboskope oder mit Kleinlautsprecher als Komponententester. https://www.elektronik-kompendium.de/public/schaerer/pvtest.htm Plus und Minus sind in deiner Schaltung dabei getauscht, und natürlich anders dimensioniert, da es nich um hohe Impulsleistung geht, sondern um minimale "Dunkelleistung". Ein Unterschied ist der fehlende Widerstand in Reihe zu C und der R1, der bei dir am Kollektor liegt, in der anderen Schaltung läge er an Plus. Theoretisch müsste noch ein Widerstand parallel zur LED zum Entladen von C1. Aber vermutlich ist der Reststrom in Sperrrichtung ausreichend groß.
Beitrag #5821459 wurde von einem Moderator gelöscht.
Bei CMOS als Gegentakt Halbbrücken Oszillator ueberlappen sich klar die Leitzustaende, so lange das Eingangssignal oberhalb beider V_GS(th) liegt. Das fuehrt zu etwas, was man bei SMPS "Shoot Through" nennt. Nun gibt es allerdings SMPS Topologien, bei denen das nicht moeglich ist - auch welche, die man als Leistungsoszillator aufbauen kann... Und wenn man statt den komplementaeren Totem Poles (also z.B. eine HS/LS Inverterstufe) 2 LS Schalter für einen Push-Pull Oszillator (Kippschwinger) verwenden würde? Das ginge klarerweise nicht mit jedem Baustein (siehe hinz' Bild). Aber z.B. zumindest mit einem, der 2 Inverterstufen voneinander und moeglichst allem anderen getrennt + an allen Anschlüssen voll zugaenglich haette. Ich kenne mich mit solchen Bausteinen leider nicht aus, aber gibt es denn keine solchen (und waere das nicht eine denkbare Lösung)? Ginge auch mit Klein(st)signal FETs oder BJTs (letztere oder gar beides evtl. als RF Typen)? Mir ist klar, daß das SOT353 sehr klein ist, und jeder Vorschlag meinerseits zu mehr Platzbedarf führen würde - aber sind z.B. 2 solche Packages + ein paar Rs und Cs nicht vertretbar, für das Ergebnis "Ultra Low Power Oscillator" (wenn man den schon dringend haben will)?
Beitrag #5909948 wurde von einem Moderator gelöscht.
Beitrag #5913197 wurde von einem Moderator gelöscht.
Bitte melde dich an um einen Beitrag zu schreiben. Anmeldung ist kostenlos und dauert nur eine Minute.
Bestehender Account
Schon ein Account bei Google/GoogleMail? Keine Anmeldung erforderlich!
Mit Google-Account einloggen
Mit Google-Account einloggen
Noch kein Account? Hier anmelden.







