Bevor ich die Uhr (analog) ausbaue und auseinander nehme, frag ich doch lieber mal hier nach was die Ursache dafür sein könnte. Einen mechanischen Fehler möchte ich ausschließen da die Uhr akkugepuffert ist und ohne Netzstrom scheinbar richtig läuft (tickt im Sekundentakt). Die Steuerung ist von Viessmann und die Uhr dürfte dieses Einbaumodell sein [1], aber 90€ selbst bei ebay? Da lohnt sich doch zumindest der Versuch einer Reparatur... [1] https://www.ebay.de/itm/Viessmann-Schaltuhr-Uhr-Vi-9506-322-9506322-Garantie-2-Jahre-Inzahlungnahme-20/181302789305
Egal warum, bau statt dem mechanischen Scheiss (verlierbare Stifte) eine elektronisch digitale Schaltuhr ein wie: https://www.ebay.de/itm/Digital-Zeitschaltuhr-DC-AC-12V-16A-LCD-Display-Programmierbar-Timer-OVP-Switch-/352591332842
Ist die analoge von Grässlin? Vielleicht mal unter diesem Namen suchen.
Bei diesen Uhren ist meist der Akku platt.
Puffer Akku tauschen. Innenwiderstand des Pufferakkus ist mit dem alter angestiegen. Dadurch steigt die Spannung an. Diese Schaltuhren haben eine einfache Spannungsversorgung und nutzen den Innenwiderstand des Akkus zur Spannungsstabilisierung.
Ja, das wirds sein. Auch wenn sie wahrscheinlich reparabel ist würde ich auch eine elektronische einbauen. Die oben verlinkte ist für 12V, vorher prüfen was du wirklich brauchst. Gibts aber auch für 230V. Weiterer Vorteil: WOchentagsabhängige Steuerung möglich.
Och man Leute, ich hätte gern die Ursache vermutet|gewusst. Mechanischer Scheiss hin oder her, aber dafür muss ich nicht erst bei jeder Umprogrammierung in die Bedienungsanleitung schauen! Es ist eine Einbauschaltuhr, ob andere Modelle dort rein passen? >>Puffer Akku tauschen müßt ich mal probieren..., kann dauern. >>wochentagsabhängige Steuerung möglich reicht nicht da wöchentlich wechselnde Schicht... Das Steuerpult ist dieses (400k pdf): https://webapps.viessmann.com/vibooks/api-internal/file/resources/technical_documents/DE/de/VBA/5096658VBA00001_1.PDF
Peter N. schrieb: > Och man Leute, ich hätte gern die Ursache vermutet|gewusst. Stand doch mehrfach da - Akku. Oder willst du eine Erklärung, warum ein halbtoter Akku zum Schnellerlaufen führt?
H.Joachim S. schrieb: > Oder willst du eine Erklärung, warum ein halbtoter Akku zum > Schnellerlaufen führt? Auch das wurde erklärt: Kurt A. schrieb: > Innenwiderstand des Pufferakkus ist mit dem alter angestiegen. Dadurch > steigt die Spannung an. Diese Schaltuhren haben eine einfache > Spannungsversorgung und nutzen den Innenwiderstand des Akkus zur > Spannungsstabilisierung.
Jaja, schon gut! Werd mich mal morgen oder am Wochenende daran versuchen und berichten, in der Hoffnung das es von der Bauform her ein Standardakku ist.
Isso - habe ich bei meiner Schaltuhr von Viessmann auch schon 2x durch...
Juhu, ...kaputtrepariert! Den eingebauten „Akku” durch einen NC-Akku getauscht und die Uhr rührt sich garnicht mehr, weder mit noch ohne Akku. Hier [1] habe ich dann noch einen Forumsbeitrag gefunden, der von der Beschreibung her recht genau passt: ein IC „1115A 3385” und dieser gelbe Zylinder (ø15x17mm), könnte demnach ein Goldcap sein. Da werd mich mir wohl eine neue Uhr anschaffen müssen, aber einen Versuch wars definitiv wert! Thema erledigt und vielen Dank an alle Beteiligten! [1] http://www.edaboard.de/zeitschaltuhr-funktionsprinzip-t1983.html
MaWin schrieb: > Egal warum, bau statt dem mechanischen Scheiss (verlierbare Stifte) eine > elektronisch digitale Schaltuhr ein wie: Hi, habe letztens eine ähnliche mechanische Uhr vollständig demontiert und feingeölt. Die haben nicht alle "verlierbare" Stifte. Und hat tatsächlich ein 230V Motörchen. Da gibt es welche, die haben einen dicken Kohleschichtwiderstand vor der 24 Volt-Motorwicklung gesetzt. Der wird dann immer schön warm. Und dient im Winter zur Heizung, damit die Zahnrädchen nicht einfrieren. Wenn die anfängt zu rattern, dann ist tatsächlich der Verschleiß zu groß. Der Kontakt ist ein Springkontakt, ähnlich wie bei Mikroschaltern. Ein momentartiges Schalten wäre sonst auch bei der geringen Bewegung kaum zu realisieren. Jedenfalls kein Kondensatornetzteil wie bei den meisten elektronischen drin, das "durchschlägt" oder Leistung verliert, so dass Relaiskontakt flattert und den Verbraucher mit dem Wackelkontakt arg stresst. ciao gustav
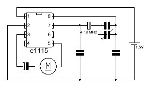
Hier gibt es infos bezüglich des 1115 Uhren ICs: http://www.hwynen.de/jgh-quarzgrossuhr.html Dieser Uhren Schaltkreis wird normalerweise mit nur 1.5V betrieben bei 250uA Stromaufnahme. https://www.datasheetarchive.com/pdf/download.php?id=a6e95e2c709279884ee2b1025d2847275cc63b&type=O&term=E1115
Dies möcht ich euch auch nicht vorenthalten: Ein gerade getätigter Anruf bei meinem Haus- und Hofheizungsfachbetrieb, ist auch derjenige der die Heizung (ca 20+ Jahre) damals installiert hat, ergab auf Rückfrage von denen bei Viessmann einen Preis von 350€...!
Vielleicht solltest Du noch nicht aufgeben: Es ist eigentlich (noch) nicht anzunehmen, daß der Uhren Ic oder Quarz schlecht ist. Vielleicht ist der Kopplungs Elko am Uhrwerk Treiber Ausgang altersbedingt schadhaft. Sollte tatsächlich der Uhren IC schadhaft sein, könnte man möglicherweise ein altes Junghans W751 Uhrwerk gebraucht erstehen und den IC ausbauen. Ob man den IC noch im Komponenten Makler Markt erstehen kann ist fraglich. Ich schlage Dir mit dem Oszi erst die Uhrenausgangs Impulse Datenblatt konform zu vergleichen. Da müßte man dem Übeltäter bald auf die Spur kommen. Beachte, daß der IC nur 2.5V aushält! Vorsorglich einen auf 2.5V konfigurierten TL431 parallel mit der Versorgungsspannung am IC einbauen der die Spannung begrenzt um den kostbaren/seltenen Uhrenbaustein zu beschützen. Wenn das Uhrwerk mechanisch noch in Ordnung ist, solte es reparierbar sein. Notfalls irgendeine alte Junghans Küchenuhr deutscher Fabrikation um BJ 1975 auf eBay zu erstehen und als Teilespender zu mißbrauchen. Nachtrag: Notfalls irgendein Quarzuhrwerk erstehen und den Uhrenausgang mit Drähten extern am Viessmanuhrwerk anschliessen. Hast ja genug Platz.
Kannst du Bilder vom Innenleben der Uhr hier hochladen?
Peter N. schrieb: > IC „1115A 3385” e1115A von Eurosil, hergestellt KW33 1985. Und die lief ganz bestimmt nicht mit einem Doppelschichtkondensator, sondern mit einem NiCd-Akku.
Ein Verständnisproblem: Für mich ist eine "analoge" Uhr etwas, was Tick-Tack macht. Auch wenn sie elektrisch angetrieben wird. Da kann also nur ein Uhrmacher was machen. Der normale Laie kann hier nur interessiert schauen. Sollte es sich um eine sogenannte Synchronuhr handeln, kannst Du das als "normal" ansehen. Klingt komisch ist aber so. Seit einiger Zeit ist unsere Stromversorgung nämlich alles andere als synchron. In der c't war hierzu, vor einiger Zeit, ein recht interessanter Artikel, über das wie und warum. Dank Europa interessiert es aber keinen, das Millionen Uhren, die z.T. jahrelang problemlos liefen, nur noch Fahrkarten (Ungenauigkeiten im Stundenbereich) liefern. Die Tendenz ist vorgehend, aber nicht doppelt so schnell. Bei "analog" anzeigenden Digitaluhren könnte die Stromversorgung (zu geringe Spannung) das Problem sein. Z.B. die Pufferbatterie hat schlapp gemacht. Ein ordentlicher Stoß könnte den Quarz ins Stolpern gebracht haben. Diese Uhren sind nämlich für den stationären Einbau und nicht für irgendetwas mit Stößen gedacht. Seit der Einführung der digitalen Uhr im Rechner ist es steil bergab mit der Genauigkeit von Quarzen gegangen. Die meisten von uns merken das aber nicht, da ja dauernd synchronisiert wird. Diese Quarze sind aber sehr günstig und daher bei Sparfüchsen sehr beliebt. Gelegentlich knabbert aber auch die Zeit selber am Zeitmesser (Verschleiß).
Sebastian S. schrieb: > Sollte es sich um eine sogenannte Synchronuhr handeln, kannst Du das als > "normal" ansehen. Klingt komisch ist aber so. > Seit einiger Zeit ist unsere Stromversorgung nämlich alles andere als > synchron. > In der c't war hierzu, vor einiger Zeit, ein recht interessanter > Artikel, über das wie und warum. Dank Europa interessiert es aber > keinen, das Millionen Uhren, die z.T. jahrelang problemlos liefen, nur > noch Fahrkarten (Ungenauigkeiten im Stundenbereich) liefern. Die Tendenz > ist vorgehend, aber nicht doppelt so schnell. naja, die aufintegrierte Abweichung der Netzfrequenz betrug Anfang des Jahres knapp fünf Minuten. Das ist mittlerweile allerdings wieder aufgearbeitet, d.h. die Frequenz war zwischenzeitlich mal einige Millihertz höher, so dass die Uhren heute wieder richtig gehen. https://www.netzfrequenzmessung.de/ Eine Abweichung um den Faktor 2 bekommt man damit aber nicht hin. Das sieht eher so aus als ob etwas, das 50 Hz sehen soll, nun in irgendeiner Form 100 Hz erhält.
Peter N. schrieb: > Juhu, ...kaputtrepariert! > Den eingebauten „Akku” durch einen NC-Akku getauscht und die Uhr rührt > sich garnicht mehr, weder mit noch ohne Akku. > > Hier [1] habe ich dann noch einen Forumsbeitrag gefunden, der von der > Beschreibung her recht genau passt: > ein IC „1115A 3385” und dieser gelbe Zylinder (ø15x17mm), könnte demnach > ein Goldcap sein. > > Da werd mich mir wohl eine neue Uhr anschaffen müssen, aber einen > Versuch wars definitiv wert! > Thema erledigt und vielen Dank an alle Beteiligten! > [1] http://www.edaboard.de/zeitschaltuhr-funktionsprinzip-t1983.html Na ja, wenn der eingebaute Zylinder wirklich ein Goldcap war, dann ist ein Akku kein guter Ersatz. War dein Akku voll aufgeladen? Und wenn er eine hohe Kapazität hat, wird er in der Uhr vermutlich erst nach sehr langer Zeit vollgeladen, vielleicht auch gar nie. Wenn du die Uhr noch ausgebaut hast (keine externe Verbindung!!), nimm doch einfach eine 1,5V Batterie und schliesse sie anstelle des "Goldcaps" an. Und dann schau noch mal ob die Uhr geht.
Volker schrieb: > Na ja, wenn der eingebaute Zylinder wirklich ein Goldcap war, War er nicht. Beitrag "Ersatz NiCd Akku Schaltuhr Goldcap vs NiMh"
@soul e Habe mal bei: https://www.netzfrequenzmessung.de/netzzeit.php nachgesehen. Da steht: >Die aktuelle Netzzeitabweichung beträgt 9999 Sekunden, der Sollwert der >Netzfrequenz ist auf 0 Hz gesetzt. Durch die geringe Korrektur findet die >Netzzeit wieder langsam zur koordinierten Weltzeit zurück. Swissgrid hat >hierzu eine eigene Seite mit Anzeige der aktuellen Netzzeitabweichung >eingerichtet. Nach Adam Ries und Eva Zwerg sind das etwas mehr als 5 Minuten.
Sebastian S. schrieb: > @soul e > Habe mal bei: > https://www.netzfrequenzmessung.de/netzzeit.php > nachgesehen. > > Da steht: >>Die aktuelle Netzzeitabweichung beträgt 9999 Sekunden, der Sollwert der >>Netzfrequenz ist auf 0 Hz gesetzt. Durch die geringe Korrektur findet die >>Netzzeit wieder langsam zur koordinierten Weltzeit zurück. Swissgrid hat >>hierzu eine eigene Seite mit Anzeige der aktuellen Netzzeitabweichung >>eingerichtet. > Nach Adam Ries und Eva Zwerg sind das etwas mehr als 5 Minuten. Das steht da immer. Man muss halt auf der richtigen Seite nachsehen: https://www.swissgrid.ch/en/home/operation/grid-data/current-data.html#frequency
So ein Wochenende tut schon gut, man kann ruhig und entspannt über Alternativlösungen nachdenken... Die Schaltuhr hat 4 Steckverbindungen, 2 für die Stromversorgung und die anderen 2 sind nur dafür da, um festzustellen ob ein Kontakt offen oder geschlossen ist und dementsprechend die Einstellungen vom Steuerpult: Tag-Nacht, Tag-Frostschutz, Frostschutz-Frostschutz..., auszuführen. Was liegt denn eigentlich näher diesen Kontaktzustand einem Relais zu überlassen, Hilfsmittel also: Baumarktschaltuhr + Steckernetzteil + Relais Diese Lösung scheint tatsächlich zu funktionieren, eingebaut, 5min Angst und verschiedene Schaltzustände getestet. Da dies alles hier schon vorhanden war, Kostenpunkt: 0€ Nachteile sind natürlich ein fehlender Pufferakku, aber darauf kann ich getrost verzichten und man muss bei der Einstellung der Schaltuhr umgekehrt denken: gedrückte Pinne (An) bedeuten Nachtabschaltung, Frostschutz..., nicht gedrückte (Aus) Tagschaltung. Damit ist das Problem gelöst, und freue mich über nicht ausgegebene 90-350€ Ich dank euch allen und einen „schönen” Gruß an Viessmann...
Peter N. schrieb: > Was liegt denn eigentlich näher diesen Kontaktzustand einem Relais zu > überlassen, Hilfsmittel also: > Baumarktschaltuhr + Steckernetzteil + Relais Eine einfachere Konstruktion mit weniger Bauteilen liegt näher. Denn weniger Teile fallen auch potentiell seltener aus. Gerade kleine billige Schaltnetzteile haben den Ruf, schnell kaputt zu gehen.
Peter N. schrieb: > Was liegt denn eigentlich näher diesen Kontaktzustand einem Relais zu > überlassen, Hilfsmittel also: > Baumarktschaltuhr + Steckernetzteil + Relais Eine einfachere Konstruktion mit weniger Bauteilen liegt näher. Denn weniger Teile fallen auch potentiell seltener aus. Gerade kleine billige Schaltnetzteile haben den Ruf, schnell kaputt zu gehen. Ich habe zwei Baumarkt Schaltuhren am Aquarium, die haben dieses Jahr spontan beide ihre Einstellungen verloren. Von 7€ ist halt nichts gutes zu erwarten.
>Eine einfachere Konstruktion mit weniger Bauteilen liegt näher.
Warum sollte ich das machen?
Bis auf das einzelne Relais, bekomme ich alles im Bau- oder Supermarkt
vor Ort!?
Peter N. schrieb: >>Eine einfachere Konstruktion mit weniger Bauteilen liegt näher. > Warum sollte ich das machen? Habe ich oben begründet. Wenn billig und einfach zu kaufen dein einziges Kriterium ist, dann zählen meine Argumente für dich nicht.
Stefanus F. schrieb: > Habe ich oben begründet. Wenn billig und einfach zu kaufen dein einziges > Kriterium ist, dann zählen meine Argumente für dich nicht. Ich hab hier noch so ein Paket mit Zahnstochern (25 Stück), der unverhandelbare Preis ist: 10000€ Das weckt doch mit Sicherheit dein Interesse, oder?
Peter N. schrieb: > Ich hab hier noch so ein Paket mit Zahnstochern (25 Stück), der > unverhandelbare Preis ist: 10000€ > Das weckt doch mit Sicherheit dein Interesse, oder? Eher nicht, um die Ecke bekomme ich einige hundert Zahnstocher für 1€ in angemessener Qualität und ebenfalls einteilig.
Stefanus F. schrieb: > Eher nicht, um die Ecke bekomme ich einige hundert Zahnstocher für 1€ in > angemessener Qualität und ebenfalls einteilig. Du kaufts also selbst billig ein und wirfts mir gleiches Handeln vor?
Peter N. schrieb: > Du kaufts also selbst billig ein und wirfts mir gleiches Handeln vor? Nein, tu ich nicht. Ich wollte nur anregen, zu bedenken, dass weniger Bauteilen mehr Zuverlässigkeit bieten. Du hast selbst darum gebeten: Peter N. schrieb: > Was liegt denn eigentlich näher diesen Kontaktzustand einem Relais zu > überlassen Ich habe geantwortet, was Näher liegt. Wenn du gefragt hättest, was billiger wäre, hätte ich mich zurück gehalten.
Obwohl... diese Zeitschaltuhr kostet nur 10€ und hat einen potentialfreien Relaiskontakt: https://www.pollin.de/p/digitale-zeitschaltuhr-fuer-din-schiene-870010 So eine gibt es auch im Bauhaus, dort allerdings für 30€.
Peter N. schrieb: > Was liegt denn eigentlich näher diesen Kontaktzustand einem Relais zu > überlassen, Hilfsmittel also: > Baumarktschaltuhr + Steckernetzteil + Relais Hat die Baumarktuhr denn kein eingebautes Relais? > Nachteile sind natürlich ein fehlender Pufferakku, Elektronische Baumarktuhren haben meist auch eingebaute Pufferakkus.
Harald W. schrieb: > Elektronische Baumarktuhren haben meist auch > eingebaute Pufferakkus. Noch idiotischer: Ich habe zwei Steckdosenschaltuhren mit Knopfzellen drin, bei leerer Batterie laufen die selbst bei vorhandener Netzversorgung nicht. Über die Bedienbarkeit sollte ich mich besser nicht äußern.
Harald W. schrieb: > Hat die Baumarktuhr denn kein eingebautes Relais? Mit Sicherheit bei keiner dieser billig Schaltuhren: ein Steckdosenkontakt ist direkt verbunden, der andere wird per Mechanik gedrückt, von so einem Schalter zB: https://www.reichelt.de/schnappschalter-1xum-10a-400vac-noppenstoessel-mar-1005-0401-p32732.html?&trstct=pol_2
Wir reden hier doch von elektronischen Schaltuhren. Oder?
MaWin schrieb: > bau statt dem mechanischen Scheiss Der falsche MaWin ist nicht sehr nachhaltig. Schande über ihn. ;-) Wenn das Ding eh kaput ist, zerlege es und zeige uns die Innereinen. Wenn sie mit Akku läuft, ist es kein mechanischer Defekt. Den elektronischen Kram bekommen wir hier bestimmt hin.
Was mich betrifft ziehe ich die guten alten verläßlichen mechanisch angetriebenen Schaltuhren vor. Da weiß man wenigsten was man hat. EMP sicher sind sie allemal auch:-) Viele der neumodischen Vertreter sind meistens sehr uninuitiv und nach einiger Zeit nicht mehr ohne Anleitung programmierbar. Oft sind die LCD Anzeigen so klein, daß man sie als alter Sack ohne Vergrößerungsglas nicht mehr richtig ablesen kann. Die kleinen Wochentagsymbole sind oft ohne bewaffnetes Auge mit Vergrößerungsglas kaum erkennbar. Na, ich weiß nicht ob das alles wirklich Fortschritt ist. Wenn die motorisierte Schaltuhr durch Stromausfall einmal stehen bleibt, kann man es in Sekundenschnelle wieder einrichten und die (mechanische) Programmierung ist 100% unvergänglich. Peter hätte m. M. recht getan, die alte Viessmann Schaltuhr zu reparieren und die Frontplatte im Originalzustand zu belassen.
Joshua Benedikt Streubenguß schrieb: > Was mich betrifft ziehe ich die guten alten verläßlichen mechanisch > angetriebenen Schaltuhren vor. Da weiß man wenigsten was man hat. Ja, aber es ist wirklich Technik von vorvorgestern. Es gibt genug ext. Alternativen, sogar mit Temperatursteuerung. >EMP sicher sind sie allemal auch:-) Klar, "Ich wünsche dir ein atomschlagfreies Wochenende". Der Spruch ist ja wieder aktuell. MaWin schrieb: > Den > elektronischen Kram bekommen wir hier bestimmt hin. Kann man mit einem 3EUR Wecker ersetzen.
michael_ schrieb: > Joshua Benedikt Streubenguß schrieb: >> Was mich betrifft ziehe ich die guten alten verläßlichen mechanisch >> angetriebenen Schaltuhren vor. Da weiß man wenigsten was man hat. > > Ja, aber es ist wirklich Technik von vorvorgestern. > Es gibt genug ext. Alternativen, sogar mit Temperatursteuerung. Sicher. Aber die meisten (Wochen) Timer sind trotzdem saublöd unintuitiv zum Einstellen und ohne Bedienungsanleitung später nicht leicht nach-programmierbar. Und wenn dann nach einem Jahr der eingelötete LiIon Knopf-Akku hin ist, tut man sich schwer Ersatz zu finden. Die bekommst Du nicht beim C oder sonstwo. Solange wir in der (gewollten) Wegwurfwirtschaft leben ziehe ich für die mir wichtigen Anwendungen Technik vor, die diese Nachteile nicht hat. Auch wenn es (manchmal) den Ruf vorgestriger Technik hat. Obwohl der Konsumer Markt mit Elektronik Produkten bis zum Hals gesättigt ist, findet man nur noch selten wirklich verlaessliche und gut durchdachte Elektronikprodukte die jahrzehntelang zuverlaessig ihren Dienst tun. Nach ein paar Jahren ist das meiste China Zeugs hin. > >>EMP sicher sind sie allemal auch:-) > Klar, "Ich wünsche dir ein atomschlagfreies Wochenende". > Der Spruch ist ja wieder aktuell. Das war doch nur Spass! > > MaWin schrieb: >> Den >> elektronischen Kram bekommen wir hier bestimmt hin. > > Kann man mit einem 3EUR Wecker ersetzen.
Joshua Benedikt Streubenguß schrieb: >> Ja, aber es ist wirklich Technik von vorvorgestern. >> Es gibt genug ext. Alternativen, sogar mit Temperatursteuerung. > Sicher. Aber die meisten (Wochen) Timer sind trotzdem saublöd unintuitiv > zum Einstellen und ohne Bedienungsanleitung später nicht leicht > nach-programmierbar. Ich habe da eher an Zeitschalter für Heizungen gedacht. Sind zwar meist für 12V, aber das ist lösbar. Und wenn dann nach einem Jahr der eingelötete LiIon > Knopf-Akku hin ist, tut man sich schwer Ersatz zu finden. Nö, es sind keine Akkus, gehen 10 Jahre und sind leicht ersetzbar. Oder es sind Goldkap.
michael_ schrieb: > Joshua Benedikt Streubenguß schrieb: >>> Ja, aber es ist wirklich Technik von vorvorgestern. >>> Es gibt genug ext. Alternativen, sogar mit Temperatursteuerung. >> Sicher. Aber die meisten (Wochen) Timer sind trotzdem saublöd unintuitiv >> zum Einstellen und ohne Bedienungsanleitung später nicht leicht >> nach-programmierbar. > > Ich habe da eher an Zeitschalter für Heizungen gedacht. > Sind zwar meist für 12V, aber das ist lösbar. Koenntest Du etwas spezifischer sein? Ein Beispiel geben? > > Und wenn dann nach einem Jahr der eingelötete LiIon >> Knopf-Akku hin ist, tut man sich schwer Ersatz zu finden. > > Nö, es sind keine Akkus, gehen 10 Jahre und sind leicht ersetzbar. > Oder es sind Goldkap. Wenn es keine Akkus sind, was ist leicht ersetzbar? Meintest Du etwas in der Art von CR2xxxx?
Was da drin war, ist ein NiCd-Akku. Es müßte bauähnliche Zellen noch in neu zu kaufen geben. Ich hatte noch welche in der Bastelkiste. Ich bin auch mal auf diese Uhren und ihre Verkaufspreise gestoßen und habe dann eine zeitlang jede mechanische Schaltuhr gesammelt. Leider war dann immer die 17. Stelle der Modellnummer leicht abweichend zu den teuren, so daß nie jemand eine haben wollte. Der wichtigste Unterschied ist, daß die meisten Uhren Tagesschaltuhren sind, also nur 0-24 Uhr können. In seltenen Modellen gab es Wochenschaltuhren, also Mo 0-24 bis So 0-24 Uhr, dann allerdings mit gröberer Teilung. Und diese Wochenuhren waren immer nochmal eine Ecke teurer als die anderen. Meine Uhren sind allerdings nie zu schnell gegangen mit kaputtem Akku, ich wüßte auch nicht, wie das bei einem Quarz funktionieren soll. Wenn man ein Pendel doppelt so stark anschiebt, wird es doch auch nicht schneller. Heizungssteuerungen sind so ein Thema für sich. Wenn man sie anfaßt, macht man sich nach 384 deutschen und europäischen Vorschriften verschiedener Verbrechenstatbestände schuldig. Ich würde ja die ganze Kesselsteuerung ausbauen und gegen ein moderneres Modell desselben Herstellers austauschen. Darf gerne auch schon wieder 10-20 Jahre alt sein, selbst dann ist es bereits vollmikrocontrollerisiert mit LCD und integierter elektronischer Schaltuhr. Damit kann man dann jedem Heizkreis andere Zeiten und der Warmwasserbereitung nochmal andere geben. Wichtig ist, daß man den mechanischen Kesselthermostat und den Sicherheitstemperaturbegrenzer absolut fehlerfrei einbaut. Die elektronische Steuerung drumherum ist dagegen nur eine Komfortfunktion, die man je nach Geschmack auch mit einem Arduino oder einem Nockenschaltwerk mit Holzzahnrädern nachbilden kann. Die Steuerungshersteller tun aber so, als hätten sie jeder für sich das Schnittbrot neu erfunden. Da einem die Heizungsinstallateursmafia immer eine neue Anlage empfiehlt, ab 10000 Euro aufwärts, kosten solche Uhren halt enormes Geld, weils die Leute zahlen.
Karl B. schrieb: > habe letztens eine ähnliche mechanische Uhr vollständig demontiert und > feingeölt....> Jedenfalls kein Kondensatornetzteil wie bei den meisten > elektronischen > drin, das "durchschlägt" oder Leistung verliert, so dass Relaiskontakt > flattert und den Verbraucher mit dem Wackelkontakt arg stresst. Hi, rein mechanisch mit "Synchronmotor". Musste nur die Niete aufbohren und hernach durch 2 mm Schraube/Mutter ersetzen. Konnte sogar nach Auseinanderbauen wieder funktionstüchtig zusammengesetzt werden, was bei vielen anderen Geräten nicht mehr möglich ist, da bei der Demontage dabei oft Nasen oder Schränklappen abbrechen. ciao gustav
Manfred schrieb: > Elektronische Baumarktuhren haben meist auch > eingebaute Pufferakkus. Ja, sogar die billigst-Modelle für 1,89€ Umso mehr ärgert mich, dass die neue 250€ Schaltuhr meiner 40 jahre alten Vaillant Heizung jedes mal neu durch konfiguriert werden muss, wenn ich die Heizung resette (Aus/Ein schalten, muss ich leider oft machen, denn sie hängt sich ca. 1x pro Monat auf). Als Mieter muss man so etwas leider hin nehmen. Man hat kein Recht, auf eine zuverlässige Heizung. Man hat nur Recht auf eine funktionierende. Hoffentlich geht das Scheiß-Teil irgendwann irreparabel kaputt, dann bekomme ich eine neue.
Von der Optik und vom Aufbau her ist es exakt dieses Modell: http://www.stoppe.de/Basteln3.htm Ausser Motor, Schalter und ein paar Zahnräder ist da nicht viel drin.
Peter N. schrieb: > Es ist eine Einbauschaltuhr, ob andere Modelle dort rein passen? >>>Puffer Akku tauschen > müßt ich mal probieren..., kann dauern. >>>wochentagsabhängige Steuerung möglich > reicht nicht da wöchentlich wechselnde Schicht... Dann wäre es doch viel passender, die Heizung per Schaltkontakt der Smart Home Steuerung anzuvertrauen. Das spart bei wechselnder Schicht die Rennerei zur Schaltuhr und die Fummelei an der Programmierung.
Wolfgang schrieb: > Dann wäre es doch viel passender, die Heizung per Schaltkontakt der > Smart Home Steuerung anzuvertrauen. Nein, niemals! Hier noch 2 Bilder der Platine mit und ohne original Akku, am roten Kabel hängt nur mein Austauschakku. Allerdings verspüre ich nach obiger Lösung auch keine große Lust mehr das Teil zu reparieren...
Stefanus F. schrieb: > sie hängt sich ca. 1x pro Monat auf. Dann kannst Du ja eine Sammelbestellung für solche Utensilien machen: https://img.nwzonline.de/rf/image_online/NWZ_CMS/NWZ/2017-2020/Produktion/2017/01/04/POLITIK/ONLINE/Bilder/cropped/17514019-U11016057080992JC--600x337%40NWZ-Online.jpg
Du kannst dich ja einmal mit dem Uhrenbaustein 1115A beschäftigen. Das Datenblatt gibt es noch von Intersil. Da findet man bestimmt schnell heraus, was den Takt beinflussen kann.
Peter N. schrieb: > Bilder der Platine Ich sehe da einen Baustein von Eurosil 1115A und stoße über einen Umweg durch ein anderes Forum auf: Beitrag "Unbekanntes IC in defektem Schaltuhr-Modul"
Passt die einfach so bei der viessmann Steuerung?
Deine Uhr zickt mit Netzspannung viel schneller, weil die Zenerdiode defekt ist. Falls noch Interesse besteht auf eine Reparatur, kannst du mir sie auch schicken, dann schau ich mir das an. Hab selber gerade eine Grässlin hier, bei dieser war nur der Akku defekt, weils sie auf einen Tag mehrere Stunden nachging.
Hallo Peter, keine Lust mehr??? also wenn du schon nach dem Reparaturverlust die Uhr nicht zum laufen bekommen hast, dann solltest du wenigstens nach der Ursache suchen. Ich finde es total schade, das du an der Stelle aufgibst. Gestern hatte ich auch ein Problem mit meiner analogen Uhr (Vaillant) von der Brauchwasseraufladung . Nach dem öffnen wollte ich den Akku tauschen und brach mir dabei einen Draht von der Spule ab. Leider war es so, das dann nicht der Draht von der äußeren Seite der Wicklung ab war, sondern genau der Draht, der an der Seite des Wickelkörpers von innen nach oben raus geführt war. Tja, 6 Stunden hats gebraucht, bis das kleine Mistvieh wieder lief. so ne Spule abwickeln und wieder neu wickeln, war für mich auch das erste Mal. Fazit: werft bloß keine analogen Uhren weg. Das ist Freizeitbeschäftigung mit Gehirnschmalzproduktion. vor allem wenn die Drähte so dünn sind uns man nur mit Brille und leichten Zitter gehemmt ist. Gruß Bert
Bert F. schrieb: > also wenn du schon nach dem Reparaturverlust die Uhr nicht zum laufen > bekommen hast, dann solltest du wenigstens nach der Ursache suchen. Der wird nach mehr als 2 Jahren ohne Heizung erfroren sein.
Bert F. schrieb: > Hallo Peter, keine Lust mehr??? Vor dreieinhalb Jahren hat Peter die Uhr kaputt repariert...
Bitte melde dich an um einen Beitrag zu schreiben. Anmeldung ist kostenlos und dauert nur eine Minute.
Bestehender Account
Schon ein Account bei Google/GoogleMail? Keine Anmeldung erforderlich!
Mit Google-Account einloggen
Mit Google-Account einloggen
Noch kein Account? Hier anmelden.




