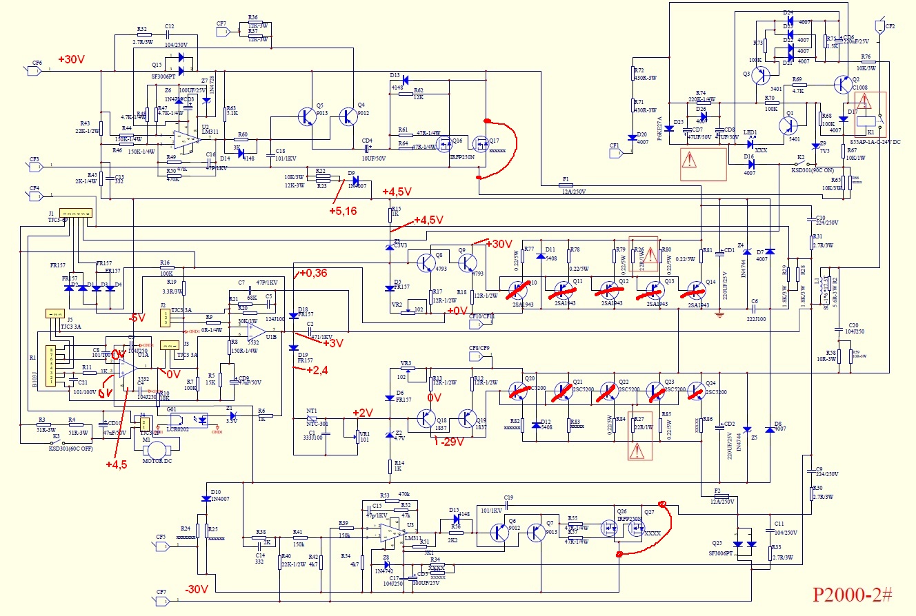
Hallo zusammen, ich habe eine defekte TA2400 vor mir liegen. Ein Kanal ist voll funktionstüchtig, der andere war defekt als ich sie bekommen habe. Die Vorgeschichte ist mir nicht bekannt. Sie befand sich noch im unverbastelten Orginalzustand und hat auf jeden Fall schon ein paar harte Jahre Einsatz hinter sich. Was bisher geschah: 1. Ich habe die Endstufen Kanäle bereits getauscht und der Fehler hat die Seite gewechselt. 2. Zu Beginn der Fehlersuche haben beim defekten Kanal alle LEDs dauerhaft geleuchtet. (auf den Bildern der rechte von vorne) Fault, Clip, Signal. Mehrere Lastwiderstände 10k 12k R22 R23 waren abgebrannt und jeweils ein NPN 1943 und PNP 5200 und ein Treiber Q8 / Q9 waren mit Kurzschluss. Nach meinen Recherchen und Messungen kommt der angehängte Schaltplan der TA2400 Endstufe am nächsten. 3. Nach dem Austausch der defekten Widerstände und Transistoren war ein "stabiler" Zustand erreicht, bei dem im Betrieb nichts mehr heiß wurde. Die Protect Schaltung sprach immernoch an und am Ausgang lagen ca. 30V DC. Nun konnte ich die Beschaltung um den NE5532 kontrollieren. Der hatte auch was abbekommen. Irgendein Kurzschluss lag hier intern vor, da die Betriebsspannung gegen Masse gezogen wurde. 4. Ich habe provisorisch einen Sockel eingebaut und einen neuen NE5532 eingestzt. Leider lösen sich die PADs selbst bei vorsichtigem Löten von der Platine. Deshalb ist alles noch etwas fliegend verlötet um die Platine zu schonen. 5. Jetzt ist mir bereits zweimal folgendes mit dem neuen OPV passiert. Beim Einschalten, auch mit langsamen Hochregeln am Trenntrafo, brennt sofort einer der beiden 22Ohm Widerstände (R26 R27) an der Basis der Treibertransistoren durch. Danach haben die meisten Treiber (1943 5200 einen Kurzschluss zwischen B-C. Ich kann so leider nichts messen. Die Bauteile um den OPV machen eine guten Eindruck. Dioden, Potis, Z-Dioden sind auch OK. Ich bin mir sicher, dass nach dem erneuten Tausch aller Transistoren dasselbe wieder passiert. Vergleichsmessungen zwischen guten und defektem Kanal sind so leider nicht möglich. Hat jemand eine Idee weshalb der Austausch des OPVs zu diesem Verhalten führt? Was kann ich im aktuell defekten Zustand noch alles sinnvoll messen oder probieren? Einen weiteren Reperaturversuch mit neuen Teilen möchte ich erst starten wenn ich einen "echten" Fehler gefunden und behoben habe. Viele Grüße Andi
Wenn Du die Platine schon beim Löten versaut hast, dann bitte prüfen ob ALLE Kontakte an denen Du dran warst auch wirklich noch Kontakt haben. Passiert übrigens eher nicht, ich hab's damals auch ohne abgelöste Lötaugen geschafft, den NE5532 rauszupopeln. Die Endstufen sind etwas tricky aufgebaut, damit ein so kleiner OPV eine recht große Endstufe ansteuern kann. Die Betriebsspannung für den OPV wird über Z-Dioden gebildet und wandert mit dem Ausgangssignal mit. Erstmal checken, ob das noch funktioniert, bzw. ob die Siebelkos dort noch in Ordnung sind. Und zuerst alle Endstufentransistoren raus. Man wechselt bei sowas nicht nur die defekten. Meistens sind die alle irgendwie angeschlagen, auch wenn sie messtechnisch noch gut aussehen. Schön ist es auch, wenn man hinterher Transistoren mit möglichst gleichen Werten findet, möglichst welche, die unmittelbar nebeneinander produziert wurden. Die streuen meist recht wenig. Was ich zum Messen immer mache: Die Endstufe an einem strombegrenzten Netzteil mit geringer Spannung betreiben. Das ist eine Class-H Endstufe (Class-A/B mit zweistufiger Betriebsspannung), also die Betriebsspannungsumschaltung (die IRFP250N) überbrücken und dann an 2x10V oder so, ggf. Widerstände zwischen Emitter und Basis von Q10 und Q20 einsetzen, dann lässt sich ohne Last schon mal der Spannungsverstärker (Q8/Q9/Q18/Q19) testen. Erst wenn der an voller Betriebsspannung funktioniert die Endstufentransistoren einsetzen und schauen was der Ruhestrom macht, ggf. mit VR1 justieren (ca. 10..20mA pro Transistor, messbar über die Emitterwiderstände) Edit: Für Vergleichsmessung zwischen defektem und intaktem Kanal brauchst Du übrigens nicht gleich Spannung anzulegen. Das geht auch mit der Widerstandsmessung oder Diodentest in spannungslosem Zustand.
Vielen Dank für den Input! Ich werde sie im laufe der Woche umsetzen. Beim letzten "Abrauchen" waren alle 8 Endstufen Transistoren mit den 4 Treiber neu. Davor war es noch eine Mischung aus alt und neu. Nachdem es zweimal identisch zum Abrauchen kam, muss noch ein weiterer Fehler vorliegen.
Ich habe die Schaltung jetzt mit einem Labornetzteil +-30V in Betrieb genommen. Die Mass der Versorgungsspannung liegt auf dem Kühlkörper. Die Stromaufnahme ist auf beiden Spannungen sehr gering ~20mA. Die Endstufentransistoren sind alle entfernt und die Treiber sind mit dem Diodentester im eingebauten Zustand getestet. Sie zeigen keine harten Kurzschlüsse. Die Clip + Fault LEDs des angeschlossenen Kanals leuchten. Mir fällt jetzt nichts "falsches" auf. Z3 ist anstelle der 3,3V Diode im Schaltplan eine 4,7V Z-Diode. Geht was kaputt wenn ich nun als nächstes wieder die reguläre Versorgung über den Trafo anschließe +-55V +- 110V und einschalte? Geht das ohne die Endstufen Transistoren gut? Mehr als +-30V bekomme ich aus meinem Netzteil nicht raus.
Was macht die Endstufe denn wenn Du ein Signal einspeist? Kommt das vor dem Lautsprecherrelais gemessen korrekt verstärkt wieder raus? Die Spannungsverstärkung ansich müsste funktionieren, ohne Endstufentransistoren kann das Gerät nur keine Leistung liefern. Ansonsten: Wieviel Strom fließt ohne Signal über R26 und R27, welche Ausgangsspannung liefert die Endstufe ohne Signal?
Ich habe mit dem Handy als Signalgenerator eingespeist und der erste, linke OPV funktioniert. Jedoch tut sich beim zweiten überhaupt nichts, nur DC an allen Pins. Über R26 und R27 fällt 0V Spannung ab, hätte ich jetzt anders erwartet. An der Spule L1 liegen 5,3V DC.
Verfolge mal zurück welchen Weg das Signal nach dem ersten OPV zum Lautstärkeregler (J3?) und dann zum zweiten OPV nimmt. Ist der OPV neu oder hat der schon eine in die Fresse bekommen? 5,3Vdc am Ausgang sehen erstmal nicht gut aus, aber da habe ich im Moment keine Idee wo die herkommen. Normalerweise müsste über R26 und R27 etwas Ruhestrom fließen, kann aber sein, daß das bei zu niedriger Versorgungsspannung noch nicht korrekt funktioniert. Du könntest probieren, die Werte von R22/R23 und R24/R25 so weit zu verringern, daß bei Deinen +-30V schon Strom durch Z4 und Z5 fließt. Dann bekommt die Vorstufe mit den OPVs ihre korrekte Betriebsspannung von +-15V.
Zwischen dem ersten und dem zweiten OPV ist doch die Platine an der Front. Die Schaltung die da drauf ist wird über den Trafo versorgt. Da ich die Endstufe direkt mit +-30V versorge kann hier ja nichts funktionieren. D.h. zum zweiten OPV kommt so kein Signal. Über R26 und R27 fließt kein Strom, da die Leistungstransistoren alle weg sind und die Treibertransistoren Q8 Q9, Q18 Q19 nicht angesteuert werden. Testweise habe ich parallel zu R22 und R23 nochmal 1-2 10k Widerstände parallel geschalten. Damit ist die Versorgung am OPV 1-2 V gestiegen. An den anderen Spannungen hat sich aber nichts getan. Auffallend ist, dass U2 LM311 mit +30V an Pin8 und +25,7V an Pin4 versorgt wird. Im Gegensatz dazu hat U3 Pin8 = -18V Pin4 =-30V. Warum bekommt U2 weniger Versorgungsspannung? Die Schaltung drumherum verstehe ich noch nicht ganz.
Die Spannungen rund um den letzten OpAmp (5532) sehen nicht gut aus. Der muss ohne Signal an allen Signalpins um die 0V haben. R20 ist der Gegenkopplungszweig, der für die 0V am Ausgang sorgt und der - Eingang liegt ja auf Massepotenzial über R7. Der Opamp versucht nun, durch die Ausgangsspannung beide Inputs auf dem gleichen Level zu halten. Das gelingt im nicht, weil entweder eine Hälfte der Endstufe defekt ist, oder weil gar keine Endstufe vorhanden ist. Ich würde mit den nach wie vor vorhandenen Angstwiderständen oder der Strombegrenzung des LNT versuchen, ein Endstufenpärchen zu bestücken, um zu sehen, ob die o.a. grundsätzliche Regelung per Gegenkopplung spielt. Wäre übrigens nicht das erste mal, das eine Diode kaputt ist.
Ich habe die Endstufe vom Kühlkörper geschraubt um die Platine auf der Rückseite kontrollieren zu können. Hier sieht soweit alles gut aus. Für die weiteren Messungen ist jetzt ein Endstufenpaar bestückt und die Endstufe an die normale Verkabelung im Verstärker angeschlossen. (ohne Kühlkörper) Provisorisch habe ich jetzt an Pin 8 (+15V) und Pin 4 (-15V) Drähte angelötet um direkt mit dem Netzteil einspeisen zu können. ( Stromaufnahme +-20mA) Messung 1 blau: Es liegen nur die +-15V am OPV an. So scheint er auch zu funktionieren. Warum jetzt trotzdem noch +0,1V am Ausgang liegen kann ich mir noch nicht ganz erklären. Kommt wahrscheinlich durch den Spannungsabfall über die Rückkoppel Geschichte. Messung 2 orange: Die +-15V liegen nun auch an den eigentlichen Spannungsversorgungseingängen. Die Umschalt FETs der Versorgung sind immernoch gebrückt. Beide Schmelzsicherungen müssen entfernt sein, ansonsten geht sofort die Strombegrenzung vom Netzteil an. Leider habe ich nur ein 2 Kanal Netzteil. Ein weiteres wäre super um die Schaltungsteile getrennt versorgen zu können. Ich habe die sämtliche Dioden rund um den OPV nachgemessen und Vergleichsmessungen mit dem funktionierenden Kanal gemacht. Leider nichts auffäliiges zu finden.
Andreas W. schrieb: > Warum jetzt trotzdem noch +0,1V am Ausgang liegen kann ich mir noch > nicht ganz erklären. Kommt wahrscheinlich durch den Spannungsabfall über > die Rückkoppel Geschichte. Das soll schon nicht sein. Der Sinn der Gegenkopplung ist ja, die ganze Endstufe wie einen dicken OpAmp aussehen zu lassen. Leider werden in diesem Design die Endstufen in Emitterschaltung benutzt, was die Nummer nicht unbedingt stabiler macht. Aber am Opamp selber müssen bei beiden Eingängen auf null Volt auch am Ausgang null Volt stehen. Jede Abweichung wird durch die Emitterschaltung der Endstufe verschlimmert, denn die Kerlchen sind ja Spannungsverstärker. Hätten die Jungs Emitterfolger in die Endstufen gebaut, bräuchte man zwar einen OpAmp, der mit der vollen Spannung der Endstufe klarkommt, aber die Stabilität wäre um Längen besser. Du hast keine andere Wahl, als Schritt für Schritt die Treiber und das bestückte Endstufenpaar auf Unsymmetrien zu messen. Wenn du Leistungswiderstände statt der Sicherungen einbaust (z.B. am Anfang mal so 500-1000 Ohm), dann kannst du auch das Hauptnetzteil benutzen, ohne das es gleich qualmt, ausser evtl. einer der Opferwiderstände.
dieser LM311 verträgt doch nur +-18V also 36 zwischen den Versorgungspins. Welche Spannung misst du da der NE5532 wird warscheinlich für noch weniger ausgelegt sein +-15V. Beim LM311 fehlt doch der Z-Diode eine Begrenzungswiderstand oder habe ich das übersehen? Ich wurde mich erstmal auf das Signal auf der "schwachen" Seite konzentrieren. p.s. und nehmt doch bitte das .png Format für die Schaltpläne, damit es nicht jedesmal schlechter wird.
Ich habe jetzt einen Messfehler entdeckt: Den OPV kann ich direkt mit +-15V versorgen. (Masse dann auf Kühlkörper Potential) Sobald ich aber mit dem selben Netzteil die +-110V Anschlüsse mit eingesetzten Sicherungen anklemme, schließen mir die End-Transistoren die Versorgungsspannung kurz. Ich muss hierfür ja das Potential für die Mittelanzapfung erschwischen. Durch einen Workaround komme ich an ein zweites Netzteil ran. Von dem her wäre es jetzt möglich Vor- und Endstufe getrennt mit Strombegrenzung zu betreiben. Ich hätte jetzt noch eine Frage zu den Anschlüssen. Beim TA1050 hängt der Lautsprecher zwischen A55 und A71. Wo wäre das beim TA2400? Geht CF2 zur Mittelanzapfung? Was machen CF1 CF4 CF7 CF8 CF10? Ich würde meine Skizze gerne für das Verständnis vervollständigen. @Thomas: Ja, das scheint ein Fehler im Schaltplan zu sein. So wirds mit U2 LM311 nicht funktionieren. Der würde sofort abrennen. Ein gesundes Misstrauen gegenüber dem Schaltplan bleibt.
Hallo zusammen, es gibt Neuigkeiten: Ich habe den defekten Kanal ohne Kühlkörper und mit nur je einem Paar Treiber- und Endstufentransistoren funktionstüchtig bekommen. Das Relais ist mit einem Draht gebrückt und das Signal wird direkt an Pin 6 des OPVs eingespeist. (Handy = Signalgenerator) (4Ohm Lautsprecher + 10 Ohm Serienwiderstand) Versorgt wird der OPV mit einem eigenen +-12V Netzteil. Die Endstufe bekommt vom zweiten Netzteil +-30V und ist nun richtig mit der Mittelanzapfung angeschlossen. Im Leerlauf ohne Signal liegen an allen OPV Ein- Ausgängen und Lautsprecheranschlüssen saubere 0V DC 0V AC. => so soll es ja sein. Damit mir die Endstufentransistoren nicht sofort zu heiß werden muss ich die Potis an den Treibern auf kurz vor Rechtsanschlag (kleinster Widerstand) stellen. Das macht sich natürlich bei den Übernahmeverzerrungen hörbar. Das hört man sehr deutlich. Im Leerlauf bei kalten Transistoren sind es ca. 20mA bei den +-30V. Wenn ich etwas mehr Strom gebe hört es sich schon viel besser an und der Ruhestrom liegt dann bei +200mA. Das geht aber nur ein Sekunden, da mir ansonsten die Transistoren ohne Kühlkörper zu heiß werden. Jetzt zu meiner Theorie warum mir bei den vorangegangenen Versuchen direkt die Transistoren durchgebrannt sind: Die neuen Tranistoren haben eine viel höhere Stromverstärkung und die bisherige Einstellung der Potis resultierte in einem viel zu hohen Leerlaufstrom. Die Schaltung reagiert da extrem empfindlich. Mit nur minimalsten Änderung an der Potiposition ist Faktor 10 beim Strom möglich. Das war bei den ersten Versuchen nur mit der Strombegrenzung des Netzteils in den Griff zu bekommen. Wenn ich jetzt im nächsten Schritt alles wieder auf original umbaue... Was muss ich noch alles beachten? Wie soll ich mit der Potistellung anfangen? Alle auf minimaler Widerstand und dann ganz langsam hochdrehen und rantasten?
Andreas W. schrieb: > Alle auf minimaler > Widerstand und dann ganz langsam hochdrehen und rantasten? Ja, natürlich - alles andere wäre Harakiri. Ich würde sogar nur Pärchenweise die Endstufen bestücken und dabei immer wieder den Ruhestrom im Auge behalten. Die Schaltung ist durch ihr Konzept darauf angewiesen, das die Transistoren gut gematched sind, ich hoffe, du kannst damit dienen. Sonst bekommt einer viel mehr ab als sein Nachbar. Falls das nicht möglich ist, miss sie wenigstens auf gleiche BE Flusspannung aus und, wenn du die Möglichkeit hast, auf gleiche Stromverstärkung.
Beitrag #6158009 wurde von einem Moderator gelöscht.
Beitrag #6158011 wurde von einem Moderator gelöscht.
Beitrag #6158014 wurde von einem Moderator gelöscht.
Kraxi schrieb im Beitrag #6158009:
> Es zahlt sich finanziell nicht aus. !!!
Warum erwähnen das die Leute immer wieder? Natürlich zahlt es sich nicht
direkt in Bargeld aus, aber es kann interessant sein, es bringt einem
Wissen und es kann in einem Erfolgserlebnis enden - oder auch nicht.
Auf jeden Fall ist es doch nicht die Sache der Antwortenden, sich darum
Gedanken zu machen oder auch nur zu antworten, wenn man nicht möchte,
denn auch das kostet Lebenszeit.
Wenn der Fragende also fragt, und der Antwortende antwortet, haben beide
Zeit und Lust, so zu kommunizieren.
Bei diesen Kondensatoren wölbt sich die Plastik-Abdeckung gerne ein wenig, ohne daß sich das Metall darunter verfomt. Da kann nur der TE schauen, ob man das Plastik-Plättchen leicht in die ebene Form drücken kann oder ob das Metall darunter auch gewölbt ist. Ich hatte auch letztens den entgegengesetzten Fall. Zwei solche Kondensatoren in einem PC-Schaltnetzteil, sahen aus wie neu, aber von den 330µF war kein einziges mehr zuhause. Gemessen 0,1µF und 0,3µF oder so, war so wenig daß ich die Messung dreimal überprüft habe weil ich an einen Messfehler dachte.
Beitrag #6158732 wurde von einem Moderator gelöscht.
Beitrag #6158777 wurde von einem Moderator gelöscht.
Mit Sicherheit sind die C's nicht mehr die Frischesten. Bei der Vorgeschichte haben die auch schon einiges mitgemacht. Aber zum eigentlichen Problem der durchgebrannten Endstufe haben sie wenn dann nur Teilschuld. Das sind unterschiedliche C's: Die ohne Beule haben eine glatte Folie auf der Oberseite. Bei denen mit der matten Folie ist tatsächlich eine kleine Erhöhung zu spüren. Diese kann aber mit wenig Druck "flach" gedrückt werden. Alle vier fühlen sich in etwa gleich an. Ich gehe jetzt mal nicht von einem Defekt aus. Zu den Transistoren: Ich habe jetzt mal bei allen noch funktionierenden die B-E Spannung mit dem Multimeter gemessen: 2SA1943 noch die verbliebenen, funktionierenden Original: 0,545 V 0,548 V 0,546 V 2SA1943 Neu: PNP 0,655 V 0,660 V 0,657 V 0,657 V 0,655 V 0,656 V 0,657 V 2SC5200 Neu: NPN 0,622 V 0,606 V 0,643 V 0,627 V 0,615 V Es ist schön zu erkennen, dass die 1943 echt erstaunlich nahe beieinander liegen. Bei den 5200 habe ich leider nur noch 5 ST. Die streuen schon ziemlich stark. Wenn ich jetzt je 4St. gematched benötige... wirds schwer. Leider kann ich die Stromverstärkung nicht messen. Soll ich mir nochmal aus China eine Hand voll kommen lassen und darauf hoffen, dass welche dabei sind die besser passen? (4 Wochen Wartezeit) Nachdem die PNP alle so schön beieinander liegen ist mir mit den NPN nicht ganz wohl.
Beitrag #6158997 wurde von einem Moderator gelöscht.
Die BE-Spannung zusätzlich zu messen verbessert noch etwas die Selektion gegenüber dem Verstärkungsfaktor. Aber mit einem Multimeter, einem kleinen Neztteil und wenigen Widerständen, läßt sich der Verstärkungsfaktor ausreichend für die Selektion messen. Auf der anderen Seite sorgen die vielen kleinen Emitterwiderstände von 0.22 öhmchen für mehr Symmetrie. Andreas W. schrieb: > Mit nur > minimalsten Änderung an der Potiposition ist Faktor 10 beim Strom > möglich. Es gab schon Endstufen bei denen auf Grund der Vibrationen durch lautes Aufdrehen so ein Poti schon solche Stromsprünge verursachte, dass sich eine solche Anlage verabschiedete. Welches der VR1 bis 3 war das? Ansonsten müßte man über die Spreizung der VR Bereiche mit parallelen Widerständen ins Auge fassen, wie auch eventuelle Erhöhung der 12 Ohm Widerstände im Emitterpfad.
Beitrag #6159022 wurde von einem Moderator gelöscht.
Beitrag #6159039 wurde von einem Moderator gelöscht.
Beitrag #6159054 wurde von einem Moderator gelöscht.
Beitrag #6159058 wurde von einem Moderator gelöscht.
@Dieter Ich habe bisher an VR 2 und VR 3 gedreht. Mann muss beachten, dass bisher nur ein Treiberpaar und ein Endstufenpaar bestückt war. Ich gehe mal davon aus, dass die Ruhestromeinstellung unempfindlicher wird, wenn alles bestückt ist.
Beitrag #6159227 wurde von einem Moderator gelöscht.
Beitrag #6159230 wurde von einem Moderator gelöscht.
Beitrag #6159285 wurde von einem Moderator gelöscht.
Beitrag #6159297 wurde von einem Moderator gelöscht.
Beitrag #6159298 wurde von einem Moderator gelöscht.
Kraxi schrieb im Beitrag #6159297: > Trimmer' ?sind gegen Verstellung gesichert Kraxi schrieb im Beitrag #6159297: > Schau mal in zwei baugleiche Geräte Genau, und in einem sind dann die billigen Blechkontaktkratzertrimmer mit der minderen Federkraft. Ein netter Wackler des 22 Ohm Widerstandes zwischen Emitter und Basis liesse die Enstufe auch bye bye sagen. Sowas ist verdammt schwer zu finden.
@Kraxi: Höre bitte auf, den Thread zuzuspammen. Du hast nur sehr wenig Ahnung, um was es hier geht, postest aber, als hättest du nichts anderes zu tun. Schreibe meinetwegen in einem Posting, was du möchtest, aber nicht immer wieder sinnlose Sachen, die dir im nächtlichen Djum dann noch einfallen.
Solche Endstufen koennen sich auch verabschieden, wenn die Einschaltverzoegerungen versagen.
Dieter schrieb: > Solche Endstufen koennen sich auch verabschieden, wenn die > Einschaltverzoegerungen versagen. Ich halte das Konzept dieser Endstufe sowieso für fragwürdig. Den Ausgang der Endstufe auf Masse zu legen und dann die Elkos des Netzteiles als Koppelkondensatoren zu missbrauchen, ist zwar möglich, aber aus technischer Sicht m.E. bekloppt. Dazu kommt dann die Spannungsverstärkung in den Endstufen, die bei richtigem Konzept überhaupt nicht nötig wäre. Stabile Endstufen haben Emitterfolger und verlassen sich bei der Spannungsverstärkung auf richtig konzipierte Vorstufen. Streuungen der Endstufe sind dann nahezu egal und werden durch die Emitterwiderstände zuverlässig ausgeglichen. Anbei mal eine der nahezu unzerstörbaren Endstufen von Peavey
Vertrau mir, viele Spezialisten bekommen auch das kaputt. Außerdem ist das keine Class-H Endstufe und liefert auch keine 1200W.
Beitrag #6159917 wurde von einem Moderator gelöscht.
Beitrag #6159924 wurde von einem Moderator gelöscht.
Beitrag #6159928 wurde von einem Moderator gelöscht.
Beitrag #6159932 wurde von einem Moderator gelöscht.
hinz schrieb im Beitrag #6159928:
> Der müllt nicht nur in diesen Thread.
Schade, dass er seine Bewertungen nicht lesen kann...
Zu der Zeit der Verstaerker wurden oefters Fehler im Schaltplan integriert um den Nachbau zu erschweren. Ist eigentlich klar, wie das mit den zwei Strangspannungen funktioniert. Die Spannungsschieflage deutet auf einen Fehler in dem Teilbereich hin.
Beitrag #6159983 wurde von einem Moderator gelöscht.
mächtig Blindleistung auf dem Thread... bitte ignorieren. Ich tue mein Bestes euch auf dem Stand zu halten und die Fragen zu beantworten: @Dieter: Die Potis hatte ich auch schon im Verdacht, da in der Treiberstufe ursprünglich auch ein Defekt vorlag. Sie lassen sich sauber durchsweepen und mit dem Multimeter sind auch keine "toten" Stellen zu messen. (Bei allen dreien nicht) Ich bin auch der erste der an dem Verstärker dran ist, da hat zum Glück vor mir noch keiner dran rumgeschraubt. @Thomas: Die Transistoren sind Thosiba "Japan". Ein richtiger Datecode ist leider nicht drauf. Sehen mal ganz "seriös" aus. Um alle nochmal abzuholen: Der aktuell defekte Kanal ist mir bei meinen Reparaturversuchen an der Position abgeraucht, an der der funktionierende war. D.h. Der/Die "Fehler" sind mit dem Endstufen Kreuztausch mitgewandert. Das Netzteil / Vorverstärker halte ich als Fehlerursache für äußerst unwahrscheinlich. Mein weiteres Vorgehen: Ich werde den Kanal Schritt für Schritt wieder mit Transistoren bestücken und vorerst mit dem externen Labornetzteil +-30V betreiben. So hat er schon funktioniert und es kam Musik heraus. Ich taste mich dann ganz langsam ran, ihn mit dem original Netzteil zu betreiben. Vorerst mal mit Unterspannung über den Stelltrenntrafo und mit ganz kleinen Auslösewerten bei den Schmelzsicherungen. Dann sehe ich auch was der Ruhestrom macht und falls doch was schief geht sind die Sicherungen auf der Platine hoffentlich schneller.
Beitrag #6160044 wurde von einem Moderator gelöscht.
Beitrag #6160050 wurde von einem Moderator gelöscht.
Beitrag #6160068 wurde von einem Moderator gelöscht.
Beitrag #6160082 wurde von einem Moderator gelöscht.
Beitrag #6160084 wurde von einem Moderator gelöscht.
Beitrag #6160104 wurde von einem Moderator gelöscht.
Beitrag #6160113 wurde von einem Moderator gelöscht.
Beitrag #6160125 wurde von einem Moderator gelöscht.
Beitrag #6160155 wurde von einem Moderator gelöscht.
Habe mal etwas im www gewuehlt. https://paforum.de/forum/index.php?thread/109497-unterschiede-ta-2400-ta-2400-mk-ii/ Aehnliches Fehlerbild, aber ohne Loesung: https://paforum.de/forum/index.php?thread/61989-t-amp-ta-2400-mk-2-defekt/
Dieter schrieb: > > Aehnliches Fehlerbild, aber ohne Loesung: > https://paforum.de/forum/index.php?thread/61989-t-amp-ta-2400-mk-2-defekt/ Ja, das kommt ziemlich gut hin. Es schreibt jemand von +-25mV die Transistoren bei der BE Spannungen streuen können. Meine liegen auch in dem Bereich. Und dass man sich gleich ein paar mehr zulegen sollte... dem stimme ich sofort zu.
Q16/17/26/27 scheinen im Schaltplan auch nicht so zu stimmen. Im Prinzip handelt es sich um einen Teil aehnlich der TA 1050, aber zusaetzlich noch im Versorgungspfad des ne5534 eine Stufe fuer noch groessere Amplituden superpositioniert. https://www.pinterest.de/pin/722264858973712006/ So wie bei dem Link, aber den Spannungsabfall greift ein OP ab und steuert zwei parallele Mosfet an. C14 D15 sorgen fuers Bootstrapping.
Beitrag #6160358 wurde von einem Moderator gelöscht.
@Dieter Die FETs und ihre Ansteuerung haben mit der eigentlichen Endstufe nichts zu tun. Das Ding ist ein Class-H-Aufbau, sprich Class-A/B mit geschalteter Betriebsspannung. Die hohe Spannung wird also nur impulsweise angelegt, wenn sie auch tatsächlich gebraucht wird. Bei niedriger Leistung arbeiten die Endtransistoren mit verminderter Spannung und der Wirkungsgrad bei kleiner Leistung steigt beträchtlich. Die FETs mit den zugehörigen OPVs erledigen nur die Spannungsumschaltung. Und was die Endstufe generell angeht: Für das Geld was die kostet ist das eine wirklich gute Endstufe. Ich habe selbst eine davon. Wenn man weiß worauf man achten muß klingen andere höherwertige Endstufen zwar einen Tick besser, aber dann braucht man auch die passenden PA-Boxen. Mit Piezo-Hochtonquetschen braucht man keine bessere Endstufe, die kann da auch nichts retten. Und genug Bumms für den heimischen Partykeller hat das Ding allemal, eigentlich ist sie dafür schon überdimensioniert. Leider wissen nur wenige Leute, wie sich echte 600..800W sinus auf 50m² anfühlen. Aus eigener Erfahrung: Man fühlt deutlich, daß man Haare auf den Unterarmen hat, ob der 1800W-Staubsauger läuft oder nicht ist nur noch auf Umwegen feststellbar und auch wenn man das meinen könnte: LCD-Bildschirme werden bauartbedingt nicht plötzlich unscharf. Also das ist schon ziemlich böse und definitiv nicht gesund für die Ohren.
Beitrag #6161135 wurde von einem Moderator gelöscht.
Das nächste mal nicht als Kraxi ungefähr 10x mit so vielen Sätzen schreiben, dass das Unterfangen sinnlos sei. Unnötig aus des TO seine Bilder zu vergrößern, sowie massiv zu posten, wie viel nun dort schon recht unsauber aussieht. Es reicht in dem Falle ein Beispiel zu nehmen, zu schreiben, da wären zu viele, und empfehlen eine neue Platine oder gleiches Gerät günstig zu ersteigern um aus zwei defekten ein ganzes Gerät zu machen. So kam es mehr als Bloßstellen des TO bei vielen an. Ben B. schrieb: > Das Ding ist ein Class-H-Aufbau, sprich Class-A/B mit > geschalteter Betriebsspannung. Die hohe Spannung wird also nur > impulsweise angelegt, wenn sie auch tatsächlich gebraucht wird. Meine Vermutung ist, dass die Fehlerursache in dem Teil für die impulsweise hohe Spannung liegen müßte. Ein wackeliger Kontakt wäre auch möglich. Vergleichsmessungen wäre schon sinnvoll mit der funktionierenden Endstufe. Vor allem muss man sich diese sorgfältig und übersichtlich notieren. Wenn man das nicht so macht, kann man es auch gleich bleiben lassen.
Nicht schon wieder eine Diskussion, ob das Teil jetzt was taugt oder nicht. Der TO hat also einen Stereoverstärker mit einem intakten Kanal. Das ist für einen ernsthaften Reparaturversuch doch nicht die schlechteste Ausgangsbasis! Und wenn er sich das zutraut, also zumindest ein Basiswissen hat, dann sollte er erst mal selbst überlegen, wie er vorgehen würde. Dann kann er auch fragen... Gruß Rainer
Oha, mein Schaltplan taucht ja hier auch wieder auf. Ich habe schon mehrere dieser PAs repariert, fast immer habe ich sämtliche Transistoren der betreffenden Kanäle getauscht. Die Netzteilelkos hatten dagegen sehr selten Macken. Die Endstufentransistoren sind allerdings ein Problem in der Beschaffung, da sind sehr sehr viele Fälschungen in Umlauf. Selbst bein "Hoflieferand" Segor hat mir sowas verkauft. (diese aber anstandslos zurückgenommen) Wenn die NPN und PNP nicht halbwegs gleiche Daten haben, läuft die Kiste Amok. Das bei der Schaltungsversion quasi die Betriebsspannung über die Lautsprecher hin und hergeschoben wird, funktioniert sehr gut. Vorteil: günstigere Massekonstruktion, da die Ts ohne Isoliergeraffel verbaut werden können. Old-Papa
@Old - Papa Du scheinst ja schon mehr von den Amps auf dem Tisch gehabt zu haben. Was meinst du zu meien Transistoren? Siehe die BE-Spannungen weiter oben. Ist das von der Streuung ok? Passt meine Inbetriebnahme Strategie: Ich werde den Kanal Schritt für Schritt wieder mit Transistoren bestücken und vorerst mit dem externen Labornetzteil +-30V betreiben. So hat er schon funktioniert und es kam Musik heraus. Ich taste mich dann ganz langsam ran, ihn mit dem original Netzteil zu betreiben. Vorerst mal mit Unterspannung über den Stelltrenntrafo und mit ganz kleinen Auslösewerten bei den Schmelzsicherungen. Dann sehe ich auch was der Ruhestrom macht und falls doch was schief geht sind die Sicherungen auf der Platine hoffentlich schneller. Laut Service Manual RMX 2450 wird mit VR1 der Ruhestrom eingestellt. D.h. Startwert zur Sicherheit 0 Ohm. VR2 und VR3 sind für die Strombegrenzung zuständig. Sollte zu Beginn ohne Last ja noch kein Thema sein -> also max. Widerstandswert. Was meinst du?
Meistens sind die Transistoren schneller tot als Schmelzsicherungen ansprechen.
Beitrag #6162267 wurde von einem Moderator gelöscht.
hier mal ein 3000h 105°C Typ für ca. 6€ https://www.mouser.de/ProductDetail/Cornell-Dubilier-CDE/SLP103M063H9P3?qs=sGAEpiMZZMvwFf0viD3Y3ROGmxq83YAGHb3zELHdT58%3D von Kemet gibts sogar 13kh Typen für den gleichen Preis.
Beitrag #6162302 wurde von einem Moderator gelöscht.
Beitrag #6162306 wurde von einem Moderator gelöscht.
Kraxi @ Dieter schrieb im Beitrag #6162267: > Kapazität: 10000 µF > Spannungsfestigkeit: 63 VDC Dann such dir einfach mal 10Stck 1000µ 63/100V im 105°C Bereich. Kriegt man immer mal als Restposten und wenn der Platz es hergibt...perfekt!! Gruß Rainer
Kraxi @ Dieter schrieb im Beitrag #6162306:
> Was lernt man daraus?
Zum guten Ton (Nettiquette) gehört, erstens kein abwatschen und kein
unnötiges entmutigen.
Ganz altes Wissen, gar nichts Neues und das A & O jeder Reperatur ist
erst einmal eine gründliche Befundung. Dazu gehört zuerst eine genaue
optische Kontrolle des Gerätes, dh alles sichtbare auf und an der
Platine, ob optisch schon Defekte zu erkennen sind.
Den Schaltplan, bzw. die Funktionsweise muss dabei im Hinterkopf
vorhanden sein um zu ahnen, welcher Defekt (Ursache) möglicherweise das
Bauteil (Sympton) hat optisch abbrennen lassen.
Ob die großen Elkos noch das machen was sie sollen, läßt sich meistens
indirekt messen. Bei vielen Endstufen kann man die Lasten trennen, die C
irgendwie aufladen und dann die Entladezeit mit einer Lampe oder
Widerstand/LED-Kombination messen. Zweite Möglichkeit ist die Messung
des Ripples bei einer bestimmten Stromlast. Notfalls hängt man an die
Elkos noch einen dicken Leistungswiderstand als Last für die
Messsekunde.
Die großen Elkos sinds nicht. Wenn die hin wären, gäbe es nur ein hässliches Brummen, aber keine defekten Endstufenmodule.
Ben B. schrieb: > Die großen Elkos sinds nicht. Wenn die hin wären, gäbe es nur ein > hässliches Brummen, aber keine defekten Endstufenmodule. Auf sowas ist leider auch nicht immer verlass. Wenn die acht als 2s4p, bzw. 2x 2s2p, verschaltet sind, bzw. wären, kann es schöne Effekte geben. "Sie können gar nicht so dummes denken, wie in der Realtität passiert" sagte immer ein Professor mit wirklich viel Praxiserfahrung. Wenn durch unterschiedliche Kapazitäten eine Schieflage von vielen Volt beim Schalten möglich ist, gibt es manchmal Endstufen, die das dann doch nicht, so mögen und verkraften. Über die TA4200 ist mir aber zu wenig bekannt um das "manchmal" hier auszuschließen.
Beitrag #6163450 wurde von einem Moderator gelöscht.
Hallo zusammen, - es gibt Neuigkeiten: in Kürze -> der defekte Kanal geht wieder - die lange Version: Alle meine bisherigen 5200 und 1943 Transistoren waren absolute Fake Teile direkt aus der Bucht / China. Ich musste es schmerzhaft lernen und mit viel Frust mehrfach tauschen. Auf dem Bild habe ich einen originalen und einen Fake aufgemacht und verglichen. Man sieht schön, dass die Dies unterschiedlich groß sind und die Fälschung natürlich keinerlei Spannungsfestigkeit hat und beim kleinsten Hauch schon einen Kurzschluss verursacht. Ich habe auch gegoogelt, das ist ja jetzt keine neue Erkenntnis, das Web ist voll mit Berichten mit gefälschten Transistoren. Letzten Endes bin ich bei "Kessler electronic GmbH" fündig geworden. Für 13€ inkl. Porto habe ich 8 St. kompatible und seriöse Ersatztransistoren bekommen. Den Ruhestorm habe ich nach dem Vorbild des anderen, funktionierenden Kanals eingestellt. Die Poti Einstellungen unterscheiden sich allerdings erheblich zu den vorangegangenen. Mit einfach nur 1 zu 1 austauschen wären mir die neuen auch ziemlich sicher abgeraucht. Was habe ich jetzt alles gemacht: - neue Treiber Transistoren 4x - neue Endstufen Transistoren 8x - neuer NE5532 - mehrere 3W Lastwiderstände - neue Wärmeleitpaste - 2x neue Lüfter muss ich noch besorgen, einer hat zeitweise stark vibriert (Lager komplett fertig aufgrund der vielen Betriebstunden) Meine Empfehlung an Nachahmer: - alle Halbleiter mit dem Diodenmesser / Multimeter auf Kurzschlüsse prüfen - alle Lastwiderstände kontrollieren (bei mir waren auch welche mit dem Wert komplett daneben, obwohl sie äußerlich noch "ok" aussahen) - zu Beginn nur mit einem 2-Kanal Netzteil +-30 betreiben; Rail Schalt FETs überbrücken; 1,8kOhm parallel zu den Leistungswiderständen für die OPV Versorgung anklemmen -> OPV bekommt dann genügend Spannung und arbeitet auch sauber - das Ausgangsrelais mit einer Drahtbrücke überbrücken -> dann ist die Schutzschaltung außer Betrieb - Halbleiter nur bei seriösen Händlern kaufen! Und immer eine Hand voll mehr -> hier raucht ziemlich fix mal was 2x ab - für die Testinbetriebnahme zur Vorsicht zuerst kleine 0,5A Schmelzsicherungen einsetzen - ganz wichtig -> den Schaltplan wirklich studieren und verstehen, dauert ein wenig, ist es aber wert - TA1050 Schaltplan ist zum Verstehen ganz gut, das Service Manual des QSC RMX2450 hilft beim How To Troubleshoot, der Palladium 2000 Schaltplan stimmt zu ca. 90% mit dem TA2400 überein. Bei den wesentlichen Schaltungsteilen ist er ziemlich gut. Im Anhang habe ich den Schaltplan mit meinen Kommentaren erweitert (ohne Gewähr auf Richtigkeit!) - Einen kleinen Haken gibts noch: Der reparierte Kanal clippt unter Last mit einem 18" Sub 8Ohm wesentlich früher als der "gute". Speist man aber nur Sinus 100 Hz ohne Last ein messe ich mit dem Multimeter am Ausgang kurz vor Clipp 78V AC -> beide Kanäle absolut identisch, auch die Poti Stellung. Die Rail Spannungen am Amp sind an beiden Endstufen mit +-65V +-130V sauber da. Die Komparatoren für die Railumschaltung haben auch sauber 12V Versorgung. Würde die Umschaltung nicht funktionieren müsste ja auch schon ohne Last die Clipp LED beim reparierten Kanal früher angehen. ? Welche Tests könnte ich jetzt noch machen? Leider hab ich kein Oszi und keinen großen Lastwiderstand zur Hand. Meinen Sub möchte ich ungern als Dummy herhalten lassen. Da ist das Chasis teurer als der Amp. Vielen Dank an alle die mir hier bisher schon so viele nützliche Tipps gegeben haben! Beste Grüße Andi
Andreas W. schrieb: > clippt unter Last mit einem 18" Sub 8Ohm wesentlich früher Man kann noch etwas mit den 3 Potis spielen, aber ohne Oszi gibt das nur abgerauchte Teile. Zweitens müßte man alle noch nach hfe, so dass die npn und pnp Typen ähnlicher wären, selektieren. Meine Empfehlung das zu lassen und für den nächsten Schaden aufzuheben.
Sicher würde es nicht schaden, sich eine kleine Testschaltung oder den AVR Transistortester mal aufzubauen, wenn man wieder vor so einem Problem steht. Es freut mich jedenfalls, das die eigenartigen Probleme bei der Endstufe wohl grösstenteils auf die Drecksfakes zurückzuführen sind. https://www.mikrocontroller.net/articles/AVR_Transistortester Man fragt sich, welche Möglichkeiten man als Endkunde überhaupt noch hat, um darauf nicht hereinzufallen. Danke für die Rückmeldung und die detaillierte Beschreibung. +1 von mir :-)
Ich habe nicht alles gelesen, aber aus Erfahrung rate ich dringend dazu, sämtliche Potis/Trimmer zu tauschen. Die Dinger stehen bis zur ersten Reparatur eine Ewigkeit an der immer gleichen Stelle, welche Folgen das hat, kann jeder bei defekten Lautstärke-Pots hören. Der kleinste Wackler kann so einen AMP förmlich abrauchen lassen. Als "dicke" Lastwiderstände kann man auch Glühlampen verwenden, wenn man sie mit wenig Amplitude beginnend langsam aufheizt. Dabei konstant ein Signal anliegen lassen, sonst kann es zwischendurch sehr niederohmig werden ;) Ordentlicher Abgleich und/oder Kontrolle geht aber nicht ohne Scope.
Matthias S. schrieb: > Man fragt sich, welche Möglichkeiten man als Endkunde überhaupt noch > hat, um darauf nicht hereinzufallen. Bares beim Doktor mit Röntgen-Gerät.
Matthias S. schrieb: > +1 von mir 0,5P muss ich abziehen, weil er nicht Toshiba oder ONSemi verwendet hat.
ich³ schrieb: > Matthias S. schrieb: >> Man fragt sich, welche Möglichkeiten man als Endkunde überhaupt noch >> hat, um darauf nicht hereinzufallen. > > Bares beim Doktor mit Röntgen-Gerät. Sieht man damit kaum.
hinz schrieb: > Sieht man damit kaum. Meinem letzten dicken Patienten (KSA-80) und mich hat es gerettet. Die Endstufe, weil die Transistoren von einem renommierten Versender Fakes waren und mir, weil mir der Besitzer völlig zurecht den Kopf abgeschnitten hätte.
ich³ schrieb: > hinz schrieb: >> Sieht man damit kaum. > > Meinem letzten dicken Patienten (KSA-80) und mich hat es gerettet. Die > Endstufe, weil die Transistoren von einem renommierten Versender Fakes > waren und mir, weil mir der Besitzer völlig zurecht den Kopf > abgeschnitten hätte. Und was konntest du da sehen? Das Die ist auf einem einfachen Röntgenbild kaum zu sehen, einen fehlenden Heatspreader sieht man natürlich schon.
Andreas W. schrieb: > Der reparierte Kanal clippt unter Last mit einem 18" Sub 8Ohm wesentlich > früher als der "gute". Das kann aber auch an deinen UTC-Transitoren liegen. Nicht ohne Grund verwenden selbst Hersteller wie Behringer nur (Leistungs-)Transistoren von renommierten Herstellern, Berhinger musste auch schon Lehrgeld bezahlen. Dabei haben die das sparen erfunden. https://www.amazona.de/interview-uli-behringer/ Da muss man halt dann mal bei Digikey oder Mouser original Toshibas oder ON-Semi kaufen, auch wenns das Doppelte bis Dreifache kostet. ich³ schrieb: > renommierten Versender Fakes Aber bestimmt nicht Digikey oder Mouser, oder?
2⁵ schrieb: > Da muss man halt dann mal bei Digikey oder Mouser original Toshibas oder > ON-Semi kaufen, RS hat diese 2SC5200/2SA1943 auch.
Ich habe jetzt nochmal mit Gefühl an den Potis gedreht und 0,1V mehr BE Spannung gegeben. Jetzt sind es 0,48V bis 0,52V an NPN und PNP. Jetzt clippt nichts mehr! Läuft jetzt sauber! Wenn ich den Spannungsabfall im Leerlauf an den Emitterwiderständen messe, liegt der zwischen 0,05 und 0,30mV. Das schwankt von Transistor zu Transistor und man spürt es auch an der Erwährmung welcher Widerstand mehr Strom bekommt. Zum Thema Matching, UTC vs. original Toshiba.... die Schwankungen treten auch beim nicht reparierten Kanal mit original Transistoren auf. Meiner Meinung nach sind das die regulären Fertigungstoleranzen. Das muss die Schaltung abkönnen. Jetzt besorge ich noch zwei neue Lüfter und dann bin ich zuversichtlich, dass das Projekt abgeschlossen ist. (-;
Ich sehe gerade, dass wir das Thema mit aktuellen NF-Power-Transistoren schon mal hatten: Beitrag "Gibt es noch brauchbare Transistoren für den Audio-Bereich?" Dabei kam auch schon die Diskussion über UTC auf und im Datenblatt (ich habe extra bei UTC Taiwan gesucht, dabei ist es hier im Forum verlinkt Beitrag "Re: Gibt es noch brauchbare Transistoren für den Audio-Bereich?" und Kessler hat es direkt im Download) gibt es zum Toshiba auf den ersten Blick keine Unterschiede. Hier wird zumindest gemeint UTC sei durchaus "seriös": Beitrag "Re: Gibt es noch brauchbare Transistoren für den Audio-Bereich?"
> Wenn ich den Spannungsabfall im Leerlauf an den Emitterwiderständen > messe, liegt der zwischen 0,05 und 0,30mV. Das schwankt von Transistor > zu Transistor und man spürt es auch an der Erwährmung welcher > Widerstand mehr Strom bekommt. Wirklich mV? Oder V gemeint? Wenn V dann ist das auf jeden Fall schlecht und meine TA2400 macht das nicht so extrem. Ein wenig Unterschied ist normal (die Emitterwiderstände sind dazu da, die Unterschiede auszugleichen), aber 0,3V wären schon verdammt viel für nur Ruhestrom. Das Schlimme ist, daß sich dieser Effekt bei Erwärmung der Bipolartransistoren noch verstärkt. Ein warmer Transistor zieht dadurch mehr Strom als ein kalter und erwärmt sich weiter, was widerum den Strom erhöht. Wenns meine Endstufe wäre würde ich mir nochmal Gedanken machen, wo ich besser gematchte Transistoren herbekomme. Deswegen liebe ich FETs in Endstufen so sehr, bei denen ist der Effekt umgekehrt und der kälteste FET bekommt den meisten Strom. Nachteil: Die Exemplarstreuung vor allem bei linearem Betrieb ist noch viel größer als bei Bipolartransistoren.
ja, mV So wie der Ruhestrom jetzt eingestellt ist, kann man die beiden Kanäle anhand der BE- und Emitterwiderstand Spannungen nicht voneinander unterscheiden. Für stundenlang 100% ist der Amp nicht mehr geeignet. Aber ab und zu mal ganz Sachte oder als Backup sollte er noch lange halten.
Bitte melde dich an um einen Beitrag zu schreiben. Anmeldung ist kostenlos und dauert nur eine Minute.
Bestehender Account
Schon ein Account bei Google/GoogleMail? Keine Anmeldung erforderlich!
Mit Google-Account einloggen
Mit Google-Account einloggen
Noch kein Account? Hier anmelden.












