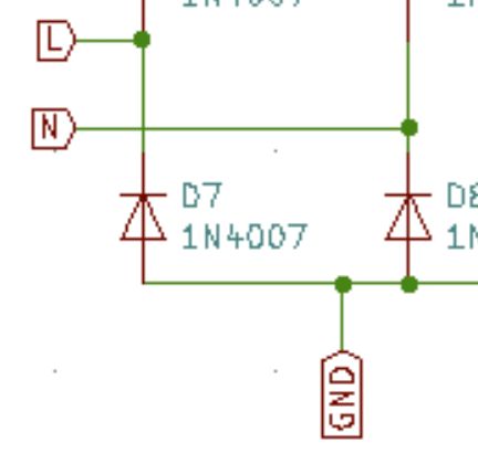
Hallo zusammen, ich habe momentan ein Verständnisproblem. Und zwar bin ich mir nicht sicher ob ich den Ground meiner Spannungsquelle mit dem Neutralleiter verbinden darf. Wie im Anhang zu sehen, versuche ich über den Spannungsteiler R7 und R8 den Nulldurchgang der Netzspannung zu messen. Da die Netzspannung und die Messschaltung das gleiche Bezugspotential benötigen um die Spannung zu messen, müsste ich ja den Neutralleiter mit dem GND verbinden. Aber, wenn ich den Neutralleiter und den Ground miteinander verbinde, würden die Dioden D5 und D7 eigentlich überflüssig sein. Bei der Wechselspannung im Netz ist es doch so, dass die Potentialrichtung, also von L nach N und N nach L, sich ständig wechselt und jeweils 230 Veff anliegen. Dann sollte für den Fall N nach L mit 230 Veff doch eine Niederohmige Verbindung zwischen N und GND entstehen. Habe ich einen Denkfehler gerade? Benötige ich eventuell eine virtuelle Masse(Ground)? MFG Nicolas
Hi, und wer garantiert Dir, dass nicht L und N vertauscht werden? Also, lieber irgendeine geeignete Maßnahme zur galvanische Trennung vorsehen. ciao gustav
Karl B. schrieb: > Hi, > und wer garantiert Dir, dass nicht L und N vertauscht werden? > Also, lieber irgendeine geeignete Maßnahme zur galvanische Trennung > vorsehen. > > ciao > gustav Hallo, danke für die schnelle Antwort. Die Platine wird nur ein Prototyp, um die Theory aus der Uni in die Praxis umzusetzen. Diese Schaltung wird auch nur von mir angeschlossen und verwendet. MFG Nicolas
Nicolas K. schrieb: > Die Platine wird nur ein Prototyp, um die Theory aus der Uni in die > Praxis umzusetzen. Diese Schaltung wird auch nur von mir angeschlossen > und verwendet. Und muss trotzdem den Personenschutzbestimmungen entsprechen. So passieren nämlich die meisten Haushaltsunfälle. Tip: Nimm Trenntrafo. Und zur Frage: Ja, der Kurzschluss macht Dir die besagten Dioden überflüssig. Da wärst Du aber auch selber drauf gekommen. ciao gustav
Wenn wir mal bei der Theorie bleiben: Welche Spannung soll sich längerfristig an C7 einstellen?
Nicolas K. schrieb: > müsste ich ja den Neutralleiter mit >dem GND verbinden. Aber, wenn ich den Neutralleiter und den Ground >miteinander verbinde, würden die Dioden D5 und D7 eigentlich überflüssig >sein. Mach eine Einweggleichrichtung, dann hast du dieses Problem nicht. Aber wie schon geschrieben wurde, ist es besser mann nimmt einen Trafo. Am den Eingängen des oberen OPV fehlen Widerstände nach Masse.
1. Den OPA2340 wirst du schon beim einschalten kaputt machen. 2. Wenn du dann noch GND mit N verbindest, dann fliegen der die Dioden mit einem Knall um die Ohren. 3. Dann noch mit einer Hand die Schaltung berühren und mit der anderen Hand an ein geerdetes Gerät oder Kabel berühren. Damit hängst du dann voll an der 230V Netzspannung. Für so einen Versuch kauft man sich einen kleinen Transformator 230V->12V. Auf der 12V-Seite kannst du dann machen was du willst aber bloß nicht mit N verbinden, weil man bei unseren Netzsteckern/Netzkabeln nie weiß auf welcher Seite N ankommt. Man verbindet in Geräten höchstens den GND mit dem Schutzleiter(PE) aber nur, wenn man einen Trafo zur Isolation der Primärseite und der Sekundärseite in der Schaltung hat.
Nimm aus Sicherheitsgründen einen blauen 16A CEE Stecker. Bei dem sind die Anschlüsse vorgeschrieben und den kann man auch nicht anders herum in die dafür vorgesehene blaue 16A CEE Steckdose reinstecken, weil er das durch eine vorstehende Nase mechanisch nicht zulässt.
Du brauchst in JEDEM Fall eine Potentialtrennung. Entweder über - Transformator (den du dann auch gleich für die Versorgung der OpAmps verwenden kannst) oder - Optokoppler; der Eingang bekommt gleichgerichtete, per Spannungsteiler abgegriffene Netzspannung. Der Ausgang geht in den OpAmp. Dass du GND und irgendeine Netzleitung miteinander nicht verbinden solltest, versteht sich von selbst und ist außerdem potentiell lebensgefährlich.
Nicolas K. schrieb: > ich habe momentan ein Verständnisproblem. Und zwar bin ich mir nicht > sicher ob ich den Ground meiner Spannungsquelle mit dem Neutralleiter > verbinden darf. Verbinde besser die ganze Schaltung nicht mit dem Stromnetz. Den OPA-Eingang über 22u und 6k8 mit dem Stromnetz zu verbinden ist doch irrsinnig. Dein GND ist schon mit -325V verbunden, über die Dioden. Wähle einen GANZ ANDREN Lösungsansatz, wenn du mit 230V Arbeiten willst, als diesen, damit du selbst und deine Bauteile überleben.
Wie schon mehrfach erwähnt solltest du N nicht mit GND verbinden. Auch die Gründe hierfür wurden schon mehrfach erklärt. Es ist allerdings gängige Praxis in der Steuerungstechnik GND und Erde zu verbinden. Da der Erdkontakt immer Erde hat besteht hier keine Gefahr das man plötzlich mal 230V irgendwo in seiner Schaltung findet. Was die Messung angeht hast du mehrere Optionen: - Eine wäre ein Trafo wie hier schon beschrieben. - Ein Opto geht natürlich auch ist allerdings nicht wirklich linear. - Einen Kapazitiven Spannungsteiler. Letzterer ist aus 2 Kondensatoren und einer Hand voll Widerständen zu bauen und damit recht platzsparend im Vergleich zu einem Trafo. Allerdings solltest du das ganze differentiell messen, damit hast du das Problem mit dem vertauschten L und N nicht. Im Anhang mal 2 Bilder. Den Phasenschieber muss man natürlich nicht haben korrigiert aber die Phasenverschiebung des Signals. Der hub ist extra etwas kleiner als die 3V, so bleibt man im Linearen Arbeitsbereich des OpAmps ohne negative Versorgung (die Werte hierfür sind natürlich von OpAmp zu OpAmp verschieden.) PS: Du tätest gut daran für die Kondensatoren entsprechende Typen auszuwählen, da sich die Kapazität nicht allzu stark mit der Spannung ändern sollte. Also bieten sich Folien Entstörkondensatoren oder Keramik Safty Kondensatoren (sind kompakter) an. Ein Rating für X1/Y2 sollten sie auch haben.
Tilo R. schrieb: > Wenn wir mal bei der Theorie bleiben: Welche Spannung soll sich > längerfristig an C7 einstellen? 2,5V, so wie ich es in meiner Simulation auch messe. Die Versorgungsspannung des Operationsverstärkers ist 5V. Günter Lenz schrieb: > Mach eine Einweggleichrichtung, dann hast du dieses Problem nicht. > Aber wie schon geschrieben wurde, ist es besser mann nimmt > einen Trafo. Am den Eingängen des oberen OPV fehlen Widerstände > nach Masse. Ok, kannst du mir bitte eklären warum ich dort noch Widerstände hinzumachen sollte. So wie es aussieht muss ich doch auf einen Trafo zurück greifen. Gibt es denn einen Trenntrafo für 230V auf 230V für die Bestückung auf einer Platine? Hab bisher nur große Bauformen im Internet gefunden, welche man direkt auf eine Hutschiene befestigen kann. Ich Versuche den Einfluss eines Trafos auf den Nulldurchgang zu vermeiden und deswegen benutze ich nur einen Spannungsteiler. Wenn ich einen Transformator benutze, müsste ich doch darauf achten ob es ein Spannungsweicher oder Spannungssteifer Trafo ist oder nicht ?
Nicolas K. schrieb: > So wie es aussieht muss ich doch auf einen Trafo zurück greifen. Wozu? Du kannst doch Problemlos Erde und GND verbinden? Und selbst das brauchst du nicht…. Wenn es kompakt sein soll nimm Kondensatoren die isolieren genauso wie ein Trafo. Finde die Schaltung von Guest nicht verkehrt habe ich auch schonmal ähnlich gemacht, nur ohne den Phasenschieber. Den könntest du allerdings brauchen, wenn du den Nulldurchgang messen willst. Die Funktioniert auch wenn du an dem einen Eingang direkt die AC-Quelle ohne Masseverbindung anschließt und es ist egal wie rum gepolt die AC Spannung ist.
Guest schrieb: > Wie schon mehrfach erwähnt solltest du N nicht mit GND verbinden. > Auch > die Gründe hierfür wurden schon mehrfach erklärt. Es ist allerdings > gängige Praxis in der Steuerungstechnik GND und Erde zu verbinden. Da > der Erdkontakt immer Erde hat besteht hier keine Gefahr das man > plötzlich mal 230V irgendwo in seiner Schaltung findet. > > Was die Messung angeht hast du mehrere Optionen: > - Eine wäre ein Trafo wie hier schon beschrieben. > - Ein Opto geht natürlich auch ist allerdings nicht wirklich linear. > - Einen Kapazitiven Spannungsteiler. > > Letzterer ist aus 2 Kondensatoren und einer Hand voll Widerständen zu > bauen und damit recht platzsparend im Vergleich zu einem Trafo. > Allerdings solltest du das ganze differentiell messen, damit hast du das > Problem mit dem vertauschten L und N nicht. > > Im Anhang mal 2 Bilder. Den Phasenschieber muss man natürlich nicht > haben korrigiert aber die Phasenverschiebung des Signals. Der hub ist > extra etwas kleiner als die 3V, so bleibt man im Linearen Arbeitsbereich > des OpAmps ohne negative Versorgung (die Werte hierfür sind natürlich > von OpAmp zu OpAmp verschieden.) > > PS: Du tätest gut daran für die Kondensatoren entsprechende Typen > auszuwählen, da sich die Kapazität nicht allzu stark mit der Spannung > ändern sollte. Also bieten sich Folien Entstörkondensatoren oder Keramik > Safty Kondensatoren (sind kompakter) an. Ein Rating für X1/Y2 sollten > sie auch haben. An sowas hab ich noch gar nicht gedacht. Mittels Trafo und Opto hatte ich mir das schon überlegt aber da fande ich den Einfluss der Bauteile so groß. Danke für die Erklärung und den Schaltungen im Anhang, das bringt mich schon etwas weiter. Ich hoffe trotzdem, dass meine Fragen aus meinem vorherigen Post noch Beantwortet werden.
Mr. AC schrieb: > Nicolas K. schrieb: >> So wie es aussieht muss ich doch auf einen Trafo zurück greifen. > > Wozu? Du kannst doch Problemlos Erde und GND verbinden? Und selbst das > brauchst du nicht…. > > Wenn es kompakt sein soll nimm Kondensatoren die isolieren genauso wie > ein Trafo. Finde die Schaltung von Guest nicht verkehrt habe ich auch > schonmal ähnlich gemacht, nur ohne den Phasenschieber. Den könntest du > allerdings brauchen, wenn du den Nulldurchgang messen willst. Die > Funktioniert auch wenn du an dem einen Eingang direkt die AC-Quelle ohne > Masseverbindung anschließt und es ist egal wie rum gepolt die AC > Spannung ist. Vielen Dank, dann werde ich es so machen.
Vielleicht noch als Hinweis, die Widerstände R6 und R8 (140k) solltest du etwas kleiner wählen und dann ein Poti in reihe schalten. Damit kannst du die Phasenverschiebung dann exakt abgleichen. Je nachdem wie präzise das sein soll, nimmst du am besten was in Richtung 10 turn trimm Poti.
Mr. AC schrieb: > Nicolas K. schrieb: >> So wie es aussieht muss ich doch auf einen Trafo zurück greifen. > > Wozu? Du kannst doch Problemlos Erde und GND verbinden? Und selbst das > brauchst du nicht…. Wenn du das machst, dann fliegt dir der Brückengleichrichter mit großem Knall um die Ohren, weil dessen Ausgang auch Masse(GND) verwendet.
Sobald Du eine Verbindung zum Leistungsnetz herstellst, muss das gesamte dahinter liegende Gerät den Schutzklasse-Bestimmungen genügen. (Schutzklasse I oder II) Gerade bei Versuchsaufbauten schafft man das nie. Und sollte es auch nicht riskieren, gerade dort hat man schnell etwas zu ändern und macht dann einen Fehler. Außerdem vagabundieren auf dem N viele Spannungen, die zu Störungen führen können. Ein Trafo für einige V ist meistens die einfachere Lösung. Wenn sich ein Trafo verbietet: Ich würde zwei 100kOhm-Widerstände nehmen, einen an L den andren an N. Die beiden Enden dazwischen an einen Brückengleichrichter. Dann gibts bei Fehlern kein Feuerwerk an der folgenden Brücke usw. Die plus-und minus-Ausgänge der Brücke an die LED eines Optokopplers mit VDE-Zulassung. (die LED nicht falschrum polen) Auf der Transistorseite des Kopplers hat man dann seine Ruhe vor den Gefahren des Leistungsnetzes.
Beim Nulldurchgang mißt man doch Null Volt, also nichts. Wenn der Zeitpunkt des Nulldurchgangs erfaßt werden soll, geht es viel einfacher, sogar mit Potentialtrennung: Eine Graetzbrücke mit einem Optokoppler (mit Vorwiderstand) in der Diagonale. Bei jedem Nulldurchgang gibt es einen Puls, weil der Fototransistor nur dann sperrt. So wird das in jedem Solid-State-Relais gemacht.
Werner H. schrieb: > Beim Nulldurchgang mißt man doch Null Volt, also nichts. > Wenn der Zeitpunkt des Nulldurchgangs erfaßt werden soll, geht es viel > einfacher, sogar mit Potentialtrennung: > Eine Graetzbrücke mit einem Optokoppler (mit Vorwiderstand) in der > Diagonale. Bei jedem Nulldurchgang gibt es einen Puls, weil der > Fototransistor nur dann sperrt. > So wird das in jedem Solid-State-Relais gemacht. Diesen Impuls möchte ich vermeiden, weil dieser kurz vor dem Nulldurchgang anfängt und kurz danach fällt. Aber mittels meiner Opamp Schaltung habe ich immer eine steigende oder fallende Flanke am Ausgang des Opamp für jeden Nulldurchgang.
Alles völlige Scheisse! Wie kann der To bloß auf eine so dumme Idee kommen?
MaWin schrieb: > Wähle einen GANZ ANDREN Lösungsansatz, wenn du mit 230V Arbeiten willst, > als diesen, damit du selbst und deine Bauteile überleben. Opodeldoc schrieb: > Alles völlige Scheisse! > Wie kann der To bloß auf eine so dumme Idee kommen? Hi, man muss das Rad nicht neu erfinden. Auszug aus einer handelsüblichen PC-Master-Slave-Steckdose. Wenn schon mit Netzspannung irgendetwas geschaltet werden soll, dann mit Stomwandler zur Trennung. Ist zwar nicht Nulldurchgangsschalter, aber zeigt, wie Parameter auf der Lichtnetzleitung, hier der Strom, zu Schaltvorgangssteuerung unter Verwendung von Operationsverstärkern der Primitivsorte mit schlechter Slewrate herangezogen werden können. (Das Kondensatornetzteil ist auch grenzwertig. Das steht hier aber nicht zur Debatte. Durch Trafonetzteil ersetzen. Da aber das Ganze in der PC-Master-Slave-Steckdosenleiste fest eingebaut ist, entspricht es der Schutzart.) Was ist denn da so wichtig: 1.) Trennung vom Netz durch Stromwandler 2.) Begrenzerdioden (antiparallel geschaltete 1N4007) am Eingang des 1.OPV 3.) Verzögerung des Schaltvorgangs ciao gustav
Karl B. schrieb: > Wenn schon mit Netzspannung irgendetwas geschaltet werden soll, dann mit > Stomwandler zur Trennung. ...und was hat dieser Stromwandler für einen Kern?
Harald W. schrieb: > ...und was hat dieser Stromwandler für einen Kern? Hi, kann anhand der Typenbezeichnung eventuell herausgefunden werden. Jedenfalls nur eine Leiterschleife auf der "heißen" Seite. (Die Angaben im Schaltbild oben stimmen nicht mit dem jetzt tatsächlich eingebauten Wandler überein. (200 Wdg. 0,06 CuL etc...) ciao gustav
Karl B. schrieb: > > Was ist denn da so wichtig: > 1.) Trennung vom Netz durch Stromwandler > 2.) Begrenzerdioden (antiparallel geschaltete 1N4007) am Eingang des > 1.OPV Der Diodentyp/Strom (1A) könnte laut Photo stimmen, aber 1000V Sperrspannung braucht man nur zu einem Promille. Wobei ich auch nur 1N4007 auf Lager hab, denn die geht immer und kostet (hobbymäßig) nicht mehr, ist aber im konkreten Fall kein muß. Alles ab 1N4001 geht, vielleicht sogar 1N4148, denn der Strom wird kaum 1A sein. > ...
Carl D. schrieb: > Karl B. schrieb: >> >> Was ist denn da so wichtig: >> 1.) Trennung vom Netz durch Stromwandler >> 2.) Begrenzerdioden (antiparallel geschaltete 1N4007) am Eingang des >> 1.OPV > > Der Diodentyp/Strom (1A) könnte laut Photo stimmen, aber 1000V > Sperrspannung braucht man nur zu einem Promille. > > Wobei ich auch nur 1N4007 auf Lager hab, denn die geht immer und kostet > (hobbymäßig) nicht mehr, ist aber im konkreten Fall kein muß. Alles ab > 1N4001 geht, vielleicht sogar 1N4148, denn der Strom wird kaum 1A sein. > >> ... Wenn da ein Netzteil, egal ob Schaltnetzteil oder Trafo, eingeschaltet wird, dann fließen da locker mal 30A in der ersten Halbwelle. Dabei fließt dann auch auf der Sekundärseite ein sehr hoher Strom. Deshalb die Empfehlung bleib bei der 1N400x.
Helmut S. schrieb: > Carl D. schrieb: >> Wobei ich auch nur 1N4007 auf Lager hab, denn die geht immer und kostet >> (hobbymäßig) nicht mehr, ist aber im konkreten Fall kein muß. Alles ab >> 1N4001 geht, vielleicht sogar 1N4148, denn der Strom wird kaum 1A sein. >> >>> ... . > Wenn da ein Netzteil, egal ob Schaltnetzteil oder Trafo, eingeschaltet > wird, dann fließen da locker mal 30A in der ersten Halbwelle. Dabei > fließt dann auch auf der Sekundärseite ein sehr hoher Strom. Deshalb die > Empfehlung bleib bei der 1N400x. Ok zum Strom. Und zum x. ;-)
Carl D. schrieb: > Helmut S. schrieb: >> Carl D. schrieb: >>> Wobei ich auch nur 1N4007 auf Lager hab, denn die geht immer und kostet >>> (hobbymäßig) nicht mehr, ist aber im konkreten Fall kein muß. Alles ab >>> 1N4001 geht, vielleicht sogar 1N4148, denn der Strom wird kaum 1A sein. >>> >>>> ... > . >> Wenn da ein Netzteil, egal ob Schaltnetzteil oder Trafo, eingeschaltet >> wird, dann fließen da locker mal 30A in der ersten Halbwelle. Dabei >> fließt dann auch auf der Sekundärseite ein sehr hoher Strom. Deshalb die >> Empfehlung bleib bei der 1N400x. > > Ok zum Strom. Und zum x. ;-) Ich ging davon aus, dass es um die Dioden in der Schaltung PC_Master_Slave_power_strip.jpg geht.
Carl D. schrieb: > Wobei ich auch nur 1N4007 auf Lager hab, denn die geht immer und kostet > (hobbymäßig) nicht mehr, ist aber im konkreten Fall kein muß. Alles ab > 1N4001 geht, vielleicht sogar 1N4148, denn der Strom wird kaum 1A sein. Hi, sag das dem Hersteller. Ich habe diese Schaltung nicht entworfen nur abgezeichnet, wobei der Transistor, der das Relais steuert, mich schon in die Irre geführt hatte. Pinout BCE, nicht EBC wie üblich. ciao gustav
Nicolas K. schrieb: >Günter Lenz schrieb: >> Mach eine Einweggleichrichtung, dann hast du dieses Problem nicht. >> Aber wie schon geschrieben wurde, ist es besser mann nimmt >> einen Trafo. Am den Eingängen des oberen OPV fehlen Widerstände >> nach Masse. >Ok, kannst du mir bitte eklären warum ich dort noch Widerstände >hinzumachen sollte. Weil die Eingänge sonst gleichspannungsmäßig in der Luft hängen, also Ruhe einen völlig unbestimmten Zustand haben. Sie brauchen einen definierten Arbeitspunkt. Das ist bei Operationsverstärker grundsätzlich so.
Günter Lenz schrieb: > Nicolas K. schrieb: >>Ok, kannst du mir bitte eklären warum ich dort noch Widerstände >>hinzumachen sollte. > > Weil die Eingänge sonst gleichspannungsmäßig in der Luft > hängen, also Ruhe einen völlig unbestimmten Zustand haben. > Sie brauchen einen definierten Arbeitspunkt. Das ist > bei Operationsverstärker grundsätzlich so. Wie müssen die Widerstände denn dimensioniert werden ?
Die Ursprungsschaltung geht problemlos wenn D5,7 und 8 wegbleiben und C5 gegen eine Brücke getauscht wird bevor Gnd und N verbunden werden. "eine Niederohmige Verbindung zwischen N und GND entstehen." Während der positiven Halbwelle, bei der negativen sind dort bis zu niederohmige 320V.
Nicolas K. schrieb: > Wie müssen die Widerstände denn dimensioniert werden ? https://www.mikrocontroller.net/articles/Operationsverst%C3%A4rker-Grundschaltungen#Eing.C3.A4nge Hi, dabei ist zu beachten: Es gibt zwei Möglichkeiten: 1) plus minus Spannungsversorgung 2) nur eine Versorgungsspannung mit UB halbe Spannungsteiler (an + Eingang) Wie versorgst Du Deine OPAmps? Es ist immer sinnvoll, die Pins (umgangssprachlich "Pinne") für die Spannungsversorgung im Schaltplan irgendwo mit anzugeben. ciao gustav
A. H. schrieb: > niederohmige 320V. Wie meinst du das? Hab jetzt alles umgeworfen und ich verwende einen Optokoppler für den Nulldurchgang der Spannung. Nur die Spannungsmessung an sich lasse ich so. Karl B. schrieb: > Wie versorgst Du Deine OPAmps? Die OpAmps sind Rail-to-Rail-OpAmps und werden mit 5V versorgt. DIe Schaltung, welche ich gerade am entwickeln bin, soll über einen Stromwandler den Strom und den Nulldurchgang des Stroms messen und die Netzspannung, sowie den Nulldurchgang der Netzspannung.
Nicolas K. schrieb: > Karl B. schrieb: >> Wie versorgst Du Deine OPAmps? > > Die OpAmps sind Rail-to-Rail-OpAmps und werden mit 5V versorgt. Hi, Plus/Minus extra oder nur einmal UB +5V mit Ub/2 an nichtinvertierten Eingang? ciao gustav
Karl B. schrieb: > Plus/Minus extra oder nur einmal UB +5V mit Ub/2 an nichtinvertierten > Eingang? War das auf den OpAmp U1B bezogen ?
Nicolas K. schrieb: > War das auf den OpAmp U1B bezogen ? Hi, auf alle. Zeichne bitte die Spannungsversorgung mit ein. Sonst wird das ein Rätselraten. Wenn mehrere OPAmps in einem IC-Gehäuse, zeichnet man trotzdem irgendwo die Bezeichnungen der Pins ein, wo + Ub und - UB, eventuell Offsetjustage sind. ciao gustav
Nicolas K. schrieb: > Hab jetzt alles umgeworfen Bitte, warum dann immer noch OpAmp Eingänge nur mit Kondensatoren angeschlossen ? Und immer noch GND deiner Schaltung mit den Dioden verbunden, die sie direkt mit der Netzspannung (-325V) verbinden. Bitte lass die Finger davon, du hast so was von wenig Ahnung, das geht nur nach hinten los.
Karl B. schrieb: > Nicolas K. schrieb: >> War das auf den OpAmp U1B bezogen ? > > Hi, > auf alle. > Zeichne bitte die Spannungsversorgung mit ein. Sonst wird das ein > Rätselraten. Wenn mehrere OPAmps in einem IC-Gehäuse, zeichnet man > trotzdem irgendwo die Bezeichnungen der Pins ein, wo + Ub und - UB, > eventuell Offsetjustage sind. > > ciao > gustav Ich benutze ein fertiges 5V DC Netzteil. MaWin schrieb: > Nicolas K. schrieb: >> Hab jetzt alles umgeworfen > > Bitte, warum dann immer noch OpAmp Eingänge nur mit Kondensatoren > angeschlossen ? > > Und immer noch GND deiner Schaltung mit den Dioden verbunden, die sie > direkt mit der Netzspannung (-325V) verbinden. > > Bitte lass die Finger davon, du hast so was von wenig Ahnung, das geht > nur nach hinten los. Hab noch vergessen den Trafo einzuzeichnen
Nicolas K. schrieb: > Hab noch vergessen den Trafo einzuzeichnen *Bitte lass die Finger davon, du hast ÜBERHAUPT keine Ahnung davon, was du das zusammenzimmerst.*
Also zumindest in Deutschland ist dein Neutralleiter spätestens am Trafo schon mit dem PE Verbunden. Gewöhnlich aber schon im Hausanschluss. Den PE schließt man immer erst nach einer Potentialtrennung wieder an (sofern nicht anders gefordert).
Nicolas K. schrieb: > Ich benutze ein fertiges 5V DC Netzteil. Hi, wenn Du -Vss auf GND legst, brauchst Du Spannungsteiler für UBhalbe an nichtinvertiertem Eingang. Sonst stehen die Ausgänge immer am Anschlag. Und 5V sind nicht gerade großzügig. Nicolas K. schrieb: > Hab noch vergessen den Trafo einzuzeichnen Manchmal habe ich den Eindruck, Du willst uns veräppeln. Dirk schrieb: > Also zumindest in Deutschland ist dein Neutralleiter spätestens am Trafo > schon mit dem PE Verbunden. Gewöhnlich aber schon im Hausanschluss. > > Den PE schließt man immer erst nach einer Potentialtrennung wieder an > (sofern nicht anders gefordert). Wäre da vorsichtig. Nicht umsonst werden Netzformen je nach EVU-Vorgabe unterschieden.(TT, TNC- TNC-S etc. pp.) Es ging aber hier um die Bastelei oben. Ob die Dioden da nicht kurzgeschlossen werden. Ja. Wenn ich am Netz messen will, kann ich nicht gleichzeitig das Netzteil, mit dem die Schaltung versorgt wird so, wie es der TO sich vorstellt, anschließen. Nein. geht nicht. ciao gustav
Karl B. schrieb: > Nicht umsonst werden Netzformen je nach EVU-Vorgabe unterschieden.(TT, > TNC- TNC-S etc. pp.) in DE sind TN-C-S am normalsten. TT oder IT sind eher selten anzutreffen. meist kommen die Energieversorger 4Polig im Haus an, also 3 Außenleiter und ein PEN, der im Haus dann in N und PE aufgeteilt wird (also TN-C-S). Aber es gibt gegenden in DE, die wohl noch ein TT Netz haben sollen. Spontan wüßte ich nicht, das ich es schon mal live gesehen hätte. > Es ging aber hier um die Bastelei oben. > Ob die Dioden da nicht kurzgeschlossen werden. Und ja, zumindest die D8 wäre bei dieser Schaltung effektiv kurzgeschlossen :D @Nicolas K. was soll das eigentlich am ende werden?
Karl B. schrieb: > Nicolas K. schrieb: >> Ich benutze ein fertiges 5V DC Netzteil. > > Hi, > wenn Du -Vss auf GND legst, brauchst Du Spannungsteiler für UBhalbe an > nichtinvertiertem Eingang. Sonst stehen die Ausgänge immer am Anschlag. > Und 5V sind nicht gerade großzügig. Der Operationsverstärker darf nur mit 5 V versorgt werden und der -Vss darf max -0.5 V betragen, laut Datenblatt. Karl B. schrieb: > Nicolas K. schrieb: >> Hab noch vergessen den Trafo einzuzeichnen > Manchmal habe ich den Eindruck, Du willst uns veräppeln. Nein, natürlich nicht. Mein Problem ist, dass ich immer noch nicht weiß, wie ich ein Bezugspotential für die 230V Netzspannung und dem 5V Netz hinbekomme,um eine Messung durchzuführen. Wenn ich mir die Antwort von Guest anschaue. Habe ich einen kapazitiven Spannungsteiler, welcher mit einem Offset belegt wird. Jetzt stellt sich mir die Frage, ist dieser Widerstand R3 mit dem GND der 3V Spannungsquelle verbunden oder mit dem Neutralleiter des 230V Netz verbunden? Eigentlich dürfte man das 230V Netz und den GND doch gar nicht verbinden ? In der Antwort von Guest steht auch man solle differentiell messen. Wäre es möglich eine Spannungsteiler aus 3 Widerstände zwischen L und N zu schließen und am mittleren Widerstand, dann die Eingänge des OpAmps anzuschließen um, dann die Differenzspannung zu messen ? R1 R2 R3 L ---|===|-+-|===|-+-|===|--- N | | | | ----------- \ + - / \ / \ / \ / | Dirk schrieb: > @Nicolas K. > was soll das eigentlich am ende werden? Ich möchte die Spannung und Strom einer Phase messen. Dabei möchte ich so wenige Teile benutzen um eine Verzerrung der Messung zu vermeiden. Zusätzlich möchte ich die Phasenverschiebung zwischen Strom und Spannung noch messen, dazu benötige ich die Nulldurchgänge.
Nicolas K. schrieb: >> @Nicolas K. >> was soll das eigentlich am ende werden? > > Ich möchte die Spannung und Strom einer Phase messen. Dabei möchte ich > so wenige Teile benutzen um eine Verzerrung der Messung zu vermeiden. > Zusätzlich möchte ich die Phasenverschiebung zwischen Strom und Spannung > noch messen, dazu benötige ich die Nulldurchgänge. Dann schau Dir das hier an: https://www.cirrus.com/products/cs5490/ Da gibts genug Dokumentation und Evalboards etc, und am Ende hast Du ein UART-Interface, aus dem Spannung, Strom, Wirkleistung, Scheinleistung, Leistungsfaktor etc digital rausfallen. Funktioniert problemlos.
Bitte melde dich an um einen Beitrag zu schreiben. Anmeldung ist kostenlos und dauert nur eine Minute.
Bestehender Account
Schon ein Account bei Google/GoogleMail? Keine Anmeldung erforderlich!
Mit Google-Account einloggen
Mit Google-Account einloggen
Noch kein Account? Hier anmelden.









