Moin zusammen, habe eine Frage zu Optokopplern. Meine CNC-Steuerung (Eding CPU5V4) hat für den 3D-Taster nur einen einfachen Eingang (+5V), der für einen mechanischen Schalter vorgesehen ist. Es kann sowohl NO als auch NC verwendet werden. Mein 3D-Taster ist ein NPN-NO Taster, den ich aber gerne optisch isoliert als NC-Taster verwenden möchte. Dazu meine Frage: Wie wandele ich am einfachsten von NO auf NC um? Ich habe noch einen HPCL-2601 Optokoppler rumliegen, mit dem es nicht geht, da er einen Transistorausgang hat. Er hat allerdings den Vorteil, dass er das Signal invertiert. Meine Überlegung war: Tastausgang mit 2N2222 invertieren und damit einen LTV 817 Optokoppler ansteuern, der dann den Eingang meiner CNC-Steuerung schaltet. Funktioniert das? Und ist der 817 der Richtige. Gibt 817,...A,...B,...C,..D. Der einzige Unterschied ist das Übertragungsverhältnis zwischen 50% und 600%. Was ist der beste für diesen Zweck? Danke.
Tolero schrieb: > Mein 3D-Taster ist ein NPN-NO Taster, den ich aber gerne optisch > isoliert als NC-Taster verwenden möchte. Dazu meine Frage: Wie wandele > ich am einfachsten von NO auf NC um? Indem du die LED vom Optokoppler parallel zum Ausgang schaltest. Den Pull-up am Tasterausgang dimensioniert du so, dass die LED den passenden Strom bekommt.
Verstehe ich nicht. Da wird dann doch nichts invertiert mit einem 817, oder?
Tolero schrieb: > Verstehe ich nicht. Da wird dann doch nichts invertiert mit einem 817, > oder? doch, die invertierung findet schon bei der Ansteuerung des Optokoppler statt. du kannst den Taster so schalten, dass er Strom für die LED liefert. oder so, dass er der LED den Strom klaut
Wenn die LED parallel zum Ausgangstransistor liegt, leuchtet sie, wenn der Transistor offen ist. Und bei leuchtender LED ist der Phototransistor eines OC geschlossen. Die Schaltung setzt voraus, dass dein Ausgang den Strom der LED schalten kann.
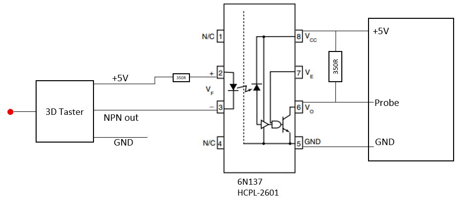
@Karadur: nur dann mit einem anderen Optokoppler, oder? Deiner hat einen Open-Collector-Ausgang, den ich nicht an meiner Steuerung anschließen kann. Habe nochmal ein Bild angehängt.
Ginge es eventuell auch so? Will nur sicher gehen, dass ich mir den Eingang der Eding nicht zerschieße.
Der 180R ist überflüssig. 1k ersetzen. R=(5V-Vled)/z.B. 10mA Hängt von den Daten deines Optokopplers ab. Wenn nötig Pullup an den Opto.
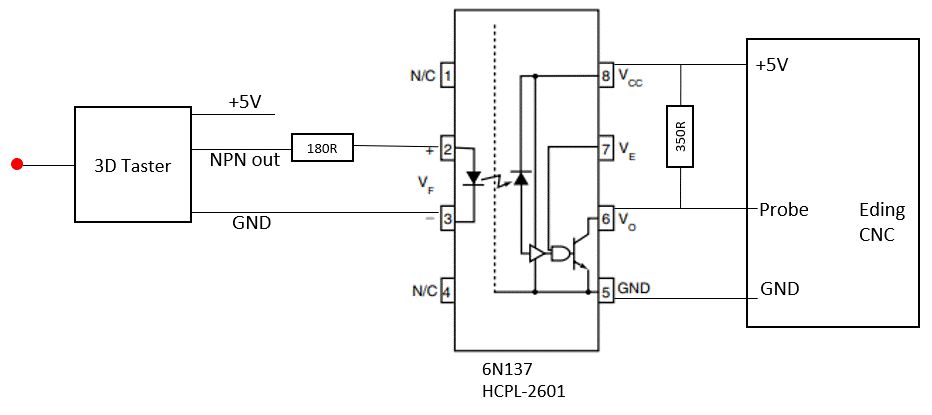
Karadur schrieb: > Der 180R ist überflüssig. > > 1k ersetzen. R=(5V-Vled)/z.B. 10mA > > Hängt von den Daten deines Optokopplers ab. Wenn nötig Pullup an den > Opto. Danke. Das bezog sich auf 3D-Taster2.gif, oder? Ginge Variant 3D-Taster3.gif auch? Wäre am einfachsten, da ich den Optokoppler (HCPL-2601) bereits habe. Und außerdem würde die LED des Optokopplers bei Variante 3 "geschont", das sie nur bei einem Tastsignal kurz angeht.
Tolero schrieb: > Ginge es eventuell auch so? Wie soll aus einem NPN-Ausgang Strom raus kommen? Da kann nur welcher rein fließen. Wenn du mit der Schaltung deine LED zum Leuchten kriegst, hast du keinen (reinen) NPN-Ausgang. Tolero schrieb: > Habe nochmal ein Bild angehängt. Was soll der 180 Ohm Widerstand?
Was verstehst du unter nc? Der HCPL-2601 braucht Licht damit der Ausgang auf Low geht.
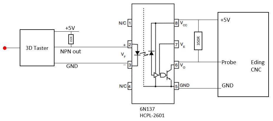
War ein Denkfehler. Bin Anfänger (sonst würde ich solch simplen Dinge ja auch nicht fragen.. ;-). Würde diese Schaltung funktionieren? Beim Ausgang des OK bin ich mir nicht sicher. Zwischen Probe und GND der Eding messe ich 5V.
Oder muss ich den Widerstand zwischen Vcc und Vo weglassen. Er soll ja nur durchschalten und keine 5V ausgeben.
Tolero schrieb: > Zwischen Probe und GND der Eding messe ich 5V. Dann ist der Eingang für den direkten Anschluss eines Schaltkontakt ausgelegt. Du solltest den Strom mal messen, der da raus kommt. Deinen zusätzlichen Widerstand kannst du dir dann sparen.
Tolero schrieb: > rumliegen, mit dem es nicht geht, da er einen Transistorausgang hat. Na ja er ist übertrieben schnell, aber er lässt sich einsetzen. > Er hat allerdings den Vorteil, dass er das Signal invertiert. Irrelevant: Tolero schrieb: > Es kann sowohl NO als auch NC verwendet werden. Dein Eingang kann angepasst werden. Ja, laut Beschreibung möchte er einen Schalter nach Masse. Also vom Ausgang des Optokopplers ein 1k Widerstand an die Basis deines 2N2222, dessen Emitter an Masse und der Collector an den Eingang der Eding. Der Optokoppler bekommt Masse und 5V von der Eding Aber es wird auch funktionieren, Masse des Optokopplers an Masse der Eding, die 5V als VCC auch von dort, und den Optokopplerausgang direkt mit dem Eingang der Eding verbinden. Denn auch auf die Art ist sichergestellt, dass keine Fremdspannung in die Eding gelangt. Das Invertieren kannst du in der Software passend einstellen. Apropos Fremdspannung: damit dein Optokoppler was nützt, muss seine LED aus einem zweiten Netzteil versorgt werden..
Danke für deine ausführliche Antwort. Ich werde es jetzt ausprobieren. Betreibe den Taster als NO momentan mit Eding. Möchte aber NC, hab da ein besseres Gefühl. Weißt du, ob man Eding so konfigurieren kann, dass ein Not-Stopp ausgeführt wird, wenn der Taster außerhalb eines Tastvorgangs auslöst? Beim Antasten bin ich aus Versehen mit voller Geschwindigkeit gefahren und mir die Tastspitze verbogen.
Stop. So wollte ich es nicht. Der Ausgang des Tasters ist jetzt schon invertiert. D.h. im Normalzustand fließen jetzt 1,4V an die LED des Optokopplers, d.h. die LED ist immer an bis auf den Tastvorgang. Kann man es auch andersrum machen, wie vorher als NO? D.h. die 1,4 V fließen nur , wenn der Tast (NPN) schaltet? Die Invertierung macht ja dann der Optokoppler. Jetzt habe ich am Ausgang des Optokopplers wieder NO.
Tolero schrieb: > Kann man es auch andersrum machen, wie vorher als NO? D.h. die 1,4 V > fließen nur , wenn der Tast (NPN) schaltet?
1 | +5V |
2 | | |
3 | R |
4 | | |
5 | OK Diode |
6 | | |
7 | NPN OUT |
Tolero schrieb: > Ich meinte so? Bezüglich der Ansteuerung (LED des Optokopplers): ja. Wie es am Ausgang aussieht: ob du da den Ziehwiderstand brauchst oder nicht weiß ich nicht. Von der Logik ändert sich dadurch aber nichts, das ist Frage der elektrischen Daten des Probe-Eingangs. Aber war das nicht schon geklärt bzw. du hattes es bis auf die Invertierung ja schon in Betrieb? Um das zu messen: wenn die LED nicht angesteuert wird (NPN out nicht nach GND durchgeschaltet) muss an dem Probe-Eingang so etwa +5V anliegen.
Tom schrieb: > @Tolero: Spannung fließt nicht, die liegt an. Die LED leuchtet aber nur, wenn Strom fließt ;-)
teste doch einmal ... Dank Helmuts Vorarbeit vielleicht einfacher ... :-) Beitrag "Re: LTSpice einbindung Optokoppler" Schaltung entsprechend der Wünsche noch anpassen Das kostenfrei LTspice Simulationstool findet sich unter https://www.analog.com/en/design-center/design-tools-and-calculators/ltspice-simulator.html Zusatzinfo: Beitrag "Re: LTspice und LM311"
Bitte melde dich an um einen Beitrag zu schreiben. Anmeldung ist kostenlos und dauert nur eine Minute.
Bestehender Account
Schon ein Account bei Google/GoogleMail? Keine Anmeldung erforderlich!
Mit Google-Account einloggen
Mit Google-Account einloggen
Noch kein Account? Hier anmelden.






