Hallo zusammen, gemäß dem Datenblatt zum LM78H12K (S. 24, https://www.st.com/resource/en/datasheet/l78.pdf) habe ich einen Schaltkreis aufgebaut, der meine Last schalten soll. Verwendet habe ich einen LM78H12K in Kombination mit einem MJ2955, um eine Last von 3 A zu schalten. Der Transistor erwärmt sich erwartungsgemäß sehr stark, dafür aber zumindest der LM78 nicht mehr. In Ermangelung der Verfügbarkeit der richtigen Werte von Widerstand und Kondensator habe ich "geringfügig" andere Werte genommen - ist das problematisch, insbesondere der erhöhte Basiswiderstand am PNP? Nun dachte ich daran, einen bzw. mehrere MJ2955 zusätzlich parallel zu schalten, um den Strom einigermaßen gleichmäßig zu verteilen, so dass jeder einzelne weniger stark beansprucht wird. Im Internet finden sich zahlreiche Beispiele für die Parallelschaltung von NPN-Transistoren, nicht jedoch für PNP-Transistoren. Daher würde ich mich freuen, wenn ihr mir helfen könntet, meine Schaltung zu korrigieren / dimensionieren. Wie groß müssten die beiden Emitterwiderstände sein und ist die Schaltung so überhaupt möglich? Danke und Grüße Stefan
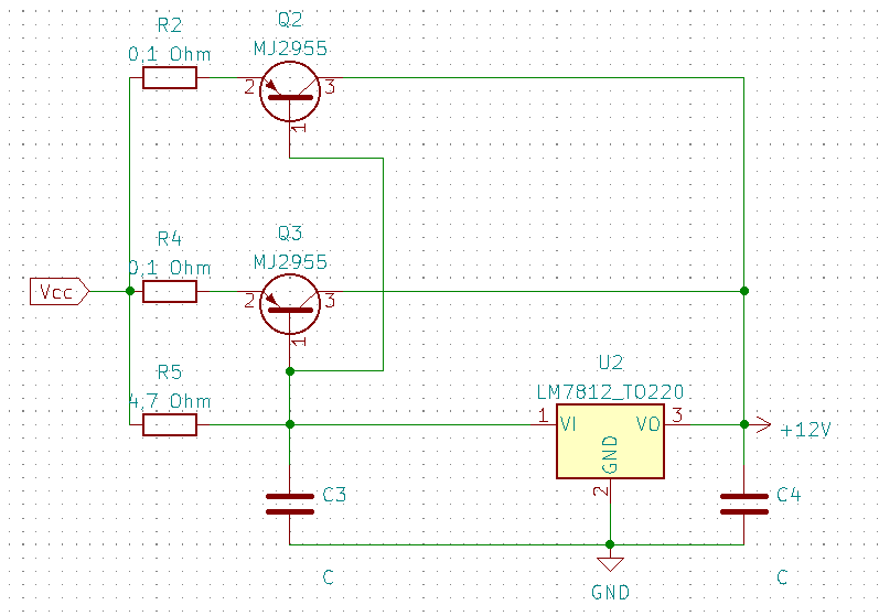
R2 muss weg. Die Basis von Q2 muss mit der Basis von Q3 verbunden werden. Danach bestimmt R5, ab wann die Transistoren dem Spannungsregler helfen. Nämlich wenn da 0,7V abfallen. Mit 10Ω passiert das schon bei 0,07A. Ich würde eher 4,7Ω verwenden. Die Widerstände am Emitter (R2 und R4) dienen dazu, die Stromstärke einigermaßen gleichmäßig auf beide Transistoren zu verteilen. Da musst du aber viel weniger Ohm verwenden. Eher 0,1 Ohm würde ich mal sagen. Sonst fällt da viel zu viel Spannung ab, so dass die Transistoren dem Spannungsregler kaum helfen können.
Stefan H. schrieb: > der meine Last schalten soll Stefan H. schrieb: > um eine Last von 3 A zu schalten. Da wird nichts "geschaltet" da wird die Ausgangsspannung geregelt. Sobald ein Strom durch den LM7812 fliesst der groß genug ist um die Basis des (der) Transistoren durchzusteuern übernehmen die die den größten Teil des zusätzlichen Laststroms. Da es eine lineare Regelung ist fällt entsprechend der Diifferenzspannung (Vcc -12V) und dem Strom eine entsprechende Verlustleistung an. Achtung die Schaltung hat keine Strombegrenzung und keinen SOA Schutz. Wurde z.B. hier schon diskutiert: Beitrag "Einfacher SOA Schutz für Längsregler"
Danke für die sehr schnelle Rückmeldung! Stefan ⛄ F. schrieb: > R2 muss weg. Ich nehme mal an, dass du R3 meintest. Deine Anmerkungen habe ich übernommen, ich hoffe sie richtig verstanden zu haben. Udo S. schrieb: > Achtung die Schaltung hat keine Strombegrenzung und keinen SOA Schutz. > Wurde z.B. hier schon diskutiert: > Beitrag "Einfacher SOA Schutz für Längsregler" Das werde ich mir gleich zu Gemüte führen!
Hier eine Schaltung wie ich sie verwende. Funktioniert prima.
Stefan H. schrieb: > Ich nehme mal an, dass du R3 meintest. > Deine Anmerkungen habe ich übernommen, ich hoffe sie richtig verstanden > zu haben. Ja, so habe ich es gemeint
Phasenschieber S. schrieb: > Hier eine Schaltung wie ich sie verwende. > Funktioniert prima. Wehe die Eingangsspannung schwankt, dank der dämlichen 470uF schlägt das ungeregelt auf den Transistorenstrom und damit Ausgangsstrom durch. Die Schaltung ist maximal blöd. Nicht nur dass sie den Kurzschlussschutz, den SOA Schutz und den Überhitzungsschutz des 7812 aushebelt. Die 1A Sicherung hinter dem 7812 ist auch noch witzig. So ein 7812 begrenzt den Strom auf 1.5 bis 2.5A, je nach Exemplar. Da brennt die Sicherung entweder gar nicht oder erst nach 30 Minuten durch. https://www.eska-fuses.de/fileadmin/produkte/feinsicherungen/datenblaetter/Feinsicherung-520.000-ACIDC-5-x-20-mm-flink-ESKA.pdf Also klar eine Schaltung wie sie dümmer nicht sein kann.
MaWin schrieb: > Wehe die Eingangsspannung schwankt, dank der dämlichen 470uF schlägt das > ungeregelt auf den Transistorenstrom und damit Ausgangsstrom durch. Stimmt, der Kondensator gehört ein Stück weiter nach links, vor den Widerstand.
MaWin schrieb: > Also klar eine Schaltung wie sie dümmer nicht sein kann. Ein Kommentar, wie er dümmer nicht sein kann!
Leider hat MaWin maximal Recht, wenn auch freundlicher geht. Kurzschlussschutz wird ausgehebelt bei solchem 78xx-Missbrauch.
Hi, der Ausgang braucht eine Mindestlast. Also passender R nach GND. Solche Schaltungen verwende ich nicht. Es gibt doch Längsregler-ICs mit höherem Strom. Bis 5A. 78H12 z.B. ciao gustav
Karl B. schrieb: > Es gibt doch Längsregler-ICs mit höherem Strom. > Bis 5A. > 78H12 z.B. Das Problem ist meist die max. abführbare Leistung. Wenn die Ein-Ausgangsspannungsdifferenz mehr als ein paar Volt ist kommen diese Regler schnell in den Übertemperaturschutz. Siehe LD 1084. Nominell 5A, aber bei Rth (junction case) von 3K/W kommt er auch mit einem größen Kühlkörper ziemlich schnell bei höheren Differenzspannungen in die thermische Begrenzung. Es stellt sich halt die Frage wofür soll das genutzt werden und wäre ein Schaltregler nicht die bessere Wahl.
oszi40 schrieb: > Leider hat MaWin maximal Recht, wenn auch freundlicher geht. > Kurzschlussschutz wird ausgehebelt bei solchem 78xx-Missbrauch. In besagtem Datenblatt gibt es auch ein Schaltplan für Kurzschlusssicherung. Das habe ich mal als Grundlage genommen und einen parallel geschalteten MJ2955 dazugezeichnet (nicht schön, dafür einzigartig). Ist die Schaltung so denn richtig? Allerdings verstehe ich den "Schutztransistor" nicht und daher auch nicht seine Dimensionierung. Wie lege ich den denn passend aus? Karl B. schrieb: > Es gibt doch Längsregler-ICs mit höherem Strom. > Bis 5A. > 78H12 z.B. Den verwende ich schon (siehe oben), der wird aber ziemlich heiß. Und um einen monströsen Kühlkörper zu vermeiden, dachte ich aus die Auslagerung des Stromes auf die Leistungstransistoren. Karl B. schrieb: > der Ausgang braucht eine Mindestlast. Also passender R nach GND. Was heißt denn passend bzw. wie hoch wäre denn die Mindestlast? Als ich die Schaltung gestern ohne Last dahinter getestet habe, lief es wunderbar => 12 V geregelte Spannung hinter dem LM78.
Stefan H. schrieb: > Allerdings verstehe ich den "Schutztransistor" nicht und daher auch > nicht seine Dimensionierung. Wenn an Rsc mehr als 0.7A abfallen, leitet der 'Schutztransistor' den Strom durch den 7812, nicht durch den 2955, und der 7812 übernimmt dann das Abregeln. Der Transistor sollte also 1A aushalten. Die Schaltung ist wesentlich sinnvoller als die von DC VOLTAGE REGULATOR Hoax auf die Phasendchieber reingefallen ist, aber natürlich auch unsinnig viel Leistung verbratend. Es geht auch einfacher:
1 | in --+---R1---+----------+ |
2 | | | | |
3 | | 10R | |
4 | | | |E |
5 | 1R +---------|< PNP-Leistungstransistor (kein Darlington) |
6 | | | | |
7 | | 1N5401 | +----+ | |
8 | +---|>|--+--|78xx|--+-- out |
9 | | +----+ | |
10 | 330nF | 100nF |
11 | | | | |
12 | GND ----------+----+-----+-- GND |
http://cds.linear.com/docs/en/application-note/an2f.pdf (Leistungssteigerung von Festspannungsreglern)
Stefan H. schrieb: > Allerdings verstehe ich den "Schutztransistor" nicht und daher auch > nicht seine Dimensionierung. Wie lege ich den denn passend aus? Zieht UBE von Q1 etc. nach "unten" in Richtung Sperren, wenn Spannungsfall -> Strom über Rsc groß genug. Rechne aus, wann da ca. 0,7 V abfallen sollen. Hängt von dem geforderten Strom über Q1 ab. Bei 1 A also 0,7 Ohm. Stefan H. schrieb: > dachte ich aus die Auslagerung > des Stromes auf die Leistungstransistoren. Die brauchen auch summa summarum ausreichende Kühlkörper. Die Wärme muss irgendwo hin. Hatte hier mal ein altes Computernetzteil, das war praktisch ein Riesenkühlkörper von ca 1/2 Quadratmeter. ciao gustav
Phasenschieber S. schrieb: > Hier eine Schaltung wie ich sie verwende. > Funktioniert prima. Jetzt bräuchte man nur noch die Emitterwiderstände auf 0,68 Ohm zu vergrößern, dann hätte man wenigstens schon mal eine Strombegrenzung von insgesamt 3 Ampere (1A pro Transistor). Bei je 0,33 Ohm sind es insgesamt etwa 6A.
Sagt mal Leute, leben wir noch in den 70er des vorigen Jahrhunderts? Warum wird hier kein Schaltregler verwendet anstatt Linearregler mit Dinosaurier grossen Kuehlkoerper?
Das lass mal die Leute entscheiden. Es gibt immer noch Anwendungen die
benoetigen einen linearen Regler. Ist so.
> Und um einen monströsen Kühlkörper zu vermeiden, dachte ich aus die Auslagerung
des Stromes auf die Leistungstransistoren.
Die Waerme muss eh weg. Den Kuehlkoerper brauchst du sowieso.
Helmut L. schrieb: > Sagt mal Leute, leben wir noch in den 70er des vorigen > Jahrhunderts? > Warum wird hier kein Schaltregler verwendet anstatt Linearregler mit > Dinosaurier grossen Kuehlkoerper? Zumindest ich für meinen Teil kann sagen, dass mir dazu einfach noch das Wissen fehlt. Ich lese aber gerade mal parallel, wie die aufzubauen sind. :-) MaWin schrieb: > Stefan H. schrieb: >> Allerdings verstehe ich den "Schutztransistor" nicht und daher auch >> nicht seine Dimensionierung. > > Wenn an Rsc mehr als 0.7A abfallen, leitet der 'Schutztransistor' den > Strom durch den 7812, nicht durch den 2955, und der 7812 übernimmt dann > das Abregeln. Der Transistor sollte also 1A aushalten. > > Die Schaltung ist wesentlich sinnvoller als die von DC VOLTAGE REGULATOR > Hoax auf die Phasendchieber reingefallen ist, aber natürlich auch > unsinnig viel Leistung verbratend. > > Es geht auch einfacher: in --+---R1---+----------+ > | | | > | 10R | > | | |E > 1R +---------|< PNP-Leistungstransistor (kein Darlington) > | | | > | 1N5401 | +----+ | > +---|>|--+--|78xx|--+-- out > | +----+ | > 330nF | 100nF > | | | > GND ----------+----+-----+-- GND > http://cds.linear.com/docs/en/application-note/an2f.pdf > (Leistungssteigerung von Festspannungsreglern) Das muss ich heute Abend mal testen! Du hast extra "kein Darlington" dazugeschrieben. Der MJ2955 ist doch kein Darlington, was ich bisher in den Datenblättern so gesehen habe...? Michael M. schrieb: > Phasenschieber S. schrieb: >> Hier eine Schaltung wie ich sie verwende. >> Funktioniert prima. > > Jetzt bräuchte man nur noch die Emitterwiderstände auf 0,68 Ohm zu > vergrößern, dann hätte man wenigstens schon mal eine Strombegrenzung von > insgesamt 3 Ampere (1A pro Transistor). > > Bei je 0,33 Ohm sind es insgesamt etwa 6A. Die Berechnung der Strombegrenzung erschließt sich mir nicht. Wie hast du das denn errechnet (1 A je Transistor)?
Purzel H. schrieb: > Das lass mal die Leute entscheiden. Es gibt immer noch Anwendungen die > benoetigen einen linearen Regler. Ist so. Aber selten bei solch einer Leistung
Purzel H. schrieb: > Die Waerme muss eh weg. Den Kuehlkoerper brauchst du sowieso. Das ist klar, nur wird der einzelne Kühlkörper kleiner, wenn der Strom auf mehrere Transistoren verteilt wird.
Stefan H. schrieb: > Wie hast du das denn errechnet (1 A je Transistor)? Sobald 0,7V am 0,68 Ohm Widerstand abfallen, liegt an der Basis ein höheres Potenzial an, als am Emitter und der PNP Transistor sperrt. Aber das funktioniert nicht wirklich, weil der 100R und der 7812 als Spannungsteiler wirken und somit die Basis eigentlich immer angesteuert wird. Da ist die Schaltung auf diesem Bild deutlich besser. Man könnte jetzt einfach parallel zum Q1 noch zwei weitere PNP Transistoren schalten. Aber mit jeweils einem 0R1 Ohm Widerstand direkt am Emitter. Der Rsc Widerstand bestimmt die Stromgrenze.
Stefan H. schrieb: > Purzel H. schrieb: >> Die Waerme muss eh weg. Den Kuehlkoerper brauchst du sowieso. > > Das ist klar, nur wird der einzelne Kühlkörper kleiner, wenn der > Strom auf mehrere Transistoren verteilt wird. Nicht soviel kleiner. Vernünftige Leistungstransistoren haben R_th_jc =~ 0.8K/W. Wenn man z.B. einen Gesamt-Wärmewiderstand von 5K/W braucht, dann sind es mit einem Transistor 4.2K/W, mit zweien 4.6K/W und mit dreien 4.7K/W für den Kühlkörper. Soviel kleiner ist das nicht. OK, wenn man von vornherein nur ein Budget von 1.2K/W hat, dann sieht das anders aus. Aber dann hat man andere Probleme. Ich verstehe auch nach wie vor nicht, warum man sich unbedingt darauf versteift, einen 78xx Regler (da ja an sich schon 3V Dropspannung hat) nochmal zu verschlechtern. Wenn man schon 2 oder 3 dicke Transistoren für die Wärmeabfuhr braucht, dann kann man auch die Regelung ganz herkömmlich mit einem OPV machen. Oder dem 723. Da kann man dann auch eine vernünftigen Überstromschutz dran bauen.
Wolfgang schrieb: > Aber selten bei solch einer Leistung Eben, bei ein paar mA fuer die Versorgung von OPs geht das in Ordnung, aber nicht bei Stromen von 5 .. 10A. Stefan H. schrieb: > Zumindest ich für meinen Teil kann sagen, dass mir dazu einfach noch das > Wissen fehlt. Ich lese aber gerade mal parallel, wie die aufzubauen > sind. :-) Es gibt da welche die sind ziemlich einfach in der Handhabung (wie ein 78xx) wie es auch welche gibt wo man mehr Wissen fuer braucht.
Wer heutzutage noch Linearregler für >0,5A nimmt, der hat den Schuß nicht gehört. Reichelt bietet z.B. den P3596-ADJ bis 3A an.
Axel S. schrieb: > Ich verstehe auch nach wie vor nicht, warum man sich unbedingt darauf > versteift, einen 78xx Regler (da ja an sich schon 3V Dropspannung hat) > nochmal zu verschlechtern. Wenn man schon 2 oder 3 dicke Transistoren > für die Wärmeabfuhr braucht, dann kann man auch die Regelung ganz > herkömmlich mit einem OPV machen. Oder dem 723. Da kann man dann auch > eine vernünftigen Überstromschutz dran bauen. Ich möchte mich darauf nicht versteifen, ganz im Gegenteil - ich bin offen für andere Vorschläge. Ich habe bisher nur mit LM78xx hantiert und kenne mich daher noch nicht mit anderen Lösungen aus. Helmut L. schrieb: > Es gibt da welche die sind ziemlich einfach in der Handhabung (wie ein > 78xx) wie es auch welche gibt wo man mehr Wissen fuer braucht. Hast du denn Vorschläge für solche aus der ersteren Kategorie? :-)
Karl B. schrieb: > der Ausgang braucht eine Mindestlast. Also passender R nach GND. Nein, braucht er nicht.
Peter D. schrieb: > Wer heutzutage noch Linearregler für >0,5A nimmt, der hat den Schuß > nicht gehört. Komisch, bei Labornetzteilen fragen (fast) alle danach. Haben die alle einen Schaden? Auch im Audio Bereich (hatten wir gerade erst) sind linear geregelte Netzteile beliebt. So mancher akzeptiert nichts anderes. Mag sein, dass es dafür keinen dringenden technischen Grund gibt, aber wer verkaufen will, muss das anbieten, was die Kunden wollen. Deswegen entwickle ich jetzt Software für die Google Cloud. Freiwillig benutzen würde ich so ein Konstrukt nicht. Aber meine Meinung zählt nicht.
Stefan ⛄ F. schrieb: > Komisch, bei Labornetzteilen fragen (fast) alle danach. Haben die alle > einen Schaden? Bei linear geregelten Labornetzteilen ist auch in der Regel bei rund 3 A Schluss. Und da ist schon die Warme die man wegbekommen muss erheblich. Stefan ⛄ F. schrieb: > Auch im Audio Bereich (hatten wir gerade erst) sind linear geregelte > Netzteile beliebt. Yepp, aber nur fuer die Vorstufen mit einigen mA, ich kenn keinen Verstaerker wo die Betriebsspannung der Endstufe linear geregelt ist.
Helmut L. schrieb: > Ich kenn keinen Verstaerker wo die Betriebsspannung > der Endstufe linear geregelt ist. Riecht nach einer neuen Geschäftsidee um Goldohren abzuzocken.
Stefan ⛄ F. schrieb: > Riecht nach einer neuen Geschäftsidee um Goldohren abzuzocken. Kann man machen, die kaufen ja so ziemlich alles. Also Stefan gibt dich dran. Kannst bei mir auf Bestueckungsautomaten ja bestuecken.
Axel S. schrieb: > Wenn man schon 2 oder 3 dicke Transistoren > für die Wärmeabfuhr braucht, dann kann man auch die Regelung ganz > herkömmlich mit einem OPV machen. Oder dem 723. Da kann man dann auch > eine vernünftigen Überstromschutz dran bauen. Wie wärs mit der Schaltung?: Liefert mir 7 A bei 13,5 V ciao gustav
Helmut L. schrieb: > ich kenn keinen Verstaerker wo die Betriebsspannung der Endstufe linear > geregelt ist. Naim NAP250. https://theartofsound.net/forum/showthread.php?59419-FS-Chrome-bumper-Naim-NAC32-5-Hicap-NAP250&p=997607&styleid=4
Karl B. schrieb: > Wie wärs mit der Schaltung?: > Liefert mir 7 A bei 13,5 V Du mutest dem armen 2N3055 ja eine Menge zu. Ich weiß, dass er mal ein robustes Arbeitspferd war, aber 100W kommt mir dennoch ein bisschen viel vor. Ansonsten sehe ich in der Schaltung keine Strombegrenzung, und damit keinen großen Vorteil gegenüber dem geboosterten LM7812.
Karl B. schrieb: > Wie wärs mit der Schaltung?: > Liefert mir 7 A bei 13,5 V Diese Schaltung liefert 0V/0A, da alle Transistoren sperren.
Beitrag #6946509 wurde von einem Moderator gelöscht.
Karl B. schrieb: > Es gibt doch Längsregler-ICs mit höherem Strom. > Bis 5A. > 78H12 z.B. Die sind meist wenig hilfreich, weil nicht der Strom, sondern die Verlustleistung der begrenzende Faktor ist.
Karl B. schrieb: > Wie wärs mit der Schaltung Ist hier der Wettbewerb nach dem allergrössten Schrott ausgebrochen ? Sie funktioniert nicht und der 2N3055 wird grandios überlastet, von SOA Bereich hat offenbar niemand was gehört. 29V-13.8V x 8A = 121 Watt. Überlast- und Kurzschlussschutz sowieso ein Fremdwort.
Peter D. schrieb: > Diese Schaltung liefert 0V/0A, da alle Transistoren sperren. Hi, hatten wir schon mal. Ein Transistor wird invers betrieben. Zugegeben, eine durchaus untypische Schaltung, die nicht dem strengen Dogmatismus der Diplomingenieure entspricht, aber trotzdem in hoher Stückzahl aufgelegt und verkauft wurde. Speziel für CB-Funk-Geräte. ciao gustav
Karl B. schrieb: > Ein Transistor wird invers betrieben. Ich verstehe nicht, wie T3 leitend werden soll. Die Transistoren davor (T4 und T5) spielen initial erstmal keine Rolle, die machen erst mit, wenn die Ausgangsspannung ihren Soll-Wert erreicht hat.
Helmut L. schrieb: > ich kenn keinen Verstaerker wo die Betriebsspannung > der Endstufe linear geregelt ist. Nun, manchmal macht man das bei IC-Verstärkern, weil diese eine maximal zulässige Betriebsspannung haben. Ideal ist eine solche Lösung aber nicht.
Karl B. schrieb: > Wie wärs mit der Schaltung?: > Liefert mir 7 A bei 13,5 V Hmm, 120W mit einem 2N3055 zu verbraten ist aber ziemlich grenzwertig.
Stefan ⛄ F. schrieb: > Ich verstehe nicht, wie T3 leitend werden soll. > > Die Transistoren davor (T4 und T5) spielen initial erstmal keine Rolle, > die machen erst mit, wenn die Ausgangsspannung ihren Soll-Wert erreicht > hat. Ja, die Sache ist nicht so einfach. Hatte zunächst auch an einen Schaltplanfehler gedacht. Und die Platine mitsamt Bestückung und Leiterbahnführung double checked. Der Witz: Das Gerät soll sich bei sattem Kurzschluss ca. 1 sec abschalten. D.h. der 2N3055 soll sperren. Erst nach Powecyclen. D. h. Netz aus und ca. 20 sec. warten, damit der Ladeelko entladen ist, lässt sich Schaltung wieder "starten". Nur mit dem "strammen" recht niederohmigen Spannungsteiler am Ausgang funktioniert das auch. Ich suche nochmal die Diskussion von früher raus. ciao gustav
Stefan H. schrieb: > Ich möchte mich darauf nicht versteifen, ganz im Gegenteil - ich bin > offen für andere Vorschläge. Ich habe bisher nur mit LM78xx hantiert und > kenne mich daher noch nicht mit anderen Lösungen aus. > > Helmut L. schrieb: >> Es gibt da welche die sind ziemlich einfach in der Handhabung (wie ein >> 78xx) wie es auch welche gibt wo man mehr Wissen fuer braucht. > > Hast du denn Vorschläge für solche aus der ersteren Kategorie? :-) Stefan, warte mal - die relevante Frage war genau hier: Udo S. schrieb: > wofür_soll_das_genutzt_werden und wäre ein > Schaltregler nicht die bessere Wahl. Und es gäbe, sofern Schaltregler möglich (oder nötig) sogar sog. Fertigmodule zu kaufen. (Mit Fest- oder variabler Spannung - und sogar welche mit einstellbarem Stromlimit bzw. die zugleich Konstantspannung- und Konstantstrom- einstellbar sind wie im Grunde Labornetzteile... nur halt getaktet und viel kleiner.) Du müßtest hierzu halt nur mal sagen, was_genau "Saft braucht", bzw. auch wie viel.
Helmut L. schrieb: > Sagt mal Leute, leben wir noch in den 70er des vorigen Jahrhunderts? Sollte man nicht einen Ge-Leistungstransistor wie AD133 verwenden???
(Und wovon genau... also woraus genau nun welche Spannung kommt, die eben anscheinend für die Last reduziert werden soll.)
simply mad schrieb: > Stefan, warte mal - die relevante Frage war genau hier: > > Udo S. schrieb: >> wofür_soll_das_genutzt_werden und wäre ein >> Schaltregler nicht die bessere Wahl. Das habe ich wohl überlesen... Versorgt werden soll ein Peltier-Element über das Kfz-Bordnetz (12 V). Da das sehr stark schwankt (auch mit starken Spitzen in (+) und (-) Richtung), möchte ich eine konstante Spannungs- / Stromquelle. Die Schwankungen würde ich abfangen mit TVS, Varistor, Gleichrichterdiode und ggf. Drossel (s. Anhang). Der blaue Teil (regulierte 12 V) fehlt mir. Ich kann auch mit 10 V leben, 12 V wären mir jedoch lieber. simply mad schrieb: > Und es gäbe, sofern Schaltregler möglich (oder nötig) sogar sog. Fertigmodule zu kaufen Solche Module habe ich sogar noch zu Hause, am Ende würde ich das aber natürlich gerne auch mal mit einer eigenen Platine lösen. Und da ich gerne neue Dinge lernen möchte, ist die dauerhafte Nutzung eines fertiges Moduls natürlich nur halb interessant... :-P Wenn aber nun schon die "Fachwelt" hier so unterschiedliche Meinungen hat, dann habe ich die Befürchtung, dass ich da von alleine quasi nie drauf gekommen wäre (zumal ja eine endgültige Lösung noch aussteht)...
Stefan H. schrieb: > Versorgt werden soll ein Peltier-Element über das Kfz-Bordnetz (12 V). > Da das sehr stark schwankt Dein Peltier ist robuster als ein 7812.
MaWin schrieb: > Dein Peltier ist robuster als ein 7812. Spannungen von -100 bis +100 V möchte ich ihm allerdings nicht unbedingt zutrauen. Die "kleine" Elektronik dahinter ist ja mit einem 7812 oder 7809 einfach zu versorgen, die zieht ja kaum Strom.
Karl B. schrieb: > Wie wärs mit der Schaltung?: > Liefert mir 7 A bei 13,5 V Mit der gleichen Anzahl von Transistoren kann man sogar noch eine Strombegrenzung realisieren. Der 2N3055 ist immerhin mit 117W Verlustleistung angegeben. Man könnte ihn sogar noch durch einen 2N3773 oder BUW18 ersetzen.
Stefan H. schrieb: > Versorgt werden soll ein Peltier-Element über das Kfz-Bordnetz (12 V). > Da das sehr stark schwankt (auch mit starken Spitzen in (+) und (-) > Richtung), möchte ich eine konstante Spannungs- / Stromquelle. Und wie kommst du darauf, dass du bei 11-15V Eingangsspannung (KFZ Bordnetz) mit einem 7812 12V Ausgangsspannung erhalten kannst? Der 7812 braucht mindestens 2V mehr am Eingang als er am Ausgang liefern kann. Die Schaltung mit dem Zusatztransistor verschlechtert das nochmal um Ube also etwa 0,7V. Wenn du wirklich lernen willst, dann versuche dich an einer geschalteten Konstantstromquelle mit der du das Peltierelement proportional steuern kannst. Denn je stärker du das Peltier belastest, desto geringer wird sein Wirkungsgrad.
Udo S. schrieb: > Und wie kommst du darauf, dass du bei 11-15V Eingangsspannung (KFZ > Bordnetz) mit einem 7812 12V Ausgangsspannung erhalten kannst? > Der 7812 braucht mindestens 2V mehr am Eingang als er am Ausgang liefern > kann. > Die Schaltung mit dem Zusatztransistor verschlechtert das nochmal um Ube > also etwa 0,7V. Indem ich notfalls auch auf den LM7809 runtergegangen wäre, aber sauber ist diese Lösung nicht, das stimmt. Udo S. schrieb: > Wenn du wirklich lernen willst, dann versuche dich an einer geschalteten > Konstantstromquelle mit der du das Peltierelement proportional steuern > kannst. > Denn je stärker du das Peltier belastest, desto geringer wird sein > Wirkungsgrad. Ist das nicht das, worum es hier geht (Schaltregler)? Die Tests zu Hause mit dem Netzteil haben nämlich gezeigt, dass zwar der Strom bis zum eingestellten genutzt wird, die Spannung jedoch weit unter der eingestellten ist, solange das Peltier nicht den vollen Strom abbekommt. Gleichzeitig kann das Peltier auch über die Spannung gesteuert werden.
Ja, man braucht erst mal halbwegs glatte DC hierfür - aber nicht wirklich einen Linearregler... der wäre einfach nur Energieverschwendung. Stefan H. schrieb: > Gleichzeitig kann das Peltier auch über die Spannung gesteuert werden. Weil ein Peltier in guter Näherung ohmsch ist, macht es wenig Unterschied, ob (jew. Konstant -) Spannungs- oder Strom- Steuerung. (Für angenommen variable Leistung.) Worauf es ankommt ist die genaue Anwendung des Peltiers. Danach richtet sich, was man machen kann oder sollte. Also beschreibe, was Du damit genau vor hast. Vor den Widrigkeiten des Bordnetzes muß übrigens jede hierfür gedachte Schaltung geschützt werden...
Stefan ⛄ F. schrieb: > Ich verstehe nicht, wie T3 leitend werden soll. Hi, die Erläuterungen zur Schaltung oben: Beitrag "Re: Mehrere PNP-Transistoren parallel schalten" versprochen ist versprochen: "...Wenn die Versorgungsspannung eingeschaltet wird, ist nur T5 leitend. Der Emitter liegt auf ungefähr 9V. Erst wenn sich C3 auflädt, wird ab 7...8V (T3 Emitter) langsam T4 leitend (Emiiter T5 wird ungefähr 7...8V) und somit auch T3, T2 und T1. Regelverhalten: Wenn an R9-Abgriff die Spannung über 8V steigt, wird T5 mehr leitend, dadurch T4 mehr leitend, dadurch T3 mehr leitend, und gleiches gilt für T2 und T1. Die Spannung am R9-Abgriff wird noch höher. Also eine klare Mitkopplung. ..... T5/T4 werden erst leitend wenn T5 Basisspannung höher ist als die Referenzspannung plus zwei Diodenstrecken. UBasis5>UZener+0.6V+0.6V Dieses altbekannte Konstrukt (normalerweise reicht aber ein Transistor dafür aus, nämlich T4) ist ein ganz rudimentärer Differenzverstärker, der einfachst denkbare Differenzverstärker mit nur einem Bauteil (Die Differenz liegt zwischen Basis und Emitter an) der die Regelabweichung verstärkt. Er wird erst leitend wenn die Regelabweichung positiv ist. Wenn die Regelabweichung positiv wird (Ausgangsspannung höher als sie soll) dann zieht T4 die Basisspannung von T2 herunter. T3 könnte folgende Funktion haben: Im normalen Regelbetrieb wirkt er wie ein Stück Draht zwischen allen 3 Beinen. Aber wenn man die Ausgangsspannung kurzschließt wird die Regelabweichung stark negativ, T5 und T4 sperren sofort vollständig, dann (und nur dann) kann auch T3 ausreichend sperren und die Ausgangsspannung bleibt dauerhaft unten. Nur im Einschaltmoment greift das für einen kurzen Zeitraum noch nicht, da zieht der noch entladene C2 für einen kleinen Zeitraum die Basis von T3 ganz runter, so ist er definitiv durchgeschaltet, gerade lange genug um der Ausgangsspannung zu erlauben hochzukommen. Trotzdem verursacht die unkonventionelle Verwendung des T3 ein wenig Stirnrunzeln, ich hätte das versucht anders zu lösen, einen akuten Mangel an Transistoren oder besondere Sparsamkeit kann man dem Entwickler ja nicht nachsagen, die gleiche Anzahl hätte man sicher auch etwas konventioneller einsetzen können. Weil T5 nur wenige uA in die Basis braucht um leitend zu werden, da reicht der Leckstrom durch T1 dafür der bei einem Transistor wie dem 2N3055 mehrere 100 uA betragen darf, d.h. wenn die Ausgangsspannung um wenige mV steigt wird T5 leitend. > Die Basis von T4 hängt falsch Nein, T4 ist richtig beschaltet. Mit T5/T4 soll die Differenz zwischen der Spannung am Potischleifer und der Spannung an der Zenerdiode verstärkt werden. T5 hätte man auch weglassen und gleich auf die Basis von T4 gehen können. T4 ist voll durchgesteuert, an seinem Kollektor liegen 6,8 plus vielleicht 0,2 = 7V an, T3E hat dann 7,7 und T3K so 7,5V. und das erst mal ziemlich fest. 7,5 bezeichne ich jetzt mal als Z-Spannung und schon haben wir ne amtliche, so verpönte, billige Emitterfolger Reglung, nur eben mit nem Darlington hinten dran. Raus kommen hinten 7,5 minus 2x 0,7 ... rund 6V. lässt man T4 nun doch nicht ganz durchsteuern, dann steigen alle Spannungen und man kann sogar mehr als 6V erreichen. Und der Spass regelt sogar, denn jetzt ist die Schleife richtig in Phase. Was für eine Schaltung, bestimmt empirisch ermittelt. :-) Die Härte ist ja auch T5. Bekommt sein Zeug vom Spannungsteiler vorne. Der irre niederohmig ist. T5 als Emitterfolger der bekanntlich nur ne Stromverstärkung hat, aber dessen Ausgang auf 3,3k hängt. Rein paar 100Ohm , raus 3,3k. das Teil hat ne amtliche Stromverschwächung. ..." ciao gustav
Stefan H. schrieb: > Wenn aber nun schon die "Fachwelt" hier so unterschiedliche Meinungen > hat, dann habe ich die Befürchtung, dass ich da von alleine quasi nie > drauf gekommen wäre... Hat sie nicht, bei "Kfz Bordnetz 12VDC U_nenn" ist sich die Fachwelt einig. (Bis auf Gustav, der noch Fragen von vorhin beantworten will.) Und auch bei grundsätzlicher Versorgung von Peltiers. Nur hatte die Fachwelt bis eben nichts von beidem gewußt. > (zumal ja eine endgültige Lösung noch aussteht) Möglicherweise paßt ja einer Deiner vorhandenen Switcher (mit etwas Schutzbeschaltung davor, wg. des Bordnetzes) perfekt - zähle diese auch auf (zusätzlich zu der oben erfragten geplanten Anwendung (die bitte ausführlich)).
Stefan H. schrieb: > Versorgt werden soll ein Peltier-Element über das Kfz-Bordnetz (12 V). > Da das sehr stark schwankt Hi, Die Peltier-Elemente sind für 12V ausgelegt? Ich hatte mal einen KFZ-Kühlschrank, der lief auf Anhieb. Einfach auf's Typenschild geschaut und dementsprechend angeklemmt. Wo liegt das Kernproblem? Oder habe ich zwischenzeitlich etwas überlesen? Oder willst Du heizen und kühlen abwechselnd? ciao gustav
Karl B. schrieb: > Ein Transistor wird invers betrieben. Der wird nicht invers betrieben, sondern T3 geht in die Sättigung und ist damit wirkungslos, quasi eine BE-Diode und ein CE-Kurzschluß. T4 regelt dann die Spannung an C3 soweit ab, daß sich die 13V ergeben. C2 liefert beim Einschalten Strom, damit die Schaltung überhaupt anlaufen kann. Bei Kurzschluß sperrt T4 und C2 kann sich vollständig aufladen, so daß die Schaltung gesperrt bleibt. T1 wird grenzwertig betrieben und kann leicht durchbrennen. Ne typische Edelbastlerschaltung eben. Invers bedeutet, der Strom fließt durch CE vertauscht, also beim PNP ist + an C und - an E. Das ist hier aber nicht der Fall. Beitrag "Re: 78xx versus Längsregler"
Peltierelemente (grad wenn wir hier von ca. 50W oder mehr ausgehen) haben auf der warmen und kalten Seite jeweils dicke Kühlkörper und ändern die Temperatur daher mit langer Zeitkonstante. Was hindert dich daran, die volle Batteriespannung draufzugeben und nur mit einem "analogen" oder Halbleiter-Relais ein- und auszuschalten, über Temperatursensor? Also PWM mit Zeitkonstante im Minutenbereich? Damit gibts überhaupt keine Verlustleistung.
Josef L. schrieb: > Was hindert dich > daran, die volle Batteriespannung draufzugeben und nur mit einem > "analogen" oder Halbleiter-Relais ein- und auszuschalten, über > Temperatursensor? Also PWM mit Zeitkonstante im Minutenbereich? Damit > gibts überhaupt keine Verlustleistung. Wir wissen ja gar nicht was er genau mit dem Peltier machen will. Aber die Lösung mit regelmäßigem Ein und Ausschalten ist trotzdem eine schlechte Löung aus folgenden Gründen: Die Verluste des Peltier steigen quadratisch zum Strom (und damit auch zur Spannung), die Kühlleitung steigt aber nur (annähernd) linear zum Strom. Je stärker man das Peltier also belastet, desto schlechter der Winrkungsgrad. Das ist auch ein Grund warum man ein Peltier nicht mit schneller PWM betreibt. Durch eine langsame PWM wird das Peltier ständig auf beiden Seiten seine Temperatur ändern. Das stresst das Peltier mechanisch und kann zum vorzeitigen Ausfall führen.
Udo S. schrieb: > Wir wissen ja gar nicht was er genau mit dem Peltier machen will. Hier gibts zumindest einige Optimierungstipps Beitrag "Bestehende elektr. Kühlbox optimieren mittels Peltierelement"
Karl B. schrieb: ... Vielen Dank für deine Mühe > Wenn die Versorgungsspannung eingeschaltet wird, ist nur T5 leitend Warum? Seine Basis liegt doch auf 0 Volt. > Weil T5 nur wenige uA in die Basis braucht um leitend zu werden, da reicht der Leckstrom durch T1 Aber der Spannungsteiler R7, R8, R9 ist doch relativ niederohmig. Damit da ca. 8 Volt heraus kommen können, müssen fast 30 mA fließen. So hoch wird der Leckstrom durch T1 wohl kaum sein,. Da ist noch eine Unstimmigkeit: Damit T4 leitet, muss (wegen der Zenerdiode) an seiner Basis 7,5 V anliegen, richtig? Dazu wiederum müssen durch R5 etwa 22 mA fließen. Dabei fallen an R6 220 Volt ab. Wo sollen die her kommen? Offenbar kann ich R6 einfach auslöten und T5 durch eine Diode ersetzen. Peter D. schrieb: > C2 liefert beim Einschalten Strom, damit die Schaltung überhaupt > anlaufen kann. Das kann ich nachvollziehen. Es wird wohl sehr von der Last abhängen, ob die Schaltung überhaupt startfähig ist. Großartig kapazitive Last ist wohl nicht erwünscht.
Wenn es wirklich eine Quick-and-Dirty-Lösung sein soll kann man auch zwei 78xx parallel schalten. Dann behält man wenigstens Übertemperatur- und Überstromschutz.
MaWin schrieb: > Ist hier der Wettbewerb nach dem allergrössten Schrott ausgebrochen ? Der Wettbewerb heist "Schleschaz" frei nach Tele5. Otto Matic schrieb: > Sollte man nicht einen Ge-Leistungstransistor wie AD133 verwenden??? Dann waeren wir in den 60er.
Tilo R. schrieb: > zwei 78xx parallel oder https://www.reichelt.de/low-dropout-regler-einstellbar-2-85--30-v-5-a-to-220-ld1084v-p308808.html?&trstct=pol_5&nbc=1
Josef L. schrieb: > oder LD1084V Low Dropout-Regler, einstellbar, 2,85 ... 30 V, 5 A, TO-220 Der TO220 könnte je nach Eingangsspannung "etwas warm werden"! P=U*I Für 5A würde ich einen Schaltregler gleich ein Meanwell-Netzteil suchen.
Schaltregler ODER gleich ein Meanwell-Netzteil suchen. GiDF
Stefan H. schrieb: > Spannungen von -100 bis +100 V möchte ich ihm allerdings nicht unbedingt > zutrauen Die werden vom Peltier als Belastung schon geplättet, die entstehen ja nur als Gegenindunktionsspannung wenn z.B. ein Relais abfällt, da nimmt so ein niedriger Widerstand des Peltiers alle Energie ohne Spannungsüberhöhug raus, ein kleines KFZ Relais ist nichts gegenüber einem Peltier-Metallklotz.. Aber ein 7812 lebt ab, wenn er die verarbeiten soll, der bräuchte eine Schutzschaltung. Ausserdem fressen die steinalten Krampfschaltungen die hier präsentiert werden ca. 4V, wenn dein Akku also nur 12V liefert, kommen dann nur noch 8V am Peltier an, halbe Leistung. Vergiss den 'Schutz', normale Autokühlboxen haben auch keine und die Peltiers leben normalerweise wegen Korrosion ab, nicht überspannung.
Karl B. schrieb: > Hi, die Erläuterungen zur Schaltung oben: > Beitrag "Re: Mehrere PNP-Transistoren parallel schalten" > versprochen ist versprochen: > "...Wenn die Versorgungsspannung eingeschaltet wird, ist nur T5 leitend. Kaum. Wo soll denn sein Basisstrom herkommen, um die niederohmige Grundlast "hochreißen" zu können? Das Ding ist offensichtlich eher als Ladegerät für Bleiakkus, vielleicht auch für Geräte mit Akkustützung, gedacht. Sobald man den Akku anschließt, fängt die Schaltung an zu arbeiten (womit der T3 in die Sättigung geht). Ohne Akku (bzw. externe Spannung) am Ausgang fängt die Schaltung gar nicht erst an zu arbeiten. Praktisch nur im Standby, bis diese eine äusere Spannung am Ausgang sieht.
Udo S. schrieb: > Wir wissen ja gar nicht was er genau mit dem Peltier machen will. > Aber die Lösung mit regelmäßigem Ein und Ausschalten ist trotzdem eine > schlechte Löung aus folgenden Gründen: > > Die Verluste des Peltier steigen quadratisch zum Strom (und damit auch > zur Spannung), die Kühlleitung steigt aber nur (annähernd) linear zum > Strom. > Je stärker man das Peltier also belastet, desto schlechter der > Winrkungsgrad. > Das ist auch ein Grund warum man ein Peltier nicht mit schneller PWM > betreibt. > > Durch eine langsame PWM wird das Peltier ständig auf beiden Seiten seine > Temperatur ändern. Das stresst das Peltier mechanisch und kann zum > vorzeitigen Ausfall führen. Da wäre m.E. eine Stromregelung mit einem Schaltnetzteil die ideale Lösung. Das bisschen Rippel eines solchen sollte das Pelztier nicht stören.
by the way, da weiter oben dieser Step Down empfohlen wurde. Was für Werte sollte die Drosselspule und die Z-Diode haben?
Thomas O. schrieb: > by the way, da weiter oben dieser Step Down empfohlen wurde. Auch der kostet mehrer als 1 Volt, ruiniert also die Peltierleistung, bei normales Eingangsspannung. > Was > für Werte sollte die Drosselspule und die Z-Diode haben? Das ist keine Z-Diode. Als Schottky würde ich 3A empfehlen, SB340. Die Spule muss auch 3A aushalten, um so höher die Induktivität, um so geringer der Ripple, 100uH ware wohl ok
An dieser Stelle erstmal danke für die bisherigen Anmerkungen und die sehr konstruktive Diskussion. simply mad schrieb: > Möglicherweise paßt ja einer Deiner vorhandenen Switcher > (mit etwas Schutzbeschaltung davor, wg. des Bordnetzes) > perfekt - zähle diese auch auf (zusätzlich zu der oben > erfragten geplanten Anwendung (die bitte ausführlich)). Was meinst du mit "Switcher"? Also grundlegend sollen ein Peltier mit Lüfter, um die Wärme aus dem Kühlkörper abzuleiten, und ein Mikrocontroller (ESP-12) versorgt werden. Über den lässt sich dann die Kühlung an- und abschalten. Gerade warte ich für Tests auf die Lieferung der Teile für eine Wasserkühlung, um die Wärme besser wegzubekommen. Josef L. schrieb: > Hier gibts zumindest einige Optimierungstipps > Beitrag "Bestehende elektr. Kühlbox optimieren mittels Peltierelement" Den Thread habe ich tatsächlich schon gesehen und die Hinweise von dort auch entsprechend berücksichtigt. Die beziehen sich jedoch "nur" auf den mechanischen Teil der Box, nicht auf die Schaltung. Also fehlt mir noch die Möglichkeit, das Peltier mit sicheren 12 V oder weil MaWin schrieb: > Dein Peltier ist robuster als ein 7812. auch mit mehr zu versorgen. Demnach wären sowohl ein Step-Up- als auch ein Step-Down-Konverter gute Lösungen. Dank des Hinweises Konstantstromquelle Udo S. schrieb: > Wenn du wirklich lernen willst, dann versuche dich an einer geschalteten > Konstantstromquelle mit der du das Peltierelement proportional steuern > kannst. bin ich auf diesen Artikel gestoßen: https://www.mikrocontroller.net/articles/Konstantstromquelle. Auf dieser Grundlage wäre doch eine Schaltung für das Peltier (mit möglichst hoher Spannung = hoher Strom) möglich. Ist denn für diesen Anwendungsfall eine der Varianten besonders empfehlenswert? Ich hätte jetzt spontan am ehesten mit den Lösungen mit BJT oder mit OV + Transistor gestartet, da ich mit Transistoren schon ein bisschen gearbeitet habe. Die Schwankung des Stroms sehe ich zumindest für das Peltier als nicht allzu tragisch. Interessanter dürfte da vermutlich die Spannungsreduzierung von 14,5 auf 3,3 V sein. Da blieben ja eigentlich nur zwei Möglichkeiten: mehrere verschiedene (immer kleiner werdende) Linearregler hintereinander oder eine Konstantspannungsschaltung. Wäre Letzteres hier nicht vorzuziehen?
Nochmal ein paar Bemerkungen zum ominösen AF3007A Netzteil: Hi, danke für die zahlreichen Schaltungsanalysen. Wie gesagt, folgendes habe ich mit dem Netzteil, das von den Ingenieuren der Firma AF konstruiert wurde, gemacht: Einen Ringkerntrafo eingebaut. (Originaltrafo ist in etwa dem Block Typ139 sehr ähnlich.) 8 Stunden bei 7A laufen lassen. Dann gemerkt, dass der Trafo Windungsschluss hatte. Elektronik hat keinen Schaden genommen.(!) Den alten Trafo wieder eingebaut. Dann verschiedene Tests gemacht. Und läuft. Siehe Video. Bei Volllast geht die Sekundärspannung des Trafos auch runter, so dass der 2N3055 nicht mehr so viel Leistung verbraten muss. Die Temperatur am Kühlkörper geht auf etwa 52 Grad hoch. Ohne Ventilator. Nachteilig ist der hohe Ripple. Und der Einstellbereich ist nicht besonders groß, von ca. 10V bis 14,5V sonst funktioniert die Schaltung nicht richtig, bzw. überhaupt nicht mehr. Hatte testweise den Spannungsteiler am Ausgang geändert, um den Einstellbereich zu vergrößern. Geht nicht. Hat mich viel Kopfkratzen gekostet. Aber es geht nicht nur mir so, sehe ich an euren Reaktionen. Gibt bestimmt bessere Netzteile, die auch Kurzschlussauslösung haben. Das gezeigte zum damaligen Zeitpunkt mit 147,- DM noch im Rahmen des Budgets. In der Tat nehme ich es jetzt als externe DC-Quelle für das XPeak-50-Bal Ladegerät, dessen eingebautes 230V-Schaltnetzteil die ganze Gegend auf dem UKW-Bereich verseucht. ciao gustav
Udo S. schrieb: > Das ist auch ein Grund warum man ein Peltier nicht mit schneller PWM > betreibt. > > Durch eine langsame PWM wird das Peltier ständig auf beiden Seiten seine > Temperatur ändern. Das stresst das Peltier mechanisch und kann zum > vorzeitigen Ausfall führen. Also am besten halt gar_keine hart aufgeschaltete PWM. Vorzugsweise ein(e) auf <= 10% Ripple (=Schwankung) geglättete(r) Spannung (oder Strom). Stefan H. schrieb: > Was meinst du mit "Switcher"? Switch = Schalter; Switcher = Schaltwandler. Die Module, von denen Du sagtest, Du habest welche daheim. Bitte aufzählen. Stefan H. schrieb: > Also grundlegend sollen ein Peltier mit Lüfter, um die Wärme aus dem > Kühlkörper abzuleiten, und ein Mikrocontroller (ESP-12) versorgt werden. Bitte konzentriere Dich nun auf die genauen Fakten. Daß Du ein Peltier versorgen willst, wissen wir. Die Versorgung eines µC geht hier praktisch als "nebenbei" durch. (Wie letzteres geht, ist völlig klar.) Nicht kennen tun wir viele andere wichtige Infos: Das Datenblatt (oder die N/Kennwerte) des Peltier. Und: Was_soll_das_Peltier_kühlen? (Und zu welchem Zweck?) DARAUF sollst Du so ausführlich und genau wie möglich (szsg. "völlig unmißverständlich") eingehen. ;-) Dazu kannst Du sozusagen gar_nicht_genug sagen. Ohne zu wissen, worum es geht, geht nämlich gar nichts... > Über den lässt sich dann die Kühlung an- und abschalten. Gerade warte > ich für Tests auf die Lieferung der Teile für eine Wasserkühlung, um die > Wärme besser wegzubekommen. WOVON wegbekommen? Worum geht es hier nun wieder? :-) Räumliche (Platz), Elektrische Daten (U, I, P) sowie P_tot=Verlustleistung alle_vollständigst liefern. Und das Problem (oder falls mehrere, die Probleme) so verständlich wie Du kannst beschreiben. (Es darf gern "lang" sein - die Hauptsache ist es wird endlich mal klar, was Sache ist.) Du kannst auf eigene Versuche der Problemlösung erst mal verzichten - Du hast schon gezeigt, daß Du Links folgst und sie liest etc., aber das bringt nichts... Konzentriere Dich mal bitte nur auf das Wesentliche: Physik. Fakten - und das exakte Problem - vorzulegen. Ansonsten dreht sich hier nämlich nur alles im Kreis, geht evtl. gar komplett unter. Der Thread wird langsam immer unübersichtlicher und verwirrender - und manche scheinen das nicht mal zu merken... sondern plappern munter weiterhin Themenfremdes daher. Ist doch Käse.
Stefan ⛄ F. schrieb: > Ich verstehe nicht, wie T3 leitend werden soll. R4, T3 und C2 sind relevant. C2 ist anfangs entladen, und steuert kurz die Basis von T3 auf. Damit läuft die Schaltung an. R4 sorgt dann nach dme Abschalten für das Entladen von C2. Denn Rest hat Gustav beschrieben: Zum Neustart muß der Elko links entladen sein. Es funktioniert, ob man damit zufrieden ist muß man dann selber entscheiden. IMHO: Alles in allem eine "Bastelschaltung". > Trotzdem verursacht die unkonventionelle Verwendung des T3 ein wenig > Stirnrunzeln, ich hätte das versucht anders zu lösen, einen akuten > Mangel an Transistoren oder besondere Sparsamkeit kann man dem > Entwickler ja nicht nachsagen, die gleiche Anzahl hätte man sicher auch > etwas konventioneller einsetzen können. Es ist die so ziemlich einfachste Art, eine elektronische Sicherungsfunktion in die Schaltung zu bringen. Oder neudeutsch: Requirement engeneering, die Aufgabe mit wenigen Bauelemente so gelöst, das gerade noch die benötigte Funktion erfüllt ist.
Michael M. schrieb: > Der 2N3055 ist immerhin mit 117W Verlustleistung angegeben So was wie SOA ist dir unbekannt, Wasserkühlung scheint bei dir aber Standard zu sein. Stefan H. schrieb: > Also fehlt mir noch die Möglichkeit, das Peltier mit sicheren 12 V oder auch mit mehr zu versorgen Wie viele Salamischeiben kommen noch ?
simply mad schrieb: > Switch = Schalter; Switcher = Schaltwandler. Die Module, > von denen Du sagtest, Du habest welche daheim. Bitte > aufzählen. Ich habe solche Module: - https://de.aliexpress.com/item/1005002377937708.html (300W 9A) - https://de.aliexpress.com/item/4000197777372.html simply mad schrieb: > Das Datenblatt (oder die N/Kennwerte) des Peltier. Ich habe diese beiden zur Auswahl: https://peltiermodules.com/peltier.datasheet/TEC1-12703.pdf https://peltiermodules.com/peltier.datasheet/TEC1-12705.pdf Das Bordnetz meines Autos ist mit 10A abgesichert. simply mad schrieb: > Was_soll_das_Peltier_kühlen? Ich habe derzeit zwei Projekte, die ich gerne umsetzen würde. Ggf. lassen sich diese auch kombinieren. 1. Kühlung für Hundekäfig im Kofferraum 2. Einbaukühlbox unter Kofferraum Ersteres ist mir wichtiger. Es geht darum, durch das Peltier entweder kühle Luft zu erzeugen, die dem Hund im Käfig "etwas" kühlere Luft zukommen lässt. Da ich das aufgrund der suboptimalen Leistung des Peltiers für schwierig halte, bevorzuge ich die Idee, durch ein Kühlmittel (= Wasser mit Frostschutzmittel) zu kühlen und dieses durch eine dünne Kupferleitung am Boden des Käfigs zu pumpen. Dadurch soll dem Hund eine Unterstützung beim Regulieren der eigenen Körpertemperatur gegeben werden. In meinem Auto gibt es kein Ersatzrad, unter dem Kofferraumboden ist also Platz. Dort soll entweder eine Einbaukühlbox eingebaut werden (aufgrund der relativ geringen Höhe jedoch eher fraglich) oder eine schön isolierte Kühlumgebung für das Kühlmittel aus Projekt 1 entstehen. Darin ist es meines Erachtens deutlich leichter, das Kühlmittel auf eine niedrigere Temperatur zu bringen, um es anschließend in oben genannten Projektvarianten "an den Hund" zu bringen. Das Effektivste (ohne irgendwelche Karosseriearbeiten durchzuführen) dürfte sein (sofern man bei einem Peltier überhaupt von effektiv sprechen kann), das System mit einer Wasserkühlung zu betreiben. Wenn der gekühlte Wassertank gut isoliert ist (ebenso wie alle Leitungen), erhoffe ich mir auch gekühlte Flüssigkeit am Hund (ist alles noch mit Tests zu unterlegen). Gekühlt meint hier: Alles ist besser als die Umgebungstemperatur im Sommer. => Also Kühlung des Peltiers in einem Kreislauf und Kühlmitteltransport zum Käfig in einem zweiten Kreislauf. Hierbei wäre Tank 1 (= warmer Kreislauf) deutlich größer als Tank 2 (= kalter Kreislauf), um die Erwärmung des Kühlmittels durch ein großes Wasservolumen möglichst langsam vonstatten gehen zu lassen. Tank 2 hingegen ist möglichst klein, um wenig Wasser immer wieder herabkühlen zu müssen. simply mad schrieb: > Räumliche (Platz), Elektrische Daten (U, I, P) sowie > P_tot=Verlustleistung alle_vollständigst liefern. Die Maße des Volumens unter dem Kofferraumboden habe ich derzeit nicht parat, aber da passen schon einige Liter rein (20 Liter sind es leicht). Da dort schon alles in Styropor o. ä. eingefasst ist, entfällt ggf. die zusätzliche Isolierung, was wiederum mehr Volumen schaffen würde. Elektrische Daten: Folgende Annahmen: - Nutzung von zwei Peltier-Elementen - Regelung auf 12 V
Damit wäre der Gesamtstrom max. 7,5, wenn da nochmal 1A für Pumpen, Lüfter und uC draufkommt, läge das immer noch deutlich unter den abgesichterten 10A. Die maximale Verlustleistung (bei Nutzung von 12705) wäre nach meinem Verständnis P = I x I x U, also
Kann das stimmen?! simply mad schrieb: > Und das Problem (oder falls mehrere, die Probleme) so > verständlich wie Du kannst beschreiben. Mein Problem ist die Regulierung des schwankenen Bordnetzes auf einen definierten Spannungswert von 12V bei den nicht unbeachtlichen Stromstärken von ~2,5A (bei Nutzung 12703) bzw. ~3,A (bei Nutzung 12705). Ich hoffe, dass damit alles grundlegend erklärt ist. Ansonsten natürlich bitte einfach fragen. :-) Danke für deine Hilfsbereitschaft!
Stefan H. schrieb: > Kühlung für Hundekäfig im Kofferraum > Einbaukühlbox unter Kofferraum Vergiss es einfach. Peltiers sind VIEL zu leistungsschwach dafür. Selbst 10 deiner Peltiers schaffen das nicht, nuckeln aber deine Batterie schnell leer.
Karl B. schrieb: > ...aber trotzdem in hoher Stückzahl aufgelegt und verkauft wurde. Speziell > für CB-Funk-Geräte. Genau so ein Netzgerät hatte mein Kumpel Albert (Funkamateur), da war auch nur ein 2N3055 drin, der 7A leisten musste. Das fand ich damals schon erstaunlich. MaWin schrieb: > Wasserkühlung scheint bei dir aber Standard zu sein. Dass man die 117 Watt Verlustleistung natürlich nicht anstreben sollte, ist auch klar.
Ich denke nicht, dass du mit 12V 10A eine Klimaanlage bauen kannst, ganz egal mit welchen Bauteilen. Für so etwas brauchst man mehrere tausend Watt.
Wasserkanister mit kaltem Wasser zum Hund rein, Decke drauf, Hund platzieren. Elektronik vergessen und uns mit sinnvolleren Ideen beschäftigen.
Beitrag #6947570 wurde von einem Moderator gelöscht.
Beitrag #6947573 wurde von einem Moderator gelöscht.
Beitrag #6947577 wurde von einem Moderator gelöscht.
Was zum Thema: Die damals üblichen Spannungswandler von 24V nach 12V (um Kfz-Geräte im LKW oder Wohnmobil zu betreiben) hatten auch nur 2x 2N3055, bei 10A Ausgangsleistung. Also 12V verheizt x 10A = 120W, die die beiden 3055 sich geteilt haben. Hat funktioniert. Heute sind das aber alles Schaltnetzteile.
Beitrag #6947585 wurde von einem Moderator gelöscht.
Nostalgiker schrieb: > Die damals üblichen Spannungswandler von 24V nach 12V (um Kfz-Geräte im > LKW oder Wohnmobil zu betreiben) hatten auch nur 2x 2N3055, bei 10A > Ausgangsleistung. Also 12V verheizt x 10A = 120W, die die beiden 3055 > sich geteilt haben. Hat funktioniert. Die üblichen Spannungswandler schalten anstatt zu verheizen. Das ist ein himmelweiter Unterschied. Bei jeweils 5A Last fallen im Idealfall an der C-E Strecke etwa 0,5 Volt ab, das macht 2,5 Watt.
Beitrag #6947673 wurde von einem Moderator gelöscht.
Nostalgiker schrieb: > Upps, sorry, kann den wer verschieben? Es gibt weit dringendere Arbeit für die Mods. Das heißt: Beitragstext markieren, dann STRG+C, und dann im entspr. Thread mittels STRG+V in Antwortfeld kopieren + absenden. Stefan H. schrieb: > Ich habe derzeit zwei Projekte, die ich gerne umsetzen würde. Ggf. > lassen sich diese auch kombinieren. > 1. Kühlung für Hundekäfig im Kofferraum > 2. Einbaukühlbox unter Kofferraum Oh jeh, hättest Du das nur früher gesagt. Also diese Art Projekt hat so einige Unbekannte, klar ist jedoch: MaWin schrieb: > Peltiers sind VIEL zu leistungsschwach dafür. > > Selbst 10 deiner Peltiers schaffen das nicht, nuckeln aber deine > Batterie schnell leer. Unbedingt. Das ist so einfach gar nicht machbar. Je nach maximaler Außentemperatur wird es im Auto schon ziemlich heiß. Aber nicht mal in kühleren Gegenden wäre möglich, mit ein paar kleinen Peltiers effektiv gegen die Innenraumheizung "anstinken" zu können. Da beißt sich die Katze echt heftigst in den Schwanz. Zusätzlich zu den jeweiligen klimatischen Bedingungen (! Temperatur und Sonneneinstrahlung im schlechtesten Fall) wäre der genaue Auto-Typ (! und damit der Aufbau besagten Kofferraums - bzgl. Isolationsmaßnahmen sowohl nach außen als auch in richtung Innenraum) nötig zu wissen, um hier vernünftig anzusetzen. Ebfs. relevant: Größe des Hundes. Mit evtl. schon recht effektiven Isolationsmaßnahmen und dazu evtl. nicht voll betriebener Innenraumheizung würde schon einiges - allerdings kann es nach allen Versuchen immer noch "zu wenig sein". (Schwierig einzuschätzen, ganz ohne alle Umstände zu kennen noch wesentlich schwieriger.) Rentabel wären Peltiers (viel höherer Leistung) oder ein anderes Wärme-Tausch-System (Wasserkühlung wäre sozusagen nur ein Teil der ganzen Geschichte) zwischen Innenraum und Kofferraum im_Winter - im SOMMER aber nicht. Ohne jede Möglichkeit, möglichst kühle Luft anzusaugen/andererseits auch, überschüssige Wärme loszuwerden (also tiefgreifende Umbauten), sieht es vermutlich schlecht aus, wenn man vor hat, dem Hund wirklich angenehmes Klima zu bieten. (Also was darunter verstanden wird, ist sowieso auch - wie fast alles an nötigen Vorgaben - unbekannt ...) Vermutlich hast Du selbst (sonst hättest Du ihn vollständig ausgeführt, uns also vorgelegt) keinen "echten Plan" - Dir tut schlicht Dein Hund leid, der in der Hitze schmort. :( Allerdings mit ein paar kleinen Peltiers kommst Du nicht wirklich weiter. Auch wenn Du Dir vermutlich denkst bzw. genauer gesagt aus Mitleid mit dem geliebten Tier fühlst: "Und wenn es nur ein bißchen hilft - besser als nichts..." Es brächte ZU wenig. Wie gesagt wären die allerersten vglw. simpel umzusetzenden sowie günstigen Maßnahmen, die mir einfielen, isolierende: Also Sonneneinstrahlung blocken, hinter dieser silber-Iso- Matte evtl. noch eine aus Schaumstoff, und Abgrenzung auch vom restl. Innenraum / Reduktion der Heizung dort. Weiteres, also wirklich hocheffektive Zusatzmaßnahmen wie Wärmetauscher bzw. Nutzung von Zu- und Abluft, erforderte gründliche Planung. Aber mal kurz gefragt: Wie hättest Du denn Wasserkühlung genau ins Spiel bringen wollen? Und welche genau? Aus Neugier, und vielleicht wäre damit ja sogar irgendetwas anzufangen. (Aus der schwankenden Bordspannung etwas passendes machen wäre mit Deinen Modulen sogar möglich gewesen. Erst Boost auf meinetwegen 18-24VDC Festspannung, dann eben Buck mit variablem Ausgangswert (Potisteuerung), ob I oder U. Aber wie gesagt bräuchtest Du da eine Unzahl an Peltiers und auch Switcher-Modulen, und übrigens auch eine Zusatz- Batterie... für die ebenfalls Platz draufginge. Etc., pp. Probleme sind also hoher nötiger Arbeits- und auch Kosten- aufwand, schlechtestmögliche Effizienz aller Lösungen. Bzgl. der anderen Möglichkeiten (Umbauten mit zwar auch hohem (sogar höherem) Aufwand, aber zumindest möglicher akzeptabler Effizienz) ist auch unklar, was in Frage käme. Schwierige Lage ist das. Würde Dir (selbst Tierhalter - selbst Schwierigkeiten... kennt man ja) gerne helfen, nur ...)
Der Hund selbst heizt ja schon mit 70 Watt, wenn ein großer ist. Damit ein Peltier Element dagegen ankommt, braucht es erheblich mehr elektrische Leistung.
Stefan ⛄ F. schrieb: > Die üblichen Spannungswandler schalten anstatt zu verheizen. Das ist ein > himmelweiter Unterschied. Nee, die alten waren wirklich linear. Hab so ein Teil hier. Damals halt Stand der Technik. Ich schrieb ja auch, dass das heute Schaltnetzteile sind mit entsprechend wenig Verlust. Wobei, auch die werden recht warm bei Nennlast. simply mad schrieb: > Es gibt weit dringendere Arbeit für die Mods. Das heißt: > > Beitragstext markieren, dann STRG+C, und dann im entspr. > Thread mittels STRG+V in Antwortfeld kopieren + absenden. Geht nicht, der Thread ist im OT. Da kann ich nicht schreiben. Da sollte das als Antwort angehängt werden. Vielleicht ist ja ein Mod so freundlich.
Michael M. schrieb: > Genau so ein Netzgerät hatte mein Kumpel Albert (2N3055) Der funkt jedoch nicht mit der Kühlbox, die dauernd viel Strooom braucht. @TO Stefan H.: Richtige Camper haben statt Peltier- einen Kompressorkühlschrank. Interessant wäre dann, ob dort Deine weiteren Salamischeiben oder ein Hund gelagert werden sollten.
Beitrag #6947745 wurde von einem Moderator gelöscht.
du müsstest die Leitungen deiner Klimaanlage verlängern lassen und unter dem Tepppich des Kofferaums führen. Es könnte sich allerdings etwas Feuchtigkeit ansammeln. Oder man rasiert den Hund im Sommer etwas kürzer.
Beitrag #6948034 wurde von einem Moderator gelöscht.
Beitrag #6948038 wurde von einem Moderator gelöscht.
Beitrag #6948039 wurde von einem Moderator gelöscht.
simply mad schrieb: > Je nach maximaler Außentemperatur wird es im Auto schon > ziemlich heiß. Aber nicht mal in kühleren Gegenden wäre > möglich, mit ein paar kleinen Peltiers effektiv gegen die > Innenraumheizung "anstinken" zu können. Tatsächlich habe ich gar nicht vor, gegen den großen brennenden Planeten anzutreten, es ist (wohl eher war) viel eher dazu gedacht, den Hund runterzukühlen, wenn er in den Kofferraum soll zum Wohin-auch-immer-Fahren, so dass er bis die Klimaanlage richtig läuft nicht kollabiert. Wer seinen Hund (oder Kind oder sonstwelches Lebewesen) im Sommer im Auto lässt, sollte dasselbe zu spüren bekommen plus Wärmezuschlag als Ausgleich für die Unfähigkeit des Hundes zu schwitzen! Das nur mal am Rande. simply mad schrieb: > Vermutlich hast Du selbst (sonst hättest Du ihn vollständig > ausgeführt, uns also vorgelegt) keinen "echten Plan" - Dir > tut schlicht Dein Hund leid, der in der Hitze schmort. :( Das muss ich wohl leider gestehen - ich hatte die Komplexität dieses Projekts wohl deutlich unterschätzt... simply mad schrieb: > Aber mal kurz gefragt: Wie hättest Du denn Wasserkühlung > genau ins Spiel bringen wollen? Und welche genau? Aus > Neugier, und vielleicht wäre damit ja sogar irgendetwas > anzufangen. Die Idee war: Nutzung von zwei Wasserkühlkörpern (bspw. so etwas: https://i.ebayimg.com/images/g/FxQAAOSwjgFexfSd/s-l1600.jpg), jeweils einer je Peltier-Seite, zwei Peltiers pro Tankseite.
1 | W1 P W2 |
2 | |---| |°| |---| |
3 | | | | | | | |
4 | | | | | | | |
5 | | | |1| | | |
6 | | | | | | | |
7 | | | |.| | | |
8 | | | |°| | | |
9 | | | | | | | |
10 | | | |2| | | |
11 | | | | | | | |
12 | | | | | | | |
13 | |___| |.| |___| |
14 | |
15 | W1: Kühlkreislauf für Hund |
16 | W2: Wärmetauscher, Wärmeabtransport vom Peltier |
Warmer Kreislauf: Wasser aus großem Vorratstank (https://ae01.alicdn.com/kf/H12372b85bdf244128023bd2436b437d70/PC-Wasser-K-hlung-Kit-50mm-Durchmesser-G1-4-Zylinder-Reservoir-Tank-9-19-40cm-f.jpg_640x640.jpg) wird durch W2 gepumpt. Dort wird die Wärme aus den Peltiers P1 und P2 absorbiert und in einen Radiator gepumpt (z. B. https://image1280.macovi.de/images/product_images/1280/1432141_0__9037775.jpg). Dort wird die Wärme wieder "weggeblasen" und das Wasser geht in den Vorratstank. Kalter Kreislauf: "Kaltes" Wasser wird von kleinem Tank (https://ae01.alicdn.com/kf/Hc1cd5276e5554e229580428e0d835651v/PC-Wasser-K-hlung-Kit-50mm-Durchmesser-G1-4-Zylinder-Reservoir-Tank-9-19-40cm-f.jpg_640x640.jpg) in W1 gepumpt. Dort wird durch P1 und P2 die Wärme des Wassers entzogen (und an W2 gegeben). Variante 1: Das gekühlte Wasser wird einen kleinen Radiator (z. B. https://static3.caseking.de/media/image/thumbnail/waek-1709_waek_1709_01_800x800.jpg) mit Lüfter gepumpt. Dort wird die "Kälte" aufgrund der großen Oberfläche an die Luft über dem Hund abgegeben. Variante 2: Am Boden des Käfigs verläuft ein "Gitterrost" aus sehr dünnem Kupferrohr (4x1mm). Durch diesen wird das gekühlte Wasser gepumpt und übergibt somit von unten die Kälte an den Körper des Hundes. simply mad schrieb: > Aber wie gesagt bräuchtest Du da eine Unzahl an Peltiers > und auch Switcher-Modulen, und übrigens auch eine Zusatz- > Batterie... für die ebenfalls Platz draufginge. Etc., pp. Eine extra Batterie bräuchte ich nicht, das die Anlage nur dann läuft, wenn der Motor läuft. Aber offenbar sind die übrigen Teile in einer Vielzahl vorzuhalten.. simply mad schrieb: > Probleme sind also hoher nötiger Arbeits- und auch Kosten- > aufwand, schlechtestmögliche Effizienz aller Lösungen. > > Bzgl. der anderen Möglichkeiten (Umbauten mit zwar auch > hohem (sogar höherem) Aufwand, aber zumindest möglicher > akzeptabler Effizienz) ist auch unklar, was in Frage käme. Leider ist mir nichts Besseres eingefallen, was ohne Umbauten auskommt. An meinem Firmenfahrzeug kann ich nicht großartig rumschrauben und insbesondere keine Karosserieänderungen vornehmen! oszi40 schrieb: > Richtige Camper haben statt Peltier- einen > Kompressorkühlschrank. Das fällt aufgrund von Lärm und Platz als Option flach leider flach. Thomas O. schrieb: > du müsstest die Leitungen deiner Klimaanlage verlängern lassen und unter > dem Tepppich des Kofferaums führen. Es könnte sich allerdings etwas > Feuchtigkeit ansammeln. Das sind auch wieder Umbauten, die ich nicht einfach so umsetzen kann und sicher auch nicht darf. Thomas O. schrieb: > Oder man rasiert den Hund im Sommer etwas kürzer. Ganz schlechte Idee, fungiert das Fell doch gleichzeitig auch als UV-Schutz. ;-) Ich sehe schon, das Projekt kann ich begraben. Wenn jemand allerdings sonst noch gute Ideen hat, wie ich die Kühlung umsetzen könnte, nur her damit!
Stefan H. schrieb: > Ich sehe schon, das Projekt kann ich begraben. Wenn jemand allerdings > sonst noch gute Ideen hat, wie ich die Kühlung umsetzen könnte, nur her > damit! Verschattung relevanter Bereiche und die Klimaanlage des Autos im "Eiswürfelmodus" 10 Min. vorlaufen lassen, bevor Hund und Herrchen einsteigen, ist zu einfach? Typische Auto-Klimas dürften so bei 5-10 kW liegen, das schafft ordentlich Wärme weg. Falls das Abkühlen des Kofferraum zulange dauert, kann man versuchen, einen Luftauslass mittels Schlauch, HT-Rohr o.ä. direkt in den Kofferraum pusten zu lassen, und sei es nur bis zum Einsteigen. Braucht halt ein wenig Bastelei und Kreativität.
Das hilft bei der Kühlung: https://www.dresden-onlineshop.de/media/image/product/24656/lg/oma-hartmanns-kalter-hund-kekstorte-500g.jpg
Bitte melde dich an um einen Beitrag zu schreiben. Anmeldung ist kostenlos und dauert nur eine Minute.
Bestehender Account
Schon ein Account bei Google/GoogleMail? Keine Anmeldung erforderlich!
Mit Google-Account einloggen
Mit Google-Account einloggen
Noch kein Account? Hier anmelden.













