Hallo, ich habe 3 verschiedene Taktgeberquellen (2x Oszillator und 1x externe Quelle) im Frequenzbereich 22-25MHz, zwischen denen ich gerne umschalten möchte. Mein erster Gedanke dazu war, einen digitalen Multiplexer zu verwenden wie z.B. den SN74HC153 einzusetzen. Beim Studium des Datenblattes ist mir aufgefallen, dass nicht angegeben ist, bis zu welcher Frequenz ich den MUX-IC einsetzen kann. Der zweite Gedanke war dann, den Umschalter mit einem Logic-Gatter zu realisieren, wie z.B. der 74LVC1G57. Aber auch hier fehlt eine Frequenzangabe. Das "Propagation delay" ist nicht für meine Schaltung relevant. Bei analogen MUX-ICs wie z.B. 74HC4051PW,118 ist eine Bandbreite von 180Mhz angegeben. Solch einen IC kann man laut Datenblatt auch für digitale Signale wiederverwenden. Allerdings habe ich bei einem "ON resistance" mit ca. 100R bei 4V5 das Bauchgefühl, dass das Clock-Signal unbrauchbar wird. Meine Schaltung benutzt übrigens nur 3V3, d.h. der Widerstand dürfte noch höher ausfallen. Meine Fragen: 1. Warum fehlt die Frequenzangabe bei den oben genannten Bauteilen (im Gegensatz z.B. zu FlipFlops)? 2. Kennt jemand einen digitalen MUC-IC oder Logic-Gatter, der für meine Zwecke geeignet ist und sich dieses auch anhand des Datenblattes nachvollziehen lässt? 3. Oder muss ich einen analogen MUX-IC nehmen? Wenn ja, freue ich mich über einen Vorschlag mit einen geeigneten IC.
Hallo, ich habe 3 verschiedene Taktgeberquellen (2x Oszillator und 1x externe Quelle) im Frequenzbereich 22-25MHz, zwischen denen ich gerne umschalten möchte. Mein erster Gedanke dazu war, einen digitalen Multiplexer zu verwenden wie z.B. den SN74HC153 einzusetzen. Beim Studium des Datenblattes ist mir aufgefallen, dass nicht angegeben ist, bis zu welcher Frequenz ich den MUX-IC einsetzen kann. Das "Propagation delay" ist nicht für meine Schaltung relevant. Der zweite Gedanke war dann, den Umschalter mit einem Logikgatter zu realisieren, wie z.B. der 74LVC1G57. Aber auch hier fehlt eine Frequenzangabe. Bei analogen MUX-ICs wie z.B. 74HC4051PW,118 ist eine Bandbreite von 180Mhz angegeben. Solch einen IC kann man laut Datenblatt auch für digitale Signale wiederverwenden. Allerdings habe ich bei einem "ON resistance" mit ca. 100R bei 4V5 das Bauchgefühl, dass das Clock-Signal unbrauchbar wird. Meine Schaltung benutzt übrigens nur 3V3, d.h. der Widerstand dürfte noch höher ausfallen. Meine Fragen: 1. Kennt jemand einen digitalen MUX-IC oder Logikgatter, der für meine Zwecke geeignet ist und sich dieses auch anhand des Datenblattes nachvollziehen lässt? 2. Oder muss ich einen analogen MUX-IC nehmen? Wenn ja, freue ich mich über einen Vorschlag mit einem geeigneten IC. 3. Warum fehlt die Bandbreitenangabe bei digitalen MUX-ICs und Logikgattern?
Dieter S. schrieb: > ich habe 3 verschiedene Taktgeberquellen (2x Oszillator und 1x externe > Quelle) im Frequenzbereich 22-25MHz, zwischen denen ich gerne umschalten > möchte. Naja. Wenn man einfach nur umschalten will und ann den Reset srückt, um mit dem neuen Takt das Programm neu zu starten, kann man nahezu jeden X-belibeigen MUX nehmen. Wenn man aber im Programm dynamisch die Taktquelle wechseln will, wird es AUFWÄNDIG! Denn bei der Umschaltung darf am uC kein Glitch oder sonstiges Artefakt ankommen, auch keine unzulässig kleine Pulsbreite, egal ob HIGH oder LOW. Einen MUX, der das kann, ist AUFWÄNDIG! Ob es da schon was Fertiges gibt, weiß ich nicht. Deine Fragen. 1.) Z-B. 74HC153. 2.) Nein. 3.) Weil das so in der Form selten benötigt wird. Man muss das aus den Verzögerungszeiten abschätzen und ggf. messen.
Warum ein Tackt-quellen Umschalter und nicht direkt ein PLL nehmen? Es gibt PLL die Sauber und ohne Artefakte ihre Tackt-Geschwindigkeit ändern lassen (zB. Für Spectrum-Analyzer). Denke das ist weniger Aufwand und gibt dann auch keine Probleme.
Dieter S. schrieb: > Allerdings habe ich bei einem "ON resistance" mit ca. 100R bei 4V5 das > Bauchgefühl, dass das Clock-Signal unbrauchbar wird. Meine Schaltung > benutzt übrigens nur 3V3, d.h. der Widerstand dürfte noch höher ausfallen. Das Bauchgefühl ist eine evolutionäre Entwicklung, die es einem erlaubt, ohne genaue Analyse der Problemstellung eine halbwegs passende Entscheidung zu fällen. "halbwegs passend" heißt dabei, dass die Wahrscheinlichkeit einer letalen Fehlentscheidung durch eine ausreichend hohe Fertilitätsrate kompensiert wird und damit der Fortbestand der Menschheit insgesamt gesichert ist. Bei der begrenzten Komplexität deines Problems sollte es doch möglich sein, die Fakten halbwegs genau abzuschätzen und eine fundierte Entscheidung zu treffen. "100R" ist irgendwie ein seltsame Größenangabe. Die Einheit "R" taucht bei den SI-Einheiten gar nicht auf und kommt IMHO nur zusammen mit einem Gradzeichen bei zwei historischen Temperaturskala vor. https://de.wikipedia.org/wiki/Internationales_Einheitensystem https://de.wikipedia.org/wiki/Vorlage:Temperaturskalen Ich vermute mal, dass du die Einheit Ohm (Ω) meinst. Alles andere macht in diesem Zusammenhang keinen Sinn. Ob 100Ω bei 4.5V ein Signal unbrauchbar machen, hängt davon ab, welche Last du anhängst und welche Pegelanforderungen der Signalempfänger stellt. Ob ein Analogmultiplexer oder ein digitaler für dich geeignet ist, hängt von den spektralen Anforderungen ab. Hinter einem Analogmultiplexer kann es durchaus sinnvoll sein, einen Puffer zu hängen, der das Signal mit niedriger Quellimpedanz für die weitere Verarbeitung bereitstellt. Falls da irgendetwas "live" umgeschaltet werden soll, würde ich mir auch noch Gedanken um die Stetigkeit der Phase machen. Vielleicht schreibst du mal, was du vorhast?
Wolfgang schrieb: > "100R" ist irgendwie ein seltsame Größenangabe. nöpp, ein freier Standard. Es gibt da kein Norm oder SI-Zwang.
>Wenn man aber im Programm dynamisch die Taktquelle wechseln will, wird >es AUFWÄNDIG! Denn bei der Umschaltung darf am uC kein Glitch oder >sonstiges Artefakt ankommen, auch keine unzulässig kleine Pulsbreite, >egal ob HIGH oder LOW. Einen MUX, der das kann, ist AUFWÄNDIG! Ob es da >schon was Fertiges gibt, weiß ich nicht. Das Taktsignal wird nicht für einen uC sondern u.a. für ein I2S Signal benötigt (I2S bitte nicht mit I2C verwechseln). Der uC schaltet nur die Quelle um, ist aber nicht mit dem Taktgeber verbunden. >Warum ein Tackt-quellen Umschalter und nicht direkt ein PLL nehmen? >Es gibt PLL die Sauber und ohne Artefakte ihre Tackt-Geschwindigkeit >ändern lassen (zB. Für Spectrum-Analyzer). >Denke das ist weniger Aufwand und gibt dann auch keine Probleme. Die ursprüngliche Schaltung benutzt sogar einen PLL (SI5351C). Das Problem ist, dass dieser PLL sehr lange Lieferzeiten hat und ich daher eine Ersatzschaltung mit Bauteilen aufbauen will, die momentan erhältlich sind.
Dieter S. schrieb: > Die ursprüngliche Schaltung benutzt sogar einen PLL (SI5351C). Das > Problem ist, dass dieser PLL sehr lange Lieferzeiten hat Welche Stückzahlen brauchst du denn? Mouser könnte dir in 14 Tagen 85 Stück SI5351C-B03122-GM liefern.
Dieter S. schrieb: > Das Taktsignal wird nicht für einen uC sondern u.a. für ein I2S Signal > benötigt (I2S bitte nicht mit I2C verwechseln). Schon klar, I2S ist digitales Audio. > Der uC schaltet nur die > Quelle um, ist aber nicht mit dem Taktgeber verbunden. Dann ist es unkritisch, denn das fängt sich wieder, schlimmstenfalls gibt es eine kurze Tonstörung.
Warum machst du den Takt dann nicht direkt mit dem µC? Könntest doch ein Timer verwenden und die Frequenzen(Tackt) so direkt generieren anstelle von Umschalten?
Wird auf der Platine, die gerade vor mir liegt, von HC4051 erledigt. Gruß Jobst
Jobst M. schrieb: > Wird auf der Platine, die gerade vor mir liegt, von HC4051 erledigt. Und was willst du damit zeigen? Dass du die perfekte funktions- fähige Lösung der Problemstellung des TO vorweisen kannst?
>Warum machst du den Takt dann nicht direkt mit dem µC? > >Könntest doch ein Timer verwenden und die Frequenzen(Tackt) so direkt >generieren anstelle von Umschalten? Leider sind alle Pins des uC schon belegt, daher kann ich diesen Weg nicht gehen. >Wird auf der Platine, die gerade vor mir liegt, von HC4051 erledigt. In der Tat fehlt ein bisschen der Kontext, was der analoge MUX genau haltet. Aus dem PCM1796 auf dem Foto schließe ich, dass es sich wahrscheinlich um eine Soundkarte o.ä. handelt. Schaltet der MUX I2S bis ca. 25MHz? Falk schrieb weiter oben, dass man den 74HC153 als digitalen MUX benutzen kann. Prinzipiell bin ich dem ja sehr zu getan, allerdings möchte schon anhand des Datenblattes verstehen können, dass MUX das Taktsignal sauber durchschaltet und wirklich geeignet ist. Oder anders gefragt: Läßt sich irgendwie anhand des Datenblattes die max. Bandbreite dieses Bausteins bestimmen?
Dieter S. schrieb: > allerdings > möchte schon anhand des Datenblattes verstehen können, dass MUX das > Taktsignal sauber durchschaltet und wirklich geeignet ist. Oder anders > gefragt: Läßt sich irgendwie anhand des Datenblattes die max. Bandbreite > dieses Bausteins bestimmen? Familiy Specs lesen und verstehen: https://assets.nexperia.com/documents/user-manual/HCT_USER_GUIDE.pdf
Dieter S. schrieb: > In der Tat fehlt ein bisschen der Kontext, was der analoge MUX genau > haltet. Aus dem PCM1796 auf dem Foto schließe ich, dass es sich > wahrscheinlich um eine Soundkarte o.ä. handelt. Schaltet der MUX I2S bis > ca. 25MHz? > > Falk schrieb weiter oben, dass man den 74HC153 als digitalen MUX > benutzen kann. Auf dem Board werden mit den HC4051 nur Taktquellen umgeschaltet. Also genau das, worum es in Deinem Eingangspost ging. Bis 25MHz. (512fs). I²S schalte ich NICHT damit, würde aber natürlich auch gehen. Allerdings werden die Signale durch die Widerstände, wie von Dir befürchtet, etwas verschliffen. Das ist aber weiter kein Problem. Der HC153 sollte die Umschaltung natürlich auch hinbekommen. Die Signale dürften dabei etwas knackiger wieder heraus kommen, daher würde ich mich bei einem neuen Design vermutlich auch dafür entscheiden bzw. ihn ausprobieren. Die HC4051 habe ich aber in Mengen da. Die Takte werden an einen SRC4392 und einen PCM4222 gereicht. Der Takt für den DF1706 und die beiden PCM1796 kommt aus dem SRC4392. Auf der S/P-DIF-Seite des SRC sitzen nochmal 4051er in einer 8x6 Matrix. Gruß Jobst
> Auf dem Board werden mit den HC4051 nur Taktquellen umgeschaltet. Also
Ihr wisst aber schon das sich sowohl Analog wie auch Maxim und
vermutlich einige andere auch an diesen Bausteinen abgearbeitet hat und
davon deutlich verbesserte Versionen herstellen?
olaf
Dieter S. schrieb: > Leider sind alle Pins des uC schon belegt, daher kann ich diesen Weg > nicht gehen. Mit welchen Pins willst du den Umschalten? für 3 Quellen brauchst du ja auch mindestens 2 Pins? Stehe gerade etwas auf dem Schlauch, oder fehlen da noch Salamischeiben?
>Familiy Specs lesen und verstehen: > >https://assets.nexperia.com/documents/user-manual/HCT_USER_GUIDE.pdf In dem PDF sind stehen zu den entsprechenden Familien die maximalen Bandbreiten dabei -- genau das, was ich gesucht habe. Danke dafür! @Jobst: Herzlichen Dank für den ausführlichen und interessanten Nachtrag. Ich stimme Dir bzgl. der Gedanken zum digitalen MUX zu und werde mich daher für einen digitalen MUX entscheiden. >Ihr wisst aber schon das sich sowohl Analog wie auch Maxim und >vermutlich einige andere auch an diesen Bausteinen abgearbeitet hat und >davon deutlich verbesserte Versionen herstellen? Analoge MUX ICs habe ich von Analog gefunden, aber auf die Schnelle keine digitalen MUX. Falls vielleicht hast Du ja ein Produkt im Kopf und kannst uns dieses nennen. >Mit welchen Pins willst du den Umschalten? für 3 Quellen brauchst du ja >auch mindestens 2 Pins? Genau, ich brauche noch genau 2 Pins für das Umschalten. Allerdings benutze ich keinen ARM, PIC o.ä. uC sondern einen XMOS XCORE200. Bei diesem uC wird zwischen 1Pin-Ports, 4Pin-Ports etc. unterschieden. Nur ein 1Pin-Port kann man sinnvoll für die Taktausgabe nutzen, allerdings habe ich schon alle 1Pin-Ports belegt und habe nur noch 4Pin-Ports über. Einen 4Pin-Port kann ich aber z.B. hervorragend dazu benutzen, um einen MUX anzusteuern.
Für alle, die es interessiert: Die SN74HC von TI haben eine andere Bandbreite als die von NXP. Die Bandbreiten der TI Familien sind hier auf Seite 5 dokumentiert: https://www.ti.com/lit/an/scla007a/scla007a.pdf?ts=1643457595303
> Analoge MUX ICs habe ich von Analog gefunden, aber auf die Schnelle > keine digitalen MUX. Ich glaube sowas verkauft man ueblicherweise als AND-Gatter. :-) Olaf
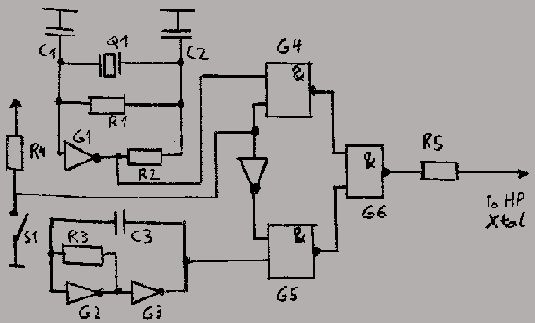
Schau mal hier. Damit schalte ich seit 1990 die Taktfrequenz an meinem HP48SX um. Das geht auch im laufenden Betrieb ohne das es Probleme mit dem Clock gibt. Der ist bisher noch nicht abgestuerzt. :-) Du musst das nur noch fuer drei Eingaenge erweitern. Olaf
Olaf schrieb: > Schau mal hier. Damit schalte ich seit 1990 die Taktfrequenz an > meinem HP48SX um. Das geht auch im laufenden Betrieb ohne das > es Probleme mit dem Clock gibt. Der ist bisher noch nicht abgestuerzt. > :-) > Du musst das nur noch fuer drei Eingaenge erweitern. > Olaf So macht man das ja auch, also früher(tm). Spricht nix dagegen, das heute genauso zu machen. Und R5 hat dann 100R ;)
uff basse schrieb: > Jobst M. schrieb: > >> Wird auf der Platine, die gerade vor mir liegt, von HC4051 erledigt. > > Und was willst du damit zeigen? Dass du die perfekte funktions- > fähige Lösung der Problemstellung des TO vorweisen kannst? Auf jeden Fall gefällt mir das Foto. Kann man ja mal n Artikel schreiben, wie man sowas hinbekommt. So als Anleitung für viele hier, die lieber ihre Tischplatte zeigen oder einfach draufhalten, ungeachtet der fokalen Ebene. Im Ernst: sieht sehr gut aus!
@Olaf: Tatsächlich hatte ich vorhin auch die Idee, im Bereich Logikgatter zu suchen und bin auf das konfigurierbare Multifunktionsgatter SN74AUP1G98 gestoßen, der günstig zu erwerben ist. Das Gatter kann man z.B. als 2:1 Multiplexer konfigurieren. Wenn man zwei Gatter hintereinander schaltet, dann kann man auch ein 3:1 MUX realisieren. "Figure 2" im Datenblatt zeigt, dass das Gate hervorragend 25MHz-Signale verarbeitet. Momentan bin ich noch unentschieden, ob ich einen NXP 74HC151PW,118 oder 2x TI SN74AUP1G98 benutze. Mal gucken ...
Olaf schrieb: > Ihr wisst aber schon das sich sowohl Analog wie auch Maxim und > vermutlich einige andere auch an diesen Bausteinen abgearbeitet hat und > davon deutlich verbesserte Versionen herstellen? Natürlich. Die ADGxxx von Analog setze ich auch ein. Aber bei Messtechnik. Für einfachste Umschaltaufgaben sind mir die zu teuer. Quarzoszillatoren mit Enable können direkt an den Ausgängen parallel geschaltet werden. Man könnte mit 3-state Treibern weitere Takte parallel schalten. Umschaltung aller Kandidaten z.B. mit einem 4017, dafür benötigt man dann auch nur einen Pin. Aber man muss sicherstellen, dass auf beiden Seiten sauber gezählt wird. Oder mit langem Takt einen Reset erzeugen - oder so ... Dieter S. schrieb: > Momentan bin ich noch unentschieden, ob ich einen NXP 74HC151PW,118 oder > 2x TI SN74AUP1G98 benutze. Mal gucken ... Bestell Dir beide und probier es aus! ;-) Gruß Jobst
>Quarzoszillatoren mit Enable können direkt an den Ausgängen parallel >geschaltet werden. Die Oszillatoren haben einen Enable-Pin. Ich hatte auch schon darüber nachgedacht, die Ausgänge direkt miteinander zu verbinden, um ein Gatter einzusparen. Ich bin mir da noch unsicher, ob dadurch die Signalqualität der Oszillatoren leidet oder nicht (z.B. wegen Leitungsreflexion).
Dieter S. schrieb: > Ich bin mir da noch unsicher, ob dadurch die Signalqualität > der Oszillatoren leidet oder nicht (z.B. wegen Leitungsreflexion). Setz sie einfach dicht beieinander. Es funktioniert auf jeden Fall, habe ich auf einem anderen Board schon so gemacht. Gruß Jobst
Ich hätte es nicht erwartet, solch eine Schaltung auf einem Referenzboard zu finden. Ich finde das spannend. Nun sind die letzten Zweifel ausgeräumt, und ich werde es definitiv genauso umsetzen. Vielen Dank für Deine Unterstützung Jobst! Ich wünsche Dir ein schönes Wochenende! Gruß Dieter
Äxl schrieb: > Auf jeden Fall gefällt mir das Foto. Kann man ja mal n Artikel > schreiben, wie man sowas hinbekommt. So als Anleitung für viele hier, > die lieber ihre Tischplatte zeigen oder einfach draufhalten, ungeachtet > der fokalen Ebene. > Im Ernst: sieht sehr gut aus! Oh, das sehe ich jetzt erst. Großflächig helles Licht ist der 'Trick'. Dann zieht die Blende mehr zu und dadurch wird der Schärfebereich größer. Außerdem gibt es weniger Schatten. Licht aus einer Punktquelle erzeugt harte Schatten. (vgl. Schatten bei Sonne mit Schatten bei Bewölkung) Scharf gestellt sein sollte dennoch. Vielleicht ist der 2. Trick, darauf zu achten. Das Foto beeindruckt aber vermutlich vor allem wegen seiner Farbarmut. Bis auf die Flachbandleitung ist ja fast alles Farblos. Schwarzer Lötstoplack, schwarze ICs, schwarze Wannenstecker, schwarze Elkos, dazu weißer Aufdruck und reflektierende, also weiße, Lötstellen. Nur die Kerkos sind etwas farbig, aber so dass es kaum auffällt. Dann braucht man eine Optik, die nah genug scharf stellen kann und weitwinklig genug ist. Dadurch entsteht mehr 'Dramatik' (mir fällt gerade kein besseres Wort ein) Der selbe Bildausschnitt mit einem Tele aus entsprechender Entfernung wirkt erheblich 'platter'. Der Vollständigkeit halber: Ein sogenanntes 'Normalobjektiv' bildet etwa so ab wie das Auge. Bei Kleinbild sind das 50mm. Hinzu kommt, dass ich mich auch semiprofessionell mit Fotografie beschäftige und daher automatisch Dinge wie Schnitt und Bildaufteilung beachte. Ich könnte das vermutlich gar nicht als 'Anleitung zu einem guten Foto' aufschreiben, auch weil ich selber Dinge erstmal ausprobieren, anfassen, 'be-greifen' muss um zu sehen, wie sie wirken. Das Bild wurde mit einer Lumix DMC-SZ8 aufgenommen. Diese verfügt über ein 24mm (equivalent) Weitwinkel. Das Bild wurde nachträglich mit Gimp ausgeschnitten und verkleinert. Beleuchtung waren zwei Leuchten auf einer Fläche von ~20x20cm in 15cm Abstand. Dieter S. schrieb: > Vielen > Dank für Deine Unterstützung Jobst! Ich wünsche Dir ein schönes > Wochenende! Sehr gerne, Dir auch! Gruß Jobst
Bitte melde dich an um einen Beitrag zu schreiben. Anmeldung ist kostenlos und dauert nur eine Minute.
Bestehender Account
Schon ein Account bei Google/GoogleMail? Keine Anmeldung erforderlich!
Mit Google-Account einloggen
Mit Google-Account einloggen
Noch kein Account? Hier anmelden.


