Was ist die übliche Schaltung, um ein etwas kräftigeres Relais (320Ohm Spulenwiderstand, ausgelegt auf 12V) mit einer variablen Schaltspannung zwischen 12 und 30V sauber zu betätigen? Einen LDO davorschalten oder gibt es da simplere Möglichkeiten?
Luky S. schrieb: > Was ist die übliche Schaltung, um ein etwas kräftigeres Relais > (320Ohm > Spulenwiderstand, ausgelegt auf 12V) mit einer variablen Schaltspannung > zwischen 12 und 30V sauber zu betätigen? Einen LDO davorschalten oder > gibt es da simplere Möglichkeiten? Schaltregler! Es braucht ja nichtmal eine extra Drossel oder einen Siebelko.
KSQ statt LDO? Macht aber vmtl. weder preislich noch vom Kühlaufwand, noch vom Spannungbereich einen merklichen Unterschied.
Die einfachste Möglichkeit wäre ein passender PTC. Werden aber immer weniger, macht keinen Spass da nach was passendem zu suchen. Ein 12V-Relais zieht auch schon bei 9 oder 10V satt an, ins Datenblatt schauen. Wahrscheinlich kommt man um den LDO herum, manchmal sind die ein wenig zickig. Evtl. reicht also ein 7809. Damit sinkt auch der Strom (28mA) und damit die Verlustleistung im Regler auf rund 0,5W bei 30V Eingangsspannung. Mehr Aufwand, aber weniger Wärme: siehe hinz. Noch eleganter: nach dem Anziehen kann man bei beiden Varianten den Strom deutlich reduzieren (Haltestrom). Spart immer Energie, bei der linearen Variante auch deutlich Wärme.
H. H. schrieb: > Schaltregler! Es braucht ja nichtmal eine extra Drossel oder einen > Siebelko. Ja, ein einfacher PWM-Regler reicht aus.
Luky S. schrieb: > mit einer variablen Schaltspannung > zwischen 12 und 30V sauber zu betätigen? Einen LDO davorschalten 12 Volt ist etwas knapp, gucken, ab wann das Relais sicher funktioniert. LDO finde ich garnicht dumm, einen LM1117 als Stromquelle beschaltet. Der Schönheitsfehler ist, dass die etwa 3 Volt minimalenen Spannungsabfall haben wird.
Manfred P. schrieb: > einen LM1117 als Stromquelle beschaltet Was bringt das denn bitte bei einem Relais als Last? Kostet nur 1,25V extra Verlustspannung.
Bei einer höheren Spannung als nötig muss das Relais über einen Widerstand angeschlossen werden = elektrische Spannung. Parallelwiderstand Kondensator + Widerstand in Reihe. Es stellt sich heraus, dass das Relais über einen Kondensator ausgelöst und über einen Widerstand gemessen wird.
Pavel schrieb: > Bei einer höheren Spannung als nötig muss das Relais über einen > Widerstand angeschlossen werden = elektrische Spannung. > Parallelwiderstand Kondensator + Widerstand in Reihe. Es stellt sich > heraus, dass das Relais über einen Kondensator ausgelöst und über einen > Widerstand gemessen wird. Wirr deiner Worte Sinn ist. Kaffee du trinken mußt, um wiederbeleben den Geist.
Wenn ich ein Halbleiterrelais mit ähnlicher Bauform finde, das 50A bei 12V und 25A bei 24V schalten kann, dann gerne
Manfred P. schrieb: > LDO finde ich garnicht dumm, einen LM1117 als Stromquelle beschaltet. > Der Schönheitsfehler ist, dass die etwa 3 Volt minimalenen > Spannungsabfall haben wird. Das ist Murks, max Uin-GND = 15V! https://www.mouser.de/ProductDetail/Texas-Instruments/LM1117T-ADJ-NOPB?qs=X1J7HmVL2ZHHdJZdUjLg1w%3D%3D&gclid=Cj0KCQiAgOefBhDgARIsAMhqXA5JaD7wT032yy1-jpv-2qa_xAAo3zflI-FDIvF_GiQOPHi0BvVSYNYaAmElEALw_wcB
Beitrag #7358586 wurde von einem Moderator gelöscht.
Falk B. schrieb: > Pavel schrieb: >> Bei einer höheren Spannung als nötig muss das Relais über einen >> Widerstand angeschlossen werden = elektrische Spannung. >> Parallelwiderstand Kondensator + Widerstand in Reihe. Es stellt sich >> heraus, dass das Relais über einen Kondensator ausgelöst und über einen >> Widerstand gemessen wird. > > Wirr deiner Worte Sinn ist. Kaffee du trinken mußt, um wiederbeleben den > Geist. Danke für deinen Kommentar. Mein Übersetzer lachte mich aus :(
Luky S. schrieb: > mit einer variablen Schaltspannung zwischen 12 und 30V sauber zu betätigen? Was meinst du mit "Schaltspannung"? Ist das der Pegel von deinem Steuersignal oder ist das die verfügbare Betriebsspannung?
Eigentlich beides. Also die zur Verfügung stehende Spannung schwankt zwischen 12 und 30V, das ist sowohl die Spannung die zum Schalten des Relais gedacht ist als auch die zu schaltende Spannung. Es handelt sich um ein Relais mit 12V Spule. Mit einem LDO werden noch 5V für den steuernden Microcontroller erzeugt.
Luky S. schrieb: > Mit einem LDO werden noch 5V für den steuernden Microcontroller erzeugt. Nenne uns doch mal den Namen des angeblichen LDO, der 30V verträgt. Ansonsten, wenn's einfach sein soll, nimm einen simplen 7812 mit Abblock-Cs entsprechend Datenblatt. Darauf achten, daß die 12V-Variante auch wirklich für >30V Input ausgelegt ist (da gibt's manchmal diverse Unterschiede zw. den Herstellern). Bei den angegebenen Relaisdaten ist die Verlustleistung im Regler noch niedrig genug (<<1W), um komplett ohne Kühlkörper auszukommen. Die 2V Dropspannung werden dem Relais nicht wehtun, bzw. wird sicherlich noch sicher schalten (trotzdem dessen DB fragen).
Jens G. schrieb: > Nenne uns doch mal den Namen des angeblichen LDO, der 30V verträgt. Gibts schon, aber ehr nicht beim Bastlerbedarf.
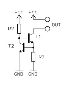
Vier billige Bauteile (+ Freilaufdiode), und verliert im 12V-Fall auch nicht viel Spannung. Konstantstromquelle: Konstantstromquelle mit bipolaren Transistoren
Pavel schrieb: > Danke für deinen Kommentar. > Mein Übersetzer lachte mich aus :( Deine Schaltung löst nicht das Problem des OP. Denn damit kann das Relais auch nicht an 12-30V mit ansatzweise konstantem Strom betrieben werden. Deine Schaltung ist nur für konstante Versorgungsspannung gedacht, um nach dem Einschalten den Haltestrom zu reduzieren. Ein stromgeregleter DC/DC Wandler ist das Mittel der Wahl. Das kann selbst der olle MC34063.
Luky S. schrieb: > Mit einem LDO werden noch 5V für den steuernden Microcontroller erzeugt. Wenn du sowieso ein 5V-Steuersignal mit halbwegs stabiler Spannung zur Verfügung hast: Pack dem Transistor einen Widerstand unter den Emitter. Ist dann nur ein zusätzliches Teil...
Beitrag #7358683 wurde von einem Moderator gelöscht.
Εrnst B. schrieb: > Ist dann nur ein zusätzliches Teil... Nachtrag: R3 und C1 aus dem rauskopierten Screenshot machen dann weniger Sinn. Evtl. stattdessen einen kleinen C oder RC parallel zu R4, für einen etwas stärkeren Einschaltstrom-Puls... R4 definiert dann den Haltestrom.
R3 wurde als Haltestrom gewählt. C1 experimentell. Start: C1 = sicheres Auslösen. Dann C1 x 2. Getestet: funktioniert seit mehreren Jahren.
Pavel schrieb: > Getestet: funktioniert seit mehreren Jahren. schon klar. Aber mit der Konstantstrom-Erweiterung für den weiten Betriebsspannungs-Bereich über den Emitter-Widerstand verlieren beide ihre Bedeutung, der Strom wird dann weiter unten eingestellt, und der Transistor regelt den Strom selber aus, C1 verursacht dann keinen Einschalt-Puls mehr, R3 begrenzt auch den Halte-Strom nicht mehr (solange die Spannung reicht). Deshalb habe ich die Ersatz-Schaltung mit (R)C parallel zum Emitter-Widerstand vorgeschlagen, erreicht dann dasselbe Ziel.
Ich danke Ihnen. Das sehe ich auch so. Das nächste Mal werde ich es mit Transistoren versuchen.
Jens G. schrieb: > Nenne uns doch mal den Namen des angeblichen LDO, der 30V verträgt. LP2951. Hat mich 2sec nachdenken gekostet.
H.Joachim S. schrieb: > Manfred P. schrieb: >> einen LM1117 als Stromquelle beschaltet > Was bringt das denn bitte bei einem Relais als Last? Kostet nur 1,25V > extra Verlustspannung. Damit kann man einen großen Bereich abdecken, ohne die Relaisspule zu überlasten. 1,25V reichen leider nicht, dazu addiert sich die DropOut Spannung des Reglers, es werdne eher 2,5V Verlust auftreten. Ich habe leider etwas übersehen, was den LM1117 kritisch macht: Volker S. schrieb: > Das ist Murks, max Uin-GND = 15V! Εrnst B. schrieb: > Vier billige Bauteile (+ Freilaufdiode), und verliert im 12V-Fall auch > nicht viel Spannung. Ich glaube, dass das die Lösung sein wird! Diese Bauart der Stromquelle ist nicht sonderlich genau, aber für die geforderte Anwendung auf jeden Fall geeignet.
Manfred P. schrieb: > Damit kann man einen großen Bereich abdecken, ohne die Relaisspule zu > überlasten. 1,25V reichen leider nicht, dazu addiert sich die DropOut > Spannung des Reglers, es werdne eher 2,5V Verlust auftreten. Blödsinn. Die 1,25V Verlust bei Stromquellenbetrieb ergeben sich ZUSÄTZLICH zu einer stinknormalen Spannungsregelung, dropout völlig aussen vor. Bei höheren Spannungen egal (allenfalls Verteilung der Verlustleistung), Verlust ist Verlust. Bei knappen Spannungen kontraproduktiv
Bitte melde dich an um einen Beitrag zu schreiben. Anmeldung ist kostenlos und dauert nur eine Minute.
Bestehender Account
Schon ein Account bei Google/GoogleMail? Keine Anmeldung erforderlich!
Mit Google-Account einloggen
Mit Google-Account einloggen
Noch kein Account? Hier anmelden.



