Nabend, ich habe einen Quarzoszillator auf 697,5 kHz aufgebaut. Die Transistorstufe bekommt das abgerundete Trägerfrequenz-Rechtecksignal über den Tiefpass R2 und C2. Die Schwingkreisspule L1 soll gleichzeitig auch als Antenne arbeiten. Moduliert wird einfach mit einem MP3-Player über den Elko C7. Momentan empfange ich den Sender mit einem kleinen Kopfhörerradio. Das Problem ist, dass der Sender nur eine Reichweite von 1 Meter hat. Ich will aber mindestens eine Reichweite von 10-100 Meter haben. Jetzt benötige ich eine passende Endstufe im A-Betrieb, die ordentlich Power hat und mit 9V noch gut funktioniert! Wie baut man sowas?
Otto K. schrieb: > Das > Problem ist, dass der Sender nur eine Reichweite von 1 Meter hat. Ich > will aber mindestens eine Reichweite von 10-100 Meter haben. Jetzt > benötige ich eine passende Endstufe im A-Betrieb, die ordentlich Power > hat und mit 9V noch gut funktioniert! Darfst du überhaupt einen Sender (besser gesagt: Oberwellenschleuder) betreiben?
:
Bearbeitet durch User
> Darfst du überhaupt einen Sender (besser gesagt: Oberwellenschleuder) > betreiben? Ist halt ne Frage der leistung. Unabhängig von der Lizenz stellt sich die Frage nach der Arnbeitspunkt einstellung von Q1. Aber ja, die Verwendung eines Counters zur Takterzeugung garantiert heftig Oberwellen. Ich würd hier als erste mal mit nem Oszi die Signalformen anschauen und spezifizieren, mit welcher Betriebsart man arbeiten will, viel Bandbreite hatt man dort nicht.
Zwar nicht die Antwort die Du suchst: Als 14 jähriger Schulbub baute ich damals mit dem OC171 einfache ein-Transistor UKW Senderchen mit ein paar mW Ausgangsleistung, in der Basis mit dem Dynamischen Tonband Mikrofon meiner Mutter direkt moduliert, die über den gewünschten Bereich bis über hundert Meter locker mit den gängigen UKW Koffer Radios dieser Zeit funktionierten, vernünftige angepasste Antenne vorausgesetzt. 160m ist da viel schlechter in der Qualität. Antennen sind nur durch Anpassungsnetzwerke abstimmbar und der Strahlungswirkungsgrad extrem miserabel bei kurzen Antennen. UKW lässt da sehr viel mehr Freude aufkommen und die Tonqualität überzeugt. Unter gewissen Beschränkungen ist das nun mittlerweile angeblich legal in D. Damals war das nicht der Fall. Gerhard
Beitrag #8006345 wurde von einem Moderator gelöscht.
BTW: 160m -Band ist eher 1840–1843 kHz und keine 697,5 kHz ?!
Otto K. schrieb im Beitrag #8006345: > In dem Thread "Oszilloskop-Spielereien" kann man auch die > Oszilloskopbilder vom Modulationsgrad von meinem AM-Modulator sehen: Hier der richtige Link: Beitrag "Re: Oszilloskop-Spielereien"
Dieter D. schrieb: > Lamda/4 Antenne mit 40m Länge. Zu lang! Ich will keine Antenne. Das muss auch irgendwie ohne Antenne funktionieren, also nur mit der Schwingkreisspule. Gerhard O. schrieb: > einfache ein-Transistor UKW Senderchen... Den habe ich auch schon gebaut, der ist mir aber mit einer 9 Volt Blockbatterie nicht frequenzstabil genug. Bradward B. schrieb: > BTW: 160m -Band ist eher 1840–1843 kHz und keine 697,5 kHz ?! Das stimmt zwar, aber soweit ich weiß, wird der gesamte Mittelwellenempfangsbereich als 160 Meter Band bezeichnet (520 kHz bis 1600 kHz).
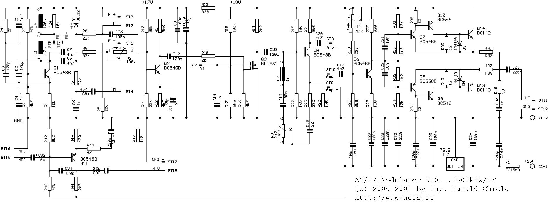
Hallo, die Seite "http://www.hcrs.at/" die etwa ab 1997 zu einer der ersten Technikseiten gehörte, scheint nicht mehr online zu sein. Dort gab es detaillierte Bauprojekte zu Mittelwellensendern. mfg
Guck mal, mit diesem Schaltplan und einer Ferritstsbantenne kannst du gabz sicher einige hundert Meter überbrücken.
Otto K. schrieb: > Dieter D. schrieb: >> Lamda/4 Antenne mit 40m Länge. > > Zu lang! Ich will keine Antenne. Das muss auch irgendwie ohne Antenne > funktionieren, also nur mit der Schwingkreisspule. > > Gerhard O. schrieb: >> einfache ein-Transistor UKW Senderchen... > > Den habe ich auch schon gebaut, der ist mir aber mit einer 9 Volt > Blockbatterie nicht frequenzstabil genug. > > Bradward B. schrieb: >> BTW: 160m -Band ist eher 1840–1843 kHz und keine 697,5 kHz ?! > > Das stimmt zwar, aber soweit ich weiß, wird der gesamte > Mittelwellenempfangsbereich als 160 Meter Band bezeichnet (520 kHz bis > 1600 kHz). Es gibt von Rohm einige PLL stabilisierte Stereosender ICs. Beispiel BH1415 oder ähnlich. Gibt es auch in Bausatzform. Für mich war damals die Stabilität ausreichend, solange man die Antennenspule ausreichend lose ankoppelte. Natürlich würde eine DG-MOSFET Pufferstufe helfen den Oszillator lastunabhängig zu machen.
Otto K. schrieb: > Zu lang! Ich will keine Antenne. Das muss auch irgendwie ohne Antenne > funktionieren, also nur mit der Schwingkreisspule. Der Spule musst du nur die hinreichende Grösse gönnen. Ein halber Meter Durchmesser sollte da schon reichen. > Gerhard O. schrieb: >> einfache ein-Transistor UKW Senderchen... > > Den habe ich auch schon gebaut, der ist mir aber mit einer 9 Volt > Blockbatterie nicht frequenzstabil genug. Mit ein paar Oszillatoren, die auf einem FPGA gerechnet werden, ist das Ganze genauso stabli wie die verwendete Referenzfrequenz. Alte Radios haben ja nicht nur eine Freqeunzskala, sondern auch die Sendernamen auf der Skala. Wählt man die Frequenzen nach diesen Sendernamen aus, könnte man diese dann mit seiner eigenen Modulation hören. Eine kleine Linearendstufe mit ca. 100 mW, sollte auch für eine 35 cm Betondecke kräftig genug sein. Ist leider alles zusammen nicht ganz billig. Aber wenns Spass macht?
Otto K. schrieb: > Zu lang! Ich will keine Antenne. Das muss auch irgendwie ohne Antenne > funktionieren, also nur mit der Schwingkreisspule. Eine Rahmenantenne: https://www.elektronik-labor.de/HF/Loops.html https://www.elektronik-labor.de/HF/LoopAntennen.html
>> Lamda/4 Antenne mit 40m Länge. > > Zu lang! Ich will keine Antenne. Das muss auch irgendwie ohne Antenne > funktionieren, also nur mit der Schwingkreisspule. Bei der Wellenlänge (ca 430m) ist man doch tief im Nahfeld, da sollte eine Spule mit Kern reichen für das bißchen Reichweite. Oder auch ohne Kern. Manche wickeln auch einfach Draht um einen Schuhkarton: https://www.fading.de/antennentechnik/rahmenantenne
:
Bearbeitet durch User
In diesem Frequenzbereich sind Ferritstabantennen gebräuchlich. Wer es etwas dicker mag, kann sich eine Rahmenantene wickeln. herkömmliche Drahtantennen, wie Dipole oder ähnliches sind illusorisch.
Bradward B. schrieb: > Schuhkarton In wenigen Jahren weiß vielleicht niemand mehr, weil alles in der großen Amazonbox im Beutel verpackt kommt. Für die Nachwelt gibt es eine Erklärung der KI, wobei die Antwort nur vom kleine Modell mit 1,5GB stammt: >>> explain german word: "Schuhkarton" A Schuhkarton is a German term that refers to a shoebox or a small carton used for storing small items such as socks, underwear, or other personal care items. The word is often used in the context of a child's room, where they keep their clothes and other belongings tidy and organized. In English, this term might be translated as "sock box" or "undershirt box," depending on the specific context in which it is used. However, the German word "Schuhkarton" itself has a certain charm and uniqueness to it, and it can add a touch of cultural flavor to your vocabulary.
:
Bearbeitet durch User
>> Schuhkarton > > In wenigen Jahren weiß vielleicht niemand mehr, weil alles in der großen > Amazonbox im Beutel verpackt kommt. Für die Nachwelt gibt es eine > Erklärung der KI, wobei die Antwort nur vom kleine Modell mit 1,5GB > stammt: Hab da mal vor paar Jahren sowas "gebastelt", war wohl zur Kinderbespassung in der Weihnachtszeit (siehe Anhang). Der DrehKo wird jetzt wo anders verwendet. Nicht schön, aber anschaulich.
:
Bearbeitet durch User
von Otto K. schrieb: >Die Schwingkreisspule L1 soll gleichzeitig >auch als Antenne arbeiten. Ich sehe keine Schwingkreisspule, da wo sie sein soll ist nur ein 100 Ohm - Widerstand. Mach die Schwingkreisspule mit 10 - bis 20cm Durchmesser, in Ringform, dann geht es schon ein wenig weiter. Achte auf Resonanz. 20cm Durchmesser 16 Windungen sind etwa 100µH. Oder 10cm Durchmesser 23 Windungen sind auch etwa 100µH. Und für den Schwinkreiskondensator am besten einen Drehko benutzen, dann kannst gut auf Resonanz abstimmen.
Beitrag #8006547 wurde vom Autor gelöscht.
> Ich sehe keine Schwingkreisspule, da wo sie sein soll > Mach die Schwingkreisspule mit 10 - bis 20cm Durchmesser, > in Ringform, dann geht es schon ein wenig weiter. > Achte auf Resonanz. Um das zugrundeliegenden Prinzip - Aufbau einer Verbindung über zwei so gut wie möglich gekoppelte Spulen/Schwingkreise wird man nicht umhin kommen. Gute Kopplung heisst, hohe Feldstärke beim Empfänger. Wenn ich mich recht erinnere hat man zwei Möglichkeiten für die hohe Feldstärke resp. Induktion: hohen Spannungshub (viele Ladungen) und möglichst schnell, also dX/dt. Bei letzteren biste allerdings durch die selektierte Frequenz von ca 695 kHz schon festgelegt. Und nur Energien in diesem Spektral-Bereich nutzen dir in der Übertragung. Also sollte man vor jeder Verstärkung alles oberhalb dieser Frequenz rausfiltern. So einem durch einstufiges RC abgeflachten Rechteck traue ich persönlich nicht viel Filtervermögen zu. In den Scope-Bildern scheint auch noch viel konstanter H-Pegel zu sein, das ist nicht richtig rund (aber das ist nur eine sehr grobe Einschätzung meinerseits, da muss man mal eine spectrumanalyse drüber laufen lassen). Der Modulationsgrad sieht auch nicht schlecht aus aber auch hier gilt "sehen" ist nicht unbedingt Messen. MW-Radios sind IMHO auf ein Kanalraster von 9-10 kHz ausgelegt, der MP3-Player wird aber ein breitbandigers Signal liefern, Also besser vor der Aufmodulation "die Höhen weg schneiden" mit TP-Filter am NF-Eingang. Was ausserhalb des Sender-Raster liegt, hört man im Empfänger nicht, wäre als wieder "verschwendete Sende-Energie". Sender und Empfangsspulen sollte man optimal ausrichten, beim Empfänger wird das schwierig, also dann beim Sender. Die Spule von der Schaltung absetzen, so dass man sie gut in Richtung Empfänger drehen kann. Eine Spule ist kein Kugelstrahler, das Feld ist nicht kugelsymmetrisch. Wenn das alles passt, kann man mit dem Angefragten Endverstärker nicht mehr viel falsch machen. der muss dann nur den Spannungshub bringen und darf in anderen Spektralbereichen (Oberwellen) nicht seine "Energie verschwenden". Anbei ein Bild aus einem Artikel zu drahtlosen Energieübertragung ( https://de.wikipedia.org/wiki/Drahtlose_Energie%C3%BCbertragung ), ich hoffe, der stellt die aufzubauenden Felder anschaulich dar.
Hallo, ich beschäftige mich sehr mit diesen Themen AM Modulator, Sender ... ein paar Dinge zu deinem Thema. Ich gehe, wegen dem, was du vorspielen willst, davon aus, dass es sich um ein sehr altes Empfangsgerät handelt. Es wird wohl hinten noch einen Anschluss haben Antenne / Erdung, und keine eingebaute Ferritantenne, wie sie dein modernes Taschenradio hat. Wie von anderen schon geschrieben, kannst du die "magnetische" Reichweite, also primär das "H Feld" deines Senders weiter aussenden, wenn du die Spule physikalisch größer machst. Eine 100µH auf einem Antennen-Stab bringt wohl 2...3m Reichweite statt 1m, wie es deine Spule macht. Die Sache ist aber die, dass dein Empfänger mit dem "H Feld" wenig anfangen kann, da sollte eher ein "E" Feld anliegen. Das E-Feld wird erreicht, in dem du das Signal nicht von einer Spule aussendest, sondern von einer Drahtantenne. Da Mittelwelle ja auf hoher Wellenlänge stattfindet, bräuchtest du eine lange Antenne, die ist aber unschick, und kurze Antennen bringen wenig Distanz. Eine Kompromisslösung wäre hier das Verwenden eines 1...1,50m Antennendrahtes, den du mittels "PI Filter" an deinen Sender anpasst. Das Filter wandelt die geringe Spannung / den hohen Strom an deiner Endstufe um in einer sehr hohe Spannung und wenig Strom, welche dann von der Antenne ausgesendet, und von deinem Empfänger wieder aufgenommen werden kann. Es ist durchaus möglich, das Signal mit einem 9V Block "10 Meter" weit zu senden, auch 100m sind drin, dann ist er aber schnell leer. Rechtlich ist es so, dass selbst in diesen "modernen" Zeiten das Senden auf Mittelwelle - mittels sagen wir "kapazitiver Abstrahlung" (primär E Feld) hier nach wie vor nicht erlaubt ist, Sondergenehmigungen für "Ein mal senden" kann es u.U. geben, hängt aber extrem von der sagen wir "Sympathie" ab, die man bei der Behörde hat. Erlaubt ist jedoch das induktive Senden, also das, was du schon tust. Wenn du primär das H-Feld aussendest, die Leistung auch gering hältst (Es gibt hier konkrete Vorgaben, die sind aber für Hobby Bastler oft nicht sehr hilfreich "Wie will man das bitte messen")... halte dich nur daran, dass dein Signal <10m Reichweite hat "In 10 Meter maximal noch der Träger in einem bessren Radio erahnbar", dann bis du auf der sicheren Seite. Am idealsten wäre es, wenn du deinen kleinen Sender in der Kommode, worauf das Radio steht, oder der Tisch... wenn du den unter dem Tisch an bringst, und das Radio an eine Stab-Antenne anschließt. Diese wird hinter dem Radio platziert, und da der Abstand von Sender zu Empfänger dann eher gering ist (z.B. 20cm) klappt auch die Übertragung. Du kannst den Inhalt auf dem MP3 Player im Loop laufen lassen, und ihn mit samt des Modulators anschalten, bevor der Besuch, dem das Radio vorgeführt wird, her kommt. Stab Antennen findest du online zu kaufen, aus Radios ausgebaut. Wenn du dann die MW Spule über sagen wir 100pF an dein Radio einkoppelst (ein Drahtende auf Erdung, das andre mit 100pF in Reihe auf Antenne) ist das wohl nicht perfekt, für deinen Zweck aber ausreichend. Wenn du die Drahtlos Lösung bevorzugst, also mit einer "Drahtantenne" das Signal übertragen willst, kann ich dir ja mal einen Sender basierend auf dem 4060 hier reinstellen, der die Leistung bringt, und die Anpassung hätte, allerdings ist das Angebot unverbindlich, und solche Sender "brummen" gerne, wegen allerlei Einstrahlungen durch Netzleitung. Also ich würde unverbindlich so eine Schaltung zamm bauen, und dir den Plan hier zeigen, ist nichts besonderes, würde aber funktionieren, ich hab 100erte dieser Transmitter schon gebastelt / geforscht in meinem langen Elektroniker Leben. Eine Linear Endstufe, übrigens, wäre für dein Unterfangen, insb "9V Block Betrieb" nicht geeignet, zu hohe Stromaufnahme, und echt effektive Endstufen sind äußerst komplex im Aufbau.
Christian S. schrieb: > "http://www.hcrs.at/" > die etwa ab 1997 zu einer der ersten Technikseiten gehörte, scheint > nicht mehr online zu sein Habe ich irgendwo gespeichert, falls Interesse! Gruss Chregu
Stefan K. schrieb: > Die Sache ist aber die, dass dein Empfänger mit dem "H Feld" wenig > anfangen kann, da sollte eher ein "E" Feld anliegen. Sehr interessante Erfahrung, danke fürs Teilen. Ob man eher auf die elektrische oder magnetische Feldkomponente setzt, ist auch eine Frage der (elektrischen) Dämpfung in der Übertragungsstrecke. Der TO schreibt von "durch die Wand/Decke senden". Da setzt man eher auf's H-Feld (magnetisch) insbesonders, wenn in der Decke/Mauer viel Stahlbewehrung oder feuchtigkeit ist. Und wenn die Verbindung steht, könnte man sich auch Gedanken um Dämpfung des Feldes in die nicht erwünschten Richtung kümmern. Meist in ´der entgegengestztenRichtung. Der TO hat ja einen Transportablen Empfänger, da mal um die "Anlage" drumherum gehen.
Stefan K. schrieb: > Ich gehe, wegen dem, was du vorspielen willst, davon aus, dass es sich > um ein sehr altes Empfangsgerät handelt. Es wird wohl hinten noch einen > Anschluss haben Antenne / Erdung, und keine eingebaute Ferritantenne, > wie sie dein modernes Taschenradio hat. Radios aus der Zeit 1950, hatten schon Ferritantennen. Die war, gerade wegen ihrer Richtwirkung, oft sogar per Knopf drehbar. > Eine Linear Endstufe, übrigens, wäre für dein Unterfangen, insb "9V > Block Betrieb" nicht geeignet, zu hohe Stromaufnahme, und echt effektive > Endstufen sind äußerst komplex im Aufbau. Will man ein AM (amplitudenmoduliertes)-Signal verstärken, kommt man um eine linear arbeitende (End-)stufe gar nicht herum, will man nicht den Oszillator direkt an die Antenne anschliessen. Damit würde die Antenne zumindest teilweise, ein frequenzbestimmendes Teil des Oszillatorschwingkreises. Das ist weder besonders stabil, noch empfehlenswert. Über den Sinn, dass mit einer 9F22/9C25 zu betreiben...
Otto K. schrieb im Beitrag #8006345:
> plötzlich hört man die Eröffnungsrede vom Adolf von der AVUS-Rennstrecke
Sowas will er also senden.
Günter L. schrieb: > Ich sehe keine Schwingkreisspule, da wo sie sein soll > ist nur ein 100 Ohm - Widerstand. Das ist eine 100uH Drossel in Widerstandsoptik. Matthias S. schrieb: > Sowas will er also senden. Das war nur ein Beispiel.
Otto K. schrieb: > Das ist eine 100uH Drossel in Widerstandsoptik. ..und mit 660pF parallel wird daraus ein Schwingkreis mit der Resonanzfrequenz von ~620kHz
Die Röhrenradiosammler haben meist eine Leiterschleife im Museumszimmer. Das liefert guten Empfang in jeder Zimmerecke und hält trotzdem die CISPR-25 Grenzwerte an der Grundstücksgrenze ein. Wobei hier nicht die BNetzA mit ihrem Peilwagen der Feind ist, sondern die GEMA.
Soo, gestern habe ich etwas rumexperimentiert. Am Ende wurde aber klar, dass eine vernünftige Antenne immer noch der beste Verstärker ist und deswegen habe ich 133 Windungen 0,2 mm Kupferlackdraht mit einer Anzapfung bei 33 Windungen auf eine 40 mm leere Toilettenrolle gewickelt. Jetzt beträgt die Reichweite immerhin 3 Meter. Viel mehr Reichweite wird man mit einer 9 Volt Blockbatterie wohl auch nicht erreichen. Die Stromaufnahme beträgt nach wie vor 10 mA. Bradward B. schrieb: > Also besser vor der Aufmodulation "die Höhen weg schneiden" mit > TP-Filter am NF-Eingang. Was ausserhalb des Sender-Raster liegt, hört > man im Empfänger nicht, wäre als wieder "verschwendete Sende-Energie". Dazu habe ich einfach parallel zu dem 100 Ohm Widerstand einen 100nF geschaltet. Dadurch werden die höchsten Höhen abgeschnitten, damit ich etwas mehr Sendeenergie auf den wesentlichen Mitteltonfrequenzbereich bündeln kann. Gleichzeitig erhöht der so überbrückte 100R Emitterwiderstand ein wenig die Sendeenergie. Stefan K. schrieb: > Am idealsten wäre es, wenn du deinen kleinen Sender in der Kommode, > worauf das Radio steht, oder der Tisch... Genauso werde ich das jetzt auch machen. Selbst wenn die 9 Volt Blockbatterie in der Schublade nach und nach leerer wird, dank der quarzstabilen Frequenz wird sich der Sender dadurch nicht verstimmen.
Ich bezweifele, dass der Sendetransistor überhaupt etwas sinnvolles abstrahlt. Er arbeitet tief im C-Betrieb, d.h. er besitzt keinerlei Basisvorspannung und hat auchnoch 100Ω im Emitter liegen. Das ist ganz grosser Murks.
Otto K. schrieb: > Wie baut man sowas? Ich hab mal im Google geschaut und schnell ein Link zu einem Verstärkerschaltung gefunden: https://www.dj0abr.de/german/technik/kwpa2/kwpa_v13.htm Ich habe aus einem Nachlass zwei Funkgeräte bekommen, die ein Kumpel und ich nutzen um Abends ein wenig zu pallvern. Solche Funkgeräte könntest du benutzen um dein Sender zu prüfen und zu verbessern. Funken macht richtig spaß! Wenn du möchtest, können wir mal auf 7100 KHZ eine runde quatschen.
Christian M. schrieb: > Christian S. schrieb: >> "http://www.hcrs.at/" >> die etwa ab 1997 zu einer der ersten Technikseiten gehörte, scheint >> nicht mehr online zu sein > > Habe ich irgendwo gespeichert, falls Interesse! > > Gruss Chregu Ja, mich würde das sehr interessieren. Diese Seite war -auch als sie nicht weitergeführt wurde- ein tolles Nachschlagewerk. Als die beiden Autoren noch frische Beiträge gebracht haben was es für mich sogar das Ding im Netz schlechthin. Ist bekannt, was da passiert ist? Soweit ich mich erinnere kam einfach lange Zeit nichts neues und dann war die Seite irgendwann ganz weg.
:
Bearbeitet durch User
Ich habe folgendes gefunden (Bilder) Gruß Jobst
>> Also besser vor der Aufmodulation "die Höhen weg schneiden" mit >> TP-Filter am NF-Eingang. Was ausserhalb des Sender-Raster liegt, hört >> man im Empfänger nicht, wäre als wieder "verschwendete Sende-Energie". > > Dazu habe ich einfach parallel zu dem 100 Ohm Widerstand einen 100nF > geschaltet. Dadurch werden die höchsten Höhen abgeschnitten, damit ich > etwas mehr Sendeenergie auf den wesentlichen Mitteltonfrequenzbereich > bündeln kann. Gleichzeitig erhöht der so überbrückte 100R > Emitterwiderstand ein wenig die Sendeenergie. Damit ist C7 gemeint ?! Der hat aber lt. Plan 100 mikro nicht 100 nano ? Überschlagmäßig könnt das hinkommen, das NF-Signal sollte IMHO auf weniger als 2700 Hz begrenzt werden, so ein MP3-Player ballert sicher bis in 20 kHz. Wobei die 2.7 kHz für Amateurfunk-Sprechfunk sind, ein MW Broadcaster hat wohl bis 4.5 kHz. Deshalb hat man dann UKW mit 15 KHz "erfunden".
.● Des|ntegrator ●. schrieb: > MP3-Player via Mittelwelle hören? > > Die Ansprüche an Tonqualitäten werden tatsächlich immer geringer. Wenn man die Sache selbst in der Hand hat, kann man das übertragene Spektrum sehr wohl bis 20 kHz, und sogar noch weiter ausdehnen. Die Filter in der ZF alter Radios, waren auch weit weg davon, was heutige keramische Filter schaffen. Das waren nur LC-Filter, die ein wenig gegeneinander verstimmt waren, um kenen Höcker in der Durchlasskurve zu erzeugen. Auch auf der Senderseite musste man sich da nicht viel Mühe machen. Das Spektrum natürlich erzeugter Geräusche, Sprache, etc. fällt mit dem Reziprokwert der Frequenz ab. Den Rest erledigt dann schon der Transformator für die Anodenmodulation.
Beitrag #8007746 wurde vom Autor gelöscht.
Schorsch M. schrieb: > Ich bezweifele, dass der Sendetransistor überhaupt etwas sinnvolles > abstrahlt. > > Er arbeitet tief im C-Betrieb, d.h. er besitzt keinerlei > Basisvorspannung und hat auchnoch 100Ω im Emitter liegen. Das ist ganz > grosser Murks. Wohl war, die Sendespule strahlt zwar was ab, aber das muss in den Ohren schon etwas wehtun. Hier mit 1kHz Sinus als Modulationssignal und was am Kollektor des BC548 daraus entsteht.
Wulf D. schrieb: > Hier mit 1kHz Sinus Ich denke, dass der CD4060 keinen Sinus ausgibt, sondern Rechteck. Schlimmer geht nimmer.
Schorsch M. schrieb: > Wulf D. schrieb: >> Hier mit 1kHz Sinus > > Ich denke, dass der CD4060 keinen Sinus ausgibt, sondern Rechteck. > Schlimmer geht nimmer. Das Modulationssignal ist die Sinusquelle V2 bzw V(n007) im dunkelblauen Plot. Den Rechteck des 4060 simuliert die Quelle V1. Der hellgrüne Plot ist die Kollektorspannung, die HF bildet nach Gleichrichtung sicher keinen Sinus ab.
Wulf D. schrieb: > Den Rechteck des 4060 simuliert die Quelle V1. Ahhh...danke, das hatte ich übersehen.
Die Oberwellendämpfung ist auch nicht der Hit, aber nicht das primäre Problem in der Anwendung. Das ist die miese Modulation. Am besten Mal bei Burkhard Kainka vorbeischauen, der hat funktionierende, minimalistische Schaltungen auf seinen Bastelseiten. Sicher auch einen kleinen AM-Modulator.
Einen einfachen, aber linearen Amplitudenmodulator gibt es hier: Beitrag "Re: Einfacher AM Modulator - Sinussignal garnicht so einfach"
Ein Klassiker in Röhrenradio-Sammler-Kreisen ist der "Ottozender": https://www.nfor.nl/radioforumservice/index.php?p=artikelen&sub=artikel-am-pll-2-1
Helmut -. schrieb: > Darfst du überhaupt einen Sender (besser gesagt: Oberwellenschleuder) > betreiben? Was für ein Blödsinn! Jeder Superheterodynempfänger, kurz Superhet genannt, hat einen Oszillator und dieser strahlt mit minimaler Leistung - genau sowas will der TO bauen. Jeder darf jedes Radio betreiben.
:
Bearbeitet durch User
Schorsch M. schrieb: > Ich bezweifele, dass der Sendetransistor überhaupt etwas sinnvolles > abstrahlt. > Er arbeitet tief im C-Betrieb, d.h. er besitzt keinerlei > Basisvorspannung Okay, jetzt habe ich den BC548 durch einen 2N4427 ersetzt und noch einen Basisspannungsteiler, bestehend aus 6k8 und 1k, hinzugefügt. Die Reichweite von 3 Meter hat sich durch diese Maßnahme aber trotzdem nicht vergrößert, jedoch ist die Stromstärke von 10mA auf 20mA angestiegen. Aber die Klangqualität hat sich durch die Vorspannung seltsamer Weise verbessert. Ich habe immer geglaubt, dass alle Stufen, die für die Trägerfrequenzerzeugung zuständig sind, im C-Betrieb arbeiten dürfen und erst nach der Amplitudenmodulation alle weiteren Verstärkerstufen im A-Betrieb arbeiten müssen.
Otto K. schrieb: > Jetzt beträgt die Reichweite immerhin 3 Meter. Viel mehr Reichweite wird > man mit einer 9 Volt Blockbatterie wohl auch nicht erreichen. Da die Antenne bei der Betriebsfrequenz viel kleiner ist als Lambda/4 bringt eine Erhöhung der Frequenz schon eine deutliche Reichweitensteigerung. 700kHz auf 1500kHz -> +12dB Auch eine Vergrößerung des Durchmessers ergibt eine deutliche Verbesserung. Dabei wird die Spule aus dem selben 16m langen Draht gewickelt. Hab mal den Magnet-Loop-Rechner angeworfen: https://www.dl0hst.de/magnetlooprechner.htm D=40mm, L=80mm, N=133 -> -108dBd D=20cm, L=6mm, N= 25 -> -88dBd D=40cm, L=3mm, N= 12 -> -78dBd D=80cm, L=2mm, N= 6 -> -68dBd
:
Bearbeitet durch User
Helmut -. schrieb: > Darfst du überhaupt einen Sender (besser gesagt: Oberwellenschleuder) > betreiben? Sorg dafür, dass an Deiner Grundstücksgrenze die Grenzwerte der CISPR-25 eingehalten werden. Dann kannst Du machen was Du willst. Egal ob Lokaloszillator, Schaltnetzteil oder Radiosender. Eine Leiterschleife in der Fußleiste mit kleiner Leistung angetrieben erfüllt diese Anforderung.
:
Bearbeitet durch User
Bradward B. schrieb: > Damit ist C7 gemeint ?! Der hat aber lt. Plan 100 mikro nicht 100 nano ? Nein, C7 ist nach wie vor ein 100 Mikrofarad Elko, aber parallel zum 100 Ohm Emitterwiderstand habe ich gestern in der Schaltung von 13:00 Uhr nachträglich noch einen 100 Nanofarad Kondensator dazugeschaltet. Bradward B. schrieb: > das NF-Signal sollte IMHO auf weniger als 2700 Hz begrenzt werden, so > ein MP3-Player ballert sicher bis in 20 kHz. Eigentlich bräuchte das NF-Signal überhaupt nicht begrenzt zu werden, da der Hochtonbereich von der Amplitude her deutlich geringer ist als die Bassfrequenzen. Und auch die Bassfrequenzen tun nicht wirklich weh, denn die liegen eng am Träger und streuen nicht in die Nachbarkanäle hinein. Normalerweise wird das AM-Signal bei Mittelwellensendern zwischen 300 Hz und 4500 Hz eingegrenzt.
:
Bearbeitet durch User
B e r n d W. schrieb: > Auch eine Vergrößerung des Durchmessers ergibt eine deutliche > Verbesserung. Dabei wird die Spule aus dem selben 16m langen Draht > gewickelt. > > Hab mal den Magnet-Loop-Rechner angeworfen: > https://www.dl0hst.de/magnetlooprechner.htm > > D=40mm, L=80mm, N=133 -> -108dBd > D=20cm, L=6mm, N= 25 -> -88dBd > D=40cm, L=3mm, N= 12 -> -78dBd > D=80cm, L=2mm, N= 6 -> -68dBd Solche Hinweise hat der TO ja bis jetzt konsequent ignoriert. Er glaubt ja auch, dass man einen (C-)Oszillator linear mit einem AM-Signal modulieren kann. Eigentlich baut er ein halbes Theremin, wegen des Einflusses der Antenne auf die erzeugte Frequenz. ☺
Bradward B. schrieb: > MW-Radios sind IMHO auf ein Kanalraster von 9-10 kHz ausgelegt Es sind genau 9 kHz. Das Mittelwellenfrequenzband fängt bei 522 kHz an und geht dann in 9 kHz Schritten fortlaufend weiter. Ich habe das mal für meine Sendefrequenz von 697,5 kHz durchgespielt und komme dann leider genau zwischen zwei Kanalrastern nämlich 693 kHz und 702 kHz. Meine Stereoanlage mit Digitalrastung auf den Fotos kann das belegen. Zum Glück soll die Musik aber mit einem Kurbeltuner empfangen werden. Von daher ist das also kein wirkliches Problem. Man könnte statt des 11,16 MHz Quarzes einen geläufigen 10,7 MHz Quarz einsetzen, dann käme man auf 668,75 kHz. Durch runterziehen der Quarzfrequenz mit einer 10 uH Drossel, wäre man dann genau im 666 kHz Raster.
Cartman E. schrieb: > Er glaubt ja auch, dass man einen (C-)Oszillator linear mit einem > AM-Signal modulieren kann. Ja das habe ich tatsächlich geglaubt. Wenn man die Ausgangsstufe eines Frequenzerzeugers mit einem Längstransistor in der Versorgungsspannung moduliert, dann veränderst du auch die Ausgangsleistung im Schwingkreis. Das ist dann ja auch eine echte Amplitudenmodulation.
Wulf D. schrieb: > Am besten Mal bei Burkhard Kainka vorbeischauen, der hat > funktionierende, minimalistische Schaltungen auf seinen Bastelseiten. > Sicher auch einen kleinen AM-Modulator. Ja hat er, aber die Reichweite liegt da auch nur zwischen 2 bis 4 Meter. https://www.b-kainka.de/bastel73.htm
Thomas Re schrieb: > Jeder darf jedes Radio betreiben. Nö. Die werden vom Zoll beschlagnahmt, wenn sie kein CE-Kennzeichen haben. Und: UKW-Pendelempfänger störten damals so sehr den Fernsehempfang, dass der Störungsmessdienst der Deutschen Bundespost vor der Tür stand. Und hat das Gerät gleich mitgenommen. Obwohl ich noch damit rumbasteln wollte. ciao gustav
Otto K. schrieb: > Ich habe das mal für meine Sendefrequenz von 697,5 kHz in der ersten Zeichnung einen Schwingkreis mit der Resonanz von <620kHz benutzt und wundert sich. In der zweiten Zeichnung liegst du nach meiner Einschätzung weit oberhalb der Sendefrequenz (zu wenig Kupfer und zu wenig C). Was da abgestrahlt wird, sind vagabundierende Frequenzen.
Otto K. schrieb: > Ja hat er, aber die Reichweite liegt da auch nur zwischen 2 bis 4 Meter. > > https://www.b-kainka.de/bastel73.htm Stimmt, aber die Modulation sieht richtig gut aus. Wie auch bei einigen anderen Links auf alternative Schaltungen in diesem Thread. Der Schaltmodulator mit dem MUX gefällt mir auch. Wie auch immer, man könnte weiter verstärken aber das geht zu stark auf die Batterie. Viel sinnvoller finde ich die Antennenlösungen, z.B. den Tipp mit dem Draht in der Fußleiste. Kostet keinen zusätzlichen Strom und könnte eine Lösung für alle Radios im Raum sein.
:
Bearbeitet durch User
Die erste Aufgabe wäre erstmal einen "gescheiten" Schwingkreis zu erstellen. Das diente nichtnur der Amplitudenstärkung, sondern auch zur "Reinhaltung" des Signals. Ich sehe hier nur zufällig zusammengewürfelte Komponenten. Ein nichtresonanter Schwingkreis ist kontraproduktiv; kein Wunder, dass die Reichweite gerademal 1-3m beträgt.
Eine Passende Spule für ganz lange Wellen gibt es Gartenfachmarkt. Eine Rolle Zaundraht, ca 30cm durchmesser, funktioniert top für SAQ Empfang. Die geht bestimmt auch gut zum Senden.
Stefan M. schrieb: > Christian M. schrieb: >> Christian S. schrieb: >>> "http://www.hcrs.at/"; >>> die etwa ab 1997 zu einer der ersten Technikseiten gehörte, scheint >>> nicht mehr online zu sein >> >> Habe ich irgendwo gespeichert, falls Interesse! >> >> Gruss Chregu > > Ja, mich würde das sehr interessieren. Finde es leider nicht mehr! :-(( Gruss Chregu
Christian S. schrieb: > scheint nicht mehr online zu sein https://web.archive.org/web/20230324153057fw_/http://hcrs.at/
Ein wenig OT: eine Simulation des µSDX AM-Senders: bringt 5W. Die Modulation ist aber auch nicht schön, klirrt gewaltig.
Otto K. schrieb: > Jetzt benötige ich eine passende Endstufe im A-Betrieb, die ordentlich > Power hat und mit 9V noch gut funktioniert! > > Wie baut man sowas? Gebraucht kaufen? Drüben ist gerade eben eine frei worden ;) https://imgur.com/gallery/goodnight-old-girl-pTRPMMD
Natürlich kann man eine Class-C Endstufe AM-Modulieren.
B e r n d W. schrieb: > Natürlich kann man eine Class-C Endstufe AM-Modulieren. Etwas anderes wurde ja auch nicht behauptet. Mein Hinweis auf den "tiefen" C-Betrieb galt nur der damit verschwendeten Ansteuerleistung, weshalb ich die fehlende Vorspannung erwähnte. Wenn die Ausgangsleistung dermaßen schwach ist, sollte man nicht auchnoch die Endstufe weit in den C-Betrieb stellen.
Die Ausgangsleistung ist völlig ausreichend, sie wird nur nicht abgestrahlt. Antennenwirkungsgrad Spule: D=40mm, L=80mm: 0,000000002% D=90mm, L=10mm: 0,00000002% D=20cm, L=10mm: 0,0000002% D=43cm, L=10mm: 0,000002% D=90cm, L=10mm: 0,00002% > Zu lang! Ich will keine Antenne. Das muss auch irgendwie ohne > Antenne funktionieren, also nur mit der Schwingkreisspule. Ich stelle mir ein flaches Gehäuse vor, Format wie ein Buch. Dann eine rechteckige Spule mit dem größtmöglichen Umfang in das Gehäuse legen. Leider nimmt die Feldstärke im Nahfeld mit der 3. Potenz des Abstandes ab (H ~ 1/r^3). Deshalb bringt eine Verbesserung der Abstrahlung um Faktor 10 nur eine Vergrößerung der Reichweite um das Zwei- bis Dreifache.
Mal ne Frage als Nichtwissender in Sachen Antennen: warum schlägt keiner eine Ferrit-Antenne für den Sender vor? Bekanntermaßen funktionieren die als Empfangsantennen bei ein paar hundert Kilohertz ganz hervorragend. Taugen die nicht als Sendeantennen?
Wulf D. schrieb: > Mal ne Frage als Nichtwissender in Sachen Antennen: warum schlägt keiner > eine Ferrit-Antenne für den Sender vor? > Bekanntermaßen funktionieren die als Empfangsantennen bei ein paar > hundert Kilohertz ganz hervorragend. > > Taugen die nicht als Sendeantennen? Der Vorschlag kam schon von mir: Schorsch M. schrieb: > Guck mal, mit diesem Schaltplan und einer Ferritstsbantenne kannst du > gabz sicher einige hundert Meter überbrücken. Antennen arbeiten reziprok.
> warum schlägt keiner > eine Ferrit-Antenne für den Sender vor? Eine Ferritantenne von 10cm Länge arbeitet etwa gleich gut wie eine Luftspule von 10cm Durchmesser.
Schorsch M. schrieb: > Antennen arbeiten reziprok Aber nicht, wenn sie auf einem nicht reziproken weil nichtlinearen Bauelement wie Ferrit beruhen. Günter L. schrieb: > Eine Ferritantenne von 10cm Länge arbeitet etwa gleich gut > wie eine Luftspule von 10cm Durchmesser. Man muss nur fest dran glauben. Vielleicht wirds dann wahr.
:
Bearbeitet durch User
Al schrieb: > Aber nicht, wenn sie auf einem nicht reziproken weil nichtlinearen > Bauelement wie Ferrit beruhen. Quatsch! Prinzipiell gilt das Reziprokitäts-Theorem: Das Reziprozitätstheorem (Umkehrbarkeitssatz) besagt, dass die Übertragungseigenschaften zwischen zwei Antennen gleich bleiben, wenn Sender und Empfänger vertauscht werden. Dies bedeutet, dass Richtcharakteristik, Gewinn und Wirkfläche einer Antenne im Sende- und Empfangsfall identisch sind. Das Theorem gilt für lineare, passive Antennensysteme im Fern- und Nahfeld. Kernpunkte des Reziprozitätstheorems: Umkehrbarkeit: Vertauscht man eine Spannungsquelle (Sender) und ein Messgerät (Empfänger) an zwei Antennen, ist das Messergebnis identisch.
Für lineare Systeme ! Wenn man die Ferritantenne auch nur mit mV speist, mag es wohl noch linear sein ...
Henrik V. schrieb: > Wenn man die Ferritantenne auch nur mit mV speist, mag es wohl noch > linear sein ... Genau so sehe ich es auch. Im Leistungsbereich in dem es hier geht, spielt Linearität so gut wie keine Rolle.
Garagentor-Fernbedienung mit Ferritstab-Sendeantenne ca 5cm * 1cm auf 40,68 MHz. Schon 40 Jahre alt, funktionierte einwandfrei im Nahbereich um 20 Meter (von "im Auto" bis zum Empfänger im Torantrieb)
Henrik V. schrieb: > Wenn man die Ferritantenne auch nur mit mV speist, mag es wohl noch > linear sein ... Entscheidend ist ja nicht so sehr die Spannung, sondern der fließende Strom. Aber nennenswert Leistung wird man darüber halt trotzdem nicht abstrahlen können, weil der Kern sonst in die Sättigung geht. Heinrich K. schrieb: > Schon 40 Jahre alt, funktionierte einwandfrei im Nahbereich um 20 Meter Ferritstab für 40 MHz habe ich aber auch noch nicht gesehen. Die wurden ja sonst nur bis wenige Megahertz benutzt. Vermutlich hätte der Sender aber auch mit einer ähnlich großen Drahtschleife funktioniert. ;-) Auf Mittelwelle ist man in 100 m Entfernung schon noch im Nahfeld, aber auch dafür muss man es erstmal schaffen, genügend Feldstärke zu produzieren. Otto K. schrieb: > Das stimmt zwar, aber soweit ich weiß, wird der gesamte > Mittelwellenempfangsbereich als 160 Meter Band bezeichnet (520 kHz bis > 1600 kHz). Keineswegs. Die Bezeichnung 160-m-Band wird für das entsprechende Amateurfunkband bei 1,8 MHz verwendet (welches man dort eher noch als Kurzwelle denn als Mittelwelle ansieht). Das Rundfunkband reicht von ca. 200 bis ca. 600 m Wellenlänge, daher hat dem wohl nie jemand einen wellenlängenbasierten Namen gegeben. Es gibt noch das 630-m-Amateurfunkband, da kannst du dich gern mal informieren, was die Leute so treiben, um die gestatteten 1 W EIRP abzustrahlen.
Jörg W. schrieb: > Vermutlich hätte der Sender aber auch mit einer ähnlich großen > Drahtschleife funktioniert. ;-) Nonsense! Der Ferritstab-Schwinkreis wird mit Paralleltrimmer und seinen einzelnen per Heisskleber festgelegten Windungen als Resonanzkreis hoher Güte und Abstimmschärfe betrieben und erzielt dadurch überhaupt erst die Reichweite, als Jugendliche haben wir das voller Neugier und nicht ohne einen gewissen Besitzerstolz ausprobiert - die garantierte Reichweite war 20 Meter unter allen Umständen (Prospekt), 45 Meter hatten wir ausprobiert. Jörg W. schrieb: > das entsprechende Amateurfunkband bei 1,8 MHz verwendet (welches man > dort eher noch als Kurzwelle denn als Mittelwelle ansieht). 1,6 bis 3,0MHz heisst offiziell "Grenzwelle". Jörg W. schrieb: > Das Rundfunkband reicht von ca. 200 bis ca. 600 m Wellenlänge, daher hat > dem wohl nie jemand einen wellenlängenbasierten Namen gegeben. Selbstverständlich, auf bald jedem französischen Radio/Autoradio/Henkelmann, über Jahrzehnte hinweg: GO = Grande Ondes = Langwelle PO = petit ondes = kleine Wellen (kürzere), bei Autoradios dann oft nur die Linearskala von 2 bis 6, also 200 bis 600 Meter Wellenlänge. Eben diese Mittelwelle!
von Heinrich K. schrieb: >Jörg W. schrieb: >> Vermutlich hätte der Sender aber auch mit einer ähnlich großen >> Drahtschleife funktioniert. ;-) >Nonsense! Der Ferritstab-Schwinkreis wird mit Paralleltrimmer und seinen >einzelnen per Heisskleber festgelegten Windungen als Resonanzkreis hoher >Güte und Abstimmschärfe betrieben und erzielt dadurch überhaupt erst die >Reichweite, Eine ähnlich große Ringspule gleicher Induktivität mit Paralleltrimmer hat genau so eine hohe Güte und ereicht auch diese Reichweite. Bei 80 Windungen 0,5mm Kupferlackdraht Ringdurchmesser 6cm ist die Güte größer als 2000.
Heinrich K. schrieb: > 1,6 bis 3,0MHz heisst offiziell "Grenzwelle". Nö, "offiziell" war diese Bezeichnung nie. Sie war / ist vor allem im Seefunk verbreitet. Der Amateurfunk rechnet, wie schon geschrieben, 160 m üblicherweise noch als Kurzwellenband. Mittelwelle ist dort 630 m (472 kHz). Wie sollte das denn auf Englisch dann heißen? BF, "border frequencies"? ;-) >> Das Rundfunkband reicht von ca. 200 bis ca. 600 m Wellenlänge, daher hat >> dem wohl nie jemand einen wellenlängenbasierten Namen gegeben. > > Selbstverständlich, auf bald jedem französischen > Radio/Autoradio/Henkelmann, über Jahrzehnte hinweg: Und, wo ist darin eine Zahl wie beispielsweise im "49-m-Band" zu finden, oder auch das "3-m-Band"? Ansonsten brauchst du dafür nicht erst nach Frankreich gehen, "MW" auf jedem deutschen Radio tut's auch, aber eben ohne eine Meterzahl.
> Antennenwirkungsgrad Spule: > D=40mm, L=80mm: 0,000000002% > D=90mm, L=10mm: 0,00000002% > D=20cm, L=10mm: 0,0000002% > D=43cm, L=10mm: 0,000002% > D=90cm, L=10mm: 0,00002% > Ich stelle mir ein flaches Gehäuse vor, Format wie ein Buch. Dann eine > rechteckige Spule mit dem größtmöglichen Umfang in das Gehäuse legen. Interessante Zahlenkolonne, das die Spulenlänge nur in der ersten Zeile von den 10mm abweicht, passt so? Und wie wichtig ist die Wickel-Form? Oben steht, rein qualitativ, kreisförmig ist besser, hier wird letzlich eine Rechteckform vorgeschlagen. Letzlich geht es um die Stärke des magnetischen Feldes. Also das die Feldlinien am Empfängerort möglichst eng beieinander stehen. Wie richtet man die Sende-spule zum Empfänger aus ? Oder ist das eher irrelevant ? Aus dem Bauch heraus, wurde ich die Spule so ausrichten, das die Achse um die die Wickel liegen parallel zum Empfänger liegt. > Leider nimmt die Feldstärke im Nahfeld mit der 3. Potenz des > Abstandes ab (H ~ 1/r^3). Deshalb bringt eine Verbesserung der > Abstrahlung um Faktor 10 nur eine Vergrößerung der Reichweite um das > Zwei- bis Dreifache. Eben, die (weitreichende) Wellenausbreitung hat man erst zwei Wellenlängen vom Standort der Sendeantenne weg, bei MW als (der Erdkrümmung folgenden) Bodenwelle. > Aber nennenswert Leistung wird man darüber halt trotzdem nicht > abstrahlen können, weil der Kern sonst in die Sättigung geht. Ja, das hört oft bezüglich Ferritstäbe als Antennen. Da kann man aber beim Kernmaterial mal schauen wo die Sättigungsgrenze erreicht wird. Aus dem Bauch heraus braucht es für die Kernsättigung weit mehr Leistung als man mit einen Batteriesender typischerweise erzeugt. PS: Anhang zur Illustration aus: https://www.poynting.de/de/EMF-Verfahrensprinzip.html
:
Bearbeitet durch User
Bradward B. schrieb: > Letzlich geht es um die Stärke des magnetischen Feldes. Also das die > Feldlinien am Empfängerort möglichst eng beieinander stehen. > Wie richtet man die Sende-spule zum Empfänger aus ? > Oder ist das eher irrelevant ? Ausschließlich das ist relevant. Wir reden bei den hier zur Debatte stehenden Wellenlängen ja nicht von Fernfeld Antennen, sondern vom extremem Nahfeld einer Spule sich fast ausschließlich durch ihr magnetisches reaktives Feld definiert und noch keine Wellenablösung stattgefunden hat.Es gelten hier noch vereinfacht die Faradayschen Induktionsregelen. Darum ist auch irgendein Gerede über Reziprozität von Antennen in diesem Falle vollkommen unangebracht.
:
Bearbeitet durch User
B e r n d W. schrieb: > Die Ausgangsleistung ist völlig ausreichend, sie wird nur nicht > abgestrahlt. Jetzt kommen wir der Sache näher. Schon im Rothammel kann man nachlesen, dass der Wirkungsgrad von Antennen, die bezogen auf die Betriebswellenlänge kurz sind, außerordentlich niedrig ist weil deren Strahlungswiderstand bei der Betriebsfrequenz extrem niedrig ist. Da hilft auch keine noch so leistungsfähige Endstufe wenn die Antenne nicht mitspielt. Ich meine in diesem Zusammenhang irgendwann einmal gelesen zu haben, dass die Fernmeldebehörden in den USA (und Kanada) Privatpersonen(?) gestatten, Mittelwellensender geringster Leistung, unter Beachtung einschlägiger Auflagen, zu betreiben. Dort wurde wohl auch gezeigt, wie man eine, bezogen auf die Betriebswellenlänge elektrisch kurze Antenne, an die Senderendstufe anpasst.
G. O. schrieb: > Jetzt kommen wir der Sache näher. Erst jetzt? Jedem halbwegs mit den Grundlagen von Antennen vertrauten Menschen ist von vornherein klar, dass bei diesen Wellenlängen mit Strahlungswiderständen im Milliohm Bereich zu rechnen ist. Die passiv anzupassen ist faktisch schwer oder nicht möglich. Da braucht es schon die Schorschs dieser Welt um sich die Physik so zurechtzubiegen, dass es irgendwie so anzupassen ist. Reziprok natürlich. Über was hier die ganze Zeit geredet wird, sind keine Antennen, sondern induktive Kopplungen im extremen reaktiven Nahfeld.
:
Bearbeitet durch User
Al schrieb: > Über was hier die ganze Zeit geredet wird, sind keine Antennen, sondern > induktive Kopplungen im extremen reaktiven Nahfeld. Naja, ein Stück was strahlen sie trotzdem ab, nur eben sehr wenig – aber: für seine angestrebten 100 m würde das Nahfeld ja auch ausreichen. Das hier habe ich noch zum Thema gefunden: https://www.youtube.com/watch?v=Wrfmmb-YNyI Selbst hab ich aber gerade keine Zeit, mir das anzuhören.
Al schrieb: > Da braucht es schon die Schorschs dieser Welt um sich die Physik so > zurechtzubiegen, dass es irgendwie so anzupassen ist. Reziprok > natürlich. Hast du ein Problem mit mir? Hättest du nur einen Funken Verstand und wolltest nicht immer dein krankhaftes Ego in den Vordergrund stellen, dann wäre dir aufgefallen, dass ich nur eine Frage beantwortet habe: Wulf D. schrieb: > Mal ne Frage als Nichtwissender in Sachen Antennen: warum schlägt keiner > eine Ferrit-Antenne für den Sender vor? > Bekanntermaßen funktionieren die als Empfangsantennen bei ein paar > hundert Kilohertz ganz hervorragend. > > Taugen die nicht als Sendeantennen? Soviel zur Reziprozität.
Jörg W. schrieb: > Das hier habe ich noch zum Thema gefunden: > > https://www.youtube.com/watch?v=Wrfmmb-YNyI > > Selbst hab ich aber gerade keine Zeit, mir das anzuhören. Habe es mir angehört: typisch YT, ca 20min Palaver, was man auch in 2min unterbringen kann. Aber vielleicht findet mancher das unterhaltsam. Er zeigt dort den Bau einer großen, abgestimmten quadratischen Loop für das 630m Band (so um 470kHz). Er benötigt für 16Wdg 200 Füße Draht. Er meint, dass 16Wdg ein Optimum sind und begründet das mit der Impedanz in Zusammenhang mit der parallelgeschalteten Kapazität des Drekos. Er nutzt eine Koppelspule mit einer Windung die er nicht ganz deckungsgleich in wenigen cm Abstand zur Loop anbringt. Erreicht damit ein SWR von 1,7:1 Empfang soll damit überragend gut sein. Bei 6W Sendeleistung entstehen Überschläge am Drehko, selbst beim vierfach-FM-Drehko mit größeren Plattenabstand. Liegt wohl am Übersetzungsverhältnis 1:16. Er konnte das mit einem Schuhkarton-großen Drehko aus einem kommerziellen Sender lösen (1cm Plattenabstand). Hier endet das Video mit dem Verweis, dass er die nächste Zeit im Mittleren Westen der USA damit auf Sendung geht. Vermutlich gibt es eine Fortsetzung.
Wulf D. schrieb: > Bei 6W Sendeleistung entstehen Überschläge am Drehko, selbst beim > vierfach-FM-Drehko mit größeren Plattenabstand. Liegt wohl am > Übersetzungsverhältnis 1:16. > Er konnte das mit einem Schuhkarton-großen Drehko aus einem > kommerziellen Sender lösen (1cm Plattenabstand). Nun, das zeigt zumindest, auf was man sich so ungefähr einlassen darf, wenn man sich mit einer Magloop für Mittelwelle beschäftigt, die auch ein wenig Leistung abstrahlt. Vielleicht sollte Otto einfach eine Afu-Prüfung machen, dann kann er auf diese Weise völlig legal mit Mittelwellensendungen experimentieren. ;-)
Schorsch M. schrieb: > Soviel zur Reziprozität Na dann sollte ja klar sein. Antennen mit nichtlinearen Komponenten wie Ferrite, deren magnetische Eigenschaften wie z. B. ihre Permeabilität sich mit dem magnetischen Fluss ändern, sind nicht reziprok. Genausowenig wie Aktivantennen.
:
Bearbeitet durch User
Al schrieb: > Na dann sollte ja klar sein. Antennen mit nichtlinearen Komponenten wie > Ferrite, deren magnetische Eigenschaften wie z. B. ihre Permeabilität > sich mit dem magnetischen Fluss ändern, sind nicht reziprok. Aber spielen Dinge wie Permeabilität und Sättigung bei hoher magnetischer Feldstärke wirklich eine Rolle für die Eignung als Sendeantenne, solange man unter der kritischen Feldstärke bleibt? Mag sein, dass die schnell erreicht ist, aber 100mW oder so sollte doch möglich sein. Ist vermutlich ähnlich wie bei der Loop im YT Video: theoretisch gut, aber man erreicht beim Senden schnell praktische Grenzen des Materials.
Wulf D. schrieb: > Aber spielen Dinge wie Permeabilität und Sättigung bei hoher > magnetischer Feldstärke wirklich eine Rolle für die Eignung als > Sendeantenne, solange man unter der kritischen Feldstärke bleibt? Das ist der Punkt wo der Hund das Wasser lässt.
Schorsch M. schrieb: > Wulf D. schrieb: >> Aber spielen Dinge wie Permeabilität und Sättigung bei hoher >> magnetischer Feldstärke wirklich eine Rolle für die Eignung als >> Sendeantenne, solange man unter der kritischen Feldstärke bleibt? > > Das ist der Punkt wo der Hund das Wasser lässt. Nichtlineres Verhalten eines Ferrit Werkstoffes spielt immer eine Rolle. Sättigung ist der Punkt, wo gar nichts mehr geht, wo der Ferrit seine magnetischen Eigenschaften verliert, die erreicht man bei einigermaßen gut dimensionierten Kernen in der Tat nicht mit 100 mW. Wer aber glaubt, Nichtlinearität setzt erst ab der Sättigung ein, hat Ferrit nicht verstanden oder keine wirkliche Erfahrung im Umgang mit Ferriten und ihren Mischungs-spezifischen Eigenschaften. Man betrachte einfach mal die Kurven eines handelsüblichen Ferritmaterials, wie z. B. das #73 von Amidon / Fair-Rite. Nichts an Ferrit ist linear. Auch lange bevor die Sättigung einsetzt ändern sich die Kennwerte signifikant mit der magnetischen Feldstärke H, sprich mit dem Strom. https://fair-rite.com/73-material-data-sheet/ Senden mit Ferritantennen geht prinzipiell, ist aber keine sonderlich gute Idee, und vor allen Dingen nicht reziprok, wie hier kolportiert. Und die geäußerte Behauptung ein Ferritstab (welches Material ?) von 10 cm Länge wäre als Sendeantenne für MW so effektiv wie eine Luftspule mit 10 cm Durchmesser ist daher ziemlich aus der Luft gegriffen. Zutreffend ist eher, dass beide nicht sonderlich effektiv abstrahlen. Statt darüber zu sinnieren, wie man ein MW-Endstufe baut, sollte man lieber darüber nachdenken, wie man die MW Signale abstrahlen oder induktiv versorgen möchte, um das gewünschte Areal abzudecken.
:
Bearbeitet durch User
Jens schrieb: > Eine Passende Spule für ganz lange Wellen gibt es Gartenfachmarkt. > Eine Rolle Zaundraht, ca 30cm durchmesser, funktioniert top für SAQ > Empfang. > Die geht bestimmt auch gut zum Senden. Und genau das habe ich jetzt endlich gemacht. Ich habe eine 50 m Rolle Eisen-Blumenbindedraht besorgt und habe davon 20 m entfernt. Also bleiben noch 30 m übrig, die bereits werkseitig auf einen Durchmesser von 10 cm gewickelt sind, das entspricht ungefähr 95 Windungen. Am Ende hat sich die Reichweite von 3 Meter leider trotzdem nicht erhöht. Vom Trick mit dem Blumenbindedraht habe ich mir deutlich mehr Reichweite versprochen. Ich werde die Schaltung jetzt einfach so lassen wie sie ist, oder zur Klorolle zurückkehren.
Hab mal gesucht, welche Spulen man im Höhlenfunk verwendet und bin auf die im Anhang gestossen - ja man kann auch mehrere Stäbe zusammen als Kern verwenden. aus: https://www.youtube.com/watch?v=kvuaC-97M0w
:
Bearbeitet durch User
Otto K. schrieb: > Eisen-Blumenbindedraht Wenn man schon eh nur einen Strahlungswiderstand im Milliohm-Bereich hat, warum sollte man dann mit Eisendraht noch massiv ohmsche Verluste hinzufügen? Mach mal. Anhaltspunkte, was andere (die sich hobbymäßig damit befassen) so als Mittelwellensender und -antenne bauen, hast du bekommen. Auch der Hinweis, dass man sich vielleicht etwas Mühe geben sollte, nur auf der gewünschten Frequenz zu emittieren und nicht noch ein paar Oktaven darüber, war enthalten.
von Otto K. schrieb: >Ich habe eine 50 m Rolle >Eisen-Blumenbindedraht besorgt und habe davon 20 m entfernt. 30cm Durchmesser ist schon ganz gut, je höher der Durchmesser um so besser. Aber Eisendraht ist nicht gut, hat zuviel Verluste, daß bedeutet schlechte Güte. Nimm besser Kupferlackdraht, und nicht zu dünn. Und achte auf Resonanz und Leistungsanpassung. Wenn du die Spule mit einen Parallelkondensator auf Resonanz gebracht hast, ist der Resonanzwiderstand sehr hoch, irgendwo im kOhm-Bereich. Wenn du die Spule mit mit mehreren Anzapfungen aufbaust vielleicht so 1:3 1:5 1:8 1:10, bekommst du mehr Leistung in die Spule. Such die Anzapfung aus, bei der die Spule die höchste Amplitude liefert.
:
Bearbeitet durch User
Wenn du Ringspulen baust, wickel den Draht auf einen runden Körper, vielleicht ein Ofenrohr oder noch etwas größeres im Durchmesser, nimm die Spule dann runter und bündel die Drahtwindungen dann mit einen Zwirnfaden durch umwickeln, damit die Windungen nicht auseinander fallen. Tränke die Spule dann mit Sekundenkleber. Das ergibt prima stabile Spulen. Habe ich schon öfters so gemacht
Günter L. schrieb: > Wenn du die Spule mit einen Parallelkondensator auf > Resonanz gebracht hast, ist der Resonanzwiderstand sehr hoch, > irgendwo im kOhm-Bereich. Darum ist Parallelresonanz in diesem Falle auch nicht sinnvoll. Man ergänzt mit dem Kondensator besser zu einem Serienkreis, damit fallen viele Probleme weg und man kann mit einem einfachen niederohmigen Emitterfolger oder einem Gegentakt-Emitterfolger speisen.
:
Bearbeitet durch User
Jörg W. schrieb: > Wenn man schon eh nur einen Strahlungswiderstand im Milliohm-Bereich > hat, warum sollte man dann mit Eisendraht noch massiv ohmsche Verluste > hinzufügen? Weil man nicht für 10 Cent darüber nachgedacht hat, wie elektrisch kurze Loop-Antennen funktionieren. Obwohl das vorher deutlich erwähnt wurde und in zig Threads hier im Forum schon beackert wurde. Bei einem Eisendrahtwiderstand von 10 Ohm und einem Strahlungswiderstand von 100 mOhm landen nur noch 1 % der Ausgangs-Spannung der Senderendstufe am Widerstand, der letztendlich für die Ab-Strahlung verantwortlich ist. 99 % der Spannung werden zum Erzeugen von Verlustwärme verschwendet.
:
Bearbeitet durch User
Ich hab auch mitgelesen, aber beim Blumenbindedraht war ich kurz raus und hielt das für einen Scherz!! Wer hat denn das vorgeschlagen? Wenn überhaupt, dann dicke HF-Litze, wie sie früher üblich war und die es heute für Schaltnetzteilanwendungen in "dick" zu kaufen gibt. Man kann auch mehrere 0.4er CuL-Drähte im Garten aufspannen und mit dem Akkuschrauber verdrillen zu versuchen. (Hab ich mal probiert - geht blöd, wirft Locken und Schleifen) http://www.amidon.de/contents/de/d469.html https://www.reichelt.de/de/de/shop/produkt/200g_kupferlitze_auf_spule_litzen_120x0_1mm-57209 Hier hat jemand die Jahresproduktion ausm KabelWerk Oberspree aufgekauft, wie es scheint: https://www.ebay.de/itm/304154052959
Axel R. schrieb: > Man kann auch mehrere 0.4er CuL-Drähte im Garten aufspannen und mit dem > Akkuschrauber verdrillen zu versuchen. (Hab ich mal probiert - geht > blöd, wirft Locken und Schleifen) Da musst du dir fürs nächste mal ne kleine Reeperbahn bauen, schau dir mal an, wie "richtig" verseilt wird.
Jörg W. schrieb: > Wenn man schon eh nur einen Strahlungswiderstand im Milliohm-Bereich > hat, warum sollte man dann mit Eisendraht noch massiv ohmsche Verluste > hinzufügen? Bei meiner winzigen Leistung spielen die ohmschen Verluste keine Rolle. Der Eisenblumenbindedraht hat unter der grünen Kunststoffummantelung nur einen Durchmesser von 0,35 mm. Die auf der Verpackung aufgedruckten 0,8 mm beziehen sich also auf den Gesamtdurchmesser einschließlich grüner Kunststoffummantelung. Theoretisch nachgerechnet beträgt der ohmsche Widerstand des verwendeten 30 Meter langen Eisendrahtes 31,18 Ohm. Spezifischer Widerstand von Eisen Rho = 0,1 mm^2/m Das habe ich mal mit dem Ohmmeter kontrolliert und das Ohmmeter zeigt tatsächlich knapp über 30 Ohm an.
Axel R. schrieb: > Ich hab auch mitgelesen, aber beim Blumenbindedraht war ich kurz raus > und hielt das für einen Scherz!! > Wer hat denn das vorgeschlagen? Die vermeintlich geniale Idee kam vom Jens am 12.02.2026 um 12:19 Uhr! Ich fand die Idee eigentlich gut und einfach zu realisieren, so dass ich sie direkt umgesetzt habe. Man braucht einfach nur fertig gewickelten Blumenbindedraht an die Schaltung anzuschließen und sonst nichts. Jörg W. seine Idee mit der Rahmenantenne im 630m Band ist natürlich besser, aber das ist mir zu aufwendig. Das Monstrum will ich ja gerade vermeiden! Ich kauf mir doch jetzt keine Holzdachlatten und fang hier an 1,8 Meter große Rahmenantennen zu bauen. Wo soll ich die denn lagern? Am Ende soll es eigentlich nur ein kleiner transportfähiger Minisender mit integrierter Antenne werden, der zusammen mit der 9V Blockbatterie in einem kleinen Kästchen untergebracht ist.
Otto K. schrieb: > Am Ende soll es eigentlich nur ein kleiner transportfähiger Minisender > mit integrierter Antenne werden, der zusammen mit der 9V Blockbatterie > in einem kleinen Kästchen untergebracht ist. Da hast Du mit Mittelwelle einfach nur schlechte Karten. Ganz anders ist die Situation bei UKW. Hier erreichst Du mit handlichen, kleinen Geräten und Eingangsleistungn im mW-Bereich mühelos Deine gewünschte Reichweite. Sieht in der Praxis bei mir so aus:
Mark S. schrieb: > Ganz anders ist die Situation bei UKW. Oder UHF. 2,4-GHz-Minisender gibt's ja mittlerweile wie Sand am Meer. :-)
J. T. schrieb: > Axel R. schrieb: >> Man kann auch mehrere 0.4er CuL-Drähte im Garten aufspannen und mit dem >> Akkuschrauber verdrillen zu versuchen. (Hab ich mal probiert - geht >> blöd, wirft Locken und Schleifen) > > Da musst du dir fürs nächste mal ne kleine Reeperbahn bauen, schau dir > mal an, wie "richtig" verseilt wird. War das erste, was ich im Anschluss an den Reinfall tat. "Willi will's wissen" so ne Kindersendung. Dort wurde das anschaulich erklärt. Fand ich super.
Axel R. schrieb: > Willi will's wissen" so ne Kindersendung. Dort wurde das anschaulich > erklärt. Fand ich super. :D Mir wurds in der Sendung mit der Maus erklärt. Es gab/gibt schon paar gute Kindererklärsendungen, muss nicht alles Teletobies sein.
Also nach meinen bescheidenen Erfahrungen (Wer kann sich noch an das Theater zu DDR-Zeiten erinnern, als wir uns maximal der induktiven Fernübertragung widmen oder was mit Taschenlampen basteln durften) kann man nur innerhalb der Spule halbwegs was 'anstellen'. Sobald man sich ausserhalb der Spule befindet, sieht es ziemlich 'mau' aus. Weiter oben wurde das ja schon vorgerechnet. https://de.scribd.com/document/371072959/535-Jakubaschk-hagen-fernsteuerexperimente-mit-Und-ohne-Funkgenehmigung-teil-1 Und auch hier ist die Richtwirkung entscheidend ( Beispiel: Induktives Laden von Modellautos) geht halt nur nach oben weg. https://www.haertle.de/Modelleisenbahn/Spur+H0/Car+System+Spur+H0/Viessmann+8408+InduktivCharger+kabelloses+Laden+CarMotion+Zubehoer.html Mit ner kleinen Schachtel und einem 9V Block wird das eher nichts. Ein, Zwei Watt elektrische Leistung wird es schon brauchen. Vielleicht einen (TD)A2030? Der schwingt von ganz allein auf Mittelwelle ;) Boucherot-Glied weglassen und vorn mit dem kleinen HF-Signal ansteuern. Die KoppelKondensatoren kleiner machen, als üblich. Das könnte funktionieren. Aber eben nicht mit einem kleinen Transistor und 20mA Kollektorstrom. Da brauchste auf jeden Fall noch ne Art Anpassung (den 2030er mal wieder beiseite glegt) 7Volt und 20mA sind knapp 140Watt bei 350Ω. Die musste jetzt auf deine Schwingkreisimpedanz transformieren. Musste halt nochmal nach den Werten der Induktiviät und des Kondensators schauen. und mit 2pifL und 1/2pifC rechnen. https://wetec.vrok.de/rechner/cskreis.htm
Jörg W. schrieb: > Ferritstab für 40 MHz habe ich aber auch noch nicht gesehen. Ich hab hier welche für UKW zu liegen! Das hängt ja "nur" von der KernmaterialMischung ab. (KreuzPeilempfänger im oberen 2Meter-Band, "für'n unterm" Hubschrauber) Bei entsprechend ausgerufenem Bedarf fertigt man sowas heute noch in Hermsdorf. Aber wir schweifen ab. Wie weit kommt er denn nun mittlerweile oder aufgegeben?
https://www.mikrocontroller.net/attachment/689723/20260208_174101.jpg nicht 2x 330p, sonder 1x470pF und 1x47pF parallel. 100µH als Induktivität? Ich würde die Spule von Wert her größer machen. So 470µH und 100pF + 10-15pF parallel. Dann landest du bei ca.2KΩ und hast, zusammen mit den 100Ω im Emitter noch ein klein wenig Verstärkung. Naja - was weiss ich. Spannend ja allemale: passenden Ferritstab, Folienkondensator und GermaniumDiode: dann kann man sich einfach ein Testgerätchen basteln, um auf maximale Feldstärke zu trimmen und muss nicht immer von einem Stockwerk zum anderen laufen. Kommt natürlich auch immer so bissl drauf an, was man so in seinen Schubfächern findet. 10nF und n kleines 20µA Zeigerdings drangebaut; da kann man schon rumbasteln, steht ausser Frage. Viel Spaß daher, maximale Erfolge! EDIT 50µA
:
Bearbeitet durch User
Otto K. schrieb: > Bei meiner winzigen Leistung spielen die ohmschen Verluste keine Rolle. Was für eine hirnrissige Argumentation. Gerade bei einer winzigen Leistung spielen die Verluste eine überragende Rolle. Denn dann wird von der ohnehin schon winzigen Leistung nur ein winziger Bruchteil abgestrahlt. Dann kann man es gleich ganz lassen.
:
Bearbeitet durch User
Al schrieb: > Dann kann man es gleich ganz lassen. Das ist mittlerweile eh mein Eindruck von diesem Thread. :-) Ich denke nicht, dass da noch was auch nur ansatzweise Brauchbares rauskommt. Die Frage, warum es unbedingt Mittelwelle sein muss, steht ja ohnehin. Mit irgendeinem UHF-Funkmodul kann man die Entfernung locker überbrücken. Wenn man mit Funk experimentieren will, kann man natürlich machen, aber ganz ohne sich zumindest Grundlagen anzueignen, wird das auch nicht gehen.
Jörg W. schrieb: > Vielleicht sollte Otto einfach eine Afu-Prüfung machen, dann kann er auf > diese Weise völlig legal mit Mittelwellensendungen experimentieren. ;-) Aber nicht auf den Frequenzen 531 bis 1602 kHz bzw. 2291 kHz. Immer schön in den AFU-Bändern senden. Nach bestandener Prüfung und Rufzeichenvergabe. ciao gustav
Al schrieb: > Gerade bei einer winzigen Leistung spielen die Verluste eine überragende > Rolle. Okay, wenn das so ist, dann werde ich noch ein wenig mit meiner Kupferlackdraht umwickelten 40 mm Klorolle rumexperimentieren. Jörg W. schrieb: > Die Frage, warum es unbedingt Mittelwelle sein muss, steht ja ohnehin. Das habe ich bereits am Anfang erklärt, warum es unbedingt Mittelwelle sein muss! Leider wurde der Beitrag von einem Moderator gelöscht.
Karl B. schrieb: > Jörg W. schrieb: >> Vielleicht sollte Otto einfach eine Afu-Prüfung machen, dann kann er auf >> diese Weise völlig legal mit Mittelwellensendungen experimentieren. ;-) > > Aber nicht auf den Frequenzen 531 bis 1602 kHz bzw. 2291 kHz. Dafür hätte er ja dann das 630-m-Band.
Otto K. schrieb: > Leider wurde der Beitrag von einem Moderator gelöscht. Nein, er wurde vom Administrator des Forums gelöscht. Aus gutem Grund.
Karl B. schrieb: > Immer schön in den AFU-Bändern senden. Nach bestandener Prüfung und > Rufzeichenvergabe. Ich meine nämlich auch dass ich nach bestandener Prüfung (C-Lizenz) nur zwischen 144 bis 146 MHz senden darf und das sogar mit 150 Watt und sogar auch noch auf 433 MHz. Für die A und B Lizenz (Kurzwelle) müsste ich auch noch das Morsealphabet lernen. Das will ich mir in der heutigen Zeit auf gar keinen Fall antun.
Otto K. schrieb:
>Bei meiner winzigen Leistung spielen die ohmschen Verluste keine Rolle.
Wie kommst du auf so eine Ide?
Was ist da deine Denkweise?
Wenn du mit einen kleinen Eimer Wasser transportieren
willst sagst du, die geringe Menge die man damit
transportieren kann, da spielt es keine Rolle ob
der Eimer auch noch ein Loch hat.
Jörg W. schrieb: > Dafür hätte er ja dann das 630-m-Band. Das 630 m Band (470 kHz) ist aber leider im Mittelwellenradio nicht empfangbar, das fängt erst ab 522 kHz an. Die eingesetzte Sendeelektronik im 630 m Band könnte aber dennoch ganz gut passen, weil der Frequenzbereich ähnlich ist. Ich müsste den ganzen Krempel nur irgendwie auf 700 kHz zum laufen kriegen und das mit einer möglichst kleinen Antenne.
Otto K. schrieb: > 470 kHz) Und bedenklich nahe an den üblichen ZF-Frequenzen. Afaik 455 kHz und bei "Oldies" bis 490 kHz ciao gustav
Otto K. schrieb: > leider im Mittelwellenradio nicht empfangbar Für deinen Zweck: verlege im Zimmer darunter an den Außenkanten des Zimmers eine Leiterschleife. 5 Windungen sind da sicher genug. Damit ist das Zimmer darüber gut im Magnetfeld dieser Spule gelegen. Wenn du nicht gerade deine (zensiert) Idee umsetzt, da ein Rechtecksignal einzuspeisen, könntest du sogar die Bedingungen der Allgemeinzuteilung für Kurzstreckenfunk, "induktive Aussendungen" damit erfüllen, d.h. ein entsprechender Betrieb wäre völlig legal machbar.
> Ich meine nämlich auch dass ich nach bestandener Prüfung (C-Lizenz) nur > zwischen 144 bis 146 MHz senden darf und das sogar mit 150 Watt und > sogar auch noch auf 433 MHz. Also, das das der TO vorhat - einem alten Radio durch die Zimmerdecke ein Audiosignal zuzuspielen - hat IMHO mit dem Funkbetriebsdienst der Funkamateure reichlich wenig zu tun. Die Allerallermeisten bauen sich höchsten mal eine Antenne selbst und schliessen die durch Kauf erworbenen Geräte an und sprechen standardisierte Phrasen in den Äther. Viele Funkgeräte sind dazu noch gut "automatisiert", das man sich nicht um "Details" wie die Modulationsart bspw. ob USB oder LSB scheren muß, das stellt die Maschine nach Bandplan selber ein. Wenigstens ist in der Prüfung für Klasse A ein Technikteil mit drin, ansonsten kommen die Funkamateure komplett ohne Schaltungswissen etc. aus. Aber auch hinsichtlich Technik gibt es Gescheiteres als die Lizenz zuz machen, beispielsweise die "alten" Bücher, wie sie hier schon genannt wurden. Oder die neuen wie den Moltbrecht zur Lizenzvorbereitung. Da kannste ja mal reinschauen, die Kursinhalte gibt es auch online, bspw. da zum Thema Sender: https://50ohm.de/NEA_chapter_nea_sender.html OK, mit der Lizenz zum Amateurfunk wird gedanklich oft eine "Lizenz zum Senderbau" verbunden ... das ist nicht ganz falsch, aber auch nicht ganz richtig. > Für die A und B Lizenz (Kurzwelle) müsste ich auch noch das > Morsealphabet lernen. Das will ich mir in der heutigen Zeit auf gar > keinen Fall antun. Morseprüfung ist seit 2005 in .de freiwillig. Aber Q-Gruppen und Länderkenner muss man immer noch lernen, und das Nato-Alphabet. Und Teile vom Bandplan. Und ...
:
Bearbeitet durch User
Deine Unkenntnis von der Realität des Amateurfunks (und dessen Prüfungen) musst du nicht unbedingt noch hier breittreten. Die ist kaum besser als die Unkenntnis des TE in dieser Hinsicht, spielt aber für sein Mittelwellenradio auch keine große Rolle.
> Deine Unkenntnis von der Realität des Amateurfunks (und dessen > Prüfungen) musst du nicht unbedingt noch hier breittreten. Ach herrje, hier demonstriert lediglich ein Forumsmoderator seine Unkenntnis bezüglich der Kenntnisse und Erfahrungen der Foristen ... Und nein, ich poste jetzt nicht eine Scan meines HAREC als Beleg.
:
Bearbeitet durch User
Bradward B. schrieb: > Und nein, ich poste jetzt nicht eine Scan meines HAREC als Beleg. Würde ja auch weder was beweisen noch was zum Thread-Thema beisteuern.
Jörg W. schrieb: > Deine Unkenntnis von der Realität des Amateurfunks (und dessen > Prüfungen) musst du nicht unbedingt noch hier breittreten. Einem forumsbekannten Dummschwätzer braucht man nicht zu widersprechen, wäre reine Ressourcenverschwendung.
Hallo, hatte mal von Oppermann-Elektronik eine Bausatz MW-Oszillator. Der wird hier auch sehr ausführlich beschrieben, siehe Link. https://www.jogis-roehrenbude.de/Bastelschule/MW-Sender.htm Hatte damals C2 gegen einen Trimm Kondensator getauscht und eine ca. 90cm Stabantenne dran. Transistor wurde mit einer Transistorfassung versehen und R1 sowie R2 wurden gegen Trimm Potis getauscht. Konnte man dann gut verschiedene Transistoren testen. Hatte das ganze dann auch mal im freien kurz getestet, nach knapp 20 Meter war dann nix mehr. Im Haus hatte ich das auch getestet, Antenne mitten Raum gestellt. Sind ca.2,5 Meter bis zu Wand dann, im neben Zimmer war das Signal dann nach ca.4,5 Metern hinter der Wand dann auch weg. Gruß bastler2022
> Einem forumsbekannten Dummschwätzer braucht man nicht zu widersprechen, > wäre reine Ressourcenverschwendung. Na klar, alles nur "Dummschwatz", die frühen Hinweise auf: * fehlende Arbeitspunkteinstellung in der Transistorstufe * Erkennen der dargestellen Sender-/Empfänger-Konstellation als Nahfeld (aka Wellenausbreitung bestenfalls sekundärer Beitrag) * Überschreitung des Bandrasters (2,7 kHz resp 9 kHz) wg. Filtermängel * Feldstärke-Verteilung in einem H-Feld ... Da kommt man sich vor wie der türkische Astronom im "Der kleinen Prinz".
:
Bearbeitet durch User
Bradward B. schrieb: > fehlende Arbeitspunkteinstellung in der Transistorstufe Das habe ich bereits nachgebessert (Schaltplan folgt). Dadurch ist die Modulation tatsächlich besser geworden. Dazu habe ich auch mal Arno R. seinen Link verfolgt: Arno R. schrieb: > Einen einfachen, aber linearen Amplitudenmodulator gibt es hier: > Beitrag "Re: Einfacher AM Modulator - Sinussignal garnicht so einfach" Allerdings arbeite ich mit einer anderen Schaltung und mit einer Trägerfrequenz von knapp 700 kHz und einem Dreieck-Modulationssignal von 1750 Hz. Aber das Ergebnis ist fast genauso schön (Foto). Man kann sowohl den hohen Modulationsgrad, als auch eine relativ verzerrungsfreie Modulation erkennen. Zwar nicht so schön wie in Arnos Simulation, aber für Musik und Sprache völlig ausreichend. B e r n d W. schrieb: > Natürlich kann man eine Class-C Endstufe AM-Modulieren. Klar, wenn man nicht so wie ich, das NF-Signal am Emitter einspeist, sondern die Versorgungsspannung über einen Längstransistor mit der NF moduliert, dann klappt die AM-Modulation auch mit einer HF-Stufe im Class-C-Betrieb. Der Basisspannungsteiler von Q1 kann dann entfallen.
:
Bearbeitet durch User
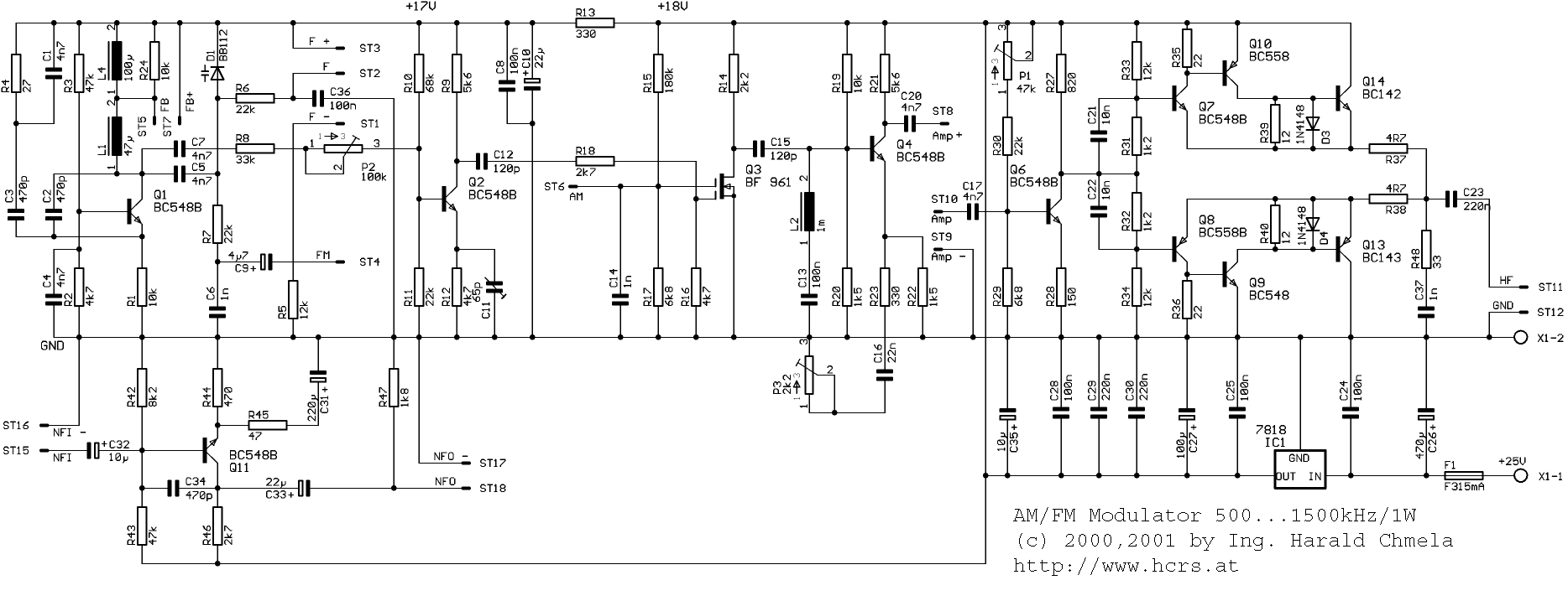
Und hier noch der finale Schaltplan. An der luftgekoppelten Spule L2 können im Resonanzfall auf dem Oszilloskop 30 Volt Spitzenspannung (Vpp) gemessen werden! Der eindeutige Resonanzfall entsteht genau in dem Moment, wo der 90 pF Kondensatortrimmer C5 auf ungefähr zweidrittel seiner Kapazität (60 pF) eingestellt wird. Dann gibt es plötzlich diese enorme Spannungsüberhöhung. Wird der Trimmer C5 größer oder kleiner als 60 pF eingestellt, dann sinkt die Spannung sofort wieder auf nur wenige Volt ab.
Hurrah! Jemand hat den Schwingkreis erfunden.
Jörg W. schrieb: > Karl B. schrieb: >> Jörg W. schrieb: >>> Vielleicht sollte Otto einfach eine Afu-Prüfung machen, dann kann er auf >>> diese Weise völlig legal mit Mittelwellensendungen experimentieren. ;-) >> >> Aber nicht auf den Frequenzen 531 bis 1602 kHz bzw. 2291 kHz. > > Dafür hätte er ja dann das 630-m-Band. Hätte er nicht. Fußnote 1 Maximal zulässige belegte Bandbreite einer Amateurfunk-Aussendung: 800 Hz.
:
Bearbeitet durch User
Otto K. schrieb: > Wird der Trimmer C5 größer oder kleiner als 60 pF eingestellt, dann > sinkt die Spannung sofort wieder auf nur wenige Volt ab. Meine Erfahrung sagt mir: Dieser Schwingkreis ist in dieser Dimension niemals auf deine Grundfrequenz von ~700kHz abgestimmt; der schwingt auf einer Harmonischen. Mittels deines Scopes könntest du das ja ausmessen....wenn du es könntest.
Schorsch M. schrieb: > Meine Erfahrung sagt mir: Dieser Schwingkreis ist in dieser Dimension > niemals auf deine Grundfrequenz von ~700kHz abgestimmt; der schwingt auf > einer Harmonischen. > Mittels deines Scopes könntest du das ja ausmessen....wenn du es > könntest. Guter Punkt! Ich höre den Sender nämlich tatsächlich noch auf 1,4 MHz, allerdings nicht in einer so guten Qualität. Der Frequenzzähler sagt jedenfalls dass es "angeblich" 698 kHz sind. Der Quarz schwingt also 500 Hz höher. Das könnte alterungsbedingt sein, ist aber nicht der Rede wert. Ich werde mir die Trägerfrequenz noch mal mit dem Oszilloskop reinholen und dann versuchen aus der Bildschirmanzeige die Frequenz zu Fuß auszurechnen, denn das Oszilloskop lügt nicht.
Also, auf dem Oszilloskop beträgt die Periodendauer ca. 2,85 Kästchen. Der Time/Div.-Drehschalter vom Oszilloskop steht auf 0,5 Mikrosekunden. Wenn ich diese Werte in die entsprechende Formel einsetze, dann komme ich bei etwa 702 kHz raus. Ein kleiner Fehler kommt sicherlich auch durch das ungenaue Ablesen des Elektronenstrahls zustande. Demnach liege ich also tatsächlich auf der Grundfrequenz.
Otto K. schrieb: > Der Quarz schwingt also 500 Hz höher. Nachtrag: Ich meinte damit natürlich, dass die Frequenz am Ausgang Q4 vom CD4060 um 500 Hz zu hoch ist (698 kHz statt 697,5 kHz). Der eigentliche 11,16 MHz Quarz schwingt demnach natürlich um 8 kHz zu hoch.
Beitrag #8013132 wurde vom Autor gelöscht.
Kein Wunder, da dem Quarz die Lastkapazität fehlt.
Frage: wo gibt’s denn 11.16Mhz als Quartz? Ist das ne Standardfrequenz?
Axel R. schrieb: > Frage: wo gibt’s denn 11.16Mhz als Quartz? Ist das ne > Standardfrequenz? Den Quarz hatte ich noch in meiner Grabbelkiste rumliegen. Ein 10,7 MHz Quarz kommt wesentlich häufiger vor und den kann man natürlich auch gut für einen Mittelwellensender einsetzen, dann lautet die Sendefrequenz 668,75 kHz. Und wenn man mit dem angekoppelten Schwingkreis die 1. gerade Oberwelle rausfiltert, dann hat man die doppelte Sendefrequenz von 1337,5 kHz. Das liegt auch noch im Mittelwellenbereich. Leider bietet der CD4060 keinen Ausgang Q3 der die Quarzfrequenz von vorne herein nur durch 8 teilt.
Durch acht teilen wäre schon was. Na - wegen der 9V Batterie wird Dir leider nicht viel anderes übrigbleiben, als beim Design zu bleiben. im 21ten Jarhundert könnte man das auch so bauen, muss man aber nicht. http://www.nmea.de/schaltung/sch-dds9850.html https://botland.de/content/130-arduino-in-verbindung-mit-dem-generator-ad9850
:
Bearbeitet durch User
Auch ein DDS braucht natürlich ein Filter, ist aber wesentlich einfacher (gerade in diesem Falle, wo man den Takt um Größenordnungen höher legen kann als die gewünschte Ausgabefrequenz).
Ist natürlich auch "etwas anders" vom Anspruch her. Einen 4060 und ein BC548 und man ist schnell fertig. Bei den genannten (wahllos herausgegriffenen) Beispielen ist schon etwas mehr Einarbeitung nötig. Auch nix mit "9V-Block in ner kleinen Schachtel". Darauf wollte ich hinaus. So gesehen gefällt mir der Ansatz mit den 4060 schon ganz gut. Korreliert eben nur nicht mit seinen Vorstellungen zum Stromverbrauch und Reichweite. Ein MittelwellenRadio aus 1930 hab ich tatsächlich kürzlich erst geschenkt bekommen. Muss ich mal einschalten (trau' mich aber nicht ;) )
Axel R. schrieb: > Korreliert eben nur nicht mit seinen Vorstellungen zum Stromverbrauch > und Reichweite. Und auch nicht mit den Anforderungen an die Nebenaussendungen.
Jörg W. schrieb: > Axel R. schrieb: >> Korreliert eben nur nicht mit seinen Vorstellungen zum Stromverbrauch >> und Reichweite. > > Und auch nicht mit den Anforderungen an die Nebenaussendungen. Vielleicht setzt man anstatt der induktiv gekoppelten Klorrolle ene Art (geschirmtes) bandpassfilter und einen zweiten Transistor dahinter und passt die Impedanzen in geeignter Art und Weise \dann\ an die KloRolle an. Wie ich's schon schrieb; mit 1-2Watt Sendeleistung muss man da schon draufgehen. Aber eben NUR mit der Sendefrequenz ;) Kann man nicht ne ganz normale AB-Endstufe mit SD349-350 bauen? (Oder halt was in der Art BD139/40, bei 9V BD135/36). Wir bewegen uns immer weiter weg vongs kleiner Schachtel mit 9V-Block.
Axel R. schrieb: > Wir bewegen uns immer weiter weg vongs kleiner Schachtel mit 9V-Block. Das ging den großen Mittelwellensendern auch so. Deshalb will ja auch niemand mehr die Kosten für deren Betrieb stemmen.
In der Schweiz und Italien gab es bis vor Kurzem den "Drahtrundspruch". LW bzw.MW Übertragung per Telefondraht. Über einen Adapter mit dem Antenneneingang des Empfängers verbunden. https://www.rundfunkforum.de/viewtopic.php?t=39765 Anstatt sich mit Strahlung oder Induktion und Ahnungslosigkeit abzuplagen wäre das sehr stromsparend relaisierbar und klingt genausogut.
:
Bearbeitet durch User
Otto K. schrieb: > Ich meinte damit natürlich, dass die Frequenz am Ausgang Q4 > vom CD4060 um 500 Hz zu hoch ist (698 kHz statt 697,5 kHz).
1 | 698 x 3 = 2.0940 Mhz |
2 | 2.094 x 3 = 6.2820 Mhz |
3 | 6.282 x 3 = 18.846 Mhz |
4 | 18.846 x 3 = 56.538 Mhz |
5 | 56.538 x 3 =169.614 Mhz <-- viel Spaß hier!!! |
Würde mich tatsächlich interessieren, was man im oberen 2M-BOS Band hier noch hört, also wie weit man da kommt (169.615Mhz) ;)
Hab gerade mal bissl mit LTSpice rumsimuliert. mit s1 paramtern kommt man hier nicht weit. Ist ja quasi noch NF. Wie macht man das da mit der Anpassung? ...is ja interessant...
Otto K. schrieb: > Und hier noch der finale Schaltplan. Welchen Sinn hat denn die Spule L1? Man kann den Schwingkreis L2/C5 direkt in die Kollektorleitung des Q1 legen und L1 weglassen. Man bekommt damit eine höhere Ausgangsleistung, da die Verluste durch die endliche Kopplung von L1/L2 entfallen. Die Dämpfung des Schwingkreises durch den Transistor ändert sich kaum, da der am Kollektor einen hochohmigen Stromausgang darstellt und der auch über L1/L2 transformiert wird.
> Man kann sowohl den hohen Modulationsgrad, als auch eine relativ > verzerrungsfreie Modulation erkennen. Zwar nicht so schön wie in Arnos > Simulation, aber für Musik und Sprache völlig ausreichend. Relativ verzerrungsfrei reicht nicht, was man hier erkennen kann, grenzt IMHO an Augenwischerei, entscheident wäre hier das Spektrum, weil an dem Anteil der Oberschwingungenen deutlich wird. Hat man keinen Spektrumanalyzer oder nimmt in spice nicht die spektral-auswertung dazu kann man sich auch von der Daumenregel: "je 'eckiger' desto mehr Oberwellen" leiten lassen. https://50ohm.de/EA_unerwuenschte_aussendungen_2.html Da macht aber der Oscillator mit seiner Teilerstufe ganz schön "Ecken". Kann man die resultierenden Oberwellen nicht mit einem Filter geigneter Ordnung (ich schätze mindestens 3) herausfiltern, muss man halt verhindern, das die Oberwellen überhaupt entstehen. Also einen Sinusgenerator aufbauen. Und schon bei einen Sägezahn-generator sind die Oberwellen mit steigender Ordnung schnell kleiner als bei einem Rechteck. Hinsichtlich der Verbesserung der Feldstärke sei auf den Zusammenhang mit der zeitlichen Änderung der Stromstärke verwiesen. Da man man am R der Spule nicht viel tun kann und auch die Frequenz vorgegeben ist sollte man sich vielleicht überlegen den Spannungshub an der Sendespule zu erhöhen -< vielleicht mal das Ganze "auf reihengeschaltete 9v Block-Batterien" auslegen. Überlegungen hinsuchtlich Optimierung der Spulenkonstruktions (auch in Richtung Tesla-Transformator) erst mal nicht weiter verfolgt, wegen dem hohen Störpotential.
Ich habe keinen 4060 da und auch keinen 11.16Mhz Quartz: Hab mit LTSPICE versucht, ein kleines Bandpassfilter zu simulieren, welches man zwischen den Ausgang des 4060 und dem nachfolgenden Trasistor schalten könnte. Ich hab die Kondensatorwerte gleich so geteilt, dass man Standard-Werte nehmen kann. https://www.elektronik-labor.de/OnlineRechner/Resonanz.html#f https://www.wolfgang-wippermann.de/bf.htm dann lese ich mir das gerade mal durch, eben gefunden. http://dangerousprototypes.com/forum/index.php?topic=2892.0#p28410 weiterhin allen viel Spaß
Arno R. schrieb: > Man kann den Schwingkreis L2/C5 direkt in die Kollektorleitung des Q1 > legen und L1 weglassen. Man bekommt damit eine höhere Ausgangsleistung, Die Idee, die 67 Windungen von L2 direkt in die Kollektorleitung zu legen, habe ich heute umgesetzt, aber von einer höheren Ausgangsleistung ist überhaupt keine Spur und das schöne ausgeprägte Resonanzverhalten beim Drehen am 90 pF Trimmer ist dann ebenfalls nicht mehr vorhanden. Bradward B. schrieb: > Relativ verzerrungsfrei reicht nicht Axel R. schrieb: > Hab mit LTSPICE versucht, ein kleines Bandpassfilter zu simulieren Nicht schlecht. Bei meiner Schaltung bilden R2 und C2 ein Tiefpassfilter mit einer Grenzfrequenz von 160 kHz. Da ist das 700 kHz Rechteck sowieso schon so stark abgerundet, dass es sich zu einem Dreieck umgewandelt hat.
Stefan K. schrieb: > Eine Linear Endstufe, übrigens, wäre für dein Unterfangen, insb "9V > Block Betrieb" nicht geeignet, zu hohe Stromaufnahme, und echt effektive > Endstufen sind äußerst komplex im Aufbau. So sehe ich das inzwischen auch, deswegen lasse ich die Schaltung jetzt einfach so wie sie ist und begnüge mich mit den 3 Meter Reichweite. Es sei denn, es hat noch jemand eine einfache geniale Idee mit einem, zum Beispiel nachgeschalteten BD135, der mir aus 20 mA Stromaufnahme vielleicht 100 mA macht und die Sendereichweite dadurch bis auf ca. 10 m erhöht werden kann.
>> Eine Linear Endstufe, übrigens, wäre für dein Unterfangen, insb "9V >> Block Betrieb" nicht geeignet, zu hohe Stromaufnahme, und echt effektive >> Endstufen sind äußerst komplex im Aufbau. > > So sehe ich das inzwischen auch, deswegen lasse ich die Schaltung jetzt > einfach so wie sie ist und begnüge mich mit den 3 Meter Reichweite. Nicht nur anbetracht der bekannten Störausstrahlungen auf den Oberwellen sollte man sich mit der einfachen Lösung der gestellten Aufgabe ("altes" Radio durch die Zimmerdecke bespielen) zufrieden geben. Und wie bereits mehrfach genannt, bei Mittelwelle ist man hier im Nahfeld, wo man mit einem kubischen Absinken der Empfangs-Leistung mit dem Abstand konfrontiert ist. Also für die angestrebte gute dreifache Verlängerung der Reichweite muss man knapp das Dreißigfache an Sendeleistung reinstopfen. Für Energieeffiszienz muss man schon in den Bereich der (gerichteten) Wellenausbreitung wechseln, wohl auch ein Grund das Sprechfunkgeräte im UKW -bereich senden. Insgesamt eine interessante "Studie" über Schaltungspraxis im "Hausbereich", danke für's teilhaben lassen.
Beitrag #8016084 wurde von einem Moderator gelöscht.
Bradward B. schrieb: > Also für die angestrebte gute dreifache > Verlängerung der Reichweite muss man knapp das Dreißigfache an > Sendeleistung reinstopfen. Nur am Rande: Die vom TO erwähnte Erhöhung des Stromes von 20 mA auf 100 mA, also um das 5-fache entspräche einer Leistungserhöhung um das 25 Fache. P = I^2 x R Ansonsten vollkommen d'accord mit dem was du schreibst.
:
Bearbeitet durch User
>> Verlängerung der Reichweite muss man knapp das Dreißigfache an >> Sendeleistung reinstopfen. > > Nur am Rande: Eine Erhöhung des Stromes von 20 mA auf 100 mA, also um > das 5-fache entspräche einer Leistungserhöhung um das 25 Fache. P = I^2 > x R Danke für den sachlichen Hinweis, manchmal tue ich mir schwer mit Feldgrößenabschätzung, auch weil es mir nicht immer klar ist, ob es sich auf ein Flächen- oder Volumenelement bezieht. Die Überschlagsrechnung 3³ = 27 also rund 30, basiert mit auf der Ansage aus Beitrag Beitrag "Re: Wie baut man eine Endstufe für einen Mittelwellensender (160m Band)?" Bleibt es halt bei der Quantitätslosen Ansage: "für ein bißchen mehr, muss man viel mehr tun"
:
Bearbeitet durch User
MIt dem Thema Mittelwellen AM-Modulator aks "Funklautsprecher" um die alten Röhren-Schätze weiterzubetreiben gibt es im Radiomuseum dazu eine bewährte Schaltung. Das "Heimsenderlein". Mittlerweile in seiner dritten Generation mit allem Komfort. https://www.radiomuseum.org/forum/heimsenderlein_3.html?language_id=1 Und auch die Erfornisse an die Sendeleistung und Nahfeldausbreitung ist Gegenstand einer ausführlichen theoretischen Abhandlung: Bauer "Signal Levels and Leak Radiation of Loop Antennas for AM Home Transmitters" https://www.radiomuseum.org/forumdata/upload/am%5Flooptransmitter%5Fv1%5Frel%2Epdf
:
Bearbeitet durch User
Bradward B. schrieb: > sollte man sich mit der einfachen Lösung der gestellten Aufgabe ("altes" > Radio durch die Zimmerdecke bespielen) zufrieden geben. Ich habe den Überblick in diesem Thread lange verloren, aber: Hat der OP denn die Aufgabe jemals konkret gestellt?
Otto K. schrieb: > Die Idee, die 67 Windungen von L2 direkt in die Kollektorleitung zu > legen, habe ich heute umgesetzt, aber von einer höheren Ausgangsleistung > ist überhaupt keine Spur und das schöne ausgeprägte Resonanzverhalten > beim Drehen am 90 pF Trimmer ist dann ebenfalls nicht mehr vorhanden. Naja, ohne L1 liegt die Resonanzfrequenz natürlich woanders. Du musst halt einen passenden Kondensator nehmen...
Otto K. schrieb: >das schöne ausgeprägte Resonanzverhalten >beim Drehen am 90 pF Trimmer ist dann ebenfalls nicht mehr vorhanden. Entweder keine Resonanz, oder Fehlanpassung. Mach deine Spule mit Anzapfungen und wähle dann die Anzapfung mit der höchsten Amplitude.
Probiere mal einen stärkeren Transistor, vielleicht BD135 oder SD335. Das sind 12W-Typen. Betreibe sie mit 6W, 12V und Kühlkörper. Stelle einen Ruhestrom von 0,5A ein. Die haben ein Loch, damit man sie auf ein Kühlkörper schrauben kann.
Otto K. schrieb: > Dieter D. schrieb: >> Lamda/4 Antenne mit 40m Länge. > > Zu lang! Ich will keine Antenne. Das muss auch irgendwie ohne Antenne > funktionieren, also nur mit der Schwingkreisspule. Verwende doch eine Ferritantenne als Schwingkreisspule. Die Abstrahlung hängt vom Abstand der Pole ab. Die andere Variante (jedoch auch gross) ist eine Ramenantenne. Dort wird der Durchmesser der Spule vergrössert. Gruss Rolf
"L1" bezieht sich jetzt worauf? Den Widerstand im Emitter auf 32R setzen. Das ist so das, was en "moderner" kleiner Ohrhörer auch hat, falls man dort einen MP3-Player oder n Handy anschliessen mag. Der 100nF im Emitter scliesst die gegenkopplung bei 700Khz ganz sicher kurz. Um jetzt ne maximale Verstärkung zu erzeugen, kann man den Transistor micht nichten an den heißen Abgang des Kollektorschwingkreises legen! Ich hab - bin ich ganz ehrlich - bei diesen recht tiefen Frequenzen noch nichts veranstaltet, geb ich ja zu. Aber im Kollektor tät ich ne Anzapfung an die Schwinkreisspule vom "oberen Ende" her machen, um die Schinkreis güte nicht einbrechen zu lassen. Ne Koppelwindung (wie ja schon angedeutet und praktiziert) erfüllt den gleichen Zweck. Man könnte versuchen, mit dem Abstand beider Wicklungen zueinander, bei nachträglichem Abgleich auf resonanz, hier ein Optimum herauszuholen. man kann auch mit der Windungszahl der Koppelwindung im Kollektor experimetieren. Auch würde ich mir was zum "messen" basteln, dann muss man nicht immer Treppe steigen, um im anderen Zimmer zu hören, ob es besser wurde. Bau Dir eine zweite Klorolle samt Drehko 30cm danaben und hänge dort dein Oszilloskop dran. Oder eben ne kleine GermaniumDiode, 10nF und 100K als Detektorempfänger. Ob ne rote LED schon ageht, wage ich zu bezweifeln, aber eine Messgerät mit Zeiger sollte auf jeden Fall ausschlagen. Dann wäre halt noch im nächsten Schritt auf der dopelten und dreifachen Frequenz zu hören und mit dem Basiswiderstand am Transistor das so einstellen, dass man da möglichst wenig hört. Man könnte auch über eine HF-Drossel im Kollektor nachdenken und die HF über 10nF an den Schwingkreis koppeln (irgendwie). denn 2PixfxL ergibt den Wechselstromwiderstand einer Spule. Je höher der, im Vergleich zum Wechselstromwiderstand des 100nF im Emitter, ist, um so höher deine Verstärkung. Aber der 9V-Block dürfte mittlerweile nur noch 6.8V haben und längst leer sein. wenn du in den Kollektor ne 1mH Drossel reinmachst, hat die bei 700Khz ca 4.4KΩ Impedanz. Der 100nF im Emitter hat hingegen nur 2.3Ω (deine 100Ω sind durch diesen für Wechselspannung kurzgeschlossen) Naja und Verstärkung A= R_c / R_e sind 4.4K / 2.3 = weniger als "zweitausend"(1913) - nun... kommt mir viel vor! Bin ich da jetzt auf dem Holzweg?
Puhh, Leude, ihr habt mir schon wieder soviel Input gegeben, dass ich mit meiner Schaltung am besten nochmal ganz von vorne anfange. Ich werde mich in den nächsten Tagen nochmal melden und berichten, ob ich doch noch was konstruktives auf die Beine gestellt habe, womit ich mich sehen lassen kann.
Axel R. schrieb: > "L1" bezieht sich jetzt worauf? Na auf "L1" in diesem "finalen" Schaltplan: Beitrag "Re: Wie baut man eine Endstufe für einen Mittelwellensender (160m Band)?"
Ich muss zugeben, dass ich irgendwann aufgegeben habe alle Beiträge bis ins Detail zu lesen. Aber wenn der TO es schon schafft kurze Strecken zu senden. Warum baut es sich nicht das Kästchen in den Raum in dem das Radio steht und nimmt einen Bluetoothempfänger o.ä. (mit integriertem Akku) um seinen Sender zu speisen. Da bleibt das Radio unverbastelt. Es ist Effektvoll für Gäste und er kann evtl. sogar von oben das Signal geben, aber auf jeden Fall direkt vom Handy aus steuern wenn er mit im Raum ist.
Ja, nicht wahr? Ich fabd auch die Idee, an die Zimmerdecke und oberhalb im Fussboden anden Wänden draht zu ziehen, sehr erfolgsversprechend. Mein erster Detektorempfänger hatte auch einen abgewickelten Trafo in den Zimemrecken an der Decke. Aber gut: da war ich sieben oerso (1. -2.Klasse) Hab mal kurz gelötet: 20mVss am Eingang ergeben am Ausgang mit 470uH als Drossel und (über10nF) an 500R Last 4Vss. Also passt das schon mit der (Leerlauf)Verstärkung. Jetzt muss man das "nur noch" mitm PI-Filter an den Schwingkreis drantelefonieren ;) Oder Koppelwicklung. Aber ich hab hier auch einiges zum messen rumstehen. Einfach nur so am Küchentisch im stehen wird das wohl eher nix.
von Axel R. schrieb:
>Auch würde ich mir was zum "messen" basteln,
Einfach einen Detektor, eine Windung, 10cm Durchmesser,
eine Germaniumdiode und ein 100µA anzeigeinstrument.
100nF-Kondensator parallel zum Anzeigeinstrument.
Damit kann man schon mal die Feldstärke abschätzen.
Wenn das Instrument Vollanschlag anzeigt, den
Abstand dann vergrößern.
>> gestellten Aufgabe ("altes" >> Radio durch die Zimmerdecke bespielen) > Hat der OP denn die Aufgabe jemals konkret gestellt? Ja in seinem Beitrag vom 08.02. (?), der leider nicht mehr zugänglich ist. Die Unterschiede zu der Topic-line, wurden direkt angesprochen und von TO beantwortet. Es geht um einen Empfang der gesendeten Signale mit einem Radio auf 697,5 kHz, die konkrete Zuweisung auf dem Amateurfunkband 160m sind nicht Bestandteil der "Requirements. Wobei die Frequenz daraus resultiert, das der TO gerade die Bauteile für einen Trägerwellenoszillator auf dieser Frequenz in seiner "Grabbelkiste" hat. Natürlich kann man sich an Bauvorschläge für 160m orientieren, aber nach einem DX oder CW-QSO im Mittelwellenspektrum geht es hier eher nicht. https://de.wikipedia.org/wiki/160-Meter-Band#Deutschland aber gesucht ist eher was wie der Ottozender (auch ein dankenswerter Tipp aus dem Thread): https://gerardtel.nl/Sets/OttoAM.htm
Bradward B. schrieb: > aber gesucht ist eher was wie der Ottozender (auch ein dankenswerter > Tipp aus dem Thread): > > https://gerardtel.nl/Sets/OttoAM.htm Der Ottozender ist qualitätsmäßig hervorragend, habe ein wenig mit LT-Spice simuliert. Erreicht über 50dB Klirrdämpfung an der demodulierten NF, das schafft keine andere hier gezeigte Schaltung. Oben wurde schon ein Link auf die überarbeitete Version gegeben: https://www.nfor.nl/radioforumservice/index.php?p=artikelen&sub=artikel-am-pll-2-1 Aber auch hier ist der HF-Pegel schwach, das war der eigentliche Punkt des TO.
Günter L. schrieb: > Probiere mal einen stärkeren Transistor Heute morgen habe ich noch ein wenig an meinem Mittelwellensender dran rum gebastelt und noch einen zweiten Transistor 2N4427 mit Kühlstern dahintergebastelt. Der gesamte Sender zieht jetzt tatsächlich einen Strom von 80 mA und der Endstufentransistor Q2 wird gut warm, aber die Reichweite von 3m ist trotzdem nicht größer geworden. Das liegt wohl an der immer noch zu kleinen Klorollenantenne. Ohne Endstufe sind es an der Ausgangsspule 30 Vss, mit Endstufe sind es immerhin schon 50 Vss. Eine Rahmenantenne oder eine Langdrahtantenne möchte ich aber nicht einsetzen. Die AM-Endstufe werde ich aber weglassen. Der vierfache Strom bringt ja keine nennenswerte Reichweite. Dann kann ich mir die Endstufe und den kostbaren Strom auch direkt sparen und genieße dafür die 4 fache Lebensdauer der Batterie.
Otto K. schrieb: > (...) Eine Rahmenantenne oder eine Langdrahtantenne > möchte ich aber nicht einsetzen. Besorg Dir 10adriges Computer-Flachkabel. Das legst Du einmal an der Fußleiste entlang rund um das Zimmer. Dann vom Anfang die zweite Ader mit der ersten vom Ende vebinden, die dritte mit der zweiten, usw. So bekommst Du eine Riesenspule mit 10 Windungen. Alles, was da drin ist, hat guten Empfang. Für maximale Leistung schaltet man zwischen Verstärker und Sendespule einen Antennen-Tuner und stimmt den passend ab.
von Soul E. schrieb:
>So bekommst Du eine Riesenspule mit 10 Windungen.
Da werden schon 1 oder 2 Windungen reichen, sonst
bekommst du die nicht in Resonanz. Also normales
Elektroinstallationskabel reicht da, dann hättest du
3 Windungen. Man könnte die 3 Adern dann auch parallel
schalten und hätte dann eine Windung.
Ich habe heute eine Ringspule mit 27cm Durchmesser
11 Windungen 1mm Kupferlackdraht gebaut, die hat schon 100µH.
Da brauchst du einen 500pF Kondensator für 700kHz.
Die wäre schon brauchbar.
https://www.giangrandi.org/electronics/am-mod/am-mod-sch-l.gif Das lässt sich sicher auf ein Minimum herunterbrechen. Interessant ist aber die Verwendung einer hart schaltenden AM-Endstufe inklusive Tiefpass-Filter und die Zuführung der NF-Modulation "von oben" über das kalte Ende der Betriebsspannung. Ansonsten schau mal nach, was die Funkamateure auf dem 630Meter-Band (472-479Khz, also ca. Hälfte deiner Wunschfrequenz) so an Aufwand treiben. https://vk3hn.wordpress.com/modules/
Axel R. schrieb: > Zuführung der NF-Modulation "von oben" "Kollektormodulation" Gerade bei Röhrensendern war Anodenmodulation durchaus üblich. Hat halt den Nachteil, dass die NF-PA die gleiche Leistung aufbringen muss wie die HF-PA. Vorteil ist, dass man die 100 % Modulationsgrad schafft. Im Sender Wilsdruff waren daher vier gleiche PA-Röhren verbaut, je 2 im Gegentakt für NF und für HF.
Jörg W. schrieb: > Axel R. schrieb: >> Zuführung der NF-Modulation "von oben" > > "Kollektormodulation" > > Gerade bei Röhrensendern war Anodenmodulation durchaus üblich. Hat halt > den Nachteil, dass die NF-PA die gleiche Leistung aufbringen muss wie > die HF-PA. Vorteil ist, dass man die 100 % Modulationsgrad schafft. Im > Sender Wilsdruff waren daher vier gleiche PA-Röhren verbaut, je 2 im > Gegentakt für NF und für HF. Heute kommt Klasse D für den NF-Teil zur Anwendung. Das senkt den Strombedarf recht deutlich.
H. H. schrieb: > Heute kommt Klasse D für den NF-Teil zur Anwendung. Bei Mittelwelle sogar für den HF-Teil. Aber das ist nicht das, was der TE so machen möchte. :-)
Jörg W. schrieb: > dass die NF-PA die gleiche Leistung aufbringen muss wie > die HF-PA. es ist nicht die gleiche Leistung sondern die halbe Leistung. Bei 100% Modulationsgrad sind die beiden Seitenbänder um 6db kleiner als der Träger. Also 1/4 der Trägerleistung. Beide Seitenbänder zusammen erfordern also die halbe Trägerleistung. Bei der Anodenmodulation bzw Kollektormodulation muss die Modulationsverstärker exakt die Leistung der beiden Seitenbänder bereitstellen. Sollte ein bereits moduliertes HF Signal verstärkt werden, so muss der Verstärker die vierfache Leistung des unmodulierten Trägers abgeben können. Die Linearität dieser Verstärkerstufe hat unmittelbaren Einfluss auf den Klirrfaktor des modulierten Signales. Soviel zur Amplitudenmodulation. Ralph Berres
Ralph B. schrieb: > Bei 100% Modulationsgrad sind die beiden Seitenbänder um 6db kleiner als > der Träger. Nö. https://de.wikipedia.org/wiki/Amplitudenmodulation#Energieeffizienz_analoger_Amplitudenmodulation
H. H. schrieb: > Nö. doch! Die Trägerleistuung vermindert sich nicht auf 50% des unmodulierten Trägers. Die gesamtleistung erhöht sich auf das 1,5fache der Trägerleistung. Eben die Trägerleistung plus die 2 Seitenbänder dessen Leistung jeweils 25% des Trägers beträgt. Die Höhe des reinen Trägers ändert sich nicht. Ralph Berres
Ralph B. schrieb: > es ist nicht die gleiche Leistung sondern die halbe Leistung. OK, es ist die Hälfte der zugeführten Leistung der PA, nicht jedoch der Ausgangsleistung. (Eben nochmal in alten Büchern nachgeschaut – ich hatte mir nur so gemerkt, dass die Größenordnung praktisch die gleiche ist.) Allerdings war es oben im Bild eine Klasse-A-PA, deren Wirkungsgrad ja nun nicht so prall ist. Hast aber Recht, bei einer Klasse-B-PA ist er einiges besser.
Jörg schaue dir mal ein amplitudenmoduliertes Signal eines HF-Signalgenerators oder auch eines Funktionsgenerators ( der hat oft eine klirrärmere Modulation ) mit einen Spektrumanalyzer an. Achte mal auf die Höhe des Trägers. Stelle den Modulationsgrad erst auf 0% ein, bestimme den Pegel des Trägers, und erhöhe jetzt kontinuierlich den Modulationsgrad bis 100%. Was beobachtest du? wie ändert sich der Träger? Der Träger bleibt im Pegel konstant. Die beiden Seitenlinien steigen von Null bis auf -6db bezogen auf den Träger. Jedes der beiden Seitenbänder hat also ein viertel der Leistung des Trägers ( -6db ), also beide zusammen die Hälfte der Leistung des Trägers. Zusammen mit den beiden Seitenbändern ist die gesamte effektive Leistung auf das 1,5fache des reinen Trägers angestiegen. ( gemittelt über eine komplette NF Periode). Bei einer Anodenmodulation muss der Modulationsverstärker exakt die Leistung der beiden Seitenbänder aufbringen also die Hälfte der Trägerleistung. Bei 100W Trägerleistung ist die NF-Leistung 50 Watt. Die HF Endstufe kann nur bei Anodenmodulation im C-Betrieb laufen. Der Modulationsverstärker ändert bei einer Anodenmodulation die Betriebsspannung der HF Endstufe zwischen Null und den doppelten Wert des unmodulierten Trägers. Das sieht man auch, wenn man die Vektoren des Trägers und der beiden Seitenlinien addiert. Deswegen ist die Spitzenleistung (PEP) auch das vierfache des unmodulierten Trägers. Das muss bei einem dem Modulator folgende HF Endstufe berücksichtigt werden. Ralph Berres
Was ich sonst nicht mache. Aber weil ich jetzt unsicher bin , habe ich
die KI befragt. Diese gibt mir in allen Punkten Recht.
Frage an KI
wieviel Leistung muss bei einen anodenmodulierten AM Sender die Leistung
der NF Endstufe sein um 100% Modulationsgrad zu erreichen? welchen Pegel
haben die beiden Seitenbänder in Bezug auf den unmodulierten Träger?
Ändert sich die Leistung des Trägers, wenn sich der Modulationsgrad
ändert?
Antwort
Bei einer
Anodenmodulation gelten für einen Modulationsgrad von 100 % (
) folgende physikalische Gesetzmäßigkeiten:
1. Erforderliche NF-Leistung
Um einen Träger zu 100 % zu modulieren, muss die NF-Endstufe eine
Leistung erbringen, die exakt 50 % der Trägerleistung (
) entspricht.
Pmod = 1/2 mal m² mal P-träger
somit = bei m = 1 = Pmod = 0,5 mal P-träger
Beispiel: Ein 100-W-Sender benötigt ein NF-Signal von 50 W, um voll
auszusteuern. Die gesamte abgestrahlte Leistung steigt dabei auf 150 W.
2. Pegel der Seitenbänder
Bei 100 % Modulation verteilen sich die 50 % NF-Leistung gleichmäßig auf
das obere und untere Seitenband.
Leistung: Jedes Seitenband hat 25 % der Trägerleistung Psb = 0,25
mal P-Träger
Spannungspegel: Bezogen auf die Trägeramplitude ( UC ) hat jedes
Seitenband eine Amplitude von 50 % ( Usb = 0,5 mal UC ). In Dezibel
ausgedrückt liegt jedes Seitenband bei voller Modulation 6 dB unter dem
Träger.
3. Verhalten der Trägerleistung
Nein, die Leistung des Trägers selbst bleibt konstant, unabhängig vom
Modulationsgrad.
Die zusätzliche Leistung, die bei Modulation gemessen wird, steckt
ausschließlich in den Seitenbändern. Der Modulator liefert die Energie,
um die Amplitude der HF-Schwingung über und unter den Ruhewert des
Trägers zu heben/senken, aber der "Mittelwert" (der Trägeranteil) ändert
sich bei idealer Anodenmodulation nicht.
Quelle
https://technik.reicke.de/rundfunkAM.php#:~:text=In%20der%20Tr%C3%A4gerwelle%20selbst%20steckt%20keine%20Information%2C,also%20je%201/6.%20Das%20ist%20sehr%20ineffektiv.
https://www.google.com/url?sa=t&source=web&rct=j&url=http%3A%2F%2Fwww.dl7maj.de%2FModulationsarten.pdf%23%3A~%3Atext%3DIn%2520der%2520Frequenzebene%2520ergibt%2520sich%2520ein%2520Spektrum%2Ceinem%2520Seitenband%2520enthalten%2520(%25200%2C25%2520%2F%2520(1%2B0%2C25%2B0%2C25)).&ved=0CAEQqYcPahcKEwjQsabguoOTAxUAAAAAHQAAAAAQKg&opi=89978449
Danke für die negativen Punkte.
Ralph Berres
Ralph B. schrieb: > Der Träger bleibt im Pegel konstant. Die beiden Seitenlinien steigen von > Null bis auf -6db bezogen auf den Träger. Exakt, siehe Bild
Ja genau; denn wenn er die NF im Emitterwiderstand einspeist und die Endstufe im A-Betrieb fährt (so, wie das ja jetzt wohl ist) ändert sich ja ständig der (neudeutsch) Bias. Bei der Positiven Halbwelle der NF hebt es das Emitterpotential an und die Basis leidet "mangelernährung" und der 700Khz Sinus am Ausgang ist keiner mehr. Das zum einen, was mir so durch den Kopf ging. Zum anderen: Wenn man unten am Emitterwiderstand die Modulation einspeist, gibt es a) den Emitterwiderstand und die eigekoppelte (über diesen 100uF) Modulationsspannung darf dann auch niocht größer werden, als der statische Spannungsabfall über dem Widerstand. Eben um den Transistor innerhalb seiner Einstellungen halbwegs linear betreiben zu können. Welchen Modulationsfaktor erreicht man hiermit? Auch sind 4.5Volt und 100Ohm eben nicht viel DC-Eingangsleistung (4x4)/100 =15 bis 16 mW. Mehr HF kann da auch schonmal nicht herauskommen. Und selbst wenn man einen transistor dahinter schaltet, ohne Modulation ist das ganze witzlos. ich hab mal hier im Betreff nach "mittelwelle" gesucht Beitrag "Re: Mittelwelle - Senderersatz" daraus: https://blogger.googleusercontent.com/img/b/R29vZ2xl/AVvXsEgquc8DPe6pcXsavP6dRhyphenhyphen3OpB0ik9ObGQH72L2qk1wqBUlaWuZRQ0voNXMMCQShFnXJAVyVJTmkAFkuDgojLsFTneYbCVeRXDxad2DDjEBMy30PEb2LbwFyd-Deiq0952Jw3mvVQP5gsU/s1600/schema_PA_C-QUAM-TX_pnp.PNG Ich würde direkt vom 4060 auf einen 4013 gehen, 50/50 Tastverhältnis machen und zwei kleine Mosfets im Gegentakt mitm Doppellochkern betreiben. Dadurch löscht sich auch die zweite Oberwelle so gut wie aus und das Tiepassfilter kann flacher ausfallen, weil erst die dritte OW mit richtig Bums zu sehen sein wird. Also ich wäre noch nicht fertig, mit dem Projekt. Bei den kleinen Sendeleistungen kann man ja einen TDA2822 https://de.farnell.com/stmicroelectronics/tda2822d/amplifier-power-15v-smd/dp/1467649 als MOdulationsverstärker nehmen und den KoppelKondensator am Ausgang weglassen und dort (ordentlich abgeblockt) die Endstufe anschliessen. Dann ist VCC/2 der Ruhepegel für die Class-E-Endstufe und dieser schwankt dann nach oben und unten, je nach Musik. Da die Ansteuerung für die HF quasi-digital erfolgt, gibt es auch keinen Trödel mit dn Ruhestromeinstellungen. Das alles in ein kleines Blechgehäuse gehört, muss ja nicht erwähnt werden, sonst gibt es wohl verkopplungen in die NF usw. Also: soo unspannend ist das nicht. Die Klorolle kann man evtl durch etwas anderes ersetzen (Bautz'ner Senfdose?) oder eben mit ner Schleife durchs Zimmer. Wie man das drantelefoniert, kann man im Buch "Amateurfunk" nachlesen oder nach PI-Filter googlen. Allerding hab ich da nur mit Röhren meine Erfahrung, da war der Ausgang hochohmig und die Antenne niederohmig. (GU50 waren das wohl? 20 Jahre her) Hier wird es wohl umgekehrt sein. https://www.mikrocontroller.net/attachment/16126/4xGU50_2_800x600.jpg
Axel R. schrieb: > Ich würde direkt vom 4060 auf einen 4013 gehen, 50/50 Tastverhältnis > machen und zwei kleine Mosfets im Gegentakt mitm Doppellochkern > betreiben. Man könnte auch einfach irgendeinen modernen IC nehmen, statt sich mit Digitalteilern herumzuärgern. Wurde aber schon vorgeschlagen.
Ralph B. schrieb: > Zusammen mit den beiden Seitenbändern ist die gesamte effektive Leistung > auf das 1,5fache des reinen Trägers angestiegen. Ich weiß nicht. Wird die Leistung linear zum Eingangssignal moduliert oder die Spannung? Halbe Spannung wäre nur 25% Leistung. Schorsch M. schrieb: > Exakt, siehe Bild Schade, keine Einheit. Ich kann bei mir dBm(W), dBmV, dBµV, dBµA, Volt und Watt einstellen. Gruß Jobst
Jobst M. schrieb: > Halbe Spannung wäre nur 25% Leistung. Jedes der beiden Seitenbänder ist bei M = 100% 6db kleiner als der Träger. Das sind halbe Spannung also 1/4 Leistung. Beide Seitenbänder zusammen als 50% der Trägerleistung. Die Trägerleistung selber ändert sich nicht. Ralph Berres
Jobst M. schrieb: > Schade, keine Einheit. dBm Ich habe diese Messungen schon vor langer Zeit durchgeführt, dabei habe ich den Focus darauf gelegt, was passiert bei Übermodulation. Was bei Modulation bis 100% passiert ist hinlänglich bekannt. Es war die Zeit, wo im CB-Bereich sogen. Verstärkermikrophone vertickt wurden um die "Verständlichkeit" im Sprechfunk zu erhöhen und die sogen. Hapug-Modulation aufkam. Sender die anfingen zu "spratzen" waren allgegenwärtig. Aber ich möchte diesen Thread nicht hijacken.
Nur der Vollständigkeit halber, aus der Serie meiner Messungen, hier Modulation von 150% und 200% Interessant, bei 200% verschwindet der Träger vollständig, es bleiben nur die Seitenbänder.
Axel R. schrieb: > Ich würde direkt vom 4060 auf einen 4013 gehen, 50/50 Tastverhältnis > machen und zwei kleine Mosfets im Gegentakt mitm Doppellochkern betreiben. Der CD4013 ist nur ein D-FlipFlop. Was soll der denn jetzt noch bringen, außer eine weitere Frequenzhalbierung? Das Signal vom CD4060 kommt bereits symmetrisch aus dem Anschluss Q4 raus. Eine weitere Halbierung der Frequenz hätte nur zur Folge, dass der Sender unterhalb des Mittelwellenempfangsbereich senden würde, fast schon im Langwellenrundfunkbereich. Und einen Anschluss Q3 gibt es nicht am CD4060. Durch einen Doppellochferritkern passen aber nicht viele Windungen. Jörg W. schrieb: > Man könnte auch einfach irgendeinen modernen IC nehmen, statt sich mit > Digitalteilern herumzuärgern. Welcher IC wäre das denn, der einerseits quarzstabil ist und sich andererseits amplitudenmodulieren lässt?
Schorsch M. schrieb: > Interessant, bei 200% verschwindet der Träger vollständig, es bleiben > nur die Seitenbänder. das ist normal Es ist jetzt aus der AM eine Doppelseitenbandmodulation mit unterdrückten Träger geworden. Im Zeitbereich siehst du am Nulldurchgang der Hüllkurve im Trägersignal einen Phasensprung um 180°, der bei AM nicht vorliegt. Über eine komplette NF Periode heben sich wegen des Phasensprunges die Träger auf, so dass er verschwindet. Ralph Berres
Ralph B. schrieb: > Es ist jetzt aus der AM eine Doppelseitenbandmodulation mit > unterdrückten Träger geworden. Das hört sich auch spannend an. Dann könnte man die Sendeleistung auf die beiden Seitenbänder konzentrieren und man spart sogar noch ein teures steilflankiges Quarzfilter, so wie es bei SSB erforderlich ist. Der Nachteil wäre aber, dass beim Empfänger der Träger wieder künstlich mit einem BFO (Beat Frequenz Oszillator) dazugemischt werden muss, sonst klingt die Musik zu schnell und die Stimmen klingen wie Micky Maus. Die normale Mittelwellenzuhörerschaft hat aber in der Regel sowieso keinen BFO.
Otto K. schrieb: > Das hört sich auch spannend an. Dann könnte man die Sendeleistung auf > die beiden Seitenbänder konzentrieren und man spart sogar noch ein > teures steilflankiges Quarzfilter, so wie es bei SSB erforderlich ist. Trugschluss! Bei 200%iger Modulation wird das NF-Signal bis zur Unkenntlichkeit verzerrt. Der Träger ist zwar weg, aber die Seitenbänder besitzen quasi die doppelte NF-Frequenz.
Habe mal in meinem Archiv gegraben, hier die Oszillogramme zu den Spektren.
:
Bearbeitet durch User
Bitte melde dich an um einen Beitrag zu schreiben. Anmeldung ist kostenlos und dauert nur eine Minute.
Bestehender Account
Schon ein Account bei Google/GoogleMail? Keine Anmeldung erforderlich!
Mit Google-Account einloggen
Mit Google-Account einloggen
Noch kein Account? Hier anmelden.














































