Hallo in die Runde, ich versuche den gezeigten Schaltplan auf einem "Breadboard" umzusetzen. Ich habe ein paar Fragen und hoffe, dass ihr mir weiterhelfen könnt. Als Signalquelle dient der Audioausgang eines Kassettenrecorders :). Ich habe eine LED mit dem Audioeingang verbunden und eine weitere LED an den Ausgang des LM358. Wenn ich den Poti fast auf Maximum drehe, erhalte ich plausible Ergebnisse (Ausgang-LED leuchtet synchron zur Eingangs-LED aber deutlich heller). Soweit so gut. Jetzt meine Fragen (ich bin absoluter Anfänger also bitte nicht lachen): 1) Nach dem Schaltplan soll ein Tantal-Kondensator (C1) zwischen Eingang und R1 verbaut werden. Wenn ich das mache, leuchtet die Ausgangs-LED weniger hell als die Eingans-LED. Ohne den Kondensator (C1) sieht es plausibel aus (Ausgang = synchron zum Eingang & heller. Warum? 2) Ich verstehe nicht, wie der Trimmer laut Schaltplan angeschlossen werden soll. Habe ich das richtig gemacht? Also Eingangssignal an Pin 1; Pin 3 an GND und Pin 2 mit Pin1 am LM358? Wie versteht man diesen Teil des Schaltplans? (Ich weiß, dass es sich hier um das veraltete Symbol handelt) Vielleicht kann mir ja jemand helfen. Ich wäre sehr dankbar. Viele Grüße aus Mannheim Michael
:
Bearbeitet durch User
Michael schrieb: > Habe ich das richtig gemacht? Also Eingangssignal an Pin 1; > Pin 3 an GND und Pin 2 mit Pin1 am LM358? Pin 3 gehört nicht an GND (ist im Schaltbild auch nicht so gezeichnet), sondern du lässt in frei. Der grüne Draht am Poti muss also wech.
:
Bearbeitet durch User
1. Der Kondensator lässt nur den Wechselstromanteil durch. Ohne Kondensator verstärkt die Scgaltung auch den Gleichstrom-anteil. 2. Dein Text passt nicht zum gezeigten Schaltplan.
Es ist ein Unterschied, wo der C1 und die LED dort plaziert wurden. https://is.gd/jCuJdS
:
Bearbeitet durch User
Dieter D. schrieb: > Im Schaltplan fehlt, wo die LED angeschlossen wurden und welchen > Vorwiderstand diese haben. Entschuldige meine Ungenauigkeit: Die LEDs habe ich selbst dazugefügt, um die Schaltung rudimentär testen zu können. Vorwiderstände sind 47k.
Matthias S. schrieb: > Michael schrieb: >> Habe ich das richtig gemacht? Also Eingangssignal an Pin 1; >> Pin 3 an GND und Pin 2 mit Pin1 am LM358? > > Pin 3 gehört nicht an GND (ist im Schaltbild auch nicht so gezeichnet), > sondern du lässt in frei. Der grüne Draht am Poti muss also wech. Danke Matthias für Deine Antwort. Ok, dann lasse ich Pin 3 mal frei. Kurze Nachfrage: Wie hätte es denn in dem Schaltplan aussehen müssen, wenn Pin 3 an GND angeschlossen werden muss? Und (sorry für mein geballtes Unwissen): Woran erkenne ich im Schaltbild, dass es Pin 2 und nicht Pin 3 ist, der an den LM358 (Pin 1) muss? Ist das gemischte Signal (Pin2) immer so symbolisiert wie im Schaltplan?
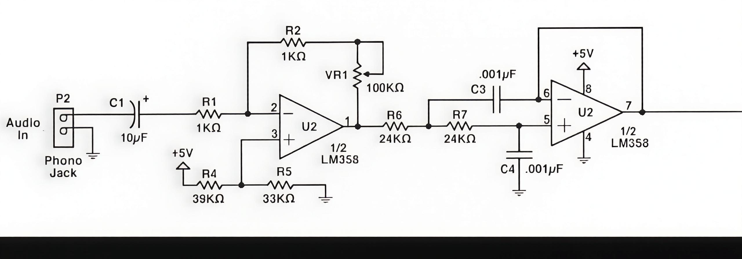
Michael schrieb: > Nach dem Schaltplan soll ein Tantal-Kondensator (C1) zwischen Eingang > und R1 verbaut werden. Wenn ich das mache, leuchtet die Ausgangs-LED > weniger hell als die Eingans-LED. Ohne den Kondensator (C1) sieht es > plausibel aus (Ausgang = synchron zum Eingang & heller. Warum? C1 muss drin bleiben. Hinter den Ausgang sollte auch ein Elko (10-100uF), plus zum OpAmp, tunlichst noch in Reihe mit 100 Ohm und dahinter 100k nach Masse. > Ich verstehe nicht, wie der Trimmer laut Schaltplan angeschlossen werden > soll. Habe ich das richtig gemacht? Also Eingangssignal an Pin 1; Pin 3 > an GND und Pin 2 mit Pin1 am LM358? Falsch, Pin 3 kommt nicht an GND sondern Pin 2 des Potis. Du bist Anfänger ihne Elektronikkenntnisse, ok. Du hast dir den Schaltplan nicht ausgedacht sondern irgendwoher. Warum fassen Anfänger so zielgenau in die Kacke, wählen also Schaltpläne bei denen so ziemlich alles falsch ist was man falsch machen kann ? a) der LM358 taugt nicht für Audio, seine ruhestromlose Endstufe produziert Übernahmeverzerrungen, zudem ist er asymmetrisch. b) R4/R5 befördern jede Störung in der Versorgungsspannung direkt ins Audiosignal, "halbiert verstärkt". c) der Ausgang hat DC Offset. und was du gemacht hast Michael schrieb: > Die LEDs habe ich selbst dazugefügt, um die Schaltung rudimentär testen > zu können. Vorwiderstände sind 47k. LED taugen so nicht zur Visualisierung von Audiosignalen, da sie erst ab xx Volt zu leuchten beginnen. Wie macht man es besser ? Zumindest erst mal einen Elko 10-100uF vom Knoten R4/R5 nach Masse. Dann einen OpAmp der nicht der allerbilligste der billigen Massenware ist, https://www.electronics-lab.com/forums/threads/lm324-lm358-crossover-distortion.305382/ sondern für Audio an 5V taugt. TLV2370/1/4 oder NE5230 oder so. Es hat schliesslich einen Grund, warum es auch andere, teurere OpAmps als den LM358/LM324/LM321 gibt, und die Elektronikentwickler die verwenden. Und die Sache mit den LED, wenn die den Pegel anzeigen sollen, ist schwieriger. Man müsste Präzisionsgleichrichter und Spannung/Strom Wandlung machen, den Aufwand willst du nicht eingehen nur um anzuzeigen ob ein Signal vorliegt. Vielleicht die Soundkarte deines PC mit einem Programm als Audiooszilloskop nutzen ? Wenn man sich der Einschränkungen bewusst ist, keine Gleichspannung, keine Frequenz ü er 20kHz, dann kann das ohne Hardwareaufwand gehen.
Ein Oszilloskop ist hier hilfreich. Ein DSO150 für 30 Euro reicht dazu schon.
:
Bearbeitet durch User
Hans W. schrieb: > Ein Oszilloskop ist hier hilfreich. Ein DSO150 für 30 Euro reicht > dazu schon. Oder: Beitrag "[V] Bei Kleinanzeigen gefunden: Oszilloskop Hameg 312 für 20 EUR"
Michael B. schrieb: > Falsch, Pin 3 kommt nicht an GND sondern Pin 2 des Potis. Hallo Michael, danke für Deine ausführliche Antwort und sehr hilfreichen Kommentare. Ja, es tut mir leid - ich bin wirklich ein absoluter Anfänger und nur durch diese Schaltung (es ist ein 8-Bit Audio-Digitizer für den C64 aus dem Jahr 1993) zur Elektronik gekommen. Ich will diesen Digitizer nachbauen und dachte mir "irgendwo muss ich ja anfangen". Das vorneweg :) Zu Deiner Antwort: Entschuldige mein Nachfragen - aber woran erkenne ich, dass Pin 2 des Potis an GND kommt? Und: was kommt dann an dem LM358 (Pin 1)? Pin 3 des Potis?
Michael schrieb: > woran erkenne ich, dass Pin 2 des Potis an GND kommt? Nirgendwo. Das steht nicht so im Schaltplan. Michael B. schrieb: > Pin 3 kommt nicht an GND sondern Pin 2 des Potis. Michael schrieb: > was kommt dann an dem LM358 (Pin 1)? Pin 3 des Potis? ja. Das Bild habe ich von der Seite https://makeabilitylab.github.io/physcomp/electronics/assets/images/Potentiometers_TwoExamplesWithSchematicSymbol.png kopiert.
:
Bearbeitet durch User
Hallo Hans, danke für die Erklärung. Das ist super. Viele Grüße Michael
Michael B. schrieb: > TLV2370/1/4 oder NE5230 Danke für den Hinweis. Hab mir mal den NE5230 bestellt.
Michael schrieb: > aber woran erkenne ich, dass Pin 2 des Potis an GND kommt? Es kommt ja nicht an GND.. Also gibt es nichts im Schaltplan an dem man so was sehen würde. Einfach den schwarzen Linien folgen.
Michael schrieb: >> Vorwiderstände sind 47k. Hans schrieb: > Und da leuchten die LED noch? Kaum vorstellbar. Das wirst du ihm wohl glauben müssen. Die 47k werden jedenfalls von seinem Foto bestätigt.
Die Endstufe von so einem Audioausgang (wenn es keine Diodenbuchse ist) erreichen eine Amplitude von drei bis vier Volt. Mit einem 47k Widerstand leuchten die superhellen LED ordentlich sichbar.
Die erste Verstärkerstufe arbeitet als invertierender Verstärker. Die zweite Stufe ist ein frequenzabhängiges Filter. Mit https://falstad.com/circuit/circuitjs.html kann das schön angesehen werden. Die Dateien dazu habe ich Dir hier angehängt.
Hans W. schrieb: > Das wirst du ihm wohl glauben müssen. Die 47k werden jedenfalls von > seinem Foto bestätigt. Da leuchtet aber auch keine LED - ich sehe zumindest nix. Wenn man für so eine rote LED mal 1,5V Flußspannung ansetzt, dann fallen über dem Widerstand 3,5V ab, was einem Strom von rund 75µA entspricht - bei der verbauten LED dürfte da nix großartig leuchten. Dieter D. schrieb: > Die Endstufe von so einem Audioausgang (wenn es keine Diodenbuchse ist) > erreichen eine Amplitude von drei bis vier Volt. Mit einem 47k > Widerstand leuchten die superhellen LED ordentlich sichbar. Du Spinner bist auch so ein superheller Leuchtpunkt. Schon mal ausgerechnet was bei 3-4V für ein Strom fließt?
von Michael schrieb: >(ich bin >absoluter Anfänger Dann erst mal folgende Grundlagen durcharbeiten. https://www.mikrocontroller.net/articles/Operationsverst%C3%A4rker-Grundschaltungen >Ich >habe eine LED mit dem Audioeingang verbunden und eine weitere LED an den >Ausgang des LM358. LED mit Vorwiderstand kannst du als Gleichspannungindikator benutzen, du willst aber Wechselspannungen verstärken und detektieren, dann mußt du die Wechselspannung erst mal gleichrichten um sie dann anzuzeigen.
Dieter D. schrieb: > Die erste Verstärkerstufe arbeitet als invertierender Verstärker. > Die zweite Stufe ist ein frequenzabhängiges Filter. Das war hier auch so bekannt und der TO blickt es ohnehin noch nicht. Der muß erst einmal die Schaltung der ersten Stufe richtig verstehen. Immer schön einen Schritt nach dem anderen und dabei die Schritte nicht größer wählen als die Beine reichen, sonst fliegt man schlichtweg auf die Schnauze. Ich fürchte mal der TO wird bei seinem Kenntnisstand noch sehr viele kleine Schritte brauchen. Ich vermute mal der Typ ist Musiker und möchte sich was für seine Gitarre bauen.
:
Bearbeitet durch User
Hans schrieb: > was einem Strom von rund 75µA entspricht Hans schrieb: > Du Spinner bist auch so ein superheller Leuchtpunkt. Schon mal > ausgerechnet was bei 3-4V für ein Strom fließt? Das ist so einfach zu widerlegen: Andreas B. schrieb: > grün: bei 1uA und Tageslicht noch gut sichtbar. Bei rot und blau muß man > dann schon auf 7uA aufdrehen. Gelb sieht ganz schlecht aus: 50uA. > > Als Vergleich eine 5mm weisse LED: 50uA bei Tageslicht gut sichtbar.
Michael B. schrieb: > Du bist Anfänger ihne Elektronikkenntnisse, ok. > Du hast dir den Schaltplan nicht ausgedacht sondern irgendwoher. > Warum fassen Anfänger so zielgenau in die Kacke, wählen also Schaltpläne > bei denen so ziemlich alles falsch ist was man falsch machen kann ? Dein Geblubber hilft ihm nicht. > a) der LM358 taugt nicht für Audio, seine ruhestromlose Endstufe > produziert Übernahmeverzerrungen, zudem ist er asymmetrisch. > > b) R4/R5 befördern jede Störung in der Versorgungsspannung direkt ins > Audiosignal, "halbiert verstärkt". Das ist beides theoretisch richtig, ändert aber nichts daran, dass die Schaltung erstmal funktionieren sollte. Etwas schwer tue ich mich, R7-C3-C4 am rechten OP zu verstehen. Michael schrieb: > Danke für den Hinweis. Hab mir mal den NE5230 bestellt. Solange Dein bestehender Aufbau mit LM358 nicht zumindest ein Signal ausgibt, wird das ein NE5230 auch nicht tun. Wieso soll jetzt ein zweifach-OP durch einen einkanaligen Typ ersetzt werden? Ich finde es auch grenzwertig, mit nur 5V Versorgung arbeiten zu wollen.
Michael B. schrieb: > Warum fassen Anfänger so zielgenau in die Kacke, wählen also Schaltpläne > bei denen so ziemlich alles falsch ist was man falsch machen kann ? Ich finde die Schaltung auch nicht der Hammer, aber ich würde das nicht so eng sehen. Es geht ja nicht darum ein High-End Audiogerät, am besten noch für die Serienproduktion, zu entwickeln, sondern einfach nur ein paar Bauteile zusammen zu stecken und mal sehen was raus kommt. Ein paar Töne werden schon raus kommen wenn man die Schaltung aufbaut und noch 1 - 3 weitere Kondensatoren spendiert. Ich frage mich ob das 6,6 kHz Sallen-Key Filter am Ausgang nur zufällig da ist oder für die eigentliche Anwendung gebraucht wird. Aber im Prinzip ist das auch egal. Dann baut er halt ein Filter mit auf und vermisst die hohen Töne am Ausgang.
:
Bearbeitet durch User
Hannes J. schrieb: > Ich frage mich ob das 6,6 kHz Sallen-Key Filter am Ausgang nur zufällig > da ist oder für die eigentliche Anwendung gebraucht wird Der aktive Tiefpass (etwa -12dB pro Oktave) sitzt vor dem eigentlichen A-D-Wandler und verhindert Aliasverzerrungen.
Manfred P. schrieb: > Etwas schwer tue ich mich, R7-C3-C4 am rechten OP zu verstehen. Da gehört zwingend noch der R6 "davor" dazu. Die OP-Schaltung mal "nach unten klappen", dann entspricht die Schaltung der Grundschaltung eines aktiven Butterworth-Tiefpasses. Ersatzweise magst Du Dir vorstellen, dass das Eingangssignal über den R6 ohmisch entkoppelt gegen den ruhigen, noch nicht ausgesteuerten OP-Ausgang (ganz rechts) arbeitet - aber eben über den sehr kleinen Kondensator zum Ausgang. Es werden also nur die Höhen "kurzgeschlossen". Dieses einfach tiefpassgefilterte Signal gelangt dann erst über einen weiteren RC-Tiefpass zum nichtinvertierenden Eingang des OPs. Wie gesagt, nur eine ersatzweise Annäherung an die Funktion. Im Ergebnis aber ein minus 12dB pro Oktave Filter. Die anderen Grundschaltungen aktiver Tiefpässe heissen Tschebyscheff, Bessel, Sallen-Key und unterscheiden sich schaltungstechnisch zunächst nur durch die abweichende Einstellung der Verstärkung von "eins". Hier wird der Tiefpass an einem >40 Jahre alten Homecomputer benutzt, der selbst zu langsam ist, "schnellere" Audio-Datenraten wiederzugeben.
Hannes J. schrieb: > Ich frage mich ob das 6,6 kHz Sallen-Key Filter am Ausgang nur zufällig > da ist oder für die eigentliche Anwendung gebraucht wird. Aber im > Prinzip ist das auch egal. Dann baut er halt ein Filter mit auf und > vermisst die hohen Töne am Ausgang. Moin Hannes, danke für Deine Antwort! Ja, tatsächlich sitzt hinter dem Verstärker ein ADC für den C64 :)
Heinrich K. schrieb: > Hier wird der Tiefpass an einem >40 Jahre alten Homecomputer benutzt, > der selbst zu langsam ist, "schnellere" Audio-Datenraten wiederzugeben. Hi Heinrich, danke für Deine sehr hilfreichen Ausführungen! Ich meine, dass für den Einsatz des Tiefpassfilters nicht die Langsamkeit des C64 ausschlaggebend ist, sondern der begrenzte Speicherplatz. Viele Grüße
Manfred P. schrieb: > Solange Dein bestehender Aufbau mit LM358 nicht zumindest ein Signal > ausgibt, wird das ein NE5230 auch nicht tun. Wieso soll jetzt ein > zweifach-OP durch einen einkanaligen Typ ersetzt werden? Ich finde es > auch grenzwertig, mit nur 5V Versorgung arbeiten zu wollen. Hi Manfred, danke für Deine hilfreiche Antwort! Ja, ich denke da hast Du Recht. Ich muss ja irgendwo anfangen. Da dachte ich, dass ich erstmal mit den Originalteilen der Schaltung arbeite. Später wenn ich mehr verstehe, kann ich ja versuchen, das ganze noch ins 21. Jahrhundert zu bringen ;) - ich denke, ich bleibe erstmal beim LM358 und versuche das "Drumherum" besser zu verstehen. Ihr hier im Forum habt mir schon mal sehr weitergeholfen und ich muss erstmal die Basics auf die Kette kriegen :). Nochmals Danke! Ach ja, die 5V ergeben sich daraus, dass das Ganze als Hardware-Erweiterung an einem C64 laufen soll :)
:
Bearbeitet durch User
Michael schrieb: > Ach ja, die 5V ergeben sich daraus, dass das Ganze als > Hardware-Erweiterung an einem C64 laufen soll :) In dem Falle wäre ein Rail-to-Rail-Operationsverstärker (R2R OP) zu empfehlen. Erklärung siehe 2006 dort: Beitrag "OP was ist Rail to Rail" Dort sind ein paar Typen genannt: Beitrag "guter Rail to Rail Opamp" Gute Typen vorzuschlagen können andere hier im Forum vermutlich besser.
Dieter D. schrieb: > Das ist so einfach zu widerlegen: > > Andreas B. schrieb: >> grün: bei 1uA und Tageslicht noch gut sichtbar. Bei rot und blau muß man >> dann schon auf 7uA aufdrehen. Gelb sieht ganz schlecht aus: 50uA. >> >> Als Vergleich eine 5mm weisse LED: 50uA bei Tageslicht gut sichtbar. Dieter wenn man schon versucht durch einen einfachen Link etwas zu beweisen/widerlegen, dann sollte man sich die Quelle zuvor auch mal durchlesen und verstehen. Speziell bei Letzerem gibt es bei Dir ganz offensichtlich Defizite. Andreas hat das mit SMD-LED gemacht. Die brauchen tatsächlich weniger Strom, um hell zu leuchten, ebenso das LED-Geraffel was in dem ganzen Blinki-Blinki-Chichi verbaut ist. Die Typen des TO sind bestenfalls Low Current (die leuchten vermutlich bei 50µA erkennbar) - wir wissen es nicht - und bei den Widerständen hat er einfach einen Wert genommen der ihm brauchbar erschien. Ich habe mal eine LED aus meiner Krabbelkiste genommen. Der geneue Typ ist unbekannt, ist ne einfache Standard LED wie man sie in elektronischen Geräten für einfache Anzeigen einsetzt. Bei ~67µA leuchtet sie im abgedunkelten Raum gerade so erkennbar. Bei ~350µA kann man sie gut im abgedunkelten Raum erkennen. Bei ~2mA ist sie auch bei Tageslicht gut zu erkennen, eine Sonnenbrille braucht man aber immer noch nicht. Bei 25µA ist das Ding praktisch aus, da ist auch im abgedunkelten Raum nicht mehr zu erkennen. Deine pauschalisierte Aussage Beitrag "Re: LM358 als Verstärker - stimmt das denn so?" kann man deshalb so nicht stehen lassen. Es hängt halt von der verwendeten LED ab, eine Standard-LED wird in dieser Konfiguration mit 3-4V bestenfalls glimmen.
von Michael schrieb: >Ach ja, die 5V ergeben sich daraus, dass das Ganze als >Hardware-Erweiterung an einem C64 laufen soll :) Der C64 hat auch noch 9V~ , daraus kann man mit einen Spannungsverdopplungsgleichrichter auch 18V machen. Siehe hier Seite 84: http://www.homecomputerworld.at/literatur/c64/Hardware_Basteleien_zum_C64_and_C128_(DE).pdf
Günter L. schrieb: > Siehe hier Den Aufwand hätte man früher gemacht, als es noch keine ordentlichen OpAmps für 5V gab, aber heute kauft man einfach einen geeigneten RailToRail OpAmp.
Heinrich K. schrieb: > Im Ergebnis aber ein minus 12dB pro Oktave Filter. Die anderen > Grundschaltungen aktiver Tiefpässe heissen Tschebyscheff, Bessel, > Sallen-Key und unterscheiden sich schaltungstechnisch zunächst nur durch > die abweichende Einstellung der Verstärkung von "eins". Du verwechselst Schaltung - Sallen-Key ist eine - mit Filterfunktionen (Filterverhalten). Butterworth, Tschebyscheff, Bessel ... und weiteren sind Filterfunktionen, keine (Grund-)Schaltungen. Leider ist das ein Fehler der sich immer weiter verbreitet, weil er in sogenannten "Tutorials" im Internet verbreitet wird und die Leute die solche "Tutorials" schreiben ahnungslos voneinander abschreiben. Irgendwie glauben diese Leute auch Sallen-Key wäre die einzige Schaltung mit der man aktive Filter bauen kann. Zum Spaß habe ich zwei LTSpice-Simulationen von Sallen-Key Tiefpass-Filtern angehangen. Einer ist ein Bessel-Filter, der andere ein Tschebyscheff-Filter mit 3dB Welligkeit im Durchlassbereich. Beide sind Sallen-Key-Filter die unterschiedliche Filterfunktionen realisieren. Da ich keine Lust hatte selber zu rechnen habe ich mir die von https://tools.analog.com/en/filterwizard/ generieren lassen. Mit frei erfundenen Parametern. Zum Filter in der gezeigten Schaltung, das Filter ist die Dreifach-Billigversion von Sallen-Key: 1. Gleiche Widerstände: R6 = R7 2. Gleiche Kondensatoren: C3 = C4 3. Verstärkung: Av = 1 Das wird gerne gemacht weil die Berechnung einfacher ist, besonders händisch. Wegen der Vereinfachungen 1. und 2. ist der Gütefaktor Q des Filters Q = 0,5. Etwas Anderes geht geht damit nicht. Q = 0.5 ist ein kritisch gedämpfter Filter - kann man machen. Bessel wäre Q = 1/sqrt(3) = 0,577, also dicht dran. Butterworth wäre Q = 1/sqrt(2) = 0,707. Tschebyscheff ware noch größer. Welcher Bereich müsste ich googlen. Alles aber nicht mehr mit der Einfachversion von Sallen-Key.
Hans schrieb: > LED-Geraffel was in dem ganzen Blinki-Blinki-Chichi Die LED vom Conrad, "Raspberry Pi - verstehen und anwenden" für Raspberry Pi 2 leuchtet sichtbar bei 50µA. Widerlegt werden war notwendig, weil Du mit Deinem Posts, wie zB diesen ... Hans schrieb: > Und da leuchten die LED noch? Kaum vorstellbar. einen TO, der sich neu angemeldet hat, sozusagen diskreditierst, dieser würde hier unwahres äußern oder trollen. Das finde ich nicht gut und auch nicht passend. LED altern auch. Das führt zu einer Erhöhung der Kriechströme in Durchlassrichtung. Den Effekt gab es im Forum auch schon. Aus dem Grunde würde ich Michael empfehlen einen niedrigeren Vorwiderstand von 10kΩ zu verwenden. Da das Auge ein logarithmisches Helligkeitsempfinden hat, sollte er immer noch die Helligkeitsunterschiede ausreichend gut sehen können.
Michael B. schrieb: > Den Aufwand hätte man früher gemacht, als es noch keine ordentlichen > OpAmps für 5V gab, aber heute kauft man einfach einen geeigneten > RailToRail OpAmp. Na ja, mit dem LM358 hat der TS praktisch einen halben Rail-to-Rail. Single-Supply, Eingang bis runter zur negative Betriebsspannung (also 0V bei single Supply), minimale Ausgangsspannung 5mV (typisch), 20 mV (max.). Zu Rail-to-Rail fehlt dass man nicht an die positive Betriebsspannung ran kommt, sondern 1,5V - 2V drunter bleiben sollte. Versorgungsspannung single Supply ab 3V, aber minimum 5V empfohlen. Also so schlecht wie der hier gemacht wird finde ich den in der Schaltung nicht. Ginge besser, aber muss das für die Anwendung?
Hannes J. schrieb: > Du verwechselst Schaltung - Sallen-Key ist eine - mit Filterfunktionen > (Filterverhalten). Butterworth, Tschebyscheff, Bessel ... und weiteren > sind Filterfunktionen, keine (Grund-)Schaltungen. Nö.
Hannes J. schrieb: > Zum Spaß habe ich zwei LTSpice-Simulationen von Sallen-Key > Tiefpass-Filtern angehangen. Hier die vergessenen Anhänge. Heinrich K. schrieb: > Nö. Na dann nicht. Du behauptest also weiter hin >> Die anderen Grundschaltungen aktiver Tiefpässe heissen Tschebyscheff, >> Bessel, Sallen-Key Da kann man dir nicht mehr helfen.
:
Bearbeitet durch User
Hannes J. schrieb: > Na ja, mit dem LM358 hat der TS praktisch einen halben Rail-to-Rail. > Single-Supply, Eingang bis runter zur negative Betriebsspannung (also 0V > bei single Supply), minimale Ausgangsspannung 5mV (typisch), 20 mV > (max.). > > Zu Rail-to-Rail fehlt dass man nicht an die positive Betriebsspannung > ran kommt, sondern 1,5V - 2V drunter bleiben sollte. Versorgungsspannung > single Supply ab 3V, aber minimum 5V empfohlen. Aus Deiner Betrachtung ergibt sich, dass der Signalpegel am Ausgang sehr begrenzt ist. Ich schätze mal, dass bei 3Vss Ende ist und das Signal abkappt. Von daher macht der Einsatz eines aktuelleren R2R-OPs Sinn, oder eben, eine höhere Betriebsspannung zu wählen.
Manfred P. schrieb: > Aus Deiner Betrachtung ergibt sich, dass der Signalpegel am Ausgang sehr > begrenzt ist. Ich schätze mal, dass bei 3Vss Ende ist und das Signal > abkappt. Von daher macht der Einsatz eines aktuelleren R2R-OPs Sinn, > oder eben, eine höhere Betriebsspannung zu wählen. Warum? Oben wurde ja bereits geschrieben, das damit ein "Digitizer am C64", also ein ADC betrieben werden soll. Vielleicht reichen dem (ungenannten Typ) ja bereits die 3Vss zum Vollausschlag.
Andreas M. schrieb: > Manfred P. schrieb: >> Aus Deiner Betrachtung ergibt sich, dass der Signalpegel am Ausgang sehr >> begrenzt ist. Ich schätze mal, dass bei 3Vss Ende ist und das Signal >> abkappt. Von daher macht der Einsatz eines aktuelleren R2R-OPs Sinn, >> oder eben, eine höhere Betriebsspannung zu wählen. > > Warum? Oben wurde ja bereits geschrieben, das damit ein "Digitizer am > C64", also ein ADC betrieben werden soll. Vielleicht reichen dem > (ungenannten Typ) ja bereits die 3Vss zum Vollausschlag. Hallo in die Runde, danke für eure vielen hilfreichen Kommentare! Es ist der AD0804. Auf die Gefahr hin mich komplett lächerlich zu machen, folgende Frage: Brauche ich eigentlich überhaupt eine Verstärkung? Soweit ich das sehe (und das ist wie gesagt alles sehr begrenzt :) kommt aus dem Line-Out meines Kassettenrecorders sowas wie 1V. Damit den ADC zu füttern führt wahrscheinlich zu einer sehr bescheidenen AD-Wandlung, weil er Spannungsänderung von 0.02V erkennen und digitalisieren kann. D.h. ich würde von den 8 Bit nur 6 nutzen. Hätte ich einen externen Verstärker und würde über Speaker Out gehen, sollte ich die nötige Verstärkung doch ebenso - bzw. da es ein Audioverstärker ist, wahrscheinlich besser als der LM358 - hinbekommen, richtig? Oder verstehe ich etwas falsch? Den Tiefpass könnte ich auch über einen Equalizer machen. Also frage ich mich: Warum dem ADC einen OpAmp vorschalten, wenn ich eine Stereoanlage mit EQ habe?
:
Bearbeitet durch User
Am Ausgang wird die Spannung bis zu +/-1V schwanken und der AD-Wandler will Spannungen zzwischen 0-2,5V. Wenn Du mit einem OP nicht den Mittelpunkt verschiebst, fehlen bei der Wandlung alle negativen "Halbwellen" des Audiosignals.
Wenn Dir ein Fehler passiert ist es auch besser Du tötest erst nur den OPV, der sich für den Eingang des Computers opfert.
Michael schrieb: > Brauche ich eigentlich überhaupt eine Verstärkung? Soweit ich das sehe > (und das ist wie gesagt alles sehr begrenzt :) kommt aus dem Line-Out > meines Kassettenrecorders sowas wie 1V. Damit den ADC zu füttern führt > wahrscheinlich zu einer sehr bescheidenen AD-Wandlung, weil er > Spannungsänderung von 0.02V erkennen und digitalisieren kann. D.h. ich > würde von den 8 Bit nur 6 nutzen. DU hast die Geräte, also probiere es aus. DU hast den OP-Verstärker mit LM358 auf dem Tisch, also klemme den an und vergleiche. DU hast modernere OPs bestellt, also baue damit auf und teste. Ich (und andere) kenne keine Details Deiner Anforderung, weshalb sich direkt umsetzbare Schaltungsdetails nicht liefern lassen.
Hans W. schrieb: > Ein Oszilloskop ist hier hilfreich. Ein DSO150 für 30 Euro reicht dazu > schon. Hallo Hans, danke für deinen Hinweis. Meinst Du den Bausatz? https://www.roboter-bausatz.de/p/bausatz-digitales-oszilloskop-dso150-2.4-tft-smd-vorgeloetet?srsltid=AfmBOoq-1CKXcKLpnI-9UTieoIim84L16uHcTcCxASU0hiOdh9gVhKz46Uc
Dieter D. schrieb: > Widerlegt werden war notwendig, weil Du mit Deinem Posts, wie zB diesen > ... > > Hans schrieb: >> Und da leuchten die LED noch? Kaum vorstellbar. > > einen TO, der sich neu angemeldet hat, sozusagen diskreditierst, dieser > würde hier unwahres äußern oder trollen. Das finde ich nicht gut und > auch nicht passend. Hast Du heute zu heiß gebadet? Was soll diese bösartige Unterstellung Deinerseits.
Dieter D. schrieb: > Die erste Verstärkerstufe arbeitet als invertierender Verstärker. > Die zweite Stufe ist ein frequenzabhängiges Filter. > > Mit https://falstad.com/circuit/circuitjs.html kann das schön angesehen > werden. Die Dateien dazu habe ich Dir hier angehängt. Danke, Dieter, für Deine Antwort. Da ich Anfänger bin hab ich noch vier sicher banale Fragen: (1) Der Verstärkungsfaktor dieses invertierenden Verstärkers wäre dann über Poti einstellbar zwischen 1 und 100, richtig? (2) Verstärkungen von >3 sind nicht realisierbar bzw. durch die Eingangsspannung(?) limitiert? (3) Ist dann das Poti mit 100k nicht massiv überdimensioniert? (4) Wäre ein A oder C Poti besser geeignet? Beste Grüße aus Mannheim
:
Bearbeitet durch User
Hans schrieb: > Was soll diese Nach dem Du dem TO mit Deinem Zoff indirekt unterstellst, die LED leuchten zu sehen waere eher eine Fata Morgana, hast Du als Antwort bekommen, wie das bei einem Neuling in der Regel ankommt. Aus Deiner Äußerung und Reaktion zu entnehmen ist, dass Du das gar nicht wolltest. Es ist auch nicht einfach in der Perspektive eines Neulings die Dinge zu betrachten nach vielen Jahren.
Michael schrieb: > (1) Der Verstärkungsfaktor dieses invertierenden Verstärkers wäre dann > über Poti einstellbar zwischen 1 und 100, richtig? Ja, das waere es. Wenn man Erbsenzaehler ist von -1 bis -100, wegen des negativen Vorzeichens vom Invertieren. (2) Verstärkungen von >>3 sind nicht realisierbar bzw. durch die Eingangsspannung(?) limitiert? Je groesser die Verstaerkung, bei desto kleineren Signalen geht der OP- Ausgang in die Saetigung (Anschlag). > (3) Ist dann das Poti mit 100k nicht massiv überdimensioniert? Es wird damit schwer die Verstaerkung genau einzustellen. Wenn nur maximal 10x benotigt wuerde, reicht ein 10k Poti. Noch genauer waere ein Spindelpoti oder Spindeltrimmer zum Einstellen. (4) Wäre ein A oder C Poti besser geeignet? Bleibe erst mal bei dem linearen Poti. Spaeter kann man noch mit einem 100k log Poti vergleichen.
Michael schrieb: > (1) Der Verstärkungsfaktor dieses invertierenden > Verstärkers wäre dann über Poti einstellbar zwischen 1 und 100, richtig? Ja ist richtig. Michael schrieb: > (2) Verstärkungen von >3 sind nicht realisierbar bzw. durch die > Eingangsspannung(?) limitiert? Hängt vom Eingangssignal ab. Wenn es z.b. nur +-10mV sind, dann würde Faktor 100 schon funktionieren. Aber Faktor 100 ist schon ziemlich viel für eine einzelne OPV Stufe, das wäre hier schon arg an der Grenze (Der LM358 hat eine GBW von 700kHz, d.h. 700 kHz / 100 = 7kHz -> Frequenzen über 7kHz würde er nicht mehr mit 100 verstärken. Michael schrieb: > (3) Ist dann das Poti mit 100k nicht > massiv überdimensioniert? Das habe ich beim Anblick der Schaltung auch gedacht, wollte dich aber nicht weiter verwirren. Du könntest auch R1 auf 10k erhöhen. Tatsächlich würde man das Poti ganz anders anordnen, dann brauchts auch kein Log-Poti. Siehe angehangenen Schaltplan. Die "logarithmische" Kennlinie ergibt sich hier automatisch aus der parallel-Schaltung vom Poti-Schleifer und R101. (Siehe Anhang) Da du oben von 2.5V Bereich am Digitizer gesprochen hast, habe ich auch mal die Widerstände für die Referenzspannung angepasst, so dass diese bei ca 1,25V liegt. [edit]: Hintergründe zu der Poti-Schaltung: https://sound-au.com/project01.htm [edit2]: Ich sehe gerade, die Schaltung ist falsch, argh, hab mich bei der Masse vertan.
:
Bearbeitet durch User
Ich glaube so könnts gehen. Wenn du etwas verstärkung brauchst, dann R102 statt 10k z.B. 33k wählen. (Max Verstärkung ist R102/R101)
:
Bearbeitet durch User
Und R103 / R104 sind richtig rum für 1.25V? Spendier ihm noch einen kleinen Abblock-C am Pin3
Andreas M. schrieb: > Ich glaube so könnts gehen. Wenn du etwas verstärkung brauchst, dann > R102 statt 10k z.B. 33k wählen. (Max Verstärkung ist R102/R101) Hi Andreas, vielen Dank für Deine Antwort und Deine Schaltung! Das ist wirklich klasse - ich probiere es heute Abend gleich mal aus.
Ich denke, R103 und R104 sollten ungefähr gleich sein (oder auch R104 etwas kleiner als R103), da Vin_max deutlich unter Vcc ist und Vout unter 0,7 V beschränkte Möglichkeiten hat. Übrigens, warum ausgerechnet LM358? Vor über 50 Jahren gab es wirklich keine Alternative. Heute aber gibt es OV, die viel besser für die Aufgabe passen. Ich würde z.B. OPA1656 nehmen.
:
Bearbeitet durch User
Na nun lass ihn doch erstmal fertig bauen, dass er ein Erfolgserlebnis hat.
Unser Leben ist zu kurz, um die Zeit mit uralten IC zu vergeuden, die eher aus Denkmalschutzgründen noch in Verkauf bleiben. Ich glaube übrigens, LM324/358 kann noch gut etwa als LED-Treiber dienen. Aber schon in keinem Fall für Audio. Aber auch als LED-Treiber gibt es heutzutage vieles, was besser arbeiten kann...
:
Bearbeitet durch User
Hallo in die Runde, ja, wie es der ths23 sagte, ich muss erstmal gaaanz kleine Schritte gehen, damit ich nicht auf die Schnauze falle :) - Danke für Eure sehr lehrreiche und geduldige Hilfe Ich habe mal den ersten Teil der Schaltung in https://www.falstad.com/ simuliert. Ich habe das Poti mal rausgelassen. Laberkopp folgend, habe ich am Knoten R4/R5 einen 10uF Kondensator hinzugefügt. Um das line-Out Audiosignal als Input zu simulieren, habe ich eine 1V AC mit 1kHz genommen (oder ist das kompletter Unsinn?!) und mir Input/Output anzeigen lassen. Was ich sehe ist, (1) das Signal wird verstärkt auf max. 4.3V und (2) das Outputsignal liegt jetzt komplett im positiven Bereich. Der Kurzlink zur Simulation: https://is.gd/KIKhSO - zur Sicherheit auch noch mal als .txt für die falstad.com-Seite angehängt.
:
Bearbeitet durch User
Michael schrieb: > Ich habe mal den ersten Teil der Schaltung in https://www.falstad.com/ > simuliert. Sehr interessante Seite. Leider fand ich dort keine Möglichkeiten, bestimmte OV zu wählen. Wenn diese Möglichkeit nicht vorhanden, bleibt Simulator eher nur theoretisch nützlich. Ich fand dort nur etwas über 741 OV, das reicht nicht. D.h. Beschränkungen, welche reale OV bringt, werden nicht berücksichtigt. Aber immer noch besser als nichts.
Michael schrieb: > Was ich sehe ist, (1) Klar, Falstadt verwendet ideale Operationsverstärker. Der LM324 ist alles andere als ideal.
Anbei die gesamte Schaltung zum Simulieren. In dem Falle habe ich auch die 0,5V Offset des OP-Ausganges mit eingebaut, damit die Verzerrungen auch sichtbar werden. https://is.gd/XWWb6Q
Maxim B. schrieb: > Aber immer noch besser als nichts. Falstad ist für den Einstieg recht praktisch, wenn es darum geht ein paar Schaltungsgrundlagen anschaulich darzustellen und auszuprobieren, wie sich was ändert. Die Modelle sind jedoch idealisiert.
Dieter D. schrieb: > Die Modelle sind jedoch idealisiert. Es gibt Micro-Cap 12. Die Entwicklung zwar eingestellt, dafür aber Programm frei gemacht. Dort kann man mehr machen. Trotzdem überprüfe ich analoge Schaltungen lieber physisch. Ich habe einen Satz von Geräten und somit geht es sicherer: sonst fragt man sich, ob die Schaltung wirklich so arbeitet oder nur die Modelle ungenau. Auch für TO würde ich raten: Frequenzgenerator + Oszilloskop sind besser als vereinfachte Simulator. Ich selbst mag gerne Spielzeuge, so habe ich im Herbst schon 3.Oszilloskop angeschafft. Diesmal ist das DOV2504FLA von Voltkraft. Etwas zu kleine Bildschirm, und keine Befestigung für "Arm", ansonsten zufrieden: 4 Ch, 12 Bit, 16 digitale Ch. und noch Frequenzgenerator drin! Aber TO braucht wahrscheinlich etwas einfacheres zuerst.
:
Bearbeitet durch User
Übrigens zwischen Pin 4 und 8 wird in der Regel noch ein kleiner Glättungskondensator geschaltet, weil ohne diesen könnten die OP zu schwingen anfangen.
Beitrag #8026842 wurde vom Autor gelöscht.
Maxim B. schrieb: > Trotzdem überprüfe ich analoge Schaltungen lieber physisch. Richtig, da ist der Michael inzwischen falsch abgebogen. Er hat einen nicht funktionierenden Aufbau zu den Gründen Hinweise bekommen. Anstatt das zu verfolgen und real zu probieren, wird nun diverses Wenn und Aber palawert und über Simulation gekaspert. Ich glaube, dass ich gestern ähnliches schrieb: Aufbau korrigieren und ausprobieren. Das müsste dann zu konkreteren Fragen führen, die ich nicht sehe. Maxim B. schrieb: > Auch für TO würde ich raten: Frequenzgenerator + Oszilloskop sind besser > als vereinfachte Simulator. Ob er hat / damit umgehen kann?
Maxim B. schrieb: > Auch für TO würde ich raten:... Das kommt alles spaeter. Es ist auch eine Kostenfrage. Der Junge aus der Gruenwalder Villenstrasse hatte gleich gscheides Oszi und Generator. Mit solchen Anspruechen ueberfordere ich zumindest keinen, der erste Schritte versucht. Am Anfang sind erst mal Steckboards und einfacher Simulator angesagt. Der erste Funktionsgenerator liefert erst mal nur Rechteck und besteht aus einem NE555. Oder alternativ mit einem OP.
Axel R. schrieb: > Und R103 / R104 sind richtig rum für 1.25V? Spendier ihm noch einen > kleinen Abblock-C am Pin3 Danke für den Hinweis, da hab ich mich in der Schnelle auch vertan, müssen vertauscht werden...
Michael schrieb: > Hi Heinrich, > danke für Deine sehr hilfreichen Ausführungen! Ich meine, dass für den > Einsatz des Tiefpassfilters nicht die Langsamkeit des C64 > ausschlaggebend ist, sondern der begrenzte Speicherplatz. > Viele Grüße Der A/D-Wandler hat eine "Conversion Time" von 100 Mikrosekunden, kann also pro Sekunde zehntausend 8-bit-Werte ausgeben. Das ist kein Flash-Wandler, sondern ein antiker Wandler, der nach dem Prinzip "sukzessive Approximation" arbeitet. Das Shannon-Theorem besagt unter anderem, daß die Abtastrate mindestens doppelt so hoch, wie die höchste Eingangsfrequenz sein muss. Ergebnis: 5 kHz. Der ADC0804 beinhaltet keinen Sample-and-Hold, d. h. sein analoges Eingangssignal darf sich während der gesamten Wandlung eines einzelnen Wertes nicht ändern. Der aktive Tiefpassfilter stellt hier nur einen ganz billigen Kompromiss dar. Der Vorverstärker sitzt da unter anderem, weil an den Eingang auch wesentlich schwächere Quellen angeschlossen werden können, der reicht gerade so für ein laut besprochenes Elektretmikrofon.
Selbst in Mikrokontroller eingebauten ADC haben heute bessere Werte. Auch alles was dazu gehört wie z.B. Sample-and-Hold gibt es dann auf dem Chip. Ob es sich lohnt, solch alte ADC zu nehmen?
:
Bearbeitet durch User
Maxim B. schrieb: > Ob es sich lohnt,... Beim Spaß am Basteln ist das nicht weitere relevant. Außerdem durchaus interessant zu erleben, was früher schon möglich war. Die Tonqualität liegt im Bereich der früheren Telefone, die auch nur bis 4 kHz gingen. Oder genauer: Frühere analoge Telefonnetze übertrugen Sprache in einem begrenzten Frequenzband von ca. 300 Hz bis 3,4 kHz, um die Leitungskapazität optimal zu nutzen.
Dieter D. schrieb: > rühere analoge Telefonnetze übertrugen Sprache in einem > begrenzten Frequenzband von ca. 300 Hz bis 3,4 kHz Ich glaube, elektrodynamischen Kopfhörer konnten sowieso nicht mehr. Und für Gespräch reicht das eigentlich. Ich hatte noch als Kind solch Kopfhörer, in Helm von Panzer eingebaut. 3,2 kOhm war innere Widerstand, deshalb paßte der sehr gut für Kristallradioempfänger. Um deutlicher zu machen: c5, höchste Taste von Klavier, hat bei a1=440 Hz 4186 Hz, dabei nicht alle Menschen können diese Frequenz als bestimmte Tonhöhe erkennen. Manche alten Pianos haben als höchste Taste nur a4, 3520 Hz. Was über ist, wirkt zwar auf die Klangfarbe, steht aber schon über nutzbaren musikalischen Frequenzbereich (nach Tonhöhe). 4186/3400 ist zwischen Kleinterz und Großterz. So kann man sehen, daß in diesem Frequenzbereich auch Musikübertragung möglich ist, wenn auch in Baßbereich nur Obertöne zu hören werden (ein kurzsaitiges Piano gibt in Baß sowieso nur Obertöne, Grundton entsteht erst in unserem Ohr als Kombinationston).
:
Bearbeitet durch User
Moin in die Runde, ich habe weitere Versuche gemacht und den 1. Teil des LM358 zum Verstärken gebracht. Einzig die R4/R5 an LM358-Pin3 will noch nicht funktionieren - aber evtl. liegt das an meiner Spannungsversorgung. Was funktioniert ist ein 10uF Kondensator von Masse zu Pin3. Getestet über Kopfhörer. Das Teil verstärkt das Signal massiv. Brummen etc. hält sich eigentlich in Grenzen und ich bin von der Qualität eher positiv überrascht (nachdem was ich alles so gelesen habe). Was manchmal passiert ist, dass das Teil anfängt rhythmisch zu Rauschen (immer lauter-werdend, bis es wirklich brummt). Dann hilft nur ein Ziehen der GND und neu stecken. Dieter D hat ja angemerkt, dass ein Glättungskondensator zwischen Pin8 & 4 helfen könnte. Habs mal mit kleineren Kondensatoren versucht (also Pin 4 und 8 mittels kleinem Kerko verbunden) - leider mit keinem Effekt. Vielleicht liegt aber auch das an meiner Umgebung (Wohnzimmer, Mehrfachsteckerleiste mit Aquarium dran etc.). Hab mir mal ein Labornetzteil bestellt. Mal sehen, ob es damit besser geht. Ich habe auch gemerkt, dass die kurzen Jumper häufig mal kaputt sind und schlechter funktionieren als die längeren Verbinder. Ein paar Fragen habe ich an Euch: 1) sollte ich Kondensatoren in die +/- Steckboard-Leitung stecken um die Spannungsversorgung des Boards zu stabilisieren (Bild 2)? Wenn ich mehrere reinstecke, entspricht das einer Parallelschaltung, richtig? Die erhöht die Kapazität. 2) Ich habe ja zwei separate Spannungsversorgungen am Board (dieses Billignetzteil Modul für Breadboards). Ich habe festgestellt, dass es einen Unterschied macht, ob die die GND an die ein oder andere Seite stecke. Auf was sollte man da achten? Gibt es da Regeln? Ist es besser, alles an eine Spannungsversorgung zu verbinden oder wann sollte man trennen? 3) Keine Ahnung, ob es reine Einbildung ist, aber ich meine, wenn ich 2 Kondensatoren (siehe Bild 3) mit Pin3 verbinde, dann ist das oben beschriebene immer lauter-werdende rhythmische Rauschen fast weg. Ist das auch eine Parallelschaltung mit Erhöhung der Kapazität? Das sind 2x 10uF. Vielleicht sollte ich mir Kondensatoren mit höherer Kapa besorgen? 4) Den Kondensator an Pin 8: Habe ich das richtig gemacht? Ach ja, noch ein paar Nachträge: A) Bei meinem ersten Beitrag ganz oben habe ich als Signal irrtümlicherweise nicht line-Out sondern Speaker-Out angeschlossen - das ist ein 8-Ohm Ausgang. Deshalb haben wohl meine LEDs trotz 47k geflackert :) - jetzt flackert das gornix mehr (nicht auf dem Foto) ;) B) Ich habe gelesen, dass bei Nutzung nur eines OPV die andere Seite deaktiviert werden sollte (Mute Circuit). Das habe ich auch ausprobiert (nicht auf dem Foto) - habe aber keinen Unterschied gemerkt. C) Die Frage nach der Sinnhaftigkeit eines 8-Bit Digitizers für einen 40 Jahre alten Homecomputer im Jahre 2026 ist - ich kann es nicht leugnen - mehr als legitim :) - ist bei mir eine Herzensangelegenheit. Ich interessiere mich für die Geschichte der Sprach-Digitalisierung in Computerspielen und habe daaamals in den End-80er einen 2-Bit Digitizer für meinen C64 benutzt. Daher das Interesse. Vielen Dank für jede Hilfe Michael
:
Bearbeitet durch User
Ach ja: Wenn ich einen kleinen Widerstand (100R) an den GND Pin des LM358 setze, reduziert das das Rauschen auch nochmal. Das ist gut zu hören, wenn man "Stille" stark verstärkt. Auch an anderen Stellen (z.B. am negativen Pol von C1) haben 100R Widerstände zur GND gesteckt eine positive Wirkung auf die Audioqualität. Wie kommt das? Ist das Trial&Error oder gibt es da Regeln an denen man sich orientieren kann?
von Michael schrieb: > Was manchmal >passiert ist, dass das Teil anfängt rhythmisch zu Rauschen (immer >lauter-werdend, bis es wirklich brummt). Dann hilft nur ein Ziehen der >GND und neu stecken. Ist ein Zeichen von Instabilität, die Schaltung fängt an zu schwingen. Ein Oszillograf kann das sichtbar machen. Manche Steckboards haben unten eine Aluplatte, es ist von Vorteil diese auf Masse zu legen. Und Signalleitungen an Eingang und Ausgang sollten abgeschirmt sein. Die Betriebsspannung am IC sollte immer einen Stützkondensator haben. >Das Teil verstärkt das Signal massiv. Einzig das Gegenkopplungsnetzwerk bestimmt die Verstärkung, wenn das scheinbar nicht so ist, ist daß ein Zeichen von HF-Schwingen. Es ist dann so als ob die Schaltung dann nicht mehr richtig verstärkt.
Michael schrieb: > Ein paar Fragen habe ich an Euch: > 1) sollte ich Kondensatoren in die +/- Steckboard-Leitung stecken um die > Spannungsversorgung des Boards zu stabilisieren (Bild 2)? Wenn ich > mehrere reinstecke, entspricht das einer Parallelschaltung, richtig? Die > erhöht die Kapazität. > > 2) Ich habe ja zwei separate Spannungsversorgungen am Board (dieses > Billignetzteil Modul für Breadboards). Ich habe festgestellt, dass es > einen Unterschied macht, ob die die GND an die ein oder andere Seite > stecke. Auf was sollte man da achten? Gibt es da Regeln? Ist es besser, > alles an eine Spannungsversorgung zu verbinden oder wann sollte man > trennen? > > 3) Keine Ahnung, ob es reine Einbildung ist, aber ich meine, wenn ich 2 > Kondensatoren (siehe Bild 3) mit Pin3 verbinde, dann ist das oben > beschriebene immer lauter-werdende rhythmische Rauschen fast weg. Ist > das auch eine Parallelschaltung mit Erhöhung der Kapazität? Das sind 2x > 10uF. Vielleicht sollte ich mir Kondensatoren mit höherer Kapa besorgen? > > 4) Den Kondensator an Pin 8: Habe ich das richtig gemacht? zu 1) Ja, das ist richtig. -Und es verringert den ESR. zu 2) Ja, es gibt da Regeln. Hinweis: google mal nach "zentralen Massepunkt" gleich "Sternmasse" etc. zu 3) Das wird keine Einbildung sein. Gerade alte Tantalkondensatoren haben einen relativ hohen ESR von 1... 2,5 Ohm (Electrical Series Resistance) und bei parallelschaltung halbierst du den und die Entkopplung der Speisespannung wird besser, weil niederohmiger. zu 4) Das kann ich nicht so genau sehen. Erstens sieht man die Polung aller Tantal-C auf deinen Fotos nicht - und dann ist mir nicht klar welche Reihe Masse ist? Kannst Du das mal mit einen/zwei? Pfeilen im Foto markieren? Dann können Dir auch Leute hier mit einer besseren Masseführung weiterhelfen. Michael schrieb: > B) Ich habe gelesen, dass bei Nutzung nur eines OPV die andere Seite > deaktiviert werden sollte (Mute Circuit). Das habe ich auch ausprobiert > (nicht auf dem Foto) - habe aber keinen Unterschied gemerkt. Das Du das als Unerfahrener nicht merkst, heißt nicht, dass Du richtig liegst. Immer den Ausgang eines nichtbenutzen OPV mit den -Eingang verbinden (Kurzschluss oder auch über irgendeinen Widerstand). Und den +Eingang möglichst auf Masse, als zweite Wahl auf eine Speisespannung legen. Hält man sich nicht daran, kann das auch zu Schwingen führen. Alles in allem scheinen deine Probeme relativ klein zu sein. Hast Du einen erfahrenen Bastler oder einen Ingenieur in deiner Wohngegend? Der bringt Dir innerhalb einer Stunde alles supi zum laufen und erklärt Dir vieles mündlich, was hier viel länger dauert. Oder online suchen. https://www.youtube.com/watch?v=YTuF0Ll8JDE Habe ich mir nicht angesehen... aber ist vielleicht etwas zum Thema. Ansonsten - in Berlin würde ich Dir meine Hilfe anbieten.
Michael schrieb: > also Pin 4 und 8 mittels kleinem Kerko verbunden Haufig waren hierfuer Keramikkondensatoren mit 100nF...470nF verwendet worden. https://www.elektronik-kompendium.de/public/schaerer/opa1.htm Block-/Stütz-Kondensatoren: In den Schaltbildern nicht gezeichnet sind Kerko mit einer Kapazität von typisch 100 nF zwischen +Ub und GND und -Ub und GND direkt bei den Opamps. Am Eingang des Experimentierboards empfiehlt sich je ein Elko mit 10 bis 100 µF ebenfalls zwischen +Ub und GND und -Ub und GND. Diese Massnahmen unterstützen die Funktionsstabilität. Vor allem die Kerko sind wichtig! Vereinzelt werden auch 1000nF, bzw. 1uF, empfohlen, wenn der OPV-Ausgang staerker belastet wird.
Lothar schrieb: > zu 4) Das kann ich nicht so genau sehen. Erstens sieht man die Polung > aller Tantal-C auf deinen Fotos nicht - und dann ist mir nicht klar > welche Reihe Masse ist? Kannst Du das mal mit einen/zwei? Pfeilen im > Foto markieren? > Dann können Dir auch Leute hier mit einer besseren Masseführung > weiterhelfen. Vielen Dank für den Hinweis. Hab ich gemacht. Hoffe, jetzt wird es deutlich.
Mein Tipp wäre, keine Steckplatte (Breadboard) zu nutzen. Wenn man eine LED Blinkschaltung baut, mag das noch ok sein. Wenn aber NF oder gar HF Signale im Spiel sind, empfehle ich doch den Lötkolben anzuheizen und im "Manhatten Style" auf eine durchgehend kupferkaschierte Platte zu bauen. Kurze Wege zur Massefläche (Fläche!) und kurze Verbindungen zwischen den Bauteilen sind da von selbst gegeben. Schwingneigung oder Brumm- und HF Einstreuungen werden so vermieden. Alles Eigenschaften, die einen beim Breadboard u.U. in den Wahnsinn treiben.
:
Bearbeitet durch User
Es fehlt ein Ablockkondensator über R5! Wert 4,7...47µF. Pluspol am Knotenpunkt R4/R5. Minus an Masse. Der schlimmste Fehler aber: Es fehlt außerdem ein Auskoppelkondensator am Pin 5 des OPV zur Kopfhörerbuchse hin. So bekommt der Kopfhörer immer eine DC-Spannung von +2,5 Volt ab und sieht bei einen 32 Ohm Kopfhörer schon mal permanent 78 mA von den +5V her!! Mal ins Datenblatt geschaut? https://www.ti.com/product/de-de/LM358 Der LM358 hat aber einen maximalen Ausgangsstrom von? Na? 30 mA aua! - da scheint was nicht so richtig gut zu gehen!! Irgendwie widersprüchlich und grau ist alle Simulation...-wenn man nicht selber mitdenkt. Sprich, der IC geht in die Strombegrenzung und wenn überhaupt kannst Du etwas ins negative aussteuern, die positive Halbwelle wird abgeschnitten. Klirfaktor geschätzt 100% und mehr Ohrenschmerzen ganz groß - Aua, aua. Also entweder Auskoppelkondensator (220...1000 µF, Pluspol an den IC) oder mit plus UND MINUS 5 Volt arbeiten! Dann Pin 3 direkt an Masse legen. Hast Du das verstanden? Wofür entscheidest Du dich? Nur +5 Volt oder +-5Volt?
:
Bearbeitet durch User
Bei einer Simulation IMMER MIT Lastwiderstand und Quellwiderstand simulieren!
Um kurze Leitungen zu haben verlaengerte ich meistens die Beinchen am Kondensator um diesen quer über den Chip ins naechste Loch bei Pin 4 & 8 zu stecken
Danke, Lothar, für Deine ausführlichen Hinweise. Ich bin mir nicht 100% sicher, ob ich alles richtig verstehe. Aber ich versuche es! Lothar schrieb: > Es fehlt ein Ablockkondensator über R5! Wert 4,7...47µF. Pluspol am > Knotenpunkt R4/R5. Minus an Masse. Ich nehme an, Du beziehst Dich auf das Schaltbild ganz am Anfang (Bild "schaltung_upg" vom 21.03.2026). Ja, das werde ich ausprobieren. > > Der schlimmste Fehler aber: > Es fehlt außerdem ein Auskoppelkondensator am Pin 5 des OPV zur > Kopfhörerbuchse hin. So bekommt der Kopfhörer immer eine DC-Spannung von > +2,5 Volt ab und sieht bei einen 32 Ohm Kopfhörer schon mal permanent 78 > mA von den +5V her!! Danke für diesen Hinweis. Hier bin ich mir unsicher. Im Schaltbild ist am Pin5 ein .001uF Kondensator. Meinst Du, dass dieser zu gering gewählt ist? Und: Ich habe jetzt erstmal nur den 1. Teil der Schaltung aufs Board gebracht, da ich es vorher nicht zum Laufen bekommen habe. Ich nutze also im Moment nur den 1.OVA. Pin5 (also 2. OVA) ist nicht mit der Kopfhörerbuchse verbunden. Warum bekommt der Kopfhörer dann +2.5V ab? Sorry, wenn ich hier auf der Leitung stehe. > > Mal ins Datenblatt geschaut? > https://www.ti.com/product/de-de/LM358 > > Der LM358 hat aber einen maximalen Ausgangsstrom von? Na? > > 30 mA aua! - da scheint was nicht so richtig gut zu gehen!! Irgendwie > widersprüchlich und grau ist alle Simulation...-wenn man nicht selber > mitdenkt. > Sprich, der IC geht in die Strombegrenzung und wenn überhaupt kannst Du > etwas ins negative aussteuern, die positive Halbwelle wird > abgeschnitten. Klirfaktor geschätzt 100% und mehr Ohrenschmerzen ganz > groß - Aua, aua. Bei meinem 2. Versuch (Post von 26.03.2026 00:40) mit dem Foto "Board2" ist eine Verstärkung über das Poti regelbar. Die Audioqualität ist erstaunlich gut. Klar, ab einem bestimmten Punkt der Verstärkung geht das in die Sättigung und das gibt Ohrenschmerzen. Aber im Bereich einer 1/4 Drehung am Poti ist alles prima. > > Also entweder Auskoppelkondensator (220...1000 µF, Pluspol an den IC) > oder mit plus UND MINUS 5 Volt arbeiten! Also, den Kondensator einzufügen kann ich probieren. In der Originalschaltung (Bild: "schaltung_upg" ganz am Anfang) ist da ja ein .001uF drin. Du meinst ich sollte eine deutlich höhere Kapazität wählen, wenn ich die Gesamtschaltung aufbaue (beide OVA), richtig? Ok, wenn ich den 1. OVA richtig hab, werde ich das machen. Wenn ich Deinen 2. Ratschlag befolgen möchte (plus & minus 5 Volt): Was müsste ich denn hierfür machen? Sorry für mein geballtes Unwissen. > Dann Pin 3 direkt an Masse legen. > > Hast Du das verstanden? Wofür entscheidest Du dich? Nur +5 Volt oder > +-5Volt? So halb.... ist mir ja auch unangenehm. Umso toller, dass Du mir hier hilfst. Oben schreibst Du, ich kann entweder den Auskoppelkondensator an Pin5 schliessen oder mit +/- 5V arbeiten. Wenn es tatsächlich ein entweder/oder ist und das Ergebnis vergleichbar, dann erscheint mir das Stecken eines größeren Kondensators die schnellste Lösung. Interessieren würde mich Variante +/- 5V aber trotzdem. Wie gesagt, bitte nicht ärgern über mein Nachhaken. Ich bin wie gesagt noch ganz am Anfang. Beste Grüße Michael
:
Bearbeitet durch User
Stefan M. schrieb: > Mein Tipp wäre, keine Steckplatte (Breadboard) zu nutzen. > Wenn man eine LED Blinkschaltung baut, mag das noch ok sein. > Wenn aber NF oder gar HF Signale im Spiel sind, empfehle ich doch den > Lötkolben anzuheizen und im "Manhatten Style" auf eine durchgehend > kupferkaschierte Platte zu bauen. > Kurze Wege zur Massefläche (Fläche!) und kurze Verbindungen zwischen den > Bauteilen sind da von selbst gegeben. > Schwingneigung oder Brumm- und HF Einstreuungen werden so vermieden. > Alles Eigenschaften, die einen beim Breadboard u.U. in den Wahnsinn > treiben. Danke Stefan! Ja, das werde ich auf jeden Fall in einem nächsten Schritt machen.
Michael schrieb: >> Also entweder Auskoppelkondensator (220...1000 µF, Pluspol an den IC) > > Also, den Kondensator einzufügen kann ich probieren. In der > Originalschaltung (Bild: "schaltung_upg" ganz am Anfang) ist da ja ein > .001uF drin. Der hat aber nichts mit dem von Lothar angesprochenem Auskoppelkondensator zu tun: der gehört zwischen Pin 7 (OP-Ausgang) und Last.
Dietrich L. schrieb: > Der hat aber nichts mit dem von Lothar angesprochenem > Auskoppelkondensator zu tun: der gehört zwischen Pin 7 (OP-Ausgang) und > Last. Ja, aber der othar hat von Pin5 gesprochen. Es ist halt immer ganz praktisch, einen Hinweis darauf zu geben, worauf man sich eigentlich bezieht ...
Lothar schrieb: > Und den +Eingang möglichst auf Masse, als zweite Wahl auf > eine Speisespannung legen. Jein. Hier im speziellen Fall für LM358/LM324 (ab Seite 27): https://www.ti.com/lit/an/sloa277b/sloa277b.pdf?ts=1774494752380 rhf
Lothar schrieb: > Das Du das als Unerfahrener nicht merkst, heißt nicht, dass Du richtig > liegst. Immer den Ausgang eines nichtbenutzen OPV mit den -Eingang > verbinden (Kurzschluss oder auch über irgendeinen Widerstand). Und den > +Eingang möglichst auf Masse, als zweite Wahl auf eine Speisespannung > legen. > Hält man sich nicht daran, kann das auch zu Schwingen führen. Danke, Lothar, für Deinen Kommentar. Eingang und Ausgang des unbenutzen OVAs (Pin6 & 7) sind kurzgeschlossen (siehe Foto "Board2"). Pin5 (+Eingang) auf Masse werde ich hinzufügen. Besten Dank für Deine Hilfe, Lothar! Ich wohne in Mannheim. Berlin ist da nicht gerade um die Ecke. Aber ich bin jedes Jahr Ende November für ein paar Tage in Berlin. Da könnte ich mal vorbeischneien :) Danke für das tolle Angebot.
Die Variante mit+- 5 Volt ist die, die mehr Ausgangsspannung = höherer Leistung am Kopfhörer bringt. Und als alter Hifi-Fan, weiß ich das jeder Kondensator im Signalweg den Klang schlechter macht. Und jeder Koppelkondensator beschneidet den Frequenzgang nach unten zu den Bässen hin. Die 0,001µ = 1nF (C3, ich beziehe mich auf die allererste Schaltung) sind Teil des aktiven Filternetzwerkes). Kann man erst mal so lassen. @Roland F.: "Vertrauen sie mir, ich weiß was ich tue!" Und ich weiß nach vielen Jahren Elektronikerfahrung, dass ich besser als so mancher Jungingenieur bei TI bin, der dann solche Paper schreiben muss.
Lothar schrieb: > Und ich weiß nach vielen Jahren Elektronikerfahrung, dass ich besser als > so mancher Jungingenieur bei TI bin, der dann solche Paper schreiben > muss. Und demonstrierst mal wieder mit Deinem Seitenhieb auf TI, das Du überhaupt nix auf die Kette kriegst. Geschweige denn verstanden hast, warum TI das empfiehlt. Das von Roland zitierte https://www.ti.com/lit/an/sloa277b/sloa277b.pdf?ts=1774494752380 ist exakt das richtige Vorgehen: Nie den unbenutzen nicht-inv. Eingang direkt hart auf Masse legen, sonndern IMMER einen Widerstand einbauen, typ. 10k. > Und ich weiß nach vielen Jahren Elektronikerfahrung, dass ich besser als > so mancher Jungingenieur bei TI bin, Und Deine überhebliche Arroganz übersieht mal wieder, das dies obige Paper von einem altgedienten sehr erfahrenen TI Appl. Ing verfasst wurde. Aber mach weiter so, wir alle wissen das Du das obige garnicht annimmst weil Du zu starrsinnig im Denken bist.
Lothar schrieb: > oder mit plus UND MINUS 5 Volt arbeiten! Lieber Lothar, das Ganze wird ja ein 8-Bit Digitizer für den C64 und wird am Userport des C64 angeschlossen. Dort stehen +5V und GND zur Verfügung. Viele Grüße, Michael
Einen wunderschönen Sonntagmorgen! Nachdem Andrew T. so richtig schön Schaum vorm Mund hatte... habe ich mir das nochmal ganz genau bei TI durchgelesen. https://www.ti.com/lit/an/sloa277b/sloa277b.pdf?ts=1774494752380 Punkt 7.1. und antworte wie gewohnt immer schön sachlich und ruhig. Es geht um die Begrenzung der Eingangströme in obskuren Betriebszuständen auf unter 10 mA. Der LM358 hat vom jeden Eingang nach GND eine Diode, gut zu sehen in Figure 6.2. Katode am Eingang, Anode an GND. Also kann diese Diode nur leiten, wenn die Eingangsspannung mehr als 0,5 V negativer als GND wird. Hmm, wie soll das passieren, wenn wir mit GND und Plus fünf Volt arbeiten und der +Eingang beim unbenutzen OPV direkt an GND angeschlossen ist? (Für den Fall von Michael der ja nur mit +5V und GND arbeitet, brauchen wir das; wie von mir mit meiner überheblichen Arroganz beschrieben, also schon mal nicht.) Scheint sehr unlogisch, oder GND ist GND? Wie soll GND negativer als GND werden? Aha, da rettet sich der Jungingenieur und Bedenkenträger mit der Idee, das ja auf der Masseleitung Spikes auftreten könnten... nicht ganz schlecht, die Idee. Das setzt nur ein absolut grottenschlechtes Design und sehr lange und extrem ungünstige Masseführung voraus. Normalerweise baut niemand sowas, das auf den SEHR kurzen Verbindungen zwischen Pin 4 und den +Eingangspins Pin 4 nach Pin 3 < 1mm! oder Pin 4 nach 5 < 3mm solche Spannungen auftreten. Ich glaube, das würde sogar RICHTIG schwierig werden, wenn man es mit Absicht machen wöllte! und dann darf die induzierte Spannung ja auch nicht bei 10 mA zusammenbrechen.... Dann gibt es im Absatz 7.2 noch die Alternativerklärung, das ja +UB negativ werden könnte und andere obskure Möglichkeiten ( z.B. Pin 4 ist an -5 V und wird positiv/positiver als GND). JA - WENN das passiert, dann bekommen einige Schaltkreise wohl falsche Polungen an den Speisespannungen - UND SIND AUCH MIT EINGANGSCHUTZ HIN, einfach weil fasch gepolt. Dann werden intern andere Transitoren zerstört. So jetzt kommt das, was der alte Profi Lothar lieber macht und besser findet. Ich kenne nämlich durchaus komische Bootstrapeffekte durch Elkos an Speisespannungen bzw. böse Schwingvorgänge durch hot plugging dort. Ich verbaue fast immer über jede Speisespannung eine Schottky-Diode. Katode an Plus, Anode an Masse. Bzw. Anode an Minus Katode an Masse für die negativen Spannungen. Man kann sich fast nicht vorstellen, wie das die Ausfallraten senkt. Ich kann das nur jeden empfehlen mit Schutzdioden an Speisepannungen nicht zu sparen. Auch über Spannungsregler zwischen deren Ein- und Ausgang, um die Regler vor Falschpolung zu schützen. Es lohnt sich langfristig extrem. Den vomn TI-Jungingenieur vorgeschlagenen Widerstand, werde ich auch in Zukunft nicht verbauen. Die Dioden über die Speisespannungen schützen besser. Hart und lange erarbeitetes Selbstvertrauen ist im übrigen keine Arroganz, sondern einfach Wissen und Vertrauen zu den eigenen Fähigkeiten und zum Ergebnis des eigenen selbstständigen Denkens. Und da kann man auch mal kitisch drüber nachdenken, was ein Mensch der so ist wie Du und ich, so schreibt. Und er muss nicht besser sein, weil er bei TI arbeitet. Schöne Grüße Lothar
Lothar schrieb: > Wie soll GND negativer als GND werden? Das gibt es öfters bei größeren Schaltungen, wo auch mehrere Platinen dicht gepackt nebeneinender im 19'' Gehäuse sitzen. Wenn bei Ausfall automatisch umgeschaltet werden soll und noch Hotplug-Platinentausch möglich sein soll, dann wirst Du immer solche Dinge berücksichtigen müssen. Bei billigen Konsumerprodukten ist dem Hersteller nur wichtig, dass die Gewährleistungszeiten zwischen 1/2...2J überstanden werden.
Lothar schrieb: > da rettet sich der Jungingenieur und Bedenkenträger mit der > Idee, das ja auf der Masseleitung Spikes auftreten könnten... nicht ganz > schlecht, die Idee. Das setzt nur ein absolut grottenschlechtes Design > und sehr lange und extrem ungünstige Masseführung voraus Dafür ist der LM324/358 zu langsam.
Günter L. schrieb: > Ist ein Zeichen von Instabilität, die Schaltung fängt an > zu schwingen. Das gezeigte Steckbrett hat möglicherweise erhebliche Innenwiderstände in den Kontaktleisten, welche die Wirkung der Kondensatoren beeinträchtigen. Vor vielen Jahren wollte ich mal eine Lautsprecher Endstufe mit einem TDA (ich glaube es war ein TD2003) auf Steckbrett testen. Das Ding hat wild pfeifende Geräusche gemacht.
:
Bearbeitet durch User
Dieter D. schrieb: > Übrigens zwischen Pin 4 und 8 wird in der Regel noch ein kleiner > Glättungskondensator geschaltet, weil ohne diesen könnten die OP zu > schwingen anfangen. Dieter, das ist kein Glättungskondensator, sondern ein Abblockkondensator der Spannungseinbrüche bei Stromspitzen verhindern oder zumindest abmildern soll. Zum Unterdrücken von Schwingungen ist der nicht gedacht und auch ungeeignet. Wenn das Ding schwingt hat mat man schlichtweg einen Designfehler gemacht.
Lothar schrieb: > Den vomn TI-Jungingenieur vorgeschlagenen Widerstand, Die Empfehlung ist schon über 50 Jahre alt...
LDR schrieb: > Lothar schrieb: >> Den vomn TI-Jungingenieur vorgeschlagenen Widerstand, > > Die Empfehlung ist schon über 50 Jahre alt... eben und dennoch machen erfahrene Altebastler wie Lothar weiter hin au 'scheissegal, weil Diode schützen besser " was wieder Mal zeigt, das auch er es nicht komplett verstanden hat. und nein litht, ich habe keinen Schaum vor dem Mund wie du laienhaft unterstellst. doch ich hatte und werde weiterhin inkompetenten Äußerungen in diesem Forum deutlich wiedersprechen. Und ggfs. auch mit weniger höflichen Worten.
Dieter D. schrieb: > Am Anfang sind erst mal Steckboards und einfacher Simulator angesagt. Stecckboard ist in OK, Simulator ist eher Käse. Simulationen muß auch verstehen und richtichtig anwenden. Auch davon ist der TO noch meilenweit entfernt. Wenn der TO weiterhin Elektronikbasteln will, wäre es zielführender über Messequipment nachzudenken. Ich habe mir vor 1 Monat das hier https://www.amazon.de/dp/B08VRDG94N (zusätzlich zum vorhandenen Equipment, um was universelles Mobiles zu haben) zugelegt/gegönnt. Die Variante für knapp 150€ ist für den Anfänger durchaus zu gebrauchen. Man bekommt ein Digitalmultimeter und einen kleinen 2 Kanal-Oszi. Natürlich ist das kein Profiequipment und der Funktionsumfang reicht auch nicht an ein gutes DSO bzw. Tischmultimeter heran, aber für den Anfang erhält man damit durchaus brauchbares Messequipment. Wenn man noch 40€ drauflegt gibt es noch einen Funktionsgenerator dazu. Ich persönlich habe mich für das HO102S, die 100MHz Variante mit Funktionsgenerator, für 230€ entschieden. Ich benutze das Teil mittlerweile recht gerne. Für viele Messungen ist es mehr als ausreichend und es ist auch schnell am Star.
Michael schrieb: > Dieter D hat ja angemerkt, dass ein > Glättungskondensator zwischen Pin8 & 4 helfen könnte. Habs mal mit > kleineren Kondensatoren versucht (also Pin 4 und 8 mittels kleinem Kerko > verbunden) - leider mit keinem Effekt. Logisch das das in dieser Hinsicht nichts bringt - hatte ich ja hier Beitrag "Re: LM358 als Verstärker - stimmt das denn so?" mehr oder weniger umfassend begründet.
Lothar schrieb: > Es geht um die Begrenzung der Eingangströme in obskuren > Betriebszuständen auf unter 10 mA. Wenn da 10mA in den Eingang eines OPV fließen, dann läuft da aber was gewaltig schief. Ein Ingenieur der so etwas verzapft würde, wenn ich Chef wäre, auf der Stelle entlassen werden. Lothar schrieb: > Der LM358 hat vom jeden Eingang nach GND eine Diode, gut zu sehen in > Figure 6.2. Katode am Eingang, Anode an GND. Nö hat er nicht. Das sind externe Dioden die auf Schaltungs-GND gehen. Schaltungs-GND und interne GND (VEE) des LM358 sind 2 verschiedene Paar Schuhe. Das diese Dioden nicht intern sind sieht man allein schon an den benutzten GND-Symbolen. Ansonsten wären diese Dioden für die Eingangsimpedanz eher suboptimal. OPV mit internen Schutzdioden sind wohl eher selten (ich kenne keinen Typ, lasse mich da aber gern eines Besseren belehren), weil sie die Eigenschaften des OPV, insbesondere die Engangimpedanz, negativ beeinflussen. Wenn man die Eingänge gegen Überspannung schützen möchte/muß, dann muß man dafür als Schaltungsentwickler selbst sorgen. Üblicherweise nimmt man dafür 2 Dioden pro Eingang (im Differenzbetriebt), die vom Eingang gegen Vcc bzw. Vee geschaltet werden. Dazu kommt noch ein Widerstand zur Strombegrenzung. Die Schutzbeschaltung wird natürlich so angeordnet, daß sie keinen Einfluß auf das Gegenkopplungsnetzwerk hat. Lothar schrieb: > Den vomn TI-Jungingenieur vorgeschlagenen Widerstand, werde ich auch in > Zukunft nicht verbauen. Die Dioden über die Speisespannungen schützen > besser. Tja, der TI Ing. egal ob jung oder alt macht es richtig, Du machst es in Deiner Starrsinnigkeit falsch. Lothar schrieb: > So jetzt kommt das, was der alte Profi Lothar lieber macht und besser > findet. Ich kenne nämlich durchaus komische Bootstrapeffekte durch Elkos > an Speisespannungen bzw. böse Schwingvorgänge durch hot plugging dort. > Ich verbaue fast immer über jede Speisespannung eine Schottky-Diode. > Katode an Plus, Anode an Masse. > Bzw. Anode an Minus Katode an Masse für die negativen Spannungen. > Man kann sich fast nicht vorstellen, wie das die Ausfallraten senkt. > Ich kann das nur jeden empfehlen mit Schutzdioden an Speisepannungen > nicht zu sparen. Auch über Spannungsregler zwischen deren Ein- und > Ausgang, um die Regler vor Falschpolung zu schützen. > Es lohnt sich langfristig extrem. Deshalb schaltet man dem Elko am Platineneingang auch noch einen Kerko parallel. Dioden sind an dieser Stelle völlig überflüssig und bieten zudem nur bedingt Schutz. Falschpolung sollte in Geräten eigentlich nicht vorkommen - wie auch. Was anders ist es wen das Gerät über eine externe Stromversorgung oder Batterien versorgt wird. Da kann es durchaus mal durch Bedienfehler zur Falschpolung kommen. Da schützen aber recht zuverlässig Dioden in Serie zur ext. Stromversorgung/Batterie. Die 0,5..0,7V Spannungsabfall machen meist nichts und wenn es relevant sein sollte, dann muß man halt die Schaltung/Spannungsversorgung entsprechend dimensionieren.
Hans schrieb: > das ist kein Glättungskondensator,... Glättungskondensator: Ein Glättungskondensator (auch Abblock-, Stütz- oder Bypass-Kondensator genannt) direkt an den Versorgungsspannungs-Pins eines integrierten Schaltkreises (IC) ist essenziell für einen stabilen Betrieb. Seine Hauptaufgabe ist es, Spannungsschwankungen auszugleichen, die durch Schaltvorgänge im IC entstehen, und so eine stabile Spannung direkt am Bauteil zu gewährleisten. Ein Glättungskondensator (auch Siebkondensator oder Ladekondensator genannt) ist ein parallel zum Lastwiderstand gelegter Kondensator, der hinter einer Gleichrichterschaltung die Restwelligkeit der gleichgerichteten Spannung vermindert.
Michael B. schrieb: > Dafür ist der LM324/358 zu langsam. Es können auch viel langsamere OPV ohne den Kondensator zur Glättung der Spitzen an den Versorgungsspannungspins schwingen. Erstens beträgt nach dem Datenblatt der Störabstand gegenüber den Versorgungsspannungspannungsschwankungen über 65dB. Zweitens ist der OPV auch Dauerkurzschlussfest und der Ausgangsstrom wird begrenzt. Da der Ausgang auch nur maximal mit 20...30mA belastet werden kann, sind keine großen Spannungseinbrüche in der Regel zu erwarten. D.h. der OPV ist relativ gutmütig gegenüber "Eigenstörungen".
:
Bearbeitet durch User
Dieter D. schrieb: > Ein Glättungskondensator (auch Abblock-, Stütz- oder Bypass-Kondensator > genannt) direkt an den Versorgungsspannungs-Pins eines integrierten > Schaltkreises (IC) ist essenziell für einen stabilen Betrieb. Das kann man so pauschal nicht sagen. Das hängt am Ende von der Anwendung und dem benutzten IC ab. Im analogen Betrrieb z.B. Gleichspannungsverstärkung oder Audiobereich laufen die Prozesse eher "gemütlich" ab und zu plötzlichen schnellen Stromschwankungen kommt es da eher nicht. Eine ordentlich dimensionierte Platine und eine geeignet dimensionierte Stromversorgung sollte das locker ausgleichen. Schaden tun solche Ablockkondensatoren natürlich nicht. Ich habe einige Schaltungen mit OPV's am Start, wo kein Abblockkondensator an jedem OPV verbaut ist. Da gibt es eine Kondensatorkombination von 10µ/100n an der Einspeisung. Die Schaltungen funktionieren einwandfrei. Viel wichtiger als so ein Abblockkondensator ist eine möglichst induktivitätsarme Leitungsführung und eine passende Leiterzugführung von Eingangs- und Ausgangssignalen damit es nicht zu Verkopplungen kommt. Anders sieht es bei Komperatoren und Digitalschaltungen aus. Da ist Verwendung von Stützkondensatoren durchaus sinnvoll.
Dieter D. schrieb: > Es können auch viel langsamere OPV ohne den Kondensator zur Glättung der > Spitzen an den Versorgungsspannungspins schwingen. Die schwingen dan aber nicht weil der Stützkondensator fehlt, sondern weil der Aufbau nicht optimal ist - Stichwort: schlechte Leitungsführung. Oder weil die bei älteren Typen oftmals nötige Frequenzkompensation falsch dimensioniert wurde.
Es gibt langsame OPV, die nahe an den Grenzen betrieben ganz schöne Stroaufnahmepeaks an den Spannungsversorgungseingängen produzieren können. Das läßt sich aber mit einem einfachen Messaufbau recht schnell herausfinden.
Ich weiß, was ich tue. Und ich verstehe es genau. So auch das Bootstraping Prinzip. Mehr will ich dazu nicht schreiben. Ihr könnt es gern so weiter machen, wie bisher und es dann irgendwann verstehen und dann eines Tages denken: "Mist, der Lothar hatte ja doch recht und ich zu Unrecht die große Klappe." So was macht den nun die LM358-Schaltung, Michael?
Michael schrieb: > Lothar schrieb: >> oder mit plus UND MINUS 5 Volt arbeiten! > > Lieber Lothar, das Ganze wird ja ein 8-Bit Digitizer für den C64 und > wird am Userport des C64 angeschlossen. Dort stehen +5V und GND zur > Verfügung. Am Userport gibt es auch 9V Wechselspannung, aus der man sehr einfach eine bipolare Versorung für einen OpAmp bekommen kann.
Ralf D. schrieb: >> wird am Userport des C64 angeschlossen. Dort stehen +5V und GND zur >> Verfügung. > Am Userport gibt es auch 9V Wechselspannung, aus der man sehr einfach > eine bipolare Versorung für einen OpAmp bekommen kann. Solange die Bezüge zwischen AC und 5V nicht bekannt sind, unterlässt man besser solche Experimente.
Manfred P. schrieb: > Ralf D. schrieb: >>> wird am Userport des C64 angeschlossen. Dort stehen +5V und GND zur >>> Verfügung. >> Am Userport gibt es auch 9V Wechselspannung, aus der man sehr einfach >> eine bipolare Versorung für einen OpAmp bekommen kann. > > Solange die Bezüge zwischen AC und 5V nicht bekannt sind, unterlässt man > besser solche Experimente. Der Schaltplan des C64 ist bekannt.
aber ob Manfred den Plan liest? offensichtlich nicht.
Hallo in die Runde, ich habe weiter experimentiert. Anbei ein aktualisierter Schaltplan mit den Ergänzungen, die hier vorgeschlagen wurden. Außerdem ein Foto des aktuellen Steckbretts. 1) der LM358 verstärkt nun das Audiosignal. Die Verstärkung lässt sich nun über das Poti einstellen 2) das verstärkte Audiosignal ist qualitativ "ok" - rauscht etwas. Evtl. wird dieses Rauschen durch OPV2 rausgefiltert - das teste ich als nächstes. 3) Es gibt keine Probleme mehr mit Schwingungen o.ä. 4) für den OPV2 habe ich den "Mute Circuit" gebastelt. Stimmt das soweit? Oder habe ich noch irgendwo einen Fehler drin? Viele Grüße Michael
Michael schrieb: > Stimmt das soweit? Oder habe ich noch irgendwo einen Fehler drin? Du könntest noch von Pin 1 nach GND einen 10k Widerstand einbauen. Das verringert die Übernahmeverzerrungen. Aber nimm doch in Zukunft direkt den TDA2822M. Der ist doch wie dafür gemacht.
Michael schrieb: > Stimmt das soweit? Oder habe ich noch irgendwo einen Fehler drin? Ich verstehe erneut den Grund Deiner Frage nicht: Michael schrieb: > Die Verstärkung lässt sich > nun über das Poti einstellen Michael schrieb: > das verstärkte Audiosignal ist qualitativ "ok" Michael schrieb: > Es gibt keine Probleme mehr mit Schwingungen o.ä. Einzig Du kannst entscheiden, ob der nun bei Dir vorhandene Aufbau den gewünschten Zweck erfüllt. Wenn er das tut, hast Du keinen Fehler drin und kannst das Projekt als erfolgreich abgeschlossen abhaken.
Übrigens habe ich den LM358 mit folgenden alternativen OPVs ausgetauscht: 1) NE5532 2) MC1458 3) MUSES8832 NE5532 ist besser als der LM358, aber nicht perfekt. Der MUSES8832 klingt am besten und "rumpelt" viel weniger als die anderen. Der "olle" MC1458 ist dem LM358 sehr ähnlich. Ich habe auch mal den ADC0804 an den Output des OPVs angeschlossen. Hier ist folgendes aufgefallen: ich gebe die 8 Outputs des ADC0804 testweise über LEDs aus. Selbst wenn kein Audiosignal angeschlossen ist, leuchten dann einzelne LEDs. Das ist nicht der Fall, wenn ich das unverstärkte Audiosignal in den ADC0804 schicke (also direkt aus dem Audiojack). Woran kann das denn liegen? Am Auskoppelkondensator nehme ich an? Und wie bekomme ich das weg? Einfach indem ich den ADC0804 direkt an Pin1 des OPVs anschließe? Viele Grüße Michael
Kurzer Nachtrag: Wenn ich den 1000uF Kondensator gegen einen 10uF tausche, funktioniert alles weiterhin prima und die LEDs am ADC0804 gehen relativ flott aus. Wie kann ich rausfinden, wieviel Kapazität der Kondensator braucht - kann man das berechnen bzw. wie macht ihr das? Erfahrung, ausprobieren? Viele Grüße Michael
Michael schrieb: > Übrigens habe ich den LM358 mit folgenden alternativen OPVs > ausgetauscht: > 1) NE5532 > 2) MC1458 > 3) MUSES8832 > NE5532 ist besser als der LM358, aber nicht perfekt. Der MUSES8832 > klingt am besten und "rumpelt" viel weniger als die anderen. Der "olle" > MC1458 ist dem LM358 sehr ähnlich. Und, schon mal überlegt WARUM? Weil Du immer noch keien Datenblätter liest: wohl kaum. Einzig der MUSES8832 ist single supply und für Betrieb unter 5V spezifiziert. sogar rail-rail. Alle übrigen die Du oben aufzählst sind für +5V single deutlich unter ihren Grenzdaten - und der 358 ist wegen seiner Ausgangsstufe nur sehr begrenzt ausstuerbar. Da musst du nicht wundern, warum alles gerottig klingt, und der MUSES8832 die Nase vorn hat. All diese Hinweise hat man dir in zig Posts oben schon gegeben. Wäre wohl zuviel verlangt, das Du mal selber denkst.
Michael schrieb: > Wie kann ich rausfinden, wieviel Kapazität der > Kondensator braucht - kann man das berechnen bzw. wie macht ihr das? > Erfahrung, ausprobieren? Antworten in der Reihenfolge Deiner Fragen: ja, ja, nein.
Für einen Lautsprecheranschluss brauchst Du 1000µF. Der Kond. kam mir gleich so etwas sehr hoch vor. In NF-Vorstufen reichen sogar oft 2,2 µF zur Auskopplung. Da kann man sogar Folienkondensatoren mit besseren Eigenschaften statt Elkos nehmen. Die gibt es heute in kleinerer Bauform. ciao gustav
Aua, die Antworten hier tuen ja schon echt weh - und zeigen wie wenig viele interessiert sind zu helfen. Erklärung gibt es zum Beispiel hier: https://www.elektronik-kompendium.de/sites/formeln/koppelkondensator-beim-wechselstromverstaerker Wobei R der Lastwiderstand ist (Der Quell-/Generatorwiderstand wird hier vernachlässigt, weil als deutlich kleiner angenommen, ansonsten müsste man ihn zu R addieren): Nehmen wir mal die hingeworfenen 2,2 µF Grenzfrequenz (Der Pegel am Lastwiderstand sinkt auf ca. 70 % ab) Also bei 1 kOhm Last fu = 72 Hz bei 32 Ohm fu = 2,26 kHz bei 4 Ohm fu = 18 kHz bei 1000 µf und 4 Ohm Last fu = 40 Hz Das klingt erst einmal fast gut... aber das ist die Spannung und am Lautsprecher geht die Spannung als Leistung zum Quadrat ein [P=U²:R]. Also hätte man bei 40 Hz nur noch die halbe Leistung.... und somit einen hörbar schlechten Bass. Aber MUSE.... ist echt viel zu schade dafür. Es soll nur um Leuchtdioden gehen - oder interessiert Dich auch der Klang etc.?
Lothar schrieb: > Aber MUSE.... ist echt viel zu schade dafür. > Es soll nur um Leuchtdioden gehen - oder interessiert Dich auch der > Klang etc.? Hallo Lothar, danke für Deine hilfreiche Antwort. Das ist wirklich klasse. Der LM358-Teil ist nur die Vorstufe zum ADC0804. Am Ende geht es um einen 8-Bit Audiodigitizer für den C64. Der ist hier beschrieben: https://archive.org/details/commodore-world-03/page/n29/mode/2up Klar, bei 8-Bit und max. 4 Sekunden Sampling ist Muse wahrscheinlich Perlen vor die Säue werfen. Andererseits dachte ich, dass das Wenige, was ich am Ende aus dem C64 rein- und rauskriege auf keinen Fall durch audiountaugliche Bauteile verschlechtert werden sollte. Viele Grüße nach Berlin Michael
> Der LM358-Teil ist nur die Vorstufe zum ADC0804. Am Ende geht es um > einen 8-Bit Audiodigitizer für den C64. Der ist hier beschrieben: > https://archive.org/details/commodore-world-03/page/n29/mode/2up Dann mal das pdf als Anhang aus der Zeitung extrahiert.
Manfred P. schrieb: > Dann mal das pdf als Anhang aus der Zeitung extrahiert. Hat er doch direkt am Anfang bereits gemacht. Nur der rechte Teil mit dem User Port hat gefehlt.
Dann Bau doch das genau so. Ich wollte gerade vorschlagen, die 100k durch 2k2 zu ersetzen und auch die beiden Widerstände 33k und 39k durch 3k3 und 3k9. In der gegenkopplung des 1.opv vielleicht noch nen 470pF über pin1 und pin2 legen? Bau das nicht zuu hochohmig alles. Der gleichspannungsanteil wird bis zum Ausgang durchgereicht und durch die 39k/33k vorgegeben. Wird schon nen Grund haben, weshalb im Originaldesign KEIN Auskoppelkondensator drin ist, der ja soo schädlich für den Frequenzgang sei. Der Userport dort mag ganz sicher keine negativen Spannungen am Eingang. Weiß ich aber nicht genau. Jedenfalls hätten wir die, wenn da ein Auskoppelkondensator verbaut wäre. Wie sieht eigentlich der eingangswiderstand vom user Port aus? 1k oder 100k?
Moin in die Runde, danke nochmals für die vielen Ratschläge und Hilfestellungen - ohne Euch hätte ich das nicht geschafft. Bin, wie gesagt, absolutes Greenhorn was Elektronik anbelangt. Ich habe jetzt die Schaltung umgesetzt (beide OVAs) - die Verbindung zum Userport des C64 kommt dann als nächstes. Was soll ich sagen,... es läuft. Der Verstärker verstärkt (und filtert), der ADC digitalisiert mit 8-Bit :) - über die "Audioqualität" darf man natürlich streiten - aber wir sprechen ja hier über 8-Bit Samples auf dem 40+ Jahre alten C64. Da müssen halt die Höhen raus. Und übersteuert hab ich das ganze auch im Video (...mein Fehler...). Aber, hey, ich bin zufrieden und glücklich, dass ich die Schaltung soweit umsetzen konnte (Dank Euch!). Viele Grüße Michael PS: Wenn man das Video anklickt läuft es leider nicht - runterladen und lokal starten, geht. Sorry dafür :)
:
Bearbeitet durch User
Hallo Michael, bei mir läuft das Video. Axel R. schrieb: > .... > Ich wollte gerade vorschlagen, die 100k durch 2k2 zu ersetzen und auch > die beiden Widerstände 33k und 39k durch 3k3 und 3k9. In der > gegenkopplung des 1.opv vielleicht noch nen 470pF über pin1 und pin2 > legen? > Bau das nicht zuu hochohmig alles. Meine volle Zustimmung. Das spielt aber alles nur eine Rolle, wenn du wieder ins Analoge zurückwandelst und es Dir dann anhören möchtest. Dann sind auch die folgenden Tipps hilfreich: 1 kOhm rauschen mit rund 4 nV/sqrtHz; 100 kOhm mit 40 nV/sqrtHz. Also ist ein MUSE wirklich Perlen vor die Säue werfen... aber du kannst ihn ja irgendwann später einer echt guten Audioanwendung zuführen. Er wird dann eben später sinnvoll recycelt. Des Weiteren zur Hochohmigkeit: In der zweiten Stufe kannst Du beide 24k Widerstände zehnmal kleiner machen, also auf 2,4 kOhm bringen und dafür die Kondensatoren von 1nF auf 10 nF erhöhen. Bringt auch weniger Rauschen. > Der Gleichspannungsanteil wird bis > zum Ausgang durchgereicht und durch die 39k/33k vorgegeben. Ja, und da sollte über R5 (33k) ein 10 µF Elko parallel geschaltet werden, da sonst die von der Speisespannung kommenden Störungen (spannungsgeteilt) in den + Eingang (Pin3) des OPV eingekoppelt werden und dann je nach eingestellter Verstärkung am Ausgang verstärkt wieder auftauchen. Der paralle Elko ist auch eine Vorsorge gegen Schwingen der Schalten. Und über R9 am Pin 7 des ADC muss auch ein Elko parallel 47...100 µF. Größerer Wert, weil R9 viel niederohmiger ist. Dort finden die gleichen Störeinkopplungen statt. Wird schon > nen Grund haben, weshalb im Originaldesign KEIN Auskoppelkondensator > drin ist, der ja soo schädlich für den Frequenzgang sei. Der Userport > dort mag ganz sicher keine negativen Spannungen am Eingang. Weiß ich > aber nicht genau. Jedenfalls hätten wir die, wenn da ein > Auskoppelkondensator verbaut wäre. Stimmt für diesen Fall völlig. Ich war mal zwischendurch auf den Holzweg, dass da ein Kopfhörer ran soll. By the way für Axel: Man versteht die Audiofans viel besser, wenn ma von der logaritmischen Darstellung in die lineare DArstellung bei beiden Achsen gleichzeitig wechselt. Die logaritmische Darstellung beschönt den Frequenzgang extrem.
:
Bearbeitet durch User
Lothar schrieb: > Die logaritmische Darstellung beschönt den Frequenzgang extrem. Tut sie das, obwohl das Ohr logarithmisch reagiert?
Ich empfinde es so. Das beruht auf einen Erlebnis, wo ich mal zwei Verstärker mit 8 Hz und mit 0,5 Hz untere Grenzfrequenz gehört habe... und der Unterschhied war schon sehr deutlich - bis unüberhörbar - zu hören (zumindest an einer guten Anlage, die mit 0,5 Hz kostete über 25K, ich hatte dann mal meinen 8 Hz Verstärker dort anschliessen können.). Und da ich mir das nicht erklären konnte und ich gerade kein logarithmisches Papier zur Hand hatte, habe ich mir das damals linear auf Karopapier aus einen Rechenheft aufgemalt. Sieht völlig anders aus als logarithmisch. Aber wenn Du glücklich bist - ich will und muss dich nicht bekehren und überzeugen. Mag auch sein, dass ich Goldohren habe und Du es echt nicht hören würdest. Ist ja auch letzendlich egal. Es ist wie mit den Augen und den Geschmacksnerven, sie sind bei verschiedenen Leuten unterschiedlich ausgebildet und trainiert. Beim Ersatz meiner 6 Ohm Hochtöner letztens, hörte ich einen deutlich lauter als den anderen, schon unangenehm schrille Höhen rechts. 0,39 Ohm vorm rechten Hochtöner plus 82 Ohm über den Lautsprecher drüber waren dann perfekt. Macht rund 1,068 dB (Spannungs)Absenkung bzw. 21,1 % Leistungsabsenkung. Ein Versuch mit 0,33/100 Ohm ergaben -0,947 dB bzw. 19,6 % Leistungsabsenkung und das waren dann eindeutig wieder zu viel Höhen. Theoretisch darf man diesen Unterschied (0,12 dB) gar nicht hören. Ich weiß. Aber dann stimmt die Theorie nicht! (Die Werte gelten für 10 kHz mit 8 µF als einzige Weiche vorm HT.) Mein Lehrmeister meinte mal (vor 47 Jahre her) man hört einen Lautstärkeunterschied überhaupt erst und geradeso ab 3 dB. Habe ich ihn geglaubt, bis es die ersten Verstärker gab, wo man 1 dB Schritte beim Klang einstellen konnte und es krass unüberhörbar war.
:
Bearbeitet durch User
Lothar schrieb: > Das beruht auf einen Erlebnis, wo ich mal zwei Verstärker mit 8 Hz und > mit 0,5 Hz untere Grenzfrequenz gehört habe... und der Unterschhied war > schon sehr deutlich Alles klar, ich bin raus. So ein Bullshit! > Mag auch sein, dass ich Goldohren habe Und bestimmt auch ein Einhorn. > Ich weiß. Aber dann stimmt die Theorie nicht! Einbildung ist auch eine Bildung. Jedenfalls wird die Welt nicht ihre Lehrbücher und Diagramme umschreiben, um Leute mit deinem Empfinden zu befriedigen.
:
Bearbeitet durch User
Lothar schrieb: > wo ich mal zwei Verstärker mit 8 Hz und > mit 0,5 Hz untere Grenzfrequenz gehört habe... Wobei das nicht am Frequenzgang lag, sondern an einem anderen Effekt. Der Verstärker mit 8Hz dürfte ein unterschwelliges Pumpen in den Schall gebracht haben. Der Verstärker mit 0,5Hz mußte Gegenmaßnahmen realisieren. Ein wichtiger Faktor ist aber die gehörverlaufsangepaßte Lautstärkenregelung. Damit wird ausgeglichen, dass das Ohr bei kleinen Lautstärken die Höhen und Bässe schwächer wahrnimmt. Wenn Kondensatoren und Widerständen mit zu hohen Toleranzbereichen verbaut wurden, die Kennlinie nicht gut angenähert wurde, dann sind die Unterschiede im Vergleich zu hören.
Frohe Ostern in die Runde, ich habe jetzt beide Teile (OPV + ADC0804) auf ein Steckbrett gebracht (siehe Foto). Ich habe ein aktualisiertes Schaltbild angehängt, in dem ich die ergänzten Kondensatoren eingefügt habe (fett gedruckt). Bei C7 war ich mir wegen der Polarität unsicher - habe einen bipolaren Muse benutzt. @Lothar: soll C7 so oder hab ich das falsch verstanden? Folgende Beobachtung: Wenn ich das ohne C7 anschließe, leuchten alle 8 LEDs permanent. Mit C7 funktioniert es so, wie bei meinem vorherigen Aufbau. Außer, dass die 4. LED deutlich schwächer leuchtet als die anderen. Das ist seltsam. Habe sie getauscht etc. - bleibt aber so. Ich habe das auch auf meinen separaten Aufbauten (also LM358 und ADC0804 auf separaten Steckbretten) getestet und es ist dort identisch. Wenn ich das ganze so aufbaue wie im Originalplan (ohne C5-C8) scheint es also nicht zu funktionieren. Oder habe ich einen Denkfehler? Ist im C64 irgendwas anders als auf meinem Steckbrett. Im C64 kommt die Spannung ja von Pin2 des Userports (+5V) und GND. Für meinen Testaufbau nutze ich ein Netzteil mit PLUS und MINUS und lege GND auf Minus. Ist das das Problem? Viele Grüße Michael
:
Bearbeitet durch User
Hallo Michael, zur Polung der Elkos C6 und C8, die gehen an einer Seite an einen Spannungsteiler, an der von Plus eine Spannuungs kommt, also liegt dort eine positive Spannung an. Dort muss somit der Pluspol ran und der Minuspol des Elkos an Masse. Zu C7: einfach ein DMM (Digitalmultimeter) nehmen und messen, an welcher Seite die Spannung positiver ist und da dann den Pluspol des Elkos ranlöten. Übrigens sind die amerikanischen Schaltzeichen für Elkos auch eine schöne Quelle der Verwirrung. Da finde ich die europäischen besser. Helles Rechteck = Plus. Dunkles Rechteck = Minus. Welche Software nimmst Du zum Zeichnen? Ich würde einarbeiten ins kostenlose KICAD empfehlen, da kann man später dann auch seine Leiterplatten damit machen und bleibt damit in einer Software. Es müsste eigentlich prinzipiell auch ohne C7 funktionieren. Ich denke im Programm sind zwei Spannungen definiert, eine ab bei der die unterste LED angeht und eine zweite Spannung wo die oberste angeht. Ich sehe gerade bei R8 steht 4,3. Hast Du da 4,3 Ohm drin oder ist das nur ein Schreibfehler 4,3k ? Mit dem Spannungsteiler R8/R9 an Pin 7 des µC müsstest Du wahrscheinlich eine Spannung einstellen, die gleich der an Pin 7 des LM358 ist. Man könnte u.U. aus den zwei Spannungsteilern R4/R5 und R8/R9 einen machen und hätte dann gleich diesen Effekt automatisch mit erschlagen. Also mein Vorschlag werf mal R4/R5 ersatzlos raus. Dann kannst Du auch den gerade eingfügten C6 rausnehmen. Und dann machst Du eine direkte Verbindung von Pin 3 LM358 zu Pin 7 µC. Damit liegt jetzt da die DC Spannung von den beiden OPV nur mit eins verstärkt wird die gleiche Spannung am Ausgang des zweiten OPV an wie am -Eingang des µC. (Na gut ein paar Millivolt Unterschied, wird man auf Grund von Offsetspannungan haben, aber auf kleiner 10 mV sollte es normalerweise mit fast jeden Wald und Wiesen-OPV stimmen. So spart man drei Bauteile ein und Abgleichfummelei.) Erst dann würde ich an den Spannungswerten in der Software rumändern.
Noch eines, das wundert mich schon die ganze Zeit: Kommt der µC mit Audio-Wechselspannung klar? Ist er so schnell bei der Abfrage, dass er die positivem Spitzen detektiert? Also braucht man keinen Spitzenwertgleichrichter vorm µC? Oder funktioniert das nur zufällig so? Trotz unsauberen Grundkonstrukt?
Lothar schrieb: > Hallo Michael, Hallo Lothar, danke, dass Du wieder hilfst. Das ist wirklich klasse. > zur Polung der Elkos C6 und C8, die gehen an einer Seite an einen > Spannungsteiler, an der von Plus eine Spannuungs kommt, also liegt dort > eine positive Spannung an. > Dort muss somit der Pluspol ran und der Minuspol des Elkos an Masse. Ja, verstehe. D.h., so wie ich es im neuesten Schaltplan eingezeichnet und auf dem Steckbrett umgesetzt hab, stimmt es mit Deinen Vorschlägen überein, richtig? Ich war mir am Ende unsicher, ob ich das richtig umgesetzt habe. > Zu C7: einfach ein DMM (Digitalmultimeter) nehmen und messen, an welcher > Seite die Spannung positiver ist und da dann den Pluspol des Elkos > ranlöten. Ok! Ich warte sehnsüchtig auf mein bestelltes DMM - leider habe ich im Moment noch keines. > Übrigens sind die amerikanischen Schaltzeichen für Elkos auch eine > schöne Quelle der Verwirrung. Da finde ich die europäischen besser. > Helles Rechteck = Plus. Dunkles Rechteck = Minus. > Welche Software nimmst Du zum Zeichnen? Ich würde einarbeiten ins > kostenlose KICAD empfehlen, da kann man später dann auch seine > Leiterplatten damit machen und bleibt damit in einer Software. Danke für den Hinweis. Ja, ich nutze KICAD (v9.0.8). > Es müsste eigentlich prinzipiell auch ohne C7 funktionieren. Tja, ich hätte jetzt auch gedacht, dass es ohne C7 funktionieren müsste. Die Autoren des Schaltplans sind keine Amateure gewesen (Mark Fellows hat JiffyDos entwickelt; Chris Brenner ist der Entwickler des Audiodigitizers und der dazugehörigen Software Digimaster. Also, denke ich mal, dass das relativ vertrauenswürdig ist und Fehler im Schaltplan unwahrscheinlich sind bzw. in Folgeausgaben der Zeitschrift "Commodore World" publiziert worden wären. > Ich denke im Programm sind zwei Spannungen definiert, eine ab bei der > die unterste LED angeht und eine zweite Spannung wo die oberste angeht. Mhmmm... hier verstehe ich nicht, was Du mit "im Programm" meinst. Die Schaltung wird direkt in den Commodore64 gesteckt (Userport). Hierüber bekommt der Audiodigitizer die Spannung (C64-Userport-Pin2) und wird mit Masse verbunden (der C64-Userport hat 4 Masse-Pins). Wo zwei unterschiedliche Spannungen definiert werden, verstehe ich nicht (was nichts heißen soll, da ich blutiger Anfänger bin ;) > Ich sehe gerade bei R8 steht 4,3. Hast Du da 4,3 Ohm drin oder ist das > nur ein Schreibfehler 4,3k ? Danke für Deinen Hinweis. Habe ich korrigiert. 4,3k ist korrekt. > Mit dem Spannungsteiler R8/R9 an Pin 7 des µC müsstest Du wahrscheinlich > eine Spannung einstellen, die gleich der an Pin 7 des LM358 ist. > Man könnte u.U. aus den zwei Spannungsteilern R4/R5 und R8/R9 einen > machen und hätte dann gleich diesen Effekt automatisch mit erschlagen. > > Also mein Vorschlag werf mal R4/R5 ersatzlos raus. Dann kannst Du auch > den gerade eingfügten C6 rausnehmen. Und dann machst Du eine direkte > Verbindung von Pin 3 LM358 zu Pin 7 µC. Damit liegt jetzt da die DC > Spannung von den beiden OPV nur mit eins verstärkt wird die gleiche > Spannung am Ausgang des zweiten OPV an wie am -Eingang des µC. (Na gut > ein paar Millivolt Unterschied, wird man auf Grund von Offsetspannungan > haben, aber auf kleiner 10 mV sollte es normalerweise mit fast jeden > Wald und Wiesen-OPV stimmen. So spart man drei Bauteile ein und > Abgleichfummelei.) Ok, das werde ich ausprobieren und werde berichten. > Erst dann würde ich an den Spannungswerten in der Software rumändern. Hier stehe ich (wie bei den "zwei Spannungen" oben) auf dem Schlauch. Software gibt es erstmal keine. Die Spannung wird von Pin2 des C64-Userport bereitgestellt und wird in der Schaltung entweder so genutzt wie bereitgestellt oder über die Spannungsteiler R4/R5 und R8/R9 reduziert. Vielen Dank wieder mal für Deine Geduld und Deine hilfreichen Kommentare. Beste Grüße Michael
Lothar schrieb: > Noch eines, das wundert mich schon die ganze Zeit: > > Kommt der µC mit Audio-Wechselspannung klar? Ist er so schnell bei der > Abfrage, dass er die positivem Spitzen detektiert? Also braucht man > keinen Spitzenwertgleichrichter vorm µC? > > Oder funktioniert das nur zufällig so? Trotz unsauberen Grundkonstrukt? Hallo Lothar, danke für diesen Kommentar. Soweit ich es überblicke, kommt der ADC0804 prinzipiell mit Audio-Wechselspannung klar, solange nur positive Spannung reinkommt. Daher muss ein DC-Offset hergestellt werden um das ganze Audiosignal in den positiven Bereich zu heben. Ich dachte, dass das R4/R5 macht. Jedenfalls hat das meine dilettantische Simulation mit falstad gezeigt. https://is.gd/KIKhSO Ich kann es leider momentan noch nicht "in vivo" messen - ein Oszi kann ich mir aber die Tage mal ausleihen und werde sehen, ob das auf meinem Steckbrett auch wirklich so ist. Löscht man den R4/R5-Teil in der Simulation raus, verbleibt das Audiosignal symmetrisch um 0V. Viele Grüße Michael
:
Bearbeitet durch User
Lothar schrieb: > Oder funktioniert das nur zufällig so? Trotz unsauberen Grundkonstrukt? Genau das. Ein C7 gehört da überhaupt nicht rein, denn sonst hat der ADC-Eingang an der Stelle ein undefiniertes DC-Potential. Der schlappert also irgendwo zw. den internen Clampingdioden herum ... Alternativ könnte man vor dem Eingang einen Spannungsteiler zur Bias-Einstellung vorschalten, aber wozu, wenn das der OPV ohnehin schon machen könnte ohne C7. Michael schrieb: > Folgende Beobachtung: Wenn ich das ohne C7 anschließe, leuchten alle 8 > LEDs permanent. Mit C7 funktioniert es so, wie bei meinem vorherigen > Aufbau. Tja, in dem Falle würde ich einfach mal ein Multimeter in die Hand nehmen, und (ohne AC-Einganssignal) die Spannungen an beiden Eingängen und an Vref/2 messen, denn davon hängt es ab, was der ADC dann draus macht. Denn schon Vref/2 kann mit seinem Eingangs-Widerstand je nach Exemplar um paar 10% daneben liegen, und damit auch die effektive Vref in Verbindung mit dem externen R. > Außer, dass die 4. LED deutlich schwächer leuchtet als die > anderen. Das ist seltsam. Habe sie getauscht etc. - bleibt aber so. Die Ausgänge sind, speziell bei H-Pegel, sowieso nicht fürs Treiben von LEDs gedacht, da die schon bei wenigen 100µA auf <Vcc/2 absacken. Mich würde es da auch nicht wundern, wenn manche Ausgänge stärker benachteiligt sind also andere ... Übrigens würde ich die Bilder noch kleiner machen, damit man möglichst gar nichts mehr erkennt ...
:
Bearbeitet durch User
Bei den Schaltplänen oben, wo der Vin+ von einem C gespeist wird, fehlt dem ADC der Gleichstrom-Pfad am Eingang. Heißt, Vin+ ist undefiniert und driftet je nach Leckströmen irgendwo zwischen 0 und 5V herum. Um die Inbetiebnahme einfach zu machen, würde ich bei der kapazitiven Kopplung bleiben, weil dann kann man den Koppelkondensator ausbauen und beide Schaltungsteile (Verstärker und ADC) getrennt messen und testen. An den Vin+ einen Spannungsteiler, der halbe Betriebsspannung (also 2.5V) einstellt. Vin- auf Masse. Weil der Wandler ja die Differenz der Vin wandelt, und du bei Aussteuerung in beide Richtungen "Platz" haben willst. Der Wandler liefert dann in Ruhe (also 2.5V) ca. 128, bei maximaler negativer Auslenkung (also 0V) 0, und bei maximaler Positiver Auslenkung (also 5V) 255. Das erstmal testen. Dann den Verstärker testen. Der sollte in Ruhe auch ca. 2.5V liefern, damit er bei Aussteuerung in beide Richtungen Platz hat. Wo ich nicht ganz sicher bin, ist ob du die LEDs an den Ausgängen zu interpretieren weißt. Das ist keine Balkenanzeige, sondern ein 8-Bit Binärwert. Um das sinnvoll auszuwerten, braucht's Vergleicher, also ein Stück Software, welches den Wert, den die 8 Leitungen darstellen als Zahl nimmt und vergleicht oder speichert oder was immer du vor hast.
Jens G. schrieb: > Übrigens würde ich die Bilder noch kleiner machen, damit man möglichst > gar nichts mehr erkennt ... Ups... sorry. Hier also nochmal in "lesbarer" Größe. Tut mir leid.
Uwe schrieb: > Der Wandler liefert dann in Ruhe (also 2.5V) ca. 128, bei maximaler > negativer Auslenkung (also 0V) 0, und bei maximaler Positiver Auslenkung > (also 5V) 255. Korrektur: Das gilt nur, wenn der Vref/2-Eingang so beschaltet ist, dass der Wandler 5V Spanne hat. Mit den Widerständen an Vref/2 wird die Spanne verkleinert, und in der Originalschaltung mit Teiler an Vin- noch die untere Grenze angehoben, um den Aussteuerbereich des Verstärkers optimal auf den 8-Bit-Bereich abzubilden.
Hallo Michael, jetzt habe ich mir mal das Datenblatt des ADC0804 angesehen. Ja, Du hast recht mit den nicht einstellbaren zwei Schwellen - es ist nur ein ADC und kein µC mit Software drin, wo man Schwellen einstellen kann. Aber wie Uwe gerade erwähnt hat, gibt es eine Schwelle, die man einstellen kann, am Vref/2 Eingang Pin 9 laut DB: Referencevoltageinput for adjustment to correct fullscalereading. Da kann man also den "Endausschlag" einstellen. Nun gut, das kannst Du ja bereits mit dem Poti in der Gegenkopplung des ersten OPV machen. Aber es schadet nicht, das zu wissen. Figure 22 im DB ist interessant. Da sieht man wie die + und - Eingänge arbeiten. Abwechselnd geschaltet, nichts mit einen Differenzverstärker wie man vermuten würde. Und Kapitel 9.2.1.2.1 und folgende sind auch interessant. This ADC has additional applications flexibility due to the analog differential voltage input. The VIN(−) input (pin 7) can be used to automatically subtract a fixed voltage value from the input reading (tare correction). - Aha, da haben wir den "Nullpunktabgleich". Alles mit Hardware ohne Software. Okay. Wo schließt Du das Ganze denn am C64 an und wozu eigentlich? So wie Du die Schaltung gezeichnet hast, sehe ich da keine Verbindung. Deine LEDs gehen gegen Masse und da sollen die Ausgänge laut DB mindestens 4,5 mA liefern können (Im Kurzschlussfall) - also solltest Du für die LEDs maximal 3 mA einstellen (also mindestens 1k5) - hast du da wirklich 47 k als Vorwiderstände davor? Das würde mich jetzt wundern, aber bei superhellen wäre das möglich. Sie sollten allerdings dann wirklich etwa gleichhell leuchten bzw. die dunklere bei LED Tausch, klar als weniger Licht aussendend zu identifizieren sein.
Hallo Lothar, danke für Deine Antwort und Deine Mühe, die Du mit meinem Anliegen hast... > Wo schließt Du das Ganze denn am C64 an und wozu eigentlich? So wie Du > die Schaltung gezeichnet hast, sehe ich da keine Verbindung. Das ganze kommt an der Userport des Commodore 64 (>40 Jahre alter "Home-Computer"). Im Anhang siehst Du das Originalschaltbild mit Verbindung zum Userport des C64 (Dank an Enrico!). Entschuldige meine "Salami-Taktik" in Sachen Schaltbild :) - ich dachte initial, das mit dem C64 führt am Ende zu einer hochgezogenen Augenbraue :) also hatte ich es erstmal rausgelassen. > > Deine LEDs gehen gegen Masse und da sollen die Ausgänge laut DB > mindestens 4,5 mA liefern können (Im Kurzschlussfall) - also solltest Du > für die LEDs maximal 3 mA einstellen (also mindestens 1k5) - hast du da > wirklich 47 k als Vorwiderstände davor? Das würde mich jetzt wundern, > aber bei superhellen wäre das möglich. Sie sollten allerdings dann > wirklich etwa gleichhell leuchten bzw. die dunklere bei LED Tausch, klar > als weniger Licht aussendend zu identifizieren sein. mhmm... ja, es sind 47k Vorwiderstände dran und es sind die billigsten der billigen LEDs.... was ist es genau, was Dich hier wundert? Viele Grüße Michael
Lothar schrieb: > und wozu eigentlich? Ach ja: Ich würde gerne einen 8-Bit Audiodigitizer für den C64 bauen - so wie in dem Artikel beschrieben: https://archive.org/details/commodore-world-03/page/n29/mode/2up "Normal" für den C64 sind eigentlich 4-Bit Digitizer gewesen. Die Audioqualität ist für C64er-Ohren "ok" bis "gar nicht soooo schlecht" (v.a. wenn man lange genug hinhört). 8-Bit galt lange als gar nicht möglich auf dem C64, bis neue Möglichkeiten der Soundausgabe über den C64-SID-Chip erdacht wurden (der Standard war, dass man für das Abspielen gesamplter Daten das Volume-Register des C64-SID-Chips genutzt hatte mit 16 Stufen). Der beschriebene 8-Bit-Digitizer ist also das "Non-Plus-Ultra" für C64-Sample-Verhältnisse ;)
:
Bearbeitet durch User
Ach ja, die Schaltung nochmal mit Verbindung zum C64 (Dank an Enrico!). Tut mir leid...
Michael schrieb: >> Es müsste eigentlich prinzipiell auch ohne C7 funktionieren. Also ich glaube ja, dass die Autoren (Mark Fellows & Chris Brenner) der Originalschaltung genau wussten, was sie da machen und dass es auf jeden Fall funktionsfähig war. Klar, alles natürlich vor dem Hintergrund eines 8-Bit-Computers, der >40 Jahre alt ist. Sprich: Wie sich das Ganze dann angehört hat, liegt natürlich im Ohr des Zuhörers... wobei man sagen muss, dass die Qualität von Audiosamples auf dem C64 extrem gesteigert wurde und sich wirklich brillant anhört (auf einem C64 versteht sich). Die Limitationen der Plattform (64k RAM und ~1MHz CPU Speed) mussten berücksichtigt werden. D.h. zum Beispiel, dass alles über 10kHz rausgefiltert werden musste, weil es zu hässlichen Aliasing-Effekten führt. Die Beiden haben also einen 8-Bit Audiodigitizer für die Möglichkeiten des C64er entwickelt und als DIY veröffentlicht. Die nötige Software für den C64 hat Chris Brenner gleich mitgeliefert. Da geht's schlussendlich darum, die vielen Bits auch wieder "auf die Straße" zu bringen - ergo - wieder abzuspielen ohne ausschließlich auf ein nur 16-stufiges Volume-Register des C64-SID-Chips angewiesen zu sein). Das Gerät ist also theoretisch :) richtig super! Ich denke, dass es ohne Änderungen im Originalschaltplan eiiiigentlich funktionieren müsste, und ich einfach irgendwo einen "Bock geschossen" habe.
:
Bearbeitet durch User
Lothar schrieb: > Es müsste eigentlich prinzipiell auch ohne C7 funktionieren. Nö in dieser Schaltung funktioniert das nicht, weil Pin 7 des LM358, auch ohne Signal, durch R4/R5 auf ~2,3V liegt - der schlaue Lothar sollte das doch sofort erkennen. Warum der TO den Spannungsteiler R4/R5 asymmetrisch ausgeführt bleibt allerdings sein Geheimnis. Normalerweise macht man diese Widerstände zum einen gleich groß, damit sich dort Ub/2 einstellt, und auch nicht so hochohmig.
Hans schrieb: >> Es müsste eigentlich prinzipiell auch ohne C7 funktionieren. > Nö in dieser Schaltung funktioniert das nicht, weil Pin 7 des LM358, > auch ohne Signal, durch R4/R5 auf ~2,3V liegt - der schlaue Lothar > sollte das doch sofort erkennen. Wer von Euch beiden der schlauere ist, hilft hier niemandem und ich will mich dazu nicht festlegen. Wie Du es sagst, liegt der Ausgang auf Ub/2 und das überlagerte Ausdiosignal liegt dann (bei passendem Pegel) zwischen null und fünf Volt. Dass in dem Fall bei der ADC ohne Audio halbe Ub anzeigt, ist so, damit geht die nachfolgende Software um. Mit C7 hängt Vin des ADC praktisch in der Luft und der negative Anteil des Audiosignals liegt außerhalb dessen spezifizierten Pegeln.
Noch eine Idee, um das ganze zu verstehen. Du kannst am Vin+ statt des OPV ein Poti anschließen, was zwischen 5V und Masse liegt. Wenn du das von 0 nach 5V durchfährst, und die LEDs beobachtest, sollten sich drei Bereiche unterscheiden lassen: 1. Bei niedriger Spannung sind alle LEDs aus. Digitalwert also 0, weil Vin+ kleiner als Vin- ist. 2. Dann der Arbeitsbereich. Die LEDs zählen rauf, das D0 wackelt ganz schnell, D1 halb so schnell, D2 noch mal halb so schnell und so weiter. D7 leuchtet in der oberen Hälfte des Arbeitsbereichs. Ganz am Ende leuchten alle. Heißt Wert 255. 3. Übersteuerung: Die Spannung ist größer als der maximal konvertierbare Wert, der bleibt auf 255 (alles an) stehen. Wenn das soweit geht, dann die Spannungswerte für die Übergänge der Bereiche notieren. Also in der Art: Bei 0.9V beginnt der Arbeitsbereich und bei 3.1V ist voll ausgesteuert. Dann ist der zweite Teil der Kunst, die Verstärkerschaltung so zu justieren, dass sie in Ruhe den Mittelwert des Arbeitsbereiches einigermaßen trifft (ca 2V im Beispiel). Soweit kann man das mit dem Multimeter messen. Wenn man ein Oszi hat, könnte man dann noch prüfen, wie weit die Spannung bei Aussteuerung an die Grenzen des Arbeitsbereichs rankommt, und evtl der OPV schon begrenzt.
Hans schrieb: > sollte das doch sofort erkennen. Warum der TO den Spannungsteiler R4/R5 > asymmetrisch ausgeführt bleibt allerdings sein Geheimnis. Weil sich damit Ein- und Ausgang symmetrisch weiter aussteuern lassen, denn deren Swing-Bereich ist ja auch unsymmetrisch ...
:
Bearbeitet durch User
Uwe schrieb: > den Mittelwert des Arbeitsbereiches einigermaßen trifft (ca 2V im > Beispiel). Deswegen sollte R5 evtl. sogar noch von 33k auf 27k verkleinert werden, damit kommt man dann tatsächlich bei ca. 2 Volt raus, zumal der LM358 sowieso nicht bis ans obere Rail dran kommt.
Uwe schrieb: > Noch eine Idee, um das ganze zu verstehen. Du kannst am Vin+ statt des > OPV ein Poti anschließen, was zwischen 5V und Masse liegt. Wenn du das > von 0 nach 5V durchfährst, und die LEDs beobachtest, sollten sich drei > Bereiche unterscheiden lassen: > 1. Bei niedriger Spannung sind alle LEDs aus. Digitalwert also 0, weil > Vin+ kleiner als Vin- ist. > 2. Dann der Arbeitsbereich. Die LEDs zählen rauf, das D0 wackelt ganz > schnell, D1 halb so schnell, D2 noch mal halb so schnell und so weiter. > D7 leuchtet in der oberen Hälfte des Arbeitsbereichs. Ganz am Ende > leuchten alle. Heißt Wert 255. > 3. Übersteuerung: Die Spannung ist größer als der maximal konvertierbare > Wert, der bleibt auf 255 (alles an) stehen. Also der Poti-Test geht natürlich. Alle 256 Values leuchten so wie intendiert
Prima, und bei welchen Spannungen liegen untere und obere Grenze des Arbeitsbereichs?
Enrico E. schrieb: > kommt man dann tatsächlich bei ca. 2 Volt raus Vorsicht, die 2V waren mein frei erfundenes Beispiel. Die tatsächlichen Werte müsste man entweder mit Originalschaltung und Datenblatt rekonstruieren, oder mal messen.
Guten Morgen Michael, also so langsam klären sich hier die Wolken auf. Es geht nur um eine reine digitalisierung und nicht um die mysteriös effektvolle Ansteuerung irgendwelcher LED's, bzw. eine LED-Balkenanzeige. Na, dann erklären sich doch die zirka 2,5 Volt DC im Signalweg super. Da herum kann das NF-Signal mit seinen positiven und negativen Halbwellen relativ symetrisch ausgesteuert werden. Die Minimalschwelle des Wandlers wird am Minuseingang festgelegt. Deshalb so stark unsymmetrisch, weil der LM358 es nicht schafft, in der negativen Halbwelle von den 2,5 V bis völlig herunter an Null Volt auszusteuern. Schlussfolgerungen: Also Michael, R8/R9 so lassen wie sie sind - vergiss damit meinen letzten Vorschlag (Die Elkos an beiden Spannungsteilern trotzdem besser dran lassen!) und dann mal auf Uwes Vorschlag mit dem Poti eingehen und die Schwellen feststellen. Ab wo schaltet das erste Bit (die erste LED ) und wann sind alle an = Vollaussteuerungsgrenze. Und C7 würde ich auch unbedingt weglassen. Da bin ich bei einigen meiner Vorredner. Eigentlich funktioniert doch dann alles wie gewollt - oder? Wenn es dann immer noch nicht funktioniert, schaue Dir mal Figure 6 im DB an. Da sehe ich das eigentlich eher ~47 kOhm und 47 pF an den Takteingang (Pin 4 und 19) müßten - für die laut DB annähernd optimalen 640 kHz Taktfrequenz für den Chip. Mit über einigen MHz Takt (> 3MHz) könnte der ADC auch seltsames Verhalten an den Tag legen. Er ist auch nur bis 1,46 MHz spezifiziert. Und wenn es dann geht und trotzdem weiterer Optimierungsbedarf besteht mache einen neuen Thread auf: Optimierung Audiodigitizer ADC0803 Das bringt dann etwas mehr Übersicht rein, wenn Du dort gleich das letzte komplette Schaltbild reinstellst.
:
Bearbeitet durch User
Hallo Lothar, alles klar. Danke für Deine Hinweise. Ich warte auf das Multimeter und leihe mir die Tage ein Oszi. Dann teste ich mit Poti und melde mich mit neuem Thread. Beste Grüße und nochmal Danke! Michael
Bitte melde dich an um einen Beitrag zu schreiben. Anmeldung ist kostenlos und dauert nur eine Minute.
Bestehender Account
Schon ein Account bei Google/GoogleMail? Keine Anmeldung erforderlich!
Mit Google-Account einloggen
Mit Google-Account einloggen
Noch kein Account? Hier anmelden.



























