Pollin hat ein blau beleuchtetes 480x360 Epson EG9006F-NS-1 Display für 10 Euro im Angebot. Allerdings ohne Datenblatt. Kennt jemand dieses Display oder hat gar ein Datenblatt dazu?
Hi, ich hab' nur vom eg9007 Datenblätter. Wenn der Connector gleich ist, sollte auch die Anschlussbelegung gleich sein.. . Gruß, Werner
Danke erstmal. Die Datenblätter hatte ich auch schon im Netz gefunden. Der Connector ist gleich, also auch ein 20poliger. Allerdings sind noch zwei Stecker am Display, jeweils zweipolig. Vermutlich die Spannungsversorgung für Elektronik und Beleuchtung. Naja, bei dem Preis riskiert man ja nicht so viel. Werde es also mal gemäß den Datenblättern probieren...
Sag bescheid, wenns läuft. Meine beiden LCDs müssten die Woche noch ankommen... Das EG9007 hat glaube ich 800x600 Pixel Auflösung (stand irgendwo im Internet)
@Benedikt: Aus dem zip-File (siehe Werners Beitrag) "EG 9007D-NS-10 LCD Module for 640 x 480 Dots"
Hm, laut Datenblatt 640x480 b/w, laut Pollin 480x360 b/w, die angegebenen mechanischen Maße (Umrisse, sichtbarer Bereich) stimmen auch nicht überein. Pollin weiß offensichtlich nicht, was sie haben?
@Uwe: Stand so irgenwo im Internet.... Und die neueste Angabe: 9006: 640x480 zeigt eindeutig: Keiner weiß genau bescheid, was wirklich stimmt...
Egal, ich bestell mir welche ... bei dem Preis. Wenn die Typen-Bezeichnung stimmt, (und darauf hoffe ich) haben wir ja das Datenblatt.
also ich kann das display nirgends finden? hat das überhaupt einen controller dabei?
Hi, habe eben mal geschaut. habe es auch nicht gefunden. gott sei dank, habe ich heute abend ca. 18 Uhr noch ein paar bekommen. so wie ich die sache sehe, braucht man da einen extra Controller. mal gucken, was geht .. mfg Kay
Mußte leider gerade feststellen, daß Pollin das Teil nicht mehr auf der Homepage hat, gestern Abend wars noch da. Tja, leider Pech gehabt. Ich vermute mal, daß bei eBay demnächst diese Teile wieder auftauchen für den zwei- bis dreifachen Preis. War bisher bei allen Displays so, die Pollin im Angebot hat bzw. hatte. Thorsten
Hehe, habe heute vier Stück bekommen :) Sehen echt gut aus. Werde jetzt noch die passenden Epson-Controller bestellen und ein Platinchen löten. Ich denke, die Teile bekommen einen eigenen AVR spendiert. Habe eh aus der CC-Aktion noch etliche ATmega162 rumliegen, die ich sonst nicht los werde. Bei Erfolg melde ich mich wieder. Dauert aber noch ein Weilchen, ziehe gerade um und muss die nächsten 2-3 Wochen noch renovieren.
Ende letzter Woche, ich habe am Dienstag nochmal eine Bestellung über 2 Stück rausgeschickt, mal sehen, ob die ankommen ;)
Hey John, habe auch ein paar Stück bekommen. Was für einen Inverter wirst du denn benutzen ? und was für nen Epson Controller ? Haste ICQ ? Könnten uns dann mal kurzschließen mfg Kay
Als Controller bietet sich der Epson S1D 13504 an. Der ist bei Segor als Lagertyp erhältlich, was die Beschaffung erheblich erleichtert.
Hi, der Controller würde passen, laut Datenblatt. Ich kann momentan leider keine Platinen ätzen. Hätte jemand die möglichkeit, eine SMD Platine zu machen ? mfg Kay
hi, hab was vergessen,laut epson homepage ist es ein : S1D13504: Color Graphics LCD/CRT Controller Color Graphics bei einem s/w Display ? ich weiß net. da muss es doch auch s/w Controller geben oder ? mfg Kay
Hallo Alle, Der Controller würde passen (siehe 2.3 Display Support) vom manual, aber der pin abstand ist nur 0,4 mm, also leiterbahnen mit 0,2mm und 0,2mm abstand zwichen zwei pins. Wie wollt Ihr das selbst ätzen, oder vom löten nur zu schweigen :-) Das ist mit einen lötkolben fast unmöglich. Grüße Mark. link zum manual: http://www.erd.epson.com/vdc/pdf/1354/1354tm/s1d13504tm.pdf
Hi Mark, hast du denn einen Vorschlag, was für einen Controller man dafür verwenden kann ? cya Kay
S1D13705, hat intern 80kB SRAM, kostet etwas dasselbe. Der Speicher reicht zwar nur für 2bit Graustufen aus, dafür hat das IC 0,5mm Pinabstand G 0,4mm sind kein Problem. Ich habe schon öfters Flash EPROMs mit 0,5mm TSOP Gehäuse gelötet. Man sollte allerdings schon einen SMD Lötkolben und dünnes Lötzinn verwenden... Das schlimmste war ein CF SMD Sockel. Der Abstand liegt zwar bei 1,27mm, aber um die hintere Pinreihe zu löten, muss man an der vorderen vobei. Und da hatte ich leider keinen SMD Lötkolben...
Hallo, Der S1D13704 und S1D13705 passen, der S1D13705 hat 80Kbytes RAM und der S1D13704 hat 40Kbytes RAM. Diese werden mit einen 0,5mm pinabstand geliefert, was ich für Lötanfanger schon für zu klein halte. Anfänger sollten meiner meinung nach nicht mal an 0,4mm denken. Solche kleine pinabstände sind etwas für geübte löter mit gutes werkzeug. Ich arbeite gerade an eine Platine für denn S1D13704/5. Wenn er fertig ist wird er auf meine homepage verfügar sein. www.mdejong.de Grüße Mark,
Ich konnte es nicht abwarten bis ich den Contoller bekomme, und habe mal schnell einen gebastelt. Erst hatte ich ein Problem mit dem YSCL und LP (die 50% Tastverhältnis hatten), denn wenn diese High sind, funktioniert das LCD nicht. Jetzt muss ich nur noch das Problem mit dem 1/242 Mux und dem First Line Marker lösen...
Hi Benedikt, mit was hasten das Display angesteuert ? was für einen Inverter für die Hintergrundbeleuchtung ? mfg Kay
Angesteuert habe ich das Display mit einem 128kB VRAM an einem AT89C51 mit 22,1184MHz. 3,6MHz Pixeltakt (für die 2x4bit). Damit erhält man 60Hz Bildfrequenz. Ich hatte noch einige Inverter von alten Notebooks rumliegen. Am Ausgang sitzt ein Kondensator zur Strombegrenzung. Ich habe noch einen zweiten eingebaut und damit die beiden CCFL Röhren versorgt. Alle Kondensatoren des Wandlers werden zwar recht heiß, aber es geht. Ich habe leider keine Ahnung wo man die Kondensatoren (3kV 10-50pF, HF fest) bekommt.
@Benedikt Na, das ist doch schon mal eine starke Leistung! Ehrlich gesagt ist mir so ein 89C... auch lieber als solche sauteuren Contoller mit abartigem Pinabstand. Würdest du beizeiten deine Lösung auch veröffentlichen? Gruß Matthias
Obwohl das schon ganz gut funktioniert, werde ich mir trotzdem einen S1D1xxxx besorgen (am besten den mit 2MB DRAM...) 16 Graustufen bei 640x480 ist schon ordentlich. Ich werde mal ein paar Pläne zeichnen und etwas zum VRAM schreiben und dann veröffentlichen. Ein Low Cost 32MS/s Logik Analyser ist schon interessant. (besteht aus 3 IC: uC, Speicher und Triggerung)
Oha, allerdings sehr interessant! Da bin ich ja mal sehr gespannt... Gruß Matthias
Hi, also ich muss muss Dir Benedikt echt sagen :"Du hast es halt drauf" wäre nett, wenn Du uns dann an Deinen LCD erfolgen teilhaben lassen könntest. grüße aus der Pfalz Kay
Ich habe mal etwas über VRAMs und die LCD Ansteuerung geschrieben: http://mitglied.lycos.de/bk4/vram.htm
Das sieht ja schon mal nicht schlecht aus. Diese VRAM haben ja wohl ein paar klasse-Eigenschaften, die mit normalen RAM nur schwer nachzubilden sind. Die Frage, die sich mir allerdings stellt, ist: Woher nehmen? Wenn ich das richtig verstanden habe, gibts die Teile nur auf alten Grafik-Boards (von ATI gabs glaube ich mal so eine Millenium Variante mit VRAM), und dann stellt sich das Problem des nicht-destruktiven entlötens eines dicken SMD-Käfers. Hast du da noch eine Anregung? Das sind jetzt natürlich eher praktisch veranlagte Problemchen, aber damit fängts ja erst mal an. Die Ansteuerung sieht wirklich super-simpel aus, das müßte hinzubekommen sein. SW dürfte ein ziemliches BIT-Gepfriemel sein, ich nehme an du machst alles in Assembler? Gruß Matthias
Das Auslöten mache ich ganz Brutal: Die nicht bestückte Seite der Platine mit einer Heißluftpistole erwärmen. Irgenwann wird es den ICs zu heiß, und die springen von selbst weg. G Nur bei bedrahteten ICs sollte man vorher die Pins alle gerade biegen. Damit habe ich schon viele Mainboards usw. komplett abgeräumt. Und den ICs macht das nicht aus. Gelötet werden die ICs ja genauso: Lötpaste drauf, IC drauf und kurz durch den Backofen... Das einzige Problem bei den VRAMs ist diese zu bekommen. Ich hatte mal Glück und bekam einen 486er CAD Rechner mit 40MB Arbeitsspeicher, 32MB Grafikkarte (16bit Farbtiefe bei 1600x1200 und 75Hz...), ESDI Festplatte usw. Dann habe ich einige VRAMs von einer Apple Grafikkarte mit Videoeingang. Und ich habe hier eine Matrox Grafikkarte liegen, die hat auch VRAMs. Die meisten verwenden aber leider EDO/FPM DRAMs 256k x 16. VRAMs verwende ich nur übergangsweise bis ich es irgendwann schaffe mir was besseres mit einem FPGA/CPLD und Cache SRAMs, SGRAMs, SDRAMs o.ä. zu basteln.
Hi Leute, schaut euch das mal an : http://cgi.ebay.de/ws/eBayISAPI.dll?ViewItem&category=31334&item=3480277646&rd=1 hammerhart oder ??? mfg Kay
Ja, krass, habe ich auch gerade gesehen. Diese Säcke! Kaufen die für 10 Euro massenhaft ein und verticken sie für 90 Euro weiter. Das ist ja Wucher ohne Ende!
hmm. mal eine blöde frage: wenn ich irgendwo alte grafikkarten auftreibe, wie find ich dann heraus ob es VRAM oder nur normale DRAM sind? Steht das drauf?
Hi, witzig finde ich bei Ebay auch wie viele sich dort das kleine DSM-0822A I2C Display für mindestens 3,50 EUR + Wucherversand kaufen, obwohl dieses nun schon seit fast 2 Jahren bei Pollin für 1,95 EUR angeboten wird.. . Oder das SP14Q002 für teilweise bis zu 140 EUR "unter den Hammer" kommt, wo doch ein absolut neues, baugleiches 320x240 Display bei www.bue.de für 99,- EUR zu bekommen ist. Gerade in Bezug auf Display muss man leider bei Ebay permanent überhöhte Preise attestieren. Verkaufen lässt sich dort jedes Display zu überhöhten Preisen. "Modder" mit teils erschreckender technischer Unkenntnis scheinen alles blind zu kaufen. Verkäufer nutzen das andereseits auch ziemlich schamlos aus. Was dort meiner Erfahrung nach mit Vorliebe verkauft wird/wurde: 1. Gebrauchte defekte Displays 2. "Assembling Samples" (Sind neu, funktionieren aber nicht (wurden als Produktionsmuster hergestellt mit "leeren" ROM's, GAL's etc.) Davon gab's mal eine ganze Serie von EGA Plasmadisplays bei Ebay. 3. Überteuerte Standardware, welche selbst bei Conrad & Co. billiger zu haben wäre. (mit wirklich sehr wenigen Ausnahmen) Es lohnt sich meiner Meinung nach immer, vor dem "Bieten" Button zuerst mal jenen einer Suchmaschine zu betätigen. Wer dazu zu dumm ist hat's zum einen nicht ander verdient als über's Ohr gehauen zu werden und dürfte auf Grund dieser geistigen Mangelerscheinung zum anderen mit der Inbetriebnahme eines Displays ohnehin hoffnungslos überfordert sein. ;-) Aber selbst hier hält sich der Schaden in Grenzen denn: Man kann sein "Lehrgeld" ja problemlos dann seinerseits wieder bei Ebay 'reinholen.. Es würde mich wirklich mal interessiren wie viele Displays bei Ebay immer wieder "hin und her gereicht werden" ohne je funktioniert zu haben. Gruß, Werner
@Thomas K Da hilft leider nur eines: Bezeichnung anschauen und in google nach einem Datenblatt suchen. Die kleinen VRAMs (1MBit) haben oft folgende Bezeichnung: Herstellerbuchstaben+42+Bit+Word Das C steht entweder zwischen Bit+Word, oder zwischen 42 und Bit z.B: KM428C128 für 128kx8 oder KM424C256 für 256kx4 oder MT42C4256 für 256kx4 Hat eigentlich jemand schon eine Platine für den S1D13705 oder das Bauteil in Eagle gebastelt ? Ansonsten werde ich mir dann mal eine Platine basteln. Eigentlich wollte ich den S1D13504 verwenden, aber der ist im Moment (bei Epson) schlecht erhältlich.
Hallo Benedikt, Ich werde Die Platine für denn S1D13705 anfang nächste woche in auftrag geben. Grüße Mark,
Hast du die Schaltung schon fertig ? Wie hast du die Ansteuerung gelöst (16bit an 8bit uC) ? So wie im Datenblatt irgendwo ganz hinten ? Was ich nicht verstehe: Wiso 17bit Adresse, wenn man doch nur 16bit braucht: A0 bräuchte man nicht, da man ja Odd und Even Byte durch High und Low Byte des 16bit Eingangs ersetzt...
Hallo Benedikt, Meine Platine ist ganz algemein gehalten, also für 8 und 16 bit. Jede configuration ist möglich. Für die eingang können 5 volt logik oder auch 3.x volt genommen werden. Ebenso für denn ausgang. Spannungsregler (3,x Volt) onboard für 5Volt betrieb. Interne oder externe clock (quarz oszillator). Demnächst auf meine homepage www.mdejong.de Zu deine frage: Der S1D13705 braucht einen adresbereich von 128Kbytes (80K RAM und die register), dafür bracht mann halt 17 adresleitungen. Ich arbeite auch an eine test Platine mit einen 8051 zur steuerung. und eine adapter Platine für das SONY ACX705AKM Farbdisplay. Grüße Mark,
Das ist mir klar, dass man für 128kByte 17 Adressleitungen benötigt um jedes BYTE adressieren zu können. Es wird aber nur jedes Word adressiert, und über 16bit ZWEI BYTES auf einmal geschrieben, so dass man A0 doch fest an Masse legen könnte ?
Hallo Benedikt, Du hast zum teil recht, aber du brauchst A0 und RD/WR# zum selectieren von high und low byte. Grüße Mark,
Danke, ich denke ich habs jetzt kapiert (das ganze ist im Datenblatt etwas merkwürdig erklärt...) Das ganze ist ziemlich kompliziert und ich weiß wie eine geätze Platine nach tausenden Änderungen aussieht. Dazu ist es ohne doppelseitige Platine kaum möglich eine saubere Platine zu bekommen, deshalb baue ich mir erstmal ein Adapter, und der Rest wird auf Lochraster aufgebaut. Dieses Programm könnte bei der Ansteuerung helfen: http://www.erd.epson.com/vdc/RelSoft/1375/intel32/13705cfg.zip
Hallo alle, Eine bessere beschreibung von meine Platine ist jetzt auf meine homepage www.mdejong.de zu finden. Der preis ist noch nicht bekannt, wenn alle gut geht werden die erste Platinen in 2-3 Wochen Fertig sein. Grüße Mark.
Kann es sein, dass im Schaltplan ein Fehler ist ? a) Bei den beiden Ausgangstreiber und Levelshifter IC1 und IC2 ist OE\ mit VddIO verbunden. Müsste OE\ nicht an GND ? b) VLCD sollte man besser mit LCPPWR schalten, um das Display nicht beim Einschalten direkt zu zerstören. Im Datenblatt vom EG9006 ist eine Schaltung drin. Ich baue den Spannungswandler immer auf die LCD Controller Platine und steuere dessen Enable Pin mit dem EnableLCD Anschluß des Controllers. Weiterhin kann man mit R7 die Spannung nur von solchen Modulen regeln, die einen getrennten VLCD und Vee Eingang haben. Denn um bei 6-13mA VLCD Stromaufnahme des EG9006 müsste R7 schon sehr nierdohmiger sein. Einfacher geht es z.B. über eine grüne LED die ich zwischen Vee und VLCD lege. Da alle LCDs intern einen Spannungsteile haben, dessen Ausgänge über LM324 Opamps gepuffert werden, dient die LED dazu die negativste Spannungsteiler Spannung in den Arbeitsbereich des Opamps zu legen. Dessen Betriebsspannung beträgt Vee und +5V. Dann kann man die Spannung direkt am Spannungswandler regeln, was auch den Wirkungsgrad verbessert (sonst werden z.B. -24V Vee erzeugt, aber nur -15V VLCD benötigt).
Hallo Benedikt, Danke, ich habe wahrschein drüber gekuckt, muss naturlich an masse. Ich habe jetzt auch das LCPPWR am konnector zum processor angeschlossen. Ich möchte kein spannungwandler auf die Platine machen, weil nicht alle displays eine negatieve spannung brauchen, manche brauchen eine positieve spannung. Manche display brauchen einen Vee und einen Vo, deshalb auch die möglichkeit zum anschliessen von eine Potmeter. R7 ist nur einen anschluss für optionale potmeter. Meine Platine ist nicht nur für das EG9006 Display. Grüße Mark,
Ist schon klar, ich habe die Beschreibung gelesen. Meine Platine ist auch fertig, nur der S1D13705 will nicht. Ich aktiviere CE\ und RD\, aber die Ausgänge bleiben High-Z. Ich hasse sowas, vor allem wenn das ganze so kompliziert ist, und nirgends die ganzen Bus Interface Modi wirklich gut beschrieben sind. Ich hätte jetzt über D0-7 die Daten rein (einfach den Highbyte WE\ bzw. RD\ nicht aktiviert). Theoretisch sollte das gehen, aber ich habe ich mal erkundigt und mir wurde gesagt, dass der S1D13705 so einige Probleme macht... Anscheinenend können geradzahlige Adressen nur über das Low und ungeradzahlige Adressen nur über das Highbyte übertragen werden.
Hallo Benedikt, Womit steuerst Du denn S1D13705? Wenn Du möchtest kannst Du mich anrufen, schicke mir dann bitte eine email. Per telefon kann mann besser helfen. Grüße Mark,
Ich steuere den S1D13750 mit einem AT89C51 an, getaktet mit 22,1184MHz. Ich werde nochmals alles überprüfen, bei dem kleinen Pinabstand hat man schnell irgendwo einen Kurzschluß oder eine Unterbrechung drin. Was auf jedenfall hilfreich wäre: Eine gut funktionierende 8bit Schaltung. In dem Datenblatt von deiner Seite (ca 250 Seiten) ist kein 8bit Anschluß erwähnt. Im Datenblatt von einer Epson Seite (>500 Seiten) ist ein 8 bit Interface erklärt.
Hallo Benedikt, Das ist schnell passiert bei einen 0,5mm pitch. Im anhang der application note für denn 8-bit anschluss. Ich werde es So anschliessen 89CE558 (80C51): Configuration Generic #2 BS# an Vddio RD/WR# an Vddio CNF0..CNF3 an Vddio controller an S1D13705 uP -> S1D13705 A0 -> >A0 A0 inv. -> BHE# A1..A14 -> A1..A14 Px.x -> A15 px.y -> A16 D0..D7 -> D0..D7 D0..D7 -> D8..D15 A15 inv -> CS# WR# -> WE0# RD# -> RD# Clock ausgang (quarz oszillator) -> BCLK RESOUT inv -> RESET# Damit liegt der S1D13705 im obere 32Kb vom RAM. mit Px.x und Px.y kann ich dann die 4 pages von 128Kbtes S1D13705 memory im 32Kbytes 89CE558 mappen. Zum addressieren von die register muss mann dann die Px.x und Px.y auf high '1' legen und dann liegen die register ab FFE0h, gesehen vom 89CE558. Px.y Px.x 89CE558 speicher Speicher S1D13705 0 0 7FFFh..FFFFh 00000h..07FFFh 0 1 7FFFh..FFFFh 08000h..0FFFFh 1 0 7FFFh..FFFFh 10000h..17FFFh 1 1 7FFFh..FFFFh 18000h..17FFFh Welche compiler benutzt Du? Grüße Mark,
Ich habe mal den 8bit Interface Teil angehängt. So habe ich meine Schaltung auch aufgebaut. Im Bereich 0-80k müsste sich der S1D13705 ja wie ein normaler SRAM verhalten, also Daten schreiben und wieder lesen. Ich werde mal mit Logik Analyser usw. ein paar Messungen machen. Irgendwo muss ja das Problem liegen... Mal ne ganz dumme Frage: Wenn ich von oben auf das IC schaue und EPSON D1370500A1 lesen kann, dann ist unten der linke Pin Nummer 1 im Gegenuhrzeigersinn weiterlaufend ?
Hab einen Fehler gefunden: An Reset hatte ich 4,7uF + 15k Pullup. Der Pin blieb bei etwa 0,3V hängen. Jetzt habe ich den 4,7uF + 15k vor einen 74HC04 gehängt und dessen Ausgang an den Reset Eingang. Jetzt läufts...einigermaßen. Die Register kann ich beschreiben, zumindest jedes zweite Byte, also Probleme mit dem 8bit Interface. Den Speicherbereich leider nicht, aber das werde ich auch noch hinbekommen...
Hi, ich habe mal ne Frage zur Programmierung. Da ich BASCOM User bin und BASCOM ja den Epson Controller nicht unterstützt. Ich vermute mal, das selbst AVR-GCC keine Library für diesen Controller unterstützt. Mit was für einem Compiler programmiert Ihr den Controller? Ich würde gerne einen Mega128 für den Controller verwenden. mfg Kay
Hallo Kay, Ich werde einen 89CE558 benutzten und Benedikt benutzt einen AT89C51, das sind beide 80C51 derivaten. Aber denn code wird auch für einen atmel benutzbar sein, nach kleine änderungen. Ich werde auch noch einen SAB C167CR benutzten. Vielleich werde Ich auch noch einen ATMega128 benutzten. Grüße Mark,
Hallo Mark, und in welcher Sprache programmierst du ? C oder Assembler ? mfg Kay
@Kay: Naturlich in C, assembler benutzte ich fast nicht mehr. @Benedikt: Hast Du auch A0 invertiert an denn BHE# angeschlossen? Grüße Mark,
Ja, habe ich, ich frage mich aber was der Sinn davon is. Generic2 ist als ISA Bus beschrieben, und da bedeutet BHE\ aktiv (also Low), dass ein 16bit Transfer stattfindet, so dass beide Bytes mit demselben Wert beschrieben werden, wenn High und Low Byte verbunden sind. Ich dachte auch schon daran Generic1 zu verwenden und WE0\ bzw. RD0\ für Even und WE1\ bzw RD1\ für ODD zu verwenden. Dies müsste ja auch funktionieren... Bsp: Wenn ich Daten (ganz normal, 16bit) an Adress 0 schreibe landetd as LowByte auf Adress 0 und das Highbyte auf Adresse 1. Das nächste Word müsste ich dann an Adress 2 schreiben -> A0 wird nicht benötigt. Schreibe ich jetzt beide Bytes nacheinandern einzeln (geht das überhaupt ?) muss ich beim Highbyte die Adresse auf 0 oder 1 setzten ? PS: Ich programmiere nur in Assembler. BASCOM ist zwar absolut einfach, aber von der Geschwindigkeit her total Sch.... OK, ich habe bisher einfach noch keinen guten C Compiler gefunden, der umsonst ist. Ich gebe bereits genügend Geld für Harware aus, da bleibt nichts mehr für Sofware übrig... Assembler auf 8051 ist ziemlich einfach, da alle Befehle ziemlich logisch aufegbaut sind. Und wenn man alles ordentlich optimiert, ist das ganze auch recht schnell (trotz den im Vergleich zum AVR recht geringen CPU Takt). Ich glaube kaum, dass es in C möglich ist ein Page Mode Flash EPROM an einem 8051 (22,1184MHz) mit 115200Baud kontinuierlichem Datenstrom zu programmieren.
Hab gerade noch eine unterbrochene D7 Leitung gefunden (Ich verdrahte meine Schaltungen generell mit einzelnen Kabeln aus Flachbandleitungen. Das ist billig, einfach und (meistens) sicher. Bei einer uC Schaltung ist die Verdrahtung bis zu 1cm dick... Ich hatte wohl vergessen das Kabel abzuisolieren und hatte die Isolation und nicht die Drähte angelötet. Auf dem Adapter waren auch noch zwei Adressleitungen kurzgeschlossen, anscheinend ein kleines stückchen Cu vom Bohren der Platine... Jetzt kann ich alles beschreiben und auslesen. Auch LCDPWR ging nach der Initialisierung auf High. Jetzt bau ich noch einen Adapter fürs EG9006 und dann poste ich mal ein paar Bilder und den Schaltplan... Auf meinem (Eigenbau) 8051-Entwicklungsboard sind 4 Busanschlüsse vorhanden, von denen jeder 4kByte des 32kB I/O Adressraumes bekommt (ein 32k SRAM oder ein 2MB DRAM unterteilt in 32k Pages) bekommt den Rest. Auf der S1D13705 Platine sitzen ein 74HC573 und 74HC574, die 64k der Adressen erzeugen. A0-7 können direkt angesteuert werden, A8 vom 8051 dient als A16. A9 wählt zwischen LCD Controller und 74HC574 Adresslatch aus. Ich bastel immer so komplizierte Schaltungen, um möglichst mit dem 4k Adressraum auszukommen und gleichzeitig den Softwareaufwand bei der Programmierung zu vereinfachen, was sich positiv auf die Geschwindigkeit auswirkt.
Die Schaltung läuft jetzt (zumindest hardwaremäßig). Das erste Testbild hatte ich auch schon, aber ziemlich zerstückelt: Die obere Hälfte ist relativ OK: Links sind 6x 4 Pixel immer dasselbe, dann kommt das Bild das OK ist. Darunter in der zweiten Bildhälfte erst etwa 1cm Datenmüll, dann 3cm Bild (perfekt, nur in der Mitte felt ein Stück) und dann nochmal 2cm Datenmüll. Hier mal meine Register: 1FFE0 24 1FFE1 59 1FFE2 60 1FFE3 7 1FFE4 4F 1FFE5 DF 1FFE6 3 1FFE7 5 1FFE8 0 1FFE9 4 1FFEA 3F 1FFEB 0 1FFEC 0 1FFED 0 1FFEE 0 1FFEF 0 1FFF0 0 1FFF1 0 1FFF2 FF 1FFF3 3 1FFF4 0 1FFF5 4 1FFF6 0 1FFF7 F0 1FFF8 0 1FFF9 0 1FFFA 0 1FFFB 0 1FFFC A0 1FFFD 0 1FFFE 0 1FFFF 0
Hallo Benedikt, Schon das schon was geht. Kennst Du das configurations program von EPSON! http://www.erd.epson.com/vdc/html/contents/S1D13705.htm#utils Damit kannst du einige register einstellen. Grüße Mark,
Ja, damit hab ich die Registerwerte erstellt, aber so ganz passt das irgendwie nicht... Außerdem merke ich keinen Unterschied wenn ich von 640x240 auf 640x480 umstelle... (außer dass es bei 240 etwas mehr flimmert...) Was mich auch etwas verwundert: Bei 640x480 Single und Dualscan ist die Framefrequenz gleich, obwohl ja eigentlich bei Dualscan nur die Hälfte der Zeit notwendig ist.
@Mark: Wie weit bist Du mit der Platine? Ich hätte da nämlich Interesse.
Hallo Tom, Die Platinen sind Bestellt, jetzt warten bis die da sind, und dann kann ich sie erst mal testen. Denke so etwa 3 wochen wird es noch dauern. Wenn Sie verfügbar und getestet sind werde ich es auf meine homepage melden, und auch hier. Grüße Mark,
Hi Mark, was denksten was so ne platine fertig aufgebaut und getestet bei Dir kosten wird ? ( so ungefähr ) mfg Kay
HI, gibts schon was neues ? hat schon jemand das Display an einem AVR laufen ? Was für einen Inverter brauche ich dafür ? mfg Kay
Hallo Alle, Die LCD Controller Platinen für denn S1D13705 sind Heute angekommen. Sehen gut aus, ich werde eine jetzt aufbauen und dann testen. Wenn ich eine aufgebaut habe werde ich bilder reinstellen. Grüße Mark,
Hi Mark, weißt Du jetzt schon, was so eine fertig aufgebaute Platine kosten wird ? mfg Kay
Hallo, Hier ist ein erste Bild von der Platine. Der Preis ist noch nicht bekannt. Grüße Mark,
Und hier nochmal eine kleinere Version, für alle die nur einen langsamen Modem-Zugang haben :)
Hi leute, ist ja schon lang her, das dieser Thread beendet wurde. wollte mal nachfragen, ob jemand schon das display erfolgreich in betrieb genommen hat ? mfg Kay
Ja, am S1D13705. Hatte zwar einige Probleme mit der Ansteuerung, aber es geht. Ist ja nichts besonderes, ist eben ein Standart Dual Scan 640x480 STN LCD...
Hi Benedikt, kannste vielleicht nen paar Bilder von dem Display in Aktion machen ? würde mich sehr interessieren. Haste den S1D13705 an einem AVR laufen ? mfg Kay
Der S1D13705 läuft an einem 8051, aber das ist im Prinzip egal. Ein Problem ist der benötigta Adressbereich von 128k. Der wird über 2 Latches aus 8bit Adress/Datenleitungen und 2 Adressleitungen erzeugt. Außerdem ist die Sache mit dem 16bit<->8bit Interface noch etwas kompliziert, und ich habe ein paar Probleme mit der Farbtabelle. Ich muss mal den Schaltplan suchen.
Moin allseits, habe in meiner Grabbelkiste auch noch so ein ähnliches Display entdeckt. Allerdings weiß ich nicht welcher Controller da drauf ist oder wie man das Diplay ansteuern könnte. Auf der Rückseite steht folgendes: ECM-A9112 9328FC6 EPSON Soweit ich mich entsinne, war das ein Pollin-display, (http://www.pollin.de/service/LCD/700197plus.zip) Kennt jemand von euch dieses Diplay und kann mir paar Tips geben, wie ich es mit einem AVR ansteuern kann? (Im Nachfolgenden noch zwei Bilder des Diplays)
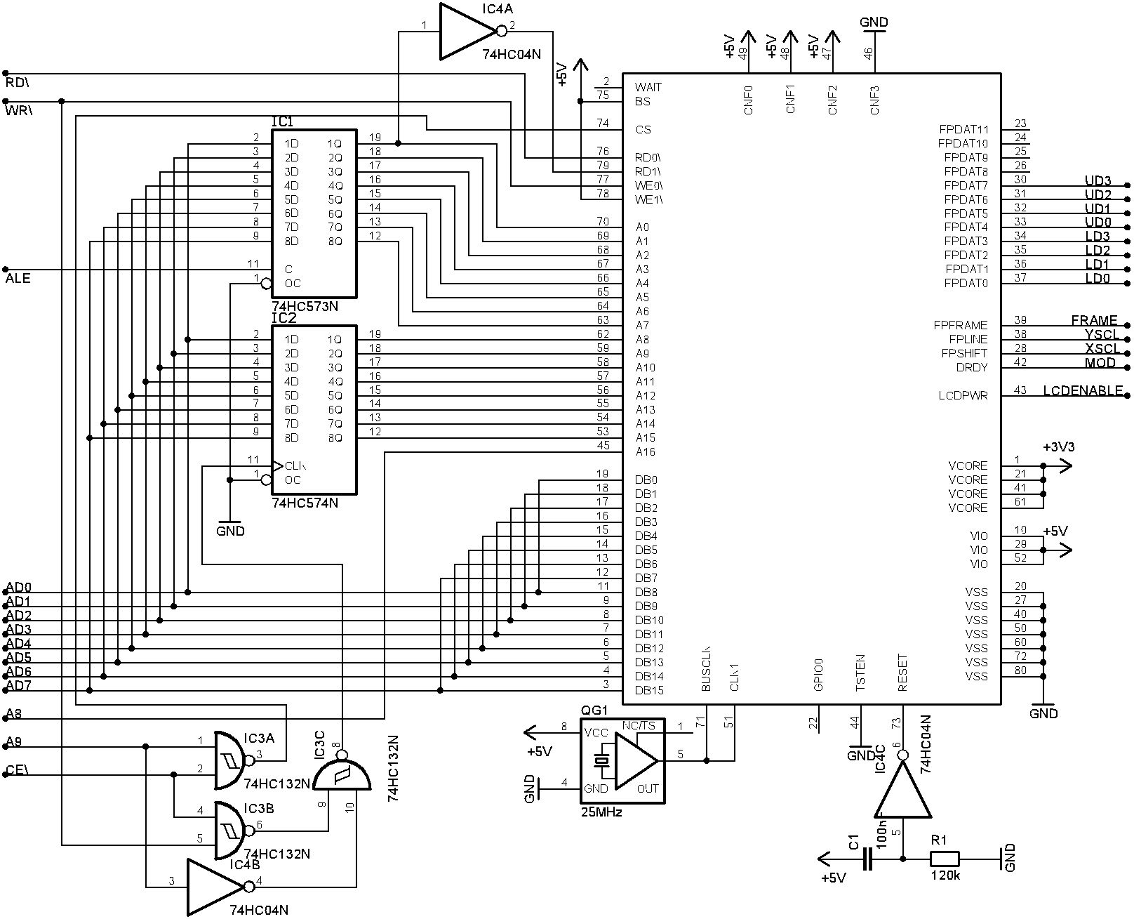
Das Ding hat überhaupt keinen Controller drauf. Sei froh dass Pollin die Daten liefert, denn zu ECMxxxx (Epson Custom Made) gibt es eigentlich keine Daten... Da brauchst du noch den S1D13705 o.ä. Hier der Schaltplan für den S1D13705. Die unteren 8bit der Adresse gehen direkt zum Controller, A8 legt der Adressbereich 0-63k oder 64-128k fest, ist also A16 des Controllers. Ist A9 Low werden Daten zum Controller übertragen, ist A9 High wandern die Daten ins Adresslatch (A8-A15 des Controllers)
Danke für den Tip. Ich glaube der Aufwand wird zu groß und zu teuer, ich hatte gehofft, das Display lässt sich direkt mit einem µC ansteuern.
Lässt sich schon, ist aber nicht einfach und nicht komfortabel: Du brauchst 64kB SRAM, und einen schnellen uC. Du musst nun mit etwa 2MHz (oder schneller) die Daten ans LCD senden und noch die passenden Steuersignale erzeugen.
@Mark: Ist zwar schon eine Weile her, aber bist Du mit den Platinen inzwischen schon weiter?
Das würde mich auch interessieren. Du postest doch noch hier im Forum. Antworte doch mal!
Bitte melde dich an um einen Beitrag zu schreiben. Anmeldung ist kostenlos und dauert nur eine Minute.
Bestehender Account
Schon ein Account bei Google/GoogleMail? Keine Anmeldung erforderlich!
Mit Google-Account einloggen
Mit Google-Account einloggen
Noch kein Account? Hier anmelden.







