Hallo Ich möchte bei der angefügten Schaltung eine Hysterese von +/- 0.25V um die Schaltpegel herum Die Pegel sind: Überspannung: 14.5V Unterspannung: 10.5V Dazwischen: OK! Da ich jedoch den eingang um faktor 5 Teile muss man meiner meinung nach auch die Schaltpegel um 5 Teilen. Wie kann ich bei meiner Schaltung nun die Hysterese widerstände berechenen? Ich kenne die Seite vom Elektronik Kompendium und deren Formel, doch leider komm ich irgendwie nicht auf brauchbare werte... Ich hoffe ihr könnt mir helfen... Danke schonmal
Berechnen ist bei dieser Schaltung uferlos, da sich alles gegenseitig beeinflusst. Die Mitkopplung am oberen LM339 verzieht die Referenz, die am unteren LM339 verzieht das Eingangssignal, die Ausgänge der Komparatoren sind keine festen Spannungspegel sondern Pullup / Pulldown... Ich würde das einfach mal mit Potis probieren. Zur Abschätzung der Werte: Der Einfluss der Hystrerese sollte etwa 1/50 betragen (0,25V / 12V), also Mitkopplungswiderstand etwa 50x größer als die Spannungsteiler. Grüße, Peter Edit: ich gehe mal davon aus, dass du weißt, dass die Mitkopplungswiderstände von Komparatorausgang zum (+)-Eingang geschaltet werden)
Peter Roth schrieb: > Komparatoren sind keine festen Spannungspegel sondern Pullup / > Pulldown... Wenn du ins Datenblatt siehst, wirst du sehen dass der LM339 einen Open Collector Ausgang hat. Somit kann gegen ground schon ein bisschen strom fliessen. Peter Roth schrieb: > Zur Abschätzung der Werte: > Der Einfluss der Hystrerese sollte etwa 1/50 betragen (0,25V / 12V), > also Mitkopplungswiderstand etwa 50x größer als die Spannungsteiler. Kannst du mir das etwas genauer erklären?
Claudio Hediger schrieb: > Peter Roth schrieb: >> Komparatoren sind keine festen Spannungspegel sondern Pullup / >> Pulldown... > > Wenn du ins Datenblatt siehst, wirst du sehen dass der LM339 einen Open > Collector Ausgang hat. Somit kann gegen ground schon ein bisschen strom > fliessen. Habe mich flapsig ausgedrückt. Meinte: der Pullup steht nicht alleine, sondern wird auch noch durch den Pulldown beeinflusst. > Kannst du mir das etwas genauer erklären? Das sollte ein Hinweis darauf sein, wie man einen groben Richtwert für den Gegenkopplungswiderstand bekommt. Abweichungen von -50 .. +100% sind möglich. Probiere es aus oder simuliere die Schaltung. Rechnen will das keiner. Grüße, Peter
Michi schrieb: > Wiso funktioniert bei diesem Beispiel die obrige Formel nicht? Gute frage... Könnte hier mal jemand helfen :)
Such mal nach "Fensterkomparator" das ist das was Du willst. Und was ist mit der Stromversorgung des LM339, wo liegt sein GND. Ich denke das ist falsch.
Sebastian schrieb: > Such mal nach "Fensterkomparator" das ist das was Du willst. Die Schaltung macht bereits das was ich möchte... Sie funktioniert einwandfrei... Ich muss jetzt einfach eine Hysterese haben. Der LM339 ist natürlich gegen GND angeschlossen und nicht wie auf dem Schaltplan
Wie kommst du auf 78L08, also 8V Betriebspannung ? R1 R2 R3 R7 R6 sind auf 5V ausgelegt, und auch R8 R9 R10 ! Deine Schaltung schaltet nicht bei 14.5V/10.5V sondern bei 23.2V und 16.8V! > Ich möchte bei der angefügten Schaltung eine Hysterese > von +/- 0.25V um die Schaltpegel herum Vom Ausgang des IC1A an den - Eingang des IC 47k. Vom Ausgang IC1b zum - Eingang 120k. Richtig toll ist die Schaltung nicht. Es fehlt ihr komplett die Schutzschaltung für den Betrieb im Auto vor dem Spannungsregler: http://www.dse-faq.elektronik-kompendium.de/dse-faq.htm#F.23 Statt den 5% unpräzisen 78L05 sollte man besser LP2950-5 oder gar LP2954-5 nehmen, der ist genauer, und du willst schliesslich die Spannung als Referenz verwenden.
na dann bau doch endlich den (die) R3 wie in Michis Bild ein und koppel gegen! Welcher Komparator soll denn eine Hysterese bekommen?
Sebastian schrieb: > Wie kommst du auf 78L08, also 8V Betriebspannung ? Ja du hast recht... Es ist ein 78L05 Verbaut Ich habe zudem vor dem 78L05 eine 1N4007 verbaut
MaWin schrieb: > Vom Ausgang des IC1A an den - Eingang des IC 47k. > Vom Ausgang IC1b zum - Eingang 120k. Wie kommt man auf diese Werte?
> Wie kommt man auf diese Werte?
Durch Anwendung der Formel opv13.gif und der Hoffnung, daß der
Komparator mit dem Ausgang genau andersrum reagiert als ein OpV
(gewöhnlich werden + und - bei den Eingängen eines Komparators
vertauscht weil man den Ausgang als active low betrachtet, falls das bei
dir nicht der Fall sein sollte, muss man an den + Eingang statt dem -
Eingang).
MaWin schrieb: > Durch Anwendung der Formel opv13.gif und der Hoffnung, daß der > Komparator mit dem Ausgang genau andersrum reagiert als ein OpV > (gewöhnlich werden + und - bei den Eingängen eines Komparators > vertauscht weil man den Ausgang als active low betrachtet, falls das bei > dir nicht der Fall sein sollte, muss man an den + Eingang statt dem - > Eingang). Wenn ich den 47k bei oberen vom Ausgang an den + anhänge dann klappt es mit der Hysterese beim Oberen. Mache ich das selbe mit einem 120k beim unteren, so gibt es einen "weichen" übergang von der einen LED zur anderen. Schliesse ich beim oberen den 47k beim - anschluss an, so gibt es auch einen weichen übergang Was mache ich falsch?
Also: IC1a: Wenn die Spannung am - Eingang grösser ist als die Vergleichsspannung am + Eingang, dann soll die LED am Ausgang leuchten, also muss der Ausgang auf LO. Da der Ausgang seine Spannung verringert, müssen wir gucken, wlcher Eingang seine Spannung verringern muss, damit die Schaltgrenze niedriger wird. Richtig, der + Eingang, also den Widerstand vom Ausgang nach +. Beim IC1b muss es auch zum + Eingang gehen. Bleibt die Frage nach dem Wert für 0.25V also ca. 1/60: Das 60-fache des Widerstands des Spannungsteilers von ca. 2k, also 120k. Schaut man sich im Datenblatt des LM339 die Schaltungen mit Hysterese an, wie den Transducer Amplifier, so wird dort auch zum + Eingang rückgekoppelt, mein Fehler.
MaWin schrieb: > Schaut man sich im Datenblatt des LM339 die Schaltungen mit Hysterese > an, wie den Transducer Amplifier, so wird dort auch zum + Eingang > rückgekoppelt, mein Fehler. hmm... das problem ist, das es einen weichen übergang gibt... Es gibt ein punkt wo beide LED's leuchten und schwach von einem zum anderen übergehen dies ist jedoch nur beim unteren der fall.
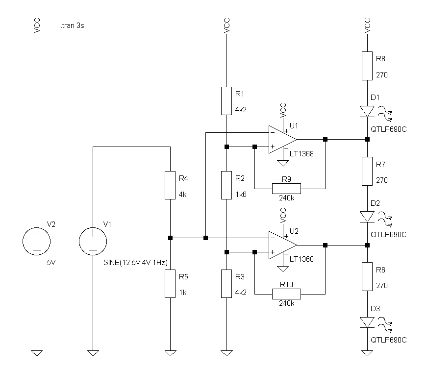
Einfachere Schaltung => einfachere Rechnung ;-) Für die angehängte Schaltung werden nur zwei OpAmps benötigt, die aber einen Push-Pull-Ausgangs (keinen Open-Collector-Ausgang) haben müssen. Ich habe Rail-to-Rail-Typen genommen, weil bei diesen die Ausgangsspan- nungsgrenzen i.Allg. keinen so großen Streuungen unterworfen sind wie bei anderen OpAmps. Bei perfekter Rail-to-Rail-Eigenschaft sind die Ausgangsspannung der beiden OpAmps entweder 5V oder 0V. Dann müssen die beiden Mitkopplungs- widerstände R9 und R10 jeweils 240kΩ haben, damit sich die gewünschte Hysterese von 0,25V ergibt. Das Ergebnis kann leicht nachgeprüft werden, indem als Ausgangsspannung der OpAmps nacheinander (5V, 5V), (5V, 0V) und (0V, 0V) angenommen wird und mit den üblichen Formeln für Widerstandsnetzwerke die Spannungen an dern nichtinvertierenden Eingängen der OpAmps berechnet werden. Bei Belastung durch die LEDs erreichen die OpAmps aber nur etwa 4,7V und 0,3V am Ausgang (abhängig vom LED-Typ), so dass sich die Schaltschwellen etwas verschieben. Lt. Simulation ist der Fehler aber noch akzeptabel:
1 | Hysterese |
2 | Überspannung 14,54 14,29 0,25 |
3 | Unterspannung 10,69 10,47 0,22 |
Statt des LT1368 kannst du auch einen anderen Rail-to-Rail-OpAmp, bspw. den TS912 nehmen. Je mehr Ausgangsstrom er liefern kann, umso besser.
> hmm... das problem ist, das es einen weichen übergang gibt... > Es gibt ein punkt wo beide LED's leuchten und schwach von einem zum > anderen übergehen > dies ist jedoch nur beim unteren der fall. Schaltung schwingt ? Trotz Hysterese ? Dann wäre sie mächtig störempfindlich und würde sich selbst stören.
Hallo Claudio. > Die Schaltung macht bereits das was ich möchte... Sie funktioniert > einwandfrei... Nööö. :-) > Ich muss jetzt einfach eine Hysterese haben. Die Hysterese gehört mit zum Funktionieren. Und das ist jetzt keine Korintenkackerei. > Der LM339 ist natürlich gegen GND angeschlossen und nicht wie auf dem > Schaltplan Gut. :-) Aber echte Hysterese bekommt man durch eine Gegenkopplung....... Was Du hast, sind zwei Schaltschwellen OHNE Hysterese. Wäre aber wohl auch machbar, wenn die weit genug auseinander liegen und Dir die Genauigkeit langt..... > hmm... das problem ist, das es einen weichen übergang gibt... > Es gibt ein punkt wo beide LED's leuchten und schwach von einem zum > anderen übergehen > dies ist jedoch nur beim unteren der fall. Das deutet ein bischen auf wildes Schwingen hin. Ohne ein paar Vorsichtsmaßnahmen und Messen komst Du jetzt nicht weiter. Einschub: Ohne "echte" Hysterese neigen die Teile immer im Übergangsbereich dazu, instabil zu sein. Wenn das lästig ist, mach sie halt träge. Zu den Vorsichtsmaßnahmen: a) Am Eingang und Ausgang Deines LM78L08 gehören jeweils ein keramischer Kondensator von 100-470nF nach Masse. Damit der LM78L08 auch wirklich Gleichspannung liefert. :O) Die Kondensatoren sollten unmittelbar NEBEN dem LM78L08 platziert werden. b)Zwischen R6 und R7 soltest Du auch einen keramischen Kondensator von 100-470nF nach Masse legen, damit der ganze Müll von der Versorgungsleitung nicht auf deinen Meßeingängen landet. c)Ebenso sollte direkt über der Versorgungsspannung des LM339 ein 220-470nF keramischer Kondensator nach Masse liegen. d)100-470nF keramische Kondensatoren könnten auch sinnvoll an den Verbindungen R1/R2, R2/R3 und R4/R5 sein. An R11/R12 nur dann, wenn weiter vom den Kondensatoren am Ausgang bzw. direkt über dem LM339 entfernt. Aber mach erstmal mal a)-c), und schau mal, ob es besser wird. Und dann Mess einmal mit einem Digitalmultimeter die Spannungspegel an den Ein- und Ausgängen, und überlege, ob diese plausibel sind. Nicht nur zum Status des LM339, sondern auch mit den benachbarten Pegeln über die Spannungsteiler. Wenn nicht, überlege warum......da liegt nämlich dann der Hase im Pfeffer. Dummerweise erkennst Du mit dem Digitalmultimeter nicht, wenn wo was schwingt und merkwürdige Effekte produziert. Hier wäre selbst ein mieses Oszilloskop eine gute Hilfe. Mit den obigen Entstörtipps würde ich mich aber noch lange nicht in die freie Wildbahn begeben wollen.....aber auf dem Labortisch solte das schon klappen. Bei Beitrag "Re: Tiefentladeschutz 12V Abschaltspannung berechnen" findest Du übrigens eine Schaltung mit "echter" Hysterese. Überhaupt könnte der Thread für Dich interessant sein. Der LM393 dort ist Deinem LM339 sehr ähnlich, allerdings hat er nur 2 Komparatoren. Aber für den Anwendungsfall geht eigentlich fast alles.... Extrem robust für eine Spannungsüberwachung lassen sich auch NE555 verwenden, wenn sie nicht als Flip-Flop oder Timer/Oszillator verwendet werden. Genau genug für einen Bleiakku ist er. Anders betrachtet ist der 555 eigentlich ein kompletter 2 Punkt Regler, d.h. er schaltet bei einer Schwelle ein und bei einer anderen aus. Die Schaltpunkte sind bei 1/3 und 2/3 seiner Betriebsspannung, aber das ist egal, wenn man jedem der beiden Eingänge einen separaten Spannungsteiler zur Anpassung spendiert. Umd die Hysterese must Du dich nicht "kümmern", die ist "festgenagelt" relativ zur Betriebsspannung bzw. den Spannungsteilern. Die Betriebsspannung sollte stabil sein, weil von Ihr die Referenz abgeleitet wird (wie bei Dir auch). Letztlich bist Du mit Deinen beiden getrennten Komparatorstufen schon auf halbem Wege, einen 555 "zu Fuss" aufzubauen. ;-) > Wie kann ich bei meiner Schaltung nun die Hysterese widerstände < berechenen? > Ich kenne die Seite vom Elektronik Kompendium und deren Formel, doch > leider komm ich irgendwie nicht auf brauchbare werte... Was genau meinst Du mit "brauchbaren Werten"? Du wirst keinen Wert finden, der einem aus einer handelsüblichen Widerstandsnormreihe entspricht. Wenn doch, ist es nur einer und Zufall. Aber nimm die nächstgelegenen Werte aus der E12 Reihe (ganz gängig) und rechne mit denen durch. Vieleicht bisst du ja dann, wo Du hin willst. Zumindest aber schon in der Nähe. Oder aber Du stellst fest, das Du wirklich einen Zwischenwert brauchst. Dann bastel Dir einen naheliegenden durch Zusammenschaltung mehrerer Widerstände aus der E12 Reihe. Die E24 Reihe (oder E48, E96) ist nur was wenn Du in größeren Stückzahlen produzierst. Zum testen und üben langt E12 dicke. Du kannst auch Trimmer nehmen, und einstellen. Hat den Vorteil, Du bist universell. Hat den Nachteil: Entweder teuer oder störanfällig. Mit etwas Pech beides.... Mit freundlichem Gruß: Bernd Wiebus alias dl1eic http://www.dl0dg.de
Bitte melde dich an um einen Beitrag zu schreiben. Anmeldung ist kostenlos und dauert nur eine Minute.
Bestehender Account
Schon ein Account bei Google/GoogleMail? Keine Anmeldung erforderlich!
Mit Google-Account einloggen
Mit Google-Account einloggen
Noch kein Account? Hier anmelden.




