Ich habe mir dieses Labornetzteil nachgebaut: http://www.electronics-lab.com/projects/power/001/index.html Mit zwei Kanälen, also 2x diese Platine. Soweit so gut. Hat auch alles prima funktioniert, leider ist den Netzteilen keine Sicherung vorgeschaltet. Dadurch habe ich mir dummerweise beide nacheinander zerschossen durch zu hohe Ströme. Kann mir jemand einen Tip geben welche Teile zerstört worden sind und wie ich das teste? Hat jemand eine Idee wie und welchen Sicherungsautomaten ich davor schalten kann um in Zukunft die Schaltung zu schützen? Gruß Magelan
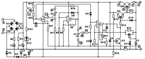
wie hast du denn dann das Netzteil nachbauen können mit so wenig Kenntnissen? Also, wenn es nur am Überstrom lag, dann würde ich als erstes den Transistor Q4 anschauen, und als nächstes den Q2 und R16 und so weiter. Was den Strom angeht: Beitrag "Netzteil-Strombegrenzung" Beitrag "Kleines Netzteil"
Hallo larryhag, schau dir erstmal im Forum zum Netzteil die gesamten Änderungen an, damit du nicht soviel Lehrgeld zahlst. Gruß Jochen
> Input 24VAC 3A > Output 0-30V 0,002-3A Das Netzteil ist ein Fake, 72 Watt rein und 90 Watt raus geht schon rein physikalisch nicht, zumal hat ein einzelner 2N3055 keine SOA safe operating area von 90W und der Kühlkörper: Ist schon 1. April ? Bau was ordentliches Beitrag "Labornetzgerät als Projekt"
Nein, ein fake ist es nicht. die sprechen von 24V AC und 3 A. 24*(1.44)*3 = 103 Watt. Du musst bebenken, dass die gleicherichtete DC-Spannung etwa um den Faktor 1.4 höher liegt, als der die AC-Spannung. Allerdings sollte der Trafo liefer etwas stärker ausgelegt werden, so um die 5A, denn er muss zusätzlich den Lade-Elko speisen, damit dieser in den Nulldurchgängen die Spannung aufrecht halten kann. Der verwendete Leistungstransistor hält die Verlustleistung bei kleinen Spannungen und hohen Strömen allerdings nicht aus. Diese kann locker 100 Watt erreichen, wenn du z.B. 1 Volt und 3 Ampere entnimmst. Das macht dann 1V * 3A = 3 Watt am Ausgang und 103 Watt - 3 Watt = 100 Watt verlust. Um die genaue maximale Verlustleistung zu bestimmen, müsste ich den thermischen Widerstand des Kühlkörpers kennen. Aber ich gehe davon aus, dass 40 Watt hier das maximum sind. Das heißt: Bei Spannungen bis etwa 20 Volt - 30 Volt kannst du volle 3 Ampere entnehmen, darunter nimmt der maximal entnehmbare Strom ab. Bei 1 Volt kannst du noch etwa 1 Ampere entnehmen. Wenn überstrom Schuld war, solltest du folgende Bauteile prüfen: Q4, Q2, D10 Ich weise aber auch darauf hin, dass das Schaltungsdesign veraltet ist. Auch die Arbeitsweise der Strombegrenzung (eingriff in die Referenzspannung) ist optimierungswürdig; Diese sollte besser direkt in die Endstufe eingreifen. Ok aber das ist hier wohl eher "kosmetik". Wie groß ist C7? Ich hoffe doch unter 100yF? Andernfalls kann die Strombegrenzung nicht schnell ausregln, da dieser Kondensator immer erst seine Ladung abgeben muss, bevor die Stromregelung greifen kann. gruß tobi
hacker-tobi schrieb: > ein fake ist es nicht. die sprechen von 24V AC und 3 A. 24*(1.44)*3 = > 103 Watt. Also Du schaffst aus einem 72 W Trafo 103 W. Lass es Dir patentieren. hacker-tobi schrieb: > Du musst bebenken, dass die gleicherichtete DC-Spannung etwa um den > Faktor 1.4 höher liegt, als der die AC-Spannung. Aber nicht bei Volllast. Bei einem 24 V/3 A Trafo schaffst Du noch 16 V bei 2 A. Oberhalb von 16 V hast Du dann kurze Einbrüche in der Ausgangsspannung bei Volllast. hacker-tobi schrieb: > Allerdings sollte der Trafo liefer etwas stärker ausgelegt werden, so um > die 5A, denn er muss zusätzlich den Lade-Elko speisen, damit dieser in > den Nulldurchgängen die Spannung aufrecht halten kann. Nicht "sollte", sondern muss.
> ein fake ist es nicht. die sprechen von 24V AC und 3 A. 24*(1.44)*3 = > 103 Watt. Autsch. Nochmal zurück Schulbank drücken. Uups, du bist nich an der Schule. Also aufpassen !
Bitte melde dich an um einen Beitrag zu schreiben. Anmeldung ist kostenlos und dauert nur eine Minute.
Bestehender Account
Schon ein Account bei Google/GoogleMail? Keine Anmeldung erforderlich!
Mit Google-Account einloggen
Mit Google-Account einloggen
Noch kein Account? Hier anmelden.
