Aus aktullem Anlass bin ich auf dieses Teil hier gestoßen http://www.sparkfun.com/products/9848 http://dlnmh9ip6v2uc.cloudfront.net/images/products/09289=04.jpg so etwas müsste sich doch auch günstiger selbst nachbauen lassen ? bei sparkfun ist der momentan eh nicht lieferbar und mir pers. auch zu teuer. einige hardware unterlagen von dem teil sind hier einzusehen : http://www.sparkfun.com/datasheets/Sensors/Radiation/Geiger_Counter-v19.pdf http://www.sparkfun.com/datasheets/Sensors/Radiation/Geiger_Counter-v19.zip http://github.com/a1ronzo/SparkFun-Geiger-Counter/commit6415adc0151aa38792fdeae208ac2c38da2c174b fehlt noch die software für den atmega und ein auswerteprogramm für den PC. müsste sich doch ev. mit einem arduino o.ä. realisieren lassen, damit wäre schon mal die hälfte der hardware "gebacken", mit einem zus. display für mobilen betrieb wäre auch nicht schlecht! div. schaltungen für den reinen zählrohr betrieb sind im netz genug vorhanden, nur leider keine DIY für einen selbstbau einer lösung mit usb und display, in der richtung habe ich leider so recht nichts gefunden !?
Aus aktuellem Anlass muss man leider sagen, die zum Teil in der blauen Bucht und diversen Händlern verkauften Geigerzähler (oder wie sie sich nennen) sind nicht für die jeweilige Messaufgabe (was wollt ihr überhaupt messen) geeignet. Schon für einfachste Messungen wird eine relativ teure Ausrüstung und Sachverstand benötig. Mit einem winzigen Geigerzählrohr kommt man eigentlich nicht sehr weit.
> Aus aktuellem Anlass muss man leider sagen, die zum Teil in der blauen > Bucht und diversen Händlern verkauften Geigerzähler (oder wie sie sich > nennen) sind nicht für die jeweilige Messaufgabe (was wollt ihr > überhaupt messen) geeignet Blödsinn. Geiger-Müller-Zählrohre sind zwar keine Gammaspektroskope, aber humanrelevante Umgebungsstrahlung zeigen die schon an. Es reicht eigentlich ein Zählrohr an 400V, und die meisten angebotenen Geigerzähler nutzen dasselbe russiche Zählrohr (wie bei allen Röhren...). Schaltpläne hier: http://www.chetan.homepage.t-online.de/sonstig/GEIGERZ.HTM (allerdings ziemlich schlechte, immerhin wird gezeigt, wie man mit simpelsten MItteln zu Ziel komt) Röhren bei eBay und hier: https://www.distrelec.de/ishopWebFront/search/luceneSearch.do;jsessionid=B079DCE5F00A408D53FC543D54B3B7C2.chdist142?dispatch=find&keywordPhrase=geiger > http://www.sparkfun.com/products/9848 Find ich eher unsinnig, viel Aufwand in die PC-Anbindung, wenig Geld für's Zählrohr, um so kleiner, um so unempfindlicher. Aber statt selber messen hilft messen lassen: http://odlinfo.bfs.de/
ich stelle mir aber eher sowas hier vor, bild ! vllt. lässt sich dafür das msp430 launchpad als zähler verwenden, ähnlich dem hier : http://www.youtube.com/watch?v=ml1emxlFFOw das ich und sicherlich noch so einige andere ohne sinnvolle anwendung rumliegen haben. eine software habe ich hier gefunden, lässt sich vllt. verwenden / anpassen : http://www.imagesco.com/geiger/winxp.zip zum thema um so kleiner, um so unempfindlicher: Frieseke & Höpfner zählrohre habe ich auch noch liegen, die sollten sich dafür verwenden lassen. http://true-random.com/homepage/projects/gmz/ http://www.chetan.homepage.t-online.de/sonstig/DETEKT.HTM
http://www.imagesco.com/geiger/Software%20Manual.pdf schade, nur für xp (ich dachte da an die verwendung mit einem alten PDA) mein handy to ser. kabel hat die SW schon mal zugelassen. http://www.imagesco.com/geiger/geiger-counter-index2.html
ups, bild vergessen ! The RS232 adapter outputs the Counts Per Second (CPS) to the computer's serial or USB port. You can write your own software to communicate with the RS-232 adapter. The RS-232 serial data is sent out as a two byte number (most significant byte first) with the following specifications: 9600 Baud, Inverted, 8 data bits, no parity and one stop bit. You may also use the USB adapter to communicate to the software using the standard COM port. The USB to Serial Adapter sets the USB communication to COM port 3.
dann spiele ich hier jetzt mal ein bisschen alleinunterhalter http://strawberry-linux.com/catalog/items?code=53002 http://strawberry-linux.com/pub/gmkit.pdf lt. stückliste im pdf ist da wohl eine CYPRESS-CPU verbaut. der bausatz kommt aus japan und dürfte jetzt wohl ausverkauft sein. ist unter http://www.ustream.tv/channel/geiger-counter-tokyo in aktion zu sehen. nettes teil, gefällt mir richtig ! und das zählrohr scheint auch was hochwertigeres zu sein aus usa http://www.lndinc.com/products/348/
habe gerade mal die japanische PC-SW installiert und gleich wieder gelöscht, ist im vergleich zu der oben erwähnten nicht so dolle ! ich hoffe mal das ich die leute hier mit den entsprechenden prog. kenntnissen ( was atmega oder microchip pic´s betrifft ) etwas auf den geschmack gebracht habe !!! sonst muss ich wohl mit der altbewährten technik vorlieb nehmen : http://www.helmut-singer.de/stock/222.html http://www.helmut-singer.de/stock/1505931452.html http://www.helmut-singer.de/stock/-505967824.html
Die Engstelle sind z.Zt. die Zählrohre, weil jeder glaubt, einen GMZ zu brauchen. Der Anstieg der Radioaktivität dürfte in Europa aber so gering sein, dass er für diese Einfachteile nicht messbar ist. Wer ein Schaltbild sucht, wird hier fündig: http://www.b-kainka.de/Geiger-M%FCller-Z%E4hler.pdf Und wer ein Zählrohr selbst bauen will, hier: http://www.b-kainka.de/bastel76.htm
habe mal einen bestückungsplan für die platine erstellt , jemand ne idee welcher eeprom da vorgesehen sein könnte, ist in der schaltung noch nicht drin aber im layout ( auch noch nicht in der sw für den pic vorgesehen ) übersetzung aus dem japanischen :: Unter dem PIC-Mikrocontroller hat 8pin Steckdosen, die im EEPROM genommen werden können. Diese Daten werden über eine lange Zeit abgetastet, und Sie können später auf einen PC übertragen zu verwenden. (Allerdings, das Teil des Programms ist nicht abgegeben) der uC in dem bausatz weiter oben ist ein CY7C63723C
> Die Engstelle sind z.Zt. die Zählrohre, weil jeder glaubt, > einen GMZ zu brauchen. Also greift man zu Szintillationsdetektoren und hat gleich eine Gammaspektroskopie bei der man auch erkennen kann, WAS da so strahlt. Dazu macht es auch Sinn, eine uC mit (Graphik-)display einzusetzen. > doch noch fündig geworden, Man sollte die Hochspannung zumindest regeln und möglichst auch noch ein wenig glätten (sioeben per RC-Filter), denn impulsartiges Ansteigen der Spannung führt zu Fehltriggerung. Anders gesagt: Der Schaltplan ist nicht so gut. Rohr liegt nicht an Masse. Viel Aufwand in uC, wenig in analoges Front-End. > habe gerade mal die japanische PC-SW installiert Bessere Schaltung.
MaWin schrieb: >> habe gerade mal die japanische PC-SW installiert > > Bessere Schaltung. welche ist deiner meinung nach die bessere schaltung ?
axh schrieb: > Aus aktuellem Anlass muss man leider sagen, die zum Teil in der blauen > Bucht und diversen Händlern verkauften Geigerzähler (oder wie sie sich > nennen) sind nicht für die jeweilige Messaufgabe (was wollt ihr > überhaupt messen) geeignet. Geigerzähler haben ist cool. Die Dinger messen Gamma- und oft auch Betastrahlung. Damit kannst Du gucken, ob beim Zahnarzt die Röntgenkiste funktioniert, und Du kannst in der Umwelt Uranbrocken suchen und in den nächsten Gulli kicken. Und wenn Krümmel explodiert und glühendes Plasma in die Umwelt rotzt, dann gibt's da auch was zu messen. In Bezug auf Japan und verdampftes Kühlwasser ist jedoch Alpha-Strahlung spannender. Um die zu messen muss man ein paar Mark mehr ausgeben. Das sind dann diese Detektoren, die wie ein altes Kondensatormikrofon aussehen. Doof gesagt, Gammastrahlen verbrennen Dir die Haut und machen das Knochenmark kaputt. Kurz nach dem Kontakt sieht man wirklich aus, als hätte man einen Sonnenbrand. Alpha-Strahlen dagegen gehen durch die Haut nicht durch. Aber wenn man strahlende Partikel einatmet, führt das Jahre später zu Krebs. Patrick
auch elektor kramt nur seine alten sachen wieder aus dem archiv anstatt mal was schickes neues vorzustellen ! http://sbarth.dyndns.org/seiten/rahmen.php?nav=geigerzaehler
Wer zur Auswertung der Messwerte seines Geigerzählers nicht gleich einen Pic oder ähnliches verbraten will sollte sich http://www.sas.org/E-Bulletin/2001-12-07/features/features.html mal anschauen. Der Autor wird zwar nie Lehrer für das Programmieren in VB werden, aber eine einfachere Verbindung zwischen Geigerzähler und PC gibts wohl nicht. Nach Überarbeitung funktioniert das Ganze bei mir seit Jahren.
> Könnte man eigentlich eine Glimmlampe als Zählrohr verwenden?
nein, lies dir mal den Kainka-Artikel durch (Link im Beitrag 17.03.2011
09:36)
Wegstaben Verbuchsler schrieb: >> Könnte man eigentlich eine Glimmlampe als Zählrohr verwenden? > > nein, lies dir mal den Kainka-Artikel durch (Link im Beitrag 17.03.2011 > 09:36) Ich habe früher aus alten Leuchtstofflampenstarter diese Glimmlampe ausgebaut und als Zählrohr verwendet. Das Ding muss vor Licht geschützt werden, da UV-Strahlung bereits zum Zählen führt. Ein echter Geigerzähler als Referenz zeigte, das die Glimmlampenmethode funktionierte!
Wegstaben Verbuchsler schrieb: >> Könnte man eigentlich eine Glimmlampe als Zählrohr verwenden? > > nein, lies dir mal den Kainka-Artikel durch (Link im Beitrag 17.03.2011 > 09:36) http://www.elektor.de/jahrgang/2005/marz/geigerzahler-mit-glimmrohre.63328.lynkx Geigerzähler mit Glimmröhre - Erschienen in Ausgabe 411, März 2005 Geigerzähler mit Glimmröhre Glimmröhren sind gut geeignet, teure Geiger-Müller-Zählrohre zu ersetzen, wenn es um die bloße Detektion radioaktiver Strahlung geht. Aber längs nicht alle Glimmröhren eignen sich gleich gut. Der Autor hat zahlreiche Arten und Typen von Glimmlampen, Glimmstabis, Relaisröhren, Nixieröhren, Glimm-Abstimmanzeigeröhren sowie Gasgleichrichter- und Thyratronröhren in einer Testschaltung untersucht. Im Gegensatz zu Geiger-Müller-Zählrohren fehlt bei Glimmröhren ein so genanntes Lösch-Halogen, das die durch Beta- oder Gamma-Strahlung verursachte Glimmentladung durch Aufzehr der entstandenen Gas-Ionen schnell stoppt (Müller-Effekt). So müssen die im Gasraum entstandenen Gas-Ionen von alleine verschwinden, indem die positiven Ionen zur Kathode und die negativen Ionen zur Anode wandern und dort neutralisiert werden.
> welche ist deiner meinung nach die bessere schaltung
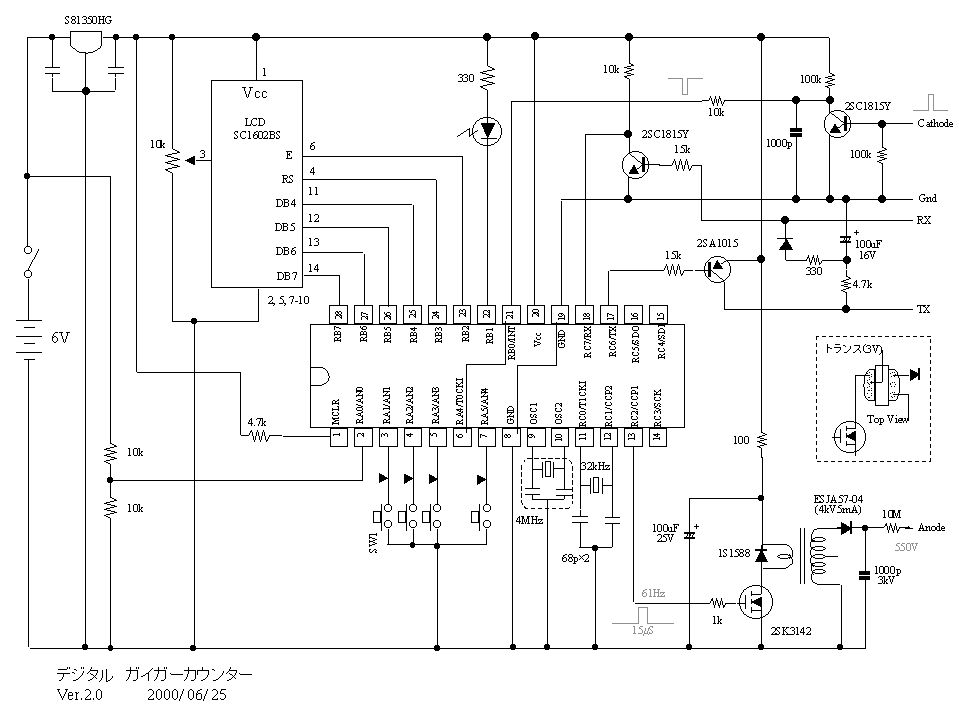
Die in dem Beitrag gezeigte geiger.jpg.
> Es reicht eigentlich ein Zählrohr an 400V, und die meisten > angebotenen Geigerzähler nutzen dasselbe russiche Zählrohr > (wie bei allen Röhren...). also ein Einheits-Zählrohr ist mir nicht bekannt, im Gegenteil es gibt wohl genauso viele wie Motherboards mit unterschiedlichen Revisionen ?! Frage ist, welche von dehnen taugen und welche nicht bzw. was verbessert wurde. Eine Übersicht dazu wär nicht schlecht. Es soll sogar welche geben die von Alpha bis Gammastrahlung das gesamte Spektrum abdecken. Die Bastellösung des Zählrohrs ist zwar ganz nett, mir aber in ein paar Punkten zu ungenau. Was kann man noch damit machen? Natürlich Lebensmittel messen, das wird doch jetzt richtig interessant, weil sich die Wolken wohl über dem Pazifik abregnen werden und damit die Sache bezüglich Fischfang bzw. -verzehr zur dauerhaften Gefahrenquelle wird. Frage dazu: Ist es sinnvoll den Geigerzähler von Caesium auf Kalium umzukalibrieren? Kann man sich die Mühe sparen?
Ich würde ein Fensterzählrohr empfehlen! Damit kannste auch Alphateilchen detektieren.
Wegstaben Verbuchsler (wegstabenverbuchsler) >> Könnte man eigentlich eine Glimmlampe als Zählrohr verwenden? >nein, lies dir mal den Kainka-Artikel durch (Link im Beitrag 17.03.2011 >09:36) Das "Nein" klang schon mal sehr professionell. Gut aussehen bei völliger Ahnungslosigkeit ist ein wenig der Trend unserer Zeit. R. H. (snapper) >Glimmröhren sind gut geeignet, teure Geiger-Müller-Zählrohre zu >ersetzen, wenn es um die bloße Detektion radioaktiver Strahlung geht. >Aber längs nicht alle Glimmröhren eignen sich gleich gut. .... >Im Gegensatz zu Geiger-Müller-Zählrohren fehlt bei Glimmröhren ein so >genanntes Lösch-Halogen, das die durch Beta- oder Gamma-Strahlung >verursachte Glimmentladung durch Aufzehr der entstandenen Gas-Ionen >schnell stoppt (Müller-Effekt). So müssen die im Gasraum entstandenen >Gas-Ionen von alleine verschwinden, indem die positiven Ionen zur >Kathode und die negativen Ionen zur Anode wandern und dort neutralisiert >werden. Hallo R.H. das klingt schon mal nicht schlecht. Ich habe ein Idee zum Löschen des Gases. Es gibt eine Schaltung für einen Oszillator mit Glimmlampe http://homepages.internet.lu/absolute3/tronic/oscnf.htm ( Bild 1 ) Wenn man den Kondensator jetzt nur bis unterhalb der Zündspannung der Glimmlampe auflädt, wird bei Ionisation durch Strahlung der Kondensator schnell entladen und damit das löschen durch den Abfall der Spannung beschleunigt. Je kleiner der Kondensator, desto schneller der Löschvorgang.
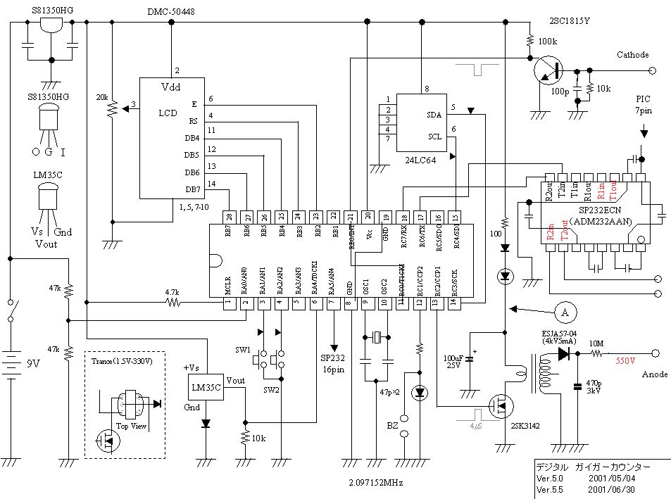
habe mal das layout geändert für den displayanschluss , von denen habe ich noch welche ( von pollin ). kennt jemand einen vergl. typ für den 2SK3142 ? auch ist mir nicht ganz klar, wie bei dem sparkfun geigerzähler die hohe spannung erzeugt wird, der dort verwendete tt-105 trafo hat nur ein übersetzungsverhältnis 1:1 ? bei anderen schaltungen die ich kenne wird ein 220v trafo auf der 6v seite eingespeist, dann ist es mir klar ! arbeiten die 3 dioden und kondensatoren auf der sekundärseite vllt. als spannungsvervielfachung und sind garnicht zur siebung ? bei dem von strawberry-linux verwendeten trafo ist auf dem bild ja eindeutig zu sehen, das er ein anderes übersetzungs verhältnis hat .
>arbeiten die 3 dioden und kondensatoren auf der sekundärseite vllt. als >spannungsvervielfachung und sind garnicht zur siebung ? Spannungsvervielfachung: http://www.elektronik-kompendium.de/sites/slt/0604171.htm Vielleicht könnte man statt des Spannungsvervielfachers auch 2 Transformatoren in Serie verwenden. Eventuell könnte man mit einem 6V Transformator an einer 12V Quelle auf eine ähnliche Spannung kommen.
Wofür ist eigentlich der 4,7uF Kondensator am Ausgang gut? Meiner Meinung gehört der weg.
das funktioniert schon so... ich denke das wird zur stabilisierung gemacht. Schon bei geringen Strömen am Transistor, die hier auftreten können (warum auch immer, kann mir bei großen Spannungen aber vorstellen dass es mal sein kann), soll nicht gleich ein "klick" ausgelöst werden. würde aber auch mal die begründung von sparkfun interessieren...
Um schnell zählen zu können, erscheint mir der Kondensator ein wenig groß.
eine andere Sache die mich etwas wundert ist, dass man die UART-Schnittstelle einsetzt, sich aber nur auf den internen RC-Oszillator verlässt. Scheint zu funktionieren.
Hast du dir schon mal die Pinbelegung des Trafos TTC-105 sowie des Layout´s angesehen ? das passt nicht zusammen.
Chris schrieb: > Hast du dir schon mal die Pinbelegung des Trafos TTC-105 sowie des > Layout´s > angesehen ? das passt nicht zusammen. aufmerksam beobachtet ! ist mir aber klar, das ich da ggf. noch was am layout ändern muss. habe mir mal hiervon welche zum testen bestellt : " Übertrager für Anwendungen von 15 bis 20 KHz für Printmontage, Wicklung 1= 60 µH, Wicklung 2 =1,7mH, sehr hohes Übersetzungsverhältnis. Kernmaße 25 x20x7 mm. Geeignet zum Bau von Elektrisiergeräten. "
habe beim "stöbern" auf der seite http://translate.googleusercontent.com/translate_c?hl=de&ie=UTF-8&sl=ja&tl=de&u=http://www.asahi-net.or.jp/~gt6s-sbic/electro/index-j.htm&prev=_t&rurl=translate.google.com&twu=1&usg=ALkJrhjumYqxlBVwSe_a0wSfDuW79Q0RYw noch eine final version gefunden http://translate.googleusercontent.com/translate_c?hl=de&ie=UTF-8&sl=ja&tl=de&u=http://www.asahi-net.or.jp/~gt6s-sbic/electro/fed-c/6-2.html&prev=_t&rurl=translate.google.com&twu=1&usg=ALkJrhgOMJFAwP5wHJxNdFEFuzIEQJfqNw unter "Geigerzähler Futter" und "FED-C mit dem GM möchte einen Zähler" findet man auch einiges über die entstehung des pic programm code mit entsprechenden beispielen. der dort verwendete übertrager hat die bezeichnung MK-501 oder MK-706 und ein übersetzungsverhältnis von ca. 1:60
der macht auch hochspannung !!! http://www.conrad.de/ce/de/product/582263/UEBERTRAGER/SHOP_AREA_17393&promotionareaSearchDetail=005 bin immer noch auf der suche nach einem vgl. typ für den 2sk3142, keiner ne idee ?
Chris schrieb: > IRLZ34N ich weiss nicht so recht, der hat 35mOhm gegenüber 4mOhm beim 2sk3142, ob das entscheidend ist ? denn schon lieber den IRF/L-1404, der hat auch nur 4mOhm, ob der passt ??? mir ist auch nicht klar welche dioden hier verwendet werden sollen (markiert), was hat die eingekreiste für eine funktion ? der festspannungsregler ist ja auch son seltenes teil, da werde ich einfach mal nen 7805 probieren !
Chris schrieb: > Die eingekreiste Diode ist eine grüne Led. jepp, jetzt auch auf dem board entdeckt. oben das falsche pdf erwischt, was ist der unterschied zw. IRF und IRL ? ich denke mal der 1404 ist schon ok. wenn sich interessenten für den nachbau finden werde ich mich mal um platinen kümmern !
S. B. schrieb: > Es soll sogar welche geben die von Alpha bis Gammastrahlung das gesamte > Spektrum abdecken. http://cgi.ebay.de/ws/eBayISAPI.dll?ViewItem&item=300540081785 VALVO ZP1400 (Philips 18504) - Hochempfindliches Fensterzählrohr für Alpha*-, Beta- und Gamma-Strahlung
tt2t schrieb: > Die Engstelle sind z.Zt. die Zählrohre, weil jeder glaubt, einen GMZ zu > brauchen. Betta-Gamma Radiation Counter für etwas über 5€ stück http://cgi.ebay.de/SI-3BG-Russian-Military-GEIGER-TUBE-COUNTER-CI-3BG-10-/260757479638 http://www.goldmine-elec-products.com/prodinfo.asp?number=G13599 reduziert im pdf flyer 01/02 2010 auf 3$ ?
habe gerade entdeckt das in den energiesparlampen auch son kleiner übertrager drinsteckt ! ob der sich verwenden lässt ? die arbeiten ja auch mit einer hohen spannung, zumindest zum zünden ? jemand ne ahnung, wie man das übersetzungsverhältnis von so einem Ü ausmessen kann, Oszilloskop und Tongenerator ?
>habe gerade entdeckt das in den energiesparlampen auch son kleiner >übertrager drinsteckt Das größere Teil ist kein Übertrager, sondern eine normale Spule. Der kleine Ring mit den paar Windungen ist ein winziger Übertrager für die Steuerspannung der Transistoren, welcher prinzipbedingt früh in die Sättingung geht ==> nicht geeignet. Erklärung siehe z.B. hier: http://www.pavouk.org/hw/lamp/en_index.html
schmitti schrieb: > kein Übertrager jo, das habe ich nach dem auslöten auch gesehen, ist nur ne drossel im netzeingang ! war heute in einem el.shop und habe für 30cent das stück (weil auslaufartikel) die hier gekauft und werde die nächsten tage damit mal versuchen die 500V zu erzeugen. ev. muss ich da zur spannungsverdopplung noch eine Einpuls-Verdopplerschaltung / Villard-Schaltung oder Zweipuls-Verdopplerschaltung / Delon-Schaltung bzw. Greinacher-Schaltung verwenden. http://www.elektronik-kompendium.de/sites/slt/0604161.htm welche von beiden ist die geeignetere schaltung und welchen wert müssen die kondensatoren bei der greinacher schaltung haben ?
als newbee in sachen pics habe ich ein paar fragen. irgendwie bekomme ich den pic nicht ans laufen, leider sind die config data ( ähnlich den fuse bytes beim atmel ?) im hexfile nicht vorhanden ( bild im anhang) und ich tue mich schwer, das manuell einzustellen. die sw für meinen sprut brenner 5 sieht bei der pic configuration ganz anders aus, boden und lvp= rb3:gpio finde ich dort nicht ! auch wird das aus den einstellungen res. config word ( 3F71 ) nicht angezeigt . mit einer anderen software ( PICPgm Development Programmer ) sieht es ähnlich aus, bei lvp kann mann nur en/dis einstellen, rb3:gpio auch nicht und boden fehlt auch . kann mir jemand mitteilen, wie ich da am besten vorgehe ? kann ich anstatt des 873/876 auch den 886 einsetzen, ohne das hex file ändern zu müssen, ist der kompatible ?
R. H. schrieb: > als newbee in sachen pics habe ich ein paar fragen. > irgendwie bekomme ich den pic nicht ans laufen, Falscher Thread! Hier geht es um Geiger ;-)
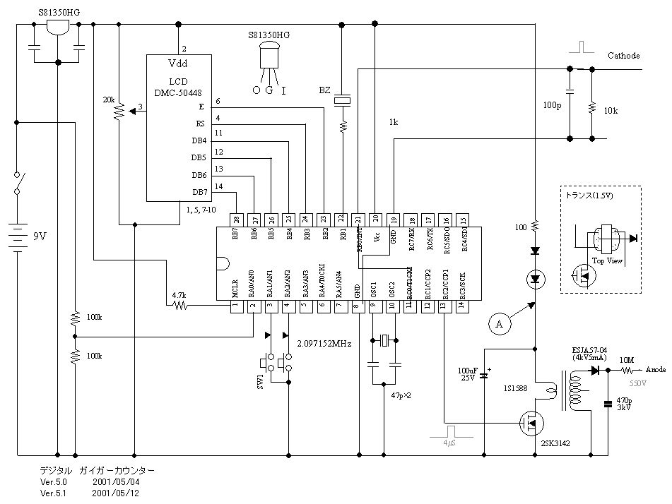
Habe fertig ! ist jetzt nur eine andere Variante geworden ! Die aufwändig angefertigte Spule aus der Anleitung habe ich durch eine handelsüblichen Induktivität ersetzt, siehe Bild neben der dicken Diode und dem Mosfet, funktioniert bestens. Diplay habe ich dieses verwendet: http://cgi.ebay.de/ws/eBayISAPI.dll?ViewItem&item=190344295723 und als Zählrohr ein Valvo 18550, welches ich noch liegen hatte. Anpassung an andere Zählrohre ist ohne Probleme möglich, da die Hochspannung per Poti regelbar ist. Platinen und Bauteile incl. programmierten PIC habe ich bei Interesse vorrätig ( ohne Zählrohr und 4x20 Display )
Bitte melde dich an um einen Beitrag zu schreiben. Anmeldung ist kostenlos und dauert nur eine Minute.
Bestehender Account
Schon ein Account bei Google/GoogleMail? Keine Anmeldung erforderlich!
Mit Google-Account einloggen
Mit Google-Account einloggen
Noch kein Account? Hier anmelden.










































