Hallo zusammen, zuerst möchte ich kurz mein Problem und die Ausgangssituation beschreiben. Im Rahmen eines Projektes muss ich u.a. die Ansteuerung einer Heizung nachbilden. In der Realität erfolgt die Ansteuerung der Heizung über ein PWM Signal in 3 Stufen - 100%, 70% und 40% Heizleistung. Das Ganze wird über einen Taster gesteuert (1 Mal drücken Stufe 3, ein weiteres Mal drücken Stufe 2, beim nächsten Druck Stufe 1 und anschließend beim nächsten Mal drücken ist die Heizung aus). Außerdem bleibt jede Stufe nur eine gewisse Zeit, sodass automatisch reguliert, bzw. abgeschalten wird. Das Ganze läuft an 12V - der maximale Strom beträgt 9A. Dieses Verhalten möchte ich möglichst genau nachbilden. Zur Verfügung habe ich ein Mikrocontroller Starter Kit (Infineon SK-515 Starter Kit) - dieses kann ich verwenden, alles andere muss noch besorgt werden. Dabei bin ich auch schon bei meinem Hauptproblem - im Rahmen meines Studiums haben wir schon Mikrocontroller programmiert, von daher sollte die reine Programmierung des Controllers i-wie machbar sein - aber im Bereich der nötigen Hardware bin ich leider völlig ratlos. Allgemein steht mir eine 12V Spannungsversorgung über Batterien zur Verfügung. Dementsprechend sehe ich momentan folgende "Teilaufgaben": - Versorgungssoannung für Mikrocontroller (vermutlich 5V) herstellen --> DC/DC Wandler 12V auf 5V - Über Mikrocontroller Tastersignale einlesen und entsprechendes PWM Signal ausgeben - Ausgangssignal des Microcontrollers in Spannung und Strom verstärken, sodass schlussendlich ein PWM Signal mit 12V und maximal 9A zu Verfügung steht Ich hoffe, ich habe damit meine momentane Situation einigermaßen verständlich beschrieben. Nun hoffe ich, dass mir jm sagen kann, welche Bauteile ich noch benötige, bzw. ob mein "Plan" so überhaupt brauchbar ist?! Außerdem wäre es wichtig für mich zu wissen, ob die Informationen, die ich habe überhaupt ausreichen, oder ob ich noch weitere Infos in Erfahrung bringen muss. Mit freundlichen Grüßen Michael
> - Versorgungssoannung für Mikrocontroller (vermutlich 5V) herstellen > --> DC/DC Wandler 12V auf 5V Wenn da ganze von nem Akku läuft wäre hier evtl. ein Schaltregler angebracht, musst mal prüfen. Einfacher wird n Linearregler, der hat halt bei 12V dann nur kanpp 42% Wirkungsgrad. > - Über Mikrocontroller Tastersignale einlesen und entsprechendes PWM > Signal ausgeben Das musst du in Software machen. > - Ausgangssignal des Microcontrollers in Spannung und Strom verstärken, > sodass schlussendlich ein PWM Signal mit 12V und maximal 9A zu Verfügung > steht Für sowas nimmt man nen FET.
Michael G. schrieb: > Nun hoffe ich, dass mir jm sagen kann, welche Bauteile ich noch > benötige, bzw. ob mein "Plan" so überhaupt brauchbar ist?! Erstell doch mal ein Schaltplan, wie du dir das schon vorgestellt hast. Dann wir es auch konkret und man auch eventuell mehr dazu sagen.
Erstmal vielen Dank für die schnellen Rückmeldungen :) @ Guest: Wo genau liegt denn der Unterschied zwischen Linear- und Schaltreglern? Woher weiß ich, was man für welche Einsatzfälle verwendet? Guest schrieb: >> - Über Mikrocontroller Tastersignale einlesen und entsprechendes PWM >> Signal ausgeben > Das musst du in Software machen. --> Lässt sich das so über den vorhandenen Mikrocontroller realisieren? (V.a. die Funktion, dass ich über einen Taster nacheinander die 3 Stufen schalten kann?!) Guest schrieb: >> - Ausgangssignal des Microcontrollers in Spannung und Strom verstärken, >> sodass schlussendlich ein PWM Signal mit 12V und maximal 9A zu Verfügung >> steht > Für sowas nimmt man nen FET. --> Könntest du das etwas präzisieren?! Aus meinem Studium sind mir die verschiedenen Transistor-Schaltungen (Kollektor-, Basis- und Emitterschaltung) bekannt. Wobei ich ja vermutlich eine Kombination, bzw. eine Art Kaskaden- oder Darlington-Schaltung benötigen werde, da die Verstärkung ja schon relativ groß sein muss. Wie ich auf die Schnelle rausgefunden habe, liegt der Ausgangsstrom eines Mikrocontrollers ja nur bei ein paar mA, für die Anwendung benötige ich aber ja einige A?! Oder sollte man eher eine Kombination aus Transistor-Schaltung und anschließend Relais verwenden?! Oder scheiden Relais bei PWM Signalen von vorneherein aus?! @ mitlesender Gast: mitlesender gast schrieb: > Erstell doch mal ein Schaltplan, wie du dir das schon vorgestellt hast. > Dann wir es auch konkret und man auch eventuell mehr dazu sagen. Genau da liegt mein Problem :P Mir wird einfach nicht klar, welche "Einzelschaltungen" ich kombinieren muss, damit das Ganze Sinn macht?! Beispielsweise bei der Spannungsversorgung des Mikrocontrollers: Kann man einfach einen fertigen DC/DC Wandler (Bsp.: Conrad 154424 - 62 ) verwenden? (Die 12V Spannungsversorgung stammt von KFZ Batterien) Wie erreiche ich die nötige Verstärkung des Signals? MfG
Michael G. schrieb: > Oder sollte man eher eine Kombination aus Transistor-Schaltung und > anschließend Relais verwenden?! Oder scheiden Relais bei PWM Signalen > von vorneherein aus?! Um es möglichst einfach zu gestalten, nimm einen FET. Der wird bei 9A auch nicht so warm. http://www.mikrocontroller.net/articles/FET
> Wo genau liegt denn der Unterschied zwischen Linear- und Schaltreglern? > Woher weiß ich, was man für welche Einsatzfälle verwendet? Ganz simpel gesagt, der Linearregler verbrät einfach die Leistung die du nicht brauchst in Wärme. Hast du 12V input, 5V output und ziehst 50mA so holt sich der Linearregler (12V*50mA) Watt und verbrät davon ((12V-5V)*50mA) Watt in Wärme. Dabei wird er warm (wer hätte es gedacht...) und braucht eben viel Strom was bei nem Akku ungut ist. Auf der anderen Seite ziehst du eh 9A, also wirklich ins Gewicht fällts wohl nicht. Dafür ist ein Linearregler sehr einfach zu verbauen. Ein Schaltregler verbrät praktisch keinen Strom, ist dafür aber auch kompliziert aufzubauen. Man verwendet Schaltregler meistens wenn es auf geringen Stromverbrauch ankommt. Außerdem gibt es auch Schaltregler die die Spannung erhöhen oder die Spannung erhöhen und verringern können. So kann man nen Akku bis zum letzten mA auslutschen. Aber wie gesagt, ob das bei 9A die du sonst ziehst ins Gewicht fällt... Schau dir mal den 7805 an. > --> Lässt sich das so über den vorhandenen Mikrocontroller realisieren? > (V.a. die Funktion, dass ich über einen Taster nacheinander die 3 Stufen > schalten kann?!) Ohne ihn zu kennen, ja. Fragt sich nur ob du das programmieren kannst... > Wobei ich ja vermutlich eine Kombination, bzw. eine Art Kaskaden- oder > Darlington-Schaltung benötigen werde, da die Verstärkung ja schon > relativ groß sein muss. Vermutlich. Man wird wohl einen Transistor zum durchschalten eines FETs nutzen. Gibt auch Logiclevel FETs aber ich weiß nich obs die für 12V 9A gibt. Was hast du eigentlich studiert?
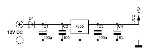
Michael G. schrieb: > - Versorgungssoannung für Mikrocontroller (vermutlich 5V) herstellen > --> DC/DC Wandler 12V auf 5V Hier mal die Standard-Schaltung mit dem 7805. > - Ausgangssignal des Microcontrollers in Spannung und Strom verstärken, > sodass schlussendlich ein PWM Signal mit 12V und maximal 9A zu Verfügung > steht Mit einem Logik-Level MosFet (z.B. IRLZ34N) sollte das gehen zum schalten.
Ich muss sagen, ich bin echt überrascht (positiv natürlich ;) ) wie schnell einem hier geholfen wird - danke :) Guest schrieb: > Was hast du eigentlich studiert? Die Frage ist natürlich berechtigt, wobei ich mich - bei meiner Unwissenheit - schon beinahe schäme das zu sagen :P --> Antwort: Mechatronik - bisher 4 Semester, also hoffe ich, dass ich bis zum Ende meines Studiums noch ein bisschen mehr Wissen erlange ;) Erstes Thema Spannungsversorgung Mikrocontroller: Die Schaltung mit Hilfe des fertigen Spannungsreglers sieht ja einfach zu realisieren aus :) Bei Conrad finde ich nun (unter 7805) sowohl Festspannungsregler, als auch Schaltregler. @ mitlesender gast: Die Werte der Kondensatoren in der geposteten Schaltung sind Beispiele, oder?! Je nach verwendetem Spannungsregler übernimmt man die Werte aus dem Datenblatt?! Bsp. s. Bild Lohnt sich der Mehrpreis für den Schaltregler?! (Bei dem Festspannungsregler ist kein Wirkungsgrad angegeben - von daher kann ich das schwer vergleichen - muss man bei diesen Bauteilen schon über Kühlung nachdenken?!) Bei Conrad beispielsweise: Festspannungsregler 3€ Schaltregler 13€ Sollte man, um den Mikrocontroller zu schützen noch über eine Strombegrenzung nachdenken? Oder ist das nicht nötig - warum?! Zum zweiten Thema - Controller Ausgang + Ansteuerung: Die Schaltung sieht ja auch schön einfach aus :) Die Diode dient als Freilaufdiode, oder? Wie komme ich auf den Wert für den Widerstand R1, bzw. wie kommst du auf 10k? Zu guter Letzt stehe ich mit dem Datenblatt des Mikrocontrollers noch etwas auf Kriegsfuß, denn mir fehlen einige Bezeichnungen :( Vl kann mir auch da jm weiterhelfen :) Unter welcher Bezeichnung finde ich den Input-Strom des Mikrocontrollers? --> Ist ein Wert von max. ca. 20mA (findet sich im Datenblatt unter "Power Supply Current - Active Mode" - Symbol I"DD") realistisch? Wie finde ich den Output-Strom, den der Controller an den Ports liefern kann? --> Ist für mich wichtig, da ich neben der Ansteuerung der Heizung noch LEDs zur Visualisierung anschließen möchte.
Einen weiteren, noch unklaren Punkt habe ich gerade entdeckt. Als Eingangssignal des Mikrocontrollers dient ein Relais, das bei Betätigung meines Tasters schaltet. Im Netz habe ich gerade gefunden, dass es, um das Eingangssignal eines Tasters einzulesen, einfach möglich ist, den Taster an den Eingang des Mikrocontrollers und an Masse anzuschalten, sodass bei gedrücktem Taster 0V am Eingang anliegen. Zusätzlich soll man den internen Pull-Up Widerstand aktivieren, bzw. einen externen Pull-Up Widerstand benutzen. Wenn ich das auf meine Anwendung übertrage, würde ich einfach das Relais mit GND und einem Eingang des Mikrocontrollers verbinden (+ Pull-Up). Ist das soweit richtig?
Conrad ist völlig überteuert. 7805 gibts für 29Cent: http://www.reichelt.de/ICs-A-A-/-A-7805/index.html?ACTION=3&GROUPID=2908&ARTICLE=23443&SHOW=1&START=0&OFFSET=16&;PROVID=2402 Schaltregler sind in der Tat etwas teuerer. Aber 13 Euro? Nunja, Schaltregler-ICs gibts bestimmt auch <1Euro, also welche die du brauchen kannst. Du brauchst eben noch externe Komponenten. Induktivität, Kondensatoren, Widerstände, Dioden, eventuell sogar noch den Schalter (naja gut, bei deinen paar mA den wohl nicht). Zum FET: Die Diode ist eine Freilaufdiode, die Last induktiv. Wenn deine Last nicht induktiv ist kannst dir die Diode sparen. Aber naja, wenn du schon dabei bist, das bisschen is auch nimmer so schlimm. R1 ist ein Pulldown, damit der FET bei undefinierten Controllerausgang nicht durchschaltet. Der Wert ist dabei unkritisch. 1k geht (normalerweise) genauso gut wie 10k. Der Pulldown setzt nur den Standardwert am Gate des FETs auf 0. Damit keine Glitches entstehen. Das mit dem Relais sollte hinhauen, ja. Aber wieso brauchts das? oO
Kondensatoren würde ich so wie ich sie eingezeichnet habe nehmen, müssen aber nicht genau so sein. (Kannst es aber auch nur nach Datenblatt machen) C1 so etwa ab 10u bis mehreren 100u (je nach Glättung der Eingangsspeisung) C4 viel kleiner (oder ganz weglassen) bis so etwa 33u C2, C3 können so etwa 22n … 220n sein, aber nahe an das IC heran. Ja, nachdenken über die Kühlung sollte man immmer. Ob es sie braucht hängt von der Spannungsdifferenz und dem Strom ab. (Rest wird verheizt) Für die paar wenige mA brauchts aber keine. Dein 13€ Schaltregler ist ein spezial Teil (mit integr. Spule), darum auch der Preis. LM2575 wäre z.B. ein Schaltregler, aufbau ist aber etwas heikler und lohnt sich kaum bei deiner Anwendung, da ja eh verheizt wird. Der Controller wird sicher 2..3 mA liefern können für die LEDs, oder was hast du vor? Ein Link zum Datenblatt wäre sonst hilfreich.
So, zu allererst mal ein Link, unter dem man das Datenblatt finden kann: https://www.distrelec.de/mikrocontroller-starterkit/infineon/sk-515c/644994 --> Einfach unter "
So, zu allererst mal ein Link, unter dem man das Datenblatt finden kann: https://www.distrelec.de/mikrocontroller-starterki... --> Einfach unter "Technische Dokumentationen" zu finden. @Guest: Das Relais kommt von daher, dass das Signal, das als Eingangssignal für den Mikrocontroller dienen soll von einem Funkmodul kommt. Dieses kann, vom Sender gesteuert, am Empfänger Relais schalten. Dadurch soll das Ausgangssignal des Mikrocontrollers per Funk geschalten werden können. Die Spannungsversorgung für den Mikrocontroller werde ich dann wie oben beschriebn/ gezeichnet aufbauen - die Stromaufnahme des Mikrocontrollers sollte ja relativ gering sein, sodass sich die Verlustleistung auch in Grenzen halten sollte :) Zum Thema Dioden/ Freilaufdioden - auf welche Kennwerte sollte geachtet werden, wenn ich nach verwendbaren Bauteilen suche? (Spannungsfestigkeit?! - scheint bei max. 12V kein Problem zu sein) @ mitlesender Gast: Der Mikrocontroller soll ja dafür sorgen, dass am Ausgang ein PWM Signal zur Verfügung steht. Dies soll es ermöglichen die Heizung in 3 Stufen anzusteuern (100%, 70%, 40%). Welche Stufe gerade aktiv ist, soll durch LEDs visualisiert werden (Stufe 3 --> 3 LEDs, Stufe 2 --> 2 LEDs, Stufe 1 --> 1 LED, Aus --> Alle LED aus). Da ich zwei Ausgangssignale haben möchte, muss ich 6 LEDs an den Mikrocontroller anschließen. Wichtig dabei ist, ob ich die LEDs (inkl. Vorwiderstand natürlich) direkt an den Mikrocontroller anschließen kann, oder ob ich eine separate Verstärkerschaltung für jede LED benötige. Ich finde bei meinem Mikrocontroller aber leide keine Angaben zum möglichen Ausgangsstrom :( Wenn ich LEDs wie beispielsweise diese http://business.reichelt.de/LEDs-3-5mm-ohne-Vorwiderstand/LED-103-I-RT/index.html?;ACTION=3;LA=2;ARTICLE=10214;GROUPID=3026;SID=12ThVSn38AAAIAAG8vTA87f3f66567b51960fe2817e47b9949605 verwenden möchte brauche ich (laut Datenblatt) pro LED 12 - 15mA als Ausgangsstrom des Mikrocontrollers?! Mit freundlichen Grüßen Michael
Mittlerweile habe ich einmal das Ganze in einem Schaltplan zusammengefasst. Vielleicht möchte sich das Ganze ja mal jm anschauen und mir sagen, ob ich alle Bauteile berücksichtigt habe :) ?! Die Bauteildimensionierung fehlt noch, die muss ich noch entsprechend an die Bauteile anpassen, aber dafür fehlen mir leider noch einige Infos :( Mein Hauptproblem stellt das Datenblatt des Mikrocontrollers dar - gerade der Anschluss der LEDs. Vl kann mir ja jm sagen, wo ich die Angaben zu Spannung und Strom an den Ausgängen des Mikrocontrollers finde (bitte nicht als Antwort "Datenblatt" bringen! Die Bezeichnung wäre toll :) ) MfG
Mon dieu, da hast Du einen doch etwas älteren Baustein erwischt. Dafür ist das Demoboard hübsch teuer... Leider habe ich nur ein Datenblatt zum C505 gefunden, nicht zum C515. Jenes Datenblatt ist bezüglich Strömen aus den Pins ziemlich unspezifisch, interessant ist sind für diese Angaben die "DC Characteristics" und die "Absolute Maximum Ratings" (diese Angaben gibt es eigentlich in jedem Datenblatt). Unter "Absolute Maximum Ratings" stehen da +/- 10 mA, die ein Pin abkann; 100 mA für alle Pins zusammen. Das wird für LEDs ein bisschen knapp. Die Spannungen an den Pins sind aber hübsch dokumentiert, damit solltest Du rausfinden können, ob Dein FET schaltet oder nicht. Deine Schaltung schaut jedenfalls nicht völlig verkehrt aus. Du solltest aber noch Abblockkondensatoren vorsehen (ein kleiner Keramikkondensator zwischen Vcc und GND direkt an den Pins). Braucht der Baustein einen Quarz oder macht der seinen Takt selbst? Wie programmierst Du den Baustein? Wie schnell willst Du takten? Bei 1 kHz ist Treiberstärke vs. Gate-Kapazität des FET in der Regel kein Problem, bei 1 MHz sieht das schon wieder anders aus. Max
Michael G. schrieb: > Mittlerweile habe ich einmal das Ganze in einem Schaltplan > zusammengefasst. Der 7805 braucht möglichst nah an Eingangs- und Ausgangspin jeweils einen 100n-Keramikkondensator gegen GND zur Schwingneigungsunterdrückung / allg. Entstörung. Zusätzlich sollte man hier zumindest am Eingang noch einen Elko mit mindestens 100µF spendieren. Man braucht dort also 2 Kondensatoren. Ausgangsseitig könnte man noch einen Elko mit höchstens 10µF vorsehen, ist hier aber, denke ich, nicht unbedingt notwendig, da das Board schon einen verbaut haben wird. Außerdem wäre hier aufgrund der PWM noch eine Entkopplung der Eingangsspannung des 7805 über eine Diode sinnvoll, wie sie bereits im Beitrag "Re: Hilfe bei PWM Signal und Hardware nötig!" eingezeichnet wurde. Diese verhindert eventuelle Spannungseinbrüche der Logik-VCC, die sonst entstehen könnten, wenn bei den Einschaltflanken der PWM Strom aus dem Eingangs-Pufferelko des 7805 zurück in den 12V-Zweig fließt. So in der Art: Netzteil 12V ---*------------------------ 12V Last-VCC | 1N4002 --|>|--*------*-7805--*-- 5V Logik-VCC | | | | 100µ = 100n = | = 100n | | | | GND ----------*------*---*---*-- GND Die Widerstände an den Gates der MOSFETs sind übrigens keine Pull-Ups, sondern Pull-Downs, weil sie das Potential auf GND "herunter"-ziehen. Pull-Ups ziehen dagegen das Potential nach VCC "hoch". Max G. schrieb: > Wie schnell willst Du takten? Bei 1 kHz ist Treiberstärke vs. > Gate-Kapazität des FET in der Regel kein Problem, bei 1 MHz sieht das > schon wieder anders aus. Bei einem Heizwiderstand sind aufgrund der thermischen Trägheit selbst 10_Hz mehr als ausreichend. Mehr ist auf jeden Fall Unsinn. Johannes
Max G. schrieb: > Leider habe ich nur ein Datenblatt zum C505 gefunden, nicht zum C515. Siehe Beitrag "Re: Hilfe bei PWM Signal und Hardware nötig!"
Hab noch ein neueres (Feb. 2003) Datenblatt gefunden auf http://www.infineon.com/cms/en/product/microcontrollers/8-bit/c500-family/c515c/channel.html?channel=ff80808112ab681d0112ab6b813c0863 Das Teil kann ja kaum Strom liefern an den Ausgängen, siehe Bild Auszug S.67 Die LED würde ich umgekehrt betreiben, an 5V anstatt an GND (Low-Aktiv) mit 1K. Wenn du mehr Strom brauchst, dann halt noch zustätzlich mit z.B. einem kleinen FET ansteuern. Wegen dem bescheidenen Strom würde ich den Pulldown für die beiden FETs auch noch erhöhen z.B. bis zu 47K, je nach verwendetem Port. Cx und Speisung wurde ja schon erwähnt.
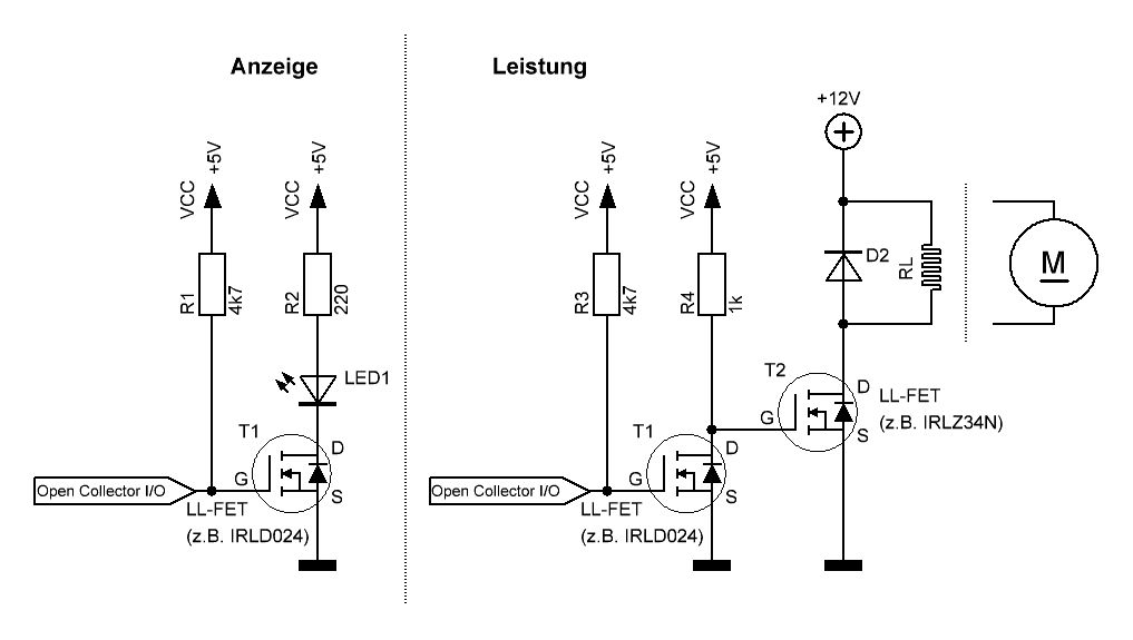
Die Ausgänge des C515C liefern ja kaum Source-Strom. Nur 10uA bei 4.5V, wenn ich das richtig lese? Das sind ja praktisch Open Collector Ausgänge. (Und PWM muss ja glaub auf Port 1 sein, welcher nicht 800uA liefern kann) Hab mal aufgezeichnet wie das funktionieren könnte mit mehr Strom für deine LEDs und für den "Heizungs"-FET. Vielleicht hat ja jemand noch einfachere und bessere Ideen dazu.
mitlesender Gast schrieb: > Vielleicht hat ja jemand noch einfachere und bessere Ideen dazu. ich würde R4 an 12V hängen. Dann steuert der IRLZ34 auch richtig durch. (Bzw. man kann auch einen BUZ11 oder so verwenden). Das PWM-Signal muß bei dieser Schaltung invertiert werden. Ich habe bei einem 8051 früher mal einen Operationsverstärker (LM324 mit 12V-Versorgung als Komparator mit Schaltschwelle bei 1,4V geschaltet) verwendet um entsprechende FETs zu schalten. Hier würde ich einen LM358 verwenden da nur 2 Leistungsausgänge verwendet werden. Bei den LEDs ist zu bedenken daß die beim Einschalten der Versorgung und während des Resets leuchten. Wenn man das nicht haben will sollte man die LEDs mit einem aktiven Low-Pegel schalten. Bei 6 LEDs könnte man schon einen 74HCT541 oder 74HCT540 verwenden um die LEDs zu treiben. Max G. schrieb: > Wie schnell willst Du takten? Bei 1 kHz ist Treiberstärke vs. > Gate-Kapazität des FET in der Regel kein Problem, bei 1 MHz sieht das > schon wieder anders aus. Bei Heizungen reicht ein Takt von 0.1 Hz aus. Wenn man unbedingt PWM machen möchte würde ich den PWM-Takt so niedrig wie möglich machen. Übliche Frequenzen sind hierfür so 30-140 Hz. (die 30 Hz sind die Grenze wo man ein flackern einer parallel zur Heizung an die Batterie angeschlossener Lampe nicht mehr wahrnimmt.) Gruß Anja
Hallo und vielen Dank für die vielen Rückmeldungen :) Max G. schrieb: > Mon dieu, da hast Du einen doch etwas älteren Baustein erwischt. Dafür > ist das Demoboard hübsch teuer... Das gesamte StarterKit ist noch von meinem Vorgänger vorhanden, dieser hat es bestellt und letztendlich nicht verwendet. Dementsprechend steht es mir nun zur Verfügung, bzw. muss ich es verwenden ;) Max G. schrieb: > Du solltest aber noch Abblockkondensatoren vorsehen (ein kleiner > Keramikkondensator zwischen Vcc und GND direkt an den Pins). Braucht der > Baustein einen Quarz oder macht der seinen Takt selbst? Wie > programmierst Du den Baustein? "Abblockkondensatoren" wo? Ich kann deinen Angeban leider nicht ganz folgen :( Mit dem Mikrocontroller selbst habe ich mich bisher wenig beschäftigt - wichtiger ist es erstmal, die ganze Hardware auszuwählen, dass ich mich um die Besorgung der Teile kümmern kann, um nicht in zeitliche Problem zu geraten. Da es sich um ein fertiges Starter Kit handelt bin ich bisher einfach mal davon ausgegangen, dass es "für sich alleine" funktioniert - ich also "nur" die Spannungsversorgung sicherstellen muss und anschließend die Ports verkabeln und die Programmierung natürlich. Johannes F. schrieb: > Der 7805 braucht möglichst nah an Eingangs- und Ausgangspin jeweils > einen 100n-Keramikkondensator gegen GND zur Schwingneigungsunterdrückung > / allg. Entstörung. > Zusätzlich sollte man hier zumindest am Eingang noch einen Elko mit > mindestens 100µF spendieren. Man braucht dort also 2 Kondensatoren. > Ausgangsseitig könnte man noch einen Elko mit höchstens 10µF vorsehen, > ist hier aber, denke ich, nicht unbedingt notwendig, da das Board schon > einen verbaut haben wird. Nur für mein Verständnis - wie kommst du auf die Werte? Ich habe diese einfach mal übernommen, aber ich würde es gerne auch verstehen/ nachvollziehen können ;) , denn die Werte weichen ja von den im Datenblatt angegebenen Werten deutlich ab (Datenblatt: Eingang 0,33µF + Ausgang 0,1µF)?! Ansonsten habe ich den Schaltplan noch einmal neu gemacht und (hoffentlich ;) ) alle Änderungen aufgenommen, außerdem sollte jetzt auch die Bauteildimensionierung stimmen. (s. Anhang) Die LED habe ich an meine 12V Versorgungsleitung angeschlossen, um die Verlustleistung des Spannungsreglers niedrig zu halten - der Einfluss sollte gering sein, aber von der Schaltung her sollte es ja egal sein und von daher dachte ich mir "es kann ja nicht schaden" ;) ?! Oder gibt es dabei Probleme, die ich nicht bedacht habe? Bauteile bei denen ich mir nicht sicher bin (dementsprechend wäre eine Bestätigung oder Korrektur sehr schön) sind beispielsweise die Freilaufdioden der Lasten (Heizung/ Belüftung). Außerdem wäre es noch hilfreich zu wissen, wie man die Werte der Pull-Up Widerstände (Mittlerweile sind es ja auch wirklich Pull-Ups ;) ) berechnen oder abschätzen kann? Sind die, von mir eingezeichnetetn Werte richtig/ verwendbar? Mit freundlichen Grüßen - in der Hoffnung auf weitere Unterstützung ;) Michael
Michael G. schrieb: > "Abblockkondensatoren" wo? Ich kann deinen Angeban leider nicht ganz > folgen :( Generell bekommen ICs direkt zwischen den VCC- und GND-Anschlüssen einen (meist) 100nF-Keramikkondensator als "Abblockkondensator", um kurze Einbrüche der Versorgungsspannung zu überbrücken. Da dein Controller aber schon auf dem Board verbaut ist (samt Abblocker), brauchst du dir dazu keine Gedanken machen. Michael G. schrieb: > Nur für mein Verständnis - wie kommst du auf die Werte? Das sind Standardwerte, die sich bewährt haben und in vielen Schaltungen so zu finden sind. Siehe auch http://www.elektronik-kompendium.de/public/schaerer/ureg3pin.htm (unter "Kondensator C1"...) Der eingangsseitige 100µF-Elko ist dort als CL eingezeichnet. Der Wert 100µF ist grob abgeschätzt, es darf auch mehr sein. Man könnte sicherheitshalber noch die dort eingezeichnete Rückflussdiode vorsehen, kostet ja nicht viel. Michael G. schrieb: > denn die Werte weichen ja von den > im Datenblatt angegebenen Werten deutlich ab (Datenblatt: Eingang 0,33µF > + Ausgang 0,1µF)?! Datenblätter von ICs liefern oft nur die notwendige Minimalbeschaltung, mit der es überhaupt erst einigermaßen funktioniert, um dem potentiellen Kunden des Bauteils möglichst niedrigen Bauteilaufwand vorzutäuschen. In der Praxis ist man also i.d.R. besser beraten, wenn man lieber z.B. ein paar 100n-Kerkos zu viel als zu wenig spendiert. ;) Im Datenblatt des 7805 (National) wurde außerdem der Ladeelko des Netzteils (also hier die 100µF) nicht mit eingezeichnet, obwohl er in der Fußnote erwähnt wird. Er wird also einfach vorausgesetzt. Michael G. schrieb: >> Wie programmierst Du den Baustein? Die Frage zielt, denke ich, eher auf das Problem, wie du dein zukünftiges Programm in den Controller bekommst. Per Telepathie sicher nicht, es ist also irgendeine Schnittstelle zu einem passenden Programmer erforderlich. Ich nehme an, die ist bereits auf dem Controllerboard vorgesehen? Michael G. schrieb: > Die LED habe ich an meine 12V Versorgungsleitung angeschlossen, um die > Verlustleistung des Spannungsreglers niedrig zu halten Ich würde auf jeden Fall Low-Current-LEDs verwenden, die leuchten bereits mit 2_mA ausreichend hell. Dann kannst du die LEDs auch an 5V abschließen, ist vom Layout her sicher günstiger. Michael G. schrieb: > Freilaufdioden der Lasten (Heizung/ Belüftung) Ich nehme an, die "Heizung" ist ein simpler Heizwiderstand? Dann bräuchte er eigentlich keine Freilaufdiode. Schaden kanns aber auch nicht. Die Belüftung (Motor) braucht auf jeden Fall eine. Geeignet wäre z.B. MBR745.
Michael G. schrieb: > Außerdem wäre es noch hilfreich zu wissen, wie man die Werte der Pull-Up > Widerstände (Mittlerweile sind es ja auch wirklich Pull-Ups ;) ) > berechnen oder abschätzen kann? Im Prinzip sind die Signaleigenschaften bei kleineren Widerstandswerten besser, weil dann die Leitungskapazität (hier kommt noch die Gatekapazität der FETs dazu) bei High-Flanken schneller aufgeladen werden kann und der Spannungsanstieg damit steiler wird, was ja erwünscht ist, und außerdem Störungen besser gedämpft werden. Man kann den Pull-Up aber nicht beliebig klein machen, weil der Open-Collector-Transistor bzw. der Open-Drain-FET im IC natürlich nur einen bestimmten Strom aushält, der irgendwann bei zu kleinem Pull-Up überschritten werden würde. Zudem fließt im Low-Zustand ständig Strom durch den Pull-Up; je kleiner der Pull-up, desto mehr. Man muss also je nach Anwendung einen angemessenen Kompromiss finden. Siehe auch http://www.mikrocontroller.net/articles/Ausgangsstufen_Logik-ICs#Open_Collector Dein Controller sollte laut http://www.mikrocontroller.net/attachment/115036/C515C_Seite_67.gif bis zu 3,75mA Sink-Current noch sicher verkraften. Der minimale Pull-Up-Widerstand beträgt also höchstens (bei Vernachlässigung von Uol) R = 5V/0,00375A = 1333Ω. Damit sollte in der Praxis ein Wert von 4,7..47kΩ passen, mit z.B. 10kΩ wird der Controller pro Pin mit ca. 0,5mA belastet, insgesamt also mit (denke ich) vertretbaren 4mA. Der IRLD024 ist hier übrigens totaler Overkill. BS170 oder 2N7000 sind ausreichend und wesentlich billiger. Man kann das ganze auch mit einem 8fach-Bustreiber 74HC245 machen, dann entfällt die Pull-up-Problematik. Aber bevor ich weiterscheibe, erstmal ne Frage: Musst du dieses "exotische" Controllerboard wirklich verwenden, oder willst du es nur nehmen, weil es "übrig" ist? Denn nach der Hardware kommt die Software, und mir stellt sich die Frage, ob du auch die notwendige passende Ausrüstung dazu hast, sprich Software zum Erstellen, ggf. Compilieren und "Brennen" des Programms und vor allem ausreichende Dokumentation zur Programmierung. Letztere kann nämlich je nach Controller sehr unterschiedlich sein. Wenn es bei diesen Punkten Schwierigkeiten gibt, würde ich dir dringend die Anschaffung eines Boards mit einem moderneren und verbreiteteren Mikrocontroller empfehlen, z.B. einem AVR von Atmel. Gibts bei Pollin schon für 15€ + ca. 3€ Controller. http://www.mikrocontroller.net/articles/AVR-Tutorial:_Equipment#AVR-Tutorial_-_Ben.C3.B6tigte_Ausr.C3.BCstung Zu den AVRs findest du hier auf jeden Fall sehr viel Dokumentation und Beispielcode, und sie können auch LEDs u.a. bis 20mA direkt treiben. Johannes
Danke für die ausführliche Antwort :) Im Bereich der PullUp-Widerstände bin ich nun schon um einiges schlauer :) Johannes F. schrieb: > Michael G. schrieb: >> Freilaufdioden der Lasten (Heizung/ Belüftung) > Ich nehme an, die "Heizung" ist ein simpler Heizwiderstand? > Dann bräuchte er eigentlich keine Freilaufdiode. Schaden kanns aber auch > nicht. Die Belüftung (Motor) braucht auf jeden Fall eine. Geeignet wäre > z.B. MBR745. Auch hier fehlt mir bisher leider das Verständnis dafür, anhand welcher Kenndaten ich das Bauteil aussuchen muss :( Was spricht denn gegen die von mir ausgesuchte Diode? P1000K Johannes F. schrieb: > Der IRLD024 ist hier übrigens totaler Overkill. BS170 oder 2N7000 sind > ausreichend und wesentlich billiger. --> Diese Bauteil werde ich noch austauschen. Nun zum Thema Mikrocontroller: Johannes F. schrieb: > Aber bevor ich weiterscheibe, erstmal ne Frage: > > Musst du dieses "exotische" Controllerboard wirklich verwenden, oder > willst du es nur nehmen, weil es "übrig" ist? --> Eigentlich kann man sagen, ich muss es verwenden. Wobei mir noch nicht ganz klar wird, wo genau die Problematik besteht?! Die Problematik, dass die LEDs nicht direkt angeschlossen werden können ist klar, aber das lässt sich doch relativ einfach beheben?! Und die Programmierung, bzw. die Befehle müsste/n doch gleich bleiben, nicht? Johannes F. schrieb: > Michael G. schrieb: > >>> Wie programmierst Du den Baustein? > > Die Frage zielt, denke ich, eher auf das Problem, wie du dein > zukünftiges Programm in den Controller bekommst. Per Telepathie sicher > nicht, es ist also irgendeine Schnittstelle zu einem passenden > Programmer erforderlich. > Ich nehme an, die ist bereits auf dem Controllerboard vorgesehen? Auf dem Board befindet sich eine RS 232 Schnittstelle - ursprünglich war im Lieferumfang des StarterKits auch ein RS232 Kabel und eine Kabel zur Spannungsversorgung während der Programmierung - beide Kabel habe ich momentan nicht zur Hand, sollten aber vermutlich noch auffindbar sein, bzw. sollte ich i-wie an Ersatz rankommen. Darüber lässt sich doch das Board mit dem PC verbinden und dementsprechend das gewünschte Programm aufspielen, oder? Bzgl. Software bin ich leider auch ziemlich ahnungslos (wie i-wie komischerweise in allen Bereichen :P :D ) - an der Hochschule haben wir zum Programmieren und Beschreiben der Boards "Keil C51 µVision3" und "Fload_xc800" verwendet. Auf den CDs, die in dem StarterKit enthalten sind befindet sich eine Reihe von Programmen (s.auch Bild) - da sollte sich doch etwas brauchbares finden lassen, oder? MfG
Im Handbuch zum Mikrocontroller habe ich gerade entdeckt, dass quasi alle Ports interne PullUp Widerstände haben. Dementsprechend sollte ich mir die PullUps bei den LEDs doch sparen können und diese stattdessen softwaremäßig zuschalten können, oder? Oder bietet es Vorteile, die PullUp Widerstände extern zuzuschalten? MfG
Michael G. schrieb: [Diode] > Auch hier fehlt mir bisher leider das Verständnis dafür, anhand welcher > Kenndaten ich das Bauteil aussuchen muss :( > Was spricht denn gegen die von mir ausgesuchte Diode? P1000K Wie sieht denn die "Heizung" aus? Ist das ein Widerstand (dann ist die Diode einfach überflüssig), oder ist das eine induktive Last (z.B. irgendein Ventil)? Wenn letzteres, sind folgende Kriteren wichtig: - Schnell schaltende Diode - Diode muss den Strom abkönnen - Diode muss die Verluste aus dem Freilauf abkönnen (sprich: sie darf nicht zu heiß werden). > Johannes F. schrieb: >> Der IRLD024 ist hier übrigens totaler Overkill. BS170 oder 2N7000 sind >> ausreichend und wesentlich billiger. > > --> Diese Bauteil werde ich noch austauschen. Wenn Du ihn schon hast, kannst Du ihn auch drinlassen. > Nun zum Thema Mikrocontroller: [...] > Wobei mir noch nicht ganz klar wird, wo genau die Problematik besteht?! Nun ja, du bist quasi mit einem Austin Mini hier vorgefahren, während der Rest hier mit VW Golf (AVR), Opel Astra (PIC), Smart (MSP430), 5er-BMW (STM32) und Ähnlichem unterwegs ist. Damit fällst Du halt auf. Ein paar hier fahren wohl auch noch Käfer (8051), aber selbst die sind ziemlich rar. Aber Du kommst natürlich auch mit einem alten Mini ans Ziel, Mr. Bean macht´s vor ;-) > Die Problematik, dass die LEDs nicht direkt angeschlossen werden können > ist klar, aber das lässt sich doch relativ einfach beheben?! Klar, einfach ein oder mehrere kleine FET-Arrays spendieren. [Programmierung] > Auf dem Board befindet sich eine RS 232 Schnittstelle - ursprünglich war > im Lieferumfang des StarterKits auch ein RS232 Kabel und eine Kabel zur > Spannungsversorgung während der Programmierung - beide Kabel habe ich > momentan nicht zur Hand, sollten aber vermutlich noch auffindbar sein, > bzw. sollte ich i-wie an Ersatz rankommen. Dann ist ja ok, es ging nur aus deiner Schaltung nicht hervor. Wenn Du mit Keil schon gearbeitet hast, kannst Du ja gleich dabei bleiben. Gruß, Max
Michael G. schrieb: > Im Handbuch zum Mikrocontroller habe ich gerade entdeckt, dass quasi > alle Ports interne PullUp Widerstände haben. Dementsprechend sollte ich > mir die PullUps bei den LEDs doch sparen können und diese stattdessen > softwaremäßig zuschalten können, oder? > > Oder bietet es Vorteile, die PullUp Widerstände extern zuzuschalten? Ich würde sie drin lassen. Da das ganze ja auf dem Starter-Kit laufen soll, sind diese paar Widerstände ja nicht entscheidend. Ich nehme an, wenn der Port auf Ausgang geschaltet wird, sind sie nicht mehr aktiv. Details müssten aber im DB sein. Sie helfen aber auch, dem eh schon schwachen High-Pegel für den FET. Sicher aber brauchst du sie bei dem Leistungsteil. Denn es ist nicht so angenehm, wenn deine Heizung während dem uC-Reset voll eingeschaltet ist. Ich frage mich aber, wie sieht denn eigentlich das Starter-Kit-Board aus. Sind da die uC-Ports direkt nach aussen geführt? Oder hat es da allenfalls auch schon Pull-Up (oder Buffers) daran. Allenfalls hast du ja ein Schaltplan zum Board.
Max G. schrieb: > [Diode] >> Auch hier fehlt mir bisher leider das Verständnis dafür, anhand welcher >> Kenndaten ich das Bauteil aussuchen muss :( >> Was spricht denn gegen die von mir ausgesuchte Diode? P1000K > > Wie sieht denn die "Heizung" aus? Ist das ein Widerstand (dann ist die > Diode einfach überflüssig), oder ist das eine induktive Last (z.B. > irgendein Ventil)? Wenn letzteres, sind folgende Kriteren wichtig: > - Schnell schaltende Diode > - Diode muss den Strom abkönnen > - Diode muss die Verluste aus dem Freilauf abkönnen (sprich: sie darf > nicht zu heiß werden). --> Die Heizung, die betrieben werden soll ist vermutlich ein einfacher Heizdraht - von daher kann man sich die Freilaufdiode eigentlich sparen, aber ich möchte sie sicherheitshalber auf jeden Fall einbauen. Wer weiß, wer die Steuerung später einmal alles bedienen wird ;) Nun zur Dimensionierung der Diode: Max G. schrieb: > - Schnell schaltende Diode Wie kann ich das heraus finden? Max G. schrieb: > - Diode muss den Strom abkönnen Dazu habe ich i-wo gelesen, dass man sie in etwa (+ 10-20% Aufschlag) auf den maximalen Verbraucherstrom dimensioniert. Ist das soweit richtig?! Der tatsächlich auftretende induzierte Strom lässt sich ja nur schwer berechnen - oder gibt es i-welche "Faustformeln" für die Praxis?` Max G. schrieb: > - Diode muss die Verluste aus dem Freilauf abkönnen (sprich: sie darf > nicht zu heiß werden). Auch das kann man ja nur überschlagen, oder? Eine genaue Rechnung wird schwer aufzustellen sein?! Max G. schrieb: >> Nun zum Thema Mikrocontroller: > > [...] > >> Wobei mir noch nicht ganz klar wird, wo genau die Problematik besteht?! > > Nun ja, du bist quasi mit einem Austin Mini hier vorgefahren, während > der Rest hier mit VW Golf (AVR), Opel Astra (PIC), Smart (MSP430), > 5er-BMW (STM32) und Ähnlichem unterwegs ist. Damit fällst Du halt auf. > Ein paar hier fahren wohl auch noch Käfer (8051), aber selbst die sind > ziemlich rar. > Aber Du kommst natürlich auch mit einem alten Mini ans Ziel, Mr. Bean > macht´s vor ;-) Ok...ich bin einfach mal wieder gutgläubig davon ausgegangen, dass unsere Hochschule zumindest einigermaßen aktuell ist - aber anscheinen ist die Ausstattung mal wieder deutlich in die Jahre gekommen :P Das ist wirklich traurig :( Soweit ich weiß, bauen die Mikrocontroller aus der C500 Serie von Infineon auf der 8051 Familie auf, von daher sollte doch, gerade im Software Bereich einiges übertragbar sein?! Oder liege ich hier falsch? (Im Handbuch heißt es: "The members of the C500 Infineon Technologies microcontroller family are basically fully compatible in architecture and software to the standard 8051 microcontroller family.") Max G. schrieb: >> Die Problematik, dass die LEDs nicht direkt angeschlossen werden können >> ist klar, aber das lässt sich doch relativ einfach beheben?! > Klar, einfach ein oder mehrere kleine FET-Arrays spendieren. Sollte ja so, wie es in der Schaltung ausgeführt ist passen?! Die Vorwiderstände halt entsprechend an die verwendeten Dioden und an die Spannung (5V oder 12V) an die sie angeschlossen werden, angepasst. mitlesender Gast schrieb: > Ich frage mich aber, wie sieht denn eigentlich das Starter-Kit-Board > aus. Sind da die uC-Ports direkt nach aussen geführt? Oder hat es da > allenfalls auch schon Pull-Up (oder Buffers) daran. Allenfalls hast du > ja ein Schaltplan zum Board. Die Anschlüsse sind alle auf eine Stiftleiste geführt, um den Anschluss zu erleichtern. Dazu hätte ich auch direkt eine Frage: Welche Möglichkeiten gibt es denn, Kabel an diese Stiftleisten anzuschließen? Bisher habe ich zwar passende Stecker gefunden, aber diese immer nur in mehrfacher Ausführung, also für mehrere Stifte, da würden dann immer etliche leer bleiben :P Gibt es "Anschlüsse" für Kabel zum crimpen o.ä.? Ich poste sobald wie möglich noch ein Bild des Boards und einen Schaltplan - ich muss mal suchen, was ich in den Dokumentationen finde. [Programmierung] Max G. schrieb: > Dann ist ja ok, es ging nur aus deiner Schaltung nicht hervor. Wenn Du > mit Keil schon gearbeitet hast, kannst Du ja gleich dabei bleiben. Zur Programmierung benötige ich ja einen Assembler, der mir meinen Quelltext passend umwandelt (dazu sollte ich ja dann beispielsweise von Keil etwas finden) und ein Programm mit dessen Hilfe ich mein "Programm" auf den Mikrocontroller verschiebe - was kann ich dazu nutzen? Bzw. nach was kann/ muss ich suchen?! Mit freundlichen Grüßen Michael
Michael G. schrieb: > Welche Möglichkeiten gibt es denn, Kabel an diese Stiftleisten > anzuschließen? Bisher habe ich zwar passende Stecker gefunden, aber > diese immer nur in mehrfacher Ausführung, also für mehrere Stifte, da > würden dann immer etliche leer bleiben :P > Gibt es "Anschlüsse" für Kabel zum crimpen o.ä.? Vermutlich diese? Beitrag "Suche Crimpstecker / Buchse für Buchsenleisten/Stiftleisten" z.B. http://cgi.ebay.de/Platinensteckverbinder-RM2-54-einreihig-1-16-polig-/280686085862?pt=Steckverbinder&var=&hash=item870ca84af1
Michael G. schrieb: > Nun zur Dimensionierung der Diode: "Fast Recovery" ist Dein Stichwort, die stets geliebte 1N4148 ist nicht ganz das Richtige. Maximalstrom: Deine Faustformel mit 10%-20% Aufschlag klingt plausibel. Verlustleistung: da kann man ziemlich genau rechnen, man kann das sogar notfalls geschlossen lösen. Ansatz 1: bei jedem Abschaltvorgang bleibt die in der Spule gespeicherte Energie 1/2 LI² in der Diode hängen, also ist die Verlustleistung 1/2 LI² * PWM-Frequenz. Das ist als Abschätzung gar nicht schlecht, nur kommen zu hohe Werte raus. Wenn Du darauf auslegst, machst Du technisch nichts falsch. Ansatz 2: Abschaltvorgang mit realer Diode und realer Spule rechnen. Der ohmsche Anteil der Spule schluckt nämlich auch noch eine ganze Menge der Spulenenergie. Dann kommen deutlich kleinere Werte für die Verlustleistung an der Diode raus. Wenn Du eine Leiterplatte machst, kannst Du ja einfach ein Land für eine Diode im DPAK vorsehen. Wenn dann tatsächlich eine induktive Last kommt, kannst Du immer noch etwas Passendes aussuchen und einbauen. Die Auswahl ist groß :-) > Soweit ich weiß, bauen die Mikrocontroller aus der C500 Serie von > Infineon auf der 8051 Familie auf, von daher sollte doch, gerade im > Software Bereich einiges übertragbar sein?! Oder liege ich hier falsch? Kann sein. Also korrigiere ich mich von Austin Mini auf VW Bulli T2. Ändert aber nichts am Prinzip. [LEDs über FET ansteuern] > Sollte ja so, wie es in der Schaltung ausgeführt ist passen?! > Die Vorwiderstände halt entsprechend an die verwendeten Dioden und an > die Spannung (5V oder 12V) an die sie angeschlossen werden, angepasst. Prinzipiell ok, musst eben Logic-Level-FETs nehmen (bei 5V Spannungsversorgung ist das aber eher unkritisch). > Dazu hätte ich auch direkt eine Frage: > Welche Möglichkeiten gibt es denn, Kabel an diese Stiftleisten > anzuschließen? Bisher habe ich zwar passende Stecker gefunden, aber > diese immer nur in mehrfacher Ausführung, also für mehrere Stifte, da > würden dann immer etliche leer bleiben :P Na und? Dann bleiben halt ein paar leer, was ist daran schlimm? > Zur Programmierung benötige ich ja einen Assembler, der mir meinen > Quelltext passend umwandelt (dazu sollte ich ja dann beispielsweise von > Keil etwas finden) und ein Programm mit dessen Hilfe ich mein "Programm" > auf den Mikrocontroller verschiebe - was kann ich dazu nutzen? > Bzw. nach was kann/ muss ich suchen?! ??? Der Keil sollte das alles bieten, ansonsten müsste etwas in der Dokumentation zum Board stehen. Wenn die Dokumentation schon daran scheitert, hast Du eine prima Ausrede, auf was Moderneres umzustellen ;-) Max
So...nun noch ein paar Bilder zur Veranschaulichung des Boards und die Schaltpläne des Boards.
Beim Thema Dioden bin ich mir noch sehr unsicher :( Bei den Rechnungen der Verlustleistung habe ich das Problem, dass ich die Induktivität nicht kenne und dementsprechend wird natürlich die Rechnung schwierig :P Ich habe mich mal nach Dioden umgesehen - wären diese, bzw. eine von diesen denn geeignet: 1N5817RLG 1N5822 --> Beide sind laut Beschreibung für die Anwendung als Freilaufdiode geeignet und extrem schnell HE12FG --> Auch bei dieser Diode ist angegeben, dass sie schnell sein soll, wobei die angegebene Zeit (200 ns) für mich vergleichsweise hoch wirkt?! MfG
Michael G. schrieb: > Beim Thema Dioden bin ich mir noch sehr unsicher :( > > Bei den Rechnungen der Verlustleistung habe ich das Problem, dass ich > die Induktivität nicht kenne und dementsprechend wird natürlich die > Rechnung schwierig :P Du hast doch im Moment gar keine Induktivität. Sieh einfach nur den Platz für die Diode vor und lasse ihn aber leer. Bestücken kannst Du sie immer noch, wenn eine induktive Last da ist. Oder Dein Nachfolger eines Tages. Es ist ziemlich blöd, wenn man eine induktive Last, aber keine Freilaufdiode hat und die Leiterplatte schon fertig ist. Alles schon gehabt... Max
Hallo, falls das Thema noch nicht vom Tisch ist (ich war vergangene Woche im Urlaub): [Freilaufdioden] Da du keine Daten zu Induktivität etc. der Last hast, bzw. diese bei einem Heizdraht fast gar nicht vorhanden ist, macht eine Berechnung hier natürlich wenig Sinn. Die Verlustleistung der (schnellen) Freilaufdiode dürfte bei PWM-Frequenzen im 0,1..10_Hz-Bereich ziemlich gering sein. Ich nehme an, deine Belüftung ist ein Gleichstrommotor mit Kohlebürsten-Kommutierung. Der verursacht auf jeden Fall heftige Induktionsspannungen. Vielleicht kann man da irgendwie rumrechnen, aber ich denke, wenn man die Freilaufdiode auf Betriebsstrom des Motors plus Reserve auslegt, ist das OK. Ein kleiner Kühlkörper wäre hier evtl. nicht schlecht. Prädestiniert sind Schottky-Dioden aufgrund ihrer prinzipbedingt sehr niedrigen Sperrverzögerungszeit. Z.B. MBR745 (7,5A), MBR1645 (16A) Dioden-Übersicht [Treiber] Vielleicht wäre es einfacher, direkt an den Port des µC einen Bustreiber 74HC245 zu hängen und damit die LEDs direkt, die MOSFETs über eine Transistorstufe zur Invertierung zu schalten. Die Pull-Ups und FETs würden damit entfallen. Johannes
Johannes F. schrieb: > falls das Thema noch nicht vom Tisch ist (ich war vergangene Woche im > Urlaub): Selbstverständlich läuft das Ganze noch ;) Als Freilaufdioden habe ich MBR2045 besorgt, die sind zwar vermutlich etwas überdimensioniert, aber sie sollten das Ganze hoffentlich aushalten. In nächster Zeit soll die Schaltung, bzw. die einzelnen Teile nach und nach aufgebaut werden und getestet werden. Anschließend läuft das Ganze dann hoffentlich auch zusammen ;) Nebenher läuft momentan die Programmierung des Mikrocontrollers - vl findet sich auch dafür Hilfe :) Ein grobes Grundgerüst habe ich mir bereits überlegt: (Die Funktion, die erfüllt werden soll, ist weiter oben ja bereits beschrieben) - Die Eingangssignale der Taster, bzw. Relais werden per Interrupts (auf neg. Flanken getriggert) erkannt. Somit ergibt sich für beide Funktion bei Druck auf die entsprechende Taste jeweils ein Interrupt. - In der ISR wird nun eine Variable von 3 runtergezählt, bzw. wenn sie bei 0 ist wieder auf 3 gesetzt. So sollen die einzelnen Stufen gewählt werden können. - In der Main Funktion wertet eine switch Anweisung die beiden Variablen, die in den ISR angepasst werden, aus und erzeugt das entsprechende PWM Signal und gibt den richtigen Wert an den Port, an dem die LEDs angeschlossen sind. - Um das Prellen der Taster/ Relais auszugleichen, wird der Interrupt nach dem erstmaligen Auslösen per Timer einfach für einige ms gesperrt. Ich hoffe, es ist einigermaßen verständlich, was ich vorhabe zu programmieren?! Dass es für einige Teile, wie beispielsweise das Schalter Entprellen sauberere Lösungen gibt, habe ich schon entdeckt, aber ich würde es bevorzugen, "meine" Lösung zu verwenden, insofern diese die Funktion erfüllen kann. Gibt es an den geplanten Teilen schon Einwände, bzw. haben sich bei mir Denkfehler eingeschlichen?!
Hier noch mal der aktuelle Stand der geplanten Software...
Ich habe mal die Variante mit dem Bustreiber gezeichnet. Bei kurzen Leitungslängen zwischen µC-Port und 74HC245 müsste man ohne zusätzliche Pullups auskommen, andernfalls wären vielleicht 10k..100k günstig. Die LEDs und FETs werden invertiert angesteuert, damit sie während Reset und Einschalten der Versorgung deaktiviert sind (wie oben geschrieben wurde). Die MOSFET-Treiberschaltung stammt vom Artikel Treiber, dort gibt es auch noch viele hilfreiche Hinweise dazu. Johannes
@ Johannes F.: Danke, dass du dir so viel Mühe machst, aber ich habe die Transistoren und Widerstände mittlerweile schon, sodass ich versuchen möchte, es darüber umzusetzen. Mir ist gerade an meiner Schaltung noch etwas aufgefallen - bei meinen Tastern habe ich weder Pullup-, noch Pulldown - Widerstände. Sollten da nicht noch welche eingebaut werden, oder geht das auch ohne? Wenn ja - Pullup oder Pulldown?! Oder ist das völlig egal, wenn ich den Taster entsprechend anbringe (Pullup --> Taster schaltet gegen GND | Pulldown --> Taster schaltet gegen +)?! Gruß
Michael G. schrieb: > Mir ist gerade an meiner Schaltung noch etwas aufgefallen - bei meinen > Tastern habe ich weder Pullup-, noch Pulldown - Widerstände. Sollten da > nicht noch welche eingebaut werden, oder geht das auch ohne? Nein, die sind notwendig, weil der Eingangspegel bei geöffnetem Kontakt sonst nicht definiert ist. Es kann aber auch sein, dass der Controller intern softwaremäßig zuschaltbare Pullups besitzt, bzw. dass diese bereits auf deinem Board vorhanden sind - dann braucht man i.d.R. keine weiteren anschließen. Es sei denn, die Leitungen zu den Tastern sind lang bzw. die Umgebung ist EMV-verseucht, dann können die internen Pullups zu hochohmig sein. Michael G. schrieb: > Wenn ja - Pullup oder Pulldown?! > Oder ist das völlig egal Ist (zumindest bei CMOS) egal, allerdings sind Pullups üblicher. Johannes
Ok. D.h. ich schalte am besten einfach externe Pullups hinzu, sodass es auf keinen Fall zu Problemen kommt, auch falls i-wann mal jm an der Programmierung rumspielt und die internen Pullups dann vergisst :P Auch hier sollte die Größenordnung 10k sollte passen, oder? Gruß
@Michael G. (magoo) Mal ein anderes Kriterium fuer das Board. Der C515 von Siemens/Infineon wird schon seit Jahren nicht mehr hergestellt. Falls bei deinen Test der uC defekt wird hast du ein Problem Ersatz zu bekommen. Allein deshalb wuerde ich dir schon raten einen etwas aktuelleren uC zu nehmen.
Michael G. schrieb: > Auch hier sollte die Größenordnung 10k sollte passen, oder? Ja, 10k ist in Ordnung.
Johannes F. schrieb: > Es kann aber auch sein, dass der Controller intern softwaremäßig > zuschaltbare Pullups besitzt, bzw. dass diese bereits auf deinem Board > vorhanden sind - dann braucht man i.d.R. keine weiteren anschließen. > Es sei denn, die Leitungen zu den Tastern sind lang bzw. die Umgebung > ist EMV-verseucht, dann können die internen Pullups zu hochohmig sein. Die sind zu hochohmig. Liegen in der Regel so bei 50k. Schau dir mal die Portstruktur eines Portes an. Sollte im Datenblatt stehen. Deshalb wirst du mit sicherheit EMV Probleme bekommen.
Bitte melde dich an um einen Beitrag zu schreiben. Anmeldung ist kostenlos und dauert nur eine Minute.
Bestehender Account
Schon ein Account bei Google/GoogleMail? Keine Anmeldung erforderlich!
Mit Google-Account einloggen
Mit Google-Account einloggen
Noch kein Account? Hier anmelden.











