Hallo zusammen, üblicherweise wird SSB ja durch einen Mischer mit nachgeschalteter Filterung (oder Auslöschung) von einem Seitenband und dem Träger erzeugt. Ist es nicht auch möglich, das gewünschte Seitenband direkt per DDS zu erzeugen? Vermutlich ist irgendwo ein HF-Hund begraben, den ich als Firmwerkler nicht sehe. Deshalb konkreter Vorschlag: - das NF-Signal wird analog in seiner Bandbreite begrenzt (Hochpass und Verstärker brauche ich sowieso) - eine kleine Schaltung hält mir immer den Wendepunkt/Sinusspitze des Signal fest, stoppt einen Capture-Timer am µC und löst einen Interrupt aus - die Firmware misst anhand der Zeitdifferenz zum letzten Interrupt die Frequenz und liest die Amplitude aus - dann schreibt die Firmware die gemessene Frequenz + HF-Offset und die skalierte Amplitude als Sollwert zu einem DDS-Chip - der DDS-Chip wird so konfiguriert und gefiltert, dass keine Sprünge im Ausgangssignal auftreten Heraus kommt also z.B: bei 1 kHz und 1 V Amplitude 3600 + 1 kHz und 0,1 V Amplitude, das Ganze würde aber nur mit f_NF*2 aktualisiert. Betrachtungen im Frequenzbereich sind für mich lange her, von da her habe ich keine Ahnung, ob sich die "digitale" Modulation negativ auswirkt. Geht das so bzw. lohnt sich ein Versuch? Klingt irgendwie zu simpel um wahr zu sein. Viele Grüße Bernhard 73 de DL1BG
Mit DDS geht das nicht, aber wie bei den SDRs mit einem PC über die Soundkarte oder mit einem DSP und DA-Wandler. Dann die von Dir erwähnte Filtermethode und die Phasenmethode.
Wenn der DDS I/Q-Ausgänge hat, die amplitudenmodulierbar sind, kann man schon SSB erzeugen. Die beiden I und Q Signale muss man allerdings berechnen. Ich habe einen anderen Ansatz mal hier angefangen: http://www.mikrocontroller.net/articles/Hilbert-Transformator_%28Phasenschieber%29_mit_ATmega Die I/Q-Berechnung mit einem AVR als Signalprozessor. Hab leider seither immer noch nicht weitergemacht. Dazu noch einen Mischer plus Lokaloszillator, im einfachsten Fall vier Analogschalter und ein Quarzoszilator oder DDS mit Frequenzteiler, der aus der vierfachen Sendefrequenz zwei 90 Grad verschobene Rechteckschwingungen macht. Das ist aus der SDR-Technik alles bekannt. Ein 15,xxx MHz Quarz (evtl. gleichzeitig der Takt für den AVR) ergäbe dann ein SSB-Signal im 80m-Band.
IQ und Amplitudenmodulation ist kein Problem, einfach zwei DDS-ICs mit gleichem Takt und als cos/sin konfiguriert. Nur meinst du mit "berechnen" vermutlich in HF-Geschwindigkeit? Mehr als 20 kHz sind bei mir nicht drin. Auf der anderen Seite will ich ihn ja eben nicht als DAC betreiben, sondern als Frequenzgenerator. Kannst du genauer schreiben, wie du das umsetzen würdest? Deinen Artikel lese ich gerade, dauert aber vermutlich länger... Grüße und Danke Bernhard
Hallo, im Endeffekt wird die DDS doch nur als DA-Wandler Ersatz verwendet. Ich kann die Vorteile momentan nicht erkennen. Welchen Takt muß wohl eine serielle Übertragung haben, um aus einem 24 Bit Register 10k-Samples/Sek. zu bekommen. 240kBit nonstop trotz parallel laufender Berechnungen. Einem kleinen ATmega trau ich das nicht zu. Es wäre eventuell mit einem AVR32 oder ARM gerade machbar und dann parallel zur DDS. Im Gegensatz dazu hat ein DSP schon fertige Funktionen integriert, wie FFT, Matrixberechnungen, Bibliotheken mit Filtern usw.
B e r n d W. schrieb: > Mit DDS geht das nicht, nee, schreib lieber "mit den vorhandenen DDS-IC's geht das nicht". Im Prinzip wäre es ausreichend, wenn man irgendeine Art Stellglied hätte, wo man Phase und Amplitude eines ansonsten konstanten HF-Signals fein einstellen könnte. Also bleibt, das SSB-Signal per SDR in NF zu generieren und dann mühsam auf die Sollfrequenz zu hieven. W.S.
@ B e r n d W. @ W.S. Die Daten seriell zum DDS-Chip zu bekommen ist für mich sicherlich kein Problem. Als Prozessor wird mindestens ein stm32f3 eingesetzt, ob dann mit SPI und einem vom Timer erzeugten Synchronisationsimpuls gearbeitet wird oder noch ein CPLD dazwischen kommt, das ergibt sich wenn die prinzipellen Fragen geklärt sind. Ich stelle das Resultat selbstverständlich hier rein, wenn es eines gibt. Könnt ihr mir bei dem weiterhelfen, was der DDS zum futtern bekommen muss? Viele Grüße Bernhard
Jede Modulationsart hat einen hochfrequenten Träger, der mit Amplitude und Frequenz "langsam" ( niederfrequent) um einen Mittelwert herumzappelt. Hält man einen der beiden Parameter konstant, dann wird es reine AM oder FM. Sogar die "Multiträger"-Modulationen (z.B. DVB-T) können noch so beschrieben werden. Ein DDS muss also in Amplitude UND Frequenz modulierbar sein, um SSB zu erzeugen. Das ist aber nichts anderes als ein Mischer, um den kommen wir nicht herum, er könnte natürlich im DDS-Chip drinstecken. Die Amplituden- und Frequenzinformationen müssen aus dem Niderfrequenzsignal gewonnen werden, das macht hier ein 90Grad-Phasenschieber, wie in der analogen Phasenmethode oder der "dritten Methode" auch. Die Frequenzeinstellung der meisten DDS-Chips ist eine längere Angelegenheit, mindestens 32 Bit werden seriell reingeschoben. Für Niederfrequenz wird das schon ein ziemlicher Datenstrom, der dauernd am DDS herumstellt, ohne dass Phasensprünge entstehen dürfen.
Analog zum A/D Wandler Codec dann um FPGA und das ganze mit ausreichend Speed zum D/A Wandler siehe diverse SDR - HPSDR, Hermes, N2ADR usw. geht ohne extra DDS Cxhip
Nachdem ich eingesehen habe, dass eine konventionellere (und damit evtl funktionierende) Variante angesagt ist, habe ich folgenden Vorschlag ausgearbeitet. Da mir für "echte" DSP die Erfahrung fehlt, habe ich mich für eine Weafer-Implementierung entschieden. Muss ich nach den Basisband-Mischern digitale Filter vorsehen? Die DDS-ICs sollten kleine Sprünge (Abtastung) im Sollwert nichts ausmachen, da sie ihre Sinustabelle ja kontinuierlich abfahren. Eine Addition könnte ich ja mit Widerständen machen, aber wie setze ich eine Subtraktion um? Was sagt ihr dazu? Viele Grüße Bernhard
> aber wie setze ich eine Subtraktion um?
Indem das zweite Signal nicht mehr 90° nach-, sondern voreilt.
Die beiden DDS müssen ja synchron laufen aus einer Taktquelle. Dann
werden sie gleichzeitig gestartet mit unterschiedlicher Phase. Dazu muß
dann das Modulationssignal passen.
Mein Gegenvorschlag ist oben angehängt.
PS
Als zweiter Mischtakt sollte das max. erreichbare gewählt werden.
Möglicherweise sind das auch nur ein paarhundert kHz.
Danke für deinen Vorschlag, BerndW! Sieht schon sehr schick aus, aber für Mehrbandbetriebt sehe ich folgendes Problem: wenn die DAC-Ausgangsfrequenz (fDAC) klein gegenüber der DDS-Frequenz (fDDS) ist, dann erzeuge ich immer f = fDDS-fDAC und f= fDDS+fDAC. Mein Tiefpass muss also für jedes Band angepasst werden, richtig? Oder gleich noch ein I/Q Mischer? Hast du für die leeren Blöcke hinter den ersten Mischern etwas geplant? Wenn ich die o.g. Probleme in den Griff bekomme, dann wird es sicherlich dein Vorschlag werden. Könnte also doch ein Anlauf für einen SDT (Bez. Copyright Christoph Kessler) werden :-) Aktuell würde ich bei einem stm32f4 landen. Damit könnte man 200 kHz DAC-Ausgangsfrequenz zwei mal erzeugen. Damit wäre der kleine Kerl zwar ziemlich am Anschlag, aber für etwas Display und Taster würd's noch reichen.
Zum IQ-Mischer gibts auf Burkhard Kainkas Webseite einige Erklärungen und Bauvorschläge. Zum Teil sind auch Platinen erhältlich: http://www.b-kainka.de/iqrx.htm http://www.b-kainka.de/iqrx2.htm http://www.b-kainka.de/sdrusb.html Die hier beschriebene Elektor-SDR-Platine enthält einen DDS und einen Mischer mit Analogschaltern 74HC4066, wie auch für einen SSB-Sender benötigt. Ein DDS ist normalerweise nur in der Frequenz , aber nicht in der Amplitude modulierbar, daher kann man ohne Mischer nur FM (oder FSK, GMSK...) erzeugen, jedenfalls Modulationsarten mit konstanter Amplitude.
Hallo Bernhard Schau mal hier http://www.b-kainka.de/hfindex.htm Ganz unten gibt es 2 PDF-Dateien: 80-m-SSB-Transceiver nach der dritten Methode und Transceiver-Zwischenfrequenzteil nach der dritten Methode In einem der PDF-Dokumente wird das Buch SSB- und ISB-Technik von Horst Pelka erwähnt. Darin befindet sich ein Beitrag: Einseitenbandmodulator nach der dritten Methode. Eine Kopie möchte ich hier eher nicht reinstellen, irgendwer hat da noch die Rechte drauf. Ich könnte Dir das höchstens per PM zukommen lassen. Da ist es hardwaretechnisch gelöst. Soviel wie möglich sollte davon in den DSP verlagert werden. Eine ausgeklügelte FPGA-Lösung könnte möglicherweise je nach Frequenz das Sendesignal direkt liefern. > die leeren Blöcke hinter den ersten Mischern Da sollte jeweils ein TP für Tiefpass rein.
Nachträglich noch entdeckt: http://uwsdr.berlios.de/hilbert_weaver.html www.h4.dion.ne.jp/~ja5fp/weaver.pdf
@ Bernd Vielen Dank für deine Infos! Im angehängten Bild habe ich mal etwas Pseudecode zur Abschätzung der möglichen DSP-Takte ergänzt. Ich darf doch von Schaltmischern ausgehen, oder macht es Sinn zumindest bei der ersten LO einen Sinus (bei entsprechend höhrerem DSP-Takt) zu verwenden? Wenn der Code tatsächlich so simpel sein sollte, dann könnte man über 455 kHz DAC-Ausgangsfrequenz und damit einen üblichen Keramikfilter nachdenken. Edit: Korrigiertes Bild angehängt
> zur Abschätzung der möglichen DSP-Takte ergänzt.
Keine Ahnung wie schnell die DSPs mit float Multiplikationen sind.
Ansonsten würde eine 12 Bit Auflösung für ein Quantisierungsrauschen von
-72dB reichen. Also Festkomma mit 16Bit und 32Bit Ergebnis würde locker
reichen. Eine Arithmetikeinheit wäre da natürlich sehr hilfreich und
eine Sinustabelle.
Für die Oszillatoren benötigst Du die 90° Drehung. Deshalb könnten
parallel 2 Oszillatoren mit dem doppelten Takt laufen, damit sie auf 4
zählen.
Bei den 200kHz könnte dann je nach Startbedingung die Phase der beiden
Ausgänge getauscht werden. Dadurch hat man schon LSB und USB.
Die digitalen Filter müssen imho etwas steiler sein und für HiFi-SSB
eher ab 1,3kHz filtern. Wenigstens wird die Trägerunterdrückung perfekt.
Um die Tiefpässe so einfach wie möglich zu halten, wäre ein Sinus am
1.Mischer ideal. Beim Schaltmischer gibt es doch einige kräftige
Harmonische.
Ich frag mich, warum beim Pelka der 1.Oszillator mit 5kHz vorgeschlagen
wird. Haben dann die Seitenbänder der 1. Mischung mehr Abstand zum
Träger und das obere kann leichter entfernt werden?
Am Anfang kannst Du Dir die Treiber für den AD- und DA-Wandler schreiben
und das aktuell berechnete Signal rausführen. Dann sieht man schnell ob
die Theorie mit der Realität übereinstimmt.
Während ich gerade das Schaltbild für den Analogteil erstelle fällt mir noch eine Frage ein. Mit einem Integrator (in Firmware) könnte ich doch ganz einfach eine 90 ° Phasenverschiebung erstellen und somit die Phasenmethode anwenden?!? Klingt zu einfach um wahr zu sein und google bringt mich nicht weiter. Prinzip: - bei jedem Senden wird der Nullpunkt der NF-Schaltung abgeglichen (ca. 1,62 V ~ 2000 digit) - vom ADC-Ergebnis wird der Offset abgezogen (soweit unabhängig von Methode) - das sich ergebende Signal wird einfach integriert, das Ergebnis eilt dem Signal genau 90 ° nach Kann mir bitte jemand diese Idee widerlegen? Danke und einen schönen Abend Bernhard
> das Ergebnis eilt dem Signal genau 90 ° nach Bei welcher Frequenz und wie groß ist der Frequenzbereich? Das genau soll Christoph Kesslers angefangene AVR-Software bewerkstelligen, das NF-Signal breitbandig um 90° zu verschieben. "Der Hilbert-Transformator, ein Breitband-90 Grad-Phasenschieber" Anscheinend ist das nicht trivial, sonst wäre es schon fertig. Beim Oszillator handelt es sich um genau eine Frequenz. Dem Signal ist es egal, ob der Oszillator oder die NF gedreht wird, am Mischerausgang erscheinen die um 90° versetzten Mischprodukte.
Das schöne daran ist ja gerade, dass die Frequenz keinen Einfluss auf
die Phasenlage hat, "nur" auf die Amplitude.
Außerdem beginnt der Integrator nicht zum idealen Zeitpunkt und das
Ausgangssignal hat demnach einen Offset.
Im angehängten Excel-Sheet kann mit mit "offset" und "speed" spielen.
Sowohl die Frequenz- alsauch die Offsetkorrektur sollte in Firmware kein
Problem darstellen.
Diese Lösung ist IMO schneller und einfacher als Christophs weg; deshalb
erwarte ich ja gespannt das Killerargument dagegen :-)
>> Dem Signal ist es egal, ob der Oszillator oder die NF gedreht wird
Bei der Phasenmethode muss ich halt beides drehen, außerdem könnte ich
mit der Methode auch gleich ein I/Q-Signal für den HF-Mischer erzeugen.
Viele Grüße
Bernhard
> Das schöne daran ist ja gerade, dass die Frequenz keinen > Einfluss auf die Phasenlage hat, "nur" auf die Amplitude. Ja stimmt, ich hab nicht richtig nachgedacht. Dann hebst Du vorher die Höhen an ohne Phasenverschiebung, damit es nach dem Integrieren wieder Linear wird? Das muß über weniger als zwei Größenordnungen gemacht werden. Es muß ja nur Telefonqualität erhalten bleiben. Schon eine Idee, wie Du das filterst?
Nachdem meine Ansätze zur Firmware gerade nicht weiterkommen, habe ich mal an der hardware weiter gemacht. Auf Basis der gewonnenen Infos auch aus Beitrag "IQ Mischer beim Elecraft KX3" habe ich mal zusammengemalt, wie ich die hardware des RX machen würde. Ganz einfach den http://www.b-kainka.de/iqrx2.htm nachgebaut, aber mit einem LC-Filter und "differenziellem" Haltekondensator. Es handelt sich übrigens hier nicht um ein re-engineering eines kommerziellen Geräts sondern um das Zuammenstückeln aus offenen Quellen, die Idee mit dem LC-Glied hatte übrigens Andre Adrian, DL1ADR, schon. Wie auch immer, würde meine Idee so funktionieren?
Hallo Bernhard Der differenzielle Kondensator funktioniert so nicht richtig. Ich hab mal eine vor einiger Zeit durchgeführte Simulation mal zum Vergleich modifiziert. Gruss, Bernd
Bei aller Liebe es ist ein Unterschied einen Audiosinus als FSK-Signal im den HF-Bereich zu synthetisiere oder im Gensatz dazu eine Polyphones Audiogemisch als Seitenband zu generierien. Da müstest du schon ein Wavesample im HF-Bereich synthitisieren. MfG
Hier mal ein paar Filtervarianten im Vergleich. A und B fallen schon viel früher ab, sind aber anfälliger für Phasenfehler. Die Varianten C und D decken sich trotz der unterschiedlichen Bestückung bis 4kHz. Die Varianten A und B filtern mit einer Chebycheff Charakteristik, B und D nach Butterworth. Letztere sind durch den flacheren Phasenverlauf weniger problematisch. Alles oberhalb 3 kHz wird später sowiso per Software abgeschnitten. Der relevante Phasenfehler spielt sich also zwichen 1 und 3 kHz ab. Dort sollte sich die Phase zwischen den Kanälen deutlich weniger als 1 Grad unterscheiden, um eine Seitenband-Unterdrückung von >50dB zu erreichen. Die Varianten C und D oder erst recht Tiefpässe mit RC-Gliedern haben bezüglich großsignalfestigkeit Nachteile. Starke Signale, welche zwischen 3 und 10 kHz auftauchen, können Übersteuern und Kreuzmodulation verursachen.
Schreibfehler: Varianten A und C filtern nach Chebycheff, B und D nach Butterworth.
Noch eine Simulation. Für die beiden Übertrager könnten die selben wie beim KX3 verwendet werden. Natürlich wäre auch eine Variante mit zwei 1:1:1 Übertragern möglich. Wo bekommt man niederohmige Drosseln mit 1% Toleranz her? Als Kompromiss wären auch 1mH Typen möglich. Eventuell sollte die restliche Schaltung an eine erhältliche Drossel angepasst werden. Die dritte Methode hat in der Mitte eine wenige Hz breite Kerbe. Eventuell kann da im FPGA durch Weglassen von C5 und C6 noch was rausgeholt werden. Also komplett ohne Trennkondensator in den FPGA. Den Gleichspannungsanteil rausrechnen, sonst funktioniert der Mischer nicht.
Bei den Induktivitäten würde ich erwarten, dass die Varianz innerhalb einer Charge weit unter der Toleranz liegt, außerdem wirken ja Temperatur- und Langzeitdrift auf alle gleich. Ganz ängstlich könnte man ja auch eine Kalibrierung per Firmware vornehmen, umfangreiche Testfunktionen wird man da sowieso reinmachen wenn man es schon in der Hand hat. Ein FPGA möchte ich nicht spendieren, nur einen mittelmäßigen µC. Eine Offsetkorrektur ist auch in Firmware kein Problem, aber sie kostet teuer erkaufte bits im ADC. Bei der Bandbreite des Filters würde ich nicht so sparsam sein und mich mehr an der möglichen Bandbreite der Signalverarbeitung als an der üblichen Nutzbandbreite orientiern. Pi mal Daumen gehe ich von einer Abtastrate von 40 kHz aus, also machen die von dir vorgeschlagenen Filter C und D Sinn.
Hallo Bernhard > Pi mal Daumen gehe ich von einer Abtastrate von 40 kHz aus, > also machen die von dir vorgeschlagenen Filter C und D Sinn. Kreuzmodulation findet aber in der Hardware statt. Ein unnötig breiter Eingang wird dementsprechend schlechter. Der Hardware-Tifpass wird also eine Grenzfrequenz irgendwo bei 5 kHz haben. Langsam wird auch sowas wie ein Pegelplan notwendig. Welcher Dynamikbereich soll verarbeitbar sein? Was passiert mit Antennensignalen <1µV, was mit Signalen >100mV? Gibt es einen PGA? Welche Auflösung hat der AD-Wandler? Eine Samplerate von 40kHz zielt dann darauf ab, dass sich das Signal unterhalb von 5 kHz befindet, also eine ZF zwischen ca. 1 und 4 kHz? Oder doch bei Null und der Möglichkeit, ein Panorama anzuzeigen? Angehängt ~~~~~~~~~ hab ich nochmal eine andere Variante, die zumindest in der Simulation recht gut aussieht. Das Rauschen ab dem Tiefpass liegt hier unter 100nV bezogen auf den Eingang mit 3kHz Bandbreite. Die Gleichtaktunterdrückung ist besser -50dB, die Belastung der 4 Filter ist offensichtlich identisch. Wenn alle 4 Schalter des 3257 parallel geschaltet werden, beträgt der Durchlasswiderstand 1 Ohm, aber hier wäre auch ein 3253 möglich. Die Übertrager können entfallen. Es wird aber ein Pufferverstärker am Eingang benötigt mit niedrigem Ausgangswiderstand. Dieser könnte mit einer Emitterfolger-Komplementärschaltung verwirklicht werden. Statt den rauscharmen OPs könnte man auch mal die preiswerteren LM833 probieren. Gruss, Bernd
Hallo Bernd, klingt sehr gut, nur bei der Parallelschaltung der Einzelschalter bin ich etwas skeptisch. Ich bin mir nicht sicher, ob die unterschiede der Schaltzeiten der Schalter unproblematisch klein sind. Wobei das Maximum an Schaltzeit ja auch schon fast vernachlässigbar klein ist. Wie auch immer, ich tauche mal ab und hoffentlich bald mit einem Blockschaltbild wieder auf. Viele Grüße Bernhard
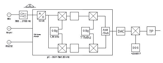
Hallo zusammen, hier also wie versprochen ein Vorschlag für das Blockschaltbild. Den ersten Entwurf des Pflichtenhefts habe ich leider auf meinem Zweitrechner vergessen, kommt morgen. Vorab die wichtigsten Infos zum Bild: - das Gerät soll immer mit externer Endstufe, Tiefpässen und evtl. AT betrieben werden, an eingebaute Endstufen sind für mich die Anforderungen zu unterschiedlich (ich z.B. arbeite bei PSK31 auch noch meistens mit > 30 W, andere möchten nur CW bei 5 W) - als Spannungsversorgung nehme ich einen dicken externen 12 V Akku an, interne Akkus sind IMO immer krücken - ich würde mir vollduplexbetrieb (splitbetrieb) für repeater-Funktionen wünschen, ist aber aktuell nicht im Bild - 6 m gehen aktuell nicht wegen zu geringer LO - ungeklärt ist, wo der DC-offset auf das Antennensignal kommen soll, siehe Kommentar im Bild Ich bin kein großer Analogtechniker und habe mit HF kaum Erfahrungen. Deshalb hängt der Erfolg dieses Projekts ganz wesentlich von "euch alten Hasen" ab! @ Bernd Vielen Dank für deine Ideen, ich habe versucht, einiges davon zu übernehmen. Viele Grüße und Danke im Voraus Bernhard
Hallo zusammen, hier mal die versprochene Doku. Erwartet nicht zu viel, schließlich befindet sich das Projekt in Teilen noch in der Definitionsphase. Ziel des Projekts soll sein: - dass alle Beteiligten etwas dabei lernen -> Afu ist nicht nur mit 700 W auf 80 m innerhalb von DL zu funken und seine Geräte aufzuzählen... - eine kleine DSP-Bastelwerkstatt für Firmwerkelnde Funkamateure - ein guter, minimalistischer und innovativer TRX für SSB Sprachfunk - eine mit LAN komplett steuerbarer Sender für PSK31 oder Bakenbetrieb Wenn das erste Review gelaufen ist, werde ich einen neuen thread dafür aufmachen. Viele Grüße Bernhard
Bernhard __ schrieb: > Ziel des Projekts soll sein: > - dass alle Beteiligten etwas dabei lernen -> Afu ist nicht nur mit 700 > W auf 80 m innerhalb von DL zu funken und seine Geräte aufzuzählen... > - eine kleine DSP-Bastelwerkstatt für Firmwerkelnde Funkamateure > - ein guter, minimalistischer und innovativer TRX für SSB Sprachfunk > - eine mit LAN komplett steuerbarer Sender für PSK31 oder Bakenbetrieb Hast du dir schon mal den HiQSDR angesehen? http://hiqsdr.com/hiqsdr-wiki/index.php?title=Main_Page Im aktuellen Funkbummi ist ein Beitrag dazu, klingt interessant. So, wie ich das verstanden habe, gibt es zumindest zwei verschiedene Opensource-Frontends dafür, und der HDL-Code des FPGAs ist ebenfalls offen.
Hallo Jörg, leider hat das HiQSDR kaum etwas mit dem von mir gewählten Ansatz gemein, gerade der bei mir kritische Modulator wird dort nicht benötigt, dafür braucht HiQSDR einen PC und dessen Software ist nicht Teil des Projekts. Trotzdem danke Bernard
Bernhard __ schrieb: > dafür braucht HiQSDR einen PC und dessen Software ist nicht Teil des > Projekts. Aber zumindest als Opensource verfügbar. Wenn man allerdings ein kompaktes Standalone-Gerät haben will, stimmt, dann nützt einem das nichts.
Hallo Bernhard
> wo soll der DC-offset auf das Antennensignal herkommen
Alle Analogschalter sollten bei der halben Betriebsspannung betrieben
werden. Auch der Instrumentenverstärker, er kann ja an 5 Volt Versorgung
arbeiten dank Rail to Rail, benötigt die Signale mit einem DC-Offset.
Der Instrumentenverstärker muss eine Pegelwandlung auf die Hälfte des
ADCs (1,5Volt) bewerkstelligen, um dessen Bereich ausnutzen zu können.
Für eine negative Versorgungsspannung wäre auch ein Schaltregler nötig,
der dann möglicherweise wieder Störungen verursacht. Andererseits
könnten die ganzen Koppelkondensatoren zur galvanischen Trennung
entfallen.
Bei den Analogschaltern handelt es sich ja ausschließlich um Umschalter.
Der tote Zweig sollte stets gegen GND geschaltet werden, um Übersprechen
nochmals deutlich zu reduzieren.
Deine Idee mit dem differenziellen Eingang könnte ganz gut
funktionieren. Mein Vorschlag wäre, den 1. Kondensator nach dem Mischer
differenziell zu schalten und nach der Drossel 2 Cs gegen GND.
Gibt es schon eine Idee für den Formfaktor des Gehäuses? Das KX3 kann ja
nicht so einfach nachgeahmt werden. Spritzformen für Kunststoffgehäuse
sind teuer und Folientastaturen auch. Das Gehäuse soll bestimmt in den
Rucksack passen.
@ Bernd jetzt habe ich dir gerade geschrieben :-) Danke für die Klarstellung mit den Versorgungsspannungen, bin wohl wirklich zum Softi geworden in den letzten Jahren... Das Gerät soll (siehe pdf) komplett ohne HMI (display, Bedienkram) sein, sonst werde ich nie fertig. Alle Einstellungen sollen per html vorgenommen werden, nur PTT für Sprachfunk gibt es. Demnach wird für das Gehäuse hoffentlich ein (siehe pdf) billiges Profilgehäuse reichen, das man überall reinbekommt. Zur Not auch als fernbedienbaren TRX an einen Dachbalken oder als Fuchs an einen Baum. 73 Bernhard
Hallo Bernhard Ich hab mir noch ein paar Gedanken zur Schaltung gemacht. Je niedriger die Samplerate, desto steiler muss das Filter abfallen. Bei den hohen Sampleraten von SDRs reichen einfache Tiefpässe plus das interne Anti-Aliasing-Filter. Unterhalb der halben Sample-Frequenz funktioniert das Seitenbandfilter per Quadratur recht gut. in der Nähe der Samplefrequenz gibt es sowiso ein Minimum. Dazwischen gibt es einen Bereich, wo die Seitenbandunterdrückung nachlässt, dafür aber das Filter immer besser wird. Falls auf Null gemischt werden würde, könnte das Filter bei 1,3 kHz schon abfallen. Dazu wären aber recht große Drosseln notwendig. Alternativ dazu könnte das Aktivfilter ab 1,3 kHz filtern, wodurch das Signal bei 10 kHz mit weniger Aufwand schon stärker dämpft. Beim zweiten Punkt handelt es sich um den DC-Offset der Ausgänge in der Mitte des ADC-Bereichs. Da in den Referenzeingang der Instrumentenverstärker Strom fließt, sollte dort mit einem OPV gepuffert werden. Theoretisch reicht es, einfach 1.5 Volt draufzugeben. Die angehängte Schaltung regelt aber den Nullpunkt aktiv nach und die 1.5 Volt Referenzspannung (V4 + V5) könnten aus einem PWM Signal vom Controller erzeugt werden, um noch genauer nachzuregeln. Die untere Grenzfrequenz liegt momentan bedingt durch den Integrator irgendwo bei 1 Hz. PS. Diesen Rail-toRail OPV hab ich nur zu Simulationszwecken verwendet.
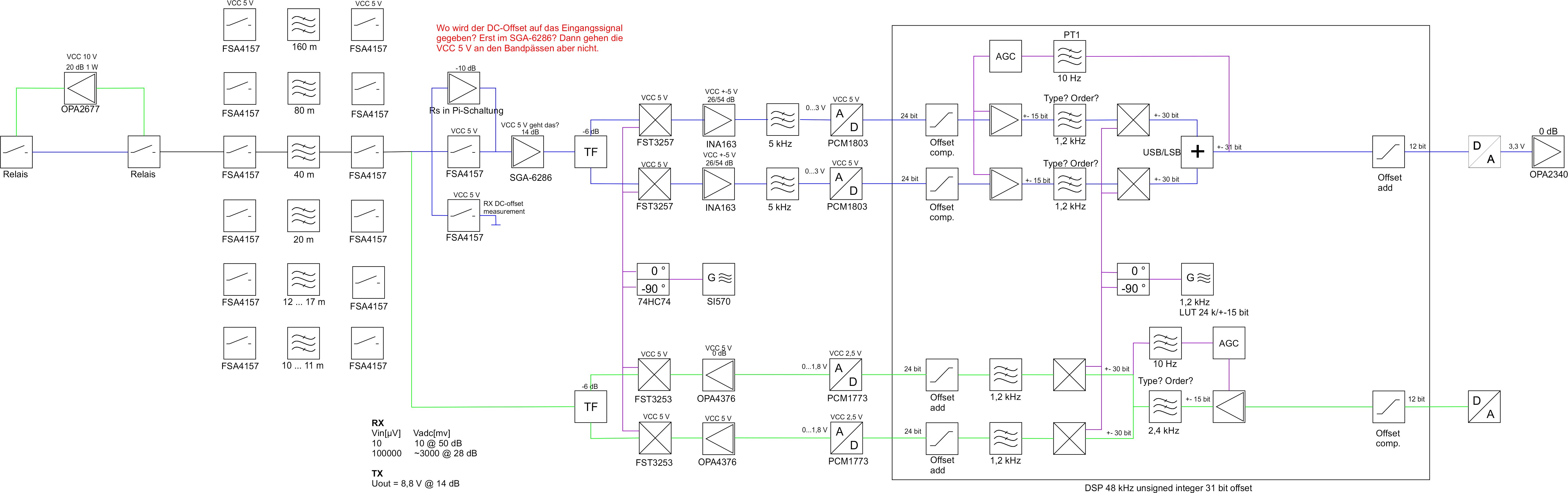
Hallo Bernd und natürlich alle Mitleser! Die letzten Tage bin ich abgetaucht, um auf der Konzeptseite weiter zu kommen. Bernd, deinen post habe ich gerade erst gesehen, deine Offsetkorrektur übernehme ich natürlich, einen schmalbandigen Filter möchte ich unten gerne wegdiskutieren. Neue Designvorschläge: - zumindest die erste Version soll zweiseitig mit der Studentenversion von Eagle erstellt werden, weil das einfach "jeder" hat und kann - die Bandfilter werden in SMD erstellt, das schafft zwar deutlich höhere Verluste als ein Aufbau mit Folien-Cs und handgewickelten Kernen, spart aber viel Zeit und vereinfacht das Layout - das schöne 6 m Band entfällt weil es zu aufwändig wird, die einfache Version des Si570 kann auch nur 160 MHz -> 40 MHz RX - ebenso entfällt der Duplexbetrieb, also keine Relaisfunktion - in Hardware soll nicht enger als 2x5 kHz (-3db) gefiltert werden, damit z.B. ein Bandbereich für schmalbandige Betriebsarten gescannt werden kann - die Flachbaugruppe wird mit galvanisch getrennten 12 V versorgt, Verpolschutz und vor allem der Schaltregler sitzen auf der anderen Baugruppe. Aus den 12 V werden symmetrisch +-5 V und +-2,5 V erzeugt, beides linear. Dann wird die gesamte Schaltung incl. der ADC/DAC differenziell versorgt, damit entfallen alle lokalen Referenzen und das Layout dürfte einfacher werden. Speziell hier: passt das oder übersehe ich etwas? Im Anhang stelle ich mal die einzelnen Schaltungsblöcke zum Review, hier noch einige Kommentare dazu... - supply wie oben erwähnt differenziell und ohne die benötigte galvanische Trennung zum Digitalteil. Der digitale GND liegt damit auf -2,5 V analog. Als Regler müsste man etwas rauschärmeres vorsehen (ich kenne aber keine bezahlbaren Kandidaten, die es auch negativ gibt) oder mit LC filtern. Vorschläge? -amp der 1 W linear aus dem SDR1000. Schade wegen der beiden großen übertrager, wo ich schon keine Potentialwechsel machen will. Habt ihr eine bessere Idee? Die Freilaufdiode am Relais fehlt noch. - Bandfilter Ebenfalls übernommen vom SDR1000, für Empfehlungen an guten Cs bin ich gerne offen. - LO Die Ausgangspregel der FlipFlops reichen (VDD referenziert auf 2,5 V analog) gerade so für die mit 5 V betriebenen FSTs. - TX ok, "AGND" senkrecht nach oben sieht dämlich aus, da drehe ich noch etwas. Der Ausgangspegel des PCM1773 beträgt leider nur 1,4 V, mein "Spannungsteiler" am Ausgang macht das Ganze nichtlinear und ist damit unschick, vielleicht doch mit einem C entkoppeln? -RX Die Offsetkompensation von Bernd kommt noch dazu. Als Bestückungsvarianten habe ich mal den differenziellen C vorgehalten, R gegen AGND kommen noch. Die Widerstände sollen den ADC schützen, falls die INA163 mal übersteuern, dahinter zwei Angstkondensatoren. Die Filter sind dummies, bis wir uns sicher sind. Vielen Dank für die Mühe bisher! Bernhard
Hallo Bernhard Gerade bin ich am Simulieren. > deine Offsetkorrektur übernehme ich natürlich Da war ich auf dem Holzweg. Solange es bei den PCM1803 bleibt, erübrigt sich die Offset-Korrektur. Auf der 1. Seite des Datenblatts vom PCM1803 steht: ...and includes a digital decimation filter and high-pass filter which removes the DC component of the input signal Außerdem sind die Eingänge mit Cs entkoppelt und der Arbeitspunkt stellt sich selbständig ein. Ohne Signal kommt also automatisch Null raus. > Aus den 12 V werden symmetrisch +-5 V und +-2,5 V erzeugt Hier bleibt trotzdem ein Problem bezüglich der Analogschalter. Werden diese mit einer symetrischen Betriebsspannung versorgt, benötigen wir zur Ansteuerung einen Pegelwandler von 0/5Volt auf -2.5/+2.5 Volt. Ok, Du planst das mit getrennten Masse-Bezügen. Das ist nur eine Frage des Blickwinkels zur vorherigen Lösung. Vorsichtig sollte man dort sein, wo eine Spannungsquelle Strom für die virtuelle Masse liefert, da kein aktives Bauteil ein Ansteigen des Potentials verhindert. Normalerweise erzeugt man so ein Niveau mit einem OPV. > die Bandfilter werden in SMD erstellt, das schafft zwar deutlich > höhere Verluste als ein Aufbau mit Folien-Cs und handgewickelten Kernen Die Verluste sind IMHO nicht das Problem, sondern die Toleranzen. Keramikkondensatoren im µF Bereich haben sämtliche eine große Temperaturdrift und die Kapazität ist spannungsabhängig und frequenzabhängig. http://de.wikipedia.org/wiki/Keramikkondensator#Spannungsabh.C3.A4ngigkeit_der_Kapazit.C3.A4t Ebenso die Drosseln. Es gibt etwas größere TH Drosseln und Folienkondensatoren, die deutlich bessere Daten haben und trotzdem im Handel verfügbar sind. Falls das Filter auf der Schaltmischer-Seite mit <= 50 Ohm abgeschlossen wird, darf die Drossel keinen Rs von >=10 Ohm haben. Bei niedriger Impedanz (12,5/25 Ohm) werden die Drosseln kleiner und die Kapazitäten größer. Es muss da einen akzeptablen Kompromiss geben. > Die Ausgangspregel der FlipFlops Die Flip-Flops würde ich mit auf die 5 Volt Seite nehmen. Nach den FFs ist durch die Teilung der Takt symetrisch. Die Flankensteilheit ist endlich und durch die asymetrie zu den Analogschaltern würde ein Phasenfehler entstehen. > supply IMHO sind die 100 Ohm Widerstände zu niederohmig. Da fließt zu viel Querstrom. Es werden schon 75 mA an den Spannungsteilern verbraten. Vermutlich war das erstmal symbolisch gezeichnet ohne richtige Bauteildimensionierung. > RX Den 330 Ohm beim INA würde ich dierekt anschliessen und den zweiten Widerstand dazuschalten. Für den PCM1803 gibt es einen Schaltungsvorschlag im Datenblatt mit Kondensatoren am Eingang. Wie sieht das mit den Bezugsquellen/Bauteilbeschaffung aus bzw. welche Quellen stehen zur Verfügung? Später mehr, Bernd
Hallo Bernd, danke soweit, hier mal ein paar Antworten. Als Lieferant muss ich wegen der FST sowieso digikey mit ins Boot holen, Farnell wäre auch kein Problem. Bandfilter Da habe ich wieder etwas dazu gelernt, von Folienkondensatoren in SMD wusste ich nichts; ich sehe die größeren Bauteile vor. Auf 50 Ohm möchte ich bleiben, weil dann zwischen Antenneneingang und dem Vorverstärker (50 Ohm) nicht angepasst werden muss. supply Die 100 Ohm sind natürlich quatsch, ich muss mal die Verlustleistungen nachrechnen, ob ich einen passenden OPV für die +- 2,5 V finde. Generell ist mir das Massekonzept noch nicht ganz klar. Vermutlich gibt es drei Massen: - HF-Masse - Gehäuse - GNDA - Digitalmasse - Eingangsmasse - potenzialgetrennt Aber hier fehlt noch ein Isolationsdiagramm mit den galvanischen Trennungen. Flipflops Die Ausgangsspannung des 74 liegt bei VDD 3,3 V bei geschätzten 0,1 - 2,7 V, das liegt ziemlich genau in der Mitte der min/max Schaltschwellen des FST (0,8 - 2,0 V). Außerdem fange ich mir zwei Probleme ein, wenn ich den Flipflop mit 5 V versorge: ich habe keine VDD 5 V und die Pegel des Si570 müssten angepasst werden. RX Die Beschaltung des INA wollte ich nicht übernehmen, weil wir keinen Aliasingfilter brauchen und der Entkoppel-C ja auch Nachteile bringt. Deshalb habe ich einen Schutzwiderstand (wohl zu hochohmig) und einen Stützkondensator für den Samplekondensator vorgesehen. Die Offsetkompensation am INA fand ich außerdem sinnvoll, weil damit die Großsignalfestigkeit nicht eingeschränkt wird. Wie groß ist der denn in V, ich verstehe dein Simulationsergebnis nicht. Die 330 Ohm mache ich fest. Viele Grüße Bernhard
Bitte melde dich an um einen Beitrag zu schreiben. Anmeldung ist kostenlos und dauert nur eine Minute.
Bestehender Account
Schon ein Account bei Google/GoogleMail? Keine Anmeldung erforderlich!
Mit Google-Account einloggen
Mit Google-Account einloggen
Noch kein Account? Hier anmelden.
















