Hey, ich schreibe gerade an meiner Bachelorarbeit und in dieser soll eine kontaktlose Energieübertragung zur Ladung eines LiPo-Akkus realisiert werden. (kontaktlos aufgrund des Designs) Als Basis wollte ich den Artikel Royer Converter verwenden. Nun wollte ich fragen ob mir jemand Tipps geben kann, welche wissenschaftlichen Betrachtungen angestellt werden müssen, um dieses Thema ordentlich zu bewältigen. MfG, jvl
Koppelfaktor des Magnetkreises, Effizienz, maximale Leistung, EMV, Kosten, Laderreglerkonzepte, Vergleich mit Kontaktlösungen.
Ggfs. Appnotes & Papers der Qi-Mitglieder heranziehen, um zu zeigen wie man sowas jenseits der Frickellösung professionell macht: http://www.wirelesspowerconsortium.com/
Falk Brunner schrieb: > Effizienz bzw lautet das Stichwort Wirkungsgrad. Dieser fällt i.d.R. lausig aus. Und das in Zeiten, wo Strom nicht auf Bäumen wächst...
Klaus Kaiser schrieb: > bzw lautet das Stichwort Wirkungsgrad. Dieser fällt i.d.R. lausig aus. Bei richtiger Dimensionierung der Bauteile geht es. > Und das in Zeiten, wo Strom nicht auf Bäumen wächst... War das schonmal anders? :-) ...ist Bestandteil des Lastenheftes. Gruß
Falk Brunner schrieb: > Koppelfaktor des Magnetkreises gibt es Möglichkeiten eine Simulation des Koppelfaktors durchzuführen, oder einfache Möglichkeiten den Faktor zu erhöhen, denn in meinen ersten Aufbauten liegt er bei ca. 0,1...
@ Max Power (jvl) >gibt es Möglichkeiten eine Simulation des Koppelfaktors durchzuführen, Sicher. Ich hab dafür Maxwell 2D genommen, gab es mal als Studentenversion. >oder einfache Möglichkeiten den Faktor zu erhöhen, Ferrit an der richtigen Stelle. Oder Spulengeometire verbessern. >denn in meinen ersten Aufbauten liegt er bei ca. 0,1... Selbst damit kann man viel Energie übertragen, Stichwort Kompensation der Streuinduktivitäten.
Hey, schonmal vielen Dank für die Antworten. Werde mir mal Maxwell 2d besorgen. Was sagt ihr zu dem Aufbau meiner Schaltung?
> einfache Möglichkeiten den Faktor zu erhöhen
Bei RFID spielen diese Dinger eine große Rolle:
- Antenne
- Sendeleistung
- Abstand
- Sendefrequenz
- gute Abstimmung des Resonanzkreises
@ Johannes v. L. (jvl) >> Es sind Verdrahtungsfehler drin. >Okey, darf man fragen wo? Hmm, ich sehe gerade, ich hab mich geirrt. Entschuldigung. Sollte passen. Es fehlt aber ein Kondensator am Eingang.
Hey, habe mir mal eine Schaltung aufgebaut, funktioniert auch wunderbar. Meine Resonanzfrequenz soll 140kHz und die Kapazität im Primärkreis 99nF betragen. Dabei errechnet sich eine Spule mit 130,5mH. Hat jemand nen Tipp, wie ich diese Spule (flache Spule, siehe Bild) selber wickeln kann? Bei meinen Versuchen springen Die Litzen immer wieder auseinander.
Klaus Kaiser schrieb: > Und das in Zeiten, wo Strom nicht auf Bäumen wächst... Aber er wächst auf Äckern. Johannes v. L. schrieb: > Hat jemand nen Tipp, wie ich diese Spule (flache Spule, siehe Bild) > selber wickeln kann? Ohne Kernformer wird es nicht gehen. Und wenn es effizient werden soll wahrscheinlich auch nicht ohne Ferrit. Willst du den Laderegler primär- oder sekundärseitig anordnen? Diesem Thema könntest du auch noch ein Kapitel widmen.
Johannes v. L. schrieb: > Hat jemand nen Tipp, wie ich diese Spule (flache Spule, siehe Bild) > selber wickeln kann? Normalerweise wickelt man sowas mit Backdraht in einer Form, erwärmt diese und lässt dann das ganze aushärten. Dann kann man die Form entfernen. Gruss Harald
Georg W. schrieb: > Willst du den Laderegler primär- oder sekundärseitig anordnen? Diesem > Thema könntest du auch noch ein Kapitel widmen. Hallo, da ich in meiner Übertragung keine Datenübertragung vorgesehen habe, ist es leichter den Laderegler auf der Sekundärseite anzuordnen. Dann muss ich mir nur noch etwas überlegen, wie sich die Primärseite in ubelasteten Zustand verhält... Vielleich mit einem Reedschalter auf der Primärseite und passenden Magneten auf der Sekundärseite?
Johannes v. L. schrieb: > Vielleich mit einem Reedschalter auf der Primärseite und passenden > Magneten auf der Sekundärseite? Wäre eine Möglichkeit, dann ist auch sichergestellt dass keine Energie abgegeben wird wenn ein Fremdkörper auf der Primärspule liegt.
@Johannes v. L. (jvl) >Dann muss ich mir nur noch etwas überlegen, wie sich die Primärseite in >ubelasteten Zustand verhält... Beitrag "Re: Energie kontaktlos übertragen"
> kontaktlose Energieübertragung
Ist ja schon wieder Freitag (und heiß) also :
Teslaspule ;-)
Hab zufälligerweiße momentan auch als Bachelorarbeit dieses Thema und mir den Royer Converter mit zwei 24cm großen Flachspulen aufgebaut. Vorläufige Ergebnisse (Abstand ~0.1mm): Ausgangsleistung: 25W Eingangsleistung: 52W Wirkungsgrad: ~48% Nun hab ich auch einen Koppelfaktor von 0.48 ermittelt. Bin ich richtig in der Annahme dass der Wirkungsgrad gleich dem Koppelfaktor ist, oder ist das Irrsinn? Hab das ganze mit FEMM (http://www.femm.info/wiki/HomePage) simuliert und kriege für meine Dimensionen einen höheren Koppelfaktor. Hätte jmd eine Idee wie man die Effizenz steigern könnte? Andere Spulenform? Mit Ferrit stützen? Gruß Vitali
@ Vitali (Gast) >mir den Royer Converter mit zwei 24cm großen Flachspulen aufgebaut. >Vorläufige Ergebnisse (Abstand ~0.1mm): >Ausgangsleistung: 25W >Eingangsleistung: 52W >Wirkungsgrad: ~48% Naja, nicht so toll für die Geometrie. >Nun hab ich auch einen Koppelfaktor von 0.48 ermittelt. Klingt zu niedrig. bei 24cm Durchmesser und praktisch übereinanderliegenden Spulen würde ich auf 90% und mehr tippen. Ich kann mich aber auch irren. >Bin ich richtig in der Annahme dass der Wirkungsgrad gleich dem >Koppelfaktor ist, Nein. >Hab das ganze mit FEMM (http://www.femm.info/wiki/HomePage) simuliert >und kriege für meine Dimensionen einen höheren Koppelfaktor. Messfehler?
> Klingt zu niedrig. bei 24cm Durchmesser und praktisch > übereinanderliegenden Spulen würde ich auf 90% und mehr tippen. Ich kann > mich aber auch irren. Hab auch gedacht des es um den dreh liegen sollte, von daher die Anordnung. > Messfehler? Könnte sein (wobei ich mir nicht sicher bin was ich da falsch gemessen haben sollte). Laut der Simulation sollte der Koppelfaktor >0.95 sein. Den Koppelfaktor der realen Spulen habe ich mit U2/U1 = k * sqrt(L2/L1) bestimmt (open loop). Werde es wohl mit einer abgeänderten Schaltung/Spule versuchen.
@ Vitalij (Gast) >haben sollte). Laut der Simulation sollte der Koppelfaktor >0.95 sein. Das schon eher. >Den Koppelfaktor der realen Spulen habe ich mit U2/U1 = k * sqrt(L2/L1) >bestimmt (open loop). Die Formel stimmt. Hsst du auch die richtigen Spannungen gemessen? Mit dem Oszilloskop? Ein DMM ist bei den Frequenzen unbrauchbar.
> Die Formel stimmt. Hsst du auch die richtigen Spannungen gemessen? Mit > dem Oszilloskop? Ein DMM ist bei den Frequenzen unbrauchbar. Die Induktivität hab ich mit einem LCR-Metter von GWINSTEK (821) gemessen: Beide Primärinduktivitäten (bifilar gewickelt, jeweils): L1 = ~235µH Sekundärinduktivität: L2 = ~730µH Spanungen mit dem Oszilloskop (schöner Sinus, ~95kHz): Sekundärseite: U2(Pk-Pk): 88V Primärseite: U1(Pk-Pk): 103V Mit diesen Werten komme ich auf den gennanten Faktor 0,48. Momentan ist die Schaltung mit Bipolartransistoren aufgebaut. Werde es mal mit FETs realisieren.
@Vitalij (Gast) >Die Induktivität hab ich mit einem LCR-Metter von GWINSTEK (821) >gemessen: Wo lagen die Spulen dabei? Hoffentlich weit weg von metallischen Tischplatten etc. Dann stimmt nämlich deine Induktivität nicht. >Beide Primärinduktivitäten (bifilar gewickelt, jeweils): L1 = ~235µH >Sekundärinduktivität: L2 = ~730µH >Spanungen mit dem Oszilloskop (schöner Sinus, ~95kHz): >Sekundärseite: U2(Pk-Pk): 88V >Primärseite: U1(Pk-Pk): 103V >Mit diesen Werten komme ich auf den gennanten Faktor 0,48. Hmmmm. Miss mal mit dem LCR Meter und so. http://www.wolfgang-wippermann.de/koppelfa.htm >Momentan ist die Schaltung mit Bipolartransistoren aufgebaut. Werde es >mal mit FETs realisieren. Naja, das macht jetzt nicht den Riesenunterschied, wenn die Dimensionierung nicht vollkommen daneben ist.
@Falk Brunner: Vielen Dank für den Link und die Hilfe. Hab es nach dem Prinzip gemessen und erhalte als Koppelfaktor 0,966: passend zur Simulations. In der nähe der Spulen sind keine metallischen Objekte. Dann bleibt doch nur noch die Schaltung übrig, werde die mir genauer Unter die Luppe nehmen.
@Vitalij (Gast) >Hab es nach dem Prinzip gemessen und erhalte als Koppelfaktor 0,966: >passend zur Simulations. Das klingt schon besser! >In der nähe der Spulen sind keine metallischen Objekte. Spannung mit dem Oszi falsch gemessen? Vorsicht! Wenn man die Primärspannung an den Kollektoren der Transistoren gegen GND misst, sieht man nur jeweils eine Halbschwingung! Die Spizze-Spitze Spannung ist logischerweise DOPPELT so groß. >Dann bleibt doch nur noch die Schaltung übrig, werde die mir genauer >Unter die Luppe nehmen. Erstmal muss du deinen Messfehler aufklären. Denn Faktor 2 ist keine Frage der Genauigkeit sondern ein prinzipieller Messfehler. Aber wozu soll die Anordnung gut sein? Bei 0,1mm Abstand ist dort nur eine Folie dazwischen. Da lohnt sich auch keine Kompensation der Streuinduktivität.
Hallo, ich habe mir bei Farnell diese Spulen bestellt und komme mit 2 identischen auf Primär- Sekundärseite und einem Abstand von 12mm auf einen Koppelfaktor von k=0,45. (finde ich okey) Dabei wird ein Wirkungsgrad von 59% erreicht. Leider wird die Primärspule bei einem Primärstrom von 660mA sehr warm und ist deswegen für eine Anordnung auf Plexiglas nicht geeignet. Sonst bin ich mit den Werten schon recht zufrieden. :-) MfG Johannes
@ Johannes v. L. (jvl) >auf Primär- Sekundärseite und einem Abstand von 12mm auf einen >Koppelfaktor >von k=0,45. (finde ich okey) Ich auch ;-) >Dabei wird ein Wirkungsgrad von 59% erreicht. Geht so. >Leider wird die Primärspule bei einem Primärstrom von 660mA sehr warm >und ist deswegen für eine Anordnung auf Plexiglas nicht geeignet. Versuche ein Kompensation des Streufeldes mit einem Reihenkondensator auf der Sekundärseite. Siehe Royer Converter.
Falk Brunner schrieb: > Versuche ein Kompensation des Streufeldes mit einem Reihenkondensator > auf der Sekundärseite. Siehe Royer Converter. Habe die Sekundärseite eigentlich genauso berechnet wie die Primärseite. mit: C = ( 1 / 2Pi*f0)^2 * ( 1 / L) f0 = 200kHz L = 9,7uH C = 66nF oder?
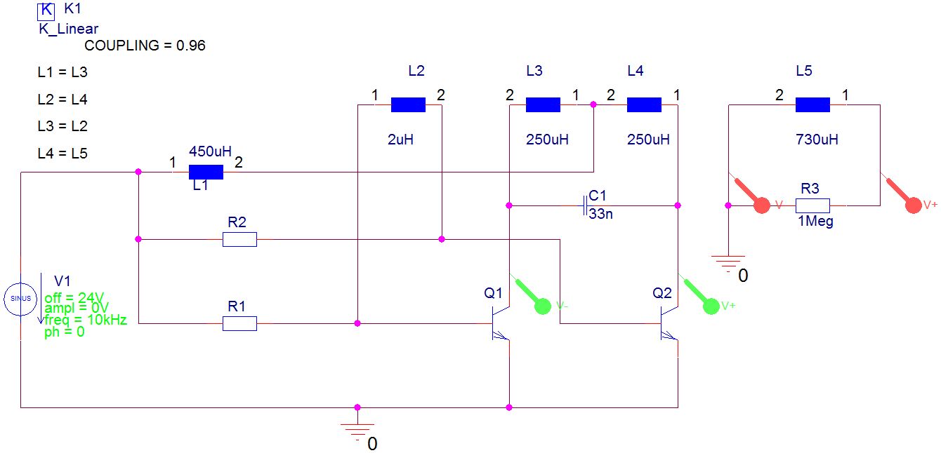
Ich bins wieder. @Falk Brunner: > Erstmal muss du deinen Messfehler aufklären. Denn Faktor 2 ist keine > Frage der Genauigkeit sondern ein prinzipieller Messfehler. Das Stimmt, jedoch hab ich die Schaltung mit Spice mal simuliert (siehe Anhang). Und komme auf die selben Ergebnessie wie im Aufbau (Aufbau andere Eingangsspannung). k = (128.942V/154.058V)/sqrt(0.000730H/0.000250H) = 0.49 Kann es sein das ich noch irgendwas beachten muss und von daher die Formel nicht direkt anwenden kann, oder hab ich was Falsch verdrahtet. > Aber wozu soll die Anordnung gut sein? Bei 0,1mm Abstand ist dort nur > eine Folie dazwischen. Da lohnt sich auch keine Kompensation der > Streuinduktivität. Mein Ziel ist es eigentlich eine relativ hoche Leistung (50-100W) kontaktlos zu übertragen und einen hohen Wirkungsgrad zu erreichen (>75%). Dabei wird der Abstand nur von einer Gehäusewand (Kunststoff) bestimmt und ist mit etwa 2-max. 10mm angegeben. Im Test hab ich diesen Abstand auf 0.1mm (genau ne Folie) reduziert um zu schauen welche maximale Leistung (25W) ich überhaupt rüberbekomme. Hab auch schon geschaut das ganze ohne der Streukompensation aufzubauen und ne normale Flachspule zu benutzen, ist ja auch einfacher zu wickeln, nur bin ich mir unsicher welche Schaltung für mein Vorhab sinnvoll wäre. Im Blick hab ich momentan eine Halb-/ Vollbrücke, hab damit jedoch keine Erfahrung und kann nicht auf anhieb beurteilen ob das Funktioniert, von daher erst mal weiter lesen.
Habe noch eine Frage zur Kompensation auf der Sekundärseite, ist es nicht sinnvoller die Kompensation vor der Gleichrichting vorzunehmen?
@ Vitalij (Gast) >Das Stimmt, jedoch hab ich die Schaltung mit Spice mal simuliert (siehe >Anhang). Und komme auf die selben Ergebnessie wie im Aufbau (Aufbau >andere Eingangsspannung). >k = (128.942V/154.058V)/sqrt(0.000730H/0.000250H) = 0.49 Weil überall der gleiche, systematische Fehler drinsteckt. ;-) U2/U1 = k * sqrt(L2/L1) L1 ist aber die Induktivität der GESAMTEN Primärspule, hier also 4*250uH (L ~ N^2!). Und siehe da. >k = (129.V/154V)/sqrt(730uH/1000uH) = 0,98 Was soll die Kopplung zwischen L1 und L3? L1 ist vollkommen ungekoppelt! >Mein Ziel ist es eigentlich eine relativ hoche Leistung (50-100W) >kontaktlos zu übertragen und einen hohen Wirkungsgrad zu erreichen Das ist mir schon klar 8-0 >(>75%). Dabei wird der Abstand nur von einer Gehäusewand (Kunststoff) >bestimmt und ist mit etwa 2-max. 10mm angegeben. Das ist aber schon deutlich mehr als 0,1mm ;-) >Im Test hab ich diesen Abstand auf 0.1mm (genau ne Folie) reduziert um >zu schauen welche maximale Leistung (25W) ich überhaupt rüberbekomme. OK. >Hab auch schon geschaut das ganze ohne der Streukompensation aufzubauen >und ne normale Flachspule zu benutzen, ist ja auch einfacher zu wickeln, ??? Was hat die Streukompensation mit dem Wickeln zu tun?
@ Johannes v. L. (jvl) >Habe noch eine Frage zur Kompensation auf der Sekundärseite, >ist es nicht sinnvoller die Kompensation vor der Gleichrichting >vorzunehmen? Nicht nur sinnvoll, sondern nötig! Der Kondensator HINTER dem Gleichrichter ist zum Puffern, nicht Kompensieren.
@ Falk Brunner > Weil überall der gleiche, systematische Fehler drinsteckt. ;-) > > U2/U1 = k * sqrt(L2/L1) > > L1 ist aber die Induktivität der GESAMTEN Primärspule, hier also 4*250uH > (L ~ N^2!). Und siehe da. > >k = (129.V/154V)/sqrt(730uH/1000uH) = 0,98 Oh man, danke, jetzt wirds klar. > Was soll die Kopplung zwischen L1 und L3? L1 ist vollkommen ungekoppelt! Die sind nicht gekoppelt, das wird in der Simulation missverständlicherweise so dargestellt, alle Bezeichner die rechts von gleich stehen sind gekoppelt, links stehen nur die Variablennamen. (K 0.96 L_<L1> L_<L2> etc.) > Was hat die Streukompensation mit dem Wickeln zu tun? Natürlich nichts, wollte mit der Aussage darauf hinaus das ich keine bifilare Spule brauche.
Bitte melde dich an um einen Beitrag zu schreiben. Anmeldung ist kostenlos und dauert nur eine Minute.
Bestehender Account
Schon ein Account bei Google/GoogleMail? Keine Anmeldung erforderlich!
Mit Google-Account einloggen
Mit Google-Account einloggen
Noch kein Account? Hier anmelden.



