Hallo, kennt jemand eine Möglichkeit eine Steckdose per Mikrocontroller mit einem einfachen Steuersignal ein- und auszuschalten. Ich möchte zum Beispiel einen Temperatursensor auslesen und daraufhin eine Steckdose ein- bzw. ausschalten, an der eine Heizung hängt. Danke. MfG Yann
ist doch ganz einfach: µC -> Treiber-Transe -> Relais+Freilaufdiode -> Steckdose Relais ist mechanisch oder Solid-State.
Yann schrieb: > kennt jemand eine Möglichkeit eine Steckdose per Mikrocontroller mit > einem einfachen Steuersignal ein- und auszuschalten. Ich nehm dafür immer ein Relais. Das ist dafür wesentlich besser geeignet. :-) Gruss Harald
Harald Wilhelms schrieb: > Yann schrieb: > >> kennt jemand eine Möglichkeit eine Steckdose per Mikrocontroller mit >> einem einfachen Steuersignal ein- und auszuschalten. > > Ich nehm dafür immer ein Relais. Das ist dafür wesentlich besser > geeignet. :-) > Gruss > Harald Hast du auf dem µCNet jemals einen sachlichen Beitrag geleistet?
Davis schrieb: > Steckdose per Mikrocontroller ein- und ausschalten >> Ich nehm dafür immer ein Relais. Das ist dafür wesentlich besser >> geeignet. :-) > Hast du auf dem µCNet jemals einen sachlichen Beitrag geleistet? Was ist daran unsachlich? Höchstens die Tatsache, das Menschen, die nicht einmal wissen, was ein Relais ist, besser nicht mit 230V rumspielen sollten Gruss Harald
Nicht billig aber einfach http://www.cleware-shop.de/USB-Switch Billiger ohne Gehäuse und Stecker http://www.ebay.de/itm/USB-Ein-Kanal-Relaiskarte-Seriell-Relai-relaisplatine-/280676541088
Ein Relais ist nicht die schlechteste Lösung. Bei langsamen Schaltvorgängen bzw. wenig Schaltzyklen oft besser. Wieviele haben hier im Forum schon über die "schlechten" SSRs gejammert... ...bis sich herausstellte dass der Snubber vergessen wurde! Ein Relais ist robuster gegen Spannungsspitzten und galvanisch getrennt.
Oh, meine Vorschläge passen eher zu "Steckdose per PC ein- und ausschalten"
> Was ist daran unsachlich? Höchstens die Tatsache, das Menschen, > die nicht einmal wissen, was ein Relais ist, besser nicht mit > 230V rumspielen sollten > Gruss > Harald Da ist was dran. Deshalb brauche ich eine fertige Lösung, wo ich nur ein Steuersignal reingeben muss. Im Prinzip genau wie der Vorschlag von MaWin: http://www.cleware-shop.de/USB-Switch Ich hab mir die technischen Details zwar nicht genau angeschaut, aber was man mit dem PC per Usb ansteuern kann, sollte auch mit Mikrocontroller gehen. Allerdings ist der Preis entscheidend, da ich ca. 10 Steckdosen brauche. Danke schonmal für die Unterstützung. Yann
Yann schrieb: > Da ist was dran. Deshalb brauche ich eine fertige Lösung, wo ich nur ein > Steuersignal reingeben muss. Ich glaube, ELV hat USB-Steckdosen, die einfach nur ein 5V Relais enthalten. Die könnte man über einen Treibertransistor direkt an einen Ausgang des µCs anschliessen. Eine Alternative wären auch Funksteckdosen. Den Druckknopf des Senders könnte man mit einem kleinen Reedrelais überbrücken, welches auch direkt an übliche µC-Ausgänge angeschlossen werden kann. Gruss Harald
Yann schrieb: > Ich hab mir die technischen Details zwar nicht genau angeschaut, aber > was man mit dem PC per Usb ansteuern kann, sollte auch mit > Mikrocontroller gehen. Das du dich da mal nicht täuscht. Der Knackpunkt ist das "USB". Was für einen PC kein Problem darstellt. Für einen kleinen µC aber schon. D.h. du kaufst dir für rund 50 Euro ein Relais in einem Gehäuse, von dem du die Elektronik wegschmeissen musst. Da kannst du dir aus dem nächsten Bauhaus auch gleich eine der billigen elektronischen Zeitschaltuhren kaufen, die es des öfteren um 5 Euro gibt und dort die Elektronik rauswerfen.
gabs mal von ELV nen Schaltinterface..aber leider suche ich schon lange nach eine Alternative :-( weil ELV das eignestellt hat
Karl Heinz Buchegger schrieb: > Da kannst du dir aus dem nächsten Bauhaus auch gleich eine der billigen > elektronischen Zeitschaltuhren kaufen, die es des öfteren um 5 Euro gibt > und dort die Elektronik rauswerfen. Alternativ könnte man die ELRO Funksteckdosen für's gleiche Geld nehmen und dem µC ein AM-Sendemodul für 5€ spendieren. Das spart etliche Strippen.
Wolfgang schrieb: > Alternativ könnte man die ELRO Funksteckdosen für's gleiche Geld nehmen > und dem µC ein AM-Sendemodul für 5€ spendieren. Das spart etliche > Strippen. Ich werde es wohl mit Funksteckdosen probieren, danke für den Tipp. Die perfekte Lösung wäre eine Steckdosenleiste, bei der man die Dosen einzeln schalten kann, ich habe allerdings nur solche gefunden, wo man nur die gesamte Leiste schalten kann. Also wenn jemand schon einmal über so ein Produkt gestolpert ist, bin ich für jede Information dankbar. Gruß Yann
Für USB gibt es z.B. die Gembird Geräte: http://www.amazon.de/Gembird-SIS-PM-GEMBIRD-SilverShield/dp/B000K695PA http://sispmctl.sourceforge.net/ Die Dosen sind einzeln an- und ausschaltbar per USB. Neuerdings gibts auch Bluetooth Modelle oder LAN Modelle.
stromstoßschalter in ein kleines gehäuse packen, netzkabel rausführen und für die mikrocontroller-leitung irgendeine steckerart verbauen wo man von außen dran kommt.
dann kann man auch nen Ralais und ne Schuku ins Gehäuse bauen...sschön währe halt ne geschlossene sichere Fertiglösung
Kim Schmidt schrieb: > dann kann man auch nen Ralais und ne Schuku ins Gehäuse bauen...sschön > währe halt ne geschlossene sichere Fertiglösung Eine technisch noch relativ einfach zu realisierende Variante wäre die Modifikation einer elektronischen Schaltuhr oder Fernbedienung in einem Stecker/Steckdosengehäuse: Alles rausbauen ausser dem Relais. Gruss Harald
Harald Wilhelms schrieb: > Ich nehm dafür immer ein Relais. Mein Kollege sagt auch immer: "Wenn ich mal nicht weiter weiß, dann nehm' ich ein Relais." Yann schrieb: > eine Steckdose per Mikrocontroller mit > einem einfachen Steuersignal ein- und auszuschalten. Du meinst einfach einen Logik-Pegel? 0V = aus, 1,2 .. 5V = an? Dann vergiss die ganzen USB-Beiträge. Ich habe schon viel Zeit mit der Suche danach verbracht. Leider erfolglos. Ich will mir bei der nächsten Reichelt-Bestellung hiervon ein paar bestellen: http://www.reichelt.de/index.html?ARTICLE=65991 Dann kommt da entweder ein Relais, ein Triac mit Sniffer und Optokoppler oder sogar noch ein µC mit 1wire rein, mal sehen. Aber das hilft Dir leider nicht kurzfristig weiter. Ob da ein Stromstoßschalter rein passt und ob's die auch für 3..5V gibt? Ich bin skeptisch. Dann vielleicht eher ein bistabiles Relais.
Hallo! So etwas? http://www.ir-elektronik.de/html/ir-schalter-set.html Die Steckerleiste am Ende der Seite wäre doch was... Gruss
Die Reichelt Dinger sind echter Schrot, von 5 sind 3 platt.. Beim einschieben in die Steckdose..wandern die Stifte in Gehäuse..und ich hatte mich gewudnert, weshalb die Mirkowelle britzelt..
60€ ist dann doch mal etwas arg böse.....14,95 wie von Elv war ok
Kim Schmidt schrieb: > 60€ ist dann doch mal etwas arg böse Stimmt, den hatte ich auch gefunden, war mir auch zu teuer. Kim Schmidt schrieb: > Die Reichelt Dinger sind echter Schrot Schade, danke für die Info. Wenn man das Gehäuse eh aufknacken muss, könnte man die Stifte ja vielleicht gleich mit Klebstoff zusätzlich fixieren. Das Gehäuse kommt mir aber auch ziemlich klein vor, wenn man darin noch einen Snubber unterbringen will. Da die Frage hier im µC.net ständig wieder hoch kommt: Wollen wir nicht mal ein geeignetes Gehäuse suchen und dazu ein Platinenlayout entwerfen?
Torsten C. schrieb: > ... > Ich habe schon viel Zeit mit der Suche danach verbracht. Leider > erfolglos. Ich will mir bei der nächsten Reichelt-Bestellung hiervon ein > paar bestellen: > > http://www.reichelt.de/index.html?ARTICLE=65991 > > Dann kommt da entweder ein Relais, ein Triac mit Sniffer und Optokoppler > oder sogar noch ein µC mit 1wire rein, mal sehen. Aber das hilft Dir > leider nicht kurzfristig weiter. > ... Ich hätte Ähnliches vor. Wir sollten zu dem Zeitpunkt, zu dem du versuchst diese Dinger aufzubekommen skypen. Dein dummes Gesicht möchte ich mir nicht entgehen lassen. Moral: Wenn du die Dinger "as is" benutzt, OK, aber zerstörungsfrei aufbekommen ist wohl ein Ding der Unmöglichkeit.
Kevinalleinzuhaus schrieb: > Wir sollten zu dem Zeitpunkt, zu dem du > versuchst diese Dinger aufzubekommen skypen. OK, das ersparen wir uns. Ich bestelle die nicht . Sowas in "preiswert" wäre'ne Grundlage: http://www.conrad.de/ce/de/product/522228 Aber ELV ist aich nicht billiger: http://www.elv.de/elv-design-stecker-steckdosen-gehaeuse-om-54-a-basisgehaeuse-ohne-taster-leuchtfelder.html http://www.elv.de/schutzkontakt-stecker-steckdosen-einsatz-mit-sicherungshalter-5-x-20.html Da muss man wohl durch ... Wenn man mehrere braucht: Ein Gehäuse, aus dem Schuko-Kupplungen an Kabelschwänzen raus kommen. So habe ich das ertsmal bei meinem Aquarium gemacht.
> Sowas in "preiswert" wäre'ne Grundlage: Pollin http://www.pollin.de/shop/dt/MzMzOTQ0OTk-/Haustechnik/Installationsmaterial/Schalter_Steckdosen/Funk_Steckdosen_Set_2605.html Kostet quasi 3.30 das Stück, und Relais und LED sind auch schon dabei. Die Schalteröffnung auf der Rückseite eignet sich für einen Stecker.
MaWin schrieb: > Kostet quasi 3.30 das Stück, und Relais und LED sind auch schon dabei. Danke für den Tipp! :-) Ich denke, billiger oder besser bekommt man das nicht hin. Hier noch ein paar alternative Gehäuse: http://www.amazon.de/dp/B009VCZVJS : Vielleicht etwas schöner? http://www.amazon.de/dp/B000NNONKM : Outdoor Hat jemand mit den Pollin-Teilen Erfahrung? Nicht dass wieder einer beim öffnen skypen will ... ;-) PS: Ach ja, sorry: ...und den µC dann über Analogschalter mit der Fernbedienung verbinden? Oder braucht noch jemand 'ne drahtgebundene Lösung? Lasst uns mal 'ne Umfrage starten, ob die Taster meistens gegen Masse oder gegen VCC gehen.
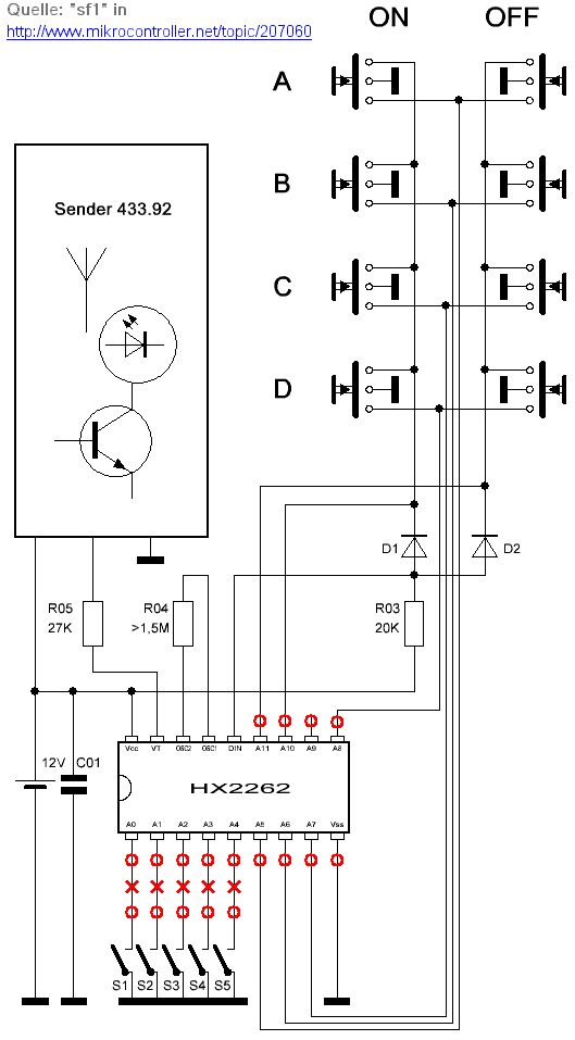
> Hat jemand mit den Pollin-Teilen Erfahrung? Sender basiert auf HX2262, Gummitasten haben 2 Pole (schalten 12V Versorgungsspannung und Code). http://www.adafruit.com/datasheets/PT2262.pdf Empfänger basiert auf HT12E, kein uC, Empfänger als Modul. Ordentliche Kreuzschlitzschrauben. Man könnte in den Empfänger eine Ersatzplatine einlegen mit dem vorhandenen Relais, oder eine Ersatzplatine die das vorhandene Relais über das vorhandene Kondensatornetzteil versorgt per vorhandenem Transistor mit Freilaufiode und LED und per dazugebautem Optokoppler mit niedriger Spannung und Strom (TTL-kompatibel) schaltet.
Kevinalleinzuhaus schrieb: > zerstörungsfrei aufbekommen ist wohl ein Ding der Unmöglichkeit. Eigentlich gar nicht. Als ich ein ähnliches "Ding" aufgeknackt hatte, wusste ich anschliessend auch, wie ich es zerstörungsfrei aufbekommen hätte. :-) Gruss Harald
Torsten C. schrieb: > PS: Ach ja, sorry: ...und den µC dann über Analogschalter mit der > Fernbedienung verbinden? Wenn man es einfach (ohne langes Messen) haben will, nimmt man ein Reed-Relais. Gruss Harald
Harald Wilhelms schrieb: > Als ich ein ähnliches "Ding" > aufgeknackt hatte, wusste ich anschliessend auch, > wie ich es zerstörungsfrei aufbekommen hätte. :-) Also immer einen mehr bestellen ... MaWin schrieb: > Ordentliche Kreuzschlitzschrauben. Wow, und das bei dem Preis. :-) Also kein Skype. ;-) Harald Wilhelms schrieb: > … nimmt man ein Reed-Relais. Das wäre noch flexibler als mit 74HC4053 o.ä. MaWin schrieb: > http://www.adafruit.com/datasheets/PT2262.pdf Cool, woher weißt Du sowas? Das sieht nach High-Side-Schaltern aus, aber Relais gehen natürlich auch. Oder könnte Prellen ein Problem sein? 12V? Sind die bekloppt, oder werden die von der Batterie-Industrie subventioniert? Bei dem Preis ... Ich denke, die Versorgung sollte über die Leitung vom µC-Board kommen. MaWin schrieb: > Man könnte in den Empfänger eine Ersatzplatine einlegen … die das > vorhandene Relais über das vorhandene Kondensatornetzteil versorgt > per vorhandenem Transistor mit Freilaufiode und LED und per > dazugebautem Optokoppler mit niedriger Spannung und > Strom (TTL-kompatibel) schaltet. Ja, so sollte man das machen. ABER: Wenn mal ein Funkbefehl bei manueller Bedienung nicht ankommt, drückt man einfach nochmal. Wie macht man das beim µC? 10 mal versuchen und dann hoffen, dass das Relais an ist?
Also das mag jetzt ungewöhnlich erscheinen, aber damit habe ich schon vor 30 Jahren 220V geschaltet: http://www.ebay.de/itm/Fischertechnik-Elektronik-Netzschaltgerat-/130961781513?pt=Baukästen_Konstruktion&hash=item1e7dee3309 (=Fischertechnik Netzschaltgerät)
Eddy Current schrieb: > Also das mag jetzt ungewöhnlich erscheinen, aber damit habe ich schon > vor 30 Jahren 220V geschaltet: Was ist daran ungewöhnlich? Die dazu nötige Technik gabs auch schon vor 100 Jahren. Gruss Harald
Torsten C. schrieb: > Ja, so sollte man das machen. ABER: > Wenn mal ein Funkbefehl bei manueller Bedienung nicht ankommt, drückt > man einfach nochmal. Wie macht man das beim µC? 10 mal versuchen und > dann hoffen, dass das Relais an ist? Ich habe geschrieben, dass man Funk ausbaut und über Kabel geht.
MaWin schrieb: > Ich habe geschrieben, dass man Funk ausbaut und über Kabel geht. Sorry, streiche "ABER:" und ersetze durch "DENN:". Eddy Current schrieb: > damit habe ich schon vor 30 Jahren 220V geschaltet Hallo Partner, ich auch. Cool. :-) Nun bastelt mein Sohn damit. Ich hatte nur keinen Link/ kein Foto gefunden, sonst hätte ich das gleiche vor Dir gepostet. Die sind aber leider selten, aktuell nur zwei Angebote bei ebay. Aber wie nun: Reed-Relais am Sender und drahtlos oder eigene Platine im Empfänger-Gehäuse? Hallo TO (Yann): Was wäre Dir lieber?
Harald Wilhelms schrieb: > Was ist daran ungewöhnlich? Die dazu nötige Technik gabs auch schon > vor 100 Jahren. Daß es dich vor 100 Jahren noch nicht gab. Oder etwa doch? mfg.
Thomas Eckmann schrieb: > Harald Wilhelms schrieb: >> Was ist daran ungewöhnlich? Die dazu nötige Technik gabs auch schon >> vor 100 Jahren. > Daß es dich vor 100 Jahren noch nicht gab. Oder etwa doch? Nein, aber es gibt Bücher, die man sogar lesen kann! Ganz ohne Computer und INet. Gruss Harald
Harald Wilhelms schrieb: > Nein, aber es gibt Bücher, die man sogar lesen kann! Stimmt. Ich hab auch eins. mfg.
Thomas Eckmann schrieb: > Harald Wilhelms schrieb: >> Nein, aber es gibt Bücher, die man sogar lesen kann! > Stimmt. Ich hab auch eins. Dann hast Du wohl den Trend zum Zweitbuch verschlafen. :-)
Harald Wilhelms schrieb: > Dann hast Du wohl den Trend zum Zweitbuch verschlafen. :-) Ich mach doch nicht jede Mode mit. Aber um Mal zum Thema des Threads zu kommen: Ich mach das mit einem Attiny, einem Opto- und einem richtigen Triac. 3 Bauteile und ein bisschen Hühnerfutter. Klappert auch weniger als ein Relais. Nur für den Fall, daß das jemand interessiert. mfg.
Thomas Eckmann schrieb: > Aber um Mal zum Thema des Threads zu kommen Gute Idee. ;-) Thomas Eckmann schrieb: > Nur für den Fall, daß das jemand interessiert. Jaaa! Mich interessiert das! Das will ich bauen, hatte nur noch keine Zeit, mal einen Test-Aufbau zu machen. Den ATTiny wollte ich in den 230V-Kreis legen und durch ein Kondensator-Netzteil o.ä. versorgen. Hier ein paar Anregungen: http://www.joretronik.de/Web_NT_Buch/Kap13/Kapitel13.html Aber in dem Pollin-Enpfänger ist ja vielleicht schon was brauchbares drin. Der ATTiny kann dann Zero-Cross-Detection, Phasenanschnittsteuerung usw. machen. Über einen Optokoppler ist der ATTiny entweder mit einem Interface-µC verbunden, der von außen mit Kleinschutzspannung versorgt wird, oder der ATTiny ist direkt über Optokoppler z.B. als SPI-Slave ansprechbar. … so mein Gedanke. Hast Du das schon fertig, oder Interesse in der Richtung was zu entwickeln?
Torsten C. schrieb: > Jaaa! Mich interessiert das! … und sonst interessiert das keinen? Die Snubberless™ ALTERNISTOR Triacs finde ich genial, braucht man da wirklich keinen Snubber mehr, auch nicht für die Aquariumpumpe? Diese "blöden" Snubber brauchen nämlich ziemlich viel Platz im Gehäuse und ermöglichen bei einigen Lasten ein periodisches Starten, wie z. B. bei Energiesparlampen die alle paar Sekunden kurz aufblitzen (aus dem o.g. Artikel). @Yann und alle anderen: Bei Triacs müssen ca. 1,3W Wärme pro Ampere abgeführt werden. Ohne Snubber wäre ja etwas Platz für 'nen Kühlkörper. Man könnte es auch mit 'ner einlagigen Alu-Platine versuchen. Reichen 4A? Das wäre dann eine Heizung mit rund 5,2W in dem kleinen Gehäuse. Wie machen wir's mit der Sicherung? @MaWin: Ist im Pollin-Gehäuse 'ne Sicherung vorgesehen?
Harald Wilhelms schrieb: > Thomas Eckmann schrieb: >> Harald Wilhelms schrieb: >>> Was ist daran ungewöhnlich? Die dazu nötige Technik gabs auch schon >>> vor 100 Jahren. >> Daß es dich vor 100 Jahren noch nicht gab. Oder etwa doch? > > Nein, aber es gibt Bücher, die man sogar lesen kann! > Ganz ohne Computer und INet. WTF? Link?
> Ist im Pollin-Gehäuse 'ne Sicherung vorgesehen?
Nein, dort ist eine bedrahtete 5x20 eingelötet.
Ich bestelle in den nächsten Tagen eh bei Mouser und ordere dabei gleich ein paar BTB08-600CW zum testen. Wenn der Test auf Lochraster erfolgreich ist, kann's ans Platinenlayout gehen. Bis dahin muss ich mir auch erst ein paar Empfänger von Pollin bestellen. MaWin schrieb: > Nein, dort ist eine bedrahtete 5x20 eingelötet. Danke für die schnelle Info. Obwohl die Entscheidung noch Zeit hat: Kann die 5x20 bei "unserer" Platine auch eingelötet werden, oder soll ein Sicherungshalter drauf? http://www.reichelt.de/index.html?ARTICLE=14679
Yann schrieb: > Die perfekte Lösung wäre eine Steckdosenleiste, bei der man die Dosen > einzeln schalten kann. Nochmal zur Sicherheit: Was wird gebraucht: Eher die einzelnen Zwischensteker (wie bei den Funk-Empfängern) oder eher sowas? http://www-user.tu-chemnitz.de/~heha/Mikrocontroller/Triac8/index.htm.en BTW: Braucht das Ding keine Sicherungen? Statt DMX würde ich zum dimmen PWM nehmen: Ab 100ms oder länger high oder low wird geschaltet und zwischen 25..100 Hz kann man per PWM dimmen. Ab 100 Hz versucht der µC DMX-Bytes zu erkennen. Falls gültige DMX-Bytes kommen, könnte der µC auch automatisch in den DMX-Mode wechseln. ... nur so als Idee.
MaWin schrieb: >> Hat jemand mit den Pollin-Teilen Erfahrung? > > Sender basiert auf HX2262, Gummitasten haben 2 Pole (schalten 12V > Versorgungsspannung und Code). Gab es vielleicht früher bei Pollin mal andere? Ich hatte mir für knapp 20€ letztens ein Set bei Aldi mitgenommen. Der Chip hatte keine Beschriftung, aber das kann nur 4 Kanäle, hat also keine DIP-Schalter für unterschiedliche "Systemcodes". Vielleicht sind die das. Das Preis-Leistungsverhältnis bei den Aldi-Steckdosen ist jedenfalls mieserabel: Nur 4 Kanäle und fast der doppelte Preis wie bei Pollin. Bei den Sets von Pollin kann man für etwas mehr als den halben Preis bis zu 128 verschiedene Funkschaltsteckdosen schalten. Da sieht das so aus, wie im Beitrag "Re: Pollin Fernbedienung oder HX2262" Zur Ansteuerung per µC benötigt man nur 6 + 5 = 11 Open-Collector-Ausgänge, also noch nichtmals Anlalogschalter. Da man immer nur eine Taste gleichzeitig drücken muss, kann man die Anzahl der am µC benötigten Port-Pins über decoder/demultiplexer noch von 11 auf 9 reduzieren. Und wenn man auf 64 Kanäle (16 Systemcodes) verzichtet und ein Bit über den DIP-Schalter einstellet statt über den µC, kommt man mit 8 Bits aus und kann die Tasten per SPI und ein 8-Bit Schieberegister einfach über 3..6 Drähte vom µC drücken. Ich denke, ich werde dafür mal "Adapter-Platinchen" layouten.
Ich würde es so machen --> bei Pollin gibt es einen Temperaturschalter Bausatzt für 3,95€. Die Schaltleistung ist natürlich nicht so hoch, man steuere deshalb ein größeres Relais an um die Steckdose zu Schalten. Die Temperaturschalter gibt es natürlich auch fertig im Gehäuse, auch mit passender Schaltleistung für eine Steckdose, kostet aber etwas mehr.
Torsten C. schrieb: > Gab es vielleicht früher bei Pollin mal andere? Ich hatte mir für knapp > 20€ letztens ein Set bei Aldi mitgenommen. Der Chip hatte keine > Beschriftung, aber das kann nur 4 Kanäle, hat also keine DIP-Schalter > für unterschiedliche "Systemcodes". Vielleicht sind die das. Die von MaWin gepostete Funksteuerung ist in der Tat per DIP Schalter auf verschiedene Adressen zu schalten, jeder Empfänger kann den Kanal auch noch auswählen. Die Funkstrecke erscheint mir recht sicher, solange man die Empfänger nicht völlig von der HF abschattet oder direkt daneben eine China Wandwarze laufen lässt. Bei Pollin gabs auch mal das 'Homelight' System mit HS1527 OTP Codechip, 4 Kanälen und 'All Off' Knackfrosch auf dem Sender. Dafür hab ich mal Modifikationen für mehrere Sender gleichzeitig programmiert: http://www.schoeldgen.de/avr/ Ersatzsender gibts dafür noch bei Pollin, das System ist aber aus dem Programm.
Torsten C. schrieb: > Bei den Sets von Pollin kann man für etwas mehr als den halben Preis bis > zu 128 verschiedene Funkschaltsteckdosen schalten. 128 = 32 x 4 (32 Systemcodes, 4 Tasterpaare: A, B, D und D) Wenn man "A9" benutzt, sogar 5 x 32 = 160, in den Original- Fernbedienungen ist "A9" mit keinem Tasterpaar verbunden, aber die Empfänger haben dafür einen DIP-Schalter "E". Mit einem µC gehen sogar noch mehr Steckdosen, da man nicht nur die Kanäle A, B, C, D und E verwenden kann, sondern nach dem Binärsystem auch Kombinationen. Es gehen dann nicht etwa mehrere Steckdosen an, sondern nur die eine, die z.B. auf "AB" oder "BC" geschaltet ist. Also mit "A9" und dem Binärsystem gehen 1024 Steckdosen an und aus!!! Ich habe die Leiterbahnen an den roten Kreuzen durchtrennt und an den roten Kringeln Drähte angelötet.
Ich habe mir mal eine Schaltbox für meinen Schaltschrank gebaut. Wird von einem PIC18F67J60 über TCP/IP gesteuert und kann 12 Geräte schalten und zusätzlich 4 Rechner resetten und per Power-Taster an- und ausschalten. Läuft hier seit einigen Jahren 24*7. fchk
Frank K. schrieb: > Schaltbox für meinen Schaltschrank Sieht gut und teuer aus. :-) Das käme ohne Papierkörbe im Bild sicher noch besser rüber. ;-) Die Pollin-Schalter haben auch ihren Nachteil: Standby-Strom, genau wie diese dämlichen Glimmlampen in schaltbaren Steckdosenleisten. Die Pollin-Schalter belegen auch zwei Steckplätze in "normalen" Steckdosenleisten. Außerdem hat man keine Rückmeldung, ob der Funkschalter auch wirklich eingeschaltet wurde. Bei Funklosen Systemen kann man auf die Rückmeldung wahrscheinlich verzichten. Aber dafür sind beim Pollin-Funkschalter die Investitionskosten klein und das System ist bis 992 Steckdosen ausbaubar. Es gehen übrigens nur 32 x 31, da immer eines der Bits A bis E gesetzt sein muss, das hatte ich eben missachtet.
Torsten schrieb: >Standby-Strom, genau wie >diese dämlichen Glimmlampen in schaltbaren Steckdosenleisten. Ja, diese Glimmlampen stellen die Hauptlast im deutschen Stromnetz dar. Respekt, mei Lieber! gez. Buna-Pelzer
Buna-Pelzer schrieb: > Respekt, mein Lieber! Danke, wofür genau? Oder so allgemein? Torsten C. schrieb: > Die Pollin-Schalter belegen auch zwei Steckplätze in "normalen" > Steckdosenleisten. Wen die Glimmlampe nicht stört: Die "Brennenstuhl Comfort-Line Steckdosenleiste" Nr. 1153300 oder 1153320 für ca. 9,50€ hat ein 52mm-Raster. Da passen die 52,9mm breiten Pollin-Funkschalter ziemlich gequetscht rein. Wenn man vom Gehäuse Links und rechts 0,5mm "Stoßkanten" abschleift, passen sie locker. Ansonsten kann man auch 30€ bis 40€ für eine Ehmann 0200 ausgeben. Die hat keine Glimmlampe und - wenn mein Augenmaß nicht täuscht - ist der Abstand auch über 52,9mm.
Torsten schrieb: >> Respekt, mein Lieber! >Danke, wofür genau? Oder so allgemein? Für die Erkenntnis, daß Glimmlampen den Standby-Stromverbrauch im Haushalt maßgeblich erhöhen. gez. Buna-Pelzer
Torsten C. schrieb: > Ich habe die Leiterbahnen an den roten Kreuzen durchtrennt und an den > roten Kringeln Drähte angelötet. Viel zu kompliziert, sorry. Einfacher: Den µC direkt an das HF-Teil anschließen und das Protokoll seriell übertragen: http://forum.arduino.cc//index.php?&topic=38075.msg282113
Torsten C. schrieb: > Ich habe die Leiterbahnen an den roten Kreuzen durchtrennt und an den > roten Kringeln Drähte angelötet. Da ist es doch einfacher, nur den Sender zu verwenden und die Erzeugung der Steuertelegramme direkt dem µC zu überlassen.
Wolfgang schrieb: > Da ist es doch einfacher, nur den Sender zu verwenden und die Erzeugung > der Steuertelegramme direkt dem µC zu überlassen. Bingo! Warum hast Du mir das nicht letzte Woche schon gesagt? ;-) Torsten C. schrieb im Beitrag "Re: ISM Empfänger mit kleinstem Standby" > Für das "Teilproblem Pollin-Funkschalter" habe ich die nun bestellt. Dann haben wir dafür nur 'ne kleine Platine und müssen die Fernbedienungen nicht kaputt machen.
Torsten C. schrieb: > Aber dafür sind beim Pollin-Funkschalter die Investitionskosten klein > und das System ist bis 992 Steckdosen ausbaubar. Eigentlich kann man mit dem System wie Pollin mehr als 59000 Steckdosen schalten, da jeder Eingang drei Zustände haben kann, die auch übertragen werden. Es kommt aber darauf an welchen Empfängerchip man einsetzt,, es gibt sie mit bis zu 6 Bit. Statt Funk kann man auch IR übertragung anschliessen, dann muß man aber evt die Frequenz anpassen.
Mik schrieb: > mehr als 59000 Steckdosen schalten Nach dreimaligem Lesen des Datenblatts habe ich's nun auch verstanden: "One bit waveform consists of 2 pulse cycles." Cool. :-) Danke für den Hinweis. Die Pollin-Steckdosen können mit ihrem Empfängerchip m.E. leider nur "low" und "f". Also doch nur 992 Steckdosen. :-(
Ich habe leider keine von den Pollin. Bin aber schwer am überlegen mir welche zu kaufen, habe ich nur noch nicht entschlossen wieviele. Da ich nicht weis wie brauchbar sie sind. Wenn du die hast, könntest du mal aussagekräftige Fotos vom Innenleben machen? Was mich interessiert, ist z.B. kann man die Steckdosen einfach auseinandernehmen, kann man das Innenleben, dann direkt in eine Lampe bauen, die Steckdosegehäuse weiterverwenden um z.B. ein anderes Innenleben reinzupacken. Torsten C. schrieb: > Die Pollin-Steckdosen können mit ihrem Empfängerchip m.E. leider nur > "low" und "f". Also doch nur 992 Steckdosen. :-( an einem f + anzubringen sollte doch kein Problem sein, oder sind sie vergossen? Die Chips gibt es auch zu einzeln kaufen liegen um 50-75 Cent pro Stück. Bin auch gerade am überlegen mir welche zu ordern. Bin aber noch am überlegen welche da sinnvoll sind. Pollin verwendet wohl -x2. Mit dem -M6 könnte man z.B. Feueralarm verteilen, mit 6 info Bits, z.B. 4 fuer Ort, macht 16 Orte, 1 für test, 1 Bit zum aktivieren oder deaktivieren. Mit dem -x4 könnte man z.B. Dimmstufen übertragen. Bin aber auch am überlegen fertige Module zu nehmen, da man da dann gleich den 433 RX bzw TX mitbekommt, das selbe zu konfektionieren kommt vermutlich teurer. ich überlage auch teilweise IR einzusetzten, da das nicht so leicht von aussen angreifbar ist.
Mik schrieb: > an einem f + anzubringen sollte doch kein Problem sein, oder sind sie > vergossen? Pollin hat im Empfänger keinen HX2272, sondern einen µC, der nur 1 oder 0 versteht. Mik schrieb: > Die Chips gibt es auch zu einzeln kaufen liegen um 50-75 Cent pro > Stück. Oder als Modul, siehe "Für das "Teilproblem Pollin-Funkschalter" habe ich die nun bestellt." ^^
Torsten C. schrieb: > Oder als Modul, siehe "Für das "Teilproblem Pollin-Funkschalter" habe > ich die nun bestellt." ^^ Hab mir jetzt ein paar Chips bestellt. 2272-M4 und L4, dazu noch 433 Funkmodule, die man auch am uC betreiben kann. Eigentlich hatte ich fertige Handsender und passende Empfangsmodele bestellt, hatte dann aber gesehen das sie auf 314 MHz liefen. Schade waren schöne kleine Handsender. Welche Modul hast du genommen?
Meine Pollinlieferung ist gestern angekommen. Torsten C. schrieb: > Pollin hat im Empfänger keinen HX2272, das stimmt, er hat eine andere Bezeichung. > sondern einen µC, der nur 1 oder 0 versteht. kann ich nicht nachvollziehen. für mich sieht es wie ein kompatibler 2272 aus. mit dem man Theoretisch 59049 Steckdosen schalten könnte. In der Fernbedienung ist ein 2262 Ein richtig schönes Bastelbobjekt wie ich es mir gewünscht habe, das sehr gut zu meinen Plänen passt, genauso wie ich es brauche. Alle mein Wünsche/Modifikationen lassen sich damit realisieren.
Mik schrieb: > … mit dem man Theoretisch 59049 Steckdosen schalten könnte … wenn man denn die DIP-Schalter in der Steckdose gegen "Plus" schalten könnte. Mik schrieb: > Ein richtig schönes Bastelbobjekt … Geht mir genauso. Hast Du denn ernsthaft vor, die Steckdosen so umzubauen, dass man auch Codierschalter auf "H" schalten kann? Ist das hier eigentlich der "Nachfolger" oder gibt's die schon länger? http://www.pollin.de/shop/dt/ODIwOTQ0OTk- Ich habe mir eben ein 3er-Set bestellt.
Torsten C. schrieb: > Mik schrieb: >> … mit dem man Theoretisch 59049 Steckdosen schalten könnte > > … wenn man denn die DIP-Schalter in der Steckdose gegen "Plus" schalten > könnte. > > Mik schrieb: >> Ein richtig schönes Bastelbobjekt … > > Geht mir genauso. Hast Du denn ernsthaft vor, die Steckdosen so > umzubauen, dass man auch Codierschalter auf "H" schalten kann? Ich habe sogar noch viel mehr damit vor. Die Dose/Fernbedienung aufmachen und die auf H legen ist ja wohl kein Problem. Kleine Brücke rein und Schalter inaktiv machen (wegen Kurzschlußgefahr). Vermutlich werde ich das ganze klavier rausnehmen und durch Brücken ersetzen. Ich werde auch einge Dosen auseinandernehmen und die Module in z.B die Deckenlampe einsetzten. Die Dosen kann man auch gut noch für andere Sachen einsetzten. Ich werde auch IR testen, und einige Module entsprechen umbauen, ich denke ist es einfach weniger störanfällig. Die Funkmodule werden dann an anderer Stelle eingesetzt. Das schöne man kann alles gut trennen. man kan auch den 2262 runternehmen und ein anderen Chip drauf machen, wenn man mag, das wird dann allerdings etwas fikeliger. Aber ich kann schnell viel Beleuchtung im Haus umbauen, und nach und nach hochrüsten, zu komplizierteren Sachen. Wenn ich den Code mit einem oder 2 H ändere, hoffe ich das ich von anderen weniger gestört werde. z.B. jemand der mich ärgern will und mal vorm Haus alle Codes versucht auszuprobieren. > Ist das hier eigentlich der "Nachfolger" oder gibt's die schon länger? > http://www.pollin.de/shop/dt/ODIwOTQ0OTk- Das Set kenne ich nicht, ich habe mich für das andere entschieden gehabt. Würde mich aber freuen von Die zu hören was du dazu zu sagen hast.
Mik schrieb: > und die Module in z.B die Deckenlampe einsetzten. Hatte ich auch erst vor, aber eigentlich habe ich fast überall Dimmer und nur selten Schalter.
Ich habe hier auch Funksteckdosen mit eingebauten Dimmmer. Ich habe aber nach längerem überlegen festgestellt das ich nicht wirklich dafür Verwendung habe, denn die funktonieren ja nur mit normalen Lampen, und die setzte ich kaum noch ein, oder besser gesagt gar nicht. Deshalb konnte ich sie noch nichtmal testen.
Mik schrieb: > Ich habe hier auch Funksteckdosen mit eingebauten Dimmmer. Und die gehen mit dem HX2262-Protokoll? Cool. Ein Link wäre nett, Du kannst sie mir auch verkaufen: http://www.mikrocontroller.net/user/show/torsten_c
Ich weis noch nicht mit welchem Protokoll die laufen, hatte sie noch nicht auf. Das sind lernbare. Man kann jeder Dose bis zu 6 Fernbedienungen zuordnen, von daher vermute ich erst mal das sich das Protokoll unterscheidet. die Fernbedienung hat auch all_on, all_off Tasten. Die gab es vor einem Monat im Set mit 2 Schalter und 2 Dimmerdosen.
Mik schrieb: > … daher vermute ich erst mal das sich das Protokoll unterscheidet … OK, der Thread-Titel lautet zwar nicht "Steckdose per Mikrocontroller dimmen", aber trotzdem der Hinweis, ich habe passende Dimmer gefunden: http://www.elro.eu/de/produkte/cat/home-automation/heimautomation/empfaenger-dimmen1 Die gibt's z.B. bei Amazon. Die Geräte habe ich über diese Liste gefunden: http://www.sweetpi.de/blog/329/ein-ueberblick-ueber-433mhz-funksteckdosen-und-deren-protokolle
Yann schrieb: > eine Möglichkeit eine Steckdose per Mikrocontroller mit > einem einfachen Steuersignal ein- und auszuschalten. Es ist immer wieder lustig, wie auf eine einfache Frage mit Elefantenlösungen geantwortet wird. MC->Optokoppler->Triac fertig! Mit ein bissel Enstörung aussen herum. Macht es doch nicht immer so kompliziert und vor allem teuer!
Rush schrieb: > MC->Optokoppler->Triac fertig! Lies mal den Thread! In welches Gehäuse willst Du das einbauen? Schuko-Stecker und Buchsen brauchst Du auch noch. Das billigste Gehäuse gibt's mit eingebauten Empfängern. Kannste ja ausbauen und Deinen Optokoppler einsetzen. An einer modifizierten Steckdosenleiste mit "Optokoppler->MC->Triac" zum Dimmen arbeite ich noch. Mik schrieb: > das ganze klavier rausnehmen und durch Brücken ersetzen Oder APEM SMD-Schalter im 1,27 mm Raster auf 'ner Adapterplatine auflöten. Widerstände gegen Kurzschlüsse sollten reichen, sonst wird's kompliziert.
Habe eben mal die Fernbedienung vom Dimmer aufgemacht. Leider nicht so
einfach, Der Chip ist 16polig und die Beschriftung entfernt. Ausserdem
ist noch ein 7133 im TO-92.
> Macht es doch nicht immer so kompliziert und vor allem teuer!
Teuer? eine komplett fertige Lösung für 3 Euro, ohne das man sich um den
Umgang mit 230V Gedanken machen muß, sogar fernbedienbar? in weniger als
einer Minute anschliesbar.
Mik schrieb: > Kleine Brücken rein und Schalter inaktiv machen Oder ein 5M40ZE64C5N, der kostet nur 86ct. ;-) Die Schalterstellungen muss man mit einem Programmer ändern. Aber Brücken löten ist ja auch nicht viel besser.
Torsten C. schrieb: > Oder ein 5M40ZE64C5N, der kostet nur 86ct. ;-) Die Schalterstellungen > muss man mit einem Programmer ändern. Clown gefrühstückt?
Für solch eine Anwendung benutze ich immer das hier: http://www.eldat.de/produkte/easywave/module/rtrm08e_de.html und das hier: http://www.eldat.de/produkte/easywave/empfaenger/rcp05e_de.html funktioniert wirklich super und sieht obendrein noch gut aus! Der Preis von ca 100€ stört aber ein wenig..... LG Ingo
Gestern sind meine Dimmer ^^ angekommen. Die haben nur 12345ABC, also 8 DIP-Schalter. MaWin schrieb: > Noch einen http://www.antrax.de/site/Onlineshop/Home/Schaltsteckdosen/SwitchBox-Relais::5.html Die 60€ waren den meisten schon zu Teuer und nun kommst Du: Ingo schrieb: > Der Preis von ca 100€ stört aber ein wenig..... Wobei 868,3MHz deutlich weniger störanfällig sind. Schade sind die +9dBm Sendeleistung, da wäre deutlich mehr erlaubt. Mik schrieb: > Clown gefrühstückt? Das war natürlich kein Ernst, aber Lötbrücken sind doch auch keine Alternative. Eine dreireihige Pfostenleiste und 10 Jumper wären 'ne Alternative: * Platine ca. 75ct (oder Lochraster) * Pfostenleiste (30 Pins) ca. 55ct * 10 Jumper mit Grifflasche ca. 40ct Zusammen unter 1,70 Euro für einen größeren Adressraum und billiger als mit APEM SMD-Schaltern. Rush schrieb: > Macht es doch nicht immer so kompliziert und vor allem teuer! Du hast Dich gar nicht mehr gemeldet. Entweder Du hast auch einen Clown gefrühstückt und nur das Zwinker-Smiley vergessen oder Du bist ein Troll. Jedenfalls sind wir (incl. mir) drauf reingefallen. Glückwunsch!
Naja, 100€ sinds dann doch nicht aber immerhin 84,37€. Ich hab ne Preisliste... Dafür ist es auch zuverlässing. Ich mag das Zeug, es funktioniert einfach toll! Auch deren Sortiment lässt viele Spielereien zu... LG
Ingo schrieb: > Dafür ist es auch zuverlässing. Zuverlässing ist Funk nie. Eventuell ist es etwas weniger störanfällig. Erst wenn man sich gar_keine Gedanken mehr über Störungen machen muss, hat man was gewonnen, ansonsten muss man sich immer Gedanken über ein "Fallback" machen. Das ist vielleicht etwas überzogen, aber ein bidirektionaler Funk mit Acknowledge ist m.E. z.B. wichtiger als ein störungsärmeres Frequenzband. Dann wird halt so lange auf unterschiedlichen Kanälen gesendet, bis ein Acknowledge kommt. Beim NRF24L01+ geht das so. Die 3€-Funkschaltsteckdosen nehme ich nur für "Kurzstrecken". Es geht ja hier um "Steckdose per Mikrocontroller ein- und ausschalten". Und in der Regel sind die zu schaltenden Steckdosen in der Nähe des Mikrocontrollers.
Heute sind auch die elro.eu Steckdosen-Dimmer angekommen. Die haben DIP-Schalter 1..5 und A..E und sind auch zu Pollin 550666 kompatibel. Die Steuerung ist aber suboptimal. Wenn man das Licht zuletzt z.B. auf 20% gedimmt hatte und einschaltet, dann geht das Licht auf 100%, verweilt da ca. 1s und geht dann langsam auf 20% runter. In dieser Zeit wird kein Fernbedien-Code ausgewertet. Zum dimmen startet man den Vorgang mit einem Tastendruck auf "ON", dann muss man mindestens ca. 500ms loslassen und stoppt die "Dreieck-Kurve" mit dem nächsten Druck auf "ON". OFF hat immer nur eine Funktion: Aus, wenn man nicht gerade im Zustand ist, in dem keine Fernbedien-Codes ausgewertet werden. Vom FS-20-System bin ich besseres gewohnt. Mik schrieb: >> http://www.pollin.de/shop/dt/ODIwOTQ0OTk- > Das Set kenne ich nicht, ... > Würde mich aber freuen von Die zu hören was du dazu zu sagen hast. Die Pollin 550971 haben keine Dip-Schalter, sondern man bekommt ein 3er-Set mit einem festen von Fabrik aus voreingestellten Code. Der steht auf allen vier Geräten auf einem Aufkleber. Bei mir ist das "0576". Die Anleitung sagt: "Wenn mehrere oder andere Fernbedienungen am gleichen Ort (auch Nachbarwohnung) benutzt werden, muss darauf geachtet werden, dass die Funkfernbedienungen unterschiedliche Nummer am Gerät angebracht haben um gegenseitige Fehlschaltungen zu vermeiden." Und auch nett: "Ungewolltes Ein-/Ausschalten des Verbrauchers: Ist ein anderer Sender - wie ein drahtloser Kopfhörer, drahtloser Gong in der Nähe? Kanaleinstellung des_anderen Senders ändern." Die Grammatik-Fehler stehen auch so in der Anleitung.
Torsten C. schrieb: > … muss darauf geachtet werden, dass die Funkfernbedienungen > unterschiedliche Nummer am Gerät angebracht haben … Welcher Einkäufer bei Pollin das wohl verbrochen hat? Ich stelle mir gerade vor, wie ich bei allen meinen 8 Nachbarn an der Tür klingel und frage, ob die so eine "Pollin 550971" haben. Und dann muss ich bei der Bestellung angeben: "Bitte nicht den Code 0576". Und dann muss der Lagerist die Nummern vergleichen, die steht zum Glück draußen auf der Verpackung. Das weiss man aber auch erst, wenn man die schon mal bestellt hat und die Anleitung gelesen hat. Naja, Pollin halt: Die DCF-77-Module funktionieren ja auch nicht.
Torsten C. schrieb: > Das war natürlich kein Ernst, aber Lötbrücken sind doch auch keine > Alternative. Die sind incl auslöten des Klaviers in 1-2 Min erledigt. Ist eine stabile Lösung, die einzige vernünftige Lösung. > Eine dreireihige Pfostenleiste und 10 Jumper wären 'ne Alternative: > * Platine ca. 75ct (oder Lochraster) > * Pfostenleiste (30 Pins) ca. 55ct > * 10 Jumper mit Grifflasche ca. 40ct > > Zusammen unter 1,70 Euro für einen größeren Adressraum und billiger als > mit APEM SMD-Schaltern. Ich wüßte beim besten Willen nicht warum ich so einen riesen Aufwand treiben sollte nur um eine feste Adresse zu haben. Ich sollte da doch lieber ne Kanone kaufen, hab nen Spatz gesehen.
Mik schrieb: > Torsten C. schrieb: >> … aber Lötbrücken sind doch auch keine Alternative. > Die sind … die einzige vernünftige Lösung. Zum Glück sind wir ja nicht gezwungen, uns auf eine gemeinsame Meinung zu einigen. Aber wenn mal was nicht funktioniert wie ursprünglich gedacht und man hat keine Möglichkeit, mal einen anderen Code auszuprobieren, würde mich das stören. Aber es wird mir wahrscheinlich nie passieren, dass die 992 Kombinationen der DIPs nicht mehr reichen. 832 davon werden von den normalen Fernbedienungen nicht unterstützt, das sollte reichen, um sich vor dem "Nachbarn" zu schützen. Ich werde also nie in die Verlegenheit kommen, die Platinen mit Jumpern zu basteln.
Sorry fürs aus-der-Versenkung holen nach fast 2 Monaten, aber ich hab den ganzen Thread jetzt durchgelesen und frage mich gespannt: Gibt's was Neues, hat jemand das praktisch umgesetzt? Ich möchte nämlich auch um die 40 Verbraucher in 3 Räumen schalten können :) Zum Steckergehäuse: Könnte das evtl. mit diesen neuerdings recht erschwinglichen 3D-Printern gemacht werden, gleich in der dann optimalen Form? Wenn ja, könnte man sich das ja rechteckig/quadratisch vorstellen, an zwei Enden dann mit Nut und die anderen mit Kamm, so dass man beliebig viele davon zur Wunsch-Steckerleiste/-fläche zusammenstellen könnte... Habe aber leider keinen solchen Printer, hat jemand Erfahrungen damit?
Ich habe das letzes Wochenende auf einem AVR ausprobiert, mit einem MX-FS-03V, ich meine den Sender hier: http://forum.hobbycomponents.com/viewtopic.php?f=25&t=1324 Ein Sender kostet im 10er-Pack ca. 70 Cent. Das Protokoll ist gut beschrieben unter: http://avr.börke.de/Funksteckdosen.htm Ich mache das mit dem 16Bit-Timer vom AVR: 16MHz und alle 6400 Takte ein Timer-Interrupt. Gestern hab' ich 'ne Antenne dran gelötet, mal schauen wie weit der nun funkt. Ohne Antenne ging es etwa 10m Luftlinie. Der Sender kommt übrigens am Dateneingang mit etwa 2V für "HIGH" aus und kann auch 5V und mehr ab, also ganz unproblematisch. Die Betriebsspannung sollte 12V sein, wegen der Reichweite. > Zum Steckergehäuse Willst Du ein Kunstwerk? Und was soll das kosten? Was hast Du gegen die fertigen Schalter für 3€ incl. Gehäuse von Pollin?
Herb G. schrieb: > hat jemand Erfahrungen damit Die üblichen 3-d-Drucker Materialen sind nicht UL94 listed, also nicht als Elektronikgehäuse für 230V zugelassen. Ausserdem sind die üblichen damit zusammengebratzten nicht so stabil, daß ich ihn ihnen eine Schraube einer Wago-Klemme einer eingelegten Platine ausreichend fest anziehen würde. Immerhin stört die Oberflächenbeschaffenheit und schlechte Masshaltigkeit nicht.
>Zum Steckergehäuse: >Könnte das evtl. mit diesen neuerdings recht >erschwinglichen 3D-Printern gemacht werden, >gleich in der dann optimalen Form? Ja, tolle Sache die 3D Drucker ! Oder doch nicht ? Mich irritierte jetzt folgende Info über ein Brillengestell aus dem 3D Drcuker (Seite 3/6 auf unstehendem Link), Titel "Die Brille aus dem 3D-Drucker". Sage hier nur mal soviel: Das preiswerteste isses nicht gerade... auch nicht unter den 6 Bildern (alles Optikerbrillen). Schon garnicht wenn man Text mit Brillen von Kettenläden vergleicht ("ab 19.-"). http://www.faz.net/aktuell/finanzen/meine-finanzen/geld-ausgeben/nachrichten/brillenkauf-fuer-jedermann-welche-brille-darf-s-denn-sein-12737831-b1.html Gruss
Interessant, danke Torsten. Mit wieviel Spannung läuft denn der Sender? Es sollen anscheinend bis 12 V gehen, müsste die Sendeleistung ja erhöhen. Zu den Pollin-Schaltern: Ich weiss noch nicht, wie ich 20 solcher Schalter auf vernünftigem Raum unterbringen soll, die Gehäuse sind so gross. Das mit dem 3D-Drucker ist aber schon wegen MaWin's Einwand obsolet, danke für den Hinweis. Und Erich, auch Spaghetti kommen jetzt aus dem Drucker :) http://www.focus.de/finanzen/news/revolution-in-der-kueche-barillas-irrer-plan-spaghetti-kommen-bald-aus-dem-drucker_id_3523947.html
Zu den beiden Fragen von Herb: Torsten C. schrieb: > Die "Brennenstuhl Comfort-Line > Steckdosenleiste" Nr. 1153300 oder 1153320 für ca. 9,50€ hat ein > 52mm-Raster. Da passen die 52,9mm breiten Pollin-Funkschalter ziemlich > gequetscht rein. Wenn man vom Gehäuse Links und rechts 0,5mm > "Stoßkanten" abschleift, passen sie locker. Torsten C. schrieb: > Die Betriebsspannung sollte 12V sein, wegen der Reichweite. Torsten C. schrieb: > Ansonsten kann man auch 30€ bis 40€ für eine Ehmann 0200 ausgeben. Wenn > mein Augenmaß nicht täuscht ist der Abstand über 52,9mm. Aber zugegeben: Ich arbeite an einer anderen Lösung mit einzeln dimmbaren Steckdosen: Torsten C. schrieb im Beitrag "Re: NRF24L01+ als Hausbus": > Der erste > sinnvolle Schritt ist m.E. eine Steckdosenleiste, ähnlich dieser hier: > > http://www.pollin.de/shop/dt/NTAxOTQ0OTk-/ > > … aber mit Snubberless Triacs zum dimmen. Dazu nehme ich auch die Brennenstuhl Comfort-Line. ;)
Torsten C. schrieb: >> Der erste >> sinnvolle Schritt ist m.E. eine Steckdosenleiste, ähnlich dieser hier: >> >> http://www.pollin.de/shop/dt/NTAxOTQ0OTk-/ >> >> … aber mit Snubberless Triacs zum dimmen. > > Dazu nehme ich auch die Brennenstuhl Comfort-Line. ;) Bei meinen 20+ Geräten (und absehbaren Erweiterungen) wird's wohl eher auf ein Steckdosen-Array rauslaufen... Ganz sooo schlimm wie hier wird's aber wohl nicht werden: http://de.fotolia.com/id/57433954?by=serie
Herb G. schrieb: > Bei meinen 20+ Geräten (und absehbaren Erweiterungen) wird's wohl eher > auf ein Steckdosen-Array rauslaufen... Da lohnt es sich, nach Alternativen zu suchen. Schuko oder Euro? Wie wär's mit einem Stück Kabelkanal und China-Buchsen? http://www.aliexpress.com/item//1205916186.html Aber das sieht ziemlich unsicher aus. Bei 230V sollte man wohl eher nicht ander falschen Stelle sparen.
Torsten C. schrieb: > Schuko oder Euro? Müsste schon Schuko sein. (Oder die kleineren Schweizer Stecker, brauchen weniger Platz und so ein Kabel ist ja schnell umgerüstet.) > Wie wär's mit einem Stück Kabelkanal und China-Buchsen? > Aber das sieht ziemlich unsicher aus. Bei 230V sollte man wohl eher > nicht ander falschen Stelle sparen. Wir hängen doch alle am Leben :) Wie sieht's mit der Antenne aus? Irgendwo in der Nähe der beworbenen 20-200 Meter? Kommt das Signal durch Mauern hindurch? 10 Meter wären doch arg wenig. Hat jemand Erfahrungen gemacht mit diesem Set hier? http://www.princeton.com.tw/Portals/0/Product/PT2272.pdf http://www.princeton.com.tw/Portals/0/Product/PT2262_5.pdf
Herb G. schrieb: > Wie sieht's mit der Antenne aus? 433 MHz Funkübertragung - Antenne aus Koaxkabel Ich habe 170mm RG174 und 173mm Draht angelötet, 12m schräg durchs Haus durch eine Stahlbetondecke ging zuverlässig. Mehr habe ich noch nicht probiert. Herb G. schrieb: > Hat jemand Erfahrungen gemacht mit diesem Set hier? Genau um die geht's ja bei den Pollin-Funksets. Allerdings braucht man beim Sender am µC keinen 2262 Encoder, weil's einfacher ist, das Protokoll direkt im µC zu erzeugen statt die vielen Pins vom 2262 durch einen µC zu bedienen.
Torsten C. schrieb: > Genau um die geht's ja bei den Pollin-Funksets. Allerdings braucht man > beim Sender am µC keinen 2262 Encoder, weil's einfacher ist, das > Protokoll direkt im µC zu erzeugen statt die vielen Pins vom 2262 durch > einen µC zu bedienen Wie jetzt, was ist denn nun da eingebaut? Ich dachte die hätten die MX-FS-03V und MX-05V, wie von dir gepostet. Die PT2262/PT2272 sind doch nicht das gleiche? Hab mir aber auch mal 2 Pollin Sets bestellt um damit zu spielen; verwenden kann ich die Riesenmöbel aber an meinem geplanten Steckdosen-Array nicht direkt. Bezüglich des Arrays: Um es kompakt zu halten, wird's wohl so werden wir auf den Fotos. 4 x 8 CH Steckdosen 250V/16A mit netto gerade einmal 200x200 mm Flächenbedarf. Noch ein bisschen was fürs Gehäuse, eine Hauptsicherung muss auch rein, und ein Hauptschalter für alles aus. Schön wär natürlich eine kW-Anzeige. Werd ich dann aber wahrscheinlich machen lassen, damit's kein Grillfest wird.
Wir das nicht zu warm, wegen mangelnder Kühlung?
Interessant, wo gib's denn die Stecker-Typ-J-Steckdosen günstig? Sind das Steckdosen Typ 13 mit einem vertieften Buchsenloch? Und wären die denn in Deutschland zulässig? Nicht, dass während des Einsteckens und Herausnehmens die spannungsführenden Kontaktstifte frei zugänglich sind. Die 708555 von Conrad ist ja auch nur ca. 28x36mm klein und kostet 89ct bei 100 Stück. Welchen Vorteil hat dagegen eine Typ-13-Steckdose aus der Schweiz? Ich meine: Ich brauche ja auch sowas, weiss aber noch nicht, welche Steckdosen ich mir kaufen soll. Herb G. schrieb: > Wie jetzt, was ist denn nun da eingebaut? Ich dachte die hätten die > MX-FS-03V und MX-05V, wie von dir gepostet. Die PT2262/PT2272 sind doch > nicht das gleiche? MX-FS-03V ist der 433MHz Funk-Sender und PT2262 der Encoder für die manuelle Fernbedienung. Der PT2262 ist universell, den kann man z.B. statt an einen Funk-Sender auch an eine Infrarot-LED anschließen. Beim µC lässt man den Encoder weg und steuert den Sender direkt an. In den Pollin-Sendern und Empfängern ist jeweils beides drin: - Encoder und Sender in der Fernbedienung - Decoder und Empfänger in der Funkschaltsteckdose. Ist nun alles klar?
Torsten C. schrieb: > Interessant, wo gib's denn die Stecker-Typ-J-Steckdosen günstig? Sind > das Steckdosen Typ 13 mit einem vertieften Buchsenloch? Ich glaube, die habe ich mal bei ABL Sursum gekriegt für kein Geld. Es steht zwar eine 13 drauf (ohne das J), aber eigentlich sind es J23 Steckdosen (bis 16A, quadratische Löcher statt runden). J13 wären bis 10A. Die hätten es für mich auch getan, aber die J23 waren halt grad erhältlich. In die Buchsen passen auch J13 und, wichtig: ganz normale Eurostecker. > Und wären die denn in Deutschland zulässig? Nicht, dass während des > Einsteckens und Herausnehmens die spannungsführenden Kontaktstifte frei > zugänglich sind. Wegen des Schutzkragens sind die Stifte nicht frei zugänglich, aber über die Zulässigkeit kann icht nichts sagen. > Die 708555 von Conrad ist ja auch nur ca. 28x36mm klein und kostet 89ct > bei 100 Stück. Welchen Vorteil hat dagegen eine Typ-13-Steckdose aus der > Schweiz? Eurostecker passen ohne Probleme in die Typen J13 und J23: damit entfällt für mich schon mal so gegen die Hälfte an Kabelmodifikationen: einstecken und gut ist. Für die übrigen gilt: ein T13 Stecker ist in kaum 2 Minuten sauber umgerüstet, wenn Schere, Abisolierwerkzeug und Schraubendreher vorhanden sind. > In den Pollin-Sendern und Empfängern ist jeweils beides drin. > Ist nun alles klar? Jup, danke. Jetzt warte ich mal auf die Teile. @ Stefanus: Wenn's nur die Steckdosen alleine sind habe ich keine Bedenken, vergitterte Lüftungsschlitze oben und unten und alles sollte gut sein. Steckerleisten können das ja auch ab. Aber wenn Elektronik hinzukommt? Gute Frage... Mal die Elektronik bauen und die Temparaturentwicklung testen. Aber ich werd bei dieser 230V-Kiste sicherlich auch den Fachmann zu Rate ziehen.
Herb G. schrieb: > über die Zulässigkeit kann icht nichts sagen. > ich werd bei dieser 230V-Kiste sicherlich auch den Fachmann > zu Rate ziehen. Berichte bitte mal, was der Fachmann sagt. Falls es Zulässig ist, die Buchsen vom "Typ J13" bzw. "Typ 13" in Deutschland zu benutzen, wär das ja ganz nett. Aber 2,63€ war bisher das billigste, was ich gefunden habe: http://www.hinkel-elektronik.de/cgi-bin/1.cgi?obj=www&_cgi=disp_art&nr=64810
meine Lösung sieht so aus: PIC 18F misst mit TSIC30x Temperatur, die Info geht per RFM12 raus, zusätzlich könnte er noch Steckdosen ELRO schalten. Mit der CR2032 läuft das jetzt seit 4 Monaten, aller 5 Minuten wird gemessen und gesendet. Holger
Hallo Holger, Das sieht sehr interessant aus. Würdest du dafür bitte den Schaltplan posten? Grüßle
Stromlaufplan gibt es nicht, nur ein Sprintlayout für die Leiterplatte. Die Platine ist etwas universal gehalten für verschiedene Sensoren, je nach Stromversorgung kann ein Gleichrichter/Spannungsregler bestückt werden, Quarz ist auch optional. Die CR2023 ist in dem Layout auch nicht berücksichtig, die einzusetzen war nur ein erfolgreicher Versuch wie lange diese aushält. Holger
Mit SprintLayout oder dem kostenlosen viewer ... http://www.abacom-online.de/updates/Sprint-Layout60_Viewer.exe
Du denkst doch nicht, dass ich eine unbekannte *.exe aus dem Inet auf meinem Rechner ausführe! Gibt es ne andere Variante?
SprintLayout kaufen und die unbekannte Downloadversion installieren. Nein. Dann musst du dir selbst was ausdenken. Holger
Torsten, ich hab den Elektriker meines Vertrauens noch nicht erreicht, hab ihm aber eine Mail geschrieben, und dem VDE auch gleich. Ich meld mich, wenn ich eine Antwort erhalte. Stefanus schrieb: > Wir das nicht zu warm, wegen mangelnder Kühlung? Hab mir also noch ein paar Gedanken gemacht zur Wärmeentwicklung. Da ich die Pollins noch nicht habe, weiss ich auch immer noch nicht, ob Funk die Lösung für mich sein wird. Wenn's was mit Steuerleitungen werden würde, dann hätte ich zum Schalten eigentlich gerne Sharp SSRs genommen, und zwar die S202S12, weil sie im Nulldurchgang schalten (und die haben einen eingebauten Snubber). Wenn geschaltet, fallen an denen etwa 1.2V ab an den Kontakten. Ein willkürliches Beispiel von einem der hier zu schaltenden Geräte zieht etwa 2A, damit also 2.4W Wärmeabfall für dieses Gerät. Hört sich nicht nach sehr viel an, aber es sind ja insgesamt 20 (max. 32) Geräte (die aber schon nicht immer alle an sind). Ich denke ich komme da nicht um einen Kühlkörper herum... Wie dimensioniert man eigentlich so etwas, gibt's dafür ein Tutorial? Oder sollte ich dann besser gleich auf OptoMOS umsteigen? Weil, der Grössenvorteil ist ja beim Einsatz eines Kühlkörpers eigentlich kaum mehr gegeben. Die mechanischen Bauteile sind auch unempfindlicher (bei denen muss ich mir auch keine Gedanken darüber machen, ob ich einen Varistor einbauen soll in den Laststromkreis).
Herb G. schrieb: > Ich denke ich komme da nicht um einen Kühlkörper herum Was meinst du, warum die S202S12 so eine schöne Blechlasche mit Loch drin haben. Zum Aufhängen am Selbstbedienungsregal ? 88 GradC TC für 8A ca. 10W macht bei 40 GradC Gehäuseinnentemperatur ca. 4 K/W als Kühlkörper. Hast du vor dem S202S12 eine Feinsicherung mit weniger als 8A, beispielsweise 2.5A, reichen 15 K/W.
MaWin schrieb: > Herb G. schrieb: >> Ich denke ich komme da nicht um einen Kühlkörper herum > > Was meinst du, warum die S202S12 so eine schöne Blechlasche mit Loch > drin haben. Zum Aufhängen am Selbstbedienungsregal ? Das brachte mich zum schmunzeln :) > 88 GradC TC für 8A ca. 10W macht bei 40 GradC Gehäuseinnentemperatur ca. > 4 K/W als Kühlkörper. > > Hast du vor dem S202S12 eine Feinsicherung mit weniger als 8A, > beispielsweise 2.5A, reichen 15 K/W. Vielen Dank für die Angaben. (Wen so Berechnungen auch noch interessieren, Fischer hat dazu eine Anleitung: http://www.fischerelektronik.de/service/kuehlkoerper-berechnen/ ) 2.5 A würden derzeit schon reichen, aber ich möchte mich eigentlich nicht bereits im vornherein darauf beschränken (und das nötige Aufrüsten kommt gemäss Murphys Gesetz genau dann, wenn ich absolut keine Zeit für sowas habe). Also, 4 K/W. Damit kann ich offenbar Boardlevel- und Druckgussalu-Kühlkörper gleich vergessen (siehe [1] wen's interessiert). Für mich läuft das daher wahrscheinlich auf mechanische bistabile Relais hinaus. Muss gleich kucken gehen, was es gibt für Steuerstromkreise von 4.5 VDC und zu schaltenden Lasten bis 10 A 250 VDC. Aber erst noch mit den Pollin rumspielen :) [1] Kleinkühlkörper und Aufsteckkühlkörper hab ich noch nicht mal gefunden für 4 K/W; Fischer hat zwar einen Fingerkühlkörper für 5.8 K/W, aber mit den Dimensionen 46 x 46 x 25.4 mm; da will ich nicht mal wissen, was 4 K/W für Dimensionen bräuchte. Druckgussalu-Kühlkörper mit 3,7 K/W ist 100 x 40 x 30 mm gross. Es müsste also wahrscheinlich ein Lüfteraggregat her.
Herb G. schrieb: > dann hätte ich zum Schalten > eigentlich gerne Sharp SSRs genommen, und zwar die S202S12 Falls Du S202S12 zum halben Preis haben willst, kannst Du mir gern eine PN schicken. Ich wollte die auch erst nehmen und habe meinen Plan dann geändert. Die S202S12 haben übrigens kein "VDE". Herb G. schrieb: > Oder sollte ich dann besser gleich auf OptoMOS umsteigen? Ich habe mich dafür entschieden, Snubberless Triacs direkt ohne galvanische Trennung vom µC zu steuern. Also: Entweder Funk oder Optokoppler für SPI oder UART oder so. PS: So ählich wie hier: http://www-user.tu-chemnitz.de/~heha/Mikrocontroller/Triac8/index.htm.en
Bitte melde dich an um einen Beitrag zu schreiben. Anmeldung ist kostenlos und dauert nur eine Minute.
Bestehender Account
Schon ein Account bei Google/GoogleMail? Keine Anmeldung erforderlich!
Mit Google-Account einloggen
Mit Google-Account einloggen
Noch kein Account? Hier anmelden.






