Hallo, möchte mir einen NAVTEX Empfänger bauen und bin auf einen recht alten Entwurf von Klaus Betke gestoßen (siehe Anhang) Ich hab mir auch mal die 2 Artikel aus den Archiven der Funkamateur geholt - ist recht problemlos möglich. Schaltung ist aufgebaut und macht auch "irgendwas". Wenn ich einen Funktionsgenerator, der FM ausgeben kann, anschließe tunt die Schaltung darauf ein. Vom Gefühl her würde ich sagen, daß die Schaltung ruhig bleiben sollte, wenn man den Eingang auf Masse legt. Das tut sie bei mir jedoch nicht. Der Ausgang von U3d hängt recht stabil auf 2.2V, aber U5 neigt zum schwingen. Ich habe mehrere ungepufferte 4069 durchprobiert - leider habe ich nur UBE Typen (sind die UB evtl. noch einen Tick langsamer?) Oder muß das sogar so sein, damit die nachgeschalteten OPV (U6c, U6d, U6b) nicht "weglaufen"? Auf jedenfall kommt am Ausgang ein digitales "Rauschen" heraus. Hat jemand die Schaltung zufällig auch selbst nachgebaut und kann mir mit ein paar Meßpunkten zum Vergleich helfen? Ich bin der Meinung, daß ich den Empfangsteil (elektrisch) verstehe. Pin 6 von U5 müsste stabil auf 2,5V liegen, wenn nichts empfangen wird. Ob Pin 10 und 12 auch auch 2,5V liegen? Theoretisch "ja" - praktisch würde ich sagen "nein". Wenn gewollt kann ich auch gerne mal ein paar Oszillogramme von bestimmten Meßpunkten liefern. Gruß Martin
Moin, Einfach mal die Forensuche verwenden? https://www.mikrocontroller.net/forum/all?filter=navtex&x=0&y=2 73
Sven D. schrieb: > Moin, > > Einfach mal die Forensuche verwenden? > Nun ja .. heh .. irgendwie hatte ich auf so einen Beitrag gewartet. Gegenfrage: Hast du Dir die Treffer mal durchgelesen und darin eine Antwort auf meine Frage entdecken können? Glaub mir - ich hab's mehrmals und bin zu einem "nein" gekommen, was zu diesem Thread führte. Aber damit es nicht zu Mißverständnissen kommt hier die Suchergebnisse: 1: Beitrag "Navtex" Darin geht es komplett um die Softwaremäßige Dekodierung (an dem Punkt bin ich noch lange nicht) 2: Beitrag "Navtex Empfang in Deutschland" Darin geht es nur um Stationen und Sendezeiten 3: Beitrag "Antenne für 518kHz Navtex Empfänger" Darin hat der Autor bereits einen funktionierenden Empfänger und möchte dann eine Antenne bauen (auch soweit bin ich noch nicht) Die einzige Aussage die ich aus dem Thema nehmen kann, ist daß er erst gar nichts empfängt, da er von einem Oszi redet. Leider ist der Thread so alt und war dann zusätzlich noch in die kapazitive Antennensache abgedriftet, daß ich mich da nicht noch anhängen wollte. Ich denke mal, damit hab ich gezeigt, daß ich die SuFu bereits ausführlich genutzt habe. Ich vermute du hast das Thema gelesen, weil du die Schaltung auch nachgebaut hast. Kannst du mal das Verhalten bei offenen/kurzegeschlossenen Eingang bei Dir nachmessen? Gruß Martin
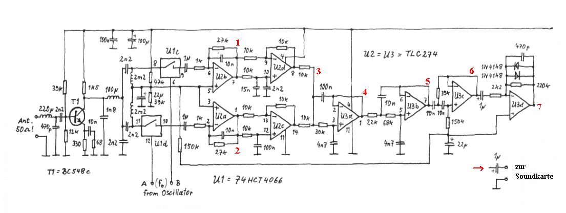
Hallo Martin Es kann über die Betriebsspannung eine Rückkopplung geben, welche zur Schwingneigung führt. Deshalb erst mal den 10k Widerstand am Eingang von U5 entfernen. Dann überprüf erst mal den eigentlichen Empfänger. Dazu kann das Signal in den Mikrofoneingang einer Soundkarte geführt werden. Schon an den Punkten 1) und 2) muss was zu hören sein, jedoch noch ohne Seitenbandunterdrückung. Die Verstärkung von der Antenne bis zu diesen Messpunkten beträgt ca. 40 dB, bis 6) wird kaum verstärkt, sondern nur gefiltert. Erst das letzte Signal 7) solle evtl. in den Line-Eingang gesteckt werden. Funktioniert das alles, dann erst weiter hinten weitersuchen. Gruß, Bernd
Martin K. schrieb: > aber U5 neigt zum > schwingen. Ich habe mehrere ungepufferte 4069 durchprobiert - leider > habe ich nur UBE Typen (sind die UB evtl. noch einen Tick langsamer?) UB-Typen sind dort ja sogar vorgeschrieben, E bezeichnet ja nur das DIL-Plastikgehäuse. Allerdings machen diese drei Inverter sehr viel Verstärkung, und können durch ein ungünstiges Layout oder IC-Fassungen durchaus ins Schwingen geraten. Evtl. ist das, was du für Schwingen hältst, auch nur das eingekoppelte Steuersignal der Analogschalter U1c und U1d. Dort werden HC(T)4066 vrwendet, die du hoffentlich nicht durch CD4066 ersetzt hast.
Hallo Bernd, danke für den Beitrag. Natürlich hab ich gleich mal nachgemessen. Am Ausgang von U3d (7 in deiner Grafik) messe ich bei offenem Antenneneingang eigentlich nur Rauschen (~30mV) und 50mV Spikes mit einer Frequenz von 4,1322MHz. Da ich die aber immer drinn habe (auch bei anderen Schaltungen), vermute ich die kommen von meinem Oszi bzw. durch meine Meßsonde. Schließe ich den Frequenzgenerator an, Ausgang abgeschaltet, kommt an 7 ein Sinus an. 352Hz, 20mV - ich vermute mein Frequenzgenerator "leckt" da leicht die 518kHz. Schalte ich den Generator zu (518kHz, 20mV pp), dann steuert der OPV voll aus. Zumindest sieht man die Arbeit der 2 1N4148 Dioden im Kurvenverlauf. Ich vermute damit funktioniert der Teil. Problematisch scheint der Teil mit dem Inverter zu sein: Messe ich an U5 Pin 1, dann schaut es erst mal so aus, ob der stabil auf 2,29V liegt. Jedoch schwingt Pin 6 mit 5V Amplitude auf 588kHz. Über die 2,2MOhm wird dadurch Pin 1 immer 20mV unter-/oberhalb der Schaltschwelle gezogen. Das macht dann an Pin 3 schon einen verbogenen Sägezahn mit 700mV Amplitude. Die Frequenz hängt eigentlich nur von der Kapazität des 2,2MOhm Widerstands ab. Mit einem SMD aus der 1206er Reihe schwingt das Ding mit 2..3MHz. Mit dem derzeitigen bedrahteten Kohleschicht halt mit ca 600kHz. Kommt man dem Widerstand mit etwas metallischen näher, verringert sich die Frequenz auch mal auf 350kHz. Die Frage ist: Soll das so sein, oder ist mein 4069 "zu gut"?
> Schalte ich den Generator zu (518kHz, 20mV pp) Das ist schon zuviel, schalt mal ein 60dB Dämpfungsglied davor, um das Signal auf ~20µV zu reduzieren. Damit sollte der Empfänger auch noch funktionieren. Auf den ersten Blick sieht der Empfang gut aus. Beträgt das Rauschen an der Basis des BC548 ca. 300nV (geschätzt), dann kämen 30mV Rauschen an 7) hin. Gelegentlich erwischt man jedoch ein schlechtes Transistor-Exemplar und ein neuer rauscht um Faktor 10 weniger. Die Defekten blubbern eigenartigerweise. U5 hat durch die Gegenkopplung eine Verstärkung von 200. Der macht schon fast aus den 30mV Rauschen einen Rechteck. Evtl. benötigt U5 eine extra Filterung für die Betriebsspannung. Probleme kann auch durch nicht sternförmige Masseführung bei den Lochraster-Platinen entstehen. Nachtrag: U5 muss keine Frequenzen im 100kHz Bereich verstärken, er soll nur ein ~1kHz Signal in ein Rechteck verwandeln. Parallel zum 2,2Meg könnte man deshalb einen Kondensator mit ein paar pF schalten. Jedenfalls sollte die Schaltung Frequenzen im MHz Bereich nicht mehr verstärken.
Hallo, das Problem ist, daß der 4069 schwingt, obwohl der 10k Widerstand fehlt. Ich habe auch mal versucht einen 2.2pF drüberzulöten, aber das verschlimmert das Ganze nur noch. Meine ältesten 4069 sind von 2005. In der 4000er Serie gab es mal einen "Sprung" von 90ns auf 30ns Transferzeit. Soweit mir bekannt geht diese Art von Verstärker mit den "neuen" nicht mehr, da sie zu schnell sind :/ Ich muß mal morgen durch meine alten Platinen stöbern - vermutlich find ich da aber nur LowPower-Shottky... Ich hab schon überlegt, ob ich mir den Verstärker spare und einen OPA627 oder LT1206 einsetze (hätte ich noch in der Bastelkiste) PS: Masseprobleme vermute ich nicht. Die ist sehr Massiv ausgeführt. Außerdem befindet sich die Schaltung zum testen immer in einer EMV geschirmten Bopla-Kiste mit BNC-Anschlüssen. An Massefläche sollte es daher nicht mangeln ;)
Dann versuch mal jeden einzelnen dieser 3 Inverter mit einem kleinen C zu überbrücken.
Martin K. schrieb: > Ich hab schon überlegt, ob ich mir den Verstärker spare und > einen OPA627 oder LT1206 einsetze (hätte ich noch in der > Bastelkiste) Wahrscheinlich verstehe ich etwas Grundsätzliches nicht - aber mir ist nicht klar, was z.B. gegen einen TLC274 spricht. Der wird ja an anderer Stelle in der Schaltung sowieso eingesetzt; warum dann der Murks mit den Invertern?
Mist, vergessen: Ein OPA627 bzw. LT1206 wäre mir an dieser Stelle entschieden zu schade. Das ist ja wie ein Porsche zum Kartoffeln ernten.
B e r n d W. schrieb: > U5 hat durch die Gegenkopplung eine Verstärkung von 200. Aber nur bei fast Gleichspannung. Nun denk dir mal parallel zu dem 2M2 Widerstand eine parasitäre Schaltungskapazität von vielleicht 5pF und schon hast du einen schönen Ringoszillator.
Hallo an alle und Danke für die Beiträge. "Murks mit den Invertern" - genau das hab ich mir auch gedacht, als ich die Schaltung das erste mal gesehen habe. Ein (etwas älterer) Arbeitskollege meinte das wäre früher eine gängige Praxis gewesen, um billige Verstärker, z.B. für Gitarrenverzerrer oder Schwingkreise für Keyboards aufzubauen. Viel günstiger als OPV. Er meinte aber auch, daß sowas mit moderneren Versionen der 4000er Serie nicht mehr geht, da selbst die Ungepufferten zu schnell wären. PS: Warum OPA627 oder LT1206 - die hab ich gestern beim stöbern in der Kiste gefunden :P PPS: Da Conrad mir statt den TLC274 in DIL nur halb so viel TL082 in SMD geschickt hat, bin ich da aber auch auf meine Bastelkiste ausgewichen und habe den LF353 genommen (sind vergleichbar - der LF hat aber 4 statt ~2MHz Bandbreite). Die Idee einen TLC err LF353 dafür zu nehmen ist aber gar nicht mal schlecht - ich hab ja noch einen übrig (11 werden gebraucht, das sind aber Dual-OPV/Package) Ich versuche erst mal mit Kondensatoren den 4069 langsamer zu machen.
So .. nach einigem Hin und Her hab ich nun Ruhe in die Schaltung gebracht. Der 4069 ist echt zu schnell - mit einem urlalt 4011 auf der Testplatine ging es besser. Da ich nicht erst die halbe Schaltung umlöten wollte, habe ich nun einen RC Tiefpass mit ca 10kHz zwischen geschaltet. Da die Mittenfrequenz an der Stelle nur ca. 400Hz ist, sollte das der Sache keinen Abbruch tun. Zumindest ist jetzt am Ausgang auch Ruhe, wenn ich den Eingang offen lassen. Damit kann der interessante Teil beginnen :) Die Dekodierung auf einem Raspberry
> der LF hat aber 4 statt ~2MHz Bandbreite
Die Bandbreite gilt nur, solange der OPV nicht in die Sättigung geht.
Tritt Sättigung auf, bricht die Geschwindigkeit ein. Also muss man die
Sättigung verhindern oder man nimmt einen Komparator.
Stimmt, die OPV werden auch nicht voll ausgesteuert (außer der letzte, der das aktuelle Signal mit der gleitenden Schwelle vergleicht) Eigentlich wollte ich mir gleich noch eine aktive Antenne bauen, bzw. habe damit schon etwas herumexperimentiert. Aber ich hab mir jetzt doch erst mal eine bestellt, damit ich den Decoder programmieren kann. Das sind mir dann doch zu viele unbekannte Punkte - vor allem, wenn ich sehe, daß ich für meine 162MHz FlowerPot AIS Antenne schon 5 oder 6 Anläufe gebraucht habe. Aber das ist eine andere Geschichte...
Hallo nochmal :) Nachdem ich kläglich gescheitert bin das auf einem Raspberry umzusetzen (m.M. ist das enorm angestemmt das auf einem Raspbian zu verwirklichen, da der PI nicht echtzeit-fähig genug ist), habe ich das 8051 Assembler Programm auf einem Atmel in C umgesetzt. Funktioniert auch wunderbar, wenn ich die Daten digital einpipe. Ich habe mir dazu ein paar Streams mitgeschnitten und mit einem kleinen Programm die Sonogramme erstellt, woraus ich dann den digitalen Datenstrom ausgerechnet habe. Nun habe ich aber immer noch ein Problem mit dem Empfänger. Ich habe einen Frequenzgenerator, mit dem ich mir auf der 518 kHz Trägerwelle einen 1,5kHz Ton aufmoduliere, der im 10ms Takt seine Frequenz um 170Hz ändert (also 1-0-1-0 etc.) Ich bekomme am Ausgang von U3d schön im 10ms Takt Packete: 10ms 351Hz, 10ms Ruhe, 10ms 351Hz. Das wird dann von den ersten 3 Stufen von U5 (a-c) verstärkt. Da der Pegel am Ausgang von U5c naturgemäß auf 2.5 hängt, wenn keine Welle anliegt, schaltet U5d und U5e (die das Monoflop versorgen) im Takt des Rauschens. Halt genau um die 2,5V Schwellspannung. Daraus kann der nachgeschaltete f-->U Wandler natürlich nichts gescheites machen. Die Sache ist: Ich seh das Problem nicht. Die Schaltung macht genau das, was sie meiner Meinung nach machen soll - und da sollte auch nix gescheites rauskommen... Oder kommt aus U3d schon was falsches? PS: wenn gewünscht kann ich auch gern ein paar Mitschnitte vom Oszi liefern...
Nachschlag (leider konnte ich meinen letzten Beitrag nicht mehr bearbeiten) Nachdem ich mir die Beschreibung noch mal durchgelesen habe, soll das Ausgangssignal an U3d wohl bei 400Hz liegen. Da ich auf 518 kHz 50 Hz zu niedrig war, und bei 490 kHz 50 Hz zu hoch, habe ich nun den Quarz etwas nachgestellt. Damit liege ich jetzt bei beiden Freuquenzen bei 400Hz an dem Punkt. lt. Beschreibung soll nach dem Monoflop im Mittel 800Hz anliegen, was es auch tut. Nur gibt die Schaltung immer noch nichts aus :( Was ich festgestellt habe: Gehe ich auf 490,4 bzw. 517,6kHz funktioniert das Ganze, wobei dann an U3d schon 800Hz anliegen (und am Monoflop 1,6kHz) - also das Doppelte, was im Text steht. Irgendwas stimmt da noch nicht ...
Hallo Martin > NAVTEX is broadcast worldwide on 518 kHz using a data mode called > SITOR-B (amateur radio operators might recognise it as AMTOR). It's 7 > unit data with forward error correction (FEC) using 100 Baud 170 Hz > Frequency Shift Keying (FSK), with the centre frequency being 1700 Hz. > Bei der Übertragung wird eine 100-Baud-Frequenzumtastung > (FSK-Modulation) mit einem Frequenzshift von 170 Hz eingesetzt. Wie du auf dem Wasserfall-Diagramm erkennen kannst, ist das Signal symetrisch um 518 kHz angeordnet. Der beschriebene Empfänger setzt das auf eine ZF mit 400 Hz um. Mit 400 Hz ist die Mitte des Signals gemeint, die genauen Frequenzen sollten (400 Hz - 85 Hz) und (400 Hz + 85 Hz) betragen. Funktioniert der Empfänger korrekt, müssten am Ausgang von U3d beide Frequenzen etwa gleich stark ankommen. Damit das passt, muss der Oszillator (Signal A und B) eine Frequenz von 518,4 kHz liefern. Da der Oszillator oberhalb der EMpfangsfrequenz liegt, wird die Reihenfolge gedreht. Eine ZF-Frequenz von 485 Hz entspricht einer Null und 315 Hz entspricht einer Eins. Die ursprüngliche Schaltung um U5 und den 4 Dioden sollte entscheiden, ob die Frequenz über 400 Hz liegt oder unter 400 Hz und dabei eine Eins oder eine Null erzeugen. An U5, Pin8 sollte schon das richtige Signal anliegen, der Rest der Schaltung macht nur noch Impuls-Formung. Z.B. wirkt U6b als Schmitt-Trigger.
Guten morgen!
hmm .... dann hab ich das Prinzip falsch verstanden. Ich dachte daß bei
(sagen wir mal) "1", also Grundfrequenz + Verschiebung (1500Hz + 85Hz)
eine Frequenz aus dem Mischer kommen soll, aber bei Grundfrequenz -
Verschiebung (1500Hz - 85Hz) ("0") eine Auslöschung stattfinden soll.
Zu dem Schluß war ich gekommen, weil der der Oszillator bei 518,4kHz und
nicht bei genau 518kHz (bzw. 489,6kHz statt 490kHz) schwingt.
Nun gut .. dann ist wohl am Mischer was faul - obwohl ich den schon
x-mal kontrolliert habe.
Den Oszillator schließe ich jetzt mal aus - der schwingt bei am Pin 6
des 4060 mit erstaunlichen 115,2kHz (+-0,5Hz) und am PLL Ausgang mit
518,4kHz bzw. 489,6 kHz +- 20Hz, was deutlich unter der 0,5% Spec des
4046 liegt.
Mal schauen wie ich am besten (meßtechnisch) ermitteln kann, wo es in
dem Mischer klemmt .. :*grübel*:
Der Empfänger setzt die Empfangsfrequenz von 518kHz auf eine niedrige ZF von 400Hz um, genauer 315Hz und 485Hz. Dabei kann der Empfänger auch Signale auf seiner Spiegelfrequenz 518,8kHz empfangen. Letztere wird im Quadraturverfahren/Phasenmethode um ca. 20dB unterdrückt. Phasenverfahren: https://de.wikipedia.org/wiki/Spiegelfrequenz#Beseitungen_der_Spiegelfrequenz_nach_dem_Phasenverfahren Hier nochmal der Schaltplan: Beitrag "Re: NAVTEX Receiver for the DXer" Erst mal überprüfen, ob wirklich beide Signale, A und B, vom Oszillator ankommen. U2a und U2b bilden identische Tiefpässe. Die Punkte 1) und 2) sollten identische Signal zeigen, jedoch vom Mischer um 90° versetzt. U2c und U2d erzeugen durch unterschiedlichen Kondensator nach GND (100nF und 17,2nF) die oben erwähnte 90° Phasenverschiebung. Durch die Summenbildung mit den beiden 10k Widerständen an 3) wird die Unterdrückung der Spiegelfrequenz bei 518,8kHz erreicht. Die nächsten 3 Stufen bilden das 400Hz ZF-Filter. Der U3d ist als Begrenzer-Verstärker beschaltet. Er verstärkt um Faktor 100 und begrenzt schon relativ kleine Signale mit Hilfe der beiden Dioden auf ca. 1,2Vss.
Ja, du hast völlig recht. Ich hab totalen Quatsch gemessen :/ (jetzt wirklich - ist kein Witz) Dein Hinweis mit der Frequenzverschiebung hat mich dazu gebracht doch noch mal genauer nachzuschauen - und ich hab 4 Fehler gefunden! 1: Eigene Blödheit den Frequenzgenerator richtig einzustellen. Der hat nur die halbe Wahrheit ausgegen, wodurch das "Frequenz-Null-Frequenz" rauskam. ist mir echt peinlich, aber ich habe es ja noch gemerkt. 2: Ich habe mir von der Redaktion der Funkamateur den Artikel aus dem Archiv zuschicken lassen (geht für einen Obulus von 3,50€). Das Lustige ist, ich habe da einen Fehler im Schaltplan gefunden und noch später zwei weitere, auf die ich durch Zufall aber nicht reingefallen bin, da ich beim Aufbau beide Schaltpläne (mal den, mal den anderen) genutzt habe. 3: Dafür sind aber in dem Schaltplan, den ich im Eingangsbeitrag gepostet habe auch noch zwei Fehler, die ich durch Nachmessen gefunden habe. 4: Ich darf auf 518kHz die Signale nicht invertieren, da meine LUT invers zu der aus dem Assembler Programm ist. Wie dem auch sei - Ich habe eben meine erste NAVTEX Nachricht empfangen und selbst dekodiert!! (Juhuu) ZCZC MA93 010730 UTC FEB 16 NORWEGIAN NAV. WARNING 108/2016 CHART 4 AREA OSLOFJORDEN UNDERWATER WORK IN PROGRESS. DREDGING 59-52.476N 010-39.163E WITH RADIUS 100 METER 190815UTC NNN~ Das müsste die bei Jeloy (Oslo / Norwegen) sein. Immerhin 955km entfernt :D Als Antenne habe ich die Boni-Wip (Nachfolger der Mini-Wip) 3m über mir im Haus hängen. In diesem Sinne - Vielen Dank für die Denkanstöße! PS: Ich bin ein Freund von Open-Source. Damit ein eventueller Nachbauer nicht über die selben Probleme stoplert, werde ich nach ein paar weiteren Tests natürlich die Korrektur hier einstellen und auch mein Atmel C-Programm (da ist aber vorher noch einiges zu tun) .. dann noch das Ganze in mein AIS/GPS Modul einbauen und dann hab ich einen schickes Elektronik-Setup zum Segeln ...
Hallo Martin Dann hab ich auch noch was dazu, hier ist eine Simulation des Phasenschiebers und der Summenbildung. Die Differenz zwischen den beiden Kurven entspricht der Seitenbandunterdrückung, hier ca. 35dB. Gruß, Bernd
Hallo Bernd, danke für die Simulation, das deckt sich auch (ungefähr) mit dem, was ich gemessen habe. Leider ist die exakte Phasenverschiebung schwierig zu messen, da die parasitären Kapazitäten und langen Meßkabel des Oszis ein gewisses Grundrauschen einstreuen. Mit kurzen Massekabeln kann man das zwar reduzieren, aber trotzdem bleibt es angestemmt :) Was mir auf jeden Fall aufgefallen ist: Man muß den Quarz penibel abstimmen. Sonst ist man zwar bei 518kHz empfindlich, misst aber bei 490kHz nur sehr schlecht. Da reicht schon aus, wenn die Zwischenfrequenz statt 115,2kHz 115,25kHz ist. Ich hab die Sache jetzt mal ne Nacht laufen lassen. Mei-Oh-Mei, man wird ja förmlich mit NaxTex Meldungen zugeballert. Gültige (lesbare) Meldungen bekomme ich bis 1500km rein. Schön wäre, wenn die Sender noch die NavArea mitsenden würden. Man bekommt einen Buchstaben, weiß aber erst mal nicht, ob der Sender im Süden oder Norden liegt ;) Na mal schauen, die Daten sollen in einem Raspberry PI in einer SQL Datenbank (irgendwie) abgelegt werden - da fällt mir schon noch was ein. Interessanterweise bekomme ich Pinneberg nur sehr verrauscht rein, obwohl das mit 390km "meine" nächste Station wäre - kann es sein, daß die gerichtet aufs Meer senden? Naja - mal schauen, ob ich am Wochendene mal die Transferkurve und evtl. auch die Phasenverschiebung des Mischers nachmessen kann.
Moin zusammen, gerne möchte ich auch einen NAVTEX Empfänger bauen, den ich dann mit auf's Charterboot nehmen kann. Nun studiere ich sämtliche Quellen dazu... @Martin: Du erwähntest, dass Du das Schaltungsdesign ggü. dem Original aus dem Jahre 2001 verbessert hast (4 Fehler gefunden hast)... Ich wäre Dir sehr dankbar, wenn Du den aktualisierten Bauplan veröffentlichen könntest. ... das ist meine einzige Chance, denn so talentiert wie Ihr bin ich nicht (habe leider nur Grundkenntnisse und auch keine Oszi, Freq.Generator zuhause). vielen Dank und Grüße, Bernd
Hallo Bernd, ohne Oszi ist es schwierig, da über den 22µF Kondendator vor U6b evtl ein Widerstand muß. Irgendwas zwischen 500k und 1M. Wenn man eine 50Hz FM Modulation mit dem Frequenzgenerator einspeist (= den Generator als Funke nutzt), dann sollte das Tastverhältnis am Pin 7 von u6b auch 50% sein ... was es bei mit nicht war. Vermutlich haben bi mir die OPV's einen leichten Offset. Ich hab das Ganze mit einem Widerstand sozusagen zurückgeschoben. Bei u6b ist auch gleich ein Fehler: Der OPV ist falsch herum eingezeichnet. Es war noch was - ich überlege nur gerade was ... Auf jedenfall ist der 100 Ohm Widerstand in der Spannungsversorgung unnötig - wenn man die Grundregeln befolgt (über jeden Schaltkreis einen 100nF Kondensator, dazu ein paar 100µF in die Spannungsversorung und eine gescheite Massefläche) Ich hab das Navtex auch in meine Videoserie eingebunden - in der Videobeschreibung ist der Link zum C-Quelltext für einen ATmega32U4 (Micro) https://www.youtube.com/watch?v=SwL_ZQ_iBIM&list=PLh8BEnfg2z52YcFEMpvMLLWS3f3tVwHHe&index=9&t=1s Ich habe das Ganze später auf den ATMega 328 (Nano) umgebaut - in einem der späteren Videos der Playlist geh ich drauf ein, was dabei zu beachten ist.
Hallo, zwar ist der Thread hier schon etwas älter, aber da mein Problem beim Bau des Empfängers nach Klaus Betke hier bereits zur Sprache kam, stelle ich meine Frage nun hier: Es geht um das Schwingen des 4069. Wie zu erwarten war taucht das Problem bei mir ebenfalls auf. Martin hatte hier ja eine Lösung mittels eines Tiefpassfilters beschrieben. Leider ist mir nicht ganz klar wie dieser einzubinden ist. Erste Versuche die Schaltung mit Kondensatoren zu beruhigen scheiterten leider. Vielleicht hat jemand eine Idee oder Martin selbst könnte kurz erklären wie er das Problem genau gelöst hat? Grüße, Andreas
Moin, also mein Empfänger läuft seit Monaten 1A. Im letzten Winterlager habe ich die Boni-Wip ins Masttop gebaut, wodurch die Antenne nun gute 16m hoch ist. Der Empfang ist traumhaft und bei den Stationen, die für mich relevant sind eigentlich immer mit 0% Fehlerquote. Zu der Frage mit dem Kondensator: Diesen nehme ich in Verbindung mit einem Widerstand dazu, um den gleitenden Mittelwert bei 50% des Nutzsignals zu halten. Leider schien das nicht ganz zu stimmen, wodurch ich kein 50% Tastverhältnis bekommen habe und die Taktangleichung im Arduino nicht gut funktioniert hat. Wenn ich nix empfange, "schwingt" der 4069 (Rauschen). Bei einem Signal ist der Verhalten aber absolut sauber. Je nachdem welchen Schaltplan du verwendet hast: Es sind ein paar Fehler drin! (Ich müsste mir das noch mal anschauen wo genau, ist schon etwas her) Ich hatte seinerzeit die Pläne aus dem Internet und aus dem Archiv der Funkamateur verwendet (kann man für 3,50€ anfordern) und in beiden sind Fehler an verschiedenen Stellen drin. Speziell kann ich mich daran erinnern, daß bei einen invertierenden OPV "+" und "-" vertauscht waren und dadurch nur Quatsch passiert ist. War es der vor dem 4069? Ich weiß es nicht mehr. Es waren noch 1 oder 2 weitere Fehler drinn, die ich aber mit einem scharfen Blick finden konnte. Sehr wichtig ist auch eine gute Abstimmung der Frequenzerzeugung. Das ist aber nur mit einem guten Oszi oder Frequenzmesser möglich. Sonst geht die eine Frequenz gut, aber die andere gar nicht. Als ich das alles behoben hatte funktionierte die Schaltung Ich hoffe das hilft Dir .. irgendwie
Moin Martin, danke für die Antwort und sie war in der Tat hilfreich. Zwar nicht insofern als das ich etwas an der Schaltung geändert hätte (bzgl. des Kondensators), sondern ich habe die ganze Schaltung bis auf den Microcontroller fertig aufgebaut und einfach mal per Lautsprecher reingehört. Bernd hatte dies ja weiter oben zum Test auch vorgeschlagen. Ich habe tatsächlich meine erste NAVTEX Meldung empfangen. Witzigerweise nicht wie erwartet aus Gislövshammar (SWE), was mit 180NM noch relativ nah an Berlin liegt, sondern kurz darauf aus Rogaland (NOR) mit 460NM Entfernung. Verwendet habe ich dazu eine selbstgebaute Mini-Whip. Die "NASA Marine Navtex Serie 2" Antenne die ich noch rumliegen habe, werde ich demnächst mal testen. Dennoch stört es mich irgendwie, dass der 4069 keine Ruhe gibt, wenn nichts empfangen wird. Hat das wirklich mit der Transition-time von 30 ns statt den 90 bei früheren ICs zu tun? Ich glaube zwar nicht, dass dies beim Dekodieren Probleme machen wird, aber so richtig happy bin ich damit auch nicht. Eine Sache fiel mir noch am Wochenende ein: Du hattest glaube ich erwähnt, dass du überlegt hast die gesamte Schaltung ggf. mit Epoxydharz zu "sichern", oder hatte ich das falsch verstanden? Bin ein wenig am überlegen ob ich ähnliches tue. pro: weniger empfindlich gegen Vibrationen contra: evtl Reparaturen dürften damit nahezu unmöglich werden. Tendiere trotzdem dazu es zu machen, vermutlich ist das aber eher unvernünftig und der Tatsache geschuldet das doch einiges an Zeit in den Aufbau geflossen ist?! Grüße und einen guten Start in die Woche...
Naja .. Die Zeit darf man nicht rechnen. Dafür weiß ich, wie das Ding funktioniert. Das mit dem Epoxy habe ich gemacht, weil das Teil auf meinem Segelboot eingebaut ist. Der ultimative Test startet nächstes Jahr. Da werde ich ein Jahr frei machen und in die Karibik segeln Meine komplette Navieinrichtung ist selbst gebaut. Alles auf Basis von Arduinos und Raspberrys (Details auf meinem Blog :) ) Mach Dir mal keine Sorgen wergen des 4069. Wenn die Schaltung nichts empfängt, dann verstärkt der halt Rauschen. Nach einer Schwingung schaut bei meinem Empfänger nicht aus, jedenfalls sagt die FFT was anderes ;)
Hallo Zusammen, Möchte diesen älteren Thread nochmals etwas aufwärmen, da „Nachbauer“ des Projektes vermutlich auf diese Seite stoßen werden. Wie im Verlauf bereits erwähnt, sind im Schaltplan einige „Fehler“ gefunden worden. Diese würde ich gerne für die Allgemeinheit klären. Es gibt zwei Quellen für dieses Projekt: 1) Das PDF welches in diesem Beitrag anhängt (28.02.2001) 2) Veröffentlichung im Funkamateur (11.2000 + 12.2000) Ich habe mal die beiden Schalpläne verglichen und festgestellt, dass es tatsächlich Abweichung gibt: A) Kondensator im Eingangskreis unterscheidet sich. Siehe „Navtex_Dif_1“. Im FA Artikel ist dieser Kondensator 2,2nF B) Dioden im Demodulator sind anders gepolt. Siehe „Navtex_Dif_2“. Im FA Artikel sind diese zwei Dioden genau gedreht eingebaut C) Verstärker U6B ist am Eingang +/- gedreht. Siehe „Navtex_Dif_3“. Im FA Artikel sind Pin 5 und 6 gedreht. Kann jemand helfen, was wohl richtig ist? Meine Vermutung(!): A) Hier ist 1,8nF wie im PDF richtig? B) Hier habe ich keine Ahnung, da ich nicht verstehe, wie der Demodulator funktioniert…?? C) Im PDF ist es falsch, im FA Beitrag richtig? Kann hier jemand unterstützen, bzw. Klarstellen? Danke vorab! Grüße
Sven schrieb: > Navtex_Dif_3.jpg Sven schrieb: > 1) Das PDF welches in diesem Beitrag anhängt (28.02.2001) Auf welchen Beitrag beziehst du dich. Hast du dazu bitte eine Link (möglichst auch einen zum FA-Artikel)? > Navtex_Dif_3.jpg Das "+" Zeichen sitzt falsch. Wenn du verrätst, welcher OP-Typ das ist, lässt sich auch etwas zu den Pin-Nummern sagen.
Hallo Forist, vielen Dank für die Rückmeldung. Ist doch etwas unglücklich von mir formuliert: Das "PDF" vom 28.02.2001 hängt an diesem Thread gleich beim ersten Post. Das Datum bezieht sich auf die Angaben des Autors im PDF selbst. Mit dem Datum wollte ich nur andeuten, dass das PDF vermutlich ein neuerer Stand ist als der des FA Beitrags... Dort in diesem PDF findet sich der vollständige Schaltplan (aus dem meine Navtex_Dif_X_.jpg ausgeschnitten sind). Den Artikel aus dem Funkamateur ist leider nicht frei verfügbar, daher kann ich den nicht mit aufnehmen. Der Schaltplan ist aber bis auf die von mir geschriebenen Abweichungen gleich. Der OPV ist ein TLC274 Viele Grüße
Sven schrieb: > A) Kondensator im Eingangskreis unterscheidet sich. Siehe > „Navtex_Dif_1“. Im FA Artikel ist dieser Kondensator 2,2nF 1,8nF ist richtig. Der C ist Teil des PI-Anpassnetzwerkes das den Ausgangswiderstand des Vorverstärkers auf den Eingangswiderstand des Mischers transformiert. Mit 2,2nF wäre die Resonanzfrequenz des PI-Gliedes zu niedrig. > B) Dioden im Demodulator sind anders gepolt. Siehe „Navtex_Dif_2“. Im FA > Artikel sind diese zwei Dioden genau gedreht eingebaut Im FA sind diese 2 Dioden falsch herum dargestellt. Dieser Teil der Schaltung stellt einen F/U-Wandler dar. Die Impulse am Ausgang des letzten Inverter sind allerdings so schmal (gleich einer Inverterlaufzeit), dass ich auf Anhieb nicht sagen kann ob am Ausgang des Tiefpasses auch etwas Verwertbares für den Schmitt-Trigger ansteht. > C) Verstärker U6B ist am Eingang +/- gedreht. Siehe „Navtex_Dif_3“. Im > FA Artikel sind Pin 5 und 6 gedreht. Im FA ist bei U6b der (+) und (-) Eingang vertauscht. U6b soll als Komparator mit Hysterese (Schmitt-Trigger) arbeiten, nicht wie dargestellt als invertierender Verstärker.
Hallo Zusammen, schon mal vielen Dank für die Rückmeldungen. Den Empfänger habe ich nun nach der "PDF Version" und nicht nach der aus dem Funkamateur aufgebaut. Laut der letzten Rückmeldungen kristallisiert sich heraus, dass dieser stimmen sollte. Nun habe ich einen weiteren "Fehler" entdeckt. Welcher in beiden Schaltplänen gleich ist.. => Navtex_Dif_4: Der PE Ausgang am Teiler für den Oszillator liegt laut Datenblatt an Pin 15, und nicht wie im Schaltplan an Pin 14. Das würde wohl jeder merken, da der Pin 14 (TC) auch belegt ist, und quasi doppelt vorkommt. Bin mir nun nicht ganz sicher, ob PE tatsächlich an TC gehört... Momentan schwingt der Oszillator bei mir. Die 115,2kHz stehen, ein Quadratur Signal kommt auch, allerdings passt die Frequenz absolut nicht, liegt im MHz Bereich. Werde weiterhin mein Glück versuchen. Falls ich den Empfänger noch funktionsfähig bekomme werde ich als Zusammenfassung ein kleines "Errata" posten. Falls jemand der das Gerät nachgebaut hat mir einen Hinweis geben kann wo der PE (Pin15) am 74HC40103 hingehört wäre mir viel geholfen. Grüße
Sven schrieb: > => Navtex_Dif_4: Der PE Ausgang am Teiler für den Oszillator liegt laut > Datenblatt an Pin 15, und nicht wie im Schaltplan an Pin 14. Das würde > wohl jeder merken, da der Pin 14 (TC) auch belegt ist, und quasi doppelt > vorkommt. Im Schaltbild sind die beiden Signale eindeutig verbunden, egal ob da nun 14 oder 15 dran steht. Die Verbindung /TC -> /PE sorgt dafür, dass bei Zählerstand 0 wieder sofort der Preset Wert geladen wird - hört sich erstmal doch irgendwie nicht ganz falsch an.
Sven schrieb: > Bin mir nun nicht ganz sicher, ob PE tatsächlich an TC gehört... Siehe Anhang. Im Empfänger wird der VCOout-Ausgang (74HC4046) durch N+1 (17 bzw. 18) geteilt. Sven schrieb: > Momentan schwingt der Oszillator bei mir. Die 115,2kHz stehen, ein > Quadratur Signal kommt auch, allerdings passt die Frequenz absolut > nicht, liegt im MHz Bereich. MHz klingt gut, zumindest am VCOout-Ausgang (74HC4046) bzw. am CP-Eingang (74HC40103). Hier müssen entweder 1,9584MHz oder 2,0736MHz zu messen sein. Der Ringzähler mit den zwei D-FFs teilt durch 4.
Hallo, Ich habe diesen Empfänger gebaut. Es funktioniert großartig. Ich habe den 74HC4066 durch den MAX4066A ersetzt, der den Empfang verbessert hat. Zitat von Maxim: "The MAX4066/MAX4066A quad, SPST, CMOS analog switches are designed to provide superior performance over the industry-standard devices." Jetzt möchte ich den Empfang noch weiter verbessern, indem ich alle 4 Schalter im Chip verwende und 2 parallel hinzufüge, um den Widerstand weiter zu reduzieren. Bevor ich die neue Leiterplatte bestelle, werde ich Sie fragen, ob es sich lohnt, die Schalter parallel hinzuzufügen. Ich habe viele SDR-Empfänger gesehen, die HC4066 mit 2 Schaltern parallel verwenden. Grüße, Zoltan
Bitte melde dich an um einen Beitrag zu schreiben. Anmeldung ist kostenlos und dauert nur eine Minute.
Bestehender Account
Schon ein Account bei Google/GoogleMail? Keine Anmeldung erforderlich!
Mit Google-Account einloggen
Mit Google-Account einloggen
Noch kein Account? Hier anmelden.







