Mein Kollege und ich selbst haben das beschriebene Gerät nachgebaut und nach den Damaligen und noch Heutigen gültigem Trend " verpackt " . In all den Jahen intensivem Gebrauch und bis Heute NIE eine Panne oder ein ,damit gespiesenen gerät,zum Absturtz gebracht. Verglichen mit den Heutigen Geräten und unter Vollast 30V 3A gehöhrt dieses dieses Netzteil noch Heute zur absoluten Spitzde , Der Grund für meine Nachfrage , ich will noch einmal dasselbe Gerät nachbauen doch fehlt mir die Vorlage zum herstellen der Hauptplatine. Die Einzige Aenderung die ich machen werde sind der Einbau von Digital V/A Meter und der Endstufe ( ersatz für die 2N3055 ). Sollte sich Jemand dafür interressieren so bin ich gerne bereit Fotos zu senden oder wie gewünscht den ganzen Bauplan und alle Masse zur Fertigstellung des Gehäuses und der Frontplatte . Mit den Besten Grüssen aus der Schweiz Eduard edrbole@bluewin.ch +4178 660 44 91
ringgenberg eduard schrieb: > Der Grund für meine Nachfrage So ganz ohne Fragezeichen? Wo ist da die Frage? Wenn du was verkaufen willst, wäre der Markt hier wohl geeigneter oder ebay. Trotzdem Danke für dein Angebot. Ein paar Bilder wären sich nicht schlecht gewesen. Vielleicht findet sich ja einer der an schweizer Präzision und Qualität Interesse hat.
Christoph K. schrieb: > Elf Transistoren, kein einziges IC. Drei 2N3055 parallel als > "Arbeitspferde" oder -elefanten. dank für die layout´s. das werd ich mal nachbauen. könntest du den schaltplan und die bestückungsliste noch nachliefern? was für ein transformator wird benötigt? 2n3055 hab ich nicht auf lager. kd503 oder bd249c sollten es doch auch tun oder nicht? einige mj11015 /11016 sind auch noch vorrätig. mfg
ringgenberg eduard schrieb: > Sollte sich Jemand dafür > interressieren ja ich würde das nachbauen. was noch fehlt ist der schaltplan und angaben zum transformator (den wickel ich dann selber). mfg
Jetzt sollte ich aber wenigstens die Autoren nennen: Peter Flamm, Carsten Reimer "Universalnetzteil mit Stromregelung" Funkschau 1976 Heft 23 Seite 109-112 (S.1021-1024 fortlaufende Jahresseitenzahl). Es gab noch eine zweite Platine für das 5V-Netzteil, ein LM309K, Vorläufer des 7805, im großen Metallgehäuse TO-3: http://www.ti.com/lit/ds/symlink/lm309.pdf
ringgenberg eduard schrieb: > ich will noch einmal dasselbe Gerät nachbauen Nostalgie ist ja manmchmal ganz nett, aber heutzutage sollte man statt der Transistordifferenzverstärker Operationsverstärker nehmen. Selbst der betagte LM324 dürfte da bessere Daten haben. Statt der Z-Dioden bieten sich heute Referenzquellen wie z.B. der LM341 an. Als Vorverstärker für die 2N3055 wird man sicherlich auch einen Transistor mit höherer Stromverstärkung finden. Ansonsten ist die Schaltung nicht schlecht. Auch moderne lineare Regelschaltungen sind da nicht entscheidend besser. Zum Anschluss der beiden digitalen Meßgeräte braucht man normalerweise zwei getrennte 5V-Versorgungen.
Christoph K. schrieb: > Funkschau 1976 Heft 23 Seite 109-112 (S.1021-1024 fortlaufende > Jahresseitenzahl). Da ja einige Leute das Netzteil haben: Mal einschalten ohne Last und unter Last (5V/2A), und per Oszilloskop die Ausgangsspannung beobachten. Mal Netz abschalten und ohne Last und mit Last und per Oszilloskop die Ausgangsspannung beobachten. (Könnte wegen der Stromsenke gerade eben gehen).
Harald W. schrieb: > heutzutage sollte man > statt der Transistordifferenzverstärker Operationsverstärker nehmen. Warum eigentlich? Du schreibst doch selbst: Harald W. schrieb: > Auch moderne lineare Regelschaltungen sind da nicht entscheidend besser. OPVs bringen nicht nur Vorteile, sondern auch Probleme. Ein zusätzlicher tiefliegender Pol in der Schleife macht die dynamische Stabilisierung schwieriger. Sieht man doch in jedem Thread zu Netzteilen - alle schwingen. Dazu die Problematik mit der Versorgung der OPVs, das Ein- und Ausschaltverhalten der Schaltung... Eine diskrete Schaltung kann man immer gut an die Aufgabe anpassen und die paar mV Offset stören doch meist nicht, schließlich fallen schon auf 1m langen 1mm² Zuleitungen etwa 36mV Spannung bei 1A ab, dazu noch Übergangswiderstände in Buchsen und Klemmen, da hat eine Ausregelung im µV-Bereich an den Buchsen doch keinen Sinn.
nemesis... schrieb: > So ganz ohne Fragezeichen? Wo ist da die Frage? > > Wenn du was verkaufen willst, wäre der Markt hier wohl geeigneter > oder ebay. > > Trotzdem Danke für dein Angebot. Du mußt doch noch einen Bruder haben?! EINER allein kann nicht so blöde sein. SCNR Paul
Hallo, das Netzteil aus der Funkschau 1976 Heft 23 wurde hier schon mehrfach diskutiert, u.a. in Beitrag "Labornetzteil Funkschau 76/23" Ebenso wie weitere Netzteile aus der Funkschau, z.B. das aus 1973 Heft 12 "Stabilisiertes Labornetzgerät mit Operationsverstärkern" Beitrag "Fragen zu Labornetzteilbau (Nachbau Funkschau 1973)" Nur für den Fall, dass jemand weitere Infos sucht.
Da schreibt einer "uralte ITT-Applikation". Das passt zu der Aufschrift "Intermetall" auf der Platine, damals gab es ITT Intermetall in Freiburg. Die Mühe mit dem Schaltplan hätte ich mir also sparen können, den gabs da schon mal. Ich frage mich nur, ob ein Linearregler heute immer noch besser ist als Schaltnetzgeräte. Es gibt in der Leistungsklasse schöne kleine Laborschaltnetzteile, die kaum noch Verlustleistung verbraten. http://peaktech.de/productdetail/kategorie/schaltnetzteile/produkt/p-6135.html sowas in der Art, Mikrocontroller-gesteuert (Atmel AVR übrigens), die eingestellte Spannung wird im EEPROM abgelegt und kommt nach dem Einschalten wieder (allerdings sicherheitshalber abgeschaltet, schlecht für unbeaufsichtigten Betrieb).
Christoph K. schrieb: > Ich frage mich nur, ob ein Linearregler heute immer noch besser ist als > Schaltnetzgeräte. Für empfindliche Verstärker, m.E. gilt das schon für Vorverstärker ist ein lineares Netzteil sicherlich besser geeignet. > Es gibt in der Leistungsklasse schöne kleine > Laborschaltnetzteile, die kaum noch Verlustleistung verbraten. Labornetzteile werden typisch nur wenige Stunden benutzt, um Schaltungen zu testen. Da spielt die Energieeinsparung keine Rolle. Ausserdem haben die meisten SNTs den Nachteil einer verhältnismäßig hohen Kapazität am Ausgang.
Fürs Grobe wie Akkus laden oder Motor treiben sind die Laborschaltnetzgeräte ok. Empfindliche Elektronik würde ich daraus aber nicht speisen aus eigener leidvoller Erfahrung.
voltwide schrieb: > Fürs Grobe wie Akkus laden oder Motor treiben sind die > Laborschaltnetzgeräte ok. Empfindliche Elektronik würde ich daraus aber > nicht speisen aus eigener leidvoller Erfahrung. Ja, eigentlich braucht man zwei Netzteile. Wobei für das "lineare" 1A reichen sollten.
Schaltregler direkt sind schon etwas schlechter als lineare Regler. Man hat einiges an Rippel und die Regelung ist i.A. nicht besonders schnell. Moderne Labornetzteile haben daher einen Schaltregler vorweg, einen Filter und dann einen linearen Regler dahinter. Gut aufgebaut kann man so auch auf wenig Rippel kommen.
Christoph K. schrieb: > Die Mühe mit dem Schaltplan hätte ich mir also sparen können, den gabs > da schon mal. Wie man selbst erst mal im Internet googlet, scheint nicht jedem geläufig zu sein. Dann wären wahrscheinlich die Hälfte der Threads überflüssig. Hier mal ein Tip: https://www.google.de/search?hl=de&site=imghp&tbm=isch&source=hp&biw=1016&bih=625&q=+Labornetzteil+Funkschau+1976+Heft+23&oq=+Labornetzteil+Funkschau+1976+Heft+23&gs_l=img.12...2768.2768.0.3659.1.1.0.0.0.0.112.112.0j1.1.0....0...1ac.2.64.img..0.0.0.eyS-8jjdzSA Klappt zwar nicht immer, aber immer öfter doch. Paul B. schrieb: > EINER allein kann nicht so > blöde sein. Da war ich wohl schon halb in der Falle.
Das Labornetzgerät vom grossen C ist ähnlich aufgebaut. http://corsair.flugmodellbau.de/files/elektron/192520~1.PDF
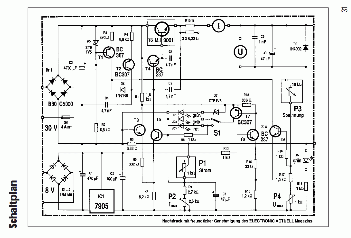
Apropos Labornetzgerät vom großen C (im Anhang) Taucht der (Fehl-) Strom über das Spannungspoti P3 eigentlich im I-Messer auf? Ich denke schon oder?
Der Strom über den Spannungspoti wird mit gemessen. Allerdings ist der Strom konstant, solange die Spannung stimmt. In der Regel ist der Strom also kein Problem. So super genau ist die Schaltung mit diskreten Transistoren sowieso nicht.
Lurchi schrieb: > .. In der Regel ist der Strom > also kein Problem. So super genau ist die Schaltung mit diskreten > Transistoren sowieso nicht. Die Schaltung vielleicht nicht, aber die Anzeige die dran hängt, vor allem bei Digitalanzeigen. Die lösen entweder mit 1 mA auf oder beispielsweise bei einem ICL 7107 dann mit 10 mA (20 A Messbereich) und da möchte man ungerne immer mit 10 mA daneben liegen.
> Ich frage mich nur, ob ein Linearregler heute immer noch besser ist > als Schaltnetzgeräte. Schaltnetzteile sind als Labornetzteile komplett unbrauchbar. Jedenfalls dann wenn man ein Labornetzteil als ein Geraet ansieht mit dem man die naechsten 20Jahre andere Geraete entwickelt von denen ich heute nicht genau weiss wie sie aussehen werden. Es gibt naemlich drei grosse Probleme: 1. Manche Schaltnetzteile stoeren so schlimm das man kotzen muss. (z.B. Manson) 2. Selbst wenn die Stoerung eher gering ist, jedesmal wenn du in deiner eigenen Schaltung ein Problem siehst, musst du dich auch Fragen ob das jetzt von deinem Netzteil oder deiner Schaltung kommt und dem nachgehen. 3. Am schlimmsten, du siehst die Stoerung vom Schaltnetzteil, denkst dir das dann ja alles klar ist und uebersiehst deshalb ein anderes Problem in deiner eigenen Schaltung weil es verdeckt wird. Es gibt natuerlich immer spezielle Ausnahmen wo ein geschaltetes Labornetzteil akzeptabel ist, oder sogar die bessere Loesung, aber es sind Ausnahmen und ich weiss nicht was ich morgen auf dem Labortisch stehen habe! Da halte ich das Konzept des Korad KA3005 fuer besser. Die angegeben 5A sind ziemlich gelogen. Fuer 1-2A funktioniert es gut, wenn man in Ausnahmenfaellen mal 5A fuer 10-20min braucht geht das auch. Wegen seiner Sparmassnahmen (Gehaeuse, Kuehlkoerper, Endstufe) ist es trotzdem noch schoen klein. (jedenfalls verglichen mit den dicken Agilent-Brummern) Und die dringend notwendige Verbesserung, Entwicklung und Einbau eines kleines Luefterreglers, ist ja eine Kleinigkeit. :-) Olaf
Christoph K. schrieb: > .... > Ich frage mich nur, ob ein Linearregler heute immer noch besser ist als > Schaltnetzgeräte. Es gibt in der Leistungsklasse schöne kleine > Laborschaltnetzteile, die kaum noch Verlustleistung verbraten. > .... > sowas in der Art, Mikrocontroller-gesteuert (Atmel AVR übrigens), die > eingestellte Spannung wird im EEPROM abgelegt und kommt nach dem > Einschalten wieder (allerdings sicherheitshalber abgeschaltet, schlecht > für unbeaufsichtigten Betrieb). Mein nagelneues Rigol hat auch alles Erdenkliche an Komfort (Datenspeicherung, Fernsteuerung, "digitale Bedienung" usw.), ist aber dennoch ein Linearregler! Und das auch aus gutem Grund! Der Stromverbrauch spielt im Labor Null Rolle, die abzuführende Verlustleistung schon eher. Verlustleistung und das geringere Gewicht sind die wirklichen Vorteile von SNT. In sehr vielen Fällen ist das auch sehr wichtig, bei einem Labornetzteil sind andere Dinge wichtig. In erster Linie Spannungs- und Stromstabilität und dann als zweites die Störarmut. Gerade dabei sind SNT einem Linearregler bei vergleichbarem Aufwand immer unterlegen. Old-Papa
Olaf schrieb: > Es gibt naemlich drei grosse Probleme: Deshalb: SHT als Vorregler, dann Filter und dann Linearregler ... (s.o.)
Wolfgang schrieb: > Olaf schrieb: >> Es gibt naemlich drei grosse Probleme: > > Deshalb: > SHT als Vorregler, dann Filter und dann Linearregler ... > (s.o.) ... was den Aufwand steigert, dagegen die Zuverlässigkeit herabsetzt. (je mehr Teile, desto mehr Nachteile, alte Technikerweisheit) Nochmal: Wenn Gewicht und Verlustleistung wichtig sind, dann ein klares Ja! Aber sonst, warum? Old-Papa
> SHT als Vorregler, dann Filter und dann Linearregler ... > (s.o.) Selbstverstaendlich. Damit werden die Probleme kleiner. Aber je nachdem was man entwickelt sind sie immer noch sichtbar. Nimm als Beispiel mal den Referenzoszillator einer PLL fuer einen Sender im zweistelligen Ghz-Bereich. (damit hab ich z.B zutun) Was glaubst du wohl wie toll du da die Nebenlinien auf dem Spektrumanalyser sehen kannst wenn nicht alles perfekt sauber ist. Da stoert dich selbst schon das Rauschen eines normalen Spannungsregler. Gut wenn man Arduinobords fuer seine Modelleisenbahn macht hat man eher weniger Probleme. :-) Aber wo an welcher Stelle fangen sie an? Willst du dir die Frage wirklich regelmaessig stellen? Ich nicht. Deshalb kein Schaltnetzteil. Ein Schaltnetzteil ist vermutlich okay wenn man garkein Entwickler ist sondern nur fremde Schaltungen einschaltet oder seine Akkus damit auflaedt. Vielleicht mit der Ausnahme von Leuten die wirklich extreme Sachen machen. Also wo man z.B 12V/50A auf dem Schreibtisch braucht. Da wuerde ich mir dann auch ein Schaltnetzteil kaufen. Olaf
Falls jemand das Conrad-Netzteil nachbauen will... Selbst abgezeichnet mit Sprintlayout und als Gerber exportiert P3 wird vor den Shunt geführt
Wenn ich mir die Störunterdrückung eines Linearreglers bei typischen Schaltreglerfrequenzen ansehe, denke ich, ein einfacher passiver LC-Tiefpass ist da eher angebracht. Negativ-low-drop LM2990 bei 100 kHz hat gerade noch 20 dB, der (pos) LM2940 ist etwas besser. Im Datenblatt die "ripple-rejection" - Kurve Außerdem kommen sich die beiden Regler bei Überstrom ins Gehege, der Linearregler "faltet zurück" und der Schaltregler bekommt vom Überstrom nichts mit. Eine Schmelzsicherung brennt auch nicht durch.
Hardy F. schrieb: > Falls jemand das Conrad-Netzteil nachbauen will... > > Selbst abgezeichnet mit Sprintlayout und als Gerber exportiert > > P3 wird vor den Shunt geführt Und, wo ist die Sprint-Datei? ;-) Hätte Interesse.... Old-Papa
Den linearen Regler hinter dem Schaltregler kann man nicht so einfach durch einen passiven filter ersetzen, sondern nur ergänzen. Der passive Filter alleine würde größere DC Fehler geben und die ohnehin schon eher schlechte Ausregelzeit des Schaltreglers noch einmal verlängern bzw. mehr Überschwinger geben. Zusammen mit einem linearen Regler dahinter passt es dann. Es gibt auch störarme Schaltnetzteile und bei höheren Strömen gibt auch klassischer Trafo mit Siebelkos einiges an Störungen ab - wenn auch bei niedrigeren Frequenzen. Die lassen sich aber nicht gut filtern. Auch ein großer Lüfter um die Abwärme los zu werden kann störend werden, und Wasserkühlung für ein lineares Netzteil ist ggf. auch irgendwie unpraktisch. Es kommt halt immer darauf an was man mit dem Netzteil betreibt und bei welcher Leistung. 20 V und 50 A ginge auch noch linear. So ab 2 kW wird es problematisch weil es dann mit der 230 V Dose knapp wird.
> Wenn ich mir die Störunterdrückung eines Linearreglers bei typischen > Schaltreglerfrequenzen ansehe, denke ich, ein einfacher passiver > LC-Tiefpass ist da eher angebracht. Du brauchst beides. Ein passiven Filter, eventuell sogar zweistufig und einen analogen Nachregler. Und du brauchst ein sehr gutes Layout. > Außerdem kommen sich die beiden Regler bei Überstrom ins Gehege, Es besteht sowieso die Gefahr das sich die beiden Reglekreise stoeren und interessantes Lastwechselverhalten zeigen. Auch dagegen kann man was tun. Und der Hersteller hat das hoffentlich gemacht und an alles gedacht. (aber manchmal auch nicht:) Aber warum zur Hoelle? Um ein paar Watt auf meinem Schreibtisch einzusparen? Wenn ein Hersteller sowas macht dann um Geld zu sparen. Und wenn man soweit ist dann kommt am Ende schnell ein Haufen Mist raus weil auch in der Entwicklung gespart wird. Und noch was, lineare Netzteile halten normalerweise 20-30Jahren und selbst dann ist nur das Poti zur Spannungseinstellung defekt und selbst wenn es mal was anderes ist, auch ohne Schaltung kann jeder so ein Netzteil in 1h reparieren. Glaubt ihr das gilt auch fuer Schaltnetzteile? Noch dazu wenn sie moeglichst preiswert sein sollen? Wirklich? Also ich nicht! Olaf
Was krieg ich dafür ? :) Von jedem ein Stück Kuchen zum Sonntag.
Hardy F. schrieb: > Was krieg ich dafür ? :) > > Von jedem ein Stück Kuchen zum Sonntag. Es ist zwar schon Abendbrotzeit, aber bis Morgen hält der sich schon. ;-) MfG Paul
Meinen Dank hast du! Geh ein Stück Kuchen essen und schick mir die Rechnung... :-)
conrad schrieb: > 30 V , 3 A ? > > Lächerlich, das wird zum Glühobst! Ist sowieso ausverkauft bei conr... https://www.conrad.de/de/labor-netzgeraet-0-30-v3-a-bausatz-192520.html
Fast 100 Watt an einem MJ3001. Der liegt sicher in flüssigem Stickstoff.
conrad schrieb: > Fast 100 Watt an einem MJ3001. > Der liegt sicher in flüssigem Stickstoff. Das wäre auch eine Lösung, geht aber auch ohne. Ein passender Kühlkörper mit Lüfter und es sollte zumindest kurzzeitig gehen. Würde ich aber so nicht machen, mindestens 2 Stück würde ich vorsehen. Ausgleichswiderstände am Emitter sind dabei Bedingung. Old-Papa
conrad schrieb: > Der liegt sicher in flüssigem Stickstoff. Ach nö... Die maximale Sperrschichttemperatur beträgt (im Gegensatz zu "modernen" Transistoren) 200Grad, Rthjc ist < 1,2, damit darf der Kühlkörper sicher bis zu 80 Grad warm werden. Also muß man für Psaaivkühlung solch einen Kühlkörper an die Rückwand des Netzgerätes schrauben: https://www.conrad.de/de/kuehlkoerper-053-kw-l-x-b-x-h-150-x-200-x-40-mm-marke-fischer-elektronik-sk-47-150-sa-188824.html Ist sicher nicht schön bei Netzüberspannung und Dauerkurzschluss im Sommer, sollte aber noch gerade so funktionieren. Andererseits deutet das vorhanden sein von R10, R11 darauf hin, daß möglicherweise doch 2 Transistoren vorgesehen sind...
Die Schaltung wurde (modifiziert) zwei Mal in der ehemaligen Elektronikzeitschrift "EAM" (Conrad) veröffentlicht (4/1990 und 6/1992). In der Version mit MJ3001 wurde der Treiber T4 (BC237) gegen einen BD241 ausgetauscht. In der Version von 1992 stecken zwei TIP3055 und als Treiber wurde ein BD675 eingesetzt.
praktika schrieb: >> Der liegt sicher in flüssigem Stickstoff. > > Ach nö... > > Die maximale Sperrschichttemperatur beträgt (im Gegensatz zu "modernen" > Transistoren) 200Grad, Rthjc ist < 1,2, damit darf der Kühlkörper sicher > bis zu 80 Grad warm werden. > Also muß man für Psaaivkühlung solch einen Kühlkörper an die Rückwand > des Netzgerätes schrauben: > https://www.conrad.de/de/kuehlkoerper-053-kw-l-x-b-x-h-150-x-200-x-40-mm-marke-fischer-elektronik-sk-47-150-sa-188824.html > > Ist sicher nicht schön bei Netzüberspannung und Dauerkurzschluss im > Sommer, sollte aber noch gerade so funktionieren. > Andererseits deutet das vorhanden sein von R10, R11 darauf hin, daß > möglicherweise doch 2 Transistoren vorgesehen sind... Na dann rechne lieber nochmal nach. Das passt nie und nimmer für "Dauerkurzschluss", was bei einer Entnahme von beispielsweise 3,3V mit 3 Ampere dem gleich kommt. Da hilft auch das Parallelschalten von mehreren MJ nichts. Das ist mit einfachen physikalischen Überlegungen schon klar. Die Energie/Wärme muss irgendwo hin....
conrad schrieb: > Na dann rechne lieber nochmal nach. Da muß ich nicht nachrechnen, ich habe ja schon vorher gerechnet! Das ist ja nun keine höhere Mathematik, es geht anhand der genannten Daten überschlägig im Kopf. An welcher Stelle kommst du denn zu einem anderen Ergebnis? Daß das Ganze arg an der Grenze ist, das ist klar. Ich würde es so nicht bauen wollen oder empfehlen zu bauen. Die kritischen Punkte hatte ich ja genannt: praktika schrieb: > Ist sicher nicht schön bei Netzüberspannung und Dauerkurzschluss im > Sommer... Nicht umsonst sind in den Bauvorschlägen der Zeitschriften immer 2 Transistoren parallel vorgesehen. Wenn man aber einen Bausatz verkaufen möchte und weiß daß der Kunde im Zweifelsfalle immer zu dem greift, der 3 Euro billiger ist... Dann kommt so etwas dabei heraus. conrad schrieb: > Da hilft auch das Parallelschalten von mehreren MJ nichts. > Das ist mit einfachen physikalischen Überlegungen schon klar. Einfache physikalische Überlegungen sind immer gut, sie müssen nebenbei aber auch richtig sein! Kurzfassung: Wenn sich die Leistung auf mehrere Transistoren verteilt, so dürfen diese jeweils mit höherer Temperatur betrieben werden. Langfassung: Ein MJ3001 der 100 Watt abführen muß, darf am Gehäuse(-boden) max.80 Grad warm werden, der gleiche Transistor bei 50 Watt schon bis zu max.140 Grad. Um bei 100 Watt die 80 Grad Gehäusetemperatur zu halten darf die Umgebungstemperatur beim oben genannten Kühlkörper mit 0.53 K/W höchstens (80-(100x0,53)= 27 Grad betragen. ==> Das ist hart an der Kotzgrenze! Um bei 100 Watt die 140 Grad Gehäusetemperatur zu halten darf die Umgebungstemperatur beim oben genannten Kühlkörper mit 0.53 K/W höchstens (140-(100x0,53)= 87 Grad betragen. ==> Das ist sehr gut brauchbar! Ich hoffe die Erklärungen waren ausführlich genug ? ;-)
praktika schrieb: > Nicht umsonst sind in den Bauvorschlägen der Zeitschriften immer 2 > Transistoren parallel vorgesehen. Auf diese Weise wird ja, bezogen auf die Gesamtschaltung, der Wärmewiderstand zwischen Sperrschicht und Kühlkörper sozusagen halbiert. Irgendwie finde ich es absurd, wenn der Wärmewider- stand zwischen Kühlkörper und Umgebung kleiner sein muss, als der Widerstand zwischen Sperrschicht und Kühlkürper.
wenn schon die Layouts vom Conrad-Netzteil gepostet werden, würde ich gerne noch den korrekten Schaltplan dazu posten. Im "Original" steckt nämlich ein Fehler(Im Layout nicht)! Wer findet ihn? Gruß Michael EDIT: Das Teil hatte ich mal vor einigen Jahren(2002?) gebaut und etwas gemoddet, u.a. ist die 8V Hilfswicklung entfallen und wurde durch eine Villard-Schaltung ersetzt. Da 1x 2N3055 absolut undersized war, kam noch einer dazu mit je 0,22R 5W an den Emittern. Damit konnte man arbeiten. Sehr nützlich fand ich die "Option" der Abschaltung bei einsetzen der Strombegrenzung(angezeigt wird dies durch die rote LED). Diesen Zustand konnte man dann resetten. Das hat so einige Kurzschlüsse in Schaltungen vor dem abrauchen bewahrt... Gruß Michael
Irgendwo habe ich die Schaltung schon mal gesehen. Funkschau so um 1972 rum? Ralph Berres
Andrew T. schrieb: >> Funkschau so um 1972 rum? > > Oben steht doch bereits das Jahr und Heft .-) Irgendwie passt eine Schaltung ohne OPV und mit Z-Dioden auch eher zu 1972 und nicht zu 1976. :-) Für einen Neubau sollte man schon ein Netzteil z.B. mit 723 oder einer anderen Referenzquelle nehmen und auch mit OPVs im Strom- und Spannungsverstärker arbeiten. Ob es sich auch lohnt, die 2N3055 zu ersetzen, ist eine andere Frage. Der ist heutzutage billig und man kann ja ein paar parallelschalten (natürlich mit Emitterwiderständen).
Harald W. schrieb: > Für einen Neubau sollte man schon ein Netzteil z.B. mit 723 Nein. Sollte man nicht.
Andrew T. schrieb: > Harald W. schrieb: >> Für einen Neubau sollte man schon ein Netzteil z.B. mit 723 > > Nein. Sollte man nicht. Sondern?
Andrew T. schrieb: > Nein. Sollte man nicht. Harald meinte sicherlich, dass der 723 nur die Referenzspannung erzeugt. So wie es auch im Elektornetzteil von 1982 gemacht wird.
Luca E. schrieb: > Harald meinte sicherlich, dass der 723 nur die Referenzspannung erzeugt. > So wie es auch im Elektornetzteil von 1982 gemacht wird. Nein, ich meinte damit,das ein auf den 723 basierendes Netzteil schon mal deutlich besser als das Netzteil aus dem Startposting ist. Das es in den folgenden 40 Jahren weitere Verbesserungen gegeben hat, ist mir auch klar. Aber der Sprung von Einzeltransistoren plus Z-Diode auf ICs ist m.E. deutlich grösser als das, was danach kam.
Harald W. schrieb: > Luca E. schrieb: > >> Harald meinte sicherlich, dass der 723 nur die Referenzspannung erzeugt. >> So wie es auch im Elektornetzteil von 1982 gemacht wird. > > Nein, ich meinte damit,das ein auf den 723 basierendes Netzteil schon > mal deutlich besser als das Netzteil aus dem Startposting ist... Der Meinung bin ich auch. Es gibt die berühmte, allseits bekannte Elektorschaltung, die keine Wünsche offen läßt. Verfeinern läßt sie sich mit einfachsten Mitteln insofern noch, daß nicht nur der Spannung auf 0,00V sondern auch der Strom auf 0,00mA stetig einstellbar ist.
Harald W. schrieb: > Das es > in den folgenden 40 Jahren weitere Verbesserungen gegeben hat, ist mir > auch klar. Obiges nennt man seit kurzem heute wohl "alternative Fakten" .-) Oder nochmal im Detail: Und weil das so ist (...40 Jahren weitere Verbesserungen...), sollte man auch ICs auch diesem Jahrtausend empfehlen. Und nicht wie Du es tustaus dem letzten. Wie du siehst, wiedersprichst Du Dr selber wenn Du oben schreibst "NEUbau" und dann doch ein Altteil nennst. Da ist es nicht nötig das Du nun mit einzel T etc. kommst und darauf vergleichst.
Was die Transistoren angeht, so sind die 2N3055 noch gut erhältlich. Eher macht es Schwierigkeiten, noch Kühlkörper mit Bohrungen für TO3-Gehäuse zu finden. Anderersseits sollte es auf den Transistortyp hier nicht so sehr ankommen, solange die Eckdaten (Spannungs/Stromfestigkeit, Maximalleistung und Stromverstärkung) stimmen. Als günstigere Alternative in TO-247 bietet sich der TIP35C an: https://www.conrad.de/de/transistor-bjt-diskret-stmicroelectronics-tip35c-to-247-3-1-npn-155456.html
Mike schrieb: > Eher macht es Schwierigkeiten, noch Kühlkörper mit Bohrungen für > TO3-Gehäuse zu finden. Es gibt da neuerdings so spiralförmig verdrehte Metallstäbchen die an einer Seite angespitzt sind. Nennt sich "Bohrer"! Mußt du mal googeln und in die Bucht gucken.
Hallo, es gibt auch einen anderen D-Transistor TIP 142 Ich habe mal eine Eagle Datei zu dem Plan entworfen, allerdings noch nicht ausprobiert. Hier die Schaltung
Thomas schrieb: > Plan entworfen, allerdings noch > nicht ausprobiert. Hier die Schaltung Da schon die Schaltung vom Original abweicht (Verbindung R8 zu R9), wird wohl auch das Layout diesen kleinen Fehler beinhalten?
Oh noch etwas, die Verbindung der positiven Hilfsspannung zu -Ua fehlt ebenfalls. Siehe auch diesen Beitrag: Michael D. schrieb: > wenn schon die Layouts vom Conrad-Netzteil gepostet werden, würde ich > gerne noch den korrekten Schaltplan dazu posten. > Im "Original" steckt nämlich ein Fehler(Im Layout nicht)! > Wer findet ihn?
@Thomas > Hallo, es gibt auch einen anderen D-Transistor TIP 142 Die z.B.: BDW83B_Darl_NPN_80V_15A_150W TIP141_NPN_Darl_80V_10A_125W BDX-53C_NPN_Darl_100V_8A_60W_hfe750 Es muß aber nicht zwingend ein Darlington sein. 2N3055, TIP3055, 2N3772, 2SC3280/81, 2SC5200, 2SD1047, etc... Gruß Michael
Und hier die Bestückung und die Folie Als pdf bei mir erhältlich
Michael D. schrieb: > Da 1x 2N3055 absolut undersized war, kam noch einer dazu mit je 0,22R 5W > an den Emittern Richtig. Leider hat deinen Hinweis keiner erhöhrt. Die bauen immer noch mit einem Einzelstück, sogar dem mickrigen Mike schrieb: > TIP35C Stattdessen sind 2 direkt parallelgeschaltete 0R1 Widerstände drin. Man hätte jeden einzeln an den MJ3001 Anschluss führen sollen, mit E1 und E2, aber Darlingtons kommen mit 0R1 nicht aus, selbst normale (nicht gepaarte) Einzeltransistoren brauchen eher 0R22-0R33, für Darlingtons sind eher 0R68 nötig).
Ich würde die Leiterbahnen vom Gleichrichter zum Ladelelco mit getrennten Bahnen ausführen. Also erst vom Gleichrichter zu den Anschlüssen des Elkos und von den Anschlusspunkten des Elkos dann weiter zum Rest der Schaltung. Ansonsten handelt man sich leicht die hohen Impulsströme zwischen Gleichrichter und Ladeelko als Spannungsabfall ein welche der Rest der Schaltung dann sieht. Dieses Brummen bekommt man kaum wieder weg. Ralph Berres
Ralph B. schrieb: > Ich würde die Leiterbahnen vom Gleichrichter zum Ladelelco mit > getrennten Bahnen ausführen. Also erst vom Gleichrichter zu den > Anschlüssen des Elkos und von den Anschlusspunkten des Elkos dann weiter > zum Rest der Schaltung. Früher gab es sogar Elkos mit vier Anschlüssen, um eine solche Schaltung zu vereinfachen.
Bitte melde dich an um einen Beitrag zu schreiben. Anmeldung ist kostenlos und dauert nur eine Minute.
Bestehender Account
Schon ein Account bei Google/GoogleMail? Keine Anmeldung erforderlich!
Mit Google-Account einloggen
Mit Google-Account einloggen
Noch kein Account? Hier anmelden.







