Ich möchte mir schon lange einen Röhrenverstärker bauen. Ich habe diverse Schaltpläne, die bei mir rum geistern, aber das Problem bei allen ist, dass ich einen grossen, teueren, schwer zu beschaffenden Ausgangsübertrager benötige. Ich hatte jetzt den ketzerischen Gedanken, den Ausgangsübertrager einfach weg zu lassen, und da einen Satz MOSFETs hinzusetzen, als Impedanzwandler. Beim Googeln habe ich raus gefunden, dass man das anscheinend Hybridverstärker nennt. Da ich aber noch überhaupt keine Erfahrung mit Röhrenverstärkern habe, würde es mich interessieren, ob ihr eine Schaltung empfehlen könnt, welche für diesen Hybrid-Ansatz besonders geeignet ist. Ich habe hier einen Schaltplan mit einer ECC83 als Vorstufe, dann nochmals ECC83 als Phasendreher und dann zwei EL84 in Gegentaktschaltung, welche auf den Ausgangstrafo arbeiten. Ich denke, eine solche Topologie eignet sich nicht, um da Transistoren einzubauen. Wie würde man das besser lösen? Der Verstärker soll schlussendlich Stereo sein. Leistung ist nicht so wichtig. Einen Regler für Bass möchte ich auch. Momentan habe ich einen Halbleiterverstärker, den ich selber entworfen habe, und dort habe ich einen Kuhschwanzregler (ähnlich diesem hier Beitrag "Re: 3 Band Equalizer") eingebaut, das funktioniert prima, ist aber mit OpAmps, und da weiss ich wiederum nicht, wie man das auf Röhren (EL84?) umbiegen kann. Wie geht das? Grüsse Tobias
Tobias P. schrieb: > habe hier > einen Schaltplan mit einer ECC83 als Vorstufe, dann nochmals ECC83 als > Phasendreher und dann zwei EL84 in Gegentaktschaltung, welche auf den > Ausgangstrafo arbeiten. Ich denke, eine solche Topologie eignet sich > nicht, um da Transistoren einzubauen. Du hast es erfasst. Es gab aber früher auch schon mit Röhren eisenlose Endstufen. Philips z.B. hat dafür spezielle Lautsprecher mit 800 Ohm Impedanz gebaut. Dennoch wirst du eine solche Schaltung nicht einfach übernehmen können, denn die Eingangkapazitäten, und besonders die für die Stabilität wichtigen Rückwirkungskapazitäten, von Röhren sind um Größenordnugen geringer als die entsprechenden Werte bei Mosfets oder IGBTs.
Hallo, also ich bin auch ein Freund von Röhrenverstärker. Ich habe mir einen 2*55Watt HiFi Verstärker selbst gebaut. Siehe Anlage. Ich habe zahlreiche Schaltpläne hier. Vom 2*5 Watt bis 2*140 Watt. Sowohl als HiFi und auch als Gitarrenverstärker für die Musiker auf der Bühne. Wenn Du mit EL84 arbeitest, wirst Du wohl oder übel einen Übetrager brauchen. Es sei denn, Du arbeitest mit eisenlosen Endstufen. Dann brauchts Du aber hochohmige Lautsprecher ca. 100 Ohm. Als Röhren kommen dann EL86 zum Einsatz. Melde Dich mal, damit wir weiter in Kontakt bleiben. MfG. Zeinerling
Tobias P. schrieb: > dass ich einen grossen, teueren, schwer zu beschaffenden > Ausgangsübertrager benötige. Ach komm, Röhrenverstärker baut man doch nicht, weil sie günstig, leicht und stromsparend sind. Und schwer beschaffbar sind die Netz- und Ausgangstrafos auf keinen Fall, es gibt wieder reichlich Anbieter, einfach mal danach googlen. Oder auf irgendne Röhrenbastlerseite schauen, z.B. Jogis Röhrenbude. http://www.roehrentechnik.de/html/transformatoren.html
Tobias P. schrieb: > Ich denke, eine solche Topologie eignet sich nicht, um da Transistoren > einzubauen. Na wenn du schon EL84 als Leistungsstufe drin hast, was willst du dann damit MOSFETs steuern. Die MOSFETs müssten doch auch die Leistung liefern, und brauchen dazu nicht so viel Ansteuerleistung wie von den damit eher nutzlosen und überflüssigen EL84 bereitgestellt wird. Lässt du die EL84 weg und erzeugst nur ein Treibersignal mit den ECC83, ist das dann noch ein Röhrenverstärker ? Der Grund war bei denen doch das Klirrfaktorverhalten bei Übersteuerung. Da die allermeisten Röhrenverstärker aber sowieso nie in Übersteuerungsclipping gehen, ist das einzige, was vom Röhrenverstärker zu Hause übrig bleibt, der erhebliche Klirrfaktor.
Hi Guck dir mal den Schaltplan im Anhang an. Das ist ne Vincent Endstufe, bei der der Eingangsdifferenzverstärker mit Röhren realisiert wurde. Layout habe ich aber leider nicht. Vielleicht kann ich dir damit weiterhelfen:) Gruß Simon
Jetzt ist aber der Wurm drin. :D Das was ich geschickt habe ist auch ganz nett... Stereo Kompressor. Jetzt hast du auch davon nen Plan:) hier jetzt aber das Richtige
Vincent baute einige Hi-End Hybrid Endstufen. Ich fand es schon immer sehr interessant, hochwertige professionelle Schaltungen zu untersuchen und zu analysieren. Man lernt sehr viel dadurch, und kann die Eigenentwicklungen schleifen und verbessern! Vielleicht lässt du Google bemühen, Vincent Service Manuals zu finden ..... http://elektrotanya.com/vincent_sp331-pwr_sch.pdf/download.html
Hier ist noch ein Link mit unglaublich wertvollen Schätzen: http://www.amplimos.it/diyschemes.htm darunter ein dutzend Hybrid schematics!!! http://www.amplimos.it/images/hyb_6463.jpg usw.... ;-)
Tobias P. schrieb: > Ich möchte mir schon lange einen Röhrenverstärker bauen. Ich habe > diverse Schaltpläne, die bei mir rum geistern, aber das Problem bei > allen ist, dass ich einen grossen, teueren, schwer zu beschaffenden > Ausgangsübertrager benötige. Beschäftige Dich doch mal mit PPP-Verstärkern. Da kannst Du den Ausgangsübertrager selber wickeln. Bauanleitungen gab es z.B. in der Funkschau der sechziger (vielleicht auch Anfang siebziger) Jahre.
Naja, ich würde sogar versuchen, den Ausgangstrafo selber zu wickeln. Kaufen ist immer ein bisschen doof, in der Schweiz gibts dafür kaum Lieferanten. Den Netztrafo zu beschaffen, das dürfte recht einfach sein, aber gerade der Ausgangstrafo ist ja eigentlich das, was schwierig zu bekommen ist. Den extra in Holland zu bestellen wird dann auch sehr teuer. Selber wickeln sollte ja aber auf einer Drehbank gehen, nur fehlt mir die Erfahrung (wegen der Schachtelung). Daher war die Idee eigentlich, den Röhrenverstärker bis zum Ausgangstrafo möglichst zu belassen, und lediglich diesen zu ersetzen, einfach deshalb, weil ich den für vernünftigen Aufwand hier nicht bekomme.
Tobias P. schrieb: > Selber wickeln sollte ja aber auf einer Drehbank gehen, nur fehlt > mir die Erfahrung (wegen der Schachtelung). Da gab es mal zu DDR-Zeiten ein Buch von K.Streng "ABC der Niederfrequenztechnik". Dort war die Berechnung und die Wickeltechnologie (u.a. auch die Schachtelung von Wicklungen) von Ausgangsübertagern beschrieben. Vielleicht kannst Du Dir das Buch irgendwie beschaffen (Antiquariat, Ebay oder auch einer gut sortierten Bücherei). Das Buch ist im Militärverlag der DDR erschienen. Schau mal hier https://www.booklooker.de/Bücher/Angebote/autor=K.Streng&titel=ABC+der+Niederfrequenztechnik Zeno
MaWin schrieb: > Da die allermeisten Röhrenverstärker aber sowieso nie in > Übersteuerungsclipping gehen, ist das einzige, was vom Röhrenverstärker > zu Hause übrig bleibt, der erhebliche Klirrfaktor. Seit wann hat ein ordentlich dimensionierter Röhrenverstärker einen erheblichen Klirrfaktor? Gerade eine richtig dimensionierte Gegentaktendsufe zeichnet sich durch einen geringen Klirrfaktor aus. In Röhrenendstufen entstehen i.d.R. geradzahlige Harmonische, die sich allerdings im Übertrager - weil Gegentakt - aufheben. Kannste alles in dem von mir im letzten Post genannten Buch nachlesen. Zeno
weiter gehts mit interessanten Links ;-) http://www.skyviewer.de/not_astro/roehre/roehre.htm http://www.skyviewer.de/not_astro/roehre/roehre2/roehre2.htm
Zeno schrieb: > Gerade eine richtig dimensionierte Gegentaktendsufe zeichnet sich durch > einen geringen Klirrfaktor aus. Also wenn es hier darum gehen soll eine "perfekte", nicht klirrende, Endstufe zu bauen, sollte man vielleicht über eine reine Transistorendstufe nachdenken. Röhrenverstärker sind (auch wenn sie gut dimensioniert sind) Transistorverstärkern weit unterlegen. Klirrwerte im 0,00 Bereich sind gar kein Problem mehr, manche sogar noch weiter darunter. Meiner Meinung nach sind gerade die erhöhten Klirrwerte die Ursache für den, von Audiophilen, geliebten Klang. Gerade der K2 Klirr. Guten Start in den Tag Simon
Zeno schrieb: > Seit wann hat ein ordentlich dimensionierter Röhrenverstärker einen > erheblichen Klirrfaktor? Schon immer. Selbst ultralinear genannte Röhren-Amps kommen nicht an 0.1% ran, üblicher ist über 1.
Tobias P. schrieb: > Den extra in Holland zu bestellen wird dann auch sehr > teuer. Z.B. Jena liegt in D. Wie gesagt, wenn es Dir ums Geld geht, sind Röhrenverstärker definitiv nichts für Dich. Manche geben allein 2000€ nur für die 4 Endröhren aus (gematchte WE300B). Irgendnen Billigschrott für <500€ selber zu frickeln lohnt der Mühe nicht. Röhrenverstärker baut man ja, um sie anderen Röhrenliebhabern auch vorzeigen zu können.
Sonst schau dir mal das Black Cat Projekt von der TU Berlin an. Die haben es geschafft einen guten Röhrenverstärker zu bauen, der nicht stark klirrt (für Röhrenverhältnisse). Das Projekt ist auch gut dokumentiert, Layout etc...
Hi, der Ausgangstrafo ist wohl nicht alleine das Problem. Also, die meisten Röhrenverstärker, die mir untergekommen sind, hatten zum Teil erhebliche Probleme mit den "Gegenkopplungen". D.h. die Rückführung vom Ausgang auf eine Vorstufe oder den Kathoden- bzw. Gitterkreis der Endröhre. Das machte sich dann in Blubbern und sonstiger Schwingneigung bemerkbar. Hat man da keine genauen Dimensionierungsbeispiele, bekommt man im Eigenbau nicht das gewünschte Ergebnis. Die im Bild gezeigte E(C)LL801 war laut Kundenangaben unverhältnismässig häufig kaputt. Transistorverstärker hatten zwar auch Crashs, aber die Zuverlässigkeit scheint - mit aller Vorsicht formuliert - insgesamt besser zu sein, jedenfalls nach der Ära "AD161-Germanium". Man sollte Brummen, Rauschen und Mikrophonie bei Röhren auch nicht ganz unterschätzen. Dann die Wärmeentwicklung und insgesamt schlechtere Energiebilanz in Zeiten des "Energiesparwahns". Beispiel: Transistorstereoverstärker hat im Leerlauf ca. 35 Watt (VA). Mit der Ansteuerung, also Lautstärke steigt die Leistungsaufnahme. Bei Vollgas zieht das Ding sogar kurzzeitig 500 Watt aus dem Netz. Bei den Röhrenverstärkern habe ich schon einmal einen konstanten Leistungsbedarf durch die Röhrenheizungen. Dann die hohen Anodenspannungen. 1000 Volt sind da keine Seltenheit. Das allein könnte die Sache schon "unwirtschaftlich" erscheinen lassen. OK, lassen wir diese Argumente weg, worin liegt dann eigentlich das hohe Interessante an Röhrenverstärkern, Nostalgie oder Klang? Das sind Weltanschauungsfragen, die ich nicht zu beurteilen wage. ciao gustav
MaWin schrieb: > Schon immer. > Selbst ultralinear genannte Röhren-Amps kommen nicht an 0.1% ran, > üblicher ist über 1. Du hast keine Ahnung! Schon mal was von Gegenkopplung gehört? Du mußt schon zwischen Gitarrenverstärkern und HiFi-Röhrenverstärkern unterscheiden. Bei Gitarrenverstärkern wird i.d.R. auf die (Wechselspannungs-) Gegenkopplung aus Kostengründen verzichtet, da durch die Gegenkopplung die Verstärkung sinkt und man so meist zusätzliche Verstärkerstufen = Röhren benötigt. Desweiteren ist die Dimensionierung der Ausgangsübertrager von größter Bedeutung, also ausreichender Kernquerschnitt (größer als lt.Datenblatt erforderlich) und wohlüberlegte Schachtelung der Wicklungen. Alles Dinge auf die in Standardschaltungen verzichtet wird - im alten Röhrenradio wirst Du so gut wie nie einen Ausgangsübertrager mit geschachtelten Wicklungen finden. Wie man das genau macht kannste selber in dem von mir genannten Buch nach lesen - dort ist die Berechnung des Übertragers ausführlichst beschrieben. Ja und nicht zuletzt entscheidet die Auswahl der Röhren über den Klirrfaktor. Dies beginnt schon bei der Vorstufe. Bei geeigneter Beschaltung lassen sich dort Klirrfaktoren um die 0,5% erreichen. In den Endstufen werden bei hochwertigen Verstärkern Trioden und keine Pentoden benutzt, womit die von Dir benannte Ultralinearschaltung außen vor ist. Grund für die Trioden : Trioden erzeugen vorwiegend geradzahlige Harmonische die sich bei Gegentaktbetrieb im Ausgangsübertrager aufheben. Kann man alles in der Literatur nach lesen. Aus den genannten Gründen ist eben der Bau eines hochwertigen Röhrenverstärkers auch sehr teuer und aufwändig. Und was den Klirrfaktor betrifft dann schau mal hier http://www.hifi-studio.de/hifi-klassiker/luxman_tube.htm oder hier http://www.andreadrian.de/roehrenverstaerker/ (hier spricht man im Ultralinearbetrieb von 0,7%). Es gibt genug Material im Netz die DEine pauschale Aussage widerlegen. Zeno
Zeno schrieb: > Peter D. schrieb: >> Z.B. Jena liegt in D. > > Richtig !! Sicher? https://de.wikipedia.org/wiki/Jena_(Louisiana)
Karl B. schrieb: > zum Teil erhebliche Probleme mit den "Gegenkopplungen" Die "über Alles" Gegenkopplung löst leider nicht die Probleme und kann bei, sagen wir mal, nicht optimaler Dimensionierung eher Probleme verursachen, nämlich genau die von Dir geschilderten. A und O bei hochwertigen Verstärken ist exakte Dimensionierung. Dazu gehört, wie schon geschrieben, die optimale Dimensionierung des Ausgangstrafos, denn dieser darf niemals in die Sättigung gehen. Möglichst "ideale" Symmetrie der Gegentaktendstufe, weil sich nur dann die magnetischen Durchflutungen der Gleichfelder im Übertrager aufheben. Ja und die Leistungsfähigkeit der Röhren sollte man auch nicht unbedingt ausnutzen. Beispiel: Mit 2x EL34 lassen sich bei ca. 800V Anodenspannung im B-Betrieb 100W erzeugen. Besser ist es hier 4x EL34 zu benutzen. Noch besser wird es, wenn man den Verstärker im A-Betrieb fährt, was aber keiner macht da die Verluste zu groß werden und auch schon eine hohe Ruheleistung verbraucht wird. Zeno
Harald W. schrieb: > Sicher? Ganz sicher! Das https://de.wikipedia.org/wiki/Jena_(Louisiana haben die Amis nur "gekupfert". :-)
Zeno schrieb: > MaWin schrieb: >> Schon immer. >> Selbst ultralinear genannte Röhren-Amps kommen nicht an 0.1% ran, >> üblicher ist über 1. > > Du hast keine Ahnung! Schon mal was von Gegenkopplung gehört? Starke Worte, die kannst du natürlich untermauern: > Bei geeigneter Beschaltung lassen sich dort Klirrfaktoren um die 0,5% > erreichen. Autsch, weit über 0.1% (aber zwischen 0.1 und 1) > Röhrenverstärkers auch sehr teuer und aufwändig. Da schlottern mir die Knie. > hier spricht man im Ultralinearbetrieb von 0,7%). Autsch, weit über 0.1% (aber zwischen 0.1 und 1) > Es gibt genug Material im Netz die DEine pauschale Aussage widerlegen. Aber du hast offenbar nichts derartiges. Geh spielen, armer Wicht.
MaWin schrieb: > Geh spielen, armer Wicht. Bist Du ein arroganter Bursche! Ist aber nichts Neues - hast Du ja schon mehrfach bewiesen. MaWin schrieb: > der erhebliche Klirrfaktor. Deine Worte hast Du wahrscheinlich schon vergessen - ist halt blöd wenn es dann doch mit Fakten widerlegt wird. Der erhebliche Klirrfaktor ist eine Definitionssache, der Mawinsche erhebliche Klirrfaktor beginnt schon bei 0,1% und ist wahrscheinlich eher flexibel angelegt. MaWin schrieb: >> Es gibt genug Material im Netz die DEine pauschale Aussage widerlegen. > > Aber du hast offenbar nichts derartiges. Das meinst Du. Lebe weiter in der Mawin-Welt, Du hast natürlich wie immer recht und ich habe auch keine Lust mehr mit solch arrogantem Sturkopf weiter zu diskutieren, weil es sinnlos ist und ich besseres zu tun habe.
Zeno schrieb: >> der erhebliche Klirrfaktor. > Deine Worte hast Du wahrscheinlich schon vergessen - ist halt blöd wenn > es dann doch mit Fakten widerlegt wird. Der erhebliche Klirrfaktor ist > eine Definitionssache, der Mawinsche erhebliche Klirrfaktor beginnt > schon bei 0,1% und ist wahrscheinlich eher flexibel angelegt. Es ist nicht Definitionssache, sondern Lesefähigkeitssache: Ich schrieb, daß die normalen Röhrenverstärker Klirrfaktoren über 1% haben, und selbst die Guten nicht besser als 0.1% werden (denn ich kenne keinen, nur welche mit 0.3%). Du zeigst ein paar gute, die mit 0.5 und 0.7 allesamt zwischewn 0.1 und 1 liegen wie behauptet und erwartet, und verwendest die Worte "Du hast keine Ahnung". Und jetzt bist du beleidigt, weil der einzige, der sich hier blamiert hat, du bist. Um mir "Du hast keine Ahnung" vorzuwerfen, musst du früher aufstehen.
Mit Röhrenverstärkern ist es wie mit Dampfmaschinen, wunderschön anzuschauen, machen Eindruck auf unbedarfte Zuschauer, haben aber von den technischen Daten absolut keinen Sinn mehr. Röhren, Trafos und Pläne habe ich noch ganze Kisten voll im Regal (komme ja aus der Zeit) und irgendwann bau ich vielleicht mal einen zum Spaß, doch zum Hören und erst recht in meinen PAs kommt mir keine Röhre in den Signalzweig. Und sogenannte Hybridverstärker mit 1-2 Alibiröhren in der Schaltung sind eh Verarschung! Wenn es um linerare Tonwidergabe bei Endstufen geht (und nur darum geht es!) sind Röhren am absolut hinteren Ende der Evolutionskette. Wenn es ums Protzen und Verzerren geht, dann stehen die einsam an der Spitze. Übrigens: Ein Verstärker (oder auch Lautsprecher) der "klingt" ist per se Schrott! Ideal kommt hinten genau das Gleiche raus, was vorne rein geht, nur viel stärker. Old-Papa
Old P. schrieb: > Und sogenannte Hybridverstärker mit 1-2 Alibiröhren in der Schaltung > sind eh Verarschung! Noch mehr bizarre Röhrengeräte: Röhren-Motherboard: https://uk.hardware.info/reviews/4741/9/the-20-most-bizarre-and-innovative-motherboards-1999---2010-aopen-ax4b-533-tube-2002-tube-amp-included Röhren CD-Player: http://www.audioscope.net/luxman-d105u-tube-cdplayer-p-1148.html?language=de
Peter D. schrieb: > Noch mehr bizarre Röhrengeräte: ..und du hast die Spezialgattung Röhre noch vergessen: den Röhrenlautsprecher :-))
Old P. schrieb: > Wenn es um linerare Tonwidergabe bei Endstufen geht (und nur darum geht > es!) sind Röhren am absolut hinteren Ende der Evolutionskette. Sehr schön auf den Punkt gebracht !! TommyZ
Tobias P. schrieb: > und dort habe ich > einen Kuhschwanzregler (ähnlich diesem hier > Beitrag "Re: 3 Band Equalizer") eingebaut, das > funktioniert prima, ist aber mit OpAmps, und da weiss ich wiederum > nicht, wie man das auf Röhren (EL84?) umbiegen kann. Wie geht das? Am besten schaust du mal in die RIM Bastelbücher aus der Hoch-Zeit der Röhrentechnik: http://wegavision.pytalhost.com/rim.html Vorzugsweise die aus den 60er Jahren, denn da bestehen wenigstens Chancen, das du einen Grossteil der verwendeten Röhren noch bekommst. Als Bastelobjekt kann man sicher was draus lernen, eine richtige Existenzberechtigung haben Röhren heute nicht mehr. Aber sie sehen hübsch aus und erfreuen EVU und Röhrenhersteller.
Zeno schrieb: > MaWin schrieb: >> Schon immer. >> Selbst ultralinear genannte Röhren-Amps kommen nicht an 0.1% ran, >> üblicher ist über 1. > > Du hast keine Ahnung! Schon mal was von Gegenkopplung gehört? > > Du mußt schon zwischen Gitarrenverstärkern und HiFi-Röhrenverstärkern > unterscheiden. Bei Gitarrenverstärkern wird i.d.R. auf die > (Wechselspannungs-) Gegenkopplung aus Kostengründen verzichtet, da durch > die Gegenkopplung die Verstärkung sinkt und man so meist zusätzliche > Verstärkerstufen = Röhren benötigt. Gitarrenverstärker müssen vor allem einen hohen Innenwiderstand, oder anders ausgedrückt, geringe Dämpfung haben. Dann kommen nämlich die Unzulänglichkeiten der verehrten 50..70 Jahre alten Lautsprecherkonstruktionen besser zu Geltung. (nichts Gegen den Klang, aber man sollte verstehen, wo der her kommt und nein, es ist nicht weil die technisch besser sind). Erreichen kann man diesen hohen Innenwiderstand mit Röhren sehr einfach. Er ist quasi eines der Designprobleme. Es kommt automatisch, wenn man keine Verstärkung an eine Gefenkopplung verschwenden kann. Und mit Festkörperkaltröhren aus Sand erreicht man das durch Strom- statt Spannungs-Gegenkopplung. Verstärkung gibts da eh satt und günstig. Röhren bestehen übrigens auch zu einem erheblichen Teil aus Silizium. Gut, es ist mit Sauerstoff dotiert. BTW, es ist ein üblicher Marketingtrick, die eigenen Schwächen als besonderen Vorzug heraus zu stellen. So kann man der Konkurrenz jeglichen Ansatz für Kritik nehmen. Und mit etwas Glück hecheln die dann hinter her und versuchen "genau so schlecht" zu sein.
Carl D. schrieb: > Und mit etwas Glück hecheln die dann > hinter her und versuchen "genau so schlecht" zu sein. Nun, mit DSP kann man die Verzerrungen der Röhren gut nachbilden.
MaWin schrieb: > sondern Lesefähigkeitssache Genau das was Du nicht kannst. Ich hatte mich nie auf einen speziellen Wert festgelegt. In Deinem ersten Post sprachst Du von einem erheblichen Klirrfaktor und nicht von einem konkreten Wert. Da darf man schon mal fragen was erheblicher Klirrfaktor ist. Ich kann mich noch an Zeiten erinnern wo Geräte für Otto Normalverbraucher 10% hatten. Ich habe nie behauptet das Röhrenverstärker in die Nähe von 0,1% kommen. Diesen für Dich offensichtlich wichtigen Grenzwert hast Du in Diesem Thread eingeführt. Ich habe aber an Beispielen gezeigt das Klirrfaktoren unter 1% auch mit Röhren möglich sind. Habe auch nie bezweifeltet das ein vernünftig dimensionierter Halbleiterverstärker bessere Werte bringt. MaWin schrieb: > Und jetzt bist du beleidigt Nöö! MaWin schrieb: > Um mir "Du hast keine Ahnung" vorzuwerfen, musst du früher aufstehen. Ach zu zu der Zeit als Du diesen Post geschrieben hast hatte ich schon fast mein Tagwerk vollbracht. Wer wird da wohl früher aufgestanden sein? Und um das Thema Klirrfaktor mal zum Abschluß zu bringen, das war vom TO überhaupt nicht gefragt und insofern war der 2. Teil Deines ersten Posts eh am Thema vorbei (halt auch ne Frage der Lesefähigkeit) und ja dummerweise bin ich drauf angesprungen. Zeno
Zeno schrieb: > ... > Genau das was Du nicht kannst. Ich hatte mich nie auf einen speziellen > Wert festgelegt. > In Deinem ersten Post sprachst Du von einem erheblichen Klirrfaktor und > nicht von einem konkreten Wert. Da darf man schon mal fragen was > erheblicher Klirrfaktor ist. Ich kann mich noch an Zeiten erinnern wo > Geräte für Otto Normalverbraucher 10% hatten. Also, 1% halte ich schon für erheblich! Vielleicht weil ich mich schon fast mein halbes Leben mit Ton beschäftige bilde ich mir ein, mindestens 1% mit blosen Ohren wahrzunehmen. Bei 3% wirds kritisch, bei 10% fliegt mir das Nackenhaar weg! Klar, früher war es üblich die jämmerlichen Leistungen damaliger Verstärker bei 10% Klirrfaktor anzugeben, doch mit Genuss hat so wohl niemand gehört. Hat man die Lautstärke reduziert wurde das erträglicher. Der Klirrfaktor ist aber nicht alles. Bei einem Röhrenamp sind noch andere Kennwerte schlechter: Klirrfaktor (hatten wir ja schon) Frquenzgang (Bässe und Höhen beschnitten, der typische Röhrenklang) Unterschiedliche Phasendrehung versauen den Stereoeindruck (da Ausgangsübertrager nicht wirklich zu 100% gleich sind) Wirkungsgrad Gewicht ... Aber cool sind se... (obwohl: "cool" ist bei einem Röhren-PA irgendwie schräg) Old-Papa
Old P. schrieb: > Frquenzgang (Bässe und Höhen beschnitten, der typische Röhrenklang) > Unterschiedliche Phasendrehung versauen den Stereoeindruck (da > Ausgangsübertrager nicht wirklich zu 100% gleich sind) > Wirkungsgrad > Gewicht > ... Das mag ja alles sein, war aber vom TO nicht gefragt. Dennoch ein kurzes Statement sei gestattet : Klangwahrnehmung ist halt immer subjektiv und da gefallen mir die Röhrenverstärker besser - irgendwie weicher. Aber wie gesagt das ist subjektiv und meine persönliche Meinung. Und die nächste Frage ist sowieso, was kann ich überhaupt akustisch wahrnehmen. Es gibt sicher Leute mit einem sehr geschulten Gehör die Feinheiten wahrnehmen. Der größte Teil der Menschen wird Mühe haben einen Klirrfaktor von 1% heraus zu hören. Die größte Empfindlichkeit des menschlichen Gehörs bezüglich Klirrfaktor liegt bei ca. 1 - 4kHz, was in etwa dem Frequenzbereich der Sprache entspricht. In diesem Bereich werden schon Klirrfaktoren unter 1% als störend empfunden. Unterhalb von 1kHz liegt der Grenzwert bei ca. 5%. Aber das sind Durchschnittswerte und wenn da einer ein geschultes Gehör hat, dann können sich die Grenzen auch nach unten verschieben. Genauso ist es mit dem Frequenzbereich. Die 20-20000Hz hören nur die wenigsten Menschen. Ein Jugendlicher mit 15 Jahren sollte im Durchschnitt bis etwa 18000kHz hören. Mit steigendem Alter sinkt diese Frequenzgrenze normalerweise. Zeno
Trotzdem oder gerade deshalb frage ich mich, woher immer dieser besondere Klang beruht, der dem Röhrenverstärker nachgesagt wird. "Weicher" liest man ja auch öfter, ich kann damit nichts anfangen, weich ist für mich eine überlagerte Tomate. Kommt das nicht eher von den Lautsprechertypen, die typischerweise an Röhrenverstärkern betrieben wurden?
"Weicher" halte ich eher für einen Marketing-Gag ;-) Es fehlen halt etwas die Bässe oder man hat große Übertrager drin. Höhen sind auch weniger, hauptsächlich auch wegen den Übertragern. Einzig beim Übersteuern kappen sie nicht ganz so brutal wie Halbleiter-Amps die Schwingungen. Dafür sind zumindest einfache Röhrenschaltungen sehr brummanfällig. Hauptsächlich weil sie in jeder Stufe relativ hochohmig sind, aber auch wegen der (Wechselstrom)Heizung. Eigentlich kann man jedem Halbleiterverstärker mit einfachen Mitteln den gleichen "weichen Klang" entlocken. Ich behaupte, wenn ich zwei komplett identische Halbleiterverstärker aufbaue und einem davon oben noch ein paar Röhren, Elkos und Übertrager als Fake aufdübele, werden selbst "geschulte Goldöhrchen" diesen als viel angenehmer und weicher empfinden. (ich befürchte, als Chinaware gibt es sowas sogar) Aber jeder wie er mag, soll er/sie doch mit Röhren hören. Es gibt ja auch Dampfmaschinenfreunde, andere schwören auf alte Autos, wieder andere auf "reife" Frauen..... so vielfältig ist die Welt. Mich ärgern nur die Hardcore-Fans, die alles Andere (ältere oder modernere) in den Dreck ziehen. Old-Papa
MaWin schrieb: > Zeno schrieb: >> Seit wann hat ein ordentlich dimensionierter Röhrenverstärker einen >> erheblichen Klirrfaktor? > > Schon immer. > Selbst ultralinear genannte Röhren-Amps kommen nicht an 0.1% ran, > üblicher ist über 1. ..wen interessiert das? Kennst Du die Klirrfaktoren üblicher Lautsprecherchassis? Gruß, Holm
Old P. schrieb: > "Weicher" halte ich eher für einen Marketing-Gag ;-) > Es fehlen halt etwas die Bässe oder man hat große Übertrager drin. Höhen > sind auch weniger, hauptsächlich auch wegen den Übertragern. Papa das ist Käse - der F-Gang als HIFI Amp vorgesehener Verstärker geht unter 20Hz los und endet weit über 30Khz. Ein Röhrenamp muß auch nicht unbedingt Ausgangübertrager haben (OTL). > Einzig beim Übersteuern kappen sie nicht ganz so brutal wie > Halbleiter-Amps die Schwingungen. Dafür sind zumindest einfache > Röhrenschaltungen sehr brummanfällig. Genau so ein Vorurteil. Brummen hat einen technischen Grund, entweder Einstreuungen über hochohmige Leitungen oder mangelnde Siebung..Beides gehört nicht zum Prinzip von Röhrenamps. >Hauptsächlich weil sie in jeder > Stufe relativ hochohmig sind, aber auch wegen der (Wechselstrom)Heizung. > Eigentlich kann man jedem Halbleiterverstärker mit einfachen Mitteln den > gleichen "weichen Klang" entlocken. Nein, kann man nicht, es gibt viele Gerätchen die das simulieren wollen, aber warum stehen dann auf der Bühne großer Band Wände von Röhrenamps (ACDC z.B. Orange)? > > Ich behaupte, wenn ich zwei komplett identische Halbleiterverstärker > aufbaue und einem davon oben noch ein paar Röhren, Elkos und Übertrager > als Fake aufdübele, werden selbst "geschulte Goldöhrchen" diesen als > viel angenehmer und weicher empfinden. (ich befürchte, als Chinaware > gibt es sowas sogar) Nö. > > Aber jeder wie er mag, soll er/sie doch mit Röhren hören. Genau. > Es gibt ja > auch Dampfmaschinenfreunde, andere schwören auf alte Autos, wieder > andere auf "reife" Frauen..... so vielfältig ist die Welt. Mich ärgern > nur die Hardcore-Fans, die alles Andere (ältere oder modernere) in den > Dreck ziehen. > > Old-Papa Ja, Du aber bist vorneingenomen. Die von dir genannten Nachteile existieren nur auf Grund von Unzulänglichkeien der Konstruktion und der Klirrfaktor läßt sich auch in die Gegend um 0,1% bringen, ab ca. 5-6% kann man den Klirr mit goldenen Ohren hören, Lautsprecher haben einen KF von 10-12%. Mir ist klar das Du die Teile nicht herumschleppen willst und das irgenwelche Transistoramps deutlich robuster sind. Das sollte aber kein Grund sein ausschließlich subjektiv über Röhrenlösungen zu fabulieren. Gruß, Holm
Thomas Z. schrieb: > Old P. schrieb: >> Wenn es um linerare Tonwidergabe bei Endstufen geht (und nur darum geht >> es!) sind Röhren am absolut hinteren Ende der Evolutionskette. > > Sehr schön auf den Punkt gebracht !! > > TommyZ Jawoll. Vorn in der Evulutionskette stehen Amöben, hinten der Mensch..also dummes Geschwafel. Gruß, Holm
Holm T. schrieb: > ..wen interessiert das? Kennst Du die Klirrfaktoren üblicher > Lautsprecherchassis? Also meine haben 0.6% (Adam A5X), gute erreichen 0.2% und Kopfhörer gehen bis 0.01% (Sennheiser Orpheus).
Also ich will den Röhrenamp nicht bauen wegen des Klangs. Auch nicht wegen des Gewichts oder wegen der hohen Leistungsaufnahme. Sonder weil "der Weg das Ziel" ist - einfach mal versuchen. Es macht auch Spass, ein tolles Chassis dazu zu bauen etc. Also die Diskussion wegen Klirrfaktor und all dem Kram kann man sich echt sparen, die ist soo uralt, die hat einen Bart bis nach China. Es steht ausser Frage dass Röhren schlechter sind als Transistoren und OpAmps. Nichtdestotrotz kann man einen Röhrenamp bauen.
MaWin schrieb: > Holm T. schrieb: >> ..wen interessiert das? Kennst Du die Klirrfaktoren üblicher >> Lautsprecherchassis? > > Also meine haben 0.6% (Adam A5X), gute erreichen 0.2% und Kopfhörer > gehen bis 0.01% (Sennheiser Orpheus). Du warst schon immer anders als all die Anderen.. Gruß, Holm
Tobias P. schrieb: > Also ich will den Röhrenamp nicht bauen wegen des Klangs. Auch nicht > wegen des Gewichts oder wegen der hohen Leistungsaufnahme. Sonder weil > "der Weg das Ziel" ist - einfach mal versuchen. Es macht auch Spass, ein > tolles Chassis dazu zu bauen etc. Also die Diskussion wegen Klirrfaktor > und all dem Kram kann man sich echt sparen, die ist soo uralt, die hat > einen Bart bis nach China. Es steht ausser Frage dass Röhren schlechter > sind als Transistoren und OpAmps. Nichtdestotrotz kann man einen > Röhrenamp bauen. Laß Dir die Sache nicht ausreden, probiere selbst. Natürlich sollte man am Schluß mal messen was dabei heraus gekommen ist, aber Zahlen sind da auch nur "Schall und Rauch". Das Auge ißt mit.. Gruß, Holm
Tobias P. schrieb: > Also ich will den Röhrenamp nicht bauen wegen des Klangs. Auch nicht > wegen des Gewichts oder wegen der hohen Leistungsaufnahme. Sonder weil > "der Weg das Ziel" ist - einfach mal versuchen. Es macht auch Spass, ein > tolles Chassis dazu zu bauen etc. Also die Diskussion wegen Klirrfaktor > und all dem Kram kann man sich echt sparen, die ist soo uralt, die hat > einen Bart bis nach China. Es steht ausser Frage dass Röhren schlechter > sind als Transistoren und OpAmps. Nichtdestotrotz kann man einen > Röhrenamp bauen. Natürlich kann man das! Ich schrieb ja ganz oben schon, dass ich das vielleicht auch noch mache. Genau wegen dem "Weg und Ziel" Ich hoffe, Holm ist jetzt nicht verunsichert ;-))) Old-Papa
MaWin schrieb: > Kopfhörer gehen bis 0.01% (Sennheiser Orpheus) Welche BTW auch einen Röhrenverstärker haben...
Du altes Gerippe willst mich verunsichern? :-)) Ich glaube Du würdest das nicht mal versuchen.. Nee, ohne Flachs, laßt ihn basteln, Ich baue und repariere auch Röhrenamps, das schließt aber Halbleiterverstärker auch nicht aus. Meinen Geschmack treffen allerdings sogenannte Hybrid Amps eher nicht, wenn Röhre dann Röhre und dann auch Gleichrichterröhre trotz aller Nachteile. Bei vernünftigen Transformatoren wird dabei das Ergebnis nicht schlecht sein, für DIN45500 reicht es allemal. An den Trafos sparen zu wollen rächt sich allerdings immer. Das was ich in dieser Richtung bisher selber gerechnet und gewickelt habe hat immer anstandslos funktioniert, es ist aber im Vergleich zu einem TDA7294 halt ein höllischer Aufwand für den mir in den letzten Jahren die Zeit fehlt. Reinhöfer Electronic liefert aber sehr gute Trafos und die sind ihr Geld wert..nicht billig freilich.. Der Amp selbst ist auch nur die eine Hälfte des Aufwands, sein Gehäuse ist die Andere.. Nochwas: Was ist Klirrfaktor? Das ist die Abweichung des Ausgangssignals von der Führungsgröße. Sowas bewerkstelligt schon ein Klangregler, genauso wie der zwangsläufig Phasendrehungen macht. Eine Lautsprecherbox neben einer Glasvitrine sorgt auch dafür das Klirr am Ohr ankommt. Ein Audioverstärker mit <0,1% Klirr sorgt damit noch lange nicht für Musikgenuß und wenn hier olle Opas wie Mawin (wenn er der alte MaWin ist) und Old Papa oder Ich über solche Sachen philosophieren sollte man nicht vergessen das unsere Ohren schon lange nicht mehr das sind was sie mal waren.. Klirrfaktor taugt als Argument gegen Röhrenverstärker einfach überhaupt nicht. Die Röhrentechnik ist durchentwickelt und kann jeden Bereich der Audiotechnik beackern, Auch Rundfunkstudios arbeiten/arbeiteten mit Röhrengeräten, da brummt rauscht und klirrt Nichts. Gruß, Holm
batman schrieb: > "Weicher" liest man ja auch öfter Das liegt letzendlich daran wie sich der Klirrfaktor zusammensetzt. In Röhrenverstärkern entstehen vorwiegend geradzahlige Harmonische, während es im Transistorverstärker überwiegend ungeradzahlige Harmonische sind. Letztere werden vom Gehör eher als unangenehm empfunden. Warum das so ist kann ich nicht sagen, da müßte man mal jemanden fragen der sich damit auskennt. DEnke mal das es in der Anatomie des menschlichen Gehörs begründet ist. Eine zweite Sache ist, das der Transistorverstärker ein breiteres lineares Frequenzspektrum hat. Moderne direktgekoppelte Verstärker können Frequenzen von 0Hz bis weit über 20kHz übertragen. Bei Röhrenverstärkern geht das aus konstruktiven Gründen nicht. Durch die erforderlichen Koppelkondensatoren liegt die untere Frequenzgrenze bei ca. 20Hz. Die obere Grenzfrequenz wird durch den Ausgangsübertrager begrenzt und liegt maximal bei etwa 20kHz - meist darunter. Was von dem Übertragenen an Deinem Ohr ankommt hängt dann letztendlich vom Lautsprecher ab der seinerseits das Frequenzband auch wieder einschränkt. Zeno
Holm T. schrieb: > Jawoll. Vorn in der Evulutionskette stehen Amöben, hinten der > Mensch..also dummes Geschwafel. Auch ein guter Vergleich :-)
Holm T. schrieb: > Du warst schon immer anders als all die Anderen.. Laß es WaWin weis es immer besser, hat immer eine andere Meinung und rückt auch nicht davon, selbst wenn es der Gegenpart begründet, warum es anders ist. Zeno
Zeno schrieb: > batman schrieb: >> "Weicher" liest man ja auch öfter > > Das liegt letzendlich daran wie sich der Klirrfaktor zusammensetzt. In > Röhrenverstärkern entstehen vorwiegend geradzahlige Harmonische, während > es im Transistorverstärker überwiegend ungeradzahlige Harmonische sind. > Letztere werden vom Gehör eher als unangenehm empfunden. Warum das so > ist kann ich nicht sagen, da müßte man mal jemanden fragen der sich > damit auskennt. DEnke mal das es in der Anatomie des menschlichen Gehörs > begründet ist. > > Eine zweite Sache ist, das der Transistorverstärker ein breiteres > lineares Frequenzspektrum hat.. Also kurz, wegen des Klirrfaktors und der Bandbreite bevorzugen manche Röhrenverstärker. Kann man verstehen, muß man aber nicht.
Zeno schrieb: > Holm T. schrieb: >> Du warst schon immer anders als all die Anderen.. > > Laß es WaWin weis es immer besser, hat immer eine andere Meinung und > rückt auch nicht davon, selbst wenn es der Gegenpart begründet, warum es > anders ist. > > > Zeno WENN das Manfred Winterhoff ist, dann kenne ich den seit Jahrzehnten und weiß wie man ihn so "handhabt".. @Zeno: >Eine zweite Sache ist, das der Transistorverstärker ein breiteres >lineares Frequenzspektrum hat. Moderne direktgekoppelte Verstärker >können Frequenzen von 0Hz bis weit über 20kHz übertragen. Bei >Röhrenverstärkern geht das aus konstruktiven Gründen nicht. Durch die >erforderlichen Koppelkondensatoren liegt die untere Frequenzgrenze bei >ca. 20Hz. Die obere Grenzfrequenz wird durch den Ausgangsübertrager >begrenzt und liegt maximal bei etwa 20kHz - meist darunter. >Was von dem Übertragenen an Deinem Ohr ankommt hängt dann letztendlich >vom Lautsprecher ab der seinerseits das Frequenzband auch wieder >einschränkt. Nein. Es ist eine Frage der Topologie des entsprechenden Amps bzw. der Übertragungskette. Ein Röhrenverstärker muß nicht zwangsläufig Koppelkondensatoren oder Übertrager haben, genauso wie ein Lautsprecher nicht unbedingt eine Schwingspule haben muß. Beispiele für direkt angekoppelte Elektrostaten an Röhrenamps gibts ausreichend und ein Athmasphere M60 ist von vorne nach hinten Gleichspannungsgekoppelt. (auch wenn das Ding bei mir unter Vergewaltigung läuft) Das ist im Prinzip ein Operationsverstärker. http://www.atma-sphere.com/Products/M-60 http://www.audioasylum.com/cgi/vt.mpl?f=otl&m=35163 Das gesamte Lamento über Frequenzgang und Phasendrehungen in Röhrenverstärkern ist Kokolores, genauso wie das Röhrenamps immer höhere Klirrfaktoren haben müssen. Das geradzahlige Oberwellen bei Röhren auftreten stimmt auch nur für Eintaktanordnungen, bei üblichen Gegentakt Amps löschen sich diese im Ausgangstrafo aus. Gruß, Holm
Zeno schrieb: > Laß es WaWin weis es immer besser Das ist ja auch nicht all zu schwer, denn einerseits wimmelt es hier von Kenntnislosen, und dann noch von desinformierenden Röhren-Fanboys. Holm T. schrieb: > Beispiele für direkt angekoppelte Elektrostaten an Röhrenamps gibts > ausreichend Ja, das haben wir auch beim Orpheus, so bald der Ausgangstrafo entfallen kann, lässt sich auch mit Röhren klirrarm bauen, und bei den hohen Spannungen der Elektrostaten sogar einfacher als mit Transistoren. Aber solche Exoten sind nicht die betrachteten Endstufen, die für 4 oder besser 8 Ohm gebaut werden. Zumal die Beschaffungsschwierigkeiten (bzw. der Preis) eines wirklich guten Ausgangstrafos bei den ganzen modernen Röhrenverstärkernbastlern eher schlechtere Ergebnisse erzwingt als früher. Wenn ein Verstärker "klingt", ist er kein Verstärker, sondern ein Effektgerät. batman schrieb: >> Das liegt letzendlich daran wie sich der Klirrfaktor zusammensetzt. Gar nicht. Es ist technisch seit 1980 kein Problem (mit Transistoren) Verstärker aufzubauen, deren Klirr und IM so gering ist (0.00xx%) daß der Verstärker keinen eigenen Anteil zum Klang mehr beiträgt. Es spielt keine Rolle, ob die übrigen Verzerrung mit -90dB bei 3 oder 4 fach Harmonischer liegen. Selbst Lautsprecher sind heute besser als Röhrenverstärker mit ihren Ausgangstrafos. Und wenn man das Signal elektronisch vorkompensiert, wird der Klang noch besser, aber das ist noch nicht Stand der Technik. http://www.pfleid.de/ http://www.edn.com/electronics-blogs/sound-bites/4431434/Getting-low-distortion-sine-waves-from-a-loudspeaker Bei mir versucht es wenigstes ein dBx driverack, aber das glättet auch nur Frequenzgang und Raumeinfluss. Für Röhrenfanboys sind diese DSP Geschichten zu kompliziert, daher bauen die lieber den 50ten glühenden Verstärker auf. http://www.dse-faq.elektronik-kompendium.de/dse-faq.htm#F.30
Holm T. schrieb: > Das geradzahlige Oberwellen bei Röhren auftreten stimmt auch nur für > Eintaktanordnungen, bei üblichen Gegentakt Amps löschen sich diese im > Ausgangstrafo aus. Genauso hatte ich das ja bereits geschrieben. Holm T. schrieb: > WENN das Manfred Winterhoff ist, dann kenne ich den seit Jahrzehnten und > weiß wie man ihn so "handhabt".. Ist ja schön für Dich. Dennoch sollte sich der Bursche mal überlegen, ob es denn immer notwendig ist die Anderen als ein bissel doof hinzustellen. Auch wenn er über ein umfangreiches Elektronikwissen verfügt gibt das ihm und auch so manch anderem hier im Forum nicht das Recht sich abschätzig über andere zu äußern, zumal er die meisten hier im Forum nicht kennen wird. Wenn er mal irgendwo anders nachfragt, dann möchte er doch sicher auch anständig behandelt werden. Zeno PS: Und wie man Deinem Folgepost mal wieder entnehmen kann, ist MaWin der Allerschlauste und die Anderen sind halt ein bissl doof. Er muß es immer wieder raus kehren.
MaWin schrieb: > Zeno schrieb: >> Laß es WaWin weis es immer besser > > Das ist ja auch nicht all zu schwer, > denn einerseits wimmelt es hier von Kenntnislosen, > und dann noch von desinformierenden Röhren-Fanboys. > > Holm T. schrieb: >> Beispiele für direkt angekoppelte Elektrostaten an Röhrenamps gibts >> ausreichend > > Ja, das haben wir auch beim Orpheus, so bald der Ausgangstrafo entfallen > kann, lässt sich auch mit Röhren klirrarm bauen, und bei den hohen > Spannungen der Elektrostaten sogar einfacher als mit Transistoren. > > Aber solche Exoten sind nicht die betrachteten Endstufen, Du definierst einfach Gegenbeispiele als Exotisch und damit Dir nicht passende Argumente weg..wie man es von Dir gewöhnt ist. >die für 4 oder > besser 8 Ohm gebaut werden. Zumal die Beschaffungsschwierigkeiten (bzw. > der Preis) eines wirklich guten Ausgangstrafos bei den ganzen modernen > Röhrenverstärkernbastlern eher schlechtere Ergebnisse erzwingt als > früher. Gelapp. Gute Ware gibts. Röhrenverstärker baut man nicht weil man es muß, sondern weil man es will. Du verteidigst hier den Schiffsdiesel, aber es gibt Leute die segeln und das mit Freude daran. Ich stelle die Notwendigkeit des Diesels nicht in Frage, aber ich will segeln können wenn ich es möchte ohne das Du mir dazu Deine schräge Meinung aufzwingst. > > Wenn ein Verstärker "klingt", ist er kein Verstärker, sondern ein > Effektgerät. Was seinerseits durchaus eine Berechtigung hat, weil der Verstärker dann Bestandteil der Klangerzeugung ist (E-Gitarre). Niemand wird ernsthaft versuchen einen Instrumentenverstärker zu Hause für die HIFI Anlage zu nutzen. Aber selbst wenn ich mir zu Hause Musik mit einem "klingenden" Verstärker anhören möchte geht Dich das einen Scheißdreck an. > > batman schrieb: >>> Das liegt letzendlich daran wie sich der Klirrfaktor zusammensetzt. > > Gar nicht. Es ist technisch seit 1980 kein Problem (mit Transistoren) > Verstärker aufzubauen, deren Klirr und IM so gering ist (0.00xx%) daß > der Verstärker keinen eigenen Anteil zum Klang mehr beiträgt. Es spielt > keine Rolle, ob die übrigen Verzerrung mit -90dB bei 3 oder 4 fach > Harmonischer liegen. > > Selbst Lautsprecher sind heute besser als Röhrenverstärker mit ihren > Ausgangstrafos. Du machst Dich öffentlich zum Dummkopf wenn Du derartige Heißluftballons steigen läßt... Es gibt akustisch gegengekoppelte Servosysteme an dann "Aktivboxen" deren Bestandteil ein Lautsprecher ist, die Verzerrungen gehen aber gegen Null weil der LSP in die Kette eingebunden ist..und nu? > > Und wenn man das Signal elektronisch vorkompensiert, wird der Klang noch > besser, aber das ist noch nicht Stand der Technik. > [..] Du kannst ja gerne klirrende Röhrenverstärker mit schlechtem Fremdspannungsabstand zu Deiner eigenen Bestätigung bauen..aber damit kannst Du dann hier auch wegbleiben, es wird Keiner vermissen. Geht Dir eigentlich Einer ab wenn Du was von 0,0003% THD liest? Ich bin Röhrenfanboy, aber auch einer von alten Computern, von FETs und auch von 2N3055..aber die müssen nicht Alle zusammen in einer Kiste stecken. Gruß, Holm
Zeno schrieb: > Holm T. schrieb: >> Das geradzahlige Oberwellen bei Röhren auftreten stimmt auch nur für >> Eintaktanordnungen, bei üblichen Gegentakt Amps löschen sich diese im >> Ausgangstrafo aus. > > Genauso hatte ich das ja bereits geschrieben. > > Holm T. schrieb: >> WENN das Manfred Winterhoff ist, dann kenne ich den seit Jahrzehnten und >> weiß wie man ihn so "handhabt".. > Ist ja schön für Dich. Dennoch sollte sich der Bursche mal überlegen, ob > es denn immer notwendig ist die Anderen als ein bissel doof > hinzustellen. Auch wenn er über ein umfangreiches Elektronikwissen > verfügt gibt das ihm und auch so manch anderem hier im Forum nicht das > Recht sich abschätzig über andere zu äußern, zumal er die meisten hier > im Forum nicht kennen wird. Wenn er mal irgendwo anders nachfragt, dann > möchte er doch sicher auch anständig behandelt werden. Nein, das will er nicht. Er lamentiert so lange seiner Meinung entspreched bis er keine Lust mehr dazu hat. Er fühlt sich auch in keiner Weise dazu gezwungen auf Gegenargumente zu antworten sondern ist dann einfach mal weg. Die Meinung Anderer über Ihn ist ihm im Wesentlichen Rille. Nichts desto trotz habe ich keine Schlechte Meinung von Ihm, er ist ja bei Weitem nicht doof, allenfalls manchmal ignorant. Er ist so eine Art abgedrehter Dr. Okun.. > > > Zeno > > PS: Und wie man Deinem Folgepost mal wieder entnehmen kann, ist MaWin > der Allerschlauste und die Anderen sind halt ein bissl doof. Er muß es > immer wieder raus kehren. Ist normal. Genie und Wahnsinn liegen nahe beieinander. Rege Dich nicht auf, lohnt nicht. Gruß, Holm
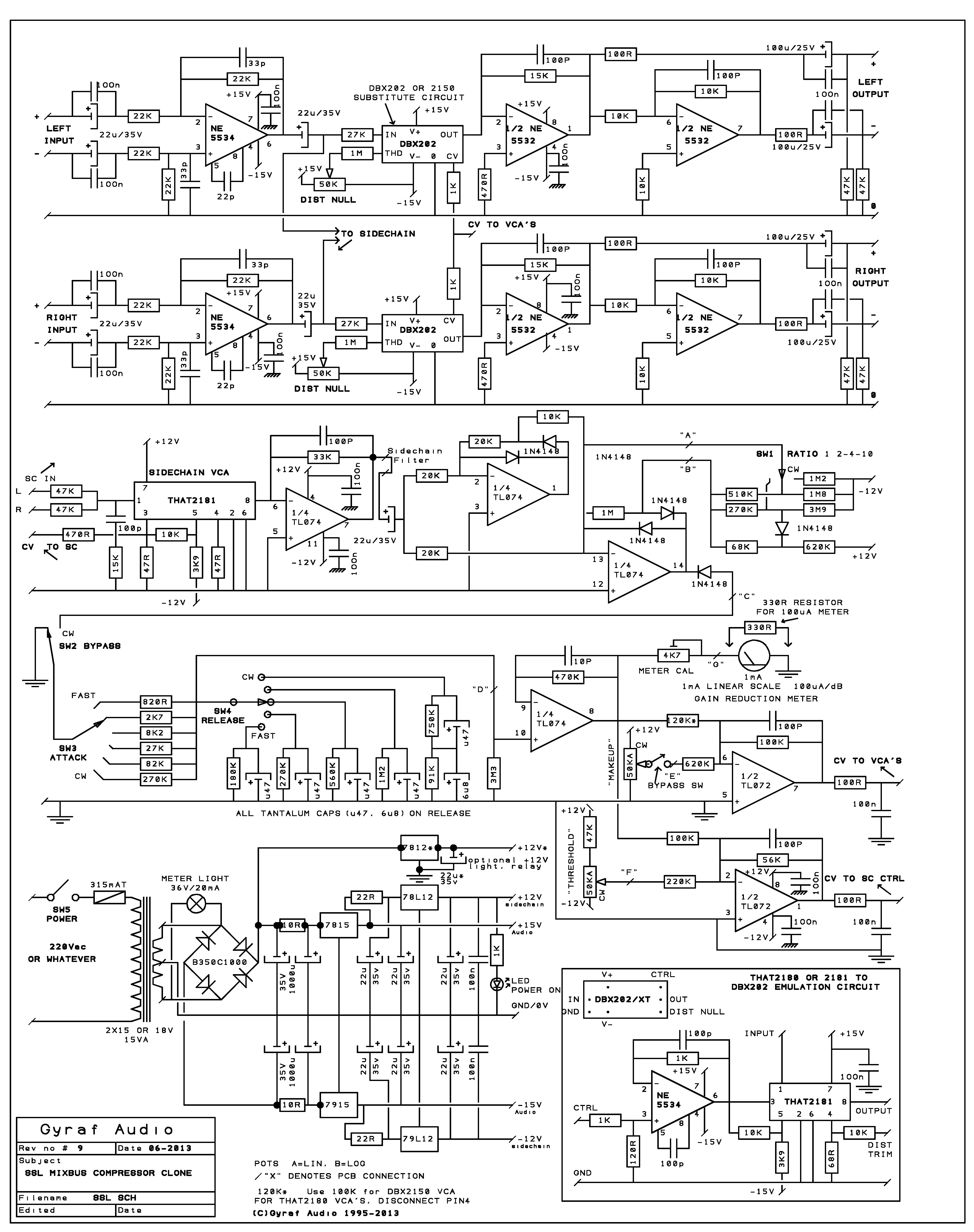
Hallo, ich hatte vor einiger Zeit einen Hybrid entwickelt und gebaut. Siehe http://www.hcp-hofbauer.de/indexhv.htm. Gruß Peter
Hallo Peter...warum sieht das Ding farblich so ...schwul aus? :-) Ich bin kein Fan von Hybrids..schrieb ich schon. Ich gehe Dir aber hier nochmal aus einem anderen Grund auf die Ketten: Das Handy erzählt mir das Du MP3s damit anhörst..und ist für mich deshalb der Aufhänger für die Frage wie wichtig denn im Endeffekt die Verzerrungen des Amps für die "Qualität" der Wiedergabe in Summe sind.. MP3 ist zwangsläufig verzerrt da ja Klirrfaktor die Differenz zwischen Soll- und Istsignal ist und bei MP3 fehlt Einiges "hörphysiologisch und -psychologisch nicht Wichtiges" was ja auch eine Verzerrung ist. Es tut mir leid, ich höre MP3s raus, für mich klingt das in den Höhen ähnlich wie ein schief stehender Tonkopf bei einem Tonbandgerät wenn beide Stereokanäle auf Mono geklemmt sind. ich meide MP3 und tue mir dafür aber auch mal Vinyl an. Gruß, Holm
Es ist in der Tat mehr Erfahrung nötig, einen Röhrenverstärker brummfrei zu kriegen, aber es geht. Z.B. habe ich früher viele alte Röhrengeräte zerlegt. Da habe ich mich gewundert, warum die Becherelkos auf dem Chassis isoliert waren und die Masse über einen extra Draht nach einem ganz bestimmten Schema verdrahtet wurde. Das Chassis war nur an einem einzigen Punkt mit Masse verbunden. Und die Heizleitungen immer schön verdrillt und nur die 3,15V Mittelanzapfung ging an Masse. Und alle Potileitungen waren doppelt geschirmt, der innere Schirm war die Masse zu den Potis und der äußere Schirm war nur einseitig aufgelegt. In einem besseren Radio habe ich auch 2 Ausgangstrafos in Reihe gesehen, der kleinere konnte dann die Höhen besser übertragen. Außerdem hing noch ein Elektrostat über einen Kondensator direkt an der Anode. Die Mikrofonie darf man nicht unterschätzen, die EF86 bzw. EABC80 saßen daher oft auf einem Röhrensockel mit Gummipuffer, der aber mit der Zeit hart wurde. Ältere Radios klirrten daher bei hohen Lautstärken oder es kam zur Rückkopplung. Allerdings trägt ein leichtes Brummen zu dem warmen Klang bei, ebenso die Höhenabsenkung. Die ungedämpften Höhen lassen den Transistorsound hart wirken, wie auch die harten Tiefbässe.
Ja Peter, Du hast Recht. Ein OTL Amp wie der von mir erwähnte M60 klingt auch exakt so wie ein 08/15 Transistoramp .. so ein Ding lohnt nicht, aber man kann Röhrenamps mit so ziemlich den selben Parametern bauen wie auch Transistoramps. Masse(Brumm-)schleifen sollte man nicht nur in Röhrenamps vermeiden, das betrifft Halbleitergeräte genauso. Ein olles Röhrenradio kann trotzdem gut und für das Ohr angenehm klingen, einen relativ großen Anteil wird aber daran das recht massive Holzgehäuse mit dem Breitbandlautsprecher haben. Gruß, Holm
Holm T. schrieb: > Ist normal. Genie und Wahnsinn liegen nahe beieinander. Rege Dich nicht > auf, lohnt nicht. Ach ich rege mich nicht auf, es gibt ja im Forum auch noch andere als MaWin und wenn der Blutdruck gesundheitsgefährdende Werte erreichen sollte dann bräuchte ich den Deckel ja nur zu klappen. MaWin ist ja nicht das Maß der Dinge und wenn er auftaucht, dann sollte man eher abtauchen - was halt nicht immer klappt. Röhrenverstärker ist halt auch so ein zurückerinnern an alte Jugendzeiten. Damals hatte ich zu wenig Geld um mir die teuren Transistoren zu kaufen und deshalb wurde viel mit Röhren gebastelt die man aus alten Radios und Fernsehern gewonnen hat. Es ging auch nicht um HiFi - war mit den vorhandenen Bauteilen auch gar nicht möglich. Kannst Dir gar nicht vorstellen was ich für einen Luftsprung gemacht habe als ich einen alten Kölleda mit 25W/100V günstig bekommen habe - die Klassendisko war damit gesichert. Das Ding funktioniert heute noch. Klar es ist definitiv kein HiFi. Zeno
Holm T. schrieb: > WENN das Manfred Winterhoff ist, dann kenne ich den seit Jahrzehnten und > weiß wie man ihn so "handhabt".. So : Holm T. schrieb: > Nein, das will er nicht. Er lamentiert so lange seiner Meinung > entspreched bis er keine Lust mehr dazu hat. Er fühlt sich auch in > keiner Weise dazu gezwungen auf Gegenargumente zu antworten sondern ist > dann einfach mal weg. Holm T. schrieb: > Du definierst einfach Gegenbeispiele als Exotisch und damit Dir nicht > passende Argumente weg..wie man es von Dir gewöhnt ist. Alleine die dutzenden von Beiträge hier von Zeno und dir zeigen, wer hier am Rad dreht, weil jemand zu Recht sein liebstes Spielzeug kritisiert. Je, Elektrostaten sind exotisch. Nein, ich muss im Gegensatz zu dir nicht das letze Wort haben. Wenn alles gesagt ist, bin ich weg, und die Leser können sich selber eine Meinung bilden.
Peter D. schrieb: > Z.B. habe ich früher viele alte Röhrengeräte zerlegt. Da habe ich mich > gewundert, warum die Becherelkos auf dem Chassis isoliert waren und die > Masse über einen extra Draht nach einem ganz bestimmten Schema > verdrahtet wurde. Das Chassis war nur an einem einzigen Punkt mit Masse > verbunden. Das wird in der NF-Technik so gemacht. Masse wird dort auch nicht über den Schirm geführt, sondern immer als separate Leitung. Der Schirm wird einseitig angeschlossen und zwar immer am Punkt des niedrigeren Potentials also von der Quelle weg. Da brummt dann auch nichts. Brummen ist immer das Ergebnis ungünstiger Kabelführung (Erdschleifen) und selten die Folge einer schlechten Schirmung. Zeno
@MaWin: Wie definierst Du denn das Dutzend? Ein Dutzend sind bei mir immer noch 12. Dann wären ja "dutzende", also die Mehrzahl, mindestens 24 also 2 Dutzend. Ich habe in diesem Thread 15 Beiträge geschrieben also 3 über dem Dutzend. Jetzt liegt der Schluß nahe das Deine Definition des Dutzend eine andere ist oder Du kannst nicht zählen. Wäre ja auch nicht weiter schlimm Du mußt nicht alles können. Und nein Holm und ich wir drehen ganz bestimmt nicht am Rad. Und ja Du mußt das letzte Wort haben. Holm hat seine Argumentation mit schlüssigen Begründungen untermauert und so sollte eine Diskussion eigentlich auch laufen. MaWin schrieb: > So : Hey das ist ja ein typischer Aufstampfer- hat meine Tochter, als sie noch klein war, auch gemacht wenn sie bockig war. Zeno
Muss das denn jedesmal zur Grundsatzdiskussion ausarten? Sobald jemand hier das Wort 'Röhre' im Titel hat, kommt jedesmal die gleiche laaaaaangweilige Diskussion über Sinn und Unsinn, Klang oder Nicht-Klang. Lasst das doch mal sein und helft so einem TE doch lieber technisch. Das könnt ihr doch viel besser, als mit jemandem über den bekanntlich nicht zu ändernden Geschmack zu streiten.
Hi, Kurzschluss am Lautsprecherausgang => Transistorverstärker kaputt Leerlauf (kein Lautsprecher am LS-Ausgang) => Röhrenverstärker kaputt (Funken-Überschlag im Ausgangsübertrager - habe ich selbst erlebt.) nur nebenbei - völlig unwichtig. ciao gustav
@Zeno:
Das mit dem Kölleda war bei mir in der Lehre auch so..nur das es ein V75
war, mit 2x SRS552 in der Endstufe (GU50). Mann da wurden die Arme lang
wenn wir den Einschub zu Zweit geschleppt haben. Ich habe auch noch 2
V25 herumstehen, den 2. muß ich noch überholen, von den etwas
modernereren (V125?) treiben sich wohl 3 Stück herum wobei einer glaube
ich PV880 heißt und aus Ungarn kommt, muß eine Art Lizenzproduktion
gewesen sein..der ist absolut baugleich.
@MaWin: Du hast oft Recht, nur bist Du nicht das Maß aller Dinge, das
ist das was offensichtlich nicht in Deine Rübe geht. Leute die nicht
Deiner Meinung sind hältst Du für doof. Wundere Dich nicht wenn diese
Leute Dich dann Ihrerseits für doof halten. Meinungen über ein und die
selbe Sache können differieren, begreife das.
Ich hatte Dir versucht anzudeuten das ich viele Lieblingsspielzeuge
habe, nicht nur Röhren. Das scheint aber wieder nicht in Dein Weltbild
zu passen oder ich nicht in Deine Schublade..seis drum, es ist Dein
Problem.
>Je, Elektrostaten sind exotisch.
Magnetostaten auch. Na und?
@gustav: das war früher so, sollte aber heute nicht unbedingt so sein.
Transistoramps sollten Schutzschaltungen gegen zu hohe Ströme haben und
Röhrenamps gegen zu hohe Spannungen. Bei Letzteren gibts verschiedene
Möglichkeiten: VDRs oder Gasableiter am Ausgangstrafo, einen
Parallelwiderstand von ca. 100 Ohm am Lautsprecherausgang oder aber
Freilaufdioden die die hohen Abschaltspannungen ableiten...
Gruß,
Holm
Warum haben Röhrenverstärker eigentlich diese Probleme mit den offenen Lautsprecherklemmen? Also wenn keine Freilaufdiode oder sonstige Schutzschaltung eingebaut ist... Würde mich mal interessieren. Mein Hauptaugenmerk lag bisher immer eher auf Transistorverstärkern. Gruß Simon
Simon B. schrieb: > Warum haben Röhrenverstärker eigentlich diese Probleme mit den offenen > Lautsprecherklemmen? Kann ich zumindest aus der Praxis nicht bestätigen. Ich habe beim Basteln öfter vergessen, den Lautsprecher anzuschließen, dann hat der Ausgangstrafo leise die NF abgespielt, aber mehr ist nicht passiert. Und die 50W/100V ELA-Einschübe (2*EL34) waren selbstverständlich leerlauffest.
Simon B. schrieb: > Warum haben Röhrenverstärker eigentlich diese Probleme mit den offenen > Lautsprecherklemmen? Das hängt mit dem Ausgangsübertrager zusammen. Bei einem offenen Ausgang kommt es meines Wissens zu hohen Induktionsspannungen, die dann zu Überschlägen im Übertrager führen. Aber ich müßte es noch mal genau nach lesen - ist schon zu lange her. Zeno
(Stark) zu niedriger Widerstand (bzw. Kurzschluß) am Ausgang von Röhrenverst. führt nur zu einer "starken Fehlanpassung" - die abgegebene Leistung sinkt sogar. Dann ist zu unterscheiden, ob der OT dran ist, und der sekundäre Stromfluß unterbrochen wird (Induktionsspannung auch primär, mit mögl. Schäden an Trafo und Röhren), oder einfach der Amp ohne OT läuft (Schäden sehr unwahrscheinlich, wenn auch nicht unmöglich, auch mit der Netzteil-Konstruktion und evtl. Sicherheitseinrichtungen zusammenhängend - wenn alles korrekt, im Grunde wieder nur "Fehlanpassung"). Transistoramps sind ohne diverse Schutzschaltungen nicht kurzschlußsicher.
Zeno schrieb: > Bei einem offenen Ausgang > kommt es meines Wissens zu hohen Induktionsspannungen Da war ich zu spät... ^^
Simon B. schrieb: > Warum haben Röhrenverstärker eigentlich diese Probleme mit den offenen > Lautsprecherklemmen? Also wenn keine Freilaufdiode oder sonstige > Schutzschaltung eingebaut ist... > Würde mich mal interessieren. Mein Hauptaugenmerk lag bisher immer eher > auf Transistorverstärkern. > > Gruß Simon Sie sind eher Stromquellen, d.h. ohne Last müssen sie, um den Strom aufrecht zu erhalten, die Spannung erhöhen (->Zündspule). Transistorverstärker sind eher Spannungsquellen, bei denen geht her der Strom durch die Decke. Für beide gibt's natürlich geeignete Schutzmaßnahmen, so daß bei ernsthaften Produkten beide Fehler nicht vorkommen sollten. Für den Lautsprecher(und damit den Klang) ist es aber ein Unterschied, ob er an der langen oder ganz kurzen Leine geführt wird. Weniger ob es heiße coole oder kalt uncoole Elektronen sind.
Zeno schrieb: > Röhrenverstärker ist halt auch so ein zurückerinnern an alte > Jugendzeiten. Damals hatte ich zu wenig Geld um mir die teuren > Transistoren zu kaufen und deshalb wurde viel mit Röhren gebastelt die > man aus alten Radios und Fernsehern gewonnen hat. Irgendwie hast du da verschwommene Erinnerungen. 4W Endstufen mit der Eintakt-EL84 waren da kaum im Schrott zu finden. Üblich waren da 1,5 - 2,5W. Kein Vergleich zu einem Verstärker mit OC26 o.ä. So teuer waren die auch nicht, im Gegensatz zu den Röhren. Und einen 4W Verstärker mit OC838/GD160, das war doch schon was. Verfügbar, bezahlbar und ohne böse Hochspannung.
Homo Habilis schrieb: > Schäden sehr unwahrscheinlich Auch halten Röhren meist mehr Spannung aus, als die Betriebsspannung beträgt. Das ist zwar auch bei Transistor-Amps so, allerdings gibt es dort das OT-Problem so nicht, und die U(CE) Überdimensionierung macht man eher, um die BJTs im Normalbetrieb weit im sicheren SOA-Bereich zu fahren.
Carl D. schrieb: > Sie sind eher Stromquellen, d.h. ohne Last müssen sie, um den Strom > aufrecht zu erhalten, die Spannung erhöhen (->Zündspule). Stimmt, völlig vergessen. Deshalb gibt´s in den Netzteilen auch o.g. Überspannungs-Schutzeinrichtungen (also Röhren-seitig). Gehört schon (außer Geld auch Wissen - und dann erst das Gehäuse...) was dazu, einen guten und schönen Röhrenamp zu bauen.
michael_ schrieb: > Irgendwie hast du da verschwommene Erinnerungen. > 4W Endstufen mit der Eintakt-EL84 waren da kaum im Schrott zu finden. > Üblich waren da 1,5 - 2,5W. Mach Dir mal über meine Erinnerungen keine Gedanken. Es gab schon genug alte Röhrenradios zum Schlachten. Da war meist eine EL84 mit passendem Übertrager drin. Doof waren nur Allstromer mit U-Röhren, die waren zum Bastel nich wirklich zu gebrauchen. Naja so billig war der GD160 nun auch wieder nicht. Ich meine der kostete so um die 20Mark. Eisenlose Endstufe im Eintaktbetrieb ? - kann ich mich nicht dran erinnern. Also brauchte man mindestens 2 = 40Mark + die Vorstufen GC117/118 lagen so bei 5Mark pro Stück. Dann im Aufbau einen Fehler gemacht und 40M waren weg. Ne das konnte ich mir damals nicht leisten bei 10M Taschengeld im Monat. Da waren Röhren aus Schlachtgeräten deutlich billiger - die kosteten nämlich 0M. Zeno
Aber dann sollte eine Überspannung ja nur entstehen, wenn auch ein Signal am Eingang anliegt? Sonst fließt sekundär ja kein Strom und das ist ja das Problem, der muss ja "abgegeben" werden. Richtig?
michael_ schrieb: > 4W Endstufen mit der Eintakt-EL84 waren da kaum im Schrott zu finden. > Üblich waren da 1,5 - 2,5W. Wieso EL84? In den Schlachte-Fernsehern waren PL84 (oder PCL86) und der passende Übertrager für den Lautsprecher - Mehr brauchts doch nicht :-) Die 13-15V/0,3A für die Heizung hat man sich schon irgendwie zusammengebritzelt mit Eisenbahntrafo o.ä. Und für die Anodenspannung hat man eben einen 15V Trafo umgedreht betrieben. Da es damals leider noch keine Akkuschrauber gab, war das schwierigste immer, die Röhrenfassungen aus den Geräten auf dem Schrottplatz zu demontieren.
Matthias S. schrieb: > In den Schlachte-Fernsehern waren PL84 (oder PCL86) und der Mit P-Röhren habe ich eher wenig gebastelt, genau aus dem von Dir genannten Grund. Fernsehsehempfänger waren in dem Sinne ja auch Allstromer und die verbauten P-Röhren waren ja für Serienheizung konzipiert, also gleicher Heizstrom für alle Röhren dafür aber unterschiedliche Spannung. Ich meine die 300mA Heizstrom - weiß es aber nicht mehr so genau. Dann gab es ja noch die U-Röhren. Auch für Serienheizung konzipiert aber anderer Strom als P. Dort gab es richtige Exoten z.B. UEL51, die brauchte wenn ich mich recht erinnere um die 50V Heizspannung und wurde tierisch heiß - für's Basteln völlig ungeeignet. Zeno
> Wenn ein Verstärker "klingt", ist er kein Verstärker, sondern ein > Effektgerät. Manche Röhrenverstärker klinge(l)n sogar ganz ohne Eingangssignal. Und ein Mikrofon braucht man dafür auch nicht. Das können Röhren ganz von allein(Mikrophonie).
Zeno schrieb: > Ich meine die 300mA Heizstrom - weiß es aber > nicht mehr so genau. Ja, das ist schon richtig mit den 300mA, aber wenn du sie mit der richtigen Heizspannung gefüttert hast, stellte sich der Heizstrom ja von alleine ein. PCL86 war damit ein kompletter Verstärker (Vor- und Endstufe in einer Röhre) mit bis zu 4 Watt bei 10% Klirrfaktor - der mir recht war, weil ich sowieso eine Gitarre dran hatte und Ritchie Blackmore mindestens genauso viel Klirr hatte :-) U-Röhren habe ich nie benutzt, weil die Heizspannung dann so hoch war. Bei der UCL82 dann 50V/0,1A, das war mir zu viel, genau wie dir.
Zeno schrieb: > Röhrenverstärker ist halt auch so ein zurückerinnern an alte > Jugendzeiten. Damals hatte ich zu wenig Geld um mir die teuren > Transistoren zu kaufen und deshalb wurde viel mit Röhren gebastelt die > man aus alten Radios und Fernsehern gewonnen hat. Zu meiner Jugendzeit waren Transistoren schon billig. Ich habe mit Transistoren nichts gezielt basteln können, weil ich den Zusammenhang s=UT/Ie damals nicht kannte. Zu Röhren gibt es dafür Kennlinien. Heute finde ich es spannend Verstärker zu bauen die nicht auf s sondern µ basieren. Denn das geht mit Transistoren gar nicht. Matthias S. schrieb: > Muss das denn jedesmal zur Grundsatzdiskussion ausarten? Ja, weil hier Interessen vertreten werden. LG old.
Hi, etwas zum Basteln.... Peter D. schrieb: > Die Mikrofonie darf man nicht unterschätzen, die EF86 bzw. EABC80 saßen > daher oft auf einem Röhrensockel mit Gummipuffer, der aber mit der Zeit > hart wurde. Ältere Radios klirrten daher bei hohen Lautstärken oder es > kam zur Rückkopplung. Übrigens, die "Mikrophonie" kam bei AM meistens vom Drehkondensator, dessen Platten vibrierten, war er zu nah am Lautsprecherchassis montiert. (Hörbarer ca. 1kHz Pfeifton) Beim TK17 von Grundig war in der Tat die ECC83 auf Schwingpuffer-Fassung(!) ciao gustav
OXI T. schrieb: > Ja, weil hier Interessen vertreten werden. Öh, wessen Interessen werden denn hier vertreten? Sicher nicht die des TE. Und deine Interessen kennen wir zu Genüge.
Simon B. schrieb: > Aber dann sollte eine Überspannung ja nur entstehen, wenn auch ein > Signal am Eingang anliegt? Sonst fließt sekundär ja kein Strom und das > ist ja das Problem, der muss ja "abgegeben" werden. Richtig? Das Problem ist nicht der Amp, es ist der User: 1. Stecker fällt aus der Buchse. 2. User hört nix. Nanu.. 3. User dreht laut. 4. die Röhrenendstufe wird stark übersteuert, d.h. der Anodenstrom reißt ab, Schaltbetrieb. 5. Es entstehen durch die Stromabschaltung durch die Induktivität der unbedämpften Trafos hohe Selbstinduktionsspannungen (Richtig: Zündspule!) die die Primärisolation durchschlagen. 6. Ausgangstrafo "send end". Wie schon angeführt gibts einige Möglichkeiten das zu vermeiden. Die einfachste aber mit Verlusten behaftete ist direkt den Trafo sekundärseitig mit 100 Ohm zu belasten, das macht zwar Verlust, aber der R dämpft zuverlässig übermäßig hohe Spannungsanstiege. Auch ein VDR der primärseitig über der Wicklung liegt mit deutlich mehr Spannung als Wechselspannung über dem Trafo anliegt hilft. Negativ dabei: die nicht zu vernachlässigende Kapazität des VDR. Gasableiter: aufpassen, bei Frequenzen im Kiloherzbereich zünden die u.U. deutlich eher as dran steht. Freilaufdioden: geht auf jeden Fall, auch bei einem (TD)A2030 waren die Dinger Pflicht. Die Isolation moderner Trafos ist heute deutlich durchschlagfester als früher, sowas tritt heute seltener auf. Gruß, Holm
Harald W. schrieb: >> Wenn ein Verstärker "klingt", ist er kein Verstärker, sondern ein >> Effektgerät. > > Manche Röhrenverstärker klinge(l)n sogar ganz ohne Eingangssignal. > Und ein Mikrofon braucht man dafür auch nicht. Das können Röhren > ganz von allein(Mikrophonie). Ja, ins Besondere wenn kaputte Röhren drin stecken ist das so.. Sollndas? soll ich hier über den kaputten Dynacord FET Amp referieren der ein Kilowatt auf Mittelwelle machte? Gruß, Holm
Zeno schrieb: > michael_ schrieb: >> Irgendwie hast du da verschwommene Erinnerungen. >> 4W Endstufen mit der Eintakt-EL84 waren da kaum im Schrott zu finden. >> Üblich waren da 1,5 - 2,5W. > > Mach Dir mal über meine Erinnerungen keine Gedanken. Es gab schon genug > alte Röhrenradios zum Schlachten. Da war meist eine EL84 mit passendem > Übertrager drin. Doof waren nur Allstromer mit U-Röhren, die waren zum > Bastel nich wirklich zu gebrauchen. > > Naja so billig war der GD160 nun auch wieder nicht. Ich meine der > kostete so um die 20Mark. Eisenlose Endstufe im Eintaktbetrieb ? - kann > ich mich nicht dran erinnern. Also brauchte man mindestens 2 = 40Mark + > die Vorstufen GC117/118 lagen so bei 5Mark pro Stück. Dann im Aufbau > einen Fehler gemacht und 40M waren weg. Ne das konnte ich mir damals > nicht leisten bei 10M Taschengeld im Monat. Da waren Röhren aus > Schlachtgeräten deutlich billiger - die kosteten nämlich 0M. > > Zeno Falls mal Jemand solche Germanen zu Reparaturzwecken benötigt: Bitte an mich wenden. Ein Kumpel hat aus den Beständen eines verstorbenen Freundes mehrere Kilo bei mir abgeladen.. Gruß, Holm
Holm T. schrieb: > Die Isolation moderner Trafos ist heute deutlich durchschlagfester als > früher, sowas tritt heute seltener auf. Holm T. schrieb: > der Anodenstrom > reißt ab Der Katodenstrom nicht. Überlege mal, was das für die Endpentode bedeutet. Für technisch interessierte Leser dazu: http://commentatroehrenbude.blogspot.de/2012/12/kommentare-zu-forenbeitragen-verfasst.html LG old.
Hi, ja dann kommen die anderen Anforderungen an Spannungsfestigkeit etc. der Bauteile noch dazu. Für das "alte" (SABA-)Radio, dessen Schaltbild oben einkopiert wurde, waren "gedruckte Schaltung" und "Platinenlayout" noch Fremdworte. Eine Reparatur wurde durch den Aufbau der in freischwebender Art auf Lötleisten befestigten Widerstände und Kondensatoren zu einer kniffligen Sache, musste man nämlich erst intakte Bauteile ab- und hinterher wieder dranlöten, um an die eigentlich defekten Teile ranzukommen, in der Hoffnung, dass die guten Bauteile durch diese Vorgehensweise nicht auch noch kaputt gingen. Aber was mir auffiel: Es gab ( - gibt vielleicht noch - ) Kondensatoren mit "Kennzeichnung des Aussenbelages" (wohl für Abblockkondensatoren gedacht) und mit drittem Draht, der "Abschirmung", (siehe Bildchen). Das zeigt unter anderem, wie z.B. der besonderen "Brummempfindlichkeit" durch besondere Bauteileformen Rechnung getragen werden musste. das nur ganz nebenbei ciao gustav
OXI T. schrieb: > Holm T. schrieb: >> Die Isolation moderner Trafos ist heute deutlich durchschlagfester als >> früher, sowas tritt heute seltener auf. > > Holm T. schrieb: >> der Anodenstrom >> reißt ab > > Der Katodenstrom nicht. > Überlege mal, was das für die Endpentode bedeutet. Warum sollte ich das tun? > > Für technisch interessierte Leser dazu: > http://commentatroehrenbude.blogspot.de/2012/12/kommentare-zu-forenbeitragen-verfasst.html > > LG > old. Da muß man nicht technisch sondern intrigant interessiert sein.. Gruß, Holm
Karl B. schrieb: > Hi, > ja dann kommen die anderen Anforderungen an Spannungsfestigkeit etc. der > Bauteile noch dazu. > Für das "alte" (SABA-)Radio, dessen Schaltbild oben einkopiert wurde, > waren "gedruckte Schaltung" und "Platinenlayout" noch Fremdworte. > Eine Reparatur wurde durch den Aufbau der in freischwebender Art auf > Lötleisten befestigten Widerstände und Kondensatoren zu einer kniffligen > Sache, musste man nämlich erst intakte Bauteile ab- und hinterher wieder > dranlöten, um an die eigentlich defekten Teile ranzukommen, in der > Hoffnung, dass die guten Bauteile durch diese Vorgehensweise nicht auch > noch kaputt gingen. > > Aber was mir auffiel: > Es gab ( - gibt vielleicht noch - ) Kondensatoren mit "Kennzeichnung > des Aussenbelages" (wohl für Abblockkondensatoren gedacht) > und mit drittem Draht, der "Abschirmung", (siehe Bildchen). > Das zeigt unter anderem, wie z.B. der besonderen "Brummempfindlichkeit" > durch besondere Bauteileformen Rechnung getragen werden musste. > > > das nur ganz nebenbei > > > ciao > gustav Auf was willst Du eigentlich hinaus? Versuchst Du uns zu erklären das wir Mosfets bitteschön wegwerfen sollten? Gruß, Holm
Hi, http://www.dampfradioforum.de/viewtopic.php?f=2&t=12387 "...In einigen Radiochassis sind aber beispielsweise geschirmte NF-Koppelkondensatoren anzutreffen. Werden diese durch ungeschirmte Typen ersetzt, kann es zu unangenehmen Folgeerscheinungen kommen wie Brummen oder gar Rückkopplungen. Das ist dann ein Fehler, an dem sich so mancher fast die Zähne ausbeisst und ihn dabei selbst eingebaut hat..." Wäre vielleicht ein wichtiger Tip für den "Röhrenverstärkerbauer". Mit den miniaturisierten Platinchen mit engsten Leiterbahnabständen und SMDs im Anodenkreis wird es wohl nicht gehen. Aber: Bestimmte Konds. sollten auch "abgeschirmt" sein. Wo gibt's die zu kaufen , noch? ciao gustav
Du sprichst hier Reparaturprobleme an einem ollen Röhrenradio an, die Ersatzteillage und wie mühevoll es ist in platinenloser Verdrahtung Fehler zu beheben. Es ist Beides natürlich irnkwie traurig, aber was hat das mit dem Topic zu tun? Wenn es ein nicht abgeschirmter Kondensator nicht tut wird man wohl einen abgeschirmten einbauen müssen und wenn es den nicht von der Stange gibt wird man eine Abschirmung erfinden müssen. Ich hatte aber weiß Gott schon größere Probleme als das in modernen Geräten.. Der Rest der Leute hier unterhält sich um Sinn/Unsinn von Röhrenverstärkern oder warum Ausgangstrafos durch Überspannungen zerstört werden können. Können wir Dir irgendwie helfen? Gruß, Holm
Holm T. schrieb: > OXI T. schrieb: >> Holm T. schrieb: >>> Die Isolation moderner Trafos ist heute deutlich durchschlagfester als >>> früher, sowas tritt heute seltener auf. >> >> Holm T. schrieb: >>> der Anodenstrom >>> reißt ab >> >> Der Katodenstrom nicht. >> Überlege mal, was das für die Endpentode bedeutet. > > Warum sollte ich das tun? > >> >> Für technisch interessierte Leser dazu: >> > http://commentatroehrenbude.blogspot.de/2012/12/kommentare-zu-forenbeitragen-verfasst.html > > Da muß man nicht technisch sondern intrigant interessiert sein.. Da antworte ich mal mit einem Zitat von Dir: Holm T. schrieb: > @MaWin: Du hast oft Recht, nur bist Du nicht das Maß aller Dinge, das > ist das was offensichtlich nicht in Deine Rübe geht. Leute die nicht > Deiner Meinung sind hältst Du für doof. Wundere Dich nicht wenn diese > Leute Dich dann Ihrerseits für doof halten. Meinungen über ein und die > selbe Sache können differieren, begreife das. LG old.
OXI T. schrieb: > Holm T. schrieb: >> OXI T. schrieb: >>> Holm T. schrieb: >>>> Die Isolation moderner Trafos ist heute deutlich durchschlagfester als >>>> früher, sowas tritt heute seltener auf. >>> >>> Holm T. schrieb: >>>> der Anodenstrom >>>> reißt ab >>> >>> Der Katodenstrom nicht. >>> Überlege mal, was das für die Endpentode bedeutet. >> >> Warum sollte ich das tun? >> >>> >>> Für technisch interessierte Leser dazu: >>> >> > http://commentatroehrenbude.blogspot.de/2012/12/kommentare-zu-forenbeitragen-verfasst.html > >> >> Da muß man nicht technisch sondern intrigant interessiert sein.. > > Da antworte ich mal mit einem Zitat von Dir: > > Holm T. schrieb: >> @MaWin: Du hast oft Recht, nur bist Du nicht das Maß aller Dinge, das >> ist das was offensichtlich nicht in Deine Rübe geht. Leute die nicht >> Deiner Meinung sind hältst Du für doof. Wundere Dich nicht wenn diese >> Leute Dich dann Ihrerseits für doof halten. Meinungen über ein und die >> selbe Sache können differieren, begreife das. > > LG > old. Nicht Alles was hinkt ist ein Vergleich! Es hat sich für mich niemals in irgend einer positiven Hinsicht ausgezahlt mit Dir zu diskutieren, da Du Dich auch niemals wie ein fairer Gesprächspartner sondern lieber wie ein hinterhältiges Schwein benimmst. Das ist der Grund warum ich mit Dir nicht diskutiere und schon gar nicht mich anstellen lasse irgend was für Dich zu überlegen. Diese Ansicht läßt sich hier in diesem Forum auf niemanden Anderen 1:1 übertragen, das hast Du Dir ganz alleine hart erarbeitet und deswegen hinkt dein Vergleich. Gruß, Holm
Hi, weiter im Bauvorhaben "Röhrenverstärker": http://www.röhrenverstärker-selbstbau.de/bausatz-roehrenverstaerker.html "...Mittlerweile gibt es ein breites Angebot an Röhrenverstärker Bausätzen, die oft über ein bekanntes Internet-Auktionshaus verkauft werden. Beim Preisvergleich merkt man schnell, das oft zum aufgerufenen Preis nur eine Platine und ein paar Teile verkauft werden. Manchmal sind die Netzteile "optional" erhältlich oder der Kunde zahlt zusätzlich für die Ausgangsübertrager (Anm. der Redaktion: "...und abgeschirmte Kondensatoren.") Achten Sie beim Kauf auf Formulierungen wie "Netzteil optional" oder "Platine ohne Gehäuse, Trafo und Röhren". Solche Bausätze sind zum Angebotspreis nicht vollständig. Es ist völlig in Ordnung, das so zu machen, es muss nur klar sein, das man hier keinen kompletten Röhrenverstärker Bausatz erhält..." Vielleicht nützt das dem TO etwas mehr. Schaltpläne gibts leider nicht für lau. Buchpreis ca. 5 Euro ciao gustav
Holm T. schrieb: >> Manche Röhrenverstärker klinge(l)n sogar ganz ohne Eingangssignal. >> Und ein Mikrofon braucht man dafür auch nicht. Das können Röhren >> ganz von allein(Mikrophonie). > > Ja, ins Besondere wenn kaputte Röhren drin stecken ist das so.. Ich meinte mit "Klngeln" das Geräusch, wenn man (vorsichtig)gegen den Glaskolben klopfte.
Ja gustav, es ist im Kapitalismus nicht ganz unüblich das es Mogelpackungen mit Null-Inhalt zu kaufen gibt. Es gibt sogar Leute die verkaufen "Globuli", in denen außer Zucker erwiesenermaßen Nichts drin ist, und die Käufer bilden sich damit ein Krankheiten heilen zu können. Ich selbst habe mal von einem Arzt eine kleine Flasche Wasser bekommen das er irgendwie aufgeladen" hatte mitteles eines Kopfhörers dem die Wandler fehlten.. (Er hatte den Klinkenstecker probeweise aus dem Notebook gezogen, es waren jede Menge tuschelnde Stimmen zu hören, ein Ohrpolster vom KH viel ab und ich sah die losen Drahtenden...).. Die Flasche wurde danach in Alufolie eingewickelt und mir mitgegeben. Ich habe diese Rechnung nie bezahlt, das wurde aber auch nicht angemahnt obwohl ich später noch mehrfach dort war. 8der Doc hat sonst ganz brauchbare Fähigkeiten beim Einrenken von Halswirblen u.Ä.). Keine Ahnung ob der selber an den Schwachsinn glaubt.. Zurück zum Thema: Warum denkst Du das das dem To nützlich sein könnte wo er doch einen Hybrid amp mit Ausgangstransformatorloser Endstufe bauen möchte? Gruß, Holm
Harald W. schrieb: > Holm T. schrieb: > >>> Manche Röhrenverstärker klinge(l)n sogar ganz ohne Eingangssignal. >>> Und ein Mikrofon braucht man dafür auch nicht. Das können Röhren >>> ganz von allein(Mikrophonie). >> >> Ja, ins Besondere wenn kaputte Röhren drin stecken ist das so.. > > Ich meinte mit "Klngeln" das Geräusch, wenn man (vorsichtig)gegen > den Glaskolben klopfte. Ich weiß schon was Du meinst. Es ist bei Röhren ganz natürlich das machanisch schwingende Teile darin den Anodenstrom modulieren, deswegen gibt es für empfindliche Eingangsstufen auch klingarme Röhren und auch die mechanische schwingungsisolierte Montage. Ich gehe davon auch das auch Du das weißt, also verrate mir warum Du diesen (bereits weiter oben diskutierten Fakt) wieder ausgräbst? Was bezweckst du damit? Falls Du es als besonderen Nachteil von Röhren gegenüber Transistoren hervorheben möchtest gebe ich Dir mal den Gegen-tipp das Röhren noch bei Temperaturen klaglos arbeiten bei denen Transistoren und ICs lange aufgegeben haben. Komm ich jetzt im Fernsehn? Hört doch mal auf mit dem Scheiß. Es gibt Transistor-Amps und es gibt Röhren-Amps (von Josephson Elementen und anderer Kryotechnik mal abgesehen). Wenn der TO einen Eintopf aus Beiden bauen möchte warum legt Ihr ihm Steine in den Weg? Was ist daran so pöse? http://stores.ebay.de/doukmall/Tube-Amplifier-/_i.html?_fsub=10307029010&_sid=1218230050&_trksid=p4634.c0.m322 Gruß, Holm
Holm T. schrieb: > Ich weiß schon was Du meinst. Ich gehe davon auch das > auch Du das weißt, also verrate mir warum Du diesen (bereits weiter oben > diskutierten Fakt) wieder ausgräbst? Hallo Holm der einzige Grund war, das "Klingeln" gerade so gut zu "Röhrenklang" passte. Mir sind Röhren und deren Grundschaltungen durchaus bekannt. Ich bin allerdings der Ansicht, das diese sich zumindest für den NF- Verstärkerbau spätestens seit der Erfindung des Sliziummtransistors überlebt haben. Das sich der eine oder andere trotzdem aus nostal- gischen Gründen einen Röhrenverstärker baut, kann ich akzeptieren. Nicht akzeptieren kann ich allerdings, wenn man behauptet, das dieser Verstärker besser klingt als ein guter Transistorverstärker. Deshalb kommt dann von mir ab und an auch ein nicht ganz ernst ge- meinter Seitenhieb. Das ich Dich damit zufälligerweise getroffen habe, tut mir leid, denn wir kennen uns aus Foren ja schon recht lange. :-) Gruss Harald
Im Endeffekt kommt man doch immer wieder bei den Fakten an. Glühende Röhren sind sehr dekorativ und vermitteln eine gemütliche Kaminatmosphäre aber deshalb muß man ja keine Musik durchleiten. ;)
batman schrieb: > Im Endeffekt kommt man doch immer wieder bei den Fakten an. Glühende > Röhren sind sehr dekorativ und vermitteln eine gemütliche > Kaminatmosphäre aber deshalb muß man ja keine Musik durchleiten. ;) Genau, ein hübscher Transistorverstärker mit einigen, oben drauf montierten Röhren, bei denen nur die Heizung angeschlossen ist, wäre doch das ideale Gerät.
Holm T. schrieb: > Es hat sich für mich niemals in irgend einer positiven Hinsicht > ausgezahlt mit Dir zu diskutieren, da Du Dich auch niemals wie ein > fairer Gesprächspartner sondern lieber wie ein hinterhältiges Schwein > benimmst. > > Das ist der Grund warum ich mit Dir nicht diskutiere und schon gar nicht > mich anstellen lasse irgend was für Dich zu überlegen. Das liegt daran, dass ich technische Sachverhalte ins Spiel bringe, denen Du nicht folgen kannst oder aus gewerblichen Gründen nicht folgen darfst. Viele Leser haben Deine Probleme nicht und deshalb schreibe ich trotz Deiner Stänkerei hier Kommentare zu Deinen Beiträgen. LG old.
Karl B. schrieb: > Übrigens, die "Mikrophonie" kam bei AM meistens vom Drehkondensator, > dessen Platten vibrierten, war er zu nah am Lautsprecherchassis > montiert. Aber nur bei Billigradios mit PVC-Gehäuse. Hochwertige Holzgehäuse schwangen nicht mit. Oftmals waren beim Dreko auch nur die Schleifringe für die Masse verdreckt und daher kam es zur Rückkopplung. Der Tastensatz hat auch gerne Störgeräusche bewirkt. Und billige Potis mit Schlitzen für den Staubeintritt.
Holm T. schrieb: > 5. Es entstehen durch die Stromabschaltung durch die Induktivität der > unbedämpften Trafos hohe Selbstinduktionsspannungen (Richtig: > Zündspule!) > die die Primärisolation durchschlagen. In vielen Schaltungen hat man deshalb parallel zur Primärwicklung einen Kondensator, der die Induktionsspannung bedämpft. Man hat früher auch nicht so sparsam gewickelt, sondern die Lagenisolation großzügig ausgelegt. Moderne Trafos sind bei gleicher Leistung deutlich kleiner.
Zeno schrieb: > Dort gab es richtige Exoten z.B. UEL51, die > brauchte wenn ich mich recht erinnere um die 50V Heizspannung und wurde > tierisch heiß - für's Basteln völlig ungeeignet. Den Eindruck hatte ich nicht, die 11-er Serie hatte so riesen Glaskolben, da konnte man noch kurz anfassen. Aber an ner Miniaturröhre, wie der EL84, konnte man sich schnell die Finger verbrennen. Und ne EL34 sollte man auch nicht im Betrieb anfassen. Bei der konnte man im Dunkeln die Anode schwach glühen sehen. Die UEL51 war in nem Einröhren-Audion zu finden, wegen der hohen Verstärkung. In Mehrröhren Radios hat man oft die UCL11 genommen.
OXI T. schrieb: > Holm T. schrieb: >> Es hat sich für mich niemals in irgend einer positiven Hinsicht >> ausgezahlt mit Dir zu diskutieren, da Du Dich auch niemals wie ein >> fairer Gesprächspartner sondern lieber wie ein hinterhältiges Schwein >> benimmst. >> >> Das ist der Grund warum ich mit Dir nicht diskutiere und schon gar nicht >> mich anstellen lasse irgend was für Dich zu überlegen. > > Das liegt daran, dass ich technische Sachverhalte ins Spiel > bringe, denen Du nicht folgen kannst oder aus gewerblichen > Gründen nicht folgen darfst. Das ist Kokolores. Du fährst auf einen Seitenweg ab der hier überhaupt nicht relevant ist. Es wurde diskutiert warum Ausgangstrafos bei offenem Ausgang sterben, das hatte ich versucht den Leutchen nahe zu bringen. Du wiederum merkst an das zwar der Anodenstrom, nicht aber der Kathodenstrom aufhört zu fließen und deswegen sehr wahrscheinlich das Schirmgitter überlastet wird. Ich merke dazu 2 Dinge an: 1. es handelt sich nicht um einen Betriebszustand des Verstärkers sondern um einen Störfall und 2. Auch die zulässige Anodenspannung wird mit Sicherheit überschritten so das Überschläge auch in der Röhre zu erwarten sind. Die Frage ist nur ob das überhaupt interessant ist? > Viele Leser haben Deine Probleme nicht und deshalb schreibe > ich trotz Deiner Stänkerei hier Kommentare zu Deinen Beiträgen. > > LG > old. Auch ich habe Deine Probleme nicht, nur versuche ich im Unterschied zu Dir nicht ständig meine Probleme Dir über zu helfen. Gewerbliche Interessen meinerseits haben mit der Sache nix zu tun, ich verkaufe seit geraumer Zeit weder in der bucht noch über meinen Webshop Röhrenkram. Ich bin zu faul den Shop neu zu installieren (das PHP Geraffel ist zu alt) weil der Aufwand in keinem Verhältnis zum zu erwartenden Nutzen steht. Du kannst also realisieren das ich hier aus Hobbygrünbden schreibe ..oder Du läßt es. Ich verdiene mein Geld i.A. mit Reparaturen von Industrieelektronik oder Mikrorechnerprogrammiererei, nicht mit Röhren. Vergiß es, ich habe mehrmals versucht mit Dir sachlich zu diskutieren, Du bist mir immer nur blöde gekommen. Gruß, Holm
Harald W. schrieb: > Holm T. schrieb: > >> Ich weiß schon was Du meinst. Ich gehe davon auch das >> auch Du das weißt, also verrate mir warum Du diesen (bereits weiter oben >> diskutierten Fakt) wieder ausgräbst? > > Hallo Holm > der einzige Grund war, das "Klingeln" gerade so gut zu "Röhrenklang" > passte. Mir sind Röhren und deren Grundschaltungen durchaus bekannt. > Ich bin allerdings der Ansicht, das diese sich zumindest für den NF- > Verstärkerbau spätestens seit der Erfindung des Sliziummtransistors > überlebt haben. Das sich der eine oder andere trotzdem aus nostal- > gischen Gründen einen Röhrenverstärker baut, kann ich akzeptieren. > Nicht akzeptieren kann ich allerdings, wenn man behauptet, das > dieser Verstärker besser klingt als ein guter Transistorverstärker. > Deshalb kommt dann von mir ab und an auch ein nicht ganz ernst ge- > meinter Seitenhieb. Das ich Dich damit zufälligerweise getroffen habe, > tut mir leid, denn wir kennen uns aus Foren ja schon recht lange. :-) > Gruss > Harald Natürlich kennen wir uns schon ewig und das ist auch der Grund das ich auch bei Dir hinterfrage was Du bezweckst weil ich weiß das Du was weißt :-) Es ist schon möglich sehr gute Röhrenamps zu bauen die sich auch mit den Parametern nicht hinter Transistoramps verstecken müssen, "Arcolette" aus der Röhrenbude (Frank) ist da Meister in der Konstruktion und nutzt die Vorteile beider Welten. Ich persönlich treibe den Aufwand aber bei Weitem nicht so hoch und mir ist bewußt das diverse meiner Basteleien irgendwo suboptimal oder klangverfärbend sind. Die Frage der Zweckmäßigkeit stellt sich aber nicht, es gibt Leute die Autos mit Hydraulik ausstatten damit die Kiste springt, es gibt Gärtner die Petersilie selber anbauen obwohl es das Zeug für Kleingeld im Supermarkt gibt usw.. Alles weit entfernt von besten Parametern oder dem Stand der Technik. Es geht um nichts weiter als Spaß und Freude an der Sache und ich habe meinen Spaß daran zuzusehen wie Kumpels oder befreundeten, IMHO gar nicht so schlechten Musikern, die Begeisterung anzusehen ist wenn meine Röhrenamps laufen. Hinter mir auf dem Tisch liegt seit monaten der Drahtfitz eines EL12N Gegentaktamps dessen Schaltung auf den V69 Studioverstärker zurück geht. Es wäre nun an der Zeit mir mal an einem CAD System Gedanken über ein Gehäuse zu machen..ich habe aber bisher noch nicht die Muße dazu gefunden. Ich bin also kein militanter Röhrenfan, einen Halbleiterverstärker, gerne mit FETs finde ich auch hybsch. Röhren mögen für viele Zwecke obsolet sein, aber deswegen kann es doch trotzdem Freude bereiten damit zu basteln, oder? Das ist mein Hauptbeweggrund für die Beschäftigung mit dem Zeug und ich wünsche mir das einfach mal unvoreingenommen an die Sache heran gegangen wird. Gruß, Holm
Holm T. schrieb: > Warum denkst Du das das dem To nützlich sein könnte wo > er doch einen Hybrid amp mit Ausgangstransformatorloser Endstufe bauen > möchte? Tja, der Begriff "Hybrid" erweckt bei mir Assoziationen an "SABA Freudenstadt". Ein Gerät, das sowohl mit Röhren als auch Transistoren bestückt war. Interessanterweise wurde die Endstufe mit AD 152 aufgebaut, (habe selber einen repariert.) Zu der Zeit des Aufkommens von UKW-FM-Stero hatten die Transistoren noch nicht die zu wünschenden Eigenschaften im HF-Eingangsteil-Bereich, die Röhre war da haushoch überlegen. Aber: Da die Endstufen mit den ECLL800 dauernd kaputt gingen, hatte man sich bei SABA für eine volumenmäßig kleinere aber leistungsfähigere Transistorendstufe (mit Germaniums) entschieden. Danach kamen IMHO nur noch volltransistorisierte Empfänger auf den Markt. Dass sich zwischenzeitlich die Diskussionslage in Richtung "Mixed mode" verschoben hatte, ist bei mir wohl nicht ganz rübergekommen. Für einen Hybrid-Ender sind Kenntnisse der Röhrentechnik zumindest für die Vorstufenbeschaltung sicher auch von Bedeutung. ciao gustav
Peter D. schrieb: > Zeno schrieb: >> Dort gab es richtige Exoten z.B. UEL51, die >> brauchte wenn ich mich recht erinnere um die 50V Heizspannung und wurde >> tierisch heiß - für's Basteln völlig ungeeignet. > > Den Eindruck hatte ich nicht, die 11-er Serie hatte so riesen > Glaskolben, da konnte man noch kurz anfassen. ... mehr eine Frage der Verlustleistung... > Aber an ner Miniaturröhre, wie der EL84, konnte man sich schnell die > Finger verbrennen. 12 Watt zulässige Anodenverlustleistung in einem Novalkolben, das muß heiß werden. > Und ne EL34 sollte man auch nicht im Betrieb anfassen. Bei der konnte > man im Dunkeln die Anode schwach glühen sehen. > Die UEL51 war in nem Einröhren-Audion zu finden, wegen der hohen > Verstärkung. In Mehrröhren Radios hat man oft die UCL11 genommen. Nein..die UEL51 war ein DDR Produkt das in der Nachkriegszeit die UCL11 in Einkreisern ablöste. Es waren halt 2 Tetrodensysteme in einer Röhre, damit ließ sich ein Audion und eine Endstufe mit ein paar Watt mit einer Lampe erschlagen. Im Westen gabs die UEL51 gar nicht. Gruß, Holm
Peter D. schrieb: > Holm T. schrieb: >> 5. Es entstehen durch die Stromabschaltung durch die Induktivität der >> unbedämpften Trafos hohe Selbstinduktionsspannungen (Richtig: >> Zündspule!) >> die die Primärisolation durchschlagen. > > In vielen Schaltungen hat man deshalb parallel zur Primärwicklung einen > Kondensator, der die Induktionsspannung bedämpft. ...das tut der aber nicht. Vergleiche mal mit der Schaltung einer gewöhnlichen Unterbrecherzündung. > Man hat früher auch nicht so sparsam gewickelt, sondern die > Lagenisolation großzügig ausgelegt. Moderne Trafos sind bei gleicher > Leistung deutlich kleiner. Hmm. Da ist noch die Sache mit dem Hubraum. Du kannst Eisen in Ausgangstrafos durch Nichts anderes als durch Eisen ersetzen (manche treiben das bis zum Exzess) aber die zu erreichende untere Grenzfrequenz bestimmt den benötigten Eisenquerschnitt. Kleine "moderne" Ausgangstrafos sind ..eher ...Müll. Die Kernbleche sind heute nicht viel besser als "früher", die Aussteuerbarkeit hat sich seit den 50ern nicht wesentlich verändert. Kornorientiertes geglühtes Material gabs früher auch schon, nur HiFi (UKW) gab es lange Jahre nicht.. Gruß, Holm
Harald W. schrieb: > batman schrieb: > >> Im Endeffekt kommt man doch immer wieder bei den Fakten an. Glühende >> Röhren sind sehr dekorativ und vermitteln eine gemütliche >> Kaminatmosphäre aber deshalb muß man ja keine Musik durchleiten. ;) > > Genau, ein hübscher Transistorverstärker mit einigen, oben drauf > montierten Röhren, bei denen nur die Heizung angeschlossen ist, > wäre doch das ideale Gerät. Glaube ich nicht. Das wäre equivalent zu den beschissenen "Nostalgieradios" mit irgendwelchen Plastikrohren die anheimelnd durch orangene LEDs beleuchtet werden und in denen ein MP3 Bläher werkelt. Dafür scheint es keinen Markt zu geben, immer wieder verscuht Jemand solchen Mist aufzulegen..der landet dann regelmäßig bei Pollin.. Gruß, Holm
Holm T. schrieb: > Es ist schon möglich sehr gute Röhrenamps zu bauen Kennst Du das von mir weiter oben erwähnte PPP-Prinzip? Das ist eine Brückenschaltung mit jeweils zwei gegen- überliegenden Röhren und zwei Spannungsquellen. Der Ausgangstrafo liegt in der Diagonale und kann dank der Quasi-Parallelschaltung wesentlich niederohmiger aufgebaut werden und deshalb auch leicht selbstgewickelt werden. Eine Bauanleitung gabs in der Funkschau etwa 1970. Ich fand damals, das das ein recht interessantes Konzept für Röhrenverstärker war. Diese alten Funkschauhefte findet man oft noch in grösseren Leihbüchereien jahrgangs- weise gebunden.
Harald W. schrieb: > Holm T. schrieb: > >> Es ist schon möglich sehr gute Röhrenamps zu bauen > > Kennst Du das von mir weiter oben erwähnte PPP-Prinzip? > Das ist eine Brückenschaltung mit jeweils zwei gegen- > überliegenden Röhren und zwei Spannungsquellen. Der > Ausgangstrafo liegt in der Diagonale und kann dank der > Quasi-Parallelschaltung wesentlich niederohmiger aufgebaut > werden und deshalb auch leicht selbstgewickelt werden. > Eine Bauanleitung gabs in der Funkschau etwa 1970. > Ich fand damals, das das ein recht interessantes Konzept > für Röhrenverstärker war. Diese alten Funkschauhefte > findet man oft noch in grösseren Leihbüchereien jahrgangs- > weise gebunden. Aber freilich kenne ich das, wird auch Circlotron genannt. Der Ausgangstrafo mutiert zur angezapften Drossel. Das Problem an dieser Architektur ist nur das den Aufwand ins Netzteil verschiebt. Du brauchst pro Kanal 2 getrennte floatende Anodenspannungen, d.h. bei Stereo dann 4... und du brauchst Treiber die viel Spannung leifern können. Es gibt auch interessante Schaltungen mit "Unity Coupling" aka "Cathode Feedback" .. d.h. Last aufgeteilt auf Anoden- und Kathodenzweig. Gruß, Holm
Karl B. schrieb: > Holm T. schrieb: >> Warum denkst Du das das dem To nützlich sein könnte wo >> er doch einen Hybrid amp mit Ausgangstransformatorloser Endstufe bauen >> möchte? > > Tja, > der Begriff "Hybrid" erweckt bei mir Assoziationen an "SABA > Freudenstadt". > Ein Gerät, das sowohl mit Röhren als auch Transistoren bestückt war. Naja, genau Sowas will der TO ja bauen, nur evtl. nicht mit AD152 in der Endstufe :-) > Interessanterweise wurde die Endstufe mit AD 152 aufgebaut, (habe selber > einen repariert.) Zu der Zeit des Aufkommens von UKW-FM-Stero hatten die > Transistoren noch nicht die zu wünschenden Eigenschaften im > HF-Eingangsteil-Bereich, die Röhre war da haushoch überlegen. Es gab auch Autoradios dieser Bauart. > Aber: Da die Endstufen mit den ECLL800 dauernd kaputt gingen, Die E(C)LL800 ist im Wesentlichen 2 EL95 in einem Gehäuse, bei der ECLL ist noch die Triode für den Phasendreher mit drin.. Ich halte schon die im Osten für Gegentaktendstufen dieser Art benutzte EL95 nicht unbedingt für langlebig (ich kenne die Lampe nur neu oder verbraucht, Zwischenstufen scheinen da nicht zu existieren) und die ELL800 oder ECLL800 ist nur dem Preisdruck zu verdanken und geht noch beschissener.. >hatte man > sich bei SABA für eine volumenmäßig kleinere aber leistungsfähigere > Transistorendstufe (mit Germaniums) entschieden. Danach kamen IMHO nur > noch volltransistorisierte Empfänger auf den Markt. > > Dass sich zwischenzeitlich die Diskussionslage in Richtung "Mixed mode" > verschoben hatte, ist bei mir wohl nicht ganz rübergekommen. Sorry, das steht schon im Betreff des Threads :-) > > Für einen Hybrid-Ender sind Kenntnisse der Röhrentechnik zumindest für > die Vorstufenbeschaltung sicher auch von Bedeutung. > > > ciao > gustav freilich.. wobei ich den TO da die überall und immer benutze ECC83 eher ausreden wollen würde, das Ding hat für heutige Verhältnisse eine viel zu hohe Verstärkung und ist hochohmig. Das braucht er Beides nicht. Eher ne ECC81 (85). Gruß, Holm
Holm T. schrieb: > Du fährst auf einen Seitenweg ab der hier überhaupt nicht relevant ist. Du hast hier gar nicht zu entscheiden was relevant ist. > Es wurde diskutiert warum Ausgangstrafos bei offenem Ausgang sterben, > das hatte ich versucht den Leutchen nahe zu bringen. Wenn Du nicht in den Stromübernahmebereich kommst, ist der Übertager auch nicht in Gefahr. > Du wiederum merkst an das zwar der Anodenstrom, nicht aber der > Kathodenstrom aufhört zu fließen und deswegen sehr wahrscheinlich das > Schirmgitter überlastet wird. Ich merke dazu 2 Dinge an: 1. es handelt > sich nicht um einen Betriebszustand des Verstärkers sondern um einen > Störfall Und ich darf im Störfall die Röhre nicht schützen? > und 2. Auch die zulässige Anodenspannung wird mit Sicherheit > überschritten so das Überschläge auch in der Röhre zu erwarten sind. Eher an der Fassung. EL509 und Co haben da eh keine Probleme mit. > Die Frage ist nur ob das überhaupt interessant ist? Ja, ich meine, das es interessant ist wie man Übertrager und Röhre schützen kann. Holm T. schrieb: > Gewerbliche Interessen meinerseits haben mit der Sache nix zu tun Doch doch, die Werbung für Deine Kollegen aus Jogis Bauchladen fällt sicher nicht nur mir auf. Auch von Werbung kann man lernen deshalb mache ruhig weiter so. Ich kenne Dich ja etwas besser, im Gegensatz zu vielen unbedarften Lesern hier. LG old.
Holm T. schrieb: > Harald W. schrieb: >> Holm T. schrieb: >> >>> Es ist schon möglich sehr gute Röhrenamps zu bauen >> >> Kennst Du das von mir weiter oben erwähnte PPP-Prinzip? >> ... Funkschau etwa 1970. McIntosh 1949, siehe link unten. > > Aber freilich kenne ich das, wird auch Circlotron genannt. Der > Ausgangstrafo mutiert zur angezapften Drossel. Das Problem an dieser > Architektur ist nur das den Aufwand ins Netzteil verschiebt. > Du brauchst pro Kanal 2 getrennte floatende Anodenspannungen, d.h. bei > Stereo dann 4... und du brauchst Treiber die viel Spannung leifern > können. nicht unbedingt ... > Es gibt auch interessante Schaltungen mit "Unity Coupling" aka "Cathode > Feedback" .. d.h. Last aufgeteilt auf Anoden- und Kathodenzweig. > Für technisch interessierte Leser: http://commentatroehrenbude.blogspot.de/2015/04/ppp.html Sucht Euch eine Schaltung aus. LG old.
Karl B. schrieb: > Interessanterweise wurde die Endstufe mit AD 152 aufgebaut, (habe selber > einen repariert.) Zu der Zeit des Aufkommens von UKW-FM-Stero hatten die > Transistoren noch nicht die zu wünschenden Eigenschaften im > HF-Eingangsteil-Bereich, die Röhre war da haushoch überlegen. Nicht nur mit UKW war das so. Sondern auch bei Kofferradios, wo es auf Energieeinsparung ankam, wurden Endstufen mit Transis und der (AM) HF-Teil mit Röhren ausgestattet. Aus der Not geboren.
@Holm also nachdem ich mir das nochmal gründlich überlegt habe, werde ich vom Hybridkonzept doch abkommen. In der Tat ist es so, dass es schon ein bisschen 'witzlos' ist. Nachdem ich jetzt herausgefunden habe, wo ich günstig leere Trafos incl. Bleche bekomme, und auch eine Wickelmaschine mit Zähler besorgen konnte, steht dem Konzept nichts mehr im Weg. Übrigens ist für mich der Grund, einen Röhrenamp bauen zu wollen auch der, dass man sich da voll verwirklichen kann beim Bau des Chassis. Bin heute fast den ganzen Nachmittag in der Werkstatt gestanden und habe gebohrt & gefräst ;) Werde jetzt zwei Gegentakt Ausgangsübertrager bauen. Ich muss meine Meinung revidieren, es sollte doch machbar sein. Der Amp hat dann 4x EL84 als Gegentaktstufe sowie 2x ECC83 als Eingangsstufe und Phasenumkehrstufe. Gleichrichter mit EZ81. Ich überlege noch, ob ich die Röhren mit Gleichstrom heizen soll. (Dann würde ich einen Si-Brückengleichrichter unter dem Chassis verstecken). PS: ich höre mir damit auch Vinyl an ;-) bis jetzt aber mit Transistoramp. Der funktioniert tadellos, ist aber nicht so hübsch.
Tobias P. schrieb: > Bin > heute fast den ganzen Nachmittag in der Werkstatt gestanden und habe > gebohrt & gefräst ;) Bist scheinbar ein brauchbarer Mechaniker. Aber Trafos für diese Spannung wickeln ist eine Wissenschaft für sich. Nicht umsonst sind die sehr teuer. Tobias P. schrieb: > also nachdem ich mir das nochmal gründlich überlegt habe, werde ich vom > Hybridkonzept doch abkommen. Dacht ich mir schon. Braucht doch erweitertes Wissen.
Tobias P. schrieb: > Der Amp hat dann 4x EL84 als Gegentaktstufe sowie 2x ECC83 als > Eingangsstufe und Phasenumkehrstufe. Dolby 5.1 sollte es heute aber schon sein. Ist doch bestimmt noch bissie Platz aufm Blech. :)
OXI T. schrieb: > Holm T. schrieb: >> Du fährst auf einen Seitenweg ab der hier überhaupt nicht relevant ist. > > Du hast hier gar nicht zu entscheiden was relevant ist. Genau das ist der Punikt an dem ich Dich fragte: "warum sollte ich das tun?". Mach doch selber, was gehen mich Deine Probleme an? > >> Es wurde diskutiert warum Ausgangstrafos bei offenem Ausgang sterben, >> das hatte ich versucht den Leutchen nahe zu bringen. > > Wenn Du nicht in den Stromübernahmebereich kommst, ist der > Übertager auch nicht in Gefahr. > >> Du wiederum merkst an das zwar der Anodenstrom, nicht aber der >> Kathodenstrom aufhört zu fließen und deswegen sehr wahrscheinlich das >> Schirmgitter überlastet wird. Ich merke dazu 2 Dinge an: 1. es handelt >> sich nicht um einen Betriebszustand des Verstärkers sondern um einen >> Störfall > > Und ich darf im Störfall die Röhre nicht schützen? Du darfst tun und lassen was Du willst mit der Ausnahme mir auf den Nerv zu gehen. > >> und 2. Auch die zulässige Anodenspannung wird mit Sicherheit >> überschritten so das Überschläge auch in der Röhre zu erwarten sind. > > Eher an der Fassung. EL509 und Co haben da eh keine Probleme mit. El84 aber schon. > >> Die Frage ist nur ob das überhaupt interessant ist? > > Ja, ich meine, das es interessant ist wie man Übertrager > und Röhre schützen kann. Soso, meinst Du.. > > Holm T. schrieb: >> Gewerbliche Interessen meinerseits haben mit der Sache nix zu tun > > Doch doch, die Werbung für Deine Kollegen aus > Jogis Bauchladen fällt sicher nicht nur mir auf. > Auch von Werbung kann man lernen deshalb mache ruhig weiter so. > Ich kenne Dich ja etwas besser, im Gegensatz zu vielen unbedarften > Lesern hier. > > LG > old. Du darfst Dir absolut sicher sein das ich für Dich und Deinen Laden keinerlei Werbung machen werde, eher ganz im Gegenteil, wenn es das ist um was Du Dir Sorgen machst. Ja und ich kenne Dich noch etwas besser als Du mich, deswegen beschreibe ich für die "unbedarften Leser" hier regelmäßig die Hauptmerkmale Deiner Person. Geh einfach woanders spielen oder zum Arzt.. Holm
Tobias P. schrieb: > @Holm > > also nachdem ich mir das nochmal gründlich überlegt habe, werde ich vom > Hybridkonzept doch abkommen. In der Tat ist es so, dass es schon ein > bisschen 'witzlos' ist. Nachdem ich jetzt herausgefunden habe, wo ich > günstig leere Trafos incl. Bleche bekomme, und auch eine Wickelmaschine > mit Zähler besorgen konnte, steht dem Konzept nichts mehr im Weg. Whow.. ging ja fix... Sieh zu das Du für die Ausgangstrafos gutes 0,35mm Blech bekommst und bei 2xEL84 sollten diese Trafos auch nicht kleiner werden als M85b oder M102a. > > Übrigens ist für mich der Grund, einen Röhrenamp bauen zu wollen auch > der, dass man sich da voll verwirklichen kann beim Bau des Chassis. Bin > heute fast den ganzen Nachmittag in der Werkstatt gestanden und habe > gebohrt & gefräst ;) Da gibts "Kunstwerke" sage ich Dir..:-) > > Werde jetzt zwei Gegentakt Ausgangsübertrager bauen. Ich muss meine > Meinung revidieren, es sollte doch machbar sein. Ja, natürlich ist es das. Es ist allerdings wirklich viel Arbeit und Du darfst nicht schlampen. > > Der Amp hat dann 4x EL84 als Gegentaktstufe sowie 2x ECC83 als > Eingangsstufe und Phasenumkehrstufe. Gleichrichter mit EZ81. Ich > überlege noch, ob ich die Röhren mit Gleichstrom heizen soll. (Dann > würde ich einen Si-Brückengleichrichter unter dem Chassis verstecken). > Wenn Gleichstromheizung dann nur für die Vorstufenröhren wegen des Fremdspannungsabstandes. Wofür planst Du 2xECC83? Normalerweise ist eine ECC83 für einen Kanal mehr als ausreichend. Wenn Du einen Klangregler mit einbauen möchtest mußt Du natürlich dessen Dämpfung aufholen aber die meisten historischen Schaltungen sind für rd. 100mV für Vollaussteuerung ausgelegt, heute sind bis zu 2,5V~ aus einem CD Player üblich. Mit mehr Verstärkung als notwendig handelst Du Dir eher Probleme ein.. > > > PS: ich höre mir damit auch Vinyl an ;-) bis jetzt aber mit > Transistoramp. Der funktioniert tadellos, ist aber nicht so hübsch. :-) Gruß, Holm
batman schrieb: > Tobias P. schrieb: >> Der Amp hat dann 4x EL84 als Gegentaktstufe sowie 2x ECC83 als >> Eingangsstufe und Phasenumkehrstufe. > > Dolby 5.1 sollte es heute aber schon sein. Ist doch bestimmt noch bissie > Platz aufm Blech. :) ..sollte es nicht. Das was ich in dieser Richtung bisher erlebt habe haut mich nicht vom Sessel. Das braucht man so dringend wie ein drittes Knie. Gruß, Holm
Holm T. schrieb: > Mit mehr Verstärkung als > notwendig handelst Du Dir eher Probleme ein.. Och, dann kann man die ECC86 (12AU7) statt der ECC83 (12AX7) einbauen, dann sollte das wieder klappen. Holm T. schrieb: > Wenn Gleichstromheizung dann nur für die Vorstufenröhren wegen des > Fremdspannungsabstandes. Man kann auch den guten alten Symmetrierer einbauen. 100-330 Ohm Drahtpoti mit den äusseren Enden an den Heizkreis und den Schleifer auf Masse. @TE: Wenn du den Trafo selber wickelst, dann überlege dir, ob du (weil sie in dem Fall sowieso nichts kosten) gleich Anzapfungen für die Ultralinear Schaltung rauslegst. Im o.a. RIM Bastelbuch sollten sich da einige Beispielschaltungen finden.
Holm T. schrieb: > Ja und ich kenne Dich noch etwas besser als Du mich Keine Kunst. Meine Heimseite findet Jeder unter "Firma:" Tobias P. schrieb: > es sollte doch machbar sein Tipp: Mit Pentoden in Katodenbasisschaltung in Pentodenbetrieb und ohne Gegenkopplung von der Primärseite spielt die Streuinduktivität kaum noch eine Rolle. LG old.
Matthias S. schrieb: > Och, dann kann man die ECC86 (12AU7) statt der ECC83 (12AX7) einbauen, > dann sollte das wieder klappen. Hi, bei der Reparatur eines Grundig TK25 sollte die ECC81 ausgetauscht werden. Da diese nicht zu bekommen war, schwatzte mir der Händler eine ECC82 auf. Interessanterweise funktionierte das Gerät dann wieder, obwohl die Parameter doch nicht gleich sind. Will sagen, man ist nicht unbedingt automatisch und sklavisch an exakt eine Röhrentype gebunden. Die ECC83 ist aber eine "ganz andere" Kategorie. Vergleich: ECC81 Ua = +250 V, Ug = -2,0 V , Ia = 10,0 mA Steilheit: 5,5 mA/V. µ = 1/Durchgriff: 60. Innenwiderstand: 11,0 k ECC82 Ua = +250 V, Ug = -8,5 V, Ia = 10,5 mA Steilheit: 2,2 mA/V. µ = 1/Durchgriff: 17 Innenwiderstand: 7,7 k ------------------------------------------------- ECC83 Ua = +250 V, Ug = -2,0 V, Ia = 1,2 mA Steilheit: 1,6 mA/V µ = 1/Durchgriff: 100 Innenwiderstand: 62,5 k In der Mikrofonvorstufe Pentoden zu verwenden, verbietet sich aber selbstredend wegen des gegenüber Trioden deutlich höheren Rauschens. Das konnte ich im Vergleich des TK25 (EF86) mit dem TK17 (ECC83) feststellen. Da hat der TO schon die richtige Entscheidung für Trioden getroffen. ciao gustav
Tobias P. schrieb: > Ich > überlege noch, ob ich die Röhren mit Gleichstrom heizen soll. (Dann > würde ich einen Si-Brückengleichrichter unter dem Chassis verstecken). Hi, sogar Produkte aus dem Hause Willy Studer (Revox) verwendeten in der legendären G36-er Serie Gleichstromheizung (im Bild sinngemäss). (Also, der "Elko-Ladestromstoss" sollte verteilt werden. Hier pro zwei Heizfäden ein relativ kleiner Elko, das könnte man prinzipiell erweitern und anpassen, wobei der erste "Ladeelko" logischerweise die größte Zeitkonstante bekäme, hier aber sind beide Elkos gleich gross gewählt.) ciao gustav
@Matthias S.: Eine ECC86 ist was Grundsätzlich Anderes als die üblichen Verdächtigen, das ist eine Niederspannungsröhre für Autoradios. @gustav: Ich denke nicht das Tobias vor hat ein Tonbandgerät zu bauen oder ein Mikrofon direkt an seinem Verstärker zu betreiben, auch die Aussage mit den Pentoden die nicht in einer Mikrofonverstärkerstufe anzuwenden seien ist grundsätzlich falsch. Die EF86 und ihr Vorgänger EF804 sind rausch- und klingarme Vorstufenröhren exakt auch für diesen Zweck. Siehe u.A. hier: http://www.jogis-roehrenbude.de/Verstaerker/MV3.htm Der MV3 ist ein gut klingender kleiner Mischverstärker aus der DDR, hat natürlich auf Grund der getrennten Klangregler für jeden Eingang einen ziemlich hohen Aufwand den man ggf. zusammenstreichen kann, dafür würde ich aber unbedingt den beiden Endröhren getrennte Kathodenkombinationen spendieren. Die Platine hat wohl erst kürzlich mal Jemand nachempfunden, das Layout ist wohl zu bekommen. Gruß, Holm
Holm T. schrieb: > auch die > Aussage mit den Pentoden die nicht in einer Mikrofonverstärkerstufe > anzuwenden seien ist grundsätzlich falsch. Die EF86 und ihr Vorgänger > EF804 sind rausch- und klingarme Vorstufenröhren exakt auch für diesen > Zweck. Das ist halt eine Frage des Anspruchs. Ich glaube dem Gustav ohne weiteres, dass die TK mit der ECC83 vorne, hörbar rauschärmer als die mit der EF86 ist. Problem bei der ECC83 man muss für Wechselstromheizung ein brummarmes Exemplar finden und selbst dann ist man in dieser Diziplin der EF86 unterlegen. Erst mit der ECC808 ist man da aus dem Schneider. Mit DC-Heizung ist man auch mit der ECC83 genau so gut bedient. Eine in sich auf den Pentodenverstärkungsfaktor gegengekoppelte ECC83 ist der EF86 technisch überlegen. Mir fällt gerade keine Schaltung ein, bei der das nicht der Fall wäre. LG old.
Hi, dieselbe Schaltung gibt es noch als folgende Variante unter derselben Seite: "...Die EF 86 (eine speziell für HiFi-Zwecke entwickelte Röhre !) ist als Triode geschaltet...." Das hatte ich noch im Hinterkopf: "....Wie aus Bild 9. zu sehen, ist die EF86 weniger gut für sehr rauscharme Verstärkung geeignet als etwa eine ECC83....Das ist auch theoretisch zu erwarten, da die Aufteilung des Kathodenstroms auf Anode und Schirmgitter ein zusätzliches Rauschen verursacht (Stromverteilungsrauschen), das bei Trioden entfällt... " Scheint aber für TOs Projekt nicht so relevant. Es gibt auch noch andere Gründe, warum TO zur Triode griff. (Die stehen auch unter derselben INet- Seite...) ciao gustav
Karl B. schrieb: > > sogar Produkte aus dem Hause Willy Studer (Revox) verwendeten in der > legendären G36-er Serie Gleichstromheizung (im Bild sinngemäss). > (Also, der "Elko-Ladestromstoss" sollte verteilt werden. Hier pro zwei > Heizfäden ein relativ kleiner Elko, das könnte man prinzipiell erweitern > und anpassen, wobei der erste "Ladeelko" logischerweise die größte > Zeitkonstante bekäme, hier aber sind beide Elkos gleich gross gewählt.) > ciao > gustav Oha, das klappt aber nur bei Röhren mit gleichem Strombedarf. Ansonsten fallen eben nicht an jeder Röhre 6,3V ab. Irgendwo hatte ich auch gelesen, dass Gleichstromheizung den Heizwendeln nicht so gut bekommt. Ich habe mich damit aber nie befasst. Bei den wenigen Röhrengeräten die ich in meinem Leben gebaut habe (Voltmeter, NF-Generator usw.) habe ich normal geheizt. Old-Papa
Karl B. schrieb: > Das ist auch > theoretisch zu erwarten, da die Aufteilung des Kathodenstroms auf Anode > und Schirmgitter ein zusätzliches Rauschen verursacht > (Stromverteilungsrauschen), das bei Trioden entfällt... Zur Lösung dieses Problems gibt es ja die Cascodeschaltung. Gegenüber der Pentode ist man da lediglich im Ausgangsspannungshub eingeschränkt. Und eine geniale Idee von User McCoy aus der RB mit Stromspiegeln. Dabei spiegelt man den Schirmgitterstrom und addiert ihn zum Anodenstrom. Damit bleiben die Pentodeneigenschaften erhalten. Man bekommt eine rauscharme Pentode. LG old.
Old P. schrieb: > Karl B. schrieb: >> >> sogar Produkte aus dem Hause Willy Studer (Revox) verwendeten in der >> legendären G36-er Serie Gleichstromheizung (im Bild sinngemäss). >> (Also, der "Elko-Ladestromstoss" sollte verteilt werden. Hier pro zwei >> Heizfäden ein relativ kleiner Elko, das könnte man prinzipiell erweitern >> und anpassen, wobei der erste "Ladeelko" logischerweise die größte >> Zeitkonstante bekäme, hier aber sind beide Elkos gleich gross gewählt.) >> ciao >> gustav > > Oha, das klappt aber nur bei Röhren mit gleichem Strombedarf. Ansonsten > fallen eben nicht an jeder Röhre 6,3V ab. > Irgendwo hatte ich auch gelesen, dass Gleichstromheizung den Heizwendeln > nicht so gut bekommt. Ich habe mich damit aber nie befasst. Bei den > wenigen Röhrengeräten die ich in meinem Leben gebaut habe (Voltmeter, > NF-Generator usw.) habe ich normal geheizt. > > Old-Papa Naja nee. Problematisch wird das evtl. bei großen direkt geheizten Röhren weil dann u.U. ein Ende der Kathode merklich negativer ist als das Andere. Ich habe da schon Schaltungen gesehen die die Heizung bei jedem Einschalten mit einer Art Eltako umpolen. Für Indirekt geheizte Röhre nsollte das ohne Belang sein, allenfalls das Potential des Fadens gegenüber dem Kathodenröhrchen verlangt Beachtung.. Ich habe irgendwelche kleine direkt geheizte russische Senderöhrenknubbel (6P21S) die selbst als Endröhre mit Wechselstromheizung nicht ruhig zu bekommen waren, offensichtlich verursacht das periodisch wandernde negative Ende der Kathode ein deutlich nachweisbares Brummen.. @gustav: >Scheint aber für TOs Projekt nicht so relevant. Es gibt auch noch andere >Gründe, warum TO zur Triode griff. (Die stehen auch unter derselben >INet- Seite...) Eben. Ich denke nicht das er überhaupt eine so hoch verstärkende Vorstufe benötigt, dann ist es auch müßig sich über das Rauschen einer solchen Stufe Gedanken zu machen. Soll er sich eine Schaltung aussuchen die ihm gefällt. Wenn die Endstufe mit 2x EL84 geplant ist hat man noch genug Freiraum für Spielereien mit Phasendreher usw.. Eine ECF80 ist auch nicht grundverkehrt in so einem Verstärker und wohl vergleichweise billig. Gruß, Holm
Old P. schrieb: > Oha, das klappt aber nur bei Röhren mit gleichem Strombedarf. Ansonsten > fallen eben nicht an jeder Röhre 6,3V ab. Ok, ist bei der G36 auch nur auf die Vorstufenröhren-Heizung beschränkt (interessanterweise ECC83 - wohl in Cascodeschaltung). Die übrigen Röhrenheizfäden werden parallel auf Wechselstrom geschaltet. Nur noch von jedem der beiden Pole ein 100 Ohm Widerstand nach Massepunkt. Diente nur als Beispiel. Old P. schrieb: > Irgendwo hatte ich auch gelesen, dass Gleichstromheizung den Heizwendeln > nicht so gut bekommt. Habe ich auch schon gehört: die Heizfäden würden nicht gleichmässig heiss. Besonders in der Anheizphase würde die Röhre zusätzlich zur berühmt berüchtigt auftretenden "Unterheizung" da schneller altern. Vorteil einer Gleichspannungsheizung soll die Verringerung des Brummens sein. Wird anscheinend aber auch durch gewisse Nachteile erkauft ciao gustav
OXI T. schrieb: > Holm T. schrieb: >> Ja und ich kenne Dich noch etwas besser als Du mich > > Keine Kunst. Meine Heimseite findet Jeder unter "Firma:" [..] > LG > old. Ich schrieb nicht das ich Deine Webseite kenne, die interessiert mich eher nicht. Holm
Karl B. schrieb: > sogar Produkte aus dem Hause Willy Studer (Revox) verwendeten in der > legendären G36-er Serie Gleichstromheizung (im Bild sinngemäss). Die Ströme bei E-Röhren sind nur Richtwerte, keine garantierten Werte. D.h. es kann Exemplarschwankungen geben und dann werden bei Reihenschaltung die Heizspannungen unterschiedlich. Die Siebwirkung der 470µF bei 0,67A ist eh nur minimal. Dafür erhöht sich die Störeinkopplung durch die Verdopplung auf 100Hz und das Ohr ist für 100Hz auch viel empfindlicher. Die Sache kann also völlig nach hinten losgehen. Ich vermute mal, das ist ne reine Sparmaßnahme und die 24V= werden noch als Steuerspannung z.B. für Relais benutzt. Man sparte also eine Trafowicklung ein.
Holm T. schrieb: > OXI T. schrieb: >> Holm T. schrieb: >>> Ja und ich kenne Dich noch etwas besser als Du mich >> >> Keine Kunst. Meine Heimseite findet Jeder unter "Firma:" > [..] >> LG >> old. > > Ich schrieb nicht das ich Deine Webseite kenne, die interessiert mich > eher nicht. > > Holm Dann kennst Du mich eben nicht. Peter D. schrieb: > Ich vermute mal Schau mal beim Scott 233. LG old.
OK, hier steht noch etwas Interessantes: Ohne Weiteres geht der Umstieg Wechsel-/Gleichstromheizung - vor allem bei der direkt geheizten Gleichrichterröhre - nicht. http://www.roehrentest.de/Gleich-Wechselstromheizung.pdf ciao gustav
Karl B. schrieb: [..] > Habe ich auch schon gehört: die Heizfäden würden nicht gleichmässig > heiss. [..] > ciao > gustav ..und das funktioniert bei einem Heizdraht genau wie? Natürlich kann daswie schon von mir erwähnt bei Sendelampen zu Problemen führen wenn der Anodenstrom so hoch ist das er in der Größenordnung des Heizstroms operiert und dann das negative Ende stärker belastet... Aber gustav, Tobias möchte ECC8x und EL84 verwenden...Du kannst also aus dieser Kurve wieder raus kommen.. Gruß, Holm
Hier mal der Schaltplan des 50W Einschubs V150, wie ich ihn noch in älteren ELA-Anlagen gesehen habe: https://maybaummagnetics.files.wordpress.com/2013/04/dsc_0148.jpg https://maybaummagnetics.wordpress.com/2013/04/27/reparatur-rohrenverstarker-50w-v150-kolleda-typ-8321-6-1/ Man beachte die 100R bzw. 1k direkt an den Gitteranschlüssen zur Vermeidung von HF-Schwingungen. Er hatte eine Gegenkopplung vom Ausgangstrafo auf die Stufe vor der Phasenumkehrstufe. Die EYY13 habe ich darin nicht mehr gesehen. Die SY210 wurden direkt in den Sockel der EYY13 gelötet.
Hi, "...Ersatzdioden falls es keine SY210 mehr geben sollte, ich nehme dafür 1N4007...." Bisschen gewagt - IMHO. Lieber BY255 o.besser. Nur so eine Idee. ciao gustav
...komisch das fast prinzipiell 1N4007 verwurstet werden, EM513,16,18 kennt wohl Keiner.. die stehen aber im selben Datenblatt und kosten das Selbe.. Ich kaufe nur die EMs... Gruß, Holm
Peter D. schrieb: > Hier mal der Schaltplan Der Netztrafo schreit ja förmlich nach Röhrengleichrichtung. Muss ja nicht die EYY sein ...
OXI T. schrieb: > Peter D. schrieb: >> Hier mal der Schaltplan > > Der Netztrafo schreit ja förmlich nach Röhrengleichrichtung. > Muss ja nicht die EYY sein ... Doch. Man nimmt die aus der Schachtel und steckt sie in die Fassung. Gruß, Holm
Holm T. schrieb: > @Matthias S.: Eine ECC86 ist was Grundsätzlich Anderes als die üblichen > Verdächtigen, das ist eine Niederspannungsröhre für Autoradios. Richtig - ich meinte die ECC82 aka 12AU7 (bin mittlerweile mehr mit diesen Bezeichnungen vertraut), die hat eine geringere Steilheit und verstärkt lange nicht so hoch wie die 12AX7, die wohl in etwa der ECC83 entspricht.
Matthias S. schrieb: > Holm T. schrieb: >> @Matthias S.: Eine ECC86 ist was Grundsätzlich Anderes als die üblichen >> Verdächtigen, das ist eine Niederspannungsröhre für Autoradios. > > Richtig - ich meinte die ECC82 aka 12AU7 (bin mittlerweile mehr mit > diesen Bezeichnungen vertraut), die hat eine geringere Steilheit und > verstärkt lange nicht so hoch wie die 12AX7, die wohl in etwa der ECC83 > entspricht. Ja Die ECC82-12AU7 hat ein µ von ca. 17, die ECC81-12AT7 von ca. 60 und die ECC83-12AX7 von ca. 100. Das ist der Grund warum ich die ECC81 vorgeschlagen hatte, die ist niederohmiger und macht nicht ganz so viel Verstärkung. Die ECC85 ist im Wesentlichen das Selbe mit anderer Anschlußlage, und Abschirmblech zwischen den Systemen, verbessert für die Anwendung im UKW Tuner. Der ECC83 enspricht in etwa die russische 6N2P die auch eine veränderte Anschlußlage hat. Gruß, Holm
Holm T. schrieb: > Abschirmblech > zwischen den Systemen kannst Du bei den anderen Röhren auch haben, siehe Bild. Holm T. schrieb: > die ECC81-12AT7 von ca. 60 Ja, im Datenbuch. In einem Arbeitspunkt dessen Anwendung ich noch in keiner Schaltung gesehen habe. Schonmal damit eine Verstärkerstufe aufgebaut? LG old.
OXI T. schrieb: > Holm T. schrieb: >> Abschirmblech >> zwischen den Systemen > > kannst Du bei den anderen Röhren auch haben, siehe Bild. Klar doch Du Fachmann. Die China 12AX7 ist eine heizfademäßig umgefriemte 6Н2п die die Chinesen in Zusammenarbeit mit den Russen vor der Wende gebaut haben (und wohl auch noch bauen). Das Schirmblech war demzufolge schlicht übrig. die JJ ECC83S ist eine auf '83 umgefriemte Spanngittertriode ECC88, auch da gabs vorher in der Mechanik das Schirmblech schon. Beide Röhren sind qualitativ eher "bescheiden" und in Massen in heutigen Gitarrenamps zu finden. > > Holm T. schrieb: >> die ECC81-12AT7 von ca. 60 > > Ja, im Datenbuch. In einem Arbeitspunkt dessen Anwendung > ich noch in keiner Schaltung gesehen habe. > Schonmal damit eine Verstärkerstufe aufgebaut? > > LG > old. Nein, noch nie, ich baue mit diesen Dingern immer nur Kaffeemühlen. Es ist wohl noch nicht bis in den letzten Winken Solingens vorgedrungen was "ca." heißen könnte. Auch das scheinst Du noch nirgendwo gesehen zu haben. Ich habe schon ein Arschloch im Hintern und komme damit relativ gut klar, ich brauch nicht wirklich noch Eins. Holm
Holm T. schrieb: > Beide Röhren sind qualitativ eher "bescheiden" Kann ich nicht bestätigen. Holm T. schrieb: > umgefriemte eine ECC82 ist dann auch eine am Gitter umgefriemte ECC83 und? Holm T. schrieb: > Nein, noch nie, ich baue mit diesen Dingern immer nur Kaffeemühlen. > Es ist wohl noch nicht bis in den letzten Winken Solingens vorgedrungen > was "ca." heißen könnte. Auch das scheinst Du noch nirgendwo gesehen zu > haben. Ja, merkt man. Mit ca. 40 kannst Du bei der ECC81 rechnen. Holm T. schrieb: > Ich habe schon ein ... Holms Art sich zu bedanken wenn er etwas dazu lernt. Diese verbalen Ausfälle sind Holms Markenzeichen. hi hi. LG old.
OXI T. schrieb: > Holm T. schrieb: >> Beide Röhren sind qualitativ eher "bescheiden" > > Kann ich nicht bestätigen. > > Holm T. schrieb: >> umgefriemte > > eine ECC82 ist dann auch eine am Gitter umgefriemte ECC83 und? Ich habe von einer China 12AX7 und einer Tesla ECC83S geschrieben, nicht von ECC82 und ECC83..davon träumst Du nur. > > Holm T. schrieb: >> Nein, noch nie, ich baue mit diesen Dingern immer nur Kaffeemühlen. >> Es ist wohl noch nicht bis in den letzten Winken Solingens vorgedrungen >> was "ca." heißen könnte. Auch das scheinst Du noch nirgendwo gesehen zu >> haben. > > Ja, merkt man. Mit ca. 40 kannst Du bei der ECC81 rechnen. Was geht mich Dein Problem an? > > Holm T. schrieb: >> Ich habe schon ein ... > > Holms Art sich zu bedanken wenn er etwas dazu lernt. > Diese verbalen Ausfälle sind Holms Markenzeichen. hi hi. > > LG > old. Die Aussage eines hinterhältigen Ignoranten. Bleib mir von der Pelle! Holm
Bitte hört auf damit. Egal, wer nun mehr im Recht ist. Holm T. schrieb: > Wofür planst Du 2xECC83? Normalerweise ist eine ECC83 für einen Kanal > mehr als ausreichend. Hm... vielleicht wollte er ja den Gesamtbedarf für Stereo angeben? Ich bin jedenfalls sehr gespannt auf die weitere Entwicklung. Der Tobias bereitet sich scheinbar gründlichst vor, und ich erwarte irgendwie, daß das "was gescheites wird". ;-)
Hallo hallo, so, ich habe in der Zwischenzeit einmal ein bisschen experimentiert. Ich wollte wissen, ob das mit den Ausgangsübertragern wirklich so eine Wissenschaft ist. Von einem Trafobauer in der Nähe habe ich Kerne EI96a und Wickelkörper gesponsert bekommen und habe mal einen Ausgangstrafo gewickelt. Das ganze wurde nach Jogis Anleitung berechnet. Ich habe mich dann entschieden, die Wicklungen 4fach zu verschachteln. Der Wicklungsaufbau ist wie folgt: 100 W^dg. Sekundär 800 Wdg. Primär #1 800 Wdg. Primät #2 100 W^dg. Sekundär 800 Wdg. Primär #1 800 Wdg. Primät #2 100 W^dg. Sekundär 800 Wdg. Primär #1 800 Wdg. Primät #2 100 W^dg. Sekundär 800 Wdg. Primär #1 800 Wdg. Primät #2 Dank einer Wickelmaschine mit Zähler ist das auch gar nicht sooo eine Sache. Nach ca. 1 Stunde war ich fertig. Die Sekundärwicklungen werden parallel geschaltet, während die Primätwicklungen #1 und #2 jeweils in Serie sind. Den so entstandenen Trafo habe ich dann an einen Funktionsgenerator gehängt und Ausgangsseitig mit 8 Ohm belastet. Mit dem Oskar dann die Ausgangsspannung über dem 8 Ohm Widerstand gemessen und zuerst manuell ein bisschen an der Frequenz rum gedreht. Siehe da, die Ausgangsamplitude ist von 10 Hz bis 40 kHz hoch konstant! das finde ich schon mal nicht schlecht. Im Anhang mal ein Screenshot vom Oszi. Habe den Funktionsgenerator sweepen lassen von 10 Hz bis 60 kHz. Am linken Bildschirmrand ist 10 Hz, am rechten Rand 60 kHz. Weils so spassig war habe ich dann noch einen 2. Trafo gefertigt. Dieser weist den nahezu identischen Frequenzgang auf :-) Die beiden Exemplare sind auch im Anhang. Wenn ihr euch für den mech. Aufbau interessiert, könnt ihr auf meiner Page schauen: [entfernt, boesartige Webseite] werde da demnächst paar neue Bilder hochladen. Grüsse Tobias
Gut so! So macht man das als echter Bastler: Einfach mal loslegen ;-) Allerdings wird Dein Probeaufbau in der Realität deutlich anders "gehen" Frequenzgang ist ja nicht alles. Gerade bei Stereo kommt es auch auf die Phasenlage an. Und ein 8-Ohm Lastwiderstand ist kein Lautsprecher mit meterlanger Zuleitung. Aber berichte mal vom weiteren Aufbau. Old-Papa
Hmm, war das jetzt Sarkasmus? natürlich hab ich einen Plan welcher in Ltspice simuliert wurde. Und die Trafos sind genau berechnet. :-o Old P. schrieb: > Gut so! > So macht man das als echter Bastler: Einfach mal loslegen ;-) > Allerdings wird Dein Probeaufbau in der Realität deutlich anders "gehen" > Frequenzgang ist ja nicht alles. Gerade bei Stereo kommt es auch auf die > Phasenlage an. Und ein 8-Ohm Lastwiderstand ist kein Lautsprecher mit > meterlanger Zuleitung. > Aber berichte mal vom weiteren Aufbau. > > Old-Papa
Interessant ist, das Du sowohl Primät- als auch Primärwicklungen aufgebracht hast :-) Natürlich geht das. Der Teufel steckt aber im Detail. Für Ausgangstrafos verwndet man heute zu Tage 0,35mm Bleche aus M330 oder besser M111 die hoch aussteuerbar sind und niedrige Ummagnetisierungsverluste haben (geglühtes kornorientiertes Materia). Man möchte hohe Induktivitäten bei hoher Aussteuerbarkeit und niedrigen Verlusten (Eisen und Kupfer) und guter Kopplung, Frequenzgang bitte auch wobei tunlichst keine Eigenresonanzen im Übertragungsbereich auftreten sollten. Das Alles zusammen macht das KnowHow beim Bau eines Ausgangstrafos aus. Es sind meist mehrere Optimierungsschritte notwendig um zu wirklich guten Ergebnissen zu kommen was sich bei heute geringen Stückzahlen dann auch im Preis niederschlägt, auch mit der Verschachtelung kann man ziemlich herumüben :-) Nichts desto trotz ist es im Endeffekt keine Zauberei sondern Alles erlernbar. Mach einfach weiter. Gruß, Holm
Holm T. schrieb: > Natürlich geht das. Der Teufel steckt aber im Detail. Für Ausgangstrafos > verwndet man heute zu Tage 0,35mm Bleche aus M330 oder besser M111 die > hoch aussteuerbar sind und niedrige Ummagnetisierungsverluste haben > (geglühtes kornorientiertes Materia). Jo, das stimmt, meines ist tatsächlich dicker als 0.35, dieses ist schwer zu bekommen. Aber kornorientiert isses. Also mich dünkt der Frequenzgang ganz OK, der schaut doch schön flach aus oder? jedenfalls bis 40 kHz. Mein Netzwerkanalysator fängt leider erst bei 300 kHz an, sonst hätte ich den angeschlossen.
Tobias P. schrieb: > Also mich dünkt der Frequenzgang ganz OK, der schaut doch schön flach > aus oder? jedenfalls bis 40 kHz. Ich bin gespannt. Der ultimative Hörtest steht ja noch aus, aber messtechnisch ist zumindest der Frequenzgang cool. Schau doch mal im Bereich der Nulldurchgänge, ob man da viel Verzerrung sieht. Ein ziemlich guter Test für sowas ist der X-Y Betrieb mit Oszi. An X legst du den Generator direkt und an Y den Ausgang des Trafos. Ein idealer Trafo sollte eine glatte schräge Linie erzeugen, z.B. 45° bei richtiger Skalierung. Hast du nun Gegentakt oder Eintakt gewickelt, das geht aus der Wickelbeschreibung nicht vor?
Tobias P. schrieb: > Also mich dünkt der Frequenzgang ganz OK Nun, man sieht noch die Welligkeit, mangels Skalierung keine Ahnung wie viel, vielleicht 1.5dB. Für Röhrenverstärker ok, beim Transistorverstärker wäre es aalglatt, aber du könntest per Gegenkopplung noch was ausgleichen, obwohl vielen Röhrenlieblingen Gegenkopplung eine Greul ist.
Tobias P. schrieb: > habe mal einen Ausgangstrafo > gewickelt. Bei der Hochspannung sollte man die dünnen Drähte nicht nackt herausführen, sondern mit Isolierschlauch bis unter die Isolierfolie. Oder noch besser, Litzen anlöten. Üblich wickelt man auch als letzte Lage den dicken Draht. Dann ist der Wickel mechanisch besser geschützt.
Tobias P. schrieb: > Hmm, war das jetzt Sarkasmus? > > natürlich hab ich einen Plan welcher in Ltspice simuliert wurde. Und die > Trafos sind genau berechnet. > :-o Ein reales Verhalten kann LT-irgendwas nicht ;-) Die Trafos sind berechnet, das habe ich natürlich auch vermutet. Nein, das sollte kein Sarkasmuss sein, eher ein Lob. Ich wollte eben nur sagen, das so ein einfacher Versuchsaufbau zwar für einen ersten Eindruck taugt, reale Werte bekommt man aber nur im realen Schaltungsaufbau. Old-Papa
MaWin schrieb: > Tobias P. schrieb: >> Also mich dünkt der Frequenzgang ganz OK > > Nun, man sieht noch die Welligkeit, mangels Skalierung keine Ahnung wie > viel, vielleicht 1.5dB. > > Für Röhrenverstärker ok, beim Transistorverstärker wäre es aalglatt, > aber du könntest per Gegenkopplung noch was ausgleichen, obwohl vielen > Röhrenlieblingen Gegenkopplung eine Greul ist. Das stimmt so nicht. Gegentaktverstärker werden so gut wie nie ohne Gegenkopplung betrieben was nicht zuletzt daran liegt das diese meist mit Pentoden bestückt sind die eine hohe Quellimpedanz haben..das was hinten dran ein Lautsprecher mit seinem komplexen Widerstand draus machen würde will wohl Keiner hören. Bei SE Verstärkern mit Trioden ist es allerdings wirklich nicht ungewöhnlich den Amp "klingen" zu lasen, aber da liegen die Quellimpedanzen niedriger. Gruß, Holm
Peter D. schrieb: > Tobias P. schrieb: >> habe mal einen Ausgangstrafo >> gewickelt. > > Bei der Hochspannung sollte man die dünnen Drähte nicht nackt > herausführen, sondern mit Isolierschlauch bis unter die Isolierfolie. > Oder noch besser, Litzen anlöten. > Üblich wickelt man auch als letzte Lage den dicken Draht. Dann ist der > Wickel mechanisch besser geschützt. Ja. Gut brauchbare Praxis ist es auch das Drahtende mehrfach um die Hand zu wickeln und diesen Bund mit z.B. Akkuschrauber und aufgebogener Rouladennadel im Futter in sich zu verdrillen. Die entstehende Litze hängt zwar auch nur an einer Ader ist aber mechanisch ausreichend stabil um mit Isolierschlauch nach Außen geführt zu werden. Abgesehen davon gibts bei Weisser auch Bobbins mit Aufnahmen für Lötösen, man kann den CUL Draht dann direkt da auflegen. BTW: Menting gibts nach Insolvenz wieder (spulen.com) für Leute ohne Beziehungen sicherlich eine interessante Webseite.. Die Übertrager sind wohl bis jetzt noch nicht an einer Röhre gelaufen. Interessant wird es also erst noch..denn Aüs verhalten sich bei hoher Spannung meist völlig anders als mit Kleinsignal ausgemessen, der Frequenzgang oben ist also keinesfalls über- bzw. überhaupt zu bewerten. Man merkt schon deutliche Unterschiede wenn man die Primärinduktivität mit irgend einem LC Meter mißt oder als XL bei 50Hz und 230V. Es ist nett wenn man für solche Zwecke einen ollen PA Verstärker mit 100V Ausgang oder einen GF20 bei der Hand hat :-) "gib mir eine Spule und einen Induktivitätswert, ich messe Dir den..." @Tobias: Laß Dich von mir nicht ins Boxhorn jagen, ich habe zwar Recht (Tm) aber es wird da Alles nicht so heiß gegessen wie es gekocht wird. Komm mal mit der Schaltung rüber, Darius und ich haben sicher daran noch herum zu nörgeln aber auch ein paar Hinweise in petto.. @All: der Frequenzgang ist sowieso egal, es gibt keinen besser "klingenden" Verstärker als den ersten mit selbstgebauten Trafos.. Gruß, Holm
Hallo Hallo ich überlege mir grade den mechanischen Aufbau. Da ich nicht unendlich viel Platz vergeuden möchte, frage ich mich: wie nah dürfen die Ausgangsübertrager beim Netztrafo sein? Genügt es, wenn der Netztrafo 90° gedreht wird (so dass der Mittelsteg der Bleche 90° zum Mittelsteg der Ausgangstrafos steht), oder muss da noch ein besonderer Abstand eingehalten werden? oder ist das nicht so kritisch? Ein Extra Abrschirmblech wäre eher unschön.
Hättest Du genug Platz, und nur einen Ausgangtrafo, hätte ich gesagt: "Versorgungtrafo Primärwicklung ans Netz - allerdings sekundär alles getrennt - und dazu einen Kopfhörer an die Ausgangstrafo-Sekundär-(also die Ausgangs-)Wicklung, und mit Platzierung und Orientierung der beiden so lange "spielen", bis das 50Hz-Geräusch am leisesten ist." Mit genügend Platz ginge das mit beiden ATs... und diese könnte man gegeneinander auch noch ähnlich testen (nur halt nicht unbedingt mit Netzpannung - irgendwas im Hörbereich halt auch). Du aber scheinst zu planen, aus Platzmangel die beiden AT eventuell sogar rechts und links vom VT zu platzieren... Ironie ein - Gut wäre dabei, daß dann wenigstens kein "Übersprechen" von einem AT zum anderen stattfände - da durch den VT recht gut "geschirmt"... - Ironie aus
Homo Habilis schrieb: > Du aber scheinst zu planen, aus Platzmangel die beiden AT eventuell > sogar rechts und links vom VT zu platzieren... Nein. Das steht da nirgends.
Homo Habilis schrieb: > Gut wäre dabei, daß dann wenigstens kein "Übersprechen" > von einem AT zum anderen stattfände Das Übersprechen kann man vernachlässigen, für den Stereoeffekt braucht man nicht viel. Schallplatten haben nur 25dB Übersprechdämpfung. Manche empfinden bei Röhren ein leises Netzbrummen sogar als angenehm, der Verstärker "lebt".
So als Faustformel würde ich Trafos und Drosseln so anordnen, daß noch ein Trafo dazwischen passen würde. Dann dürfte die Kopplung vernachlässigbar sein.
Tobias P. schrieb: > wie nah dürfen die > Ausgangsübertrager beim Netztrafo sein? Netztrafo an Netzspannung klemmen, Übertrager an Lautsprecher/Kopfhörer. So positionieren, dass man keinen Netzbrumm hört. LG old.
OXI T. schrieb: > Tobias P. schrieb: >> wie nah dürfen die >> Ausgangsübertrager beim Netztrafo sein? > > Netztrafo an Netzspannung klemmen, > Übertrager an Lautsprecher/Kopfhörer. > > So positionieren, dass man keinen Netzbrumm hört. > > LG > old. PASST! So habe ich es jetzt gemacht. Sehr gute Idee! Trotzdem dass die Trafos jetzt nur sehr wenig Abstand zueinander haben, brummt es so gut wie gar nicht im Kopfhörer. Mein AKG K514 hat 33 Ohm. Daraus schliesse ich, dass es mit einem 8 Ohm Lautsprecher sicher nicht mehr brummen wird, als mit dem Kopfhörer ;-) Werde dann demnächst die Trafo Aussparungen usw. fräsen. Dann kann man dann mehr sagen.
Tobias P. schrieb: > Homo Habilis schrieb: >> Du aber scheinst zu planen, aus Platzmangel die beiden AT eventuell >> sogar rechts und links vom VT zu platzieren... > > Nein. Das steht da nirgends. Stimmt, da habe ich mich zu drastisch ausgedrückt... das steht da auch gar nicht, da lag ich falsch. War abgelenkt - egal. OXI T. schrieb: > Netztrafo an Netzspannung klemmen, > Übertrager an Lautsprecher/Kopfhörer. > > So positionieren, dass man keinen Netzbrumm hört. > > LG (Ohne Worte)
OXI T. schrieb: > Netztrafo an Netzspannung klemmen, > Übertrager an Lautsprecher/Kopfhörer. > > So positionieren, dass man keinen Netzbrumm hört. Das reicht nicht, der Netztrafo muß auch belastet werden. Halte mal einen Magneten in die Nähe eines Trafos mit und ohne Last. Nur mit Last vibriert der Magnet deutlich. Durch die Belastung werden quasi die Feldlinien nach außen gedrückt. Röhrenschaltungen haben ja schon ohne Aussteuerung eine hohen Stromverbrauch.
Peter D. schrieb: > OXI T. schrieb: >> Netztrafo an Netzspannung klemmen, >> Übertrager an Lautsprecher/Kopfhörer. >> >> So positionieren, dass man keinen Netzbrumm hört. > > Das reicht nicht, der Netztrafo muß auch belastet werden. > Halte mal einen Magneten in die Nähe eines Trafos mit und ohne Last. Nur > mit Last vibriert der Magnet deutlich. > Durch die Belastung werden quasi die Feldlinien nach außen gedrückt. > > Röhrenschaltungen haben ja schon ohne Aussteuerung eine hohen > Stromverbrauch. Habe die Heizung einer EZ80 angeschlossen ;-)
Peter D. schrieb: > > Das reicht nicht, der Netztrafo muß auch belastet werden. > Halte mal einen Magneten in die Nähe eines Trafos mit und ohne Last. Nur > mit Last vibriert der Magnet deutlich. > Durch die Belastung werden quasi die Feldlinien nach außen gedrückt. Das stimmt zwar, doch für die geometrische Ausrichtung beider Trafos ist das unerheblich. Diese kann man so schon machen, rückt die Trafos dann aber in der gefundenen Anordnung etwas weiter auseinander. Aus optischen Gründen wird dann in der Praxis meistens doch nur eine 90°-Verdrehung gegeneinander realisiert. > Röhrenschaltungen haben ja schon ohne Aussteuerung eine hohen > Stromverbrauch. "Hoch" ist relativ. Old-Papa
Hallo Bastelfreunde ich habe nun einen ersten Versuchsaufbau gemacht. Habe mich für erste Gehversuche an diese Schaltung gehalten: http://www.jogis-roehrenbude.de/Verstaerker/12-Watt-EL84.htm Der Ausgangsübertrager istz selber gewickelt und mit einem Funktionsgenerator & Oszilloskop ausgemessen worden, er erfüllt meine Anforderungen. Die Windungsverhältnisse habe ich gemäss einer Anleitung von Jogi berechnet. Soweit so gut. Habe als erstes nur die ECC83 eingesetzt, um deren Funktion zu überprüfen. Dazu habe ich einen Funktionsgenerator beim 10n Eingangskondensator angeschlossen und zwei Kanäle vom Oskar bei den beiden Ausgängen der ECC83, an den 25n Kondensatoren. Dann eingeschaltet. Der Phasenumkehrer funktioniert perfekt: man erhält in der tat zwei saubere, 180° versetzte Signale. Cool! Also habe ich nun die EL84 rein gesetzt. Leider wurde das Signal am g1 beider EL84 dadurch sehr grausig. Dann habe ich bemerkt, dass ich g2 vergessen habe anzuschliessen. Nun sieht es ein kleines bisschen besser aus, aber das Teil schwingt! (Das Problem liegt vermutlich darin, dass ich einen Verstärker bauen wollte, darum ist ein Oszillator heraus gekommen). Wie könnte ich heraus finden, wo das Problem liegt? ich kenne mich mit den Röhren leider noch zu wenig aus. Zum Aufbau kann ich sagen, dass ich eine sternförmige Masse benutzt habe und die Bauelemente direkt an die Röhrensockel gelötet habe.
Tobias P. schrieb: > Wie könnte ich heraus finden, wo das Problem liegt? ich kenne mich mit > den Röhren leider noch zu wenig aus. Miss doch mal, ob das Schwingen auch auf der Versorgung liegt. Die muss nämlich, und das ist im Plan nicht eingezeichnet, gut abgesiebt sein mit z.B. 50µF. Stelle dann fest, welche Spannungen an der Kathode und an G2 liegt, und ob die Sache auch schwingt, wenn du nur eine Endröhre steckst. Die Gegenkopplung hast du hoffentlich noch nicht eingebaut. Wenn doch, nimm sie erstmal wieder raus.
Tobias Plüss schrieb:
>dass ich eine sternförmige Masse benutzt habe
Die geringsten Probleme mit der Stabilität hast du
bei einer Flächenmasse, so wie das früher bei
Röhrenschaltungen meistens gemacht wurde. Also
ein Aluminiumblechchassis, daß läßt sich auch leicht
mechanisch bearbeiten.
Gegenkopplung phasenfalsch? UL-Schaltung schwingt? Schaltung: Schwingschutzwiderstände am g1EL zu niederohmig, Koppelkondensator vor dem Katodyn hat zuviel Kapazität usw. LG old.
Soweit ich mich erinnere, macht man an die EL84 100 Ohm in Reihe mit dem Schirmgitter und 1k in Reihe mit dem Steuergitter, so dicht wie möglich am Sockel. Sehe grad, die sind ja schon drin.
Günter Lenz schrieb: > Die geringsten Probleme mit der Stabilität hast du > bei einer Flächenmasse, so wie das früher bei > Röhrenschaltungen meistens gemacht wurde. Nö, das Chassis wurde bei hochwertigen Geräten nur an einer einzigen Stelle mit der Schaltungsmasse verbunden. Ich hatte mich als Schüler auch erst gewundert, warum die Schraubelkos mit Isolierscheibe und extra Masseanschluß montiert wurden. Die Masseverdrahtung erfolgte über einen dicken versilberten Draht. Und die Diodenbuchse saß auf einer Pertinaxplatte vom Chassis isoliert. Nur in billigen Geräten hat man Masseschleifen in Kauf genommen, Hauptsache aus dem Lautsprecher kam was raus.
Peter D. schrieb: > Günter Lenz schrieb: >> Die geringsten Probleme mit der Stabilität hast du >> bei einer Flächenmasse, so wie das früher bei >> Röhrenschaltungen meistens gemacht wurde. > > Nö, das Chassis wurde bei hochwertigen Geräten nur an einer einzigen > Stelle mit der Schaltungsmasse verbunden. Mit Hochwertig hat das nichts zu tun. Die sternförmige Masse ist eine Methode die sicher funktioniert man aber mit der Leitungsimpedanz zum Sternpunkt leben muss. Entlang des Signalweges zu "Erden" und dabei die Flächenmasse als Leitung zu nutzen ist meiner Meinung und Erfahrung nach optimal. Peter D. schrieb: > Ich hatte mich als Schüler auch erst gewundert, warum die Schraubelkos > mit Isolierscheibe und extra Masseanschluß montiert wurden. Das hast Du bei Flächenmasse auch wenn der Montageplatz in Bezug zum Signalweg ungünstig liegt oder das Elkogehäuse auf einer(negativen)Spannung liegt. Wie Du schon sagtest, es gibt Geräte die sind nicht optimal verdrahtet. In jeder Preisklasse. LG old.
Mal so aus Neugier, welche Zuspieler nutzt man denn so als typischer Roehrenfan,\ und welche Musik hoert man denn so?
Skippy schrieb: > Mal so aus Neugier, welche Zuspieler nutzt man denn so als typischer > Roehrenfan,\ und welche Musik hoert man denn so? Ich tippe auf so etwas: http://ingeb.org/Lieder/wennbeic.html :-)
Also die "Audiophilen" die ich so kenne erfreuen sich am knistern, knacken und rumpeln in ihrer eigenen Stimme wenn sie mir erzaehlen wie ueberlegen ihre 180g Vinyl Platten seien.. naja, wenn es Spass macht ;)
Irgendwo, ich kann aber die Quelle nicht mehr finden, wurde bereits davor gewarnt, dass die EL84 schwingen könnte und zur Abhilfe wurde der Einbau eines kleinen Kondensators angeraten (am Gitter? ich weiss nicht mehr wo). Werde heute Abend noch mit den Gitterwiderständen Experimentieren.
sry ich möchte zu dem zeitlosen thema etwas einwerfen.. ein hifi-verstärker ist kein meßgerät, darum halte ich nachmeßbare werte wie f-gang und klirrfaktor nicht für so zentral. ist es nicht sinnvoller, amp und boxen als instrument anzusehen..? wenn ich ein bild aufhänge, erwartet ja auch keiner, daß ich es mit perfektem licht anstrahle (spektrum, gleichmäßigkeit etc). ein GUTER musiker spiel nicht perfekt, ein GUTER dirigent beachtet nicht zu 100 % die partitur etc.. - man kann über geschmack nicht mit messwerten streiten, und über glaubensfragen auch nicht.. allerdings ist mir die röhren-esoterik unangenehm. ps. ich hab manchmal in der armeezeit mit primitivsten radios klassik gehört, und die wiedergabequalität war praktisch egal, wirklich egal.
ano baka schrieb: > verstärker ist kein meßgerät Eine Audio-Anlage ist ein Wiedergabegerät - das Ziel ist (und war es schon immer #) möglichst originalgetreue Wiedergabe. ano baka schrieb: > ein GUTER musiker spiel nicht perfekt, > ein GUTER dirigent beachtet nicht zu 100 % die partitur etc.. Und Du willst nicht (nach Möglichkeit) diese Details heraushören, sondern (nach Gusto) zufällige Fehler "addieren dürfen" können? Was für ein blühender Unsinn. (# Ich lasse gerne gelten, daß man nicht zwingend 0,0000001%o THD, TIM, ... braucht - aber Du übertreibst es ein ganz klein wenig.)
Ich kann noch halbwegs gut hören. schrieb: > ano baka schrieb: >> verstärker ist kein meßgerät > > Eine Audio-Anlage ist ein Wiedergabegerät - das Ziel ist (und > war es schon immer #) möglichst originalgetreue Wiedergabe. ..und deshalb haben die meisten Verstärker Klangregelungen und modrne sogar einen DSP mit dem man Hall oder Echo hinzufügen kann? > > ano baka schrieb: >> ein GUTER musiker spiel nicht perfekt, >> ein GUTER dirigent beachtet nicht zu 100 % die partitur etc.. > > Und Du willst nicht (nach Möglichkeit) diese Details heraushören, > sondern (nach Gusto) zufällige Fehler "addieren dürfen" können? > > Was für ein blühender Unsinn. > ..sagst Du. Geschmack ist eine Sache über die man sich nicht streiten sollte. Hast Du eine Frau? Schminkt die sich zuweilen? Warum nimmst Du dann nicht das Original? > > (# Ich lasse gerne gelten, daß man nicht zwingend 0,0000001%o THD, > TIM, ... braucht - aber Du übertreibst es ein ganz klein wenig.) Laß einfach mehr gelten und gut ist. Dein Geschmack muß nicht zwangsläufig der von Jedermann sein. Gruß, Holm
naja ich wollte nicht polarisieren. aber was mir an Pletnevs interpretation von T.'s KK 1b gefällt höre ich sogar in mono noch raus, und für Queen oder Tamara Danz brauche ich keine 0.01 % kf. ich bin nicht in dieser welt wenn ich Estrongo Nachama höre, auch wenn es etwas rauscht. - allerdings, mp3 (und andere audiokomprimierungen) hat mich schon fast zum heulen gebracht.. das ist manchmal schlechter als das billigste analogradio. es GIBT verzerrungen die einfach ekelhaft sind.. also ich mag analog, und röhren sind mir nicht fremd. aber kein amp ist so gut wie ein reales konzert (rock oder klassik).
Holm T. schrieb: > ..und deshalb haben die meisten Verstärker Klangregelungen und modrne > sogar einen DSP mit dem man Hall oder Echo hinzufügen kann? Damit man sie in Mittelstellung bringt bzw. den DSP ausschaltet. Ich hatte auch mal so eine Anlage mit DSP, man spielt damit wenige Minuten lang rum und das wars dann. Mein letzter Onkyo Receiver hat nur noch Bass-/Höhensteller. Equalizer, Hall und weitere Spielereien sind wieder entfallen.
ano baka schrieb: > ein hifi-verstärker ist kein meßgerät Ein guter HiFi-Verstärker sollte aber auf ähnlich hohem Qualitätslevel sein wie ein gutes Messgerät. Wobei es beim Verstärker genügt, das maximal nötige, und nicht das maximal mögliche "rauszuholen". DSP und Klangverbieger braucht es dazu allerdings nicht.
Peter D. schrieb: > Holm T. schrieb: >> ..und deshalb haben die meisten Verstärker Klangregelungen und modrne >> sogar einen DSP mit dem man Hall oder Echo hinzufügen kann? > > Damit man sie in Mittelstellung bringt bzw. den DSP ausschaltet. > Ich hatte auch mal so eine Anlage mit DSP, man spielt damit wenige > Minuten lang rum und das wars dann. > Mein letzter Onkyo Receiver hat nur noch Bass-/Höhensteller. Equalizer, > Hall und weitere Spielereien sind wieder entfallen. Da bist Du etwa da, wo ich bereits vor langer Zeit gelandet bin. Für Schnickschnack habe ich nichts übrig, da ändert aber nichts an der Tatsache das ein Röhrenverstärker schon ordentlich Spaß machen kann, mit der ausgespuckten Leistung hat das eher weniger was zu tun als eben mit einen bestimmten Klirrspektrum. Es mag darn liegen das ich mit vielen modernen Künstlern auch nichts anfangen kann, aber die Leute deren Musik mir gefällt (weils meine Zeit ist) haben schjon bei der Produktion der Musik über Röhren gehört..so what? Gönnt doch den Leuten Ihre Art Freude und gut ist. Nicht Alles was neu ist, ist auch besser. Gruß, Holm
Bitte melde dich an um einen Beitrag zu schreiben. Anmeldung ist kostenlos und dauert nur eine Minute.
Bestehender Account
Schon ein Account bei Google/GoogleMail? Keine Anmeldung erforderlich!
Mit Google-Account einloggen
Mit Google-Account einloggen
Noch kein Account? Hier anmelden.















