Hallo, Ich bin gerade dabei einen 7905 Schaltung aufzubauen. ich habe die Schaltung gemäß Bild 1.1 aufgebaut. Cl hat einen Wert von 2.2 uF An dem Ausgang von 7905 hängt eine Widerstand von 1,5k Ohm und eine LED. Mein Problem ist dass die Spannung, die Am Ausgang des 7905 anliegt variiert. Je nach Last steigt diese an und kann auch die 5V Übersteigen. Des weiteren Varriert die Ausgangsspannung je nachdem wie hoch die Eingangsspanung des 7905 ist. Ich möchte allerdings konstant 5V am Ausgang des 7905 haben.
Elko43 schrieb: > Ich möchte allerdings konstant 5V am Ausgang des 7905 haben. Dann würde ich es mal mit einem 7805 probieren. Der 7905 ist für negative Spannungen (-5V)
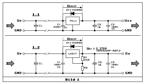
Elko43 schrieb: > Des weiteren Varriert die Ausgangsspannung je nachdem wie hoch die > Eingangsspanung des 7905 ist. Was hast Du denn für eine Eingangsspannung und ist die bereits gesiebt? Ausserdem solltest Du den Hinweis von Harry beachten. Die Diode über dem Regler kannst Du übrigens weglassen, da sie bei 5V keinen Sinn macht
Elko43 schrieb: > Cl hat einen Wert von 2.2 uF Das auch ändern! OK, als Kerko sollt's kein Ärger machen. (ESR)
Elko43 schrieb: > Cl hat einen Wert von 2.2 uF Ist unmöglich zu erkennen CL 2,2 uF ELko C1 wie auf dem Schaltplan 330 nF Kerko. Harald W. schrieb: > Elko43 schrieb: > >> Des weiteren Varriert die Ausgangsspannung je nachdem wie hoch die >> Eingangsspanung des 7905 ist. > > Was hast Du denn für eine Eingangsspannung und ist die bereits > gesiebt? Netzteil Harry L. schrieb: > > Dann würde ich es mal mit einem 7805 probieren. > Der 7905 ist für negative Spannungen (-5V). Würde ich gerne allerdings steht mir nur ein 7905 zur Verfügung. Harald W. schrieb: > Elko43 schrieb: > >> Des weiteren Varriert die Ausgangsspannung je nachdem wie hoch die >> Eingangsspanung des 7905 ist. > > Was hast Du denn für eine Eingangsspannung und ist die bereits > gesiebt? Ich benutze ein Netzteil bist 15 V DC
Elko43 schrieb: > > Würde ich gerne allerdings steht mir nur ein 7905 zur Verfügung. > Nö, denn der 7905 ist jetzt kaputt. Man kann nicht einfach eine positive Spannung an einem Negativregler anschließen. Gruß Andreas
Elko43 schrieb: > Würde ich gerne allerdings steht mir nur ein 7905 zur Verfügung Vielleicht hast du sonst noch irgendwelche Bauteile, die du da reinsetzen kannst - schlechter geeignet als ein 79xx können sie auch nicht sein. Die Bezeichnungen von elektronischen Bauteilen werden allgemein überschätzt. Ein beherzter Griff in die Krabbelkiste macht die Sache erst interessant. Georg
Andreas B. schrieb: > Nö, denn der 7905 ist jetzt kaputt. Wahrscheinlich ja. Du kannst trotzdem mal versuchen am Eingang Plus und Minus zu vertauschen (Diode raus und Elkos umpolen), vielleicht hast Du damit noch eine letzte Chance.
Man kann auch mit dem 7905 +5V bereitstellen, wenn der Eingang keine Verbindung mit GND des Ausgangs hat. Dabei die zum 7805 abweichende Pinbelegung beachten. Außerdem kann die Ausgangsspannung ohne Last hochlaufen, wenn die Differenz zur Eingangsspannung >6,2V ist. Schuld daran ist die interne Z-Diode D3.
Georg schrieb: > Die Bezeichnungen von elektronischen Bauteilen werden allgemein > überschätzt. (überbewertet) ymmd! scnr
Ich hab mal im Forum hier durchgestöbert und bin auf diesen Thread gestoßen Beitrag "7905 als 7805 benutzen?" Habe dann genau das nachgemacht und es funktiniert :) Laut Datenblatt: Pin 1: Input Pin 2: Ground Pin 3: Output Ich würde das ganze dann so anschließen (angenommen mit 12V Netzteil): Pin 1: +12V / +5V (geregelt) Pin 2: GND 12V Pin 3: GND 5V Mein Multimeter sagt in der Konstellation 5V! Also dann alle Verbraucher mit Masse an Pin 3 und mit + an Pin 1
Elko43 schrieb: > Ich hab mal im Forum hier durchgestöbert und bin auf diesen Thread > gestoßen ... und das fällt dir jetzt erst ein? Salamitaktik und was sonst noch alles ....
Wo ist das Problem? Den Tipp hat er doch gerade erst von Peter bekommen ... Gruß, Stefan
Angenommen ich möchte die Diode trotzdem verbauen. Wäre das richitig?
Halllooo..... Wenn das ein Negativregler ist, ist die Eingangseite NEGATIVER als der Ausgang! O. anders. Der Ausgang ist dem Eingang gegenüber Positiv.
Elko43 schrieb: > Angenommen ich möchte die Diode trotzdem verbauen. > > Wäre das richitig? Da die Diode keinen Sinn macht, erübrigt sich eine Antwort.
Harald W. schrieb: > Da die Diode keinen Sinn macht, erübrigt sich eine Antwort. Woher willst du das wissen. Nur der TO weiß, ob da nennenswerte Kapazitäten dranhängen. Wird nur selten benötigt. Pauschal sinnlos, ist sie keinesfalls!
Teo D. schrieb: > Halllooo..... > > Wenn das ein Negativregler ist, ist die Eingangseite NEGATIVER als der > Ausgang! > O. anders. Der Ausgang ist dem Eingang gegenüber Positiv. Steh auf dem Schlauch. Kann daraus nichts schlussfolgern.
Elko43 schrieb: > Teo D. schrieb: >> Wenn das ein Negativregler ist, ist die Eingangseite NEGATIVER als der >> Ausgang! >> O. anders. Der Ausgang ist dem Eingang gegenüber Positiv. > > Steh auf dem Schlauch. > Kann daraus nichts schlussfolgern. Ich vermute, er wollte dir sagen, dass die Diode verkehrt rum eingezeichnet ist. Ist aber eine gewagte Schlussfolgerung. Ich konnte die Bezeichnungen in der Zeichnung nicht den Pins eines 7905 zuordnen.
Elko43 schrieb: > Steh auf dem Schlauch. hinz schrieb: > Die Diode ist erst bei Ausgangsspannungen über 5V nötig. Las wech! Bau auf und miss die Spannung ÜBER dem Regler.....
Ich vertraue nun daruaf dass sie nicht benötigt wird bei 5v Habe mein Wissen daraus und wollte die "Die überlebenswichtige Rückfluss-Diode D1" nicht so schnell weglassen https://www.elektronik-kompendium.de/public/schaerer/ureg3pin.htm
Elko43 schrieb: > Habe mein Wissen daraus und wollte die > "Die überlebenswichtige Rückfluss-Diode D1" nicht so schnell weglassen > https://www.elektronik-kompendium.de/public/schaerer/ureg3pin.htm Ich habe schon vor über einem Jahr Thomas Schaerer (den Autor des zitierten Artikels angeschrieben) und ihn überzeugt, dass die Diode erst bei einer Ausgangsspannung über 7V "überlebenswichtig" ist und dass sie darunter überflüssig ist. Er wollte den Artikel auch entsprechend abändern, hat das aber dann doch nicht gemacht. Ja, Du kannst die Diode unter 7V Ausgangsspannungen weglassen, siehe auch hier: Beitrag "Re: .Rückfluss-Diode, Sinnhaftigkeit?"
Elko43 schrieb: > Steh auf dem Schlauch. OK, kann ich nachvollziehen. :/ Wenn Minus am Eingang angeschlossen ist, ist Plus über die Last, am Ausgang angeschlossen......
Frank M. schrieb: > dass die Diode erst > bei einer Ausgangsspannung über 7V "überlebenswichtig" ist ... und auch nur dann, wenn Gefahr besteht, dass der Eingangskondensator sich schneller entlädt als die Summe der Kondensatoren am Ausgang - wie z.B. bei einem eingangsseitigen Kurzschluss oder weitere hohe Lasten auf der Eingangsseite. > Ja, Du kannst die Diode unter 7V Ausgangsspannungen weglassen, ... wenn sie trotzdem verbaut ist, schadet sie nicht. Wichtiger ist, dass sie richtig herum gepolt ist: bei Positivreglern mit Kathode zum Eingang, bei Negativreglern mit Anode zum Eingang. Das wird vom TO hier teils falsch gemacht, bzw. man weiß nicht mal so genau, was er denn wie verschaltet hat bzw. verschalten will. Mal steht 78xx im Bild und parallel dazu 79xx im Text, mal steht gar nichts dran, usw.
Elko43 schrieb: > hängt eine Widerstand Elko43 schrieb: > Varriert die Ausgangsspannung Auah weiah, Deutsche Sprache schwer? Elko43 schrieb: >> Der 7905 ist für negative Spannungen (-5V). > Würde ich gerne allerdings steht mir nur ein 7905 zur Verfügung. Dann geh' weiter im Sandkasten spielen. Das Bauteil ist ungeeignet, Ende der Durchsage, passenden Regler kaufen. Georg schrieb: > Elko43 schrieb: >> Würde ich gerne allerdings steht mir nur ein 7905 zur Verfügung > Vielleicht hast du sonst noch irgendwelche Bauteile, die du da > reinsetzen kannst - schlechter geeignet als ein 79xx können sie auch > nicht sein. > Die Bezeichnungen von elektronischen Bauteilen werden allgemein > überschätzt. Richtig, Hauptsache Farbe und Anzahl der Anschlußdrähte ähneln sich, dann wird das schon. Peter D. schrieb: > Man kann auch mit dem 7905 +5V bereitstellen, wenn der Eingang keine > Verbindung mit GND des Ausgangs hat. Ob jemand, der so fragt, damit etwas anzufangen weiß?
Kindergärtner schrieb: > Peter D. schrieb: >> Man kann auch mit dem 7905 +5V bereitstellen, wenn der Eingang keine >> Verbindung mit GND des Ausgangs hat. > Ob jemand, der so fragt, damit etwas anzufangen weiß? Schaltung aufmalen, dann versteht der TO vielleicht wie das gemeint ist. Ich selbst habe meine Malsachen gerade nicht dabei.
Ich habe an Pin 1 +UE/UA Pin 2 GND UE Pin 3 GND UA und die gleiche Schaltung wie oben aufgebaut damit ich mit dem 7905 arbeiten kann ohne einen 7805 mir besorgen zu müssen. Ich habe zwischen Pin 1 und Pin 3 eine konstante Spannung von +5 V was auch mein Ziel war und. Meine Frage ist jetzt sollte ich mal einen größeren Spannungsregler mit negativer Ausgangsspannung brauchen würde ich gerne Wissen wie die Diode zu verbauen wäre. Wie im beigefügten Bild wäre meine Lösung dafür aber ich bin nicht sicher ob diese richtig ist.
Pinbezeichnung? Hier einmal der Unterschied zwischen einem Positiv- (7805) und einem Negativregler (7905). Das GND-Massezeichen (Pin 1) auf dem Schaltbild hat jetzt ein um 5 Volt höheres Potenzial als der Ausgang (Pin 3). Polung der Elkos beachten. Falls Du mal einen 7912 Festspannungsregler mit einer selbst angelöteten Diode verwenden möchtest, wird die Anode an den Eingang Pin 2 und die Kathode an den Ausgang Pin 3 angeschlossen.
Beitrag #5059213 wurde von einem Moderator gelöscht.
Elko43 schrieb: > Wie im beigefügten Bild wäre meine Lösung dafür aber ich bin nicht > sicher ob diese richtig ist. Jup, exakt FALSCH ;) Bei einem Posttiefen Regler fließt Strom raus, bei einem Negativ Regler fließt Strom rein. Die Diode darf bei Normalbetrieb NICHT leiten. Bild-1 ist das was du aufgebaut hast, mit der nicht benötigten Diode. Bild-2 der Normalfall inkl. der Diode, falls benötigt (UA>7V). (die Kondensatoren hab ich MIR gespart EINZUGZEICHNEN, NICHT weglassen!) PS: Nen Lutscher gibt's jetz aber keinen mehr!
Elko43 schrieb: > Meine Frage ist jetzt sollte ich mal einen größeren Spannungsregler mit > negativer Ausgangsspannung brauchen würde ich gerne Wissen > wie die Diode zu verbauen wäre. Na, umgedreht. > Wie im beigefügten Bild wäre meine Lösung dafür aber ich bin nicht > sicher ob diese richtig ist. Ja, Pfusch da du dich nicht an die minimalsten Standards halten willst und statt dessen deinen eigenen (falschen) Ansichten durch ziehst. Lies mal die Netiquette aus dem Forenarchiv. Die korrekte Pin-Spezifikationen entnimmt man dem Datenblatt, denn die werden von der Community auch verstanden. www.hep.upenn.edu/SNO/daq/parts/lm7915.pdf Teo D. schrieb: > PS: Nen Lutscher gibt's jetz aber keinen mehr! Für den TO oder die Antworter? Hättest doch schon eher drauf kommen können, dass der TO ein unbelehrbarer Kindskopf ist. Das kommt davon, wenn man gleich sein Problem los plappert.
Teo D. schrieb: > Bei einem Posttiefen Regler fließt Strom raus, ...und wie fliesst er bei einem Telekomtiefen Regler? :-)
Cerberus schrieb: > Hättest doch schon eher drauf kommen können, dass der TO ein > unbelehrbarer Kindskopf ist. Der arme Junge steht doch nur auf dem Schlauch, ist halt nicht vom Fach! "Kindsköpfe" schreiben so herablassende Dinge wie du.
Harald W. schrieb: >> Bei einem Posttiefen Regler fließt Strom raus, > > ...und wie fliesst er bei einem Telekomtiefen Regler? :-) Immerhin ist es noch kein Tiefenregler.
Bitte melde dich an um einen Beitrag zu schreiben. Anmeldung ist kostenlos und dauert nur eine Minute.
Bestehender Account
Schon ein Account bei Google/GoogleMail? Keine Anmeldung erforderlich!
Mit Google-Account einloggen
Mit Google-Account einloggen
Noch kein Account? Hier anmelden.






