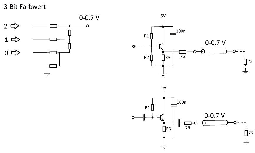
Hallo zusammen! Ich möchte eine Schaltung entwerfen um eine VGA-Leitung anzusteuern. Davor soll ein R2R-DAC-Netzwerk für 3 Bit aus einem CMOS-Baustein sein. Ich habe mich soweit informiert dass ich das Bild zeichnen konnte. Nun stellen sich aber noch einige Fragen: 1) Welche Kollektorschaltung soll ich verwenden ? Die obere gleichstromgekoppelte oder die untere Wechelstromgekoppelte ? Mir selber erscheint die untere Schaltung wahrscheinlicher. 2) Wie soll ich am besten den Arbeitspunkt der Kollektorschaltung einstellen für den 0-0.7V Aussteuerbereich ? Mit einem Basisspannungsteiler aus hochohmigen Widerständen oder nur aus einem Basiswiderstand an die +5V ? 3) Muss R3 75 Ohm haben um diese Leistungsanpassung mit dem Terminierwiderstand (75 Ohm) aufzuweisen ? 4) Ist das R2R-Netzwerk so richtig und welche Werte müssten das ungefähr sein ? Kennt sich jemand damit aus ?
> Ist das R2R-Netzwerk so richtig und welche Werte müssten das ungefähr sein ? Diese Frage ist ein Scherz, oder? Denke doch mal nach, was R2R bedeutet. Die Grundlagen müssen wir hier sicher nicht nochmal nachkauen. Deiner Verstärkerschaltungen sind völlig ungeeignet. Ein R2R Netzwerk funktioniert nur unbelastet. Du brauchst einen Verstärker mit unendlich hohem Eingangswiderstand. > Wie soll ich am besten den Arbeitspunkt der Kollektorschaltung einstellen Deine untere Schaltung stellt keinen definierten Arbeitspunkt ein. Sie würde nur funktionieren, wenn du den Verstärkungsfktor des Transistors kennen würdest. Das wiederum setzt voruas, daß du deinen konkreten Transistor ausmisst und danach die Schaltugn an die tatsächlichen Werte anpasst. Sowas hat man in der 60er Jahren gemacht, aber heite nicht mehr. Die obere Schaltung ist klar. An R3 mus genug Gleichspannung abfallen, daß er das Ausgangssignal erzeugen kann. Die Basis muss 0,7V mehr bekommen( Spannung der B-E Strecke). Berücksichtige den Spannungsabfall am 75 Ohm Widerstand. Aus dem bauch heraus würde ich die Schaltung so auslegen, daß an R3 mindestens 3V abfallen. Aber wie gesagt, sind die Verstärker dieser Bauart für dein R2R Netzwerk ohnehin ungeeignet.
Die untere Schaltung erscheint mir auch geeigneter, allerdings mit R2! R1 = 22k R2 = 22k R3 = 470R C = 100n? Der 75 Ohm Widerstand kann entfallen (Wellenwiderstand).
Stefan U. schrieb: > Ein R2R Netzwerk > funktioniert nur unbelastet. Nein. Es hat einen konstanten Ausgangswiderstand von R und funktioniert auch belastet. OP muss sowieso von 5V auf 0.7V Amplitude.
H-G S. schrieb: > Ist das R2R-Netzwerk so richtig Ein R-2R Netzwerk lebt davon, dass die einen Widerstände doppelt so groß sind wie die Anderen. > aus einem CMOS-Baustein Wenn du maximal 0,7V aus dem R2R Netzwerk bekommen willst, dann darfst du den CMOS-Baustein eigentlich auch nur mit 0,7V betreiben... :-o Denn dessen IO-Spannung wirst du (annähernd) als Maximalwert bekommen, wenn alle Bits 1 sind.
Ich habe die Widerstände des R2R-Netzwerks eingetragen. Soweit ich gelesen habe hat die Kollektorschaltung einen sehr hohen Eingangswiderstand, somit wäre sie vielleicht doch für einen R2R-DAC geeignet dachte ich. Scheinbar müsste man wohl wirklich die Version mit hochohmigem Basis-Spannungsteiler und Kapazitiver Kopplung verwenden. Wenn am Ausgang 5V herauskommen wenn Bit 3 auf High geht dann bräuchte es wohl noch einen Spannungsteiler oder soetwas um auf 0-0,7V zu kommen ? Ist da überhaupt noch etwas zu machen um die Schaltung zu retten ? Wie machen denn das die ganzen Bastler-Projekte mit ihren TV-Ausgangs R2R-DAC ? Edit: ich habe etwas gefunden siehe Bild 2, was ist davon zu halten ?
H-G S. schrieb: > Ich habe die Widerstände des R2R-Netzwerks eingetragen. Welchen Wert hat denn "R"? > Soweit ich gelesen habe hat die Kollektorschaltung einen sehr hohen > Eingangswiderstand Sie hat einen so hohen Eingangswiderstand, wie du ihn auslegst (bzw. auslegen kannst). Ich würde dir jetzt einfach mal LT-Spice zum virtuellen Basteln empfehlen. Dann kannst du mal verfolgen, was aus der R2R-Kette herauskommt und wie es weitergehen könnte...
Die Schaltung aud Bild 2 ist kein R2R Netzwerk. Da sie nur 3 Bit Auflösung hat, ist sie jedoch durchaus praktikabel. Allerdings brauchst du dafür starke Treiber. Die CMOS IC's der CD40xx Serie können nicht genug Strom liefern, um saubere 5V Pegel zu liefern. > Ich würde dir jetzt einfach mal LT-Spice zum virtuellen Basteln > empfehlen. Ich auch. Aber immer bedenken, daß der Verstärkungsfaktor eine Transistor kein konstanter Wert ist. Simuliere immer mit dem minimalen und maximalen Wert den das Datenblatt zusichert. Die Schaltung muss in beiden Fällen zufriedenstellend arbeiten. Der MAX4389 oder der OPA695 oder der LT1252 sind Operationsverstärker, deren Frequenzgang und Ausgang sehr gut für Video Anwendung geeignet sind. Du könntest dein Widerstandsnetz mit Werten über 1k Ohm ausstatten und dann mit dem OP-AMP auf 75 Ohm runter bringen. Der OP-Amp kann dann auch gleich den Spannungspegel anpassen.
Wenn die Ausgänge potent genug sind, könnte man ein R2R-Netzwerk mit R=536Ohm aufbauen, den Ausgang mit 88 Ohm belasten und 0.7V Amplitude bei 75 Ohm erhalten.
Tom schrieb: > Wenn die Ausgänge potent genug sind, könnte man ein R2R-Netzwerk mit > R=536Ohm aufbauen Das ist vermutlich die beste Idee, so würde ich es auch machen. Und dann kann man die "2R" statt 1070 Ohm gleich nur 1k groß machen. Die verbleibenden 70 Ohm werden dann vom sowieso vorhandenen Bahnwiderstand der Treiber-Mosfet "hinzugefügt". Überhaupt muss das natürlich sowieso nicht sooooo arg ultragenau sein, weil der VGA Monitor eh' noch einen Helligkeitsregler hat... ;-)
@H-G Sch (haenschen) >Ich möchte eine Schaltung entwerfen um eine VGA-Leitung anzusteuern. >Davor soll ein R2R-DAC-Netzwerk für 3 Bit aus einem CMOS-Baustein sein. Wenn man das richitg dimensioniert, können die CMOS-Ausgänge das VGA-Signal direkt treiben. Das machen alles FPGA-Evaluationbaords so. >1) Welche Kollektorschaltung soll ich verwenden ? Die obere Gar keine. >3) Muss R3 75 Ohm haben um diese Leistungsanpassung mit dem >Terminierwiderstand (75 Ohm) aufzuweisen ? Nein. Man brtrachter den Ausgang zum Koaxialkabel als 75 Ohm. >4) Ist das R2R-Netzwerk so richtig und welche Werte müssten das ungefähr >sein ? Schon mal gerechnet? Wenn alle drei Bits auf HIGH liegen, müssen an 75 Ohm 0,7V abfallen.
@ Stefan Us (stefanus) >Allerdings brauchst du dafür starke Treiber. Die CMOS IC's der CD40xx >Serie können nicht genug Strom liefern, um saubere 5V Pegel zu liefern. Sag mal, in welchem Jahrhundert lebst du eigentlich? Die 4000er faßt heute so oder so kaum einer noch an! Wenn man von CMOS redet, dann sind das mindestens 74HC, meist eher neuere Familien ala AHC, LVC etc! Und die haben ORDENTLICH Treiberleistung! >> Ich würde dir jetzt einfach mal LT-Spice zum virtuellen Basteln >> empfehlen. >Ich auch. Ich nicht. Ich würde als Schritt 1 Das ohmsche Gesetz und die Grundrechenarten empfehlen. Aber das ist wohl nicht mehr ganz zeitgemäß. Anstatt die Schaltung gundlegend zu verstehen und direkt zu berechnen, wird mit ungesundem Halbwissen solange im LT SPice rumgedreht, bis es irgendwie stimmt. 8-( > Aber immer bedenken, daß der Verstärkungsfaktor eine >Transistor kein konstanter Wert ist. Simuliere immer mit dem minimalen >und maximalen Wert den das Datenblatt zusichert. Die Schaltung muss in >beiden Fällen zufriedenstellend arbeiten. Er braucht keinen Verstärker! Also muss er auch keinen berechnen! >Der MAX4389 oder der OPA695 oder der LT1252 sind Operationsverstärker, >deren Frequenzgang und Ausgang sehr gut für Video Anwendung geeignet >sind. Du könntest dein Widerstandsnetz mit Werten über 1k Ohm ausstatten >und dann mit dem OP-AMP auf 75 Ohm runter bringen. Der OP-Amp kann dann >auch gleich den Spannungspegel anpassen. Jaja, deinen Hang zum Overkill hast du ja schon mehrfach bewiesen. Ist nicht mein Ding. K.I.S.S.
@H-G Sch (haenschen) >Ich habe die Widerstände des R2R-Netzwerks eingetragen. Das ist kein R2R Netzwerk, sondern ein binär gewichtetes NEtzwerk. Den Unterschied sollte man kennen. https://www.allaboutcircuits.com/textbook/digital/chpt-13/r-2r-dac/ Und so ein DAC für Arme brauch Nicht zwingend einen OPV zur Entkopplung, nur einen KONSTANTEN Lastwiderstand. Den hat man bei 75 Ohm Video. >Soweit ich gelesen habe hat die Kollektorschaltung einen sehr hohen >Eingangswiderstand, somit wäre sie vielleicht doch für einen R2R-DAC >geeignet dachte ich. Vergiss die! >Wenn am Ausgang 5V herauskommen wenn Bit 3 auf High geht dann bräuchte >es wohl noch einen Spannungsteiler oder soetwas um auf 0-0,7V zu kommen ? AHA! > Ist da überhaupt noch etwas zu machen um die Schaltung zu retten ? Wie >machen denn das die ganzen Bastler-Projekte mit ihren TV-Ausgangs >R2R-DAC ? Schon mal ein FPGA-Evalboard angeschaut? Oder wenigstens dessen Schaltplan? https://www.xilinx.com/support/documentation/boards_and_kits/S3E_Starter_Schematic.pdf Seite 2, J15. Dort ist nur jeweis ein Bit pro Farbe. Als Aufgabe föööööör den Schöööööler bleibt es, das auf 3 Bit/Farbe zu erweitern. Sonst wörrd man immer dööömer. (Nee, den Schaltplan mit 4 Bit/Farbe zeig ich dir nicht)
Danke für die Hinweise! Weiss eigentlich jemand wie es um die "Backdrive Current" Sache steht ? Also den Fall dass vom Monitor Spannung in den ausgeschalteten Sender gelangt ?
Immer wieder schön: http://www.linusakesson.net/scene/craft/index.php Schaltplan (Atmega 88)
1 | .---[ 1K ]-+------- E (PNP) C -------------------+---+---. |
2 | | /|\ | B _|_ _|_ _|_ |
3 | | `----' | \ / \ / \ / |
4 | | | --- --- --- |
5 | | .---__---. | | | | |
6 | (to programmer) --- RESET | | PC5 ----[ 442 ]-----------+---+---|---|--- Red |
7 | | | | | .-[ 220 ]-' | | |
8 | (n.c.) PD0 | | PC4 ----[ 442 ]-+-[ 442 ]--- GND | | |
9 | | | | | | | |
10 | .----------+-[ 2K ]----- PD1 | | PC3 ----[ 442 ]-----------+-------+---|--- Green |
11 | | .-[ 1K ]-' | | | | .-[ 220 ]-' | |
12 | | `--+-------[ 2K ]----- PD2 | | PC2 ----[ 442 ]-+-[ 442 ]--- GND | |
13 | | `-[ 2K ]-- GND | | | | | |
14 | | `- OC2B | | PC1 ----[ 442 ]-----------+-----------+--- Blue |
15 | `---[ 1K ]-. | | | .-[ 220 ]-' |
16 | .--------+-[ 2K ]----- PD4 | | PC0 ----[ 442 ]-+-[ 442 ]--- GND |
17 | | | | | |
18 | | VCC | | GND `-[ 1K ]-. |
19 | | | | | |
20 | | GND | | AREF (n.c.) | |
21 | | 22pF | | | |
22 | | GND -||--+- XTAL1 | | AVCC (n.c.) | |
23 | | 20 MHz [ ] | | | |
24 | | GND -||--+- XTAL2 | | SCK -------------- (to programmer) |
25 | `-[ 1K ]-. 22pF | | | |
26 | .--------+-[ 2K ]----- PD5 | | MISO ------------- (to programmer) |
27 | `-[ 1K ]-. | | | |
28 | .--------+-[ 2K ]----- PD6 | | MOSI ---------+--- (to programmer) |
29 | + `-[ 1K ]-. | | |
30 | ----)|------------+-[ 2K ]----- PD7 | | OC1B ------------------------------------- HSync |
31 | Audio 10uF | | |
32 | --------- GND (n.c.) PB0 | | PB1 -------------------------------------- VSync |
33 | `--------' |
mit schicken R2R-Vga-Ausgängen. AVCC sollte man jedoch noch mit VCC verbinden.
> Jaja, deinen Hang zum Overkill hast du ja schon mehrfach bewiesen. Wo denn? Meisten erhalte ich genau das Gegenteilige Feedback. Was nicht bedeuten soll, daß ich immer eine KISS Lösung finde, auch wenn das auch mein bevorzugter Stil ist. In diesem Fall habe ich den OP-Amp empfohlen, da der TO einen Verstärker verwenden wollte, seine Schaltung ihn allerdings offensichtlich überfordert hat. Bei den genannten OP-Amps hätte er es einfach gehabt, denn passende Schaltungsbeispiele standen dort in den Datenblättern drin. Ich würde es auch erstmal ohne Verstärker versuchen. Aber wenn ich wie sonst üblich antworte, daß die Schaltung unnötig kompliziert sei, werde ich angemeckert das ich die Frage des TO beantworten soll anstatt das Schaltungskonzept zu hinterfragen. Wie man es macht ist es falsch. > Weiss eigentlich jemand wie es um die "Backdrive Current" Sache steht ? Es würde mich sehr überraschen, wenn aus den Eingängen des Monitor Strom heraus kommen würde. Und selbst wenn, die kann deinem CMOS IC wohl kaum schaden, es sind ja noch Widerstände dazwischen.
Stefan U. schrieb: > @AntiMaker: Wozu dient der Transistor ganz oben? Zur Text-Ausgabe, dafür sind die Farbkanäle zu langsam. Also wird per SPI-Schieberegister der Font rausgeschoben...
Mit welchem 74HC-Baustein würdet ihr den R2R treiben ? Reicht ein Latch oder soll es ein Buffer sein ?
Ich habe mal ein paar Bitkombinationen eines Netzwerks aus schaltbaren Widerständen wie im zweiten Bild durchgerechnet. Es scheint nichts lineares dabei herauszukommen. Ich habe für R1 100 Ohm und für R 1000 Ohm benutzt. Es kommt bei der Bitkombination 001 deutlich mehr wie ein Achtel der Spannung heraus wenn 111 anliegt. Und bei 010 kommt deutlich weniger Spannung heraus wie die 50% von der Kombination 001. Der Entwickler von Bild 2 hat wohl ganz bestimmte Werte mit Pspice ermittelt, bei denen es recht linear zugeht. Damit käme man aber leicht auf die 0,7 Volt, mit meinen Werten war ich bei 0,77 Volt.
Falk B. schrieb: > Das ist kein R2R Netzwerk, sondern ein binär gewichtetes NEtzwerk. Den > Unterschied sollte man kennen. Ganz genau. Und wenn man den begriffen hat, dann weiss man auch unverzüglich, dass sowas (bzw. etwas sehr ähnliches) auch mit Standard 4000(B)-CMOS-Ausgängen als Quelle der Daten aufzubauen geht, und zwar mit sehr viel weniger Aufwand als im OT angegeben (wenn die Betriebsspannung der Quelle nur hoch genug ist). Man braucht einfach nur ein RD-Netzwerk als Adapter, mehr nicht. Der Schaltungsaufwand richtet sich dabei nach der Anzahl der zum Ausgangssignal beitragenden Ausgänge der Quelle, ich nenne diese Größe einfach mal N. Dann braucht man N Dioden und N+1 Widerstände, wobei ein Widerstand bekannt ist und 75Ohm hat, nämlich der zwischen dem einzigen Verknüpfungspunkt des RD-Netzwerks mit GND (gleichzeitig: Hot-Pole des Video-Ausgangs). Man muss dann im Prinzip immer bloß die höchste zu erzeugende Spannung am Video-Ausgang betrachten, die durch genau einen "aktiven" Ausgang der Quelle erzeugt werden soll, um zu entscheiden, ob irgendein Chip als Quelle in Frage kommt bzw. welche Betriebsspannung er bekommen muss, um in Frage zu kommen. Das ist trivialste Scheisse, reine Anwendung des Ohmschen Gesetzes und Lesen des Datenblatts der Quelle (bzw. im Falle eines generischen 4000ers: des Familiendatenblatts des Herstellers). Der Rest ist dann mehr oder weniger Probieren und Messen, da die Datenblätter digitialer ICs meist nicht genug Futter enthalten, um das Verhalten der Ausgänge bei "Teillast" hinreichend für diese im Kern doch sehr "analoge" Anwendung zu beschreiben. BTW: Man kann das Prinzip unter Mehraufwand eines weiteren Widerstands (nach Vdd) und Umpolen aller Dioden auch umdrehen, den Ausgängen der Quelle werden dann nicht ihre Fähigkeiten als Source, sondern als Sink abverlangt. Je nach den geforderten Stufen der Ausgangsspannung und den Eigenschaften der Ausgänge der Quelle kann auch das durchaus mal die günstigere Lösung sein. Hängt einfach von der Anwendung ab... Wie auch immer: Das ist Urschleim-Scheiss, der schon vor 40 Jahren Standarddesignpattern war. Damals gab's schließlich kaum viel anderes als Quelle als Standard-TTL oder Standard-CMOS. Aber es gab schon VGA und "Video" (was bezüglich der Pegel des Bildsignale nahezu identisch ist). Dementprechend gibt es aus dieser Zeit unzählige Implementierungen dieses Prinzips. Und erstaunlich viele davon lassen sich auch heute noch durch kompetente Benutzung von Suchmaschinen finden. Da wa der TO wohl entweder nicht kompetent genug zu oder auch schlicht zu faul...
@ H-G Sch (haenschen) >Es scheint nichts lineares dabei herauszukommen. Irrtum. Das IST linear, denn es sind nur lineare Bauteile in der Schaltung. > Ich habe für R1 100 Ohm >und für R 1000 Ohm benutzt. Es kommt bei der Bitkombination 001 deutlich >mehr wie ein Achtel der Spannung heraus wenn 111 anliegt. Und bei 010 >kommt deutlich weniger Spannung heraus wie die 50% von der Kombination >001. Zeig mal deine gesamte Kennlinie. >Der Entwickler von Bild 2 hat wohl ganz bestimmte Werte mit Pspice >ermittelt, bei denen es recht linear zugeht. Nein, er hat nicht solange rumgemurkst bis es irgendwie geht, sondern vorher gerechnet.
Ich hoffe Dir ist klar daß R3 nicht 75 Ohm haben muss, sondern alle Widerstände des Netzwerkes zusammen gerechnet auf 75 Ohm kommen müssen. Bei der Schaltung von 20:55 ist es noch relativ einfach zu rechnen, da alle Widerstände HF mäßig parallel geschaltet sind (unter der Annahme, daß die Spannungsversorgung für HF einen Kurzschluss bildet, was man in der Praxis durch Abblockkondensotren und richtes Layout erreicht). Berücksichtige, daß der Spannungsteiler durch Leitung und Monitor mit 75 Ohm belastet wird. Eine Leerlauf-Spannung von 0,7V wäre zu wenig, unter Last würde sie stark einbrechen.
Es wird noch verwirrender: Im Schaltplan des Uzebox-DAC hat der Entwickler sogar einen 75 Ohm Widerstand parallel zum Ausgang des R2R-Netzwerks angeschlossen (siehe Bild).
@H-G Sch (haenschen) >Im Schaltplan des Uzebox-DAC hat der Entwickler sogar einen 75 Ohm >Widerstand parallel zum Ausgang des R2R-Netzwerks angeschlossen (siehe >Bild). Das ist unsinnig, genauso wie die AC-Kopplung.
Falk B. schrieb: > Das ist unsinnig, genauso wie die AC-Kopplung. Nein, in diesm Fall nicht, weil da noch ein Verstärker mit hochohmigen Eingängen dahinter kommt (AD725). Bei der 'E'Uzebox dürften die Widerstände dazu führen, das der Pegel hintenraus nur bis zur Hälfte geht: http://belogic.com/uzebox/schematics/EUzebox-schematic-V01-04.pdf
Heinrich schrieb: > 'E'Uzebox Hi, erstmal danke für das tolle Schaltbild. OK. ist etwas Off-Topic, vielleicht auch nur "Peanuts": Die MCU-Clock-Erzeugung mit Quarz ist einmal fett und einmal gestrichelt gezeichnet. (Wie ich sehe, ist kein Unterschied in der Quarzfrequenz.) Dass die 22-pF-Konds als "Anschwinghilfe" dienen, weiß man. Aber, dass dann diese Konds in Reihe mit dem Quarz geschaltet werden, wobei nicht gezeichnet wird, ob die C6, C8 noch "drin" bleiben, ist doch etwas ungewöhnlich oder nicht? Was meinen die Experten dazu. Bei Obertonquarzen schaltet man eine Induktivität parallel, um Schwingungen auf der Grundfrequenz zu verhindern. Das ist hier doch nicht vom Schaltungsentwickler gemeint? /OT ciao gustav
Mit Q2 und den Kondensatoren kann ich nichts anfangen. So habe ich das noch nie zu Gesicht bekommen.
Karl, die 22nF sind nicht nur eine Einschwinghilfe. Der Quarz braucht eine gewisse Belastung, sonst stimmt die Frequenz nicht.
Falk B. schrieb: > @H-G Sch (haenschen) > >>Im Schaltplan des Uzebox-DAC hat der Entwickler sogar einen 75 Ohm >>Widerstand parallel zum Ausgang des R2R-Netzwerks angeschlossen (siehe >>Bild). > > Das ist unsinnig, genauso wie die AC-Kopplung. Nicht ganz! So etwas habe ich öfters gesehen! Wird jedoch später nicht mit nem C sondern 0Ohm bestückt, und der 75R fliegt raus! Chinesen bauen es aber so nach, dann haben se erstmal eine Serie nichtfunktionierender Module.
Falk B. schrieb: > @H-G Sch (haenschen) > >>Im Schaltplan des Uzebox-DAC hat der Entwickler sogar einen 75 Ohm >>Widerstand parallel zum Ausgang des R2R-Netzwerks angeschlossen (siehe >>Bild). > > Das ist unsinnig (...) Sehe ich nicht so. Mit dem Innenwiderstand des R2R-Netzwerks ist das ein Spannungteiler. Grüßle Volker
Das werde ich wohl nie richtig verstehen ohne es ausgiebig zu studieren. Daher habe ich mich entschlossen, ein richtiges R2R-Netzwerk an 5V zu betreiben und an den Ausgang einen Operationsverstärker anzubringen. Es fehlt jetzt nur der Vortreiber für die R2R-Bits, damit sie symmetrisch aussteuern sowie danach die Anpassung der Verstärkung des Operationsverstärkers damit am Ausgang 0-0,7 Volt anstehen (nichtinvertiert). Es scheint dass ein Operationsverstärker mit Betriebsspannung von +5V reicht, denn er steuert von 0-0,7V aus wenn er die 0-5V am Eingang herunterskaliert. Oder nicht ?
H-G S. schrieb: > Es fehlt jetzt nur der Vortreiber für die R2R-Bits, damit sie > symmetrisch aussteuern sowie danach die Anpassung der Verstärkung des > Operationsverstärkers damit am Ausgang 0-0,7 Volt anstehen > (nichtinvertiert). > > Es scheint dass ein Operationsverstärker mit Betriebsspannung von +5V > reicht, denn er steuert von 0-0,7V aus wenn er die 0-5V am Eingang > herunterskaliert. Oder nicht ? Du machst dir da viel zu viele Gedanken. Für die VGA-Farbausgabe mit 3 Bit pro Kanal ist das alles schnurzpiepsegal. Eher wichtig: Widerstandswerte halbwegs passend, und Treiberausgänge untereinander gleich. (Möglichst auf einem Chip). Normale µC-Ausgangspins reichen normalerweise völlig. Ein zusätzlicher Treiber bringt nur unnötige Komplexität und Fehlerquellen rein. Und den Ausgang über OpAmp? Noch viel, viel mehr Fehlerquellen. Weglassen. Fang so an, wie das schon viele mit Erfolg vorgemacht haben: µC, handvoll Widerstände, VGA-Ausgang, fertig. Wenn das erstmal läuft, und du dann wirklich Probleme mit der exakten Farbwiedergabe hast, oder das Weiß einen Farbstich bekommt, dann kannst du über irgendwelche Verbesserungen nachdenken.
@ Volker Bosch (Firma: L-E-A) (vobs) >>>Im Schaltplan des Uzebox-DAC hat der Entwickler sogar einen 75 Ohm >>>Widerstand parallel zum Ausgang des R2R-Netzwerks angeschlossen (siehe >>>Bild). > >> Das ist unsinnig (...) >Sehe ich nicht so. Mit dem Innenwiderstand des R2R-Netzwerks ist das ein >Spannungteiler. Den keiner braucht. Denn das Videokabel mit seiner Terminierung im Monitor ist bereits ein 75 Ohm Widerstand, siehe Wellenwiderstand. Der zusätzliche 75 Ohm Widerstand belastet nur die Treiber der Bits unnötig, weil die nun den doppelten Strom bringen müssen.
Sowas ... eben las ich dass man mit Operationsverstärkern nicht so recht Verstärkungen kleiner als 1 hinbekommt, ohne Probleme zu bekommen. Was nun ? Irgendwie müssen aus den 0-5V des R2R die benötigten 0-0,7V für VGA werden.
Laut meinen Infos ist es so, dass der Ausgang des R2R und der Terminierungswiderstand im Empfänger den benötigten Spannungsteiler bilden, um auf die 0,7V runter zu kommen.
Wie wäre es mit diesem Entwurf ? Ein CMOS-Buffer-Baustein treibt ein R2R-Netzwerk an. Das R2R-Netzwerk (aus ein-paar-Kiloohm-Widerständen) wird mit einem relativ hochohmigen Spannungsteiler abgegriffen und herunterskaliert. Danach kommt das Signal in einen Operationsverstärker mit Verstärkung 1 der das fertige Signal über einen 75 Ohm Terminierwiderstand auf die VGA-Leitung gibt. Dieser Operationsverstärker muss GND am Eingang vertragen und er selber wird neben GND nur mit 5V versorgt. Tippgeber schrieb: > Laut meinen Infos ist es so, dass der Ausgang des R2R und der > Terminierungswiderstand im Empfänger den benötigten Spannungsteiler > bilden, um auf die 0,7V runter zu kommen. Das klingt nicht befriedigend, vor allem nachdem ich den Thread über Terminierung gelesen habe.
> Das klingt nicht befriedigend
Ist es auch nicht. Wer schonmal Composite Videosignale über 500 Meter
Kabel leiten musste, weiß ordentliche Treiber zu schätzen.
Bei so kurzen Monitor-Kabeln kann es so einfach aber schon gut genug
klappen, denke ich.
Nur Spinner und weltfremde Quatschköpfe!!! Das Land der Reichsbedenkenträger!
Sagt mal ist es überhaupt möglich das VGA-Signal wechselspannungsmäßig über einen Koppelkondensator an die Ausgangsbuchse zu leiten ? Es ist ja soetwas wie eine 12MHz Rechtecksignal-Folge die zwischen 0 und 0,7V schwankt. Die Frage klingt bestimmt naiv aber ich habe lange nichts mehr mit Elektronik gemacht.
Bei Composite Video ist das möglich, aber das muss dann schon ein relativ großer Elko sein, dessen Induktivität bei den höheren Frequenzanteilen stört. Bei VGA bin ich unsicher.
Ich bin weitergekommen, nachdem ich LTSpice verwendet habe und auch ein Datenblatt zum 74HC244-Oktalbuffer gelesen habe! Nach dem R2R-Netzwerk stehen bei 111 dann 4,3V an, die vom Spannungsteiler auf 20% reduziert werden. Dadurch kommt es zu diesen 0,7V, gleichzeitig wird die GND-Abweichung des Oktal-Buffers von geschätzten 0,15V fast auf 0V gedrückt. Hoffe ich zumindest. Nun fehlt nur noch der Operationsverstärker. Scheinbar muss man auf das Verstärker/Bandbreiteprodukt oder so achten. Ich vermute es sollte einiges über 12MHz sein damit nichts verzerrt. Christian X. schrieb: > Nimm einen ths7314 ... Der hat so einen komischen Schaltplan im Datenblatt ... mit was füttert man den am Eingang ?
Da ist mir doch glatt ein Fehler passiert: Die richtigen Spannungen und Widerstände sind jetzt in der Schaltung.
Und was ist an deiner Schaltungs-Version jetzt soviel besser als an den zigtausendfach verbauten "Standardlösungen", die einfach nur mit passenden Widerständen auskommen? Hast du die überhaupt mal probiert? Dir ist klar, dass die übliche ±5% Spannungstoleranz aus einem LM7805 voll auf deine ach so supertoll abgeglichenen Farben durchschlägt? Und damit mehr Abweichung produzieren, als du mit dem allerbesten Video-OpAmp wieder rausholen kannst? Oder geht's dir nur um's Prinzip? "OpAmps sind 1337, da muss einer mit rein"?
Ach ja, wenn deine "0.15 - 4.5V" Eingangsbeschriftung nicht nur Dummschwätzergeschwafel ist, sondern du da echt mit einem Analogsignal rein willst: Nimm einen Chip mit Schmittrigger-Eingängen.
0,7V Ausgangsspannung ist falsch - hatte ich schon einmal geschrieben. Du brauchst einen Verstärker mit 75 Ohm Ausgangswiderstand, der bei 75 Ohm Last 0,7V an den Monitor liefert. Also musst du am Ausgang des Verstärkers 1,5V haben.
1 | 75 Ohm |
2 | Ausgang o---[===]-----------Leitung--------+--- Monitor IC's 0,7V |
3 | Verstärker | |
4 | 1,5V |~| 75 Ohm |
5 | |_| Abschlusswiderstand |
6 | | im Monitor |
7 | | |
8 | GND |
> Und was ist an deiner Schaltungs-Version jetzt soviel besser als an den > zigtausendfach verbauten "Standardlösungen", die einfach nur mit > passenden Widerständen auskommen? Nix, wer die sonstigen Beträge des TO kennt, weiß, dass man aus jeder Mücke einen Elefanten machen kann.
@ 1N 4148 (1n4148) >Nix, wer die sonstigen Beträge des TO kennt, weiß, dass man aus jeder >Mücke einen Elefanten machen kann. Scheint so. Typisch deutsche Pedanterie. https://de.wikipedia.org/wiki/Pedant
Hier ist die Schaltung mit den geforderten 1,4V am Ausgang vor dem 75 Ohm-Widerstand! Ich blätter gerade durch ein ST-PDF wo ein paar Video-Operationsverstärker vorgestellt werden. Vielleicht finde ich da einen. Normale Rail-To-Rail-Operationsverstärker scheinen bisweilen nicht ganz bis GND zu gehen. AntiMaker schrieb: > Ach ja, wenn deine "0.15 - 4.5V" Eingangsbeschriftung nicht nur > Dummschwätzergeschwafel ist, sondern du da echt mit einem Analogsignal > rein willst: Nimm einen Chip mit Schmittrigger-Eingängen. Das sind die Ausgangsspannungen des 74HC-Buffers und nicht dessen Eingangsspannungen. Edit: in Schaltung 3 korrigiert. AntiMaker schrieb: > Und was ist an deiner Schaltungs-Version jetzt soviel besser als an den > zigtausendfach verbauten "Standardlösungen", die einfach nur mit > passenden Widerständen auskommen? > > Hast du die überhaupt mal probiert? > > Dir ist klar, dass die übliche ±5% Spannungstoleranz aus einem LM7805 > voll auf deine ach so supertoll abgeglichenen Farben durchschlägt? > Und damit mehr Abweichung produzieren, als du mit dem allerbesten > Video-OpAmp wieder rausholen kannst? Für die nur-geschaltete-Widerstände-Version bräuchte ich ein Programm das mir die richtigen Widerstände berechnet damit ich von 4,5V auf 1,4V an 75 Ohm komme und noch dazu 8 lineare/symmetrische Zwischenstufen bietet. Das zu schreiben würde mich Monate kosten sofern ich es überhaupt schaffe eine Programmierumgebung mit Zugang zur Grafik-API für die Kurvendiagramme etc. einzurichten. Das mit der Hand auszurechnen ist mir zu hart. Prinzipiell könnte es möglich sein obwohl ich nicht weiss wieviele Milliampere so eine VGA-Treiberschaltung aus geschalteten Widerständen mindestens liefern muss. Meinst du dass die Spannung des 7805 bei jedem Einschalten des Gerätes um 5% verschieden ist bzw mit der Temperatur schwankt ? Übrigens soll das nicht eine High-End-VGA-Lösung sein sondern nur ein TV-Zugang für einen Bastel-Rechner (über VGA-zu-HDMI-Konverter).
> Der hat so einen komischen Schaltplan im Datenblatt ... mit was füttert > man den am Eingang ? Mit dem Eingangssignal.
> Übrigens soll das nicht eine High-End-VGA-Lösung sein sondern nur ein > TV-Zugang für einen Bastel-Rechner (über VGA-zu-HDMI-Konverter). Mit Kanonen auf Spatzen schießen wäre etwas untertrieben für deine Lösung.
@ 1N 4148 (1n4148) >> Übrigens soll das nicht eine High-End-VGA-Lösung sein sondern nur ein >> TV-Zugang für einen Bastel-Rechner (über VGA-zu-HDMI-Konverter). >Mit Kanonen auf Spatzen schießen wäre etwas untertrieben für deine >Lösung. Atombomben auf Regenwürmer? Quantentorpedos auf Bakterien? ;-)
Wenn sie bei CERN nix mehr zum spalten finden, kann Haenschen dort anheuern, der findet noch was. Frollein Google findet auch was: http://www.aaabbb.de/JDAC/DAC_R2R_network_calculation.php 390/820 Ohm, wenn es noch weißer sein soll, muß noch der Weiße Riese dahinter geschaltet werden.
Das ist die aktuelle und scheinbar fertige Spatzen-Kanone :-) Ich wollte einen TSH70 von ST als Operationsverstärker benutzen aber den bekommt man kaum, aber ich sah dass Conrad ähnliche Dinger von TI und so hat. Kurios ist dass die Video-Puffer-OPV scheinbar für eine Verstärkung von 2 gebaut/optimiert wurden sodass ich das Vorsignal erstmal auf 0,7V bringen muss. Klingt ein wenig unsinnig da ich eigentlich das R2R-Netzwerk gleich auf 1,4V auslegen könnte. Ich schielte eine Weile auf eine ganz simple Lösung mit geschalteten Widerständen und war sogar bereit irgendwie was zu berechnen. Leider sehe ich da am Ausgang an den 75-Ohm-Terminierungs-Geschichten ein Problem. Der 75 Ohm Widerstand der geschalteten R-Kette liegt ja an GND, also parallel zur VGA-Leitung. Und an deren Empfänger-Ende sitzt nochmal ein 75 Ohm gegen GND. Wirkt sich das nicht irgendwie auf den Gesamtwiderstand der R-Kette aus ? Oder ist die VGA-Leitung nicht sichtbar für den Sendeteil ?
Etwas ähnliches findest du unter https://github.com/fenlogic/vga666 Hier werden 6bit pro Farbe verwendet. Lässt du halt die weniger signifikanten weg.
> Leider sehe ich da am Ausgang an den 75-Ohm-Terminierungs-Geschichten > ein Problem. Richtig. High und Low sind beide HF mäßig neutral, wegen dem Abblock-Kondensator. Schau Dir dieses einfache Widerstandnetzwerk mit nur 2 Bits an. Einer ist auf High, der andere auf Low Pegel:
1 | High |
2 | 5V +------[===]-----+ |
3 | | | |
4 | | | |
5 | === | |
6 | | | |
7 | | Low | Last |
8 | GND +------[===]-----+----[===]----+ |
9 | | | |
10 | +------------------------------+ |
Da der Abblock-Kondensator zwischen VCC und GND für HF annähernd 0 Ohm hat, liegen diese drei Widerstände praktisch parallel. Deswegen wäre ein 75 Ohm Widerstand am Ausgang auch falsch. Er müsste etwas mehr als 75 Ohm haben. Dazu kommt, daß die Ausgänge des IC einen undefinierten Widerstand haben. Den kannst du ermitteln und in der Berechnung berücksichtigen. Aber wenn du die selbe Schaltung ein jahr später nochmal baust, musts du wieder messen und rechnen (oder Glück haben). Den der Hersteller garantiert ja keinen bestimmten Wert. Aners ist das bei den Video OP-Amps, die haben einen zugesicherten Ausgangswiderstand. Manche haben praktischerweise genau 75 Ohm, bei den meisten schaltest du aber externen hinzu um ihn an die Leitung anzupassen. Es gibt ja noch andere Leitungen mit anderen Wellenwiderständen. Auch diese OP-Amps haben meistens einen gewissenen inneren Ausgangswiderstand. Wenn der mehr als 5 Ohm beträgt solltst du ihn mit dem externen verrechnen. Am Ende muss der gesamte Ausgangswiderstand (wie auch immer er sich zusammensetzt) 75 Ohm ergeben. Nur dann hast du ein gutes Bild. Vor allem, wenn das Kabel länger als 1m ist. Bei kurzen Kabeln ist das alles nicht so kritisch.
Ich habe mal das RPi-VGA666 aufgezeichnet und zusammengefasst! Dessen Entwickler nimmt einfach an dass der Terminierwiderstand im Monitor den unteren Widerstand eines Spannungsteilers bildet. Den oberen Widerstand des Spannungsteilers bildet der Gesamtwiderstand Rs des (binären?) R2R-Netzwerks. Er vernachlässigt den Wellenwiderstand der VGA-Leitung komplett wie es scheint. Die Formeln lesen sich aber recht schön und man könnte das vielleicht auf 4,5V an den Bit-Eingängen umrechnen sowie auf 3 Bit reduzieren. @stefanus: Sehr interessant! Ich sah auch dass empfohlen wird in die Rückkopplung des Videopuffers einen Picofarad-Kondensator einzubauen. Bei der Video-Technik gibt es scheinbar einige Kniffe. Auch begreife ich die Schaltung des "Vidiot" für den Amiga nicht so recht. Bei mir lief die Simulation einer Kollektroschaltung in LTSpice überhaupt nicht befriedigend, da der Arbeitspunkt sich nicht so recht von 0,7V lösen wollte - erst bei sehr niedrigen Vorteiler-Basiswiderständen ging etwas.
Nach der Anpassung der Widerstände an meine 3 Bit an 4,5V und angenommenen 50 Ohm Innenwiderstand des 74HC-Buffers kommen laut LTSpice folgende Spannungs-Werte heraus. 000: 0V 001: 0,1V 010: 0,2V 011: 0.29V 100: 0,37V 101: 0,46V 110: 0,55V 111: 0,64V Sollte der Innenwiderstand des Buffers niedriger sein als 50 Ohm, wird die Ausgangsspannung näher an 0,7V heranrücken.
> Er vernachlässigt den Wellenwiderstand der VGA-Leitung > komplett wie es scheint. Ja offensichtlich. Der Gesamtwert dieser parallelen Widerstände ist geringer als 2 Ohm. Bei kurzen Leitungen ist das egal. Spätestens, wenn da ein Projektor mit 5 Meter Zuleitung dran hängt, wird man den Unterschied sehen - falls man dann überhaupt noch etwas sehen kann. Zum Entwurf von H-G Sch: Ich nehme an, daß R1 die Last sein soll (also Kabel+Monitor). Die drei Widerstände haben zusammen grob geschätzt 500 Ohm, also weit weg von den geforderten 75 Ohm. So wird das nicht gut funktionieren. Spannung UND Ausgangswiderstand müssen beide stimmen.
Stefan U. schrieb: > Zum Entwurf von H-G Sch: > Ich nehme an, daß R1 die Last sein soll (also Kabel+Monitor). Die drei > Widerstände haben zusammen grob geschätzt 500 Ohm, also weit weg von den > geforderten 75 Ohm. So wird das nicht gut funktionieren. > > Spannung UND Ausgangswiderstand müssen beide stimmen. Meinst du die Schaltung "RPi VGA666 Modifiziert" ? Mir sieht sie auch nicht so recht terminiert aus. Aber die Spannungswerte die durch den jeweiligen Spannunsteiler an den 75 Ohm (im Monitor) entstehen haben den richtigen Pegel. Denn bei dem Entwickler der Schaltung scheint es ja auch zu funktionieren. Er sagte aber etwas von kriechenden Farben oder so :-) Edit: kann es sein das durch Widerstände verlangsamte Anstiegszeiten von Pixel-Werten eine Terminierung nicht mehr so dringend erfordern ?
Ich Trottel habs doch glatt falsch simuliert: Anstelle dreier einzelner Treiber an den Biteingängen hatte ich einen gemeinsamen benutzt. Hier sind die richtigen Spannungswerte wenn man an jeden Biteingang einen separaten Treiber anschliesst. 000: 0V 001: 0,1V 010: 0,2V 011: 0,3V 100: 0,37V 101: 0,48V 110: 0,57V 111: 0,67V Edit: beim Einschalten des höchsten Bits gibt es eine starke Abweichung. Muss man da vielleicht an dem Widerstand herumspielen ? Ich habe statt den berechneten 712 Ohm einen verfügbaren 715 Ohm simuliert. Edit2: ich habe die berechneten Widerstandswerte simuliert und es hat sich fast nichts verbessert. Die Abweichung ab dem dritten Bit hängen wohl mit der starken Belastung des R2R-Netzwerks durch den 75-Ohm Widerstand zusammen.
Ja klar gibt das Abweichungen. Das stimmt ja so auch nicht. Nimm mal 150, 300 und 600, dann klappt das auch mit den 75Ohm Ansonsten brauchst Du noch einen weiteren R, dann geht es auch hochohmiger: 750,1500,3000 mit einem (750-75) = 680 zum Ausgang hin. Das gibt dann auch 90% Aussteuerung.
Audiomann schrieb: > Ja klar gibt das Abweichungen. Das stimmt ja so auch nicht. > > Nimm mal 150, 300 und 600, dann klappt das auch mit den 75Ohm > > Ansonsten brauchst Du noch einen weiteren R, dann geht es auch > hochohmiger: > > 750,1500,3000 mit einem (750-75) = 680 zum Ausgang hin. > Das gibt dann auch 90% Aussteuerung. Laut Simulation geht das irgendwie nicht - siehe Bilder. Der 75 Ohm Widerstand befindet sich übrigens im Monitor, ist also nur theoretisch ein Bestandteil des R-Netzwerks.
Ich werde es mit dieser angehängten Schaltung versuchen, vorausgesetzt ich bekomme die Synchronisations-Signale mit irgendeinem Mikrocontroller hin. Danke euch allen für eure Hilfe!
Deine Spannunsgteiler auf der linken Seite haben keine 75 Ohm. Wunder Dich nicht, wenn das Bild sehr unscharf wird.
Denkt ihr dass die Schaltung einen T/Pi-Filter benötigt, wenn ich sie mit 18MHz betreibe ? Wie wird der dimensioniert ? Ich will ja keine Störungen aussenden ... Edit: siehe Beitrag "Was ist das für ein Filter ?" Und wie ist es mit ESD-Schutz ?
> Denkt ihr dass die Schaltung einen T/Pi-Filter benötigt Junge Junge. Was denkst du, wie die Widerstände zusammen mit der Leitungskapazität wirken? Du kannst froh sein, wenn dein Signal halbwegs ungedämpft hinten ankommt. Vergiss den Filter! > Und wie ist es mit ESD-Schutz ? Und Brandschutz? Und was, wenn ein Helikopter vom Himmel fällt? ESD Schutz gibt es doch im Privatkunden. Sektor praktisch gar nicht mehr. Wenn kaputt, dann Pech! Das sind wir alle längst so gewöhnt. Einen 100 Schutz gegen jedes Übel ist ohnehin nicht machbar.
Den EMI und ESD Schutz muss ich weglassen, denn ich sah dass es die nur in winzigsten SMD-Bauformen gibt ... Da bleibt dann nur die Hoffnung dass kein Nachbar gestört wird wenn das Steckbrett Spannung bekommt :-)
Bitte melde dich an um einen Beitrag zu schreiben. Anmeldung ist kostenlos und dauert nur eine Minute.
Bestehender Account
Schon ein Account bei Google/GoogleMail? Keine Anmeldung erforderlich!
Mit Google-Account einloggen
Mit Google-Account einloggen
Noch kein Account? Hier anmelden.

















