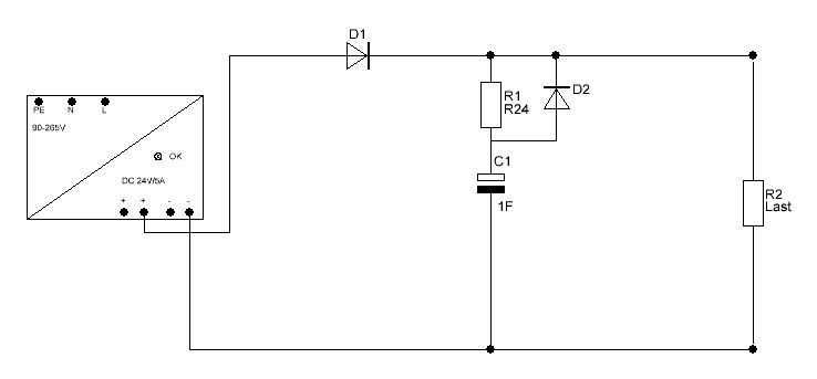
Hallo zusammen, ich möchte nach einem Stromausfall diesen Detektieren und danach eine Steuerung (SPS) noch ca. eine Sekunde (theoretisch reichen 100ms, aber ich habe gerne noch etwas Puffer) am Leben erhalten, damit diese noch einige Daten in den Flash ablegen kann. Versorgungsspannung: 24V Stromaufnahme bei 24V: ~250mA Mindestspannung: ~13V Ich habe schon einige Tests mit in Reihe geschalteten Goldcaps gemacht, da diese aber einen recht bescheidenen Innenwiderstand haben, taugt mir das nicht so richtig. Ich bekomme die erforderliche Leistung kaum heraus. Die Pufferzeit beträgt im Neuzustand etwa 170ms. Die Dinger altern ja aber voll aufgeladen (was ja quasi immer der Fall ist) recht schnell. Kürzlich sind mir zwei 25V/1F zugelaufen. Damit lässt sich ordentlich arbeiten. Ich habe dann auch eine recht triviale Schaltung "entwickelt". D1 ist dafür zuständig, damit keine Energie in andere Bereiche zurückfließt => ich will nur die SPS versorgen und keine anderen Baugruppen. R1 = Ladekondensator D2 = Diode, damit beim Entladen möglichst keine Leistung im Ladekondensator verheizt wird. Schlussendlich verliere ich von meinen 24V Eingangsspannung 2x 0,7V = 1,4V über den Dioden. Und andererseits verheize ich ständig 0,7V x 250mA = 175mW über D1. Könnte ich das optimieren?
Ersetze die Dioden gegen Schottky Dioden z.B. SB560. Diese haben einen wesentlich kleines Uf als normale Dioden. Nachteil die geringere Sperrspannung.
@T. Schad (d-platoon) >und danach eine >Steuerung (SPS) noch ca. eine Sekunde (theoretisch reichen 100ms, aber >ich habe gerne noch etwas Puffer) am Leben erhalten, damit diese noch >einige Daten in den Flash ablegen kann. https://www.mikrocontroller.net/articles/Speicher#EEPROM_Schreibzugriffe_minimieren >Ich habe schon einige Tests mit in Reihe geschalteten Goldcaps gemacht, >da diese aber einen recht bescheidenen Innenwiderstand haben, Es gibt heute Superkondensatoren mit sehr kleinem Innenwiderstand. Die alten GoldCaps sind ungeeignet. https://de.rs-online.com/web/p/doppelschicht-kondensatoren/7637810/ >Kürzlich sind mir zwei 25V/1F zugelaufen. Damit lässt sich ordentlich >arbeiten. >Ich habe dann auch eine recht triviale Schaltung "entwickelt". Paßt. >Schlussendlich verliere ich von meinen 24V Eingangsspannung 2x 0,7V = >1,4V über den Dioden. Und andererseits verheize ich ständig 0,7V x 250mA >= 175mW über D1. Könnte ich das optimieren? Schottkydioden. Aber die paar mW kannst du in den Skat drücken.
> Könnte ich das optimieren? Du könntest antiseriell geschaltete MOSFETs plus Umschaltlogik nehmen, um die Verluste zu minimieren. https://www.mikrocontroller.net/search?query=antiseriell+mosfet&forums[]=1&forums[]=19&forums[]=9&forums[]=10&forums[]=2&forums[]=4&forums[]=3&forums[]=6&forums[]=31&forums[]=17&forums[]=11&forums[]=8&forums[]=14&forums[]=12&forums[]=7&forums[]=5&forums[]=15&forums[]=13&forums[]=18&forums[]=16&max_age=-&sort_by_date=0
@Karl (Gast) >Du könntest antiseriell geschaltete MOSFETs plus Umschaltlogik nehmen, >um die Verluste zu minimieren. Sinnlose Optimierung. Selbst wenn man es richtig macht, spart man bestenfalls 0,3V ein. Beitrag "Re: Spannungsumschaltung für MC" An die +5V kommt das 24V Netzteil, der MOSFET muss mit dem Ladewiderstand überbrückt werden. Das Gate muss mittels Spannungsteiler angesteuert werden, denn 24V sind zuviel. Bringt aber am Ende fast nix, nur Komplexität und Ausfallwahrscheinlichkeit 8-0
Die Schaltung an sich ist ok. Und die Schottky Dioden wurden genannt. Allerdings wäre ich bei 25V-Kondensatoren bei 24V nominale Betriebsspannung ein wenig vorsichtig. Und wenn ich mich nicht verrechnet habe, dann brauchst du für deine Anforderung nicht zwei, sondern 30 von diesen 1mF Kondensatoren
Sorry, ich habe mF gelesen.. aber du hast F geschrieben.. dann passt es natürlich..
Falk B. schrieb: > Sinnlose Optimierung. Dem TO kann ich nur raten, sich selbst einen Eindruck zu verschaffen und dann zu entscheiden, ob sich der Aufwand lohnt oder nicht.
ich möchte nach einem Stromausfall diesen Detektieren Wenn du das primärseitig machst, sollte die Kapazität des Netzteiles für den gewünschten Speichervorgang reichen.
Schlumpf schrieb: > Die Schaltung an sich ist ok. Und die Schottky Dioden wurden genannt. Ich mache es so (weil das System aber erst booten muss, kann ich mir die lange Ladezeit des Puffers leisten):
1 | 24V -----o--->|---o----- 24VBUF |
2 | | | |
3 | - | |
4 | 470 | | | |
5 | | | | |
6 | - | |
7 | | | |
8 | o--->|---' |
9 | |+ |
10 | === 50mF |
11 | | |
12 | --- GND |
Schlumpf schrieb: > Sorry, ich habe mF gelesen.. aber du hast F geschrieben.. dann passt es > natürlich.. Mir reichen für die angegebenen Anforderungen aber auch 50...100mF. T. S. schrieb: > Stromaufnahme bei 24V: ~250mA Kannst du beim Erkennen des Powerfails irgendwelche Verbraucher abschalten? > Schlussendlich verliere ich von meinen 24V Eingangsspannung 2x 0,7V = > 1,4V über den Dioden. Und andererseits verheize ich ständig 0,7V x 250mA > = 175mW über D1. Könnte ich das optimieren? Du könntest ein aktives OR-ing betreiben. Es gibt ICs, die so etwas verwalten... > ich möchte nach einem Stromausfall diesen Detektieren und danach eine > Steuerung (SPS) An diesem Netzteil hängt also noch einiges mehr, das für ein schnelles Abfallen der Versogung verantwortlich ist? > noch ca. eine Sekunde (theoretisch reichen 100ms, aber > ich habe gerne noch etwas Puffer) "Etwas" = zehnfach überdimensioniert? Zum Glück baust du keine Brücken.... Thomas K. schrieb: > Wenn du das primärseitig machst, sollte die Kapazität des Netzteiles für > den gewünschten Speichervorgang reichen. ;-) Üblicherweise ist die Haltezeit der Netzteile bei Vollast nur eine oder zwei Halbwellen. Und diese 10..20ms sind wiederum das zehnfache zu wenig... ;-)
@Lothar Miller (lkmiller) (Moderator) >Ich mache es so (weil das System aber erst booten muss, kann ich mir die >lange Ladezeit des Puffers leisten): Naja, das bringt gerade mal eine Flußspannung mehr für den Ladekondensator mit dem Nachteil, daß ein Teil der Energie beim Ausfall in die 24V gehen, wenn dort noch was anderes dranhängt. Wenn die Pufferschaltung bei 24V auf 0,4V mehr angewiesen ist, ist die falsch dimensioniert. >Du könntest ein aktives OR-ing betreiben. Es gibt ICs, die so etwas >verwalten... Kann man. Aber warum? Nicht bei den Strömen. Wenn's mal 5A oder mehr sind, wird das sinnvoll.
Lothar M. schrieb: > Schlumpf schrieb: >> Sorry, ich habe mF gelesen.. aber du hast F geschrieben.. dann passt es >> natürlich.. > Mir reichen für die angegebenen Anforderungen aber auch 50...100mF. Darum habe ich mich ja auch korrigiert.. Rechnerisch reichen sogar 30mF
https://www.conrad.de/de/doppelschicht-kondensator-100-f-3-v-o-x-l-22-mm-x-45-mm-vinatech-vec3r0107qg-1-st-1529299.html 9 davon in Reihe, über Widerstand und normale Diode aufladen, fertig.
Hallo zusammen! Ich bin erstmal überwältigt von der Resonanz und der vielen guten Tipps! Klaus schrieb: > Ersetze die Dioden gegen Schottky Dioden z.B. SB560. Diese haben > einen > wesentlich kleines Uf als normale Dioden. Nachteil die geringere > Sperrspannung. An Schottkys habe ich jetzt nicht gedacht. Hab gerade mal das Datenblatt überflogen. Da die SB540 noch ne kleinere Uf als die SB560, liegt die Tendenz bei jener. Schlumpf schrieb: > Allerdings wäre ich bei 25V-Kondensatoren bei 24V nominale > Betriebsspannung ein wenig vorsichtig. Weswegen hältst du das für so bedenklich? Lothar M. schrieb: > Du könntest ein aktives OR-ing betreiben. Es gibt ICs, die so etwas > verwalten... Was ist OR-ing? (Rein Interessehalber) >> ich möchte nach einem Stromausfall diesen Detektieren und danach eine >> Steuerung (SPS) > An diesem Netzteil hängt also noch einiges mehr, das für ein schnelles > Abfallen der Versogung verantwortlich ist? An diesem Netzteil hängt die komplette Beckhoff SPS (CX9020) mitsamt allen EA's. Ich betreibe über die Sekunden-USV aber nur das CPU-Modul, also ohne EA's. Deswegen auch die Diode D1. >> noch ca. eine Sekunde (theoretisch reichen 100ms, aber >> ich habe gerne noch etwas Puffer) > "Etwas" = zehnfach überdimensioniert? Zum Glück baust du keine > Brücken.... Ich denke hier auch an das Altern der Kondensatoren. Meine Tests mit den GoldCaps (https://www.reichelt.de/Speicher-Elkos/SPK-1-0F/3/index.html?ACTION=3&LA=5700&ARTICLE=19387&GROUPID=3148&artnr=SPK+1%2C0F) ergaben eine Pufferzeit von etwa 170ms. Und das ist mir definitiv zu knapp, zumal es noch neue Bauteile sind. Hier war aber weniger die Kapazität (5x 1F in Reihe = 200mF) das Problem, sondern eher der große Ri, so dass ich einfach die Leistung nicht aus den Dingern gebracht habe. Auch kann es sein, dass die Datenmenge mal deutlich mehr wird oder ich vorm Shutdown noch andere Spiränzchen treibe, deswegen lieber "etwas" mehr ;) Kerl schrieb: > https://www.conrad.de/de/doppelschicht-kondensator... > > 9 davon in Reihe, über Widerstand und normale Diode aufladen, fertig. Die wären mir nun schlichtweg zu teuer gewesen. Zumindest dann, wenn es sich günstiger realisieren lässt ;-) Auch für die restlichen Antworten, auch wenn ich nicht direkt darauf eingegangen bin, vielen Dank! Ich denke, ich werde es mit den Schottky's versuchen. Hier ist mir der Aufwand/Nutzen am sympathischsten.
Die Panasonic Super-Kondensatoren der Serie NF sind nicht geeignet Ströme im mA oder A Bereich zu liefern. Empfohlene Applikationen aus dem Datenblatt: Memory back-up for Video, Audio, Camera, Telephones, Printer,Date terminal, Rice cooker and intelligent remote conroller Das Datennblatt gibt aber hierzu nicht viel her. Mehr Infos sind im Technical Guide zu finden. Für deine Anwendung sind die HY-CAP Kondensatoren die Reichelt vertreibt besser geeignet.
Was kostet denn so ein Kondensator und welche Lebensdauer hat der? Nur so als Hinweis: Ich kenne aus der Industrie minimalistische Systeme um kurze Stromschwankungen zu überbrücken. Die sind ganz primitiv mit 2 12V Blei-Gel Akkus in Serie und ein paar Dioden aufgebaut. 2 Akkus bekommst du um ca. 40.- Die Spannung des Netzteils wird auf 26-27V erhöht, nach den Akkus sitzen Dioden um die Spannung wieder reduzieren. Eine Strombegrenzung vor den Akkus und ein Relais oder Mosfet nach den Akkus um nach einer gewissen Zeit oder Spannung abzuschalten sollte reichen.
Gerald R. schrieb: > Nur so als Hinweis: > Ich kenne aus der Industrie minimalistische Systeme um kurze > Stromschwankungen zu überbrücken. > > Die sind ganz primitiv mit 2 12V Blei-Gel Akkus in Serie und ein paar > Dioden aufgebaut. > 2 Akkus bekommst du um ca. 40.- > Die Spannung des Netzteils wird auf 26-27V erhöht, nach den Akkus sitzen > Dioden um die Spannung wieder reduzieren. > > Eine Strombegrenzung vor den Akkus und ein Relais oder Mosfet nach den > Akkus um nach einer gewissen Zeit oder Spannung abzuschalten sollte > reichen. Laut Zeichnung im Ausgangs Posting ist da ein 24V/5A mit Weitbereichseingang verbaut. Wenn da nur die SPS mit ihren 250mA dranhängt, sollte das Netzteil vermutlich alleine schon lamngegenug überbrücken können.
T. S. schrieb: > An diesem Netzteil hängt die komplette Beckhoff SPS (CX9020) Hi, weißt du, dass es die Beckhoff auch mit eingebauter Sekunden-USV gibt? Bei der CX50xx-Serie ist die immer dabei, bei deiner müsste es sie als Option geben (CX9020-U900).
Sorry, Eure Erfindung gefällt mir nicht, weil ich nicht weiß, ob die Folgeschaltung mit dem kleinen Spannungssprung zurecht kommt! Besser wäre die Kapazitäten VOR der Reglung anzuordnen oder mindestens mal gründlich zu testen ob die Folgeschaltung Dummheiten wie Reboots macht.
T. S. schrieb: > Schlumpf schrieb: >> Allerdings wäre ich bei 25V-Kondensatoren bei 24V nominale >> Betriebsspannung ein wenig vorsichtig. > Weswegen hältst du das für so bedenklich? Im industriellen Umfeld darf die Versorgungsspannung auch mal bis zu 30V betragen. Abgesehen davon betreibst du das Bauteil einfach an der "Grenze", was die Lebenserwartung senken wird.
T. S. schrieb: > Was ist OR-ing? (Rein Interessehalber) Weil Google grad nicht reagiert: das ist das VerODERn von 2 Versorgungsspannungen. Siehe z.B. http://www.ti.com/lsds/ti_de/power-management/oring-and-smart-diodes-products.page
@T. Schad (d-platoon) >> Du könntest ein aktives OR-ing betreiben. Es gibt ICs, die so etwas >> verwalten... >Was ist OR-ing? (Rein Interessehalber) Eine amerikanische Wortschöpfung zum aktiven Parallelschalten von Stromquellen. An Stelle von Dioden nimmt man MOSFETs, welch be hohen Ströme weniger Spannungsabfall bieten. Allerdings braucht es dazu einen intelligenten Steuer-IC, die gibt es mittlerweile aber. http://www.ti.com/power-management/protection-monitoring-hot-swap/oring/products.html >> 9 davon in Reihe, über Widerstand und normale Diode aufladen, fertig. >Die wären mir nun schlichtweg zu teuer gewesen. Zumindest dann, wenn es >sich günstiger realisieren lässt ;-) Die sind auch maximal überdimensioniert, von den Apothekenpreisen von Conrad ganz zu schweigen. >Ich denke, ich werde es mit den Schottky's versuchen. Hier ist mir der >Aufwand/Nutzen am sympathischsten. Die gibt es sogar als Doppeldiode im TO220 Gehäuse. Einfacher und kompakter geht es nicht. https://www.reichelt.de/MR-MURS-P600-RGP-Dioden/MBR-10L100CT/3/index.html?ACTION=3&LA=2&ARTICLE=146591&GROUPID=2990&artnr=MBR+10L100CT&SEARCH=%252A
Klaus schrieb: > Die Panasonic Super-Kondensatoren der Serie NF sind nicht geeignet > Ströme im mA oder A Bereich zu liefern. > > Empfohlene Applikationen aus dem Datenblatt: Memory back-up for Video, > Audio, Camera, Telephones, Printer,Date terminal, Rice cooker and > intelligent remote conroller > > Das Datennblatt gibt aber hierzu nicht viel her. Mehr Infos sind im > Technical Guide zu finden. > > Für deine Anwendung sind die HY-CAP Kondensatoren die Reichelt vertreibt > besser geeignet. Herzlichen Dank für den Hinweis auf den Technical Guide! Der hat einige nützliche Informationen ;) Gerald R. schrieb: > Was kostet denn so ein Kondensator und welche Lebensdauer hat der? So ein Kondensator hat mich einen 10er gekostet. > Nur so als Hinweis: > Ich kenne aus der Industrie minimalistische Systeme um kurze > Stromschwankungen zu überbrücken. > > Die sind ganz primitiv mit 2 12V Blei-Gel Akkus in Serie und ein paar > Dioden aufgebaut. > 2 Akkus bekommst du um ca. 40.- > Die Spannung des Netzteils wird auf 26-27V erhöht, nach den Akkus sitzen > Dioden um die Spannung wieder reduzieren. > > Eine Strombegrenzung vor den Akkus und ein Relais oder Mosfet nach den > Akkus um nach einer gewissen Zeit oder Spannung abzuschalten sollte > reichen. Das wäre sicherlich eine Möglichkeit, nur scheint sie mir für meine Anwendung zu aufwändig. Zumal ich die, in den Akkus gespeicherte Energie gar nicht benötige. Damit könnte ich ja über eine längere Zeit üerbrücken. blubb schrieb: > Laut Zeichnung im Ausgangs Posting ist da ein 24V/5A mit > Weitbereichseingang verbaut. > Wenn da nur die SPS mit ihren 250mA dranhängt, sollte das Netzteil > vermutlich alleine schon lamngegenug überbrücken können. Daran hängen noch ne ziemliche Latte an EA's und das Netzteil selbst reicht bei weitem nicht. Dominik S. schrieb: > weißt du, dass es die Beckhoff auch mit eingebauter Sekunden-USV gibt? > > Bei der CX50xx-Serie ist die immer dabei, bei deiner müsste es sie als > Option geben (CX9020-U900). Ja, weiß ich. Ich habe aber meine 9020 gekauft, kurz bevor die Option angeboten wurde. Sonst wäre natürlich das meine erste Wahl gewesen. In der Firma setzen wir quasi nur noch solche Systeme ein. oszi40 schrieb: > Sorry, Eure Erfindung gefällt mir nicht, weil ich nicht weiß, ob > die > Folgeschaltung mit dem kleinen Spannungssprung zurecht kommt! Besser > wäre die Kapazitäten VOR der Reglung anzuordnen oder mindestens mal > gründlich zu testen ob die Folgeschaltung Dummheiten wie Reboots macht. Du meinst, dass die Spannung schlagartig rund 1V geringer wird? Das macht der SPS nicht wirklich was. Im industriellen Umfeld sind solche Schwankungen keine Seltenheit, wenn z.B. ein größerer Schütz angesteuert wird. Schlumpf schrieb: > Im industriellen Umfeld darf die Versorgungsspannung auch mal bis zu 30V > betragen. > Abgesehen davon betreibst du das Bauteil einfach an der "Grenze", was > die Lebenserwartung senken wird. Da ich nicht im industriellen Umfeld, sondern in diesem Fall in meinem eigenen Häuschen bin, nehme ich das einfach mal in Kauf. Aber danke für den Hinweis! Lothar M. schrieb: > T. S. schrieb: > Siehe z.B. > http://www.ti.com/lsds/ti_de/power-management/orin... Falk B. schrieb: > @T. Schad (d-platoon) > Eine amerikanische Wortschöpfung zum aktiven Parallelschalten von > Stromquellen. An Stelle von Dioden nimmt man MOSFETs, welch be hohen > Ströme weniger Spannungsabfall bieten. Allerdings braucht es dazu einen > intelligenten Steuer-IC, die gibt es mittlerweile aber. > > http://www.ti.com/power-management/protection-moni... Danke! Wieder eine kleine Wissenslücke geschlossen ;) >>Ich denke, ich werde es mit den Schottky's versuchen. Hier ist mir der >>Aufwand/Nutzen am sympathischsten. > > Die gibt es sogar als Doppeldiode im TO220 Gehäuse. Einfacher und > kompakter geht es nicht. > > https://www.reichelt.de/MR-MURS-P600-RGP-Dioden/MB... Die sieht doch mal richtig gut aus! Die wirds wohl werden :)
Kannst dir noch die "idealen" Dioden ansehen: Beitrag "[Tutorial] 2 Spannungsquellen versorgen einen Rasperry PI oder ä. USB Geräte"
Bitte melde dich an um einen Beitrag zu schreiben. Anmeldung ist kostenlos und dauert nur eine Minute.
Bestehender Account
Schon ein Account bei Google/GoogleMail? Keine Anmeldung erforderlich!
Mit Google-Account einloggen
Mit Google-Account einloggen
Noch kein Account? Hier anmelden.
