Hallo liebes Forum, folgendes: Ich habe vor Jahren mal irgendwo ein Fl-Display ausgebaut und würde es gerne nutzen, um eine Uhr damit zu bauen. Grundlagen in Eletronik sind vorhanden, löten kann ich auch. Ein Bild kann ich nachreichen, bin gerade nicht vor Ort. Habe auch schon Netzteile und eine Digitaluhr mit LED-Anzeigen aufgebaut/ nachgebaut, allerdings ohne Multiplex. Das ist auch das Stichwort: Multiplex Die Anzeige kann man sich wie folgt vorstellen (weil gerade kein Bild und kein Datenblatt zur Hand): - Anzeigefeld ist *88:88*, davon sind die Anschlüsse des ersten Segments herausgeführt sowie der Dezimalpunkt. Das sind wohl die Anoden. Dann habe ich 5 Gitter sowie Heizung/Katode. Leider finde ich keine Anleitung oder einen Schaltkreis, der das könnte. Eine Hoffnung war, dass es vor 30 Jahren mal Radiowecker mit VFD gab und auf deren Schaltplänen, wie man sie im Netz findet, erledigt das alles ein einziges IC, das man aber nirgends mehr bekommt. Nun meine Frage: Wie könnte ich weiter vorgehen? Vielleicht ist die Lösung gar nicht weit, und ein µC könnte diese Aufgabe übernehmen? Auf Youtube hat mal jemand eine Funkuhr mit ebenfalls unbekanntem VFD gebaut, allerdings mit Raspberry Pi und riesen Drahtverhau. Das muss soch auch einfacher gehen? Ich hätte noch einen alten Radiowecker mit LED Anzeige übrig, wird aber bis aufs Gehäuse nicht helfen denke ich?. Vielen Dank euch schonmal (im Forum gibt es ähnliche Themen, hab gesucht, aber vielleicht nicht gut genug). Grüße, Serge W. PS: Uhren gibt es wie Sand am Meer, aber mir geht es darum, etwas zu lernen! Und hab Spaß am Löten und mich weiter zu bilden.
Serge W. schrieb: > Nun meine Frage: Wie könnte ich weiter vorgehen? Vielleicht ist die > Lösung gar nicht weit, und ein µC könnte diese Aufgabe übernehmen? Das VFD selbst kannst du nicht von einem Controller bedienen, da muss schon noch ein Anzeigetreiber dazwischen. Die VFDs brauchen ca. 30 V Anodenspannung, die muss man dann schalten, die Gitterspannung ebenfalls. Üblicherweise sind alle „gleichnamigen“ Segmente aller Stellen als Anoden gemeinsam herausgeführt, und jede Stelle hat davon „ihr“ Gitter, mit dem man die entsprechende Stelle aktiviert. Ein Segment leuchtet nur dann, wenn sowohl Gitter- als auch Anodenspannung auf 30 V gegen Katode liegen. Die Katoden sind direkt geheizt, und es empfiehlt sich, eine Wechselspannungsheizung vorzusehen, wobei das eigentliche Katodenpotenzial in der Mitte angezapft wird (das, gegen das die 30 V dann arbeiten). Wenn du nur einseitig und mit DC heizt, hast du sonst bei vielleicht 2 oder 3 V Heizspannung (wie viel es genau sein müssen, musst du im Datenblatt schauen) einen so großen Potenzialunterschied zwischen links und rechts, dass der Helligkeitsunterschied deutlich wird. Ob du nun fertige VFD-Treiber benutzt oder das alles mit Transistoren schaltest, ist Geschmackssache.
Das hier habe ich vor Jahren mal gebaut. Die VFD-Treiber sind MAX6921, wobei sich die Nummerierung der Pins auf die PLCC-Bauform bezieht, die ich versehentlich geordert hatte damals. Das VFD hier ist eine 5x7-Punkte-Matrix mit 20 Stellen. Deins wird vermutlich einfacher sein.
Ach du willst sowas: https://www.instructables.com/id/Arduino-VFD-Display-Clock-Tutorial-A-Guide-To-VFD-/ bauen?
Ich hab selbst ein paar Punktmatrix VFD's daheim. Im Datenblatt steht was von 12 Volt Ansteuerung der Gitter. Da die Ströme doch eher gering sind, könnte man z.B. Schieberegister aus der alten 4xxx CMOS Welt nehmen, die können doch bis 15V ab. Mit einer Kette Schieberegister bruacht es dann nur einen Pegelwandler der die 3,3V (oder 5V) Pegel vom Controller auf die 12V anhebt. Ich würde aber zuerst mal vorsichtig mit dem Heizdraht anfangen: Strom durchgeben bis er grade so erkennbar glimmt, da wieder ein Stück zurück. Dann Spanung an eine Anode, leuchtet dann was . Das Spielchen wiederholen mit den anderen Anschlüssen. Damit stellst du sicher dass dein VFD auch arbeitet. Kannst dann noch mit Gitter-Anschluss statisch probieren ob die Segmenten auch gut genung ein/ausschaltbar sind. Wobei bei einer reinen 7-Segment Uhrzeit Anzeige evtl. nicht mal gemultiplext wird (ausporbieren macht hier schlau) Viel Spass wünscht dir ein anderer VFD-Fan
Jörg W. schrieb: > Die VFDs brauchen ca. 30 V > Anodenspannung, die muss man dann schalten, die Gitterspannung > ebenfalls. Ich habe es in Erinnerung, das man die Anoden auf eine Spannung von ca. +5V legte und das Kathodenpotential auf ca -20V. Die damals verwendeten Spezial-ICs (ich glaube NMos) kamen damit besser zurecht. > Die Katoden sind direkt geheizt, und es empfiehlt sich, eine > Wechselspannungsheizung vorzusehen, Ja, dafür war meist eine extra Trafowicklung vorhanden wobei das eigentliche > bei vielleicht 2 oder 3 V Heizspannung (wie viel es genau sein müssen, > musst du im Datenblatt schauen) Falls man kein Datenblatt findet, kann man die Spannung langsam hochdrehen, bis der Draht im Dunkeln leicht dunkelrot glüht. Dann passt es. > Ob du nun fertige VFD-Treiber benutzt Irgendwo bei mir im Keller liegt noch eine solche, schön grün leuchtende Uhr. :-)
Ein VFD-Fan schrieb: > Ich würde aber zuerst mal vorsichtig mit dem Heizdraht anfangen: Strom > durchgeben bis er grade so erkennbar glimmt Aber im abgedunkelten Raum. Besser wäre es, ein Datenblatt aufzutreiben. Noritake (von denen der Großteil der herumschwirrenden VFDs ist) ist eigentlich recht freundlich auch bei der Suche nach Datenblättern älterer Bauteile. > Dann Spanung an eine Anode, leuchtet dann was . Anodenspannung ist allerdings nicht so kritisch wie die Heizung. Harald W. schrieb: > Ich habe es in Erinnerung, das man die Anoden auf eine Spannung > von ca. +5V legte und das Kathodenpotential auf ca -20V. Die > damals verwendeten Spezial-ICs (ich glaube NMos) kamen damit > besser zurecht. Ja, kenne ich auch, aber muss man heutzutage eigentlich nicht unbedingt so aufbauen. Ich weiß ja nicht, ob Maxim nach wie vor so großzügig mit Bemusterung ist wie früher, so ein fertiger VFD-Treiber nimmt einem schon den ganzen Salat ab. :)
VFD Röhre hatte ich auch mal als Uhr gebaut. Leider ging nach Jahren die Heizung kaputt. Die Uhr ist einem einzigen IC im DIP24 von Fairchild FCM7004 Gibts noch gelegentlich in der Bucht aber zu Preisen die nicht unbedingt empfehlenswert sind. Aber vielleicht hast du ja Glück. Ausser dem IC braucht man nur noch Trafo, Gleichrichterdioden und ein paar Pullup Widerstände
Serge W. schrieb: > Leider finde ich keine Anleitung oder einen Schaltkreis, der das könnte PT6311 https://www.ebay.de/itm/1pcs-PT6311-PT6311B-LQ-Brand-New-Original-PTC/180954541719 Problem der VFD: Sie altern, nach 10 Jahren weitgehend blind. Anderes Problem: Heizspannung/Betriebsspannung bekommt man am besten durch einen Trafo aus einem VFD betriebenen Gerät. Das abgeildete verwendet einen Touch-Sensor https://www.ebay.de/itm/TTP223-Capacitive-Kapazitiver-Touch-Sensor-Module-Mini-Arduino-Raspberry-Pi-NEU/173334881351 unter dem Deckel für Snooze und wenn man 3 Sekunden hält zum ausschalten, die anderen Bedientaster sind auf der Rückseite.
Vor Jahren spielte ich mit einem ähnlichen VFD Display von einem Tischrechner herum. Als Ansteuerung verwendete ich den PT3611 mit PIC uC SPI Ansteuerung. Alle erforderlichen Betriebsspannungen erzeugte ich aus 5V mittels LM9022 der die Heizspannung und zugleich mittels Spannungsvervielfacher die Elektrodenspannungen von rund -35V erzeugten. Die ganze Anordnung funktioniert einwandfrei wie man hier sehen kann: Beitrag "Re: Zeigt her eure Kunstwerke (2)" Leider ist der LM9022 nur noch im NOS Handel beziehbar. Macht aber die ganze Anwendung zum Kinderspiel. Schade. Der PT3611 hat auch noch eine Keypad Schnittstelle mit integriert. Im Anhang ist das Schaltbild. Vielleicht nützt es Dir etwas.
Michael B. schrieb: > Problem der VFD: Sie altern, nach 10 Jahren weitgehend blind. Auch wenn sie ausgeschaltet im Keller liegt?
Harald W. schrieb: > Michael B. schrieb: > >> Problem der VFD: Sie altern, nach 10 Jahren weitgehend blind. > > Auch wenn sie ausgeschaltet im Keller liegt? Das war zumindest nicht das, was der TE vor hatte …
Jörg W. schrieb: > Das war zumindest nicht das, was der TE vor hatte … Ja, aber ich habe mich, angeregt durch diesen Thread, dazu entschlossen, meine alte Uhr wieder zu reaktivieren. :-)
Es gab doch in den 70er und 80er Jahren diese Leuchtziffernblöcke (nicht so schön wie auf dem Foto), die hatten 11 Anschlüsse auf der Rückseite, mussten nicht geheizt werden, für Industrieanzeigetafeln. Wie hießen die nochmal ...?
Ach Du grüne Neune schrieb: > Es gab doch in den 70er und 80er Jahren diese Leuchtziffernblöcke (nicht > so schön wie auf dem Foto), die hatten 11 Anschlüsse auf der Rückseite, > mussten nicht geheizt werden, für Industrieanzeigetafeln. Wie hießen die > nochmal ...? Hmm, ich kenne ähnliche Anzeigen nur bei Messgeräten aus den sechziger Jahren. Das waren ganz einfach zehn Plexiglasstücke mit eingravierten Ziffern und zehnGlüh- lampen. Einen besonderen Namen kenne ich dafür nicht.
Harald W. schrieb: > Das waren ganz einfach zehn > Plexiglasstücke mit eingravierten Ziffern und zehnGlüh- > lampen. Einen besonderen Namen kenne ich dafür nicht. Ja genau. Und den Namen dafür bräuchte ich. Diese Anzeigen gibt es bestimmt noch auf dem Trödel oder im Internet zu kaufen, daraus kann man auch schöne Uhren im zeitlosen Design bauen. Die Glühlampen waren meistens für 24 Volt ausgelegt.
Ach Du grüne Neune schrieb: > Harald W. schrieb: >> Das waren ganz einfach zehn >> Plexiglasstücke mit eingravierten Ziffern und zehnGlüh- >> lampen. Einen besonderen Namen kenne ich dafür nicht. > > Ja genau. Und den Namen dafür bräuchte ich. Diese Anzeigen gibt es > bestimmt noch auf dem Trödel oder im Internet zu kaufen, daraus kann man > auch schöne Uhren im zeitlosen Design bauen. Die Glühlampen waren > meistens für 24 Volt ausgelegt. Guck mal hier: http://www.decadecounter.com/vta/tubepage.php?item=10 https://spectrum.ieee.org/geek-life/hands-on/build-a-clock-with-lixies-the-nixietube-lookalike http://www.vintagecalculators.com/html/calculator_displays.html
Gerhard O. schrieb: > Guck mal hier: Genau die meinte ich, aber unter 'light-pipe' finde ich im Internet nur Leuchtstoffröhren. Dafür muss es wohl noch eine andere Bezeichnung geben?
Jens M. schrieb: > Ach du willst sowas: > https://www.instructables.com/id/Arduino-VFD-Display-Clock-Tutorial-A-Guide-To-VFD-/ > bauen? Ja, genau sowas in der Art. Danke für den Link! Jörg W. schrieb: > Die VFDs brauchen ca. 30 V > Anodenspannung, die muss man dann schalten, die Gitterspannung > ebenfalls. Üblicherweise sind alle „gleichnamigen“ Segmente aller > Stellen als Anoden gemeinsam herausgeführt, und jede Stelle hat davon > „ihr“ Gitter, mit dem man die entsprechende Stelle aktiviert. Ein > Segment leuchtet nur dann, wenn sowohl Gitter- als auch Anodenspannung > auf 30 V gegen Katode liegen. Danke Jörg, auch für all die weiteren Beiträge von Dir und euch! Es ist so, wie von dir beschreiben, ein Datenblatt habe ich nicht, aber die Segmente funktionieren gut, hab auch mit den von Dir genannten Spannungen getestet. Wie gesagt, ein wenig Grundwissen hab ich ja. Problem ist wie gesagt die Ansteuerung, ohne Multiplex kann ich halt 11:11, 22:22, 33:33 usw. anzeigen lassen. Wer denkt sich sowas aus, nur um ein paar Anschlusspins zu sparen :/ Das VFD ist übrigens genau so eines wie auf dem Link von Jens. Ich bleibe dran, danke und gute Nacht, Serge
Ach Du grüne Neune schrieb: > Gerhard O. schrieb: >> Guck mal hier: > > Genau die meinte ich, aber unter 'light-pipe' finde ich im Internet nur > Leuchtstoffröhren. Dafür muss es wohl noch eine andere Bezeichnung > geben? Hier ist die Modellbezeichnung: http://www.electricstuff.co.uk/auctions.html http://www.industrialalchemy.org/articleview.php?item=1093 http://www.electricstuff.co.uk/venner.html
Ach Du grüne Neune schrieb: > Dafür muss es wohl noch eine andere Bezeichnung > geben? Edge Lit Display, suchst Du sowas?
> Problem ist wie gesagt die Ansteuerung, ohne Multiplex kann ich halt > 11:11, 22:22, 33:33 usw. anzeigen lassen. Wer denkt sich sowas aus, nur > um ein paar Anschlusspins zu sparen :/ Ich denke du wolltest etwas lernen oder nicht? :-) Ohne Multiplex wuerden groessere Anzeigen soviel Pinne brauchen das sie nicht mehr realisierbar waeren. Ausserdem duerfte die Anzahl der Pinne auch wichtig fuer die Preisbildung und die Zuverlaessigkeit sein. Es ist aber kein Problem Multiplex mit einem Microcontroller hinzubekommen. Und wenn man das macht dann kann man ueber unterschiedliche Timings auch die Helligkeit beeinflussen. Und dann muss man auch ploetzlich nicht mehr potentialfrei mit AC heizen sondern kann einfach eine passende Gleichspannung anlegen und so Helligkeitsunterschiede ausgleichen. Auch wenn es natuerlich grundsaetzlich moeglich ist sich ein kleines DCAC Netzteil selber zu bauen. Lernt man auch wieder was. :-) Und man braucht auch keine SpezialICs es reicht auch einfach ein Schieberegister mit nachgeschaltetem Transistor fuer die hohen Spannungen. CMOS-Gatter werden in aller Regel nicht funktionieren weil man mit 15V nicht auskommt. Man sollte allerdings darauf achten das die Transistoren schnell schalten koennen damit man kein nachglimmen beim Multiplex erlebt. Olaf
Hallo, 2x UDN2981 und 2x 74HC595 erledigen die Ansteuerung doch ohne Probleme. Wenn man die wenigen mA unnötigen Stromverbrauch in Kauf nimmt, reichen auch einige Widerstände und 2x TPIC6B595 direkt. Und wenn man das Display bei den Versuchen schrottet, muß man eben Ersatz bestellen... https://www.pollin.de/p/vakuum-fluoreszenzdisplay-futaba-4-lt-46zb3-4-digit-121537 Meist sind die Anzeigen mit Ua und Ug nahe 0V dunkel getastet, wenn nicht, muß man die Heitung eben auf ca. +4V hochlegen, um so die negative Ug/Ua zu bekommen. Bei den 4-5-stelligen geht auch Heizung mit Gleichspannung noch ohne merkliche Helligkeitsdifferenz zwischen der ersten und letzten Stelle. Noch einen ESP8266 dran, um die Uhrzeit per NTP zu holen und fertig. Gruß aus Berlin Michael
Serge W. schrieb: > Problem ist wie gesagt die Ansteuerung, ohne Multiplex kann ich halt > 11:11, 22:22, 33:33 usw. anzeigen lassen. Wer denkt sich sowas aus, nur > um ein paar Anschlusspins zu sparen :/ Multiplexen war auch bei LED-7-Segmentanzeigen völlig üblich. Wenn du nicht multiplexen willst, musst du sowjetische ИВ-12 nehmen. :-) http://tec.org.ru/board/ehlekrovakuumnye_pribory/indiuvtornye_pribory/iv_12/185-1-0-2076
Olaf schrieb: > Ohne Multiplex wuerden groessere Anzeigen soviel Pinne brauchen das sie > nicht mehr realisierbar waeren. Ausserdem duerfte die Anzahl der Pinne > auch wichtig fuer die Preisbildung und die Zuverlaessigkeit sein. Jepp, jetzt ist der Groschen gefallen ;) Michael U. schrieb: > muß man die Heitung eben auf ca. +4V hochlegen, um so die > negative Ug/Ua zu bekommen. So ähnlich wie die -Ug1 bei Audioröhren, oder? Das ist mir ein Begriff. Jörg W. schrieb: > Multiplexen war auch bei LED-7-Segmentanzeigen völlig üblich. Ja, Asche auf mein Haupt, ich bin von den einzelnen Segmentmodulen ausgegangen, sorry. Aber habt vielen Dank, super Forum und Leute hier! Ich melde mich, wenn es erste Fortschritte gibt. Schönen Tag allen zusammen :)
Serge W. schrieb: > Edge Lit Display, suchst Du sowas? Solche Anzeigen wurden früher von vielen Herstellern gebaut. Ich nehme an, jeder hatte da seinen eigenen Namen. Sie wurden auch ziemlich schnell durch andere Anzeigen verdrängt; ich vermute, wegen der begrenzten Lebensdauer der Glühlampen.
Serge W. schrieb: > So ähnlich wie die -Ug1 bei Audioröhren, oder? So ähnlich, ja. Allerdings ist die Beschleunigungsspannung bei VFDs so gering, dass die Röhre normalerweise bereits mit 0 V Ug1 voll „gesperrt“ ist, und man letztlich eine positive Spannung an g1 anlegt, damit sie wirklich leuchtet. Was Michael beschreibt ist der Fall, wo das nicht ausreicht, sodass man bei Ug1 = 0 V noch ein Restleuchten hätte.
Gerhard O. schrieb: > Hier ist die Modellbezeichnung: Genau die. Danke. Serge W. schrieb: > Edge Lit Display Sieht auch gut aus. Harald W. schrieb: > Sie wurden > auch ziemlich schnell durch andere Anzeigen verdrängt; ich > vermute, wegen der begrenzten Lebensdauer der Glühlampen. Und das bringt leider meine Planung mit dieser Anzeige dann wiederum zu Fall. Schade.
Ach Du grüne Neune schrieb: >> Sie wurden >> auch ziemlich schnell durch andere Anzeigen verdrängt; ich >> vermute, wegen der begrenzten Lebensdauer der Glühlampen. > > Und das bringt leider meine Planung mit dieser Anzeige dann wiederum zu > Fall. Schade. Heutzutage kann man die Glühlampen ja durch LEDs ersetzen. Nimmt man RGB-LEDs, kann man sogar jede beliebige Farbe einstellen.
Harald W. schrieb: > Heutzutage kann man die Glühlampen ja durch LEDs ersetzen. > Nimmt man RGB-LEDs, kann man sogar jede beliebige Farbe > einstellen. Das werde ich dann wohl auch so machen, auch wenn der eigenwillige Stil dabei verloren geht. Farbigkeit ist nicht so wichtig, Haltbarkeit aber schon. Dann werde vier Jumbo-7-Segmentanzeigen verwenden. Flußspannung = 8 Volt pro Segment. Die sind schön groß und lassen sich noch mit dem CD4543 ansteuern. Aber ich will jetzt nicht weiter den Thread des TO's deswegen kapern. Er hat ja bereits sein Wunschdisplay gefunden und ich jetzt auch. :)
Ach Du grüne Neune schrieb: > Aber ich will jetzt nicht weiter den Thread des TO's deswegen kapern. Er > hat ja bereits sein Wunschdisplay gefunden und ich jetzt auch. :) Kein Problem ;) Freunde alter Anzeigentechnik und Elektronik unter sich. Wer nicht trollt, ist immer willkommen in "meinem" Thread.
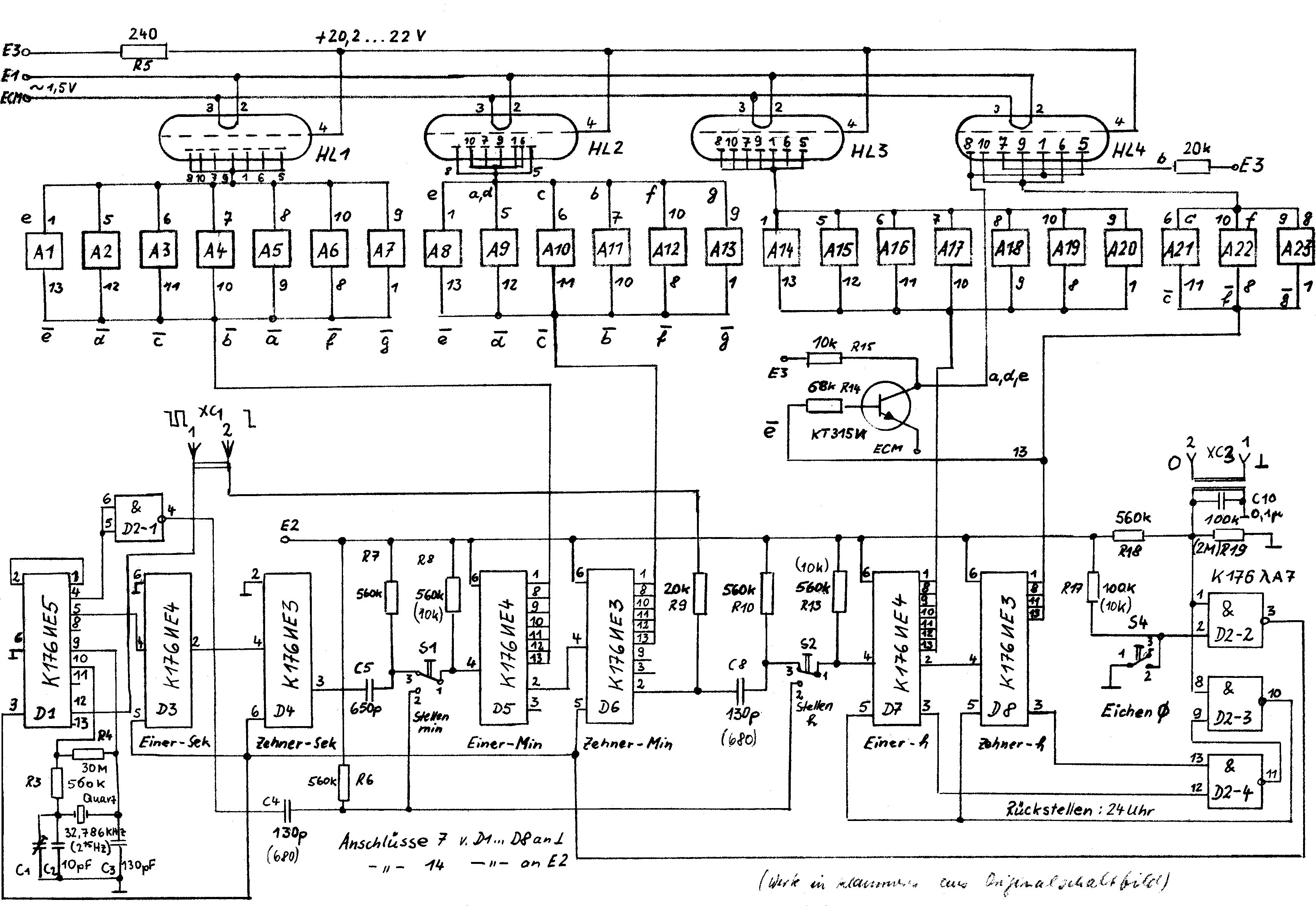
Serge W. schrieb: > - Anzeigefeld ist *88:88*, davon sind die Anschlüsse des ersten > Segments herausgeführt sowie der Dezimalpunkt. Das sind wohl die Anoden. > Dann habe ich 5 Gitter sowie Heizung/Katode. Hi, schau mal auch hier: Beitrag "Re: Schaltplanvergleich russische Digitaluhr" Im Originalschaltplan ist ein dicker Fehler, der zum Durchbrennen des Heizfadens führen kann. Oben das von mir nachgemalte funktionierende Pinout der Röhre. Viel Spaß ciao gustav
Es gibt gerade bei Pollin ein Vakuum-Fluoreszenzdisplay FUTABA 4-LT-46ZB3, 4 Digit. Damit könnte man eine schone Uhr bauen... Wie kann man das? vieleicht arduino
Pit S. schrieb: > vieleicht arduino Die Controllerplattform ist doch völlig nebensächlich. Eine Uhr auf einem Controller kommt gleich nach dem "Hello world" der blinkenden LED, was die Anforderungen an die Software betrifft, insbesondere wenn du sowieso nur 4 Stellen zur Verfügung hast. Dreh- und Angelpunkt ist das Handling der "Hochspannung", also Gitter- und Anodenspannung. Dafür brauchst du irgendwelche Treiber, aber das ist weiter oben ja schon ausgiebig diskutiert worden.
Michael B. schrieb: > Problem der VFD: Sie altern, nach 10 Jahren weitgehend blind. > Anderes Problem: Heizspannung/Betriebsspannung bekommt man am besten > durch einen Trafo aus einem VFD betriebenen Gerät. Deshalb würde ich es mit zweimal überlegen mit einer ausgebauten und bereits benutzten Anzeige ein neues Projekt zu beginnen.
> Leider finde ich keine Anleitung oder einen Schaltkreis, der das könnte. > Eine Hoffnung war, dass es vor 30 Jahren mal Radiowecker mit VFD gab und > auf deren Schaltplänen, wie man sie im Netz findet, erledigt das alles > ein einziges IC, das man aber nirgends mehr bekommt. > > Nun meine Frage: Wie könnte ich weiter vorgehen? Vielleicht ist die > Lösung gar nicht weit, und ein µC könnte diese Aufgabe übernehmen? Vor 10 Jahren hab ich ein altes Display aus einem Taschenrechner als RS232 Monitor verwendet. Code kann man strippen und vereinfachen. Im Bild als Monitor für einen Kondensator C-Wert lt. Bild in der .zip als Anhang
Michael B. schrieb: > Problem der VFD: Sie altern Das ist mal sicher. > nach 10 Jahren weitgehend blind. Das allerdings längst nicht. Ich habe z.B. noch einen ollen VCR, gekauft 1990(!). Das Teil ist also nunmehr fast 30 Jahre alt und war 20 davon nahezu ununterbrochen am Netz. An dem Teil funktioniert fast nichts mehr, ich benutze es nur noch (sehr selten) mal als TV-Modulator. Aber das Display leuchtet noch und zwar auch bei normaler Innenraumhelligkeit noch sehr gut lesbar. Selbst mit meinen Augen, an denen diese 30 Jahre auch nicht so ganz spurlos vorüber gegangen sind... Ich kann mich aber auch an einen Radiowecker erinnern, der schon nach 5 Jahren oder so tagsüber praktisch nicht mehr ablesbar war. Es scheint da also durchaus Unterschiede zu geben. Vermutlich sowohl bezüglich der Qualtität der Displays selber als auch bezüglich des Konzepts der Ansteuerung. Bezüglich letzterem fällt bei dem VCR sofort eins auf: im Standby wird offensichtlich der Strom deutlich reduziert, das Display wird erheblich dunkler. Das dürfte der entscheidende Trick sein, der dem Display dieses lange Leben ermöglicht hat.
Pit S. schrieb: > Es gibt gerade bei Pollin ein Vakuum-Fluoreszenzdisplay FUTABA > 4-LT-46ZB3, 4 Digit. Damit könnte man eine schone Uhr bauen... Wie kann > man das? Hi, dies Display hatte ich mir auch schon angesehen, Angebot ist nämlich gar nicht so neu. https://www.pollin.de/productdownloads/D121537D.PDF Wichtige Eckpunkte: laut Dabla oben: 3V Heizspannung Va +26V Und Pinout: Segmente parallelgeschaltet. Also Multiplexing angesagt. Also ziemlich ähnlich wie die Russenuhr-Displays. Die Schaltung oben müsste dann auch damit gehen. Beitrag "Re: Schaltplanvergleich russische Digitaluhr" Also, anders als bei LEDs sind die VFDs relativ träge, so dass gerade beim Multiplexen auch Segmente nachleuchten, die momentan garnicht angesteuert werden. Deswegen nimmt man Decoder-Treiber in P-MOS-Technik, die die Spannung an der Anode über Pulldown-Widerstände in Minusbereiche fährt. Die russischen ICs und der Äquivalenttyp CD4056 können das, ohne kaputt zu gehen. Dadurch werden dann die Elektronen abgezogen. Oder wenn man das Kondensatormodell bevorzugt, parasitäre Kapazitäten werden umgeladen. ciao gustav.
Karl B. schrieb: > anders als bei LEDs sind die VFDs relativ träge, so dass gerade > beim Multiplexen auch Segmente nachleuchten, die momentan garnicht > angesteuert werden. Das liegt allerdings nicht an den Displays, sondern an ungeschickten Ansteuerschaltungen, wie es ja auch aus deinem nächsten Satz hervorgeht.
nachtmix schrieb: > Das liegt allerdings nicht an den Displays, sondern an ungeschickten > Ansteuerschaltungen, wie es ja auch aus deinem nächsten Satz hervorgeht. Hi, an den verwendeten Uhren-Röhren liegt es eindeutig. Habe verschiedene ausprobiert. Es gibt andere VFDs. Zum Beispiel die etwas komplexeren in Kassettendecks und so weiter mit den vielen Symbolen. Aber auch da lassen Segmente nach, vor allem wenn mit Gleichstrom geheizt wird. Mit mehr als 128 Hz Multiplexing Frequenz sieht man auf den Russen VFDs der genannten Art immer mehr "Ghosting". Auch wenn mit Negativspannung gearbeitet wird. Ohne geht es schon mal garnicht. ciao gustav P.S.: Andere ziehen "auf Masse". Jeder löst das Ghosting-Problem eben anders.
Das mit der Trägheit der Röhre ist IMHO Unsinn. Die Röhre ist eine Vakuumröhren die über die Gitter gesteuert werden kann, die Grenzfrequenz dafür dürfte im Megaherzgebiet liegen. Ghostingeffekte sind mir nicht neu, allerdings lassen die sich durch eine vernünftige Ansteuerung vermeiden, also dunkel tasten bevor die neuen Daten an die nächste Stelle ausgegeben werden und diese eingeschaltet wird. BTDT. Holm
Beitrag #5872691 wurde von einem Moderator gelöscht.
Die Lebensdauer ist wohl das geringste Problem. Habe es heute bekommen, ist nagelneu. Ich wollte eigentlich einen vorhandenen Radiowecker, der rote LED anzeige hat darauf. Einfach Heizspannung anlegen und die LED Ansteuerung verwenden. So einfach ist es wohl dann doch nicht. Ich hatte den Wecker gerade geöffnet... Platz ist. Genügend .. Aber wie die LED angesteuert werden, ist noch fraglich. Dazu brauche ich wohl Muße und viel schlechtes wetter
Holm T. schrieb: > Die Röhre ist eine > Vakuumröhren die über die Gitter gesteuert werden kann, die > Grenzfrequenz dafür dürfte im Megaherzgebiet liegen. Hi, hatte ich vorher auch gedacht, bis ich eines besseren belehrt wurde. Für mich war mit dem Begriff Röhre eine Katodenstrahlröhre mit der typischen "Steilheit", der negativen Gittervorspannung, der Raumladung etc. verbunden. VFD Röhren haben demhingegen andere Kennlinien. Man kann damit auch keine "Verstärkerschaltungen" oder ähnliches aufbauen. Sie sind auf die gegenüber in Röhrenradios verbauten "magischen Augen" verwendeten Anodenspannungen geradezu mickrigen Anodenspannungen optimiert. Näheres dazu hier: http://www.bastler-beutel.de/Download/Acrobat/digitron.pdf ciao gustav
Karl B. schrieb: > Man kann damit auch keine "Verstärkerschaltungen" oder ähnliches > aufbauen. http://www.nutube.us/
Ich habe mit den Dingern vor 30 Jahren mal einen Frequenzzähler gebaut (nun ja, er hat nicht wirklich viele Betriebsstunden drauf...) Den kürzlich aus dem Schrank gezogen und er tut noch. Habe die Wandlung von TTL auf 24V einfach mit TUN (Transistor Universal NPN aka Elektor der 70er Jahre...) in Emitterschaltung gemacht. Und das gleichermassen für die Gitterspannungen und die Segmente. MUX-Frequenz bei 1kHz, Kollektorwiderstände (glaube 100k). Funktioniert einwandfrei ohne "Geisterzeichen". Die unterschiedlich hellen Digits kommen m.E. von der Verschlusszeit der Kamera im Smartphone. Sie erscheinen visuell gleich hell. P.S. und das ohne Arduino & Co! P.P.S.:Von den Displays im Bild habe ich noch eine ganze Schachtel voll!
Hi, sicher gibt es eine ganze Reihe von Ansteuerschaltungen, die sich mit dem Vermeiden von unerwünschten Nachleuchteffekten befassen. Mir fällt da nur ein, die alten Röhrenfernseher hatten immer das sogenannte "Fahnenziehen". Dann natürlich heute aktuell, die Flachbildschirmfernseher haben da sicher auch was Passendes drin, um solche Effekte zu verhindern. Man könnte natürlich diese Techniken in abgewandelter Form auch zur Verbesserung der VFD-Röhren-Anzeigen-Darstellung verwenden. Da bin ich aber der Meinung, dass das sicher Overkill wäre. Warum einfach, wenn es kompliziert geht. Die Elektronika Uhren sind ja sehr populär gewesen im Ostblock, wurden in Millionenstückzahlen aufgelegt. Und waren wohl auf möglichst effektives Design hin ausgelegt. Aus der Schaltung stammt die Schaltung oben, die ich verwendete. Mittlerweile gibt es auch Elektronika-Uhren billigst zu kaufen, die schon andere ICs verwenden. Habe meine Elektronika 12-41A mal aufgemacht, finde aber unter KA1016XM nichts im Netz. Die Anzeige ist doch recht hell. Und das Durchschlagen der Segmente ist nur im Filmchen noch wahrnehmbar. Ob die jetzt mit der "Negativ"-Spannung arbeitet, oder mit anderen Impulsmustern zu besseren Ansteuerung, müsste ich noch herausfinden. Laut Schema müssten es aber noch die Widerstände sein, die nach Minus ziehen. Michael B. schrieb: > Karl B. schrieb: >> Man kann damit auch keine "Verstärkerschaltungen" oder ähnliches >> aufbauen. > > http://www.nutube.us/ Ja, und mit Verstärkern mit VFD, ok. Das hatte ich früher auch schon mal gelesen, ist aber eine Spezialentwicklung. Das sind aber bestimmt Dinge, die man nicht unter normalen Röhrenverstärkern versteht. ciao gustav
Es sei noch angemerkt, das es von Princeton ein ganze Serie von Chips zur Ansteuerung von VFD gibt. Bekannt ist vor allem die PT63xx Serie. http://www.princeton.com.tw/en-us/products/displaydriveric/vfd.aspx
Sieh Matthias S. schrieb: > Es sei noch angemerkt, das es von Princeton ein ganze Serie von > Chips > zur Ansteuerung von VFD gibt. Bekannt ist vor allem die PT63xx Serie. > http://www.princeton.com.tw/en-us/products/displaydriveric/vfd.aspx Siehe hier für erprobtes Schaltungsbeispiel: Beitrag "Re: Alte VFD-Anzeige übrig, möchte gerne eine Uhr damit bauen"
VFD Enthusiast schrieb: > Siehe hier für erprobtes Schaltungsbeispiel: > > Beitrag "Re: Alte VFD-Anzeige übrig, möchte gerne eine Uhr damit bauen" Ah, hatte ich übersehen, weil da ein Zahlendreher drin ist. Du verbaust keinen PT3611, sondern einen PT6311 :-P
Karl B. schrieb: > Holm T. schrieb: >> Die Röhre ist eine >> Vakuumröhren die über die Gitter gesteuert werden kann, die >> Grenzfrequenz dafür dürfte im Megaherzgebiet liegen. > > Hi, > hatte ich vorher auch gedacht, bis ich eines besseren belehrt wurde. > Für mich war mit dem Begriff Röhre eine Katodenstrahlröhre mit der > typischen "Steilheit", der negativen Gittervorspannung, der Raumladung > etc. verbunden. > > VFD Röhren haben demhingegen andere Kennlinien. Weil sie mit positivem Gitter arbeiten. > Man kann damit auch keine "Verstärkerschaltungen" oder ähnliches > aufbauen. Doch, kann man denn das wurde schon gemacht und im Internet publiziert.. was nicht heißt das das kein Blödsinn ist. > Sie sind auf die gegenüber in Röhrenradios verbauten "magischen Augen" > verwendeten Anodenspannungen geradezu mickrigen Anodenspannungen > optimiert. Freilich, Niemand möchte einen Taschenrechner mit ein paar 100V Anodenspannung weil die sich nur ineffizient erzeugen und schalten lassen. > Näheres dazu hier: > http://www.bastler-beutel.de/Download/Acrobat/digitron.pdf > > ciao > gustav Ich bleibe dabei, Du machst was falsch. Gruß, Holm
Holm T. schrieb: > Freilich, Niemand möchte einen Taschenrechner mit ein paar 100V > Anodenspannung weil die sich nur ineffizient erzeugen und schalten > lassen. Naja, bei Nixies hat man auch 150 V geschaltet – OK, nicht ganz, aber funktioniert hat das schon. Trotzdem war der Dreh bei den VFDs natürlich, dass man sie so weit gezüchtet hat, dass es eben auch PMOS-übliche Spannungen schon erledigen konnten.
Holm T. schrieb: > Ich bleibe dabei, Du machst was falsch. Hi, was die russischen Ingenieure Deiner Meinung nach hätten besser machen können, würde mich auch interessieren. Die Schaltungen stammen nämlich nicht von mir, sondern sind millionenfach in den Elektronika-Uhren aufgelegt worden. Anbei noch das Originalschaltbild der zugrundegelegten Elektronika Uhr. "Meine" 12-41A ist schon eine anderes Modell, hat aber in Bezug auf die Röhrenansteuerung gewisse Ähnlichkeiten. Hier ein paar offene "Geheimnisse": Synchronzähler. Dann, bei ca. 2mA Stromverbrauch genügt eine "einfache" Z-Diodenstabilisierung. Masse ist hochgelegt. Die Katoden symmetrisch mit Wechselspannung direkt anheizen. Versatz des Massepunktes, um Katoden relativ potenzialmäßig "runterzuziehen". Einige Verständnisschwierigkeiten in diesem Zusammenhang scheinen auch andere Forenmitglieder zu haben. Beitrag "VFD Uhr mit KA1016XL1 IC" Das ist übrigens die Schaltung "meiner" 12-41A. Danke für Tip. ciao gustav
Pit S. schrieb: > Einfach Heizspannung anlegen und die LED > Ansteuerung verwenden. So einfach ist es wohl dann doch nicht. Man könnte anstelle der LED Optokoppler einbauen, die dann die ca. 30V der VFD schalten könnten. Wegen Multipex wird es dann allerdings schon etwas komplizierter.
Jörg W. schrieb: > Holm T. schrieb: >> Freilich, Niemand möchte einen Taschenrechner mit ein paar 100V >> Anodenspannung weil die sich nur ineffizient erzeugen und schalten >> lassen. > > Naja, bei Nixies hat man auch 150 V geschaltet – OK, nicht ganz, aber > funktioniert hat das schon. ...im Taschenrechner?? > > Trotzdem war der Dreh bei den VFDs natürlich, dass man sie so weit > gezüchtet hat, dass es eben auch PMOS-übliche Spannungen schon erledigen > konnten. Eben. Gruß, Holm
Holm T. schrieb: >> Naja, bei Nixies hat man auch 150 V geschaltet – OK, nicht ganz, aber >> funktioniert hat das schon. Nein, wegen des speziellen Verhaltens von Glimmlampen reichten da 60V-Transistoren. Später mit Entwicklung von "Hochspannunngs"- Transistoren wurde es dann einfacher.
Karl B. schrieb: > Das ist übrigens die Schaltung "meiner" 12-41A. In Bezug auf Heizung und negative Kathodenspannung ist das m.M.n. das Optimale. Wechselstromheizung für gleichmässige Helligkeit und negative Vorspannung des Filaments/Kathode für niedrigsten Aufwand bei der Ansteuerung von Gitter und Anode. Heute nimmt man oft DC/AC Wandler für die Heizung, aber das Prinzip bleibt das gleiche.
Karl B. schrieb: > Holm T. schrieb: >> Ich bleibe dabei, Du machst was falsch. > > Hi, > was die russischen Ingenieure Deiner Meinung nach hätten besser machen > können, würde mich auch interessieren. Warum sollte ich mir darüber Gedanken machen? Ich habe im Wohnzimmer eine Uhr mit einzelnen VFDs stehen und IMHO mit ICs der Serie K176 bestückt. Von den ICs habe ich mir bei Evita.lt noch ein paar organisiert, liegen im Schrank. Diese Uhr arbeitet ohne Multiplexing und hat demzufolge keine Effekte die darauf zurück zu führen wären Des Weiteren habe ich eine einzelne Platine mit einem K145IK1901 herumliegen mit einem 4-stelligen VFD IWL1-7/5, der IC multiplext wohl..auch hier gibts keine Nachleuchteffekte die stören würden. > Die Schaltungen stammen nämlich > nicht von mir, sondern sind millionenfach in den Elektronika-Uhren > aufgelegt worden. Anbei noch das Originalschaltbild der zugrundegelegten > Elektronika Uhr. Davon gibts nahezu genau so viele wie Elektronika Uhren. >"Meine" 12-41A ist schon eine anderes Modell, hat aber > in Bezug auf die Röhrenansteuerung gewisse Ähnlichkeiten. > Hier ein paar offene "Geheimnisse": Synchronzähler. Dann, bei ca. 2mA > Stromverbrauch genügt eine "einfache" Z-Diodenstabilisierung. Masse ist > hochgelegt. > Das ist übrigens die Schaltung "meiner" 12-41A. Na und? Was hat die für Probleme? > Die Katoden symmetrisch mit Wechselspannung direkt anheizen. Versatz des > Massepunktes, um Katoden relativ potenzialmäßig "runterzuziehen". Ich schriebs schon oben, ggf. Stelle abschalten, neue Daten ausgeben und dann nächste Stelle einschalten (Dead Time). Nicht "gleichzeitig" im MC. > > Einige Verständnisschwierigkeiten in diesem Zusammenhang scheinen auch > andere Forenmitglieder zu haben. > Beitrag "VFD Uhr mit KA1016XL1 IC" Wieso auch? Ich kenne mich mit Röhren ganz gut aus, habe früher die Röhrenbude gehostet und jetzt das Nachfolgeforum und ich habe auch nicht nur einen Controller programmiert, aber unter Anderem auch ein Ding mit Futaba FV651G ..gabs mal bei Pollin. Da gibts für mich keine Geheimnisse. Die Ansteuerung erfolgte mit diskreten Transistoren aus einem Schieberegister, das Kathodenpotential war auf ca. 5V angehoben um die Stellen zuverlässig zu sperren. > > Danke für Tip. > > ciao > gustav ..welchen meinst Du? Gruß, Holm
Holm T. schrieb: > Ghostingeffekte sind mir nicht neu, allerdings lassen die sich durch > eine vernünftige Ansteuerung vermeiden, also dunkel tasten bevor die > neuen Daten an die nächste Stelle ausgegeben werden und diese > eingeschaltet wird. So ist auch meine Erfahrung, Ghosting entsteht hauptsächlich durch Softwarefehler. Natürlich kann auch die Miller-Kapazität schuld sein, wenn die Basis nicht schnell genug entladen wird. Also ein Schaltungsfehler. Ich setze auch 2*20 Text-VFDs ein, da ist keinerlei Ghosting erkennbar.
Holm T. schrieb: > Diese Uhr arbeitet ohne Multiplexing und hat demzufolge keine Effekte > die darauf zurück zu führen wären Hi, hab ich auch. Nur keine Weckfunktion. Darauf wollte ich nicht verzichten. Und die ICs dafür gibt es ja noch. Matthias S. schrieb: > Heute nimmt man oft DC/AC Wandler für die Heizung, aber das Prinzip > bleibt das gleiche. Bei 12V Single Supply für Auto: Und die abenteuerlichsten Spannungswandler für Anodenspannung. (Zum Beispiel von der Quarzfrequenz-Taktoszillatorstufe kapazitiv angekoppelt.) Holm T. schrieb: > 2. Teil. Wo ist da der Unterschied vom Prinzip her zu den anderen gezeigten Schaltplänen? Holm T. schrieb: > Ich bleibe dabei, Du machst was falsch. > > Gruß, > Holm Was? ciao gustav
Karl B. schrieb: > > Holm T. schrieb: >> 2. Teil. > Wo ist da der Unterschied vom Prinzip her zu den anderen gezeigten > Schaltplänen? Das er in der rfe abgedruckt war. > > Holm T. schrieb: >> Ich bleibe dabei, Du machst was falsch. >> >> Gruß, >> Holm > > Was? > > ciao > gustav Du redest über die Rolle der Bedeutung wie das Neue Deutschland. Gruß, Holm
Hi, nochmal von vorne: Pit S. schrieb: > Es gibt gerade bei Pollin ein Vakuum-Fluoreszenzdisplay FUTABA > 4-LT-46ZB3, 4 Digit. Damit könnte man eine schone Uhr bauen... Wie kann > man das? vieleicht arduino So, jetzt kommen eine ganze Reihe von Vorschlägen, die aber bei @Pit offensichlich nicht besonders auf Resonanz stoßen. Dann versuch ich's mal: 1.) Ins Datenblatt der Röhre schauen. Heizspannung und Anodenspannung sowie, ob/wie Segmente intern schon verschaltet sind. Das Pinout herausfinden. 2.) Ist für jede Stelle jedes Segment extra herausgeführt, dann brauchte man für eine vierstellige Uhrenanzeige vielleicht 33 Pinne. Futabe 4 LT 16 OD zum Beispiel. Da braucht man nicht multiplexen. Das heißt, die Stellen sequentiell ansteuern. (finde nichts mehr im Netz, out of sale) OK. 4-LT-46ZB3 hat weniger Pinne. Ergo muss man die anders ansteuern. 3.) Heizspannungserzeugung. Bei Netzbetrieb. Welche Trafos haben die geforderten 1,2 V oder 2,7 V oder was nun genau im Datenblatt steht? (Habe das Problem so gelöst, indem ich auf einen vorhandenen Trafo ein paar Windungen draufgefädelt hatte.(Etwa so 20 -30 Windungen.) Auch hier ist ein gewisses Maß an Experimentierfreude durchaus angesagt!) 4.) Die Uhr selbst dürfte kein Problem sein. Da gibt es genug Programmiervorschläge für, unter der Voraussetzung, man möchte mit den ATMEL AVRs oder ähnlichem arbeiten. (Der oben erwähnte Arduino braucht nicht noch extra erwähnt zu werden, da so wie so.) Dann gibt es aber auch Spezialentwicklungen, wo mehrere ICs aufeinander auf diesen Verwendungszweck abgestimmt sind, die "Russen"-ICs zum Beispiel. Die können mit der CMOS-Serie zwar in etwa verglichen werden, bestimmte Gruppen unterscheiden sich aber, vor allem in der maximal zulässigen Taktung. Die K176-er eignen sich nun für diesen Zweck ganz gut, weil man ja auch nicht so hohe Taktfrequenzen braucht da. So kommt man dann auf die "Russen"- ICs, die irgendwo mal von einem Laster heruntergefallen sein müssen, denn im Netz sind die doch recht preiswert zu haben. Dazu braucht man nicht extra nach Lettland oder Estland zu fahren, die allerseits bekannten Plattformen sind voll davon. (Ja, Evita hat vielleicht auch noch die Teile, die andere nicht mehr haben.) 5.) Die Pegelwandlung zur Ansteuerung der Röhren. Gibt es auch was im Netz zu lesen. Bleiben wir aber bei den "Russen"-Ics. Der K176ID3 ist zugleich Decoder Treiber Latch und Röhrenansteuerung. Braucht aber die Pull-down-Widerstände. Also Open drain, nicht totem pole. Oder sowas. Und wer noch Lust hatte bis hierher zu folgen, kann sich ja jetzt die Uhr selber bauen. Fragen in diesem Zusammenhang sind willkommen. ciao gustav
Hallo, Holm T. schrieb: > Du redest über die Rolle der Bedeutung wie das Neue Deutschland. naja Holm, Du weißt doch: "die Basis ist die Grundlage aller Fundamente" Mein Bekannter hat letztens was im Internet gefunden und mußte unbedingt Gehäuse drucken. Heraus kam dann eine Uhr mit einer IW-18. Ansteuerung macht ein MAX6921. Mit etwas Glück bezahlbar aus China zu finden. Ansteuerung macht ein ESP8266. Da die Röhre 5V Heizspannung hat, hängt sie direkt an den 5V, Helligkeitsunterschied über die Länge ist unauffälliog, sie will beim 1:9 Mux sowieso rund 32V für gute Helligkeit. Bild ist ...naja wegen der Lichtverhältnisse, der Link zum Original: https://www.thingiverse.com/thing:3417955 Seine habe ich durch eigene ersetzt, was er da gestrickt hat, fand ich etwas "unpraktisch". Den MAX6921 kannte ich bisher nicht, interessante Serie. Aufpassen: die Buchstaben dahinter geben das Pinout an, für eine IW-18 macht sich der MAX6921AWI wie beim Original gut. Gruß aus Berlin Michael
hier mal nuir als Ergänzung Fotos der Platine die sich noch rumtreibt, die Platine lag mal im Schrott mit defekten VFD, bei der Areb hab ich dann mal für wenige Euros eine neue Röhre gekauft..funktioniert.. aber mangels Bedarf wieder demontiert. Gruß, Holm
Michael U. schrieb: > Helligkeitsunterschied über die Länge ist unauffälliog, sie will beim > 1:9 Mux.... Hi, habe noch was in Bezug auf die "Russen"-Ics gefunden dazu: "...um das Sperrverhalten der Fluoreszenzanzeigen zu verbessern, wurde das Tastverhältnis an T1 bis T4 beim K176IE18 gegenüber dem beim K176IE12 verwendeten 4:1 Verhältnis auf 32:7 verkürzt...." Zufallsfund: https://www.ebay.com/itm/183560310853?ssPageName=STRK:MESELX:IT& ciao gustav
Karl B. schrieb: > habe noch was in Bezug auf die "Russen"-Ics gefunden dazu: > "...um das Sperrverhalten der Fluoreszenzanzeigen zu verbessern, wurde > das Tastverhältnis an T1 bis T4 beim K176IE18 gegenüber dem beim > K176IE12 verwendeten 4:1 Verhältnis auf 32:7 verkürzt...." Wie bereits mehrfach gesagt: gegen das Ghosting hilft es, wenn man erst das gerade aktive Gitter abschaltet, dann die Segmente updated und erst danach das nächste Gitter einschaltet. Wenn die Ansteuerung arg auf Kante genäht ist (hochohmige Ansteuerung des VFD oder fehlender Bias der Heizung) dann kann man noch extra Pausen einbauen. Im deinem oben zitierten IC wird dazu jede Stelle (vulgo: jedes Gitter) für 7 Taktzyklen aktiviert, dann 1 Takt Pause, dann das nächste Gitter. Macht für 4 Stellen gerade die genannten 32 Takte. Die meisten modernen VFD-Treiber wie etwa der schon genannte PT6311 machen das ebenso. Tatsächlich nutzen sie die Einschaltdauer des Gitters gleich zum Dimmen der Anzeige, wobei auch bei voll aufgedrehter Helligkeit ein Takt Pause zwischen den Gittern eingefügt wird. Sogar LED-Treiber wie MAX7219 machen das ähnlich, obwohl es da viel weniger kritisch ist.
Hallo, der oben erwähnte MAX6921 hat ja nur ein Schieberegister, wo man eigentlich beliebig Gitter und Anoden verteilen kann. Übernommen wird mit einem Latch-Impuls, also praktisch alte Segmente und Stellengitter aus, die neue Belegung an. Ghosting ist mir da nie aufgefallen. Die Ausgänge werden allerdings als Push-Pull angesteuert. das dürfte Raumladeeffekte nahezu verhindern. Gruß aus Berlin Michael
Michael U. schrieb: > Bild ist ...naja wegen der Lichtverhältnisse Nö, da fehlt einfach nur die notwendige Kontrastscheibe (grün oder blau). Schau Dir mal kommerzielle Geräte an, da wirst Du nie ein blankes VFD sehen. Warum wohl? Ähnlich ist es auch bei den Nixies. Kommerzielle Geräte haben davor immer eine rote Kontrastscheibe zum besseren Ablesen. Eine Ausnahme waren die Z570M (DDR), da war der Kolben schon rot eingefärbt.
Hallo, Peter D. schrieb: > Michael U. schrieb: >> Bild ist ...naja wegen der Lichtverhältnisse > > Nö, da fehlt einfach nur die notwendige Kontrastscheibe (grün oder > blau). Nein, die Bemerkung bezog sich auf das schnell gemachte Foto. Mehr umgebungslicht war nicht am Ort und Blitz sorgt nur dafür, daß man die Anzeige nicht mehr erkennt. > Schau Dir mal kommerzielle Geräte an, da wirst Du nie ein blankes VFD > sehen. Warum wohl? Warum habe ich (und auch der Ersteller im verlinkten Beitrag) wohl keine benutzt? Weil die Röhre sehr gut abslesbar ist und VFD im Gegensatz zu Nixie kein "Nebenleuchten" hat. Nixie haben je nach Gasfüllung das Problem, daß sie eine bläuliche Korona um die Ziffer bilden. Das verringert die Schärfe der Darstellung und sieht unschön aus. Meine damalige Nixie-Uhr mit Z750M hatte eine rote Folie davor und den Lack habe ich freigekratzt, weil das Gesamtbild der Uhr so besser aussah. Gruß aus Berlin Michael
Hallo.. Danke - ich hab was gefunden, die für mich wohl geeignete nachbauvariante http://www.vwlowen.co.uk/arduino/vfd/vfd-clock.htm
Falls von Interesse, eine Schaltung, welche rein aus alten Bauteilen besteht und leicht anpassbar ist. Im Arduino-Sketch kann man seine Fernbedienung anpassen.
Alex schrieb: > Falls von Interesse Nach sechs(!) Jahren? Serge wurde mittlerweile als verstorben gemeldet.
Jörg W. schrieb: > Nach sechs(!) Jahren? Moin Jörg! Wäre es ein großer Aufwand Das Datum des Eingangsposts ab einer gewissen Zeit in rot und fett darzustellen? Dann liest man vielleicht schneller, dass das ein alter Beitrag ist.
Frank O. schrieb: > Wäre es ein großer Aufwand Das Datum des Eingangsposts ab einer gewissen > Zeit in rot und fett darzustellen? Dann liest man vielleicht schneller, > dass das ein alter Beitrag ist. Wieviel mehr Rot brauchst du? Das steht schon fett über dem Eingabefeld.
Wolfgang R. schrieb: > Frank O. schrieb: >> Wäre es ein großer Aufwand Das Datum des Eingangsposts ab einer gewissen >> Zeit in rot und fett darzustellen? Dann liest man vielleicht schneller, >> dass das ein alter Beitrag ist. > > Wieviel mehr Rot brauchst du? Das steht schon fett über dem Eingabefeld. ACK! Nicht übertreiben! https://de.wikipedia.org/wiki/Ein_Mann_sieht_rot
Wenn es so verboten ist, alte Fäden weiter zu stricken, dann macht diese doch einfach zu.
Es ist nicht verboten, aber es sollte sinnvoll sein. Wenn der TE jetzt nach sechs Jahren hätte sein endlich fertiggestelltes Projekt hier vorstellen wollen, dann gehört das natürlich hierhin.
Obwohl der Thread nicht so "viele" Beiträge hat, kenne ich ihn. Wenn man sich mit VFDs und Uhren und Weckern beschäftigt, stolpert man recht schnell darüber. Zusammen mit diesen: Beitrag "Was ist das für eine Anzeige, wer will die haben?" Beitrag "Ich suche Daten zu oben gennanten Uhr-Display" Beitrag "VFD Display Futaba 4-LT-16" Ergibt sich eine tolle Übersicht nur um dieses spezielle Thema. Warum noch mehr aufmachen, eigentlich sollte man das eher mal in einem kleinen Artikel zusammenfassen. Beitrag "Re: Alte VFD-Anzeige übrig, möchte gerne eine Uhr damit bauen" "Irgendwann kommt jeder Elektroniker in seinem Leben in den Kontakt von VFD-Anzeigen, entweder weil man einen Videorecorder zerlegt oder einen CD-Player repariert. Eine kleine unscheinbare Glasplatte mit interessanten Innenleben von Symbolen, Heizdraht und jede Mengen an Lötkontakten, welche auf eine stabile Platine gelötet sind. Unverwechselbares Klingen bei jeder Bewegung dieses Bauteils. Das sind die Eigenschaften eines Vakuum Fluoreszensdisplays. Erst im Betrieb zeigt sich ein herrlich anzusehendes Schauspiel aus Ästhetik und Vollkommenheit. " Manchmal sollte man lieber nichts schreiben und den Platz neben einem Bild frei lassen...
:
Bearbeitet durch User
Wolfgang R. schrieb: > Wieviel mehr Rot brauchst du? Das steht schon fett über dem Eingabefeld. Eben, ganz unten. Dann liest du eine Weile und stellst erst dann fest, dass du eine Leiche ausgegraben hast. Da ich mich schon ein paar Mal damit selbst reingelegt habe, schaue ich mittlerweile immer zuerst auf das Datum des Eingangsbeitrages. Aber man sieht immer wieder, dass das auch anderen passiert und sie sogar den Thread weiter führen.
:
Bearbeitet durch User
Frank O. schrieb: > Wolfgang R. schrieb: >> Wieviel mehr Rot brauchst du? Das steht schon fett über dem Eingabefeld. > > Eben, ganz unten. > Dann liest du eine Weile und stellst erst dann fest, dass du eine Leiche > ausgegraben hast. Das könnte allerdings auch auffallen, wenn man mehrere (hunderte!) Seiten in der Übersicht "blättern" muss, um auf den Faden zu stossen.
:
Bearbeitet durch User
.● Des|ntegrator ●. schrieb: > Das könnte allerdings auch auffallen, wenn man mehrere Seiten > in der Übersicht "blättern" muss, um auf den Faden zu stossen. Wenn ich unter Mikrocontroller.net die neuen Beiträge sehe und mich einer interessiert, dann öffne ich den. Das kann aber durchaus so eine Leiche sein, Aber selbst die sind auch manchmal interessant. Jetzt lese ich eine Weile und habe z.B. genau die richtige Antwort auf das Problem. Dann will ich antworten und lese erst dann die rote Schrift, die darauf hinweist, dass dieser Beitrag schon alt ist. Ich bin ja nicht der einzige Teilnehmer dem das passiert. Kannst du nahezu jede Woche lesen.
:
Bearbeitet durch User
Frank O. schrieb: > Dann will ich antworten und lese erst dann die rote > Schrift, die darauf hinweist, dass dieser Beitrag schon alt ist. Jau, geht mir auch so. Stimmt. Es passiert auch das man liest und liest und dann später erst merkt dass es eigentlich ein olles Ding ist, auf dem seit wenigen Beiträgen wieder Leute mit ählichem Problem oder ganz neuen Problemen weiterkraucheln...hätte man sich also 90% ollen abgeschlossenen Kram lesen, sparen können... das ist dann wirklich ärgerlich... passiert mir öfter, da ich wirklich erstmal viele Beiträge lese - fange also meist oben an...
:
Bearbeitet durch User
Daniel S. schrieb: > Warum noch mehr aufmachen, eigentlich sollte man das eher mal in einem > kleinen Artikel zusammenfassen. Das steht dir doch frei, dafür gibt es das angegliederte Wiki. Ist allemal besser, als eine Threadleiche wiederzubeleben.
Dadurch, daß ich den Thread heute das erste Mal entdeckt habe (durch die neuen Postings in der Übersicht), habe ich angefangen zu lesen um rel. spät festzustellen daß der Thread von 2019 ist.. Ob Blättern oder nicht eingestellt ist ist irrelevant.
Daniel S. schrieb: > weiterkraucheln...hätte man sich also 90% ollen abgeschlossenen Kram > lesen, sparen können... Genau darum geht es.
Man könnte den roten Hinweistext nach oben, ganz am Anfang stellen, statt unten drunter.
Frank O. schrieb: > Man könnte den roten Hinweistext nach oben, ganz am Anfang stellen, > statt unten drunter. Oben rechts steht die Jahreszahl 2019. Unübersehbar, oder wird das von Deinem Smartphone verschluckt? ciao gustav
:
Bearbeitet durch User
Bitte melde dich an um einen Beitrag zu schreiben. Anmeldung ist kostenlos und dauert nur eine Minute.
Bestehender Account
Schon ein Account bei Google/GoogleMail? Keine Anmeldung erforderlich!
Mit Google-Account einloggen
Mit Google-Account einloggen
Noch kein Account? Hier anmelden.



























