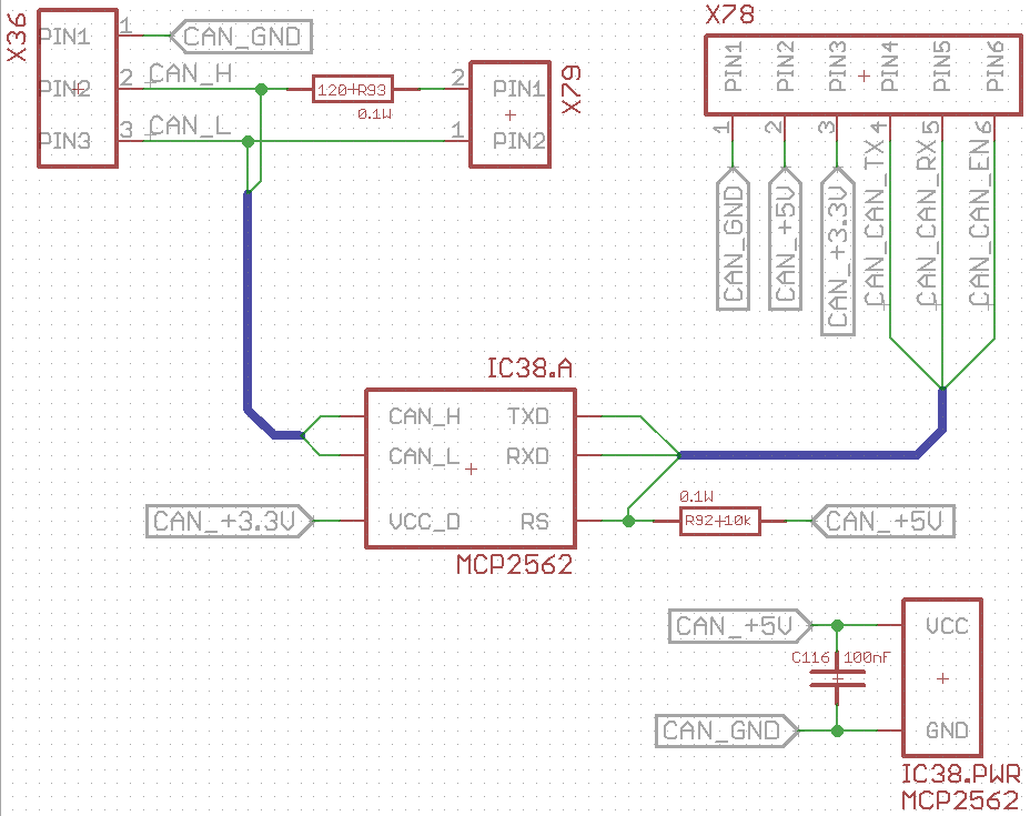
Hallo, ich möchte mir einen CAN Bus für mein Board bauen. Nun habe ich mich für den MCP2551 entschieden und wollte fragen, ob die Schaltung so korrekt ist. Erläuterung: X78 ist der Stecker, der zum µC geht X36 ist der CAN Bus nach außen X79 ist ein Jumper, für die 120 Ohm Terminierung CAN_CAN_EN ist das Enable Signal, um den MCP2551 entweder in den Sleep Mode zu versetzen oder mit High Speed am CAN Bus teilnehmen zu lassen. CAN_CAN_TX und CAN_CAN_RX gehen zum µC. Der µC läuft mit 3,3V, der MCP2551 mit 5V. Aus dem Datenblatt habe ich entnommen, dass der MCP2551 als TX High mindestens 2 Volt benötigt, das sollte doch mit 3,3V vom µC hinhauen oder? Bei CAN RX ist der µC Pin (STM32H753) doch 5V tolerant, oder habe ich das falsch verstanden? Benötige ich eine Common Mode Choke?, wenn ja vor oder nach dem Terminierungswiderstand? Habe ich sonst noch Fehler? Danke im Vorraus PS: Habe noch Fragen zu USB- und Ethernethardware, mache dazu aber eigene Threads auf. Wer sich da also auskennt bitte in dem entsprechenden Thread helfen.
Leopold N. schrieb: > Benötige ich eine Common Mode Choke?, wenn ja vor oder nach dem > Terminierungswiderstand? Wenn es nach den Herstellern dieser Bauteile geht, dann schon... Ob du sie tatsächlich benötigst, hängt aber sehr vom Einsatzgebiet deiner Schaltung ab. Meine CAN-Busankopplng sieht etwa so wie im Anhang aus. Direkt am Stecker sitzt dann noch ein TVS-Diodenarray SRDA05-4. > Habe ich sonst noch Fehler? Dein CAN-Anschlussstecker sollte tunlichst den CAN-GND auch mit rausführen. Der gehört nämlich zwingend zu den anderen beiden Signalen. > Habe ich sonst noch Fehler? Der Schaltplan sieht übel aus. Man verliert sich schon mit den 4 Bauteilen in einem Suchspiel zwischen den Labels. Du musst aufpassen, dass das Layout besser aussieht.
Lothar M. schrieb: >> Habe ich sonst noch Fehler? > Der Schaltplan sieht übel aus. Man verliert sich schon mit den 4 > Bauteilen in einem Suchspiel zwischen den Labels. In der Tat. Das ist eine der vielen Hipster-Macken unserer Zeit. Schaltplan richtig zeichnen
Leopold N. schrieb: > Der µC läuft mit 3,3V, der MCP2551 mit 5V. > Aus dem Datenblatt habe ich entnommen, dass der MCP2551 als TX High > mindestens 2 Volt benötigt, das sollte doch mit 3,3V vom µC hinhauen > oder? MCP2562 verwenden? Der ist extra für niedrigere Signalspannungen gemacht.
Von welcher Ecke kommst du, bist du ADA-Programmierer oder wo lernt man, solche Schalt-"Pläne" zu machen?
Thomas F. schrieb: > MCP2562 verwenden? Der ist extra für niedrigere Signalspannungen > gemacht. Danke für den Tipp, den schaue ich mir mal an.
Hier mal der ansatzweise umgezeichnete Plan, damit man sich vielleicht etwas leichter tut.
Leopold N. schrieb: > Habe ich sonst noch Fehler? Das ist kein Schaltplan sondern eine Bauelementansammlung. Jeder Leser muss nun für jeden auftretenden Labelnamen jedes weitere Auftreten suchen, keines übersehen, um damit im Kopf einen Schaltplan zusammenzubasteln, und das nur weil du zu faul warst. Versuche es mal mit Linien.
Bernd schrieb: > Eine Zumutung diese Art "Schaltplan". Wer sagt, dass das ein Schaltplan sein soll. Früher (tm) lief soetwas unter "graphisch unterstützte Netzliste"
Lothar M. schrieb: > Ob du sie tatsächlich benötigst, hängt aber sehr vom Einsatzgebiet > deiner Schaltung ab. Meine CAN-Busankopplng sieht etwa so wie im Anhang > aus. Direkt am Stecker sitzt dann noch ein TVS-Diodenarray SRDA05-4. http://www.ti.com/lit/an/slla271/slla271.pdf @Lothar: kennst du diese App Note? Demnach sollten die Dioden direkt am Transceiver und nicht am Stecker sitzen. Kann man sicher kontrovers diskutieren. Ich hatte das vorher auch immer so gemacht, aber nach der Lektüre kommt man schon ins Grübeln. @TE: Die App Note sagt aus, dass man die Spule am besten ganz weglässt solange es nicht zwingende Vorgaben gibt.
Harald A. schrieb: > @TE: Die App Note sagt aus, dass man die Spule am besten ganz weglässt > solange es nicht zwingende Vorgaben gibt. Ok, danke, habe diese Appnote bisher noch nicht gesehen.
Leopold N. schrieb: > Hier noch ein Versuch, besser so? Jetzt muss man sogar noch raten und schlussfolgern, welches Signal denn da hoffentlich korrekt am CAN Treiber angeschlossen ist. Warum nimmst du nicht einfach wie der Rest der Welt normale Signalleitungen für solche einzelne Signale? Platz ist ja genug auf dem Plan... Harald A. schrieb: > @Lothar: kennst du diese App Note? Demnach sollten die Dioden direkt am > Transceiver und nicht am Stecker sitzen. Ja, allerdings wird dort von dem sehr seltenen und dank der automatischen Abschaltmechanismen vom CAN Controller nur kurz andauernden Fehlerfall "kurzgeschlossener Bus" ausgegangen. Im realen Leben habe ich aber einen Stecker auf der Leiterplatte, an den ein langes Kabel angeschlossen ist, auf das (woher auch immer) eine Burst-Störung kommt. Und wenn dann nach dem Stecker erst mal 10cm Leiterbahn auf der dicht bepackten Platine, und dann erst die Ableitdioden kommen, dann hat die Störung 10cm lang die Möglichkeit, meine Schaltung zu beeinflussen. Kurz: aus EMV-Sicht muss jede Abblockmaßnahmen direkt am Stecker erfolgen.
Wenn du damit zufrieden bist, dann mach es so. Aber "gut lesbar" geht anders. Sieh dir doch einfach mal andere Schaltpläne an und schau, welchen du am einfachsten nachvollziehen und "Lesen" kannst. Ich bin mir sicher, die sehen anders aus. So kann man z.B wie in meinem Ausschnitt einfach ein "besonderes" Massesymbol für den CAN GND nehmen, damit man den auf Anhieb als Bezugspotential erkennt und nicht mit einem "normalen" Signal verwechselt.
Beitrag #5866659 wurde von einem Moderator gelöscht.
Leopold N. schrieb: > So? Wird in sehr kleinen Schritten besser :-). Ich äußere mich nur zur Schaltplanzeichnerei - das ist ja schon der zweite Thread, in dem du damit aneckst. Du lässt die beiden Busse weg, man braucht keinen Bus bei zwei bzw. drei Leitungen. Drehe das Symbol von X78 um 90° im UZS und platziere ihn rechts neben den MPC. Dann reichen drei gerade Linien, um die Verbindung darzustellen. Und GND reicht als Symbol. Pullups sind leichter zu verstehen, wenn sie nach oben gezeichnet werden. Die Belastbarkeit der Widerstände sollte in der Stückliste stehen, hier braucht man sie nicht oder nur, wenn es um Stellen geht, die eine Besonderheit haben. Ein 10k an 3.3V hat diese nicht. Aber insgesamt: du hast drei Steckverbinder und einen IC ohne Pinnummern dazwischen. Was soll da schief gehen bzw. was soll man dazu sagen, wenn man nicht weiß, was an den Steckverbindern angeschlossen ist?
Solche Ratschläge kann ich viel einfacher nachvollziehen und dann fällt es mir auch viel leichter, sie selbst zu befolgen (an die Vorredner...) HildeK schrieb: > Und GND reicht als Symbol. Hintergrund ist, dass der CAN nur ein Modul ist, dass auf mein Board aufgesteckt wird. Auf dem Board selbst gibt es auch ein GND, deshalb kennzeichne ich alle Signale des Moduls mit einem "CAN_" vorangestellt (genau wie beim Ethernet und beim USB) Deshalb auch X80 hier mit dabei. HildeK schrieb: > Aber insgesamt: du hast drei Steckverbinder und einen IC ohne Pinnummern > dazwischen. Was soll da schief gehen bzw. was soll man dazu sagen, wenn > man nicht weiß, was an den Steckverbindern angeschlossen ist? Ich hatte im ersten Post geschrieben, was an die Steckverbinder kommt: Leopold N. schrieb: > Erläuterung: > > X78 ist der Stecker, der zum µC geht > X36 ist der CAN Bus nach außen > X79 ist ein Jumper, für die 120 Ohm Terminierung > CAN_CAN_EN ist das Enable Signal, um den MCP2551 entweder in den Sleep > Mode zu versetzen oder mit High Speed am CAN Bus teilnehmen zu lassen. > CAN_CAN_TX und CAN_CAN_RX gehen zum µC. Edit: X79 wurde durch J1 ersetzt
Leopold N. schrieb: > Solche Ratschläge kann ich viel einfacher nachvollziehen Ja, jetzt kommen wir dem Ziel schon sehr viel näher. Der Plan ist um Welten schöner. Ob er so fachlich korrekt ist, kann ich nicht beurteilen.
> Ja, jetzt kommen wir dem Ziel schon sehr viel näher. Der Plan ist um > Welten schöner. Ob er so fachlich korrekt ist, kann ich nicht > beurteilen. Was fehlt dir noch zur Beurteilung?
Stefanus F. schrieb: > Leopold N. schrieb: >> Was fehlt dir noch zur Beurteilung? > > Fachliches Know-How. Meinerseits oder deinerseits?
Leopold N. schrieb: > Stefanus F. schrieb: >> Leopold N. schrieb: >>> Was fehlt dir noch zur Beurteilung? >> >> Fachliches Know-How. > > Meinerseits oder deinerseits? Meinerseits.
Leopold N. schrieb: > Auf dem Board selbst gibt es auch ein GND, deshalb kennzeichne ich alle > Signale des Moduls mit einem "CAN_" vorangestellt (genau wie beim > Ethernet und beim USB) > Deshalb auch X80 hier mit dabei. Also hast du dann unnötigerweise letztlich vier unterschiedliche GND mit gleichem Potential? Das verwirrt. > Hintergrund ist, dass der CAN nur ein Modul ist, dass auf mein Board > aufgesteckt wird. Alle meine Module, die irgendwo aufgesteckt werden, verwenden natürlich auch die üblichen Vcc und GND-Symbole. Denn die Bauteile dieses Moduls haben allesamt einen GND-Anschluss. Und warum sollte man den dann unbedingt anders heißen? Und in logischer Konsequenz stellt sich die Frage was passiert, wenn auf so einem Modul ein Displayinterface, ein CAN, ein Ethernet und eine RS485 Schnitte beisammen sind? Heißt der "neue" GND dann an jedem GND-Pin logischerweise "CAN_ETH_RS485_DISP_GND" und die gemeinsame Versorgung "CAN_ETH_RS485_DISP_VCC"? Und zudem würde ich bei so einem mickrigen Bauteil die beiden Versorgungspins in das selbe Makro wie die anderen Pins einfügen. BTW: warum lässt du nicht bei den Steckern die Pinnummern konsequenterweise auch weg?
Leopold N. schrieb: > Ich hatte im ersten Post geschrieben, was an die Steckverbinder kommt: Nein hast du nicht. > Leopold N. schrieb: >> Erläuterung: >> >> X78 ist der Stecker, der zum µC geht >> X36 ist der CAN Bus nach außen >> X79 ist ein Jumper, für die 120 Ohm Terminierung >> CAN_CAN_EN ist das Enable Signal, um den MCP2551 entweder in den Sleep >> Mode zu versetzen oder mit High Speed am CAN Bus teilnehmen zu lassen. >> CAN_CAN_TX und CAN_CAN_RX gehen zum µC. Und das ist der Beweis.
Lothar M. schrieb: > BTW: warum lässt du nicht bei den Steckern die Pinnummern > konsequenterweise auch weg? Da stehen sie sogar doppelt dran, als Name und als Zahl :-). @Leopold N.: Wenn die Signale über Steckverbinder gehen, wie lange sind dann die Leitungen? Ich würde dann auf der Verbindung zum µC ggf. eine Serienterminierung in Erwägung ziehen: einen 33R jeweils nahe an der Quelle. Und CAN ist ein differentielles Signal, also auch entsprechend im Layout zu berücksichtigen. Immer dann, wenn man mit Steckverbindern Schaltungsmodule zusammenschließt, sind die GND-Anbindungen wichtig. Nur ein einzelner Pin kann zu wenig sein. Ich hätte mindestens noch einen zweiten Pin spendiert. Wenn die Schaltung Teil eines CAN-Busses ist (keine P2P-Verbindung; der schaltbare Terminierungs-R deutet ja darauf hin), dann kenne ich es so, dass man beides, ankommende und abgehende CAN-Leitungen möglichst nahe an den Phy führt. Dann hätte man zweimal CAN am X36 und kürzest mögliche Stichleitungen.
Lothar M. schrieb: > BTW: warum lässt du nicht bei den Steckern die Pinnummern > konsequenterweise auch weg? Da hast du Recht, ich habe neulich meine gesamte Lib aufgeräumt, da muss mir das entfallen sein. Lothar M. schrieb: > Alle meine Module, die irgendwo aufgesteckt werden, verwenden natürlich > auch die üblichen Vcc und GND-Symbole. Denn die Bauteile dieses Moduls > haben allesamt einen GND-Anschluss. Und warum sollte man den dann > unbedingt anders heißen? Weil Eagle sonst möchte, dass ich die GNDs dementsprechend auch verbinde. Das das Modul zum aufstecken aber auf einer separaten Platine geroutet wird, kann ich keine Leiterbahn rüberziehen. Lothar M. schrieb: > Heißt der "neue" GND dann an jedem > GND-Pin logischerweise "CAN_ETH_RS485_DISP_GND" und die gemeinsame > Versorgung "CAN_ETH_RS485_DISP_VCC"? Nein, für solch ein Modul (das in dieser Komplexität nicht vorgesehen ist) würde ich mir einen neuen Namen, der entsprechend kurz und trotzdem schlüssig ist, einfallen lassen. Msd schrieb: > Nein hast du nicht. > >> Leopold N. schrieb: >>> Erläuterung: >>> >>> X78 ist der Stecker, der zum µC geht >>> X36 ist der CAN Bus nach außen >>> X79 ist ein Jumper, für die 120 Ohm Terminierung >>> CAN_CAN_EN ist das Enable Signal, um den MCP2551 entweder in den Sleep >>> Mode zu versetzen oder mit High Speed am CAN Bus teilnehmen zu lassen. >>> CAN_CAN_TX und CAN_CAN_RX gehen zum µC. > > Und das ist der Beweis. Nun, mir erschließt sich daraus, was an den Stecker kommt. Falls du nun Haarspalterei betreiben möchtest, welcher Pin des CAN Bus nun an welchen Pin des Steckers kommt, musst du das wohl allein herausfinden. Für mich geht das klar aus dem Schaltplan hervor. Ich werde wohl kaum CAN_H an CAN_L legen...
HildeK schrieb: > Wenn die Signale über Steckverbinder gehen, wie lange sind dann die > Leitungen? Ich würde dann auf der Verbindung zum µC ggf. eine > Serienterminierung in Erwägung ziehen: einen 33R jeweils nahe an der > Quelle. Das ganze soll auf eine Europlatine, die Leitungen werden höchstens 100mm lang denke ich, je nachdem wie voll die Platine wird. Was bringt diese Serienterminierung mit 33R? HildeK schrieb: > Wenn die Schaltung Teil eines CAN-Busses ist (keine P2P-Verbindung; der > schaltbare Terminierungs-R deutet ja darauf hin), dann kenne ich es so, > dass man beides, ankommende und abgehende CAN-Leitungen möglichst nahe > an den Phy führt. Dann hätte man zweimal CAN am X36 und kürzest mögliche > Stichleitungen. Bis jetzt war die Schaltung als P2P vorgesehen, damit ich den Bus überhaupt erstmal zum Laufen kriege. Allerdings wäre es natürlich schlau auch gleich schonmal einen zweiten Stecker zum weiterleiten des Signals vorzusehen. Werde ich noch hinzufügen...
Leopold N. schrieb: > Nun, mir erschließt sich daraus, was an den Stecker kommt. > Falls du nun Haarspalterei betreiben möchtest, welcher Pin des CAN Bus > nun an welchen Pin des Steckers kommt, musst du das wohl allein > herausfinden. Für mich geht das klar aus dem Schaltplan hervor. Ich > werde wohl kaum CAN_H an CAN_L legen... Du bist echt ne Nummer. Was ist aus deinem Trillionenkilowatt PFC-Dings geworden? Wolltest dich doch im März wieder melden. Du bist ein Schwätzer. Du fragst, ob der Schaltplan in Ordnung ist. Wenn ich wissen will was auf der anderen Steckerseite ist, um zu beurteilen, ob du TX und RX auch korrekt am Controller verdreht hast, meinst du ich pin zu pingelig. Was zur Hölle soll man dann hier beurteilen? Ok du hast einen tollen Schaltplan gezeichnet. Alles ist korrekt.
Leopold N. schrieb: > Weil Eagle sonst möchte, dass ich die GNDs dementsprechend auch > verbinde. Aber genau das tust du doch letztlich auch, damit das Ganze funktioniert. Warum also der einarmige Handstand? Und dass in deinem EAGLE dann zum Schluss ein paar Airwires ziwschen den "Modulen" übrig bleiben, ist der etwas eigenartigen Strategie zu verdanken. > Das das Modul zum aufstecken aber auf einer separaten Platine > geroutet wird, kann ich keine Leiterbahn rüberziehen. Du hast die falsche Arbeitsweise. "Module" heißen aus dem Grund so, weil sie unabhängig von anderen "Modulen" in eigenen Schaltplänen und Leiterplatten abgebildet werden. Dein Problem ist hier also, dass der Workflow "ein Schaltplan, der auf 4 Platinen aufgebaut wird" nicht zu allgemein verfügbaren Toolchains passt. Leopold N. schrieb: > Für mich geht das klar aus dem Schaltplan hervor. Ja, klar du bist ja aktuell auchg genau an und nur mit diesem Paln beschäftigt. Aber du wolltest doch hören, was andere dazu sagen. > Ich werde wohl kaum CAN_H an CAN_L legen... Warum nicht. Das nennt man dann "Fehler". Und solche sollen wir doch laut deiner Anfrage suchen. Ich hatte da schon man fehlerhafte Makros, wo in deinem Fall dann im Schaltplan mangels Pinnummern und signalnamen nicht sichtbar ist, dass da das falsche Signal am falschen Pin angeschlossen ist.
Msd schrieb: > Leopold N. schrieb: >> Nun, mir erschließt sich daraus, was an den Stecker kommt. >> Falls du nun Haarspalterei betreiben möchtest, welcher Pin des CAN Bus >> nun an welchen Pin des Steckers kommt, musst du das wohl allein >> herausfinden. Für mich geht das klar aus dem Schaltplan hervor. Ich >> werde wohl kaum CAN_H an CAN_L legen... > > Du bist echt ne Nummer. Was ist aus deinem Trillionenkilowatt PFC-Dings > geworden? Wolltest dich doch im März wieder melden. > > Du bist ein Schwätzer. > > Du fragst, ob der Schaltplan in Ordnung ist. Wenn ich wissen will was > auf der anderen Steckerseite ist, um zu beurteilen, ob du TX und RX auch > korrekt am Controller verdreht hast, meinst du ich pin zu pingelig. Was > zur Hölle soll man dann hier beurteilen? > > Ok du hast einen tollen Schaltplan gezeichnet. Alles ist korrekt. Warum verschwendest du deine Zeit hier mit meinen absolut unlesbaren, unzumutbaren und grauenvollen (aber irgendwie auch perfekten?) Schaltplänen? Genieß doch lieber das schöne Wetter draußen und geh mir bitte nicht auf die Nerven mit deinen sinnlosen Beiträgen. Das wird ja schon peinlich, sollte jemand in Zukunft mal ein ähnliches Problem haben, dann auf diesen Thread hier stoßen auf der Suche nach der Antwort. Dann muss sich dieser jemand nicht erst durch meine absolut widerlichen Schaltpläne denken, sondern sich anschließend noch 100 sinnlose Beiträge über richtiges Schaltplanzeichnen und Erziehung durchlesen, nur um am Ende ohne Lösung das nächste Forum zu konsultieren, oder (noch übler) seine eigenen (evtl eklige, grauenhafte, unperfekten...) Schaltpläne hier posten, in der Hoffnung, eine Antwort auf seine Frage zu bekommen. Sei also bitte einfach so nett (nicht zu mir, sondern zu jenen, die in Zukunft hier nach Antworten suchen könnten) und schreib ANTWORTEN AUF MEINE FRAGEN und keinen sinnlosen Schund, nur um sich wichtig zu machen und anderen zu zeigen, dass du so viel Erfahrung hast und ich nur ein unwichtiger, unerfahrener Amateur bin. Danke
Leopold N. schrieb: > Was bringt diese Serienterminierung mit 33R? Serienterminierung (wichtig: den Widerstand auf der Outputseite möglichst nahe anbringen) verhindert Reflexionen (zeigen sich durch z.B. Überschwinger), die dann störend auftreten, wenn steile Signalflanken über längere Leitungen gehen. Das ist zwar bei Datensignalen meist weniger kritisch, bei Takten aber schon. Der Widerstand kostet nichts und verbessert die Signalqualität. Suche mal nach 'Serienterminierung' und 'Impulse auf Leitungen'.
Leopold N. schrieb: > ANTWORTEN AUF MEINE FRAGEN Leopold, das hier ist dein Thread. Es bringt dich und deine Sache nicht weiter, wenn du da noch langatmig Öl ins Feuer der Scheingefechte gießt. Zurück zum Thema Serienterminierung: dort im Beitrag "Re: Signalproblem bei langem Kabel" finden sich noch zwei Oszi-Bilder wo man sieht, dass das auch schon bei recht kurzen Leitungslängen berücksichtigt werden muss.
Lothar M. schrieb: > Leopold, das hier ist dein Thread. Es bringt dich und deine Sache > nicht weiter, wenn du da noch langatmig Öl ins Feuer der Scheingefechte > gießt. Da magst du Recht haben, aber ich bin es leid, dass manche Leute nicht einfach entweder die Klappe halten können oder sinnvolle Antworten geben können. Tut mir leid, ich wollte jetzt nicht noch weiter auf diesen Quatsch eingehen, aber ich hatte eben die Schnauze voll. Ich werde in Zukunft solche Posts einfach ignorieren. Lothar M. schrieb: > Zurück zum Thema Serienterminierung: dort im > Beitrag "Re: Signalproblem bei langem Kabel" finden sich noch > zwei Oszi-Bilder wo man sieht, dass das auch schon bei recht kurzen > Leitungslängen berücksichtigt werden muss. Schau ich mir an. Hab mir eben schon den Artikel hier angesehen; ist ein sehr interessantes Thema finde ich. https://www.mikrocontroller.net/articles/Wellenwiderstand
Leopold N. schrieb: > ist ein sehr interessantes Thema finde ich. Es sorgt dafür, dass manche Schaltungen im realen Leben nicht laufen... Siehe auch ein paar Screenshots im Beitrag "Serienwiderstand bei Hochfrequenz"
Lothar M. schrieb: > dass das auch schon bei recht kurzen > Leitungslängen berücksichtigt werden muss. Gut, jetzt muss man 'kurz' und 'lang' in dem Zusammenhang noch näher definieren: Als kurz bezeichnet man die Leitung, wenn die Signallaufzeit sehr viel kleiner ist als die Anstiegszeit/Abfallzeit der Signalpulse. Alles andere ist dann 'lang' und eine Serienterminierung ist sinnvoll bzw. notwendig. Lothar, ich weiß, dass dir das klar ist, dem TO aber vielleicht nicht.
HildeK schrieb: > Lothar, ich weiß, dass dir das klar ist, dem TO aber vielleicht nicht. Danke für die Rücksichtnahme :) hab das im Artikel Wellenwiderstand aber schon gelesen eben. Wie dimensioniere ich nun aber den Serienwiderstand? Bzw. wie kommst du auf 33R? Eigentlich müsste ich doch dazu den Innenwiderstand meiner Quelle sowie den Wellenwiderstand der Leiterbahn kennen oder?
Leopold N. schrieb: > Wie dimensioniere ich nun aber den Serienwiderstand? Der praktische Ansatz: du machst da einfach mal 33 Ohm rein. Und hast dann schon mal den Platz auf der Platine, wenn du /bei Messungen/ am Prototypen herausfindest, dass da ein anderer rein gehört.
Lothar M. schrieb: > Leopold N. schrieb: >> Wie dimensioniere ich nun aber den Serienwiderstand? > Der praktische Ansatz: du machst da einfach mal 33 Ohm rein. > Und hast dann schon mal den Platz auf der Platine, wenn du /bei > Messungen/ am Prototypen herausfindest, dass da ein anderer rein gehört. Ok, dann sehe ich jetzt einfach mal einen 33R vor im 0603 Gehäuse und tausch den bei Bedarf dann aus. Einen in der TX Leitung am µC und einen in der RX Leitung am MCP2562, richtig?
Leopold N. schrieb: > Einen in der TX Leitung am µC und einen in der RX Leitung am MCP2562, > richtig? Ja, wie gesagt: immer auf der Treiber-/Ausgangsseite.
HildeK schrieb: > Immer dann, wenn man mit Steckverbindern Schaltungsmodule > zusammenschließt, sind die GND-Anbindungen wichtig. Nur ein einzelner > Pin kann zu wenig sein. Ich hätte mindestens noch einen zweiten Pin > spendiert. > > Wenn die Schaltung Teil eines CAN-Busses ist (keine P2P-Verbindung; der > schaltbare Terminierungs-R deutet ja darauf hin), dann kenne ich es so, > dass man beides, ankommende und abgehende CAN-Leitungen möglichst nahe > an den Phy führt. Dann hätte man zweimal CAN am X36 und kürzest mögliche > Stichleitungen. Habe ich berücksichtigt, der zweite Widerstand kommt dann direkt mit auf das µC-Modul (hier also nicht sichtbar) HildeK schrieb: > Und CAN ist ein differentielles Signal, also auch entsprechend im Layout > zu berücksichtigen. Was meinst du konkret damit, bzw. was soll ich da speziell berücksichtigen?
Leopold N. schrieb: > Was meinst du konkret damit, bzw. was soll ich da speziell > berücksichtigen? Beide Leitung nebeneinander führen. Und nicht die eine links rum und die andere rechts... BTW: statt der Belastbarkeit deines 0603 Widerstands solltest du dort besser die Bauform reinschreiben. Denn wenn ich auf der Leiterplatte einen Widerstand suche, dann hilft mir die Bauform mehr, als wenn ich weiß, dass der mit 100mW belastbar sein könnte.
Lothar M. schrieb: > BTW: statt der Belastbarkeit deines 0603 Widerstands solltest du dort > besser die Bauform reinschreiben. Denn wenn ich auf der Leiterplatte > einen Widerstand suche, dann hilft mir die Bauform mehr, als wenn ich > weiß, dass der mit 100mW belastbar sein könnte. Ja ich hatte es mal eingeführt bei mir, aber ganz zufrieden war ich damit auch nicht. Habs jetzt wieder weg gemacht. Lothar M. schrieb: > Beide Leitung nebeneinander führen. Und nicht die eine links rum und die > andere rechts... Ja hatte ich vor, aber sonst ist nichts spezielles zu beachten, oder?
Leopold N. schrieb: > Wie dimensioniere ich nun aber den Serienwiderstand? > Bzw. wie kommst du auf 33R? > > Eigentlich müsste ich doch dazu den Innenwiderstand meiner Quelle sowie > den Wellenwiderstand der Leiterbahn kennen oder? Korrekt. Die Leiterbahn hast du unter Kontrolle. Dafür gibt es Rechner, manche sind Schätzeisen, andere gut und teuer. Wichtig ist dabei die Geometrie, also die Leitungsbreite und der Abstand zur Massenlage. Auch das Eps-r, aber das ist weitgehend um die 4 bei Epoxy-Platten. Es wird irgendwas im Bereich zwischen Z = 40Ω und 70Ω ergeben - ich kenne deine Leiterplattendaten nicht. Die Quelle ist ein heute üblicher CMOS-Ausgang, gut der kann mal 10Ω haben bei schnellen ICs oder auch nur 25Ω. Also nimmt man mal für den IC 20Ω an, für die Leiterbahn 50Ω, dann wäre der Widerstand mit 30Ω richtig. In der Praxis wirst du aber nur einen geringen Unterschied messen, wenn du für Rs 25Ω oder 39Ω nimmst. Vielleicht brauchst du auch 50Ω, je nach Leiterbahngeometrie. Auch für die CAN-Leitungen am Bus müsste eine Berechnung erfolgen: der ist definiert mit 120Ω differentiell. Deshalb auch dein schaltbarer Abschlusswiderstand mit dem Wert. Aber siehe oben: keine Raketentechnik! Du darfst Toleranzen haben. 10-20% Fehler beim Rs machen aber auf der Platine nur wenig aus, besonders wenn die ICs eher lahme Anstiegszeiten haben, weglassen aber unter Umständen schon zu viel bei z.B. schnellen ICs. Ist das Z entlang der Leitung schön konstant (Problem Steckverbinder) und der optimale Rs gefunden, dann sieht ein Takt/Datenbit aus wie aus dem Bilderbuch. Wenn nicht, hat er entweder Überschwinger oder die Flanke geht treppenförmig hoch. Wenn man es schon nicht passend machen kann: lieber geringe Überschwinger haben als Treppen. Wenn dir die Daten von der Leiterplatte bzw. das Z von der Leiterbahn total unbekannt sind, dann mach es so, wie Lothar sagte. Und wenn du schon misst: dann probiere auch mal 0Ω und erkenne den Unterschied und mache neue Erfahrungen. :-)
Danke für die ausführliche Erklärung. Dann werde ich mal mit 33R anfangen und dann mal ausprobieren wohin andere Werte führen.
Danke für den Schaltplan-Fix. Die Meinung der anderen mit den Labels und Bussen vertrete ich auch. Mal noch ein anderer Einwand: MSP2551 -> Status: Not Recommended for new designs Nur als Info.
Björn G. schrieb: > MSP2551 Meinst du MCP2551 oder? Auf den Status hab ich net geachtet... ist schließlich für private Zwecke und nicht Serienfertigung :)
Bitte melde dich an um einen Beitrag zu schreiben. Anmeldung ist kostenlos und dauert nur eine Minute.
Bestehender Account
Schon ein Account bei Google/GoogleMail? Keine Anmeldung erforderlich!
Mit Google-Account einloggen
Mit Google-Account einloggen
Noch kein Account? Hier anmelden.








