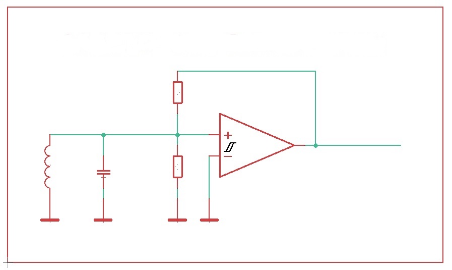
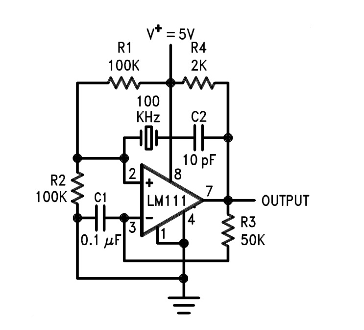
Neil Hecht hatte vor etwa 20 Jahre dieses LC-Meter entwickelt und es ist wohl abertausendfach nachgebaut worden. Das erste Bild zeigt das Original. Ich habe mal die Schaltung etwas leserlicher nachgezeichnet, siehe zweites Bild. Die auf das Wesentliche reduzierte Schaltung zeigt das dritte Bild. Und fällt da jemandem etwas auf? _WIESO SCHWINGT DIESER OSZILLATOR ÜBERHAUPT?_ Also, es ist eigentlich klar, daß es zum Entfachen einer Schwingung eines Phasenversatzes bedarf, derart daß die antreibende Kraft bzw. der antreibende Strom immer in die Richung zeigen muß, in die sich auch die Spannung am Schwingkreis bewegt. Eben so, daß man den Schwingkreis mit einem voreilenden Strom quasi anschiebt. Beim bekannten Colpitts oder Hartley ist das so geregelt, daß der Antrieb an eine Anzapfung des Schwingkreises angreift, womit sich ein Phasenversatz zwischen Antriebspunkt und Abtastpunkt im Schwingkreis ergibt. Das kehrt sich um, sobald die Spannung am Schwingkreis den Kulminationspunkt überschritten hat. Aber hier fallen Abtastpunkt und Antriebspunkt zusammen und obendrein ist der Ausgang des Komparators bzw. OpV genau gleichphasig zur Spannung am Schwingkreis. Siehe viertes Bild. Der vom Komparatorausgang gelieferte Strom wirkt im 1. Quadranten beschleunigend, dafür aber im 2. Quadranten bremsend. Dito mit umgekehrtem Vorzeichen in 3. und 4. Quadranten. Hier wird also in exakt gleichem Maße binnen einer Periode 2x beschleunigt und 2x gebremst, so daß sich das aufhebt. Theoretisch dürfte diese Schaltung also nicht schwingen - und das tut sie auch nicht, wenn man sie mit heutigen Keramik-Kondensatoren und einem potenten OpV (LMH6642) aufbaut. Ich hatte damals, als ich mir so ein LC-Meter gebaut hatte, grad keinen LM311 zur Hand, weswegen mein Gerät mit besagtem LMH6642 werkelt. Um damit überhaupt eine Schwingung zu erzielen, hatte ich den nötigen Phasenversatz mit einer zusätzlichen R/C-kombination versehen. Siehe fünftes Bild. So. Nun frage ich mich und euch, wieso diese Schaltung in ihrem Grundzustand mit einem LM311 überhaupt funktioniert? Ich kann's mir nur damit erklären, daß es ein Zusammenspiel ist zwischen dem nenneswerten ESR der verbauten Elkos und der relativen Langsamkeit des LM311 und sonstigen Nebeneffekten der damaligen Bauteile. Das würde auch erklären, weswegen es immer wieder Diskussionen gibt über recht unterschiedlich ausfallende Qualitäten verschiedener Nachbauten. Siehe dazu auch: Beitrag "S: Empfehlung nachbausicheres LC-Meter-Projekt mit Atmega" Im Grunde ist die Idee von Neil Hecht ja ausgesprochen nett und die ganze rechnerische Auswertung ist stringent - aber die Oszillatorschaltung scheint auf Seiteneffekten zu beruhen und das finde ich nun nicht so gut. Vielleicht ist das mal ein Anlaß, nach einer besseren Oszillatorschaltung zu forschen. W.S.
Du hast den 1Kiloohm-Widerstand vom Ausgang nach +Ub nicht drin, obwohl das eine offener Kollektorausgang ist.
Das ist ein Relaxations-Oszillator. Muss ein Komparator sein. Ein OPV ginge in die Sättigung =nicht gut. Die “Gegenkopplung” legt m.E. den Arbeitspunkt fest =2,5 V. Dass das mit einem C gemacht ist, hilft vielleicht beim Anschwingen
Siehe Forum: HF, Funk und Felder NICOS – der Negative Impedance Converter - Oszillator Beitrag "NICOS – der Negative Impedance Converter - Oszillator" Gruß Nandoo
W.S. schrieb: > So. Nun frage ich mich und euch, wieso diese Schaltung in ihrem > Grundzustand mit einem LM311 überhaupt funktioniert? Wie Thomas R. bereits geschrieben hat. LM311 Differential Comparator W.S. schrieb: > der Ausgang des Komparators bzw. OpV Komparator ungleich OP. https://de.wikipedia.org/wiki/Komparator_(Analogtechnik)
Und weil der Komparator am Ausgang nur "oben" und "unten" kann, kommt das einer Phasenverschiebung nahe. Wenn der Ausgang kippt, ist die von ihm "verursachte" Amplitude momentan "zu hoch", man kann sagen, das "Maximum(Scheitel) eilt voraus". Da ist sie, die Phasenverschiebung. Ein statischer Zustand stellt sich auch nie ein, dafür sorgt der einigermassen entkoppelte Schwingkreis. Der beendet seine Schwingung auch nicht abrupt, nur weil vom Komparator gerade kein weiterer "Schubs kommt". Fertig ist der periodisch schwingende Oszillator. Bewusst umgangssprachlich, bildlich formuliert. Nicht hauen...
von W.S. schrieb: >Beim bekannten Colpitts oder Hartley ist das so geregelt, daß der >Antrieb an eine Anzapfung des Schwingkreises angreift, womit sich ein >Phasenversatz zwischen Antriebspunkt und Abtastpunkt im Schwingkreis >ergibt. Bei einem invertierenden Verstärker muß man eine 180° Phasenverschiebung einbauen um wieder auf eine gleichphasige Rückkopplung zu kommen, damit der Oszillator schwingt. Gleichzeitig dient eine Anzapfung auch meistens noch dazu eine Leistungsanpassung herzustellen. >Aber hier fallen Abtastpunkt und Antriebspunkt zusammen und obendrein >ist der Ausgang des Komparators bzw. OpV genau gleichphasig zur Spannung >am Schwingkreis. Ist richtig, genau dann schwingt ein Oszillator. Wenn nicht, dann hast du ein Dimensionierungsfehler gemacht. Wie groß sind L und C bei "LC-Meter_meine_Version.jpg" und was ist U1 für ein IC?
Hinweisgeber schrieb: > Du hast den 1Kiloohm-Widerstand vom Ausgang nach +Ub nicht drin, obwohl > das eine offener Kollektorausgang ist. Den braucht so ein LMH6642 auch nicht, denn er kann in beide Richtungen ziehen. Hier geht es eher um's Schaltungsprinzip und die Frage lautet, wie diese Schaltung denn überhaupt schwingen kann. Immerhin ist es sowohl für den 47k Widerstand zum E- als auch für den 100k Widerstand zum E+ herzlich egal, ob der Ausgang nun eine Impedanz von 1k hat oder nur 5 Ohm. Und nochwas zum Gegensatz zwischen Komparator und OpV: Da gibt es im Prinzip nur einen und zwei halbe Unterschiede: 1. der eine ganze: Manche Komparatoren haben eine eingebaute Hysterese. Die ist dort auch angegeben. Beim LM311 gibt es aber keine Hysterese. Stattdessen ist dort dessen Spannungsverstärkung angegeben zu 40..200 V/mV. Das ist klassischer OpV. 2. der erste halbe: Der LM311 hat zwei separate Minus-Versorgungen, eine davon könnte bis -15V und die andere soll auf GND liegen, um den Ausgang an digitale Eingänge anzupassen - was hier aber egal ist, denn beide liegen hier auf GND. 3. der zweite halbe: Komparatoren sind so ausgelegt, daß sie schnell aus der Sättigung wieder heraus kommen, klassische OpV's sind da langsamer. Das gilt hier nicht, denn der LMH6642 hat eine GBW von 120 MHz und kommt zehnmal schneller aus jeder Sättigung als der alte LM311 mit seinen 200 ns, was über alles einer GBW von so etwa 2..3 MHz entspricht. Nichtverzweifelter schrieb: > Und weil der Komparator am Ausgang nur "oben" und "unten" kann, kommt > das einer Phasenverschiebung nahe. Wie bitte? Wenn ich einen Sinus habe und bei dessen Nulldurchgang zwischen -1 und +1 umschalte, dann ist das eine Phasenverschiebung von exakt NULL. Nein, hier gibt es keine Phasenverschiebung, das ist ja das Seltsame an diesem LC-Meter. > Wenn der Ausgang kippt, ist die von ihm "verursachte" Amplitude momentan > "zu hoch", man kann sagen, das "Maximum(Scheitel) eilt voraus". Da ist > sie, die Phasenverschiebung. Dieser Teil stimmt ja, aber der Ausgang des Komparators bleibt ja auf "zu hoch", bis die Spannung am Schwingkreis durch Null geht. Das, was der Komparator beim hochsteigen der Schwingkreisspannung antreibt, das bremst er sofort auch wieder, sobald das Maximum des Sinus vorüber ist. Das ist grundverschieden zu allen Oszillaoren nach Colpitts, Clapp, Hartley und Konsorten. Dort wird die Spannung am Schwingkreis hochohmig abgetastet und an einer anderen Stelle die Energie in den Schwingkreis gebracht. Das ist ein echter Grundunterschied. Alexander S. schrieb: > Wie Thomas R. bereits geschrieben hat. > LM311 Differential Comparator > Komparator ungleich OP. So, nun erkläre mir mal, was der Komparator ohne eigene Hysterese denn anders macht als ein OpV. Die schnelle Erholung aus der Übersteuerung hatten wir schon, das ist hier abgehakt. Die Übersetzung von den damals üblichen analogen Versorgungen +/- 12..15 Volt nach +5 Volt Logik ist auch abgehakt, denn der LM311 wird hier komplett mit nur +5V betrieben. Also, die Frage, was denn nun der LM311 anders macht als ein guter OpV, bleibt zumindest aus meiner Sicht bislang noch ungeklärt. Einfach nur zu sagen, daß der Chip 'Komparator' heißt, reicht nicht aus zur Erklärung. Ich muß hier nochmal das Bild mit der Grundschaltung zitieren, ich habe da ja schlichtweg einen symbolischen (also idealen) OpV gezeichnet, der selbstverständlich (eben weil er ideal ist) auch ein Komparator ist. Und bei dieser Schaltung kann zumindest ich nicht erkennen, welches der Mechanismus ist, der diese Schaltung zum Schwingen bringen könnte. Selbst wenn man sie anstoßen würde, würde die Schwingung durch die Widerstände abklingen und zur Erregung müßte der Verstärkerausgang zwischen +U und -U nicht im Nulldurchgang der Schwingkreisspannung, sondern zum Nulldurchgang des im Schwingkreis kreiselnden Stromes umschalten. Aber genau das ist hier nicht drin. W.S.
W.S. schrieb: > So, nun erkläre mir mal, was der Komparator ohne eigene Hysterese denn > anders macht als ein OpV. Das steht eigentlich im bereits oben verlinktem Wikipedia-Artikel unter "Innenschaltung" https://de.wikipedia.org/wiki/Komparator_(Analogtechnik)
Günter Lenz schrieb: > Wie groß sind L und C bei "LC-Meter_meine_Version.jpg" > und was ist U1 für ein IC? Ich habe für den C 1nF vorgesehen, das ist etwas größer als im Original, dort ist 680 pF verbaut. Für L habe ich diverse Induktivitäten versucht, von 10µH bis 470µH, sowohl solche für Schaltregler als auch solche für reine HF-Zwecke einschließlich einer korbgewickelten Luftspule. Die nehmen sich alle nichts, außer daß die erzielbare Schwingamplitude induktivitäts- und damit frequenzabhängig ist. Bei 10µH etwa 2Vss, das geht dann rauf bis zu 4Vss bei 100µH. Das ist auch abhängig von der Größe von C4 und R5. U1 ist hier eben der Verstärker, ich hab die Prinzip-Stromlaufpläne kurzerhand per Eagle gezeichnet. Deswegen die Benennungen. Realiter habe ich diverse Sorten von OpV ausprobiert: LMH6642, AD8519, OPA604, TS971 - eben was ich grad so da habe. Die Ergebnisse sind unterschiedlich: der AD8519 neigt zu hochfrequentem Schwingen, der OPA604 macht Streß wegen seiner Versorgungsansprüche (+/- 11V mindestens) und der TS971 ist vergleichsweise hochohmig und langsam im Ausgang, kommt aber mit einem L von 100µH schon ganz passabel zurecht, braucht aber für C4 größere Werte. Beim Messen von Kapazitäten verhalten sich jedoch alle L-Varianten und OpV-Varianten gleich: die Schwingspannung am Schwingkreis fällt mit fallender Frequenz bzw. steigender Kapazität. Die 4Vss bei einer 100µH Spule fällt bei angeschlossenen Prüflingen zusammen und ist dann bei 220nF auf weniger als 100mVss zusammengefallen. Man kann damit noch die Kapazität messen, aber bei 470nF ist dann Schluß. Mit größeren Werten für C4 (bis 330pF) und kleineren Werten für R5 kann man bei 220nF als Prüfling die Amplitude nicht erhöhen, was man naiverweise ja erwarten würde. Aber je größer man C4 macht, desto mehr wird er zum Teil des eigentlichen Schwingkreises und umso mehr dämpft dann auch R5 eben diesen Schwingkreis. Dieses Grundverhalten ist gleich für alle Bauteile in allen Dimensionierungen und alle OpV. Mir ist das einigermaßen klar: die Ladungsmenge, die man über C4 bei jedem Nulldurchgang der Schwingspannung in den Schwingkreis injiziert, bleibt gleich, aber bei fallender Frequenz werden die Nulldurchgänge seltener und die aufzuladenden Kapazitäten größer, die Dämpfung durch drei parallelgeschaltete 100k Widerstände bleibt hingegen konstant. W.S.
W.S. schrieb: > Hinweisgeber schrieb: >> Du hast den 1Kiloohm-Widerstand vom Ausgang nach +Ub nicht drin, obwohl >> das eine offener Kollektorausgang ist. > > Den braucht so ein LMH6642 auch nicht, denn er kann in beide Richtungen > ziehen. Hier geht es eher um's Schaltungsprinzip und die Frage lautet, > wie diese Schaltung denn überhaupt schwingen kann. Immerhin ist es > sowohl für den 47k Widerstand zum E- als auch für den 100k Widerstand > zum E+ herzlich egal, ob der Ausgang nun eine Impedanz von 1k hat oder > nur 5 Ohm. Alle Achtung! Du bist ja so ein toller Hecht... Weißt Du, wie scheißegal mir Dein LMH6642 ist, wenn Du LM311 verwendest? Ohne Kollektorwiderstand funktioniert ein offener Kollektorausgang nicht! So lange Dir nicht wenigstens DAS klar ist, brauchst Du Dir über andere Probleme nicht ansatzweise den Kopf zerbrechen!
von W.S. schrieb: >Für L habe ich diverse Induktivitäten versucht, von 10µH bis 470µH, >sowohl solche für Schaltregler als auch solche für reine HF-Zwecke Und wie ist die gewünschte Frequenz? >außer daß die erzielbare Schwingamplitude induktivitäts- und >damit frequenzabhängig ist. Ist normal, weil sich die Güte mit der Frequenz ändert. Wenn das nicht sein soll, mußt du eine Amplitudenreglung bauen, oder ein Transistor benutzen, die regeln sich etwas selber, durch die Basis-Emitter-Gleichrichtung. Oder mach die Rückkopplung so, daß sie sich mit zunehmender Frequenz verringert. Dein C4 macht genau das Falsche, er erhöht die Rückkoplung mit zunehmender Frequenz. Las mal C4 und R5 weg. >U1 ist hier eben der Verstärker, Ist eben nicht egal, wie schon geschrieben wurde, verhalten sie sich je nach Typ unterschiedlich, manche brauchen am Ausgang einen Arbeitswiderstand nach +. >o. Nun frage ich mich und euch, wieso diese Schaltung in ihrem >Grundzustand mit einem LM311 überhaupt funktioniert? Weil es eine gleichphasige Rückkopplung gibt, und damit ist die Schwingungsbedingung erfüllt. Das ist bei jeden LC-Oszillator so.
Günter Lenz schrieb: > ... manche brauchen am Ausgang einen Arbeitswiderstand > nach +. was aber am Prinzip/Funktion erst mal nix ändert und nur darum ging es ihm.
Hallo W.S., schau Dir mal die angehängten Applikationnotes von TI an. Dort ist, schaltungstechnisch, der gleiche Oszillator beschrieben (Abb.44).
Günter Lenz schrieb: > Und wie ist die gewünschte Frequenz? Das soll ein LC-Meter sein, was darauf beruht, daß man mit einem Schwingkreis einen Oszillator aufbaut und den zu messenden C parallel zu dem fest im Gerät verbauten C schaltet - oder die zu messende Spule in Reihe schaltet zu der fest im Gerät verbauten Spule. Es gibt also keine gewünschte Frequenz, sondern nur Frequenzen, die sich aus den zu messenden Bauteilen ergeben. Das ist das Prinzip. Gemessen werden die Frequenzen, zu allererst die Leerlauf-Frequenz (ohne Prüfling) und später eben die Frequenz mit Prüfling. Der Rest ist Mathematik im angeschlossenen Controller. Je nach verbauter Spule (10µH..>100µH) ist die Leerlauf-Frequenz im Bereich von 1.5 MHz ... 300 kHz. Die Frequenzen MIT Prüfling liegen logischermaßen immer darunter. Nehmen wir mal die Originalwerte 68µH und 680pF an. Das ergibt 740.157kHz als Schwingfrequenz. So, und nun nehmen wir mal an, einen 1µF großen Kondensator messen zu wollen. Das macht 68µH und 1µF --> 19.3kHz aus. Für 10µF landen wir dann bei etwa 6.1kHz und für 100µF ergäbe sich knapp 2kHz. Damit das klar wird: Der Oszillator soll so beschaffen sein, daß er von rund 1 MHz bis herunter auf wenige kHz schwingt. Das ist durchaus eine Herausforderung! Nochwas, weil sich hier einige aufregen wegen eines Kollektorwiderstandes: Die Bilder habe ich mit Eagle gezeichnet und es sind Prinzipschaltungen. Ich habe ein OpV-Symbol gewählt, weil das eben vom Prinzip her sowohl für den OpV als auch für den Komparator gilt. Hätte der Komparator eine Hysterese, dann hätte ich diese in das Symbol eingezeichnet, damit man das verstehen kann. Siehe Bild. Aber die LM111,211,311 haben keine Hysterese. An Zeno: dieses PDF habe ich auch, meines stammt von 1999, hat aber die gleiche Revisionsnummer. Die betreffende Schaltung zeigt einen Quarzoszillator - und im Gegensatz zu dem LC-Meter ist der Quarz zwischen Ausgang und E+ geschaltet. Das ist ein erheblicher Unterschied. Siehe Bild. Nochwas: Die Transferfunktion zeigt deutlich, daß der LM111,211,311 im Bereich von etwa -0.3mV bis +0.3mV linear arbeitet, wenn man sich den Emitterfolgerausgang (1, GND) anschaut. Und beim normalen Ausgang (7) ist der lineare Bereich so etwa -0.1mV .. +0.1mV. Das ist ein OpV. Der einzige Unterschied, den ich da erkennen kann ist, daß durch den Openkollektor und den externen Hochzieher die Ausgangsimpedanz unterschiedlich ist. Der Ausgang kann besser runter ziehen als rauf ziehen. Das schafft eine gewisse Asymmetrie. Aber - wie gesagt - da am Ausgang ja ein 100kOhm Widerstand als Mitkopplung dranhängt, ist es ziemlich egal, ob nun der Ausgang mit 100kOhm nach unten oder mit 101kOhm nach oben ziehen kann. W.S.
Günter Lenz schrieb: > Weil es eine gleichphasige Rückkopplung gibt, > und damit ist die Schwingungsbedingung erfüllt. > Das ist bei jeden LC-Oszillator so. Nein, das ist bei KEINEM Oszillator so, sondern: Ein Teil der Phasendrehung hat im frequenzbestimmenden Netzwerk zu erfolgen, so daß die Summe aller Phasendrehungen von Netzwerken und Verstärkern 360° bzw. 0° ist. Die Phasendrehung des Verstärkers sollte dabei möglichst konstant sein, damit dieser nicht die sich ergebende Frequenz beeinflußt. Die Frequenz soll sich möglichst nur aus der Phasendrehung des Netzwerkes aus R,C,L ergeben. Aber hier in diesem LC-Meter ist das eben nicht der Fall - das ist ja eben das Kuriose. Ich hänge dir mal was zum Lesen dran: auf Seite 5 ist im Prinzip genau das beschrieben, was ich gemacht habe: als Rückkopplung einen kleinen Kondensator (dort Ck3) eingesetzt. Allerdings habe ich den Ck1 so groß gelassen, wie im Original (10µF). W.S.
Zeno schrieb: > (Abb.44). Ähem.. nee, das ist kein LC-Oszillator, sondern ein RC-Oszillator. Die Frequenz wird durch C1 und R3 gemacht. W.S.
Zeno schrieb: > Hallo W.S., schau Dir mal die angehängten Applikationnotes von TI an. > Dort ist, schaltungstechnisch, der gleiche Oszillator beschrieben > (Abb.44). W.S. schrieb: > An Zeno: dieses PDF habe ich auch, meines stammt von 1999, hat aber die > gleiche Revisionsnummer. > > Die betreffende Schaltung zeigt einen Quarzoszillator - und im Gegensatz > zu dem LC-Meter ist der Quarz zwischen Ausgang und E+ geschaltet. Die Abb. 44 von Zenos Anhang zeigt aber keinen Quarzoszillator, sondern einen 100 kHz Free Running Multivibrator. Edit: Den musst du mit Ian_Purdie_-_LC-Meter__das_Original.gif im ersten Beitrag vergleichen.
W.S. schrieb: > Die betreffende Schaltung zeigt einen Quarzoszillator - und im Gegensatz > zu dem LC-Meter ist der Quarz zwischen Ausgang und E+ geschaltet. Das > ist ein erheblicher Unterschied. Siehe Bild. Nö das von mir genannte Bild - Figure 44 - zeigt eben keinen Quarzoszillator, sondern, bis auf die Bauteilwerte, exakt den gleichen wie die LC-Meterschaltung. Mit den angegebenen Werten schwingt der Oszillator lt. TI auf etwa 100kHz.
Nachtrag: Ja der Oszillator nach TI ist ein RC-Oszillator. Der zusätzliche LC-Schwingkreis im LC-Meter wird vermutlich den freischwingenden RC-Oszillator nur "ziehen".
W.S. schrieb: > _WIESO SCHWINGT DIESER OSZILLATOR ÜBERHAUPT?_ Nochmal zur Ausgangsfrage: Das AADE LC-Meter verwendet einen Relaxations-Oszillator bzw. einen Multivibrator oder eine astabile Kippschaltung. Tietze - Schenk: "Kippschaltungen sind mitgekoppelte Digitalschaltungen. Sie unterscheiden sich von den mitgekoppelten Linearschaltungen (Oszillatoren) dadurch, dass ihre Ausgangsspannung sich nicht kontinuierlich ändert, sondern nur zwischen zwei festen Werten hin und her springt. ... Eine astabile Kippschaltung besitzt keinen stabilen Zustand, sondern kippt ohne aüßere Anregung ständig hin und her." Natürlich ist jede Digitalschaltung bei hoher Zeitauflösung, besonders während der Umschaltung, auch eine Analogschaltung. Aber die Funktionsweise einer astabilen Kippstufe lässt sich nicht unbedingt am besten mit der gleichen Methode wie bei Oszillatoren (Phasenverschiebung) erklären.
Hallo W.S., habe mal die Orginalschaltung nach TI aufgebaut und die schwingt sofort bei mir mit 87,25kHz. Dann habe ich mal so wie in der Orginal LC-Meterschaltung am Pin2 des LM311 einen Koppelelko von 10µF eingelötet. Schließe ich jetzt zwischen diesem Elko und GND den Prüfling, also ein C oder eine Spule an, so verändert sich die Frequenz deutlich messbar. Also wird die Grundfrequenz vom Prüfling messbar "gezogen". Ich habe das Ganze mit C#S zwischen 56pF und 220µF (jeweils der aufgedruckte Wert) ausprobriert. In wieweit diese Frequenzänderung sinnvoll zur Bestimmung einer unbekannten Kapazität bzw. Induktivität einsetzbar kann ich natürlich nicht sagen. Da müßte man wirklich mal ein paar Messreihen machen. Prinzipiell würde es aber funktionieren. Bleibt noch die Frage warum es mit einem Komperator IC offensichtlich zu funktioniert, während es mit einem als Komperator geschalteten OPV nicht so ohne weiteres geht. Offensichtlich hängt es daran das der OPV eher auf ein lineares Verhalten getrimmt ist, wodurch er nicht so steile Umschaltflanken erreicht, wie ein Komperator.
von Alexander S. schrieb: >Nochmal zur Ausgangsfrage: Das AADE LC-Meter verwendet einen >Relaxations-Oszillator bzw. einen Multivibrator oder eine astabile >Kippschaltung. Sehe ich nicht so, ein Relaxtions-Oszillator besteht aus einen invertierenden Schmitt-Trigger und einen Kondensator der ständig auf und entladen wird, so wie man es zum Beispiel mit den NE555 machen kann. Die Schaltung hier oben ist nichtinvertierend. Siehe hier, Schaltbeispiel für den 555 im astabilen Modus: https://de.wikipedia.org/wiki/NE555 von W.S. schrieb: >Der Oszillator soll so beschaffen sein, daß er von >rund 1 MHz bis herunter auf wenige kHz schwingt. Ist nicht möglich, der Oszillatorschwingkreis hat dann irgendwann immer eine so schlechte Güte, daß er nicht mehr schwingt. Mach mehrere Meßbereiche mit mehreren Oszillatoren. Eine Spule die im NF-Bereich noch eine einigermaßen gute Güte haben soll, geht nur mit einem großen Ferritschalenkern dicken Draht und vielen Windungen. Die geht aber wiederum nicht mehr im MHz-Bereich weil dann die parasitäre Kapazität der Wicklung stört. von W.S. schrieb: >Nein, das ist bei KEINEM Oszillator so, sondern: Ist eben doch so, du schreibst es ja selber: >aller Phasendrehungen von Netzwerken und >Verstärkern 360° bzw. 0° ist. Und genau das ist Gleichphasigkeit.
Günter Lenz schrieb: > Ist nicht möglich, der Oszillatorschwingkreis hat dann > irgendwann immer eine so schlechte Güte, daß er nicht > mehr schwingt. Mach mehrere Meßbereiche mit mehreren > Oszillatoren. Ähem... ich hatte vor vielen Jahren eben dieses AADE-LC-Meter nachgebaut und seitdem in Benutzung - allerdings eben mit meiner oben gezeigten Änderung, ohne die das Ganze nicht schwingt. Im Original sieht das wie die eierlegende Wollmilchsau aus: siehe dort: https://pe2bz.philpem.me.uk/Comm01/-%20TestEquip/-%20Tester-NonActiveDevice/Cl-251-IndCap-MeterKit/lc-meter-project.htm Specifications RANGE .001 mH (1 nH) to 100 mH (most units measure to 150 mH) .010 pF to 1 mFd (most units measure to 1.5 uF) Accuracy: 1% of reading Typical Ich lese mal das ".010 pF to 1 mFd" zu 0.1pF bis 1µF, alles Höhere wäre doch recht utopisch, da müßte der Oszillator von 1 MHz herunter bis tief in den NF-bereich hinein. Nun, mein Eigenbau erreicht nicht die Meßbereichsenden, die im Original behauptet werden. Das stört mich - mal rein aus prinzipiellen Gründen. Für kleine C ist das Ding jedoch unschlagbar. Wer in HF unterwegs ist, hat oftmals den Bedarf, zu unterscheiden, ob er einen 2.2pF oder 3.9pF auf der Pinzette hat. Siehe auch der verlinkte Thread, wo sich eine Menge recht unterschiedlicher Beiträge zeigen. Manche sind mit dem Ding so lala zufrieden, andere klagen, daß ihr in China gekauftes Exemplar sich miserabel benimmt und so weiter. Ich hab deshalb das Ganze jetzt noch einmal aufgewärmt und mit verschiedenen käuflichen Spulen durchgetestet, um diesem ganzen Spuk mal auf den Grund zu gehen. Und da ist mir eben aufgefallen, daß die originale Schaltung eigentlich NICHT schwingen dürfte, es sei denn, hier spielen Nebeneffekte eine Rolle, wie z.B. einige pF Schaltungskapazität an einer kritischen Stelle im Layout. Ansonsten: Relaxationsoszillatoren beruhen auf Hysterese, siehe NE555. Eine Schwelle zum einschalten, eine andere zum Ausschalten. Und: >Nein, das ist bei KEINEM Oszillator so, sondern: Ist eben doch so, du schreibst es ja selber: Nein, ich schrieb etwas anderes. Die 360° müssen aus dem LC (oder RC) Netzwerk herkommen, denn sie dürfen nur für eine bestimmte Frequenz gelten. Überlege mal, wie das wäre, wenn die besagte Gleichphasigkeit NICHT aus dem Schwingkreis käme. Dann würde sie für alle Frequenzen gelten - und folglich müßte so ein Oszillator gleichverteiltes Rauschen liefern oder in der Praxis einfach in den Anschlag rennen, denn DC gehört ja auch dazu. Nein, die Gleichphasigkeit muß durch das LC/RC-netzwerk hindurch erzielt werden und nicht vom OpV-Ausgang per 100kOhm direkt an den Eingang. Nochwas: Ich hab eben mal den Schwingkreis des LC-Meters gewobbelt. Ohne Prüfling, aber mit der originalen Beschaltung ringsumher. Siehe Bild. Die Güte des Ganzen ist eher lausig, sie liegt bei etwa 10..12 je nach Spule. Die Bilder von den anderen Spulen und auch die mit Prüflingen von 68nF und 220nF sehen prinzipiell genau so aus, die Güten sind alle so um die 10. Mal sehen, wenn ich Lust drauf habe, baue ich die Schwingkreise mal völlig separat auf und wobble die dann mal ohne Ballast ringsumher durch. W.S.
W.S. schrieb: > Ich lese mal das ".010 pF to 1 mFd" zu 0.1pF bis 1µF, alles Höhere wäre > doch recht utopisch, da müßte der Oszillator von 1 MHz herunter bis tief > in den NF-bereich hinein. Das wird doch im Link erklärt: "For the nominal values of L1 (68 m H) and C1 (680 pF) an increase in L of 1 nH (.001 m H) or an increase in C of .01 pF produces a frequency change of slightly more than 5 Hz. A 0.2 second measuring period can resolve 5 Hz and therefore .001 m H or .01 pF. " Wobei das die Auflösung und nicht die Genauigkeit beschreibt.
Alexander S. schrieb: > Wobei das die Auflösung und nicht die Genauigkeit beschreibt. Mein Lieber, ich habe so ein Teil und weiß, daß man damit problemlos kleine C mit Auflösung von 0.01pF messen kann - aber erstens ist das nicht das Thema und zweitens halte ich 0.01pF für etwas überzogen. Eine angezeigte Auflösung von 0.1pF finde ich hingegen OK. Das Problem ist die obere Grenze. Da erscheint mir 1µF als Bereichsendwert schon einigermaßen gewagt. Mein Gerät kann bestenfalls noch 220nF messen, aber immerhin ist das mehr als 6 Zehnerpotenzen über der technisch möglichen Auflösung. Ich rede hier auch nicht von der Genauigkeit, denn die kann man bei Vorhandensein von Kurzzeit-Stabilität kalibrieren, was ja im Gerät auch gemacht wird. Davor gesetzt ist, ob der Oszillator überhaupt so stabil wie benötigt zum Schwingen gebaracht werden kann, wenn man mal einen 470nF oder größer anschließt. W.S.
Hallo, ich habe die AADE LC-Meter Schaltung mit LM311 in LTspice simuliert. Mit L = 68 µH und C = 680 pF erhalte ich ein schönes Rechtecksignal mit 734 kHz (T = 1.362 µs) in LTspice gemessen und 740 kHz berechnet aus L und C. Die Simulation ist mit .startup (Ramp der Versorgung) gemacht. Das Modell ist von der TI Seite https://www.ti.com/product/LM311
Alexander S. schrieb: > ich habe die AADE LC-Meter Schaltung mit LM311 in LTspice simuliert. OK, beim Rampup der Versorgung fängt das Teil an zu schwingen. Das ist erstmal schön, aber die Frage bleibt: warum? Mir ist inzwischen beim LMH6642 etwas anderes aufgefallen, was in einem neueren PDF von TI drin steht, in meinem viel älteren PDF aber nicht: Zitat: " Further protection of the inputs is provided by the two resistors (R in Figure 54), in conjunction with the string of anti-parallel diodes connected between both bases of the input stage. The combination of these resistors and diodes reduces excessive differential input voltages approaching 2V be . This occurs most commonly when the device is used as a comparator (or with little or no feedback)" Den LMH6642 kann man also tatsächlich als Komparator benutzen, aber NUR DANN, wenn E+ und E- weniger als 2 Volt auseinander liegen. Das ist ein deutlicher Unterschied zum LM311, bei dem der Spannungsunterschied zwischen E+ und E- riesengroß werden kann. Gut, da sind wir ein Stückchen weiter. Nochwas: bei TI gibt es auch ein PSpice Modell für den LMH6642. Kannst du den mal testeshalber in deine Simulation einbauen? W.S.
W.S. schrieb: > Kannst du den mal testeshalber in deine Simulation einbauen? Evtl. heute Abend nach der Arbeit.
Hallo, anbei erst noch einmal die Simulation der AADE LC-Meter Schaltung mit LM311 erweitert um die Spannungen an Vin+ (blau), Vin- (rot) und (Vin+ - Vin-) (türkis). Einmal mit startup (Rampe der Versorgung von 0 auf 5V) und einmal ohne startup (Versorgung gleich zu Beginn auf 5V). Kurioserweise liegt Vin- im ersten Fall auf 0 V und im zweiten Fall auf ca. 2.45 V. Ein unterschiedliches Verhalten hätte ich nur während der Einschwingphase erwartet.
Naja, dein 2. Bild startet ab 18µs und da kann man nicht mehr das Startverhalten sehen. Dein 1. Bild startet erst ab 171µs. also viel später und da sieht man zumindest das Ende vom Anschwingen. Im Grunde ist es beim Einschalten ja so: VCC kommt und damit fließen erstmal 2 Ströme: 1. Strom: R4..C2..L1|C3 2. Strom: R5..R2..C1 Nach ein paar Nanosekunden hat sich U1 gerappelt und da entscheidet dann U1, ob der zweite Strom überhaupt fließt. Wie schnell geht das am Anfang? Nun, R5..R2 sehen 10µF gegen Masse und der braucht viel Zeit, um sich aufzuladen. R4 sieht zuerst nur L1|C3, dabei fließt der Strom erst mal in C3 und der ist nur 680pF klein. Deshalb geht die Spannung Vin+ zu allererst viel schneller in die Höhe als Vin-. Der Ausgang von U1 wird also High sein und Strom 2 fließt und lädt C1 auf. Nach 1/4 der Periodendauer des Schwingkreises L1|C3 (also etwa 250..300ns) ändert sich das aber, da fängt L1 an, Strom zu ziehen und entlädt C3 wieder. Also geht die Spannung über L1|C3 zurück und Vin+ nähert sich wieder Vin-. Das alles ist aber im Bereich der Offsetspannung, also examplarabhängig. Man sollte also ganz am Anfang einen High-Impuls am Ausgang von U1 sehen, Länge so etwa um die 300 ns. Danach haben wir ein konkurrierendes Aufladen von C1 und C2. C1 wird über R4 auf- und R3 entladen und dazu kommt noch der wechselnde Einfluß von R1, also stellt sich das als eine Einschwingrampe von 0 nach VCC/2 über einen effektiven Widerstand von 50kOhm an 2.5V dar (2x100k in Reihe). Strom 2 wird über 48k aufgeladen (47k+1k), aber das nur dann, wenn der Ausgang high ist - und das ist anfangs abhängig von der Offsetspannung des U1, weil die durch den ja recht kleinen allerersten Anstoß eben kleine Schwingspannung des Schwingkreises für Vin+ nur einen kleinen Vorlauf gewährt. Danach ziehen beide Spannungen so ziemlich gleich hoch. Fazit: man sollte also an beiden Eingängen E+ und E- eine Rampe sehen, die nach VCC/2 einschwingt. Dabei sollte die Rampe am E+ irgendwann in der Simulation mit Schwingen einsetzen, sobald der Unterschied zwischen E+ und E- der Offsetspannung entspricht und damit der U1 in den aktiven Bereich kommt. Ich kann aber in deiner Simulation diese Rampe nicht sehen. Abgesehen davon ist mir dieses Schwingen noch immer nicht erklärlich, denn der Ausgang von U1 zieht ja immerzu in die Richtung, die dem Vorzeichen der Schwingkreisspannung entspricht und damit beschleunigt er im 1. und 3. Quadranten, bremst aber genauso stark im 2. und 4. Quadranten - und dieses Verhalten ist schlichtweg frequenzunabhängig, weil der Strom direkt auf den Eingang des Verstärkertraktes kommt. Bei anderen Oszillatoren ist zwischen Ausgang des Verstärkers und Eingang immer eine Impedanz, die eine Phasndrehung bewirkt oder es ist eine "negativer Widerstand"-Schaltung, die aber analog arbeiten muß. Hier aber nicht - und deine Simulation schwingt dennoch. Merkwürdig. W.S.
W.S. schrieb: > Naja, dein 2. Bild startet ab 18µs und da kann man nicht mehr das > Startverhalten sehen. Hallo W.S., am Anfang oszilliert Vin+ noch nicht. Da der Bereich vom Start bis zum Einschwingen recht gross ist, habe ich den Beginn nicht gezeichnet. Im Anhang ist die Startphase ohne nostart.
Hallo, nach der Simulation hier noch die Messungen am realen Objekt. Jeweils der Col_out und In_plus des LM311 (Pin 7 und 2) im AADE LC-Meter. Erst ohne C, dann mit 1 µF C. Separate Bilder, da ich mit den Klemmhaken schlecht an das IC gekommen bin. Das Bild des AADE LC-Meter ist nicht von heute. Dewegen ist eine Spule und kein Kondensator angeschlossen.
Hallo, und hier noch die LTspice Simulation ohne startup mit C3 = 1 µF. Die Frequenz ist ca. 19 kHz und die Amplitude an Vin+ geht gegen Null.
Naja, genau dieses Verhalten habe ich auch bei meinem Gerät (das mit dem OpV drin) beobachtet. Die Schwingamplitude geht so ab 220nF derart in die Knie, daß sie bei irgendwas zwischen 220nF und 1µF im Rauschen verschwindet. Bin grad am Überlegen, wie sich das Ganze benehmen würde, wenn man aus dem Original-Oszillator einen umgedrehten Clapp machen würde. Also L bestehend aus 3 Induktivitäten in Reihe: von GND aus 10µH, dort auch mit dem OpV/Komparator-Ausgang zur Erregung angreifen, vom da aus weitere 10µH bis zum E+, von da aus weitere 47µH bis zum Schwingkreis-C. Der 'richtige' Clapp hat ja 1x L und dafür 3x C in Reihe. W.S.
W.S. schrieb: > Die Schwingamplitude geht so ab 220nF derart in die Knie, Ja, die Amplitude am Eingang. Beim AADE LC Meter mit LM311 Komparator reicht das aber noch für die vollen 4.6 V am Ausgang. Der oszilliert von 680 pF bis 1 uF bzw. von 740 kHz bis 20 kHz.
W.S. schrieb: > Nochwas: bei TI gibt es auch ein PSpice Modell für den LMH6642. Kannst > du den mal testeshalber in deine Simulation einbauen? Hallo W.S., mit den Parametern der Original AADE LC-Meter Schaltung oszilliert die Schaltung mit dem LMH6642 nicht. Mit startup (Rampe Versorgung) geht der Ausgang in 20 us von 0 auf 5 V, ohne startup ist er konstant 2.5 V. Ich will nicht auschließen das noch ein Fehler enthalten ist, aber eigentlich habe ich nur die Pins im Symbol geometrisch verschoben. Die Zuordnung im Modell ist * PINOUT ORDER -IN +IN VCC VEE OUT * PINOUT ORDER 2 3 7 4 6 Evtl. passen einfach die Parameter der Widerstände nicht. Zu viel Zeit möchte ich aber eigentlich nicht da rein stecken. P.S. LTspice ist kostenlos, läuft unter Windows und Linux (mit wine) und ist meiner Meinung nach intuitiv zu bedienen. Es gibt gute Anleitungen im www und die Leute hier im Forum helfen gerne. Enthalten sind allerdings hpts. Bauteile von LT und AD. Das Einbinden von Modellen anderer Hersteller ist aber auch nicht so schwer, solange sie nicht verschlüsselt sind.
Hab heute den Simulator angeworfen und bin zu demselben Ergebnis gekommen. In der Realität ist die obere Grenze je nach Exemplar ein Stück unterhalb von 1 µF. Dasselbe Ergebnis hatte ich mit OpV und meiner "Anschwinghilfe". Von da her sieht das Ganze wirklich so aus, daß bei rund 1 µF mit diesem Oszillator Schluß ist. Ach ja, ich hatte noch andere Komparatoren beim Simulieren ausprobiert. Keine Chance auf Schwingung. Nur bei einem von AD, der offenbar ein Drop-In für den LM311 ist, ging das. Seltsam! Und: Die Idee vom umgedrehten Clapp-Oszillator hab ich auch mal simuliert, die ging auch mal eben so, aber auch nicht wirklich so, daß man das gebrauchen will. Irgendwie nervt das. Es muß doch etwas geben, was man tatsächlich mit ordentlicher Amplitude als Oszillator für so einen breiten Frequenzbereich nehmen kann! Und warum dieser LM311 schwingt, ist noch immer eigenartig. W.S.
Alexander S. schrieb: > mit den Parametern der Original AADE LC-Meter Schaltung oszilliert die > Schaltung mit dem LMH6642 nicht. Mit startup (Rampe Versorgung) geht der > Ausgang in 20 us von 0 auf 5 V, ohne startup ist er konstant 2.5 V. Ich > will nicht auschließen das noch ein Fehler enthalten ist, Nö, da hast du keinen Fehler gemacht. Das ist so in der Realität und auch in der Simulation. Aber mit dem zusätzlichen R+C Glied geht das. Aber eben nicht besser als im Original. W.S.
Aktualisierung: Mit anderen C's und L schwingt sie (siehe Anhang, Sim ohne startup).
von W.S. schrieb: >Und warum dieser LM311 schwingt, ist noch >immer eigenartig. Weil das im Prinzip ein Franklin-Oszillator ist. Den gab es schon, als es noch keine ICs gab, mit Röhren. Siehe hier: https://de.wikipedia.org/w/index.php?title=Franklin-Oszillator Oder schau mal hier, da ist sie wieder, deine Schaltung, Seite 11. https://home.zhaw.ch/~kunr/ASV/scripts/ASV%20FS2009%20Oszillatoren_2009.pdf
W.S. schrieb: > Es muß doch etwas geben, was man tatsächlich mit > ordentlicher Amplitude als Oszillator für so einen breiten > Frequenzbereich nehmen kann! Natürlich gibt es das, es wurde dir oben verlinkt und ignoriert. Beitrag "Re: Nochmal LC-Meter nach AADE: dessen Oszillator" Die Schaltung kann man natürlich auch mit OPV aufbauen, ist ganz einfach und schwingt von > 0Hz bis soweit der Verstärker erlaubt. Habe es mit einem LM6171 aufgebaut und die macht bis etwa 50MHz.
W.S. schrieb: > Aber mit dem zusätzlichen R+C Glied geht das. > Aber eben nicht besser als im Original. Der Vollständigkeit halber hier noch die Simulation mit LMH6642 und zusätzlichem R-C-Glied in der Rückkopplung und sonst den AADE LC-Meter Werten.
Alexander S. schrieb: > aber eigentlich habe ich nur die Pins im Symbol geometrisch verschoben. Hallo, schon gestern bin ich darüber gestolpert, bin aber gerade zu faul LTSpice anzuschmeißen. Sicherheitshalber: welches elektrische Modell des LMH6642 hast Du verwendet (oder wieso die Pins neu zugeordnet)?
Elliot schrieb: > Die Schaltung kann man natürlich auch mit OPV aufbauen. Dann stellt sich doch die Frage, wieso ist in allen Schaltungen (auch in den LC-100A in diversen Varianten) immer der LM311 enthalten? Ich habe auch ein LC-100A. Der Oszillator hat ja generell Probleme in bestimmten Bereichen zu schwingen. Elliot schrieb: > mit OPV aufbauen, ist ganz einfach und schwingt von > 0Hz bis soweit der > Verstärker erlaubt. Habe es mit einem LM6171 aufgebaut und die macht bis > etwa 50MHz.
Mohandes H. schrieb: > Dann stellt sich doch die Frage, wieso ist in allen Schaltungen (auch in > den LC-100A in diversen Varianten) immer der LM311 enthalten? Wovon redest du eigentlich? Ich rede von dieser Schaltung: Beitrag "NICOS – der Negative Impedance Converter - Oszillator" Und die habe ich mit LM6171 gebaut.
Elliot schrieb: > Wovon redest du eigentlich? Ich rede von dieser Schaltung: > Beitrag "NICOS – der Negative Impedance Converter - Oszillator" Hatte ich schon so verstanden. Das ist aber die Ausnahme, sonst sieht man immer nur den LM311 und ich fragte wieso, wenn es bessere OPs gibt die in einem weiteren Bereich schwingen? Kostengründe? Weil einer immer nur vom anderen abschreibt?
Mohandes H. schrieb: > Das ist aber die Ausnahme, sonst sieht > man immer nur den LM311 und ich fragte wieso Es geht hier nicht um den OPV, sondern um die Schaltung an sich. In der Schaltung ganz oben arbeitet der OPV (Komparator) ohne definierte Verstärkung, sondern mit Leerlaufverstärkung. Die Gegenkopplung ist nämlich für Wechselspannungen mit dem RC-Glied am -Eingang aufgehoben. Beim NICOS ist aber eine von DC...Grenzfrequenz konstante Verstärkung von 2 eingestellt.
Elliot schrieb: > Es geht hier nicht um den OPV, sondern um die Schaltung an sich Das ist mir schon klar ... hilft alles nix, ich werde doch mal LTSpice anschmeißen, denn so richtig verstehe ich auch nicht wie dieser Oszillator funktioniert.
Mohandes H. schrieb: > sonst sieht > man immer nur den LM311 und ich fragte wieso, wenn es bessere OPs gibt > die in einem weiteren Bereich schwingen? Kostengründe? Weil einer immer > nur vom anderen abschreibt? Ja. das schiere Abschreiben ist einer der Hauptgründe. Es gibt auch noch andere Nachbauten, die hardwaremäßig modifiziert sind und die z.T. selbst den LM311 einsparen und ihn durch eine eingebaute Peripherie des PIC ersetzen, siehe PDF. Das ist eine ungarische Entwicklung. Aber ich hab jetzt ne Weile drüber nachgedacht und komme zumindest zu einer Erklärung, WARUM das LC-Meter so funktioniert, wie es eben funtioniert. Dazu habe ich die Schaltung mal etwas umgezeichnet und nur sie relevanten Teile drin gelassen. Also: 1. Stellen wir uns vor, die Spannung am Schwingkreis geht gerade durch die Nullinie hindurch. 2. Der Verstärker (mal wertfrei, egal ob OpV oder Komparator) geht also sofort auf den Endanschlag, wo die Spannung am Schwingkreis hinzeigt. 3. Jetzt speist R einen Strom in den Schwingkreis ein. 4. Dieser Strom lädt C auf, denn der Strom durch L kann ja bekanntlich nur langsam je nach L ansteigen. Folglich steigt die Spannung am Schwingkreis an, der Strom durch R wird damit geringer und der Strom durch L steigt an. 5. Irgendwann übernimmt L der ganzen Strom, der vom R her kommt, die Spannung am Schwingkreis stagniert und geht dann wieder zurück, weil L beginnt, C zu entladen. Wir haben damit das erste Viertel der Sinus-Schwingung hinter uns. 6. L entlädt C immer weiter, aber der Strom durch L wird gebremst dadurch, daß R ja immer noch nach "oben" zieht - und der Strom, den R abzieht, wird stärker, je mehr die Spannung am Schwingkreis zurückgeht. Was also ist der Unterschied zu einem normalen Schwingkreis und einem normalen Oszillator? Antwort: Bei einem normalen Oszillator kumuliert die Energie, die der Verstärker in den Schwingkreis hinein bringt, so daß die im Schwingkreis herumkreisende Energie viel größer ist als die Energie, die der Verstärker dort bei jeder Schwingung hineinbringt. Das ist zum einen der Grund, weswegen der Oszillator frequenzstabil ist, weil seine Frequenz nur von dem möglichst wenig beeinflußten Schwingkreis abhängt - und zum anderen, daß es irgend eine Amplitudenstabilisierung geben muß, weil die gesamte Verstärkung zum Anschwingen >1 sein muß, aber beim Erreichen einer gewünschten Schwing-Amplitude herabgeregelt werden muß, damit die Amplitude nicht ins Unendliche steigt. Hier bei diesem LC-Meter ist das ANDERS. Hier bringt R zunächst Energie in den Schwingkreis ein, zieht sie aber noch in derselben Halbwelle wieder ab. Hier kumuliert also KEINE Energie im Schwingkreis, sondern der Verstärker führt die für jede Halbwelle benötigte Energie eben in dieser Halbwelle zu und zieht sie sogleich auch wieder ab. Das ist der Knackpunkt. Das erklärt auch, warum die Schwingamplitude mit steigendem L größer wird und mit steigendem C kleiner wird. Wenn R am Anfang den C auflädt, dann steigt sie Spannung umso langsamer, je größer C ist. Und je größer L ist, desto langsamer steigt dort der Strom, den L vom Aufladestrom abzweigt. Man kann also durchaus sagen, daß diese Schaltung eher eine Art Rechteckgenerator mit nachgeschaltetem LC-Filter ist. Und damit haben wir schlußendlich die Erklärung, weswegen dieses LC-Meter nur für kleine C benutzbar ist. Die Schwingkreis-Spannung MUSS mit steigendem C kleiner werden und irgendwann wird sie so klein, daß sie im Rauschen und der endlichen Verstärkung untergeht. Noch eine weitere Erkenntnis bezüglich OpV versus Komparator: Für die schiere Funktion sind beide gleich. Es gibt aber einen Unterschied, jedenfalls bei vielen OpV's: oftmals sind E+ und E- gegeneinander mit zwei antiparallelen Dioden oder andersweitig geklemmt. Schließlich erwarten die Hersteller von OpV's, daß diese im aktiven Bereich betrieben werden, und damit ist die Spannung zwischen E+ und E- regelmäßig sehr klein. So eine Klemmung wird bei Komparatoren NICHT gemacht, weswegen die Spannung zwischen deren E+ und E- auch groß werden darf, ohne daß da plötzlich eine Art Shunt auftritt. W.S.
von W.S. schrieb: >Und damit haben wir schlußendlich die Erklärung, weswegen dieses >LC-Meter nur für kleine C benutzbar ist. Die Schwingkreis-Spannung MUSS >mit steigendem C kleiner werden und irgendwann wird sie so klein, daß >sie im Rauschen und der endlichen Verstärkung untergeht. Nein, die Schwingkreisamplitude hat was mit der Güte und dem Resonanzwiderstand des Schwingkreises und Anpassung zu tun. Die Güte wird mit abnehmender Frequenz immer schlechter und der Resonanzwiderstand immer kleiner. Der Rückkopplungswiderstand bildet mit dem Resonanzwiderstand des Schwingkreises einen Spannungsteiler. Angenommen der Rückkopplungswiderstand ist 100kOhm und der Resonanzwiderstand des Schwingkreises ist auch 100kOhm, dann wird die HF-Spannung die das IC liefert durch zwei geteilt. Also wenn das IC 5V liefert, ist die Schwingkreisamplitude 2,5V. Es herrscht Leistungsanpassung weil Rückkopplungswiderstand und Resonanzwiderstand gleich groß sind. Es geht die maximal mögliche Leistung in den Schwingkreis rein. Wird die Güte und Resonanzwiderstand kleiner wird auch die Schwingkreisamplitude kleiner. Wenn man bei niedrigen Frequenzen die Güte der Spule verbessert, dickeren Draht, größere Bauform der Spule, wird auch die Schwingkreisamplitude wieder größer.
Günter Lenz schrieb: > Angenommen der Rückkopplungswiderstand > ist 100kOhm und der Resonanzwiderstand des Schwingkreises > ist auch 100kOhm, dann wird die HF-Spannung die das IC > liefert durch zwei geteilt. Ich hab da nochmal drüber nachgedacht, und es ist ein wenig komplizierter, als ich oben geschrieben habe. Du magst das so sehen, aber ich sehe da zusätzlich zu meinem sehr vereinfachten Schaltbild noch etwas: nämlich die vorhandene Bedämpfung. Parallel am Schwingkreis liegen 2x 100kOhm, macht 50kOhm an Bedämpfung - und angeregt wird der Schwingkreis mit 1x 100kOhm. Dann ist es auch wurscht, ob der Resonanzwiderstand 100kOhm ist oder nicht, die Bedämpfung ist erheblich und muß, wenn man's ganz gründlich machen will, in die Betrachtungen einbezogen werden. Aber mal ganz einfach formuliert, so wie ich das jetzt sehe: Diesen Oszillator kann man nicht verbessern, so daß er für einen größeren C-Bereich benutzbar ist. W.S.
Sprut hat in seinem Projekt scheinbar auch auf diese Schaltung aufgebaut und nur wenig geändert. Ein bischen beschreibt er auch wie es funktioniert. https://www.sprut.de/electronic/pic/projekte/lcmeter/lcmeter.htm
PingBack schrieb: > Sprut hat... .. im Internet gesucht und nachgebastelt und dabei die originale Schaltung ohne Änderungen verwendet. Er hat diese Schaltung auch nicht weiter untersucht, sondern eher Vergleichsmessungen von Anderen herangezogen und daraus eigenartige Schlüsse gezogen. Siehe das folgende Zitat. Zitat: "Karl Rainer B. (vielen Dank) hat die Messergebnisse seines LC-Meter-Nachbaus mit den Messergebnissen einer hochwertigen LC-Messbrücke verglichen, und festgestellt, das der Messfehler seines LC-Metern mit steigender Kapazität des Prüflings stark anstieg, und bei 2 uF fast 8% erreichte. Die Ursache lag darin begründet, dass die Messung durch Frequenzveränderung des Oszillators erfolgt, und die im Oszillator eingesetzten Kondensatoren und Spulen Werte haben, die etwas frequenzabhängig sind. Auch die schlechte Qualität der Schwingkreisspule wirkte sich negativ aus." Das ist mit Verlaub ein wenig unrichtig. Ich will mal absehen davon, daß es für ihn ein Glücksfall ist, daß sein Gerät tatsächlich überhaupt bis 2µF kommt, ohne auszusteigen. Ebenso auch davon, daß er den Urheber der ganzen Konstruktion Neil Hecht nicht kennt. Aber die Abweichungen der Frequenz dieses Oszillators liegen beileibe NICHT an schlechten oder gar frequenzabhängigen Kondensatoren oder Spulen. Die Abweichungen liegen darin, daß dieser Schwingkreis arg bedämpft ist und die Frequenz des Ganzen eben nicht nur von L und C abhängt, sondern eben auch von den Widerständen am Schwingkreis. Das ist der Knackpunkt. Sämtliche Profis und Funkamateure vergangener Jahrzehnte trachteten danach, in ihren Oszillatoren den Einfluß des Verstärkers auf den Schwingkreis so klein wie nur irgend möglich zu machen und die Energie, die im Schwingkreis oszilliert, so groß zu machen wie nur möglich, damit eben die Frequenz herauskommt, die sich aus L und C ergibt. Das Problem hier bei diesem LC-Meter ist ganz offensichtlich, daß dieser Oszillator für einen sehr weiten Frequenzbereich geeignet sein soll. Ich bin grad am Überlegen, wie weit man mit einem klassischen Hartley kommen kann. W.S.
W.S. schrieb: > Die Abweichungen liegen darin, daß dieser Schwingkreis arg bedämpft ist > und die Frequenz des Ganzen eben nicht nur von L und C abhängt, sondern > eben auch von den Widerständen am Schwingkreis. Wie kann sich da die Frequenz ändern? Wenn ich ein L-C-System mit fo habe, dann ändern zusätzliche Widerstände nur die Güte des Systems, nie die Frequenz.
W.S. schrieb: > Das Problem hier bei diesem LC-Meter ist ganz offensichtlich, daß dieser > Oszillator für einen sehr weiten Frequenzbereich geeignet sein soll. Ein Ansatz könnte auch der Oszillator in (Grid-) Dipmetern sein: dort schafft eine Triode oder ein JFET einen weiten Bereich von ca 1 ... 150 MHz, nur durch Umschalten einer Spule. Könnte man vielleicht auch umdimensionieren für das LC-Meter.
Mohandes H. schrieb: > Wie kann sich da die Frequenz ändern? Wenn ich ein L-C-System mit fo > habe, dann ändern zusätzliche Widerstände nur die Güte des Systems, nie > die Frequenz. Ähem, nein, da liegst du falsch. Probier's ruhig mal an der Originalschaltung aus, indem du den Mitkopplungswiderstand mal so etwa von 82k bis 120k veränderst und dabei die erzeugte Frequenz mißt. W.S.
Beitrag #6640297 wurde von einem Moderator gelöscht.
von Mohandes H. (Firma: مهندس) schrieb: > dort >schafft eine Triode oder ein JFET einen weiten Bereich von ca 1 ... 150 >MHz, nur durch Umschalten einer Spule. Wenn man zwischen mehreren Spulen umschaltet, schaft das sein Oszillator auch. Hatte ich schon vorgeschlagen, also mehrere Meßbereiche machen. Das will er aber nicht, er will es mit nur einer einzigen Spule machen. Wenn man sich so Meßgeräte anschaut die industriell hergestellt sind, RCL-Meßgeräte oder sonstwas für Meßgeräte, die haben alle umschaltbare Meßbereichche, da wird daß nie mit nur einen Meßbereich gemacht.
Beitrag #6640384 wurde von einem Moderator gelöscht.
Beitrag #6640502 wurde von einem Moderator gelöscht.
Beitrag #6640863 wurde von einem Moderator gelöscht.
Das ist trotzdem falsch, Du hast nicht genau genug gemessen... Wenn man die R-L-C-Differentialgleichung GENAU (also ohne Vereinfachung) löst, erscheint ein weiteres Glied unter der Wurzel, das die Frequenz etwas verringert. Das wäre sonst auch gegen das Energieerhaltungsgesetz. Die Formel ist im Wikipedia zu lesen: https://de.wikipedia.org/wiki/Schwingkreis Ohne höhere Mathematik kann man das überprüfen, wenn man die Formel in Calc/Excel hackt und den Widerstand variiert. Die Frequenz wird etwas kleiner, in Abhängigkeit vom Verlustwiderstand.
W.S. schrieb: > Ähem, nein, da liegst du falsch. Probier's ruhig mal an der > Originalschaltung aus ... Ok, da habe ich vielleicht zu kurz gedacht. Nach meinem Verständnis bestimmen nur L und C die Frequenz, aber: Werner H. schrieb: > Wenn man die R-L-C-Differentialgleichung GENAU (also ohne Vereinfachung) > löst, erscheint ein weiteres Glied unter der Wurzel, das die Frequenz > etwas verringert. Das schreit danach, in einer Simulation auszuprobieren. Wie stark ist der Effekt bei dem vorliegenden Oszillator? (Werde ich machen, bin aber gerade dabei einen Fender-Röhrenamp mit LTSpice möglichst komplett und exakt zu simulieren (werde ich dann auch ins Analogforum stellen) und habe den Hang mich an zu vielen Baustellen zu verzetteln).
Beitrag #6641027 wurde von einem Moderator gelöscht.
Beitrag #6641045 wurde von einem Moderator gelöscht.
Beitrag #6641066 wurde von einem Moderator gelöscht.
Mohandes H. schrieb im Beitrag #6641045:
> die Thompsonsche Schwingungsgleichung...
Diese mit p kommt jedoch aus der "Wohnungspflege"... :-D
Michael M. schrieb: > Mohandes H. schrieb: > >> die Thompsonsche Schwingungsgleichung... > > Diese mit p kommt jedoch aus der "Wohnungspflege"... :-D Uhh ... kam mir beim Schreiben schon seltsam vor. Hasi Goreng schrieb im Beitrag #6641066: > Mit Oszi und Frequenzmesser. Naja, mit einem Oszi ist die Freq.-Messung nicht sonderlich genau. Frequenzzähler natürlich schon. > Ich bin kein Freund von Simuliererei und der Suche nach nicht > vorhandenen Haaren in der Suppe. Das sagst Du. Hier geht es ja um kleine Frequenzänderungen wenn der Oszillator durch das Testobjekt verstimmt wird. Oszilloskope nutze ich auch schon ein paar Jahrzehnte, LTSpice erst seit kurzem. Und langsam fange ich an, die Vorzüge einer guten Simulation schätzen zu wissen. Simulation ist das eine, die Praxis das andere. Beides hat ihre Berechtigung. Hier geht es ja darum, die Ursache eines offensichtlichen Meßfehlers herauszufinden. Das LC-Meßgerät wird in Bereichen ungenau oder die Schwingung setzt ganz aus. Da ist Spice eine gute Möglichkeit sich an die Sache heranzutasten! Wieso wird überhaupt ein Oszillator mit dem LM311 verwendet? Wieso nicht ein 'normaler' 3-Punkt-Oszillator a la Hartley oder Colpitts? Von der Mathematik (Verstimmung eines Oszillators durch das Meßobjekt) ist die Art des Oszillators unwichtig. Er muß nur über einen weiten Bereich schwingen. Werner H. schrieb: > Wenn man die R-L-C-Differentialgleichung GENAU (also ohne Vereinfachung) > löst, erscheint ein weiteres Glied unter der Wurzel, das die Frequenz > etwas verringert. Das lese ich mir heute Abend in Ruhe durch. Bisher war ich der Meinung, daß die Frequenz ausschließlich durch L und C bestimmt wird. Auch wenn der Effekt klein ist - er ist da (und kann dann auch durch Optimierung des Oszillators verbessert werden).
Mohandes H. schrieb: > Wieso wird überhaupt ein Oszillator mit dem LM311 verwendet? Wieso nicht > ein 'normaler' 3-Punkt-Oszillator a la Hartley oder Colpitts? Ich schätze, die Erklärung dafür ist einfach: Der Urheber eben dieses LC-Meters (AADE = Almost All Digital Equipment, das war Programm!) hatte ohnehin einen digitalen Ausgang benötigt, um die Frequenz mit einem PIC16F84 messen zu können. Das wird wohl der Hauptgrund gewesen sein. So, ich wollte ja mal den Hartley ausprobieren. Siehe Bilder, gemacht mit MicroCap. Da ich dort nix gefunden habe, um L und C mit Güten zu versehen, habe ich einen Verlust-R in den Schwingkreis eingebaut. Man sieht, daß so bei etwa 2.2 µF das Ende der Fahnenstange erreicht ist. Der Oszi schwingt trotz der Kleinheit des Rverlust von nur 80mOhm nur mühsam an. Naja, aber wenn er denn schwingt, gibt es auch ne ordentliche Amplitude - wenigstens im Simulator. W.S.
Beitrag #6641333 wurde von einem Moderator gelöscht.
Noch eine pfiffige Anwendung unter Ausnutzung der Frequenzverstimmung habe ich bei einem industriellen Argon-Plasma-Gerät erlebt. ICP (Inductive Coupled Plasma) für die Spurenanalyse in der anorganischen Chemie. Hier wird ein feiner Nebel der Lösung durch ein heißes Argonplasma geblasen und Emissionslinien werden oberhalb quantitativ vermessen. Die Anregung erfolgte mit einem 27-MHz-Sender üblicher Bauart in einer gekühlten Arbeitsspule mit 3 - 4 Windungen bei 1-2 kW. Das brennende Plasma ist ein glühender Ring mit wenigen Ohm Widerstand und belastet die Arbeitsspule stark. Ein nicht brennendes Plasma belastet überhaupt nicht. Deshalb braucht man ein schnell reagierendes Pi-Filter für die Anpassung. Mit der nötigen Phasen- und Amplitudenmessung für 2 kW ist das ganz schön groß und aufwendig, also teuer. Das Zünden des Plasmas erfolgt durch Funken-Ionisation. Bei einem Low-Cost-Gerät (= High Profit) etwa ab 1990 haben die Entwickler von Amateurfunkern (ARRL) abgeschaut. Der Sender hatte außer einer Sendetriode (Eimac 1000 H) Schwingkreise und Kondensatoren aus Blechstreifen und nur wenige Keramik-C für die Grundabstimmung. Statt eines Drehkos wird ein Teil eines Blechstreifens verbogen. Da man durch komplette Abschirmung von Sender und Arbeitsspule auch das 27-MHz-Band verlassen konnte, arbeitete man jetzt irgendwo um 40 MHz. Durch einfache Rückkopplung entstand ein freischwingender Leistungsoszillator (1-2 kW!). Wegen der Frequenzverstimmung durch Belastung gelang so ein stabiler Betrieb des Senders ungezündet (hohe Impedanz) und gezündet (niederohmig) ohne weitere Anpassungsmimik. Der ursprüngliche Entwurf mußte nur einmal richtig durchgerechnet und durchprobiert werden, dann ging er in die Fertigung. Die Kiste war natürlich anfällig gegen Röhrenalterung, bei 1 - 2 Jahren Betrieb konnte kein Plasma mehr gezündet werden. Nach einem Röhrentausch lief das meistens wieder richtig (außer die neue Röhre war schlecht). Das war der Firma aber egal, der Kunde trug die Kosten, weil die Röhre ja sowieso von der Garantie ausgenommen war. Die Leistungs-Grundeinstellung erfolgte nach dem Röhrentausch über die Plasma-Helligkeit durch Verbiegen eines Blechs im Anodenkreis. Das überteuerte Helligkeitsmessgerät war nur einmal vorhanden und oft unerreichbar, deshalb wurde die Leistung nach Auge(nschein) eingestellt (Schweißglas im Probenraum). Das ging so gut, daß kaum einer das Meßgerät verwendete, Praxis halt. Heute werden nur noch Halbleitersender in dem Leistungsbereich eingesetzt, habe davon aber keine Unterlagen.
Beitrag #6641770 wurde von einem Moderator gelöscht.
Rinder-Überraschung schrieb im Beitrag #6641770:
> auch wenn das der diensthabende Zensor nicht wahrhaben will
Die Mathematik ist keine nette Dame, sondern eine Tyrannin. Entweder
hält man sich an ihre Regeln oder man wird gnadenlos mit einer
Hausnummer bestraft. Und mit der Physik ist es fast genau so.
Jedes schwingende System - egal ob mechanisch, elektrisch oder sonstwie
- hat einen zyklischen Energiefluß der konservativen Art (also nicht in
Wärme umwandelnd) in sich. Beim elektrischen Schwingkreis ist es die
Ladung des C, die sich zyklisch in das Magnetfeld der L wandelt und
wieder zurück. Beim mechanischen Schwinger ist es der Wechsel zwischen
statischer und dynamischer Energie (Masse und Feder).
So und nun kommt's: Nur ideale Systeme schwingen ewig, reale Systeme
besitzen Reibung irgendwelcher Art, weswegen bei denen Energie zugeführt
werden muß, um die Schwingung aufrecht zu erhalten. Das ist immer eine
Beeinflussung der im Schwinger kreisenden Energie und damit auch immer
eine Einflußnahme auf den zeitlichen Verlauf dieses Kreisens, also
schlußendlich ein Einfluß auf die Schwingfrequenz.
Genau aus diesem Grunde haben Ingenieure wie Clapp, Seiler, Vackar sich
Mühe gegeben, die Energiezufuhr aus einem Verstärker so gut es nur geht
von dem Schwingkreis zu entkoppeln. Das geht letztlich in die Richtung
möglichst großer Güte des Schwingkreises und damit möglichst kleiner
Beeinflussung der Frequenz.
W.S.
Beitrag #6641885 wurde von einem Moderator gelöscht.
So, hier nochmal eine Simulation. Ich habe zum einen den Treiber etwas kräftiger gemacht und zum anderen eine Amplitudenstabilisierung eingebaut, welche die Gatespannung amplitudenabhängig absenkt. Man sieht, daß bei 2.2nF die Wechselspannung am Schwingkreis am Anfang weit über 15Vss hochgeht, sich dann aber auf etwa 10Vss einschwingt. Bei 2.2µF ist der Oszillator kurz vor dem Aussetzen, da läuft die Wechselspannung am Schwingkreis langsam hoch und stabilisiert sich auf etwa 5Vss. Naja, den Verlustwiderstand im Schwingkreis habe ich zu 0.7 Ohm angesetzt, wie realistisch das ist, muß man mal sehen. Bei "nur" 1µF kann der bis zu 2 Ohm ansteigen, bei 470nF dann 5 Ohm - ohne daß die Schwingung abreißt. W.S.
Rinder-Überraschung schrieb im Beitrag #6641885: > Kurzform: Es wird gerade die Energie zugeführt, die zur > Aufrechterhaltung der Schwingung erforderlich ist. Deine Beiträge bestehen zu 100% aus Denkfehlern. Natürlich kann die Einheit, die die Energie zuführt, niemals genau wissen, wieviel denn nötig wäre, das geht nur aus der Beobachtung des schwingenden Dinges - und dazu muß man eben dessen Schwingung verändern. Durch Anschubsen, was die Richtung der originalen Bahn dezent verändert zum Beispiel. Ist ja nicht viel wenn man's richtig macht, aber es ist eben auch nicht nichts. W.S.
Beitrag #6641965 wurde von einem Moderator gelöscht.
Mehr brauchst Du ja auchnicht, "Rinder-Überraschung": > Seltsam ist dabei nur: Meine Schaltungen funktionieren nach dem von mir > genannten Prinzip. das Seltsame und das Diskutierbare ist nicht die Verwendung eines Gummibandes als Maßband. Sondern dass der Schneider damit zufrieden ist. Prof. Rohde hält sogar die Diode am Gate in der Schaltung vom 02.04.2021 12:18 für Pfusch. Weil ihre Leitung "das Gummi" bei der Messung der Schwingfrequenz ist. Aber wem dieser Fehler vertretbar ist, der soll die Vereinfachung genießen. Ciao Wolfgang Horn
Rinder-Überraschung schrieb im Beitrag #6641770: > So, noch mal ... Auch durch ständige Wiederholungen wird eine falsche Aussage nicht wahr. W.S. schrieb: > Jedes schwingende System ... Gute Erklärung W.S. - das ist aber verlorene Zeit. Für ihn ist das scheinbar unumstößliche Wahrheit. Jedem das Seine. Inzwischen habe ich den Original-Oszillator mit dem LM311 unter LTSpice simuliert bekommen, er funktioniert in der beschriebenen Dimensionierung bis etwa 10µF. Die genaue Funktionsweise ist mir allerdings auch nicht klar. Texas Instruments beschreibt ja in den Applikationsschriften einen sehr änlichen Oszillator. Das Hauptroblem scheint tatsächlich zu sein, einen Oszillator zu bauen, der über einen weiten Frequenzbereich schwingt. Daß der LM311 deswegen verwendet wurde weil er ein TTL-Signal liefert, glaube ich weniger. Ein FET am Ausgang eines beliebigen Oszillators tut es auch. Nun bin ich dabei, durchzurechnen inwieweit sich die Güte des Oszillators tatsächlich auf das Endergebnis Cx auswirkt. Die Änderungen von z.B. 1nF (555.793 Hz) zu 1nF parallel 1pF (555.515 Hz) sind ja minimal, das funktioniert nur durch den 'Trick' über die Frequenzverstimmung. Wobei die Größe der Induktivität sich herauskürzt, d.h. mathematisch spielt L keine Rolle. Anbei die Simulation. Edit: huch, was ist mit meinem Bild passiert (der weiße Rand war vorher nicht da)? Kann ich leider auch nicht mehr löschen.
Beitrag #6642088 wurde von einem Moderator gelöscht.
Was auf jeden Fall auffällig ist: die Amplitude direkt am Schwingkreis sinkt mit steigendem Cx. Bis irgenwann ab ca. 10µF die Schwingung ganz abreißt. W.S. schrieb: > So, hier nochmal eine Simulation. Wieso hast Du den Rverlust 0,7 Ohm eigentlich in Reihe zum Kondensator C2 gesetzt? Ich würde ihn parallel legen. Oder, besser, in Reihe mit L als Verlust des Gesamtschwingkreises.
Hallo zusammen, hallo Wolfgang > Prof. Rohde hält sogar die Diode am Gate in der Schaltung vom 02.04.2021 > 12:18 für Pfusch. Wo hast du das her. Die Quelle interessiert mich. In fast allen FET-Oszillatoren ist diese Diode enthalten, damit der FET bei der positiven Amplitude des Schwingkreises nicht leitend wird (werden soll). Es gibt über die Jahrzehnte unendliche Abhandlungen darüber, ob ja, ob nein; und das schon, seit FETs in Oszillatoren verwendet werden. 73 Wilhelm
Beitrag #6642313 wurde von einem Moderator gelöscht.
Wilhelm S. schrieb: > In fast allen > FET-Oszillatoren ist diese Diode enthalten, Ja. Grund: Amplitudenregelung. Wenn bei steigender Amplitude die Diode leitend wird, dann lädt sie damit den Kondensator zum Schwingkreis auf. Die Folge ist, daß die mittlere Gatespannung negativer wird, der FET also zugeregelt wird. W.S.
Mohandes H. schrieb: > Wieso hast Du den Rverlust 0,7 Ohm eigentlich in Reihe zum Kondensator > C2 gesetzt? Bei diesem Micro-Dingens hab ich vergeblich nach realen L und C mit angegebener Güte gesucht. Deswegen hab ich eben ersatzeshalber einen R in den Schwingkreis eingeschleift, schließlich sind es ja mehr die Widerstände des Wickeldrahtes als die Isolation des Kondensators, was zur Dämpfung beiträgt. Wo aber nun genau der R eingebaut ist, ist für den Schwingstrom eigentlich egal. Bemerkenswert ist mir aber, wieviel Strom die Schaltung bei großen C werten zieht. Unteste Kurve: satte 200mA in der Spitze, über alles gemittelt wohl um die 70mA. W.S.
Meiner Meinung nach kann man die Funktionsweise des Oszillators am ehesten mit dem Prinzip einer mechanischen Uhr vergleichen. In einer mechanischen Uhr stösst die Hemmung das frequenzbestimmende Bauteil, seien es ein Pendel oder eine Unruhe - sie sind das mechanische Äquivalent zum elektrischen Schwingkreis, an und erzeugt so den Sekundentakt, die "Arbeitsfrequenz". Ebenso verhält es sich bei besagtem Oszillator. Der Komparator stösst den Schwinkreis an und dieser führt daraufhin gedämpfte Schwingungen mit seiner Eigenfrequenz aus. Der Komparator verhält sich wie ein Schalter, der den Schwingkreis (periodisch) an die durch den Komparatorausgang begrenzte Versorgungsspannung legt. Das Bild "Prinzip " soll verdeutlichen, was ich meine. Tatsächlich kann man den Komparatorausgang statt über einen Widerstand auch über eine Diode (in Serie mit einem passenden Strombegrenzungswiderstand) mit dem Schwingkreis verbinden, die Funktion der Schaltung ändert sich nicht. Im Gegenteil, die Schwingkreisspannung nimmt, wie zu erwarten, zu. Das Bild "ozi_eins_zu_eins.." ist mit der Standartbeschaltung aufgenommen Die direkte Verbindung von Schwingkreis und Komparatorausgang stellt einen Sonderfall dar, denn um die Schwingungen anzufachen und aufrecht zu erhalten ist es ausreichend, dem Schwingkreis "irgendwann" (innerhalb gewisser Grenzen) Energie zu zuführen. Dieses Irgendwann läßt sich am einfachsten realisieren, indem der Mitkopplungspfad aufgetrennt und ein Frequenzteiler, der in diesem Fall verzögernd wirkt, eingefügt wird. Bild "Prinzip_erweitert" Um diese Möglichkeit nachzuweisen habe ich mit Teilen aus der Bastelkiste eine entsprechende Schaltung aufgebaut. Da kein "echter" Komparator vorhanden war übernimmt ein einfacher Operationsverstärker seine Funktion. Bild "Schaltung..". Dazu einige Oszillogramme: "ozi_eins_zu_n.." obere Spur: Anregungsimpuls, untere Spur: Schwingkreisspannung am Hochpunkt "ozi_eins...erweitert" die Signale von oben nach unten: Teilerausgang, Anregungsimpuls, Schwingkreisspannung, Komparatorausgang Die von der Schaltung aufgenommenen Oszillogramme zeigen einen interessanten Effekt: Solange die Schwingkreisspannung die Schaltschwelle des Komparators erreicht bzw überschreitet schaltet der Komparator, was aber bedeutet, dass die Güte des Schwingkreises - in erster Näherung - für die Funktion von untergeordneter Bedeutung ist. Der Oszillator arbeitet sowohl bei optimalem (hohe Schwingskreisspannung) als auch bei ungünstigem (geringe Schwingkreisspannung) L/C-Verhältnis einwandfrei, was für die von AADE vorgesehene Anwendung des Oszillators eine wichtige Eigenschaft ist. Die originale Schaltung stellt einen Oszillator dar, der ohne die bei anderen LC-Oszillatorkonzepten übliche Umschaltung der frequenzbestimmenden Bauteile in einem (sehr) weiten Frequenzbereich schwingt. In meinem selbst gebauten LC-Meter, das einen nach diesem Prinzip arbeitenden Oszillator verwendet, beträgt der Frequenzvariationsbereich etwa 1:400.
Beitrag #6643187 wurde von einem Moderator gelöscht.
Wahrschei Wilhelm S. schrieb: >> Prof. Rohde hält sogar die Diode am Gate in der Schaltung vom 02.04.2021 >> 12:18 für Pfusch. > > Wo hast du das her. Die Quelle interessiert mich. In fast allen > FET-Oszillatoren ist diese Diode enthalten, damit der FET bei der > positiven Amplitude des Schwingkreises nicht leitend wird (werden soll). > Es gibt über die Jahrzehnte unendliche Abhandlungen darüber, ob ja, ob > nein; und das schon, seit FETs in Oszillatoren verwendet werden. Wahrscheinlich diese Quelle: Rohde, "All about Phase Noise in Oscillators", (3 Teile) QEX Dec 1993, Jan 1994, Feb 1994 Anbei ein Screenshot der Textstelle. Ist aber für die diskutierte Anwendung nicht von Bedeutung MfG, Horst
HST schrieb: > Wahrschei Ach Horst, natürlich kann man die Diode weglassen, das hatte ich bei den ersten Simulationen ja auch so gemacht. Dann übernimmt eben der JFet die Gleichrichtung. Allerdings macht der es ja nur relativ zu seinem Source-Anschluß und das ergibt hier unangenehm große HF-Pegel bei kleinem C (2nF etwa) von über 20Vss. Mit der Diode kann man das reduzieren, weil man die gegen GND schalten kann. Darum die Diode. Ich habe hier (aber eben nicht realiter, sondern nur simuliert) ein machbares Frequenzverhältnis von 1:1000 erreicht, also 2nF...2µF, wovon 2nF durchaus fest eingebaut werden können und dennoch ein zu messendes C sich bis auf weniger als 0.1pF auflösen läßt. Aber das ist alles nur simuliert und zum Teil nur mit weniger als 0.7 Ohm als Verlustwiderstand angenommen. Das heißt im Klartext, daß die Schwingkreisgüte rechnerisch besser als etwa 310 sein müßte - und das ist realiter schon illusorisch. Ich hab den Kram real auch mal durchgewobbelt und aus der 3dB Bandbreite ergibt sich dabei eine Kreisgüte im Bereich von 9..13 - und das ist lausig. Da erscheint es mir sehr verständlich, daß man ohne Gewaltritt diese Schaltung für größere C als so etwa 15..68nF nicht zum Schwingen bringen kann. Deshalb auch der Emitterfolger in der Simulation. Ohne die Diode zieht dieser Oszillator in der Spitze über 300mA, im Schnitt dann rund 100..150mA und das bei 5 Volt. Das ist allergrößtenteils Verlustleistung, die in der grottenschlechten Güte verheizt wird, wenn man C über so etwa 100nF zu messen gedenkt. Für mich ist das sozusagen ein Fazit: Der LC-Messer nach AADE geht gut in der Originalschaltung für Kondensatoren im pF Bereich und allenfalls noch im unteren nF Bereich. Ab etwa 470nF..1µF ist defintiv Schluß mit dieser Meßmethode, entweder setzt die Schwingung komplett aus oder man mißt nur noch den Sägezahn aus der Gegenkopplung. Für das Messen von Induktivitäten hab ich noch nicht das obere Limit ermittelt, aber L im nH Bereich mit Auflösung von 1nH und im unteren µH Bereich bis etwa 220µH sollte gehen, so zeigt sich das auch bei meinem alten Gerät. Kurzum: Wer kleine L und C (bis wenige nF und wenige µH) messen will, also HF-Leute, der ist mit diesem Gerät gut bedient. Aber für allgemeine Zwecke ist es nicht geeignet, da helfen auch alle möglichen Schaltungstricks nicht viel weiter. Die Auflösung bei kleinen Werten istzwar exzellent, aber zu größeren Werten hin sind enge Grenzen in der Funktionalität gesetzt. W.S.
Beitrag #6643412 wurde von einem Moderator gelöscht.
Ich hab' doch nur die Frage nach der Quelle beantwortet - siehe auch meinen letzten Satz. Mir ist das eigentlich egal - für meine Anwendungen reicht mein AADE aus ;-)). Schöne Ostern für dich und Julia. MfG, Horst
W.S. schrieb: > ein machbares Frequenzverhältnis von 1:1000 erreicht, also 2nF...2µF ... Du meinst ein Frequenzverhältnis von 1:32, weil √(2µF/2nF). Das wäre aber wenig und in der Praxis schwingt der Oszillator auch mit C weit unter 2nF. W.S. schrieb: > mit weniger als 0.7 Ohm als Verlustwiderstand angenommen. Das heißt im > Klartext, daß die Schwingkreisgüte rechnerisch besser als etwa 310 sein > müßte - und das ist realiter schon illusorisch. > Kreisgüte im Bereich von 9..13 - und das ist lausig. Eine Kreisgüte von 310 ist mit diesen Komponenten tatsächlich unmöglich. Eine von 9-13 wäre echt lausig. Ich schätze die Kreisgüte auf 30-50. Die 0,7 Ohm sind ja auch nur 'geschossen'. Was mir noch Rätsel aufgibt sind die beiden 10µ-Elkos. Warum so hoch? Bei Derivaten der Schaltung finden sich auch 1µF oder sogar 100nF.
Mohandes H. schrieb: > Was mir noch Rätsel aufgibt sind die beiden 10µ-Elkos. Warum so hoch? > Bei Derivaten der Schaltung finden sich auch 1µF oder sogar 100nF. Das ist doch offensichtlich, die bestimmen die untere Grenzfrequenz. Der am -Eingang legt fest, ab wann sich der OPV als Komparator verhält, und der andere bestimmt, ab welcher Frequenz die Mitkopplung auf den Schwingkreis wirkt, bzw. welche Kapazitäten dort möglich sind.
Vielen Dank, Horst. Frohe Ostern allen. 73 Wilhelm
Mohandes H. schrieb: > Du meinst ein Frequenzverhältnis von 1:32, weil √(2µF/2nF). Das wäre > aber wenig und in der Praxis schwingt der Oszillator auch mit C weit > unter 2nF. Ja, erstens: Schreibfehler. Zweitens: nö, der Mindest-C ist im Original 680pF. Das ist der eingebaute C und jeder Prüfling wird da parallel drangeschaltet, womit C ab 680pF geht. Ich hatte hier mal 2.2nF als Mindest-C angesetzt. W.S.
Elliot schrieb: > Das ist doch offensichtlich, die bestimmen die untere Grenzfrequenz. Der > am > -Eingang legt fest, ab wann sich der OPV als Komparator verhält, und der > andere bestimmt, ab welcher Frequenz die Mitkopplung auf den > Schwingkreis wirkt, bzw. welche Kapazitäten dort möglich sind. Nein, ist es nicht. Der 10µF am E- dient zusammen mit dem 47k als Zeitkonstante zum Erzeugen einer langsamen RC-Oszillation, so im Bereich von einigen Hertz, um den Komparator in seinen eigentlich aktiven Bereich zu steuern. Der 10µF Kondensator zwischen E+ und dem Schwingkreis dient dazu, daß sich über den Mitkopplungs-R, die Signalverzögerung von etwa 200ns im IC und die Gegenkopplung keine hochfrequente RC-Oszillation aufbaut. Also, bei dieser Schaltung ist rein garnichts wirklich offensichtlich, selbst die Wahl der beiden 10µF Kondensatoren ist nicht unkritisch. Je nach dem vorhandenen ESR reagiert die Schaltung unterschiedlich. W.S.
Beitrag #6643966 wurde von einem Moderator gelöscht.
W.S. schrieb: > Der 10µF am E- dient zusammen mit dem 47k als Zeitkonstante zum Erzeugen > einer langsamen RC-Oszillation, so im Bereich von einigen Hertz, um den > Komparator in seinen eigentlich aktiven Bereich zu steuern. Der Kondensator am -Eingang bestimmt Frequenzgang/Verstärkung des OPV. Dieses Verhalten wirkt dann über die Mitkopplung auf den eingangsseitigen Schwingkreis, der daraus das Eingangssignal für den OPV macht...
Beitrag #6644104 wurde von einem Moderator gelöscht.
Bitte melde dich an um einen Beitrag zu schreiben. Anmeldung ist kostenlos und dauert nur eine Minute.
Bestehender Account
Schon ein Account bei Google/GoogleMail? Keine Anmeldung erforderlich!
Mit Google-Account einloggen
Mit Google-Account einloggen
Noch kein Account? Hier anmelden.















































