Hallo, gerade entwickle ich im Rahmen der AP2 ein Netzteil mit einstellbarer Strombegrenzung. Spannungsregler ist ein LM317, dessen Strom durch ein NPN erhöht wird. Begrenzt werden soll der Strom durch eine NPN-Darlington Schaltung. Der Strom kann dabei an der Basis eingestellt werden. Vorteile für mich: - kompakt - einfach, bzw. schnell zu verinnerlichen (mit blick auf die praktische Prüfung) - genauer (in der Simulation) als vergleichbare Lösungen Nachteil wäre die hohe Verlustleistung, die auch gekühlt werden will. Wenngleich ein Größerer Kühlkörper nicht notwendig ist, da der NPN am LM317 den selben PV hat - nur nicht gleichzeitig. In der Theorie (Simulation) funktioniert das auch absolut in Ordnung und auch im Aufbau funktioniert die Begrenzung tadellos... Nur wenn ich nun die Last kurzschließe raucht mir der angesteuerteNPN ab. In der Simulation wird ganz normal der Strom begrenzt und in meiner Theorie eigentlich auch. ...nur in der Praxis sieht es komplett daneben aus :D Zur Berechnung des zu begrenzenden Stromes habe ich folgende Formel aufgestellt: Rbasis = ( (Ub - 2 * UBE) /Imax) / ( Bmax * (Bmin + 2) + Bmin +1) Schaltung habe ich in klein nachgebaut - sprich der maximale strom soll bei 30mA liegen, keine Kühlung. Transistor soll ohne Kühlkörper bis zu 1W schaffen. raucht aber selbst bei einem eingestellten Pv von 70mW :o Man kann gut erkennen, dass der Strom erst begrenzt wird, aber dann die Grenze "fällt", der Strom nach oben eilt und dann es in rauch aufgeht. Ich überlege, ob dies an der (unkontrolliert) steigenden Temperatur liegt. Aber selbst bei 69mW...? Daten des Nachbaus (Daten aus Schaltplan haben keine Bedeutung): Ub = 12V Rb = 4,5M 3 x S8050 NPN des Weiteren wollte ich die 2 NPN's (um den Preis zu drücken) gegen einen NPN Darlington wechseln. Nur habe ich da absolut Probleme eine ordentliche Formel aufzustellen, noch finde ich dazu eine.. :(
Daniel S. schrieb: > Spannungsregler ist ein LM317, dessen Strom durch ein NPN erhöht wird. > Begrenzt werden soll der Strom durch eine NPN-Darlington Schaltung. > Der Strom kann dabei an der Basis eingestellt werden. > > Vorteile für mich: > > - kompakt > - einfach, bzw. schnell zu verinnerlichen (mit blick auf die praktische > Prüfung) > - genauer (in der Simulation) als vergleichbare Lösungen Verstehe ich nicht. Das kann ein LM317 doch alles ganz allein. Mit entspr. Kühlkörper, versteht sich.
Daniel S. schrieb: > In der Theorie (Simulation) funktioniert das auch absolut in Ordnung Mich machen diese 3 hingetricksten Basiswiderstände vor dem Darlington aber sowas von stutzig. 9,8k gegen einen Widerstand mit 440k bedeutet, dass der 440k auf 1 Promille Toleranz genau und stabil sein muss. Ich denke, dir ist klar, dass die Stromverstärkung eines Transistors von allem Möglichen abhängt. Da kann man niemals einen Basiswiderstand mit einer solchen Genauigkeit "brauchen". > Rbasis = ( (Ub - 2 * UBE) /Imax) / ( Bmax * (Bmin + 2) + Bmin +1) Welche Werte hast du für Bmin und Bmax bei welchem Transistor? Und: hat dein Transistor tatsächlich einen Wert zwischen Bmin und Bmax? Und hat der Transistor das auch noch, wenn du ihn mit einem Lötkolben war machst? > Aber selbst bei 69mW...? > strom soll bei 30mA liegen, 30mA bei 30V über dem Transistor ergeben aber schon gut 1W. > Begrenzt werden soll der Strom durch eine NPN-Darlington Schaltung. Fazit: das geht nicht.
Ich denke, dass der Verstärkungsfaktor der Darlingtonschaltung ansteigt, wenn er warm wird. So macht man das richtig: https://www.elektronik-kompendium.de/sites/slt/0210253.htm Am besten koppelt man D1 thermisch an T1, dann ist der Strom noch konstanter.
Der Spannungsteiler am LM317 ist auch reichlich merkwürdig, der ist für über 50V Ausgangsspannung ausgelegt.
Daniel S. schrieb: > Begrenzt werden soll der Strom durch eine NPN-Darlington Schaltung. > Der Strom kann dabei an der Basis eingestellt werden. Hallo, bei konstanten Bedingungen, wird der Kollektorstrom auch konstant bleiben. Nur sind die Bedingungen in der Realitär eben nicht konstant, sondern es steigt die Temperatur und die Kollektorspannung je nachdem, was gerade passiert. Da reicht es schon, wenn Du mit dem Finger dran gehst. Der Darlington ist überhaupt nirgends gegengekoppelt. https://www.mikrocontroller.net/articles/Konstantstromquelle#Konstantstromquelle_mit_bipolaren_Transistoren mfg
Daniel S. schrieb: > gerade entwickle ich im Rahmen der AP2 ein Netzteil mit einstellbarer > Strombegrenzung. Schön. Bloss was hat das dargestellte Schaltbild damit zu tun ? Die am LM417 eingestellte Spannung wird durch den Emitterfolger gedrückt und den Darlington, der wohl eine durch die Stromverstärkung der Transistoren einstellbare Stromsenke darstellen soll, nochmal reduziert. Zumal so eine Strombegrenzung durch hFE mehr schwankt als stabil arbeitet. Vergiss die Schaltung, erstmal Grundlagen: https://dse-faq.elektronik-kompendium.de/dse-faq.htm#F.9.1
Lothar M. schrieb: > Daniel S. schrieb: >> In der Theorie (Simulation) funktioniert das auch absolut in Ordnung > Mich machen diese 3 hingetricksten Basiswiderstände vor dem Darlington > aber sowas von stutzig. 9,8k gegen einen Widerstand mit 440k bedeutet, > dass der 440k auf 1 Promille Toleranz genau und stabil sein muss. > > Ich denke, dir ist klar, dass die Stromverstärkung eines Transistors von > allem Möglichen abhängt. Da kann man niemals einen Basiswiderstand mit > einer solchen Genauigkeit "brauchen". Das ist mir klar. den Widerständen in dem Bild darf man keine Beachtung schenken, das bild stammt aus der Simulation und hatte da nur etwas romprobiert. Abgesehen davon ist der 1. ein Festwiderstand -> legt den maximal einstellbaren strom fest, die anderen 2 sind Potis (grob und fein) Die maßgebliche kompenente ist die Temperatur in Verbindung mit dem HFE. >> Rbasis = ( (Ub - 2 * UBE) /Imax) / ( Bmax * (Bmin + 2) + Bmin +1) > Welche Werte hast du für Bmin und Bmax bei welchem Transistor? Und: hat > dein Transistor tatsächlich einen Wert zwischen Bmin und Bmax? Und hat > der Transistor das auch noch, wenn du ihn mit einem Lötkolben war > machst? Diese Daten stehen im Datenblatt des S6050. der niedrigste ist der B vom 1. NPN und der max vom 2. NPN. Da der HFE vom IC abhängig ist. in der Realität würde ich einen schwachen und einen "dicken" NPN kombinieren. Da nur am 2. eine hohe PV vernichtet wird. Dementsprechend müssen die Faktoren in die Formel eingefügt werden: Bmin ist der HFE vom 1. NPN, Max vom 2. >> Aber selbst bei 69mW...? >> strom soll bei 30mA liegen, > 30mA bei 30V über dem Transistor ergeben aber schon gut 1W. > sind nur 12V >> Begrenzt werden soll der Strom durch eine NPN-Darlington Schaltung. > Fazit: das geht nicht. aber warum geht das, wenn ich die Darlington Schaltung identisch mit 2 NPN nachbaue? Problem dabei war halt der HFE. da komm ich dann net mehr weiter
Daniel S. schrieb: > Transistor soll ohne Kühlkörper bis zu 1W schaffen. raucht aber selbst > bei einem eingestellten Pv von 70mW :o Ein "Rauchtyp" oder die Verlustleistung wurde ganz schnell größer als erwartet. mfg
MaWin schrieb: > Daniel S. schrieb: > Bloss was hat das dargestellte Schaltbild damit zu tun ? > > Die am LM417 eingestellte Spannung wird durch den Emitterfolger gedrückt > und den Darlington, der wohl eine durch die Stromverstärkung der > Transistoren einstellbare Stromsenke darstellen soll, nochmal reduziert. Ja, die Spannungsverluste sind recht hoch. wenn man die Eingangsspannung um den Wert erhöht, sieht es aber garnicht mal mehr so schlimm aus ;) Soll am ende auch nur der Prüfung dienen. > Zumal so eine Strombegrenzung durch hFE mehr schwankt als stabil > arbeitet. > Tatsächlich schwankt der HFE zwar etwas, praktisch konnte ich die Schwankungen aber kaum messen.
Christian S. schrieb: > Daniel S. schrieb: >> Transistor soll ohne Kühlkörper bis zu 1W schaffen. raucht aber selbst >> bei einem eingestellten Pv von 70mW :o > > Ein "Rauchtyp" oder die Verlustleistung wurde ganz schnell größer als > erwartet. Was soll ich darunter verstehen? Tatsächlich stammen die NPN's aus einem billig Arduino- Starter Set :D
minit schrieb: > Daniel S. schrieb: >> Spannungsregler ist ein LM317, dessen Strom durch ein NPN erhöht wird. >> Begrenzt werden soll der Strom durch eine NPN-Darlington Schaltung. >> Der Strom kann dabei an der Basis eingestellt werden. >> >> Vorteile für mich: >> >> - kompakt >> - einfach, bzw. schnell zu verinnerlichen (mit blick auf die praktische >> Prüfung) >> - genauer (in der Simulation) als vergleichbare Lösungen > > Verstehe ich nicht. Das kann ein LM317 doch alles ganz allein. > Mit entspr. Kühlkörper, versteht sich. Leider nur nicht einstellbar und zu niedrig -> benötige 5A
H. H. schrieb: > Der Spannungsteiler am LM317 ist auch reichlich merkwürdig, der ist für > über 50V Ausgangsspannung ausgelegt. Der Plan stammt aus der Simulation. Aber ein 10k Pott schadet auch nicht; die 50V können eben nie erreicht werden ^^
Daniel S. schrieb: > H. H. schrieb: >> Der Spannungsteiler am LM317 ist auch reichlich merkwürdig, der ist für >> über 50V Ausgangsspannung ausgelegt. > > Der Plan stammt aus der Simulation. Aber ein 10k Pott schadet auch > nicht; die 50V können eben nie erreicht werden ^^ Das ist doch völlig planlos!
Daniel S. schrieb: > Konstantstromquelle raucht bei Kurzschluss ab Das ist keine Konstantstromquelle. Denn eine KSQ beinhaltet eine aktive Regelung des Stroms, was bei Dir fehlt. Du hast nur eine Spannungsregelung und Stromsteuerung.
z.B. Beitrag "Ladeschaltung mit LM317" oder sonst https://www.google.com/search?client=opera&q=LM317+laderegler&sourceid=opera&ie=UTF-8&oe=UTF-8
Jens G. schrieb: > Daniel S. schrieb: >> Konstantstromquelle raucht bei Kurzschluss ab > > Das ist keine Konstantstromquelle. Denn eine KSQ beinhaltet eine aktive > Regelung des Stroms, was bei Dir fehlt. Du hast nur eine > Spannungsregelung und Stromsteuerung. Und selbst das nur sehr murksig.
Daniel S. schrieb: > Leider nur nicht einstellbar und zu niedrig -> benötige 5A Da nimmt man keinen "Zusatztransistor" (diese Schaltungen sind im Grunde sowieso nur Pfusch, bereiten fast immer Probleme - sogar wenn man es "so gut wie möglich" machen will/sich auskennt). Sondern bei 5A nutzt man heutzutage sowieso geschaltete Regler. Da Du mit so etwas aber wohl erst recht überfordert bist, kann ich Dir nur raten, mit weit weniger Strom zu arbeiten oder ein ganz anderes Projekt zu wählen. Hast Du Vorgaben? Welche wären das (bitte dann aber ALLE nennen)?
Daniel S. schrieb: > Leider nur nicht einstellbar und zu niedrig -> benötige 5A Ist dir klar, dass deine Transistorschaltung dann bis zu 150 Watt verheizen muss? Erstens würde ich das auf mehrere Transistoren verteilen (überlege dir wie das zu tun ist) und zweitens brauchst du einen ziemlich großen Kühlkörper, oder einen mit Lüfter.
Beitrag #7065998 wurde von einem Moderator gelöscht.
Alternativ wäre Nachbau einer Labornetzteilschaltung mit Doppel-OPV und ausreichend dickem Leistungstransistor möglich, aber daß Du egal welche Variante "selbst entwickelst" (irgendeine vorh. Schaltung umgestaltest) funktioniert wohl eher nicht.
minit schrieb: > Daniel S. schrieb: >> Leider nur nicht einstellbar und zu niedrig -> benötige 5A > > Da nimmt man keinen "Zusatztransistor" (diese Schaltungen sind im > Grunde sowieso nur Pfusch, bereiten fast immer Probleme - sogar > wenn man es "so gut wie möglich" machen will/sich auskennt). > > Sondern bei 5A nutzt man heutzutage sowieso geschaltete Regler. > Da Du mit so etwas aber wohl erst recht überfordert bist, kann ich > Dir nur raten, mit weit weniger Strom zu arbeiten oder ein ganz > anderes Projekt zu wählen. > > Hast Du Vorgaben? Welche wären das (bitte dann aber ALLE nennen)? Ja: - Spannungsregelung 0-30V - Strombegrenzung grob bis 5A - Für die Anwendung durch Azubis geeignet Vorgaben an mich selber: - kompakt - Bauteile sollten verfügbar sein (nicht wie ein LM723) - Schnell bis ins kleinste Detail zu verstehen.
minit schrieb: > Daniel S. schrieb: >> Leider nur nicht einstellbar und zu niedrig -> benötige 5A > > Da nimmt man keinen "Zusatztransistor" (diese Schaltungen sind im > Grunde sowieso nur Pfusch, bereiten fast immer Probleme - sogar > wenn man es "so gut wie möglich" machen will/sich auskennt). > > Sondern bei 5A nutzt man heutzutage sowieso geschaltete Regler. > Da Du mit so etwas aber wohl erst recht überfordert bist, kann ich > Dir nur raten, mit weit weniger Strom zu arbeiten oder ein ganz > anderes Projekt zu wählen. > > Hast Du Vorgaben? Welche wären das (bitte dann aber ALLE nennen)? Als Alternative hätte ich noch https://www.elektronik-kompendium.de/public/schaerer/lm317.htm Da würde ich den Spannungsteile am Shunt, durch ersetzen des R8 durch Poti einstellen und somit den Strom regulieren.
Daniel S. schrieb: > - Spannungsregelung 0-30V > - Strombegrenzung grob bis 5A Schon mal nicht trivial. > - Für die Anwendung durch Azubis geeignet Narrensicher gibts nicht. > Vorgaben an mich selber: > > - kompakt Dann wirds ein Schaltregler. > - Bauteile sollten verfügbar sein (nicht wie ein LM723) LM723 ist sehr gut verfügbar. > - Schnell bis ins kleinste Detail zu verstehen. Gibts nur aus Unobtainium.
Deine Schaltung krankt an mehreren Stellen, die unnötige Abhängigkeit von B ist nur eine davon. Außerdem ist das unnötig kompliziert. Oft ist das Einfache eleganter und funktioniert besser. Der LM317 kann fast alles alleine, für den benötigten Strom kommt noch ein Transistor dazu. Schau dir mal das Datenblatt des LM317 an (insbesondere das von Texas). Die Applikationsschaltungen sind immer 1. Wahl, die Entwickler wissen genau was ihr Baustein kann.
H. H. schrieb: >> - Bauteile sollten verfügbar sein (nicht wie ein LM723) > > LM723 ist sehr gut verfügbar. Muß man halt für "ab 0V" noch -äh- "aufmotzen" dann. Daniel S. schrieb: > Ja: > > - Spannungsregelung 0-30V > - Strombegrenzung grob bis 5A Als Linearregler mit worst case praktisch 150W P_tot (also bei angenommen 0,000...0001V Ausgabe @ 5A, Stefan hat da völlig richtig gerechnet) ein ziemlich dicker Happen. > - Für die Anwendung durch Azubis geeignet Nur Anwendung oder Nachbau? Und muß Du selbst bauen? Als Schaltregler-Modul (zugekauft) hat man aber auch das Problem mit "ab 0V geht nicht" (Minimum = Feedbackspannung) und evtl. wäre zwar die Anwendung schnall begreifbar (und anderen auch vermittelbar), aber die Funktion oder gar der Nachbau... näh.
Wenn ich mich jetzt nicht komplett irre: Ich weiß, dass ich theoretisch 2 lm317 in Reihe schalten kann, der eine regelt Spannung, der andere den Strom. Nur eignen sich Potis nun schwer um sie in Reihe auf hohen Strömen zu schalten.
Mohandes H. schrieb: > Der LM317 kann fast alles alleine, für den benötigten Strom kommt noch > ein Transistor dazu. Dann fehlt aber noch die Strombegrenzung/Regelung.
Daniel S. schrieb: > Hallo, > > gerade entwickle ich im Rahmen der AP2 Moment mal, verstehe ich das richtig: DU willst die AP2 machen? In welchem Fach denn?
minit schrieb: > H. H. schrieb: >>> - Bauteile sollten verfügbar sein (nicht wie ein LM723) >> >> LM723 ist sehr gut verfügbar. > > Muß man halt für "ab 0V" noch -äh- "aufmotzen" dann. Muss ich gar nicht, wenn Spannung der Basis vom Parallel liegenden NPN unter einen bestimmten Wert sinkt, sperrt dieser -> ergo 0V . > > Daniel S. schrieb: >> Ja: >> >> - Spannungsregelung 0-30V >> - Strombegrenzung grob bis 5A > > Als Linearregler mit worst case praktisch 150W P_tot (also bei > angenommen 0,000...0001V Ausgabe @ 5A, Stefan hat da völlig > richtig gerechnet) ein ziemlich dicker Happen. Ja das weis ich. Allerdings fällt der selbe PV auch an der emitterschaltung am LM317 an. Aber nie gleichzeitig zur Darlington Schaltung. So kann ich den selben Kühlkörper benutzen, den ich ja eh brauche. >> - Für die Anwendung durch Azubis geeignet > > Nur Anwendung oder Nachbau? Und muß Du selbst bauen? Als > Schaltregler-Modul (zugekauft) hat man aber auch das Problem Nur Anwendung. Sprich sollte Kurzschlussfest sein
Dieter R. schrieb: > Daniel S. schrieb: >> Hallo, >> >> gerade entwickle ich im Rahmen der AP2 > > Moment mal, verstehe ich das richtig: DU willst die AP2 machen? In > welchem Fach denn? Geräte und Systeme
> Nur Anwendung oder Nachbau? Und muß Du selbst bauen?
Ja muss es selber bauen
Daniel S. schrieb: >> Moment mal, verstehe ich das richtig: DU willst die AP2 machen? In >> welchem Fach denn? > > Geräte und Systeme Und das das hast du offenbar als Anforderung gestellt bekommen: - Spannungsregelung 0-30V - Strombegrenzung grob bis 5A - Für die Anwendung durch Azubis geeignet Da ich (sorry) Ausbildungsgang und Ausbildungsinhalte inhaltlich nicht kenne, sondern die Sache "nur" von der akademischen Seite kenne, kann ich nur sagen, ich bin entsetzt. Wer stellt denn diese Anforderung? Dein Eingangspost lässt (leider) den klaren Schluss zu, du hast von der Sache keinen blassen Schimmer. Das ist jetzt bloß eine Feststellung, kein Vorwurf. Ist denn eine solche Schaltungsentwicklung überhaupt Ausbildungsinhalt?
Daniel S. schrieb: > Ich weiß, dass ich theoretisch 2 lm317 in Reihe schalten kann, der eine > regelt Spannung, der andere den Strom. Daniel S. schrieb: > Ja muss es selber bauen Nun, da Du guten Mutes bist, das mit dem "Rauchtyp" war ein Spässle, hier noch diese beiden Links, (bei Dave brauchst Du nur seinem deutlich gesprochenen australischen englisch zu lauschen): ___________ "Dave shows you how to design a simple constant current and constant voltage lab power supply that can be either software (PIC/AVR et.al microcontroller) or traditional pot controlled. Starting with the venerable LM317, and ending up with an LT3080 solution, and the some thought processes that go into it all." https://www.youtube.com/watch?v=CIGjActDeoM https://www.youtube.com/watch?v=6Otr1I0OR18 ____________ hier noch ein einfacheres Konzept: https://www.youtube.com/watch?v=soygy1rnLcs "Building a Linear Power Supply - Part 5 - Current Limiting - RSD Academy" __ So kannst Du es aufbauen, muß ja nicht die Blues-Musik immer dabei hören (vor allem die ab 3:30 nicht): 100 Amp Power Supply https://www.youtube.com/watch?v=rNpkJfmKBsM Gerätetechnik ist ja Dein Fach, ich glaube, im Video wurde die Idee ganz gut umgesetzt. _____ Daniel S. schrieb: > - Schnell bis ins kleinste Detail zu verstehen. Dann kannst Du dem geneigten Publikum noch die Übertragungsfunktion des Reglers präsentieren und per Analyse zeigen, daß die Regelung unter allen Bedingungen stabil ist und die Impulsantwort in endlicher Zeit gegen Null geht. Dazu noch ein paar Bilder vom DSO gezeigt, wenn Du den Regler mit fiesen Sprüngen beaufschlagst. mfg
Das durcharbeiten bitte: https://archive.org/details/DC_Power_Supply_Handbook_Agilent_Technologies_Application_Note_90B
> entwickle ich ... ein Netzteil mit einstellbarer Strombegrenzung. > Spannungsregler ist ein LM317, dessen Strom durch ein NPN erhöht wird. gibt es da nicht gefühlt 10000000000 Applikationsvorschläge aus den 80er Jahren?
Werft mal einen Blick auf die SOA-Kennlinie des Transistors.
Lothar M. schrieb: >> Begrenzt werden soll der Strom durch eine NPN-Darlington Schaltung. > Fazit: das geht nicht. +1
Daniel S. schrieb: > Ja: > > - Spannungsregelung 0-30V > - Strombegrenzung grob bis 5A > - Für die Anwendung durch Azubis geeignet > - Schnell bis ins kleinste Detail zu verstehen. Ganz schnell: Um das hinzubekommen benötigst Du mind. 35V am Eingeng deienr Regelschaltung. Worst case macht das im Kurzschlußfall 175W die Dein einzelner Transistor oben rechts abkönnen muß (bei Uce ca. 35V) Ein einzelner Transistor wird diese SOA kaum bringen, und den Kühlkörper möchtest du von der Größe kaum haben wollen. Es kann dir helfen dies "Detail" zu berücksichtigen.
Daniel S. schrieb: > Vorgaben an mich selber: > - kompakt Nochmal: Wo willst du mit den 150 Watt hin? > Dann wirds ein Schaltregler. Was allerdings mit den nächsten Anforderungen kollidiert: Daniel S. schrieb: > - Bauteile sollten verfügbar sein (nicht wie ein LM723) > - Schnell bis ins kleinste Detail zu verstehen. Man sollte vielleicht erstmal die Anforderungen klären, bevor man einen Schaltplan zeichnet und Bauteile verbrennt. Daniel, ist dir aufgefallen, dass massenweise Labornetzteile für kleines Geld verkauft werden, die 0-30V mit 0-5A liefern?
Stefan ⛄ F. schrieb: > Daniel, ist dir aufgefallen, dass massenweise Labornetzteile für kleines > Geld verkauft werden, die 0-30V mit 0-5A liefern? Ja, aber er will/soll ja selber bauen. Seine Anforderungen entsprechen ja auch ziemlich einem Labornetzteil. Aber an seiner Stelle würde ich mich daran orientieren, was andere schon erfolgreich entwickelt haben. Und, wie gesagt, die Applikationsschriften. Daniel S. schrieb: > Bauteile sollten verfügbar sein (nicht wie ein LM723) Gerade der LM723 könnte dein Kandidat sein. Wieso sollte er nicht verfügbar sein? Mir kommt es so vor, als ob du das Rad neu erfinden möchtest. Nur eiert dein Rad etwas, dabei gibt es so schöne runde Räder.
Daniel S. schrieb: > Ja: > Spannungsregelung 0-30V > Strombegrenzung grob bis 5A > Für die Anwendung durch Azubis geeignet Man sollte sinnvollerweise erst mal die Kernaufgabe lösen. Danach kommt die Kür und man kann sich selbst noch weitere Einschränkungen auferlegen. > Vorgaben an mich selber: > kompakt Hoppla, ein Schaltregler. Kollidiert aber abhängig vom Ausbildungsstand blitzartig mit > Schnell bis ins kleinste Detail zu verstehen. Denn ist jetzt im Grunde sicher nicht der einfachste Teil der Aufgabe. Ich schaue da sicher mit anderen Augen auf so einen Plan, als z.B. einer, der sicht mit dem Unterschieden von PNP und NPN nocht schwer tut... > Bauteile sollten verfügbar sein (nicht wie ein LM723) Nimm statt dem einen uA723, der tuts genauso gut und Reichelt meldet eine "Lieferzeit 1-2 Werktage". Und ab dieser Erkenntnis gibt es, wie omnna schrieb: > gefühlt 10000000000 Applikationsvorschläge aus den 80er Jahren Das ist der erste Schritt zur Lösung der Kernaufgaben: https://www.google.com/search?q=723+0-30V Die Standardapplikation ist normalerweise 0(2)-30V bei 0-3A, aber die 3A kann man leicht mit einem zusätzlichen Transistor und mehr Aluminium auf 5A aufbohren.
Beitrag #7066176 wurde von einem Moderator gelöscht.
Daniel S. schrieb: > den Widerständen in dem Bild darf man keine Beachtung schenken, das bild > stammt aus der Simulation Simulation ist eine tolle Sache, bleibt aber nur Simulation. In der Praxis sieht vieles anders aus. D. h. man muß die Ergebnisse der Simulation richtig einordnen können. So wird auch deine Formel scheitern > Rbasis = ( (Ub - 2 * UBE) /Imax) / ( Bmax * (Bmin + 2) + Bmin +1) denn sie geht von unrealistischen Annahmen aus. Einer der Grundsätze der Entwicklung von Schaltungen ist die Unabhängigkeit der fertigen Schaltung von Bauteilenstreuungen und Temperaturabhängigkeiten. Die Stromverstärkung B liegt dabei ganz weit vorne. Wenn du einen Verstärker baust, dann darf das B praktisch keinen Einfluss auf die Spannungsverstärkung haben. Stichwort Dimensiomierung, Gegenkopplung. Sinngemäß gilt das auch für Netzteile.
Daniel S. schrieb: > - Spannungsregelung 0-30V > - Strombegrenzung grob bis 5A Das ist kein Anfängerprojekt. Bei so hohen Werten ist ein funktionierender SOA-Schutz des Stellgliedes unabdingbar. Deine obige Schaltung ist jedenfalls völliger Mumpitz, da erfolgt keinerlei aktive und vor allem schnelle Strombegrenzung. Typisch nimmt man für so hohe Leistungen einen Schaltregler mit nachgeschaltetem Linearregler. Der Schaltregler führt die Spannung über dem Linearregler auf 1..3V nach. Daniel S. schrieb: > - Schnell bis ins kleinste Detail zu verstehen. Für einen Profi ist das Verstehen kein Problem. Wenn Du aber meinst, für Anfänger (Laien), vergiß es. Back erstmal kleinere Brötchen, z.B. 15V, 1A.
Beitrag #7066314 wurde von einem Moderator gelöscht.
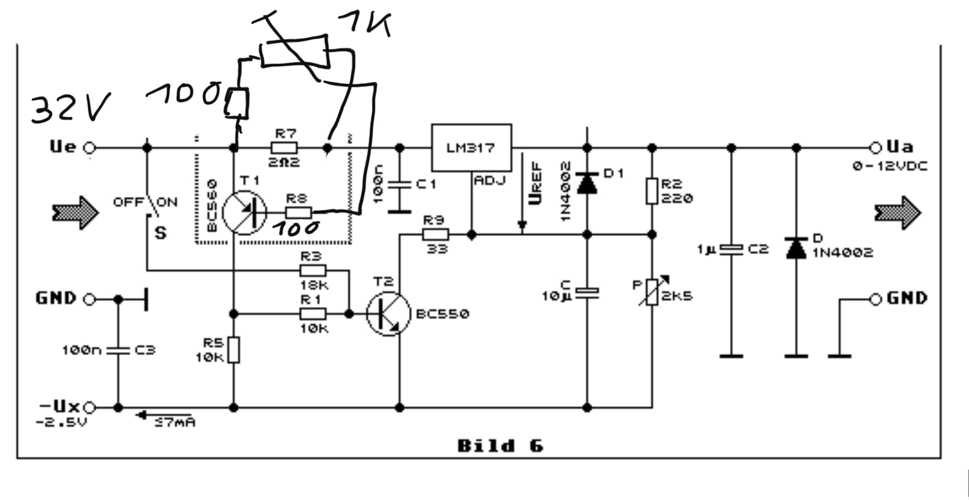
Daniel S. schrieb: > Da würde ich den Spannungsteile am Shunt, durch ersetzen des R8 durch > Poti einstellen und somit den Strom regulieren. Genau, damit kommst du immerhin mit dem 1k Trimmer bis auf 300mA runter und das sogar im Kurzschlussfall. Der 2R2 sollte mindestens ein 50W Typ sein und auf einen großen Kühlkörper mit maximal 1K/W montiert werden! Ebenso der LM317! Da am Ausgang sowieso nur 12V benötigt werden, ist die Dropspannung von 11V am 2R2 zwar beachtlich, aber dennoch nicht so schlimm, weil am Eingang sowieso genug Spannung vorhanden ist (32V).
Michael M. schrieb: > Ebenso der LM317! Ist das die legendäre 5A-Variante dieses Bausteins? Michael M. schrieb: > Da am Ausgang sowieso nur 12V benötigt werden Standen da nicht vorhin wiederholt 30V zur Diskussion?
Lothar M. schrieb: > Ist das die legendäre 5A-Variante dieses Bausteins? Ja, denn nur mit der 3A Variante wird das nicht funktionieren. Lothar M. schrieb: > Standen da nicht vorhin wiederholt 30V zur Diskussion? Ach soo! Ich habe die 12V aus dem Eingangspost: Daniel S. schrieb: > Daten des Nachbaus (Daten aus Schaltplan haben keine Bedeutung): > Ub = 12V > Rb = 4,5M > 3 x S8050 NPN
Michael M. schrieb: > Lothar M. schrieb: >> Ist das die legendäre 5A-Variante dieses Bausteins? > > Ja, denn nur mit der 3A Variante wird das nicht funktionieren. Michael, merkst DU irgendwann auch das der LM317 nicht die 3A oder 5A Version ist?
Andrew T. schrieb: > Michael, merkst DU irgendwann auch das der LM317 nicht die 3A oder 5A > Version ist? Nein, der TE hat doch selber die 5A Variante im Eingangspost vorgeschlagen. Stichwort zusätzlicher NPN Transistor.
Sagt mal, glaubt ihr ernsthaft, dass es dem TO irgendwie weiterhilft, wenn ihr ihn unablässig mit halbgarem Zeug zuballert? Der braucht dringend jemanden, der ihn mal an die Hand nimmt und im persönlichen Gespräch mit ihm Lösungswege aufzeigt, und zwar auf dem Level, der dem Ausbildungsstand und den zur Verfügung stehenden Mitteln entspricht. Zum Beispiel ein Ansprechpartner in Berufsschule oder Ausbildungsbetrieb. Man kann nur hoffen, dass er dort jemanden hat, an den er sich wenden kann. Im Zusammenhang damit würde es mich allerdings interessieren, wie es zu der Aufgabenstellung kam und wie diese sich in den Ausbildungsgang einfügt, einschließlich der Frage, inwieweit und mit welchen Tools der TE zur Simulation, Schaltplaneingabe, Layout, Mechanik vertraut ist. Das blieb leider bisher unbeantwortet. WENN man das wüsste, könnte man vielleicht zielgerichteter Empfehlungen geben.
Beitrag #7066449 wurde von einem Moderator gelöscht.
Lothar Brüller schrieb im Beitrag #7066449:
> Der LM338 kann für den vorliegenden Fall verwendet werden
Wobei für 5A maximal 10V daran abfallen dürfen. Die dann 50W abzuführen
ist schon sehr sportlich.
Bei 30V Abfall begrenzt er auf nur max 1A.
Peter D. schrieb: > Wobei für 5A maximal 10V daran abfallen dürfen. Die dann 50W abzuführen > ist schon sehr sportlich. > Bei 30V Abfall begrenzt er auf nur max 1A. Und auch das schafft er nur bei "unendlich" großem Kühlkörper (infinite heatsink). Herrlich, der xxxx te LNG Thread, und schon 54 Beiträge .-) Der TE ist lange weg.
Daniel S. schrieb: > Ja muss es selber bauen. Und wenn die ganze Kiste mit ihren Aluminiumkühlaggregaten und Ventilatoren insgesamt einen Kubikmeter groß wird und mit dem Gabelstapler in die Schulaula gefahren werden muss, dann sieht die Schulleitung die Technik aus den 60ern mal Live und zum Anfassen. Der Lehrer (TE) hat jedenfalls mit diesem halben Atomkraftwerk die Show im Kasten.
Michael M. schrieb: > Und wenn die ganze Kiste mit ihren Aluminiumkühlaggregaten und > Ventilatoren insgesamt einen Kubikmeter groß wird und mit dem > Gabelstapler in die Schulaula gefahren werden muss, dann sieht die > Schulleitung die Technik aus den 60ern mal Live und zum Anfassen. Na nicht unnötig übertreiben. 170W Wärme abzuführen ist zwar keine Hausnummer aber machbar. Wenn der Trafo noch umschaltbar ist, mach die Sache noch einfacher.
Dieter schrieb im Beitrag #7066176: > Bist wegen ueber 100W Energieverschwendung bei Greta schon angezeigt > worden. Flehe um Gnade bei ihr. ;) ;o)) Hoffentlich läßt sie beim Auspeitschen bald nach. mfg
Tany schrieb: > 170W Wärme abzuführen ist zwar keine Hausnummer aber machbar. Nicht mit einem Transistor, der schafft eher nur 25 (LM317), 50 (TO220) oder 75W (TO3), auch wenn das Datenblatt unrealistischere Werte angibt. Und seine Schaltung ist maximal blöd. je nach dem ob das Gerät in Spannungsbegrenzung oder Strombegrenzung verharrt, entsteht die Verlustleistung in verschiedenen Leistungstransistoren. Die können zwar auf denselben Kühlkörper, verdoppeln aber trotzdem den Aufwand.
MaWin schrieb: > Nicht mit einem Transistor 170W habe ich noch nicht gemacht, bin aber sicher, mit einem richtigen würde's gehen. 150W mit einem TO264 war schon ohne Problem.
Beitrag #7066770 wurde von einem Moderator gelöscht.
Beitrag #7066778 wurde von einem Moderator gelöscht.
Beitrag #7066782 wurde von einem Moderator gelöscht.
> Im Zusammenhang damit würde es mich allerdings interessieren, wie es zu > der Aufgabenstellung kam und wie diese sich in den Ausbildungsgang > einfügt, einschließlich der Frage, inwieweit und mit welchen Tools der > TE zur Simulation, Schaltplaneingabe, Layout, Mechanik vertraut ist. Das > blieb leider bisher unbeantwortet. WENN man das wüsste, könnte man > vielleicht zielgerichteter Empfehlungen geben. Ursprünglich habe ich meinem Ausbilder ein einfaches Netzteil mit LM317 vorgeschlagen. Dieser meinte aber: „bei Ihrem hohem fachliches Wissen (für ein Azubi), sollten Sie besser etwas machen, was Sie etwas mehr fordert“. So kam er mir mit den regelbaren Strom von 5A, dem ich dann zustimmte und so wurde es dann vom Prüfungsauschuss auch genehmigt. Mit der Simulation bin ich sehr gut vertraut. Layouterstellung, sowie Mechanik fortgeschritten. Tool zum simulieren ist falstad, zeichnen Splan, bzw. Sprintlayout Außerdem bin ich vertraut mit dem ätzen von Platinen. Auf genannte Schaltung kam ich selber, wobei mir die Probleme direkt ersichtlich waren, neben der gewaltigen Verlustleistung und dem schwankenden HFE: Wenn am LM317 die Spannung gesenkt wird, ändert sich dadurch auch der Ib. Deswegen habe ich im Grunde den Stromregler mit einem weiteren „stromregler“ verbunden, damit dieser konstant bleibt -> funktioniert. Bleibt nur noch das Problem mit dem HFE in Abhängigkeit von ic und der Temperatur. Heute habe ich die Schaltung mal mit standfesteren Bauteilen aufgebaut. Bei dem 2N3055 ist (abgesehen von der Temperatur) der HFE bis ca 1A „relativ“ konstant. So wie erwartet geschieh es dann auch im Aufbau: Bei eingestellten Strom von >1,3A bleibt dieser tatsächlich recht konstant (+-20mA), bei erhöhen auf 2A (mehr gab das speisende Netzteil nicht her) Steigt der Strom mit der Zeit, trotz kaum steigender Temperatur. Tatsächlich bin ich mir ziemlich sicher, wenn ich nun den 2. NPN um 2 weitere parallel ergänze, könnte man dies ziemlich gut stabilisieren. Und zum Ausgleich der steigenden Temperatur einen PTC an der Basis vom 1. das mit dem PTC funktioniert tatsächlich sogar in dem Aufbau. Ersteres habe ich nicht probieren können. Aber selbst wenn, stellt sich mir dann die Frage der sinnhaftigkeit. Zwar macht es Spaß diese Sachen auszuprobieren und Lösungen zu entwickeln, aber jetzt 3 (teure) NPN parallel schalten um deren eigene Ungenauigkeit auszugleichen, welche aber dennoch 150W verblasen, erscheint mir als fragwürdig.
> Herrlich, der xxxx te LNG Thread, und schon 54 Beiträge .-) > Der TE ist lange weg. Bin noch da :D
Daniel S. schrieb: > Tatsächlich bin ich mir ziemlich sicher, wenn ich nun den 2. NPN um 2 > weitere parallel ergänze, könnte man dies ziemlich gut stabilisieren. Nein. Aus dem gleichen Grund, aus dem man keine Dioden direkt parallel schalten soll. Kurz gesagt: Einer der drei Transistoren wird mehr Strom fließen lassen, daher schneller warm, daher noch mehr Strom fließen lassen, daher noch wärmer werden, usw...
Daniel S. schrieb: > Herrlich, der xxxx te LNG Thread, das flüssige natürliche Gas ist heutzutage in aller Munde... mfg
Daniel S. schrieb: > Ursprünglich habe ich meinem Ausbilder ein einfaches Netzteil mit LM317 > vorgeschlagen. > Dieser meinte aber: „bei Ihrem hohem fachliches Wissen (für ein Azubi), > sollten Sie besser etwas machen, was Sie etwas mehr fordert“. > So kam er mir mit den regelbaren Strom von 5A, dem ich dann zustimmte > und so wurde es dann vom Prüfungsauschuss auch genehmigt. > Mit der Simulation bin ich sehr gut vertraut. > Layouterstellung, sowie Mechanik fortgeschritten. > Tool zum simulieren ist falstad, zeichnen Splan, bzw. Sprintlayout > Außerdem bin ich vertraut mit dem ätzen von Platinen. > Gute Voraussetzungen für die praktische Arbeit. Das würde meiner Vorstellung vom Berufsbild entsprechen, um dies zu klären, hatte ich ja gefragt. Ich wiederhole aber auch meinen anderen Satz: von Schaltungsentwicklung hast du keine Ahnung und du bist völlig auf dem Holzweg. Ich vermute auch weiterhin, dass dies überhaupt nicht zum Berufsbild gehört. Warum dein Ausbilder diese Diskrepanz nicht gesehen hat, ist mir ein Rätsel, es ist aber nun mal so. Da du offenbar ein gutes Verhältnis zu deinem Ausbilder hast, DRINGENDER Vorschlag: Vergiss die ganzen (zu >>50% blödsinnigen) Beiträge hier im Forum. Zeig das, was du bisher entworfen hast (mehr oder weniger Unsinn, aber es zeigt deinen guten Willen, dich mit dem Thema auseinanderzusetzen) deinem Ausbilder und lass dich von ihm auf einen praktikablen Weg bringen. Ich hoffe mal, er versteht was von der Sache und kann dir einen solchen Weg aufzeigen. Wenn auf diese Weise ein Schaltungskonzept entstanden ist, bleiben noch etliche Hürden bei der Realisierung. Aufteilung der Verlustleistung auf mehrere Leistungshalbleiter und Abfuhr der Wärme ist eines davon. Bereichsumschaltung (wurde schon erwähnt) könnte helfen, erfordert allerdings entsprechenden Trafo. Auch den muss man erstmal finden. Btw. "etwas mehr fordert" ist arg untertrieben. Zwischen den Anforderungsniveaus von LM317 in Standardschaltung und 30V/5A mit eigenem Schaltungsdesign liegen Welten.
> Ich wiederhole aber auch meinen anderen Satz: von Schaltungsentwicklung > hast du keine Ahnung und du bist völlig auf dem Holzweg. Ich vermute > auch weiterhin, dass dies überhaupt nicht zum Berufsbild gehört. Warum > dein Ausbilder diese Diskrepanz nicht gesehen hat, ist mir ein Rätsel, > es ist aber nun mal so. Tatsächlich ist Entwicklung absolut nicht die Tätigkeit eines Elektroniker für Geräte und Systeme Azubi. Die Inhalte des Lehrplans ist eher auf Dimensionierung von Schaltungen, als auf komplette (neu-)Entwicklung ausgelegt. > > Vergiss die ganzen (zu >>50% blödsinnigen) Beiträge hier im Forum. Zeig > das, was du bisher entworfen hast (mehr oder weniger Unsinn, aber es > zeigt deinen guten Willen, dich mit dem Thema auseinanderzusetzen) > deinem Ausbilder und lass dich von ihm auf einen praktikablen Weg > bringen. Ich hoffe mal, er versteht was von der Sache und kann dir einen > solchen Weg aufzeigen. Tatsächlich fanden meine Ausbilder (Ein Meister und ein Ingenieur - als Betreuer im Bildungswerk), die Idee grundsätzlich machbar. Aber habe zurzeit nur jeden Freitag kontakt zu ihm im Bildungswerk, da der Meister in meinem Kooparativ-Betrieb schon seit Monaten krank ist. Bin also eher auf mich allein gestellt. Deswegen ruder ich wahrscheinlich jetzt wieder von der Ursprungsidee zurück, mit wenigen Bauteilen dies zu realisieren und nutze einen Spannungsfolger, oder Komparator, mit Shunt - welcher eine Spannungsdifferenz (in abhängigkeit vom fließenden Strom) am Eingang des OPV erzeugt. Diese sollte der OPV versuchen auszugleichen indem er Ua erhöht/verringert... ganz grob ähnlich wie es der LM317 auch macht. wenn ich das jetzt an die Basis meiner ursprünglichen Darlington Schaltung schicke, sollte dieser (in meiner Theorie) UCE verringern/erhöhen, so wie bei meiner letzten Schaltung auch. Wenn ich nun nichts vergessen habe, sollte dadurch HFE nur noch einen geringen einfluss auf das Verhalten geben, da es allein darum geht, den Spannungsfall des shunt konstant zu halten. Wenn das soweit das Problem beseitigen könnte, dann bleibt nur noch das Problem den richtigen Trafo zu finden, die Kühlung und das neue Aufstellen einer passenden Formel... Da fällt mir grad an, dass ein Komparator total Käse ist x) > > Btw. "etwas mehr fordert" ist arg untertrieben. Zwischen den > Anforderungsniveaus von LM317 in Standardschaltung und 30V/5A mit > eigenem Schaltungsdesign liegen Welten. Ich glaube das haben wir beide Unterschätzt.
Daniel S. schrieb: > Ich glaube das haben wir beide Unterschätzt. Deshalb würde ich an eine solche Aufgabe grundsätzlich anders herangehen. Du musst bedenken, dass das Thema für DICH eine neue Herausforderung ist, es aber Tausende von ANDEREN Schaltungsentwicklern gibt, die so etwas schon mal gemacht haben. KEINER davon ist bisher in diesem Forum aufgetaucht (auch ich gehöre nicht dazu), sonst hätte ja schon einer mal einen Schaltungsvorschlag posten können. Also, nie, Nie, NIE versuchen, das Rad neu zu erfinden, sondern erst einmal sehen, was es anderswo gibt. Dann sich daran entlang hangeln und modifizieren, falls erforderlich. Beispiel: FALLS du einen Schaltplan finden würdest für ein Netzteil mit 30V/3A und zwei parallelgeschalteten Endstufentransistoren, dann wäre das ein guter Startpunkt (willkürliches Beispiel, nur zur Erläuterung der Vorgehensweise). Du könntest daran sehen, wie die beiden Ausgangstransistoren parallelisiert werden. Auf die gleiche Weise zwei weitere Transistoren, aufpassen, dass die verdoppelte Ansteuerleistung zur Verfügung steht, und das Problem ist gelöst. Oder nur ein weiterer Transistor und für bessere Wärmeabfuhr sorgen. Eine konkrete Lösung habe ich nicht, aber mit einer solchen Vorgehensweise wirst du zum Ziel kommen.
Christian S. schrieb: > Daniel S. schrieb: >> Herrlich, der xxxx te LNG Thread, > > das flüssige natürliche Gas ist heutzutage in aller Munde... > > mfg Besser schon raus aus dem Tanker! Das werden aber die Froschfinder sicher verhindern, bevor beim Pöbel die Bude zu warm wird...
Imho lesenswert zu dieser Thematik (vieles direkt, einiges "nur" indirekt, oder teils auch mal weniger bis nicht damit Verbundene ebenfalls in zum Glück recht begrenzten Anteilen, enthalten) und deutschsprachig, aber nicht nur deshalb eine durchaus passende Ergänzung zur (dort ebfs. genannten) Agilent Applikationsschrift: Beitrag "Labornetzgerät - Fragen zum Schaltplan"
MaWin schrieb: > Vergiss die Schaltung, erstmal Grundlagen: > > https://dse-faq.elektronik-kompendium.de/dse-faq.htm#F.9.1 dse-FAQ = gute Wissensquelle (für vieles, auch hierfür). Also wenn Du diesen Link und die Agilent AN mal "gut durch" hast, kannst Du gern einen genaueren Blick in den Thread werfen. Darin wird evtl. bis dahin nicht Bedachtes oder Realisiertes bewußt gemacht - wenn man sich die Mühe macht, ihn zu lesen. Alles was mit µC Steuerung und mehreren Kanälen zu tun hat, darfst Du natürlich "überlesen" - und das Ur-Ur-Hörnchen Scrat sowieso, der außer auf "Moderneres = besser" zu verweisen doch nichts zustande brachte.
minit schrieb: > Beitrag "Labornetzgerät - Fragen zum Schaltplan" Monsterthread. Da ich nur interessehalber mitlese und nicht stundenlang Zeit darin investieren möchte und der TO vielleicht auch ein bisschen davon erschlagen ist: gibt es ein Fazit im Sinne eines ausgearbeiteten Schaltungsvorschlags? Oder nur unendlich viele schlaue Anmerkungen, was man machen müsste, könnte, sollte?
Schau dir den Schaltplan vom Labornetzteil "TNG35" an. Du kannst ihn z.B. vom Radiomuseum beziehen. Das war ein sehr solides Gerät aus Bauteilen, die man gut in Handarbeit verarbeiten kann. Die Schaltung ist überschaubar und sicher relativ leicht auf 5A erweiterbar. Sie basiert wie gewünscht auf zwei Operationsverstärkern, einer regelt die Spannung, der andere den Strom. Nur die 2N3055 möchtest du womöglich durch aktuellere Transistoren ersetzen, weil sie selten und irre teuer geworden sind.
Stefan ⛄ F. schrieb: > Nur die 2N3055 möchtest du womöglich durch aktuellere Transistoren > ersetzen, weil sie selten und irre teuer geworden sind. Ich, gefälsche gibt es für einen Appel und ein Ei. Bei Ersatz ist die Falscherei nicht unbedingt besser. Wahrscheinlich ist es am schlauesten, Tesla KD501 zu nutzen. Die dürften nicht gefälscht sein.
Christian S. schrieb: > Daniel S. schrieb: >> Herrlich, der xxxx te LNG Thread, > > das flüssige natürliche Gas ist heutzutage in aller Munde... Autsch! Im flüssigen Zustand ist das nicht sehr angenehm ... ;-)
Stefan ⛄ F. schrieb: > Sie basiert wie gewünscht auf zwei > Operationsverstärkern, einer regelt die Spannung, der andere den Strom. Bei dieser Standardschaltung kann man auch leicht mit 2 LEDs anzeigen, welcher Regelmodus gerade aktiv ist. Als Stellglied würde ich einen MOSFET bevorzugen, die sind für hohe Ströme besser geeignet (SOA-Kennlinie).
Peter D. schrieb: > Als Stellglied würde ich einen MOSFET bevorzugen, die sind für hohe > Ströme besser geeignet (SOA-Kennlinie). So so MOSFETs für lineare Regelung. An was dachtest du, laterale BUZ900 ? Und erst die Parallelschaltung bei hohen UGS(th) Abweichungen....
Peter D. schrieb: > Z.B. der APT10M19BVR kann bei 5A bis zu 70V ab. Bei TC = 25°C und maximaler Sperrschichttemperatur. Das muss man erstmal hinkriegen. 2N3055 gibt's bei Reichelt für gut einen Euro ab Lager. Sofern der nicht in der vorgeschlagenen Schaltung Schwingneigung entwickelt (was u. a. das Thema des Monsterthreads war), schiene mir das doch die einfachste Lösung.
Stefan ⛄ F. schrieb: > Schau dir den Schaltplan vom Labornetzteil "TNG35" an. Du kannst ihn > z.B. vom Radiomuseum beziehen. Ich nehme an, du meinst den angehängten Schaltplan. Ich habe mir erlaubt, den vom Radiomuseum zu klauen. Als Grundlage sieht mir das wirklich passend aus, aber mit ein paar Anmerkungen: 1. Den Schaltplan muss man erst einmal ordentlich abzeichnen, damit man die (eigentlich simple) Schaltung überhaupt versteht, der ist ja ein grausames Durcheinander. Dabei muss man dann auch aktuelle Halbleiter heraussuchen, was insbesondere die Schwingneigung beeinflussen könnte. Simulation ist sicher angeraten, man wird sich darauf aber nicht verlassen können. 2. Insbesondere die Schaltung von V8/V9 erschließt sich mir nicht. Das sieht für mich so aus, als wäre es prädestiniert für wilde Schwingungen. Sollte man da nicht mindestens noch einen Widerstand von Basis gegen Emitter vorsehen? 3. Man braucht für die hochliegende Regelung einen Trafo mit zweitem Wicklungspaar für (hinter Gleichrichtung/Stabilisierung) vermutlich +/- 12V. Lästig, aber nicht zu umgehen, ggf. mit zweitem Trafo. Oder einen (stabilisierten) Spannungswandler zur Entkopplung, das wäre vielleicht die modernere Lösung. 4. Um die Verlustleistung zu begrenzen, sollte man über Bereichsumschaltung am Trafo nachdenken. Ist natürlich zusätzlicher Aufwand. Das ganze Projekt kommt mir immer mehr so vor, als wäre es was für ein Meisterstück und nicht für AP2. Vielleicht sollte der TO doch noch mal mit seinem Betreuer darüber reden, ob man da nicht weit übers Ziel hinausgeschossen ist.
Dieter R. schrieb: > Dabei muss man dann auch aktuelle Halbleiter > heraussuchen, was insbesondere die Schwingneigung beeinflussen könnte. > Simulation ist sicher angeraten, man wird sich darauf aber nicht > verlassen können. :))) Klasse Aussage. Warum sollte man eine mindestens hundertfach real existierende Schaltung simulieren, wenn man sich auf das Ergebnis doch ohnehin nicht verlassen kann?
SchabbenDiDuWappBappDuWapp schrieb: > Warum sollte man eine mindestens hundertfach real existierende Schaltung > simulieren, wenn man sich auf das Ergebnis doch ohnehin nicht verlassen > kann? Lass mich raten: du hast noch NIE eine Schaltung simuliert, du hast KEINE Ahnung von Sinn, Verlässlichkeit und Grenzen von Spice-Simulationen. Du weißt auch nichts über den Unterschied von Originalbauteilen, für die es keine Spice-Modelle gibt, und aktuellen Ersatzbauteilen. Aber du musst unbedingt deinen Senf dazugeben, auch wenn es niemandem etwas nützt, am allerwenigsten dem TO.
SchabbenDiDuWappBappDuWapp schrieb: > Klasse Aussage. Natürlich stimmt die Aussage. Wer simuliert sollte sich der Grenzen der Simulation bewusst sein. Beispiel: der häufig verwendete 2N3055. Ein Klassiker. Die neuen 2N3055 halten zwar formal die Werte im Datenblatt ein, sind aber in neuer Technologie gefertigt. Folge sind viel höhere f0. Das führt schnell zu Schwingungen die in der Simulation nicht sichtbar sind weil das alte Modell verwendet wird.
Beitrag #7067525 wurde von einem Moderator gelöscht.
Dieter R. schrieb: > Insbesondere die Schaltung von V8/V9 erschließt sich mir nicht. Das > sieht für mich so aus, als wäre es prädestiniert für wilde Schwingungen Na ja, V9 wirkt stromverstarkend, so weit, so gut. V8 wirkt spannungserhöhend, damit die B2761 trotz der LEDs H3 H4 den Strom von der Endstufe zu sich umleiten können. Blöderweise verhindert V8 das Entladen der Basis, und macht daher die Geschwindigkeiten zum aufregeln und abregeln krass unterschiedlich. Prädestiniert zu schwingen in feinem Sägezahn, zumal der Stromregel-OpAmp unkompensiert ist. Die zweite bipolare Spannungsversorgung kann bein einschalten und ausschalten plus haben obwohl minus noch nicht ausreicht, dann reisst die Endstufe die Spannung nach oben, egal was eingestellt ist. Für 2.5A Laststrom sind 4700uF knapp dimensioniert, das bewirkt 5V Verlust pro Halbwelle. Die 2 KD502 für 30V/2.5A müssen je 40V/1.25A verbraten, 50W, geht, beides reicht aber nicht für 30V/5A. Es sind also alle Fehler drin, die 1970 nicht nur von den Hobbyisten so gern gemacht wurden.
Beitrag #7067554 wurde von einem Moderator gelöscht.
MaWin schrieb: Alles richtig, aber dies nicht so ganz: > Stromregel-OpAmp unkompensiert ist. B2761 (angeblich) = TAA2761A ist intern frequenzkompensiert. Der Op-Amp für den Spannungszweig hat aber ZUSÄTZLICH noch eine externe Kompensation bekommen. Fun Fact: Reichelt bietet TAA2761A an. Das verlinkte Datenblatt ist aber B2761, VEB Halbleiterwerk Frankfurt/Oder von 1986, Diagramme handgemalt! Vielleicht sollte man WIRKLICH einen modernen Typ dafür aussuchen. > Die zweite bipolare Spannungsversorgung kann beim einschalten und > ausschalten plus haben obwohl minus noch nicht ausreicht, dann reisst > die Endstufe die Spannung nach oben, egal was eingestellt ist. Sicher? Ebenso, was passiert, wenn eine der beiden Spannungen wg. Defekt ausfällt? Das gehört zu den Punkten, die ich erstmal simulieren würde. Ggf. muss man da noch was verriegeln, oder unipolare Versorgung, virtuelle Masse bilden.
Beitrag #7067565 wurde von einem Moderator gelöscht.
Beitrag #7067566 wurde von einem Moderator gelöscht.
Dieter R. schrieb: > Fun Fact: Reichelt bietet TAA2761A an. Das verlinkte Datenblatt ist aber > B2761, VEB Halbleiterwerk Frankfurt/Oder von 1986, Diagramme handgemalt! Echt witzig in 2022. Aber handgemalt heißt ja nicht schlecht. Und wenn ich mir die Diagramme anschaue, dann sehe ich, daß die Entwickler da sehr gut über ihren Baustein Bescheid wußten.
BappenDiWappDuppZippDuSchnapp schrieb im Beitrag #7067554: > Wo warst Du nur 1970, großer Meister Noch nicht auf der Welt, aber mir begegneten die fehlerhaften Baupläne schon als Kind, wie ich bitter beim Nachbau erfahren musste. Im Gegensatz zu dir habe ich draus gelernt, das macht dann wohl den Meister aus. Dieter R. schrieb: > B2761 (angeblich) = TAA2761A ist intern frequenzkompensiert Aber wie alle OpAmps nicht mehr, wenn extern zusätzliche Verstärkung kommt, wie in dieser Schaltung.
Nachtrag: Wenn ich mir die Schaltung nochmal angucke, dann finde ich sie eigentlich bescheuert. R14 steuert grundsätzlich die Endtransistoren voll auf, ein Ausfall im Regelkreis führt also dazu, dass unbegrenzt und ungesichert voller Kurzschlussstrom am Ausgang auftritt. Fail-Safe ist was anderes. Umgekehrt wär's besser, Regelkreise steuern aktiv auf, nicht ab. Macht vermutlich den Übergang von Spannungs- auf Stromregelung komplizierter, oder vielleicht auch bloß die LED-Anzeige dafür. @ Stefan ⛄ F. (stefanus): hast du nicht noch einen besseren Vorschlag aus deinem Fundus?
Beitrag #7067701 wurde von einem Moderator gelöscht.
Dieter R. schrieb: > Wenn ich mir die Schaltung nochmal angucke, dann finde ich sie > eigentlich bescheuert. R14 steuert grundsätzlich die Endtransistoren > voll auf, ein Ausfall im Regelkreis führt also dazu, dass unbegrenzt und > ungesichert voller Kurzschlussstrom am Ausgang auftritt Das ist aber normal bei HP-Style Netzteiltopologie.
Beitrag #7067783 wurde von einem Moderator gelöscht.
Beitrag #7067794 wurde von einem Moderator gelöscht.
Beitrag #7067798 wurde von einem Moderator gelöscht.
Dieter R. schrieb: > Den Schaltplan muss man erst einmal ordentlich abzeichnen, damit man die > (eigentlich simple) Schaltung überhaupt versteht Auf der Webseite gibt es einen besser angeordneten mit farbigen Hervorhebungen.
Dieter R. schrieb: > hast du nicht noch einen besseren Vorschlag aus deinem Fundus? Nein. Trotz aller Kritik hier kann ich aus eigener Erfahrung versichern, das mir das Gerät mehr als 25 Jahre lang bestens gedient hat. Und ich bin ganz bestimmt nicht der einzige, der das damals gekauft hatte. Das war damals ein bestseller, deswegen gab es später auch doppelte Varianten und welche mit digitaler Anzeige. Ich hatte es mal etwas kleiner als 20V 1,5A mit anderen Transistoren nachgebaut. Hat auf Anhieb funktioniert. Da schwingt nichts. Und wenn doch, wäre das kein unlösbares Problem.
Stefan ⛄ F. schrieb: > Dieter R. schrieb: >> hast du nicht noch einen besseren Vorschlag aus deinem Fundus? > > Nein. Trotz aller Kritik hier kann ich aus eigener Erfahrung versichern, > das mir das Gerät mehr als 25 Jahre lang bestens gedient hat. Na denn, also Empfehlung für Daniel: Endstufe verdoppeln, Gleichrichter/Elko anpassen, passenden Trafo suchen bzw. anderweitig Hilfsspannungen erzeugen, nachrechnen, ob der nötige Strom für die Ansteuerung der Endstufe zur Verfügung steht und ggf. anpassen. Power-Up und Schwingneigung in Simulation überprüfen. Ist für AP2 ein wirklich anspruchsvolles Programm. Was vergessen? Ein Layout, an dem er sich orientieren kann, wäre vielleicht ganz hilfreich. Hast du sowas? Falls Daniel oder jemand anders noch etwas Muße hat: Bereichsumschaltung zur Verminderung der thermischen Belastung. Auf Radiomuseum.org gibt es den Schaltplan einer späteren Version desselben Netzteils, weniger Nachbau-geeignet, aber mit Bereichsumschaltung. Eventuell kann man sich daran orientieren, mir gefällt es aber nicht, ich würde es anders machen.
Dieter R. schrieb: > Ein Layout, an dem er sich orientieren kann, wäre > vielleicht ganz hilfreich. Hast du sowas? Nein, das Layout war nicht öffentlich. Den Nachbau hatte ich frei-Schnauze auf Lochraster gelötet.
Noch ein Fundstück aus dem Internet, das neuere Gerät mit Digitalanzeige. Mehrere Hilfsspannungen, einige geänderte Bauteile. Sollte man sich vielleicht dran orientieren. Das Referenzgerät dazu kann man bei Ebay erwerben, 29 Jahre jung und noch ungebraucht: https://www.ebay.de/itm/144558415797
Dieter R. schrieb: > davon erschlagen ist: gibt es ein Fazit im Sinne eines ausgearbeiteten > Schaltungsvorschlags? Ja sicher, und auch selbst aufgebaute. Und die auch direkt Kurzschluss aus maximaler Spannung und gleichzeitig max. Strom aushalten. Und die Serien tauglich dimensioniert sind Oder nur unendlich viele schlaue Anmerkungen, was > man machen müsste, könnte, sollte? Gegenfrage: der TE soll eine Aufgabe lösen, und zwar selbständig. Warum also hier ihm die Arbeit abnehmen, und seine Hausaufgaben kopierfertig lösen?
Beitrag #7067949 wurde von einem Moderator gelöscht.
Beitrag #7067978 wurde von einem Moderator gelöscht.
Andrew T. schrieb: > Gegenfrage: der TE soll eine Aufgabe lösen, und zwar selbständig. > Warum also hier ihm die Arbeit abnehmen, und seine Hausaufgaben > kopierfertig lösen? Das kann ich dir beantworten: weil es nicht einer der hier regelmäßig auftauchenden Fachhochschulstudenten (die heißen heute wohl anspruchsvoller, egal) ist, die zu faul sind, ihre Skripte zu lesen , sondern ein Azubi, dem man eine völlig überdimensionierte Aufgabe zugeschustert hat. Ich finde, da ist Hilfe angebracht. Aufbauen muss er es sowieso selbst, das allein wäre eine anspruchsvolle Aufgabe für ihn. Für uns andere, die nur peripher mit dem speziellen Gebiet vertraut sind, wäre es übrigens auch ein Wissensgewinn.
Dieter R. schrieb: > Nachtrag: Wenn ich mir die Schaltung nochmal angucke, dann finde ich sie > eigentlich bescheuert. R14 steuert grundsätzlich die Endtransistoren > voll auf, ein Ausfall im Regelkreis führt also dazu, dass unbegrenzt und > ungesichert voller Kurzschlussstrom am Ausgang auftritt. Fail-Safe ist > was anderes. Es ist recht simpel und hat damit den Charme, dass wenig kaputt gehen kannt. Und bei korrekter Dimensionierung tut es das auch nicht. Am meisten vom Ausfall betroffen sind die Bauteile, bei denen Leistung im Spiel ist. Die wirst Du aber vermutlich nicht aus der Schaltung bekommen. Dieter R. schrieb: > ein Azubi, dem man eine völlig überdimensionierte Aufgabe > zugeschustert hat Nö. Haben meine Lehrlinge damals auch gemacht. 40V 4A - also selbe Größenordnung. Und außerdem: Daniel S. schrieb: > „bei Ihrem hohem fachliches Wissen (für ein Azubi), > sollten Sie besser etwas machen, was Sie etwas mehr fordert“. Na bitte. Dann sollte er es auch noch schaffen, wie meine Lehrlinge noch einen µC mit Display und Drehgebern anzubauen, mit dem man das Ding einstellen kann. Gruß Jobst
Jobst M. schrieb: > Nö. Haben meine Lehrlinge damals auch gemacht. 40V 4A - also selbe > Größenordnung. Eigenes Schaltungsdesign ohne Vorlage? Das nehme ich dir nicht ab. Klar kann man sich einfach mal was zusammenreimen und sicher besser, als der TO das zu Anfang gemacht hat. Das ergibt aber nicht automatisch eine funktionssichere Schaltung, sondern ist bestenfalls der Beginn einer längeren Lernkurve. Ich habe genug mit Ingenieuren gearbeitet. KEINER von denen hätte sowas betriebssicher aus dem Stegreif designen können, wenn er nicht in diesem Feld schon fachlich vorgebildet gewesen wäre. Und der TO ist eben nicht fachlich vorgebildet, das kann man ihm nicht vorwerfen. Hier im Forum gab's ja auch nur schlaue Sprüche ohne Substanz, bis Stefan F. mit der alten Voltcraft-Kiste kam.
Dieter R. schrieb: > Noch ein Fundstück aus dem Internet, das neuere Gerät mit > Digitalanzeige. Mehrere Hilfsspannungen, einige geänderte Bauteile. > Sollte man sich vielleicht dran orientieren. > > Das Referenzgerät dazu kann man bei Ebay erwerben, 29 Jahre jung und > noch ungebraucht: > > https://www.ebay.de/itm/144558415797 Erstmal: vielen Dank, dass ihr euch so viel Mühe gibt mir gute Vorschläge zu machen, bin sehr überrascht :) Sie Probleme an dem aktuellen Vorschlag sind aber: Mir Bleiben nur noch 1 Woche für den Bericht und 2 Wochen bis zur Prüfung. Ich bezweifle, dass ich das in der Zeit schaffe. Auf den ersten und zweiten Blick erschlägt mich zugegeben diese Schaltung. Ich werde morgen mal das ganze in die Simulation hauen, vielleicht geht mir dann ein Licht auf. Aktuell habe ich da kaum eine Übersicht. Heute habe ich mal versucht die Darlington Schaltung mit einem Impedanzwandler anzusteuern. Ganz grob: Ich kam auf die Idee, am emitter mit einem shunt den Spannungsfall zu messen, welche der Impedanzwandler mit einer eingestellten Referenz Spannung vergleicht und entsprechend den Basisstrom erhöht oder senkt und somit den Strom festlegt. Bei meinen ersten Versuch scheiterte aber dieser Versuch… Sobald ich eine beliebige Last schalte, bricht die Spannung auf 0 ab, auch die referenzspannung bricht auf 0 ab, bei stabiler Betriebsspannung. Langsam kommt Verzweiflung auf. In der Simulation tretet es manchmal auf, dass über die Rückkopplung des OPV die Spannung auf 0V gezogen wird. Ich weis jetzt nur nicht wie man das verhindert… vielleicht ein Kondensator? Ich sollte zur Sicherheit mal besser die Alternativen festlegen: Was würdet ihr von einem LM723 halten? Wenn bei der Simulation morgen sich herausstellt, dass es doch ganz simpel ist, werde ich mich den vielleicht annehmen.
Daniel S. schrieb: > Heute habe ich mal versucht die Darlington Schaltung mit einem > Impedanzwandler anzusteuern. > > Ganz grob: > Ich kam auf die Idee, am emitter mit einem shunt den Spannungsfall zu > messen, welche der Impedanzwandler mit einer eingestellten Referenz > Spannung vergleicht und entsprechend den Basisstrom erhöht oder senkt > und somit den Strom festlegt. > Bei meinen ersten Versuch scheiterte aber dieser Versuch… > Sobald ich eine beliebige Last schalte, bricht die Spannung auf 0 ab, > auch die referenzspannung bricht auf 0 ab, bei stabiler > Betriebsspannung. > Langsam kommt Verzweiflung auf. > > In der Simulation tretet es manchmal auf, dass über die Rückkopplung des > OPV die Spannung auf 0V gezogen wird. > Ich weis jetzt nur nicht wie man das verhindert… vielleicht ein > Kondensator? > > Ich sollte zur Sicherheit mal besser die Alternativen festlegen: > Was würdet ihr von einem LM723 halten? Vergiss das alles. Nimm die erprobte Voltcraft-Variante. Eine einfachere Schaltung gibt es nicht. Zeichne die Schaltung sauber auf und versuche, sie zu verstehen. Wenn du dann noch ein Verständnisproblem damit hast, dann frag, aber zeig dazu den Schaltplan vor und frage explizit, wo dein Problem ist. Für Verzögerungen durch eigene (unausgegorene und unerprobte) Ideen hast du einfach keine Zeit mehr! Mehr Ratschläge kann man dir nicht geben. Einen einfachen Schaltplan mit LM723 und 5A wirst du nicht finden, da ist die Zusatzbeschaltung insgesamt aufwendiger und undurchsichtiger. Du hast noch genug zu tun, die Voltcraft-Version auf 5A aufzubohren, die passenden Bauteile zu beschaffen und das alles zusammenzubauen. Mit Beschaffung musst du SOFORT anfangen, eigentlich ist es dafür schon zu spät und Fehler (Teile vergessen/Falschbestellungen) dürfen dir dabei nicht passieren. Eine Woche, um das zusammenzuschreiben, sollte kein Problem sein. Zwei Wochen zum Aufbau wird knapp, aber möglich. Frage ist, was du in den zwei Wochen noch so tun musst. Ein paar Tage solltest du ja noch für Inbetriebnahme und Fehlersuche haben. Jedenfalls musst du jetzt endlich LOSLEGEN und keine Zeit mehr mit Umwegen vertrödeln. Mach einen genauen Zeitplan, mit Zielen für JEDEN Tag. So lernst du nebenbei noch ein bisschen Projektplanung.
Man könnte den oberen OPV mit der LED weglassen. Sie dient nur zur Anzeige der eingestellten Stromgrenze.
Dieter R. schrieb: > Eigenes Schaltungsdesign ohne Vorlage? Das nehme ich dir nicht ab. Natürlich nicht! Das habe ich auch nie gesagt. Sie sollten sich vorher informieren, wie sowas gehen kann. Dieter R. schrieb: > Hier im Forum gab's ja auch nur schlaue Sprüche ohne Substanz, bis > Stefan F. mit der alten Voltcraft-Kiste kam. Auf einen Thread mit einer Schaltung nach diesem Prinzip habe ich schon wesentlich vorher einen Link gelegt. Gruß Jobst
von vor 34 Jahren: Schulprojekt Netzteil: 0-35V / 0-5A (FTKL = Fertigungstechnik & Konstruktionslehre) https://www.ms3071bhk.at/_downloads/85f873119ac7aa1755576ecd605e1b97 (Doku als es noch nicht Doku hies, offensichtlich mit Erklärungen und Schaltplan) weis nicht ob das was helfen könnte. Funktioniert hat es letztendlich, wie ich damals zu den Erkenntnissen kam weis ich nimmer, aber jedenfalls zugegeben: ich weis heute absolut nichts mehr drüber ....
Martin S. schrieb: > von vor 34 Jahren: > > Schulprojekt Netzteil: 0-35V / 0-5A > (FTKL = Fertigungstechnik & Konstruktionslehre) Bin echt beeindruckt. Unterstreicht meine Worte, dass es mit 723 aufwendiger wird bzw. eigentlich begreife ich gar nicht, wozu der gut ist (offenbar bloß als Referenz, bisschen aufwendig für den Zweck). Lustig sind die "übersehen?"-Anmerkungen am Schaltplan. Sollte da der Prüfer was übersehen haben?
Martin S. schrieb: > von vor 34 Jahren: > > Schulprojekt Netzteil: 0-35V / 0-5A > (FTKL = Fertigungstechnik & Konstruktionslehre) > > https://www.ms3071bhk.at/_downloads/85f873119ac7aa1755576ecd605e1b97 > > (Doku als es noch nicht Doku hies, offensichtlich mit Erklärungen und > Schaltplan) > > weis nicht ob das was helfen könnte. > Funktioniert hat es letztendlich, wie ich damals zu den Erkenntnissen > kam weis ich nimmer, aber jedenfalls zugegeben: ich weis heute absolut > nichts mehr drüber .... Sehr beeindruckend! War das ein Azubiprojekt? Werde mir das morgen auch nochmal genauer anschauen.
Dieter R. schrieb: > Du > hast noch genug zu tun, die Voltcraft-Version auf 5A aufzubohren, die > passenden Bauteile zu beschaffen und das alles zusammenzubauen. Es gibt von Voltcraft auch 5A Netzteil Versionen, vielleicht sollte man gleich die als Vorlage nehmen. Die 2761 OPs haben einen open Kollektor Ausgang, das sollte man beachten.
Daniel S. schrieb: > Mir Bleiben nur noch 1 Woche für den Bericht und 2 Wochen bis zur > Prüfung. > Ich bezweifle, dass ich das in der Zeit schaffe. Das wird eng. Ich würde mehr oder weniger auf eine bewährte Schaltung zurückgreifen, es gibt zu viele Fallstricke und wenn Du ganz neu entwickelst, dann wird die Zeit nicht reichen um die Fehler zu finden und zu beseitigen. > Was würdet ihr von einem LM723 halten? Der LM723 ist für so ein (Labor) Netzteil immer die 1. Wahl. Da gibt es auch genügend Beispielschaltungen an denen man sich orientieren kann. Einfacher aber ist der LM317. Wenn Du bei Google Bildersuche 'LM317 2N3055 power supply' eingibst, da gibt es einige Treffer. Z.B. obige, welche für 20A sein soll. Mit Vorsicht zu genießen, aber das Prinzip mit mehreren parallel geschalteten 2N3055 wird klar. Die Applikationsschriften bzw. Applikationsvotschläge in den Datenblättern sind immer sehr hilfreich.
Edit: die obige Schaltung mit den vier 2N3055 erfüllt nur geringe Ansprüche. Die Ausgangsspannung wird nicht durch den LM317 geregelt. Es gibt noch die Möglichkeit mehrere LM317 parallel zu schalten. Siehe Applikationsschriften.
Martin S. schrieb: > wie ich damals zu den Erkenntnissen > kam weis ich nimmer, aber jedenfalls zugegeben: ich weis heute absolut > nichts mehr drüber .... Ach, kein Problem. Du hast einfach die zugängliche Quelle(n) a.k.a. Zeitschriften sorgfältig gelesen. Da Schaltung ist an diverse Funkschau 12/73, ELV, Elrad, Elektor und HP Analogien angelehnt -- "damals" (=1988) dir sicher näher als heute. Die Kompensation im Spannungs-Regelteil gegen Schwingneigung mit Auslegung R und C Gliedern macht man sicher nicht mal "so eben" . Dein Prüfer war aber auch nicht von Pappe, wie man an seinen zahlreichen sehr treffenden Anmerkungen (rot) sieht - Respekt vor seiner Sorgfalt und konstruktiver Kritik!
Mohandes H. schrieb: > Es gibt noch die Möglichkeit mehrere LM317 parallel zu schalten. Siehe > Applikationsschriften. Der TE wollte (ursprünglich) den (Maximal-) strom einstellen können.Da geht mit parallel geschalteten 317 nicht ohne weiteres.
Martin S. schrieb: > Schulprojekt Netzteil: 0-35V / 0-5A > (FTKL = Fertigungstechnik & Konstruktionslehre) > https://www.ms3071bhk.at/_downloads/85f873119ac7aa1755576ecd605e1b97 Toll gemacht und eine verdiente 2. Der Prüfer hat sich das auch sorgfältig durchgelesen, wie man an seinen Anmerkungen sieht. Deckblatt in Normschrift. Daran, und an die Schablonen, habe ich auch unschöne Erinnerungen. Oder die Tuschefüller <0,25 immer verstopft. Generell hat man in der vor-EDV-Zeit sehr sorgfältig gearbeitet. Copy & Paste war nicht, jede Grafik ein Original.
Mohandes H. schrieb: > Ich würde mehr oder weniger auf eine bewährte Schaltung zurückgreifen, Das ist doch derselbe Scheiss. Liefert keine geregelte Spannung, hat zudem keine Strombegrenzung, keinen Kurzschlussschutz, keinen SOA-Schutz, warum fallt ihr auf jeden Scheiss rein, 'sieht so schön einfach aus' (weil auf alles wichtige verzichtet wurde) und schlagt eure Unwissenheit dann auch noch Unwissenderen vor ? Mohandes H. schrieb: > Der LM723 ist für so ein (Labor) Netzteil immer die 1. Wahl Natürlich nicht. Warum nicht erst Grundlagen lernen ? https://dse-faq.elektronik-kompendium.de/dse-faq.htm#F.9.1
MaWin schrieb: > Warum nicht erst Grundlagen lernen ? > > https://dse-faq.elektronik-kompendium.de/dse-faq.htm#F.9.1 Dafür ist das zu spät, wenn in 2 Wochen alles fertig sein soll. Selbst wenn der TE den Bausatz von Banggood bestellen würde, dürfte der zu spät kommen.
Ich sehe gerade, daß der überaus kritikfähige, von mir hoch geschätzte... Nee, ich lass das lieber mit dem Heucheln: Also hier noch einmal mein gestriger Text, denn es ist immer Alles noch einmal vorhanden: Lothar M. schrieb: > Michael M. schrieb: >> Ebenso der LM317! > Ist das die legendäre 5A-Variante dieses Bausteins? Soll woll witzig sein? Okay -ich lache dann da mal in November drüber. Der LM338 kann für den vorliegenden Fall verwendet werden und in Verbindung mit der von Michael Metzer modifizierten Schaltung läßt sich dann auch prima eine einstellbere Strombegrenzung realisieren. Aber so weit reicht's wieder mal nicht bei Dir.
MaWin schrieb: > Mohandes H. schrieb: > >> Der LM723 ist für so ein (Labor) Netzteil immer die 1. Wahl > > Natürlich nicht. > Warum nicht erst Grundlagen lernen ? > https://dse-faq.elektronik-kompendium.de/dse-faq.htm#F.9.1 Natürlich doch (der 723). Geht hier nicht um mich, der erstmal Grundlagen lernen sollte, sondern um den TO der nur noch 1-2 Wochen Zeit hat. Da geht es nicht um ein technisch ausgereiftes Gerät mit allen Finessen sondern um eine möglichst einfache Schaltung die in ein paar Tagen zum Funktionieren gebracht werden kann. Incl. Bestellung der Bauteile. Da muß man eben Abstriche an die Perfektion machen um das noch zeitlich zu schaffen.
MaWin schrieb: > Liefert keine geregelte Spannung, hat zudem keine Strombegrenzung, > keinen Kurzschlussschutz, keinen SOA-Schutz, warum fallt ihr auf jeden > Scheiss rein, 'sieht so schön einfach aus Alles bekannt. Das ist keine fertige Schaltung, das war nur ein Beispiel wie mehrere 2N3055 parallel geschaltet werden können. Wie Dir sicher bekannt ist, setzt sich jede kompexe Schaltung aus einzelnen, einfachen Blöcken zusammen. Spannungsregelung, Strombegrenzung, Kurzschlußschutz, usw.
Der müde Joe schrieb: > Der LM1084 würde sich anbieten. Liefert bis 5,5A und hat Strombegrenzung > usw. schon eingebaut. Und darf bestimmt 25 Watt verheizen.. (Mann Leute, Grundlagen...)
Der müde Joe schrieb: > Der LM1084 würde sich anbieten. Liefert bis 5,5A und hat > Strombegrenzung > usw. schon eingebaut. Viel zu hoher Wärmewiderstand!
H. H. schrieb: > Der müde Joe schrieb: >> Der LM1084 würde sich anbieten. Liefert bis 5,5A und hat >> Strombegrenzung >> usw. schon eingebaut. > > Viel zu hoher Wärmewiderstand! Und zu niedrige Betriebsspannung. Aber jetzt kommt bestimmt als nächstes irgend so ein Genius und schlägt vor, man könne ja mehrere parallel und in Serie schalten.
Du schreibst, du willst eine einstellbare Strombegrenzung. Das geht eigentlich sogar recht einfach. Der Regler braucht 1,25V Referenzspannung. Man nimmt dann einen OPV nichtinvertierend, 10fache Verstärkung, und einen Strommesswiderstand mit 0,125V / 5A ist dann 0,625W Verlustleistung maximal. Der Widerstandswert ist 25 Milliohm. Ich bin sicher, da lässt sich 'was beim Reichelt zusammenstellen. Von mir aus auch mit Widerstandsdraht selberwickeln. In den Rückkopplungszweig packst du deine Festwiderstand-Potentiometer-Kombination und kannst damit die Strombegrenzung ab 0,125A aufwärts einstellen. Die Ausgangsspannung stellst du ganz klassisch über das Potentiometer am ADJ-Eingang ein, oder über einen zweiten OPV. Wie in den AppNotes. Um unter 1,25V Ausgangsspannung zu kommen, brauchst du eine kleine negative Spannung. Wenn du das unbedingt haben willst. Lässt sich mit einer kleinen Ladungspumpe wie ICL7660 machen, oder einem MAX232. Kannst natürlich auch einen Trick machen und einfach eine Leistungsdiode am Ausgang in Reihe schalten, oder zwei Stück. Da müsstest du dann ziemlich genau auf 0V 'runterkommen. Aber das ist natürlich nur Bastelei. Viel Erfolg!
In diesem Thread ist alles gesagt -- aber noch nicht von jedem. @mod:
Andrew T. schrieb: > In diesem Thread ist alles gesagt -- aber noch nicht von jedem. Doch, sogar mehrfach von jedem, selbst der Joe hat nun mehrfach seinen ermüdenden Quark dazu beigetragen. Das Schlimme ist, wir haben eine einfache Lösung gefunden, die sich mit ein bisschen Nachdenken auf die vom TO geforderten Parameter anpassen lässt. Das sollte der TO eigentlich schaffen. Es wurde von mehreren Forumsteilnehmern bestätigt, dass diese Lösung nachbausicher ist, einschließlich einem 34 Jahre alten Beispiel mit der gleichen Zielsetzung wie beim TO und zugehöriger Schaltungsbeschreibung. Das Schaltungsprinzip steht fest und ist immer das Gleiche, es gibt für den TO zur Auswahl ein paar kleine Varianten, im Wesentlichen bei der Erzeugung der Referenzspannung und den eingesetzten Op-Amps. Also eigentlich alles easy, sollte man meinen. Aber es muss immer wieder jemand dazwischengrätschen mit einer völlig spinnerten Idee. Das war jetzt die freundlichste und positivste Wortwahl, die ich dafür finden konnte.
Da Fragen gestellt wurden, auch vom TO, will ich nur ganz kurz replizieren: Dieter R. schrieb: > Lustig sind die "übersehen?"-Anmerkungen am Schaltplan. Sollte da der > Prüfer was übersehen haben? Ich glaube, das war gemeint das der Prüfer schon mal dick rot bei beiden OPVs die beiden Versorgungsleitungen eingezeichet hat - weil er meinte die fehlen - und dann mit "übersehen" markiert hat, das die eh da sind, aber von mir sehr seltsam weit rechts fast beim Ausgang eingezeichnet sind ... Daniel S. schrieb: > War das ein Azubiprojekt? Nein, das war ein Projekt in der 3. Klasse HTL, ich glaube so eine Schulform gibt es in DE nicht. Ist so eine Art technische Oberstufe, dauert 5 Klassen (ich schreib jetzt nicht Jahre ;-), und endet mit Matura/Abitur (und nach 3 Jahren Praxis mit Standesbezeichnung "Ingenieur"). Ich denke ich war damals 16 oder 17. Es war nicht so gefordert, man konnte sich das Projekt mehr oder weniger selber aussuchen. Ich erinnere mich, das Kollegen auch einfach was im kleinen Lochrasteraufbau abgegeben haben. Andrew T. schrieb: > Ach, kein Problem. Du hast einfach die zugängliche Quelle(n) a.k.a. > Zeitschriften sorgfältig gelesen. > > Da Schaltung ist an diverse Funkschau 12/73, ELV, Elrad, Elektor und HP > Analogien angelehnt -- "damals" (=1988) dir sicher näher als heute. Das ist sogar sehr sicher. Ich hoffe, zumindest anhand der Unterlagen, das ich es -damals zumindest- zumindest verstanden habe, "selber erfunden" habe ich das ganz sicher nicht. (War sicher auch gar nicht gefordert). Internet gabs nicht, aber bei dem was du erwähnst, würde ich jetzt auf Elektor tippen, ich glaube diese Zeitschrift hatten wir zur Verfügung. Ich habe noch nicht ganz herausgefunden, was eine AP2 ist (das dürfte es in AT nicht geben?), aber Daniel, ich denke du kannst es immer noch schaffen (in der verbliebenen Zeit), wenn du dich auf eine Referenzschaltung/Referenzbeispiel konzentrierst und das nachstellst / erklären kannst. Es täte mich schon sehr wundern, wenn sich die Zeit so "verschärft" hätte, das das nicht reicht und du was absolut eigenständiges abgeben müsstest, das glaub ich nicht. Aber jedenfalls: ALLES GUTE!
Bitte melde dich an um einen Beitrag zu schreiben. Anmeldung ist kostenlos und dauert nur eine Minute.
Bestehender Account
Schon ein Account bei Google/GoogleMail? Keine Anmeldung erforderlich!
Mit Google-Account einloggen
Mit Google-Account einloggen
Noch kein Account? Hier anmelden.








