Hallo, ich habe eine Schaltung die als synchroner Step-Down Wandler arbeitet. Diese wird von einem ESP32 angesteuert, dient als MPPT für Solarzellen und Pb Batterien. Da die Software noch nicht ausgereift ist, ist mir schon ein paar Mal der bzw. die LOW-Side Mosfets abgeraucht. Ich finde die Hardware sollte möglichst Zerstörungsfrei sein, selbst wenn der Controller mal abschmiert. Daher meine Idee: mittels Shunt zwischen LOW Side Mosfets und GND mit einem OP (welcher?) den Strom messen und bei einem gewissen Wert der unterhalb des maximalen vom Mosfet liegen muss, den /SD Shutdown Eingang des IR22104 auf Low zu ziehen. Das ganze wird mit 70 oder 150KHz getaktet (je nach Speicherdrossel). Frage: habt Ihr Erfahrungen, ein Beispielschaltbild oder andere Vorschläge wie man den Mosfet vor dem Tod schützen kann? Edit:würde sowas wie im Bild H-Brücke funktionieren? Nur als Komperator?
Wolfram F. schrieb: > Frage: habt Ihr Erfahrungen Normalerweise macht man das mit einem FlipFlop: eingeschaltet von steigender Flanke des PWM Ausgangs und zurückgesetzt von fallender, wird es auch (vorzeitig, innerhalb 1us) zurückgesetzt wenn Überstrom erkannt wird und bleibt dann bis zum Ende der PWM Periode aus. Dein SD bewirkt Ausschalten beider MOSFETs nur so lange Überstrom da ist und der ist beim ausschalten ja gleich wieder weg. Aber die direkte Parallelschaltung der 3 low side MOSFETs ohne Gate-Widerstânde is begging for problems.
> Dein SD bewirkt Ausschalten beider MOSFETs nur so lange Überstrom da ist > und der ist beim ausschalten ja gleich wieder weg. Das würde nicht groß stören, Hauptsache ist den/die Mosfets hardwaremäßig vor dem durchbrennen zu schützen. Vielleicht gibt es ja ne Methode (ohne weitere Mosfets) die nur den Low Side schützen. > Aber die direkte Parallelschaltung der 3 low side MOSFETs ohne > Gate-Widerstânde is begging for problems. Ok, da hast Du Recht, 3x 33Ohm davor sollte gut sein, ändert aber nicht das eigentliche Problem. Ziel ist es, die Hardware (fast) unkaputtbar zu machen. (Ok, Überspannungen sind was anderes, aber die treten hier nicht auf)
Wolfram F. schrieb: > Da die Software noch nicht ausgereift ist, ist mir schon ein paar Mal > der bzw. die LOW-Side Mosfets abgeraucht. Wie das? Werden die Mosfets durch zu langes Einschalten (evtl. sogar wegen Breakpoints) von der Energie in den Ausgangskondensatoren oder sogar vom angeschlossenen Akku zerstört? In diesem Fall würde sogar schon ein simples Monoflop ausreichen, das bei Ausbleiben von PWM-Impulsen nach einem Taktzyklus den Treiber per SD deaktiviert. Wenn es natürlich daran liegt, dass du die Dinger aufgrund von Rechenfehlern mit dem falschen Tastverhältnis ansteuerst, dann brauchst du die Lösung mit dem Flipflop. Aber im Grunde eben so aufgebaut, dass sie auch für die Highside-Fets funktioniert. > Edit:würde sowas wie im Bild H-Brücke funktionieren? Da ist jetzt die Abschaltung der Mosfets ja noch nicht drin. > Nur als Komperator? Komp_a_rator. Aber der ist nichtmal nötig, wenn bei Überstrom die Spannung an den Shunts soweit ansteigt, dass du damit ein Flipflop direkt triggern kannst.
Lothar M. schrieb: > Wolfram F. schrieb: >> Da die Software noch nicht ausgereift ist, ist mir schon ein paar Mal >> der bzw. die LOW-Side Mosfets abgeraucht. > Wie das? Werden die Mosfets durch zu langes Einschalten (evtl. sogar > wegen Breakpoints) von der Energie in den Ausgangskondensatoren oder > sogar vom angeschlossenen Akku zerstört? Ich denke mal durch den angeschlossenen Akku. > Wenn es natürlich daran liegt, dass du die Dinger aufgrund von > Rechenfehlern mit dem falschen Tastverhältnis ansteuerst, dann brauchst > du die Lösung mit dem Flipflop. Aber im Grunde eben so aufgebaut, dass > sie auch für die Highside-Fets funktioniert. Die High-Side Mosfets sind noch nie durchgebrannt, immer nur der Low-Sid. Sehe ich das richtig: wenn der Ausgang des OP high wird, damit auf den SET Eingang des FlipFlops und den CLR Eingang an den PWM? (Ausgang FF an /SD) >> Nur als Komperator? > Komp_a_rator. Aber der ist nichtmal nötig, wenn bei Überstrom die > Spannung an den Shunts soweit ansteigt, dass du damit ein Flipflop > direkt triggern kannst. dann müsste ich den Shunt viel zu hochohmig machen. Es müssen immerhin bis zu 40A da durchgehen, daher würde ich eher einen dicken Silberdraht als Shunt nehmen und den OP messen lassen.
Bist du sicher das eine fehlerhafte SW die Ursache ist? Ich würde erstmal die wirkliche Ursache suchen! Drei fette Optimos3 parallel mit 70kHz oder mehr durch einen IR2104 treiben zu lassen finde ich mehr als spannend. Das Ding kann ja nur 130mA source und 270mA sink. Und dann noch 33Ohm Vorwiderstand. Alles sehr langsam. Was zeigt denn das Oszi bei der Gate-Spannung? Ich vermute durch das langsame Schalten eher Halbbrücken-Kurzschlüsse.
Nils S. schrieb: > Bist du sicher das eine fehlerhafte SW die Ursache ist? Ja! Nicht nur beim Testen sondern auch wenn es schnelle Änderungen von Sonne->Wolken gibt. Es kann einen ganzen Sommer laufen, kann aber auch durchbrennen. Mosfets sind nur ca. 30-40Grad warm wenn die Batterie(n) mit 30-40A geladen werden.Und das nur mit PCB als Kühlkörper (sitzt im Luftstrom) > Drei fette Optimos3 parallel mit 70kHz oder mehr durch einen IR2104 > treiben zu lassen finde ich mehr als spannend. > Das Ding kann ja nur 130mA source und 270mA sink. Und dann noch 33Ohm > Vorwiderstand. Alles sehr langsam. Guter Einwand! Welchen Treiber würdest Du empfehlen? > Was zeigt denn das Oszi bei der Gate-Spannung? Kann ich z.Z. nicht messen, habe keine lauffähige Platine da. Das wichtigste ist für mich erstmal die Schaltung so sicher wie möglich zu machen, zumindest was die Bauteile angeht.
Moin, die Frage ist, warum die Lowside abraucht. Falsch dimensioniert werden die Mosfets ja wohl nicht sein. Bleibt nur, dass sie fehlerhafterweise manchmal zu lange angeschaltet sind. Gleichzeitig mit der Highside an kann nicht passieren, das verhindert ja der Treiber. Also zu lange Low angeschaltet heißt, dass irgendwann der Strom rückwärts aus dem Bleiakku durch die Spule über Lowside auf Masse fließt. Und der Bleiakku kann vermutlich VIEL Strom liefern. In der Phase in der Lowside an sein soll, sollte die Spannung an VS (Pin 6) nagativ sein. Fliest der Strom rückwärts, wird die Spannung dort positiv. Also der Fehler ist daran zu erkennen, dass der Input (IN, 2) low ist und gleichzeitig die Spannung an VS (6) größer Null. Also logisch in pseudocode "if IN==Low and v(VS)>0 then SD=low D.h., du benutzt den RDSon der Lowside-Mosfets als Shunt. Der genaue Wert der Spannung ist ja egal, nur das Vorzeichen zählt. Ich meine, wenn du synchron machst, anstatt einfach Dioden an lowside zu nehmen, dann wohl, weil dir der Spannungsfall der Dioden zu viel wäre. Dann willst du doch bestimmt keinen Shunt da reinbauen? Mal ne Frage: Hast du wirklich diese Mosfets (IPT111N20NFD) benutzt? 200V, 100A und gleich drei davon? Wenn ja, weil sie nötig sind, dann bin ich raus, das ist nicht meine Leistungsklasse :-) . Aber wenn doch, dann wieso 33 Ohm Gatewiderstand für alle (also 100 Ohm pro Mosfet)? Im Datenblatt reden sie von 1.6 Ohm. Und wenn ja, noch eine Frage: Wo hast du die Spule (L2) dafür kaufen können? IMO ist bei 10u und 40A Ende des regulären Lieferprogramms der meisten Hersteller. Gruß Roland
Roland D. schrieb: > Moin, > > die Frage ist, warum die Lowside abraucht. Falsch dimensioniert werden > die Mosfets ja wohl nicht sein. Bleibt nur, dass sie fehlerhafterweise > manchmal zu lange angeschaltet sind. Gleichzeitig mit der Highside an > kann nicht passieren, das verhindert ja der Treiber. > > Also zu lange Low angeschaltet heißt, dass irgendwann der Strom > rückwärts aus dem Bleiakku durch die Spule über Lowside auf Masse > fließt. Und der Bleiakku kann vermutlich VIEL Strom liefern. So ist es > In der Phase in der Lowside an sein soll, sollte die Spannung an VS (Pin > 6) nagativ sein. Fliest der Strom rückwärts, wird die Spannung dort > positiv. Also der Fehler ist daran zu erkennen, dass der Input (IN, 2) > low ist und gleichzeitig die Spannung an VS (6) größer Null. DAS wusste ich nicht, ist sehr interessant zu wissen! Damit kann man was anfangen > Also logisch in pseudocode "if IN==Low and v(VS)>0 then SD=low > D.h., du benutzt den RDSon der Lowside-Mosfets als Shunt. Der genaue > Wert der Spannung ist ja egal, nur das Vorzeichen zählt. > > Ich meine, wenn du synchron machst, anstatt einfach Dioden an lowside zu > nehmen, dann wohl, weil dir der Spannungsfall der Dioden zu viel wäre. > Dann willst du doch bestimmt keinen Shunt da reinbauen? Nein, eigentlich nicht, daher war die Überlegung eines dicken Draht als Shunt. > > Mal ne Frage: Hast du wirklich diese Mosfets (IPT111N20NFD) benutzt? Ja, die hatte ich aus einem anderen Projekt noch über und irgendwann soll das ganze auch mit mehr Leistung arbeiten. > 200V, 100A und gleich drei davon? Wenn ja, weil sie nötig sind, dann bin > ich raus, das ist nicht meine Leistungsklasse :-) . Aber wenn doch, dann > wieso 33 Ohm Gatewiderstand für alle (also 100 Ohm pro Mosfet)? Im > Datenblatt reden sie von 1.6 Ohm. Und wenn ja, noch eine Frage: Wo hast > du die Spule (L2) dafür kaufen können? IMO ist bei 10u und 40A Ende des > regulären Lieferprogramms der meisten Hersteller. Bei Würth: https://www.mouser.de/ProductDetail/Wurth-Elektronik/7443763540150?qs=u16ybLDytRZO7De%2FWjUvWQ%3D%3D > > Gruß Roland Das sind super Tips! Hast Du noch eine Idee mit welchen stärkeren Treiber man den IR2104 austauschen könnte?
Moin, Wolfram F. schrieb: >> Also zu lange Low angeschaltet heißt, dass irgendwann der Strom >> rückwärts aus dem Bleiakku durch die Spule über Lowside auf Masse >> fließt. Und der Bleiakku kann vermutlich VIEL Strom liefern. > So ist es Dann muss deine Software aber dennoch ganz schön daneben hauen beim Timing. Eigentlich sollte selbst ein kompletter Zyklus Lowside eingeschaltet den Mosfet nicht killen. Hat hier auf der Arbeit auch einige Zeit gekostet, bis der/die uC-Programmierer kapiert hatten, dass IGBT länger als 20us einschalten das Ding killt, sofort. Also nichts mit hübschen Libraries und programmierung per Maus sondern den Timer zu Fuß programmieren und 10 mal nachdenken, was wann passiert und passieren könnte. >> In der Phase in der Lowside an sein soll, sollte die Spannung an VS (Pin >> 6) nagativ sein. Fliest der Strom rückwärts, wird die Spannung dort >> positiv. Also der Fehler ist daran zu erkennen, dass der Input (IN, 2) >> low ist und gleichzeitig die Spannung an VS (6) größer Null. > DAS wusste ich nicht, ist sehr interessant zu wissen! > Damit kann man was anfangen Die Kunst ist, diesen Vorzeichenwechsel zu erkennen - schnell genug - obwohl die Spannung in der Spitze viel höher sein kann. Frage: Wie hoch ist eigentlich die Eingangsspannung? >> Mal ne Frage: Hast du wirklich diese Mosfets (IPT111N20NFD) benutzt? > Ja, die hatte ich aus einem anderen Projekt noch über und irgendwann > soll das ganze auch mit mehr Leistung arbeiten. >> 200V, 100A und gleich drei davon? Wenn ja, weil sie nötig sind, dann bin >> ich raus, das ist nicht meine Leistungsklasse :-) . Aber wenn doch, dann >> wieso 33 Ohm Gatewiderstand für alle (also 100 Ohm pro Mosfet)? Im >> Datenblatt reden sie von 1.6 Ohm. Und wenn ja, noch eine Frage: Wo hast >> du die Spule (L2) dafür kaufen können? IMO ist bei 10u und 40A Ende des >> regulären Lieferprogramms der meisten Hersteller. > Bei Würth: > https://www.mouser.de/ProductDetail/Wurth-Elektronik/7443763540150?qs=u16ybLDytRZO7De%2FWjUvWQ%3D%3D Ah, stimmt, die hatte ich auch schon mal auf dem Schirm. War aber in meinem Fall nicht brauchbar, weil ich gerne 90A gehabt hätte und vor allem weil ich echten Wechselstrom brauche. Also nicht viel DC mit etwas AC oben drauf, sondern viel AC mit etwas DC drauf. Und da dürften diese Spulen mit Volldraht wegen Skineffekt schnell brennen. Übrigens steht im Datenblatt von Würth nichts von der zulässigen Spannung. Finde ich befremdlich. Ich hätte damals 600V haben wollen. > Hast Du noch eine Idee mit welchen stärkeren Treiber man den IR2104 > austauschen könnte? Schwierig, habe auf die Schnelle nichts so richtig schönes gefunden. Einer möglicher ist der hier: FAN7393A Aber die Frage ist, welche Spannung du brauchst (Eingangsspannung). Je höher, desto enger wird es. Und im gleichen Case und gleicher Pinbelegung habe ich nichts gefunden. Möglicherweise ein halber Eigenbau mit einem starken Lowside-Treiber und eine Gate-Transformer für Highside (und für Lowside sicherheitshalber auch einen Trafo, immerhin einige Amperes - die können einem schnell die Signalmasse verreißen und so ein Trafo kann da Power-Masse und Signalmasse trennen). Gruß Roland
Roland D. schrieb: > Dann muss deine Software aber dennoch ganz schön daneben hauen beim > Timing. Eigentlich sollte selbst ein kompletter Zyklus Lowside > eingeschaltet den Mosfet nicht killen. Ja, meist passiert sowas bei schnellen Änderungen der PV Spannung, ich konnte es zwar schon einkreisen aber weg ist das Problem noch nicht. > Die Kunst ist, diesen Vorzeichenwechsel zu erkennen - schnell genug - > obwohl die Spannung in der Spitze viel höher sein kann. das sollte mit nem OP kein Problem sein. > Frage: Wie hoch ist eigentlich die Eingangsspannung? bei der jetzigen Version max.50V. Ich muss noch erwähnen, das die IPT111N20NFD bislang bei mir noch nicht durchgebrannt sind, eher eine GND-Verbindung auf der PCB, da ich einen blöden Fehler beim Layout gemacht habe. Dieser hat bewirkt, daß GND von PV zum Rest durch einen nur ca. 1mm breiten Bereich gelassen wurde. Grrr.. Die ursprüngliche Schaltung verwendete nur 2 Mosfets CSD19505 und da hats nicht nur den low-fet sondern auch den IR2104 und auch den 7812 zerschossen, oft auch dann noch die 5V. Daher jetzt die IPT111N20NFD. Vielleicht ist das auch etwas überdimensioniert mit 2x3Stück... >> Hast Du noch eine Idee mit welchen stärkeren Treiber man den IR2104 >> austauschen könnte? > Schwierig, habe auf die Schnelle nichts so richtig schönes gefunden. > Einer möglicher ist der hier: FAN7393A Vielleicht mit seperater gegentaktstufe vor den gates? Mehrere IR2104 paralell geht bestimmt nicht gut, oder? > > Aber die Frage ist, welche Spannung du brauchst (Eingangsspannung). Je > höher, desto enger wird es. Und im gleichen Case und gleicher > Pinbelegung habe ich nichts gefunden. 50V z.z. Gleiches Gehäuse und Pinbelegung muss nicht sein. > > Gruß Roland Die neue Platine ist noch in Arbeit, etliche Änderungen wie: 1)komplett weg von I2C (AD1115,LCD,INA3221) dafür ADS1256 SPI, TFT SPI, INA240 2)2 PCBs mit 4Layer anstatt 1PCB mit 2Layer. Power und Controlbard seperat/übereinander 3)keine Sicherungshalter mehr, die erzeugen fliessendes Kunstoff durch die Übergangswiderstände der Kontakte.Kommen nun direkt eingelötet aufs Board. Gruß, Wolfram.
Die müssen sein! schützen bei Fehlern vor Bränden! Nicht zu spaßen wenn da ein paar fette Pb-Akkus dranhängen! Auch die (z.Z.) 600W Solar-Panels können da ordentlich Schaden anrichten. OHNE Sicherungen ist m.M. nach ein absolutes NO-GO!
Purzel H. schrieb: > Sicherungen ? Vergiss die, die sind viel zu lahm. Unsinn, ein LTC1153 schaltet bspw. innerhalb von 15us ab. Man muss ja nicht unbedingt die trägste Schmelzsicherung einsetzen, die man finden kann.
Rainer W. schrieb: > Unsinn, ein LTC1153 schaltet bspw. innerhalb von 15us ab. Er sucht ja auch eine elektronische Form der Sicherung, um bei Überstrom seinen MOSFET zu schützen, bevor der durchbrennt. 15us sind dafür übrigens ziemlich lahm, 1us wäre besser, und selbst für diese us muss man schon den Stromanstieg begrenzen durch eine Induktivität in der Zuleitung. Wenn aber der MOSFET kaputt geht, durchlegiert und damit dauernd leitet, braucht es noch eine echte Sicherung um ein Abbrennen zu verhindern, die ist dann deutlich langsamer als 15us, sie muss ja auch den MOSFET nicht mehr schützen.
> Sicherungen ? Vergiss die, die sind viel zu lahm.
Meine Aussage bezog sich darauf, dass eine Sicherung Halbleiter nicht
schuetzen kann. Der Halbleiter muss sich selbst schuetzen
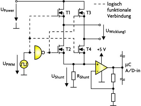
Roland D. schrieb: > In der Phase in der Lowside an sein soll, sollte die Spannung an VS (Pin > 6) nagativ sein. Fliest der Strom rückwärts, wird die Spannung dort > positiv. Also der Fehler ist daran zu erkennen, dass der Input (IN, 2) > low ist und gleichzeitig die Spannung an VS (6) größer Null. > > Also logisch in pseudocode "if IN==Low and v(VS)>0 then SD=low > @Roland D.: Wenn ich mich nicht irre, müsste die Schaltung so funktionieren, oder? Gruß, Wolfram.
Wolfram F. schrieb: > Wenn ich mich nicht irre, müsste die Schaltung so funktionieren, oder? Der R25 ist vielleicht mit 100R ein bisschen mager. Wenn der GPIO 32 high hat und der 74HC00 low, dann sind da nur diese 100R als Strombegrenzung dazwischen.
Moin, > Ja, meist passiert sowas bei schnellen Änderungen der PV Spannung, > ich konnte es zwar schon einkreisen aber weg ist das Problem noch nicht. Rein regelungstechnisch ist die Sache ja auch nicht einfach. Bei gegebenem Dutycycle ist der Strom undefiniert, nur das Spannungsverhältnis in/out ist gegeben. Und dann willst du noch MPPT machen - am MPP verringert sich der Strom bei Erhöhung von Duty aber auch bei Absenkung von Duty. > blöden Fehler beim Layout gemacht habe. Dieser hat bewirkt, daß GND von > PV zum Rest durch einen nur ca. 1mm breiten Bereich gelassen wurde. > Grrr.. Kenn ich irgendwie, GND fällt halt sonst auch immer vom Baum :-) >>> Hast Du noch eine Idee mit welchen stärkeren Treiber man den IR2104 >>> austauschen könnte? >> Schwierig, habe auf die Schnelle nichts so richtig schönes gefunden. >> Einer möglicher ist der hier: FAN7393A > Vielleicht mit seperater gegentaktstufe vor den gates? > Mehrere IR2104 paralell geht bestimmt nicht gut, oder? Hab was nettes gefunden: 1EDNx550 Der kann 4A/8A und ist für Low- und Highside zu gebrauchen. Und hat zwei Eingänge deren Differenz ausgewertet wird. Damit kannst du Probleme mit schwabbeliger Masse lösen. Davon je einen pro Mosfet - du wolltest es ja so fett:-) Lösung für das Ursprungsproblem: Ein Opamp/Komparator vergleicht die Drainspannung des Lowside-Mosfet mit GND, wenn kleiner als GND, ziehst du den negativen Input des Lowside-Treibers hoch. Damit schaltet der dann ab. Du musst also garnicht bis zurück zum EN-Pin vom Controller. Dann würde ich den IR2104 trotzdem benutzen aber nur als "Vor-Treiber" zur Ansteuerung der 1EDNx550. Das bringt den Nutzen, dass ein gleichzeitiges Einschalten von High und Low durch den IR2104 zuverlässig verhindert wird. Ein Vergleich mit dem Input-Signal ist dann gar nicht mehr nötig, der weitere Komparator oder AND-Gatter oder sowas sitzt ja im 1EDNx550 schon drin. > Die neue Platine ist noch in Arbeit, etliche Änderungen wie: > 1)komplett weg von I2C (AD1115,LCD,INA3221) > dafür ADS1256 24bit D/a-Wandler? Du willst es aber ganz genau wissen:-) > SPI, TFT SPI, INA240 INA240 - Strommessung auf der Plusleitung? Hmm.... ach ja, Datenblatt behauptet, das das geht. Ich hab bei sowas mal den MCS1806 verwendet, der misst via Hall-Effekt und kann daher viel Spannung ab. > 2)2 PCBs mit 4Layer anstatt 1PCB mit 2Layer. > Power und Controlbard seperat/übereinander Hmm, schwabbelnde Massen :-) Aber das kann man mit dem differenziellen Eingang des 1EDNx550 lösen - die sitzen auf der Leistungsplatine, der IR2104 sitzt auf der Controllerplatine. Dazwischen Signalübertragung mit eben dem differenziellen Signal - also unbeeinflusst von verschiedenen Bezugpotentialen bei Controller- und Leistungsplatine. Gruß, Roland
Moin, Wolfram F. schrieb: > @Roland D.: > Wenn ich mich nicht irre, müsste die Schaltung so funktionieren, oder? Ja, das ist das was ich meinte. Ich würd's aber sicherheitshalber mal simulieren. Jedenfalls mit dem Treiber ist es auch egal mit D11/R22 bzw. dem Lowside-Äquivalent: für den Gatetreiber ist das in beide Richtungen ~0Ohm. Hatte nebenan im Thrad einen Gatetreiber mit wehr Wumms vorgeschlagen. Gruss, Roland
Roland D. schrieb: > 24bit D/a-Wandler? Du willst es aber ganz genau wissen:-) Die 24Bit werde ich nicht komplett nutzen können, aber der ist schnell und hat genügend Eingänge für alles. >> SPI, TFT SPI, INA240 > > INA240 - Strommessung auf der Plusleitung? Hmm.... ach ja, Datenblatt > behauptet, das das geht. Ich hab bei sowas mal den MCS1806 verwendet, > der misst via Hall-Effekt und kann daher viel Spannung ab. Nein, die INA240 sind im GND-Zweig mit ordentlichen Shunts. Der 1EDNx550 sieht interessant aus!
Bitte melde dich an um einen Beitrag zu schreiben. Anmeldung ist kostenlos und dauert nur eine Minute.
Bestehender Account
Schon ein Account bei Google/GoogleMail? Keine Anmeldung erforderlich!
Mit Google-Account einloggen
Mit Google-Account einloggen
Noch kein Account? Hier anmelden.


