Hallo Leute, hat noch jemand ein LCD Thermometer mit ICL7106 (zB. Conrad Bausatz) oder kennt eine Bezugsquelle? Bei Conrad kann man es leider nicht mehr beziehen und andere Bausätze oder fertige LCD Thermometer mit ICL7106 sind rar. Viele Grüße und Danke schon mal. Alexander
Er hats (angeblich) noch https://www.megashop.si/product/115452-CONRAD-COMPONENTS-115452-LCD-TERMOMETER-KOMPLET-ZA-SESTAVLJANJE-9-VDC-12-VD aber zu einem Preis bei dem keiner kaufen wird. Übrigens ist der ICL7136 pinkompatibel aber braucht viel weniger Strom, interessant für Batteriebetrieb. Elektor zeigt einen Bauplan wenn man dafür bezahlen will https://www.elektormagazine.de/magazine/elektor-198211/46630 oder es sonstwo findet wie in der englischen Elektor October 82 mit Platinenlayout.
Danke für die Antwort. Da ich evtl. ein paar von den Thermometern benötige und nichts finde, hab ich schon überlegt, ob man nicht Module wie so was hier https://www.ebay.de/itm/175997331226? mit dem pingleichen ICL7107 nehmen könnte, einen ICL7106 einstecken und da ein passendes (direct drive?) 3,5 stelliges LCD verkabeln könnte. Ich kenne leider die Schaltungsdetails nicht, aber theoretisch könnte das passen, oder?
Alexander H. schrieb: > hat noch jemand ein LCD Thermometer mit ICL7106 (zB. Conrad Bausatz) > oder kennt eine Bezugsquelle? Im Datenblatt des 7106 findet man die passende Schaltung dafür. Ein beliebiges 7106 Voltmeter kann dann leicht passend modifiziert werden. Hier im Forum ist nur das Datenblatt für den ICL7136 direkt zugänglich. Aber auch dort ist die Schaltung für die Temperatur- messung drin.
Alexander H. schrieb: > Da ich evtl. ein paar von den Thermometern benötige Warum benötigt man Thermometer ohne Gehäuse und Displayeinbaurahmen gerade mit ICL7106 ? Und LED darf es ja auch nicht sein. Was wäre an https://www.ebay.de/itm/375523195462 falsch ?
Alexander H. schrieb: > Danke für die Antwort. > Da ich evtl. ein paar von den Thermometern benötige und nichts finde, > hab ich schon überlegt, ob man nicht Module wie so was hier Weshalb müssen die unbedingt den ICL7106 haben? Wenn Du Temperaturen messen möchtest sollte doch jedes x-beliebige Thermometer taugen. Auswahl an solchen mit LC-Display gibt es genug. Ansonsten die 7106 besorgen, LC-Displays und schnell selbst ein PCB erstellen.
:
Bearbeitet durch User
Der Sensor ist ein als Diode verschalteter Silizium-Transistor, bei dem die Eigenschaft des negativen Temperaturkoeffizienten (ca. -2mV/K) der B-E-Spannung ausgewertet wird. Man muss also die Potis so einstellen, dass bei den typischen "0,65V" 0,0°C angezeigt wird. Bei ca. 0,45V sind es +100°C. Es muss also möglich sein, den InLo (Pin 30) von COMMON (Pin 32) zu trennen und mit der "Transistor-Diode mit Pullup" zu verbinden, und auf IN HI (Pin 31) eine einstellbare Spannung (ca. 0,65V) zu legen. Ich habe das Datenblatt von Renesas (ex Intersil) verlinkt, in dem die Thermometer-Schaltung in Figure 18 auf Seite 13 von 17 zu finden ist. https://www.renesas.com/us/en/document/dst/icl7106-icl7107-icl7107s-datasheet Im Maxim-Datenblatt steht nichts davon. https://www.analog.com/media/en/technical-documentation/data-sheets/icl7106-icl7107.pdf Seinerzeit habe ich sogar die Referenzspannung so klein eingestellt, dass ich 1/100°C-Auflösung hatte. Auch °F (Grad Fahrenheit) sollte möglich sein, im Datenblatt steht nur "DIGITAL CENTIGRADE THERMOMETER".
:
Bearbeitet durch User
Danke Torsten, das sind super Infos! Jetzt weiß ich auch, wozu die Dioden wahrscheinlich gut sind. Passt denn die LED-Beschaltung grob zur LCD-Beschaltung? Ich habe passende LCDs da, denke ich werde den Umbau von ICL7107 zu ICL7106 versuchen. Es geht mir vorallem um den niedrigen Stromverbrauch und die recht gute Auflösung. Die meisten anderen LCD Thermometer sind oft nichtmal dokumentiert.
Torsten B. schrieb: > Der Sensor ist ein als Diode verschalteter Silizium-Transistor, Nicht bei dem erwähnten Bausatz von Conrad, da kam ein KTY10 zum Einsatz.
Da gibt es die Anleitung zum Conrad Thermometer. https://manualzz.com/doc/52685153/conrad-components-115452-lcd-thermometer-assembly-kit-9-v...?p=15
Alexander H. schrieb: > Es geht mir vorallem um den niedrigen Stromverbrauch ICL7136 braucht weniger, aber all die kommerziellen Knopfzellen-Thermometer auf Mikrocontroller-Basis nochmal deutlich weniger. > und die recht gute Auflösung. Genauigkeit also egal, Sensor offenbar auch H. H. schrieb: > Torsten B. schrieb: >> Der Sensor ist ein als Diode verschalteter Silizium-Transistor, > > Nicht bei dem erwähnten Bausatz von Conrad, da kam ein KTY10 zum > Einsatz. Dann nimm doch die verlinkten. Oder Selbstbau wie hier Beitrag "Re: PT100-Thermometer" Beitrag "Re: NTC-Thermometer mit Padauk PFS154 und 7-Segementanzeige und UART-Ausgang"
:
Bearbeitet durch User
Der ICL7106/07 stammt ursprünglich von Intersil, hier im Datenbuch 1979: http://www.bitsavers.org/components/intersil/_dataBooks/1979_Intersil_Data_Book.pdf#page=418 Maxim und viele andere habe den später auch angeboten. Die Pinbelegung der LCD- und LED Version ist laut Schaltplan gleich, aber das Multiplexen dürfte sich unterscheiden. Ich bin nicht sicher, ob man die einfach umbauen kann.
Die Genauigkeit ist nicht egal. Der ICL7106 ist recht schnell und der LM35 auch nicht schlecht bzw. als Sensor nicht schlechter als KTY10. Leider finde ich keinen Schaltplan zum eBay Modul, dann könnte man eher beurteilen, ob der LCD Umbau so einfach geht. Das Multiplexen ist beim 7106 doch nicht nötig, da static drive (so weit ich weiß)?
:
Bearbeitet durch User
Christoph db1uq K. schrieb: > Die Pinbelegung der LCD- und LED Version ist laut Schaltplan gleich, > aber das Multiplexen dürfte sich unterscheiden. Die Spannungsversorgung ist leicht unterschiedlich. Die LCD-Version ist "floating". Die LED-Version braucht eine duale Stromversorgung (GND wo die LCD-Version den Backplane-Anschluss hat), wobei die negative Spannung meist per Ladungspumpe mittels des Taktsignals erzeugt wird. Man kann sie, unter Verlust von ein paar Eigenschaften, auch weglassen. Die Spannungsversorgung hat dann auch Einfluss darauf, auf welchen Pegel man den negativen analogen Eingang referenziert. Und dann hat die Spannungsversorgung Einfluss darauf, ob man beim ICL7107 (LED-Version) die interne Spannungsreferenz grundsätzlich verwenden kann oder nicht. Aber sogar wenn man könnte wird bei der LED-Version gerne, beziehungsweise zwangsweise, eine externe Spannungsreferenz einsetzt. Der ICL7107 hat im Dauerbetrieb nämlich die blöde Eigenschaft dass er sich durch seine LED-Treiber selbst erwärmt und die interne Spannungsreferenz dadurch driftet.
Jörg R. schrieb: > Ansonsten die 7106 besorgen, LC-Displays und schnell selbst ein PCB > erstellen. Es ist zweistellige Jahre her, dass wir ICL7106 plus LCD auf eine eigene Platine gebracht haben, als Spannungsanzeige. Beide Komponenten gab es bei Spezial Elektronik Bückeburg zu kaufen, ob man das LCD noch heute bekommt? Ein Ding liegt noch hier, der 7106 steckt unter dem LCD. Unterlagen habe ich keine mehr. Es gab auch ein Entwicklungsboard, habe ich ebenfalls noch in der Kiste.
Alexander H. schrieb: > Die Genauigkeit ist nicht egal. Warum dann den Conrad-Murks der den Sensor nicht linearisiert ? Du solltest wenigstens mal sagen, WIE genau, nicht nur schwätzen. Und ob du kalibrieren kannst mit einem viel genaueren Messgerät oder eine Lösung brauchst die right-out-of-the-box genau ist. > Der ICL7106 ist recht schnell und der LM35 auch nicht schlecht bzw. als > Sensor nicht schlechter als KTY10. und WIE schnell es denn sein muss. Jedenfalls ist ein ICL7106, der den Sensor dauernd mit Strom versorgt, absolut blöd, wenn man Strom sparen will. Kluge Mikrocontroller werten den Temperatursensor nur hin und wieder aus und schalten ihn zwischendurch ab. Das kann ein ICL7106 nicht (ohne Zusatzelektronik wie sample&hold). > Leider finde ich keinen Schaltplan zum Conrad Modul, https://manualzz.com/doc/52685153/conrad-components-115452-lcd-thermometer-assembly-kit-9-v...?p=15
:
Bearbeitet durch User
Es geht nicht ums extreme Stromsparen, der ICL7106 braucht knapp 1mA mit LCD das ist schon top. Ich überwache eigentlich nur die Wassertemperatur eines Motors, und da brauche ich nur etwas altgedientes und zuverlässiges. Schnell ist relativ (3 Messungen/Sekunde macht der 7106 so weit ich weiß). Das reicht locker. Da ich die Displays schon habe, ist der Umbau keine große Aktion, im Gegensatz zur eigenen Platine. Das mit dem Conrad Modul hat sich erledigt, da nicht mehr verfügbar. Daher hatte ich das EBay Modul (https://www.ebay.de/itm/175997331226 )angesprochen. Dazu gibts wahrscheinlich keinen Schaltplan, den werde ich dann mal erstellen und schauen, was zur LCD Version noch fehlt bzw. überflüssig ist.
:
Bearbeitet durch User
Alexander H. schrieb: > Es geht nicht ums extreme Stromsparen, > der ICL7106 braucht knapp 1mA mit LCD das ist schon top. > Ich überwache eigentlich nur die Wassertemperatur eines Motors, und da > brauche ich nur etwas altgedientes und zuverlässiges. > Schnell ist relativ (3 Messungen/Sekunde macht der 7106 so weit ich > weiß). Das reicht locker. Da reicht 1 Grad Auflösung und 3 Messungen/Sekunde braucht es dafür auch nicht. Braucht es überhaupt eine Digitalanzeige, oder reicht nicht eine gut bzw. zu heiß Anzeige? Manfred P. schrieb: > Jörg R. schrieb: >> Ansonsten die 7106 besorgen, LC-Displays und schnell selbst ein PCB >> erstellen. > > Es ist zweistellige Jahre her, dass wir ICL7106 plus LCD auf eine eigene > Platine gebracht haben, als Spannungsanzeige. Beide Komponenten gab es > bei Spezial Elektronik Bückeburg zu kaufen, ob man das LCD noch heute > bekommt? LCD würde ich mal bei Reichelt und Pollin suchen. Den Chip gibt es u.a. bei Reichelt. > Ein Ding liegt noch hier, der 7106 steckt unter dem LCD. Unterlagen habe > ich keine mehr. Ähnliche habe ich auch noch.
:
Bearbeitet durch User
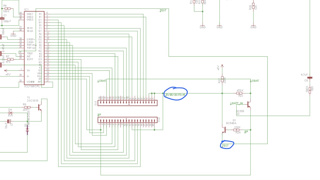
Alexander H. schrieb: > Da ich evtl. ein paar von den Thermometern benötige und nichts finde, > hab ich schon überlegt, ob man nicht Module wie so was hier > > https://www.ebay.de/itm/175997331226? > > mit dem pingleichen ICL7107 nehmen könnte, einen ICL7106 einstecken und > da ein passendes (direct drive?) 3,5 stelliges LCD verkabeln könnte. > > Ich kenne leider die Schaltungsdetails nicht, aber theoretisch könnte > das passen, oder? Du müsstest das LC-Display auf eine Adapterplatine setzen und die dann auf die Platine mit dem 7106. Pin 20 muss auf der Platine von GND getrennt werden, so ist er beim 7107 verschaltet. Pin 20 ist beim 7106 „BP“ (Backplane) und muss an das Display. Etwas Aufwendig ist die Anpassung schon, die Platine wird durch den Umbau auch dicker. Günstig ist es auch nicht, denn Du müsstest die Bausätze kaufen und die ICL7106. Die Frage habe ich schon einmal gestellt, aber ich frage noch einmal: Muss die Temperatur tatsächlich digital dargestellt werden? Reicht nicht evtl. eine Anzeige mit 3 Leds, als eine Art Ampel? Also grün/gelb/rot.
:
Bearbeitet durch User
Meiner Meinung nach ist ein Umbau Murks. LCDs muss man mit wechselnder Polarität ansteuern, da sich sonst durch Elektrolyse der Flüssigkeit die Kontaktflächen der Segmente verändern und dadurch nach und nach ständig sichtbar werden. Das kann man zwar auch machen, erfordert aber ein XOR-Gatter pro Segment. Also auch wieder eine eigene Zwischenplatine. Alexander H. schrieb: > Ich überwache eigentlich nur die Wassertemperatur eines Motors, > (...) > Da ich die Displays schon habe, Bei einer Wassertemperaturüberwachung würde ich erwarten, dass auch an den Sensor einige Anforderungen gestellt werden. Schließlich muss der ja irgendwie eingebaut werden. Ein nackter KTY (wie wohl bei den Conrad-Dingern) ist dafür doch denkbar ungeeignet. Die Displays könntest Du vermutlich auch recht einfach mit einem Mikrocontroller ansteuern.
Die sowjetische Version des ICL7106 hieß wohl кр572пв5, der ICL7107 кр572пв2. Mein Geigerzähler "Radiometer" hat die LCD-Version.
Chris V. schrieb: > Meiner Meinung nach ist ein Umbau Murks. Du hast nicht mitbekommen, das er den ICL7107 der LED Version gegen einen ICL7106 ersetzen will um sein LCD dranzubauen. Allerdings hat seine Story der vielen stromsparenden Temperaturanzeigen an einem wassergekühlten Motor erhebliche Logiklücken und Widersprüche.
Michael B. schrieb: > Chris V. schrieb: >> Meiner Meinung nach ist ein Umbau Murks. > > Du hast nicht mitbekommen, das er den ICL7107 der LED Version gegen > einen ICL7106 ersetzen will um sein LCD dranzubauen. Achso, danke. Stimmt, das war an mir vorbei gegangen. :-) Aber wenn er LED-Anzeige UND ICL7107 aus den Bausätzen wegschmeißt ... dann bleibt ja nur noch eine nicht so wirklich passende Platine und etwas Kleinkram übrig. Klingt für mich danach, als würde er unbedingt vermeiden wollen, eine eigene Platine dafür zu entwerfen.
Falls Interesse besteht, von den Dingern hab ich auch noch 2 rumliegen.
Chris V. schrieb: > Klingt für mich danach, als würde er unbedingt vermeiden wollen, eine > eigene Platine dafür zu entwerfen. Die Platinen von Conrad Bausätzen die es nicht mehr gibt lassen sich gut "nachmalen". In jeder Aufbaubeschreibung ist wenn auch dürftig das Layout gedruckt. Mit Sprint Layout lässt sich das ganz einfach in eine saubere Belichtungsvorlage malen. So gemacht bei einem Bausatz für einen Schrittmotoren Treiber und dem Baustein SAA1027. Baustein konnte ich in Polen noch welche günstig auftreiben. Falls noch jemand eine Aufbaubeschreibung vom Thermometer hat wäre das ganz einfach zu machen.
Herbert Z. schrieb: > Chris V. schrieb: >> Klingt für mich danach, als würde er unbedingt vermeiden wollen, eine >> eigene Platine dafür zu entwerfen. > > Die Platinen von Conrad Bausätzen die es nicht mehr gibt lassen sich gut > "nachmalen". In jeder Aufbaubeschreibung ist wenn auch dürftig das > Layout gedruckt. (...) > Falls noch jemand eine Aufbaubeschreibung vom Thermometer hat wäre das > ganz einfach zu machen. Die Anleitung hat Michael B. oben schon verlinkt, und tatsächlich ist da sowohl Schaltplan als auch Layout drin. Abmalen und dann davon ein paar Platinen fertigen lassen dürfte somit tatsächlich die einfachste und günstigste Lösung sein.
Jörg R. schrieb: > Alexander H. schrieb: >> Da ich evtl. ein paar von den Thermometern benötige und nichts finde, >> hab ich schon überlegt, ob man nicht Module wie so was hier >> https://www.ebay.de/itm/175997331226? >> mit dem pingleichen ICL7107 nehmen könnte, einen ICL7106 einstecken und >> da ein passendes (direct drive?) 3,5 stelliges LCD verkabeln könnte. >> Ich kenne leider die Schaltungsdetails nicht, aber theoretisch könnte >> das passen, oder? > > Du müsstest das LC-Display auf eine Adapterplatine setzen und die dann > auf die Platine mit dem 7106. Pin 20 muss auf der Platine von GND > getrennt werden, so ist er beim 7107 verschaltet. Pin 20 ist beim 7106 > „BP“ (Backplane) und muss an das Display. > Etwas Aufwendig ist die Anpassung schon, die Platine wird durch den > Umbau auch dicker. Günstig ist es auch nicht, denn Du müsstest die > Bausätze kaufen und die ICL7106. > Die Frage habe ich schon einmal gestellt, aber ich frage noch einmal: > Muss die Temperatur tatsächlich digital dargestellt werden? Reicht nicht > evtl. eine Anzeige mit 3 Leds, als eine Art Ampel? Also grün/gelb/rot. Kann es sein, dass sich die LED Version mit 7107 doch so erheblich unterscheidet, dass der Umbau auf LCD gar nicht ohne weitere Änderungen geht? Habe an PIN 21 (Backplane) GND aufgetrennt und das LCD verkabelt. Ergebnis sind ein paar kryptische Segmente, die nach einer Zeit blasser wurden (DC?). Stromaufnahme an 5V 1mA, bei 7V jedoch 300mA. Da passt was nicht😂 Die LCD Version auf dieser Seite sieht jedenfalls ziemlich anders aus, als mein EBay Bausatz, verwendet aber einen anderen Transistor als Sensor: https://danyk.cz/teplo_en.html
:
Bearbeitet durch User
Alexander H. schrieb: > Habe an PIN 21 (Backplane) GND aufgetrennt und das LCD verkabelt Häh ? Du tauscht doch sicher auch den 7107 gegen einen 7106 oder besser 7136.
Christoph db1uq K. schrieb: > Der ICL7106/07 stammt ursprünglich von Intersil, hier im Datenbuch 1979: Der wurde von Fluke in Zusammenarbeit mit Intersil als Fluke 429100 entwickelt und ein Jahr später von Intersil, als 7106, ohne Genehmigung und ohne autorange Funktion (ein Fluke Patent), auf dem Makt gebracht. Der Si-Chip intern hatte noch das Fluke Logo. Quelle: https://www.eevblog.com/forum/testgear/history-of-the-fluke-8020-series/
Crazy Harry schrieb: > Falls Interesse besteht, von den Dingern hab ich auch noch 2 > rumliegen. Jetzt muß ich mich selber zitieren :-D .... die Module sind weg.
Danke, macht nichts. Ich werde den Fehler wohl noch finden. Notfalls bau ich das Ding doch noch mal ganz neu auf. Zu den Schaltungsunterschieden (7107-LED/ 7106 LCD) hat keiner eine Idee? Nochmal der EBay Link: https://www.ebay.de/itm/175997331226?var=475433384019 Und hier die Gegenüberstellung: https://danyk.cz/teplo_en.html
Crazy Harry schrieb: > Jetzt muß ich mich selber zitieren :-D .... die Module sind weg. Hallo Ingrid! https://de.wikipedia.org/wiki/Ingrid#Sonstiges :-)
Alexander H. schrieb: > Zu den Schaltungsunterschieden (7107-LED/ 7106 LCD) hat keiner eine > Idee? Vielleicht lag den Ebay-Bausätzen ein ICL7107R bei? Der hat gespiegelte Anschlüsse. ;) https://panda-bg.com/datasheet/1368-023726-ICL7106-ICL7107-INTERSIL.pdf Ansonsten ist das doch im wesentlichen immer die gleiche Schaltung aus dem Datenblatt. Du selbst kannst am besten herausfinden, was bei Deinen Bausätzen denn jetzt anders ist.
Gerber für Platinen wie die von Conrad. Sind aber nicht von mir geprüft.
H. H. schrieb: > Gerber für Platinen wie die von Conrad. Falls der TE das nicht kennt: Damit kann man sich für kleines Geld Platinen fertigen lassen, z.B. 5 Stück bei JLCPCB für unter 5€, incl Versand.
Alexander H. schrieb: > Es geht nicht ums extreme Stromsparen, > der ICL7106 braucht knapp 1mA mit LCD das ist schon top. > Ich überwache eigentlich nur die Wassertemperatur eines Motors, und da > brauche ich nur etwas altgedientes und zuverlässiges. > ... Da gibts doch fertige Lösungen von Siemens/VDO im Aftermarket. 12V dran und fertig...
Chris V. schrieb: > Alexander H. schrieb: >> Zu den Schaltungsunterschieden (7107-LED/ 7106 LCD) hat keiner eine >> Idee? > > Vielleicht lag den Ebay-Bausätzen ein ICL7107R bei? Der hat gespiegelte > Anschlüsse. ;) > https://panda-bg.com/datasheet/1368-023726-ICL7106-ICL7107-INTERSIL.pdf > Ansonsten ist das doch im wesentlichen immer die gleiche Schaltung aus > dem Datenblatt. Du selbst kannst am besten herausfinden, was bei Deinen > Bausätzen denn jetzt anders ist. Genau daran lags! Ich hatte einen 7106R im Fundus und wusste bisher nichts von dem Unterschied. Jetzt läuft das Ganze. Nur fehlt mir noch das Komma/Punkt. Wie genau wird das Komma verdrahtet? Auf der tschechischen Seite hängt das Komma an einem 470k Widerstand an V+?
Alexander H. schrieb: > Auf der tschechischen Seite hängt das Komma an einem 470k Widerstand an > V+? Sicher nicht. Einzelne Segmente kann man mit einem Transistor (BS170) aus dem Backplane Signal invertieren, für mehrere nutzt man CD4030
Alexander H. schrieb: > Nur fehlt mir noch das Komma/Punkt. Wie genau wird das Komma verdrahtet? Das steht im schon mehrfach verlinktem Datenblatt. Auch das Komma darf nicht direkt an DC angeschlossen werden, sondern benötigt ein AC-Signal. Beachtet man das nicht, wird das LCD schnell beschädigt.
Stimmt, hatte ich auch schon gesehen.🫣 Im erwähnten Datenblatt ist ein N-Channel mosfet, wie zB. BS170 (+1M Ohm) eingezeichnet. Kann ich stattdessen einen BC550 + 2x 470K (so wie auf der tschechischen Seite) nehmen? Gibts da Vor- und Nachteile? Da ich ein 4,5 stelliges LCD verwende, könnte ich die letzte Stelle (als „°“ = Gradsymbol) verwenden und diese vier Segmente gemeinsam mit dem Dezimalpunkt verdrahten. Im Datenblatt wird 1mA Maximallast genannt, passt das noch?
Im Zweifelsfall einfach einen kleinen Kondensator vor die zusammengeklemmten Segmente schalten.
Alexander H. schrieb: > Kann ich stattdessen einen BC550 + 2x 470K (so wie auf der tschechischen > Seite) nehmen? Ja, braucht halt einen Basisvorwiderstand.
Es läuft mit BC550 und 2x 470K👍 Vorallem fällt mir die super schnelle Reaktionszeit auf, das ist echt klasse. Danke nochmal für die wertvollen Tipps!😀 Mangels Labornetzteil vor Ort betreibe ich die Schaltung an einem 4,5V Steckernetzteil, statt wie angegeben mit 5V. Der Strom lag damit bei knapp 10mA. Kann es schaltungsbedingt (5V Z-Diode) zu Problemen kommen? Alternativ hatte ich kurz 7V getestet und außer einem höheren Strom (14mA) lief die Schaltung exakt gleich. Leider gabs zum EBay Bausatz keine Anleitung zum Kalibrieren. Die zwei Potis (eines am LM35 Sensor) müssen ja irgendwie abgeglichen werden. Hat hier jemand eine Idee wie genau das gehen könnte?
:
Bearbeitet durch User
Evtl. ist ja der Conrad Bausatz ähnlich was die Kalibrierung angeht. Bei der Recherche hab ich noch eine Möglichkeit entdeckt, eine „lo bat“ Anzeige zu integrieren. http://www.dzdiy.com/html/201302/24/Digital-thermometer.htm Mein LCD (Philips) hat ein Segment („lo bat“), dass bei Batteriebetrieb eine leere Batterie signalisiert. Funktioniert das so wie dort gezeigt (430K Widerstand + Transistor (BC546 oder ähnliche?) an Segment/ und Collector an den TEST PIN? Wie kann ich da die Unterspannungs-Anzeigeschwelle einstellen? Die Google Übersetzung konnte ich nicht ganz nachvollziehen.
:
Bearbeitet durch User
Am einfachsten erscheint mir eine Komparatorschaltung + Z-Diode für den Zweck, eine LO BAT Anzeige zu realisieren. https://devxplained.eu/de/blog/z-diode-als-spannungswaechter Habe 4x Eneloop in Verwendung, daher müsste ich bei 4,8V abschalten. Welche Z-Diode würde eher Sinn machen? 4,3V oder 4,7V? Der Komparatorausgang müsste das Segment (Backplane) dann per NPN oder PNP? schalten, wenn ich das richtig verstanden habe. ELV hatte was Ähnliches in einem ESR Messgerät. https://techome24.de/media/pdf/5d/64/e0/tec0052699-1-elv-esr-messgeraet-esr-bedienungsanleitung.pdf
Alexander H. schrieb: > Der Komparatorausgang müsste das Segment (Backplane) dann per NPN oder > PNP? schalten, wenn ich das richtig verstanden habe. Wenn Du jetzt schon zwei zusätzliche Segmente ansteuern willst, von denen eins mal an und mal aus sein soll, dann bietet sich statt der einzelnen Transistoren die Schaltung mit den Exklusiv-Oder-Gattern (CMOS 4030) aus dem Datenblatt des ICL7106 an. Zur Z-Diode: Lies Dir nochmal die Beschreibung aus Deinem Link aufmerksam durch. Wenn Du auf eine Spannung von 4,8V reagieren willst, sollte die Referenzspannung dafür deutlich darunter liegen. Ich würde mal eine einfache Siliziumdiode in Durchlassrichtung bei wenig Strom probieren (ca. 0,65V), und die dann mit der über einen einstellbaren Spannungsteiler heruntergeteilten Versorgungsspannung vergleichen.
:
Bearbeitet durch User
Hab leider keinen CD4030 da. Damit würde man sämtliche Dezimalpunkte, Doppelpunkte usw. ansteuern können, was ich nicht zwingend brauche. Den LM393 hab ich hier. Zusammen mit einer Standarddiode rechne ich mal den Spannungsteiler aus (hab mir auch gedacht, dass die Differenz nicht zu knapp sein sollte). Was mir immernoch nicht klar ist: auf dem Ebay board ist eine 5V ZDiode verbaut. Die Zenerspannung erreich ich aber mit 4,5V Versorgungsspannung noch nicht. Für die Funktion kann ich aber auch bei 7V Betriebsspannung keinen Unterschied erkennen. Intern (im 7106) ist wohl laut Datenblatt nochmal eine 6V ZDiode verbaut, auch da müsste ich eigentlich mindestens >6V Betriebsspannung anlegen, oder? Ist die externe Zener für erhöhte Genauigkeit und kann frei gewählt werden? Da ich 4,8V Minimalspannung bei leerem Akku habe, würde ich dann auf 4,7V Zenerspannung gehen. So ganz verstanden habe ich es noch nicht😂
:
Bearbeitet durch User
Alexander H. schrieb: > So ganz verstanden habe ich es noch nicht Der ICL710x hat diese interne 6.2V Z-Diode aus der er sämtliche Referenzspannungen COM und TEST ableitet und die muss mit Strom versorgt werden, daher braucht er mehr als 5V, sondern eben 9V. Die LoBat Überwachung mit dem Transistor an Test macht genau das, sicherstellen dass die Z-Diode noch Strom bekommt. Hat man zu wenig Spannung, bezieht der ICL710x seine Vergleichswerte nicht mehr aus der stabilen Zenerspannung, sondern der absackenden Betriebsspannung und misst falsch. Er funktioniert aber scheinbar noch. Man kann den Chip aber auch an 5V only betreiben wenn man für REF(HI/LO) und COM eine externe Referenzspannung von z.B. 2.5V nutzt, denn der Analog- und Digitalteil braucht nur 5V (so lange alle Analogsignale zwischen -2V und -3V gegenüber VCC liegen, was bei 0.2V Messbereich einhaltbar ist).
Ok, das leuchtet ein👍 Könnte es nicht auch sein, dass die 5V Zener auf dem Ebay board dazu dient, eine symmetrische Versorgungsspannung zu erzeugen (+-5V)? Werd mal nen Schaltplan aufzeichnen. Da die Originalschaltung ja für einen 7107 bestimmt war, wäre die symmetrische Versorgung sogar nötig, oder?
:
Bearbeitet durch User
Alexander H. schrieb: > Da die Originalschaltung ja für einen 7107 bestimmt war, wäre die > symmetrische Versorgung sogar nötig, oder? Jein. Der 7107 könnte sich ebenso wie der 7106 die DIGITAL GROUND Spannung selber aus TEST erzeugen, da aber LED so viel mehr Strom als LCD brauchen müsste er dazu einen leistungsfähigeren (negativen) Spannungsregler mit entsprechend Abwärme enthalten. Das Problem verlagert die LED Version lieber auf den Anwender. Kräftige +5V für den Chip mit LEDs, minus 2 bis 7V (kaum belastet) für die 6.2V Zenerreferenz, aher gibt es Lösungen diese Hilfsspannung mit einer Ladungspumpe zur Verfügung zu stellen.
Soweit ich weiß, wird die LCD-Variante sowieso mit 9V betrieben. Als Unterspannungsanzeige habe ich mir damals selbst was aus 2 Stück PNP-Transistoren und einer 6V2 Z-Diode gebastelt. Sobald die Batteriespannung auf 7,5V gesunken ist, leuchtet abrupt eine rote LED auf. Die Hysterese beträgt ca. 0,2V. Falls Interesse besteht, müsste ich nochmal Reverse Engineering von der Unterspannungsanzeige machen.
Alexander H. schrieb: > Am einfachsten erscheint mir eine Komparatorschaltung + Z-Diode für den > Zweck, eine LO BAT Anzeige zu realisieren. > https://devxplained.eu/de/blog/z-diode-als-spannungswaechter Macht Sinn, da die Batterie ja unendlich viel Kapazität hat.
Warum will man für Wassertemperatur überhaupt einen IC-Sensor? Ist da nicht etwas wie ein PT500 oder so eher Mittel der Wahl? Irgendetwas, was sich vernünftig thermisch ankoppeln lässt?
H. H. schrieb: > Gerber für Platinen wie die von Conrad. > > Sind aber nicht von mir geprüft. Hab mir das mal genauer angesehen. Ein Fehler ist mir aufgefallen: die Schaltung ist nicht für einen BS170 MOSFET, sondern für einen J-FET wie BF245. Wenn man einen BS170 passend gedreht einbaut kann man den Elko durch eine Brücke ersetzen.
H. H. schrieb: > Ein Fehler ist mir aufgefallen: die Schaltung ist nicht für einen BS170 > MOSFET, sondern für einen J-FET wie BF245. Wenn man einen BS170 passend > gedreht einbaut kann man den Elko durch eine Brücke ersetzen. BF245 und BS170 funktionieren doch deutlich unterschiedlich, wie kann der Tausch funktionieren?
Manfred P. schrieb: > H. H. schrieb: >> Ein Fehler ist mir aufgefallen: die Schaltung ist nicht für einen BS170 >> MOSFET, sondern für einen J-FET wie BF245. Wenn man einen BS170 passend >> gedreht einbaut kann man den Elko durch eine Brücke ersetzen. > > BF245 und BS170 funktionieren doch deutlich unterschiedlich, wie kann > der Tausch funktionieren? https://www.mikrocontroller.net/attachment/641918/20240730_130624.jpg Und im Anhang die andere Variante.
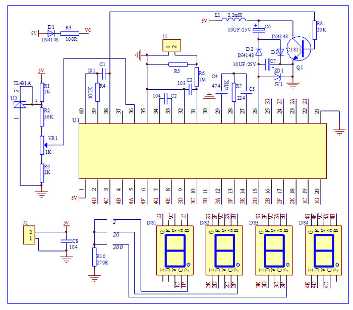
Die Schaltung scheint schon etwas speziell und komplex. Leider bin ich ziemlich schlecht im Schaltplan erstellen. Bis ich da etwas schön lesbares zB. mit Eagle gezeichnet habe, werden wohl Tage vergehen. Auf die Schnelle konnte ich Folgendes sehen: V- hängt via 5V Zenerdiode an GND. Parallel zur Zenerdiode liegt ein 10uF Elko. An der Versorgungspannung +5V angeschlossen befindet sich eine 2,2mH Spule. Die Spule hängt mit dem anderen Ende am Collector eines C1815 NPN Transistors. Stellt das im Grunde die Lösung mit der Ladungspumpe (7107) dar? Weiterhin ist noch ein LT431 (precision programmable reference) verbaut. Ich bin immer noch etwas verwirrt, was die verschiedenen Betriebsarten angeht und wie sich der jetzt eingesetzte 7106 an dieser Schaltung (an 4,8V Akkuspannung) verhält. Hab nun immerhin Teile des Schaltplans (Amperemeter) gefunden.
:
Bearbeitet durch User
Hat keiner eine Idee zur Schaltung? Die Ampermeterschaltung (auch mit LT431) ist identisch zu meinem Thermometer. REFhigh hängt (an der Mittelanzapfung vom 2K Poti, von dort über 56k) an der Cathode von LT431, REFlow liegt auf GND und COM ebenfalls auf GND. Ich kann REFhigh mal im Betrieb bei unterschiedlichen Versorgungsspannungen messen, macht das Sinn?
Stell deinen TL431 auf 2,5V ein und schließ ihn an Pin 3 vom LM393 an, dann flackert die Unterspannungs-LED bei 6,1V auf. Oder nimm einen LM358, dann kannst du noch eine Hysterese einbauen um das Flackern zu unterdrücken.
Beitrag #7711585 wurde vom Autor gelöscht.
Das klingt nach einer perfekten Lösung.👍 Wird der LT431 per bestehendem Poti (bei mir 2K) auf 2,5V eingestellt, oder muss ich da mehr ändern? Für die Hysterese benötige ich einen LM358 OpAmp zusätzlich zum LT431, richtig?
Alexander H. schrieb: > Wird der LT431 per bestehendem Poti (bei mir 2K) auf 2,5V eingestellt, > oder muss ich da mehr ändern? > Für die Hysterese benötige ich einen LM358 OpAmp zusätzlich zum LT431, > richtig? Meinen Kommentar von gestern hast Du offenbar nicht erfasst: Manfred P. schrieb: > Macht Sinn, da die Batterie ja unendlich viel Kapazität hat. Du baust eine Batterieüberwachung, die erheblich mehr Strom als Dein 7106-Thermometer verbraucht, sinnlos.
Warum genau muss die externe Referenzspannung 2,5V betragen? Wie würde der Schaltungsteil (LT431+LM358) grob mit Hysterese aussehen? Und nochmal eine kurze Frage zur vermeintlichen Ladungspumpe beim 7107. Ist das, was ich da habe eine invertierende Ladungspumpe und die 5,1V Zdiode dient quasi zur (Grund-)Belastung, damit die Spannung am Ausgang nicht zu hoch wird? „Hat man zu wenig Spannung, bezieht der ICL710x seine Vergleichswerte nicht mehr aus der stabilen Zenerspannung, sondern der absackenden Betriebsspannung und misst falsch. Er funktioniert aber scheinbar noch. Man kann den Chip aber auch an 5V only betreiben wenn man für REF(HI/LO) und COM eine externe Referenzspannung von z.B. 2.5V nutzt, denn der Analog- und Digitalteil braucht nur 5V (so lange alle Analogsignale zwischen -2V und -3V gegenüber VCC liegen, was bei 0.2V Messbereich einhaltbar ist).“ Das heißt, man kann den 7106 unterhalb von ca. 6,2V? (im „präzisen“ Betrieb) mithilfe dieser Ladungspumpe betreiben und die interne 6,1V Zdiode läuft dann sozusagen mit +-5V (über die Ladungspumpe)? 5,1V Zdioden (und ebenso die am Ausgang? der Ladungspumpe) benötigen ca. 4,85V Minimalspannung. Was passiert beim Betrieb der Ladungspumpe unterhalb von 4,85V? Fällt evtl. gleichzeitig die Hilfsspannung weg oder reguliert die 5,1V Zdiode trotzdem nur die überschüssige Spannung runter? (und ab 3V Spannungsversorgung würde die erzeugte Hilfsspannung nicht mehr ausreichen?..). Sorry das ich hier so umfangreich und ahnungslos nachfrage.🫣
Doch, hatte ich erfasst und auch rausgelesen, wie es gemeint war. Bezüglich dem Stromverbrauch passt das schon, da ich am gleichen Akku auch noch eine Zündung hängen habe. Es geht darum, dass ich sehe, wenn der Akku zur Neige geht (und nicht um extremes Stromsparen).
Alexander H. schrieb: > Weiterhin ist noch ein LT431 (precision programmable reference) verbaut. Da ICL7106 & Co ratiometrischen Betrieb beherrschen, braucht er für die Verwendung als PTC-Widerstandsthermometer gar keine stabile Referenzspannung. Es genügt ein stabiler Referenzwiderstand. Die Temperaturabhängigkeit von PTC-Widerständen KTY... ist ziemlich linear. Pt1000 geht auch, ist nur viel teurer. Der PTC und der Referenzwiderstand werden hintereinander geschaltet und der Referenzwiderstand kommt an Ref+ und Ref- während der PTC an In+ und In- angeschlossen wird. Man muss lediglich darauf achten, dass Versorgungsspannung für die beiden Widerstände während der Dauer einer Messung stabil ist (0,3s), und dass die beiden Spannungen im zulässigen Eingangspannungsbereich liegen, damit der Integrator ordentlich funktioniert. Der für die Berechnung der Widerstände erforderliche Rest steht im Datenblatt.
:
Bearbeitet durch User
Weiter oben hatte ich schon erwähnt, dass nur REFhigh (an der Mittelanzapfung vom 2K Poti, von dort über 56k) an der Cathode von LT431 hängt. REFlow hängt an GND und COM ebenfalls an GND. Wie passt das zur Aussage „Man kann den Chip aber auch an 5V only betreiben wenn man für REF(HI/LO) und COM eine externe Referenzspannung von z.B. 2.5V nutzt, denn der Analog- und Digitalteil braucht nur 5V (so lange alle Analogsignale zwischen -2V und -3V gegenüber VCC liegen, was bei 0.2V Messbereich einhaltbar ist).“ ?
Alexander H. schrieb: > (..) > Es geht darum, dass ich sehe, wenn der Akku zur Neige geht.. Dafür braucht es kein DVM, dann reicht ein Komparator und eine LED. Oder ein LM3914 wenn es ein paar LEDs mehr sein sollen.
Nochmal ne kurze Zusammenfassung meiner Bastelei: Ich betreibe einen 7106 in einem 7107 EBay Bausatz mit LM35 Sensor (mit Ladungspumpe? / vorgesehen waren 5V Versorgung). Meine Versorgungsspannung (Akku) beträgt ca. 4,85-5,3V. Zusätzlich ist ein LT431 auf dem Board vorhanden. Mittlerweile weiß ich um die interne 6V Zdiode(„internal digital ground“). Ich bin mir nur noch nicht ganz sicher ob die externe oder interne Referenz genutzt wird. Der Zusammenhang vom LT431 (spricht für externe Referenz?) und den 2,5V ist mir auch noch nicht klar. Mein 4,5stelliges LCD besitzt ein Segment „lo bat“. Damit möchte ich einerseits signalisieren, dass ich möglicherweise unplausible Temperaturwerte messe, falls die Versorgungsspannung (für externe/interne Referenz nicht mehr ausreicht und anderseits allgemein sehe, dass mein Akku leer ist. Keine LEDs, nur der 7106, die 7107-Schaltung und das LCD.😀
:
Bearbeitet durch User
Alexander H. schrieb: > Wie passt das zur Aussage > „Man kann den Chip aber auch an 5V only betreiben wenn man für > REF(HI/LO) und COM eine externe Referenzspannung von z.B. 2.5V nutzt, > denn der Analog- und Digitalteil braucht nur 5V (so lange alle > Analogsignale zwischen -2V und -3V gegenüber VCC liegen, was bei 0.2V > Messbereich einhaltbar ist).“ ? Da der Trottel REFLO und INLO auf GND gelegt hat statt auf ca. 2V, kann man den Chip eben NICHT ohne negative Hilfsspannung betreiben, daher die Ladungspumpe trotz externer Referenz. Alexander H. schrieb: > Das heißt, man kann den 7106 unterhalb von ca. 6,2V? (im „präzisen“ > Betrieb) mithilfe dieser Ladungspumpe betreiben und die interne 6,1V > Zdiode läuft dann sozusagen mit +-5V (über die Ladungspumpe)? Wenn man ihn mit Ladungspumpe betreibt, bekommt er eben gerade NICHT weniger als 6.2V, bei Einsatz einer Ladungspumpe kann man auf stromfressende externe Referenz verzichten. All das wusste der Erbauer dieser Conrad-Platine offenbar nicht.
Enrico E. schrieb: > Stell deinen TL431 auf 2,5V ein und schließ ihn an Pin 3 vom LM393 > an, dann flackert die Unterspannungs-LED bei 6,1V auf. Oder nimm einen > LM358, dann kannst du noch eine Hysterese einbauen um das Flackern zu > unterdrücken. Hab jetzt nochmal die komplette Schaltung mit denen im Datenblatt abgeglichen. Die verschieden interne/externe Referenz Varianten sind alle fast identisch aufgebaut, in den Beispielschaltungen kommt dann nur eine externe Z-Diode (und andere Rs) hinzu. Hab meine Schaltung als Schaltplan auf Aliexpress auch finden können, leider leicht verschwommen, aber man kann es abgleichen. Wenn meine Schaltung einen TL431 verwendet, dann ist das ja die externe Referenz. Kann das hier jemand bestätigen? Wieso sollte ich dann ein „lo bat“ Signal für 6,1V einbauen, das wäre ja für die interne Referenz Z-Diode, die die Schaltung ja nicht nutzt. Den LM393 würde ich, wie mal erwähnt auf 4,85V einstellen.
Alexander H. schrieb: > Wenn meine Schaltung einen TL431 verwendet, dann ist das ja die externe > Referenz. Kann das hier jemand bestätigen? Ja. > Wieso sollte ich dann ein „lo bat“ Signal für 6,1V einbauen Weil die Trottel den Eingangsspannungsbereich bis 0V nutzen, und dazu die Analogtechnik zumindest -2V Versorgung braucht. Hätte man klüger bauen können.
Ladungspumpe bei +5V Eingangsspannung bedeutet ja +-5V Versorgung. Bei dual supply sieht die Z-Diode dann quasi 10V (laienhaft ausgedrückt)? Bei 4,85V dann +-4,85V. Heißt das, solange die Versorgung höher liegt als 6,2V, wird die interne Z-Diode zwangsweise mitbetrieben? Worin liegt dann der Sinn des zusätzlichen TL431? Okay, langsam wird’s mir klarer. Da ist durch den irreführenden Threadtitel wohl was durcheinander gegangen. REFhigh liegt definitiv nicht auf GND sondern auf (2V evtl.?). Das geht aus der Schaltung hervor und das hatte ich auch weiter oben schon erwähnt. Immerhin scheint das alles zu passen. Denn es geht ja nicht um die Conrad Platine, sondern um die China Platine von Ebay (Schaltung hatte ich eben mit angehängt). Die „lo bat“ Anzeige müsste meiner Meinung nach direkt an die Betriebsspannung und bei 4,85V aktiv werden.
Was schreib ich da fürn Quatsch… Du hast ja IN LO gemeint und das ist auf GND. Die Erklärung im Datenblatt erschließt sich mir noch nicht ganz. Kann man das noch einfacher ausdrücken? Sollte ich dann IN LO von GND trennen und hätte damit eine Verbesserung? Ergibt sich in der Kombination überhaupt noch ein Vorteil aus Ladungspumpe+externer Referenz? So wie ich das verstanden habe war die Ladungspumpe wenn überhaupt nur für die 7107-LED Version sinnvoll. Ich kann sie aber ohne Nachteile drinlassen, oder? Und wo genau klemme ich den LM393 zur Unterspannungsanzeige an (bzw. wo liegen die 6,1V an)? Etwa von V+ zu V-? 😀 Das mache ich dann wie von Enrico beschrieben: „Stell deinen TL431 auf 2,5V ein und schließ ihn an Pin 3 vom LM393 an, dann flackert die Unterspannungs-LED bei 6,1V auf. Oder nimm einen LM358, dann kannst du noch eine Hysterese einbauen um das Flackern zu unterdrücken.“
:
Bearbeitet durch User
Alexander H. schrieb: > Sollte ich dann IN LO von GND trennen Nein. Du wirst nicht die Schaltung neu entwickeln. Sondern den Kram so lassen. Du willst nur erkennen, wann die Versorgungsspannung nicht mehr ausreicht. 4.5V reichen sicherlich. Das kann ein Komparator aus der 2.5V Referenz ableiten. Aber du musst das Signal dann entweder synchron oder gegenläufig mit BP pulsen, brauchst noch ein XOR. Ob man aus 3/4 LM339 ein XOR bauen kann ?
Michael B. schrieb: > brauchst noch ein XOR. Irgendwann habe ich mal eine Eintransisorschaltung gesehen, mit der eine XOR-Funktion verwirklicht wurde. Leider finde ich die nicht mehr wieder. Ein XOR kann man auch mit Hilfe eines Vierfachnands bauen. Ein solches IC findez man eher "in der Kiste" als ein "echtes" XOR-IC
Ich hab ja bereits das Komma mit BC550 und 2x 470K Widerständen realisiert. So wie hier zu sehen: https://danyk.cz/teplo_en.html Genau so könnte ich es mit dem „lo bat“ Segment auch machen, oder? Wenn die Ladungspumpe sogar bis 4,5V runter ohne Beeinträchtigungen läuft, dann macht es doch Sinn den Komparator an der Batteriespannung anzuschließen, da ich ja schon bei 4,8V die Warnung bekommen will. Hab einen LM393 Komparator gefunden, sogar mit Hysterese und Rechner. https://www.mattmillman.com/a-simple-low-battery-detection-circuit-with-hysteresis/ https://www.desmos.com/calculator/qcx2eymcpj?lang=de Geht das Ganze auch ohne Linearregler, wenn man als Minimalspannung 4,8V eingibt? Hab nach ein bisschen Probieren die Widerstandswerte so wählen können, dass die Schaltschwelle genau bei 4,8V liegt und die cut in voltage bei 5,0V liegt(5% Hysterese). Ist das halbwegs passend für die Anwendung?
Alexander H. schrieb: > Geht das Ganze auch ohne Linearregler, wenn man als Minimalspannung 4,8V > eingibt Du hast 2.5V vom TL431.
Die 2,5V (Vref) will ich aber nicht messen, sondern nur die Versorgungsspannung der gesamten Schaltung.🙂
Alexander H. schrieb: > Die 2,5V (Vref) will ich aber nicht messen, sondern nur die > Versorgungsspannung der gesamten Schaltung.🙂 Oh Mann, du bist so schwer von Begriff, dass es weh tut. Du brauchst eine stabile von der Versorgungsspannung unabhângige Spannung 'Referenz', gegen die du vergleichen kannst.
Prima, endlich ne klare Ansage. Darf die Vergleichsspannung auch niedriger als die sich verändernde Spannung sein? Jetzt kapier ich den Sinn des 7805 Reglers😂 Der TL431 hat dadurch ja ne doppelte Verwendung, das musste ich ernst verstehen.🫣 Die niedrigste Akkustandspannung als Referenz zu nehmen ist sicher eine schlechte Idee, denn die driftet ja ständig. Was würde da passieren? Einfach nur ein viel zu früher Alarm?
Hallo nochmal, ich hab die LOW BAT Anzeige nun aufgebaut und auch (halb) zum Laufen bekommen. Allerdings macht das Ganze noch nicht ganz, was ich wollte. Ich hatte die LM393 Komparatorschaltung mit Hysterese https://www.mattmillman.com/a-simple-low-battery-detection-circuit-with-hysteresis/ mit einem Schaltungsauszug (ELV) kombiniert. Die ELV Schaltung invertiert das Backplanesignal, schaltet dauerhaft zusätzliche Segmente (Komma zB.) und schaltet bei Unterspannung per PNP Transistor das LOW BAT Segment ein, richtig? PIN7 vom LM393 (OUT2) habe ich mit der Basis von T3 verbunden, PIN6 (IN2-)hab ich erstmal offen gelassen, da ich mir nicht sicher war, ob und wo ich das mit der nachfolgenden Schaltung verbinden kann. Wo muss ich (falls nötig) PIN6 des LM393 anschließen? Fehlt evtl. noch ein Ausgangswiderstand am LM393? Bei meinem Testaufbau „fadet“ das LOW BAT Segment nun nur ganz langsam ein, statt zu schalten. Ab ca. 4,9V immer deutlicher werdend, ab 4,5V stärker, aber nur aus schrägem Winkel richtig sichtbar. Ab 5,5V war das LOW BAT Segment ganz aus. Es scheint also halb zu funktionieren 🙂 Muss ich Vcc (bei ELV +9V) mit der Batteriespannung verbinden, oder mit der positiven Versorgung aus der Ladungspumpe (Versorgung des ICL7106)?
:
Bearbeitet durch User
Als Transistoren verwende ich BC546/556. Der LT431 ist auf 2,5V eingestellt (kontrolliert) und der Komparator wurde mit dem Onlinetool auf 2,5% Hysterese berechnet. Ab 4,8V sollte das LOW BAT Segment einschalten, aber man sieht es nur sehr schwach. Fehlen mir evtl. pull-up/down Widerstände? Könnte hier jemand nochmal kurz erklären, wie ich den PNP als Schalter (per LM393) korrekt betreibe?
:
Bearbeitet durch User
Alexander H. schrieb: > der Komparator wurde mit dem Onlinetool auf 2,5% Hysterese berechnet. > Ab 4,8V sollte das LOW BAT Segment einschalten, aber man sieht es nur > sehr schwach. Damit die Hysterese mit dem 220k Mitkopplungswiderstand auch garantiert abrupt funktioniert, müssen die stabilen 2,5V vom TL431 über einen 10k Widerstand zugeführt werden. Dadurch kann die Eingangsspannung besser aus dem Gleichgewicht gebracht werden und die Schaltung kippt gewollt abrupt um. Ohne den 10k Widerstand schafft der hochohmige 220k Widerstand es nicht die stabilen 2,5V zu kippen.
Hallo Enrico, Danke für die Erklärung. Ich nutze aber nur den zweiten Teil der ELV Schaltung mit NPN und PNP Transistor. Meine Abschaltung soll nur ab Akkuspannung 4,8V Alarm schlagen und nur den Akku vor Tiefentladung schützen. Da es einen Online Rechner https://www.desmos.com/calculator/qcx2eymcpj?lang=de für eine Schaltung mit LM393 Komparator gab, habe ich mit etwas Probieren ideale Werte gefunden. Statt des Spannungsreglers kommt Vref=2,5V vom LT431. Vielleicht ist dein Tipp in dem Fall aber trotzdem relevant? Wo müsste ich PIN6 anschließen? PIN7 hängt jetzt an der Basis von T3.
:
Bearbeitet durch User
Hallo, kann sich das jemand nochmal anschauen? Ich hab alles nochmals durchgeschaut, und logischerweise benötige ich nur PIN7 (invertierender Ausgang mit dem zweiten Komparator vom LM393) an der Basis von T3. Der Transistor scheint nicht voll durchzusteuern und das Segment daher nur schwach? PIN6 wäre nicht invertiert, da passiert gar nichts. Versorgungsspannung und Schaltung hab ich auch mehrmals geprüft. Der Schaltpunkt liegt auch definitiv bei 4,8V nur eben nicht gut sichtbar. Wenn ich die Basis von T3 offen lasse, ist das Segment LO BAT voll sichtbar eingeschaltet, über den ganzen Spannungsbereich. Ist die Versogungsspannung von 4,8-5,2V evtl. zu gering für die Dimensionierung der Widerstände rund um T3?
Es liegt auch ein 60Hz Backplanesignal am LO BAT Segment an, aber nur bei offen gelassener Basis ist es spannungsmässig ausreichend. Hab jetzt etliche Widerstände rund um T3 vergrössert/verkleinert, kein Erfolg. So wahnsinnig kompliziert kann das Ganze doch nicht sein, oder?
Alexander H. schrieb: > So wahnsinnig kompliziert kann das Ganze doch nicht sein, oder?
1 | +5V ---+---------+ |
2 | | | 74LVC1G86 |
3 | MAX809-5-----|\ |
4 | | |X)-- LoBat Segment |
5 | | BP---|/ |
6 | | | |
7 | GND ---+---------+-- TEST |
Das ist bestimmt auch ne super Lösung, teste ich wenn nichts weiter hilft. Ich frag mich warum mein Aufbau nicht funktioniert. Was müsste ich eigentlich am Ausgang der Komparatorschaltung messen? Sinn ist ja der Schaltpunkt ab 4,8V und die Hysterese bis 5,0V. Das müsste ich doch am Output sehen? (OUT2/GND?). So, hab gemessen. Ich sehe 2,5V DC am Ausgang (PIN7 vom LM393), die 2,5V sind stabil, ab 4,65V Akkuspannung fallen sie deutlich bis 1,13V bei 2,0V Akkuspannung. Darunter dann abrupt 0V, da wird die LT431 Referenz aufhören zu arbeiten. Was kann ich daraus ableiten, bzw. wie sollte sich die Komparatorschaltung korrekterweise verhalten? Ist es korrekt, das bei offengelassener T3-Basis T3 offensichtlich leitet? Sollte das nicht andersrum sein, sprich erst bei einem Eingangssignal?
:
Bearbeitet durch User
Alexander H. schrieb: > Ich frag mich warum mein Aufbau nicht funktioniert. Wenn die Eingangsspannung an deinem 5V Festspannungsregler nur noch 4,8V beträgt, dann produziert der 7805 am Ausgang keine stabilen 5V mehr! Auch die restlichen 2,5V am Ausgang sind dann nicht mehr stabil. Die Ausgangsspannung sinkt fast proportional mit der Versorgungsspannung. Damit das Ausgangssignal zuverlässig abrupt springt, brauchst du eine stabile Referenzspannung von etwa 2,5V. Dadurch erst kann die runtergeteilte, langsam sinkende Versorgungsspannung von 9V vernünftig mit der fixen Referenzspannung verglichen werden.
Enrico E. schrieb: > Alexander H. schrieb: >> Ich frag mich warum mein Aufbau nicht funktioniert. > > Wenn die Eingangsspannung an deinem 5V Festspannungsregler nur noch 4,8V > beträgt, dann produziert der 7805 am Ausgang keine stabilen 5V mehr! Ja, habe ich auch erst gedacht, aber.. Alexander H. schrieb: > Statt des Spannungsreglers kommt Vref=2,5V vom LT431. Es wäre natürlich hilfreich und übersichtlicher wenn der Schaltplan korrekt und vollständig wäre.
Enrico E. schrieb: > Alexander H. schrieb: >> Ich frag mich warum mein Aufbau nicht funktioniert. > > Wenn die Eingangsspannung an deinem 5V Festspannungsregler nur noch 4,8V > beträgt, dann produziert der 7805 am Ausgang keine stabilen 5V mehr! > Auch die restlichen 2,5V am Ausgang sind dann nicht mehr stabil. Die > Ausgangsspannung sinkt fast proportional mit der Versorgungsspannung. > Damit das Ausgangssignal zuverlässig abrupt springt, brauchst du eine > stabile Referenzspannung von etwa 2,5V. Dadurch erst kann die > runtergeteilte, langsam sinkende Versorgungsspannung von 9V vernünftig > mit der fixen Referenzspannung verglichen werden. Sorry, für das Schaltplanpuzzle. Es sind dann 4,8-5,2V Versorgungsspannung (Akku).🙃
Nochmal eine grundsätzliche Frage zum LM393: um den LM393 auf Funktion zu prüfen, muss ich dann Output gegen GND oder Vcc messen?
Alexander H. schrieb: > Nochmal eine grundsätzliche Frage zum LM393: um den LM393 auf > Funktion zu prüfen, muss ich dann Output gegen GND oder Vcc messen? Du brauchst einen pull up Widerstand am open collector Ausgang um irgendwas messen zu können.
Hab ich doch (10k). Hab nochmal auf 5k verkleinert und ich messe nur eine fallende Spannung über dem Widerstand. Was sollte ich messen? Bei 4,8V liegt der Schaltpunkt, also müsste ich da einen Sprung von low>high messen?
Alexander H. schrieb: > also müsste ich da einen Sprung von low>high messen? Genau! Und der Sprung ist sogar sehr abrupt. Die Veränderung von R9 von 10k auf 5k, ändert da aber gar nix!
Alexander H. schrieb: > Was sollte ich messen? IMG_4497.jpeg - wie kommen denn 2,5V VRef hinter einem 5V-Regler 780L05 zustande? Was soll der an einem Akku, noch nicht einmal 5 Volt liefert? Vielleicht erstellst Du mal einen Schaltplan, der die tatsächliche Schaltung korrekt abbildet! Alexander H. schrieb: > Bei 4,8V liegt der Schaltpunkt, also müsste ich da einen Sprung von > low>high messen? Falls VRef wirklich 2,5V sein sollte, errechne ich 3,5 Volt als Schwelle. Wie stabil ist denn die Referenz an Pin 3?
Manfred P. schrieb: > Falls VRef wirklich 2,5V sein sollte Laut Jörg (solar77) sind die 2,5V über den gesamten Eingangsspannungsbereich tatsächlich konstant. Angeblich soll dazu ein TL431 eingesetzt worden sein, der aber im Schaltplan noch nicht eingezeichnet wurde. Auch im neuen Schaltplan ist er schon wieder vergessen worden, aber er existiert weiter oben lediglich schon mal als Textbaustein.
:
Bearbeitet durch User
Enrico E. schrieb: > Manfred P. schrieb: >> Falls VRef wirklich 2,5V sein sollte > > Laut Jörg (solar77) sind die 2,5V über den gesamten > Eingangsspannungsbereich tatsächlich konstant. Nö, schrieb ich nicht. > Angeblich soll dazu ein TL431 eingesetzt worden sein, der aber im > Schaltplan noch nicht eingezeichnet wurde. Eben, und das schrieb der TO. > Auch im neuen Schaltplan ist > er schon wieder vergessen worden, aber er existiert weiter oben > lediglich schon mal als Textbaustein. Genau, und darauf habe ich Dich hingewiesen. Beitrag "Re: [S] LCD Thermometer mit ICL7106 (Conrad Bausatz)" Einfach richtig lesen, nix verdrehen und nix falsch interpretieren.
:
Bearbeitet durch User
Enrico E. schrieb: > Laut Jörg (solar77) sind die 2,5V über den gesamten > Eingangsspannungsbereich tatsächlich konstant. > > Angeblich soll dazu ein TL431 eingesetzt worden sein, der aber im > Schaltplan noch nicht eingezeichnet wurde. Auch im neuen Schaltplan ist > er schon wieder vergessen worden, aber er existiert weiter oben > lediglich schon mal als Textbaustein. Mir ist egal, was Jörg gesagt haben soll oder im Text steht, ohne einen realen Schaltplan ist das ganze Gekasper sinnlos. Ein Komparator ist kein Hexenwerk, wobei sowas auch bei mir neulich nicht auf Anhieb spielen wollte. Ich habe nicht das Forum bekaspert und erst nach einer Stunde Messerei meine zwei simplen Fehler gefunden. Jörg R. schrieb: > Beitrag "Re: [S] LCD Thermometer mit ICL7106 (Conrad Bausatz)" > Einfach richtig lesen, nix verdrehen und nix falsch interpretieren. Passt doch irgendwie zum Anfang des Threads, 7106, 7136, 7107 ... wirr drauflos gebastelt.
Kompletter Schaltplan folgt heute Abend. Ich vermute auch Fehler im Aufbau🙂
Alexander H. schrieb: > Kompletter Schaltplan folgt heute Abend. Nicht nur komplett, sondern auch korrekt. > Ich vermute auch Fehler im Aufbau🙂 Dann zeige den doch mal, aber mit Fotos auf denen man auch etwas erkennen kann. Den Aufbau hätte ich übrigens schon längst mal gepostet:-)
Hab mangels PC erstmal den LM393 Komparator-Aufbau aufgezeichnet, exakt so wie ich ihn auf Lochraster aufgebaut habe. Vielleicht kann hier jemand schon was sehen (und ob das Ganze überhaupt dem Schaltplan entspricht😂). Der Rest läuft ja bereits. Nochmal zum Verständnis: was müsste ich denn bei korrekter Funktion der Komparatorschaltung sehen, wenn ich über dem Pullup R9 messe?
:
Bearbeitet durch User
Alexander H. schrieb: > Hab mangels PC erstmal den LM393 Komparator-Aufbau aufgezeichnet, > exakt so wie ich ihn auf Lochraster aufgebaut habe. > Vielleicht kann hier jemand schon was sehen (und ob das Ganze überhaupt > dem Schaltplan entspricht😂). Das ist ein Blockschaltbild, ein schlechtes noch dazu. Foto(s) vom tatsächlichen Aufbau sieht man nach wie vor nicht. 105 Beiträge, schreibst Du an einer Doktorarbeit zu dem Thema?
:
Bearbeitet durch User
Alexander H. schrieb: > Hab mangels PC erstmal den LM393 Komparator-Aufbau aufgezeichnet, Willst Du uns verscheißern?
Klar, ich male Bilder vom Aufbau aus Spaß. Was sollen die Unterstellungen? Hab das Gefühl, dass sobald der Threadersteller nicht auf autoritäre Anweisungen im Befehlston der Art („..so, jetzt mach mal das“) eingeht, sofort losgeschimpft wird. Und es hängt sich immer der Nächste mit dran, anstatt beim Thema zu bleiben. Es macht keinen Sinn, hier unübersichtliche Bastelaufbauten (weil teils freiverdrahtet im Sandwich unter dem LCD) zu posten, daher der Schaltungsteil, der konkret nicht funktioniert. Keiner hat was von Lochraster-Ober-Unterseite Fotos, wo man ein paar Lötkleckse sieht. Wenn ihr fachlich was beitragen wollt, gerne👍
Alexander H. schrieb: > Hab das Gefühl, dass sobald der Threadersteller nicht auf autoritäre > Anweisungen im Befehlston der Art („..so, jetzt mach mal das“) eingeht, > sofort losgeschimpft wird. Nö, aber dein triviales Problem zieht sich wie Kaugummi durch den Thread. Es wird immer unübersichtlicher, und da verliert man irgendwann die Lust sich weiter Gedanken zu machen. Alexander H. schrieb: > Kompletter Schaltplan folgt heute Abend. Ich vermute auch Fehler > im Aufbau🙂 Du vermutest Fehler im Aufbau..aber.. > Es macht keinen Sinn, hier unübersichtliche Bastelaufbauten (weil teils > freiverdrahtet im Sandwich unter dem LCD) zu posten, daher der > Schaltungsteil, der konkret nicht funktioniert. > Keiner hat was von Lochraster-Ober-Unterseite Fotos, wo man ein paar > Lötkleckse sieht. Es macht für uns keinen Sinn weiter zu machen wenn Du nicht mal sicher bist ob der Aufbau korrekt ist. Dann dreht man sich nur im Kreis. > Wenn ihr fachlich was beitragen wollt, gerne👍 Du hast genug fachliche Hilfe bekommen. Nur scheinst Du das nicht richtig umzusetzen. Wenn Du tatsächlich Fehler im Aufbau hast bittest Du hier noch 10 Jahre um Hilfe, ohne Resultat. Alexander H. schrieb: > Hab mangels PC erstmal den LM393 Komparator-Aufbau aufgezeichnet, > exakt so wie ich ihn auf Lochraster aufgebaut habe. > Vielleicht kann hier jemand schon was sehen (und ob das Ganze überhaupt > dem Schaltplan entspricht😂). Klar, wir entwirren dein Kunstwerk, nur weil Du zu faul bist eine vernünftigen Schaltplan zu zeichnen. Auch das ginge notfalls auf Papier.
:
Bearbeitet durch User
Alexander H. schrieb: > was müsste ich denn bei korrekter Funktion der Komparatorschaltung > sehen, wenn ich über dem Pullup R9 messe? Was ist denn dein Vref ? 5V wohl nicht, dann ware In+ 3.47V und Bat würde bei 9.82V als Unterspannung erkannt. Bei 2.5V als Vref wäre 4.9V die Grenze, aber mit 2.5V läuft dein LM393 nicht, und 2.5V sind dann ja auch high-Pegel des Ausgangs, eher zu wenig. Der LM393 und die pull ups sollten wohl eher an Bat gehen.
Vref=2,5V (vom LT431 des Thermometers). Also wäre allein das Problem der Versorgungsspannung (Vref=2,5V) schon mein Fehler? Die Batteriespannung (Bat) beträgt 4,8-5,2V und für 4,8V Schaltschwelle hatte ich die Komparatorschaltung berechnet. Worauf beziehen sich die 4,9V? Der Pullup ist genau so wie im Schaltplan, oder müsste ich zum Messen einen zusätzlichen Pullup verbauen? Im Anhang nochmal die Gegenüberstellung Schaltplan/Schaltbild.
Alexander H. schrieb: > wäre allein das Problem der Versorgungsspannung (Vref=2,5V) schon > mein Fehler? Mindestens. > Die Batteriespannung (Bat) beträgt > 4,8-5,2V u Nimm die als Versorgung.
Alexander H. schrieb: > Also wäre allein das Problem der Versorgungsspannung (Vref=2,5V) schon > mein Fehler? Den TL431 habe ich bis heute immer noch nicht in deiner Schaltung entdeckt! Wie ist der beschaltet? Und warum liegt der TL431 parallel zum 7805? Wird die Referenzspannung von 2,5V auch gleichzeitig noch als Versorgungsspannung zweckentfremdet?
„Bat“ ist ja die (schwankende) Spannung, die überwacht werden soll. Die gleiche Spannung als Versorgung zu nehmen, geht doch nicht. Vref muss doch eine konstante Spannung sein, sonst kann die Komparatorschaltung nicht funktionieren. Zumindest einen 5V Spannungsregler bräuchte ich dann (Stromverbrauch für Akkuanwendung evtl. zu hoch). Und die Widerstandswerte müssten für Vref=5V neu berechnet werden. Oder soll ich die Versorgung komplett auftrennen? Dann ist die Schaltung eine ganz andere.
Sollte ich am Sonntag nach Kaffee und Kuchen Zeit haben, werde ich deinen handgemalten "Fritzingplan" von 21:18 Uhr, als echten Schaltplan mit Bleistift auf ein Stück Papier aufmalen. 🍰☕
Der Schaltplan vom ICL7107 Bausatz (bei mir 7106). Der TL431 ist ganz links. Er gibt 2,5V aus (nachgemessen). Wenn es mit 2,5V eh nichts wird, brauche ich wohl einen 5V Regler.
Alexander H. schrieb: > Klar, ich male Bilder vom Aufbau aus Spaß. > Was sollen die Unterstellungen? Niemand möchte hier gemalte Bilder sehen, sondern einen Schaltplan, der dem tatsächlichen Aufbau entspricht. > Hab das Gefühl, dass sobald der Threadersteller nicht auf autoritäre > Anweisungen im Befehlston der Art Niemand erteilt Dir "Anweisungen". Es gibt Grundlagen, wie man elektrische Dinge beschreibt, die solltest Du versuchen, zu erfüllen. Wenn Du das für nicht nötig hälst, backe Kuchen oder züchte Rosen. > Wenn ihr fachlich was beitragen wollt, gerne Hier sind einige Leute, die den Komparator schon lange ohne Forumskasperei laufen hätten. Michael B. schrieb: > Was ist denn dein Vref ? > 5V wohl nicht, dann ware In+ 3.47V und Bat würde bei 9.82V als > Unterspannung erkannt. Solange er die tatsächliche Referenz nicht zeigt ... > ..aber mit 2.5V läuft dein LM393 > nicht, und 2.5V sind dann ja auch high-Pegel des Ausgangs, eher zu > wenig. Wenn ich das Datenblatt richtig verstehe, kann der LM393 ab 2 Volt laufen. Macht natürlich keine Sinn, der darf direkt aus dem Akku versorgt werden. Alexander H. schrieb: > Also wäre allein das Problem .. dass Du zum wiederholten Male den bekritzelten Plan zeigst anstatt der tatsächlichen Umgebung. Enrico E. schrieb: > Den TL431 habe ich bis heute immer noch nicht in deiner Schaltung > entdeckt! Er ist halt zu faul oder zu blöd, die tatsächlche Schaltung zu zeigen. Alexander H. schrieb: > „Bat“ ist ja die (schwankende) Spannung, die überwacht werden soll. Die > gleiche Spannung als Versorgung zu nehmen, geht doch nicht. Oh weh, da mangelt es an Grundlagen. Und ja, es geht. > Vref muss doch eine konstante Spannung sein, sonst kann die > Komparatorschaltung nicht funktionieren. Zumindest einen 5V > Spannungsregler bräuchte ich dann (Stromverbrauch für Akkuanwendung > evtl. zu hoch). Das klingt einfach nur wirr. Wie soll denn der Spannungsregler aus 4,8V des Akkus 5V erzeugen? Enrico E. schrieb: > Sollte ich am Sonntag nach Kaffee und Kuchen Zeit haben, werde ich > deinen handgemalten "Fritzingplan" von 21:18 Uhr, als echten Schaltplan > mit Bleistift auf ein Stück Papier aufmalen. Das hilft nichts, weil die Erzeugung der Referenz nicht zu sehen ist.
Alexander H. schrieb: > Bat“ ist ja die (schwankende) Spannung, die überwacht werden soll. Die > gleiche Spannung als Versorgung zu nehmen, geht doch nicht Natürlich, dein ICL7106 nutzt die ja auch. Manfred P. schrieb: > Wenn ich das Datenblatt richtig verstehe, kann der LM393 ab 2 Volt > laufen Er braucht 1.5V mehr als die Vergleichsspannung von 1.75V, also zumindest 3.25
:
Bearbeitet durch User
Ok, also der Tipp mit der Versorgungsspannung war’s! Zumindest die Komparatorschaltung läuft, wie sie soll, d.h. der Schaltpunkt liegt genau um 4,8V. Man sieht den Schaltpunkt sehr schön!🙂👍 Leider ist die Hysterese ziemlich klein (bei 4,82V schaltet es schon wieder um). Laut Rechner sollte sie eher bis 4,95V gehen. Könnte das Verhalten trotzdem normal sein? Der Rest, also das Aktivieren des LOBAT Segments läuft noch nicht, stattdessen sehe ich verblasste Segmente(die übrigen, die nicht an sind) beim Unterschreiten von 4,8V. Ich vermute da liegt DC an, ähnlich wie bei der TEST-PIN Funktion die im Datenblatt erwähnt wird(ICL7106 kann als Test alle Segmente anzeigen, mit einer DC-Spannung). Ich verwende ja diese ELV-Schaltung für die LOBAT-Anzeige. Der Ausgang vom LM393 (OUT2/BATL) ist mit LB-IN (Basis vom BC556) verbunden. LB-OUT soll das LOBAT-Segment einschalten. Die zusätzlichen, miteinander verbundenen Segmente (P3/B5…) sind für den Dezimalpunkt und das „Gradzeichen“. Bilder im Anhang zuerst ohne und dann mit ELV Segment-Schaltung. Ich hab an verschiedenen Stellen gemessen. OUT2/GND und Vcc. Direkt am LOBAT Segment sieht man ein kleiner werdendes Rechtecksignal beim Unterschreiten von 4,8V(letzten zwei Bilder). Wo wäre denn die aussagekräftigste Stelle für die Messung (damit es nicht zu verwirrend wird)? Ich verstehe die genaue Funktion der ELV Schaltung noch nicht ganz, daher kann ich mir gerade nicht vorstellen, was für ein Signal der Transistor überhaupt braucht. Könnte das jemand erklären?
:
Bearbeitet durch User
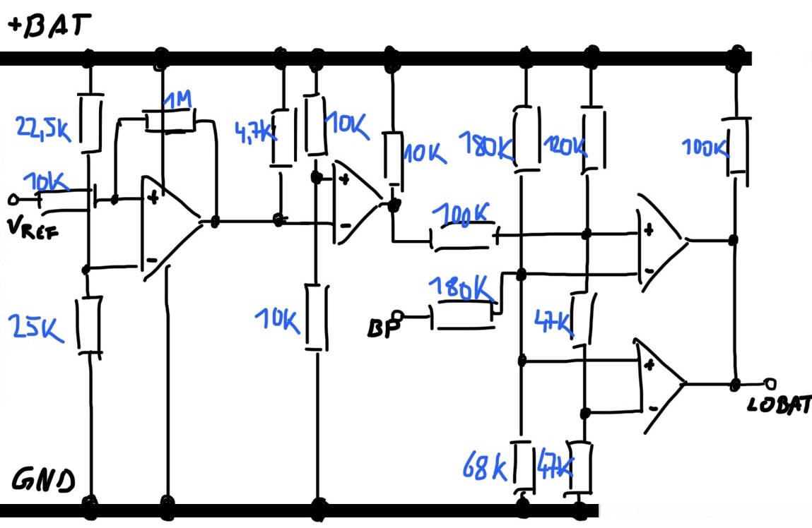
Alexander H. schrieb: > Ist da irgendwas grob falsch Na ja BP liefert ein Rechtecksignal zwischen V+ und TEST, zu verwenden für ausgeschaltete Segmente. T5 invertiert das Signal so dass an R17 /BP anliegt, zu verwenden fur eingeschaltete Segmente. Aktiv geht uber R20 das /BP Signal an LiVat. Schaltet T3 ein, kommt BP ans Segment und es ist aus. T3 ist ein, wenn LOBAT unter BP liegt, aber das ist ein Rechtecksignal mit 5V und TEST. LOBAT muss also mindestens 0.7V weniger als Test haben, um einzuschalten. Uber einen Vorwiderstand an der Basis, so 470k Das liefert dein LM393 Ausgang nicht.
Ich hab’s jetzt irgendwie zum Laufen bekommen. Die Lösung war etwas kurios, und ich verstehs noch nicht. Die Komparatorschaltung bietet ja zwei Outputs (OUT1 und OUT2=invertiert). 470K Basiswiderstand ergab nur ein blasses Schimmern des Segments. Größere Rs und kleinere brachten keine Besserung, manchmal wurde das Segment weit unterhalb von 4,8V (so ab 4V) dann kräftiger sichtbar. Nur mit OUT1 über einen 4,7uF Elko+390K R an der Basis läuft es jetzt. Das Segment schaltet sauber und reproduzierbar ein und aus🙂 Kann das einer erklären was da passiert? Im Anhang die Messung vom erfolgreichen Schaltvorgang direkt am LOBAT-Segment (und GND). Kann ich mir jetzt den ungenutzten Teil der Komparatorschaltung sparen, sprich R6/7/8/9 weglassen?
:
Bearbeitet durch User
Nochmal zur Klarstellung: Die 4,7uF + 390K liegen in Serie von OUT1 zur Basis vom T3 PNP Transistor. Der Schaltvorgang scheint irgendwie durch die RC-Serienschaltung zu gelingen. Hat das evtl. was mit dem Arbeitspunkt des Transistors zu tun? Und Danke nochmal an Michael für die komplexe Erklärung.👍 Kann ich da eigentlich bedenkenlos einen Elko nehmen, oder sollte ich lieber auf einen Folienkondensator ausweichen?
Alexander H. schrieb: > Kann das einer erklären was da passiert? Signalpegelversatz durch den Kondensator. Alexander H. schrieb: > Kann ich da eigentlich bedenkenlos einen Elko nehmen, oder sollte ich > lieber auf einen Folienkondensator ausweichen? Du müsstest auf unendlich Farad ausweichen, wenn das auf Dauer funktionieren soll. Der Hack ist also KEINE Lösung, er hat ein Ablaufdatum (vielleicht halten deine 4u7 1 Stunde). Du könntest den Komparator mit GND mal statt an TEST an V- legen. Basisvorwiderstand zum Transistor nicht vergessen. Überlege, ob V- babei nicht zu sehr belastet wird durch den pull up am Komparatorausgang.
Ok, also selbst mit unpolarisiertem Folienkondensator geht das nicht auf Dauer? Auf welche Art würde der Kondensator zerstört werden? Welchen Komparatorausgang soll ich nutzen OUT1/2(nicht invertiert/invertiert)?
Alexander H. schrieb: > Ok, also selbst mit unpolarisiertem Folienkondensator geht das nicht auf > Dauer? Auf welche Art würde der Kondensator zerstört werden? Er wird nicht zerstört, er hält ur den Pegel nicht, entlädt sich durch Selbstentladung. > Welchen Komparatorausgang soll ich nutzen OUT1/2(nicht > invertiert/invertiert)? Ausprobieren:-)
Alexander H. schrieb: > Leider ist die Hysterese ziemlich klein (bei 4,82V schaltet es schon > wieder um). Laut Rechner sollte sie eher bis 4,95V gehen. Du könntest R3 von 1M auf 220k verkleinern. An deinem TL431 sollte auf jeden Fall noch ein R11 mit etwa 10k nachgeschaltet sein, sonst kann dein Mitkopplungswiderstand R3, die Referenzspannung nicht beeinflussen und es gibt keine Umkehrspanne (Hysterese)! In meiner Schaltung habe ich der Einfachheit wegen, einfach einen LM385Z-2.5 eingebaut. Der liefert werkseitig bereits fertige 2,5 Volt.
Mess doch mal die B-E Spannung an deinem PNP-Transistor BC558 und das in beiden Fällen. Einmal wenn er vom LM393 angesteuert wird und einmal wenn er nicht angesteuert wird. Bei Nichtansteuerung könnte es sein, dass der PNP über den 10k Pull-Up R9 zuviel Reversespannung bekommt (max. 5V). Durch den 100k Basiswiderstand R8 würde er zwar nicht kaputt gehen, aber er könnte durchbrechen. Deswegen ist in der Originalschaltung am LM393 auch kein Pull-Up Widerstand von 10k angeschlossen. Allerdings brauchst du den 10k Widerstand, sonst würde deine Hysterese mit R3 und R11 nicht funktionieren. Um das Problem zu lösen, könntest du den zweiten LM393 als nicht invertierende Pufferstufe dazwischen schalten und zwar ohne Pull-Up Widerstand und damit den BC558 über einen 100k Widerstand ansteuern.
„ Du könntest den Komparator mit GND mal statt an TEST an V- legen. Basisvorwiderstand zum Transistor nicht vergessen.“ Der Lm393 hängt an Vcc/Bat(Akku) und GND als Versorgung. Hänge ich ihn statt GND an V-(des ICL7106) sehe ich alle LCD-Segmente (-1.8.8.8.) leuchten, wie bei der Testfunktion. Sorry… hatte zuerst wirklich den Basiswiderstand vergessen. Mit R gehts zwar, aber das Segment wird blass (hab Werte von 220K bis 820K getestet). TEST ist Pin4 des ICL und ansonsten nirgends verbunden außer mit dem NPN Transistor. Wie war das dann gemeint, falls nicht so? Eine symmetrische Versorgung hab ich ja nicht und der LM393 läuft auch mit 4,8-5,2V Single supply. „ Mess doch mal die B-E Spannung an deinem PNP-Transistor BC558 und das in beiden Fällen.“ Hab ich gemacht, mit meiner RC Serienschaltung (Anhang). „Um das Problem zu lösen, könntest du den zweiten LM393 als nicht invertierende Pufferstufe dazwischen schalten und zwar ohne Pull-Up Widerstand und damit den BC558 über einen 100k Widerstand ansteuern.“ Das klingt gut, ich muss mich aber wohl nochmal kurz nach Schaltbeispielen umschauen um das zu testen zu können. Im Anhang eine Skizze zum LM393 mit Pufferstufe. Ist das so richtig umgesetzt?🤔🙂 Danke nochmal für die Skizze, Enrico! Ich hab aber statt 9V Versorgung nur 5V.
:
Bearbeitet durch User
So, leider hatte ich mit keinem Vorschlag Erfolg. Meine „Hack-Lösung“ könnte ich notfalls mal auf mehrere Stunden testen. Was ja ebenfalls nicht gepasst hat, war die fehlende Hysterese. Evtl. liegt es möglicherweise an den Transistoren (BC546/556)? Kann man sowas eigentlich irgendwie durchrechnen, wenn man mit Probieren nicht zum Ziel kommt?
Alexander H. schrieb: > Ich hab aber statt 9V Versorgung nur 5V. Wenn am Eingang vom 7805 weniger als 7V sind, dann bringt er am Ausgang schon keine 5V mehr! Alexander H. schrieb: > Was ja ebenfalls nicht gepasst hat, war die fehlende Hysterese. Wie hast du deine 2,5V Referenzspannung an den LM393 angeschlossen? Wenn die 2,5V nur aus den 5V über einen Spannungsteiler generiert werden, dann laufen sowohl die so gewonnenen 2,5V Referenzspannung, als auch die runtergeteilten 9V, ab einer sinkenden Versorgungsspannung von 7V abwärts, fast synchron zueinander, so dass schon wieder kein eindeutiger Kipppunkt entstehen kann!
Michael B. schrieb: > (..) Enrico E. schrieb: > (..) Ich bewundere Euer Durchhaltevermögen und dass Ihr nicht aufgebt den TO zu unterstützen. Ich bin ja sehr geduldig, und auch hilfsbereit, aber der Thread macht einfach keinen Spaß mehr. Ich vermisse nach wie vor einen korrekten und vollständigen Schaltplan. Ich vermisse Fotos vom Aufbau der Testschaltung. Wenn der TO hier rummurkst dreht er sich im Kreis.
:
Bearbeitet durch User
In zwei Tagen (dann hab ich Zugang zum PC) werde ich den kompletten Schaltplan anfügen. Es sind einfach zuviele (weil laienhaft zusammenkopierte) Schaltungen von mir gepostet worden, daher kann hier keiner vernünftig antworten. Hab ja keine 9V und kein 7805 Regler, sondern nur 4,8-5V vom Akku. Vref=2,5V kommt vom TL431 (im ICL7107/6 Bausatz enthalten). Der ICL7106 ist symmetrisch per Ladungspumpe versorgt.
:
Bearbeitet durch User
So Leute, ich hab nun versucht, das Konstrukt in einen Schaltplan zusammenzufassen. Es gab auf der Platine des Bausatzes (https://www.ebay.de/itm/175997331226) den ich als Basis nutze ein paar kleine Abweichungen zum Originalschaltplan, die sich wahrscheinlich dadurch erklären, dass die Schaltung ursprünglich für ICL7107(LED) konstruiert war. Für den ICL7106 LCD-Betrieb musste ich noch den Backplane PIN von GND trennen. -Trimmer R5=1K statt 2K. -Schleifer vom Trimmer R5 hat keine GND Verbindung (Fehler im Plan?) -Stecker? J5 nicht vorhanden (Sinn?) Als LCD verwende ich das Philips LTD227 (4,5 digits). Die miteinander verbundenen Segmente sind für das Gradzeichen+Dezimalpunkt. Vcc=5V (eigentlich 4,8-5,2V Akku) Ansonsten hab ich alle Vcc/GND Verbindungen in meinem Aufbau durchgeklingelt und mit dem erstellten Schaltplan abgeglichen. Die Spannungen hab ich ebenfalls kontrolliert, passt eigentlich auch alles. TL431 Vref=2,49V, ICL7106: V+=4,9V, V-=-5,0V Momentan läuft es mit dem „Hack“, aber die Hysterese fehlt komplett. Vielleicht seht ihr ja schon einen groben Fehler.🤔😂 Viele Grüße Alexander
:
Bearbeitet durch User
Betreibe den LM393 direkt mit der 5V Akkuspannung. Entferne R15 und ändere R14 auf 220k, damit aus den 5V die nötigen 2,5V entstehen, die jetzt mit der 2,5V Referenzspannung verglichen werden können. Jetzt kannst du auch C9 entfernen damit Q2 vernünftig über R18 sperren kann.
Ok, wird morgen genau so getestet. Der LM393 hängt schon mit Vcc direkt an der 5V Akkuspannung, hab ich nochmal überprüft. Wird der zweite Teil vom LM393(und R18/19/20/21) dann doch benötigt? Hab momentan noch die Beschaltung mit zusätzlicher Pufferstufe aufgebaut (Brücke von IN2- auf OUT2, richtig?), die sich aber genau gleich wie der Aufbau mit nichtinvertierendem Ausgang (ohne Pufferstufe) verhält, d.h. fehlende Hysterese.
:
Bearbeitet durch User
Es funktioniert!👍🙂 (fast). Die modifizierte Schaltung funktioniert schonmal ohne den 4,7uF Elko. Der Schaltpunkt ist jetzt aber auf 4,92V gewandert. Ich konnte auch eine Hysterese bis 4,955V sehen. Was kann man machen, um den Schaltpunkt wieder auf genau 4,80V einzustellen? Im Anhang das Ergebnis (am BC556 zwischen Basis und Emitter gemessen).
Alexander H. schrieb: > Ich konnte auch eine Hysterese bis 4,955V sehen. Falls die Hysterese zu klein ist, kannst du sie auch noch ggf. vergrößern in dem du den 1M Widerstand R17 durch 470k oder sogar durch 220k ersetzt. Alexander H. schrieb: > Was kann man machen, um den Schaltpunkt wieder auf genau 4,80V > einzustellen? Schalte einfach zwischen den beiden 220k Widerständen R13 und R14 noch einen 100k Spindeltrimmer, damit kannst du dir dann deinen gewünschten Schaltpunkt exakt einstellen.
Alexander H. schrieb: > Es funktioniert!👍🙂 (fast). > Die modifizierte Schaltung funktioniert schonmal ohne den 4,7uF Elko. > Der Schaltpunkt ist jetzt aber auf 4,92V gewandert. Ich konnte auch eine > Hysterese bis 4,955V sehen. > > Was kann man machen, um den Schaltpunkt wieder auf genau 4,80V > einzustellen? https://www.electronicdeveloper.de/DTriggerSchmittTrigger.aspx
Enrico E. schrieb: > Alexander H. schrieb: >> Ich konnte auch eine Hysterese bis 4,955V sehen. > > Falls die Hysterese zu klein ist, kannst du sie auch noch ggf. > vergrößern in dem du den 1M Widerstand R17 durch 470k oder sogar durch > 220k ersetzt. > Alexander H. schrieb: >> Was kann man machen, um den Schaltpunkt wieder auf genau 4,80V >> einzustellen? > > Schalte einfach zwischen den beiden 220k Widerständen R13 und R14 noch > einen 100k Spindeltrimmer, damit kannst du dir dann deinen gewünschten > Schaltpunkt exakt einstellen. Ich hab jetzt so ziemlich alles probiert. Leider ergibt sich immer ein Problem. Mit Pufferstufe und ohne - keine Hysterese und ein „Flackerbereich“ (Übergangsbereich des ersten Aufflackerns ist der Schaltpunkt). Bis das Segment dann konstant eingeschaltet ist dauert es weitere 0,4V. Statt 1M hab ich bis 40K alles durch. Weiter oben hatte ich die Pufferstufe falsch aufgezeichnet. Der Output des ersten Komparators wird auf den Eingang des Zweiten geführt, IN2- mit OUT2, ist das so richtig? Hatte weiter oben schonmal nachgefragt, nicht dass das einer der Fehler ist. Nochmal die Frage, ums abschließend zu klären: kann R19/20/21 denn eigentlich weggelassen werden, da der zweite Komparator nicht benutzt wird? Hab mir dann selbst die Antwort gegeben und nun weggelassen🤔 Notfalls brauche ich nicht unbedingt die Hysterese, dann würde mir als Minimalversion die nichtflackernde (berechnete) Variante mit 1M und ohne Poti ausreichen. Welche R/s sind denn die Hysterese bestimmenden Widerstände? Auf der Seite der Schaltung https://www.mattmillman.com/a-simple-low-battery-detection-circuit-with-hysteresis/ wird von zwei Widerständen für die Spannungserkennung (+ ein R für die Hysterese) gesprochen, aber ganz so einfach ist es wohl nicht.
Alexander H. schrieb: > IN2- mit OUT2, ist das so richtig? Nein, IN2- mit OUT1! Alexander H. schrieb: > kann R19/20/21 denn eigentlich weggelassen werden? Im Prinzip ja, aber du könntest auch noch in Reihe zu R21 eine LED schalten, dann kannst du die Hysterese optisch einstellen. Alexander H. schrieb: > Welche R/s sind denn die Hysterese bestimmenden Widerstände? In deiner Schaltung sind es R17 mit 1M und R16 mit 30k. In der Beispielschaltung sind es R5 und R3.
Enrico E. schrieb: > In der Beispielschaltung Die ist Müll. R3 wird heftig beeinflusst durch die Stellung von R1. Sie beachtet zudem nicht, dass der LM393 bis 1.5V unter VCC nicht messen kann. Die 100nF machen die Potispannung nicht stabiler. Er hingegen hat stabile 2.5V aus der TL431 Referenz.
1 | +Bat --------+------+--------+ |
2 | | | | |
3 | 22k5 +---(-1M-+ | |
4 | | | | | 4k7 |
5 | +2.5V --10k--(--+--|+\ | | |
6 | | | >--+---+-- LB |
7 | +-----|-/ |
8 | | | LM393 |
9 | 25k | |
10 | | | |
11 | Masse -------+------+--------- GND |
Komplizierter ist es, aus dem statischen LB Signal die Rechteckwechselspannung für das LoBat Segment zu machen, entweder in Phase mit BP oder invertiert. Der grosse Nachteil ist eben, dass der LM393/LM339 über 3.5V nicht mehr messen kann, also braucht man Spannungsteiler und damit Widerstände ohne Ende. Irgendwo rächt es sich eben, immer das allerbilligste Bauteil zu nehmen.
1 | +Bat ----+---+----+-----+ |
2 | | | | | |
3 | 180k 120k | 100k |
4 | | | | | |
5 | LB-100k--(---+---|+\ | |
6 | | | | >---+-- LoBat |
7 | BP-180k--+---(---|-/ | |
8 | | | | |
9 | | 47k LM339 | |
10 | | | | |
11 | +---(---|+\ | |
12 | | | | >---+ |
13 | | +---|-/ |
14 | | | | |
15 | 68k 47k | |
16 | | | | |
17 | GND -----+---+----+ |
:
Bearbeitet durch User
Danke Michael für die Schaltungsvorschläge. Die beiden gezeigten Schaltungsabschnitte hängen zusammen, oder? Das wären dann sogar sechs Komparatoren🙂🤔LM339(vier Komparatoren)? Ist das wirklich nur mit soviel Aufwand zu realisieren? Den LM339 müsste ich erst besorgen. Hab mir diese PDF nochmal durchgelesen: https://techome24.de/media/pdf/5d/64/e0/tec0052699-1-elv-esr-messgeraet-esr-bedienungsanleitung.pdf In der ELV Schaltung ist einiges anders, unter anderem kein Dual Supply (beim ICL7106) und die Hysterese fehlt scheinbar, aber es geht wohl auch mit weniger Aufwand. Irgendwo muss da ein Trick sein, den ich übersehe? Vielleicht eine Verbindung zu GND, Backplane oder ein Kondensator (gegen Vcc/GND)? Ich hätte als alternative Komparatoren noch TL331CP und LP311N (nur ein Komparator). Es muss natürlich nicht immer das Billigste sein, aber auch nicht unbedingt das neueste IC.
:
Bearbeitet durch User
Alexander H. schrieb: > Das wären dann sogar sechs Komparatoren🙂🤔LM339 Nein, 3, also besser ein LM339 als zwei LM393. Alexander H. schrieb: > Die beiden gezeigten Schaltungsabschnitte hängen zusammen, oder? Ja, über LB. Wobei eventuell noch ein Inverter dazwischen muss damit LoBat bei leerer und nicht voller Batterie erscheint. Ist mir gerade zu aufwändig das durchzudenken. Alexander H. schrieb: > LP311N Noch älter, taugt noch weniger.
:
Bearbeitet durch User
Michael B. schrieb: > R3 wird heftig beeinflusst durch die Stellung von R1. Wird nur einmalig eingestellt. Michael B. schrieb: > Sie beachtet zudem nicht, dass der LM393 bis 1.5V unter VCC nicht messen > kann. Er braucht nur den Bereich von 2 bis 3 Volt. Michael B. schrieb: > Ist mir gerade zu aufwändig das durchzudenken. 3 bis 4 OPs sind einfach zuviel. Man kann die gesamte Schaltung mit dem LM358 auf einen einzigen Operationsverstärker reduzieren, dann entfällt sogar noch der Pull-Up R18! Mit dem 50k Trimmer stellt man die gewünschte Schwelle bei ungefähr 2,5V ein. Eine Hysterese von 0.25V dürften auch ausreichend sein.
Den zweiten nichtverwendeten LM358 kann man mit dieser Schaltung, ohne zusätzliche Bauteile, leicht deaktivieren, so dass er nicht von selbst anfängt zu schwingen. Da der LM358 gutmütig ist, wird er selbst bei offenen Eingängen mit einer Wahrscheinlichkeit von 90% sowieso nicht schwingen.
Enrico E. schrieb: > 3 bis 4 OPs sind einfach zuviel Alleine fur den Schmitt-Trigger auf jeden Fall. Aber deine Schaltung enthält noch nicht die Segmentansteuerung, sie kann eben nicht den BC556 an BP steuern.
:
Bearbeitet durch User
Michael B. schrieb: > Aber deine Schaltung enthält noch nicht die Segmentansteuerung, sie kann > eben nicht den BC556 an BP steuern. Du hast wahrscheinlich Recht! Der LM358 gibt ja nur 3,5V raus, das reicht nicht ganz um den BC556 vernünftig zu sperren. Also kann der Pull-Up-Widerstand R18 doch nicht entfallen.
Enrico E. schrieb: > Den zweiten nichtverwendeten LM358 kann man mit dieser Schaltung, ohne > zusätzliche Bauteile, leicht deaktivieren, so dass er nicht von selbst > anfängt zu schwingen. Aber BITTE noch einen ca. 10k Widerstand am + Eingang einfügen nahc Masse, NIE direkt auf MAsse legen. TI.com beschreibt warum das wichtig ist in den App. Notes zum Bausteien.
Andrew T. schrieb: > Aber BITTE noch einen ca. 10k Widerstand am + Eingang einfügen nahc > Masse, NIE direkt auf MAsse legen. Das glaube ich kaum, denn sonst dürfte man ja auch keinen 0,1 Ohm Shunt-Widerstand von +In nach GND schalten. Genau das wird aber oft bei Strommessungen so gemacht. Wenn du gesagt hättest, dass man am AUSGANG einen 10k nach GND legen soll, um die 100mV Restspannung noch weiter zu reduzieren, dann hätte ich dir Recht gegeben, das haben wir auch in unserem Elektronikgrundkurs so gelernt. Was soll denn der 10k am Eingang überhaupt bezwecken?
Michael B. schrieb: > Alexander H. schrieb: >> Das wären dann sogar sechs Komparatoren🙂🤔LM339 > > Nein, 3, also besser ein LM339 als zwei LM393. > Alexander H. schrieb: >> Die beiden gezeigten Schaltungsabschnitte hängen zusammen, oder? > > Ja, über LB. > Wobei eventuell noch ein Inverter dazwischen muss damit LoBat bei leerer > und nicht voller Batterie erscheint. Ist mir gerade zu aufwändig das > durchzudenken. > Alexander H. schrieb: >> LP311N > > Noch älter, taugt noch weniger. Ok, drei Komparatoren(und drei ungenutzte in Summe) klar.🙂 Die Segmentansteuerung über BC456/556 bleibt genau so erhalten? Falls noch ein Inverter mit rein muss, kann ich immerhin alle vier Komparatoren nutzen. Danke, nochmal an Alle hier für die Hilfe!
Alexander H. schrieb: > Die Segmentansteuerung über BC456/556 bleibt genau so erhalten Nein, natürlich nicht, genau den Unsinn ersetzt der zweite Plan.
Alles klar, super! Ich warte gerade noch auf den LM339 und hab mal den Schaltplan mit Inverterstufe(so korrekt?) skizziert. Ich bin mir noch unsicher wo der TEST PIN angeschlossen werden muss. Und es fehlt noch der Anschluss der dauerhaft eingeschalteten Segmente (Dezimalpunkt+Gradzeichen P3/B5/G5/F5/A5). Was wäre denn ein Beispiel für ein Standard IC, das oberhalb von 3,5V messen kann?
Kann nochmal jemand drüberschauen? Normalerweise wird der TEST Pin ja als negative Versorgungsspanng bei externen Segmenttreibern (hier der Fall) gebraucht.
:
Bearbeitet durch User
Alexander H. schrieb: > so korrekt Die zusätzlich von dir eingefügte Inverterstufe wird so nicht funktionieren, weil der LM3xx über 3.5V nicht messen kann. Aber vielleicht braucht man sie gar nicht. TEST wird bei dir mit GND verbunden sein, du versorgst den ICL ja mit +5V und invertierter Spannung Alexander H. schrieb: > warte gerade noch auf den LM339 Wenn du eh bestellen musst, wärst du so besser gefahren: Beitrag "Re: [S] LCD Thermometer mit ICL7106 (Conrad Bausatz)"
:
Bearbeitet durch User
Ok, also da bräuchte es wieder die Spannungsteiler, dass der LM339 messen kann nehme ich an? Wie müsste ich den auslegen, falls es nötig wäre? Und dann müsste ich nur noch wissen, wo ich die dauerhaft eingeschalteten Segmente (Dezimalpunkt und Gradzeichen) anschließe. Die LM339 kommen am Montag.🙂
:
Bearbeitet durch User
Alexander H. schrieb: > Ok, also da bräuchte es wieder die Spannungsteiler, dass der LM339 > messen kann nehme ich an? Wann hast Du Abgabetermin für die Doktorarbeit?😀🧑🎓
Alexander H. schrieb: > Wie müsste ich den auslegen, falls es nötig wäre? Leg von den 4k7 noch 22k und 47k nach Masse, In- kommt an deren Verbindung. Dafür kannst du die beiden 10k von In+ weglassen und In+ mit Ref 2.5V verbinden.
Ok, passt das so wie im Anhang? Michael, könntest du mir noch erklären, wo der Dezimalpunkt und das Gradzeichen angeschlossen werden muss? Soweit ich es verstanden habe, schaltet dein Vorschlag mit LM339 nur das LOBAT Segment. Das per Transistor/Mosfet(wie im ICL Datenblatt) invertierte Backplane Signal für die fest eingeschalteten Segmente ist da noch nicht mit drin, oder? Oder ich übersehe da was grundsätzlich🤔
Alexander H. schrieb: > passt das so wie im Anhang? Nein, die beiden Widerstände in Reihe nicht parallel. Alexander H. schrieb: > wo der Dezimalpunkt und das Gradzeichen angeschlossen werden muss? Damit sie schwarz werden, müssen sie an ein invertiertes BP Signal. Das invertieren könnte man mit einem übrigen Komparator machen.
Alles klar, das hatte ich missverstanden. Ok, also je nach dem ob dann dieser Komparator (der mit dem Spannungsteiler) freibleiben kann, sonst ist ein externer Transistor nötig. Die Standard Inverter Schaltung ist diese hier, korrekt (siehe Anhang)? Ich überlege aber, ob es nicht in dem Fall wirklich ausreicht, die Hysterese komplett wegzulassen. Dann käme ich doch insgesamt mit LM393+zwei Widerständen und BC546/556 + drei Widerständen aus (genau wie die ELV Schaltung, die verzichtet auch darauf). Wie genau rechnet man die Widerstände am LM393 aus bzw. kann ich dazu auch einfach Online Rechner nutzen? (Hier R10/R2). Ein Akku (am gleichen Akku hängt noch eine Modell-/CDI-Zündanlage), der nur mit maximal 500mA belastet wird, verliert doch eher langsam die Spannung und springt nicht ständig aufgrund von Lastwechseln, daher würde es wohl ohne gehen, nehme ich an.
:
Bearbeitet durch User
Alexander H. schrieb: > Alles klar, das hatte ich missverstanden. > Ok, also Leute, ist es denn so schwer, wozu sollte man eine Reihenschaltung aus 2 Widerständen machen und nicht einfach einen grösseren nehmen, wenn man an der Verbindung nichts anschliesst ? Alexander H. schrieb: > Die Standard Inverter Schaltung ist diese hier, korrekt (siehe Anhang)? R8 würde natürlich nach +5V gehen, dein +9V wäre BP und der Spannungsteiler muss umgedreht werden damit er über 2.5V kommt. Du hast ein Talent, alles falsch zu machen, was nur irgendwie falsch geht.
:
Bearbeitet durch User
Es gab für mich zwei Möglichkeiten (Parallel/Serienschaltung). Um ungerade Widerstandswerte zu erhalten ist doch beides üblich. Angeschlossen an GND hattest du ja klar gesagt. Passt es denn jetzt? Als Hobbybastler macht man halt manchmal alles falsch, was nur geht.😂 Die Inverterschaltung hab ich so übernommen und als gegeben/Standard betrachtet. Sorry! R8 würde natürlich nach +5V gehen, dein +9V wäre BP und der Spannungsteiler muss umgedreht werden damit er über 2.5V kommt. Du hast ein Talent, alles falsch zu machen, was nur irgendwie falsch geht.“ Ehrlich gesagt verstehe ich den Teil gerade gar nicht mehr. Ich will doch per LM393 den Transitor beim Unterschreiten von 4,8V durchschalten (und damit das Segment aktivieren), oder? R8 (OUTA/ Ausgang vom Komparator) geht doch auf die Basis von T3. Warum sollte da +5V angelegt werden?
:
Bearbeitet durch User
Alexander H. schrieb: > Passt es denn jetzt? Nein, natürlich nicht. Du hast keinen Millimeter drüber nachgedacht.
Ich versuchs nochmal… Wenn man keine Erfahrung mit Schaltplänen hat, geht vieles schief😂
Alexander H. schrieb: > Ich versuchs nochmal… Funktioniert zwar, verändert aber die Hysterese weil du den Ausgang des Komparator nicht an den 4k7 gelassen hast. Niemand schrieb, dass du das bestehende umbauen solltest. Und wenn man den Ausgang so umhängt, hat man wieder 4k7 und 22k sinnlos in Reihe.
Alexander H. schrieb: > Es gab für mich zwei Möglichkeiten (Parallel/Serienschaltung). Um > ungerade Widerstandswerte zu erhalten ist doch beides üblich. Wie genau sind Deine Widerstände, hast Du zumindest 1% Metallfilm? Du baust einen Teiler 22,5k zu 25k, beides sind keine Normwerte. Jetzt rechnest Du mal Toleranzen und die Spannung für 22k5 minus 1% gegen 25k plus 1% oder andersherum 22k5 plus 1% gegen 25k minus 1%. Alexander H. schrieb: > Ich will > doch per LM393 den Transitor beim Unterschreiten von 4,8V durchschalten Um das zu justieren, gibt es Trimmpotis. Deren Stabilität wird gerne in Zweifel gezogen und man möchte auch einen sinnvollen Einstellbereich. Dann nehme ich doch oben 22k, unten 24k und setze ein Poti mit 1k oder 2k dazwischen. Spannungsteiler mit Poti war Grundstoff in der Berufsschule "Bereichseinengung", hast Du nicht. Da muß das Internet helfen, dass Du Dir selbst beibringst, den Teiler zu rechnen. Ich kann gut rechnen, aber Mathematik ist nicht mein Ding. Passend zu Deinem Problem gibt es diesen Thread: Beitrag "Re: Wie Spannungsteiler für eingeengtes Trimmpoti berechnen?"
Also, ich kann jetzt weiter munter Varianten anhängen, die aber nicht gemeint waren. Oder du konkretisierst(Skizze?), welche Widerstände wie miteinander verschaltet sind, so dass es korrekt ist. Man kann es auch detailliert erklären, (oder es versuchen), so dass dann die Auslegung eindeutig ist. Die Aussage ist nicht eindeutig. „Leg von den 4k7 noch 22k und 47k nach Masse, In- kommt an deren Verbindung. Also, keine typische Reihen, aber auch keine Parallelschaltung nach Masse. Beides geht nicht klar daraus hervor. Und der Verbindungspunkt der Widerstände liegt nicht auf IN-. Ne wichtige Info lässt du doch weg, sonst hätte ich es schon bei der ersten Skizze richtig aufzeichnen können. Ich glaub ich konzentrier mich jetzt mal auf die Minimalversion ohne Hystere, weil der ganze Aufbau einfach zu groß wird. Auf Lochraster lässt sich das mit den vielen Rs irgendwann nicht mehr vernünftig routen. Trotzdem würd ich’s natürlich testen, wenn ich einen fehlerfreien Schaltplan hätte🙂 Und dann hab ich ja noch das Verständnisproblem, weshalb hier ein 1:1 Nachbau der ELV Schaltung ohne Hysterese nicht geht (warum +5V an OUT des LM393?).
Alexander H. schrieb: > Leg von den 4k7 noch 22k und 47k nach Masse, In- kommt an deren > Verbindung. So war es wohl gemeint. Manfred P. schrieb: > Dann nehme ich doch oben 22k, unten 24k und setze ein Poti mit 1k oder > 2k dazwischen. Oder 2 mal 22k aus der E3 Reihe und einen 5k Spindeltrimmer dazwischen.
Enrico E. schrieb: > So war es wohl gemeint. Es gibt Leute die es spontan verstehen. Wie sollte es auch sonst gemeint gewesen sein.
Hallo, wollte nochmal eine kurze Rückmeldung zur Unterspannungsanzeige geben. Bei Analogschaltungen kommt man definitiv nicht ums Probieren rum und das dauert.🙂 Der letzte Aufbau war auf Lochraster zu aufwendig, daher bin ich bei meiner Schaltung geblieben. Wie sich herausstellte, funktioniert die Schaltung mit einer LED (wie wohl vom Entwickler gedacht) auch genau so wie sie soll (super große Hysterese). Mit LOBAT Segmentansteuerung hat die Schaltung sich komplett anders verhalten. Da das Segment eh schlecht zu sehen ist, hinterleuchte ich es nun mit einer roten LED. Das Segment bleibt dauerhaft eingeschaltet. Man kann das LCD auch in dem Bereich (mit umgedrehter Polarisationsfolie) invertieren, das sieht klasse aus, da man die Schrift nur bei eingeschalteter LED sieht. Der Schaltpunkt musste noch genau auf 4,8V eingestellt werden (mit R2= 71,9K) und die Hysterese musste ich sogar noch etwas verringern (mit R3 =3,9M). Jetzt hatte ich einen interessanten Effekt beobachtet: beim Einschalten der Schaltung mit Versorgungsspannung Vbat=4,95V (4,95V =obere Hystereseschwelle) „springt“ die LED an. Berührt man nun OUT1/IN2- am LM393 kann man die LED sozusagen „kapazitiv“?ausschalten. Das gelingt runter bis 4,82V kurz vor der eigentlichen Schaltschwelle. Unterhalb von 4,82V bleibt die LED dauerhaft an. Beim Einschalten oberhalb von 4,95V bleibt die LED immer aus (entspricht einer Zellenspannung von 1,23V bei 4x Eneloop) So lässt sich sehr genau sehen, wann der Akkupack leer ist, bzw. auch ob er halb leer oder ganz leer ist. Sobald sich die LED nicht mehr „austasten/kippen“ lässt, ist der Akku wirklich leer und unterhalb von 4,82V. Kann man diesen Mechanismus bedenkenlos anwenden(evtl. besser über 500K Ohm?) oder kann das Berühren von OUT1/IN2 des LM393 Schaden anrichten? Gibt es da professionellere Varianten? Grüße Alexander
:
Bearbeitet durch User
Bitte melde dich an um einen Beitrag zu schreiben. Anmeldung ist kostenlos und dauert nur eine Minute.
Bestehender Account
Schon ein Account bei Google/GoogleMail? Keine Anmeldung erforderlich!
Mit Google-Account einloggen
Mit Google-Account einloggen
Noch kein Account? Hier anmelden.







































































