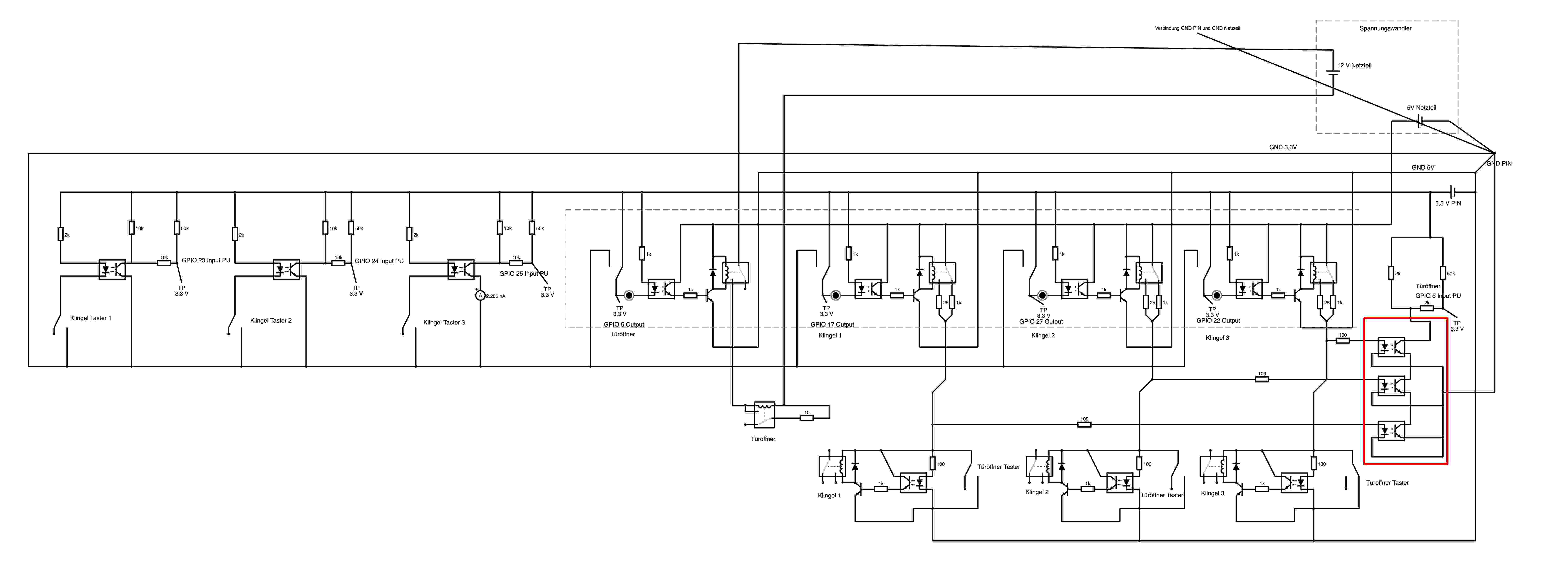
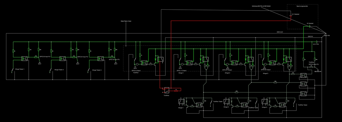
Hallo, ich versuche gerade eine Klingelanlage mittels Raspberry und seinen GPIOs zu realisieren. Leider habe ich schon 3 Raspberrys damit getötet (z.B. Input direkt belegt mit Taster, wobei ich eigentlich die internen PullUp Widerstände an hatte sind die GPIOs tot. Ich glaube dass sich die PullUps irgendwie die zurück gesetzt haben und der Taster gedrückt worden ist.)usw... Ich bräuchte dringend Hilfe mit der Beschaltung. Im Anhang habe ich mal meine letzte Überarbeitet Version. Zur Erklärung: Ich Betreibe den Raspberry über den 5V Pin und GND PIN an einem Spannungswandler. Der Spannungswandler wird über ein 12V DC Netzteil 7A betrieben. Der Spannungswandler kann 5A ab. Die Relaisschaltung ist ein 4 Kanal Relais Board, d.h. ich kann die Beschaltung nicht ändern. Ich hab versucht die interne Schaltung mit zu Zeichen. Bei der Zeichnung habe ich die INPUTs auch mit internen 50k Ohm gezeichnet. Die INPUTs habe ich nochmal mit zusätzlichen Widerständen abgesichert falls ein GPIO versehentlich als Ausgang programmiert ist. Zur Funktion: Beim drücken von Klingel Taster 1 soll Klingel 1 läuten usw.. dabei wird über einen Optokoppler der GPIO INPUT auf LOW gezogen und per Software geht am Railsboard Kanal 1 auf LOW. dabei zieht das Relais an. das Relais wird auf der Ausgangsseite mit 5V versorgt. Die 5V werden über einen Niederohmigen Widerstand oder Hochohmigeren Widerstand geleitet. je nachdem zieht das Klingelrelais an oder nicht. Über eine Extra Schaltung wird der Zustand des Türöffners Tasters überwacht (Meine ersten Entwürfe waren z.B. mit einem NPN Transistor als Auswertung für den Zustand aller drei Türöffner Taster, das traue ich mir aber nicht mehr, ich benutze jetzt Optokoppler an jedem Strang). Sollte der Türöffner gedrückt werden wird GPIO 6 HIGH und schaltet per Software GPIO auf LOW und der Türöffner wird aktiviert. Ich hab mir das so ausgedacht, da ich nur 2 Adern pro Wohneinheit zur Verfügung hab und damit die Klingel und den Türöffner gleichzeitig steuern muss. Für mich ist es extrem wichtig dass die Schaltung extrem robust gegen Zerstörung des Raspi ist. Ich möchte nicht noch den vierten Raspi killen. Ich hoffe wirklich das mir dabei jemand helfen kann. Vielen Dank schon mal!
Ich würde dir empfehlen zuerst Grundlagen mit viel einfacheren Schaltungen zu lernen. Bri deinem aktuellen Projekt, weiß ich gar nicht, wo ich anfangen soll. Man müsste bei Edison anfangen, und von dort langsam hoch arbeiten. Viel zu viel für ein Diskussionsforum. Für Privatunterricht ist hier der falsche Ort.
:
Bearbeitet durch User
An den 3 Optokopplern auf der linken Seite herrschen an den TP Punkten nur dann 3,3 Volt, wenn der Optokoppler-Transistor durchgeschaltet hat. Wenn nicht sind dort 5 Volt, die dann am Eingang vom ESP8266 anliegen! Außerdem könntest Du die 3 Optokoppler-UND-Verknüpfungen am Ausgang (die übrigens nicht galvanisch vom Eingang getrennt sind) vorher mit einem Transistor und drei Dioden bewerkstelligen und Dir dabei die Demorganschen Theoreme zu Nutze machen. Dann bräuchtest Du nur noch einen einzigen Optokoppler am Ausgang, der dann auch eine echte galvanische Trennung hätte. Die Schaltung ist übrigens so klein gezeichnet, so dass man die Bauteilewerte nicht lesen kann.
:
Bearbeitet durch User
An sich hat es sich lange Zeit bewährt, Texte und auch Schaltpläne mit dunklen Farben auf hellem Grund anzulegen. Dein Schaltbild ist ggf. etwas für Helloweenfans, aber ich tue mir den nicht an.
Michael schrieb: > Beim drücken von Klingel Taster 1 soll Klingel 1 läuten usw.. Ersetze den Raspberry durch eine Handvoll Drahtbrücken. Fertig! Oder was ist der tiefere Sinn des Ganzen?
Ralf X. schrieb: > An sich hat es sich lange Zeit bewährt, Texte und auch Schaltpläne mit > dunklen Farben auf hellem Grund anzulegen. ... und auf die Forenregeln zu hören. Wichtige Regeln - erst lesen, dann posten! Zeichnungen und Screenshots im PNG- oder GIF-Format hochladen. Michael schrieb: > Klingelanlage.jpg Dieses JPG-Gematsche, nicht einmal in ausreichender Auflösung, verursacht Augenkrebs, sorry.
:
Bearbeitet durch User
Wieso eigentlich das Rad neu erfinden? Raspberry Pi SPS kann man fix und fertig kaufen.
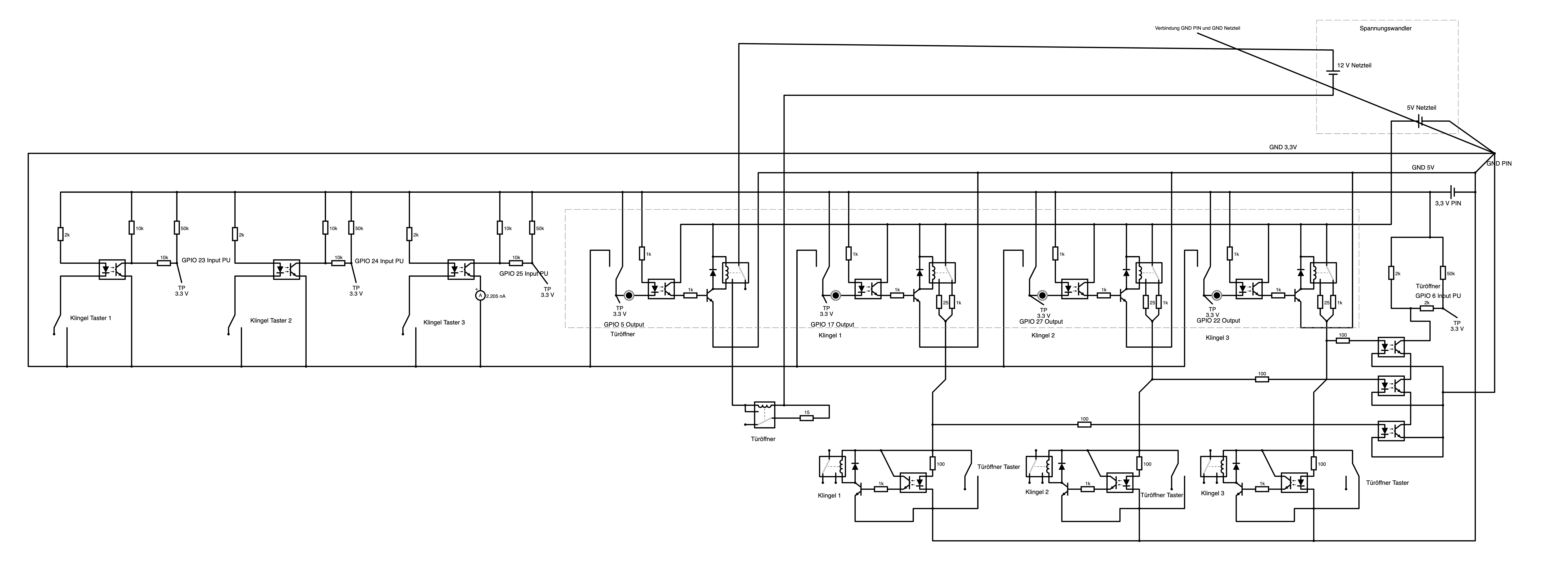
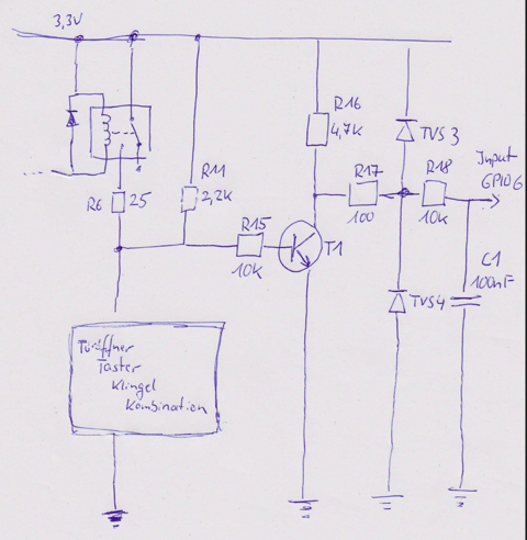
Danke für die schnelle Antwort, das mit den UND Verknüpfung ist ein guter Punkt, danke dafür Ich hab den Plan nochmal Angehängt, ich hoffe er hat jetzt die volle Größe. In schwarz auf weiß kann ich den Plan leider nicht so schnell generieren, das Simulationsprogramm hat nur schwarzen Hintergrund. Hier hoffentlich mit besserer Auflösung als png nicht verkleinert. Ach ja der Sinn soll sein das ganze später noch mit Kamera und Audio zu ergänzen, deswegen den Raspi.
Rainer W. schrieb: > Dieses JPG-Gematsche, nicht einmal in ausreichender Auflösung, > verursacht Augenkrebs, sorry. Sorry kannst du in dem Fall weg lassen. Und diese schwarze Scheiße, da stehen die Kids drauf, aber die meisten älteren Menschen können das sowieso nicht so gut lesen. Ich jedenfalls nicht. Aber nun zum TO. Klein anfangen! Erstmal ein Kreis und dann ohne Controller. Der muss schon rein händisch funktionieren. Sind da Freilaufdioden drin? Das könnte ein Grund für den abgeschossenen Raspberry sein. Da ist erstmal sicher noch viel lesen angesagt.
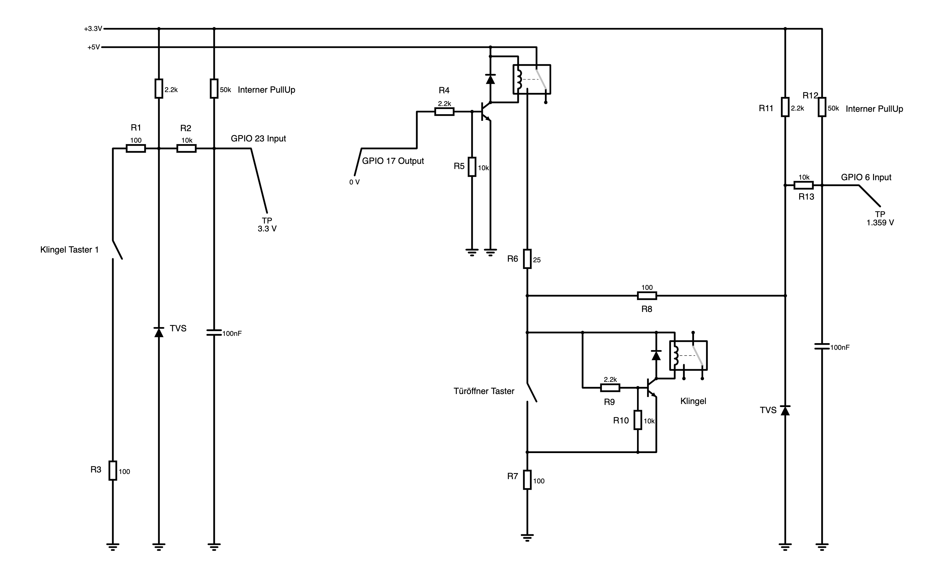
Michael schrieb: > Ich hab den Plan nochmal Angehängt, ich hoffe er hat jetzt die volle > Größe. Um WELTEN besser. Warum hast du an den GPIOs der Taster die Potentialanhebung für den Low-Pegel mit den 50kΩ¦10kΩ Spannungsteilern vorgesehen?
:
Bearbeitet durch User
Hast du einen Sack Optokoppler gewonnen? Ich kann für keinen von denen einen Sinn erkennen.
Rainer W. schrieb: > Michael schrieb: >> Ich hab den Plan nochmal Angehängt, ich hoffe er hat jetzt die volle >> Größe. > > Um WELTEN besser. > > Warum hast du an den GPIOs der Taster die Potentialanhebung für den > Low-Pegel mit den 50kΩ¦10kΩ Spannungsteilern vorgesehen? Die 50kΩ wären die internen PullUps, sollte diese sich durch einen Software Fehler abschalten(Programm macht z.B. was ungewolltes) hätte ich noch einen definierten Zustand de GPIO Inputs. War zumindest mein Hintergedanke.
H. H. schrieb: > Hast du einen Sack Optokoppler gewonnen? > Ich kann für keinen von denen einen Sinn erkennen. Dito, ich begreife es auch nicht.
Frank O. schrieb: > Rainer W. schrieb: >> Dieses JPG-Gematsche, nicht einmal in ausreichender Auflösung, >> verursacht Augenkrebs, sorry. > > Sorry kannst du in dem Fall weg lassen. Und diese schwarze Scheiße, da > stehen die Kids drauf, aber die meisten älteren Menschen können das > sowieso nicht so gut lesen. Ich jedenfalls nicht. > > Aber nun zum TO. > Klein anfangen! > Erstmal ein Kreis und dann ohne Controller. Der muss schon rein händisch > funktionieren. > Sind da Freilaufdioden drin? Das könnte ein Grund für den abgeschossenen > Raspberry sein. > Da ist erstmal sicher noch viel lesen angesagt. Den Plan jetzt in weiß ich hoffe der ist besser. Ja Freilaufdioden sind drinnen.
Michael schrieb: > Den Plan jetzt in weiß ich hoffe der ist besser. Das ist nett von dir, vielen Dank!
Michael schrieb: > Die 50kΩ wären die internen PullUps, sollte diese sich durch einen > Software Fehler abschalten(Programm macht z.B. was ungewolltes) hätte > ich noch einen definierten Zustand de GPIO Inputs. Den hast du auch durch den Arbeitswiderstand vom Optokoppler. Störend ist der im Vergleich zum internen Pull-Up große Serienwiderstand. Dadurch kann der Optokoppler den GPIO nicht richtig auf Low ziehen.
Den Schaltplan verstehe ich zwar nicht insgesamt, aber was sollen die Optokoppler hintereinander?
Rainer W. schrieb: > Michael schrieb: >> Die 50kΩ wären die internen PullUps, sollte diese sich durch einen >> Software Fehler abschalten(Programm macht z.B. was ungewolltes) hätte >> ich noch einen definierten Zustand de GPIO Inputs. > > Den hast du auch durch den Arbeitswiderstand vom Optokoppler. > > Störend ist der im Vergleich zum internen Pull-Up große > Serienwiderstand. Dadurch kann der Optokoppler den GPIO nicht richtig > auf Low ziehen. Stimmt, ca 600mV sind für einen LOW ein bisschen viel, werd ich auf 1kΩ heruntersetzen dann sind es ca. noch 150mV der Raspi erkennt unter 0,8V LOW und über ca. 1.4V HIGH. Danke !
Michael schrieb: > Den Plan jetzt in weiß ich hoffe der ist besser. Der ist jetzt für mich lesbar, wenn auch recht merkwüdig gemalt. Masse unten, Plus oben ist üblich. Den Rainer W. schrieb: muß ich nicht wiederholen, die Fehler stechen sofort ins Auge. Frank O. schrieb: > Den Schaltplan verstehe ich zwar nicht insgesamt, aber was sollen die > Optokoppler hintereinander? Ich gebe ab den Relais Klingel 1..3 mit den je zwei Widerständen am Kontakt auf, das alles scheint mir komplett wirr. Michael schrieb: > Stimmt, ca 600mV sind für einen LOW ein bisschen viel, werd ich auf 1kΩ > heruntersetzen Blödsinn, Null Ohm sind passender und die 50k durch 198 MegOhm ersetzen.
Frank O. schrieb: > Den Schaltplan verstehe ich zwar nicht insgesamt, aber was sollen die > Optokoppler hintereinander? Wenn einer den Türöffner Schalter drückt, schaltet der Optokoppler nicht durch der GPIO 6 input ist auf HIGH. Die sind UND verknüpft, d.h. damit der GPIO 6 auf LOW bleibt darf kein Taster gedrückt sein. Damit schalten alle Optokoppler durch. Hoffe das war verständlich erklärt. Ansonsten einfach nochmal Fragen. Danke!
Manfred P. schrieb: > Ich gebe ab den Relais Klingel 1..3 mit den je zwei Widerständen am > Kontakt auf, das alles scheint mir komplett wirr. Manfred, der war gut und deckt sich ungefähr mit meiner Sicht. Allein schon die Taster sind merkwürdig. @TO Zeichne das doch bitte einmal für einen einzigen Kreis. Die andern Kreise sind dann im Grunde eine Kopie von diesem.
Michael schrieb: > Hoffe das war verständlich erklärt. Nein, alles gut! Das habe ich auch so gesehen, nur sah das nicht direkt nach Absicht aus.
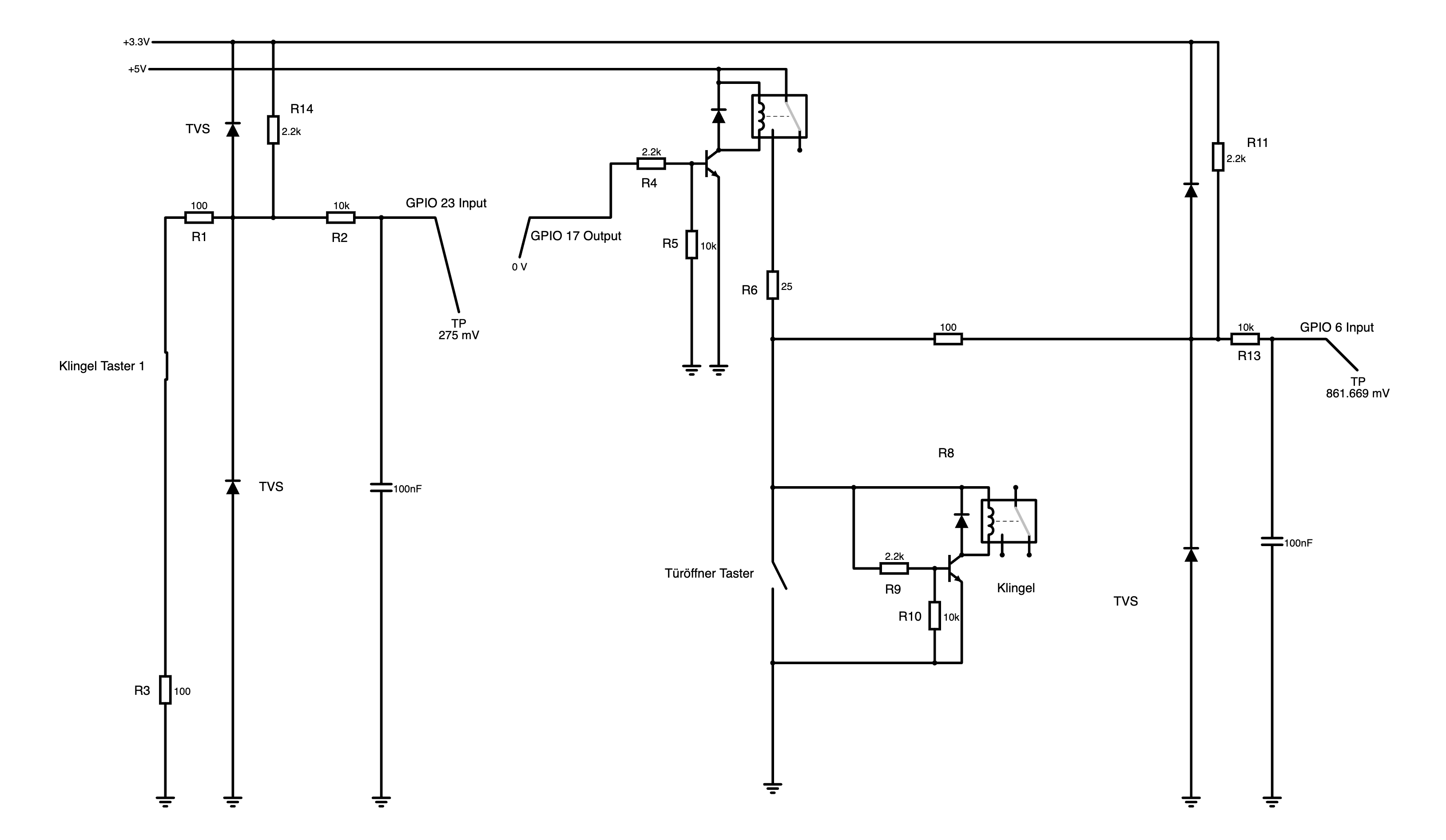
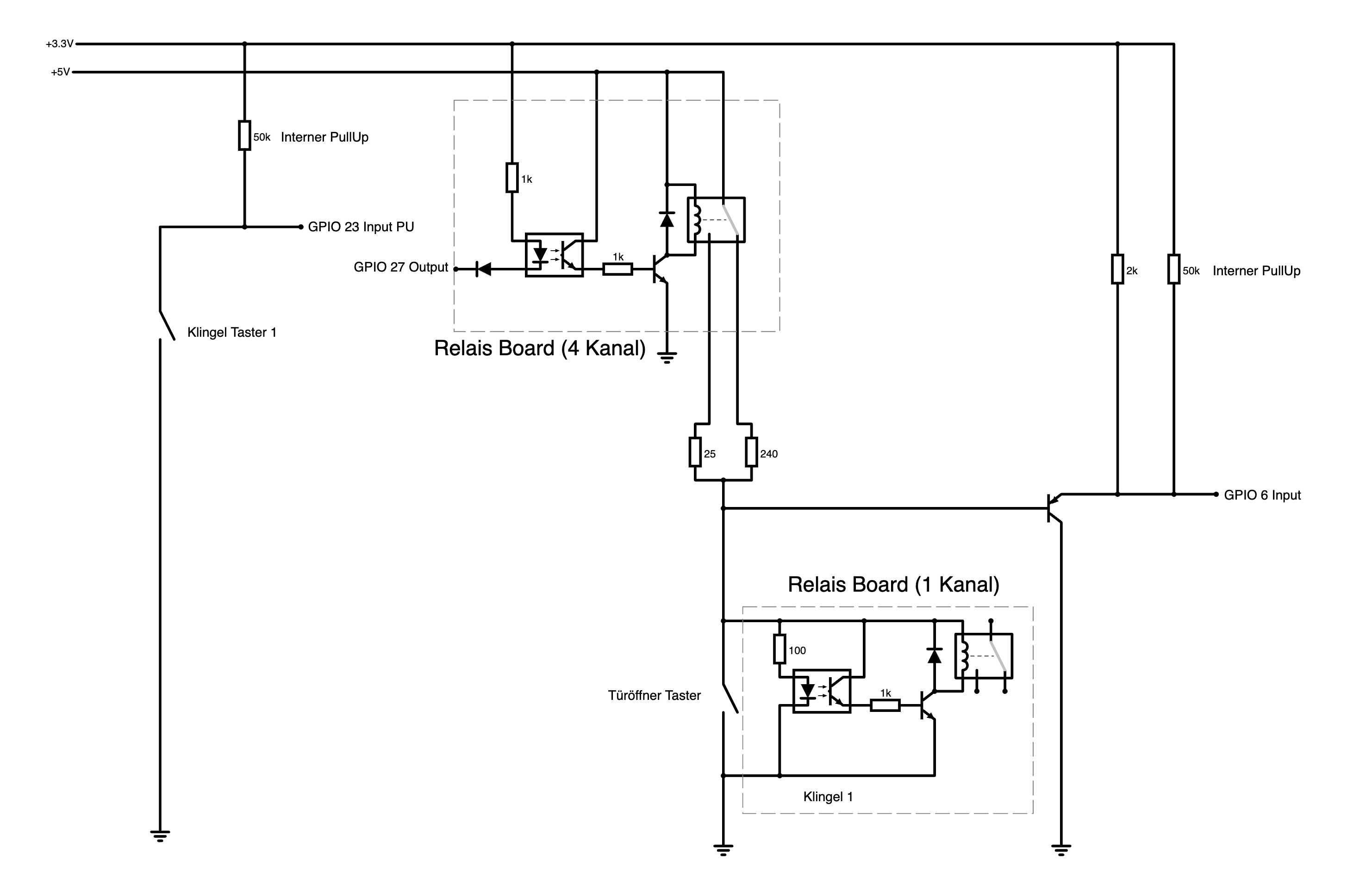
Frank O. schrieb: > Manfred P. schrieb: >> Ich gebe ab den Relais Klingel 1..3 mit den je zwei Widerständen am >> Kontakt auf, das alles scheint mir komplett wirr. > > Manfred, der war gut und deckt sich ungefähr mit meiner Sicht. > > Allein schon die Taster sind merkwürdig. > > @TO Zeichne das doch bitte einmal für einen einzigen Kreis. Die andern > Kreise sind dann im Grunde eine Kopie von diesem. So ein Kreis. Nochmal zur Erklärung, wenn Klingeltaster 1 gedrückt wird, schaltet der Optokoppler beim Klingeltaster durch und zieht GPIO 23 auf Masse (zumindest fast auf 167mV. Ich bin übervorsichtig geworden und habe den 1kOhm als Strombegrenzer drinnen, ich weiß ohne wäre ein deutlicher LOW Pegel) Wenn GPIO 23 auf LOW ist wird per Software der Output 27 auf LOW geschaltet (Dargestellt zum Simulieren mit dem Schalter am GPIO 27). Damit wird der Optokoppler beim GPIO 27 geschalten. Das Relais zieht an. Stromkreis Relais springt auf den 25 Ohm widerstand, damit kann genug Strom und Spannung zum unteren Optokoppler mit dem Relais für die Klingel gehen. Dort zieht das Relais an und es Klingelt. Wenn das Relais beim GPIO 27 nicht angezogen ist, ist zu wenig Spannung und Strom am unteren Optokoppler und das Relais der Klingel ist aus. Dann hab ich noch den Optokoppler für den GPIO 6 Der GPIO 6 schaltet als INPUT software mäßig ein anderes Relais das den Türöffner schaltet (nicht abgebildet) Wenn der Türöffner Taster gedrückt wird wird GND auf den Eingang des Optokoppler für den GPIO 6 gegeben. Dieser schaltet nicht durch und der GPIO 6 geht auf HIGH. Wenn er nicht gedrückt wird, schaltet der Optokoppler durch und GPIO6 ist auf LOW. Hoffe das wird jetzt besser ersichtlich.
Welche Optokoppler (Hersteller/Typ?) verwendest Du? Je nach Typ reicht das 1mA, das Du denen am Eingang spendierst, aus oder eben nicht aus, um den Ausgang vernünftig auf LOW zu ziehen. Hast Du das einmal nachgemessen? Hast Du ein Multimeter? Viele Grüße Igel1
Andreas S. schrieb: > Welche Optokoppler (Hersteller/Typ?) verwendest Du? > > Je nach Typ reicht das 1mA, das Du denen am Eingang spendierst, aus oder > eben nicht aus, um den Ausgang vernünftig auf LOW zu ziehen. > > Hast Du das einmal nachgemessen? > Hast Du ein Multimeter? > > Viele Grüße > > Igel1 Ich benutze PC817. Ja für die normalen Beschaltungen wie z.B den Klingel Taster reicht das aus. In dem Zweig für die Klingel selber muss ich unten den 100 Ohm Widerstand nehmen, sonst fällt nicht genug Spannung und Strom für das Relais ab. Ich hab mir auch mal ein fertiges Relais Bord angeschaut und gemessen, da sind auch exakt die 100 ud 1kOhm widerstände drinnen, bzw. auch 1kOhm am Eingang und zur Basis des Transistors auch 1kOhm. Funktionell geht die Schaltung, hab sie mal ohne RasPi ausprobiert und gemessen. Die Simulation zeigt mir ziemlich genau die selben Werte an. Für mich ist es einfach wichtig, dass mir nicht wieder ein Raspi hops geht, wenn die Software da murks macht, wie mit den PullUp Widerständen z.B. Deswegen hab ich auch noch den einen Widerstand Seriell am GPIO Input drinnen und den zweiten PullUp. Der Raspi verträgt maximal 16 mA an den GPIOs. Ich hab auch gelesen mann sollte die Taster sicherheitshalber über Optokoppler anschließen damit man auf der sicheren Seite ist und sich den Raspi nicht schießt. Deswegen so viele Optokoppler
Wieso hast du diese merkwürdigen Widerstandskombinationen gewählt? Die 10 kOhm und die 50 kOhm sind parallel und da reicht dann auch ein 30 kOhm. So kast du um die 100mV. Für den Pullup reicht auch sicher 10 kOhm. Mit Raspberry kenne ich mich nicht so aus und kenne die Lasten nicht, die dss Teil verträgt. Da braucht auch nicht noch der 1 kOhm davor. Den Rest muss ich mir noch auf dem Rechner anschauen, aber nicht mehr heute.
Frank O. schrieb: > Wieso hast du diese merkwürdigen Widerstandskombinationen gewählt? > Die 10 kOhm und die 50 kOhm sind parallel und da reicht dann auch ein 30 > kOhm. So kast du um die 100mV. Für den Pullup reicht auch sicher 10 > kOhm. > Mit Raspberry kenne ich mich nicht so aus und kenne die Lasten nicht, > die dss Teil verträgt. Da braucht auch nicht noch der 1 kOhm davor. > Den Rest muss ich mir noch auf dem Rechner anschauen, aber nicht mehr > heute. Die internen PullUp Widerstände sind im Raspberry baulich mit 50kOhm angegeben. Die kann ich nur Softwareseitig ein und ausschalten. Deswegen ist mir glaub ich auch ein Raspi abgeraucht. Irgendwie haben sich die abgeschaltet und der Taster hat direkt ohne Widerstand durchgeschaltet.(Wie gesagt, war vorher auch ohne Optokoppler) Ich möchte die aber auch ungern ausschalten, deswegen den zweiten PullUp zur Sicherheit. Ansonsten stimmt das natürlich.
Michael schrieb: > Wenn einer den Türöffner Schalter drückt, schaltet der Optokoppler nicht > durch der GPIO 6 input ist auf HIGH. Soweit ich das bei grobem Drüberschauen gesehen habe hast du dich bei jeden einzelnen Optokoppler selbst sabotiert. Die Kernfunktion eine Optokopplers, warum man normalerweise einen einsetzt, ist die galvanische Trennung. Wenn du aber bei jedem Optokoppler in der Schaltung, soweit ich das auf die Schnelle gesehen habe, irgendwo den Sende- und Empfangsteil des Optokopplers verbindest ist diese Funktion nicht mehr gegeben. Mehr Optokoppler rein zu schmeißen hilft dann auch nicht. Das ist leider die übliche Scheiße die sich in der Arduino-/Raspbery-Welt eingeschlichen hat. Da wird ohne Sinn und Verstand "irgendwas mit Optokopplern" kopiert. Das Elend beginnt schon am Anfang: Es ist nicht klar warum überhaupt an all diesen Stellen eine galvanische Trennung benötigt wird. Dazu der ebenfalls in der Arduino-/Raspberry-Welt weit verbreitete Pfusch Relais über Optokoppler zu schalten. Es gibt manchmal einen Grund das so zu machen. Nämlich wenn man keine Relais findet die die nötige Isolationsspannung, Zertifizierung, etc. aufweisen, dafür aber einen Optokoppler. Dann sollte man den Optokoppler aber tunlichst richtig einsetzen. > Die sind UND verknüpft, Warum machst du diese angebliche UND-Verknüpfung in Hardware? Du hast einen Raspberry am Start. Der kann dir Signale in Software UND-verknüpfen das dir schwarz vor Augen wird. Nemopuk hat es am Anfang auf den Punkt gebracht: Nemopuk schrieb: > Ich würde dir empfehlen zuerst Grundlagen mit viel einfacheren > Schaltungen zu lernen. Bri deinem aktuellen Projekt, weiß ich gar nicht, > wo ich anfangen soll. Man müsste bei Edison anfangen, und von dort > langsam hoch arbeiten. Viel zu viel für ein Diskussionsforum. Für > Privatunterricht ist hier der falsche Ort.
Michael schrieb: > Die internen PullUp Widerstände sind im Raspberry baulich mit 50kOhm > angegeben. Dann zeichne die nicht in den Schaltplan, wenn es die aus dem Raspi sind. Den Minus sollte man immer ohne Widerstand dazwischen als Signal durchschalten.
Frank O. schrieb: > Michael schrieb: >> Hoffe das war verständlich erklärt. > > Nein, alles gut! Das habe ich auch so gesehen, nur sah das nicht direkt > nach Absicht aus. Jetzt ist wenigstens klar, dass er völlig auf dem Holzweg ist.
Wenn Du Dir Sorgen um den RaspPi machst (mache ich mir auch ein wenig beim Blick auf Deinen Schaltplan - sorry ...), so spendiere ihm an den GPIO-Eingängen solch eine Schutzschaltung: Beitrag "Hardware-Designtipps des Monats: Schutzschaltungen" Dann kann kaum noch was passieren und Dein RaspPi wird auch die wildesten Schaltungs- und Programmierfehler überleben.
Michael schrieb: > Ich bin übervorsichtig geworden und habe den > 1kOhm als Strombegrenzer drinnen, ich weiß ohne wäre ein deutlicher LOW > Pegel) Lass den Pull-Up einfach aus. Wozu soll der gut sein? > Klingelanlage_1Schalter.png Deine Knotenpunkt darfst du gerne etwas kräftiger zeichnen. Man kann kaum eine Leitungskreuzung von einem Verbindungsknoten unterscheiden. Und der Schaltplan wäre leichter zu lesen, wenn du nicht mittendrin die Signalflussrichtung ändern würdest (Klingel 2, Türöffner Taster). Standardrichtung ist von links nach rechts. Wieviel Strom fließt durch 'Klingel 2'? Der erzeugt einen Spannungsabfall am 25Ω Widerstand klaut den beiden Optokopplern Spannung. Die Diskussion über einzelne Bauteile wäre erheblich einfacher, wenn jedes einen eindeutigen Namen hätte (z.B. R1, R2, ...).
:
Bearbeitet durch User
H. H. schrieb: > Jetzt ist wenigstens klar, dass er völlig auf dem Holzweg ist. Meintest du das auf mich bezogen? Ich hatte wohl gesehen, dass die immer alle geschaltet sein müssen, ob das dann sinnvoll ist, das habe ich noch gar nicht bewertet. Der neue Schaltplan (in weiß) muss immer über den Monitor geschoben werden, wenn der groß geschaltet ist. Da habe ich mich noch gar nicht mit befasst. Und klar, habe ich ja auch geschrieben, dass ich da noch nicht durchblicke.
Frank O. schrieb: > H. H. schrieb: >> Jetzt ist wenigstens klar, dass er völlig auf dem Holzweg ist. > > Meintest du das auf mich bezogen? Nö, auf den TE.
Mein Vorschlag:
Wirf die gesamte Schaltung weg und beginne bei Null in folgenden
Schritten:
1.) Eingangsschaltung:
Nimm einen Widerstand und einen Taster und die von mir oben
verlinkte Schutzschaltung und schalte alles so zusammen,
dass Du damit eine simple "Ein-Taster-Auswerte-Schaltung"
erhältst.
Ab diesem Moment bist Du erst einmal in der Lage,
ein Taster-Drücken mit dem RasPi zu erfassen.
Diese "Schaltung" kannst Du 1 ... N mal aufbauen - für
alle Taster dieser Welt - immer dieselbe Schaltung.
Jeweils an einen eigenen GPIO-Input anschließen.
2.) Ausgangsschaltung:
Jetzt baust Du eine Schaltung mit einem Transistor,
ggf. einem Relais, ein wenig Widerstand und etwas Schutzdiode,
um mit einem GPIO-Ausgang eine Klingel, einen
Türöffner oder eine Zugbrücke ansteuern zu können.
Diese Schaltung baust Du ebenfalls 1 ... X mal - je nach
Anzahl von Türklingeln, Türöffnern oder Zugbrücken, die
Dein Schloss umgeben.
3.) Den Rest machst Du per Software - ob beim Druck auf einen
Taster nun eine Klingel klingelt oder alle oder ob auch
Deine Zugbrücke hochfährt - ein paar Zeilen Code erledigen
das für Dich.
4.) Und weil in dieser Schaltung kein einzige Optokoppler vorkommt,
packst Du alle Optokoppler in einen Briefumschlag und
verschenkst diese an notleidende Elektronik-Enthusiasten.
Viele Grüße
Igel1
Andreas S. schrieb: > Wirf die gesamte Schaltung weg und beginne bei Null in folgenden > Schritten: Beste Idee heute.
Frank O. schrieb: > Und diese schwarze Scheiße Dieser schwarze Hintergrund ist sowas von "letztes Jahrtausend", als noch mit Röhrenmonitoren gearbeitet werden **musste**, weil es nichts besseres gab. Nicht ohne Grund hat sich in der Evolution schwarzes Papier nicht durchgesetzt. Michael schrieb: > Den Plan jetzt in weiß ich hoffe der ist besser. Ja, es ist besser, dass er weiß ist. Das ist dann aber auch schon so ziemlich alles, was besser ist. Hannes J. schrieb: > Da wird ohne Sinn und Verstand "irgendwas mit Optokopplern" kopiert. Das war auch das erste, was mir aufgefallen ist. In dem Schaltplan hier gibt es nur 1 einzigen GND (diese anderen GND 3V3 und GND 5V sind nur Nebelkerzen) und deshalb sind auch die OK unnötig. Optokoppler sind nur dann nötig, wenn unterschiedliche Potentialbezüge bestehen. Wenn aber links und rechts vom OK die selbe Masse ist, dann ist das für mich ein klares Signal: "Obacht, das hat sich mit hoher Wahrscheinlichkeit ein Anfänger ausgedacht. Da sind noch andere Fehler drin!" Als Tipp: so wie ein Buchautor erst mal viele andere Bücher liest und dann den Bestseller schreibt, sollte ein Elektroniker erst mal viele Schaltpläne lesen, dabei analysieren, welche davon gut verständlich und lesbar sind und was sie so gut verständlich und lesbar macht, und dann seinen Schaltplan zeichnen. Zusammengefasst siehe Schaltplan richtig zeichnen Aber auch ein schön gezeichneter und leserlicher Schaltplan wird völliger Unsinn sein, wenn der Zeichner nicht weiß, was er da malt...
:
Bearbeitet durch Moderator
Michael schrieb: > Für mich ist es einfach wichtig, dass mir nicht wieder ein Raspi hops > geht, wenn die Software da murks macht, wie mit den PullUp Widerständen > z.B. Hast du inzwischen verstanden, wie du die Rasberrys genau getötet hast, d.h. woran sie wirklich gestorben sind, oder sind das alles nur Vermutungen?
@sirmike: Hier ein kleiner Artikel, wie man Input-Pins am RaspPi ausliest, deren Pull-Ups/Downs schaltet und worauf man noch so achten sollte (z.B. De-Bouncing): https://grantwinney.com/raspberry-pi-using-pullup-and-pulldown-resistors/ Eine schöne Schutzschaltung fehlt dort zwar, aber die hatte ich ja bereits weiter oben verlinkt. Und noch ein paar (Schlaumeier-)Tipps von mir: Damit wir hier alle auf einen grünen Zweig kommen, würde ich an Deiner Stelle wirklich nochmals die Schaltung von Null an neu aufziehen und dabei genau in der von mir oben vorgeschlagenen, modularen Weise vorgehen: - erstmal nur eine Input-Schaltung für einen GPIO aufbauen und hier vorstellen. Dabei ruhig etwas Prosa spendieren, was Du Dir dabei gedacht hast und wie (und wofür) es funktionieren soll. - dann nur eine Output-Schaltung für einen GPIO aufbauen und hier vorstellen. Und wieder etwas Prosa dazu spendieren. - dann vielleicht die Software schreiben, die diesen EINEN Input auswertet und damit den EINEN Output schaltet. Auch die kannst Du hier zeigen - nur Mut, man kann nur von den Vorschlägen hier lernen. - der Rest ist dann nur noch eine Vervielfachung von Input- und Output-Schaltungen mit leichten Software-Anpassungen. Und beim Schaltplan: - Nur eine Gnd-Leitung verwenden, die ausschließlich unten im Schaltplan geführt wird. - Die internen Pull-Ups/Downs der GPIO-Eingänge nicht in den Schaltplan einzeichnen. - Überlege Dir, ob Du wirklich unterschiedliche Versorgungs- Spannungen benötigst. Wenn ja, so werden die oben im Schaltplan geführt. - Zeichne keine Schalter ein, die GPIO-Ausgänge simulieren sollen - das verwirrt nur. - Lass die ganzen Optokoppler erst einmal weg. Wir sind hier alle der Meinung, dass Du sie nicht brauchst (die Mehrheit hat hier oftmals recht :-) Viele Grüße Igel1
Andreas S. schrieb: > Und beim Schaltplan: > Nur eine Gnd-Leitung verwenden, die ausschließlich unten im > Schaltplan geführt wird. Oder viel, viel besser und übersichtlicher: gar keine GND-Leitung und gar keine Vcc-Leitung verwenden, sondern die entsprechenden Schaltplansymbole.
Lothar M. schrieb: > Nicht ohne Grund hat sich in der Evolution schwarzes > Papier nicht durchgesetzt. Der Vergleich hinkt gewaltig, ich sage nur additive- und subtraktive-Farbmischung. https://www.lernhelfer.de/schuelerlexikon/kunst/artikel/additive-und-subtraktive-farbmischung
Lothar M. schrieb: > Nicht ohne Grund hat sich in der Evolution schwarzes Papier nicht > durchgesetzt. Darauf beschränkt es sich wohl auch, weil Papier natürlicherweise eher hell ist und schwarze/dunkle Pigment zum Schreiben zu Hauf zur Verfügung stehen. Weiße Stifte haben deutlich mehr Probleme mit dem Kontrast. Bestes Beispiel: Schultafeln. Immerhin haben sich die dunklen Tafeln mit weißer Schrift trotz Kreidestaubsauerei eine ganze Weile gehalten, bis die Industrie Whiteboards mit entsprechenden speziellen Stiften als neues Marktsegment entdeckt hat. Bei Laptops gab es auch eine Phase, wo Kunden angeblich (lt. Herstellen) nur hochglanzreflektierende Oberflächen kaufen wollten - aber das hat sich wohl auch schon wieder überlebt, nachdem wohl jeder erkannt hat, dass beim Arbeiten am Bildschirm der Bildschirminhalt und nicht die gespiegelte Umgebung interessiert. Bei eCAD hat der dunkle Hintergrund den entscheidenden Vorteil, dass bei Verwendung verschiedene Farben und Highlightning der Kontrast erheblich besser ist, als bei weißem Hintergrund, der dann eher blendet - eine scharfe Darstellung vorausgesetzt. Bei einem rein schwarz-weißen Schaltplan spielt das natürlich keine Rolle und das Auge kommt mit vermatschten schwarzen Linien besser zurecht als mit halb zugelaufenen weiße/grauen.
Andreas S. schrieb: > Wir sind hier alle > der Meinung, dass Du sie nicht brauchst (die Mehrheit hat hier > oftmals recht :-) wie toll Mehrheitsentscheidungen sind sieht man an Wahlen. Lothar M. schrieb: > Nicht ohne Grund hat sich in der Evolution schwarzes > Papier nicht durchgesetzt aber jahrzehntelang funktionierte Kreide auf schwarzer Tafel und länger als jedes Tablett oder Lapptop. Trotzdem bin ich auch für schwarze Symbole auf weissem Grund. Sicherer für den Raspi ist auf jeden Fall eine richtige gute galvanische Trennung und wenn mit Optokoppler gehören auch die Optokoppler Versorgung mit isolierende DC/DC Wandler dazu. Es sind schon genug Raspi SoC gestorben warum kann nicht mehr nachvollzogen werden, stecken unter Spannung, Lötfehler, allgemeiner Schaltfehler, oder ist doch ein fetter Impuls durchgekommen? Ein Raspi ist nun mal portseitig viel sensibler als der typische AVR megaAT und teurer ist jeder Pi auch. Obelix X. schrieb: > ich sage nur additive- und > subtraktive-Farbmischung. ist total ab vom Thema und hat hiermit nichts zu tun
:
Bearbeitet durch User
Rainer W. schrieb: > Hast du inzwischen verstanden, wie du die Rasberrys genau getötet hast, > d.h. woran sie wirklich gestorben sind, oder sind das alles nur > Vermutungen? Das wäre die wichtigste Frage. Aber ich denke wenn er neu anfängt und Andreas S. schrieb: > 3.) Den Rest machst Du per Software - ob beim Druck auf einen > Taster nun eine Klingel klingelt oder alle oder ob auch > Deine Zugbrücke hochfährt - ein paar Zeilen Code erledigen > das für Dich. das beherzigt, haben sich auch alle Probleme erledigt.
Rainer W. schrieb: > Michael schrieb: >> Für mich ist es einfach wichtig, dass mir nicht wieder ein Raspi hops >> geht, wenn die Software da murks macht, wie mit den PullUp Widerständen >> z.B. > > Hast du inzwischen verstanden, wie du die Rasberrys genau getötet hast, > d.h. woran sie wirklich gestorben sind, oder sind das alles nur > Vermutungen? Nein, leider nicht zu 100%, also mehr Vermutung. Zum Thema Optokoppler, wie ich Anfangs geschrieben habe, habe ich standardmäßig erhältliche Relais Boards. Bei denen ist die Schaltung natürlich fest verlötet am Board, d.h. die Beschaltung der Relais ist so vorgegeben. Was ich auf den Board machen kann ist die Trennung der Stromkeise zu trennen oder die 3,3V bzw. 5V (kommt auf da Board drauf an) vom Raspberry zu nehmen. Das was ich hinzugefügt habe war die Beschaltung der Eingänge am Raspberry, nachdem ich mich fälschlicherweise auf die internen PullUps verlassen habe. Deswegen auch meine Frage wie ich am besten die GPIOs gegen falsche Anwendung (fehlende interne PullUps, Eingang fälschlicherweise als Ausgang programmiert, usw usw..) bzw. Überspannung schützen kann. Dabei hab ich gelesen, dass man das mit Optokopplern machen kann. Es gehen natürlich auch andere Möglichkeiten. Das die normalerweise natürlich für was anderes gedacht sind ist mir klar. Auf dem Weg zum Klingel Relaisboard sind nur zwei Adern, d.h. ich brauch eine Schaltung mit der ich einerseits die Klingel ansteuern und andererseits auch den Zustand des Tasters abfragen kann. Ich hab das zuerst mit einem PNP Transistor gemacht, mit der anliegenden Spannung zwischen den Widerständen die am Relais hängen und damit an der Basis ist und den 3,3V die vom GPIO 6 INPUT kommen. Die Schaltung hat auch am Tisch soweit funktioniert. Jetzt hab ich halt vom PNP auf einen Optokoppler gewechselt, aber selbes Prinzip. Der schaltet halt durch wenn wenn nichts gedrückt wird und schaltet halt nicht wenn der Taster gedrückt wird. Ich bin sehr offen für alternativen, wie ich das am besten bewerkstelligen kann. Zwei der Rapsis sind nach dem Einbau gestorben. Die Umgebung könnte vielleicht dabei auch eine Rolle gespielt haben. Der Spannungswandler ist sehr nah am Raspi dran. Aber alles nur Vermutungen. Fakt ist, dass das direkte Anschließen des Schalters nicht korrekt war und ohne PullUp dort natürlich zu viel Strom geflossen ist.
Michael schrieb: > Fakt ist, dass das direkte Anschließen des Schalters nicht korrekt war > und ohne PullUp dort natürlich zu viel Strom geflossen ist. Der PullUp hat mit "zu viel Strom" nichts zu tun. Mit PullUp fließt nicht weniger Strom. Warum muss für das bisschen Schalterei überhaupt ein Raspi herhalten?
:
Bearbeitet durch User
Michael schrieb: > Der Raspi verträgt maximal 16 mA an den GPIOs. An EINEM Pin! Drei Pins würden auch noch gerade so gehen. Insgesamt ist das Limit aber auf ca. 50mA festgelegt. Ich hatte mir schon vor langer Zeit angewöhnt, nie mehr als 2mA aus einem Pin zu ziehen oder hinein zu schieben. Das kann man sich merken, ohne jedes mal die Datenblätter zu bemühen.
Norbert schrieb: > Michael schrieb: >> Der Raspi verträgt maximal 16 mA an den GPIOs. > > An EINEM Pin! Drei Pins würden auch noch gerade so gehen. > Insgesamt ist das Limit aber auf ca. 50mA festgelegt. > > Ich hatte mir schon vor langer Zeit angewöhnt, > nie mehr als 2mA aus einem Pin zu ziehen oder hinein zu schieben. > Das kann man sich merken, ohne jedes mal die Datenblätter zu bemühen. das Thema wurde so oft im Raspi Forum durchgekaut und immer wieder neu diskutiert! Auch der Schmus mit den 16 mA, also sollte man die GPIO nicht überfordern und auch nie davon ausgehen das jeder Raspi unter allen Umständen 16mA überlebt, im Einzelfall mag das zutreffen aber kann nicht immer gelten.
Joachim B. schrieb: > Obelix X. schrieb: >> ich sage nur additive- und >> subtraktive-Farbmischung. > > ist total ab vom Thema und hat hiermit nichts zu tun Doch hat sehr Wohl etwas damit zu tun. Wenn du möchtest das ich dir das weiter erkläre, machen wir einen anderen Thread auf. Einen Ansatz von dem hat Rainer W. bereits geschrieben.
Michael schrieb: > habe ich standardmäßig erhältliche Relais Boards. Bei denen ist die > Schaltung natürlich fest verlötet am Board, d.h. die Beschaltung der > Relais ist so vorgegeben. Leider brauchst du dann auch viel mehr Ansteuerleistung als wenn du einfach nur einen Transistor als Relaistreiber nimmst. Aber sies drum: bei der Verdrahtung dieser Leiterplatten musst du sehr gut auf die Masseführung aufpassen. Michael schrieb: > Ich hab das zuerst mit einem PNP Transistor gemacht, mit der > anliegenden Spannung zwischen den Widerständen die am Relais hängen und > damit an der Basis ist und den 3,3V die vom GPIO 6 INPUT kommen. Da ist gleich mal mein mentaler txt2schematic-Konverter abgestürzt. Denn mit einem PNP-Transistor lässt sich bei 3,3V Basisspannung ein Relais nur schlecht schalten. Das müsste glatt ein 2,5V-Relais sein. Schaltplan statt Prosa ist das Kommunikationsmittel unter Elektronikern schlechthin. Michael schrieb: > Ich bin sehr offen für alternativen, wie ich das am besten > bewerkstelligen kann. Mach es wie es erfahrene Elektroniker machen: steuere deine Relais mit einem NPN-BJT oder einem N-Kanal-Mosfet an:
1 | 12V |
2 | | |
3 | o-----. |
4 | | | | |
5 | - [/]----\ |
6 | ^ | | |
7 | | | |
8 | o-----' |
9 | | |
10 | |/ |
11 | µC--2k2--o--| |
12 | | |> |
13 | 10k | |
14 | | | |
15 | GND -----o----' |
16 | |
17 | |
18 | |
19 | 12V |
20 | | |
21 | o-----. |
22 | | | | |
23 | - [/]----\ |
24 | ^ | | |
25 | | | |
26 | o-----' |
27 | | |
28 | |-' |
29 | µC-------o--|<. |
30 | | |-| |
31 | 10k | |
32 | | | |
33 | GND -----o----' |
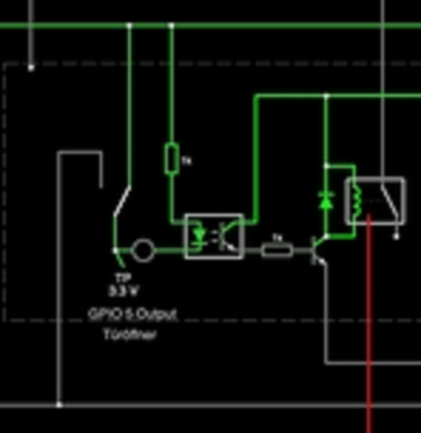
Dann sparst du dir auch gleich die 5V-Versorgung. Mir ist in deinem Schaltplan noch was aufgefallen: da ist ein namenloses Bauteil, das vermutlich ein Wechselschalter ist. Wenn der ungünstig steht, dann kann das dem GPIO Pintreiber beim Ausgeben von "Low" das Leben kosten. Siehe dazu den Screenshot.
> Michael schrieb: >> Ich hab das zuerst mit einem PNP Transistor gemacht, mit der >> anliegenden Spannung zwischen den Widerständen die am Relais hängen und >> damit an der Basis ist und den 3,3V die vom GPIO 6 INPUT kommen. > Da ist gleich mal mein mentaler txt2schematic-Konverter abgestürzt. Denn > mit einem PNP-Transistor lässt sich bei 3,3V Basisspannung ein Relais > nur schlecht schalten. Das müsste glatt ein 2,5V-Relais sein. > Mir ist in deinem Schaltplan noch was aufgefallen: da ist ein namenloses > Bauteil, das vermutlich ein Wechselschalter ist. Wenn der ungünstig > steht, dann kann das dem GPIO Pintreiber beim Ausgeben von "Low" das > Leben kosten. Siehe dazu den Screenshot. Den PNP hab ich zum Auswerten des Türöffner Tasters benutzt, nicht zum ansteuern des Relais. Den Wechselschalter hab ich nur zum Simulieren des Zustandes im Simulationsprogramm drinnen. D.h. der soll den Zustand des GPIOs in der Simulation wiedergeben entweder 3,3V oder GND. Stimmt ist verwirrend, nehm ich raus aus der Zeichnung.
Michael schrieb: > Den PNP hab ich zum Auswerten des Türöffner Tasters benutzt, nicht zum > ansteuern des Relais. Dann zeig den Schaltplan. Das erspart viel Hin und Her. Für einen BJT gibt es immerhin drei verschiedene Grundschaltungen.
Rainer W. schrieb: > Michael schrieb: >> Den PNP hab ich zum Auswerten des Türöffner Tasters benutzt, nicht zum >> ansteuern des Relais. > > Dann zeig den Schaltplan. Das erspart viel Hin und Her. Für einen BJT > gibt es immerhin drei verschiedene Grundschaltungen. Ja, bitte - ich schließe mich Rainer W. an: zeig mal den Schaltplan. Außerdem hat Du geschrieben: > Zum Thema Optokoppler, wie ich Anfangs geschrieben habe, habe ich > standardmäßig erhältliche Relais Boards. Bei denen ist die Schaltung > natürlich fest verlötet am Board, d.h. die Beschaltung der Relais ist so > vorgegeben. Welcher Teil auf Deinem Schaltplan ist fest vorgegeben? (sprich: was sind fertige Module?) Alles was im gestrichelten Kasten mit Beschriftung "Relais Platine 4 Kanal" drin ist? Und ist das Innenleben dieser 4 Kanal Relaisplatine wirklich so, wie Du gezeichnet hast? (also inkl. Optokopplern?) Und was ist mit den 3 Blöcken unten rechts, die jeweils eine Klingel und einen Türöffner Taster enthalten? Sind das ebenfalls (für unsere Betrachtung) fix vorgegebene Module, die man nur über 2 Drähte erreichen kann? (so jedenfalls habe ich Dich verstanden). Ich glaube es würde uns allen sehr helfen, wenn Du diese Fragen möglichst klar und genau beantwortest. Wenn meine Annahmen hier alle zutreffen, dann schnackel ich so langsam den rechten, unteren Teil Deiner Schaltung und Deine Gedanken, warum Du ihn so ausgeführt hast, wie Du es getan hast, denn Du steckst ja durch die Fertig-Module in einem recht engen Korsett, in dem Du Dich bewegen musst. Dass Du die UND-Verknüpfung in Software machen solltest (und damit jedes Deiner Klingel-Module auf jeweils einen GPIO-Eingang führst), wurde hier ja schon gesagt. Wurde auch erwähnt, dass Du in dem Moment, wo eine Klingel im rechten unteren Teil angesteuert wird, immer zuerst ein Türöffner-Signal an GPIO 6 messen wirst? Warum? Ganz einfach: Deine Klingel-Ansteuerrelais (also die, wo der 1k und der 25 Ohm Widerstand dranhängen), werden beim Umschalten immer vielleicht 1ms keinen Kontakt haben - weder zum 25Ohm Widerstand noch zum 1k Widerstand. Der entsprechende Optokoppler (ich spreche von denen in der UND-Verschaltung) wird dann für diesen winzigen Zeitraum keinen Strom am Eingang bekommen und das entspricht genau dem Verhalten, als ob Du für 1ms den Türöffner drückst. Das kannst Du entweder später in der Software abfangen oder Du überlegst Dir eine etwas geschicktere Schaltung. Z.B. könntest Du den 1k Widerstand jeweils direkt an +5V legen und nicht über das Relais schalten - dann hast Du beim Umschalten des Relais auch keinen Stromausfall auf Deinem Optokopplereingang. Viele Grüße Igel1
:
Bearbeitet durch User
Andreas S. schrieb: > Und ist das Innenleben dieser 4 Kanal Relaisplatine wirklich so, wie Du > gezeichnet hast? (also inkl. Optokopplern?) Das ist mit an Sicherheit grenzender Wahrscheinlichkeit das bekannte China-Mist-Design mit dem selben GND vor und hinter dem OK, wo die OK also nur zum Zeitvertreib, aber nicht zur Potentialtrennung drin sind: https://www.google.com/search?q=relaiskarte+4-fach+arduino
Lothar M. schrieb: > ... wo die OK also nur zum Zeitvertreib, aber nicht zur Potentialtrennung > drin sind: Immerhin werden sie ESDs auf den Tasterleitungen von den GPIOs fernhalten, so als Alternative zu einer Widerstand/Kondensator/TVS-Kombination.
Rainer W. schrieb: > Immerhin werden sie ESDs auf den Tasterleitungen von den GPIOs fernhalten > so als Alternative zu einer Widerstand/Kondensator/TVS-Kombination. Ganz ohne Widerstände geht es auch mit dem OK nicht. Die R/C/TVS-Lösung ist kleiner als der OK. Die TVS ist eigentlich eh' unnötig. Und ESD passiert auch auf der Masse. Also: wenn schon OK, dann mit getrennter Versorgung, getrennter Masse und getrenntem Potential.
Lothar M. schrieb: > Und ESD > passiert auch auf der Masse. deswegen schrieb ich ja: sinnvoll nur mit DC/DC Wandler
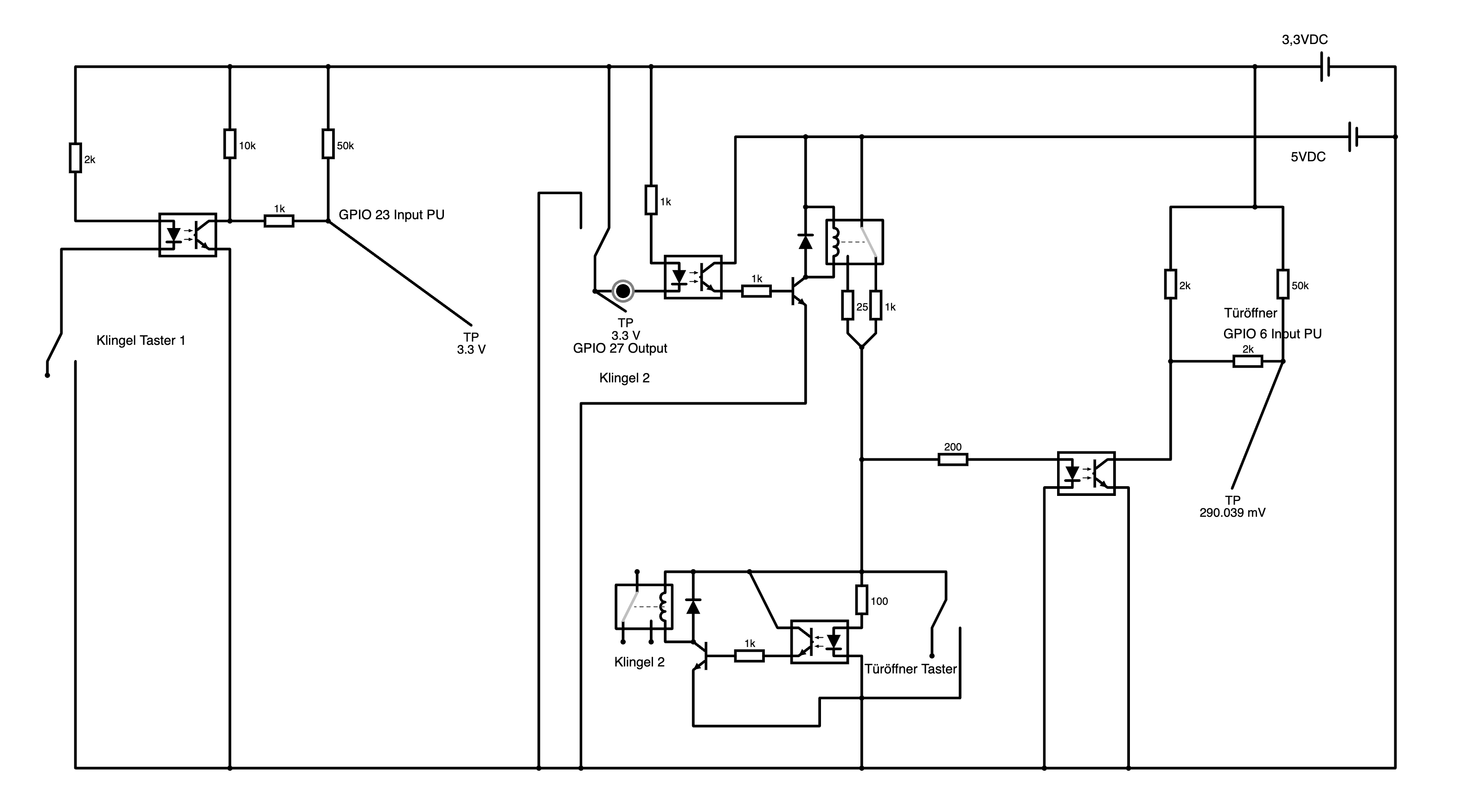
Andreas S. schrieb: > Rainer W. schrieb: >> Michael schrieb: >>> Den PNP hab ich zum Auswerten des Türöffner Tasters benutzt, nicht zum >>> ansteuern des Relais. >> >> Dann zeig den Schaltplan. Das erspart viel Hin und Her. Für einen BJT >> gibt es immerhin drei verschiedene Grundschaltungen. > > Ja, bitte - ich schließe mich Rainer W. an: zeig mal den Schaltplan. > Das wär der alte Aufbau. > Außerdem hat Du geschrieben: > >> Zum Thema Optokoppler, wie ich Anfangs geschrieben habe, habe ich >> standardmäßig erhältliche Relais Boards. Bei denen ist die Schaltung >> natürlich fest verlötet am Board, d.h. die Beschaltung der Relais ist so >> vorgegeben. > > Welcher Teil auf Deinem Schaltplan ist fest vorgegeben? (sprich: was > sind fertige Module?) > > Alles was im gestrichelten Kasten mit Beschriftung "Relais Platine 4 > Kanal" drin ist? > > Und ist das Innenleben dieser 4 Kanal Relaisplatine wirklich so, wie Du > gezeichnet hast? (also inkl. Optokopplern?) > Ja, ich hab das nochmal im angehängtem Schaltplan aufgezeigt. Das in den gestrichelten Boxen ist fest auf dem Board. Die Bauteile entsprechen denen auf dem Board, hab ich auch ausgemessen. > Und was ist mit den 3 Blöcken unten rechts, die jeweils eine Klingel und > einen Türöffner Taster enthalten? Sind das ebenfalls (für unsere > Betrachtung) fix vorgegebene Module, die man nur über 2 Drähte erreichen > kann? (so jedenfalls habe ich Dich verstanden). > Ja genau, so ist es. Bis auf den Taster selber. > Ich glaube es würde uns allen sehr helfen, wenn Du diese Fragen > möglichst klar und genau beantwortest. > > Wenn meine Annahmen hier alle zutreffen, dann schnackel ich so langsam > den rechten, unteren Teil Deiner Schaltung und Deine Gedanken, warum Du > ihn so ausgeführt hast, wie Du es getan hast, denn Du steckst ja durch > die Fertig-Module in einem recht engen Korsett, in dem Du Dich bewegen > musst. > > Dass Du die UND-Verknüpfung in Software machen solltest (und damit jedes > Deiner Klingel-Module auf jeweils einen GPIO-Eingang führst), wurde hier > ja schon gesagt. > > Wurde auch erwähnt, dass Du in dem Moment, wo eine Klingel im rechten > unteren Teil angesteuert wird, immer zuerst ein Türöffner-Signal an GPIO > 6 messen wirst? > > Warum? Ganz einfach: Deine Klingel-Ansteuerrelais (also die, wo der 1k > und der 25 Ohm Widerstand dranhängen), werden beim Umschalten immer > vielleicht 1ms keinen Kontakt haben - weder zum 25Ohm Widerstand noch > zum 1k Widerstand. > > Der entsprechende Optokoppler (ich spreche von denen in der > UND-Verschaltung) wird dann für diesen winzigen Zeitraum keinen Strom am > Eingang bekommen und das entspricht genau dem Verhalten, als ob Du für > 1ms den Türöffner drückst. > > Das kannst Du entweder später in der Software abfangen oder Du überlegst > Dir eine etwas geschicktere Schaltung. Z.B. könntest Du den 1k > Widerstand jeweils direkt an +5V legen und nicht über das Relais > schalten - dann hast Du beim Umschalten des Relais auch keinen > Stromausfall auf Deinem Optokopplereingang. > Ja, hab ich hab das am Anfang in der Software gesehen. Es hat teilweise, genauso wie du gesagt hast, der Türöffner GPIO angeschlagen (war mir nach reichlicher Überlegung dann auch klar bei 5ms Umschaltzeit). Ich hab das per Software ausgeglichen gehabt. > Viele Grüße > > Igel1
Schalt mal parallel zum internen 50k Pullup noch einen 2k2 Pullup. Denn sonst klingelt es beim nächsten Gewitter oder wenn einer seinen Polyesterpulli auszieht gleich bei allen... Die Eingangsbeschaltung sieht also so aus:
1 | 3V3 |
2 | | |
3 | 2k2 |
4 | | |
5 | .--langeleitung---------100R--o---10k---o-------µC-Pin |
6 | | | | |
7 | \ Klingeltaster TVS === 100n |
8 | | | | |
9 | '--gleichlangeleitung---100R--o---------o------ |
10 | | |
11 | GND |
Und weil du jetzt sowieso eine Platine für das Zeug machen musst, kannst du die Relaisansteuerung gleich noch so machen wie oben beschrieben.
:
Bearbeitet durch Moderator
Lothar M. schrieb: > Schalt mal parallel zum internen 50k Pullup noch einen 2k2 Pullup. Denn > sonst klingelt es beim nächsten Gewitter oder wenn einer seinen > Polyesterpulli auszieht gleich bei allen... Oder großen Faradayschen Käfig um alles und nur noch Wollpullis tragen :-) Als kleine Hilfe noch für sirmike: das von Lothar eingezeichnete "TVS" Bauelement ist eine spezielle Diode, die sich sehr lebensverlängernd auf Deinen RasPi auswirken kann :-) Einfach mal hier nachlesen: https://de.wikipedia.org/wiki/Suppressordiode. Und ja - Lothar's Vorschlag ist gut - die kannst Du für die Klingeltaster und auch für die Türöffnertaster gleichermaßen verwenden. Im letzteren Fall hast Du auch gleich das 5ms-Unterbrechungsproblem damit gelöst. Schmeiß also die PNP-Transistorschaltung raus und ersetze sie durch Lothar's Schutzschaltung - und das 3x für alle 3x Kingel/Türöffner-Kombis -> also auch 3 GPIOs dafür verwenden. Und dann nochmals 3x dieselbe Schutzschaltung für alle Klingel-Taster verwenden. @Lothar M.: welches Programm benutzt Du, um diese hübschen Ascii-Arts zu generieren? @sirmike: welches Programm benutzt Du für Deine Schaltpläne? Und danke für den überarbeiteten, vereinfachten und auf das Wesentliche reduzierten Schaltplan. Mein Vorschlag: passe diesen Schaltplan an, indem Du Lothar's Vorschlag folgst und zeig dann nochmals hier das Ergebnis, damit wir wissen, ob Du Lothar auch richtig verstanden hattest.
Andreas S. schrieb: > Oder großen Faradayschen Käfig um alles und nur noch Wollpullis tragen > :-) 😂👍 Das was ich jetzt hier über die Raspberry gelesen habe lässt bei mir den Eindruck entstehen, dass man bloß nichts an die Eingänge schalten sollte.
:
Bearbeitet durch User
Andreas S. schrieb: > welches Programm benutzt Du, um diese hübschen Ascii-Arts zu generieren? Das ist Hardware und nennt sich Keyboard ;-)
Andreas S. schrieb: > Im letzteren Fall hast Du auch gleich das 5ms-Unterbrechungsproblem > damit gelöst. Dafür wäre es deutlich sinnvoller, die Ursache für die Unterbrechung zu beseitigen, statt sie hinterher heraus zu filtern. Beide Widerstände über die Umschaltkontakte zu führen, ist einfach Unsinn, wenn die Unterbrechung woanders stört.
:
Bearbeitet durch User
Rainer W. schrieb: > Beide Widerstände über den Umschaltkontakt zu führen, ist einfach > Unsinn, wenn die Unterbrechung woanders stört. Eben, der größere von den beiden Widerständen kann direkt als Pull-Up Widerstand fest installiert werden.
Otto K. schrieb: > Eben, der größere von den beiden Widerständen kann direkt als Pull-Up > Widerstand fest installiert werden. Das wurde von Andreas oben schon vorgeschlagen und genau beschrieben, aber gut, dass du auch noch einmal darauf hinweist ;-) Andreas S. schrieb:
:
Bearbeitet durch User
Lothar M. schrieb: > Andreas S. schrieb: >> welches Programm benutzt Du, um diese hübschen Ascii-Arts zu generieren? > Das ist Hardware und nennt sich Keyboard ;-) Nein - Du bist echt crazy! Das nenne ich mal Liebe zur Elektronik. Bis ich so ein Teil per Tastatur zusammengestockelt hätte, wären andere schon im Bett. Aber: wer kann, der kann - Respekt, Lothar!
Frank O. schrieb: > Andreas S. schrieb: >> Oder großen Faradayschen Käfig um alles und nur noch Wollpullis tragen >> :-) > > 😂👍 > > Das was ich jetzt hier über die Raspberry gelesen habe lässt bei mir den > Eindruck entstehen, dass man bloß nichts an die Eingänge schalten > sollte. Warum? Trägst Du nicht gerne Wollpullis? :-)
Andreas S. schrieb: > Bis ich so ein Teil per Tastatur zusammengestockelt hätte, > wären andere schon im Bett. Wenn du es nicht auf die harte Tour willst :) https://josoansi.de/aacircuit.php http://www.jave.de/
Andreas S. schrieb: > Lothar M. schrieb: >> Andreas S. schrieb: >>> welches Programm benutzt Du, um diese hübschen Ascii-Arts zu generieren? >> Das ist Hardware und nennt sich Keyboard ;-) > > Nein - Du bist echt crazy! > Das nenne ich mal Liebe zur Elektronik. > > Bis ich so ein Teil per Tastatur zusammengestockelt hätte, > wären andere schon im Bett. > > Aber: wer kann, der kann - Respekt, Lothar! Empfehlung: https://josoansi.de/download.php
Andreas S. schrieb: > Bis ich so ein Teil per Tastatur zusammengestockelt hätte, > wären andere schon im Bett. Einmal das. Und zum anderen bekommt man die Schaltung manuell mit Wachsmalstifte schneller auf ein Stück Papier gemalt als mühsam über die Tastatur und man kann die Schaltung im Hochformat und im Querformat lesen, ohne dass sie beim drehen des Smartphones auseinander reißt.
Ich benutze für so etwas gerne LTspice. Muss mir nur noch angewöhnen, selbst die offensichtlichsten Dinge noch zusätzlich mehrfach redundant im größten Font aufzulisten.
.---o----o------o---o---------------o---o----o------------o12-15V | | | 22uF| + | | | | .-. | .-. ### | .-. | | .-------o | |<-' | | --- | | | | | | .---o | |5k | |5k6 | | | | | | | | '-' '-' | o--. '-' | _|_ o /o | | === | | | | |_/_|- / .-. | GND | ---100n LED V - | / | | | | --- - ^ | o | |6k2 | | | | | | | '-' | | GND '---o----o '-------o | | 2|\|7 | o-----------------|-\ LM741 _ |/ | | | >-------o--|___|--o---| | o---o----|+/ 6 | 22k | |> BC547 | | | 3|/|4 | | | .-. | | === o---. .-. | | | | o---. GND | | | |5k6 | | |2k7 .-. | | __ _V | | | | '-' KTY10 | + '--|___|--|___|-' '-' | | | | ### 47k 220k | | | '-' --- | | | | | | | | | | | | '--------o---o-------------------------o-----o------------o GND (created by AACircuit v1.28.7 beta 10/23/16 www.tech-chat.de) H. H. schrieb: > Empfehlung: > https://josoansi.de/download.php Sehr geil! Vielen Dank für den Link!
Frank O. schrieb: > .---o----o------o---o---------------o---o----o------------o12-15V > | | | 22uF| + | | | | https://www.mikrocontroller.net/articles/Formatierung_im_Forum pre!
Frank O. schrieb: > Sehr geil! Vielen Dank für den Link! Was soll denn das sein? Selbst im Querformat ist die Schaltung nicht lesbar! Da bleibe ich doch lieber bei Papier und Bleistift. Ein echtes Foto von dem Schaltplan kann wenigstens jeder lesen.
Otto K. schrieb: > Was soll denn das sein? Selbst im Querformat ist die Schaltung nicht > lesbar! Du hast ein untaugliches Endgerät.
Andreas S. schrieb: > Lothar M. schrieb: >> Schalt mal parallel zum internen 50k Pullup noch einen 2k2 Pullup. Denn >> sonst klingelt es beim nächsten Gewitter oder wenn einer seinen >> Polyesterpulli auszieht gleich bei allen... > > Oder großen Faradayschen Käfig um alles und nur noch Wollpullis tragen > :-) > > Als kleine Hilfe noch für sirmike: das von Lothar eingezeichnete "TVS" > Bauelement ist eine spezielle Diode, die sich sehr lebensverlängernd auf > Deinen RasPi auswirken kann :-) Einfach mal hier nachlesen: > https://de.wikipedia.org/wiki/Suppressordiode. > > Und ja - Lothar's Vorschlag ist gut - die kannst Du für die > Klingeltaster und auch für die Türöffnertaster gleichermaßen verwenden. > Im letzteren Fall hast Du auch gleich das 5ms-Unterbrechungsproblem > damit gelöst. > > Schmeiß also die PNP-Transistorschaltung raus und ersetze sie durch > Lothar's Schutzschaltung - und das 3x für alle 3x > Kingel/Türöffner-Kombis -> also auch 3 GPIOs dafür verwenden. Und dann > nochmals 3x dieselbe Schutzschaltung für alle Klingel-Taster verwenden. > > @Lothar M.: welches Programm benutzt Du, um diese hübschen Ascii-Arts zu > generieren? > > @sirmike: welches Programm benutzt Du für Deine Schaltpläne? Und danke > für den überarbeiteten, vereinfachten und auf das Wesentliche > reduzierten Schaltplan. Mein Vorschlag: passe diesen Schaltplan an, > indem Du Lothar's Vorschlag folgst und zeig dann nochmals hier das > Ergebnis, damit wir wissen, ob Du Lothar auch richtig verstanden > hattest. Ich benutze das Simulationsprogramm CircuitJS1. Also den Klingeltaster Eingang hab ich jetzt mal so Umgeändert. Hoffe das stimmt so. Beim drücken des Tasters hab ich allerdings am GPIO 23 noch immer über 700mV anliegen. Soll ich den R4 kleiner machen? Die Relaisanschaltung hab ich auch mal so umgesetzt. Ich komme aber nicht klar mit der Anschaltung und Auswertung für das Relais der Klingel und dem Türöffner. Ich bekomme da keine sauberen Pegel am GPIO 6 hin dass ich gute Pegel für LOW und HIGH hab. Wahrscheinlich hab ich auch alles Falsch
H. H. schrieb: > Du hast ein untaugliches Endgerät. Ich bin sicherlich nicht der einzige hier im Forum mit einem untauglichen Endgerät. Wichtig ist doch, dass wir uns im Forum alle über die Schaltungen unterhalten können, sonst werden die Leute mit einem untauglichen Endgerät außen vor gelassen und können dann nicht mehr mitreden.
Rainer W. schrieb: > Immerhin werden sie ESDs auf den Tasterleitungen von den GPIOs > fernhalten, aber nicht von der Versorgungsspannung!
H. H. schrieb: > Du hast ein untaugliches Endgerät. Die Endgeräte, für die ASCII-Art entwickelt wurde, waren Fernschreiber und Zeilendrucker. Graphische Ausgabemöglichkeiten waren damals noch ziemlich unerschwinglich.
Rainer W. schrieb: > H. H. schrieb: >> Du hast ein untaugliches Endgerät. > > Die Endgeräte, für die ASCII-Art entwickelt wurde, waren Fernschreiber > und Zeilendrucker. Graphische Ausgabemöglichkeiten waren damals noch > ziemlich unerschwinglich. AAcircuit wurde im 21. Jahrhundert entwickelt.
H. H. schrieb: > Das könnte eine echte Chance sein. Wie meinst du das? Meinst du dass die alten kompetenten Hasen ihr Wissen mit ins Grab nehmen sollten, nur weil sie kein passendes Endgerät haben?
Michael schrieb: > Wahrscheinlich hab ich auch alles Falsch Ich habe keine Lust deinen Schaltplan zu zeichnen, aber mach doch mal einen,wo oben dein Raspberry ist, daneben deine Versorgungsspannungen und ganz unten der gemeinsame Minus. Dann von links nach rechts deine Taster (Tür vorne, Tür hinten, Tür Garage). Dann eine oder mehrere Klingeln. Rechts daneben die Türöffnerer, die ja sicher 8V Wechselstrom bekommen und deshalb über Relais angesteuert werden. Dann hast du einen schönen und übersichtlichen Schaltplan. Und dann lasse die OKs da raus.
:
Bearbeitet durch User
Michael schrieb: > > Ich benutze das Simulationsprogramm CircuitJS1. Danke für die Info. > Also den Klingeltaster Eingang hab ich jetzt mal so Umgeändert. Hoffe > das stimmt so. Du hast alles perfekt nach unseren Tipps angepasst. Nur waren bei unseren Tipps noch kleine Fehlerchen drin - die merzen wir jetzt in den nächsten Posts aus. > Beim drücken des Tasters hab ich allerdings am GPIO 23 > noch immer über 700mV anliegen. Das glaube ich Dir, denn Dein interner Pullup zieht Dir das Potenzial an GPIO23 hoch. Schalte ihn ab! Den brauchst Du wirklich nicht. > Soll ich den R4 kleiner machen? Da hast Du Dich bestimmt verschrieben, denn R4 hat mit GPIO23 ja nichts zu tun - lass den, wie er ist. Wie gesagt: internen Pullup ausschalten und das Problem ist gelöst. > Die Relaisanschaltung hab ich auch mal so umgesetzt. > > Ich komme aber nicht klar mit der Anschaltung und Auswertung für das > Relais der Klingel und dem Türöffner. Ich bekomme da keine sauberen > Pegel am GPIO 6 hin dass ich gute Pegel für LOW und HIGH hab. Yep, da hast Du völlig recht. Da passte unser Tipp zwar zur Auswertung des Türöffners, aber nicht so ganz zur Ansteuerung des Klingelrelais. In diesem Fall muss R7 raus (also Drahtbrücke ...) und auch hier bitte wieder den internen Pullup (R12) ausschalten. Dann sollte es passen. > Wahrscheinlich hab ich auch alles Falsch Nein - ich finde sogar, dass Du das für einen Elektronik- Anfänger recht gut machst! Wir kriegen das hier auf jeden Fall gemeinsam hin - versprochen! Falls Du den Hinweis von nepomuk noch beachten möchtest, der da schrieb: ---- Nemopuk schrieb: > Rainer W. schrieb: >> Immerhin werden sie ESDs auf den Tasterleitungen von den GPIOs >> fernhalten, > > aber nicht von der Versorgungsspannung! ---- ... falls Du diesen Hinweis also auch noch beachten möchtest, so schaltest Du von der Kathode einer jeden TVS-Diode noch jeweils eine zweite TVS-Diode zur Versorgungsspannung. Dann kommst Du der ursprünglich von mir verlinkten Schutzschaltung wieder ein Stückchen näher :-) Das wären meine Tipps. Bitte spendier uns dann nochmals den angepassten Plan. Vermutlich müssen wir noch ein oder zwei Iterationen machen. Viele Grüße Igel1
Frank O. schrieb:1 | .---o----o------o---o---------------o---o----o------------o12-15V |
2 | | | | 22uF| + | | | | |
3 | .-. | .-. ### | .-. | | .-------o |
4 | | |<-' | | --- | | | | | | .---o |
5 | | |5k | |5k6 | | | | | | | | |
6 | '-' '-' | o--. '-' | | o /o |
7 | | | === | | | | |/|- / |
8 | .-. | GND | ---100n LED V - | / |
9 | | | | | --- - ^ | o |
10 | | |6k2 | | | | | | | |
11 | '-' | | GND '---o----o '-------o |
12 | | | 2||7 | |
13 | o-----------------|-\ LM741 ___ |/ |
14 | | | | >-------o--||--o---| |
15 | | o---o----|+/ 6 | 22k | |> BC547 |
16 | | | | 3|/|4 | | | |
17 | .-. | | === o---. .-. | |
18 | | | | o---. GND | | | |5k6 | |
19 | | |2k7 .-. | | ___ V | | | | |
20 | '-' KTY10 | + '--||--|___|-' '-' | |
21 | | | | ### 47k 220k | | |
22 | | '-' --- | | |
23 | | | | | | |
24 | | | | | | |
25 | '--------o---o-------------------------o-----o------------o GND |
26 | (created by AACircuit |
Bedienungsanleitung lesen und die [pre] Tags verwenden. Otto K. schrieb: > Ein echtes Foto von dem Schaltplan kann wenigstens jeder lesen. Jetz gib deine Strichpunktzeichnung einfach noch in ein anständiges OCR und du hast einen amtliche ASCII-Schaltplan. Otto K. schrieb: > Und zum anderen bekommt man die Schaltung manuell mit Wachsmalstifte > schneller auf ein Stück Papier gemalt als mühsam über die Tastatur Nicht bei mir. > und man kann die Schaltung im Hochformat und im Querformat > lesen, ohne dass sie beim drehen des Smartphones auseinander reißt. Bei mir reißt da nichts. Und so einen ASCII-Schaltplan kann ich und jeder anderde leicht kopieren und ändern (siehe oben die Schaltung mit dem BJT und dem Mosfet). Aber gerne jeder nach seinem Gusto.
:
Bearbeitet durch Moderator
> Da hast Du Dich bestimmt verschrieben, denn R4 hat mit GPIO23 > ja nichts zu tun - lass den, wie er ist. > Wie gesagt: internen Pullup ausschalten und das Problem ist gelöst. > Jup war ein Schreibfehler, sollte R2 sein. > In diesem Fall muss R7 raus (also Drahtbrücke ...) und auch > hier bitte wieder den internen Pullup (R12) ausschalten. > Dann sollte es passen. > Hab ich gemacht. > > ... falls Du diesen Hinweis also auch noch beachten möchtest, > so schaltest Du von der Kathode einer jeden TVS-Diode > noch jeweils eine zweite TVS-Diode zur Versorgungsspannung. > Dann kommst Du der ursprünglich von mir verlinkten > Schutzschaltung wieder ein Stückchen näher :-) > Hab ich gemacht. Hab jetzt nen besseren LOW Pegel ca. 145 mV aber der HIGH ist noch be 850mV also zu niedrig. Die internen PullUps hab ich auch raus. Und Danke für die Hilfe!
Michael schrieb: > Hab jetzt nen besseren LOW Pegel ca. 145 mV aber der HIGH ist noch be > 850mV also zu niedrig. Bitte immer genau angeben, wo Du misst - sonst können wir nur raten. Ich rate also mal, dass Du den Pegel an GPIO23 meinst. Wenn Klingel Taster 1 offen ist, so muss an GPIO23 3,3V liegen. Klemm mal Deinen GPIO23 ab und messe nach. Wenn Du bei abgeklemmtem GPIO23 immer noch 850mV misst, so hast Du vermutlich die untere TVS-Diode falsch herum eingebaut. Wenn Du bei abgeklemmtem GPIO23 genau 3,3V misst und bei angeklemmtem GPIO plötzlich 850mV, so ist im GPIO ein Pull-down Widerstand aktiv - bitte den ebenfalls abschalten. Viele Grüße Igel1
Andreas S. schrieb: > Michael schrieb: >> Hab jetzt nen besseren LOW Pegel ca. 145 mV aber der HIGH ist noch be >> 850mV also zu niedrig. > > Bitte immer genau angeben, wo Du misst - sonst können wir nur raten. > > Ich rate also mal, dass Du den Pegel an GPIO23 meinst. > Wenn Klingel Taster 1 offen ist, so muss an GPIO23 3,3V liegen. > Klemm mal Deinen GPIO23 ab und messe nach. > > Wenn Du bei abgeklemmtem GPIO23 immer noch 850mV misst, > so hast Du vermutlich die untere TVS-Diode falsch herum > eingebaut. > > Wenn Du bei abgeklemmtem GPIO23 genau 3,3V misst und bei > angeklemmtem GPIO plötzlich 850mV, so ist im GPIO ein > Pull-down Widerstand aktiv - bitte den ebenfalls abschalten. > > Viele Grüße > > Igel1 Sorry hast recht sollte ich angeben, ich meinte am GPIO 6, der soll ja den Türtaster auswerten. GPIO 23 sollte jetzt passen 276mV LOW und HIGH 3,3 V
@sirmike: Noch ein paar kleine Anmerkungen/Fragen: Evtl. könntest Du auch die TVS-Dioden noch mit eindeutigen Bezeichnern versehen (TVS1, TVS2, ...) und die noch nicht bezeichneten Bauteile ebenfalls noch mit Bezeichnern versehen. Das erleichtert das Fachsimpeln, weil dann jeder ganz genau sagen kann, an welcher Stelle er welches Potenzial erwartet oder welche Änderung er durchführen möchte, oder, oder, oder ... Außerdem kannst Du R3 m.M.n. auch durch eine Drahtbrücke ersetzen. Ach ja: und im realen Aufbau muss die Schutzschaltung möglichst nahe an den GPIO-Pins aufgebaut werden, sonst kann sie ihre Funktion nicht erfüllen. Dann noch eine Frage: Bei der Suche nach Deinem CircuitJS1 Programm stoße ich immer nur auf die Online-Version von Falstad. Hast Du den Plan Online gezeichnet? Oder läuft CircuitJS1 bei Dir als Programm auf dem Rechner? Viele Grüße Igel1
:
Bearbeitet durch User
Andreas S. schrieb: > @sirmike: > > Noch ein paar kleine Anmerkungen/Fragen: > > Evtl. könntest Du auch die TVS-Dioden noch mit eindeutigen Bezeichnern > versehen (TVS1, TVS2, ...) und die noch nicht bezeichneten Bauteile > ebenfalls noch mit Bezeichnern versehen. > > Das erleichtert das Fachsimpeln, weil dann jeder ganz genau sagen kann, > an welcher Stelle er welches Potenzial erwartet oder welche Änderung er > durchführen möchte, oder, oder, oder ... > > Außerdem kannst Du R3 m.M.n. auch durch eine Drahtbrücke ersetzen. Ist ersetzt. > Ach ja: und im realen Aufbau muss die Schutzschaltung möglichst > nahe an den GPIO-Pins aufgebaut werden, sonst kann sie ihre > Funktion nicht erfüllen. > > Dann noch eine Frage: > > Bei der Suche nach Deinem CircuitJS1 Programm stoße ich immer nur auf > die Online-Version von Falstad. Hast Du den Plan Online gezeichnet? > Oder läuft CircuitJS1 bei Dir als Programm auf dem Rechner? > https://github.com/SEVA77/circuitjs1/releases Ich hab die 1.3.1 auf meinem Mac laufen. Find ich einfacher als LTSpice z.B.
Tja - in der Tat haben wir mit dem "Kingelkasten" samt eingebautem Türöffner nun ein kleines Problem: Wenn dort ein HIGH-Pegel anliegen soll, so wird es klingeln ... Das willst Du aber nicht. Gleichzeitig möchtest Du aber auch eine Betätigung des Türöffners sauber erkennen. Das könntest Du sogar mit Deiner letzten Schaltung, wenn denn der RasPi einen AD-Wandler eingebaut hätte und Du Spannungen damit messen könntest - hat er aber nicht - so'n Pech. Daher könnte die im Anhang auf die Schnelle gezeichnete Schaltung eine Lösung sein. Wenn Du nämlich 850mV an Deinem Klingel-Modul misst, so kannst Du damit T1 ansteuern. Der schaltet dann durch und Du wirst bei nicht gedrücktem Türöffner stets ein LOW an GPIO6 messen. Bei gedrücktem Türöffner wird die Basis von T1 auf GND gezogen und T1 sperrt. Ergo wirst Du ein HIGH an GPIO6 messen. Wenn Du ganz auf Nummer sicher gehen willst, musst Du T1 auch mit 2 TVS-Dioden schützen (bin mir dabei nicht so ganz sicher, ob das nötig ist - das sollten die ESD/EOV-Profis hier wissen). Soweit meine Lösungsidee ... Alles ohne Gewähr und Pistole ...
:
Bearbeitet durch User
Andreas S. schrieb: > Gleichzeitig möchtest Du aber auch eine Betätigung des Türöffners > sauber erkennen. Die saubere Erkennung liefert der vor der Tür. Wenn die nicht aufgeht, dann klingelt er wieder.
Andreas S. schrieb: > Tja - in der Tat haben wir mit dem "Kingelkasten" samt eingebautem > Türöffner nun ein kleines Problem: > > Wenn dort ein HIGH-Pegel anliegen soll, so wird es klingeln ... > Das willst Du aber nicht. > > Gleichzeitig möchtest Du aber auch eine Betätigung des Türöffners > sauber erkennen. > > Das könntest Du sogar mit Deiner letzten Schaltung, > wenn denn der RasPi einen AD-Wandler eingebaut hätte und > Du Spannungen damit messen könntest - hat er aber nicht - so'n Pech. > > Daher könnte die im Anhang auf die Schnelle gezeichnete > Schaltung eine Lösung sein. Wenn Du nämlich 850mV an Deinem > Klingel-Modul misst, so kannst Du damit T1 ansteuern. > Der schaltet dann durch und Du wirst bei nicht gedrücktem > Türöffner stets ein LOW an GPIO6 messen. > > Bei gedrücktem Türöffner wird die Basis von T1 auf GND gezogen > und T1 sperrt. Ergo wirst Du ein HIGH an GPIO6 messen. > > Wenn Du ganz auf Nummer sicher gehen willst, musst Du T1 auch > mit 2 TVS-Dioden schützen (bin mir dabei nicht so ganz sicher, > ob das nötig ist - das sollten die ESD/EOV-Profis hier wissen). > > Soweit meine Lösungsidee ... > Alles ohne Gewähr und Pistole ... Klappt in der Simulation auf den ersten Blick sehr gut! Danke! Welchen Typ an TVS würdest du empfehlen ? Und noch eine andere Frage, vielleicht weist du das, kann es sein dass der Türöffner keine Freilaufdiode hat. Der ist nämlich bestimmt schon ca. 30 Jahre alt.
Michael schrieb: > Klappt in der Simulation auf den ersten Blick sehr gut! Na supi. > Danke! Gerne > Welchen Typ an TVS würdest du empfehlen ? Hier begebe ich mich auf dünnes Eis, denn als Hobby-Elektroniker gebe ich persönlich meist wenig Acht auf ESD & Co. Hier können Dir andere in diesem Forum bestimmt besser zur Seite stehen. Mein Tipp, die ESD-Dioden möglichst nahe beim GPIO zu verbauen war z.B. schon mal Käse - die Dinger müssen möglichst nahe an die Eingangsklemmen, siehe Diskussion hier: Beitrag "Re: TVS - Dioden Schutzschaltung Funktion erklären ?" Rein theoretisch (also ohne praktische Erfahrung) würde ich eine PESD3V3S2UT verwenden - gibt's für 12ct bei Reichelt und lässt sich noch halbwegs gut für Hobby-Menschen löten. Ob die aber der Weisheit letzter Schluss ist, weiß ich nicht - sorry. > Und noch eine andere Frage, vielleicht weist du das, kann es sein dass > der Türöffner keine Freilaufdiode hat. Der ist nämlich bestimmt schon > ca. 30 Jahre alt. Yep, kann gut sein - sollte sich aber leicht per Messung feststellen lassen ... Viele Grüße Igel1
H. H. schrieb: > AAcircuit wurde im 21. Jahrhundert entwickelt. Es mag ja sein, dass ein Nostalgiker dafür zu einer Zeit, als sich bereits Proportionalschrift auf den Bildschirmen breit gemacht und graphische Ausgabe technisch überhaupt kein Problem mehr ist, eine Software dafür schreibt. Für einigen Newsgroups, die aus der Zeit stammen, als die Übertragungsgeschwindigkeiten über Telefonmodem im einstelligen kBd-Bereich lag und Speicherplatz so teuer war, dass sie auf Austausch von ASCII-Texten beschränkt waren, hatte ASCII-Art sicher ihre Berechtigung. Schon 1940 tauchten die ersten hand"gemalten" ASCII-Bilder auf, eigentlich sinnvoll zur Weiterverbreitung erst, als es Lochstreifen gab, um sie zu speichern. https://de.wikipedia.org/wiki/ASCII-Art#Geschichte
@sirmike:
Wir stecken gerade ein wenig fest: Du brauchst ein fachlich fundiertes
Review der TVS-Schutzschaltung mit Angabe konkreter Bauelemente (auch
für den 100nF Kondensator), was ich mir nicht zutraue (weil ich zu wenig
Ahnung im Thema ESD/EOV habe)
Und die anderen Jungs hier sind m.M.n gerade irgendwo falsch abgebogen
und unterhalten sich lieber über Ascii-Art und deren
Darstellungsprobleme statt sich auf Dein Problem zu fokussieren.
Passiert schon mal gerne hier im Forum - ich will mich selber davon auch
gar nicht freisprechen - wir sind alle nur Menschen und das hier ist ja
nur Hobby für uns - da diskutiert man halt auch schon mal gerne über
etwas, was einen jetzt gerade interessiert.
Meine Vorschläge wären daher:
1.) Aktualisiere Dein Schaltbild hier nochmals auf den letzten Stand
und stelle es hier ein - vielleicht kommt dann ja noch was
von den Mitstreitern hier.
2.) Eröffne ggf. einen neuen Thread, in dem Du einzig und allein
eine Schutzschaltung für die Eingänge Deines RasPi erfragst.
Lege vielleicht die von Lothar M. vorgeschlagene
Schutzschaltung als Diskussionsgrundlage vor (samt Verweis
auf Deine echte Schaltung, die Du dann in der zuletzt abgestrippten
Version ebenfalls anhängst) - dann wird schon was kommen.
3.) Wenn Du Angst hast, dass Du - trotz aller Sicherheitsmaßnahmen -
auch Deinen 3. RasPi himmeln könntest, so könntest Du den
RasPi vielleicht einfach Du einen Raspberry Pico 2350 ersetzen
(eigentlich tut's auch jeder andere, gängige MC - AVR, STM, ...)
RP2350 Entwicklungsboards samt Chip gibt's für ca. 5€ und der kann
das, was Du hier aufgezeichnet hast, auch locker abfackeln.
Achte evtl. darauf, einen PI2350 A4 zu bekommen, weil in den
ersten Auflagen des Chips ein böser GPIO-Fehler drin war.
Soweit meine Ideen.
Bin dann mal für den Rest des Tages wech ...
Viele Grüße
Igel1
Michael schrieb: > Welchen Typ an TVS würdest du empfehlen ? Michael schrieb: > circuit-20251017-2012.png Eine TVS soll die Störungen nicht in die Versorgungsspannung ableiten, sondern die Höhe eines ESD-Pulses gegenüber dem Bezugspotential der Schaltung begrenzen, indem sie einen Großteil der Pulsenergie aufnimmt. Die Durchbruchspannung muss daher etwas über der maximal als Dauersignal möglichen Spannung liegen. Es gibt TVS mit polaritätsabhängiger Durchbruchspannung. Hinter der TVS kommt ein Tiefpass, der die Restenergie in einem Kondensator auffängt, ohne dass die zulässige Eingangsspannung überschritten wird oder der Strom durch die integrierten ESD-Schutzdioden unzulässig hoch wird. Die Größe der TVS, d.h. die maximal zulässige Energie hängt von den Anforderungen ab. Im Prüflabor werden für gängige ESD-Test je nach Test-Level z.B. Prüfspannungen zwischen 2kV und 15kV verwendet, die Ladung kommt aus einem 150pF Kondensator und wird über einen Entladungswiderstand von 330 Ω auf den Prüfling gegeben. Die oben im Vorschlag eingezeichneten 100 Ω ändern gegenüber der Impedanz des reinen Prüfgenerators also nicht viel. p.s. In dem Schaltplan kann man immer noch Verbindungsknoten und (isolierte) Kreuzungen kaum unterscheiden.
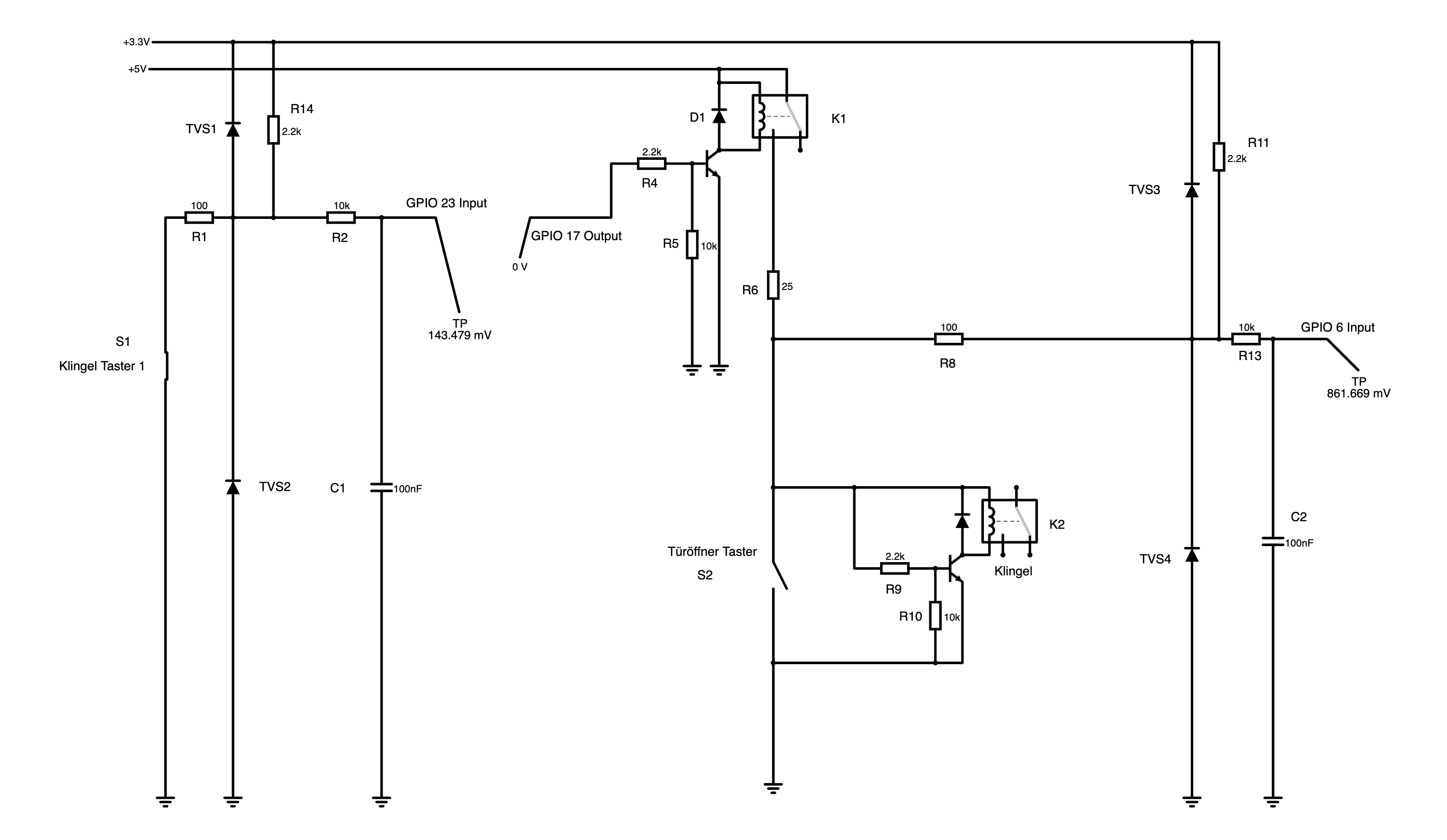
So wäre jetzt mein letzter Stand, einmal die ganze Schaltung und einmal nur eine Einheit, zur besseren Übersicht. Mein Programm gibt leider bei den Knotenpunkten nicht mehr her, bzw. ich kann sie nicht ändern. Ich hab mal manuell bei den Verbindungen hoch zur Stromversorgung die Punkte nachgezeichnet.
Rainer W. schrieb: > Eine TVS soll die Störungen nicht in die Versorgungsspannung ableiten, > sondern die Höhe eines ESD-Pulses gegenüber dem Bezugspotential der > Schaltung begrenzen, indem sie einen Großteil der Pulsenergie aufnimmt. > Die Durchbruchspannung muss daher etwas über der maximal als Dauersignal > möglichen Spannung liegen. > Es gibt TVS mit polaritätsabhängiger Durchbruchspannung. > Hinter der TVS kommt ein Tiefpass, der die Restenergie in einem > Kondensator auffängt, ohne dass die zulässige Eingangsspannung > überschritten wird oder der Strom durch die integrierten > ESD-Schutzdioden unzulässig hoch wird. > Die Größe der TVS, d.h. die maximal zulässige Energie hängt von den > Anforderungen ab. > > Im Prüflabor werden für gängige ESD-Test je nach Test-Level z.B. > Prüfspannungen zwischen 2kV und 15kV verwendet, die Ladung kommt aus > einem 150pF Kondensator und wird über einen Entladungswiderstand von 330 > Ω auf den Prüfling gegeben. Die oben im Vorschlag eingezeichneten 100 Ω > ändern gegenüber der Impedanz des reinen Prüfgenerators also nicht viel. Interessant - habe mich schon immer gefragt, wie so etwas getestet wird. Danke, dass Du hier Licht ins Dunkel gebracht hast. Aber was bedeutet das jetzt ganz praktisch für Michael? Welche TVS-Diode soll er nehmen (die auch noch für Hobby-Leute lötbar ist) und welchen Kondensatortyp soll er nehmen? Und wo genau soll er welche Bauteile platzieren? (z.B. Kondensator nahe an den GPIO-Pins? TVS-Dioden nahe an den Anschlussklemmen der abgehenden Leitungen zu den Klingel-Modulen?) Will sagen: ich glaube, hier brauchts ganz praktische Ratschläge a la "tu dies so und so und nicht anders ...". > p.s. > In dem Schaltplan kann man immer noch Verbindungsknoten und (isolierte) > Kreuzungen kaum unterscheiden. Was soll der machen? Sein Schaltungssimulator zeichnet die halt so - glaube kaum, dass Michael daran etwas ändern kann. Ich fürchte, wir müssen damit leben. Viele Grüße Igel1 Edit: PS: mein Post überschnitt sich mit dem vorigen Post von Michael.
:
Bearbeitet durch User
@sirmike: Aus meiner Sicht sieht die Schaltung jetzt habwegs brauchbar aus. Zeichne vielleicht nochmals die gestrichelten Kästchen um diejenigen Teile der Schaltung, die als fixe Module unabänderlich sind, damit da keine Diskussionen aufkommen. Jetzt brauchen wir halt noch etwas Input von alten ESD-Hasen. Auch würde mich interessieren, ob man T1 ESD-mäßig auch absichern sollte. Viele Grüße Igel1
> Aus meiner Sicht sieht die Schaltung jetzt habwegs brauchbar aus. > Zeichne vielleicht nochmals die gestrichelten Kästchen um diejenigen > Teile der Schaltung, die als fixe Module unabänderlich sind, damit > da keine Diskussionen aufkommen. Ist nichts mehr unabänderlich, ist jetzt alles neu. Sind keine Komponenten mehr drinnen, wie Boards oder so. Ich hab auch nebenbei versucht mal die Relais raus zu nehmen, zumindest wo es ging. Beim Türöffner selber würd ich das drinnen lassen. Die Klingel ist auch Batterie betrieben, d.h. da hat ich dann wirklich nen Optokoppler hergenommen. Soll ich den Plan mal zeigen?
Andreas S. schrieb: > Will sagen: ich glaube, hier brauchts ganz praktische > Ratschläge a la "tu dies so und so und nicht anders ...". Einige Informationen geben die Hersteller, z.B. per Suche nach "TVS Application Note".
Frank O. schrieb: > Michael schrieb: >> So wäre jetzt mein letzter Stand, > > Und ein vernünftiger Schaltplan. > Klasse!👏 Ja, Michael ist einer, der ganz klar guten Ratschlägen offen gegenübersteht und auch Vorschläge direkt umsetzt: siehe sein Schaltplan JPEG->PNG, dann weißer Schaltplan, Optokoppler raus, Relais-Lücke per Widerstand vermieden, keine UND-Verschaltung in Hardware, Bezeichnungen der Bauteile vervollständigt, Führung von GND und Vcc ... - hat er alles direkt verstanden, angenommen und umgesetzt - Chapeau. Solche Leute haben wir nicht immer hier - so macht das gemeinsame Tüfteln richtig Spaß. Da mache ich doch glatt mal Pause von der Gartenarbeit, um hier nochmals wieder reinzugucken. sirmike schrieb: > Soll ich den Plan mal zeigen? Na klar doch! Freue mich schon drauf - wird ja immer besser! Viele Grüße Igel1
Jetzt kann es noch passieren, dass die Klingeltaster nicht lange halten, weil sie zu wenig belastet werden (wetting current). Macht der Hersteller deiner Taster eine Angabe dazu? Welche sind es?
:
Bearbeitet durch User
Rainer W. schrieb: > Andreas S. schrieb: >> Will sagen: ich glaube, hier brauchts ganz praktische >> Ratschläge a la "tu dies so und so und nicht anders ...". > > Einige Informationen geben die Hersteller, z.B. per Suche nach "TVS > Application Note". Hast schon recht, aber wollen wir Michael als Elektronik-Anfänger direkt zum ESD-Experten machen - einem der definitiv anspruchsvolleren Themen? Findet sich hier niemand mit genügend ESD-Praxis-Erfahrung, der ihm sagen kann: nimm die TVS und den Kondensator und schalte das Zeug genau so zusammen, wie ich es Dir sage? Viele Grüße Igel1 PS: nevertheless - die application notes in Googles ersten Treffern sind schon ziemlich interessant - könnte ich auch noch vieles lernen ...
> sirmike schrieb: >> Soll ich den Plan mal zeigen? > > Na klar doch! > Freue mich schon drauf - wird ja immer besser! > > Viele Grüße > > Igel1 Hier mal ein Versuch.
Nemopuk schrieb: > Jetzt kann es noch passieren, dass die Klingeltaster nicht lange halten, > weil sie zu wenig belastet werden (wetting current). > > Macht der Hersteller deiner Taster eine Angabe dazu? Welche sind es? Ne die Blende mit den Tastern ist auch schon ca. 30 Jahre alt. Genauso wie der Türöffner. Da werd ich auch noch eine Freilaufdiode irgendwie reinmachen. Ich kann den nicht wechseln, sonst muss ich eine neue Haustüre bestellen. War damals alles provisorisch gemacht. Die Anlage mit Gegensprecheinrichtung ging schon lange nicht mehr richtig. Nicht dass der mir mit den 12V über den Stepdown Konverter in den Raspi reinstrahlt. Die Verkabelung gibt auch nichts her. Uralt und zu wenig Adern. Da wollte ich nicht ne teure 2 Draht Anlage kaufen und am Schluss geht die nicht. Einbauplatz ist auch begrenzt, deshalb wird es sportlich das alles unter zu bekommen. Ich hab auch viel SmartHome Sachen bei mir (Hobby, deswegen Raspi. Da kann ich alles noch einbauen, Video usw. und auch bei mir ins System integrieren. Deshalb das ganze.
Beitrag #7953201 wurde vom Autor gelöscht.
Otto K. schrieb im Beitrag #7953201: > Michael schrieb: >> Hier mal ein Versuch. > > R14 kannst du weglassen, denn sonst kann T2 die Optokoppler-LED nicht > vernünftig ausschalten. R14 bildet mit R16 einen Spannungsteiler. > Wenn ich den rausnehme, kann ich den S4 Türöffner Taster nicht mehr auswerten, dann hab ich am GPIO 6 ständig HIGH. > Soll R18 der Ersatzwiderstand für die Klingelspule sein? 1k kommt mir > dafür ziemlich hochohmig vor. Ja, hab ich nur zum testen drinnen, ist eine Elektronische Klinge mit Batterie. Die hat zwischen den Kontakten 3V.
Michael schrieb: > Wenn ich den rausnehme, kann ich den S4 Türöffner Taster nicht mehr > auswerten, dann hab ich am GPIO 6 ständig HIGH. Du hast natürlich Recht! Aber der Unterschied zwischen 0,7 Volt und 1,1 Volt ist zu knapp zum Auswerten! Du könntest auch mit T2 direkt die Optokoppler-LED überbrücken, dann bleiben immer noch sichere 1,5 Volt für die Basis an T1 übrig. Falls das jedoch immer noch zu knapp ist, dann könntest du R16 von 2k2 auf 1k ändern. Wenn der 2k2 am Eingang vor dem 100 Ohm Widerstand positioniert wird, dann werden dort die restlichen 150 mV auch noch eliminiert.
Otto K. schrieb: > Michael schrieb: >> Wenn ich den rausnehme, kann ich den S4 Türöffner Taster nicht mehr >> auswerten, dann hab ich am GPIO 6 ständig HIGH. > > Du hast natürlich Recht! Aber der Unterschied zwischen 0,7 Volt und 1,1 > Volt ist zu knapp zum Auswerten! Du könntest auch mit T2 direkt die > Optokoppler-LED überbrücken, dann bleiben immer noch sichere 1,5 Volt > für die Basis an T1 übrig. Falls das jedoch immer noch zu knapp ist, > dann könntest du R16 von 2k2 auf 1k ändern. > Dazu bräucht ich aber eine dritte Ader hoch zu den Wohnungen, oder bin ich da jetzt Falsch?! > Wenn der 2k2 am Eingang vor dem 100 Ohm Widerstand positioniert wird, > dann werden dort die restlichen 150 mV auch noch eliminiert. Ok Danke!
Michael schrieb: > Dazu bräucht ich aber eine dritte Ader hoch zu den Wohnungen Stimmt, T2 und der Optokoppler befinden sich ja an zwei verschiedenen Orten. Okay, dann bliebe noch die Möglichkeit, dass du in Reihe zum Optokoppler noch eine ganz normale Siliziumdiode schaltest, um den Spannungsunterschied zwischen Optokopler-LED und der Basis von T1 zu vergrößern. R13 könnte sogar entfallen.
Wenn nur zwei Adern pro WE da sind, dann macht man das eben per AC. Eine Halbwelle für die Klingel, die andere für den Türöffner. Einen µC brauchts da nicht.
Wenn die Optokoppler-LED mit insgesamt 4k4 betrieben wird und Deine elektronische Klingel nur ein Innenwiderstand von 1k hat, dann müsste Dein Optokoppler einen CTR von mindestens 400% haben. Du könntest deshalb am Ausgang vom Optokoppler noch einen Transistor als Verstärker dahinter schalten.
Otto K. schrieb: > Wenn die Optokoppler-LED mit insgesamt 4k4 betrieben wird und Deine > elektronische Klingel nur ein Innenwiderstand von 1k hat, dann müsste > Dein Optokoppler einen CTR von mindestens 400% haben. Du könntest > deshalb am Ausgang vom Optokoppler noch einen Transistor als Verstärker > dahinter schalten. Das wär die Klingel https://de.elv.com/p/heidemann-mehrklang-gong-chorus-2-in-1-design-P258246/ Ich denke die arbeitet mit HIGH und LOW Pegeln für das Auslösen. Ich weis nur wenn ich zwischen den Klemmen 81kOhm hänge löst sie noch aus und bei 120kOhm nicht mehr. Den Innenwiderstand kenn ich nicht wirklich. Das war auch der Grund warum ich vorher ein Relais benutzt hab. [Mod: Lebenslauf aus Link entfernt]
:
Bearbeitet durch Moderator
H. H. schrieb: > Einen µC brauchts da nicht. Einen uC braucht er aber trotzdem, denn darüber kann er einstellen wie lange die Melodie von der elektronischen Klingel spielen soll, nachdem das Klingelstartsignal gedrückt wurde. Außerdem kann er mit dem Raspi ggf. noch weitere Features hinzufügen oder ändern: Michael schrieb: > Es gehen natürlich auch andere Möglichkeiten.
Otto K. schrieb: > Michael schrieb: >> Dazu bräucht ich aber eine dritte Ader hoch zu den Wohnungen > > Stimmt, T2 und der Optokoppler befinden sich ja an zwei verschiedenen > Orten. > > Okay, dann bliebe noch die Möglichkeit, dass du in Reihe zum Optokoppler > noch eine ganz normale Siliziumdiode schaltest, um den > Spannungsunterschied zwischen Optokopler-LED und der Basis von T1 zu > vergrößern. > > R13 könnte sogar entfallen. Wenn ich R13 raus nehme schaltet der Optokoppler noch durch. Ich hab mal den R13 auf 2.2k runter genommen. Denke das könnte so gehen. Bei GPIO 17 LOW sind ca. 2,3mA am Optokoppler Ausgang bei GPIO 17 HIGH nichts mehr.
Otto K. schrieb: > Einen uC braucht er aber trotzdem, denn darüber kann er einstellen wie > lange die Melodie von der elektronischen Klingel spielen soll, nachdem > das Klingelstartsignal gedrückt wurde. Dafür braucht man sicher keinen µC.
Michael schrieb: > Ich denke die arbeitet mit HIGH und LOW Pegeln für das Auslösen. > Ich weis nur wenn ich zwischen den Klemmen 81kOhm hänge löst sie noch > aus und bei 120kOhm nicht mehr. > Den Innenwiderstand kenn ich nicht wirklich. Den kann man ganz leicht ausrechnen, wenn du zu den beiden Widerständen noch die über ihnen abfallende Spannung misst. Oder wenn du die Leerlaufspannung zwischen den beiden Klemmen misst, und den Strom, wenn du die beiden Klemmen mit dem Strommesser verbindest.
Lothar M. schrieb: > Michael schrieb: >> Ich denke die arbeitet mit HIGH und LOW Pegeln für das Auslösen. >> Ich weis nur wenn ich zwischen den Klemmen 81kOhm hänge löst sie noch >> aus und bei 120kOhm nicht mehr. >> Den Innenwiderstand kenn ich nicht wirklich. > Den kann man ganz leicht ausrechnen, wenn du zu den beiden Widerständen > noch die über ihnen abfallende Spannung misst. > > Oder wenn du die Leerlaufspannung zwischen den beiden Klemmen misst, und > den Strom, wenn du die beiden Klemmen mit dem Strommesser verbindest. Hälst Du das für eine Klingelanlage als zielführend? Die Ansteuerung hat entweder offen zu sein oder nur ein paar Ohm zu haben. Ich sehe in der Gesamtschaltung diverse überflüssige Widerstände und habe den Verdacht, dass einige Funktionen Zufall oder zumindest instabil sein werden.
Lothar M. schrieb: > Michael schrieb: >> Ich denke die arbeitet mit HIGH und LOW Pegeln für das Auslösen. >> Ich weis nur wenn ich zwischen den Klemmen 81kOhm hänge löst sie noch >> aus und bei 120kOhm nicht mehr. >> Den Innenwiderstand kenn ich nicht wirklich. > Den kann man ganz leicht ausrechnen, wenn du zu den beiden Widerständen > noch die über ihnen abfallende Spannung misst. > > Oder wenn du die Leerlaufspannung zwischen den beiden Klemmen misst, und > den Strom, wenn du die beiden Klemmen mit dem Strommesser verbindest. Hab ich schon gemacht, kommt wenn ich verschiedene Widerstände nehme zwischen 190 und 210kOhm raus. Kommt mir komisch vor, habs deswegen mit 3 Widerständen gemacht. Und nochmal im Leerlauf, auch ca. 200kOhm Ich hab jetzt den R13 bei 4,7k gelassen und unten den R15 auf 4,7k hoch. Wenn das mit den ca. 200kOhm stimmt dürfte es so gehen. Zumindest in der Simulation.
Für die TVS hätte ich die zwei rausgesucht. ESDS311DYFR oder die TSD03DYFR. Bei Mouser. Die sollte ich auch noch löten können, hoffe ich zumindest. Wären die ok? Wären auch die 100nF für den Kondensator ok?
Seitdem Du in der Türöffner-Klingel-Kombination das Relais durch einen OK ersetzt hast, passt die Schaltung nicht mehr. Kann gerade nicht viel helfen, weil ich hier anderweitig gebunden bin, daher nur so viel: Du musst dafür sorgen, dass in der Türöffner-Klingel-Kombination mindestens 0,8V (besser etwas mehr) abfallen, sonst schaltet Dein T1 (den Du übrigens 2x in der Schaltung hast - bitte korrigieren) nicht durch. Bei 0,8V beginnt jedoch auch der OK durchzuschalten. Das möchtest Du aber nicht. Daher sehe ich nur 2 Lösungswege: entweder ein oder zwei Dioden in Reihe zur Eingangs-LED des OK schalten oder einen Parallelwiderstand neben die Eingangs-LED des OK setzen. Und auch das Schalten der Klingel über T2 muss jetzt etwas anders erfolgen. Außerdem würde ich mir überlegen, ob ich wirklich Batterien für die Klingel einsetze - jedes halbe Jahr wechseln ist doch irgendwie nervig, oder? Kurzum: Deine Schaltung sollte m.M.n. mit Einsatz des OK nochmals etwas umgestellt werden (wobei mir gar nicht so richtig klar ist, warum Du den OK einsetzt, denn Du willst ja vermutlich nicht die Klingel vor ESD schützen, oder?) Viele Grüße Igel1
:
Bearbeitet durch User
Der Tread ist mittlerweile einen Kilometer lang, und es ist nicht bekannt welche Klinkel, Klineltaster, Trafo, ect hier derzeit verbaut ist. Zumendest habe ich das beim gerade überfliegen nicht gefunden. Sind das über all die gleichen Klingeln? - Welche? Wieviel ? Trafo / Stromversorgung vorhanden? Soll das nicht doch zu irgendwas hintendran kompatibel sein ? Stell dir vor irgendwas aus Deinem Konstrukt (sehr speziell) gibt es irgendwann nicht mehr. Dann sollte man doch wieder vorhandene Teile verwenden können. Taster / Klingel /Trafo 8V, schieß mich tod. Die Schaltung und der Raspi gehören schon mal mit - RICHTIG - Optokoppler isoliert. Sollten mal versehentlich 230V auf die Eingänge kommen , sterben max. die Optokoppler. Und Dein sensibles Zeugs überlebt es. Also : Eingänge mit Optokoppler Die Schaltung innerhalb der Optos vernünftig aufbauen. Ausgänge mit Relais und Freilaufdioden. Also erzähl mal über die vorhandenen hochspeziellen Klingeln etwas.
Michael schrieb: > Für die TVS hätte ich die zwei rausgesucht. > > ESDS311DYFR oder die TSD03DYFR. Bei Mouser. Die erste ist m.M.n. für Dich besser geeignet, weil die Klemmspannung da nur 7,7V beträgt und nicht 11,5V wie bei der zweiten. > Die sollte ich auch noch löten können, hoffe ich zumindest. 2,75mm Länge - ich hoffe, Du hast gute Augen. > Wären die ok? m.M.n. ja, aber wie gesagt: bin nicht der ESD-Experte. Eine Zweit- und Drittmeinung wären gut. > Wären auch die 100nF für den Kondensator ok? Ja schon - aber auch hier muss man den richtigen Kondensatortyp auswählen - einfach etwas lesen oder auf Tipps hier hoffen. VG Igel1
Michael schrieb: > Ich hab mir das so ausgedacht, da ich nur 2 Adern pro Wohneinheit zur > Verfügung hab und damit die Klingel und den Türöffner gleichzeitig > steuern muss. Wenn jemand klingelt, öffnet sich die Tür. Ganz einfach. Oder? Hab gerade hier eine Uralt-Klingelanlage von SETA in der Mache. Klingel/Türöffner mindestens drei Adern pro WE. Es gibt je nach Kabellänge stets Verkopplungen und Netzeinstreuungen bei den mehradrigen Kabeln. Niederohmig arbeiten. Irgendwelche µC-Schaltungen brauchen am Eingang entsprechende Schutzschaltungen. Sonst wird das nix. ciao gustav
Thomas S. schrieb: > Der Tread ist mittlerweile einen Kilometer lang, und es ist nicht > bekannt welche Klinkel, Klineltaster, Trafo, ect hier derzeit verbaut > ist. Zumendest habe ich das beim gerade überfliegen nicht gefunden. > Steht irgendwo oben alles drinnen. Aber hier nochmal: > Sind das über all die gleichen Klingeln? - Welche? > Wieviel ? Ja, https://de.elv.com/p/heidemann-mehrklang-gong-chorus-2-in-1-design-P258246/ > Trafo / Stromversorgung vorhanden? https://www.amazon.de/dp/B07BFCCXNM?ref=ppx_yo2ov_dt_b_fed_asin_title&th=1 https://www.amazon.de/dp/B0BCV6GRH5?ref=ppx_yo2ov_dt_b_fed_asin_title&th=1 Taster sind von einer alten LT Sprecheinrichtung, war vorher verbaut. Benutze nur noch die Frontblende. Türöffner uralt. > Soll das nicht doch zu irgendwas hintendran kompatibel sein ? > Der Rasp steuert alles. (Pythen Programm mit SIP Video Call usw.) > Stell dir vor irgendwas aus Deinem Konstrukt (sehr speziell) gibt es > irgendwann nicht mehr. Dann sollte man doch wieder vorhandene Teile > verwenden können. Taster / Klingel /Trafo 8V, schieß mich tod. > Solange es mit den Spannungen arbeitet und es Batteriebetriebene Klingeln mit Eingang gibt sollte das ok sein. Da kann ich irgendeinen MC nehmen, dann geht zumindest immer die Klingel und der Türöffner. Wenn ich den Hausgang irgendwann mache dann kann ich auch andere Kabel verlegen und hab das Problem auch nicht mehr. > Die Schaltung und der Raspi gehören schon mal mit - RICHTIG - > Optokoppler isoliert. Sollten mal versehentlich 230V auf die Eingänge > kommen , sterben max. die Optokoppler. Und Dein sensibles Zeugs überlebt > es. > > Also : > Eingänge mit Optokoppler > Die Schaltung innerhalb der Optos vernünftig aufbauen. > Ausgänge mit Relais und Freilaufdioden. > Das hatte ich am Anfang so, wurde mir erklärt, die nimmt man nur zur galvanische Trennung. > Also erzähl mal über die vorhandenen hochspeziellen Klingeln etwas.
Andreas S. schrieb: > Außerdem würde ich mir überlegen, ob ich wirklich Batterien für die > Klingel einsetze - jedes halbe Jahr wechseln ist doch irgendwie nervig, > oder? > Die halten jetzt schon seit 2018. Also kein Problem. > wobei mir gar nicht so richtig klar ist, warum Du den > OK einsetzt, denn Du willst ja vermutlich nicht die Klingel vor ESD > schützen, oder?) Nein nicht, aber ich wollte den Strom begrenzen. Das Relais braucht ja mehr. Ich brauch halt was, was einfach die zwei Kontakte bei der Klingel schließt. Bei der alten Anlage (LT Anlage vor ca. 30 Jahren, hat auch mit Spannungsunterschieden gearbeitet) hab ich einfach ein Relais eingebaut. Hat auch gut funktioniert, aber die Sprecheinrichtung hat selbst damals der Elektriker nicht richtig hinbekommen.
Andreas S. schrieb: > Die erste ist m.M.n. für Dich besser geeignet, weil die > Klemmspannung da nur 7,7V beträgt und nicht 11,5V wie > bei der zweiten. Dank des nachfolgenden RC-Gliedes ist es völlig schnuppe, ob die TVS-Diode aus dem eingehenden 1,5kV ESD-Impuls dann 7,7V oder 11,5V macht. Denn die allermeiste Energie dieses ESD-Impulses liegt ja in den "vernichteten" 1490V, die die TVS "wegklemmt".
Michael schrieb: >> Also : >> Eingänge mit Optokoppler >> Die Schaltung innerhalb der Optos vernünftig aufbauen. >> Ausgänge mit Relais und Freilaufdioden. >> > Das hatte ich am Anfang so, wurde mir erklärt, die nimmt man nur zur > galvanische Trennung. Lass Dich nicht vergageiern. Auf der einen Seite hast Du verutlich einen Klingeltrafo, oder sonstige Spannungsquelle. Intern hast Du für Deine Logig 5V, und dann der Raspi, der 3,3V an den I/O's haben möcht Unbekannte Spannung vor dem IO - Optokoppler rein. Wenn dann noch Störungen drauf sind, Kondi/Elko mit ca. 2,2 - 10 uF mit Widerstand zur Glättung nach dem Opto. Und dann sind wir im Spielraum mit den 3,3V vom Raspi. Überleg mal! - Warum hats Dir die IO's vom Raspi getrümmert? Vieleicht bist Du mit 2 verschiedenen Bezugspunkten unterwegs ? - Dann klapprts sowieso. Und Du suchst Dir den Wolf.
:
Bearbeitet durch User
Lothar M. schrieb: > Andreas S. schrieb: >> Die erste ist m.M.n. für Dich besser geeignet, weil die >> Klemmspannung da nur 7,7V beträgt und nicht 11,5V wie >> bei der zweiten. > Dank des nachfolgenden RC-Gliedes ist es völlig schnuppe, ob die > TVS-Diode aus dem eingehenden 1,5kV ESD-Impuls dann 7,7V oder 11,5V > macht. Denn die allermeiste Energie dieses ESD-Impulses liegt ja in den > "vernichteten" 1490V, die die TVS "wegklemmt". Da hast Du natürlich auch wieder recht. Bitte schreib noch ein paar Worte zu dem Kondensator. Welchen Typ sollte man optimalerweise nehmen? Und ich frage mich: Und warum dort überhaupt ein Kondensator? Denn die RasPi-internen Sicherungsdioden (ich hoffe mal, er hat solche ...) sollten doch eigentlich die im ESD-Fall am 10k Widerstand anstehenden 15V auf zahme 3,6V abfedern, oder? Oder kommt der ESD einfach zu schnell und die internen Dioden könnten so schnell nicht durchschalten und bekommen über den Kondensator noch etwas "Extra-Vorlaufzeit"?
Karl B. schrieb: > Wenn jemand klingelt, öffnet sich die Tür. > Ganz einfach. Oder? und dann erleichtert sich jemand im Treppenhaus, alles schon erlebt, aber wenn einer Post ruft oder nur eine Sendung einwerfen will wird eh immer jemand öffnen.
Andreas S. schrieb: > Oder kommt der ESD einfach zu schnell und die > internen Dioden könnten so schnell nicht durchschalten und bekommen über > den Kondensator noch etwas "Extra-Vorlaufzeit"? Hier ein Link zu einem ESD-Tester (als Beispiel herausgegriffen). Da stehen auf S.3 ein paar Zeiten drin. https://www.schloeder-emv.de/fileadmin/schloeder-emv/deutsch/EMV_Pruef-_und_Messtechnik/ESD-Simulatoren/DB_SESD_216.pdf Die Anstiegsflanke des hohen Peak dauert unter 1ns. Der langsame Peak kommt nach 20ns, nur um dir eine Vorstellung zu geben, wie die Anforderungen sind. Bei der Klingelanlage habe so harte Pulse allerdings wegen der Leitungsinduktivität wohl keine Chancen, den RaspPi in der Form zu erreichen. Der vorgeschlagene Kondensator in der Eingangsschaltung nimmt die Ladung auf und damit sinkt bei festem Wert für die injizierter Ladung die Höhe des Peaks am Eingang mit 1/C.
:
Bearbeitet durch User
Hier ein Vorschlag, wie es vielleicht gehen könnte - morgen mehr dazu. Viele Grüße Igel1
Hier nochmals mein Vorschlag "in schöner". Erläuterungen zum Schaltplan: - Der Türöffnet-Taster wird hier per S1 simuliert. S1 ist in Ltspice ein spannungsgesteuerter Schalter, der bei +1V öffnet und bei -1V schließt. Das Öffnen und Schließen des Schalters habe ich daher mit einer Rechteckspannung V4 (grüne Kurve), die an S1 anliegt, simuliert. - Das Ansteuern der Klingel über GPIO17 habe ich ebenfalls mit einer Rechteckspannung (nämlich V3) simuliert (blaue Kurve). So kann ich alle unterschiedlichen Kombinationen von Türöffner-Taster auf/zu und GPIO17 HIGH/LOW simulieren. - D2 habe ich eingesetzt, um das für den (hier nicht eingezeichneten) Transistor T1 wichtige T1-Base Potenzial so weit zu heben (auf ca. 1V), dass im Ruhezustand (Türöffner-Taster auf & GPIO17 ist LOW) ein genügend hohes Potential an T1-Base bereitsteht, um den späteren T1 durchzuschalten. Und gleichzeitig verhindert D2 dass bei T1-Base = 1V bereits ein Strom durch den Optokoppler-Eingang (hier dargestellt via D1) fließt. - R23 stellt sicher, dass auch im Ruhezustand hinreichend Strom durch die ja weit entfernte Türöffner-Schaltung fließt, um eine gewissen Störsicherheit zu erreichen und um ein Schließen des Türöffner-Tasters (simuliert durch S1) sicher erkennen zu können. - Wenn dann GPIO17 auf HIGH geht, so schalten T2 und T4 durch und in Folge erhält D1 (hauptsächlich über R22) so viel Strom, dass es zum sicheren Durchschalten des Optokoppler ausreichen sollte. - Habe versucht die Leiterführung und Bauteilbezeichnung weitestgehend ähnlich zu denen von Michael zu halten - Wenn tatsächlich mit 5V-Potenzial gearbeitet werden soll (eigentlich fällt mir kein Grund ein, warum das sinnvoll ist, aber ich habe es einfach mal übernommen), so benötige ich 2 Transistoren (T2 und T4), um die Kingel anzusteuern. Sollte Michael sich entschließen die 5V Versorgung aus seiner Schaltung zu entfernen, so könnte T2, R13 und R14 weglassen und GPIO17 über R12 direkt mit der Basis von T4 verbinden. Spart dann weitere 3 Bauteile. - Schutz- und Entstörmaßnahmen fehlen hier allesamt - Vorschläge sind gerne willkommen (z.B. kleines C von T1-Base nach GND? oder noch ein Haufen TVS von T1-Base in alle Himmelsrichtungen?). Soweit mein Vorschlag. Viele Grüße Igel1
Andreas S. schrieb: > Hier nochmals mein Vorschlag "in schöner". > > Erläuterungen zum Schaltplan: > > - Der Türöffnet-Taster wird hier per S1 simuliert. > S1 ist in Ltspice ein spannungsgesteuerter Schalter, der > bei +1V öffnet und bei -1V schließt. Das Öffnen und Schließen > des Schalters habe ich daher mit einer Rechteckspannung V4 > (grüne Kurve), die an S1 anliegt, simuliert. > > - Das Ansteuern der Klingel über GPIO17 habe ich ebenfalls > mit einer Rechteckspannung (nämlich V3) simuliert (blaue Kurve). > So kann ich alle unterschiedlichen Kombinationen von > Türöffner-Taster auf/zu und GPIO17 HIGH/LOW simulieren. > > - D2 habe ich eingesetzt, um das für den (hier nicht eingezeichneten) > Transistor T1 wichtige T1-Base Potenzial so weit zu heben (auf ca. > 1V), > dass im Ruhezustand (Türöffner-Taster auf & GPIO17 ist LOW) > ein genügend hohes Potential an T1-Base bereitsteht, um den > späteren T1 durchzuschalten. > > Und gleichzeitig verhindert D2 dass bei T1-Base = 1V bereits > ein Strom durch den Optokoppler-Eingang (hier dargestellt via D1) > fließt. > > - R23 stellt sicher, dass auch im Ruhezustand hinreichend Strom > durch die ja weit entfernte Türöffner-Schaltung fließt, um > eine gewissen Störsicherheit zu erreichen und um ein Schließen > des Türöffner-Tasters (simuliert durch S1) sicher erkennen > zu können. > > - Wenn dann GPIO17 auf HIGH geht, so schalten T2 und T4 durch > und in Folge erhält D1 (hauptsächlich über R22) so viel Strom, > dass es zum sicheren Durchschalten des Optokoppler ausreichen > sollte. > > - Habe versucht die Leiterführung und Bauteilbezeichnung > weitestgehend ähnlich zu denen von Michael zu halten > > - Wenn tatsächlich mit 5V-Potenzial gearbeitet werden soll > (eigentlich fällt mir kein Grund ein, warum das sinnvoll ist, > aber ich habe es einfach mal übernommen), so benötige ich > 2 Transistoren (T2 und T4), um die Kingel anzusteuern. > Sollte Michael sich entschließen die 5V Versorgung aus seiner > Schaltung zu entfernen, so könnte T2, R13 und R14 weglassen > und GPIO17 über R12 direkt mit der Basis von T4 verbinden. > Spart dann weitere 3 Bauteile. > > - Schutz- und Entstörmaßnahmen fehlen hier allesamt - Vorschläge > sind gerne willkommen (z.B. kleines C von T1-Base nach GND? oder > noch ein Haufen TVS von T1-Base in alle Himmelsrichtungen?). > > Soweit mein Vorschlag. > > Viele Grüße > > Igel1 Super, Danke dafür! Ich hab das am Breadboard mal ausprobiert, funktioniert soweit ganz gut. Wegen den 5V, ich kann die 3,3V nur vom Raspberry abschöpfen, und der darf nur maximal 16mA pro Eingang und insgesamt ca. 50mA. Deswegen will ich den so gut wie möglich da raushalten. Die 5V kann ich vom Stepdown nehmen, da ist es egal. Ich werd mal ne Probeplatine zusammen löten und Platz für die TVS lassen. Danach probier ich sie erstmal mit dem Rpi Pico 2 aus. Wenn der hops geht ist es nicht so teuer. VG Michael
Michael schrieb: > Andreas S. schrieb: >> Hier nochmals mein Vorschlag "in schöner". [...] >> Soweit mein Vorschlag. >> >> Viele Grüße >> >> Igel1 > > Super, Danke dafür! > Ich hab das am Breadboard mal ausprobiert, funktioniert soweit ganz gut. Waaas, so fix? Du hast wirklich die Ltspice-Schaltung wie oben von mir aufgemalt, umgesetzt? Ich bin ganz baff. > Wegen den 5V, ich kann die 3,3V nur vom Raspberry abschöpfen, und der > darf nur maximal 16mA pro Eingang und insgesamt ca. 50mA. Uh - da hast Du aber ein ganz altes RasPi-Modell im Einsatz. Ab Modell B+ können die angeblich 500mA rausgeben: https://pinout.xyz/pinout/pin1_3v3_power/ > Deswegen will > ich den so gut wie möglich da raushalten. Die 5V kann ich vom Stepdown > nehmen, da ist es egal. Okay. > Ich werd mal ne Probeplatine zusammen löten und Platz für die TVS > lassen. > > Danach probier ich sie erstmal mit dem Rpi Pico 2 aus. Wenn der hops > geht ist es nicht so teuer. Ui - Du setzt auch wirklich jeden Ratschlag um, den man Dir gibt - bin ich überhaupt nicht mehr gewohnt hier ... Viel Erfolg beim Löten - und spendier uns mal ein Bild von Deinem Baby. Viele Grüße Igel1
Rainer W. schrieb: > Andreas S. schrieb: >> Oder kommt der ESD einfach zu schnell und die >> internen Dioden könnten so schnell nicht durchschalten und bekommen über >> den Kondensator noch etwas "Extra-Vorlaufzeit"? > > Hier ein Link zu einem ESD-Tester (als Beispiel herausgegriffen). Da > stehen auf S.3 ein paar Zeiten drin. > https://www.schloeder-emv.de/fileadmin/schloeder-emv/deutsch/EMV_Pruef-_und_Messtechnik/ESD-Simulatoren/DB_SESD_216.pdf > > Die Anstiegsflanke des hohen Peak dauert unter 1ns. Der langsame Peak > kommt nach 20ns, nur um dir eine Vorstellung zu geben, wie die > Anforderungen sind. Ah - hochinteressant! > Bei der Klingelanlage habe so harte Pulse allerdings wegen der > Leitungsinduktivität wohl keine Chancen, den RaspPi in der Form zu > erreichen. Yep - vermutlich. > Der vorgeschlagene Kondensator in der Eingangsschaltung nimmt die Ladung > auf und damit sinkt bei festem Wert für die injizierter Ladung die Höhe > des Peaks am Eingang mit 1/C. Das wiederum verstehe ich nicht so ganz: Dass Q = C * U gilt ist klar, aber von einem festen Wert der injizierten Ladung (wie Du es schreibst) kann man vermutlich nicht ausgehen, oder doch? Ich bin davon ausgegangen, dass für die Dauer des Impulses die Klemmspannung am vorgeschalteten Widerstand anliegt und dass tau = R * C bestimmt, wie schnell die Spannung an C letztendlich ansteigt (bis zur Klemmspannung) und dass man C nur deshalb nimmt, damit die internen Schutzdioden des MC mehr Zeit zum Durchschalten haben. Bin ich da auf dem Holzweg? Viele Grüße Igel1
Andreas S. schrieb: > die RasPi-internen Sicherungsdioden (ich hoffe mal, er hat solche ...) Ich würde mich nie "per Design" auf solche nicht sauber und genau dokumentierten Features einlassen. Rainer W. schrieb: > Die Anstiegsflanke des hohen Peak dauert unter 1ns. Der langsame Peak > kommt nach 20ns, nur um dir eine Vorstellung zu geben, wie die > Anforderungen sind. > Bei der Klingelanlage habe so harte Pulse allerdings wegen der > Leitungsinduktivität wohl keine Chancen, den RaspPi in der Form zu > erreichen. Das sind die Normpulse. In der Realität können aber durchaus auch weniger "harte" Störungen mit ein paar hundert Volt im einstelligen µs Bereich einkopplen, die dann von der Leitungsindktivtät nicht begrenzt werden. Andreas S. schrieb: > Bin ich da auf dem Holzweg? Es ist ein anderer, wenn auch "anschaulicherer" Rechenweg. Ein RC-Glied bestehend aus einem 10k und dem 100nF Kondensator hat eine Zeitkonstante von 1ms, allemal schnell genug für einen Tastendruck. Aber wenn der 11V-Puls jetzt für 1µs ansteht, dann kann sich der 100nF Kondensator grade mal auf Uc = 11V * (1-e(-1µs/RC)) = 11V*(1-0.999) = 11V*0,001 = 11mV aufladen. Wenn ganze ohne TVS-Diode der ESD-Normimpuls ankommt mit 2kV und dann 20ns dauert, dann sieht die Rechnung so aus: uC = 2000V * (1-e(-20ns/RC)) = 2000V*(1-0,9999) = 0,2V Und bei 8kV wären das grade mal 0,8V. Fazit: allein der Kondenstor würde schon dafür sorgen, dass von dem ESD-Impuls nichts am µC-Pin ankommt. Allerdings müsste ohne TVS-Diode der 10k Widerstand eben diese 2..8kV aushalten. Weil er das nicht kann, muss der ESD-Spike auf eine für den Widerstand verträgliche Spannung reduziert werden. Ob also die TVS-Diode 7,5V oder 11,5V oder 100V hat, ist letztlich völlig nachrangig, denn das hält jeder Widerstand aus. Das RC-Glied macht letztendlich die Magie.
Andreas S. schrieb: > Das wiederum verstehe ich nicht so ganz: > Dass Q = C * U gilt ist klar, aber von einem festen Wert der injizierten > Ladung (wie Du es schreibst) kann man vermutlich nicht ausgehen, oder > doch? Bei einem ESD-Tester schon. Bei ESD-Tests ist, je nach Testlevel, die Spannung auf dem 150pF-Kondensator vorgegeben und daraus ergibt sich die Ladung. Im wahren Leben kommt natürlich alles mögliche vor, bis zu einem direkten Blitzeinschlag, den wohl kaum eine Schaltung überlebt. Der definierte Testimpuls dient als Grundlage zur Beurteilung der Schaltungsauslegung.
Rainer W. schrieb: > Bei einem ESD-Tester schon. Bei ESD-Tests ist, je nach Testlevel, die > Spannung auf dem 150pF-Kondensator vorgegeben und daraus ergibt sich die > Ladung. Und allein schon, wenn man das Ganze statisch und ohne parasitäre oder gewollte "Energievernichter" betrachtet und das Gesetz der "Spannungs(ver)teilung" bei der Parallelschaltung von Kondensatoren betrachtet, dann muss dem 150pF-Kondensator einfach nur ein 150nF-Kondensator parallel schaltet werden, um die Spannung über dieser Parallelschaltung auf 1/1000 zu reduzieren. Das ist ja auch der Trick mit dem 100nF-Kondensator vor dem ADC: der hat so viel Ladung in sich, dass er durch das Parallelschalten des winzigen 15pF Sample-Kondensators nicht wesentlich entladen wird (deutlich weniger als 1/2 LSB).
Ralf X. schrieb: > An sich hat es sich lange Zeit bewährt, Texte und auch Schaltpläne mit > dunklen Farben auf hellem Grund anzulegen Das musst du Falstad erzählen. Und deine Schaltplandesignvorlieben interessieren hier auch niemanden, behalte sie doch für dich, wenn du nichts beizutragen hast. Denn dein sinnfreier Beitrag löst den nächsten (meinen) sinnfreien Beitrag aus.
Lothar M. schrieb:
[...]
vielen, vielen Dank für Deine ausführlichen Erklärungen, Lothar, im o.g.
Post und danke, dass Du Dir so viele Mühen damit gemacht hast!
Durch Deine Erklärungen habe ich die Zs.hänge jetzt deutlich besser
verstanden als vorher - bin gerade ganz happy darüber - hast Du super
erklärt, großes Kompliment!
Was mir z.B. gar nicht so richtig klar war, ist der Fakt, dass sich
ESD-Ereignisse maximal im einstelligen us-Bereich abspielen und die
Normpulse sogar nur im ns-Bereich liegen. Ich war gedanklich im
ms-Bereich unterwegs, wo sich so ein Kondensator schnell schon mal um
ein paar Volt aufgeladen hätte.
Danke auch an Rainer W. für seine Erläuterungen, mit denen ich mich
zunächst noch etwas schwer getan habe, die mir im Rückblick jetzt aber
auch einleuchtender erscheinen.
Viele Grüße
Igel1
Andreas S. schrieb: > Danke auch an Rainer W. für seine Erläuterungen, mit denen ich mich > zunächst noch etwas schwer getan habe, die mir im Rückblick jetzt aber > auch einleuchtender erscheinen. In der Tat war das sehr aufschlussreich.
Michael schrieb: > Ich werd mal ne Probeplatine zusammen löten und Platz für die TVS lassen. > Danach probier ich sie erstmal mit dem Rpi Pico 2 aus. > Wenn der hops geht ist es nicht so teuer. Wollte mal vorsichtig anfragen, wie weit Du in Sachen Platine-Anfertigen schon gekommen bist? Wie sieht Deine finale Schaltung aus? Funktioniert alles? Viele Grüße Igel1
Andreas S. schrieb: > Ab Modell B+ können die angeblich 500mA rausgeben: > https://pinout.xyz/pinout/pin1_3v3_power/ verwechsel doch nicht doe Spanungsversorgung mit dem SoC Port. Es gibt einen maximalen Strom den der SoC ziehen oder liefern kann, je nach Type so um 200mA +- und da ist der Bedarf der GPU (Prozessor) inklusive, ergo für die Ports in Summe 50mA nach GND oder nach VCC je nach dem ob er liefern oder schlucken soll die Begrenzung, wer mehr Strom fließen läßt riskiert halt den Chip und angeblich bis 16mA für einen Port, was ich immer noch nicht glaube denn das Geisterbild mit den konfigurierbaren Ports sollte ja auch in einem Programm auslesbar sein, hat auch nie einer programmiert.
Joachim B. schrieb: > Andreas S. schrieb: >> Ab Modell B+ können die angeblich 500mA rausgeben: >> https://pinout.xyz/pinout/pin1_3v3_power/ > > verwechsel doch nicht doe Spanungsversorgung mit dem SoC Port. Ich verstehe nicht genau, was Du mit SoC Port meinst. Bitte erkläre das genauer. Für mich ist SoC = System On a Chip (= auf einem Chip integriertes System) > Es gibt einen maximalen Strom den der SoC ziehen oder liefern kann, Das verwirrt mich jetzt etwas, weil SoC's m.M.n. nur Strom ziehen und nicht liefern können. > je > nach Type so um 200mA +- und da ist der Bedarf der GPU (Prozessor) > inklusive, ergo für die Ports in Summe 50mA nach GND oder nach VCC je > nach dem ob er liefern oder schlucken soll die Begrenzung, Mir dämmert, dass Du die GPIO-Ports meinen könntest? > wer mehr > Strom fließen läßt riskiert halt den Chip und angeblich bis 16mA für > einen Port, was ich immer noch nicht glaube denn das Geisterbild mit den > konfigurierbaren Ports sollte ja auch in einem Programm auslesbar sein, > hat auch nie einer programmiert. Ich verstehe wirklich nicht, was Du meinst - evtl. könntest Du Dich nochmals etwas klarer/eindeutiger ausdrücken. Hier nochmals meine Aussage, die gerne widerlegt werden kann (optimalerweise mit eindeutigen Referenzen): Ich glaube, dass man an Pin1 (3,3V Pin) eines Raspberry Pi Boards (>= Version 3B) 500mA für externe Zwecke ziehen kann. Ich stütze mich dabei auf folgende Quellen: [1] https://raspberrypi.stackexchange.com/questions/51615/raspberry-pi-power-limitations [2] https://www.raspberrypi.com/documentation/computers/raspberry-pi.html#power-supply [3] https://pinout.xyz/pinout/pin1_3v3_power/ Trotzdem bin ich mir nicht 100%ig sicher, denn es scheint wirklich für den Raspberry Pi selbst keine Spec für die Belastbarkeit des 3,3V Pins zu geben (erstaunlich). Letztendlich wird der vorgeschaltete Spannungsregler das Limit vorgeben. Dazu heißt es in o.g. Referenz [1]: "The MxL7704 PMIC used in the Pi3B+, Pi3A+ and Pi4 is rated at 1.5 A" Die Differenz zwischen dessen Limit und dem Verbrauch des Pi-Boards selbst (zzgl. eventueller Abflüsse über GPIO-Ports) sollte m.M.n. am 3,3V Pin zur Verfügung stehen. Und wenn ich dann in der 2. o.g. Referenz lese, dass die "Typical bare-board active current consumption" eines Pi 4B gerade mal 600mA beträgt, so ist da doch einiges an Reserve, was an Pin 1 abgezwackt werden kann. Nicht verschweigen möchte ich aber auch, dass lt. der 2. o.g. Referenz ein Pi 4B in Stresssituationen wohl bis zu 1,25A verbrauchen kann. Dann bleibt natürlich nicht mehr so viel am 3,3V Pin 1 übrig. Für mich hörte sich eine Klingelanlage aber nicht direkt nach Stress für den Pi an - daher bleibe ich bei meiner Einschätzung (bin aber gerne für Gegenargumente/Beweise offen): 500mA können bei "normaler PI-Nutzung" am 3,3V Pin1 für externe Zwecke abgezwackt werden (alle Aussagen nur ab Pi 3B+ aufwärts) Viele Grüße Igel1
Andreas S. schrieb: > Das verwirrt mich jetzt etwas, weil SoC's m.M.n. nur Strom ziehen > und nicht liefern können. Ein System-on-Chip SoC ist letzlich auch nur irgendein IC mit irgendwelchen Pintreibern, die bei entsprechender Auslegung natürlich Strom in jede Richtung fließen lassen können. Das "SoC" beim RPi ist quasi der Prozessor mit einer GPU und dem restlichen Klimbim drumrum (Memorycontroller, IO, Timer, serielle Schnitten, ...). Man könnte das auch einfach "µC" nennen, denn auch ein µC hat einen Rechnerkern und Peripherie drumrum, aber "SoC" hört sich schon irgendwie größer und leistungsfähiger an. > Ich glaube, dass man an Pin1 (3,3V Pin) eines Raspberry Pi > Boards (>= Version 3B) 500mA für externe Zwecke ziehen kann. Das interessiert den µC (das SoC) nicht, denn dieser Strom geht nicht über seine Bonddrähte. Der µC (das SoC) wird dann überlastet, wenn du an 10 Portpins jeweils 10mA ausgibst und der Prozessor und die GPU auch nochmal 150mA brauchen. Denn dann fließen 250mA über einen Versorgungs-Pin und dessen Bonddraht, der nur maximal 200mA aushält.
:
Bearbeitet durch Moderator
Andreas S. schrieb: > Michael schrieb: >> Ich werd mal ne Probeplatine zusammen löten und Platz für die TVS lassen. > >> Danach probier ich sie erstmal mit dem Rpi Pico 2 aus. >> Wenn der hops geht ist es nicht so teuer. > Hi Michael, Wie schaut‘s aus? Werkelst Du noch an der Schaltung oder ist Dein Projekt gestorben? Viele Grüße Igel1
Andreas S. schrieb: > Andreas S. schrieb: >> Michael schrieb: >>> Ich werd mal ne Probeplatine zusammen löten und Platz für die TVS lassen. >> >>> Danach probier ich sie erstmal mit dem Rpi Pico 2 aus. >>> Wenn der hops geht ist es nicht so teuer. >> > > > Hi Michael, > > Wie schaut‘s aus? > Werkelst Du noch an der Schaltung oder ist Dein Projekt gestorben? > > Viele Grüße > > Igel1 Hi, ne Projekt läuft bin grad dran ins Smarthomesystem zu integrieren. Hier mal ein paar Bilder. Vielen Dank nochmal für deine Hilfe! Funktioniert bis jetzt sehr gut. VG
Hi Michael, och das ist aber nett, dass Du uns schreibst, wie es weitergegangen ist! Du bist wirklich ein Mann der Tat und hast jetzt also einen Pi Zero 2W verbaut - gute Idee, denn das hält den finanziellen Schaden in Grenzen, falls nochmals etwas schief gehen sollte. Und genügend Power sollte der ebenfalls haben. Das Gehäuse ist selbst gedruckt? Falls es Dir nicht zu viel Mühe macht, so würde mich der Schaltplan der nun letztendlich verbauten Schaltung interessieren (den brauchst Du ja sowieso, sonst kannst Du Dich in 6 Monaten, wenn man etwas kaputt gehen sollte, an nichts mehr erinnern - ich spreche aus Erfahrung ...). Viele Grüße Igel1
Andreas S. schrieb: > Das Gehäuse ist selbst gedruckt? > Ja hab ich selber gedruckt, brauch ja was spezielles. > Falls es Dir nicht zu viel Mühe macht, so würde mich der Schaltplan der > nun letztendlich verbauten Schaltung interessieren (den brauchst Du ja > sowieso, sonst kannst Du Dich in 6 Monaten, wenn man etwas kaputt gehen > sollte, an nichts mehr erinnern - ich spreche aus Erfahrung ...). > > Viele Grüße > > Igel1 Hier der finale Schaltplan.
Andreas S. schrieb: > Das verwirrt mich jetzt etwas, weil SoC's m.M.n. nur Strom ziehen > und nicht liefern können. Lothar M. schrieb: > Das interessiert den µC (das SoC) nicht, denn dieser Strom geht nicht > über seine Bonddrähte. Der µC (das SoC) wird dann überlastet, wenn du an > 10 Portpins jeweils 10mA ausgibst und der Prozessor und die GPU auch > nochmal 150mA brauchen. Denn dann fließen 250mA über einen > Versorgungs-Pin und dessen Bonddraht, der nur maximal 200mA aushält. Lothar hat es auch noch mal ausführlicher erklärt, ich hoffe es ist nun klarer obwohl es auch vorher logisch war, Strom kann durch seine Versorgung von Power über Port geliefert werden bei high und auch bei low nach GND abfliessen also bgrenzt der Bonddraht von VCC oder GND den maximalen Strom.
Michael schrieb: > > Hier der finale Schaltplan. Supi - nett, dass Du den Plan noch nachgeliefert hast! Du hast alle Vorschläge, die man Dir gemacht hatte, clever umgesetzt und am Ende damit eine funktionierende Schaltung erhalten - was will man mehr - sowohl als Thread-Owner, als auch als Ideengeber?! Ich schätze mal, es mussten keine weiteren RasPis dran glauben?! Damit haben wir ein wunderbares "happy end" hier in diesem Thread. Ende gut, alles gut - hat Spaß gemacht ... alles Gute Dir und Deiner Türanlage. Viele Grüße Igel1 PS: @jar: danke für Deine Erläuterung im vorigen Post - war gut verständlich für mich.
Bitte melde dich an um einen Beitrag zu schreiben. Anmeldung ist kostenlos und dauert nur eine Minute.
Bestehender Account
Schon ein Account bei Google/GoogleMail? Keine Anmeldung erforderlich!
Mit Google-Account einloggen
Mit Google-Account einloggen
Noch kein Account? Hier anmelden.



























